Fender 013 4700 02C SISD
User Manual: Fender Stratocaster® Service Diagrams – Fender
Open the PDF directly: View PDF
.
Page Count: 4

MEX. STD. FAT STRAT 0134700/4702
R
R
NUMBER
SERIAL
MN000000
STRATCASTER
MADE IN MEXICO
2
4
7
5
3
1
12-20-2000
Pg. 1 of 4
622
16
14
9
8
7
7
8
9
8
9
7
9
8
7
1
1
3
4
6
5
3
4
6
5
1
1
2
2
0
0
VOLUME
0
1
1
9
8
10
11
12
21
15
18
19
3
2
5
4
6
4
2
3
5
6
TONE
5
9
8
7
6
TONE
5
9
6
7
8
1
0
1
1
10
1
1
2
3
2
3
4
4
20
TONE
0
TONE
Rev. C

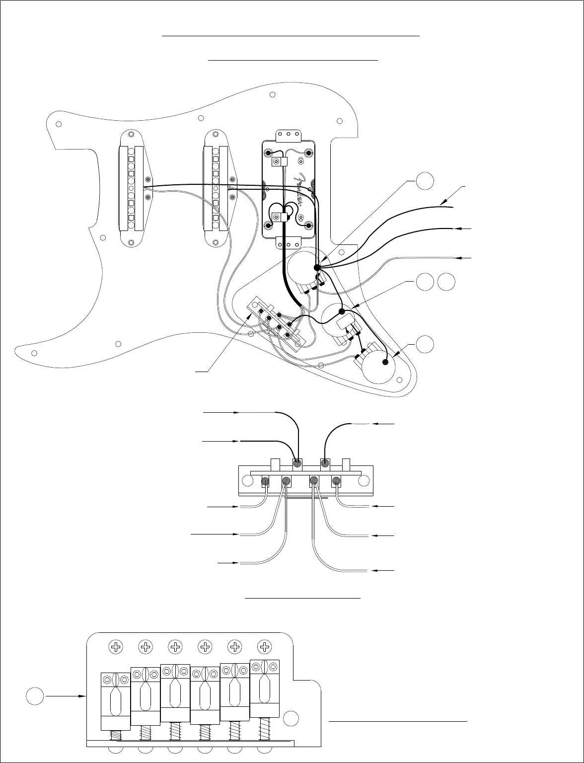
PICKGUARD ASSEMBLY
MEX. STD. FAT STRAT 0134700/4702
TO TREMOLO CLAW
FOR GROUNDING
WHITE WIRE FROM
BLACK WIRE FROM
OUTPUT JACK
R
13
17
.022K
13
13
OUTPUT JACK
SEE WIRING DETAIL
BACK OF TONE POT
BLACK WIRE TO
SWITCH WIRING
WHITE WIRE FROM
WHITE WIRE TO
TONE POT(NECK SIDE)
NECK P.U.
VOL. POT
WHITE WIRE TO
BLACK WIRE FROM
WHITE WIRE FROM
BRIDGE P.U.
BRIDGE P.U.
YELLOW WIRE FROM
WHITE WIRE TO
BRIDGE P.U.
MIDDLE P.U.
GREEN WIRE FROM
TONE POT(MIDDLE SIDE)
BRIDGE ASSEMBLY
12-20-2000
Pg. 2 of 4
20
Rev. C

REF.#
1
P/N
0029548000
0029549000
3 0083675000
0053107000
0053106000
2 0037429000 Tuning Key, (1) Set
Bone Nut
DESCRIPTION
Neck, Mex. Std. Strat, 21 Frets, R/W
Neck, Mex. Std. Strat, 21 Frets, M/N
Bushing Key, Ping
Washer, Key Ping
MEX. STD. FAT STRAT 0134700/4702
Body Part Number
Brown Sunburst
Midnight Blue
Black
0040862532
0029547573
0029547506
5
6 0040862xxx
0038454000
0011357000
0038467000
7
8
0015636000
0033024000
0012344000
0029547xxx
Strap Button
Neck Mounting Plate
Mounting Screw
Mounting Screw
Truss Rod Adjustment Nut
Truss Rod Adjusting Wrench
Body, Mex. Std. Strat, Sunburst
Body, Mex. Std. Strat, Solid Color
10
9
0015578000
0053206000
0015610000
0050671000
11
0019240000
0053207000
0048631000
0048631000 Mounting Screw
Mounting Screw
Mounting Screw
Pickguard, Strat Special, White/Black/White
Pickup, Neck, North, Strat Mexico
Spring, Pickup
Mounting Screw
Pickup, Middle, South,Strat Mexico
0020491000 Felt Washer, White
4String Retainer
0010389000
Arctic White
0029547580
12
13 0013446000
0050167000
0050166000
0050950000
16
15
14
0016436000
0054190000
0053291000
0054191000
0016352000
Knob, Tone, Std. Strat., White (2)
Washer, Lock Intl.
Mounting Hex Nut
Knob, Volume, Std. Strat., White
Switch, Lever 5-Position
Control, 250K (3)
Pickup, Bridge, Humbucker Std, Wide White
Mounting Screw
Spring, Humbucker, Mtg 3/4"
18
17
0019554000
0021417000
0024832000
0047329000
19
20
0016436000
0033023000
0015578000
0037449000
0016352000
Bridge Assy, Mexico Strat
Output Jack
Ferrule, Jack
Washer, Lock Intl.
Mounting Hex Nut
Mounting Screw
Knob, Pickup, Select Switch, White
Capacitor, .022uf
Mounting Screw
12-20-2000 Rev. C
Pg. 3 of 4
0050918000
0050922000
0050920000
0050921000
21
22 0040824000
0050090000
0015578000
0050919000
Arm, Tremolo
Claw, Tremolo
Adjusting Wrench, Saddle Height
Knob, Tremolo Arm White
Spring, Tremolo
Back Plate, Tremolo White
Screw, Doc G-Vox Lyrus
Mounting Screw
0021421000 Mounting Screw
0019240000 Spring, Pickup 0029547575 Midnight Wine

MEX. STD. FAT STRAT 0134700/4702
3
4
5 WAY SWITCH POSITION
5
SWITCH & CONTROL FUNCTION
5 WAY SWITCH
T2T2T1 T1&T2
PICKUP IS ON
NECK PICKUP
TONE CONTROL
BRIDGE PICKUP (A)
BRIDGE PICKUP (B)
MIDDLE PICKUP
PICKUP IS OFF
POSITION
1
2
5
3
2
4
5 WAY SWITCH
MASTER VOLUME
1
9
9
0
0
1
1
8
8
6
6
7
7
A
0
0
7
7
1
1
9
8
8
9
5
6
5
6
4
4
3
2
1
1
2
3
TONE
TONE
3
2
3
2
1
1
4
5
4
5
VOLUME
B
12-20-2000
Pg. 4 of 4
6
6
7
7
4
4
5
5
TONE CONTROL (T2)
1
10
0
8
8
9
9
3
3
2
2
1
1
TONE
TONE
TONE CONTROL (T1)
NECK PICKUP
MIDDLE PICKUP
BRIDGE PICKUP
HUMBUCKER
Rev. C