Fender Sr6300 Users Manual
SR6300_SR8500_StereoPoweredMixer_manual SR6300_SR8500_StereoPoweredMixer_manual Fender® Audio Owner's Manuals (Archived) – Fender
SR-8500 OM_leg_audio_SR8500 Fender® Audio Owner's Manuals (Archive) – Fender
SR-6300 OM_leg_audio_SR6300 Fender® Audio Owner's Manuals (Archive) – Fender
SR8500 to the manual 893232b6-b05d-8a04-6d9e-69a6e266fa46
2015-02-04
: Fender Fender-Sr6300-Users-Manual-367176 fender-sr6300-users-manual-367176 fender pdf
Open the PDF directly: View PDF
.
Page Count: 36


ENGLISH - PAGES 6-11
ESPANOL - PAGINAS 12-17
FRANÇAIS - PAGES 18-23
ITALIANO - PAGINE 24-29
DEUTSCH - SEITEN 30-35

3
Important Safety Instructions
This symbol warns the user of dangerous voltage levels
localized within the enclosure.
This symbol advises the user to read all accompanying
literature for safe operation of the unit.
∆Read, retain, and follow all instructions. Heed all warnings.
∆Only connect the power supply cord to an earth grounded AC
receptacle in accordance with the voltage and frequency ratings
listed under INPUT POWER on the rear panel of this product.
∆WARNING: To prevent damage, fire or shock hazard, do not
expose this unit to rain or moisture.
∆Unplug the power supply cord before cleaning the unit exterior
(use a damp cloth only). Wait until the unit is completely dry
before reconnecting it to power.
∆During operation: Maintain at least 6 inches (15.25 cm) of
unobstructed air space around the unit to allow for proper
ventilation and cooling of the unit; do not block any vents in the
unit chassis. Also, if rack mounted, remove the rack enclosure
front and rear covers and leave empty one full rack space above
the unit.
∆This product should be located away from heat sources such as
radiators, heat registers, or other products that produce heat.
∆This product may be equipped with a polarized plug (one blade
wider than the other). This is a safety feature. If you are unable
to insert the plug into the outlet, contact an electrician to replace
your obsolete outlet. Do not defeat the safety purpose of this
plug.
∆Protect the power supply cord from being pinched or abraded.
∆This product should only be used with a cart or stand that is
recommended by the manufacturer.
∆The power supply cord of this product should be unplugged from
the outlet when left unused for a long period of time, or during
electrical storms.
∆This product should be serviced by qualified service personnel
when: the power supply cord or the plug has been damaged; or
objects have fallen, or liquid has been spilled onto the product;
or the product has been exposed to rain; or the product does not
appear to operate normally or exhibits a marked change in
performance; or the product has been dropped, or the enclosure
damaged.
∆Do not drip or splash liquids, nor place liquid filled containers on
the unit.
∆CAUTION: No user serviceable parts inside; refer servicing to
qualified personnel only.
∆Fender®amplifiers and loudspeaker systems are capable of
producing very high sound pressure levels which may cause
temporary or permanent hearing damage. Use care when
setting and adjusting volume levels during use.
Instrucciones Importantes de Seguridad
Este símbolo advierte al usuario de la presencia de
niveles peligrosos de voltaje dentro de la carcasa del
aparato.
Este símbolo advierte al usuario de que debería leer
todos los documentos que acompañan a este aparato
para un manejo seguro del mismo.
∆Lea, conserve y siga lo indicado en las instrucciones. Observe
todas las advertencias.
∆Conecte el cable de corriente solo a una salida de corriente con
toma de tierra y cuyo voltaje y frecuencia se correspondan con
lo indicado en la etiqueta INPUT POWER que está en el panel
trasero de este aparato.
∆PRECAUCION: Para evitar daños, incendios o descargas
eléctricas, no permita que este aparato quede expuesto a la
lluvia o la humedad.
∆Desconecte el cable de corriente cuando vaya a limpiar la
superficie exterior de este aparato (use solo un trapo
ligeramente húmedo). Antes de volver a conectar el cable de
corriente, espere hasta que la unidad esté completamente seca.
∆Deje un espacio libre de al menos 6 pulgadas (15.24 cm) por
detrás de esta unidad para permitir una correcta ventilación y
refrigeración de la misma.
∆Debería situar este aparato lejos de fuentes de calor como
radiadores, hornos, calentadores u otros aparatos que
produzcan calor.
∆Este aparato puede que esté equipado con un enchufe
polarizado (un borne más ancho que el otro). Esto es una
medida de seguridad. Si no lo puede introducir en su salida de
corriente, póngase en contacto con un electricista para que le
sustituya su salida anticuada. Nunca cambie el enchufe del
aparato ya que esto anularía el sistema de seguridad.
∆Evite que el cable de alimentación pueda quedar aplastado o
muy retorcido.
∆Este producto solo debería ser usado con un soporte o bastidor
que haya sido recomendado por el propio fabricante.
∆Desconecte el cable de alimentación de este aparato de la salida
cuando no lo vaya a usar durante un largo tiempo o durante las
tormentas eléctricas.
∆Este aparato debería ser revisado por el servicio técnico oficial
cuando: El cable de alimentación o el enchufe se hayan dañado;
o se hayan introducido objetos o líquidos dentro del producto; o
este aparato haya quedado expuesto a la lluvia; o el producto dé
muestras de no funcionar correctamente o se observe un
evidente cambio en su rendimiento; o el aparato haya caído al
suelo o su carcasa se haya dañado.
∆No derrame líquidos, ni coloque objetos que los contengan sobre
este aparato.
∆PRECAUCION: Dentro de este aparato no hay piezas
susceptibles de ser reparadas por el usuario; dirija cualquier
reparación solo al servicio técnico oficial.
∆Los amplificadores Fender®son capaces de producir niveles de
presión sonora muy elevados que pueden provocar daños
temporales o permanentes en el oído. Ajuste los niveles de
volumen con cuidado cuando use este aparato.

4
Consignes de Sécurité Importantes
Ce symbole prévient l’utilisateur de tensions électriques
dangereuses présentes dans l’appareil.
Ce symbole conseille à l’utilisateur de lire les
instructions fournies pour éviter tout danger d’utilisation
du produit.
∆Lisez, respectez et conservez les instructions. Respectez toutes
les mises en garde.
∆Utilisez uniquement le cordon secteur fourni. Utilisez une
connexion secteur pourvue d’une mise à la terre. Veillez à ce que
la tension secteur et la fréquence de votre zone géographique
correspondent à celles indiquées sous la sérigraphie INPUT
POWER située en face arrière.
∆ATTENTION : Pour éviter tout dommage, risque d’incendie ou
d’électrocution, ne pas exposer cet appareil à la pluie ou à
l’humidité.
∆Déconnectez le cordon de la prise secteur avant de nettoyer
l’extérieur de l’appareil (utilisez un tissu humide uniquement).
Attendez que le produit soit complètement sec avant de le
replacer sous tension.
∆Veillez à laisser un vide d’au moins 15 cm derrière l’appareil pour
assurer sa ventilation et son refroidissement.
∆Ce produit doit être éloigné des sources de chaleur comme les
radiateurs, ou de toute autre source dégageant de la chaleur.
∆Si ce produit est équipé d’une borne de terre, veillez à la
conserver. Cette borne de terre assure votre protection. Si les
prises murales ne sont pas équipées de la terre, contactez un
électricien et faites les changer.
∆Protégez le cordon secteur pour qu’il ne soit pas pincé ou pour
éviter que les personnes marchent dessus.
∆Ce produit ne doit être utilisé qu’avec un chariot de transport ou
un support préconisé par le fabricant.
∆Si vous n’utilisez pas ce produit pendant longtemps ou en cas
d’orage, débranchez le cordon du secteur.
∆Ce produit doit être réparé par un personnel qualifié lorsque : Le
cordon ou l’embase secteur sont endommagés; Un objet ou un
liquide s’est infiltré dans le produit; Le produit a été exposé à la
pluie; Le produit ne semble pas fonctionner correctement ou
dénote une baisse de performances; Le produit est tombé ou
son boîtier a été endommagé
∆Ne pas projeter de liquides sur le produit. Ne pas poser de
récipients contenant un liquide sur l’appareil.
∆ATTENTION : Ce produit ne contient aucune pièce pouvant être
remplacée par l’utilisateur. Les réparations doivent être confiées
à un personnel qualifié uniquement.
∆Les amplificateurs Fender®peuvent produire des niveaux
sonores très élevés pouvant causer des dommages à votre
audition et à celle des tiers. Réglez le volume avec modération.
Istruzioni Importanti di Sicurezza
Questo simbolo indica la presenza di tensione
pericolosa all'interno della cassa.
Questo simbolo indica l'importanza per l'utilizzatore
della lettura di tutta la documentazione allegata al
prodotto, finalizzata all'utilizzo sicuro del dispositivo.
∆Leggere, conservare ed attenersi alle istruzioni, specialmente
alle comunicazioni di avvertimento.
∆Effettuare il collegamento dell'apparecchio ad una presa
idonea CA munita di messa a terra e con caratteristiche di
tensione e di frequenza corrispondenti ai valori indicati sul
retro dell'apparecchio alla voce INPUT POWER.
∆ATTENZIONE: Non esporre l'apparecchio a pioggia o umidità,
al fine di evitare pericoli di danneggiamento, incendio, o
scosse elettriche.
∆Prima di effettuare la pulizia della scatola esterna
dell'apparecchio, scollegare il cavo di alimentazione dalla
presa (utilizzare solamente un panno umido). Prima di
ricollegare l'apparecchio alla presa, assicurarsi che il
dispositivo sia completamente asciutto.
∆Lasciare uno spazio libero dietro all'apparecchio di almeno
15,24 cm per permettere una giusta ventilazione e
raffreddamento dell'apparecchio.
∆Posizionare l'apparecchio lontano da fonti di calore come
radiatori, diffusori di aria calda, o comunque altri apparecchi
che producono calore.
∆Per fornire maggiore sicurezza, questo apparecchio può
essere dotato di spina polarizzata (uno spinotto piatto più largo
dell'altro). Se impossibilitati ad inserirlo nella presa, contattare
un elettricista per la sostituzione della vostra presa elettrica.
Non annullare la finalità di sicurezza di questo dispositivo
eliminandolo.
∆Proteggere il cavo di alimentazione al fine di evitare abrasioni,
strappi o schiacciamento dello stesso.
∆Dotare questo apparecchio unicamente di carrello o supporto
raccomandati dal produttore.
∆Nel corso di tempeste elettriche o in caso di prolungati periodi
di inattività, scollegare il cavo di alimentazione dalla presa.
∆La manutenzione dell'apparecchio dovrà essere affidata a
tecnici specializzati nei seguenti casi: danneggiamento del
cavo di alimentazione, caduta di oggetti o liquidi
sull'apparecchio, esposizione dell'apparecchio alla pioggia,
funzionamento anomalo dell'apparecchio o con prestazioni
alterate, caduta dell'apparecchio o cassa danneggiata.
∆Proteggere l'apparecchio da schizzi e gocciolamenti e non
appoggiare contenitori di liquidi sull'apparecchio stesso.
∆IMPORTANTE: L'apparecchio non contiene al suo interno
dispositivi finalizzati all'utilizzo dello stesso. Affidare la
manutenzione unicamente a personale qualificato.
∆Gli amplificatori
Fender®
sono in grado di produrre elevati livelli
di pressione acustica (SPL) in grado di causare danni
temporanei o permanenti all'udito. Fare quindi attenzione
durante la regolazione del livello acustico in fase di utilizzo.

5
Wichtige Sicherheitsvorkehrungen
Dieses Symbol warnt Sie vor gefährlichen
Spannungen im Innenraum des Gehäuses.
Dieses Symbol fordert Sie zum Lesen der
Begleittexte für einen sicheren Gerätebetrieb auf.
∆Lesen, befolgen und bewahren Sie alle Anweisungen auf.
Beachten Sie alle Warnungen.
∆Verbinden Sie das Netzkabel nur mit einer geerdeten
Netzsteckdose entsprechend den Spannungs- und Frequenz-
Nennwerten, die unter INPUT POWER auf der
Produktrückseite angegeben sind.
∆WARNUNG: Um Beschädigungen, Brände oder Stromschläge
zu verhindern, setzen Sie das Gerät weder Regen noch
Feuchtigkeit aus.
∆Ziehen Sie den Netzstecker, bevor Sie die Geräte-Oberfläche
säubern (nur feuchtes Tuch). Warten Sie, bis das Gerät völlig
trocken ist, bevor Sie es wieder ans Netz anschließen.
∆Lassen Sie hinter dem Gerät mindestens 15,24 cm (6”)
Freiraum, um eine ausreichende Belüftung und Kühlung
sicherzustellen.
∆Stellen Sie das Produkt in ausreichender Entfernung von
Wärmequellen, wie Heizkörpern, Wärme-klappen oder
anderen Geräten auf, die Hitze erzeugen.
∆Dieses Produkt ist eventuell mit einem polarisierten Stecker
(unterschiedlich breite Pole) ausgerüstet. Dies ist eine
Sicherheitsfunktion. Wenn der vorhandene Stecker nicht in
Ihre Steckdose passt, lassen Sie die veraltete Steckdose von
einem Elektriker ersetzen. Setzen Sie die Sicherheitsfunktion
des Steckers nicht außer Kraft.
∆Das Netzkabel darf nicht geknickt oder abgeschürft werden.
∆Dieses Produkt sollte nur mit den vom Hersteller empfohlenen
Wagen oder Ständern benutzt werden.
∆Das Netzkabel des Produkts sollte bei längerem
Nichtgebrauch oder bei Gewittern aus der Netzsteckdose
gezogen werden.
∆Dieses Produkt sollte von qualifiziertem Wartungspersonal
gewartet werden, wenn: Netzkabel oder Netzstecker
beschädigt wurden oder; Objekte oder Flüssigkeiten ins
Produkt gelangt sind oder; das Produkt dem Regen
ausgesetzt war oder; das Produkt nicht normal funktioniert
oder sein Betrieb sich deutlich verändert hat oder; das Produkt
fallen gelassen wurde oder das Gehäuse beschädigt wurde.
∆Verschütten Sie keine Flüssigkeiten und stellen Sie keine
Behälter mit Flüssigkeit auf das Gerät.
∆VORSICHT: Die inneren Bauteile können nur von
qualifiziertem Fachpersonal gewartet werden.
∆
Fender®
Verstärker können sehr hohe Schalldruckpegel
erzeugen, die zu vorübergehenden oder dauerhaften
Hörschäden führen können. Gehen Sie beim Einstellen der
Pegel vorsichtig vor.

wwwwww
..
ffeennddeerr..ccoomm
✧
wwwwww
..mmrrggeeaarrhheeaadd..nneett
6
SS
SSRR
RR66
6633
3300
0000
00
//
//
SS
SSRR
RR88
8855
5500
0000
00
Congratulations on your purchase of a Fender® Audio
SR6300/8500 professional powered mixer. Your
SR6300/8500 is a versatile audio tool developed from
Fender Audio’s 50 years of audio expertise. The
SR6300/8500 meets the high standards of Fender
Musical Instruments providing years of trouble-free use.
The SR6300/8500 mixers function perfectly for live
bands, DJs, speaking engagements, religious meetings,
conferences – virtually anyplace where live sound is
needed! The SR6300/8500 mixers are designed for
quick, easy set up and portability. The SR6300 &
SR8500 powered mixers work great with these other
Fender Audio products:
• ACE-12 1200 W peak, 12” woofer, Titanium
compression driver, Advanced Concept Enclosure -
2 speakers per side for a total of 4 speakers
• ACE-15 1200 W peak, 15” woofer, Titanium
compression driver, Advanced Concept Enclosure -
2 speakers per side for a total of 4 speakers
• ACE-2012 800 W peak 12” woofer, Titanium
compression driver, Advanced Concept Enclosure -
2 speakers per side for a total of 4 speakers
• ACE-1515 600 W peak 15” woofer, Titanium
compression driver, Advanced Concept Enclosure -
2 speakers per side for a total of 4 speakers
• SQUIER SQ-15 600 W peak, 15” woofer +
compression driver loudspeaker - 2 speakers per
side for a total of 4 speakers
At Fender Audio, we are dedicated to providing
innovative portable audio solutions. Fitting this
philosophy, the SR6300/8500 powered mixers are
rugged, full featured and portable. The SR6300/8500
mixers are designed to fit a variety of applications
functioning as either a main/monitor system or stereo
left/right system. The SR6300 and SR8500 have the
following feature sets:
• Each low noise channel offers:
••Balanced XLR Mic input
••1/4” Line input
••Rotary Stereo Pan
••Rotary 3-Band EQ
••Rotary DFX send level
••Rotary Monitor send level
••Level Control
••-20dB pad switch
• Switched 48 Volt Phantom Power for condenser
microphones
• Dual 7 band graphic EQ for Left / Right or Main /
Monitor
• 2, 5-LED output level meters
• 16 Stereo Digital Multi FX(DFX)
• DFX Send Output with level control
• Stereo Aux Input with Level control
• Monitor output with level control
• Stereo tape input with level control
• Stereo tape output
• Stereo mix output
• Internal thermal and speaker short protection
circuitry
• Rugged road carrying cabinet with reinforced
corners and strap handle.
Before using your new SR6300/8500 mixer, please
thoroughly read this Owner’s Manual. You will find tips
and connection details.
The SR6300/8500 is packed with the following:
• SR6300/8500 mixer
• IEC power cable
• Owner’s Manual
• Fender Audio Warranty Card
Please check for all contents before using the
SR6300/8500. If something is missing or damaged
please notify your dealer for replacement parts or
service.

wwwwww
..
ffeennddeerr..ccoomm
✧
wwwwww
..mmrrggeeaarrhheeaadd..nneett
7
Channel Contr
Channel Controls
ols
1. Pan – Controls relative level of input
channel in Left and Right program
mixes. To route the signal to both
channels equally, leave this in the
center. In Main/Monitor mode, only
the line level L/R outputs will be
affected.
2. Level – Controls the level of input
channel sent to the Left and Right
Program mixes; or if in
Main/Monitor mode, controls the
level sent to the Main program mix.
3. DFX – Adjusts the amount of signal
level from the channel sent to the
effects mix.
4. Monitor – Controls the level of input
channel sent to the monitor mix.
5. Low – Bass tone control +/- 15 dB
shelving at 80 Hz.
6. Mid – Midrange tone control +/- 12
dB boost/cut at 2.5kHz.
7. High – High tone control +/- 15 dB
shelving at 8kHz.
8. Pad – Input channel pre-amp gain.
Set to -20 dB for hot inputs that
cause distortion.
9. Line Input – 1/4 inch TRS, suited for
use with line level inputs such as
high impedance microphones,
keyboards, drum machines,
outboard effects etc. This input
accepts both balanced and
unbalanced cables.
10. Mic Input – The 3 pin XLR balanced female
connector is intended for low impedance
microphones. Pins 2 and 3 provide phantom power
for condenser microphones.
Warning: connect only one device to each channel—do
not use both line and mic inputs at the same time.
Digital Ef
Digital Effects
fects
11. DSP Peak LED – The DSP
peak indicator lights when
the DSP circuit is clipping
(distorting). If distortion is
heard while this LED is lit,
reduce the channel effects
levels until the indicator
goes dark. Increase DFX
master to compensate.
12. Program – This knob selects a preset from the list
of effects to the right.
13. Effects On/Off – This switch turns on or off the
internal DSP.
Main Section
Main Section
14. Master Graphic Equalizers - These 7 band
equalizers consist of active band pass / reject filters
spaced evenly across the audio range. Moving the
sliders up and down boosts or cuts the gain up to
12 dB at the indicated frequency.
15. Amp Protection LEDs - These LEDs signify the
protection circuit is active for the indicated
amplifier; this may be due to a short circuit at the
speaker terminals, or a high heatsink temperature.
If lit, check speaker connections for a short circuit,
or reduce master volume.
16. Level Indicators - These indicators show the
overall level being output to the Left / Monitor or
Right/Main master mixes. If the top, red LED is
flashing, reduce the corresponding master volume
to prevent possible damage to your speakers.
17. Left Master Volume - Adjusts the overall volume
level for the left program mix.
18. Right Master Volume - Adjusts the overall volume
level for the right program mix.
19. Meter Mode - This switch determines which mix is
being monitored by the level indicators.
CC
CCoo
oonn
nntt
ttrr
rroo
ooll
llss
ss

wwwwww
..
ffeennddeerr..ccoomm
✧
wwwwww
..mmrrggeeaarrhheeaadd..nneett
8
20. Effects Return level - Adjusts the amount of signal
sent to the left and right program mixes from the
effects return.
21. Effects Master level - Adjusts the amount of signal
from the built in DSP effects module to the Left,
Right and Main program mixes.
22. DFX Send level - Adjusts the master level of signal
present at the EFFECTS SEND jack from the
internal effects bus.
23. Aux In level - Adjusts the signal level from the Aux
In jack applied to the Left, Right and Main program
mixes.
24. Tape In level - Adjusts the signal level from the tape
in jack applied to the Left, Right and Main program
mixes.
25. Monitor Out level - Adjusts the overall level of
monitor signal bus to the monitor out jack.
26. System Mode Switch - This switch controls which
mixer programs are sent to the internal power
amplifiers. The options are Left and Right, Monitor
and Main, or Bridged mono mode.
27. Main Master Volume - Adjusts the overall level of
the main program mix, which is a mono sum of the
left and right channels.
28. Power LED - LED is lit when power is applied to the
mixer.
29. Phantom Power Switch - When this button is
pressed, a +48 DC Phantom Power supply is
activated and the adjacent LED illuminates.
Phantom power is necessary for some condenser
style microphones. Before plugging or unplugging
and microphone, make sure the power supply is off.
Ensure the master volume is down before turning on
the phantom power.
Master Inputs and Outputs
Master Inputs and Outputs
30. Effects Send Jack – This unbalanced, line level
output jack is designed to feed the effects bus to
an external effects processor.
31. Effects Return (L and R) Jacks – These
unbalanced, line level input jacks are meant to
accept a signal from an external effects
processor and transfer it to the left and/or right
program mixes.
32. Monitor Output Jack – This unbalanced, line level
output jack is designed to output the monitor mix to
an external power amplifier or powered monitor
such as the 1270P.
33. Aux In (L and R) – The auxiliary input jacks are
consumer line level (-10 dBm), unbalanced jacks
which provide additional inputs to the Left and Right
program mixes.
34. Tape in Jacks – The tape in jacks are RCA inputs
designed to input a stereo mix from a CD player or
tape deck to the stereo L/R busses.
35. Tape Out Jacks – The tape out jacks are RCA
outputs for use with a recording device.
36. Mix Output Jacks – These output jacks provide a
line level signal of the left and right program mixes.
AC Power and Power Amplifier
AC Power and Power Amplifier
37. Speaker output Jacks – These are speaker level
output jacks designed to feed your main or monitor
speakers. The minimum impedance is 4 ohms;
connecting a load of less than 4 ohms may result in
unsatisfactory performance such as early
overheating and thermal shutdown.
38. Bridged Mono output Jack – This is a speaker
output that can be used to combine the power of
both amplifiers when more volume is needed.
Minimum impedance is 8 ohms, and only the bridge
output can be connected for proper operation.
39. Power Switch – Turns the AC power on and off.
40. AC Power Inlet – Inlet for the AC power cord.
Connect only the supplied cable to this inlet.
41. Main Fuse – This is the main fuse for the unit;
replace with a fuse of the same ratings only.
SS
SSRR
RR66
6633
3300
0000
00
//
//
SS
SSRR
RR88
8855
5500
0000
00

Speaker Connection Examples
Speaker Connection Examples
Stereo Configuration Main/Monitor Configuration Bridge Configuration
Main (Right) Main (Left) Main (Mono) Monitor (Mono) Main (Mono)
Equipment Connection Examples
Equipment Connection Examples
wwwwww
..
ffeennddeerr..ccoomm
✧
wwwwww
..mmrrggeeaarrhheeaadd..nneett
9
AA
AApp
pppp
ppll
llii
iicc
ccaa
aatt
ttii
iioo
oonn
nn
EE
EExx
xxaa
aamm
mmpp
ppll
llee
eess
ss

wwwwww
..
ffeennddeerr..ccoomm
✧
wwwwww
..mmrrggeeaarrhheeaadd..nneett
10
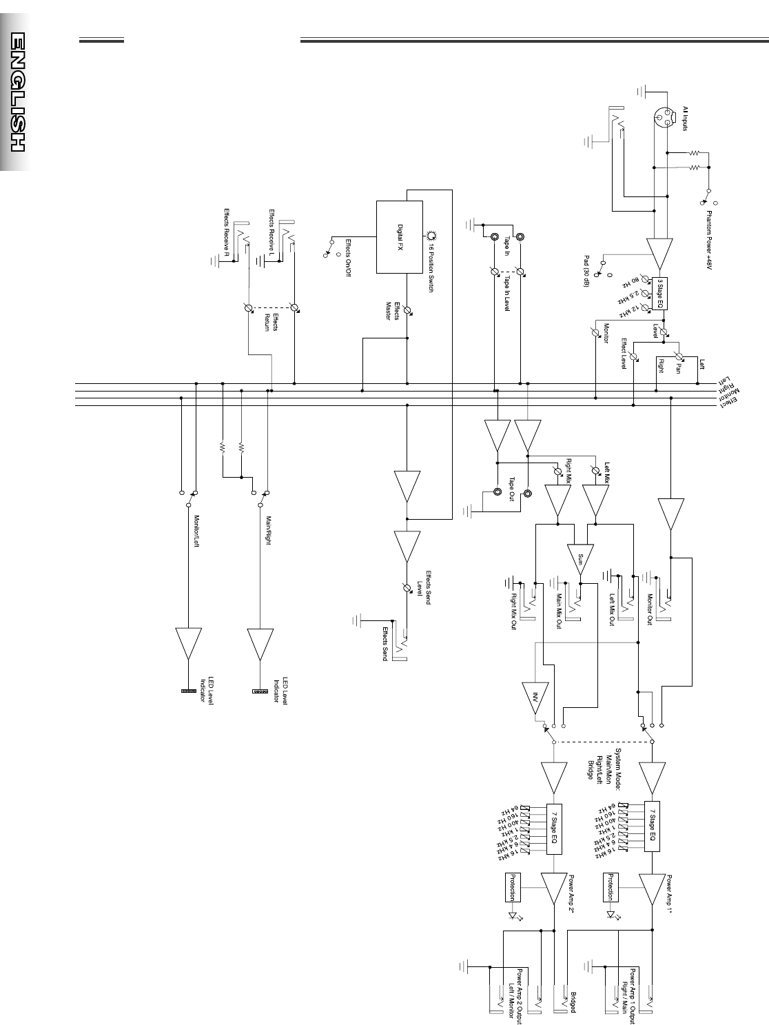
BB
BBll
lloo
oocc
cckk
kk
DD
DDii
iiaa
aagg
ggrr
rraa
aamm
mm

wwwwww
..
ffeennddeerr..ccoomm
✧
wwwwww
..mmrrggeeaarrhheeaadd..nneett
11
SS
SSpp
ppee
eecc
ccii
iiff
ffii
iicc
ccaa
aatt
ttii
iioo
oonn
nnss
ss
MODEL: SR6300 SR8500
PR TYPE 546 547
PART NUMBERS: US 0716300000 (120V/60Hz) 0718500000 (120V/60Hz)
DS US 0716300900 (120V/60Hz) 0718500900 (120V/60Hz)
DS AUS 0716300930 (240V/50Hz) 0718500930 (120V/60Hz)
DS UK 0716300940 (230V/50Hz) 0718500940 (120V/60Hz)
DS EUR 0716300960 (120V/60Hz) 0718500960 (120V/60Hz)
MIXER
NUMBER OF CHANNELS: 68
FREQUENCY RESPONSE: 20Hz–20kHz: ±1.5dB ±1.5dB
T.H.D.: 20Hz–20kHz: 0.1% 0.1%
RESIDUAL NOISE: 20Hz–20kHz: -80dB -80dB
CHANNEL CROSS TALK: 1kHz: -80dB -80dB
CHANNEL EQ (3-BAND) HIGH: 12kHz ±15dB 12kHz ±15dB
MIDDLE: 2.5kHz ±12dB 2.5kHz ±12dB
LOW: 80Hz ±15dB 80Hz ±15dB
MASTER EQ (DUAL 7-BAND) 64 Hz / 160Hz /
400Hz / 1kHz / 2.5kHz / 6.4kHz / 16kHz: ±12dB ±12dB
INPUT SENSITIVITY MIC: –50dBm –50dBm
LINE: –20dBm –20dBm
TAPE IN / AUX IN / EFFECT RETURN: –10dBm –10dBm
OUTPUT LEVEL EFFECT SEND / MIX OUT /
MONITOR OUT / REC OUT: +4dB +4dB
DSP 16 PRESETS: Hall Reverb 1, 2 Hall Reverb 1, 2
Room Reverb 1, 2 Room Reverb 1, 2
Plate Reverb 1, 2 Plate Reverb 1, 2
Reverb + Delay 1, 2 Reverb + Delay 1, 2
Feedback Delay 1, 2, 3, 4 Feedback Delay 1, 2, 3, 4
Reverb + Chorus 1, 2 Reverb + Chorus 1, 2
Reverb + Flange 1, 2 Reverb + Flange 1, 2
POWER AMP
R.M.S. POWER OUTPUT 8 OHM: 100W + 100W 175W + 175W
(1kHz @ 0.25% T.H.D.) 4 OHM: 150W + 150W 250W + 250W
BRIDGED 8 OHM: 300W Mono 500W Mono
FREQUENCY RESPONSE 20Hz–20kHz: +0/–1dB +0/–1dB
SIGNAL / NOISE RATIO 90dB 90dB
CHANNEL SEPARATION 8 OHM: 90dB 90dB
POWER SOURCE (AC) 100V/50Hz, 120V/60Hz, 100V/50Hz, 120V/60Hz,
230-240V/50Hz 230-240V/50Hz
PRIMARY FUSE RATING 100–120V VERSIONS: 250V/T4.0A 250V/T6.3A
230–240V VERSIONS: 250V/T3.15A 250V/T5.0A
POWER CONSUMPTION 550W 900W
DIMENSIONS (W x D x H) INCH: 18.7 x 12.3 x 11.2 18.7 x 12.3 x 11.2
MM: 475 x 300 x 285 475 x 300 x 285
WEIGHT LB / KG: 39.6/18.0 39.6/18.0
Product specifications are subject to change without notice.

wwwwww
..
ffeennddeerr..ccoomm
✧
wwwwww
..mmrrggeeaarrhheeaadd..nneett
12
SS
SSRR
RR66
6633
3300
0000
00
//
//
SS
SSRR
RR88
8855
5500
0000
00
Felicidades y gracias por su compra de una mesa de
mezclas autoamplificada profesional Fender® Audio
SR6300/8500. Su SR6300/8500 es una herramienta
audio muy versátil desarrollada a partir de los más de 50
años de experiencia en el mundo del audio de Fender
Audio. La SR6300/8500 cumple con todos los
standards de los instrumentos musicales Fender lo que
le garantiza años de un funcionamiento fiable.
Las mesas de mezclas SR6300/8500 resultan perfectas
para pequeños grupos, DJ, sistemas de megafonía,
conferencias, iglesias – ¡prácticamente cualquier lugar en
el que se necesite sonido directo! Las mesas de mezclas
SR6300/8500 han sido diseñadas para un ajuste rápido y
sencillo y una gran portatibilidad. Las mesas de mezclas
autoamplificadas SR6300 & SR8500 dan un resultado
excelente con estos otros productos de Fender:
• ACE-12 1200 W en picos, woofer de 12”, cabezal de
compresión de titanio, recinto acústico de concepto
avanzado - 2 por lado para un total de 4 altavoces
• ACE-15 1200 W en picos, woofer de 15”, cabezal de
compresión de titanio, recinto acústico de concepto
avanzado - 2 por lado para un total de 4 altavoces
• ACE-2012 800 W en picos, woofer de 12”, cabezal de
compresión de titanio, recinto acústico de concepto
avanzado - 2 por lado para un total de 4 altavoces
• ACE-1515 600 W en picos, woofer de 15”, cabezal
de compresión de titanio, recinto acústico de
concepto avanzado - 2 altavoces por lado para un
total de 4 altavoces
• SQUIER SQ-15 600 W en picos, woofer de 15” +
cabezal de compresión - 2 altavoces por lado para
un total de 4 altavoces
En Fender Audio, somos expertos en crear soluciones
audio portátiles innovadoras. De acuerdo a esta forma
de pensar, las mesas de mezclas autoamplificadas
SR6300/8500 son robustas, completas y portátiles. Las
mesas de mezclas SR6300/8500 han sido diseñadas
para adaptarse a una amplia gama de aplicaciones y a
cualquier sisstema de monitorización/PA o sistema
stereo izquierdo/derecho. La SR6300 y SR8500 le
ofrecen las siguientes características:
• Cada canal con bajo nivel de ruidos le ofrece:
••Entrada de micro XLR balanceada
••Entrada de línea de 6,3 mm
••Control giratorio de panorama stereo
••EQ de 3 bandas con mandos giratorios
••Mando giratorio de nivel de envío DFX
••Mando giratorio de nivel de envío a monitores
••Control de nivel
••Interruptor de parche o pad de -20 dB
• Alimentación fantasma de 48 Voltios conmutable
para los micrófonos condensadores
• Doble EQ gráfico de 7 bandas para izquierda /
derecha o principal / monitor
• 2 medidores de nivel de salida de 5 LEDs
• 16 multiefectos digitales stereo (DFX)
• Salida de envío DFX con control de nivel
• Entrada auxiliar stereo con control de nivel
• Salida de monitor con control de nivel
• Entrada de cinta stereo con control de nivel
• Salida de cinta stereo
• Salida de mezcla stereo
• Circuitería interna de protección térmica y contra los
cortocircuitos
• Carcasa de gran resistencia, con esquinas
reforzadas y asa de agarre.
Antes de usar su nueva mesa de mezclas SR6300/8500,
lea completamente este manual de instrucciones. En él
encontrará gran cantidad de detalles acerca de su
conexión y diversos consejos.
En la caja de su SR6300/8500 debe encontrar lo siguiente:
• Mesa de mezclas SR6300/8500
• Cable de corriente IEC
• Manual de instrucciones (este)
• Tarjeta de garantía de Fender Audio
Compruebe que estén todos estos artículos antes de
usar su SR6300/8500. Si alguno de ellos falta o está
dañado, notifíqueselo al vendedor para que lo reparen o
le suministre el artículo que falte.

wwwwww
..
ffeennddeerr..ccoomm
✧
wwwwww
..mmrrggeeaarrhheeaadd..nneett
13
Contr
Controles de Canal
oles de Canal
1. Pan – Controla el nivel relativo de canal de entrada
en las mezclas de programa izquierda y
derecha. Para rutar la señal a ambos
canales por igual, deje este control en
el centro. En el modo Main/Monitor,
solo se verá afectado el nivel de línea
de las salidas L/R.
2. Level – Controla el nivel de canal de
entrada enviado a las mezclas de
programa izquierdo y derecho; o en el
modo Main/Monitor, el nivel enviado a
la mezcla de programa principal.
3. DFX – Ajusta la cantidad de nivel de
señal de canal enviado a la mezcla
de efectos.
4. Monitor – Nivel de canal de entrada
enviado a la mezcla de monitor.
5. Low – Control de graves +/- 15 dB
de tipo estantería a 80 Hz.
6. Mid – Control de tono de medios
+/- 12 dB corte/realce a 2.5kHz.
7. High – Control de agudos +/- 15 dB
de tipo estantería a 8kHz.
8. Pad – Ganancia de preamplificación
de canal de entrada. Ajústela a -20
dB para entradas muy activas que
provoquen distorsión.
9. Entrada Line – TRS de 6,3 mm,
idóneo para usarlo con entradas de
nivel de línea como micros de alta
impedancia, teclados, cajas de
ritmo, multiefectos exteriores, etc.
Esta entrada acepta tanto cables
balanceados como no balanceados.
10. Entrada Mic – Este conector XLR hembra de 3
puntas balanceado está pensado para micros de
baja impedancia. Las puntas 2 y 3 ofrecen
alimentación fantasma a micros condensadores.
Precaución: conecte solo un dispositivo a cada canal—
no use las entradas de micro y línea a la vez.
Efectos digitales
Efectos digitales
11. Piloto DSP Peak – Este
indicador se ilumina cuando
el circuito DSP está
saturando (distorsión). Si
escucha alguna distorsión
mientras esté piloto está
iluminado, reduzca los
niveles de efectos de canal
hasta que se apague.
Aumente el DFX master
para compensar.
12. Program – Este mando elige un preset de la lista de
efectos que está a la derecha.
13. Effects On/Off – Interruptor que activa o desactiva
el DSP interno.
Sección principal (Main)
Sección principal (Main)
14. Ecualizadores gráficos master - Estos EQ de 7
bandas están formados por filtros pasabandas /
rechazo activos separados de forma constante a lo
largo del rango audio. El mover los mandos
deslizantes arriba o abajo realza o corta la ganancia
en hasta 12 dB en la frecuencia indicada.
15. Pilotos Amp Protection - Estos LED indican que el
circuito de protección está activo para el amplificador
que corresponda; esto puede ser debido a un
cortocircuito en los terminales del altavoz, o a una
elevada temperatura en los disipadores de calor. Si
están iluminados, compruebe las conexiones de los
altavoces en busca de un cortocircuito o reduzca el
volumen master.
16. Indicadores Level - Le muestran el nivel global que
está siendo emitido a las mezclas master
izquierda/monitor o derecha/principal. Si el piloto
superior (rojo) parpadea, reduzca el volumen
master correspondiente para evitar posibles daños
en sus altavoces.
17. Volumen master izquierdo - Ajusta el nivel de
volumen global para la mezcla de programa izquierda.
18. Volumen master derecho - Ajusta el nivel de
volumen global para la mezcla de programa derecha.
19. Modo Meter - Este interruptor determina cual de
las mezclas está siendo monitorizada por los
indicadores de nivel.
CC
CCoo
oonn
nntt
ttrr
rroo
ooll
llee
eess
ss

wwwwww
..
ffeennddeerr..ccoomm
✧
wwwwww
..mmrrggeeaarrhheeaadd..nneett
20. Nivel de retorno de efecto - Ajusta la cantidad de
señal enviada a las mezclas de programa izquierda
y derecha desde el retorno de efectos.
21. Nivel master de efectos - Ajusta la cantidad de
señal enviada desde el módulo de efectos DSP
interno a las mezclas de programa izquierda,
derecha y principal.
22. Nivel de envío DFX - Ajusta el nivel master de señal
presente en el conector EFFECTS SEND
procedente del bus de efectos interno.
23. Nivel Aux In - Ajusta el nivel de señal procedente
de la entrada Aux In que es aplicado a las mezclas
de programa izquierda, derecha y principal.
24. Nivel Tape In - Ajusta el nivel de señal procedente
de la entrada de cinta que es aplicado a las mezclas
de programa izquierda, derecha y principal.
25. Nivel Monitor Out - Ajusta el nivel global del bus de
señal de monitor enviado a la salida de monitor.
26. Interruptor System Mode - Controla qué programas
de la mesa son enviados a las etapas de potencia
internas. Las opciones son Izquierda y Derecha,
Monitor y Principal o modo de puente mono.
27. Volumen Main Master - Ajusta el nivel global de la
mezcla de programa principal, que es una suma en
mono de los canales izquierdo y derecho.
28. Piloto Power - Se ilumina cuando la mesa está
conectada a la corriente y encendida.
29. Interruptor Phantom Power - Cuando esté pulsado
se activará una alimentación fantasma de +48 V DC
y se encenderá el piloto que está al lado. Este voltaje
es necesario para algunos micrófonos de tipo
condensador. Antes de conectar o desconectar un
micro, asegúrese de que esta alimentación fantasma
esté apagada. Asegúrese que el volumen master
esté bajo antes de activar esta función.
Entradas y salidas master
Entradas y salidas master
30. Clavija Effects Send – Esta salida de nivel de
línea, no balanceada ha sido diseñada para pasar
señal a un procesador de efectos exterior.
31. Clavijas Effects Return (L y R) – Estas entradas
de nivel de línea, no balanceadas, aceptan la
señal procedente de un procesador de efectos
exterior y la transfieren a las mezclas de
programa izquierda y/o derecha.
32. Clavija Monitor Output – Esta salida de nivel de
línea, no balanceada emite la señal de mezcla de
monitor hacia una etapa de potencia exterior o
monitor autoamplificado como el 1270P.
33. Aux In (L y R) – Estas entradas auxiliares son
clavijas de nivel de línea no profesional (-10 dBm)
no balanceadas que le ofrecen entradas adicionales
para las mezclas de programa izquierda y derecha.
34. Clavijas Tape in – Son entradas RCA diseñadas
para dar entrada a la mezcla stereo de un
reproductor de CD o pletina a los busses stereo I/D.
35. Clavijas Tape Out – Son salidas RCA para la
conexión a una unidad de grabación.
36. Clavijas Mix Output – Dan salida a una señal con
nivel de línea de las mezclas de programa izquierda
y derecha.
Entrara cor
Entrara corriente y etapa de potencia
riente y etapa de potencia
37. Clavijas Speaker output – Conectores de salida de
nivel de altavoz diseñados para dar señal a sus
monitores o altavoces principales. La impedancia
mínima son 4 ohmios; la conexión de una carga
menor puede producir un resultado insatisfactorio
como un rápido recalentamiento y una avería.
38. Clavija Bridged Mono output – Salida de altavoz
que puede usar para combinar la potencia de
ambos amplificadores cuando necesite más
volumen. La impedancia mínima son 8 ohmios y
solo puede conectar esta salida en el modo de
puente mono para un funcionamiento correcto.
39. Interruptor Power – Enciende o apaga la unidad.
40. Entrada de corriente AC – Conector del cable de
alimentación. Conecte en esta toma solo el cable
que se incluye con la unidad.
41. Fusible principal – Fusible de control de la unidad;
sustitúyalo solo por otro de iguales características.
14
SS
SSRR
RR66
6633
3300
0000
00
//
//
SS
SSRR
RR88
8855
5500
0000
00

wwwwww
..
ffeennddeerr..ccoomm
✧
wwwwww
..mmrrggeeaarrhheeaadd..nneett
15
EE
EEjj
jjee
eemm
mmpp
ppll
lloo
ooss
ss
dd
ddee
ee
aa
aapp
ppll
llii
iicc
ccaa
aacc
ccii
iióó
óónn
nn
Ejemplos de conexión de r
Ejemplos de conexión de recintos acústicos
ecintos acústicos
Configuración Stereo Configuración principal/monitor Configuración en puente mono
Principal (derecho) Principal (izquierdo) Principal (Mono) Monitor (Mono) Principal (Mono)
Ejemplos de conexión de aparatos
Ejemplos de conexión de aparatos

wwwwww
..
ffeennddeerr..ccoomm
✧
wwwwww
..mmrrggeeaarrhheeaadd..nneett
16
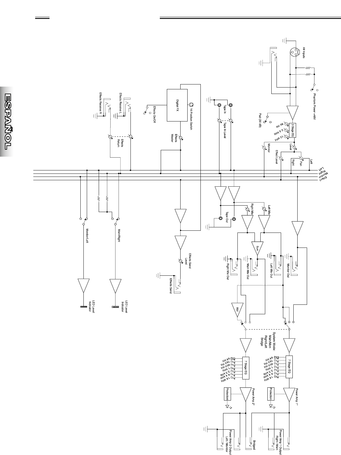
DD
DDii
iiaa
aagg
ggrr
rraa
aamm
mmaa
aa
dd
ddee
ee
bb
bbll
lloo
ooqq
qquu
uuee
eess
ss

wwwwww
..
ffeennddeerr..ccoomm
✧
wwwwww
..mmrrggeeaarrhheeaadd..nneett
17
EE
EEss
sspp
ppee
eecc
ccii
iiff
ffii
iicc
ccaa
aacc
ccii
iioo
oonn
nnee
eess
ss
tt
ttéé
éécc
ccnn
nnii
iicc
ccaa
aass
ss
MODELO: SR6300 SR8500
TIPO PR 546 547
Nº REFERENCIA: US 0716300000 (120V/60Hz) 0718500000 (120V/60Hz)
DS US 0716300900 (120V/60Hz) 0718500900 (120V/60Hz)
DS AUS 0716300930 (240V/50Hz) 0718500930 (120V/60Hz)
DS UK 0716300940 (230V/50Hz) 0718500940 (120V/60Hz)
DS EUR 0716300960 (120V/60Hz) 0718500960 (120V/60Hz)
MEZCLADOR
NUMERO DE CANALES: 68
RESPUESTA DE FRECUENCIA: 20Hz–20kHz: ±1.5 dB ±1.5 dB
T.H.D.: 20Hz–20kHz: 0.1 % 0.1 %
RUIDO RESIDUAL: 20Hz–20kHz: -80 dB -80 dB
CRUCE DE SEÑAL DE CANAL: 1kHz: -80 dB -80 dB
EQ DE CANAL (3 BANDAS) AGUDOS: 12 kHz ±15 dB 12 kHz ±15 dB
MEDIOS: 2.5 kHz ±12 dB 2.5 kHz ±12 dB
GRAVES: 80 Hz ±15 dB 80 Hz ±15 dB
EQ MASTER (7 BANDAS, DOBLE) 64 Hz / 160Hz /
400Hz / 1kHz / 2.5kHz / 6.4kHz / 16kHz: ±12 dB ±12 dB
SENSIBILIDAD DE ENTRADA MICRO: –50 dBm –50 dBm
LINEA: –20 dBm –20 dBm
ENTRADA CINTA / AUX / RETORNO EFECTOS: –10 dBm –10 dBm
NIVEL SALIDA ENVIO EFECTOS / MEZCLA /
SALIDA MONITOR / GRABACION : +4 dB +4 dB
DSP 16 PRESETS: Reverb salón 1, 2 Reverb salón 1, 2
Reverb habitación 1, 2 Reverb habitación 1, 2
Reverb láminas 1, 2 Reverb láminas 1, 2
Reverb + retardo 1, 2 Reverb + retardo 1, 2
Realimentación retardo 1, 2, 3, 4 Realimentación retardo 1, 2, 3, 4
Reverb + Chorus 1, 2 Reverb + Chorus 1, 2
Reverb + Flanger 1, 2 Reverb + Flanger 1, 2
ETAPA DE POTENCIA
SALIDA POTENCIA R.M.S. 8 OHMIOS: 100W + 100W 175W + 175W
(1 kHz @ 0.25% T.H.D.) 4 OHMIOS: 150W + 150W 250W + 250W
8 OHMIOS PUENTE MONO: 300W Mono 500W Mono
RESPUESTA DE FRECUENCIA 20 Hz–20 kHz: +0/–1 dB +0/–1 dB
RELACION SEÑAL-RUIDO 90 dB 90 dB
SEPARACION DE CANALES 8 OHMIOS: 90 dB 90 dB
ALIMENTACION 100V/50Hz, 120V/60Hz, 100V/50Hz, 120V/60Hz,
230-240V/50Hz 230-240V/50Hz
FUSIBLE PRIMARIO VERSIONES 100–120V: 250V/T4.0A 250V/T6.3A
VERSIONES 230–240V: 250V/T3.15A 250V/T5.0A
CONSUMO 550 W 900 W
DIMENSIONES (L x P x A) PULGADAS: 18.7 x 12.3 x 11.2 18.7 x 12.3 x 11.2
MM: 475 x 300 x 285 475 x 300 x 285
PESO LB / KG: 39.6/18.0 39.6/18.0
Las especificaciones de este aparato están sujetas a cambios sin previo aviso.

wwwwww
..
ffeennddeerr..ccoomm
✧
wwwwww
..mmrrggeeaarrhheeaadd..nneett
Merci d’avoir choisi le mélangeur amplifié professionnel
Fender® SR6300/8500. Le SR6300/8500 est un outil
audio polyvalent issu des 50 années d’expérience de
Fender Audio dans le secteur de l’audio. Le
SR6300/8500 offre les mêmes hautes performances et
la même qualité que les instruments Fender et vous
garantit de nombreuses années d’utilisation
parfaitement fiable.
Les mélangeurs SR6300/8500 sont parfaitement
adaptés pour les utilisations de scènes, les DJ’s, la
sonorisation de discours, les lieux de culte, les
conférences, etc. — tous les lieux nécessitant une
sonorisation de qualité ! Les mélangeurs SR6300/8500
ont été conçus pour être installés rapidement, tout en
restant tout à fait portables. Les mélangeurs amplifiés
SR6300 et SR8500 sont parfaitement adaptés pour être
utilisés avec les produits Fender Audio suivants :
• Enceintes ACE-12 1200 W (crête), avec Woofer de
31 cm, Tweeter à compression au titane — avec
2 enceintes par côté pour un total de 4 enceintes.
• Enceintes ACE-15 1200 W (crête), avec Woofer de
38 cm, Tweeter à compression au titane — avec
2 enceintes par côté pour un total de 4 enceintes.
• Enceintes ACE-2012 800 W (crête), avec Woofer de
31 cm, Tweeter à compression au titane — avec
2 enceintes par côté pour un total de 4 enceintes.
• Enceintes ACE-1515 600 W (crête), avec Woofer de
38 cm, Tweeter à compression au titane — avec
2 enceintes par côté pour un total de 4 enceintes.
• Enceintes SQUIER SQ-15 600 W (crête), avec
Woofer de 31 cm, Tweeter à compression — avec 2
enceintes par côté pour un total de 4 enceintes.
La société Fender Audio, place des efforts constants
dans la recherche de systèmes audio novateurs et
portables. Issus de cette philosophie, les mélangeurs
amplifiés SR6300/8500 sont d’une extrême robustesse,
offrent toutes les fonctions dont vous avez besoin, tout
en restant portables. Les mélangeurs SR6300/8500 ont
été conçus pour répondre à de nombreuses
applications, en sonorisation de façade ou de retours,
ou en stéréo (gauche/droite). Les mélangeurs SR6300 et
SR8500 offrent les caractéristiques suivantes :
• Chaque voie à faible bruit offre :
••Entrée micro XLR symétrique
••Entrée ligne en Jack 6,35 mm
••Potentiomètre de panoramique
••Égaliseur 3 bandes à potentiomètres
••Potentiomètre de départ d’effets DFX
••Potentiomètre de départ d’effets vers les retours
••Niveau
••Atténuateurs -20 dB par touches
• Alimentation fantôme 48 Volts commutable pour vos
micros à condensateur
• Double égaliseur graphique 7 bandes pour les
sorties principales gauche/droite ou pour la façade
et les retours
• 2 afficheurs de niveau de sortie à 5 Leds
• 16 multi-effets numériques stéréo (DFX)
• Sortie de départ DFX avec réglage du niveau
• Entrée Aux stéréo avec réglage de niveau
• Sortie Monitor avec réglage du niveau
• Entrée Tape stéréo avec réglage du niveau
• Sortie Tape stéréo
• Sortie de mixage stéréo
• Protection interne contre les surchauffes et les court-
circuits
• Boîtier robuste prévu pour les tournées avec cornière
de renfort et poignée.
Avant d’utiliser le mélangeur SR6300/8500, lisez la
totalité de ce mode d’emploi. Vous y trouverez des
astuces d’utilisation et de câblage.
Le SR6300/8500 est fourni avec les éléments suivants :
• Mélangeur amplifié SR6300/8500
• Cordon secteur
• Mode d’emploi
• Carte de garantie Fender Audio
Vérifiez le contenu avant d’utiliser le SR6300/8500. Si
quelque chose venait à manquer ou était endommagé,
contactez votre revendeur.
18
SS
SSRR
RR66
6633
3300
0000
00
//
//
SS
SSRR
RR88
8855
5500
0000
00

wwwwww
..
ffeennddeerr..ccoomm
✧
wwwwww
..mmrrggeeaarrhheeaadd..nneett
19
RR
RRéé
éégg
ggll
llaa
aagg
ggee
eess
ss
Réglages de voies
Réglages de voies
1. Pan – Contrôle le niveau relatif du
signal d’entrée affecté aux sorties
gauche et droite du mixage. Placez
le bouton au centre pour obtenir un
niveau égal sur les deux canaux. En
mode Main/Monitor, seul le niveau
des sorties G/D est affecté.
2. Level – Contrôle le niveau de la voie
d’entrée dans le mixage
gauche/droit. En mode
Main/Monitor, il contrôle le niveau
du mixage Main.
3. DFX – Détermine le niveau des
effets appliqués au signal d’entrée.
4. Monitor – Détermine le niveau de la
voie affectée au mixage des retours.
5. Low – Filtre Baxendall grave de
+/- 15 dB à 80 Hz.
6. Mid – Filtre Baxendall médium de
+/- 12 dB à 2,5 kHz.
7. High – Filtre Baxendall aigu de +/-
15 dB à 8 kHz.
8. Pad – Atténue le gain d’entrée de
20 dB pour les signaux à niveau
important causant de la saturation.
9. Line Input – Jack 6,35 mm stéréo
pour les signaux à niveau ligne
comme les micros haute
impédance, les claviers, les boîtes à
rythmes, les effets externes, etc.
Cette entrée accepte les signaux
symétriques et asymétriques.
10. Mic Input – XLR symétrique permettant la
connexion de micros basse impédance.
L’alimentation fantôme est portée par les broches
2 et 3 pour les micros à condensateur.
Attention : Ne connecter qu’une seule entrée par voie.
Ne pas utiliser les entrées ligne et micro en même
temps.
Ef
Effets numériques
fets numériques
11. Led DSP Peak – Le témoin
DSP Peak s’allume lorsque
le circuit DSP sature
(distorsion). Si vous
entendez de la distorsion
lorsque le témoin s’allume,
réduisez les niveaux de
départ d’effets des voies
pour l’éteindre. Augmentez
le niveau DFX Master pour
compenser le niveau.
12. Program – Sélectionne un Preset dans la liste des
effets de droite.
13. Effects On/Off – Active/désactive le processeur
d’effets DSP interne.
Section générale
Section générale
14. Égaliseurs graphiques - Ces égaliseurs 7 bandes
permettent de modeler la réponse du signal de
sortie. Montez ou descendez les curseurs pour
accentuer/atténuer la réponse de la fréquence de
12 dB.
15. Leds de protection - Ces Leds indiquent que le
circuit de protection est actif pour l’amplificateur
indiqué. Ceci peut être dû à un court-circuit sur les
enceintes, ou une surchauffe du radiateur des
étages de sortie. Vérifiez les connexions aux
enceintes ou réduisez le niveau général de sortie.
16. Niveau de sortie - Ces témoins indiquent le niveau
de sortie des mixages Left/Monitor ou Right/Main.
Si la Led rouge du haut clignote, réduisez le bouton
de volume de sortie correspondant pour éviter tout
dommage aux enceintes..
17. Volume général gauche - Règle le volume général
du mixage Program gauche.
18. Volume général droit - Règle le volume général du
mixage Program droit.
19. Meter Mode - Cette touche détermine quel mixage
de sortie est indiqué par les Vu-mètres.

wwwwww
..
ffeennddeerr..ccoomm
✧
wwwwww
..mmrrggeeaarrhheeaadd..nneett
20. Effects Return level - Détermine le niveau de
retour d’effets affecté aux mixages Program gauche
et droit.
21. Effects Master - Détermine le niveau de retour
d’effets affecté aux mixages Program gauche et
droit et Main.
22. DFX Send - Détermine le niveau général de départ
d’effets en sortie EFFECTS SEND, prélevé sur le
bus d’effets interne.
23. Aux In - Règle le niveau du signal de l’entrée Aux In
et appliqué aux mixages Left, Right et Main.
24. Tape In - Détermine le niveau du signal de l’entrée
Tape in et appliqué aux mixages Left, Right et Main.
25. Monitor Out - Détermine le niveau général de la
sortie Monitor.
26. Mode Système - Cette touche sélectionne les
signaux du mélangeur appliqués aux amplificateurs
de puissance internes. Les options sont Left et
Right, Monitor et Main, ou Bridged.
27. Master Volume - Règle le niveau global du mixage
principal, qui est un signal mélangé mono des
canaux gauche et droit..
28. Led Power - La Led est allumée lorsque le
mélangeur est sous tension.
29. Touche d’allimentation fantôme - Lorsque vous
appuyez sur cette touche, une tension continue de
48 Volts est appliquée aux entrées micro et la Led
s’allume. L’alimentation fantôme est nécessaire à
certains micros à condensateur. Avant de connecter
ou de déconnecter vos micros, désactivez
l’alimentation fantôme. Placez le volume général au
minimum avant d’activer l’alimentation fantôme.
Entrées et sor
Entrées et sorties générales
ties générales
30. Jack Effects Send – Sortie asymétrique à niveau
ligne permettant d’utiliser le bus d’effets pour la
connexion d’un processeur d’effets externe.
31. Jacks Effects Return (L et R) – Entrées
asymétriques à niveau ligne acceptant le signal
d’un processeur d’effets externe et de le
transférer aux mixages programme gauche et/ou
droit.
32. Jack Monitor Out – Sortie asymétrique à niveau
ligne conçue pour connecter le mixage des
retours (Monitor) à un amplificateur externe ou
des retours amplifiés comme les 1270P.
33. Aux In (L et R) – Les Jacks d’entrées auxiliaires
sont asymétriques à niveau ligne -10 dBm, et offrent
des entrées supplémentaires dans le mixage
gauche et droit.
34. Entrées Tape in – Ces entrées RCA acceptent un
mixage stéréo (lecteur de CD/cassette, etc.) et
l’ajoutent au mixage général stéréo.
35. Sorties Tape Out – Ces sorties RCA vous
permettent de connecter un enregistreur.
36. Sorties Mix Out – Ces sorties transmettent les
signaux du mixage programme gauche/droite.
Alimentation et amplificateur
Alimentation et amplificateur
37. Sorties enceintes – Ces sorties vous permettent
de connecter vos enceintes principales ou vos
retours. L’impédance minimum est de 4 Ohms —
une impédance inférieure à 4 Ohms peut impliquer
des dysfonctionnements et des surchauffes
(pouvant activer le circuit de protection).
38. Sortie Bridged Mono – Sortie enceinte combinant
les deux amplificateurs de sortie en un seul lorsque
vous souhaitez obtenir une puissance de sortie
supérieure. L’impédance minimum est de 8 Ohms.
Dans ce cas, veillez à utiliser uniquement cette
sortie.
39. Interrupteur Power – Permet de placer le
mélangeur sous/hors tension.
40. Embase secteur – Embase permettant la
connexion au secteur. Utilisez uniquement le
cordon secteur fourni avec le mélangeur.
41. Fusible – Remplacez ce fusible uniquement par un
autre exactement identique.
20
SS
SSRR
RR66
6633
3300
0000
00
//
//
SS
SSRR
RR88
8855
5500
0000
00

wwwwww
..
ffeennddeerr..ccoomm
✧
wwwwww
..mmrrggeeaarrhheeaadd..nneett
21
EE
EExx
xxee
eemm
mmpp
ppll
llee
eess
ss
dd
dd’’
’’aa
aapp
pppp
ppll
llii
iicc
ccaa
aatt
ttii
iioo
oonn
nnss
ss
Exemples de connexion des enceintes
Exemples de connexion des enceintes
Configuration stéréo Configuration façade/retours Configuration Bridge
Façade (droite) Façade (gauche) Façade (mono) Retours (mono) Façade (mono)
Exemples de connexions
Exemples de connexions

wwwwww
..
ffeennddeerr..ccoomm
✧
wwwwww
..mmrrggeeaarrhheeaadd..nneett
22
SS
SSyy
yynn
nnoo
oopp
pptt
ttii
iiqq
qquu
uuee
ee

23
CC
CCaa
aarr
rraa
aacc
cctt
ttéé
éérr
rrii
iiss
sstt
ttii
iiqq
qquu
uuee
eess
ss
tt
ttee
eecc
cchh
hhnn
nnii
iiqq
qquu
uuee
eess
ss
MODÈLE : SR6300 SR8500
TYPE : 546 547
RÉFÉRENCE : US 0716300000 (120 V/60 Hz) 0718500000 (120 V/60 Hz)
DS US 0716300900 (120 V/60 Hz) 0718500900 (120 V/60 Hz)
DS AUS 0716300930 (240 V/50 Hz) 0718500930 (120 V/60 Hz)
DS UK 0716300940 (230 V/50 Hz) 0718500940 (120 V/60 Hz)
DS EUR 0716300960 (120 V/60 Hz) 0718500960 (120 V/60 Hz)
MÉLANGEUR
NOMBRE DE VOIES : 68
RÉPONSE EN FRÉQUENCE : 20 Hz–20 kHz : ±1.5 dB ±1.5 dB
DHT : 20 Hz–20 kHz : 0,1 % 0,1 %
BRUIT RÉSIDUEL : 20 Hz–20 kHz : -80 dB -80 dB
DIAPHONIE : 1 kHz : -80 dB -80 dB
ÉGALISATION DE VOIES (3 BANDES) HIGH : 12 kHz ±15 dB 12 kHz ±15 dB
MIDDLE : 2,5 kHz ±12 dB 2,5 kHz ±12 dB
LOW : 80 Hz ±15 dB 80 Hz ±15 dB
ÉGALISEUR (2 x 7 BANDES) 64 Hz / 160 Hz /
400 Hz / 1 kHz / 2,5 kHz / 6,4 kHz / 16 kHz : ±12 dB ±12 dB
SENSIBILITÉ D’ENTRÉE MIC : –50 dBm –50 dBm
LINE : –20 dBm –20 dBm
TAPE IN / AUX IN / EFFECT RETURN : –10 dBm –10 dBm
NIVEAU DE SORTIE EFFECT SEND/MIX OUT/
MONITOR OUT/REC OUT : +4 dB +4 dB
DSP 16 PRESETS : Hall Reverb 1, 2 Hall Reverb 1, 2
Room Reverb 1, 2 Room Reverb 1, 2
Plate Reverb 1, 2 Plate Reverb 1, 2
Reverb + Delay 1, 2 Reverb + Delay 1, 2
Feedback Delay 1, 2, 3, 4 Feedback Delay 1, 2, 3, 4
Reverb + Chorus 1, 2 Reverb + Chorus 1, 2
Reverb + Flange 1, 2 Reverb + Flange 1, 2
AMPLIFICATEUR DE PUISSANCE
PUISSANCE EFFICACE DE SORTIE 8 OHMS : 100 W + 100 W 175 W + 175 W
(1 kHz avec DHT de 0,25 %) 4 OHMS : 150 W + 150 W 250 W + 250 W
BRIDGE/8 OHMS : 300 W mono 500 W mono
BANDE PASSANTE 20 Hz–20 kHz : +0/–1 dB +0/–1 dB
RAPPORT SIGNAL/BRUIT 90 dB 90 dB
DIAPHONIE 8 OHMS : 90 dB 90 dB
ALIMENTATION (SECTEUR) 100 V/50 Hz, 120 V/60 Hz, 100 V/50 Hz, 120 V/60 Hz,
230-240 V/50 Hz 230-240 V/50Hz
FUSIBLE VERSIONS 100–120 V : 250 V/T4 A 250 V/T6,3 A
VERSIONS 230–240 V : 250 V/T3,15 A 250 V/T5 A
CONSOMMATION ÉLECTRIQUE 550 W 900 W
DIMENSIONS (l x p x h) Pouces : 18,7 x 12,3 x 11,2 18,7 x 12,3 x 11,2
mm : 475 x 300 x 285 475 x 300 x 285
POIDS kg : 18 18
Les caractéristiques du produit sont sujettes à modifications sans préavis.
wwwwww
..
ffeennddeerr..ccoomm
✧
wwwwww
..mmrrggeeaarrhheeaadd..nneett

wwwwww
..
ffeennddeerr..ccoomm
✧
wwwwww
..mmrrggeeaarrhheeaadd..nneett
24
SS
SSRR
RR66
6633
3300
0000
00
//
//
SS
SSRR
RR88
8855
5500
0000
00
Congratulazioni per aver scelto il nuovo mixer
amplificato professionale SR6300/8500 Fender® Audio.
SR6300/8500 sono versatili apparecchiature audio, nate
da tutta l’esperienza maturata da Fender Audio nel
settore audio in oltre 50 anni. I mixer SR6300/8500 sono
caratterizzati dall’elevato standard qualitativo che
contraddistingue i prodotti Fender Musical Instruments,
a garanzia di qualità e affidabilità totale.
I mixers SR6300/8500 sono perfetti per gruppi musicali,
DJs, sale conferenze, luoghi di culto – in pratica,
qualsiasi applicazione che richieda l’amplificazione e la
gestione di segnali audio multipli! Progettati per offrire
facilità d’installazione e di utilizzo, oltre all’eccezionale
praticità di trasporto, i mixer amplificati SR6300 e
SR8500 funzionano perfettamente in combinazione con
i seguenti diffusori Fender Audio:
• ACE-12 - 1200 W di picco, woofer da 12”, driver a
compressione in Titanio, “Advanced Concept
Enclosure” - 2 diffusori per canale L/R, per un totale
di 4 diffusori
• ACE-15 - 1200 W di picco, woofer da 15”, driver a
compressione in Titanio, “Advanced Concept
Enclosure” - 2 diffusori per canale L/R, per un totale
di 4 diffusori
• ACE-2012 - 800 W di picco, woofer da 12”, driver a
compressione in Titanio, “Advanced Concept
Enclosure” - 2 diffusori per canale L/R, per un totale
di 4 diffusori
• ACE-1515 - 600 W di picco, woofer da 15”, driver a
compressione in Titanio, “Advanced Concept
Enclosure” - 2 diffusori per canale L/R, per un totale
di 4 diffusori
• SQUIER SQ-15 - 600 W di picco, woofer da 15” +
altoparlante con driver a compressione - 2 diffusori
per canale L/R, per un totale di 4 diffusori
Noi di Fender Audio dedichiamo ogni sforzo per
realizzare soluzioni audio portatili innovative. Seguendo
questa filosofia, i mixer amplificati SR6300/8500 si
presentano come unità robuste e compatte, portatili e
complete nelle funzioni, ideali per adempiere svariati
compiti nelle più diverse applicazioni: dai sistemi
Main/Monitor ai sistemi Stereo Left/Right. SR6300 e
SR8500 offrono le seguenti caratteristiche:
• Ogni canale Low Noise è dotato di:
••Ingressi microfonici (Mic) bilanciati XLR
••Ingressi di linea (Line) da 1/4”
••Controllo Stereo Pan
••EQ a 3-bande
••Controllo DFX Send
••Controllo Monitor Send
••Controllo di livello
••Interruttore Pad (-20dB)
• Alimentazione Phantom 48 Volt per microfoni a
condensatore
• EQ grafico Dual a 7 bande per i canali Left / Right o
Main / Monitor
• 2 meters a 5-LED per i livelli d’uscita
• 16 Stereo Digital Multi FX (DFX)
• Uscita DFX Send con controllo di livello
• Ingresso Stereo Aux con controllo di livello
• Uscita Monitor con controllo di livello
• Ingresso Stereo Tape con controllo di livello
• Uscita Stereo Tape
• Uscita Stereo Mix
• Circuitazione interna di protezione (calore e corto-
circuiti)
• Cabinet portatile, robusto e resistente, con maniglie
e angoli rinforzati.
Prima di utilizzare il tuo nuovo mixer SR6300/8500, ti
consigliamo di leggere questo manuale d’uso, dove
troverai la descrizione delle varie connessioni e molti
pratici consigli.
All’acquisto, la confezione di SR6300/8500 contiene:
• Il mixer SR6300/8500
• Il cavo d’alimentazione IEC
• Il manuale d’uso
• La cartolina di garanzia Fender Audio Warranty
Prima di cominciare ad utilizzare SR6300/8500,
controlla che la confezione contenga ogni elemento. Se
manca qualcosa, oppure se qualcosa è danneggiato,
contatta il tuo negoziante per effettuare la sostituzione o
per ricevere assistenza tecnica.

wwwwww
..
ffeennddeerr..ccoomm
✧
wwwwww
..mmrrggeeaarrhheeaadd..nneett
25
CC
CCoo
oonn
nntt
ttrr
rroo
ooll
llll
llii
ii
Contr
Controlli dei canali
olli dei canali
1. Pan – Regola il livello relativo del
canale per il Mix Left/Right. Per
avere lo stesso livello su entrambe le
uscite L/R, regola il Pan in posizione
centrale. In modalità Main/Monitor,
questo controllo agirà solo sulle
uscite L/R con livello di linea.
2. Level – Regola il livello del segnale
inviato per il Mix Left/Right; in
modalità Main/Monitor, permette il
controllo di livello per il Mix Main.
3. DFX – Regola la quantità di segnale
del canale inviata alla sezione effetti.
4. Monitor – Regola la quantità di
segnale inviato all’uscita Monitor.
5. Low – Regolazione delle basse
frequenze (+/- 15dB Shelving a 80Hz).
6. Mid – Regolazione delle frequenze
medie (+/- 12dB Boost/Cut a
2.5kHz).
7. High – Regolazione delle alte
frequenze (+/- 15dB Shelving a 8kHz).
8. Pad – Guadagno Pre-Amp (Gain).
Per i segnali con livello elevato,
seleziona -20 dB in modo da
prevenire eventuali distorsioni.
9. Line Input – Connettore jack TRS
da 1/4” in grado di accogliere
segnali con livello di linea, come
microfoni ad alta impedenza,
tastiere, Drum Machines, unità
d’effetti, ecc. È possibile collegare
cavi bilanciati o sbilanciati.
10. Mic Input – Il connettore bilanciato XLR a 3-pin è
dedicato alla connessione di microfoni a bassa
impedenza. I Pins 2 e 3 conducono l’alimentazione
Phantom per i microfoni a condensatore.
Attenzione: collega una sola apparecchiatura per
canale — non utilizzare gli ingressi Line e Mic
contemporaneamente.
Ef
Effetti Digitali
fetti Digitali
11. DSP Peak LED –
L’indicatore DSP si illumina
nel caso in cui avvenga una
distorsione nel circuito
DSP. In caso di distorsione
del segnale, segnalata da
questo indicatore LED, è
necessario ridurre il livello
DXF del canale d’ingresso
fino a che l’indicatore non
si disattiva. Per
compensare, aumenta il
livello Master DFX.
12. Program – Questa manopola permette la selezione
di uno dei Presets contenuti nella lista adiacente.
13. Effects On/Off – Questo tasto permette
l’attivazione o la disattivazione del DSP interno.
Sezione Main
Sezione Main
14. Master Graphic Equalizers - Questi equalizzatori a
7 bande sono dotati di filtri attivi Passa-Banda /
Reject, con bande distanziate in modo identico
nell’ambito della gamma audio. Muovendo gli
sliders in alto e in basso, è possibile incrementare o
tagliare il livello della relativa frequenza di +/- 12 dB.
15. Amp Protection LEDs - Questi indicatori LED
segnalano l’attivazione del circuito di protezione
nell’amplificatore indicato, che può avvenire a
causa di corto circuiti nei terminali dei diffusori
oppure per una temperatura troppo elevata. Se
l’indicatore Amp Protection si illumina, controlla che
le connessioni ai diffusori non siano in corto,
oppure riduci il volume Master.
16. Indicatori Level - Questi indicatori mostrano il
livello generale del segnale nelle uscite Master
Left/Monitor o Right/Main. Se l’ultimo LED (rosso)
lampeggia, riduci il livello Master corrispondente in
modo da prevenire eventuali danni ai diffusori.
17. Left Master Volume - Regolazione di volume
dell’uscita Master Left.
18. Right Master Volume - Regolazione di volume
dell’uscita Master Right.
19. Meter Mode - Questo pulsante determina quale
segnale Mix è monitorato dagli indicatori Level.

wwwwww
..
ffeennddeerr..ccoomm
✧
wwwwww
..mmrrggeeaarrhheeaadd..nneett
20. Effects Return Level - Regola la quantità di
segnale proveniente dal ritorno degli effetti e inviato
al Mix Left/Right.
21. Effects Master Level - Regola la quantità di
segnale proveniente dal modulo d’effetti DSP e
inviato ai Mix Left/Right e Main.
22. DFX Send Level - Regola il livello generale del
segnale presente alla connessione EFFECTS SEND,
proveniente dall’Effects Bus interno.
23. Aux In Level - Regola il livello del segnale
proveniente dalla connessione Aux In, applicato ai
Mix Left/Right e Main.
24. Tape In Level - Regola il livello del segnale
proveniente dalla connessione Tape In, applicato ai
Mix Left/Right e Main.
25. Monitor Out Level - Regola il livello generale del
segnale Monitor Bus inviato all’uscita Monitor.
26. Tasto System Mode - Questo tasto determina
quale Mix debba essere inviato ai moduli
d’amplificazione interna. Le opzioni possibili sono
Left e Right, Monitor e Main o Bridged Mono Mode.
27. Main Master Volume - Regola il livello generale del
Mix Main, formato dalla somma mono dei canali
Left e Right.
28. Power LED - Questo indicatore LED si attiva
quando il mixer viene alimentato.
29. Phantom Power Switch - Premendo questo tasto
è possibile attivare l’alimentazione Phantom a +48
DC (l’indicatore LED adiacente si illumina),
necessaria nell’utilizzo di microfoni a condensatore.
Prima di connettere o disconnettere un microfono,
assicurati che la Phantom sia disattivata. Inoltre,
controlla che il volume Master sia completamente
abbassato prima di attivare questa alimentazione.
Ingr
Ingressi e Uscite Master
essi e Uscite Master
30. Effects Send – Uscita jack sbilanciata con livello
di linea, utile per l’invio del segnale ad un
processore d’effetti esterno.
31. Effects Return (L e R) – Ingresso jack sbilanciato
con livello di linea che permette di accogliere il
segnale proveniente da un’unita d’effetti esterna,
trasferendolo alle uscite Mix Left e/o Right.
32. Monitor Output – Uscita jack sbilanciata con livello
di linea, utile per l’invio del segnale Monitor Mix ad
un amplificatore di potenza esterno oppure a
monitors amplificati (ad esempio, il modello 1270P).
33. Aux In (L e R) – Ingressi jack sbilanciati, dotati di
livello di linea “consumer” (-10 dBm). Forniscono
ingressi addizionali ai Mix Left e Right.
34. Tape in – Ingressi con connettori RCA utili per
accogliere il segnale stereo proveniente da lettori
CD o cassette, inviandone il segnale ai Mix L/R.
35. Tape Out – Uscite con connettori RCA utili per
l’invio del segnale ad un’unità di registrazione
esterna.
36. Mix Output – Uscite jack sbilanciate con livello di
linea dedicate all’invio del segnale Mix Left e Right.
Alimentazione AC e Amplificator
Alimentazione AC e Amplificatore di
e di
Potenza
Potenza
37. Uscite Speaker – Uscite jack con livello Speaker,
dedicate all’invio del segnale ai diffusori principali o
ai monitors. L’impedenza minima è 4 ohms; con
carichi d’impedenza inferiori a 4 ohms le prestazioni
potrebbero peggiorare, dando luogo a
surriscaldamenti.
38. Uscita Bridged Mono – Uscita jack per diffusori
che può essere utilizzata per combinare i due
amplificatori interni, nei casi in cui occorre disporre
di più volume audio. L’impedenza minima è 8 ohms;
per un corretto utilizzo, l’uscita Bridge non
dev’essere impiegata insieme alle uscite Speaker.
39. Interruttore Power – Attiva e disattiva l’unità.
40. Presa d’alimentazione CA – Presa CA per la
connessione del cavo d’alimentazione. Utilizza
esclusivamente il cavo che trovi in dotazione.
41. Fusibile Main – Fusibile principale dell’unità. Per la
sostituzione, utilizzare fusibili con la stessa
capacità.
26
SS
SSRR
RR66
6633
3300
0000
00
//
//
SS
SSRR
RR88
8855
5500
0000
00

wwwwww
..
ffeennddeerr..ccoomm
✧
wwwwww
..mmrrggeeaarrhheeaadd..nneett
Esempi di collegamenti a dif
Esempi di collegamenti a diffusori
fusori
Configurazione Stereo Configurazione Main/Monitor Configurazione Bridge
Main (Right) Main (Left) Main (Mono) Monitor (Mono) Main (Mono)
Esempi di collegamenti di str
Esempi di collegamenti di strumentazione
umentazione
27
EE
EEss
ssee
eemm
mmpp
ppii
ii
dd
ddii
ii
aa
aapp
pppp
ppll
llii
iicc
ccaa
aazz
zzii
iioo
oonn
nnii
ii

wwwwww
..
ffeennddeerr..ccoomm
✧
wwwwww
..mmrrggeeaarrhheeaadd..nneett
28
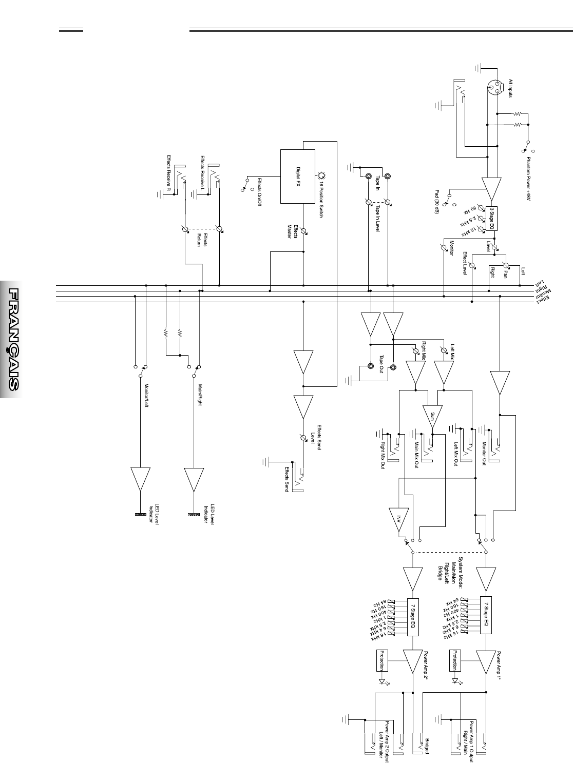
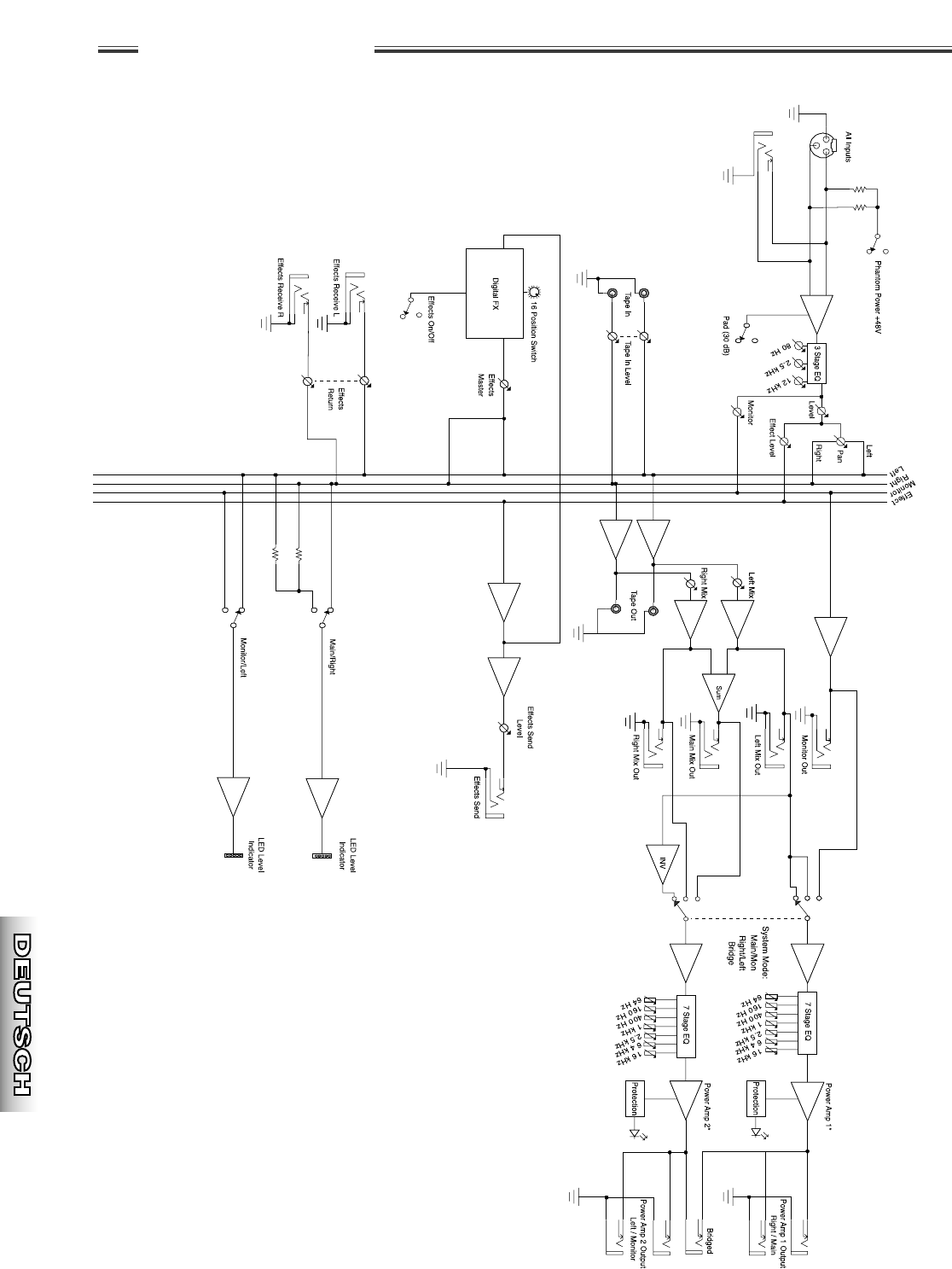
DD
DDii
iiaa
aagg
ggrr
rraa
aamm
mmmm
mmaa
aa
aa
aa
BB
BBll
lloo
oocc
cccc
cchh
hhii
ii

wwwwww
..
ffeennddeerr..ccoomm
✧
wwwwww
..mmrrggeeaarrhheeaadd..nneett
2929
SS
SSpp
ppee
eecc
ccii
iiff
ffii
iicc
cchh
hhee
ee
MODELLO: SR6300 SR8500
TIPO PR.: 546 547
NUMERO PARTI: US 0716300000 (120V/60Hz) 0718500000 (120V/60Hz)
DS US 0716300900 (120V/60Hz) 0718500900 (120V/60Hz)
DS AUS 0716300930 (240V/50Hz) 0718500930 (120V/60Hz)
DS UK 0716300940 (230V/50Hz) 0718500940 (120V/60Hz)
DS EUR 0716300960 (120V/60Hz) 0718500960 (120V/60Hz)
MIXER
NUMERO DI CANALI: 68
RISPOSTA IN FREQUENZA: 20Hz–20kHz: ±1.5dB ±1.5dB
T.H.D.: 20Hz–20kHz: 0.1% 0.1%
RUMORE RESIDUO: 20Hz–20kHz: -80dB -80dB
CANALE CROSS TALK: 1kHz: -80dB -80dB
CANALE EQ (3-BANDE) HIGH: 12kHz ±15dB 12kHz ±15dB
MIDDLE: 2.5kHz ±12dB 2.5kHz ±12dB
LOW: 80Hz ±15dB 80Hz ±15dB
MASTER EQ (7-BANDE DUAL) 64 Hz / 160Hz /
400Hz / 1kHz / 2.5kHz / 6.4kHz / 16kHz: ±12dB ±12dB
SENSIBILITÀ D’INGRESSO MIC: –50dBm –50dBm
LINE: –20dBm –20dBm
TAPE IN / AUX IN / EFFECT RETURN: –10dBm –10dBm
LIVELLO IN USCITA EFFECT SEND / MIX OUT /
MONITOR OUT / REC OUT: +4dB +4dB
DSP 16 PRESETS: Hall Reverb 1, 2 Hall Reverb 1, 2
Room Reverb 1, 2 Room Reverb 1, 2
Plate Reverb 1, 2 Plate Reverb 1, 2
Reverb + Delay 1, 2 Reverb + Delay 1, 2
Feedback Delay 1, 2, 3, 4 Feedback Delay 1, 2, 3, 4
Reverb + Chorus 1, 2 Reverb + Chorus 1, 2
Reverb + Flange 1, 2 Reverb + Flange 1, 2
POWER AMP
POTENZA IN USCITA R.M.S. 8 OHM: 100W + 100W 175W + 175W
(1kHz @ 0.25% T.H.D.) 4 OHM: 150W + 150W 250W + 250W
8 OHM (BRIDGED): 300W Mono 500W Mono
RISPOSTA IN FREQUENZA 20Hz–20kHz: +0/–1dB +0/–1dB
RAPPORTO SEGNALE / RUMORE 90dB 90dB
SEPARAZIONE CANALI 8 OHM: 90dB 90dB
ALIMENTAZIONE (AC) 100V/50Hz, 120V/60Hz, 100V/50Hz, 120V/60Hz,
230-240V/50Hz 230-240V/50Hz
CAPACITÀ FUSIBILE VERSIONE 100–120V: 250V/T4.0A 250V/T6.3A
VERSIONE 230–240V: 250V/T3.15A 250V/T5.0A
CONSUMO ENERGETICO 550W 900W
DIMENSIONI (L x P x A) MM: 475 x 300 x 285 475 x 300 x 285
INCH: 18.7 x 12.3 x 11.2 18.7 x 12.3 x 11.2
PESO KG / LB: 18.0/39.6 18.0/39.6
Lse specifiche possono essere soggette a variazioni senza alcun preavviso.

wwwwww
..
ffeennddeerr..ccoomm
✧
wwwwww
..mmrrggeeaarrhheeaadd..nneett
30
SS
SSRR
RR66
6633
3300
0000
00
//
//
SS
SSRR
RR88
8855
5500
0000
00
Herzlichen Glückwunsch zum Kauf eines Fender®
Audio SR6300/8500 Profi-Aktivmischers. Das vielseitige
SR6300/8500 Audio-Tool ist aus der 50-jährigen Audio-
Erfahrung von Fender Audio entstanden. Der
SR6300/8500 erfüllt die hohen Standards von Fender
Musical Instruments und ist über Jahre hinaus
störungsfrei einsetzbar.
Die SR6300/8500 Mischer eignen sich perfekt für Live
Bands, DJs, Kundgebungen, religiöse Veranstaltungen,
Konferenzen – praktisch jede Situation, die eine Live-
Beschallung erfordert! Die SR6300/8500 Mischer sind
für den schnellen, problemlosen Aufbau und einfachen
Transport konzipiert. Die SR6300 & SR8500
Aktivmischer arbeiten hervorragend mit folgenden
Fender Audio-Produkten zusammen:
• ACE-12 1200 W Peak, 12” Woofer, Titan-
Kompressionstreiber, Advanced Concept Enclosure
- 2 Boxen pro Seite, also insgesamt 4 Boxen
• ACE-15 1200 W Peak, 15” Woofer, Titan-
Kompressionstreiber, Advanced Concept Enclosure
- 2 Boxen pro Seite, also insgesamt 4 Boxen
• ACE-2012 800 W Peak 12” Woofer, Titan-
Kompressionstreiber, Advanced Concept Enclosure
- 2 Boxen pro Seite, also insgesamt 4 Boxen
• ACE-1515 600 W Peak 15” Woofer, Titan-
Kompressionstreiber, Advanced Concept Enclosure
- 2 Boxen pro Seite, also insgesamt 4 Boxen
• SQUIER SQ-15 600 W Peak, 15” Woofer +
Kompressionstreiber-Lautsprecher - 2 Boxen pro
Seite, also insgesamt 4 Boxen
Bei Fender Audio möchten wir Ihnen innovative,
tragbare Audio-Lösungen bieten. Entsprechend diesem
Bestreben sind die SR6300/8500 Aktivmischer robust,
umfassend ausgestattet und transportfreundlich. Die
SR6300/8500 Mischer sind für die verschiedensten
Anwendungen geeignet, z. B. als Haupt-/Monitorsystem
oder links/rechts Stereo-System. Die SR6300 und
SR8500 sind wie folgt ausgestattet:
• Jeder rauscharme Kanal bietet:
••symmetrischer XLR Mic-Eingang
••1/4” Line-Eingang
••Stereo Pan-Drehregler
••3-Band-EQ Drehregler
••DFX Send Level-Drehregler
••Monitor Send Level-Drehregler
••Level-Regler
••-20dB Pad-Schalter
• Schaltbare 48 Volt Phantomspannung für
Kondensatormikrofone
• Doppelter grafischer 7-Band-EQ für Left / Right oder
Main / Monitor
• 2 x 5-LED Ausgangspegel-Anzeigen
• 16 digitale Stereo Multi-FX (DFX)
• DFX Send-Ausgang mit Pegelregler
• Stereo Aux-Eingang mit Pegelregler
• Monitor-Ausgang mit Pegelregler
• Stereo Tape-Eingang mit Pegelregler
• Stereo Tape-Ausgang
• Stereo Mix-Ausgang
• Interne Überhitzungs- und Lautsprecherkurzschluss-
Schutzschaltung
• Robustes, tourtaugliches Gehäuse mit verstärkten
Ecken und Tragegurt.
Vor dem ersten Einsatz Ihres neuen SR6300/8500
Mischers sollten Sie dieses Bedienungshandbuch
gründlich lesen. Sie finden darin viele Tipps und
Anschluss-Details.
Zum Lieferumfang des SR6300/8500 gehören:
• SR6300/8500 Mischer
• IEC Netzkabel
• Bedienungshandbuch
• Fender Audio-Garantiekarte
Bitte überprüfen Sie vor dem ersten Einsatz des
SR6300/8500, ob der Lieferumfang vollständig ist. Falls
etwas fehlt oder beschädigt ist, setzen Sie sich zwecks
Ersatz oder Wartung mit Ihrem Fachhändler in
Verbindung.

wwwwww
..
ffeennddeerr..ccoomm
✧
wwwwww
..mmrrggeeaarrhheeaadd..nneett
31
RR
RRee
eegg
ggll
llee
eerr
rr
Kanalregler
Kanalregler
1. Pan – Steuert den relativen Pegel
des Eingangskanals in den
Programmmischungen Left und
Right. Um das Signal gleich stark zu
beiden Kanälen zu leiten, lassen Sie
Pan in der Mitte stehen. Im
Main/Monitor-Modus sind nur die
Line Level L/R Ausgänge betroffen.
2. Level – Steuert den Pegel des
Eingangskanals, der zu den
Programmmischungen Left und
Right geleitet wird. Im Main/Monitor-
Modus wird der Pegel des zur Main
Programmmischung geleiteten
Kanals geregelt.
3. DFX – Steuert den Pegel des vom
Kanal zur Effektmischung geleiteten
Signals.
4. Monitor – Steuert den Pegel des
vom Eingangskanal zur
Monitormischung geleiteten Signals.
5. Low – Bass-Klangregler +/- 15 dB
Shelving-Regler bei 80 Hz.
6. Mid – Mitten-Klangregler +/- 12 dB
Anhebung/Absenkung bei 2.5 kHz.
7. High – Höhen-Klangregler +/- 15 dB
Shelving-Klangregler bei 8 kHz.
8. Pad – Preamp-Verstärkung des Ein-
gangskanals. Wählen Sie -20 dB für
starke Eingangssignale, die Verzer-
rungen verursachen.
9. Line Input – 1/4“ TRS, geeignet für Line-Pegel
Eingangssignale, wie hochohmige Mikrofone,
Keyboards, Drummachines, externe Effekte etc.
Akzeptiert symmetrische und asymmetrische Kabel.
10. Mic Input – 3-polige, symmetrische XLR-Buchse
für niederohmige Mikrofone. Die Pole 2 und 3 liefern
Phantomspannung für Kondensatormikrofone.
Achtung: Schließen immer nur ein Gerät an einen Kanal an—
benutzen Sie die Line- und Mic-Eingänge nicht gleichzeitig.
Digitaleffekte
Digitaleffekte
11. DSP Peak LED – Die DSP
Peak Anzeige leuchtet,
wenn die DSP Schaltung
verzerrt. Wenn Sie bei
leuchtender LED
Verzerrungen hören,
verringern Sie den Effekt-
pegel des Kanals, bis die
Anzeige erlischt. Erhöhen
Sie zum Ausgleich den DFX
Master-Pegel.
12. Program – Dieser Regler wählt ein Preset aus der
rechten Effektliste.
13. Effects On/Off – Dieser Schalter
aktiviert/deaktiviert den internen DSP.
Hauptsektion
Hauptsektion
14. Master Graphic Equalizers - Diese 7-Band-EQs
bestehen aus gleichmäßig über den Audiobereich
verteilten aktiven Bandpass-/Bandsperrfiltern.
Durch Auf-/Abbewegen der Slider können Sie den
Pegel der angegebenen Frequenz um max. 12 dB
anheben/absenken.
15. Amp Protection LEDs - Diese LEDs zeigen an,
dass die Schutzschaltung für den angegebenen
Verstärker aktiviert ist. Ursache kann ein
Kurzschluss an den Boxenanschlüssen oder eine
hohe Kühlkörpertemperatur sein. Überprüfen Sie in
diesem Fall die Boxenanschlüsse auf einen
Kurzschluss oder verringern Sie den Master
Volume-Pegel.
16. Level-Anzeigen - Diese Anzeigen geben den
Gesamtpegel an, der zu den Left/Monitor- oder
Right/Main-Mastermischungen ausgegeben wird.
Wenn die obere, rote LED blinkt, verringern Sie den
entsprechenden Master Volume-Pegel, um
Beschädigungen der Lautsprecher zu verhindern.
17. Left Master Volume - Regelt den Gesamtpegel der
linken Programmmischung.
18. Right Master Volume - Regelt den Gesamtpegel
der rechten Programmmischung.
19. Meter Mode - Dieser Schalter bestimmt, welche
Mischung von den Pegelanzeigen überwacht wird.

wwwwww
..
ffeennddeerr..ccoomm
✧
wwwwww
..mmrrggeeaarrhheeaadd..nneett
20. Effects Return Pegel - steuert den Signalanteil, der
von den Effects Returns zu den
Programmmischungen Left/Right geleitet wird.
21. Effects Master Pegel - steuert den Signalanteil,
der vom integrierten DSP Effektmodul zu den
Programmmischungen Left/Right und Main geleitet
wird.
22. DFX Send Pegel - steuert den Master-Pegel der
Signale, die vom internen Effects Bus zur EFFECTS
SEND-Buchse geleitet werden.
23. Aux In Pegel - steuert den Signalanteil, der von der
Aux In-Buchse zu den Programmmischungen Left,
Right und Main geleitet wird.
24. Tape In Pegel - steuert den Signalanteil, der von
der Tape In-Buchse zu den Programmmischungen
Left, Right und Main geleitet wird.
25. Monitor Out Pegel - steuert den Gesamtpegel des
Monitor-Bus zur Monitor Out-Buchse.
26. System Mode-Schalter - steuert, welche
Mischerprogramme zu den internen Endstufen
geleitet werden. Die Optionen sind Left und Right-,
Monitor und Main- oder Bridged Mono-Modus.
27. Main Master Volume - steuert den Gesamtpegel
der Haupt-Programmmischung, die aus einer
Mono-Summe der linken und rechten Kanäle
besteht.
28. Power LED - leuchtet nach dem Einschalten des
Mischers.
29. Phantom Power-Schalter - aktiviert eine +48 DC
Phantomspannungsversorgung. Die benachbarte
LED leuchtet. Phantomspannung wird von manchen
Kondensatormikrofonen benötigt. Beim Herstellen
oder Trennen einer Mikrofonverbindung muss die
Spannungsversorgung ausgeschaltet sein. Drehen
Sie Master Volume zurück, bevor Sie die
Phantomspannung einschalten.
Master-Eingänge und -Ausgänge
Master-Eingänge und -Ausgänge
30. Effects Send-Buchse – Dieser asymmetrische
Line-Pegel-Ausgang speist den Effects Bus zu
einem externen Effektprozessor.
31. Effects Return (L und R) Buchsen – Diese
asymmetrischen Line-Pegel-Eingänge akzeptieren
die Signale eines externen Effektprozessors und
leiten sie zu den Programmmischungen Left
und/oder Right weiter.
32. Monitor Output-Buchse – Dieser asymmetrische
Line-Pegel-Ausgang leitet die Monitor-Mischung zu
einer externen Endstufe oder einem Aktivmonitor, z. B.
1270P, weiter.
33. Aux In (L und R) – Über diese asymmetrischen Aux-
Eingänge (Consumer Line-Pegel/-10 dBm) können
zusätzliche Signale zu den Programmmischungen Left
und Right geleitet werden.
34. Tape In-Buchsen – Über diese Cinch-Eingänge kann
die Stereo-Mischung eines CD Players oder Tape
Decks zu den Stereo L/R Bussen geleitet werden.
35. Tape Out-Buchsen – An diese Cinch-Ausgänge kann
ein Aufnahmegerät angeschlossen werden.
36. Mix Output-Buchsen – Diese Ausgänge liefern ein
Line-Pegel-Signal der Programmmischungen Left und
Right.
Wechselstrom und Endstufe
Wechselstrom und Endstufe
37. Speaker Output-Buchsen – Diese Ausgänge leiten
Signale mit Lautsprecherpegel zu den Haupt- oder
Monitorboxen. Die Mindestimpedanz beträgt 4
Ohm. Lasten von weniger als 4 Ohm können zu
Betriebsunterbrechungen durch frühzeitige
Überhitzung etc. führen.
38. Bridged Mono Output-Buchse – Dieser
Lautsprecher-Ausgang kombiniert die Leistung
beider Endstufen, wenn mehr Lautstärke benötigt
wird. Die Mindestimpedanz beträgt 8 Ohm. Zum
korrekten Betrieb darf nur der Bridge-Ausgang
belegt sein.
39. Power-Schalter – Schaltet die Stromzufuhr
ein/aus.
40. Wechselstrom-Eingang – Anschluss für das
Netzkabel. Schließen Sie hier nur das mitgelieferte
Netzkabel an.
41. Hauptsicherung – Dies ist die Hauptsicherung des
Geräts. Ersetzen Sie sie nur durch eine Sicherung
gleichen Nennwerts.
32
SS
SSRR
RR66
6633
3300
0000
00
//
//
SS
SSRR
RR88
8855
5500
0000
00

wwwwww
..
ffeennddeerr..ccoomm
✧
wwwwww
..mmrrggeeaarrhheeaadd..nneett
AA
AAnn
nnww
wwee
eenn
nndd
dduu
uunn
nngg
ggss
ssbb
bbee
eeii
iiss
sspp
ppii
iiee
eell
llee
ee
33
Boxenanschluss-Beispiele
Boxenanschluss-Beispiele
Stereo-Konfiguration Main/Monitor-Konfiguration Bridge-Konfiguration
Main (Right) Main (Left) Main (Mono) Monitor (Mono) Main (Mono)
Geräteanschluss-Beispiele
Geräteanschluss-Beispiele

wwwwww
..
ffeennddeerr..ccoomm
✧
wwwwww
..mmrrggeeaarrhheeaadd..nneett
BB
BBll
lloo
oocc
cckk
kkdd
ddii
iiaa
aagg
ggrr
rraa
aamm
mmmm
mm
34

wwwwww
..
ffeennddeerr..ccoomm
✧
wwwwww
..mmrrggeeaarrhheeaadd..nneett
MODELL: SR6300 SR8500
PR TYP 546 547
TEILE-NUMMERN: US 0716300000 (120V/60Hz) 0718500000 (120V/60Hz)
DS US 0716300900 (120V/60Hz) 0718500900 (120V/60Hz)
DS AUS 0716300930 (240V/50Hz) 0718500930 (120V/60Hz)
DS UK 0716300940 (230V/50Hz) 0718500940 (120V/60Hz)
DS EUR 0716300960 (120V/60Hz) 0718500960 (120V/60Hz)
MISCHER
KANÄLE: 68
FREQUENZGANG: 20Hz–20kHz: ±1.5dB ±1.5dB
KLIRRFAKTOR: 20Hz–20kHz: 0.1% 0.1%
EIGENRAUSCHEN: 20Hz–20kHz: -80dB -80dB
KANAL-ÜBERSPRECHEN: 1kHz: -80dB -80dB
KANAL-EQ (3-BAND) HIGH: 12kHz ±15dB 12kHz ±15dB
MIDDLE: 2.5kHz ±12dB 2.5kHz ±12dB
LOW: 80Hz ±15dB 80Hz ±15dB
MASTER EQ (DOPPELTER 7-BAND-EQ) 64 Hz / 160Hz /
400Hz / 1kHz / 2.5kHz / 6.4kHz / 16kHz: ±12dB ±12dB
EINGANGSEMPFINDLICHKEIT MIC: –50dBm –50dBm
LINE: –20dBm –20dBm
TAPE IN / AUX IN / EFFECT RETURN: –10dBm –10dBm
AUSGANGSPEGEL EFFECT SEND / MIX OUT /
MONITOR OUT / REC OUT: +4dB +4dB
DSP 16 PRESETS: Hall Reverb 1, 2 Hall Reverb 1, 2
Room Reverb 1, 2 Room Reverb 1, 2
Plate Reverb 1, 2 Plate Reverb 1, 2
Reverb + Delay 1, 2 Reverb + Delay 1, 2
Feedback Delay 1, 2, 3, 4 Feedback Delay 1, 2, 3, 4
Reverb + Chorus 1, 2 Reverb + Chorus 1, 2
Reverb + Flange 1, 2 Reverb + Flange 1, 2
ENDSTUFE
AUSGANGSLEISTUNG (MITTELWERT) 8 OHM: 100W + 100W 175W + 175W
(1kHz @ 0.25% KLIRRFAKTOR) 4 OHM: 150W + 150W 250W + 250W
GEBRÜCKT 8 OHM: 300W Mono 500W Mono
FREQUENZGANG 20Hz–20kHz: +0/–1dB +0/–1dB
GERÄUSCHSPANNUNGSABSTAND 90dB 90dB
KANALTRENNUNG 8 OHM: 90dB 90dB
STROMVERSORGUNG (AC) 100V/50Hz, 120V/60Hz, 100V/50Hz, 120V/60Hz,
230-240V/50Hz 230-240V/50Hz
HAUTPSICHERUNGS-NENNWERT100–120V VERSIONEN: 250V/T4.0A 250V/T6.3A
230–240V VERSIONEN: 250V/T3.15A 250V/T5.0A
LEISTUNGSAUFNAHME 550W 900W
ABMESSUNGEN (B x T x H) INCH: 18.7 x 12.3 x 11.2 18.7 x 12.3 x 11.2
MM: 475 x 300 x 285 475 x 300 x 285
GEWICHT lbs. / KG: 39.6/18.0 39.6/18.0
Technische Daten können ohne Vorankündigung geändert werden.
TT
TTee
eecc
cchh
hhnn
nnii
iiss
sscc
cchh
hhee
ee
DD
DDaa
aatt
ttee
eenn
nn
35

A PRODUCT OF:
FENDER MUSICAL INSTRUMENTS CORPORATION
CORONA, CA USA
Fender
®
is a registered trademark of FMIC.
Other trademarks are properties of their respective owners.
© 2004 FMIC. All rights reserved. P/N 065511 REV A