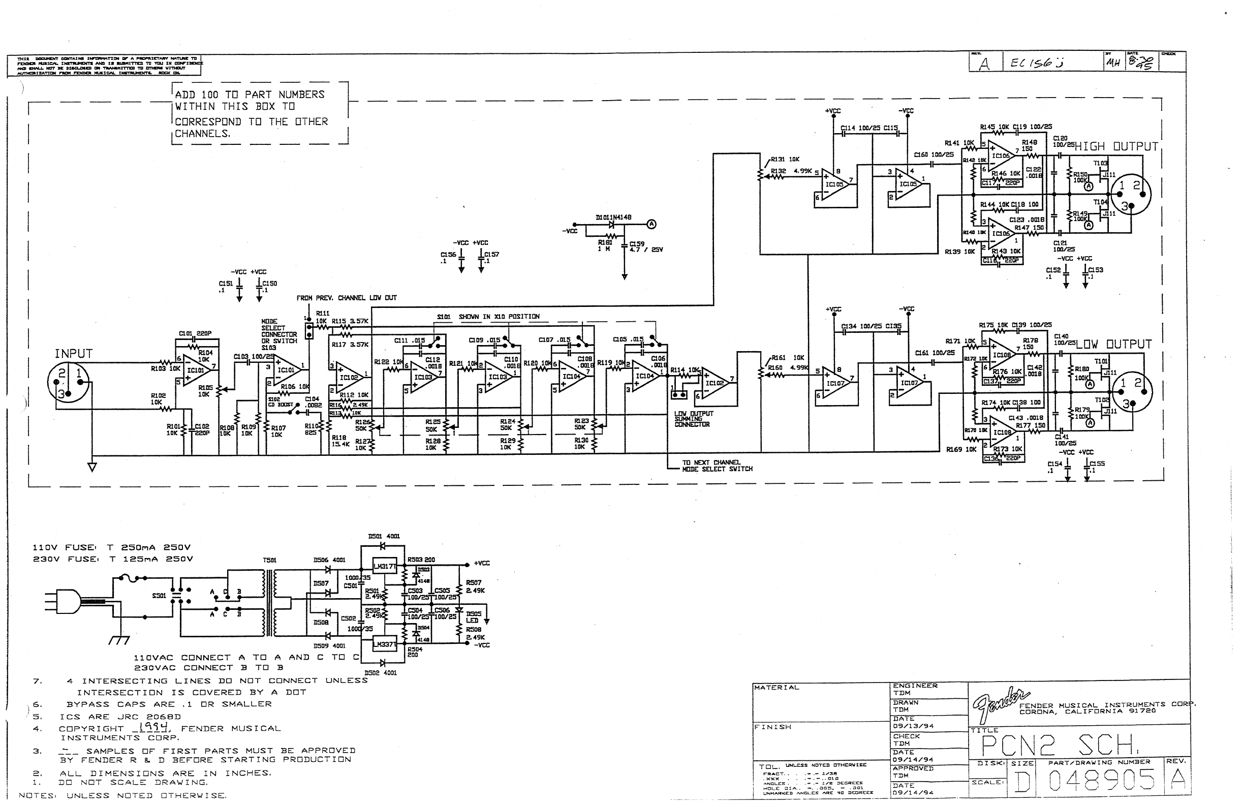
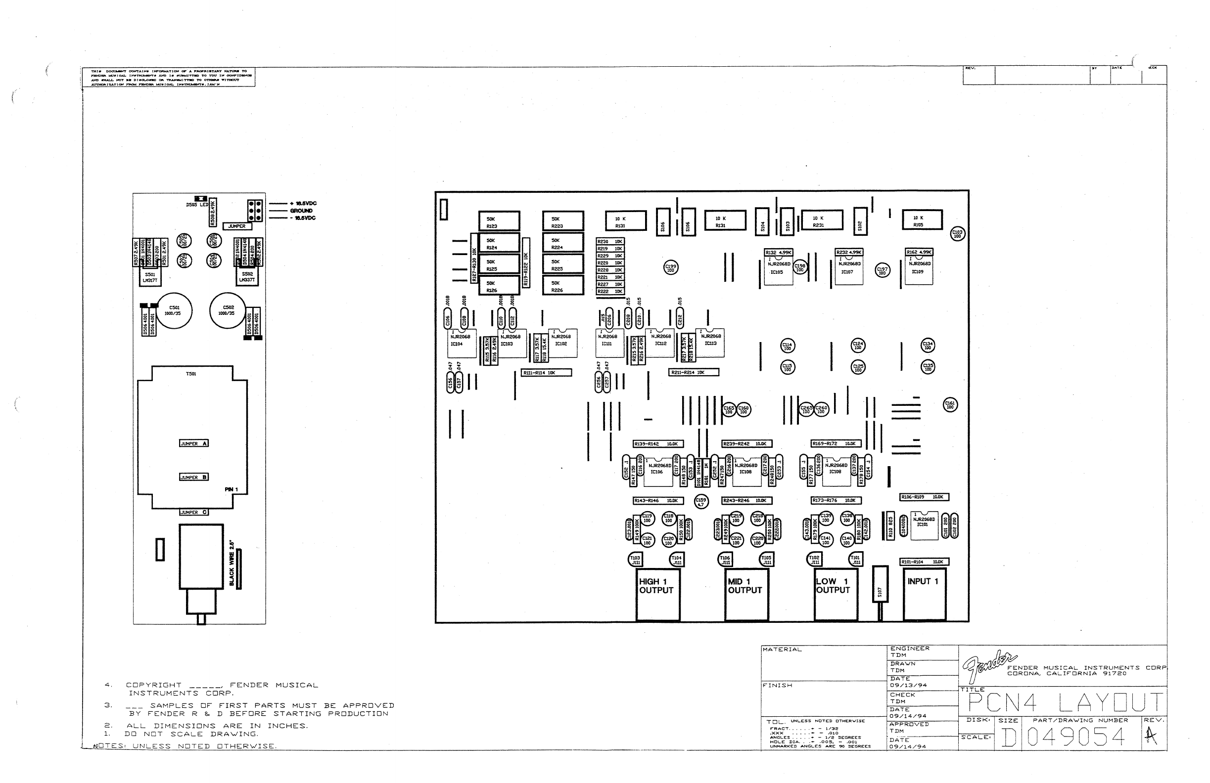
Fender PCN2 & PCN4 Schematic
User Manual: Fender PCN2 & PCN4 Schematic Fender Audio Schematic Archive – Fender
Open the PDF directly: View PDF
.
Page Count: 4




User Manual: Fender PCN2 & PCN4 Schematic Fender Audio Schematic Archive – Fender
Open the PDF directly: View PDF
.
Page Count: 4



