Fender Passport 150 PRO SVC_Man Schematics And Layouts
User Manual: Fender Passport 150 PRO Schematics and Layouts Fender Audio Schematic Archive – Fender
Open the PDF directly: View PDF
.
Page Count: 21

1
R125
5K6
R126
5K6
R131
5K6
R132
5K6
C171
470N
C178
470N
C177
470N
C172
470N
C155
220P
C156
220P
C163
1N
C165
1N
C164
1N
C116
100N
C109
100N
C110
100N
C117
100N
C132
100N
C179
220P C118
100N
C133
100N
C135
100N
C193
15N
C157
220P
C158
220P
C196
680N
C129
100N
C194
680N
C119
100N
C145
220P
C154
220P
C111
100N
C115
100N
R110
10R
R109
10R
R133
22R
R134
22R
C144
47u/63V
R122
30K
C108
100N
C100
100N
C140
3300U/35V
C143
3300U/35V
R100
10R
R108
10R
L100
BEAD
L101
BEAD
FBGND
VDDA
VDDP
VSSP
VSSA
C166
1N
FBGND
VDDA
VSSA
FBGND
FBGND
VSSA VSSP VDDP VSSP
FBGND FBGND
C184
15N
VSSPVDDP
VDDP VSSP
L102
22uH
L103
22uH
FBGND
FBGND
FBGNDFBGND
VDDP VSSPVSSAVDDAVSSA
FBGND
FBGND
-29V
+29V
FBGND
left out
right out
R190
39K
C190
100u/16V
FBGND
VDDP
Q101
2SC1623
Q102
2SC1623
FBGND
R204
47R
R201
39K
R203
2K2
C191
2u2/50V C201
100N
R202
3K9
FBGND
C192
100UF/35V
FBGND
J102
PHONEJACK3
J101
PHONEJACK3
1
2
3
4
5
6
JC2
DZ102
18V
DZ101
5V6
1
2
3
4
5
6
JC8 IN1-
9
IN1+
8
SGND1
11
SGND2
2
IN2+
5
IN2-
4
VDDA1 10
VSSA1 12
OSC 7
MODE 6
VDDP1 14
VSSP1 17
OUT1 16
BOOT1 15
OUT2 21
BOOT2 22
VDDA2
3
VSSA2
1
PROT
13
N.C
19
VSSD
24
STABI
18
VDDP2
23
VSSP2
20
U102
TDA8920BTH
-
+
-
+
FBGND
FBGND
FBGND T101
TRANS1
T102
TRANS1
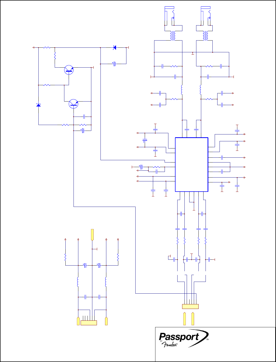
AMP Schematic Diagram

2
AMP PCB
AMP PCB - top side AMP PCB - bottom side

3
From Power Board
From Wireless Board
To Mixer Board
Input Connectors Output Connectors
Gound Junction
Power Indicator
To Mixer Board
C83 104
50V
CE52
220U
25V
C84 104
50V
CE53
220U 25V
C113 104
50V
CE66
220U
25V
R65
300 D25
LED025
1
2
3
4
5
6
7
8
J7
CON08/2.5
1
2
3
4
5
6
7
J5
CON07/2.5
1
2
3
4
5
6
J21
CON06/2.5
R29 NC
R33 0
1
JP801
TEST_POINT
R34 NC
R38 NC
1
2
3
4
5
6
7
8
9
10
11
12
J6
CON12/2.5
CE30
220U
25V
C51 104
50V
R67 0
R68 0
+8V [1]
+15V [1,2,3]
-15V [1,2,3]
WIRELESS-2
[2]
WIRELESS-1
[2]
+8V
[1]
+15V [1,2,3]
-15V [1,2,3]
LINE-2
[2]
LINE-1
[2]
CH1-L
[3]
CH1-R
[3]
+5VD [1,2]
+5VD
[1,2]
ROUT [3]
GND8V DGND
GND8V
DGND
DGND
+5VD
[1,2]
LOUT [3]
CH2-L [3]
CH2-R [3]
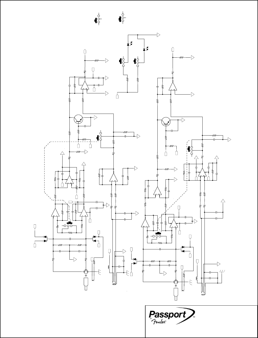
Input Schematic Diagram – 1/3

4
Input Schematic Diagram – 2/3
LINE-1 IN
MIC
MIC-1 I N
LINE-2 IN
MIC
MIC-2 I N
Input 1
Input 2
As Jumper in PCB
CE1
47U 63V
C16 NC
C17 NC
C18 NC
1
3
2
5
4
J2
CE2
47U 63V
CE6
47U 50V
CE8
22U 50V
3
2
1
U1-A
5
6
7
4
8
U1-B
MC33078
CE3
47U
50V
R5 22K
R6 470
C2 104
50V
C1 104
50V
C3 470P
50V
CE7
47U 50V
C8 NC
R27 NC
R13
20K
L1
22uH
C5 470P
50V
R2
27K
CE14
47U 50V
5
6
7
4
8
U7-B MC33078
3
2
1
U8-A
5
6
7
4
8
U8-B
MC33078
R10 3.3K
R11 8.2K
R12 10K
C23 101
50V
C24 NC
R18
1.8K
CE15
47U 50V
CE16
47U 63V
C25 NC
C30 NC
C31 NC
1
3
2
5
4
J3
CE17
47U 63V
CE19
47U 50V
CE20
22U 50V
CE21
47U
50V
R35 22K
R36 470
C32 104
50V
C33 104
50V
C34 470P
50V
C35 470P
50V
CE27
47U 50V
C36 470P
50V
C37 NC
R44 NC
R45
20K
L2
22uH
C39 470P
50V
R46
27K
CE28
47U 50V
R49 3.3K
R50 8.2k
R51 10K
C45 101
50V
C46 NC
R52 1.8K
CE29
47U 50V
C47
104
50V
C52
104
50V
C55 104
50V
C56 104
50V
C103 470P
C104 470P
C105 470P
C106 470P
R110
10K
R111
10K
C121 101
50V
C122 101
50V
R1
1K 1%
R66
1K 1%
R3 2K 1%
R114 2K 1%
R7 1K 1%
R8 1K 1%
R4 7.5K
R9 7.5K
R37 1K 1%
R121 1K 1%
R41 2K 1%
R122 2K 1%
R42 1K 1%
R123
1K 1%
R43 10K 1%
R124 10K 1%
R47 7.5K
R48 7.5K
R125 2.4K
R126
2.4K
S3-B
SPPH4
S3-C
SPPH4
R16 300
R21 300
D52
LED025
D22
LED025
S4-B
1
2
3
D810
BAV99
1
2
3
D811
BAV99
1
2
3
D812
BAV99
1
2
3
D813
BAV99
1
2
3
4
5
J1
1
2
3
4
5
J4
R53
5.1K
R54
5.1k
3
2
1
U7-A
3
1
2
Q1
2SC3689
R55
2k
R56
10k
3
1
2
Q2
2SC3689
R57
2k
R58
10k
C44 220P
50V
C48
220P
50V
C49
220P
50V
C50
220P
50V
S3-A
SPPH4
S3-D
C119 470P
50V
C120 470P
50V
R117 2.4K
R118 2.4K
3
2
1
U2-A
MC33078
5
6
7
4
8
U2-B
C4 101
50V
C7 101
50V
C53
104
50V
C54 104
50V
R119 10K 1%
R120
10K 1%
S4-A
S4-D
5
6
7
4
8
U10-B
MC33078
3
2
1
U10-A
S4-C
R25 0
-15V
[1,2,3] +15V
[1,2,3]
+15V [1,2,3]
-15V
[1,2,3]
-15V
[1,2,3] +15V
[1,2,3]
LINE-1
[1]
-15V
[1,2,3] +15V
[1,2,3]
+15V
[1,2,3]
-15V
[1,2,3] +15V
[1,2,3]
WIRELESS-1
[1]
WIRELESS-2
[1]
LINE-2
[1]
+15V
[1,2,3]
-15V
[1,2,3]
+15V
[1,2,3] -15V
[1,2,3]
-15V
[1,2,3]
+5VD
[1]
MIC1_SW
[2]
MIC2_SW
[2]
MIC1_SW
[2]
-15V
[1,2,3]
MIC2_SW
[2]
-15V
[1,2,3]
-15V [1,2,3]
$$$1
+15V
+15V
[1,2,3]

5
Input Schematic Diagram – 3/3
CH1 L/MONO
CH1 R
CH1 3.5MM JACK
CH2 L/MONO
CH2 R
CH2 3.5MM JACK
LEVEL
LEVEL
STERO OUTPUT
Input 3
Input 4
Stereo Out
For Test
1
3
2
5
4
J12
C6
220P
50V
R17 4K7
C9 220P
50V
CE9
47U 50V
R19
4K7
1
3
2
5
4
J15
C11 220P
50V
R22 4K7
C12 220P
50V
CE10
47U 50V
C14 104
50V
C15 104
50V
R23
4K7
CE50
22U 50V
CE51
22U 50V
R15
4K7
R20
4K7
1
3
2
5
4
J16
C19 220P
50V
R30 4K7
C20 220P
50V
CE11
47U 50V
R31
4K7
1
3
2
5
4
J20
CE12
22U 50V
C22 220P
50V
R39 4K7
C26 220P
50V
CE13
47U 50V
C28 104
50V
C29 104
50V
R40
4K7
CE49
22U 50V
R28 4K7
R32
4K7
CE38
47U 50V
C66 220P
50V
CE44
47U 50V
5
6
7
4
8
U11-B
4565-A
C70
104 50V
C71 104
50V
46
5
VR1-B
A20K(L=32.5mm)
C72 220P
50V
C73 220P
50V
R95
22K
R94
22K
R76
10K
R92
100K
R14 1K
R24 1K
R109 10k
CK4
CK1
CK5
C10 220P
50V
C13 220P
50V
R59 4K7
3
2
1
U3-A
N5532
CE18
47U 50V
5
6
7
4
8
U3-B
N5532
C21 220P
50V
R60 4K7
CE24
47U 50V
C27 220P
50V
3
2
1
U4-A
N5532
C38 220P
50V
R61
4K7
CE25
47U 50V
C40 220P
50V
5
6
7
4
8
U4-B
N5532
C41 220P
50V
R62 4K7
CE26
47U 50V
C42 220P
50V
C43 220P
50V
CE37
2U2 50V
C65 220P
50V
3
2
1
U11-A
N5532
R108
10K
R63
100K
R64
10K
CE39
2U2 50V
13
2
VR1-A
A20K(L=32.5mm)
R26 NC
-15V
[1,2,3]
+15V
[1,2,3]
CH1-L
[1]
CH1-R
[1]
-15V
[1,2,3]
+15V
[1,2,3]
CH2-L
[1]
CH2-R
[1]
LOUT[1]
ROUT[1]
+15V
[1,2,3]
-15V
[1,2,3]

6
Input PCB
Input PCB top side

7
Input PCB
In
p
ut PCB bottom side

8
Mixer Schematic Diagram 1/8
From Input Board
Input Connectors
Output Connectors
To Class D AMP Board
C109 104
50V
CE56
100U
25V
C110 104
50V
CE61 100U
25V
1
2
3
4
5
6
7
8
J7
CON08/2.5
1
2
3
4
5
6
7
8
9
10
11
12
J6
CON12/2.5
1
2
3
4
5
6
JB3
CON06/2.5
+5VD [4,8]
+15V [2,3,4,5,6,7,8]
-15V [2,3,4,5,6,7]
LINE-2
[2,6]
LINE-1
[2,6]
CH1-L
[3,7]
CH1-R
[3,7]
DGND
ROUT [4]
MUTE [8]
L_OUT- [5]
L_OUT+ [5]
R_OUT+ [5]
R_OUT- [5]
LOUT [4]
CH2-L [3,7]
CH2-R [3,7]

9
Mixer Schematic Diagram 2/8
LEVEL
LEVEL
TONE
TONE
Input 1
Input 2
C19 101
50V
CE9 47U
50V
3
2
1
U3-A
NJM4565
5
6
7
4
8
U3-B
NJM4565
13
2
VR1
A20K
C9 101
50V
CE11 2U2
50V
CE13
47U
50V
3
2
1
U4-A
NJM4565
13
2
VR4
B20K
5
6
7
4
8
NJM4565
C14 104
50V
C15 104
50V
C6 104
50V
C10 104
50V
C26 101
50V
CE18 47U
50V
13
2
VR5
A20K
C37 101
50V
CE24
47U
50V
13
2
VR8
B20K
R28
2K
R16
30K
R58
30K
R38
2K
R5 4.3K
R6 4.3K
CE8 47U
50V
R113 1M
R114 1M
C1 22n
50V
3
2
1
U1-A
NJM4565
C2 22n
50V
R9
10K
R10
10K
R11
1.5k
R12
1.5k
C3 22n
50V
C7 22n
50V
R13
10K
R14
10K
R18
1.5k
R19 1.5k
13
2
VR3
B50K
13
2
VR6
B50K
5
6
7
4
8
U1-B
NJM4565
C8 104
50V
C11 104
50V
CE3 47U
50V
CE4 47U
50V
C28 15p
50V
C29 15p
50V
LINE-1
[1,6]
LINE-2
[1,6]
REVERB-1
[4]
REVERB-2
[4]
-15V
[1,2,3,4,5,6,7]
+15V
[1,2,3,4,5,6,7,8] -15V
[1,2,3,4,5,6,7]
+15V
[1,2,3,4,5,6,7,8]
LINE-1OUT
[4]
-15V
[1,2,3,4,5,6,7]
+15V
[1,2,3,4,5,6,7,8]
LINE-2OUT
[4]

10
Mixer Schematic Diagram 3/8
LEVEL
LEVEL
LEVEL
LEVEL
TONE
TONE
TONE
TONE
Input 3
Input 4
C48 101
50V
CE1 47U
50V
3
2
1
U5-A
NJM4565
5
6
7
4
8
U5-B
NJM4565
C52 101
50V
CE17 2U2
50V
CE19
47U
50V
3
2
1
U13-A
NJM4565
5
6
7
4
8
NJM4565
C53 104
50V
C54 104
50V
C55 104
50V
C56 104
50V
C57 101
50V
CE20 47U
50V
C61 101
50V
CE21 2U2
50V
CE22
47U
50V
R1 2K
R82
30K
R87
30K
R88
2K
R89 4.3K
R90 4.3K
C64 101
50V
CE25 47U
50V
3
2
1
U15-A
NJM4565
5
6
7
4
8
U15-B
NJM4565
C68 101
50V
CE26 2U2
50V
CE27
47U
50V
3
2
1
U16-A
NJM4565
5
6
7
4
8
NJM4565
C69 104
50V
C70 104
50V
C71 104
50V
C72 104
50V
C73 101
50V
CE28 47U
50V
C77 101
50V
CE29 2U2
50V
CE30
47U
50V
R91
2K
R96
30K
R101
30K
R102
2K
R103 4.3K
R105 4.3K
CE31 47U
50V
CE32 47U
50V
CE33 47U
50V
CE34 47U
50V
13
2
VR17-A
A20K
46
5
VR17-B
A20K
13
2
VR20-A
1B20K
46
5
VR20-B
1B20K
13
2
VR21-A
A20K
46
5
VR21-B
A20K
13
2
VR24-A
1B20K
46
5
VR24-B
1B20K
R117 1M
R118 1M
R119 1M
R120 1M
C12 22n
50V
3
2
1
U2-A
NJM4565
C13 22n
50V
R2
10K
R3
10K
R4
1.5k
R20
1.5k
C16 22n
50V
C17 22n
50V
R21 10K
R23
10K
R24
1.5k
R25 1.5k
5
6
7
4
8
U2-B
NJM4565
C18 104
50V
C20 104
50V
13
2
VR2-A
1B50K
46
5
VR2-B
1B50K
C21 22n
50V
3
2
1
U6-A
NJM4565
C22 22n
50V
R26
10K
R27
10K
R29
1.5k
R30
1.5k
13
2
VR7-A
1B50K
C23 22n
50V
C24 22n
50V
R31
10K
R32
10K
R33
1.5k
R39 1.5k
5
6
7
4
8
U6-B
NJM4565
C25 104
50V
C27 104
50V
46
5
VR7-B
1B50K
C30 15p
50V
C31 15p
50V
C34 15p
50V
C42 15p
50V
R42
0
R44
0
R149 0
R150 0
R148 0
CH1-L
[1,7]
CH1-R
[1,7]
REVERB-CH1L
[4]
REVERB-CH1R
[4]
-15V
[1,2,3,4,5,6,7]
+15V
[1,2,3,4,5,6,7,8] -15V
[1,2,3,4,5,6,7]
+15V
[1,2,3,4,5,6,7,8]
CH2-L
[1,7]
CH2-R
[1,7]
REVERB-CH2L
[4]
REVERB-CH2R
[4]
-15V
[1,2,3,4,5,6,7]
+15V
[1,2,3,4,5,6,7,8] -15V
[1,2,3,4,5,6,7]
+15V
[1,2,3,4,5,6,7,8]
CH1LOUT
[4]
CH1ROUT
[4]
CH2LOUT
[4]
CH2ROUT
[4]
-15V
[1,2,3,4,5,6,7]
+15V
[1,2,3,4,5,6,7,8]
-15V
[1,2,3,4,5,6,7]
+15V
[1,2,3,4,5,6,7,8]
$$$19901
$$$3075
$$$4610

11
Mixer Schematic Diagram 4/8
SYSTEM EQ
1.65V
REVERB
Mix Signal for Reverb
Mix Signal for Master Out(L & R)
LEVEL
LEVEL
3
2
1
U7-A
NJM4565
5
6
7
4
8
U7-B
NJM4565
R7 10K
R8 10K
C4 101
50V
R15 10K
R34 10K
R35 10K
R36 10K R37 10K
C5 101 50V
R43 10K
R46 10K
R47 10K
C35 104
50V
C36 104
50V
C224 8200P
50V
C228 8200P
50V
3
2
1
U43-A
NJM4565
5
6
7
4
8
U43-B
NJM4565
13
2
VR35-A
1B50K
46
5
VR35-B
1B50K
CE111 2U2
50V
CE117 2U2
50V
13
2
VR34-A
A20K
46
5
VR34-B
A20K
C222 8200P
50V
C223 8200P
50V
C226
104
50V
C227
104
50V
R294 51K
R289
51K
R265
51K
R291
16.9K
R295
16.9K
R290 16.9K
R293 51K
R296 16.9K
3
2
1
U11-A
NJM4565
5
6
7
4
8
U11-B
NJM4565
R59 10K
R60 10K
C38 101
50V
R61 10K
R64 10K
R65 10K
R66 10K
R67 10K
C39 101 50V
R68 10K
R71 10K
R72 10K
C40 104
50V
C41 104
50V CE16 47U
50V
CE121
1U
50V
C236 1n
50V
R303
1K
CE122
1U
50V
R304
1K
C237 1n
50V
CE123
1U
50V
X1
32768Hz
R307 1K
R308 1K
CE124 3.3U
50V
CE125 3.3U
50V
R309
10K
R310
10K
C238 2.2n
50V
C239 2.2n
50V
R311
100
CE126
1U
50V
1LIN
2RIN
3MID
4GND
5CLI P
6AVD
7GND
8DVD
9X2
10 X1
11 GND
12 T1
13 T0
14 SCK 15
SDA
16
S0
17
S1
18
S2
19
GND
20
POT0
21
POT1
22
POT2
23
DVD
24
GND
25
REFN
26
REFP
27
ROUT
28
LOUT
U44
FV-1
R312
10K
R313
10K
R314
10K
R315
10K
R316
10K
R317
10K
R318
10K
R319
10K
R321
NC
R322
NC
C240
100n50V
1ADJ/GND
2OUT2
3IN
U605
1117_3.3V
C241 104
50V
CE127
1U
50V
C242
104
50V
CE128
1U
50V
CE36 47U
50V
C47 15p
50V
C49 15p
50V
3
2
1
U8-A
NJM4565
5
6
7
4
8
U8-B
NJM4565
R17 10K
C50 101
50V
R22 10K
C51 101 50V
C58 104
50V
C59 104
50V CE2 47U
50V
CE5 47U
50V
R40 10K
R41 10K
C43
15p50V
R145 10K
R146 10K C151 101
50V CE114 2U2
50V
3
2
1
U42-A
NJM4565
C234
470P
50V
R299
10K
R301 1K
R257 91K
R79 10K
C225 101
50V CE118 2U2
50V
5
6
7
4
8
U42-B
NJM4565
C229 104
50V
C230 104
50V
C235
470P
50V
R300
10K
R302 1K
R292 91K
R80 10K
R142 0
REVERB-1 [2,4]
REVERB-2 [2,4]
REVERB-CH1L [3]
REVERB-CH2L [3]
REVERB-1 [2,4]
REVERB-2 [2,4]
REVERB-CH1R [3]
REVERB-CH2R [3]
-15V
[1,2,3,4,5,6,7]
+15V
[1,2,3,4,5,6,7,8]
REVERB-LIN
[4]
REVERB-RIN
[4]
LINE-1OUT [2,4]
LINE-2OUT [2,4]
CH1LOUT [3]
CH2LOUT [3]
LINE-1OUT [2,4]
LINE-2OUT [2,4]
CH1ROU T [3]
CH2ROU T [3]
+15V
[1,2,3,4,5,6,7,8]
-15V
[1,2,3,4,5,6,7]
+5VD
[1,8]
REVERB-LIN
[4]
REVERB-RIN
[4]
LOUT
[1]
ROUT
[1]
REVERB-ROUT
[4]
REVERB-LOUT
[4]
+15V
[1,2,3,4,5,6,7,8]
-15V
[1,2,3,4,5,6,7]
+15V
[1,2,3,4,5,6,7,8]
-15V
[1,2,3,4,5,6,7]
REVERB-LOUT [4]
REVERB-ROUT [4]
-15V
[1,2,3,4,5,6,7]
+15V
[1,2,3,4,5,6,7,8]
L-IN
[5]
R-IN
[5]

12
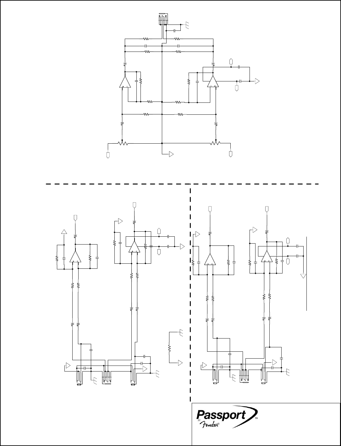
Mixer Schematic Diagram 5/8
BPF (65Hz ~ 18kHz) Limiter
Balance Out
3
2
1
U827-A
NE5532
5
6
7
4
8
U827-B
NE5532
R121
24K R123
33K
R122
18K
R127
10K
R128
100
R136
3k
R135
18.2K
R129
4.99K
R130
22K
R131
4.99K R133
22K
1
2
3
D1
BAV99
D3
IN4148
R124
10K
R125
4.99K
CE119
10U/50V
D2
IN4148
R126
470
C153
10P
CE37
47U/50V
R137
24K R1042
33K
R1043
18K
R1049
10K
R1048
100
R1056
3k
R1055
18.2K
R1053
4.99K
R1054
22K
R1050
4.99K
R1051
22K
1
2
3
D4
BAV99
D6
IN4148
R1045
10K
R1046
4.99K
CE120
10U/50V
D5
IN4148
R1047
470
C154
10P
CE35
47U/63V
+
-
V+
5
8
7
4
2
3
1
U826-A
13700
+
-
V+
16
14
15
13
12
10
9
11
6
U826-B
13700
2
-
3
+
1
U828-A
LM074A
6
-
5
+
7
U828-B
9
-
10
+
8
U828-C
LM074A
13
-
12
+
14
U828-D
LM074A
TL074CDT
C108
0.1U
C112
0.1U
C116
0.1U
C117
0.1U
C113
0.1U
C114
0.1U
C118
0.1U
C119
0.1U
C115
0.1U
C120
0.1U
R1044
0
R1057
0
3
2
1
U14-A
NJM4565
5
6
7
4
8
U14-B
NJM4565
C94 330n
50V
R74 11K
R75 4.7K
R83 10K
R84 10K
3
2
1
U19-A
NJM4565
5
6
7
4
8
U19-B
NJM4565
C100 330n
50V
R95 11K
R97 4.7K
R106 10K
R107 10K
C106
0.1U
C121
0.1U
C122
0.1U
C123
0.1U
CE7
47U/50V
CE12
47U/63V
R112 0
R116 0
R139 0
R140 0
R50 0
C99 1.2nF
50V
C97 180p
50V
R78 10K
C96 3.3n
50V
C95
330n
50V
C105 1.2nF
50V
C103 180p
50V
C102 3.3n
50V
R100 10K C101
330n
50V
3
2
1
U822-A
NE5532
5
6
7
4
8
U822-B
NE5532
R993
10K
R997 10K
R995
100K
C150
100P
R897
100K
R138 0
3
2
1
U823-A
NE5532
5
6
7
4
8
U823-B
NE5532
R994
10K
R998 10K
R996
100K
C152
100P
R999
100K
R76 0
+15V
-15V
-15V
+15V
-15V
-15V
+15V
-15V
+15V
-15V
-15V
+15V
L-IN
[4]
R-IN
[4]
-15V
+15V
-15V
+15V
+15V +15V
-15V -15V
+15V +15V
+15V +15V
-15V
+15V
R_OUT-
[1]
R_OUT+
[1]
-15V
+15V
L_OUT-
[1]
L_OUT+
[1]

13
Mixer Schematic Diagram 6/8
Detector for Input 1
Detector for Input 2
R202 470K
C111 224 R55
30K
R49 470K
C76 224 R52
30K
R214
10K
R222
10K
C134 224
C135 224
R242
10K
R245
10K
5
6
7
4
8
U34-B
NJM4565
3
2
1
U34-A
NJM4565
C146
104
C147
104
C90
104
C91
104
R51
7K5
R53
150
CE49
33U/50V
R54
7K5
R206
220K
R216
30K
CE80
33U/50V
R219
7K5
C130 101
2
3
1
U9-A
TL074CDT-S014
6
5
7
U9-B
TL074CDT-S014
R45
7K5
R56
150
CE6
33U/50V
R115
7K5
R220
220K
R223
30K
CE81
33U/50V
R224
7K5
C131 101
13
12
14
U9-D
TL074CDT-S014
9
10
8
U9-C
TL074CDT-S014
C66 104
C67 104
C74 104 C75 104
1
2
3
D34
BAV99
1
2
3
D26
BAV99
1
2
3
D33 BAV99
1
2
3
D27
BAV99
LINE-2
[1,2]
LINE-1
[1,2]
-15V
[1,2,3,4,5,6,7] +15V
[1,2,3,4,5,6,7,8]
+15V
[1,2,3,4,5,6,7,8] -15V
[1,2,3,4,5,6,7]
CHAV2
[8]
CHS2
[8]
CHAV1
[8]
CHS1
[8]

14
Detector for Input 3
Detector for Input 4
R93 470K
C32 224
2
1
3
D28
BAV99
R132
7K5
R134
30K
R159 470K
C33 224
2
1
3
D29
BAV99
R160
7K5
R161
30K R162
150
CE72
33U/50V
R163
7K5
R170
150
CE73
33U/50V
R173
7K5
2
1
3
D30
BAV99
R174
220K
R176
10K R183
30K
CE74
33U/50V
R197
7K5
2
1
3
D31
BAV99
R198
220K
R199
10K R200
30K
CE75
33U/50V
R201
7K5
C80 224
C92 224
R213
10K
R215
10K
C93 101
C107 101
5
6
7
4
8
U18-B
NJM4565
3
2
1
U18-A
NJM4565
C128
104
C129
104
13
12
14
U31-D
TL074CDT-S014
2
3
1
U31-A
TL074CDT-S014
9
10
8
U31-C
TL074CDT-S014
6
5
7
U31-B
TL074CDT-S014
R247 470K
C142 224
2
1
3
D35
BAV99
R248
7K5
R249
30K
R250 470K
C143 224
2
1
3
D36
BAV99
R251
7K5
R252
30K R253
150
CE97
33U/50V
R254
7K5
R255
150
CE98
33U/50V
R256
7K5
2
1
3
D37
BAV99
R48
220K
R258
10K R259
30K
CE99
33U/50V
R263
7K5
2
1
3
D38
BAV99
R264
220K
R57
10K R266
30K
CE100
33U/50V
R267
7K5
C144 224
C145 224
R268
10K
R269
10K
C160 101
C161 101
5
6
7
4
8
U10-B
NJM4565
3
2
1
U10-A
NJM4565
C162
104
C167
104
13
12
14
U12-D
TL074CDT-S014
2
3
1
U12-A
TL074CDT-S014
9
10
8
U12-C
TL074CDT-S014
6
5
7
U12-B
TL074CDT-S014
C82
104
C83
104
C84
104
C85
104
C60 104
C62 104
C63 104
C65 104
C44 104
C87 104
C88 104
C89 104
R73 0
CH1-R
[1,3]
CH1-L
[1,3]
CHAV7
[8]
CHAV8
[8]
CHS7
[8]
CHS8
[8]
-15V
[1,2,3,4,5,6,7] +15V
[1,2,3,4,5,6,7,8]
CH2-R
[1,3]
CH2-L
[1,3]
CHAV9
[8]
CHAV10
[8]
CHS9
[8]
CHS10
[8]
-15V
[1,2,3,4,5,6,7] +15V
[1,2,3,4,5,6,7,8]
+15V
[1,2,3,4,5,6,7,8] -15V
[1,2,3,4,5,6,7]
+15V
[1,2,3,4,5,6,7,8] -15V
[1,2,3,4,5,6,7]
+15V +15V
Mixer Schematic Diagram 7/8

15
Mixer Schematic Diagram 8/8
MCU for Present/Clip Signal
Signal Present/Clip LEDs
L=Enable, H=Disable
LED_OE: L=Enable, H=Disable
For power down "POP" elimination
13
OE
12
RCLK
10
SCLR
11
SCLK
14
SER
15
Q0
1
Q1
2
Q2
3
Q3
4
Q4
5
Q5
6
Q6
7
Q7
9
SDO
U37
74HC595
R273 560
R274 220
R275 560
R276 220
R277 560
R278 220
R279 560
R280 220
13
2
LED1
13
2
LED2
13
2
LED3
13
2
LED4
R62
10K
CE10
100U/25V
C86 104
11
S0 10
S1 9
S2 16
VCC 8
GND
6
E3
A
13 A0
14 A1
15 A2
12 A3
1A4
5A5
2A6
4A7
7
VEE
U17
CD74HC4051
1VSS
2XIN/P1.0
3XIN/P1.1
4RESET/P1.2
5P2.0/T0
6P2.1
7P2.2
8P2.3
9P2.4
10 P2.5
20
VDD 19
P0.0/ADC1/INT0/SCL 18
P0.1/ADC1/INT1/SDA 17
P0.2/ADC2 16
P0.3/ADC3 15
P0.4/ADC4 14
P0.5/ADC5 13
P0.6/ADC6/PWM 12
P0.7/ADC7 11
P2.6/ADC8/CLO
U20
S3F9454
CE50
47U/50V
C148
0.1U
R69
10K
R70
30K
C46 104
C78 104
C79 104
C45 104
R111 0
R63
10K
R143 0
R144 0
R147 0
SER [8]
RCLK [8]
SCLK [8]
+5VD
[1,4,8]
+5VD [1,4,8]
LED_OE
[8]
DGND
CHAV9 [7]
CHS8 [7]
CHAV7 [7]
CHS10 [7]
CHAV10 [7]
CHAV8 [7]
CHS9 [7]
+5VD
ADDR2
[8]ADDR1
[8]ADDR0
[8]
DGND
ADC1
[8]
CHS7 [7]
+5VD
DGND
SCLK [8]
RCLK [8]
LED_OE [8]
ADDR2 [8]
ADDR1 [8]
ADDR0 [8]
+15V
[1,2,3,4,5,6,7]
SER [8] CHS2
[6]
CHAV2
[6]
CHAV1
[6]
CHS1
[6]
ADC1
[8]
DGND
DGND
MUTE [1]
DGND
DGND DGND
DGND DGND
DGND DGND

16
Mixer PCB
Mixer PCB top side

17
Mixer PCB
Mixer PCB bottom side

18
SMPS Schematic Diagram
R1
470K 1/2W
!
C1
330uF/200V
C2
330u/200V
R2
100K 1/2W
R3
100K 1/2W
R4
1K
R5
51R
D1
ER206
R7
51R
R6
1K
D2
ER206
R8
100/2W
C3
100p 1KV
R11
47/2W
C4
471/1KV
C5
471/1KV
R12
47/2W
CX1
0.33uF/275Va c
D7
UF4003
C17
100n
D10
1N4148
R27
3K9
C19
222
D13
1N4148
C18
103
D14
1N4148
R32
1K
C24
10uF/25V
C23
100n
C22
103
R29
1K
R30
0.22R
C14
100u/35V
C15
100n
R62
1.5K
R23
1K
R26
100K
R25
22K SVR
1KB
R19
10K 1%
115V230V
!
R18
442K
3
2
4
1
L1
TT-010024
C12
100n/50V
C9
3300u/35V
C8
3300u/35V
CX2
0.33uF/275Vac
CY1
102 250AC
CY2
102 250AC
8765
T2A
TT-9972
1
4
T2B
TT-9972
3
2
4
1
L2
TT-010024
Z3
18V
Z4
18V
Z2
18V
Z1
18V Q1
12N06C
Q2
12N06C
NTC1
SCK057
1
3
4
2
BG1
KBU6J
R15
1.5K/2W
R16
1.5K/2W
3
8
1
10
L3
OUTTRUKE2
C13
100n/50V
R21
3.3K
R22
47R
R20
3K9
R24
1M
-30V
+30V
C60
470uF/35V
C73
470uF/35V
D3
ER1604CT
D5
ER1604CT
GND
NGND
Vcc 7
o/p 6
Isense 3
Vref
8
Rt/Ct
4
Gnd
5
Comp
1
Vfb
2
U1
KA3844
NGND
U2
TL431
C44
470u35V
C45
470u/35V
Vin
1Vou t 3
GND
2
U4 7815
GND 1
Vin
2Vou t 3
U5 7915
C52
100n
C53
100n
C50
470u16V
C51
470u16V
+15V
-15V
D20
SB580
C57
100u/35V
C56
102
R46
5K1
R47
1.5K
R49
47K
R48
1K5
NTC2
10K
C58
1u/50V
JA6
24V/FAN
Z6
6V2 Q7
BD139
D24
SR2100
D26
1N4148
C72
470uF/16V
C61
470uF/16V
VDR 1
VDR-220V
VDR 2
VDR-220V
C6
102/1KV
R13
10R/W1/2
CY3
222 250VAC
D4
SR2100
D6
SR2100
Vin
1Vou t 3
GND
2
U6 7808
Vin
1Vou t 3
GND
2
U7 7805
NGND
NGND
NGND
NGND
NGND
NGND
NGND
NGND
NGND
JA1A
JA1-L
JA1B
JA1-N
L4
47uH
L5
47uH
C54
470u16V
C55
470u16V
C63
100n/50V
C64
100n/50V
123 4 5 6 7
JA3
PGND
PGND
+5V
+8V
+15V
-15V
PGND
8
10
5
11
12
13
16
11
7
9
11
1
3
14
15
11
T1
ETD39B
Z7
22V
SW2
SW-L
SW1
SW-N
-30V
+30V
-30V
R50
220K
C33
563
U3
PC187
JP01
0R
JP02
0R
JP03
0R
JP04
0R
JP05
0R
JP06
0R
JP07
0R
JP08
0R
123
JA2
R65
22K R66
3.3K
R67
39K
R68
47K
D30
1N4148
D32
1N4148
D31
1N4148
Q12
2N3904
PTC01
100R
C80
100nF
NGND
SCR0 1
MCR100-6
Q11
2N3906
R71
100R/2W
R72
100R/2W
+30V
-30V
+30V
R42
3R3/2W
R40
3R3/2W
R41
3R3/2W
L7
TT-9973
L6
TT-9973
R73
47R/2W

19
SMPS PCB
SMPS PCB top side

20
SMPS PCB
SMPS PCB bottom side

21
Wiring Diagram
J7
J7I
J6
J6I
JA 3
J5I
JA 2
JC2
JB3
JC8
115/230V
ON/OFF FAN
SPEAK ER
OUTPUTS
JA 1
B
J
A1
A
SW2
SW1
JA 6
Mixer Board
Amp Board
Rear Panel
SMPS Board
Input Board