Fender Passport 300 PRO SVC_Man Schematics And Layouts
User Manual: Fender Fender Audio Schematic Archive – Fender
Open the PDF directly: View PDF
.
Page Count: 28

1
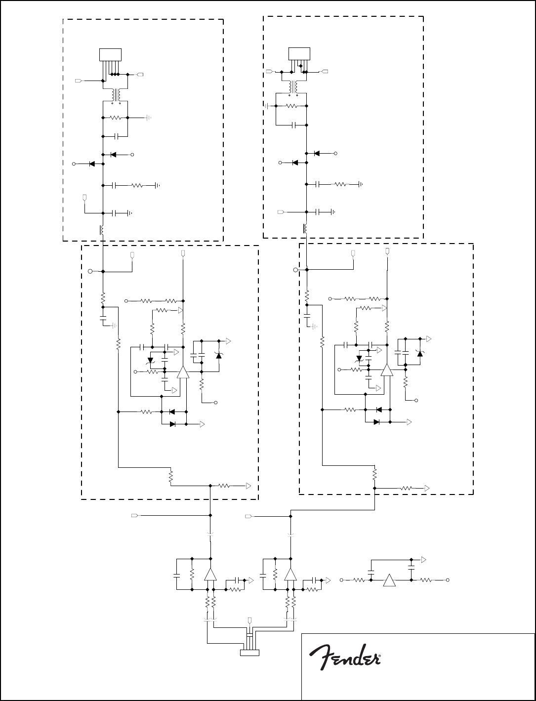
PASSPORT
AMP Schematic Diagram – 1/3
CH1 IN
CH1 OUT
CH2 OUT
CH2 IN
PWM generator for CH1
PWM generator for CH2
LC Filter and audio output for CH1
LC Filter and audio output for CH2
R777
4R7
C7483U3/25V
D718
1N4148
R724A
0R
R778 4R7
R708A
3K3
R706A
10K
C747
3U3/25V
C751
102/250V
C752
102/250V
R712A
100R(1%) R731
270R(%1)
R730
1K
R733
1K
R716A
470R
R783
47K
R732
1K
C755
151/500V
D719
1N4148
C759
474/400V
C761
104/400V
R722A
10R/5W
D713
ER1D
D714
ER1D
R780
4R7
C750 3U3/25V
D702
1N4148
R725A
0R
R779 4R7
R709A
3K3
R707A
10K
C749
3U3/25V
C753
102/250V
C754
102/250V
R713A
100R(1%) R735
220R(%1)
R734
1K
R737
1K
R717A
470R
R785
47K
R736
1K
C756
151/500V
D703
1N4148
C760
474/400V
C762
104/400V
L701
22uH
R723A
10R/5W
D716
ER1D
D717
ER1D
1
2
3
4
5
6
CH700
jack-1
1
2
3
4
5
6
CH701
jack-2
12
L700
22uH
-
+
2
3
6
7
4
U705
TLC081
-
+
2
3
6
7
4
U706
TLC081
R794
2K/1W
+
-
2
3
1
U700-A
NE5532
+
-
6
5
7
U700-B
NE5532
+
-
8
4
U700-C
NE5532
R700
5K1,1%
R707 5K1,1%
R701
5K1,1%
R706
5K1,1%
R705
5K1,1%
R708
5K1,1%
R709
5K1,1%
R726
5K1,1%
C702 221
C707
221
C703
221
C706 221
C708
104
C743 22U/16V
C744 22U/16V
1
2
3
4
5
JA702
SIP5
C700
22U/16V
C701 22U/16V
C705 22U/16V
C704
22U/16V
12
R700B
4R7
C709
104
12
R701B
4R7
1
4
2
3
CL700
TBD
1
4
2
3
CL701
TBD
R795 2K/1W
CS1 104
C747A
104
C748A
104
C749A
104
C750A
104
C759A
472
C760A
472
1
TP701
1
TP702
Z711
5.6V
Z712
5.6V
Z713
5.6V
Z714
5.6V
PWM1
+5V
+5V
+B
-B
PWM2
-5V
+5V
+5V
-B
+B
CH1O
CH2O
CH1_O
GND
GND
GND
GND
GND
GND
GND
GND
GND
GND
GND
-5V
+5V
GND
-5V
CH1CL
CH1CLG
CH2CLG
CH2CL
CH2_O
LIN
RIN
GS1
GND
GND
GND

2
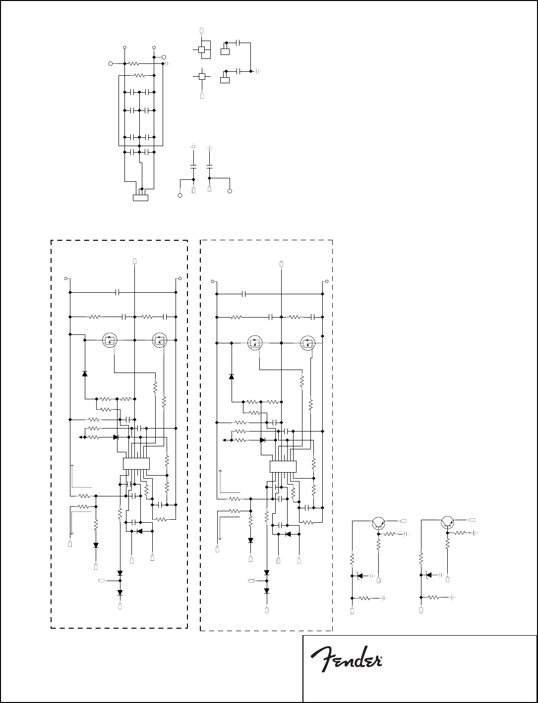
PASSPORT
AMP Schematic Diagram – 2/3
Driver and MOSFET Amplifier for CH1
Driver and MOSFET Amplifier for CH2
For 300 PRO For 500 PRO
For 300 PRO For 500 PRO
1VDD
2CSD
3IN
4VSS
5NC
6VREF
7OCSET
8DT
16
CSH 15
VB 14
HO 13
VS 12
NC 11
VCC 10
LO 9
COM
U703
IRS20957
C730
2U2/25V
C728
47pF
C726
open
C731
2U2/25V
C735
22uF/25V C737
102/250V
R745
100R(1%)
R754
12K
R748
6K8
R749
8K2
R743
2K4 R767
15K
R769
10R
R775
4R7
R755
10K
R750
6K8
R772
22R
R771
22R
R702A
3K3
R781
39K
1
3
2
Q700
IRFB4020
1
3
2
Q701
IRFB4020
D711
ER1D
D710
ER1D
+
C733
10uF/16V
1VDD
2CSD
3IN
4VSS
5NC
6VREF
7OCSET
8DT
16
CSH 15
VB 14
HO 13
VS 12
NC 11
VCC 10
LO 9
COM
U704
IRS20957
C770
2U2/25V
C729
47pF
C727
open
C732
2U2/25V
C736
22uF/25V
R746
100R(1%)
R758
12K
R751
6K8
R752
8K2
R744
2K4
R768
15K
R770
10R
R776
4R7
R759
10K
R753
6K8
R774
22R
R773
22R
R703A
3K3
R782
39K
1
3
2
Q702
IRFB4020
1
3
2
Q703
IRFB4020
D712
ER1D
D715
ER1D
+
C734
10uF/16V
+
C721
2200UF/50V
R711
100K
R712
100K
D701
1N4148
D700
1N4148
1
2
3
4
JB702
CON4
+
C722
2200UF/50V
+
C723
2200UF/50V
D708
SSW14
D709
SSW14
R710
100R
R766
100R
D739
1N4148
D738
1N4148
C716
104/250V
C717
104/250V
C718
104/250V
C719
104/250V
+
C720
2200UF/50V
12
34
M702
bracket
12
34
M703
bracket
1
2
M700
bracket
1
2
M701
bracket
D740
1N4148
D741
1N4148
2
E
1B
3
C
Q717
MMBT5401
R702
8K2
R723
1K
Z710
5V1
R724
10K
2
E
1B
3
C
Q718
MMBT5401
R702B
8K2
R723B
1K
Z709
5V1
R724B
10K
R704A
5R1
C740
102/250V
R704B
5R1
C738
102/250V
R705A
5R1
C742
102/250V
R705B
5R1
C739
104/250V
C741
104/250V
C7G1
104
C7G2
104
R700C
1M
R700D
1M
C7HS1 104
C7HS2 104
1
E701
1
E702
R754A
3K9
R758A
3K9
1
TP703
1
TP704
PWM1
GND
CH1O
+B
-B
VCC
PWM2
GND
CH2O
+B
-B
VCC
+B
-B
CSD2
CSD1
VDD2
VDD1
SD
SD
CSD1
VDD1
EP+IP1
CSD2
VDD2
EP+IP2
GHS1
GHS2
GS2
GS1
+15VPOP
+15VPOP

3
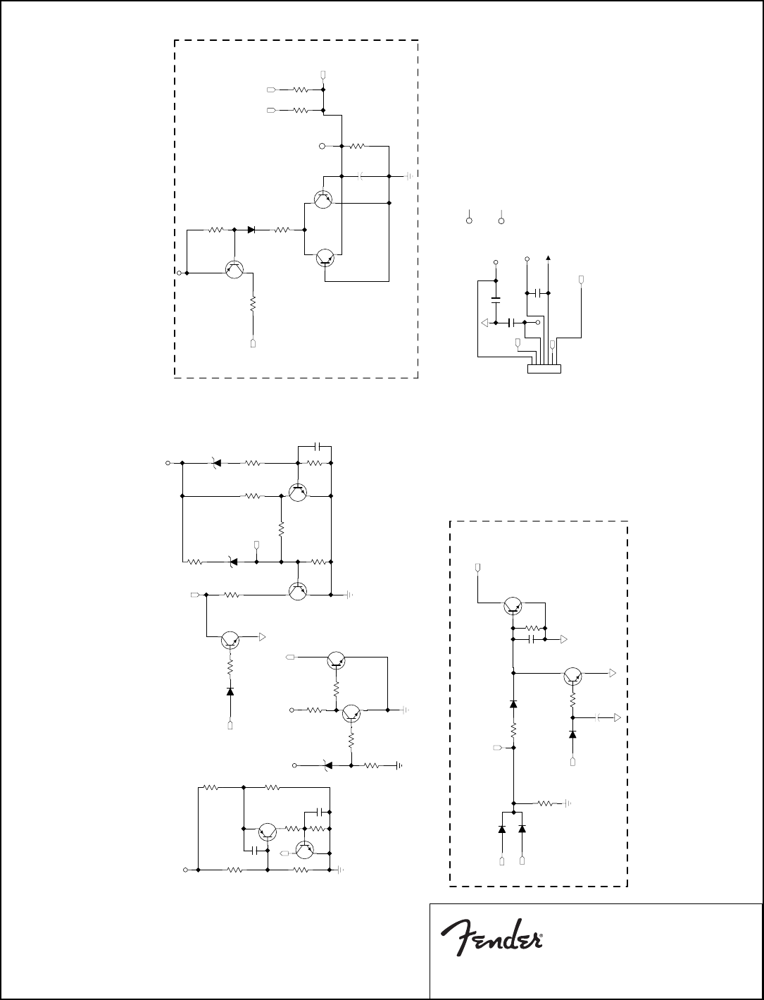
PASSPORT
AMP Schematic Diagram – 3/3
UVP
OVP
DCP
OTP
Over temperature protection
PROTECT LED CONTROL
2E
1
B
3C
Q706
MMBT5551
2E
1
B
3C
Q707
MMBT5551
R789
47K
R792
47K
R790
47K
12
R791
47K
R765
10K
R764
10K
R788
0R Z706
47V
Z705
22V
+
C767
10U/25V
+
C769
10U/25V
+
C768
10U/25V
C775
104/50V
2E
1
B
3C
Q715
MMBT5401
2
E
1B
3
C
Q710
MMBT5551
R703
33K
R721
18K
R763
100K
C774
100U/16V
2E
1
B
3C
Q714
MMBT5551
R700A
100K
R701A
100K
D723
1N4148
12
R798
47K
1
2
3
4
5
6
7
JB703
SIP7
1
MARK1
SIP1
1
MARK4
SIP1
C765
473
C766
473
2E
1
B
3C
Q716
MMBT3904
2
E
1B
3
C
Q712
MMBT5401
R729A
6K8
R719
2K7
R718
0R
R757
10K
RP701
10k NTC
R717
6K8
12
R718A
2K2
2
E
1B
3
C
Q705
3904
D724
1N4148
D725
1N4148
12
R721B
1M
R721A
8K2
2
E
1B
3
C
Q719
3904
R721C
4K7
12
R718B
47K
2
E
1B
3
C
Q720
3904
R719A
2K
2
E
1B
3
C
Q721
3904
C777
334
D742
1N4148
C778
10U/16V
D743
1N4148
R718C
5K1
Z701
3V3
R719B
100k
2
E
1B
3
C
Q722
3904
R719C
1K
D744
1
TP705
SD
DCP
PROTECT
+5V
-B
GND
DC_PS
DCP
CH1_O
CH2_O
+B
+B
GND
MUTE_C
VCC
-5V
SD
+5V
MUTE_C
GND
EP+IP1
EP+IP2
GND
PROTECT1
MUTE_C
GND
GND
PROTECT
+5V +B
SD
+15VPOP

4
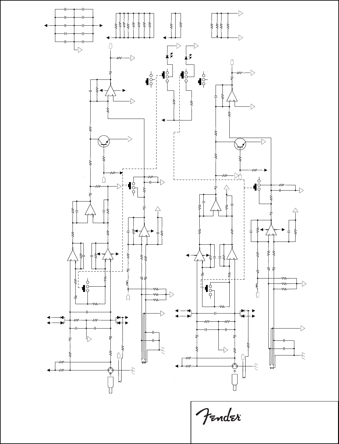
PASSPORT
AMP PCB top side
AMP PCB bottom side
AMP PCB

5
PASSPORT
From Power Board
Connect to Mixer Board
TO WIRELESS BOARD
Power Indicator
Protector Indicator
PHANTOM POWER
For Grounding Option
To Power AMP PCB
IN GNDOUT
U820
79M05
IN GNDOUT
U819
78M05 C805
0.1U
C806
0.1U
CE808
100U/10V
CE809
100U/10V
C801
0.1U C802
0.1U C803
0.1U CE803
220U/25V
R802
1K5/0.5W(RI)
D801
47V
C804
0.1U
R803
10/0.5W(RI)
R805
20K/0.25W(RI)
R801
22/1W(RI)
1
2
3
Q801
TIP31CTU
R808
300
R809
300
D806
LED025
D807
LED025
123
S805-A
VS-SWS1201 SPPH4
456
S805-B
VS-SWS1201
SPPH4
R810
470(AI)
D805
LED025
1
2
3
JA10
1
2
3
JA11
CE801
220U/25V
CE802
220U/25V
1
2
3
4
5
6
JB7
CON06/2.5
C951
0.1U
1
2
3
4
5
6
7
8
9
10
JA5
CON10/2.5
1
2
3
4
5
6
7
8
9
10
JA8
CON10/2.5
1
2
3
4
5
6
7
8
9
10
JA9
12345
JB4
1
2
3
JB10
1
2
3
JB11
R1059 NC
CE894
47U/63V
CE893
220U/63V
1
2
3
4
5
6
7
8
9
10
1
N
ECTOR_10PIN2.5/2
+15V
[2,3,4,5,7]
-15V
[2,3,4,5,7]
+8V [2]
-15V[2,3,4,5,7]
+5VA
-5VA
+48V[3,4]
WIRELESS-1[3]
WIRELESS-2[3]
+8V [2]
PRE_OUT/L
[2,5]
PRE_OUT/R
[2,5]
+5VD +5VD
PRE_OUT/L[2,5]
PRE_OUT/R
[2,5]
CH-1 [3]
CH-2 [3]
CH-3 [4]
CH-4 [4]
+15V [2,3,4,5,7]
-15V [2,3,4,5,7]
+5VD [2,3,4]
ST/L [7]
ST/R [7]
CH5-L [7]
CH5-R [7]
CH6-L [7]
CH6-R [7]
R_OUT- [6]
R_OUT+
[6]
L_OUT+[6]
L_OUT- [6]
+15V [2,3,4,5,7]
+B [2]
+5VD[2,3,4]
+B
[2]
L_BAR
[2,6]
R_BAR
[2,6]
L_BAR
[2,6]
R_BAR
[2,6]
R_BAR
[2,6]
L_BAR
[2,6]
PI[2]
PI
[2]
DGND
DGND
DGND
WGND
WGND
WGND
Input Schematic Diagram – 1/6

6
PASSPORT
Input Schematic Diagram – 2/6
LINE-1 IN
MIC
MIC-1 IN
LINE-2 IN
MIC
MIC-2 IN
CE811
47U/63V
C813
2200P
C811
NC
C812
NC
CE812
47U/63V
CE816
47U/50V
CE819
47U/50V
3
2
1
U801-A
MC33078
5
6
7
4
8
U801-B
MC33078
3
2
1
U802-A
MC33078
5
6
7
4
8
U802-B
MC33078
CE813
47U/50V
R815
22K R816
470(AI)
C816
0.1U
C817
0.1U
C821
220P
C823 470P
CE817
47U/50V
C824 470P C827
NC
R830
NC
R823
20K
L801 22uH(AI)
C822
220P
R829
27K
CE818
47U/50V
3
2
1
U804-A
MC33078
5
6
7
4
8
U804-B
MC33078
3
2
1
U805-A
NE5532
5
6
7
4
8
U805-B
NE5532
R832 3.3K
R831
8.2K(AI) R833 10K
C828 100P
R824
1.8K(AI)
CE820
47U/50V
CE821
47U/63V
C833
2200P
C831
NC
C832
NC
1
3
2
5
4
J806
6.35MM JACK
CE822
47U/63V
CE826
47U/50V
CE829
47U/50V
3
2
1
U803-A
MC33078
5
6
7
4
8
U803-B
MC33078
CE823
47U/50V
R845
22K R846
470
C838
0.1U
C839
0.1U
C841
220P
C843 470P
CE827
47U/50V
C844 470P
C847
NC R860
NC
R853
20K
L802
22uH(AI)
C842
220P
R859
27K
CE828
47U/50V
R862
3.3K
R861
8.2K(AI) R863 10K
C849 100P
R854
1.8K(AI)
CE830
47U/50V
C845
0.1U
C846
0.1U
C825
0.1U
C826
0.1U C829
0.1U
C830
0.1U
C834 470P
C835 470P
C814 470P
C815 470P
R834
10K
R864
10K
C818 100P
C819 100P
C837 100P
R811
6.8K 1%(RI) R812
6.8K 1%(RI)
R841
6.8K 1%(RI)
R842
6.8K 1%(RI)
C836
100P
R813
1K 1%
R814
1K 1%
R817 2K 1%
R818 2K 1%
R819
1K 1%
R820
1K 1%
R821 10K 1%
R822 10K 1%
R825
7.5K 1%
R826
7.5K 1%
R827 2.4K 1%
R828
2.4K 1%
R843
1K 1%
R844
1K 1%
R847 2K 1%
R848 2K 1%
R849
1K 1%
R850
1K 1%
R851 10K 1%
R852 10K 1%
R855 7.5K 1%
R856 7.5K 1%
R857
2.4K 1%
R858 2.4K 1%
S802-A
SPPH4
S802-B
SPPH4
S802-C
SPPH4
S802-D
SPPH4
S801-A
SPPH4
S801-B
SPPH4
S801-C
SPPH4
S801-D
SPPH4
R835
120(AI)
R836
120(AI)
D808
LED025
D802
LED025
2
1
3
D810
BAV99
2
13
D811
BAV99
2
1
3
D812
BAV99
2
13
D813
BAV99
R967 0
1
23
4
5
J801
MIC_JY-04
1
23
4
5
J802
MIC_JY-04
R1002 0
R1004 0
R1003 0
R1005 0
R1000 0
R1020 0
R1021 0
R1024 0
R1022 0
R1023 0
R1001 0
R1025 0
R1018 0
R1019 0
1
2
3
Q802
2SC3689
R1073
20K(AI)
1
2
3
Q804
2SC3689
R1076
20K(AI)
R1074
2.2K
R1077
2.2K
1
3
2
5
4
J805
6.35MM JACK
R1091
47 1%
R1092
47 1%
R1093
47 1%
R1094
47 1%
R1103
3.3K 1%
R1104
3.3K 1%
CE896
47U/50V
CE895
47U/50V
R1141
NC
R1142
NC
R1143
NC
R1144
NC
R1145
NC
R1146
NC
R1072
10K(AI)
R1075
10K(AI)
+48V
CH-1
[2]
+48V
CH-2
[2]
+5VD
-15V +15V
-15V
+15V
-15V +15V
+15V
-15V
-15V
+15V
-15V
+15V
-15V
+15V
-15V +15V
-15V +15V
-15V
+15V
-15V
+15V
MIC2_SW
MIC1_MUTE
-15V
-15V
MIC2_MUTE
WIRELESS-1
[2]
WIRELESS-2
[2]
DGND
DGND
MIC1_SW

7
PASSPORT
Input Schematic Diagram – 3/6
LINE-3 IN
MIC
MIC-3 IN
LINE-4 IN
MIC
MIC-4 IN
CE831
47U/63V
C853
2200P
C851
NC
C852
NC
1
3
2
5
4
J807
CE832
47U/63V
CE836
47U/50V
CE839
47U/50V
3
2
1
U806-A
MC33078
5
6
7
4
8
U806-B
MC33078
3
2
1
U807-A
MC33078
5
6
7
4
8
U807-B
MC33078
CE833
47U/50V
R875
22K
R876 470
C856
0.1U
C857
0.1U
C861
220P
C863 470P
CE837
47U/50V
C864 470P C867
NC R890
NC
R883
20K
C862
220P
R889
27K
CE838
47U/50V
3
2
1
U809-A
MC33078
5
6
7
4
8
U809-B
MC33078
3
2
1
U810-A
NE5532
5
6
7
4
8
U810-B
NE5532
R892
3.3K
R891 8.2K
R893 10K
C868 100P
R884
1.8K(AI)
CE840
47U/50V
CE841
47U/63V
C873
2200P
C871
NC
C872
NC
1
3
2
5
4
J808
CE842
47U/63V
CE846
47U/50V
CE849
47U/50V
3
2
1
U808-A
MC33078
5
6
7
4
8
U808-B
MC33078
CE843
47U/50V
R905
22K R906
470(AI)
C876
0.1U
C877
0.1U
C881
220P
C883 470P
CE847
47U/50V
C884 470P
C887
NC
R920
R913
20K
C882
220P
R919
18K
CE848
47U/50V
R922
3.3KK
R921 8.2K(AI)
R923 10K
C888 100P
R914
1.8K(AI)
CE850
47U/50V
C885
0.1U
C886
0.1U
C865
0.1U
C866
0.1U C869
0.1U
C870
0.1U
C874 470P
C875 470P
C854 470P
C855 470P
R894
10K
R924
10K
C858 100P
C859 100P
C879
100P
R871
6.8K 1%)RI)
R872
6.8K 1%(RI)
R901
6.8K 1%(RI)
R902
6.8K 1%(RI)
C878
100P
R873
1K 1%
R874
1K 1%
R877 2K 1%
R878 2K 1%
R879 1K 1%
R880 1K 1%
R881 10K 1%
R882
10K 1%
R885 7.5K 1%
R886 7.5K 1%
R887 2.4K 1%
R888
2.4K 1%
R903
1K 1%
R904
1K 1%
R907 2K 1%
R908 2K 1%
R909
1K 1%
R910
1K 1%
R911 10K 1%
R912 10K 1%
R915 7.5K 1%
R916 7.5K 1%
R917 2.4K 1%
R918
2.4K 1%
S803-A
SPPH4
S803-C
SPPH4
S803-D
SPPH4
S804-A
SPPH4
S804-B
SPPH4
SPPH4
S804-D
SPPH4
D803
LED025
D804
LED025
R895 120(AI)
R896
120(AI)
2
1
3
D814
BAV99
2
13
D815
BAV99
2
1
3
D816
BAV99
2
13
D817
BAV99
R968 0
1
23
4
5
J803
MIC_JY-04
1
23
4
5
J804
MIC_JY-04
1
2
3
Q806
2SC3689
R1078
20K(AI)
1
2
3
Q808
2SC3689
R1081
20K(AI)
R1080
2.2K
R1083
2.2K
R1095
47 1%
R1096
47 1%
R1097
47 1%
R1098
47 1%
R1147
NC
R1148
NC
R1149
NC
R1150
NC
R1079
10K(AI)
R1082
10K(AI)
+48V
-15V
[2,3,4,5,7] +15V
[2,3,4,5,7]
CH-3
[2]
+48V
CH-4
[2]
+5VD+5VD
-15V
+15V
-15V +15V
-15V
+15V
-15V
-15V
+15V
+15V
-15V
-15V +15V
-15V +15V
+15V
-15V
+15V
MIC3_MUTE
MIC3_SW
MIC4_MUTE
MIC4_SW
-15V
-15V
DGND
DGND

8
PASSPORT
PRE OUT/POWER AMP IN/L
PRE OUT/POWER AMP IN/R
BPF
BPF
1
3
2
5
4
J809
6.35MM JACK
1
3
2
5
4
J810
6.35MM JACK
CE866
47U/50V
C910
220P
C912
0.033U
3
2
1
U814-A
NE5532
C914
0.033U
VDD
A
B
INH
VEE
VSS
1
2
3
4
5
6
7
89
10
11
12
13
14
15
16
U815
CD4052
CE865
47U/50V
C909
220P
C911
0.033U C913
0.033U
5
6
7
4
8
U814-B
NE5532
C915
0.1U
C916
0.1U
C920
0.1U
C919
0.1U
R956
82K
R954
22K
R952
20K
R955
82K
R951
20K
R953
22K
R959
1K(AI)
R960 1K(AI)
2
1
3
D818
BAV99
2
13
D819
BAV99
CE871
47U/50V
C928
0.1U 3
2
1
U821-A
NE5532
C932
0.1U
CE872
47U/50V
C929
0.1U C948
0.1U
5
6
7
4
8
U821-B
NE5532
R990
82K
R988
20K
R989
82K
R987
20K
R991
1K(AI) R992
1K(AI)
2
1
3
D820
BAV99
2
1
3
D821
BAV99
CE873
47U/50V
CE874
47U/50V
C938
0.1U C940
0.1U C942
0.1U
C939
0.1U C941
0.1U C943
0.1U
C930
0.1U
C931
0.1U
C934
0.033U
C935
0.033U
R982 220
R981 220
3
2
1
U825-A
NE5532
5
6
7
4
8
U825-B
NE5532
3
2
1
U824-A
NE5532
5
6
7
4
8
U824-B
NE5532
R1084 47
R1085
47
R1086
47
R1087
47
C969
0.01U
C970
0.01U
12
D828
6A4
12
D829
6A4
R1099
47K R1100
47K
R1101
47K
R1102
47K
R1151
NC
R1152
NC
AGND
AGND
PRE_OUT/L
[2]
PRE_OUT/R
[2]
+15V
-15V
-5VA
+5VA
-5VA+5VA
-5VA +5VA
-15V
+15V
-5VA +5VA
-5VA+5VA
-15V
+15V
-15V
+15V
+15V
-15V
SUBWOOFER_SWITCH
[7]
R_OUT
[6]
L_OUT
[6]
Input Schematic Diagram – 4/6

9
PASSPORT
Input Schematic Diagram – 5/6
To Class D AMP Board
3
2
1
U827-A
NE5532
5
6
7
4
8
U827-B
NE5532
R1026
1K R1028
22K
R1027
20K
R1032
10K
R1033
100
R1039
4.7K
R1038
4.99K
R1034
4.99K
R1035
22K
R1036
4.99K R1037
22K
2
13
D822
BAV99
D824
IN4148
R1029
10K
R1030
4.99K
CE891
10U/50V
D823
IN4148
R1031
470
C961
10P
CE890
47U/50V
3
2
1
U823-A
NE5532
5
6
7
4
8
U823-B
NE5532
R994
10K
R998 10K
R996
100K
3
2
1
U822-A
NE5532
5
6
7
4
8U822-B
NE5532
R993
10K
R997 10K
R995
100K
C949 100P
C950 100P
R897
100K
R999
100K
R1041
1K R1042
22K
R1043
20K
R1049
10K
R1048
100
R1056
4.7K
R1055
4.99K
R1053
4.99K
R1054
22K
R1050
4.99K
R1051
22K
2
13
D825
BAV99
D827
IN4148
R1045
10K
R1046
4.99K
CE892
10U/50V
D826
IN4148
R1047
470
C962
10P
CE888
47U/63V
V+ -
+
5
8
7
4
2
3
1
U826-A
13700
V+ -
+
16
14
15
13
12
10
9
11
6
U826-B
13700
2
-
3
+
1
U828-A
LM074A
6
-
5
+
7
U828-B
9
-
10
+
8
U828-C
LM074A
13
-
12
+
14
U828-D
LM074A
ST324
C944
0.1U C946
0.1U
C945
0.1U C947
0.1U
C963
0.1U C965
0.1U
C964
0.1U C966
0.1U
C967
0.1U
C968
0.1U
R1044
0
R1057
0
R1052
0
+5VA
-5VA
-5VA
+5VA
-5VA
+5VA
L_OUT-
[2]
R_OUT-
[2]
R_OUT+
[2]
R_BAR
[2]
-5VA
+5VA
-5VA
-5VA
+5VA
-5VA
L_BAR
[2]
L_OUT
[5]
R_OUT
[5]
+5VA
-5VA
-5VA
+5VA
L_OUT+
[2]

10
PASSPORT
Input Schematic Diagram – 6/6
CH5 L/MONO
CH5 R
CH5 3.5MM JACK
CH6 L/MONO
CH6 R
CH6 3.5MM JACK
LEVEL
LEVEL
STERO OUTPUT
SUBWOOFER OUT
1
3
2
5
4
J812
C891
220P
R933 4K7
C893
220P
CE851
47U/50V
R935 4K7
1
3
2
5
4
J813
C892
220P
R934 4K7
C894
220P
CE852
47U/50V
C895
0.1U
C896
0.1U
R1009 4K7
3
2
1
U811-A
NE5532
5
6
7
4
8
U811-B
NE5532
CE853 47U/50V
CE854 47U/50V
1
3
2
5
4
J814
C897 220P
R939 4K7
C899 220P
CE855
47U/50V
R941 4K7
1
3
2
5
4
J815
CE858 47U/50V
C898 220P
R940
4K7
C900 220P
CE856
47U/50V
C901
0.1U
C902
0.1U
R942 4.7K
3
2
1
U812-A
NE5532
5
6
7
4
8
U812-B
NE5532
CE857 47U/50V
C905
0.1U
C906
0.1U
CK803
CK802
CE869
47U/50V
R1006 4K7
R1007 4K7
CE870
47U/50V
R1008 4K7
R1010 4K7
R1011 4K7
R1012 4K7
CE875
47U/50V
CE876
47U/50VR1013 4K7
R1014 4K7
C922
0.1U
C923
0.1U
C952
220P C953
220P
C954
220P
C955
220P
C956
220P
C957
220P
C959
220P
C958
220P
1
1
C904
220P
CE860
47U/50V CE862
47U/50V
C903 220P
CE859
47U/50V
CE861
47U/50V
3
2
1
U813-A
NE5532
5
6
7
4
8
U813-B
4565-A
13
2
VR801-A
10KA
46
5
VR801-B
10KA
C908
220P
C907
220P
R948
22K
R947
22K
R944
100K
R943
100K
R950
1K
R949
1K
R946 10K
R945 10K
CK801
R974
10K
R973
10K
CE867
47U/50V
C921 220P
R963 4.7K
CE868
47U/50V
C924
470P
3
2
1
U816-A
NE5532
5
6
7
4
8
U816-B
NE5532
1
3
2
5
4
J811
6.5MM JACK
R961 4.7K
R962 4.7K
R966
22K
R964
10K
R965
1K
R977 4.7K
R978 4.7K
C925 220P
R975 47 R976 47(AI)
C960
0.01U
1
R1071
1K
1
1
2
3
Q816
NC
1
2
3
Q818
NC
R1105
220
R1106
220
R1108
NC
R1107
NC
1
2
3
Q811
NC
R1109
NC
R1140
220
R1121
NC
R1120
NC R1123
NC
3
1
2
Q809
NC
R1122
NC
1
2
3
Q810
NC
R1153
NC
R1154
NC
R1157
NC
R1156
NC
R1159
NC
R1158
NC
R1161
NC
R1160
NC
CH5-L
[2]
CH5-R
[2]
CH6-L
[2]
CH6-R
[2]
+15V
-15V
+15V
-15V
+15V
-15V
ST/L
[2,7]
ST/R
[2,7]
+15V
-15V
ST/L
[2,7]
ST/R
[2,7]
SUBWOOFER_SWITCH
[5]
+5VA
-15V
+15V
MUTE1
[7]
+15V
[2,3,4,5,7]
-15V
[2,3,4,5,7]
MUTE2
MUTE1
[7]

11
PASSPORT
Input PCB
Input PCB top side

12
PASSPORT
Input PCB
Input PCB bottom side

13
PASSPORT
Mixer Schematic Diagram 1/7
Connect to Preamp Board
o
nnnect to Preamp Board
C201
0.1U
CE201
100U/25V
C202
0.1U
CE202
100U/25V
1
TP701
TEST_POINT
R374
0
1
2
3
JB15
CON03/2.5
1
2
3
JA15
CON03/2.5
1
2
3
JB14
CON03/2.5
1
2
3
JA14
CON03/2.5
CE290
100U/25V
CE291
0.1U
1
2
3
4
5
6
7
8
9
10
JB5
CON10/2.5
1
2
3
4
5
6
7
8
9
10
JB8
CON10/2.5
1
2
3
4
5
6
7
8
9
10
JB9
CONNECTOR_10PIN2.5/1
C415
0.1U
C416
0.1U
1
1
1
1
ST/R
[1,4]
ST/L
[1,4]
ST/L
[1,4]
ST/R
[1,4]
+5VD
[4,7]
+15V [1,2,3,4,5,6,7]
-15V [2,3,4,5,6,7]
PRE_OUT/L [5]
PRE_OUT/R [5]
CH-1 [2,6]
CH-2 [2,6]
CH-3 [2,6]
CH-4 [2,6]
ST/L [1,4]
ST/R [1,4]
CH5-L [3,6]
CH5-R [3,6]
CH6-L [3,6]
CH6-R [3,6]
R_BAR
[1,7]
L_BAR
[1,7]
DGND
L_BAR
[1,7]
R_BAR
[1,7]
+15V +15V
DGND

14
PASSPORT
Mixer Schematic Diagram 2/7
BASS EQ
TREBLE EQ
LEVEL
BASS EQ
TREBLE EQ
LEVEL
BASS EQ
TREBLE EQ
LEVEL
BASS EQ
TREBLE EQ
LEVEL
C203 100P
C227 33P
C235
6800P
C211 0.039U
CE203
47U/50V
3
2
1
U201-A
NE5532
5
6
7
4
8
U201-B
NE5532
13
2
VR201
20K-15A
13
2
VR207
50KB
13 2
VR213
50KB
C251 100P
CE219
2U2/50V
CE227
2.2U/50V
3
2
1
U209-A
NE5532
13
2
VR219
20KB
5
6
7
4
8
U209-B
NE5532
C259 0.1U
C260 0.1U
C293 0.1U
C294
0.1U
C204 100P
C228 33P
C236 6800P
C212 0.039U
CE204
47U/50V
3
2
1
U205-A
NE5532
5
6
7
4
8
U205-B
NE5532
13
2
VR202
20K-15A
13
2
VR208
50KB
13 2
VR214
50KB
C252 100P
CE220
2U2/50V CE228
2.2U/50V
13
2
VR220
20KB
C243 0.1U
C244 0.1U
R201
1.8K
R261 9.1K
R221
9.1K
R251 10K
R241
10K
R281
20K
R262 9.1K
R252
10K
R222
9.1K
R242
10K
R282
20K
R202
1.8K
R211 9.1K
R212 9.1K
CE211
47U/50V
CE212
47U/50V
R271 1M
R272 1M
C219 6800P
C220 6800P
C205 100P
C229 33P
50V
C237 6800P
C213 393
50V
CE205
47U/50V
3
2
1
U202-A
NE5532
5
6
7
4
8U202-B
NE5532
13
2
VR203
20K-15A
13
2
VR209
50KB
13 2
VR215
50KB
C253 100P
CE221
2U2/50V
CE229
2.2U/50V
3
2
1
U210-A
NE5532
13
2
VR221
20KB
5
6
7
4
8NE5532
C261 0.1U
C262
0.1U
C295 0.1U
C296
0.1U
C206 100P
C230 33P
C238 6800P
C214 0.039U
CE206
47U/50V
3
2
1
U206-A
NE5532
5
6
7
4
8
U206-B
NE5532
13
2
VR204
20K-15A
13
2
VR210
50KB
13 2
VR216
50KB
C254 100P
CE222
2U2/50V
CE230
2.2U/50V
13
2
VR222
20KB
C245
0.1U
C246
0.1U
R203
1.8K
R263 9.1K
R223
9.1K
R253
10K
R243
10K
R283
20K
R264 9.1K
R254
10K
R224
9.1K R244
10K
R284
20K
R204
1.8K
R213 9.1K
R214 9.1K
CE213
47U/50V
CE214
47U/50V
R273 1M
R274 1M
C221 6800P
C222 6800P
R291 1M
R292 1M
R293 1M
R294 1M
R231 1M
R232 1M
R233
1M
R234
1M
CE321
47U/50V
CE322
47U/50V
CE323
47U/50V
CE324
47U/50V
R394
100K
R393
100K
R392
100K
R391
100K
1
TP201
1
TP202
1
TP203
1
TP204
1
TP211
1
TP212
1
TP213
1
TP214
CH-1
[1,6]
CH-2
[1,6]
REVERB-1
[4]
REVERB-2
[4]
-15V
[1,2,3,4,5,6,7]
+15V
[1,2,3,4,5,6,7]
-15V
[1,2,3,4,5,6,7]
+15V
[1,2,3,4,5,6,7]
CH1OUT
[4]
CH2OUT
[4]
-15V
[1,2,3,4,5,6,7]
+15V
[1,2,3,4,5,6,7]
CH-3
[1,6]
CH-4
[1,6]
REVERB-3
[4]
REVERB-4
[4]
-15V
[1,2,3,4,5,6,7]
+15V
[1,2,3,4,5,6,7]
-15V
[1,2,3,4,5,6,7]
+15V
[1,2,3,4,5,6,7]
CH3OUT
[4]
CH4OUT
[4]
-15V
[1,2,3,4,5,6,7]
+15V
[1,2,3,4,5,6,7]

15
PASSPORT
Mixer Schematic Diagram 3/7
BASS EQ
TREBLE EQ
LEVEL
BASS EQ
TREBLE EQ
LEVEL
BASS EQ
TREBLE EQ
LEVEL
BASS EQ
TREBLE EQ
LEVEL
C207 33P
C231 33P
C215 0.039U
CE207
47U/50V
3
2
1
U203-A
NE5532
5
6
7
4
8
U203-B
NE5532
C255 100P
CE223
2U2/50V
CE231
2.2U/50V
3
2
1
U211-A
NE5532
5
6
7
4
8
U211-B
NE5532
C263 0.1U
C264 0.1U
C297 0.1U
C298 0.1U
C208 100P
C232 33P
C216 0.039U
CE208
47U/50V
3
2
1
U207-A
NE5532
5
6
7
4
8
U207-B
NE5532
C256 100P
CE224
2U2/50V
CE232
2.2U/50V
C247 0.1U
C248 0.1U
R205 1.8K R265 9.1K
R225
9.1K
R255 10K
R245 10K
R285
20K
R266 9.1K
R256
10K
R226
9.1K
R246
10K
R286
20K
R206
1.8K
R215 9.1K
R216 9.1K
C209 100P
C233 33P
C217
393
50V
CE209
47U/50V
3
2
1
U204-A
NE5532
5
6
7
4
8
U204-B
NE5532
C257 100P
CE225
2U2/50V
CE233
2.2U/50V
3
2
1
U212-A
NE5532
5
6
7
4
8
U212-B
NE5532
C265 0.1U
C266 0.1U
C299
0.1U
C300
0.1U
C210 100P
C234 33P
C218 0.039U
CE210
47U/50V
3
2
1
U208-A
NE5532
5
6
7
4
8
U208-B
NE5532
C258 100P
CE226
2U2/50V
CE234
2.2U/50V
C249 0.1U
C250 0.1U
R207
1.8K
R267 9.1K
R227
9.1K
R257 10K
R247 10K
R287
20K
R268 9.1K
R258
10K
R228
9.1K R248
10K
R288
20K
R208
1.8K
R217 9.1K
R218 9.1K
CE215
47U/50V
CE216
47U/50V
CE217
47U/50V
CE218
47U/50V
13
2
VR205-A
20K-15A
46
5
VR205-B
20K-15A
13
2
VR223-A
20K-15A
46
5
VR223-B
20K-15A
13
2
VR206-A
20K-15A
46
5
VR206-B
20K-15A
13
2
VR224-A
20K-15A
46
5
VR224-B
20K-15A
13
2
VR211-A
50KB
46
5
VR211-B
50KB
13 2
VR217-A
50KB
46 5
VR217-B
50KB
13
2
VR212-A
50KB
46
5
VR212-B
50KB
13 2
VR218-A
50KB
46 5
VR218-B
50KB
R275 1M
R276 1M
R277 1M
R278 1M
C239 6800P
C223 6800P
C240
6800P
C224 6800P
C241 6800P
C225 6800P
C226 6800P C242 6800P
R295 1M
R296 1M
R297 1M
R298 1M
R235 1M
R236 1M
R237 1M
R238
1M
CE325
47U/50V
CE326
47U/50V
CE328
47U/50V
CE327
47U/50V
R398
100K
R397
100K
R396
100K
R395
100K
1
TP205
1
TP215
1
TP206
1
TP216
1
TP207
1
TP217
1
TP208
1
TP218
CH5-L
[1,6]
CH5-R
[1,6]
REVERB-CH5L
[4]
REVERB-CH5R
[4]
-15V
[1,2,3,4,5,6,7]
+15V
[1,2,3,4,5,6,7]
-15V
[1,2,3,4,5,6,7]
+15V
[1,2,3,4,5,6,7]
CH6-L
[1,6]
CH6-R
[1,6]
REVERB-CH6L
[4]
REVERB-CH6R
[4]
-15V
[1,2,3,4,5,6,7]
+15V
[1,2,3,4,5,6,7]
-15V
[1,2,3,4,5,6,7]
+15V
[1,2,3,4,5,6,7]
CH5LOUT
[4]
CH5ROUT
[4]
CH6LOUT
[4]
CH6ROUT
[4]
-15V
[1,2,3,4,5,6,7]
+15V
[1,2,3,4,5,6,7]
-15V
[1,2,3,4,5,6,7]
+15V
[1,2,3,4,5,6,7]

16
PASSPORT
Mixer Schematic Diagram 4/7
SYSTEM EQ
1.65V
REVERB
3
2
1
U213-A
NE5532
5
6
7
4
8
U213-B
NE5532
R301 10K(AI)
R313 2.7K
C289 100P
R303 10K(AI)
R305 10K(AI)
R307 10K(AI)
R309 10K(AI)
R311 10K(AI)
R302 10K(AI)
R314
2.7K
C290 470P
R304 10K(AI)
R306 10K(AI)
R308 10K(AI)
R310 10K(AI)
R312 10K(AI)
C291
0.1U
C292 0.1U
C271 8200P
C272 8200P
3
2
1
U215-A
NE5532
5
6
7
4
8
U215-B
NE5532
13
2
VR225-A
50KB
46
5
VR225-B
50KB
CE237
47U/50V
CE238 47U/50
C273 8200P
C274 8200P
C275
0.1U
C276
0.1U
R364 51K
R363
51K
R359
51K
R357
16.9K
R361
16.9K
R358 16.9K
R360
51K
R362 16.9K
3
2
1
U214-A
NE5532
5
67
4
8
U214-B
NE5532
R341 10K(AI)
R355 10K
C267 100P
R343 10K(AI)
R345 10K(AI)
R347 10K(AI)
R349 10K(AI)
R351 10K(AI)
R354 10K(AI)
R356 10K
C268 100P
R352 10K(AI)
R350 10K(AI)
R348 10K(AI)
R346 10K(AI)
R344 10K(AI)
C269 0.1U
C270 0.1U
CE236
47U/50V
CE241
1U/50V
C283 1000P
R315
1K
CE242
1U/50V
R316
1K
C284 1000P
CE247
2.2U/50V
X301
32768Hz
R319 10K
CE243 2.2U/50V
CE244 2.2U/50V
R317
10K
R318
10K
C328
1200P
R321
10
CE248
10U/10V
1LIN
2RIN
3MID
4GND
5CLIP
6AVD
7GND
8DVD
9X2
10 X1
11 GND
12 T1
13 T0
14 SCK 15
SDA
16
S0
17
S1
18
S2
19
GND
20
POT0
21
POT1
22
POT2
23
DVD
24
GND
25
REFN
26
REFP
27
ROUT
28
LOUT
U218
FV-1 R322
10K R323
10K R324
10K
R328
10K
R329
10K
R330
10K
R325
10K R326
10K
C317
1000P
1ADJ/GND
2OUT2
3IN
U217
1117_3.3V
C286
0.1U
CE246
100U/6.3V
C285
0.1U
CE245
100U/16V
CE235
47U/50V
C318 33P
C319 33P
3
2
1
U230-A
NE5532
5
67
4
8
U230-B
NE5532
R376 10K
R380 10K
C321 100P
R377 10K
R381 10K
C322 100P
C323 0.1U
C324 0.1U
R379 2.7K
R378 2.7K
CE310
47U/50V
CE312
47U/50V
C325
12P
C326
12P
CE314
47U/50V
C329 33P
CE313
47U/50V
3
2
1
U231-A
NE5532
5
6
7
4
8
U231-B
NE5532
C331 0.1U
C332 0.1U
R385 4.7K
R384 10K
R382 10K
C327
1200P
C330 33P
R386 4.7K
R383 10K
CE315
100U/6.3V C333
0.1U
CE331
100U/6.3V
R387
0
1
TP221
1
TP222
1
TP219
1
TP220
1
TP223
1
TP224
1
TP225
1
TP226
1
TP227
1
TP228
C359 NC R388 NC
C360 NC R389 NC
REVERB-1 [2,4]
REVERB-2 [2,4]
REVERB-3 [2,4]
REVERB-4 [2,4]
REVERB-CH5L [3]
REVERB-CH6L [3]
REVERB-1 [2,4]
REVERB-2 [2,4]
REVERB-3 [2,4]
REVERB-4 [2,4]
REVERB-CH5R [3]
REVERB-CH6R [3]
-15V[1,2,3,4,5,6,7]
+15V
[1,2,3,4,5,6,7]
CH1OUT [2,4]
CH2OUT [2,4]
CH3OUT [2,4]
CH4OUT [2,4]
CH5LOUT [3]
CH6LOUT [3]
CH1OUT [2,4]
CH2OUT [2,4]
CH3OUT [2,4]
CH4OUT [2,4]
CH5ROUT [3]
CH6ROUT [3]
+15V
[1,2,3,4,5,6,7]
-15V
[1,2,3,4,5,6,7]
+5VD
[1,7]
ST/L
[1]
+15V
[1,2,3,4,5,6,7]
-15V
[1,2,3,4,5,6,7]
+15V
[1,2,3,4,5,6,7]
-15V
[1,2,3,4,5,6,7]
ST/R
[1]
+15V
-15V
NOTCH_IN_ L
[5]
NOTCH_IN_ R
[5]

17
PASSPORT
Mixer Schematic Diagram 5/7
LEVEL
MASTER VOLUME
R641 1K
3
2
1
U237-A
NE5532
5
6
7
4
8
U237-B
NE5532
3
2
1
U235-A
NE5532
5
6
7
4
8
U235-B
NE5532
R645
2M
C433
120P
C431
0.27U C435
0.027U C437
51P
R649
2M
R647
1K
R643
1K
C439
0.1U C441
0.1U C443
0.1U
C440
0.1U C442
0.1U C444
0.1U
CE333
47U/50V
CE334
47U/50V
R642 1K
3
2
1
U236-A
NE5532
5
6
7
4
8
U236-B
NE5532
R646
2M
C434
120P
C432
0.27U
C436
0.027U
C438
51P
R650
2M
R648
1K
R644
1K
C277 100P
CE239
47U/50V
C278 100P
CE240
47U/50V
3
2
1
U216-A
NE5532
5
6
7
4
8
U216-B
NE5532
C279
0.1U
C280
0.1U
13
2
VR226-A
20K-15A
46
5
VR226-B
20K-15A
C281
220P
C282
220P
R371
20K
R372
20K
R369 1K
R370 1K
R365 91K
R366 91K
R367 10K
R368 10K
CE329
47U/50V
CE330
47U/50V
R491
100K
R492
100K
R651
330K
R652
330K
1
TP229
1
TP230
-15V
+15V
-15V
+15V
+15V
-15V
-15V
+15V
PRE_OUT/L
[1]
PRE_OUT/R
[1]
N_L
[4]
+15V
-15V

18
PASSPORT
Mixer Schematic Diagram 6/7
C309
0.1U
C310
0.1U
C311
0.1U
C312
0.1U
C313
0.1U
C314
0.1U
C315
0.1U
C316
0.1U
R411
10K
R431
4.7K
R421
220K
CE301
10U/50V
2
3
1
U226-A
TL074
6
5
7
U226-B
TL074
9
10
8
U226-C
TL074
13
12
14
U226-D
TL074
1
2
3
D301
BAV99
C301
0.22U
R401
100K
R412
10K
R432
4.7K
R422 220K
CE302
10U/50V
1
2
3
D302
BAV99
C302
0.22U
R402
100K
R413
10K
R433
4.7K
R423
220K
CE303
10U/50V
2
3
1
U227-A
TL074
6
5
7
U227-B
TL074
9
10
8
U227-C
TL074
13
12
14
U227-D
TL074
1
2
3
D303
BAV99
C303
0.22U
R403
100K
R414
10K
R434
4.7K
R424
220K
CE304
10U/50V
1
2
3
D304
BAV99
C304
0.22U
R404
100K
R415
10K
R435
4.7K
R425
220K
CE305
10U/50V
2
3
1
U228-A
TL074
6
5
7
U228-B
TL074
9
10
8
U228-C
TL074
13
12
14
U228-D
TL074
1
2
3
D305
BAV99
C305
0.22U
R405
100K
R416
10K
R436
4.7K
R426
220K
CE306
10U/50V
1
2
3
D306
BAV99
C306
0.22U
R406
100K
R417
10K
R437
4.7K
R427
220K
CE307
10U/50V
2
3
1
U229-A
TL074
6
5
7
U229-B
TL074
9
10
8
U229-C
TL074
13
12
14
U229-D
TL074
1
2
3
D307
BAV99
C307
0.22U
R407
100K
R418
10K
R438
4.7K
R428
220K
CE308
10U/50V
1
2
3
D308
BAV99
C308
0.22U
R408
100K
C341
0.22U
D431 IN4148
R601 12K
R611
5.1K C351
0.1U
R621 100
D432 IN4148
R602 12K
R612
5.1K C352
0.1U
R622 100
C342
0.22U
C343
0.22U
C344
0.22U
C345
0.22U
C346
0.22U
D433 IN4148
R603 12K
R613
5.1K
C353
0.1U
R623 100
D434 IN4148
R604 12K
R614
5.1K C354
0.1U
R624 100
D435 IN4148
R605 12K
R615
5.1K C355
0.1U
R625 100
D436 IN4148
R606 12K
R616
5.1K C356
0.1U
R626 100
C347
0.22U
C348
0.22U
D437 IN4148
R607 12K
R617
5.1K C357
0.1U
R627 100
D438 IN4148
R608 12K
R618
5.1K C358
0.1U
R628 100
R631
7.5K
R632
7.5K
R633
7.5K
R634
7.5K
R635
7.5K
R636
7.5K
R637
7.5K
R638
7.5K
R493
0
R494
0
R495
0
R497
0
R498
0
C421 100P
C422 100P
C423 100P
C424 100P
C425 100P
C426 100P
C427 100P
C428 100P
+15V
[1,2,3,4,5,7]
-15V
[1,2,3,4,5,7]
CH-1 [1,2]
CH1_PRESENCE
[7]
CH-2 [1,2]
CH2_PRESENCE
[7]
CH-3 [1,2]
CH3_PRESENCE
[7]
CH-4 [1,2]
CH4_PRESENCE
[7]
CH5-L [1,3]
CH5L_PRESENCE
[7]
CH5-R
[1,3]
CH5R_PRESENCE
[7]
CH6-L [1,3]
CH6L_PRESENCE
[7]
CH6-R [1,3]
CH6R_PRESENCE
[7]
CH1_CLI P
[7]
CH2_CLI P
[7]
CH3_CLI P
[7]
CH4_CLI P
[7]
CH5L_CLIP
[7]
CH5R_CLIP
[7]
CH6L_CLIP
[7]
CH6R_CLIP
[7]

19
PASSPORT
Mixer Schematic Diagram 7/7
LED CONTROL
LINE1
LINE2
LINE3
LINE4
CH-1
CH-2
13 OE
12 RCLK
10 SCLR
11 SCLK
14 SER
15
Q0 1
Q1 2
Q2 3
Q3 4
Q4 5
Q5 6
Q6 7
Q7
9
SDO
U403
74HC595
R467 220(AI)
R468 560(AI)
R469 220(AI)
R470 560(AI)
R471 220(AI)
R472 560(AI)
R473 220(AI)
R474 560(AI)
13 OE
12 RCLK
10 SCLR
11 SCLK
14 SER
15
Q0 1
Q1 2
Q2 3
Q3 4
Q4 5
Q5 6
Q6 7
Q7
9
SDO
U404
74HC595
R475 560(AI)
R476 220(AI)
R477 560(AI)
R478 220(AI)
13
2
D651
13
2
D652
13
2
D653
13
2
D654
1
3
2
D655
1
3
2
D656
D401
L1-GREEN
D403
L1-YELLOW
D405
L7-GREEN
D407
L6-GREEN
D409
L5-GREEN
D411
L4-GREEN
D413
L3-GREEN
D415
L2-GREEN
13
OE
12
RCLK
10
SCLR
11
SCLK
14
SER
15 Q0
1Q1
2Q2
3Q3
4Q4
5Q5
6Q6
7Q7
9SDO
U401
74HC595
R451 220
R453 220
R455 220
R457 220
R459 220
R461 220
R463 220
R465 220
C401 0.1U
D402
R1-GREEN
D404
R2-GREEN
D406
R3-GREEN
D408
R4-GREEN
D410
R5-GREEN
D412
R6-GREEN
D414
R7-GREEN
D416
R1-YELLOW
13
OE
12
RCLK
10
SCLR
11
SCLK
14
SER
15 Q0
1Q1
2Q2
3Q3
4Q4
5Q5
6Q6
7Q7
9SDO
U402
74HC595
R452 220
R454 220
R456 220
R458 220
R460 220
R462 220
R464 220
R466 220
C402
0.1U
R430
10K R444
68K
R448
7K5
R420
10K
R440 20K
R442
10K
C403
0.1U
C404
0.1U
C410
47UF/50V
R429
10K
R443
68K
R447
7K5
R419
10K
R439 20K R441
10K
CE309
47UF/50V
Z402
4.7V
Z401
4.7V
R445
560
R446
560
R410
1K
R409
1K
1
23
D310
BAV99
1
2
3
D309
BAV99
C405
0.1U
C406
0.1U
C413 100P
C414 100P
13
OE
12
RCLK
10
SCLR
11
SCLK
14
SER
15 Q0
1Q1
2Q2
3Q3
4Q4
5Q5
6Q6
7Q7
9SDO
U407
74HC595
D417
R2-YELLOW
D418
R3-YELLOW
R479 220
R480 220
D419
R4-YELLOW
D420
R-RED
R481 220
R482 220
D421
L-RED
D422
L4-YELLOW
R483 220
R484 220
D423
L3-YELLOW
D424
L2-YELLOW
R485 220
R486 220
C320
0.1U
R489
0
R490 0
3
2
1
U233-A
2068
5
6
7
4
8
U233-B
2068
3
2
1
U234-A
2068
5
6
7
4
8
U234-B
2068
C335
0.1U
C336
0.1U
1VSS
2XIN/P1.0
3XIN/P1.1
4RESET/P1.2
5P2.0/T0
6P2.1
7P2.2
8P2.3
9P2.4
10 P2.5
20
VDD 19
P0.0/ADC1/INT0/SCL 18
P0.1/ADC1/INT1/SDA 17
P0.2/ADC2 16
P0.3/ADC3 15
P0.4/ADC4 14
P0.5/ADC5 13
P0.6/ADC6/PWM 12
P0.7/ADC7 11
P2.6/ADC8/CLO
U405
S3F9454
10
S0 11
S1 14
S2 13
S3
24
VCC
12
GND
15
E
1
COMMON
9I0
8I1
7I2
6I3
5I4
4I5
3I6
2I7
23 I8
22 I9
21 I10
20 I11
19 I12
18 I13
17 I14
16 I15
U232
74HC4067_TI
CE332
47U/50V
C334
0.1U
CE401
47U/50V
C411
0.1U
R375
4.7K
C429 100P
C430 100P
1
2
3
4
5
J201
5P/2.5
3
1
2
Q201
HM1426
R653
560
R654
1K5
R656
4K7
R655
4K7
2
1
3
Q804
2SC3689
LED_POWER
LED_POWER
+5VD
+5VD
SER [7]
RCLK [7]
SCLK [7]
LED_POWER
+5VD
DGND
LED_POWER
+5VD
DGND
R_BAR [1]
L_BAR [1]
VU/R
[7]
VU/L
[7]
DGND
DGND
+5VD
+5VD
DGND
RCLK [7]
SCLK [7]
SCLK [7]
-15V
+15V
+15V
-15V
+15V
-15V
OE[7]
LED_POWER
+5VD
DGND
SCLK [7]
RCLK [7]
OE [7]
SER [7]
ADC1 [7]
ADDR3 [7]
ADDR2 [7]
ADDR1 [7]
ADDR0 [7]
VU/L [7]
VU/R [7]
ADDR0[7]
ADDR1[7]
ADDR2[7]
ADDR3[7]
ADC1 [7]
+5VD
DGND
CH6R_PR ESE NCE [6]
CH6L_PRESE NCE [6]
CH6R_CLIP [6]
CH6L_CLIP [6]
CH5L_CLIP [6]
CH5L_PRESE NCE [6]
CH5R_CLIP [6]
CH5R_PR ESE NCE [6]
CH3_CLI P [6]
CH3_PRE SENCE [6]
CH4_PRE SENCE [6]
CH4_CLI P [6]
CH1_CLI P [6]
CH1_PRE SENCE [6]
CH2_PRE SENCE [6]
CH2_CLI P [6]
MUTE
+5VD
LED_POWER_ON/OFF
[7]
LED_POWER
[7]
LED_POWER_ON/OFF [7]
DGND

20
PASSPORT
Mixer PCB
Mixer PCB top side

21
PASSPORT
Mixer PCB
Mixer PCB bottom side

22
PASSPORT
SMPS Schematic Diagram
R501
470K 1/2W
!
C501
1000uF/200V
C502
1000u/200V
R502
100K/1/2W
R503
100K 1/2W
R504
1K
R505
51R
D501
ER206
R507
51R
R506
1K
D502
ER206
R508
100/2W
C503
100p 1KV
R511
150R/3W
C504
681/1KV
C505
681/1KV
R513
150R/3W
CX1
0.47uF/275Vac
D519
UF4003
C523
100n
D518
1N4148
R530
3K9 C525
222
D513
1N4148
C524
102
D515
1N4148
R532
270K
D514
1N4148
Q505
KTC3875
R535
47K
C530
2u2/50V
C529
100n
C528
103
R533
270R
R534
27R
D517
1N4148
C520
100u/50V C521
100n
D509
1N4148
R527
47K
Q503
2N3904
R523
47K
R529
200K
R528
1K
VR501
1KB
R525
2K 7
115V
230V
!
R524
47K
3
2
4
1
L502
TT-010024
C512
100n/100V
Vcc 7
o/p
6
Isense
3
Vref
8
Rt/Ct
4
Gnd
5
Comp 1
Vfb 2
U501
KA3844B
R519
4K7
CX2
0.33uF/275Vac Pin8
CY1
471250AC
CY2
471 250AC
CX3
0.1uF/275Vac
8765
T502A
TT-9972
1
4
T502B
TT-9972
NTC2
SCK-057
3
2
4
1
L501
TT-010024
Z503
18V
Z504
18V
Z502
18V
Z501
18V
Z506
15V
Q501
IRFP460
Q502
IRFP460
D512
1N4148
NTC1
SCK057
CY5
102
C510
2200u/50V
1
3
4
2
BG501
GBJ1505
R515
20K
R516
20K
3
8
1
10
L503
OUTTRUKE2
C511
2200u/50V
R512
150R/3W
C506
681/ 1KV
R514
150R/3W
C507
681/ 1KV
C513
100n/100V
R521
8.2K
R522
39K
R520
3K
R526
22K
Q504
2N3906
C522
100n
D510
1N4148
D511
1N4148
Z505
18V 1/2W
Vs
Vs
-40V
+40V
D533
ES1D
D506
ES1D
Vi n
2Vout 3
GND 1
U511
7905
C518
104
C519
104
C516
104
C517
104
+5V
-5V
D507
BAS316
D508
BAS316
U507
PC817
C546
102
L507
20uH
C547
102
R550
100R
C593
1000u25V
C569
1000u/25V
C548
1000u/25V
C590
470u/16V
C573
100u/50V
C574
102
C565
100n
C570
100n
C560
100n
C586
100n
Vi n
1Vout 3
GND
2
U504
7815
GND 1
Vi n
2Vout 3
U505
7915
C568
100n
C572
100n
C567
470u25V
C571
470u25V
C549
1000u/16V C561
100n
C584
470u/16V C585
100n
R546
5K1
R547
1K5 R549
56K
R548
1K5
NTC3
10K
C575
1u50V
R556
2K2 1%
R555
39K
U509
TL431
C563
39n
C564
open
R554
5K1 1%
12
JA13
+15V
-15V
+8V/0.5A
5V
Z508
6V2 Q507
BD139
D521
UF4003
D522
UF4003
D524
ES1D
D534
1N4148
D520
ES1D
CY6
102 AGND R551
680R
Fan+
D523
UF1K C5 76
100u63V C578
100n/100V
Z509
51V/1W
D525
SB580
48V
Vi n
1Vout 3
GND
2
U506 7805
D503
MUR1640
D505
MUR1640
SCR01
MCR100-6
TH0 1
BD222/100C
1 4
32
T503
TT-9971
-5V
+15V
+5V
VS
VCC
Protect
PGND
Protect
+15V
-15V
PGND
DGND
8V
+5V
Fan-
ACGND
R540
1M/0.5W
R541
68K
R542
51R
R544
22R
C540
22uF/400V
C542
47uF/25V
SS
1
FB 2
Isen
3
D4
D5
Vcc 7
GND
8
U502
ICE2B365
C543
100nF C544
0.47uF/50V
C545
10nF
Z507
15V 1/2W
R543
0.33R,0.5W
D530
P6KE10A
ACGND
ACGND
C541
1nF/1KV
R552
3K6
1
2
5
7
8
15
12
13
16
17
18
15
14
15
11
10
T504
TRANS2 A
C566
470u25V
C579
100n
Vi n
1Vout 3
GND
2
U503
7812 C581
100n
C580
470u25V Vs
Vd ri v e r
Vcc
Vdriver
Vcc
C535
102
D527
UF4006
D526
ES1D
VDR501
14D221K
VDR502
14D221K
ACGND
ACGND
ACGND
FANGND ACGND
PGND
PGND
PGND
ACGND
C531
47uF/25V
C532
47uF/25V
C533
1000uF/6V3
C534
1000uF/6V3
Vs
C514
2200u/50V
C515
2200u/50V
1
18
5
17
16
15
11
10
3
14
13
12
T501
X’F- 1 8 P EE 4 2 -B
D516
ES1D
PGND
R545
20K 1/4W
PGND
PGND
PGND
PGND
R536
20K
R537
20K
R538
20K
R539
20K
C536
104
C537
104
L505
40uH
L506
40uH
C582
470u25V
C583
470u25V
R562
10K
D542
ES1D
D541
ES1D
R563
0R
C589
100n
C588
470uF/25V R561
10K
Q506
2N3906
C587
22uF/25V
R565
1K
Q509
2N3906
D543
IN4148
Mute
CNA Port
CNA
Port
1234
JA2
DC CON4
12
JA6-L
JA6
12
JA6-N
JA6
1234 5 6 7
JA3
DC CON7
Vi n
1Vout 3
GND
2
U510 7805
12
SW501A 12
SW501B
JP503
JUMP JP504
JUMP JP505
JUMP JP506
JUMP JP507
JUMP JP508
JUMP JP509
JUMP JP510
JUMP JP511
JUMP JP512
JUMP JP513
JUMP JP514
JUMP JP515
JUMP JP517
JUMP
JP520
0R/1206 JP521
0R/1206 JP522
0R/1206 JP523
0R/1206 JP524
0R/1206 JP525
0R/1206 JP526
0R/1206 JP527
0R/1206
JP501
JUMP JP502
JUMP
C591
470u/16V
protect
Protect
C596
100n
C595
104
PGND PGND
C597
100n
PGND
JP528
0R/1206 JP529
0R/0805
D544
1N4148
D545
1N4148
R566
220R
R567
220R
V1
V1
V2
R518
4R7
R517
4R7
R510
4R7
JP516
JUMP
JP530
0R/1206
V1
R553
20K 1/4W
PGND
1234 5 6 7 8 9 10
JA1
DC CON10
WGND
PGND
JP518
JUMP/0.8MM

23
PASSPORT
SMPS PCB
SMPS PCB top side

24
PASSPORT
SMPS PCB
SMPS PCB bottom side

25
PASSPORT
Test Point Information
TP701 PWM waveform:
TP702 PWM waveform:
TP703 DC 40V
TP704 DC -40V

26
PASSPORT
Wiring Diagram

27
PASSPORT
The following shows the legend of the mating connections
SVC-300G211+INP SVC-300G211+MIX
1 CH-4 CH-4 1
2 AGND AGND 2
3 CH-3 CH-3 3
4 CH-2 CH-2 4
5 AGND AGND 5
6 CH-1 CH-1 6
7 AGND AGND 7
8 PRE_OUT/R PRE_OUT/R 8
9 AGND AGND 9
JA5
10 PRE_OUT/L PRE_OUT/L 10
JB5
SVC-300G211+INP SVC-300G211+MIX
1 ST/R ST/R 1
2 AGND AGND 2
3 ST/L ST/L 3
4 MUTE MUTE 4
5 AGND AGND 5
6 ﹢5VD ﹢5VD 6
7 ﹣15V ﹣15V 7
8 AGND AGND 8
9 AGND AGND 9
JA8
10 ﹢15V ﹢15V 10
JB8
SVC-300G211+INP SVC-300G211+MIX
1 L_BAR L_BAR 1
2 AGND AGND 2
3 R_BAR R_BAR 3
4 CH6-R CH6-R 4
5 AGND AGND 5
6 CH6-L CH6-L 6
7 AGND AGND 7
8 CH5-R CH5-R 8
9 AGND AGND 9
JA9
10 CH5-L CH5-L 10
JB9
Wiring Diagram

28
PASSPORT
Wiring Diagram
SVC-300G211+INP SVC-300G211+SMPS
1 ﹢5VD ﹢5V 8
2 ﹢8V ﹢8V 7
3 ﹢B ﹢48V 6
4 ﹣15V ﹣15V 5
5 AGND PGND 4
6 ﹢15V ﹢15V 3
7 PI Protect 2
JB1
8 MUTE Mute 1
JA1
SVC-300G211+INP SVC-300G211+AMP
1 L_OUT+ L_OUT+ 5
2 L_OUT- L_OUT- 4
3 AGND AGND 3
4 R_OUT+ R_OUT+ 2
JB4
5 R_OUT- R_OUT- 1
JA702
SVC-300G211+SMPS SVC-300G211+AMP
1 ﹢40V ﹢40V 1
2 PGND PGND 2
3 PGND PGND 3
JA2
4 ﹣40V ﹣40V 4
JB702
SVC-300G211+SMPS SVC-300G211+AMP
1 Protect PROTECT
2 Mute MUTE_C
3 VCC VCC
4 VS ﹣B
5 ﹣5V ﹣5V
6 ﹢15V ﹢15VPOP
JA3
7 ﹢5V ﹢5V
JB703