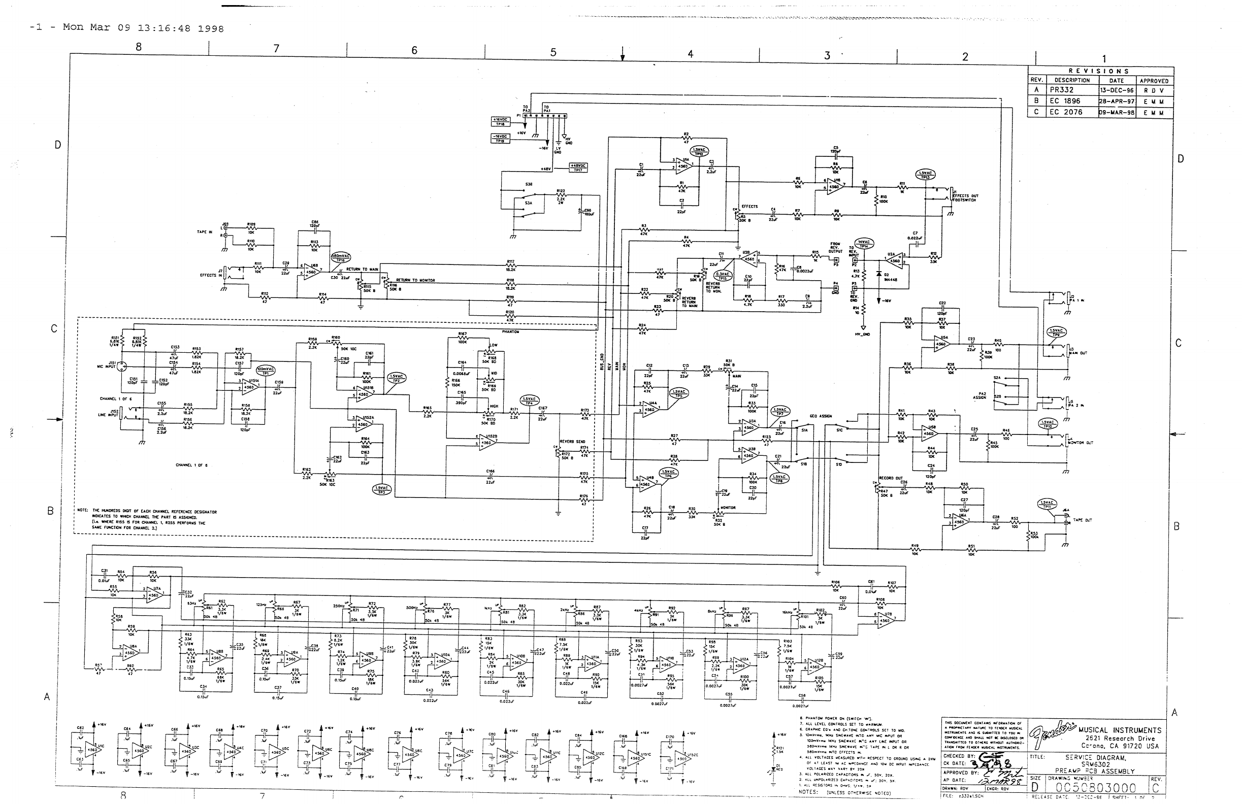
Fender SRM 6302T 6302 8302 Schematic
User Manual: Fender SRM 6302-8302 Schematic Fender Audio Schematic Archive – Fender
Open the PDF directly: View PDF
.
Page Count: 5





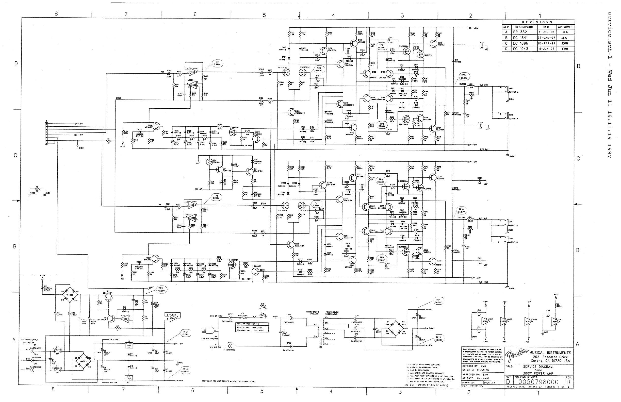
User Manual: Fender SRM 6302-8302 Schematic Fender Audio Schematic Archive – Fender
Open the PDF directly: View PDF
.
Page Count: 5




