Firmtech FBS100BC BLUETOOTH EMBEDDED MODULE User Manual USERS MANUAL
Firmtech co., Ltd BLUETOOTH EMBEDDED MODULE USERS MANUAL
Firmtech >
USERS MANUAL

Bl
u
u
et
o
FB
S
o
oth
S
100
B
Em
b
B
C-S
P
bed
d
P
P/HI
Version 0.
1
d
ed
D Us
e
1
Hom
e
M
o
e
r Gu
i
FIRM
T
e
page : http:
Mail : co
T
e
o
dul
e
ide
T
ECH C
o
:
//www.firm
t
ntact@firm
t
e
l : +82-31-
7
e
o
., Ltd.
ech.co.k
r
ech.co.kr
7
19-4812

FBS100BC-SPP/HID User Guide Version 0.1 Revision History
Page 2 / 28
Fax : +82-31-719-4834
Revision History
Revision Date Change Descriptions
Ver 0.1 2014-03-28 - Write a draft

FBS100BC-SPP/HID User Guide Version 0.1 (C) Copyright FIRMTECH Co., Ltd. 2005
Page 3 / 28
(C) Copyright FIRMTECH Co., Ltd. 2005
All rights reserved
The products and operation descriptions contained herein shall be protected by
copyright law.
Any part or whole of products or operation description shall not be copied, reproduced,
translated, nor transformed into readable form by electronic device or machines, without
prior consent in writing by FIRMTECH Co., Ltd.
There might be some misprinting or technical faults in the products and operation
description which are subject to change without prior notice.

FBS100BC-SPP/HID User Guide Version 0.1 List of Content
Page 4 / 28
List of Content
Revision History .....................................................................................................................................................................2
(C) Copyright FIRMTECH Co., Ltd. 2005 ....................................................................................................................3
List of Content ........................................................................................................................................................................4
1 What is Bluetooth? ...........................................................................................................................................................5
1.1 Features of Bluetooth ........................................................................................................................................5
1.2 Operation of Bluetooth .....................................................................................................................................5
2 Product Overview .............................................................................................................................................................6
3 FBS100BC-SPP Components ........................................................................................................................................7
3.1 FBS100BC-SPP ........................................................................................................................................................7
3.2 PC Interface Kit (Option) ..................................................................................................................................7
4 FBS100BC-SPP Appearance ..........................................................................................................................................8
4.1 FBS100BC-SPP Dimension ...............................................................................................................................8
4.2 FBS100BC-SPP PIN Assign ...............................................................................................................................9
5 PC Interface Board (Jig Board) ............................................................................................................................... 10
6 Performance of FBS100BC-SPP ............................................................................................................................... 13
7 Current Consumption of FBS100BC-SPP ............................................................................................................ 14
8 FBS100BC-HID Components ..................................................................................................................................... 15
8.1 FBS100BC-HID ..................................................................................................................................................... 15
8.2 Smart HID Interface Kit (Option) .............................................................................................................. 15
9 FBS100BC-HID Appearance ...................................................................................................................................... 16
9.1 FBS100BC-HID Dimension ............................................................................................................................ 16
9.2 FBS100BC-HID PIN Assign ............................................................................................................................ 16
10 Smart HID Interface Board (Jig Board) ............................................................................................................ 19
11 Performance of FBS100BC-HID ............................................................................................................................ 20
12 Current Consumption of FBS100BC-HID ......................................................................................................... 21
13 FBS100BC-HID Input Data ...................................................................................................................................... 22
14 Approval Information ................................................................................................................................................ 27

FBS100B
C
1 W
h
1.1 F
e
1.2 O
p
C
-SPP/HID U
s
h
at is Bl
u
e
atures o
f
Objectives
o
Consumptio
Frequency i
permission
t
- 2.400 –
- 2.465 –
Transmissio
n
Transmissio
n
Network C
o
simultaneou
Reliability :
through ad
o
p
eration
Bluetooth o
p
Masters are
and “Page
S
If a Master
information.
Interconnec
t
Slave is cor
r
s
er
Guide
V
e
u
etooth
f
Blueto
o
o
f Bluetooth
n, High Relia
b
n Use: To U
t
o use.
2.4835 GHz,
2.4835 GHz,
n
Rate : 1Mb
p
n
Output : 1
m
o
nfiguration :
s connection
s
To Guarante
o
pting the te
c
of Bluet
o
p
erates base
d
simply supp
o
S
can”.
finds a Slav
e
t
ion between
r
esponded wi
t
e
rsion 0.1
?
o
th
: To Realize
W
b
ility, and Lo
w
se ISM(Indu
s
79 channels
23 channels
(
p
s ~ 3Mbps
m
W (10m, Cla
s
Configured
w
s
up to 7 de
v
e stable wir
e
c
hnique of FH
o
oth
<Feature 1
d
on the con
n
o
sed to do “I
e
and so “in
q
the Master a
t
h the Maste
r,
W
ireless Co
m
w
Cost.
s
trial, Scientif
(
in France)
s
s2), 100mW
w
ith Master
a
v
ices (in case
o
e
less commu
H
SS (Frequenc
-1 Bluetooth
n
ection betw
e
nquiry” and
“
q
uir
y
” is suc
c
nd the Slave
r
, and the Sla
v
m
munication
f
ic, Medical)
(100m Class1
a
nd Slave rel
a
o
f ACL).
nication eve
n
y Hopping S
p
Operation>
e
en “Master”
a
“
Page”. Slaves
c
essful, a Sla
v
is achieved o
v
e sends data
1
f
or Short Dis
t
Band which
)
a
tion. A Blu
e
n
under sev
e
p
read Spectru
a
nd “Slave”.
are suppose
v
e responds
t
nly if the inf
o
to the Mast
e
1
What is Bl
u
P
a
tance with L
o
does not re
q
e
tooth unit s
e
re noisy en
v
u
m).
e
d to do “Inq
u
t
o the Mast
e
o
rmation fro
m
e
r.
u
etooth?
ge 5 / 28
o
w Power
q
uire any
hall allow
v
ironment
u
iry Scan”
e
r with its
m
the

FBS100BC-SPP/HID User Guide Version 0.1 2 Product Overview
Page 6 / 28
2 Product Overview
FBS100BC has been developed to replace the previous RS232 Cable system and HID Keyboard- Mouse
Device with wireless communication system to use.
Major Features of FBS100BC
1. Bluetooth Specification 2.1 Support
2. Easily applicable to the Product with 20Pins SMD(Surface-Mount Device) type
3. Support AT Command, and capable to control FBS100BC by using AT Command.
4. Easy to connect to use with Bluetooth PDA, Bluetooth USB Dongle, etc.
A. FBS100BC-SPP : RS232 Cable Replacement Device.
B. FBS100BC-HID : HID Keyboard-Mouse Device.
5. Provides the most compact size among Class 2.
6. Simply support the function of Bluetooth Firmware Update
7. Stable Data Transmission / Receipt
※ We request the new users of FBS100BC-SPP/HID to read the information on this description carefully
before they start to use the products.

FBS100B
C
3 FB
S
3.1 F
B
3.2 P
C
(
R
(DC
※ If you
you pur
c
C
-SPP/HID U
s
S
100BC
-
B
S100BC-
MODEL
FBS100BC-
S
C
Interfa
c
MODEL
FBZx5Xx
x
(Interface Bo
Expansion B
o
FCA180S
C
R
S232 Serial
C
FCA100U
C
(USB Power
C
FCA001P
O
Power Adap
t
(Optio
n
find any of
a
c
hased.
s
er
Guide
V
e
-
SPP Co
SPP
S
PP
<Ta
b
c
e Kit (O
p
x
ard)
o
ard
C
C
able)
C
C
able)
O
t
er - 5V)
n
)
<
Ta
a
bove compo
e
rsion 0.1
mpone
n
b
le 3-1 Basic
C
p
tion)
Ta
ble 3-2 Co
m
n
ents is defe
c
n
ts
PICTURE
C
omponents
PICTURE
m
ponents of
P
c
tive, or not i
of FBS100BC
-
P
C Interface K
ncluded in th
3 FBS100
B
Q
-
SPP>
Q
it >
e package, p
l
B
C-SPP Co
m
P
a
Q
’T
Y
(EA)
1
Q
’T
Y
(EA)
1
1
1
1
1
lease contact
m
ponents
ge 7 / 28
the seller

FBS100B
C
4 FB
S
4.1 F
B
C
-SPP/HID U
s
S
100BC
-
B
S100BC-
s
er
Guide
V
e
-
SPP Ap
SPP Dim
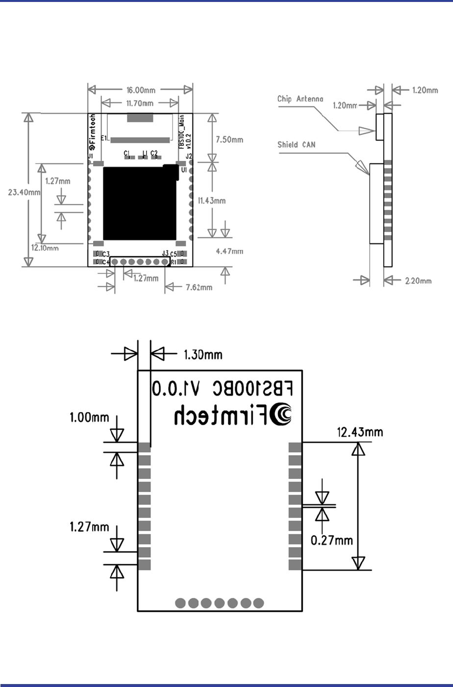
<Fi
g
e
rsion 0.1
pearan
c
ension
g
ure 4-1 FBS1
B
c
e
TOP
00BC-SPP Di
m
B
OTTO
M
m
ension>
M
4 FBS10
0
0
BC-SPP Ap
p
P
a
p
earance
ge 8 / 28

FBS100B
C
4.2 F
B
번호
1
2
3
4
5
6
7
8
9
10
11
12
13
14
15
C
-SPP/HID U
s
B
S100BC-
핀
GND
STATUS
FA SET
TXD
RXD
GND
GND
UART_RTS
UART_CTS
VCC
PIO7
PIO6
PIO5
PIO4
PIO3
s
er
Guide
V
e
SPP PIN
핀
이름
e
rsion 0.1
Assign
<Figure 4-2
F
Groun
d
STATU
S
Factor
y
Go ba
c
Transfe
Receiv
e
Groun
d
Groun
d
UART
R
UART
C
3.3V D
C
Digital
Digital
Digital
Digital
Digital
F
BS100BC-SP
P
기
능
d
S
LED
y
Reset
c
k default set
t
e
r Data (Data
e
d Data (Dat
a
d
d
R
eady To Sen
d
C
lear To Send
C
Input or Out
p
Input or Out
p
Input or Out
p
Input or Out
p
Input or Out
p
P
PIN Assign
>
능
t
ing
out)
a
in)
d
p
ut Port
p
ut Port
p
ut Port
p
ut Port
p
ut Port
4 FBS10
0
>
입/
출
Ou
In
Ou
In
Ou
In
In
Input/
Input/
Input/
Input/
Input/
0
BC-SPP Ap
p
P
a
출
방향
신
-
u
tput
n
put
u
tput
n
put
-
-
u
tput
n
put
n
put
/
Output
/
Output
/
Output
/
Output
/
Output
p
earance
ge 9 / 28
신
호레벨
-
TTL
TTL
TTL
TTL
-
-
TTL
TTL
-
TTL
TTL
TTL
TTL
TTL

FBS100B
C
16
17
18
19
20
5 PC
C
-SPP/HID U
s
PIO2
PIO1
PIO0
ADC1
ADC0
Interfa
c
s
er
Guide
V
e
<
c
e Boar
d
e
rsion 0.1
Digital
Digital
Digital
Analog
Analog
Table 4 -1 F B
S
d
(Jig B
o
Input or Out
p
Input or Out
p
Input or Out
p
Input Port
Input Port
S
100BC-SPP
P
o
ard)
p
ut Port
p
ut Port
p
ut Port
P
in Descriptio
n
5 PC Interfa
Input/
Input/
Input/
In
In
n
>
a
ce Board (Ji
Pa
g
/
Output
/
Output
/
Output
n
put
n
put
g Board)
g
e 10 / 28
TTL
TTL
TTL
TTL
TTL

FBS100B
C
No.
1 P
o
2 U
S
3 P
C
S
w
C
-SPP/HID U
s
o
wer ON/OF
F
S
B/RS232 In
t
C
Configura
t
w
itch
s
er
Guide
V
e
<Figur
e
Title
F
Switch
t
erface Selec
t
t
ion/Operati
o
e
rsion 0.1
e
5-1 FBS100
B
t
ion Switch
o
n Selection
B
C-SPP Interf
a
ON/OFF th
e
The switch
(The 3 swit
c
Not is use
a
ce Board(Jig
D
e
electric po
w
for selectio
n
c
hes shall be
5 PC Interfa
Board)>
D
escription
w
er of interfa
c
n
of commu
n
set in same
d
a
ce Board (Ji
Pa
g
c
e board.
n
ication in
U
d
irection.)
g Board)
g
e 11 / 28
SB/RS232

FBS100BC-SPP/HID User Guide Version 0.1
Page 12 / 28
4 FASET Switch
The switch for changing the environment setting value of
FBS100BC-SPP to the factory setting value.
The procedures to make the FASET are as followings.
1. Power ON
2. Press the FASET switch more than 2 seconds.
5 POWER LED LED to check the power supply condition
6 STATUS LED LED to check the action of FBS100BC-SPP
7 TX LED LED to check the data output condition of FBS100BC-SPP
8 RX LED LED to check the data input condition of FBS100BC-SPP
9 SERIAL INTERFACE LED LED to check whether the communication interface is RS-
232
10 USB INTERFACE LED LED to check whether the communication interface is USB
<Table 5-1 FBS100BC-SPP Interface Board Description>

FBS100BC-SPP/HID User Guide Version 0.1 6 Performance of FBS100BC-SPP
Page 13 / 28
6 Performance of FBS100BC-SPP
No. Part Specification
1 Bluetooth Spec. Bluetooth Specification 2.1 Support
2 Communication distance 10 M
3 Frequency Range 2402 ~ 2480MHz ISM Band
4 Sensitivity -83dBm (Typical)
5 Transmit Power 4dBm(Typical)
6 Size 16.00 x 23.40 x 3.40 mm
7 Support Bluetooth Profile SPP (Serial Port Profile)
8 Input Power 3.3V
9 Current Consumption 41mA (Max)
10 Temperature
Operating -10℃ ~ 50℃
Limit Operating -35℃ ~ 55℃
11 Communication Speed 1,200bps – 230,400bps
12 Antenna Chip Antenna
13 Interface UART (TTL Level)
14 Flow Control RTS, CTS support
<Table 6-1 FBS100BC-SPP Performance>

FBS100BC-SPP/HID User Guide Version 0.1 7 Current Consumption of FBS100BC-SPP
Page 14 / 28
7 Current Consumption of FBS100BC-SPP
Status
Current Consumption (mA)
MIN MAX AVG
Standby 2 6 4
Inquiry scan & Page scan (Slave) 2 41 24
Page scan (Slave) 2 7 4
Inquiry (Master) 36 41 40
Connected
Slave 18 23 20
Master 6 10 7
Data Transmission
Slave 24 30 28
Master 18 27 21
Data Reception
Slave 21 33 26
Master 21 33 27
Data Transmission/Reception
Slave 27 33 29
Master 21 33 28
Power save
Slave 0 6 1
Master 0 9 2
<Table 7-1 Current Consumption of FBS100BC-SPP>
TEST CONDITIONS
Baud Rate : 9600 bps, Input Voltage : DC 5V
The power consumption will change depending on transmission speed and volume of data.

FBS100B
C
8 FB
S
8.1 F
B
8.2 S
m
Sma
r
(
M
※ If you
you pur
c
C
-SPP/HID U
s
S
100BC
-
B
S100BC-
MODEL
FBS100BC-
H
m
art HID
MODEL
r
t HID Interf
a
M
odel : FBDx
5
Expansion B
o
RS232 Ca
b
USB Cabl
e
AVR Load
e
CD
find any of
a
c
hased.
s
er
Guide
V
e
-
HID Co
HID
H
ID
<Ta
b
Interfac
e
a
ce Board
5
xHID )
o
ard
b
le
e
e
r
<Tabl
e
a
bove compo
e
rsion 0.1
mpone
n
b
le 8-1 Basic
C
e
Kit (Op
e
8-2 Compo
n
nents is defe
c
n
ts
PICTURE
C
omponents
tion)
PICTURE
n
ents of Sma
r
c
tive, or not i
of FBS100BC
-
r
t HID Interfa
ncluded in th
8 FBS100
B
Q
-
HID>
Q
c
e Kit>
e package, pl
B
C-HID Co
m
Pa
g
Q
’T
Y
(EA)
1
Q
’T
Y
(EA)
1
1
1
1
1
l
ease contact
m
ponents
g
e 15 / 28
the seller

FBS100B
C
9 FB
S
9.1 F
B
C
-SPP/HID U
s
S
100BC
-
B
S100BC-
s
er
Guide
V
e
-
HID A
p
HID Dim
<
F
e
rsion 0.1
p
pearan
c
ension
F
igure 9-1 FB
S
B
c
e
TOP
S100BC-HID
D
B
OTTO
M
D
imension>
M
9 FBS10
0
0
BC-HID Ap
p
Pa
g
p
earance
g
e 16 / 28

FBS100B
C
9.2 F
B
번호
1
2
3
4
5
6
7
8
9
10
11
12
13
14
15
C
-SPP/HID U
s
B
S100BC-
핀
GND
STATUS
FA SET
TXD
RXD
GND
GND
UART_RTS
UART_CTS
VCC
PIO7
PIO6
PIO5
PIO4
PIO3
s
er
Guide
V
e
HID PIN
핀
이름
e
rsion 0.1
Assign
<Figure 9-2
F
Groun
d
STATU
S
Factor
y
Go ba
c
Transfe
Receiv
e
Groun
d
Groun
d
UART
R
UART
C
3.3V D
C
Digital
Digital
Digital
Digital
Digital
F
BS100BC-HI
D
기
능
d
S
LED
y
Reset
c
k default set
t
e
r Data (Data
e
d Data (Dat
a
d
d
R
eady To Sen
d
C
lear To Send
C
Input or Out
p
Input or Out
p
Input or Out
p
Input or Out
p
Input or Out
p
D
PIN Assign
>
능
t
ing
out)
a
in)
d
p
ut Port
p
ut Port
p
ut Port
p
ut Port
p
ut Port
9 FBS10
0
>
입/
출
Ou
In
Ou
In
Ou
In
In
Input/
Input/
Input/
Input/
Input/
0
BC-HID Ap
p
Pa
g
출
방향
신
-
u
tput
n
put
u
tput
n
put
-
-
u
tput
n
put
n
put
/
Output
/
Output
/
Output
/
Output
/
Output
p
earance
g
e 17 / 28
신
호레벨
-
TTL
TTL
TTL
TTL
-
-
TTL
TTL
-
TTL
TTL
TTL
TTL
TTL

FBS100BC-SPP/HID User Guide Version 0.1 9 FBS100BC-HID Appearance
Page 18 / 28
16 PIO2 Digital Input or Output Port Input/ Output TTL
17 PIO1 Digital Input or Output Port Input/ Output TTL
18 PIO0 Digital Input or Output Port Input/ Output TTL
19 ADC1 Analog Input Port Input TTL
20 ADC0 Analog Input Port Input TTL
<Table 9-1 FBS100BC-HID Pin Description>

FBS100B
C
10 S
m
C
-SPP/HID U
s
m
art HI
D
s
er
Guide
V
e
D
Interf
<Figure
e
rsion 0.1
ace Bo
a
10-1 FBS100
B
a
rd (Jig
B
C-HID Interf
a
10 Smar
t
Board)
a
ce Board (Ji
g
t
HID Interfa
g
Board)>
a
ce Board (Ji
Pa
g
g Board)
g
e 19 / 28

FBS100BC-SPP/HID User Guide Version 0.1 11 Performance of FBS100BC-HID
Page 20 / 28
11 Performance of FBS100BC-HID
No. Part Specification
1 Bluetooth Spec. Bluetooth Specification 2.1 Support
2 Communication distance 10 M
3 Frequency Range 2402 ~ 2480MHz ISM Band
4 Sensitivity -83dBm (Typical)
5 Transmit Power 4dBm(Typical)
6 Size 16.00 x 23.40 x 3.40 mm
7 Support Bluetooth Profile HID Device
8 Input Power 3.3V
9 Current Consumption 41mA (Max)
10 Operating Temperature -10℃ ~ 50℃
11 Communication Speed 115,200 bps
12 Antenna Chip Antenna
13 Interface UART (TTL Level)
<Table 11-1 FBS100BC-HID Performance>

FBS100BC-SPP/HID User Guide Version 0.1 12 Current Consumption of FBS100BC-HID
Page 21 / 28
12 Current Consumption of FBS100BC-HID
Status
Current Consumption (mA)
MIN MIN MIN
Standby 2 6 4
Inquiry scan & Page scan (Slave) 2 41 24
Page scan (Slave) 2 7 4
Connected 18 23 20
Data Transmission 24 30 28
Data Reception 21 33 26
Data Transmission/Reception 27 33 29
Power save 0 6 1
<Table 12-1 Current Consumption of FBS100BC-HID>
TEST CONDITIONS
Baud Rate : 115200 bps, Input Voltage : DC 5V
The power consumption will change depending on transmission speed and volume of data.

FBS100BC-SPP/HID User Guide Version 0.1 13 FBS100BC-HID Input Data
Page 22 / 28
13 FBS100BC-HID Input Data
- UART HID Report ID 1 Format (Keyboard)
Byte Value Description
0 (first byte in packet) 0x0c Length of packet in bytes (12)
1 0x00 Type of packet: Forward HID Report
2 0xa1 HID input Report Header
3 0x01 Keyboard Report ID 1
4 0x00 to 0xff Modifier Keys
5 0x00 Reserved
6 0x00 to 0xff Keycode 1
7 0x00 to 0xff Keycode 2
8 0x00 to 0xff Keycode 3
9 0x00 to 0xff Keycode 4
10 0x00 to 0xff Keycode 5
11 0x00 to 0xff Keycode 6
<Table 13-1 UART HID Report ID 1 Format>
- Modifier Keys
Bit Bit 0 Bit 1 Bit 2 Bit 3 Bit 4 Bit 5 Bit 6 Bit 7
Description LEFT
CTRL
LEFT
SHIFT
LEFT
ALT
LEFT
GUI
RIGHT
CTRL
RIGHT
SHIFT
RIGHT
ALT
RIGHT
GUI
<Table 13-2 Modifier Keys>
- Pointer Report Format (Mouse)
Byte Value Description
0 (first byte in packet) 0x08 Length of packet in bytes (8)
1 0x00 Type of packet: Forward HID Report
2 0xa1 HID input Report Header

FBS100BC-SPP/HID User Guide Version 0.1 13 FBS100BC-HID Input Data
Page 23 / 28
3 0x02 Keyboard Report ID 2
4 0x00 to 0xff Up to 5 buttons, one bit each
5 0x00 to 0xff
Delta X
Number between -127 and +127 representing the
change in mouse movement on the x-axis
6 0x00 to 0xff
Delta Y
Number between -127 and +127 representing the
change in mouse movement on the y-axis
7 0x00 to 0xff
Wheel movement
Number between -127 and +127 representing the
amount of wheel movement
<Table 13-3 Pointer Report Format>
- Mouse Button
Bit Bit 0 Bit 1 Bit 2 Bit 3 Bit 4 Bit 5 Bit 6 Bit 7
Description Left
Button
Right
Button
Middle
Button
Always
1
Reserved Reserved Reserved Reserved
<Table 13-4 Mouse Button>
- ASCII to Keycode Table (Keyboard)
ASCII Char ASCII value Keycode ASCII Char ASCII value Keycode
Ctrl-H BS
(Back Space) 0x08 0x2A Ctrl-I HT
(Tab) 0x09 0x2B
Ctrl-M CR
(Carriage Return) 0x0D 0x28 Ctrl-[ ESC
(Esc) 0x1B 0x29
Space 0x20 0x2C ‘ 0x27 0x34
, 0x2C 0x36 - 0x2D 0x2D
. 0x2E 0x37 / 0x2F 0x38
0 0x30 0x27 1 0x31 0x1E
2 0x32 0x1F 3 0x33 0x20
4 0x34 0x21 5 0x35 0x22
6 0x36 0x23 7 0x37 0x24
8 0x38 0x25 9 0x39 0x26

FBS100BC-SPP/HID User Guide Version 0.1 13 FBS100BC-HID Input Data
Page 24 / 28
; 0x3B 0x33 = 0x3D 0x2E
[ 0x5B 0x2F \ 0x5C 0x31
] 0x5D 0x30 ` 0x60 0x35
a 0x61 0x04 b 0x62 0x05
c 0x63 0x06 d 0x64 0x07
e 0x65 0x08 f 0x66 0x09
g 0x67 0x0A h 0x68 0x0B
i 0x69 0x0C j 0x6A 0x0D
k 0x6B 0x0E l 0x6C 0x0F
m 0x6D 0x10 n 0x6E 0x11
o 0x6F 0x12 p 0x70 0x13
q 0x71 0x14 r 0x72 0x15
s 0x73 0x16 t 0x74 0x17
u 0x75 0x18 v 0x76 0x19
w 0x77 0x1A x 0x78 0x1B
y 0x79 0x1C z 0x7A 0x1D
!
( Shift+1 ) 0x21 0x1E “
( Shift+‘ ) 0x22 0x34
#
( Shift+3 ) 0x23 0x20 $
( Shift+4 ) 0x24 0x21
%
( Shift+5 ) 0x25 0x22 &
( Shift+7 ) 0x26 0x24
(
( Shift+9 ) 0x28 0x26 )
( Shift+0 ) 0x29 0x27
*
( Shift+8 ) 0x2A 0x25 +
( Shift+= ) 0x2B 0x2E
:
( Shift+; ) 0x3A 0x33 <
( Shift+, ) 0x3C 0x36
>
( Shift+. ) 0x3C 0x36 ?
( Shift+/ ) 0x3F 0x38
@
( Shift+2 ) 0x40 0x1F A
( Shift+a ) 0x41 0x04

FBS100BC-SPP/HID User Guide Version 0.1 13 FBS100BC-HID Input Data
Page 25 / 28
B
( Shift+b ) 0x42 0x05 C
( Shift+c ) 0x43 0x06
D
( Shift+d ) 0x44 0x07 E
( Shift+e ) 0x45 0x08
F
( Shift+f ) 0x46 0x09 G
( Shift+g ) 0x47 0x0A
H
( Shift+h ) 0x48 0x0B I
( Shift+I ) 0x49 0x0C
J
( Shift+j ) 0x4A 0x0D K
( Shift+k ) 0x4B 0x0E
L
( Shift+l ) 0x4C 0x0F M
( Shift+m ) 0x4D 0x10
N
( Shift+n ) 0x4E 0x11 O
( Shift+o ) 0x4F 0x12
P
( Shift+p ) 0x50 0x13 Q
( Shift+q ) 0x51 0x14
R
( Shift+r ) 0x52 0x15 S
( Shift+s ) 0x53 0x16
T
( Shfit+t ) 0x54 0x17 U
( Shift+u ) 0x55 0x18
V
( Shift+v ) 0x56 0x19 W
( Shift+w ) 0x57 0x1A
X
( Shift+x ) 0x58 0x1B Y
( Shift+y ) 0x59 0x1C
Z
( Shift+z ) 0x5A 0x1D ^
( Shift+6 ) 0x5E 0x23
_
( Shift+- ) 0x5F 0x2D {
( Shift+[ ) 0x7B 0x2F
|
( Shift+\ ) 0x7C 0x31 }
( Shift+] ) 0x7D 0x30
~
( Shift+` ) 0x7E 0x35
<Table 13-5 ASCII to Keycode table>

FBS100BC-SPP/HID User Guide Version 0.1 13 FBS100BC-HID Input Data
Page 26 / 28
Ex) To send Keyboard data “1”
Byte 0 1 2 3 4 5 6 7 8 9 10 11
Pressed 0x0c 0x00 0xa1 0x01 0x00 0x00 0x1e 0x00 0x00 0x00 0x00 0x00
Released 0x0c 0x00 0xa1 0x01 0x00 0x00 0x00 0x00 0x00 0x00 0x00 0x00
Ex) To send Keyboard data “a”
Byte 0 1 2 3 4 5 6 7 8 9 10 11
Pressed 0x0c 0x00 0xa1 0x01 0x00 0x00 0x04 0x00 0x00 0x00 0x00 0x00
Released 0x0c 0x00 0xa1 0x01 0x00 0x00 0x00 0x00 0x00 0x00 0x00 0x00
Ex) To send Keyboard data “A”
Byte 0 1 2 3 4 5 6 7 8 9 10 11
Pressed 0x0c 0x00 0xa1 0x01 0x02 0x00 0x04 0x00 0x00 0x00 0x00 0x00
Released 0x0c 0x00 0xa1 0x01 0x02 0x00 0x00 0x00 0x00 0x00 0x00 0x00

FBS100BC-SPP/HID User Guide Version 0.1 14 Approval Information
Page 27 / 28
14 Approval Information
14.1 KCC
14.2 FCC compliance Information
FCC Information to User
This equipment has been tested and found to comply with the limits for a Class B digital device,
pursuant to Part 15 of the FCC Rules. These limits are designed to provide reasonable protection
against harmful interference in a residential installation. This equipment generates, uses and can
radiate radio frequency energy and, if not installed and used in accordance with the instructions,
may cause harmful interference to radio communications. However, there is no guarantee that
interference will not occur in a particular installation. If this equipment does cause harmful
interference to radio or television reception, which can be determined by turning the equipment
off and on, the user is encouraged to try to correct the interference by one of the following
measures:
• Reorient or relocate the receiving antenna.
• Increase the separation between the equipment and receiver.
• Connect the equipment into an outlet on a circuit different from that to which the receiver is
connected.
• Consult the dealer or an experienced radio/TV technician for help.
Caution
Modifications not expressly approved by the party responsible for compliance could void the
user’s authority to operate the equipment.
FCC Compliance Information : This device complies with Part 15 of the FCC Rules. Operation is
subject to the following two conditions:
(1) This device may not cause harmful interference, and
(2) this device must accept any interference received, including interference that may cause
undesired operation
This device is intended only for OEM integrators under the following conditions:
1) The transmitter module may not be co-located with any other transmitter or antenna,
2) OEM shall not supply any tool or info to the end-user regarding to Regulatory Domain change.
As long as 2 conditions above are met, further transmitter test will not be required. However, the
OEM integrator is still responsible for testing their end-product for any additional compliance
requirements required with this module installed (for example, digital device emissions, PC
peripheral requirements, etc.).
IMPORTANT NOTE: In the event that these conditions can not be met (for example certain

FBS100BC-SPP/HID User Guide Version 0.1 14 Approval Information
Page 28 / 28
laptop configurations or co-location with another transmitter), then the FCC authorization is no
longer considered valid and the FCC ID can not be used on the final product. In these
circumstances, the OEM integrator will be responsible for re-evaluating the end product (including
the transmitter) and obtaining a separate FCC authorization.
End Product Labeling
To satisfy FCC exterior labeling requirements, the following text must be placed on the exterior of
the end product : Contains Transmitter Module FCC ID : U8D-FBS100BC
Manual Information To the End User
The OEM integrator has to be aware not to provide information to the end user regarding
how to install or remove this RF module in the user’s manual of the end product which
integrates this module. The end user manual shall include all required regulatory
information/warning as show in this manual.
14.3 CE
14.4 TELEC
14.5 SIG