Firmtech FZ750BS ZIGBEE EMBEDDED MODULE User Manual 2
Firmtech co., Ltd ZIGBEE EMBEDDED MODULE Users Manual 2
Firmtech >
Contents
- 1. Users Manual 1
- 2. Users Manual 2
Users Manual 2

m^\WizVm^\WijGtG}lyzpvuGWUXU]G
G
^W
O\PG{GGGGGhkjGGpSGGˈ}yGVGzluGzGˉGGGpG
iGG}yUG
G
O]PG jG G G G G G pG iG GGhkjGGGG
m^\WizVm^\WijUG
G
cGmG`TXTYGhkjGGpGGGGeG
G
G
G
`TXTZUGrlGTG
G
rlOkGpPGGGGGGGm^\WizVm^\WijUG
rlGGGGGGGGGOWPUG
GGGrlGGGrlGUG
zGrlGGGGm^\WizVm^\WijGGGGGGUG
G
OXPGpGˈ
ˈRRRˉ
GGzGGGwjUG
OYPGh{TjGGGGGˈv
vr
ˉG G G G
m^\WizVm^\WijUG
pG ˈvrˉG G G G G G G ˈRRRˉSG G ˈlˉG
GGGˈRRRˉGSGGGGGGGˈRRRˉUG G
G
G
G
G

m^\WizVm^\WijGtG}lyzpvuGWUXU]G
G
^X
OZPG pG ˈ
ˈh{Rzl{rlXˉG
G zG G G wjSG G G
ˈlˉGUG
O[PG ˈv
vr
ˉG G G G m^\WizVm^\WijSG G G G
rlGGGGGGGGOXPUG
G
G
G
G
pGrlGGGGGOXPSGm^\WizVm^\WijGGrlGGGGGUG
G
G
G pGkGGGGjGGySGGkGGrlGGGGGGG
GGGrlGUG
G
pG rlG G G G G lG kSG G lG kG G G rlG G G G G G
GGGrlGGOrlGGGGPGGGTGOrlGGGG
PGGGGGGU
G
G
G
G
cGmG`TXTZGrlGGpGzGGzG G G eG
G
G
G
G

m^\WizVm^\WijGtG}lyzpvuGWUXU]G
G
^Y
`TXT[UGjv|u{GTG
G
jv|u{GGGGGGGm^\WizVm^\WijUG
G
{Gjv|u{GGGGGGGGGOWPUG
G
jv|u{GGGm^\WizVm^\WijGGGGGhkjGGGGGG
GGU
GG
G
pGhkjGGGGjv|u{GGGm^\WizVm^\WijGGGGGOXPSG
m^\WizVm^\WijGGjv|u{GGGGGGGGGGGG
hkjGkUG G
G
ˈlG hkjG G G G RG lG jv|u{G OXPˉaG
hGkGGjv|u{GG
GGhkjGGGGGUG
UG
ˈlGhkjGGGGRGkGjv|u{GOWPˉ
aGhGkGGhkjGGGG
GUG
G
ˈkGhkjGGGRGlGjv|u{GOXPˉ
aGuGGGGGGGG
GGUG
G
hGGˈ
ˈh{Rzl{jv|u{XˉG
GGGGjv|u{GGGGGGOXPUG
G
jv|u{GGGGnwpvG}G{GGGGGGGUG
nwpvGvGGGGGGGOWPGGjv|u{GGUG
G
G
G
G
G
G
G
G
G
G
G
G

m^\WizVm^\WijGtG}lyzpvuGWUXU]G
G
^Z
`TXT\UGnwpvGzTG
nwpvG}G{GGGGGm^\WizVm^\WijUG
G
nwpvG|GvGGm^\WizVm^\WijGGGGGGOWPUG
G
nwpvG }G {G G m^\WizVm^\WijG G G G G rlG G G hkjG G
GvGGGGGUG
G
pGrlGGGGGGlOXPGGnwpvGvGGGGpuw|{OXPSGGkGG
nwpvG}GGGGGGGGGGGGrlGGGrlGG
GGGGkUG G
G
ˈlGrlGGGvGRGnwpvGpuw|{OXPˉGaG
hGGGnwpvG}GGGG
GGGGrlGGGrlGGGGGGkUG
G
ˈlGrlGGGvGRGnwpvGkOWPˉGaG
hGGGrlGGGGG
GGGrlGGGGGGkUG
G
ˈkGrlGGGvGRGnwpvGpuw|{OXPˉGaG
uGGGGGGGG
GGUG
UG
pGhkjGGGGm^\WizVm^\WijGGGGlOXPGGnwpvG|GvG GGG
puw|{OXPSGm^\WizVm^\WijGGnwpvG}GGGGGGGGGGG
GGGGhkjGGGGhkjGkUG
GG
ˈlG hkjG G G vG RG nwpvG puw|{OXPˉG aG
hGkGGnwpvG}GGG
GGGpGGGGGhkjGkUG G
G
ˈlGhkjGGGvGRGnwpvGkOWPˉGaG
hGkGGhkjGGGGG
GGpGUG
G
ˈkGhkjGGGvGRGnwpvGlOXPˉ
GaGuGGGGGGG
GGGUG
G
~GGGˈ
ˈh{Rzl{nwpvXˉSG
nwpvGGGGGpuw|{OXPUG
G
nwpvG}G{GGjv|u{GGGGGGGGGUG
jv|u{GvGGGGGGGOWPGGnwpvG}G{UG

m^\WizVm^\WijGtG}lyzpvuGWUXU]G
G
^[
G
cGmG`TXT\TOXPGnwpvGpGzGGzGeG
G
G ~Gm^\WizVm^\WijGGnwpvGG}GGGG}GGGGSGnwpvG
vGGGkGGGGGpuw|{OXPUG G
G
{GGGGnwpvG}GGGzUG
pGGGGGGGGGGGnwpvGG}GGnwpvGSGGnwpvG
G|GvGGGGGGv|{w|{OYPUG G
G
~GnwpvGG|GvGGGGGGGGv|{w|{OYPGGnwpvGGGGGG
GGGslkGGGpGiSG{GGGGGGnwpvGGG
zGGGGnwpvG}GGslkGGGnwpvUG
G
~GGGˈh{Rzl{nwpvYˉSGnwpvGv|{w|{OYPGGm^\WizVm^\WijGGUG
G
cGmG`TXT\TOYPGnwpvGvGzGGslkGeG
G
G

m^\WizVm^\WijGtG}lyzpvuGWUXU]G
G
^\
`TYUG{GGTG
G
{GGkSGGGGSGGGGGGGkSGGGGG
GGGuGGm^\WizVm^\WijSUG
G
~GGGSGGGGGGGGGGUG G
G
{GGGGSGGGGGGplllGhkkylzzGGGkUG
G
`TYTXUGzGGGplllGhkkylzzGGm^\WizVm^\WijG
G
OXPGpGˈ
ˈRRRˉG
GzGGGwjGGGkGUG
~G pG
G
ˈR
RRR
ˉSG G G G m^\WizVm^\WijG G
GGGGh{TGUG
kGGGGGm^\WizVm^\WijGG
G G G UG |G G G m^\WizVm^\WijG
GGGGGGh{TGUG
G
OYPG ˈv
vr
ˉG G G G m^\WizVm^\WijSG G
ˈh{Rnl{svjhsˉG
GzGGGwjGGGlGrUG G
OZPGˈj
jvvykSWWX\\XWWWWWWWWWiSWWWW
ˉGGGGGkUG
G
G
G
G
jvvykG
aGpGGGkG{GGm^\WizVm^\WijUG
WWX\\XWWWWWWWWWiG
aGpGGGplllGhkkylzzGGm^\WizVm^\WijUG
WWWWG
aGpGGGul{~vyrGhkkylzzUG
G
O[PG{GplllGhkkylzzGˈW
WWX\\XWWWWWWWWWi
ˉGGGGGGGTUG
G
G
G
G
G
G
G

m^\WizVm^\WijGtG}lyzpvuGWUXU]G
G
^]
`TYTYUG{GGTG
G
zGGGGGGplllGhkkylzzGGGGGGGUG
G
OXPG{GGGGm^\WizVm^\WijGvuUG
OYPG m^\WizVm^\WijG G G G ˈ
ˈ{hynl{G uvuˉSG
GGGGGGGGUG G
G
G
OZPG pG ˈ
ˈRRRˉG G zG G G wjG G
m^\WizVm^\WijG UG ˈ
ˈvrˉ
G G UG mG SG G
GGTGGGGh{GjUG
G
G
G
G
G
O[PG hG ˈv
vr
ˉG G G G m^\WizVm^\WijG
ˈh{Rzl{{hynl{WWX\\XWWWWWWWWWiˉG
G zG G wjG G
GˈlˉGrUG
G
h{Rzl{{hynl{G
aGpGGGGGGGG˅G
UG
WWX\\XWWWWWWWWWi
GaGpGGGG˅GplllGhkkylzzG
G
O\PGˈv
vr
ˉGGGGm^\WizVm^\WijGGGGGGGGGGG
¡UGpGˈlyyvyˉGGSGGGGGUG
O]PG yTG m^\WizVm^\WijG
G
GGGGˈ
ˈh{ˉ
GGGGGG
m^\WizVm^\WijGGGSGUG G
G
O^PG m^\WizVm^\WijG G TG G G G G
ˈ{hynl{Gvrˉ
UG
uSGGGGTGGGGGUG
G
pGˈ
ˈ{hynl{Glyyvyˉ
GGSGm^\WizVm^\WijGGGG
plllG hkkylzzG ˈWWX\\XWWWWWWWWWiˉG G G G G G
GuGGGGGGUG
G

m^\WizVm^\WijGtG}lyzpvuGWUXU]G
G
^^
`TZUGGG
G
kGGGGGGGuUG
kGGGGGGGˈWWX\\XWWWWWWWWWiˉGGGGGGGUG
plllGhkkylzzGGGkGGGGGGGGGWWX\\XWWWWWWWWW\UG
G
`TZTXUG|hy{GGG
G
OXPG{GGGGm^\WizVm^\WijGGGjGvuUG
{GGuGGGGjUG
G
G
G
G
OYP{GGGGm^\WizVm^\WijGGGyGvuUG
{GkGGGGGuUG
pGGGGGUG
hGGˈ{
{hynl{Gvr
ˉGGUG
G
G
pSGˈ{hynl{GuvuˉGGˈ{hynl{GlyyvyˉGGSGGGGGGUG G
kGGˈ`TYTYU{GGTˉSGUG
G
G
OZPGpGˈX
XYZ[\]^_`W
ˉGGoGGGGˈlO
WWk
PˉGUG
m^\WizVm^\WijG G G OXYZ[\]^_`WPG SG jG yOWWkPSG G sG
mOWWhPGGGGUGO
kGG
G
WWhUGWWhGGGGGm^\WizVm^\WijU
P
G
G
O[PGzGkˈX
XYZ[\]^_`W
ˉGGUG
G
G
G
G
G
G
G
G
G

m^\WizVm^\WijGtG}lyzpvuGWUXU]G
G
^_
G pGzGGG|hy{GGGm^\WizVm^\WijG
G hGGGGSGGˈlˉGUG
G \ZG G G ˈlˉG G G G G G G zG G G G G G
m^\WizVm^\WijG G
G {GzGGGGGkGGGG|hy{GGGGGUG
G GGGGGGGGGGzGGGUG
G
G {GGGGGGGGzGGSGGGGGGGG
zGk˅GGUGpGGSGGGGGGGGvrGslkGG
lyyvyGslkGGGUG G G
GGGG
G
G
`TZTYUGrlGGG
G
wGGGGGGGuUG
wGGGGGGGGˈWWX\\XWWWWWWWWWiˉUG
plllGhkkylzzGGGkGGGGGGGGWWX\\XWWWWWWWWW\UG
G
OXPG{GGGGm^\WizVm^\WijGGGjGvuUG
{GGuGGGGjUG
G
G
G
G
G
G
OYPG{GGGGm^\WizVm^\WijGGGyGvuUG
{GkGGGGGuUG
pGGGGGUG
hGGˈ{
{hynl{Gvr
ˉGGUG
G
G
pSGˈ{hynl{GuvuˉGGˈ{hynl{GlyyvyˉGGSGGGGGGUG G
kGˈ`TYTYUG{GGTˉGSUG
G
G
G

m^\WizVm^\WijGtG}lyzpvuGWUXU]G
G
^`
OZPGpGrlGGGrlGGGm^\WizVm^\WijUG
G G wGrlGGGGpGiUG
rlGGGm^\WizVm^\WijGGGsGGUG
G
cGmG`TZTYGrlGGpGeG
G
O[PGrlGGˈr
rll}{WWX\\XWWWWWWWWW\
ˉGGUG
G
rll}{
GaGGGGrlGGGUG
WWX\\XWWWWWWWWW\
GaGpGGGhGGGkGGG
GrlGkG
G
G pGrlGGGrlGGGm^\WizVm^\WijUG
G pGGGsOW}PGGrlGGGm^\WizVm^\WijSGm^\WizVm^\WijG¡GGGrlG
UG
G ~GGG GGGGrlG SGm^\WizVm^\WijGGGGGG
GGGGUG
G rlGGGGGGGGGG|hy{GGGGGUG
G
G {GGGGGGGGrlGGSGGGGGGGG
rlGk˅GGUGpGGSGGGGGGGGvrGslkGG
lyyvyGslkGGGUG
G
G
G
G

m^\WizVm^\WijGtG}lyzpvuGWUXU]G
G
_W
`TZTZUGhkjGGG
G
kGGGGGGGuUG
kGGGGGGGˈWWX\\XWWWWWWWWWiˉGGGGGGGUG
plllGhkkylzzGGGkGGGGGGGGGWWX\\XWWWWWWWWW\UG
G
G
OXPG{GGGGm^\WizVm^\WijGGGjGvuUG
{GGuGGGGjUG
G
G
G
G
OYPG{GGGGm^\WizVm^\WijGGGyGvuUG
{GkGGGGGuUG
pGGGGGUG
hGGˈ{
{hynl{Gvr
ˉGGUG
G
G
pSGˈ{hynl{GuvuˉGGˈ{hynl{GlyyvyˉGGSGGGGGGUG G
kGGˈ`TYTYU{GGTˉSGUG
G
G
OZPGpGhGGGhkjGGGm^\WizVm^\WijUG
G G jG}GGGGpGiUG
hkjGGGm^\WizVm^\WijGGhGkGOW}¥XU\}PGGkGkGOWWWWW¥WWZmmPUG
G
G
cGmG`TZTZGhkjGGpGeG

m^\WizVm^\WijGtG}lyzpvuGWUXU]G
G
_X
O[PGhkjGGˈh
hkjWWWWWWX\\XWWWWWWWWW\
ˉGGG G
G
G
G
hkjWWWWa
GpGGhkjGGWWWWGGUG
WWX\\XWWWWWWWWW\aG
pG G G G G G kG G
GhkjGkUG
UG
G
G
G pGhkjGGGhkjGGGm^\WizVm^\WijUG
G {GGGGGGpGGhkkGGGGW}GGXU\}UG
G m^\WizVm^\WijGGhkjGGGGGGUG G
G G G OyGGGGGGGGn|pPG
G m^\WizVm^\WijGGhGGGGhkjGGGkGUG G
G G G OWWWWWG¥GWWZmmPG
G m^\WizVm^\WijGGGkGGGGGGUG
G hkjGGGGGGkGGGGG|hy{GGGGGUG
G
G {GGGGGGGGhkjGGSGGGGGGGG
hkjGk˅GGUGpGGSGGGGGGGGvrGslkGG
lyyvyGslkGGGUG
G
G
G
G
G
G
G
G
G
G
G
G
G
G
G
G

m^\WizVm^\WijGtG}lyzpvuGWUXU]G
G
_Y
`TZT[UGjv|u{GGG
G
OXPGzGhkjGGGvGGGGGGGˈ`TXTYUGhkjGzTˉG
G
OYPGzGjv|u{GvGGGGGjv|u{G{UG
G G G |GGGˈh{Rzl{jv|u{XˉUG
G
OZPGhGm^\WizVm^\WijGGGGGuSGGlGhkjGGG
Oh{Rzl{hkjXPSG pG G Oh{Rzl{{tyXWaG G G G G XWPSG G G
ˈh{Rzl{jv|u{XˉUGm^\WizVm^\WijGGjv|u{G}GGGGGGGGG
GGGhkjGkUG
G
O[PGjv|u{GGGUG
deGˈj
ju{WWWhWWX\\XWWWWWWWWW\
ˉGGG
ju{WWWha
Gjv|u{GGWWWhGGUG
WWX\\XWWWWWWWWW\aG
{GGGGGGkGGGjv|u{GkUG
G
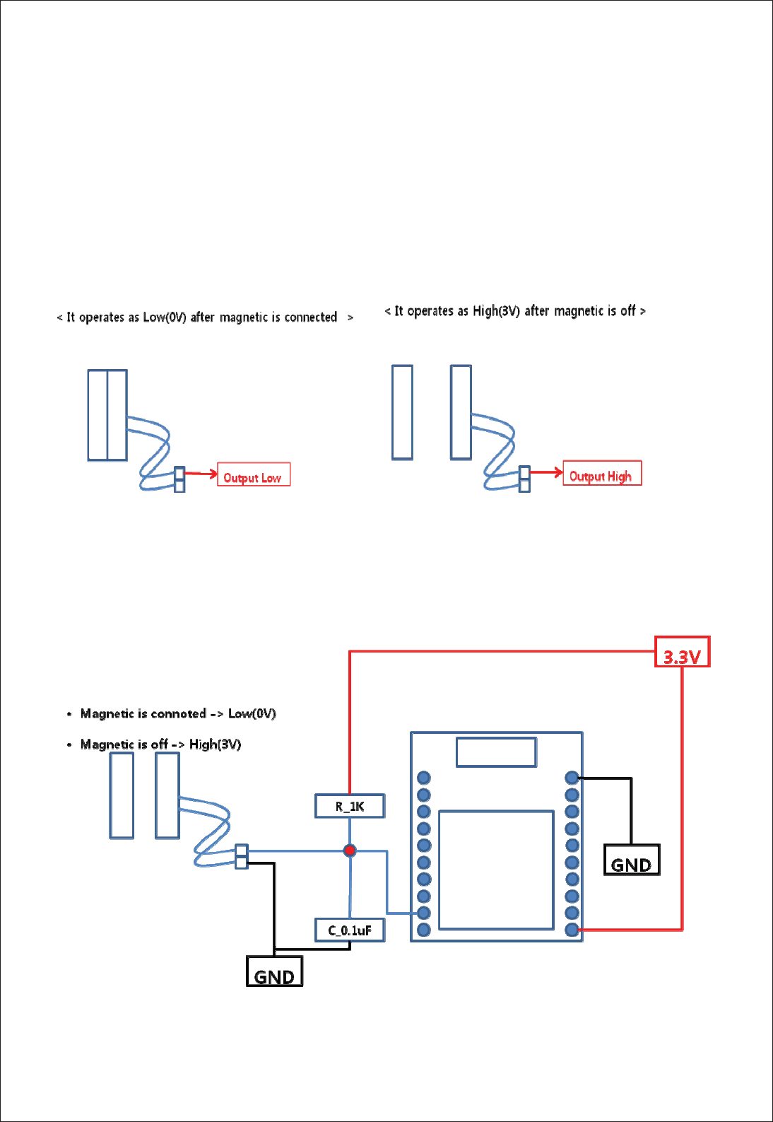
`TZT\UGnwpvGGG
G
cG{GnwpvGGGGrlGGeG
G
OXPGzGrlGGGGGGGGGGˈ`TXTZUGrlGzTˉUG
G
OYPGzGnwpvG|GGpuw|{GGnwpvGGUG
G G G |GGGˈh{Rzl{nwpvXˉUG
G
G jGGGGpGiGGnwpvUG G
G
cGmG`TZT\TOXPGnwpvGpGzGOzGz~p{joPGeG
G

m^\WizVm^\WijGtG}lyzpvuGWUXU]G
G
_Z
OZPG hG m^\WizVm^\WijG G G G G uSG GrlGGGGG
GOh{Rzl{rlXPSGGGGˈh{Rzl{nwpvXˉUGhGrlGGGSG
m^\WizVm^\WijGGnwpvGGGGGGGGGrlGkUG G
G
G
pGGGGnwpvGUG
G
cGmG`TXT\TOYPGnwpvGpGGzGeG
G
pGrlGGGGGUG
G
cGmG`TXT\TOZPGrlGGpGeG
G
G
O[PGnwpvGGGUG
G deGˈn
nw{WW^mWWX\\XWWWWWWWWW\
ˉGGG
nw{WW^ma
GpGGGnwpvGGWW^mGGUG
WWX\\XWWWWWWWWW\aG
pGGGGGGkGGGnwpvGkUG
G
G

m^\WizVm^\WijGtG}lyzpvuGWUXU]G
G
_[
cG{GnwpvGGGGhkjGGeG
G
OXPGzGhkjGGGvGGGGGGˈ`TXTYUGhkjGzTˉUG
G
OYPG{GGnwpvGkSGGnwpvG|GvGGpuw|{UG
GGGTGGGGˈh{Rzl{nwpvXˉUG
G
G jGzGGGpGiGGnwpvUG
G
cGmG`TZT\TO[PGnwpvGpGzGOzGz~p{joPGeG
G
OZPGhGm^\WizVm^\WijGGGGGuSGGlGhkjGGG
Oh{Rzl{hkjXPSGpGGOh{Rzl{{tyXWaGpGGXWGzTPSGGGˈh{Rzl{nwpvXˉUG
m^\WizVm^\WijGGnwpvG}GGGGGGGGGGGG
hkjGkUG
G
pGGGGnwpvGUG
G
cGmG`TXT\TO\PGnwpvGpGGzG
G
m^\WizVm^\WijG G nwpvG G G G G G G G G G G G G
GGGGGU
G
G

m^\WizVm^\WijGtG}lyzpvuGWUXU]G
G
_\
G ~Gjv|u{GGGGGGGGOh{Rzl{jv|u{XPSGjv|u{GGG G
G G G GGGnwpvGUG
G G G {GGnwpvGSGjv|u{GGGGGUGOh{Rzl{jv|u{WPG
GGGG
G
G
O[PGnwpvGGGGGoG{GGGGUG
G deGˈn
nw{WW^mWWX\\XWWWWWWWWW\
ˉGGUG
nw{WW^ma
G G pGGGnwpvGGWW^mGGUG
WWX\\XWWWWWWWWW\aG
pGGGGGGkGGGGnwpvGkUG
G
G
G
G
G oGGGGGnwpvGGGnwpvGUG
G G G pGGGGGnwpvGkSGGGGGGGGGGGzG
UG
G G G {GGGGGGGGnwpvGGGnwpvGUG
G
G G G XPGzGnwpvGGGm^\WizVm^\WijGGGGGGGv|{w|{UG
G G G G G G TGGGGˈh{Rzl{nwpvYGˈUG
G
G G G YPGjGGnwpvGGGslkGGGpGiUG G
G
cGmG`TZT\TO]PGnwpvGvGzGOzGslkPGeG
G
G
G

m^\WizVm^\WijGtG}lyzpvuGWUXU]G
G
_]
G G G ZPG~Gm^\WizVm^\WijGGGGGGGnwpvGkSGGkGGGG
GGGGzGUG
G G G G G G pGˈh{Rzl{nwpvYˉGGSGnwpvGGGnwpvGGGGslkGGGpGiUG
G
cGmG`TZT\TO^PGnwpvGvGjGeG
G
G
G
cGm^\WizVm^\WijGmGGGGeG
G

m^\WizVm^\WijGtG}lyzpvuGWUXU]G
G
_^
G
XWUGm^\WizVm^\WijGzTGGn|pOzluillPG
G
{G zG m^\WizVm^\WijSG G ~G n|pG G G mG GGGzGG
OoG{PG
G
mSGGGGGm^\WizVm^\WijGG
G
{GGGvuGGGGGu˅GUG
G
GGGm^\WizVm^\WijGGn|pGGGkGGGu˅GUG
G
pGGGZG¥G\GUG
G
hGGGGGm^\WizVm^\WijGvuGOpGGkGGGGmGGPSGˈyv|{lyG
z{hy{GlyyvyˉGGˈyv|{lyGz{hy{GvrˉGGSGGGGGuGGUG
G
~Gn|pGGGGGGGGu˅GUG G
G
n|pGGGGGm^\WizVm^\WijGGGlGkGGm^\WizVm^\WijGG
G G G G G UG OkG G G G G G G G G G G
GGPG
G
pGG G G G m^\WizVm^\WijGG lG kSG GGm^\WizVm^\WijG G G TG
UGGGGm^\WizVm^\WijGGn|pGGUG
G
jGm^\WizVm^\WijGGGlGkGGn|pGGGlGkGGGGGG
GGUGOlGkGGGGGGGGGXGG
GTPG
G
G
G
G
G
G
G
G
G

m^\WizVm^\WijGtG}lyzpvuGWUXU]G
G
__
{GGGGGGG~Gn|pUG
G
OXP jGm^\WizVm^\WijGGGpGiSGGGjvtGOzGPGGwjUG
OYP {GGGGm^\WizVm^\WijGvuUG
OZP jGGGGGu˅GGGUG G
G
pGGGuGGGSGz{h{|zGslkGGUGn|pGjGGUG
G
pGGkGGGGGuGGGGGGSGz{h{|zGslkGG G
UGn|pGjGGUG
G
pGGkGGGGGuG GGGGSGz{h{|zGslkGGGvuG
GvrGVlyyvyGslkGGGvmmUGn|pGGGUG
G
G
G
O[P lG~Gn|pGGGGGu˅GUG
G
G
G
G
G
G

m^\WizVm^\WijGtG}lyzpvuGWUXU]G
G
_`
XWTXUGzGGjG
G
OXPGjGˈz
zlyhpsGwvy{Gvwlu
ˉGiUG
G
G
OYPGzGGGGm^\WizVm^\WijGGGGGUG
OZPjGˈvwluˉGUG
G

m^\WizVm^\WijGtG}lyzpvuGWUXU]G
G
`W
O[PG~GGzGjGGUG
G
G
G
O\PGjGˈylhkGz{h{|zˉGUG
G
G
G

m^\WizVm^\WijGtG}lyzpvuGWUXU]G
G
`X
O]PG~GGylhkGz{h{|zGGUG
G
G
G
O^PG{GGGGGTUG
G
G
G

m^\WizVm^\WijGtG}lyzpvuGWUXU]G
G
`Y
XWTYUGv}ly}pl~G
G
OXPGjGˈv}ly}pl~ˉGUG
G
G
OYPGjGGGGGm^\WizVm^\WijUG
G
G

m^\WizVm^\WijGtG}lyzpvuGWUXU]G
G
`Z
XWTZUGsvjhsGjvumpn|yh{pvuG
G
OXPGjGˈsvjhsGjvumpn|yh{pvuˉGUG
G
G
OYPGzGsGjGGm^\WizVm^\WijUG
ˈvwlyh{pvuG tvklˉa
GzGkG{GGkG{GGlukGkl}pjlGVGyv|{lyGVGjvvykG
ˈkl}pjlGuhtlˉa
GzGGGGm^\WizVm^\WijUGOXYGGGGPG
ˈsvjhsGhkkylzzˉa
GpGGGplllGhkkylzzGGm^\WizVm^\WijG
OtGGGP
G
ˈwhylu{Gkl}pjlˉa
GpGGGwGGGGGuUG
OtGGGP
G
ˈul{~vyrGhkkylzzˉa
G G pGGGul{~vyrGhkkylzzG
OtGGGP
G
ˈwhuGpkˉa
GpGGGpGGGjUG
OtGGGPG
ˈjohuulsGpkˉa
GzGGGGuGwUOWiG¥GX`PG G
{GjGGGkGGGGGGGGGGGGG
GGGGGGuUG
OWXhG|P
G
ˈwv~lyGtvklˉa
GzGGGGGGGGGGlGkG
GGGGGGGGGGGGGt
tvklGXa
GpGGY\hGGGGGGUG
G O{GkGGGGGGGGGGGTGPG
GGGGGGGGGGGGGt
tvklGYa
GpGGYhGGGGGGUG
O{GkGGGGGGTPG
GGGGGGGGGGGGGt
tvklGZa
GpGGXhGGGGGGUG
O{GkGGGGGGTPG
G ˈ}lyzpvuˉa
GpGGGGGm^\WizVm^\WijGkUG
OtGGGP
G

m^\WizVm^\WijGtG}lyzpvuGWUXU]G
G
`[
XWT[UGv|{w|{Gjvumpn|yh{pvuG
G
OXPGjGˈv|{w|{Gjvumpn|yh{pvuˉGUG
G
OYPGzGvGjGGm^\WizVm^\WijUG
ˈ{hynl{Gkl}pjlˉa
GpGGplllGhkkylzzGGGkGGGGGGGGUG
GGGGGGGGGGGGGGGu
uvulG{hynl{a
GzGGGG˅GGGGGGUG
GGGGGGGGGGGGGGGi
iyvhkjhz{punaG
zGGGGGGGGGGUG
GGGGGGGGGGGGGGG|
|zlyGpuw|{aG
pGGplllGhkkylzzGGGUG
ˈ|zlGhkjˉa
GzGGhkjGGGUG
ˈ|zlGrlˉa
GzGGrlGGGUG
ˈ|zlGsxpˉa
GzGGyGzGGGGGUG
ˈ|zlGjv|u{ˉaG
zGGjv|u{G|GvGGUG
ˈ|zlGnwpvˉa
GzGGGnwpvUG
GGGGGGGGGGGGGGGk
kpzhisla
GnwpvGGGGUG
GGGGGGGGGGGGGGG|
|zlGpuw|{aG
nwpvGGGGGpUG
GGGGGGGGGGGGGGG|
|zlGv|{w|{aG
nwpvGGGGGvUG
ˈhkjGpu{ly}hsG{ptlGvyGwvsspunG{ptlˉa
GGGGGm^\WizVm^\WijUGOWG¥G]\WWWPG
G G G G G G G pGGGGhkjG{GGGGjGGyUGOWG¥G]\WWWPG
G G G G G G G pGGGGlGkGGGsGGGUGOWG¥GY\\PG
ˈv|{w|{Gwv~lyˉa
GzG ~G vGpG G m^\WizVm^\WijUG OtaGWWWSGaG
WXYPG
ˈyl{yGjv|u{ˉa
GzGGGGTGOWG¥G`PG

m^\WizVm^\WijGtG}lyzpvuGWUXU]G
G
`\
XWT\UGv{olyGjvumpn|yh{pvuG
G
OXPGjGˈvo{lyGjvumpn|yh{pvuˉGUG
G
OYPGzGv{olyGjGGm^\WizVm^\WijUG
G
ctGjeG
ˈkli|nGtlzzhnlˉaG
zGGkGGGGGm^\WizVm^\WijGUG
ˈz{hy{GtlzzhnlˉaG
zGGzGGGGGm^\WizVm^\WijGUG
G
c|hy{GjeG
ˈih|kGyh{lˉa
GzGGGGG|hy{UG
G
cvGjeG
ˈh|{vG kl}pjlG ylzl{ˉa
G zG G G m^\WizVm^\WijG G m^\WizVm^\WijG G G
GGGGuUG
zGGG m^\WizVm^\WijGG m^\WizVm^\WijGGGG
GGUG
ˈsv~G ih{{lyG z{h{|zG zlukˉa
G zG G i˅G G G G G G G G
m^\WizVm^\Wij˅GpG}GGYU]}UG
ˈx|pjrGsv~Gwv~lyGlu{yˉa
GzGGlGGsGGGGGG
G

m^\WizVm^\WijGtG}lyzpvuGWUXU]G
G
`]
XWT]UG~yp{lGz{h{|zG
G
OXPGjGˈ~yp{lGz{h{|zˉGUG
G
G
OYPGjGˈvrˉGUG
ˈvrˉaG
jGGGGGGGGGm^\WizVm^\WijUG
ˈyl{|yuˉaG
jGGGGGGGGGUG
ˈjhujlsˉa
GjGGGGGGGGGG~yp{lGz{h{|zGUG
G
G
G
G
G
G
G
G
G
G
G
G
G
G

m^\WizVm^\WijGtG}lyzpvuGWUXU]G
G
`^
OZPG~GGG~hp{punGtlzzhnlGGUG
G
G
O[PGzGGGGGGGGGGGUG
G
G
O\PGm^\WizVm^\WijGTGG~Gn|pGGUG
{GGGGGkGvmmGGGTGGGU
G

m^\WizVm^\WijGtG}lyzpvuGWUXU]G
G
`_
XWT^UGpup{phsplGkl}pjlG
G
pGGGGGGG¡GGkGGGGUG
hGGGGkGGGGGkGGGGGGUG
G
{G¡Gm^\WizVm^\WijGGGGSGGm^\WizVm^\WijGGn|pGGGG
~yp{lGz{h{|zUG
pup{phsplGkl}pjlGGGGGGUG
G
OXPGjGˈpup{phsplGkl}pjlˉGUG
G
G
OYPGjGˈvrˉGUG
ˈvrˉa
GpGGGG¡GGkSGGUG
ˈjhujlsˉa
GpGGGGGGSGGUG
G
G
G
G
G
G
G

m^\WizVm^\WijGtG}lyzpvuGWUXU]G
G
``
XXUGm^\WizVm^\WijGtG{pwG
G
yGGGGGGGuGGGGGGGGjUG
G
XXTXUGm^\WizVm^\WijGkG{GzTG
G
OXPGlGkGzTG
zG^\WizVm^\WijGGlGkGGjGGyGGUGOh
h{Rzl{luk
PG
{GGGGGm^\WizVm^\WijGvmmUG
G
OYPGyGzTG
zGm^\WizVm^\WijGGyGGjGGUGOh
h{Rzl{yv|{ly
PG
{GGGGGm^\WizVm^\WijGvmmUG
G
OZPGjGzTG
zGm^\WizVm^\WijGGjUGOh
h{Rzl{jvvyk
PG
{GGGGm^\WizVm^\WijGvmmUG
G
G
XXTYUGGuGjG
G
OXPG{GGGGm^\WizVm^\WijGGGjGvuUG
G
OYPG{GGGGyGGlGkGGGGGGXGkGvuUG
G G G TGGGGkGGXGkGGG_UG
G
OZPG{GGGGyGGlGkGGGGGGYGkGvuUG
G G G TGGGGkGGYGkGGGGGGyGGXGkGQG_UG
G G G TGkGGGGGXGkGGGGGGGXGkUG
G
O[PG{GGGGyGGlGkGGGGGGZGkGvuUG
G G G TGGGGkGGZGkGGGGGGyGGYGkGQG_UG
G G G TGkGGGGGXVYGkGGGGGGGXVYGkUG
G
O\PG{GGGGyGGlGkGGGGGG[GkGvuUG
G G TGGGGkGG[GkGGGGGGyGGZGkGQG_UG
G G TGkGGGGGXVYVZGkGGGGGGGXVYVZGkUG

m^\WizVm^\WijGtG}lyzpvuGWUXU]G
G
XWW
XXTZUGzTGGGMGGGG G
G
OXPGzGGGGGkGGGGuGGUG
G
G G G zGGplllGhkkylzzGGGGGGGGˈ
ˈh{Rzl{{hynl{ˉ
GG
G G G yGGkGGGGGGTGGGUG
G
GGGc
cGpGGGGGGGGGGGGGGuUGeG
G
G yGGGGG{
{G
GGGGuUG
{G{G G GG ˈ
ˈGkGGGGGGGGuˉ
SG
ˈG kG G G G G G G G G ˉ
SG ˈ
ˈG kG G
GGGGGˉ
Gˈ
ˈhjrGGGGGGkGGGGG
GˉSGGˈ{GGGGGGGuGGUˉ
GG
G
G G G {GGGGGGGjGGyGGGGGvuGUG
G
jGGyGGGGvuGGGGkUG
G
G G G pGG GlG kSGG GGG GG GG G GlGkG G GvuG
GvmmGUG
G
G G G pG G G G G G uG G G G uSG G G G G G G G G
GGGuSG G G
G G G lSGGGGlGkSGGGGUG
GO
hGGGGGGXWGkaGGY
PG
G G G {GzGGGGGGSGGGGGGGuGGUG
G
G G G kGGGGGGUG~GGGGGGGSGGG
GGGGGGGUG{GGGGGGGGSGG
GGGUG G
G
G G G pGGlGkGGhjrGGGGSGOmGGGtpjvtGG
G TPG G hjrG G G G G G G G G G G
h{Rzl{hjrX
UG G
G G G pGGSGGGGGGuGGGGUG G
G
G
G

m^\WizVm^\WijGtG}lyzpvuGWUXU]G
G
XWX
pGhjrGGGGGGGGGG lG G OmG G G
PSGGhjrGGGGGGGGGGh
h{Rzl{hjrW
GUG
pGGSGGGGGGuGGGGUG G
G
kGGGGGGmmmmmmmmmmmmmmmmOiPGGGGUG G
pGGGGGiSGGyGGGGGGGGGGUG G
{G G kG G iG G G G G G yGGGGSGGG
GGGGGGuUG G
kGGGiGGGGGGUG
G
~G m^\WizVm^\WijG G G G G G G G uG G G G
GuSGGGGGGGGuGGUG G
iGyGGGGGGGGGGuSGGGGG
GGGUG
iGGGGGGGuUG
pGGGGSGGh{GGGGGGGGGGuUG
G
G
G
hGGGGGGGuGGGGGGGTG
G
G
G
OYPGzGGGGGGGTUG
G G G {GGhkjGGSGGGˈh
h{Rzl{hkjXˉ
GGˈh
h{Rzl{{tyˉ
UG
G
GGG pGm^\WizVm^\WijGGjGGySGGGGˈh{Rzl{{tyˉGGGTGGW
WG
¥G]\WWWG
UG
G
G G G pGm^\WizVm^\WijGGlGkSGGGGˈh{Rzl{{tyˉGGW
WG¥GY\\G
UG
G
G
G
G
G
G
G
G

m^\WizVm^\WijGtG}lyzpvuGWUXU]G
G
XWY
G G G {GkGGhkjGGGGGGGhkjGGGGGUG
G G G {GGGGˈhkjWWX\WWX\\XWWWWWWWWW\GRGWWkGRGWWhˉUG
G
G G G mGGrlGGSGGGGh
h{Rzl{rlX
UG
G G G pGrlGGGGGGkSGGkGGrlGGGGGUG G
{GGGGˈrll}{WWX\\XWWWWWWWWW\GRGWWkGRGWWhˉUG
G
G G G uGGGGGGzGGUG
G G G pGzGGGGGGkSGGkGGzGGGGGUG G
{GGGGˈrll}{WWX\\XWWWWWWWWW\GRGWWkGRGWWhˉUG
UG
G G G wGlGlu{lyOWWkPGGGzGkSGGGGzGGGGUG
G G G {GGGGˈzGGGGkGRGWWkGRGWWhˉUG
G
G G G mGGjv|u{GGSGGGGh
h{Rzl{jv|u{X
UG G
wGjv|u{GGGGhkjGGGzTGGUG
G G G hGGGjv|u{GGGGGGGGUG
G G G {GGGGˈju{WWW\WWX\\XWWWWWWWWW\GRGWWkGRGWWhˉG G
G G G mGGnwpvGGSGGGGh
h{Rzl{nwpvX
OzGpuw|{PG G
zGnwpvGGGvGGpuw|{GGrlGGGGUG
zGnwpvGGGvGGpuw|{GGhkjGGGGUG
G
G G G pGrlGGGGGGnwpvG{SGGkGGnwpvGGGG
GGGGnwpvGGGrlGkUG
GG
G G G pGhkjGGGGGGnwpvG{SGGkGGnwpvGGGG
GGGGUG
G {GGGGˈnw{WW^mWWX\\XWWWWWWWWW\GRGWWkGRGWWhˉUG
G
G|
|GnwpvGzGGGpGiGGnwpvGGpUG
G
G
G hG G G G OˈkG {G zTG TeG G uG jG TeG G G
TG TeG G G {TeG G G G G G TeG hjrG G yˉPSG
GGGGGuGGGUG
G
G
G

m^\WizVm^\WijGtG}lyzpvuGWUXU]G
G
XWZ
XXT[UGz{hy{GtlzzhnlG
G
OXPGz{hy{GtlzzhnlG
G pGGGm^\WizVm^\WijGGGUG
z{hy{GtlzzhnlGGGGzGGG|hy{GUG
G
pGG˅GGGkGGGGz{hy{GtlzzhnlSGGh{GGOh{Rzl{z{htznWPUG
G
OYPGzGGz{hy{GtlzzhnlG
jvvykGz{hy{GvrG
G G G G G aGhGkGGGjGGGGuGGGUG
G G G G G G {SGGGGUG
G
GGGj
jvvykGz{hy{GlyyvyG
G G G G G aGhGkGGGjSGGGGuGjGGUG
G G G G G G pGGSGGGGuGGGUG
G G G G G G hG¡GGkGGGGGOh
h{Mm
PGGGGkGGjGSG
GGGGGGjGGjGUG
G
GGGy
yv|{lyGz{hy{GvrG
G G G G G aGhGkGGGyGGGGuGGGUG G G
G G G G G G {SGGuGlGGGGGUG
G
GGGy
yv|{lyGz{hy{GlyyvyG
G G G G G aGhGkGGGySGGGGuGjGGUG G
zGGGGjGUG
G G G G G G zGGGGyGGGGGuGGGjUG
G zGGGGGGGGGGGGjGUG
G
G
G
G
G
G
G
G
G
G

m^\WizVm^\WijGtG}lyzpvuGWUXU]G
G
XW[
GGGl
lukGz{hy{GvrG
G G G G G aGhGkGGGlGkGGGGuGGGUG G
{SGGGGUG
G
GGGl
lukGz{hy{GlyyvyG
G aGhGkGGGySGGGGuGjGGUG G
zGGGGjGUG
G G G G G G zGGGGyGGGGGuGGGjUG
G G G G G G zGGGGjGGG_GGUG
G G G G G G zGGGGyGGGGGGuGGG_GGUG
G
GGG{
{hynl{GuvuG
G G G G G aG{GGGplllGhkkylzzGGGGUG
G G G G G G pGGSGGGGGUG
G G G G G G zGGGGGGGUG
G
GGG{
{hynl{GvrG
G G G G G aG{GzTGGGGGGGplllGhkkylzzGGGUG
G G G G G G kGGGUG
G
GGG{
{hynl{GlyyvyG
G G G G G aG{GzTGGplllGhkkylzzGGGGGUG
G G G G G G zGGGGGGGGGGuUG
G G G G G G pGGGGGGGGGGSGGGGplllGhkkylzzGG
GGGGGUG
G
GGGv
vrG
GGGGGaG{GGˈvrˉGGGGm^\WizVm^\WijGGGkGGGGG G G
GGGh{GGUG
T |G G G R
RRR
GGGGkGGGGGGGGh{G
GUG
GGGGGG{GGˈvrˉGGGGGGkGGGGGh{GGGG
GUG
T |GGGˈh
h{vˉG
G G G kG G G G h{G G G G
GUG
G
G

m^\WizVm^\WijGtG}lyzpvuGWUXU]G
G
XW\
XXT\UGkli|nGtlzzhnlG
G
OXPGkli|nGtlzzhnlG
G G G pGGGGm^\WizVm^\WijGGGkGGGUG
G G G {Gkli|nGtlzzhnlGGGGzGGG|hy{GUG
G G G pGGGGGGGUG
G
G G G pGGGkGGGGkGSGGh{GjGOh{Rzl{klitznXPUG
G
OYPGzGGkli|nGtlzzhnlG
zlukG
G G G aGm^\WizVm^\WijGGGGGGUG
G G G G {GGGGGGUG
G G G
hjrvraWWWXG
G G G aGm^\WizVm^\WijGGhjrGGGGGGGGGGGUG
G {GGGGGGUG
T pGm^\WizVm^\WijGGjGkSGGjGGGUG
T pGm^\WizVm^\WijGGhkjSGrlSGGzGkSGjG}GGUG
GGGGGG
G
~hp{hjr{UvG
G G G G G aGm^\WizVm^\WijGGGGhjrGGGGGGGUG
G G G G G G {GGGGGGUG
G
G
ylzlukaXG
G G G G G aGm^\WizVm^\WijGTGGGGGUG
G G G G G G pGm^\WzVm^\WijGGGGhjrGGGGSGGkGGG
GGGGUGpGGSG{GkGGGGGGGGG
GUG{GGGGGGGUG
G G G G G G {GGGGGGUG
GGGGGGO{GGGGGGGGkGG hjrG G G G G
GO~hp{hjr{UvPPUG G
G
G
G
G

m^\WizVm^\WijGtG}lyzpvuGWUXU]G
G
XW]
uhjrvraWWWXG
G G G G G aG~GGGm^\WizVm^\WijGGGGGhjrGvGGGGˈuGhjrG
yˉGOh
h{Rzl{hjrW
PSGGGGGGyGGGUG
G {GGGGGGUG G
G G G G G G TGGGGiGGGGGGGhjrGvGGGGˈuG
hjrGyˉGOh
h{Rzl{hjrW
PUG
G G G TGpGm^\WizVm^\WijGGjGkSGGjGGGUG
G G G G G G TGpGm^\WizVm^\WijGGhkjSGrlSGGzGkSGjG}GGUG
GGGGGGG
UG
G
G G G uhjrlyyG
GGGGG
aG ~G G G m^\WizVm^\WijG G G G G hjrG vG G G G ˈuG hjrG
yˉGOh
h{Rzl{hjrW
PUG
{GGGGGGUG
G
v}lymsv~G
G G G G G aGzGGGGGG\ZUGOjaGhGGGGzGGG\ZUPG
G G G G G G p¡GGzGGSGGGGGGGGUG G
G
G
G G G }jjlyyG
G G G G G aG{GGGGm^\WizVm^\WijGGGYU\}UG
GGGGGGGGGGGGGGGGGGGGGGGG GGGGGGGGGGGGGGGGGGGGGGGGGGGGGGGGGGGGGGGGGGGGGGGGGGGGGGGGGGGGGGGGGGGGGGGGGGGGGGGGGGG
Om^\WizVm^\WijG˅GGGGGGGGGYU\}PG
GGGGG
G
G G G ih{sv~G
G G aG{GGGGm^\WizVm^\WijGGYU]}UG G
G G G G pGGGGGGGGGGSGGiGvGGGGG
GGGh
h{Rzl{ih{{lyXUG
{GkGGGGGGGGG
G G G ˈˈih{Y]WWWWX\\XWWWWWWWWW\ˉG G G G G
G
^\WizVm^\WiG
GYU]}SG
G G G G pGG˅GGGGGGSGGGG
h{Rzl{ih{{lyWU
GG
GGGGGGG
G
G
G

m^\WizVm^\WijGtG}lyzpvuGWUXU]G
G
XW^
XXT]UGylzl{Gvw{pvuG
G
OXPGylzl{Gvw{pvuG
m^\WizVm^\WijGGGGGGuUG
G
vGGGGm^\WizVm^\WijGGGvuSGGGG G G G
GuUGhGGGuGwSGGkGGˈ
ˈyv|{lyGz{hy{Gvrˉ
GG
ˈlukGz{hy{Gvrˉ
UG{GGzTGGGUG
G
m^\WizVm^\WijGGˈ
ˈyv|{lyGz{hy{Glyyvyˉ
GGˈ
ˈlukGz{hy{Glyyvyˉ
GGGGGG
uGGGGkGGGGGGuUG G
G
{GGTGGGGGUG
GG
{GGGGm^\WizVm^\WijGvuSGGGGkGGGGGGuUG
pG m^\WizVm^\WijG G G G ˅G hSG m^\WizVm^\WijG G G G G
GGGGGGuUG
G
pGGGGGm^\WizVm^\WijGGGGGGuGGGGG
GGSGˈ
ˈ{hynl{Gvrˉ
GGUGkGGGGGUG
pGG GGG m^\WizVm^\WijGGGGGG G uGG G G
GGSG
Gˈ{hynl{Glyyvyˉ
GGUG
G
G
~Gylzl{Gvw{pvuGGGGGGGGGh{Rzl{ylzl{XGSGm^\WizVm^\WijGG
G G G G G uG G G G G GG G SG m^\WizVm^\WijG G
UG
G
~Gylzl{Gvw{pvuGGGGGGGGGh{Rzl{ylzl{WGSGm^\WizVm^\WijGG
GGGGGuGGGGGGGGSGm^\WizVm^\WijGGG
GGGGGGUG
G
G
G
G
G
G

m^\WizVm^\WijGtG}lyzpvuGWUXU]G
G
XW_
XXT^UGoGGGm^\WizVm^\WijGGtGzGMGzTGGG
G
{GGGGGGGGGGGUG
G
OXPGjGGGG
G
jGGGGGGGUG
G
G
G
OYPGjGGm^\WizVm^\WijGGGG
G
{GGGGGGm^\WizVm^\WijGGGUG
G
G
G
G

m^\WizVm^\WijGtG}lyzpvuGWUXU]G
G
XW`
OZPGm^\WizVm^\WijGTGGGGtGG
G
zGm^\WizVm^\WijGGlGkGGGGGGUG G
G
pGGGGGGGm^\WizVm^\WijUG
G
ྙGm^\WizVm^\WijGGGGGGGGXUGOGGGGGGG
PG
G
{G G G G G m^\WizVm^\WijG ¡G G G G G G
GGGGUG
G
G
G
m^\WizVm^\WijG G G G G XG ¡G G G G G G G
GGGrlGGGGGsGGoUG{
{GGGGGG
GGGGU
G
G
pGGGGGGGGSGGGGGGGUG G
G
G
m^\WizVm^\WijGGGGGGGGGTGGGGG
GGGXUG G
G
pGGGGGGGGSGGGGGGGGGUG
G
G
G

m^\WizVm^\WijGtG}lyzpvuGWUXU]G
G
XXW
ྚGm^\WizVm^\WijG G G G G G G G ZUG OjG G G G G G
GzGGlPG
G
{G G G G G m^\WizVm^\WijG ¡G G G G G G
GGGGUG
G
m^\WizVm^\WijGGGGGGZG¡GGGGGGG
GGGrlGGGsUG{
{GGGGGGGG
GGUG
pGGGGGGGGSGGGGGGGUG
G
m^\WizVm^\WijG G G G G TG G G G G G
GZUG
pGGGGGGGSGm^\WizVm^\WijGGGUG G
G
pGGGGGGGGGGOGGGPSG
m^\WizVm^\WijGGGUG G
G
G pG m^\WizVm^\WijG G G G G G G G G G G SG G
GGGGSGGGGGGGGGGGG
UG pG G SG m^\WizVm^\WijG G G G G G sG G G G G
GGGGGGGGUGOsGGGGXPSGm^\WizVm^\WijG
GGGGGsGGGGGGGGGGGGG
OsGGGGZGPUG
G
G pG G G G G G G G G G G SG G G G G
m^\WizVm^\WijGGGGGGGGGGU
G

m^\WizVm^\WijGtG}lyzpvuGWUXU]G
G
XXX
XYUGh{TjG
G
XYTXUGjGjG
jGjG pG h{GjG
XG h
h{Rzl{luk
lu{lyG
YG h
h{Rzl{yv|{ly
lu{lyG
ZG h
h{Rzl{jvvyk
lu{lyG
[G h
h{Rzl{hkjX
lu{lyG
\G h
h{Rzl{hkjW
lu{lyG
]G h
h{Rzl{rlX
lu{lyG
^G h
h{Rzl{rlW
lu{lyG
_G h
h{Rzl{jv|u{X
lu{lyG
`G h
h{Rzl{jv|u{W
lu{lyG
XWG h
h{Rzl{{ty]W
lu{lyG
XXG h
h{Rzl{{hynl{XYZ[\]^_`WXYZ[\]
lu{lyG
XYG h
h{Rzl{kl}uhtlXYZ[\]^_`WXY
lu{lyG
XZG h
h{Rzl{ih|k`]WW
lu{lyG
X[G h
h{Rzl{johuulsWi
lu{lyG
X\G h
h{Rzl{yl{yZ
lu{lyG
X]G h
h{Rzl{hjrX
lu{lyG
X^G h
h{Rzl{hjrW
lu{lyG
X_G h
h{Rzl{wtvklX
lu{lyG
X`G h
h{Rzl{z{htznX
lu{lyG
YWG h
h{Rzl{z{htznW
lu{lyG
YXG h
h{Rzl{klitznX
lu{lyG
YYG h
h{Rzl{klitznW
lu{lyG
YZG h
h{Rzl{{wv~lyWW
lu{lyG
Y[G h
h{Rzl{sxpX
lu{lyG
Y\G h
h{Rzl{sxpW
lu{lyG
Y]G h
h{Rzl{ylzl{X
lu{lyG
Y^G h
h{Rzl{ylzl{W
lu{lyG
Y_G h
h{Rzl{swx|pjrX
lu{lyG
G
Y`G h
h{Rzl{swx|pjrW
lu{lyG
G
ZWG h
h{Rzl{ih{{lyX
lu{lyG
G
ZXG h
h{Rzl{ih{{lyW
lu{lyG
G
ZYG h
h{Rzl{nwpvW
lu{lyG
G
ZZG h
h{Rzl{nwpvX
lu{lyG
G
zGjG
Z[G h
h{Rzl{nwpvY
lu{lyG
G
G

m^\WizVm^\WijGtG}lyzpvuGWUXU]G
G
XXY
Z\G h
h{Rnl{whu
lu{lyG
Z]G h
h{Rnl{}ly
lu{lyG
Z^G h
h{Rnl{{ty
lu{lyG
Z_G h
h{Rnl{hjr
lu{lyG
Z`G h
h{Rnl{rl
lu{lyG
[WG h
h{Rnl{hkj
lu{lyG
[XG h
h{Rnl{sxp
lu{lyG
[YG h
h{Rnl{ih|k
lu{lyG
[ZG h
h{Rnl{svjhs
lu{lyG
[[G h
h{Rnl{jv|u{
lu{lyG
[\G h
h{Rnl{yl{y
lu{lyG
[]G h
h{Rnl{wtvkl
lu{lyG
[^G h
h{Rnl{{hynl{
lu{lyG
[_G h
h{Rnl{whylu{
lu{lyG
[`G h
h{Rnl{z{htzn
lu{lyG
\WG h
h{Rnl{klitzn
lu{lyG
\XG h
h{Rnl{johuuls
lu{lyG
\YG h
h{Rnl{{wv~ly
lu{lyG
\ZG h
h{Rnl{kl}uhtl
lu{lyG
\[G h
h{Rnl{ylzl{
lu{lyG
\\G h
h{Rnl{swx|pjr
lu{lyG
G
\]G h
h{Rnl{ih{{ly
lu{lyG
G
nGjG
\^G h
h{Rnl{nwpv
lu{lyG
G
G
G
\_G h
h{Rylxhkky
lu{lyG
\`G h
h{Rylxl{hkkyXYZ[
lu{lyG
yGjG
]WG h
h{Rylxu~rhkkyXYZ[\]^_`WXYZ[\]
lu{lyG
G
G
]XG R
RRRG
]YG h
h{
lu{lyG
]ZG h
h{v
lu{lyG
][G h
h{
lu{lyG
zGjG
]\G h
h{Mm
lu{lyG
G

m^\WizVm^\WijGtG}lyzpvuGWUXU]G
G
XXZ
XYTYUGmGGh{GjG G
G
XYTYTXUGh
h{Rzl{luk
G
mG m^\WizVm^\WijGGGGlGkGGGGh
h{Rzl{luk
UG
yG vrWWkWWhG
kG {GGGGGGSGGGGGm^\WizVm^\WijGGGGG
GGGkUG
lUG oGTeGm^\WizVm^\WijGaGh{Rzl{luklu{lyG
m^\WizVm^\WijGTeGoGaGvrWWkWWhG
G
XYTYTYUGh
h{Rzl{yv|{ly
G
mG m^\WizVm^\WijGGGGyGGGGh
h{Rzl{yv|{ly
UG
yG vrWWkWWhG
kG {GGGGGGSGGGGGm^\WizVm^\WijGGGGG
GGGkUG
lUG oGTeGm^\WizVm^\WijGaGh{Rzl{yv|{lylu{lyG
m^\WizVm^\WijGTeGoGaGvrWWkWWhG
G
XYTYTZUGh
h{Rzl{jvvyk
G
mG m^\WizVm^\WijGGGGjGGGGh
h{Rzl{jvvykU
GG
yG vrWWkWWhG
kG {GGGGGGSGGGGGm^\WizVm^\WijGGGGG
GGGkUG
lUG oGTeGm^\WizVm^\WijGaGh{Rzl{jvvyklu{lyG
m^\WizVm^\WijGTeGoGaGvrWWkWWhG
G
XYTYT[UGh
h{Rzl{hkjX
G
mG hkjGGGGGGGGGGGh
h{Rzl{hkjX
UG
yG vrWWkWWhG
kG
hGGGGhkjGGGGGm^\WizVm^\WijGGGG
GGGkGkUGm^\WizVm^\WijGGGkGGGGG
UG
GGW}GGXU\}GGGGGhkjGUG
{GGGGGGGGzUG
lUG oGTeGm^\WizVm^\WijGaGh{Rzl{hkjXlu{lyG
m^\WizVm^\WijGTeGoGaGvrWWkWWhG
G
G

m^\WizVm^\WijGtG}lyzpvuGWUXU]G
G
XX[
XYTYT\UGh
h{Rzl{hkjW
G
mG hkjGGGGGGGGGGGh
h{Rzl{hkjW
UG
yG vrWWkWWhG
kG TG
lUG oGTeGm^\WizVm^\WijGaGh{Rzl{hkjWlu{lyG
m^\WizVm^\WijGTeGoGaGvrWWkWWhG
G
G
XYTYT]UGh
h{Rzl{rlX
G
mG rlGGGGGGGGGGGh
h{Rzl{rlX
UG
yG vrWWkWWhG
kG
m^\WizVm^\WijGGGGGrlGGGGGGG
GGUG
pG m^\WizVm^\WijGG G G jG G ySG rlG G G sv~G OW}PG
GGrlGUG
m^\WizVm^\WijGGGGlGkGGGGGGXSGrlGG
GGGGGsv~OW}PGGoOZ}PUG
m^\WizVm^\WijGGGGlGkGGGGGGYGGZSGrlG
GGsv~GGOW}PU
G
lUG oGTeGm^\WizVm^\WijGaGh{Rzl{rlXlu{lyG
m^\WizVm^\WijGTeGoGaGvrWWkWWhG
G
G
XYTYT^UGh
h{Rzl{rlW
G
mG rlGGGGGGGGGGGh
h{Rzl{rlWU
G
yG vrWWkWWhG
kG
m^\WizVm^\WijG G G G G G G rlG GGGG
GGGGGGUG
pGm^\WizVm^\WijGGGGlGkGGGrlGkSGTGGGG
G G G G G G G G rlG SG G G G
GrlGGGGGUG
vGlG kG GGG G GG SG GGG G
GGUG
lGkGGGGGGTUG
lUG oGTeGm^\WizVm^\WijGaGh{Rzl{rlWlu{lyG
m^\WizVm^\WijGTeGoGaGvrWWkWWhG
G
G

m^\WizVm^\WijGtG}lyzpvuGWUXU]G
G
XX\
XYTYT_UGh
h{Rzl{jv|u{X
G
mG jv|u{GGGGGGGGGGGh
h{Rzl{jv|u{X
UG
yG vrWWkWWhG
kG
m^\WizVm^\WijG G G pG oG jG G G G G G
GpGUG G
{GGjv|u{GkSGhkjGGGGGGGGUGpGG
SGm^\WizVm^\WijGGpGGGGGhkjGkUG
pGGGGGWGG\WWWWUGOWWWWWG¥GWjZ\WPG
lUG oGTeGm^\WizVm^\WijGaGh{Rzl{jv|u{Xlu{lyG
m^\WizVm^\WijGTeGoGaGvrWWkWWhG
G
G
XYTYT`UGh
h{Rzl{jv|u{W
G
mG jv|u{GGGGGGGGGGGh
h{Rzl{jv|u{W
G
yG vrWWkWWhG
kG TG
lUG oGTeGm^\WizVm^\WijGaGh{Rzl{jv|u{Wlu{lyG
m^\WizVm^\WijGTeGoGaGvrWWkWWhG
G
G
XYTYTXWUGh
h{Rzl{{ty]W
G
mG pGGGm^\WizVm^\WijGGGGGGh
h{Rzl{{ty]W
G
yG vrWWkWWhG
kG
m^\WizVm^\WijGGhkjVjv|u{GGGGGGGTGGG
GGGUG G
jG G yG G hkjVjv|u{G G G G UG OG ]WaG hG
kGGhkjVjv|u{GGGGGGG]WPG
lGkGGTGGGGGGGGGUG
OGG]WGaGTGGGGGGGGGGGG
]WGPG
pGGGGGpGUGOUG\GTeG\SGXGTeG]WPG
wGGGpGGGGjGGyGGGWGG]\WWWUGOtG
X_PG
wGGGpGGGGlGkGGGWGGY\\UGOtG[GYWPG
pGGGGGGm^\WizVm^\WijGGUG
lUG oGTeGm^\WizVm^\WijGaGh{Rzl{{ty]Wlu{lyG
m^\WizVm^\WijGTeGoGaGvrWWkWWhG
G

m^\WizVm^\WijGtG}lyzpvuGWUXU]G
G
XX]
XYTYTXXUGh
h{Rzl{{hynl{XYZ[\]^_`WXYZ[\]
G
mG m^\WizVm^\WijG G G G G G G G G G G
G
h{Rzl{{hynl{XYZ[\]^_`WXYZ[\]
G
yG vrWWkWWhG
kG
plllGhkkylzzGGGGGGX]UG
~Gm^\WizVm^\WijGGSGGm^\WizVm^\WijGGGGGG
GGGGGGGGplllGhkkylzzGGGGUG
pGGGGGGGGSGGGGGGGGGG
m^\WizVm^\WijUG
pGGGGm^\WizVm^\WijGGUG
lUG oGTeGm^\WizVm^\WijGaGh{Rzl{{hynl{XYZ[\]^_`WXYZ[\]lu{lyG
m^\WizVm^\WijGTeGoGaGvrWWkWWhG
G
G
G
XYTYTXYUGh
h{Rzl{kl}uhtlXYZ[\]^_`WXY
G
mG hGGGm^\WizVm^\WijGGGGGGh
h{Rzl{kl}uhtlXYZ[\]^_`WXY
UG
yG vrWWkWWhG
kG
hGGGGGGGGXYGUG
pGGkGGplllGhkkylzzGGG¡GSGm^\WizVm^\WijGG
GplllGhkkylzzGGGUGOh{RylxhkkyPG
lUG oGTeGm^\WizVm^\WijGaGh{Rzl{kl}uhtlXYZ[\]^_`WXYlu{lyG
m^\WizVm^\WijGTeGoGaGvrWWkWWhG
G
G
G
XYTYTXZUGh
h{Rzl{ih|k`]WW
G
mG |hy{GjGGGGGGGGh
h{Rzl{ih|k`]WW
UG
yG vrWWkWWhG
kG
wGGGGGG`]WWSGX`YWWSGZ_[WWSG\^]WWSGXX\YWWSGG
YZW[WWUG
{GG|hy{GjGGSGGGGGm^\WizVm^\WijUG
lUG oGTeGm^\WizVm^\WijGaGh{Rzl{ih|k`]WWlu{lyG
m^\WizVm^\WijGTeGoGaGvrWWkWWhG
G
G
G

m^\WizVm^\WijGtG}lyzpvuGWUXU]G
G
XX^
XYTYTX[UGh
h{Rzl{johuulsWi
G
mG hGGGGm^\WizVm^\WijGGGGGGh
h{Rzl{johuulsWi
GG
yG vrWWkWWhG
kG
wGGGGWiSGWjSGWkSGWlSGWmSGXWSGXXSGXYSGXZSGX[SGX\SGX]SGX^SGX_SG
GX`UG
{GGGGGSGGGGGm^\WizVm^\WijUG
lUG oGTeGm^\WizVm^\WijGaGh{Rzl{johuulsWilu{lyG
m^\WizVm^\WijGTeGoGaGvrWWkWWhG
G
G
G
G
G
XYTYTX\UGh
h{Rzl{yl{yZ
G
mG uGGGTGGGGGGh
h{Rzl{yl{yZ
G
yG vrWWkWWhG
kG
pG m^\WizVm^\WijG G G hjrG G G G SG G
m^\WizVm^\WijGGGGUG
wGGGTGGGWGG`UG
lUG oGTeGm^\WizVm^\WijGaGh{Rzl{yl{yZlu{lyG
m^\WizVm^\WijGTeGoGaGvrWWkWWhG
G
G
G
G
G
XYTYTX]UGh
h{Rzl{hjrX
G
mG hjrGGGGGGGGGGGGh
h{Rzl{hjrX
UG
yG vrWWkWWhG
kG
hGGGSGm^\WizVm^\WijG¡GGG{GG
GGGhjrUG G
hjrGGGGGGGGGGGGGhjrGGGGG
UG
lUG oGTeGm^\WizVm^\WijGaGh{Rzl{hjrXlu{lyG
m^\WizVm^\WijGTeGoGaGvrWWkWWhG
G
G
G

m^\WizVm^\WijGtG}lyzpvuGWUXU]G
G
XX_
XYTYTX^UGh
h{Rzl{hjrW
G
mG hjrGGGGGGGGGGGG
h{Rzl{hjrW
UG
yG vrWWkWWhG
kG hGGGSGm^\WizVm^\WijG¡GGG{GG
GGGhjrG
lUG oGTeGm^\WizVm^\WijGaGh{Rzl{hjrWlu{lyG
m^\WizVm^\WijGTeGoGaGvrWWkWWhG
G
G
XYTYTX_UGh
h{Rzl{wtvklX
G
mG hGGGGGGGGGGh
h{Rzl{wtvklX
UG
yG vrWWkWWhG
kG
pGm^\WizVm^\WijGGGGlGkSGpGGGGGGUG
wtvklXaGGkGGGY\hGGGGGGUG G
~TGGGm^\WizVm^\WijaGpGSGrlGpSGyG
m^\WizVm^\WijGGGUGOGGGGGyPG
wtvklYaGGkGGGYhGGGGGGG
~TGGGm^\WizVm^\WijaGpGSGrlGpSGyG
G m^\WizVm^\WijGGGGTGUG
wtvklZaGGkGGGYhGGGGGGG
~TGGGm^\WizVm^\WijGaGrlGpSGyG
m^\WizVm^\WijGGGGTGUG
lUG oGTeGm^\WizVm^\WijGaGh{Rzl{wtvklXlu{lyG
m^\WizVm^\WijGTeGoGaGvrWWkWWhG
G
G
XYTYTX`UGh
h{Rzl{z{htznX
G
mG tGGzGGGGGGGGG
Gh{Rzl{z{htznXU
G
yG vrWWkWWhG
kG
~Gm^\WizVm^\WijGGGGGSGGGGGzGG
GUG
zG G G m^\WizVm^\WijaG yv|{lyG z{hy{G lyyvySG yv|{lyG z{hy{G vrSG
{hynl{GuvuSG{hynl{GlyyvySG{hynl{GvrSGvrOGh{vGpPG
lUG oGTeGm^\WizVm^\WijGaGh{Rzl{z{htznXlu{lyG
m^\WizVm^\WijGTeGoGaGvrWWkWWhG
G
G

m^\WizVm^\WijGtG}lyzpvuGWUXU]G
G
XX`
XYTYTYWUGh
h{Rzl{z{htznW
G
mG tGGzGGGGGGGGG
Gh{Rzl{z{htznWU
G
yG vrWWkWWhG
kG
~Gm^\WizVm^\WijGGGGGSGGGSGGGG
kUG
zG G G m^\WizVm^\WijaG yv|{lyG z{hy{G lyyvySG yv|{lyG z{hy{G vrSG
{hynl{GuvuSG{hynl{GlyyvySG{hynl{GvrSGvrOGh{vGpPG
lUG oGTeGm^\WizVm^\WijGaGh{Rzl{z{htznWlu{lyG
m^\WizVm^\WijGTeGoGaGvrWWkWWhG
G
G
G
G
G
XYTYTYXUGh
h{Rzl{klitznX
G
mG tGGGGGGGGGGGGh
h{Rzl{klitznX
UG
yG vrWWkWWhG
kG
~Gm^\WizVm^\WijGGGGGSGpGGGGGGG
GGzUG
kG G G m^\WizVm^\WijaG zlukSG hjrvraWWWXSG ~hp{hjr{UvSG
ylzlukaXSG}jjlyySGuhjrvrSGuhjrlyySGv}lymsv~SGih{sv~G
lUG oGTeGm^\WizVm^\WijGaGh{Rzl{klitznXlu{lyG
m^\WizVm^\WijGTeGoGaGvrWWkWWhG
G
G
G
G
G
XYTYTYYUGh
h{Rzl{klitznW
G
mG tGGGGGGGGGGGGh
h{Rzl{klitznW
GUG
yG vrWWkWWhG
kG ~Gm^\WizVm^\WijGGGGGSGpGGGGGGG
GGGGzUG
lUG oGTeGm^\WizVm^\WijGaGh{Rzl{klitznWlu{lyG
m^\WizVm^\WijGTeGoGaGvrWWkWWhG
G
G

m^\WizVm^\WijGtG}lyzpvuGWUXU]G
G
XYW
XYTYTYZUGh
h{Rzl{{wv~lyWW
G
mG ~GvG}GGm^\WizVm^\WijGGGGGGh
h{Rzl{{wv~lyWWU
yG vrWWkWWhG
kG
GGGGWWSGWXSGWYSGWZSGW[SGW\SGW]SGW^SGW_SGW`SGWhSGWiSGWjSGWkSGWlSGWmSG
XWSGXXSGGXYGGGG~GvG}UG
hGGGGWWUGhGGGGXYUG
lUG oGTeGm^\WizVm^\WijGaGh{Rzl{{wv~lyWWlu{lyG
m^\WizVm^\WijGTeGoGaGvrWWkWWhG
G
G
XYTYTY[UGh
h{Rzl{sxpX
G
mG yG zG vG G yG G G G G G G G G G
h{Rzl{sxpXU
G
yG vrWWkWWhG
kG m^\WizVm^\WijGGGyGzGGGGUG
oSGm^\WizVm^\WijGGGGGGGUG
lUG oGTeGm^\WizVm^\WijGaGh{Rzl{sxpXlu{lyG
m^\WizVm^\WijGTeGoGaGvrWWkWWhG
G
G
XYTYTY\UGh
h{Rzl{sxpW
G
mG yG zG vG G yG G G G G G G G G G
h{Rzl{sxpWU
G
yG vrWWkWWhG
kG TG
lUG oGTeGm^\WizVm^\WijGaGh{Rzl{sxpWlu{lyG
m^\WizVm^\WijGTeGoGaGvrWWkWWhG
G
G
XYTYTY]UGh
h{Rzl{ylzl{X
G
mG
pGGGm^\WizVm^\WijGGGGGGGuGGGG
G G G G SG kG yTG G G G G G GGG
h{Rzl{ylzl{XU
G
yG vrWWkWWhG
kG m^\WizVm^\WijG G G G G G G G G GvuUGpGGG
GGGSGm^\WizVm^\WijGGGUG
lUG oGTeGm^\WizVm^\WijGaGh{Rzl{ylzl{Xlu{lyG
m^\WizVm^\WijGTeGoGaGvrWWkWWhG

m^\WizVm^\WijGtG}lyzpvuGWUXU]G
G
XYX
XYTYTY^UGh
h{Rzl{ylzl{W
G
mG
pGGGm^\WizVm^\WijGGGGGGGuGGGG
G G G G SG kG yTG G G G G GGGG
h{Rzl{ylzl{WU
G
yG vrWWkWWhG
kG m^\WizVm^\WijG G G G G G G G G GvuUGpGGG
GGGSGm^\WizVm^\WijGGGGGGGGGUG
lUG oGTeGm^\WizVm^\WijGaGh{Rzl{ylzl{Wlu{lyG
m^\WizVm^\WijGTeGoGaGvrWWkWWhG
G
G
XYTYTY_UGh
h{Rzl{swx|pjrX
G
mG pGGGGkSGGGGlGkGGGGGGG
GGGGGGGGGh
h{Rzl{swx|pjrXU
G
yG vrWWkWWhG
kG
lG kG G G TG G G G G G G G G
XGGG UGoGG kGGG GGGG
GGGGGXUG
lUG oGTeGm^\WizVm^\WijGaGh{Rzl{swx|pjrXlu{lyG
m^\WizVm^\WijGTeGoGaGvrWWkWWhG
G
G
XYTYTY`UGh
h{Rzl{swx|pjrW
G
mG pG G G G kSG G G G G lG kG G G G G G
GGGGGGGGGGh
h{Rzl{swx|pjrWU
G
yG vrWWkWWhG
kG TG
lUG oGTeGm^\WizVm^\WijGaGh{Rzl{swx|pjrWlu{lyG
m^\WizVm^\WijGTeGoGaGvrWWkWWhG
G
G
XYTYTZWUGh
h{Rzl{ih{{lyX
G
mG pGGGGGGGm^\WizVm^\WijGGYU]}SGGm^\WizVm^\WijG
GGGGGGGGG
Gh{Rzl{ih{{ly
GX
XU
G
yG vrWWkWWhG
kG m^\WizVm^\WijGGGˈih{Y]WWWWX\\XWWWWWWWW\ˉGGGGUG
lUG oGTeGm^\WizVm^\WijGaGh{Rzl{ih{{lyXlu{lyG
m^\WizVm^\WijGTeGoGaGvrWWkWWhG

m^\WizVm^\WijGtG}lyzpvuGWUXU]G
G
XYY
XYTYTZXUGh
h{Rzl{ih{{lyW
G
mG pGGGGGGGm^\WizVm^\WijGGYU]}SGGm^\WizVm^\WijG
GGGGGGGGGGG
Gh{Rzl{ih{{lyWU
G
yG vrWWkWWhG
kG TG
lUG oGTeGm^\WizVm^\WijGaGh{Rzl{ih{{lyWlu{lyG
m^\WizVm^\WijGTeGoGaGvrWWkWWhG
G
G
G
G
XYTYTZYUGh
h{Rzl{nwpvW
G
mG nwpvGGGGGGGGGGh
h{Rzl{nwpvW
G
yG vrWWkWWhG
kG TG
lUG oGTeGm^\WizVm^\WijGaGh{Rzl{nwpvWlu{lyG
m^\WizVm^\WijGTeGoGaGvrWWkWWhG
G
G
G
G
XYTYTZZUGh
h{Rzl{nwpvX
G
mG nwpvGGGGGGGpGGGGh
h{Rzl{nwpvXU
G
yG vrWWkWWhG
kG
~Gm^\WizVm^\WijGGnwpvGGGGGGGGGG
G OsVoPG G G nwpvG SG m^\WizVm^\WijG G G G G G G
pUG
nwpvGGGG_GUGOnwpvGWG¥GnwpvG^PG
{GGGGGnwpvGGGoOXPUGpGGSGGkGGnwpvGG
G G SG G G G G G G UG {GGGG
WWmmOXXXXXXXXPUG{GGGGGˈWWˉGGGkUG
pGm^\WizVm^\WijGGnwpvGGGGGSGGGGG
ˈnw{WWZmWWX\\XWWWWWWWWWiˉUOZmGdGWWXXXXXXPG
lUG oGTeGm^\WizVm^\WijGaGh{Rzl{nwpvXlu{lyG
m^\WizVm^\WijGTeGoGaGvrWWkWWhG
G
G
G

m^\WizVm^\WijGtG}lyzpvuGWUXU]G
G
XYZ
XYTYTZ[UGh
h{Rzl{nwpvY
G
mG nwpvGGGGGGGvGGGGh
h{Rzl{nwpvYU
G
yG vrWWkWWhG
kG
{GG G nwpvGG GOsVoPSGnwpvG G G GGG G G
vUG
nwpvGGGG_GUGOnwpvGWG¥GnwpvG^PG
{GGGGGnwpvGGoGOXPUGpGGSGGnwpvGGm^\WizVm^\WijG
GGGoGGGGGGnwpvGGUGOmmGdGXXXXXXXXPG
pG m^\WizVm^\WijG G ˈnw{WWZmWWX\\XWWWWWWWWWiˉSG G kG G
ZmOWWXXXXXXPGGnwpvGUG
lUG oGTeGm^\WizVm^\WijGaGh{Rzl{nwpvYlu{lyG
m^\WizVm^\WijGTeGoGaGvrWWkWWhG
G
G
XYTYTZ\UGh
h{Rnl{whu
G
mG whuGpkGGGGuGGGGzGGGGh
h{Rnl{whu
UG
yG W^_kWWkWWhG
kG vGwhuGpkGGGGGGUG
lUG oGTeGm^\WizVm^\WijGaGh{Rnl{whulu{lyG
m^\WizVm^\WijGTeGoGaGW^_kWWkWWhG
G
G
XYTYTZ]UGh
h{Rnl{}ly
G
mG {GGGm^\WizVm^\WijGGGGzGGGGh
h{Rnl{}lyU
G
yG m^\WG}WUYUWWWkWWhG
kG TG
lUG oGTeGm^\WizVm^\WijGaGh{Rnl{}lylu{lyG
m^\WizVm^\WijGTeGoGaGm^\WG}WUYUWWWkWWhG
G
G
XYTYTZ^UGh
h{Rnl{{ty
G
mG {G pG G zG G G m^\WizVm^\WijG G G G zG G G
Gh
h{Rnl{{ty
UG
yG XWWWkWWhG
kG {GGGGGUG
lUG oGTeGm^\WizVm^\WijGaGh{Rnl{{tylu{lyG
m^\WizVm^\WijGTeGoGaGXWWWkWWhG
G

m^\WizVm^\WijGtG}lyzpvuGWUXU]G
G
XY[
XYTYTZ_UGh
h{Rnl{hjr
G
mG hjrGGGGGGzGGGGh
h{Rnl{hjr
UG
yG XWWkWWhG
kG XGGSGGGGGGGUG G
WGGSGGGGGGGGUG
lUG oGTeGm^\WizVm^\WijGaGh{Rnl{hjrlu{lyG
m^\WizVm^\WijGTeGoGaGXWWkWWhG
G
G
XYTYTZ`UGh
h{Rnl{rl
G
mG rlGGGGGGzGGGGh
h{Rnl{rl
UG
yG XWWkWWhG
kG XGGSGGGGGGGUG G
WGGSGGGGGGGGUG
lUG oGTeGm^\WizVm^\WijGaGh{Rnl{rllu{lyG
m^\WizVm^\WijGTeGoGaGXWWkWWhG
G
G
XYTYT[WUGh
h{Rnl{hkj
G
mG hkjGGGGGGzGGGGh
h{Rnl{hkj
UG
yG WWWkWWhG
kG XGGSGGGGGGGUG G
WGGSGGGGGGGGUG
lUG oGTeGm^\WizVm^\WijGaGh{Rnl{hkjlu{lyG
m^\WizVm^\WijGTeGoGaGWWWkWWhG
G
G
XYTYT[XUGh
h{Rnl{sxp
G
mG sxpGGGGGGzGGGGh
h{Rnl{sxp
UG
yG WWWkWWhG
kG XGGSGGGGGGGUG G
WGGSGGGGGGGGUG
lUG oGTeGm^\WizVm^\WijGaGh{Rnl{sxplu{lyG
m^\WizVm^\WijGTeGoGaGWWWkWWhG
G
G

m^\WizVm^\WijGtG}lyzpvuGWUXU]G
G
XY\
XYTYT[YUGh
h{Rnl{ih|k
G
mG |hy{GjGGGGGGzGGGGh
h{Rnl{ih|k
UG
yG XX\YWWWWkWWhG
kG TG
lUG oGTeGm^\WizVm^\WijGaGh{Rnl{ih|klu{lyG
m^\WizVm^\WijGTeGoGaGXX\YWWWWkWWhG
G
G
XYTYT[ZUGh
h{Rnl{svjhs
G
mG kG {SG plllG hkkylzzSG G uG hG G m^\WizVm^\WijG G G
GzGGGGh
h{Rnl{svjhs
UG
yG yv|{lySWWX\\XWWWWWWWWW\SWWWXWWkWWhG
kG
yv|{lyaGpGGGkGGGm^\WizVm^\WijG
WWX\\XWWWWWWWWW\aGpGGGplllGhkkylzzGGm^\WizVm^\WijUG
WWWXaGpGGGuGGGm^\WizVm^\WijUG
{GGGGGGGGkGGGGGuU
pGGkGGGGGGGuSGGGGGG
GmmmmUG
lUG oGTeGm^\WizVm^\WijGaGh{Rnl{svjhslu{lyG
m^\WizVm^\WijGTeGoGaGyv|{lySWWX\\XWWWWWWWWW\SWWWXWWkWWhG
G
G
XYTYT[[UGh
h{Rnl{jv|u{
G
mG jv|u{GGGGGGzGGGGh
h{Rnl{jv|u{
UG
yG WWWkWWhG
kG XGGSGGGGGGGUG G
WGGSGGGGGGGGUG
lUG oGTeGm^\WizVm^\WijGaGh{Rnl{jv|u{lu{lyG
m^\WizVm^\WijGTeGoGaGWWWkWWhG
G
G
XYTYT[\UGh
h{Rnl{yl{y
G
mG yTGGGGGGzGGG
Gh{Rnl{yl{yU
G
yG ZWWkWWhG
kG TG
lUG oGTeGm^\WizVm^\WijGaGh{Rnl{yl{ylu{lyG
m^\WizVm^\WijGTeGoGaGZWWkWWhG
G

m^\WizVm^\WijGtG}lyzpvuGWUXU]G
G
XY]
G
XYTYT[]UGh
h{Rnl{wtvkl
G
mG sG G G G zG G G G G zG G G G
h{Rnl{wtvklU
G
yG XWWkWWhG
kG
XGGSGGGGGGGGGGXUG
YGGSGGGGGGGGGGYUG
ZGGSGGGGGGGGGGZUG
lUG oGTeGm^\WizVm^\WijGaGh{Rnl{wtvkllu{lyG
m^\WizVm^\WijGTeGoGaGXWWkWWhG
G
G
G
G
XYTYT[^UGh
h{Rnl{{hynl{
G
mG plllG hkkylzzG G G G G G G zG G G G
h{Rnl{{hynl{U
G
yG WWX\\XWWWWWWWWWiSluhislWWkWWhG
kG
WWX\\XWWWWWWWWWiaGpGGGplllGhkkylzzGGGUG G
luhislaGpGGGGGGGGUGpGkpzhislGGSGGG
GGGGGGGGGGGuGG{GGG
GGUGvGGGGGGGGGplllGhkkylzzGGGG
GGGGGGˈh{Rzl{{hynl{ˉUG
lUG oGTeGm^\WizVm^\WijGaGh{Rnl{{hynl{lu{lyG
m^\WizVm^\WijGTeGoGaGWWX\\XWWWWWWWWWiSluhislWWkWWhG
G
G
G
G
XYTYT[_UGh
h{Rnl{whylu{
G
mG plllGhkkylzzGGGGGGGzGGGGh
h{Rnl{whylu{U
yG WWX\\XWWWWWWWWWiWWkWWhG
kG {GGGGuGGGGGwGUG
{GGGGGGGGuGGGGwGUG
lUG oGTeGm^\WizVm^\WijGaGh{Rnl{whylu{lu{lyG
m^\WizVm^\WijGTeGoGaGWWX\\XWWWWWWWWWiWWkWWhG
G

m^\WizVm^\WijGtG}lyzpvuGWUXU]G
G
XY^
XYTYT[`UGh
h{Rnl{z{htzn
G
mG tGGzGGGGGGzGGGG
h{Rnl{z{htzn
UG
yG XWWkWWhG
kG XGGSGGGGGGGUG G
WGGSGGGGGGGGUG
lUG oGTeGm^\WizVm^\WijGaGh{Rnl{z{htznlu{lyG
m^\WizVm^\WijGTeGoGaGXWWkWWhG
G
G
XYTYT\WUGh
h{Rnl{klitzn
G
mG tG G kG zG G G G G zG G G G
h{Rnl{klitzn
UG
yG XWWkWWhG
kG XGGSGGGGGGGUG G
WGGSGGGGGGGGUG
lUG oGTeGm^\WizVm^\WijGaGh{Rnl{klitznlu{lyG
m^\WizVm^\WijGTeGoGaGXWWkWWhG
G
G
XYTYT\XUGh
h{Rnl{johuuls
G
mG ymGjGGGGGGzGGGGh
h{Rnl{johuuls
UG
yG WiWWkWWhG
kG
hGGGGGGGuUG G
GGGGGkGGGGGGGG¡G
uUG
lUG oGTeGm^\WizVm^\WijGaGh{Rnl{johuulslu{lyG
m^\WizVm^\WijGTeGoGaGWiWWkWWhG
G
G
G
XYTYT\YUGh
h{Rnl{{wv~ly
G
mG ~G vG pG zG G G G G zG GGG
h{Rnl{{wv~ly
UG
yG WWWWkWWhG
kG TG
lUG oGTeGm^\WizVm^\WijGaGh{Rnl{{wv~lylu{lyG
m^\WizVm^\WijGTeGoGaGWWWWkWWhG

m^\WizVm^\WijGtG}lyzpvuGWUXU]G
G
XY_
XYTYT\ZUGh
h{Rnl{kl}uhtl
G
mG {GGGkGGGGzUG
yG m^\WG}WUYUWWWkWWhG
kG hGGGGGGSGGGGm^\WizVm^\WijGGUG G
lUG oGTeGm^\WizVm^\WijGaGh{Rnl{kl}uhtllu{lyG
m^\WizVm^\WijGTeGoGaGm^\WG}WUYUWWWkWWhG
G
G
XYTYT\[UGh
h{Rnl{ylzl{
G
mG pGm^\WizVm^\WijGGGGGGGuGGGGGGG
SGGGGGyTGGGGzGGGGh
h{Rnl{ylzl{U
G
yG XWWkWWhG
kG XGGSGGGGGGGUG G
WGGSGGGGGGGGUG
lUG oGTeGm^\WizVm^\WijGaGh{Rnl{ylzl{lu{lyG
m^\WizVm^\WijGTeGoGaGXWWkWWhG
G
G
XYTYT\\UGh
h{Rnl{swx|pjr
G
mG pGGGlGkSGGGGGGXGGGlGkGG
GGGGGGGGGGGh
h{Rnl{swx|pjr
UG
yG XWWkWWhG
kG XGGSGGGGGGXGGGGUG
WGGSGGGGGGXGGGUG
lUG oGTeGm^\WizVm^\WijGaGh{Rnl{swx|pjrlu{lyG
m^\WizVm^\WijGTeGoGaGXWWkWWhG
G
G
XYTYT\]UGh
h{Rnl{ih{{ly
G
mG pGGGGpGGGm^\WizVm^\WijGGYU]}SGGGGGpG
GGGGGGGGGGh
h{Rnl{ih{{ly
UG
yG WWWkWWhG
kG XGGSGGGGGGGUG G
WGGSGGGGGGGGUG
lUG oGTeGm^\WizVm^\WijGaGh{Rnl{ih{{lylu{lyG
m^\WizVm^\WijGTeGoGaGWWWkWWhG

m^\WizVm^\WijGtG}lyzpvuGWUXU]G
G
XY`
XYTYT\^UGh
h{Rnl{nwpv
G
mG nwpvG|GGGGGGzGGGGh
h{Rnl{nwpvU
G
yG XWWkWWhG
kG
XGGSGGGGnwpvGGGGGpUG
YGGSGGGGnwpvGGGGGvUG
WGGSGGGGnwpvGGGGUG
lUG oGTeGm^\WizVm^\WijGaGh{Rnl{nwpvlu{lyG
m^\WizVm^\WijGTeGoGaGXWWkWWhG
G
G
XYTYT\_UGh
h{Rylxhkky
G
mG hG plllG hkkylzzG G G G G G G G G G G zG G G
Gh
h{Rylxhkky
UG
yG
vrWWkWWhG
WWX\\XWWWWWWWWWiSm^\WizVm^\WijG}WUXUWSjWWkWWhG
WWX\\XWWWWWWWWWhSm^\WizVm^\WijG}WUXUWSyWWkWWhG
WWX\\XWWWWWWWWWjSm^\WizVm^\WijG}WUXUWSyWWkWWhG
vrWWkWWhG
kG
vraGGGˈvrˉGGGGGG¡GUG
WWX\\XWWWWWWWWWhaGpGGGplllGhkkylzzGGGGGGGUG
m^\WizVm^\WijG}WUXUWaGpGGGGGGGGGGUG
yaGpGGGGGkGGGGUG
vraG{GGˈvrˉGGGvGGGGGUG
O{GGGGGXWGGGGGGUPG
pGGGlGkGGGGGGSGGGGGUG G
hGGGGGGGGUG
pGGGGGGGGGGuSGhGGGUG
vG jG G G G G vrSG G vG G G G G
SGGUG
lUG
oGTeGm^\WizVm^\WijGaGh{Rylxhkkylu{lyG
m^\WizVm^\WijGTeGoGaGvrWWkWWhG
WWX\\XWWWWWWWWWiSm^\WizVm^\WijG}WUXUWSjWWkWWhG
WWX\\XWWWWWWWWWhSm^\WizVm^\WijG}WUXUWSyWWkWWhG
WWX\\XWWWWWWWWWjSm^\WizVm^\WijG}WUXUWSyWWkWWhG
vrWWkWWhG
G
G

m^\WizVm^\WijGtG}lyzpvuGWUXU]G
G
XZW
XYTYT\`UGh
h{Rylxl{hkkyXYZ[
G
mG hGplllGhkkylzzGGm^\WizVm^\WijGGGGGGˈXYZ[ˉGGG
GzGGGGh
h{Rylxl{hkkyXYZ[
UG
yG
vrWWkWWhG
WWX\\XWWWWWWWWWiWWkWWhG
vrWWkWWhG
kG
vraG{GGˈvrˉGGGGGGG¡UG
WWX\\XWWWWWWWWWiaG pG G G plllG G G m^\WizVm^\WijG GGG
GGˈXYZ[˅UG
vraG {G G ˈvrˉG G G G G G G G UG pG G
m^\WizVm^\WijG G G G G G G uSG pG G lyyvyG G
X\UG G
lUG
oGTeGm^\WizVm^\WijGaGh{Rylxl{hkkyWWWWlu{lyG
m^\WizVm^\WijGTeGoGaGvrWWkWWhG
G G G G G G G G G G G G G G G G G G G WWX\\XWWWWWWWWWiWWkWWhG
GGGGGGGGGGGGGGGGGGGvrWWkWWhG
G
G
G
XYTYT]WUGh
h{Rylxu~rhkkyXYZ[\]^_`WXYZ[\]
G
mG
hG uG G G m^\WizVm^\WijG G G G plllG hkkylzzG
ˈXYZ[\]^_`WXYZ[\]ˉG G G G zG G G G
h{Rylxu~rhkkyXYZ[\]^_`WXYZ[\]
G
yG
vrWWkWWhG
WWWWWWkWWhG
vrWWkWWhG
kG
vraG{GGˈvrˉGGGGGGG¡UG
WWWWaGpGGGuGGGm^\WizVm^\WijGGGGplllGhkkylzzG
ˈXYZ[\]^_`WXYZ[\]ˉUG
vraG {G G ˈvrˉG G G G G G G G UG pG G
m^\WizVm^\WijGGGGGGGuSGpGGlyyvyGGX\U
lUG
oGTeGm^\WizVm^\WijGaGh{Rylxu~rhkkyWWX\\XWWWWWWWWWilu{lyG
m^\WizVm^\WijGTeGoGaGvrWWkWWhG
GGGGGGGGGGGGGGGGGGGWWWWWWkWWhG
GGGGGGGGGGGGGGGGGGGvrWWkWWhG
G
G
G

m^\WizVm^\WijGtG}lyzpvuGWUXU]G
G
XZX
XYTYT]XUGR
RRR
G
mG tGGm^\WizVm^\WijGGGGGGh{GGGGG
GR
RRR
UG
yG vrWWkWWhG
kG
GGGGGUG G
m^\WizVm^\WijGGGGh{GGUG
iGGRRRGvrGGGGh{GGUUG
lUG oGTeGm^\WizVm^\WijGaGRRRG
m^\WizVm^\WijGTeGoGaGvrWWkWWhG
G
G
G
G
G
XYTYT]YUGh
h{
G
mG ~G G G G G G m^\WizVm^\WijG G G G G G
h{
UG
yG vrWWkWWhG
kG
GGGGGGh{GjUG
pGGkGGGGGGGGGSGGGGGG
GGUG
lUG oGTeGm^\WizVm^\WijGaGh{lu{lyG
m^\WizVm^\WijGTeGoGaGvrWWkWWhG
G
G
G
G
G
XYTYT]ZUGh
h{v
G
mG tGGm^\WizVm^\WijGGGGh{GGGGGGG
GGh
h{v
UG
yG vrWWkWWhG
kG TG
lUG oGTeGm^\WizVm^\WijGaGh{vlu{lyG
m^\WizVm^\WijGTeGoGaGvrWWkWWhG
G
G
G

m^\WizVm^\WijGtG}lyzpvuGWUXU]G
G
XZY
G
XYTYT][UGh
h{
G
mG m^\WizVm^\WijGGzGGGGGh
h{
UG
yG vrWWkWWhG
kG
m^\WizVm^\WijG G G G vrSG G G G G G G G
¡SGGUG
pGGGGGGGGGGGGm^\WizVm^\WijGUG
lUG oGTeGm^\WizVm^\WijGaGh{lu{lyG
m^\WizVm^\WijGTeGoGaGvrWWkWWhG
G
G
G
G
XYTYT]\UGh
h{Mm
G
mG m^\WizVm^\WijGGoGGGGGh
h{Mm
UG
yG vrWWkWWhG
kG
m^\WizVm^\WijG G G G vrSG G G G G G G G
¡SGGUG
zGGGm^\WizVm^\WijGGGGGGGGUG
lUG oGTeGm^\WizVm^\WijGaGh{Mmlu{lyG
m^\WizVm^\WijGTeGoGaGvrWWkWWhG
G
G
G
G
G
G
G
G
G
G
G
G
G
G
G
G
G

m^\WizVm^\WijGtG}lyzpvuGWUXU]G
G
XZZ
G
GuGwGtGGGhGjG
G
pGGGGGGGGm^\WiVm^]WiSGGGGGG G
GGGGGGUG
G
{GGGGGGGG¡GGGGm^\WiVm^]WiG
GGGG}GkGpjUG
G
hG}GkGpjGGGGGG}GkGsGGXU_}GGGyGkUG
OpGG}GkGpjGGGkGsGGkG{GGSGGGGG G
GGGGGUG~GGGGG
y{`_X_iTX_n}GGyU
PG
G
mGGG¡SGGZZmGjGO{VlVuGjSGG G
jGPGGGWUXmGjGOjGPGGGGGGGG G
m^\WiVm^]WiUG
G
G

m^\WizVm^\WijGtG}lyzpvuGWUXU]G
G
XZ[
G
pGG}GkGpjGGGGGGSGGZUZ}GGGGGG G
m^\WiVm^]WiUG
OiSGGGGGGGG
}GkGpjU
PG
G
G
G
G
G
G