Flir BelgiumBA WFBT3 Multifunctional display with 802.11 b/g and Bluetooth User Manual II
Raymarine UK Ltd. Multifunctional display with 802.11 b/g and Bluetooth II
Contents
- 1. User Manual
- 2. User Manual II
- 3. User Manual III
User Manual II

1HZ D 6HULHV 1HZ F 6HULHV 1HZ H 6HULHV


7UDGHPDUN DQG SDWHQWV QRWLFH
$XWRKHOP KVE 5D\7HFK 1DYLJDWRU 6DLO 3LORW 6HD7DON 6HD7DON1* 6HD7DON+6 DQG 6SRUWSLORW DUH UHJLVWHUHG WUDGHPDUNV RI 5D\PDULQH
8. /LPLWHG 5D\7DON 6HDKDZN 6PDUWSLORW 3DWK¿QGHU DQG 5D\PDULQH DUH UHJLVWHUHG WUDGHPDUNV RI 5D\PDULQH +ROGLQJV /LPLWHG
)/,5 LV D UHJLVWHUHG WUDGHPDUN RI )/,5 6\VWHPV ,QF DQGRU LWV VXEVLGLDULHV
$OO RWKHU WUDGHPDUNV WUDGH QDPHV RU FRPSDQ\ QDPHV UHIHUHQFHG KHUHLQ DUH XVHG IRU LGHQWL¿FDWLRQ RQO\ DQG DUH WKH SURSHUW\ RI
WKHLU UHVSHFWLYH RZQHUV
7KLV SURGXFW LV SURWHFWHG E\ SDWHQWV GHVLJQ SDWHQWV SDWHQWV SHQGLQJ RU GHVLJQ SDWHQWV SHQGLQJ
)DLU 8VH 6WDWHPHQW
<RX PD\ SULQW QR PRUH WKDQ WKUHH FRSLHV RI WKLV PDQXDO IRU \RXU RZQ XVH <RX PD\ QRW PDNH DQ\ IXUWKHU FRSLHV RU GLVWULEXWH RU XVH WKH
PDQXDO LQ DQ\ RWKHU ZD\ LQFOXGLQJ ZLWKRXW OLPLWDWLRQ H[SORLWLQJ WKH PDQXDO FRPPHUFLDOO\ RU JLYLQJ RU VHOOLQJ FRSLHV WR WKLUG SDUWLHV
6RIWZDUH XSGDWHV
&KHFN WKH ZHEVLWH ZZZUD\PDULQHFRP IRU WKH ODWHVW VRIWZDUH UHOHDVHV IRU \RXU SURGXFW
3URGXFW KDQGERRNV
7KH ODWHVW YHUVLRQV RI DOO (QJOLVK DQG WUDQVODWHG KDQGERRNV DUH DYDLODEOH WR GRZQORDG LQ 3') IRUPDW IURP WKH ZHEVLWH ZZZUD\PDULQHFRP
3OHDVH FKHFN WKH ZHEVLWH WR HQVXUH \RX KDYH WKH ODWHVW KDQGERRNV
&RS\ULJKW 5D\PDULQH 8. /WG $OO ULJKWV UHVHUYHG
(1*/,6+
'RFXPHQW QXPEHU
'DWH

&RQWHQWV
&KDSWHU ,PSRUWDQW LQIRUPDWLRQ
7)7 'LVSOD\V
:DWHU LQJUHVV
'LVFODLPHUV
&KDUW FDUGV DQG PHPRU\ FDUGV
(0& LQVWDOODWLRQ JXLGHOLQHV
5) H[SRVXUH
)&&
&RPSOLDQFH 6WDWHPHQW 3DUW
)&& ,QWHUIHUHQFH 6WDWHPHQW 3DUW E
,QGXVWU\ &DQDGD
,QGXVWU\ &DQDGD )UDQoDLV
7KLUG SDUW\ VRIWZDUH OLFHQVH DJUHHPHQWV
6XSSUHVVLRQ IHUULWHV
&RQQHFWLRQV WR RWKHU HTXLSPHQW
'HFODUDWLRQ RI FRQIRUPLW\
3URGXFW GLVSRVDO
3L[HO GHIHFW SROLF\
:DUUDQW\ UHJLVWUDWLRQ
,02 DQG 62/$6
7HFKQLFDO DFFXUDF\
&KDSWHU +DQGERRN LQIRUPDWLRQ
+DQGERRN LQIRUPDWLRQ
3URGXFW LQIRUPDWLRQ
+DQGERRN LOOXVWUDWLRQV
+DQGERRN FRQYHQWLRQV
7RXFK DQG QRQWRXFK RSHUDWLRQV
&KDSWHU 3ODQQLQJ WKH LQVWDOODWLRQ
6\VWHP LQWHJUDWLRQ
,QVWDOODWLRQ FKHFNOLVW
6\VWHP /LPLWV
0XOWLSOH GDWD VRXUFHV 0'6 RYHUYLHZ
,GHQWLI\LQJ \RXU GLVSOD\ YDULDQW
1HWZRUNLQJ FRQVWUDLQWV
7\SLFDO V\VWHPV
6\VWHP SURWRFROV
'DWD PDVWHU
1HZ D 6HULHV SDUWV VXSSOLHG
H H' 3DUWV VXSSOLHG
1HZ F 6HULHV DQG 1HZ H 6HULHV SDUWV VXSSOLHG
7RROV UHTXLUHG IRU LQVWDOODWLRQ
&KDSWHU &DEOHV DQG FRQQHFWLRQV
*HQHUDO FDEOLQJ JXLGDQFH
&RQQHFWLRQV RYHUYLHZ
3RZHU FRQQHFWLRQ ² 1HZ D 6HULHV
3RZHU FRQQHFWLRQ ² 1HZ F 6HULHV DQG 1HZ H
6HULHV
1HWZRUN FRQQHFWLRQV
*36 FRQQHFWLRQ
$,6 FRQQHFWLRQ
)DVWKHDGLQJ FRQQHFWLRQ
6HD7DONQJ FRQQHFWLRQV
6HD7DON FRQQHFWLRQ
10($ FRQQHFWLRQ
10($ FRQQHFWLRQ
&DPHUD 9LGHR FRQQHFWLRQ
&DPHUD YLGHR LQRXW FRQQHFWLRQ
%OXHWRRWK FRQQHFWLRQV
:L)L FRQQHFWLRQV
&KDSWHU /RFDWLRQ DQG PRXQWLQJ
6HOHFWLQJ D ORFDWLRQ
0RXQWLQJ 1HZ D 6HULHV
0RXQWLQJ 1HZ F 6HULHV DQG 1HZ H VHULHV
&KDSWHU *HWWLQJ VWDUWHG
'LVSOD\ SRZHU
1HZ D 6HULHV &RQWUROV
H H' &RQWUROV
F F F F H H H H
H &RQWUROV
+\EULGWRXFK RYHUYLHZ
7RXFKVFUHHQ RYHUYLHZ
+RPHVFUHHQ RYHUYLHZ ² 1HZ D 6HULHV
+RPHVFUHHQ RYHUYLHZ ² 1HZ F 6HULHV 1HZ H
6HULHV
6\VWHP FKHFNV
(QDEOLQJ DXWRSLORW IXQFWLRQV
(QDEOLQJ $,6 IXQFWLRQV
/DQJXDJH VHOHFWLRQ
3DJHV
$SSOLFDWLRQV
6SOLWVFUHHQ FRQWUROV
6FUHHQ RYHUYLHZ
(GLWLQJ LQIRUPDWLRQ LQ GLDORJV
(GLWLQJ QXPHULFDO VHWWLQJV
%DVLF WRXFKVFUHHQ RSHUDWLRQV
'DWDEDU VWDWXV V\PEROV
,QLWLDO VHW XS SURFHGXUHV
&KDSWHU 0DQDJLQJ GLVSOD\ GDWD
0HPRU\ FDUGV RYHUYLHZ
,QVHUWLQJ D PHPRU\ FDUG RU FKDUW FDUG
5HPRYLQJ D PHPRU\ FDUG RU FKDUW FDUG
6DYLQJ XVHU GDWD DQG XVHU VHWWLQJV
6FUHHQVKRWV
5HVHWWLQJ \RXU V\VWHP
&KDSWHU 8VLQJ WKH GRFXPHQW YLHZHU
'RFXPHQW YLHZHU RYHUYLHZ
&KDSWHU 8VLQJ DXWRSLORW FRQWURO
$XWRSLORW FRQWURO
$XWRSLORW VWDWXV V\PEROV
$XWRSLORW DODUPV

&KDSWHU 8VLQJ DODUPV DQG 02%
IXQFWLRQV
8VLQJ 0DQ 2YHUERDUG 02% IXQFWLRQV
$ODUPV
&KDSWHU 8VLQJ ZD\SRLQWV URXWHV DQG
WUDFNV
:D\SRLQWV
5RXWHV
7UDFNV
:D\SRLQWV URXWHV DQG WUDFNV VWRUDJH
FDSDFLW\
&KDSWHU 8VLQJ WKH FKDUW
&KDUW DSSOLFDWLRQ RYHUYLHZ
&KDUW UDQJLQJ DQG SDQQLQJ
9HVVHO SRVLWLRQ DQG RULHQWDWLRQ
&KDUW YLHZV
&KDUW FRQWH[W PHQX
0\ 'DWD RSWLRQV
1DYLJDWLRQ RSWLRQV
0HDVXULQJ GLVWDQFHV DQG EHDULQJV
&KDUW YHFWRUV
&XUUHQW LQIRUPDWLRQ
7LGH LQIRUPDWLRQ
&KDUW REMHFW LQIRUPDWLRQ
&KDUW SUHVHQWDWLRQ
&KDUW VHWXS PHQX RSWLRQV
&KDSWHU 8VLQJ UDGDU
5DGDU RYHUYLHZ
5DGDU VFDQ VSHHG
5DGDU VFDQQHU VWDWXV V\PEROV
5DGDU UDQJH DQG LPDJH TXDOLW\
5DGDU GLVSOD\ RYHUYLHZ
'XDO UDQJH UDGDU RSHUDWLRQ
5DGDU PRGH DQG RULHQWDWLRQ
5DGDU WXQLQJ 2QVFUHHQ JDLQ FRQWUROV
5DGDU DGMXVWPHQWV +' DQG 6XSHU+'
VFDQQHUV
5DGDU DGMXVWPHQWV QRQ+' GLJLWDO
UDGRPHV
5DGDU SUHVHQWDWLRQ PHQX RSWLRQV
8VLQJ UDGDU WR PHDVXUH GLVWDQFHV UDQJHV DQG
EHDULQJV
8VLQJ UDGDU WR WUDFN WDUJHWV DQG DYRLG
FROOLVLRQV
6FDQQHU VHWXS PHQX RSWLRQV
5HVHWWLQJ WKH UDGDU
&KDSWHU 8VLQJ $,6
$,6 RYHUYLHZ
$,6 SUHUHTXLVLWHV
$,6 FRQWH[W PHQX
(QDEOLQJ $,6
'LVSOD\LQJ $,6 YHFWRUV
$,6 VWDWXV V\PEROV
$,6 VLOHQW PRGH
$,6 WDUJHW V\PEROV
'LVSOD\LQJ GHWDLOHG $,6 WDUJHW LQIRUPDWLRQ
9LHZLQJ DOO $,6 WDUJHWV
8VLQJ $,6 WR DYRLG FROOLVLRQV
$,6 RSWLRQV
$,6 DODUPV
%XGG\ WUDFNLQJ
&KDSWHU 8VLQJ WKH ¿VK¿QGHU
+RZ WKH ¿VK¿QGHU ZRUNV
5D\PDULQH VRQDU PRGXOHV
7UDGLWLRQDO VRQDU WHFKQRORJ\
%URDGEDQG &+,53 VRQDU WHFKQRORJ\
)LVK¿QGHU LQWURGXFWLRQ
7UDQVGXFHU EDQGZLGWK
7KH VRQDU LPDJH
)LVK¿QGHU SUHVHWV
'XDO 6LQJOH IUHTXHQF\ ¿VK¿QGHU
1RQ&+,53 WUDGLWLRQDO VRQDU PRGXOH IUHTXHQF\
FRQWUROV
&+,53 VRQDU PRGXOH IUHTXHQF\ FRQWUROV
)LVK¿QGHU GLVSOD\ PRGHV
)LVK¿QGHU UDQJH
)LVK¿QGHU VHQVLWLYLW\ VHWWLQJV
)LVK¿QGHU SUHVHQWDWLRQ RSWLRQV
'HSWK DQG GLVWDQFH ZLWK WKH ¿VK¿QGHU
)LVK¿QGHU VFUROOLQJ
)LVK¿QGHU ZD\SRLQWV
)LVK¿QGHU DODUPV
6RXQGHU VHW±XS PHQX RSWLRQV
7UDQVGXFHU VHWXS PHQX RSWLRQV
5HVHWWLQJ WKH VRQDU
&KDSWHU 8VLQJ WKH GDWD DSSOLFDWLRQ
'DWD DSSOLFDWLRQ RYHUYLHZ
3UHFRQ¿JXUHG GDWDSDJHV
&XVWRPL]LQJ WKH GDWD DSSOLFDWLRQ
&KDSWHU 8VLQJ WKH IXHO PDQDJHU
)XHO PDQDJHU RYHUYLHZ
&KDSWHU 8VLQJ WKH ZHDWKHU DSSOLFDWLRQ
1RUWK $PHULFD RQO\
:HDWKHU DSSOLFDWLRQ RYHUYLHZ
:HDWKHU DSSOLFDWLRQ VHW XS
:HDWKHU DSSOLFDWLRQ GLVSOD\ RYHUYLHZ
:HDWKHU PDS QDYLJDWLRQ
:HDWKHU FRQWH[W PHQX
:HDWKHU LQIRUPDWLRQ
:HDWKHU UHSRUWV
$QLPDWHG ZHDWKHU JUDSKLFV
:HDWKHU DSSOLFDWLRQ PHQX RSWLRQV
*ORVVDU\ RI ZHDWKHU WHUPV
1HZ D 6HULHV 1HZ F 6HULHV 1HZ H 6HULHV

&KDSWHU 8VLQJ WKH WKHUPDO FDPHUD
DSSOLFDWLRQ
7KHUPDO FDPHUD DSSOLFDWLRQ RYHUYLHZ
7KHUPDO FDPHUD LPDJH
&RQWUROV RYHUYLHZ
&DPHUD FRQWURO
,PDJH DGMXVWPHQWV
&DPHUD VHWXS PHQX
&KDSWHU 8VLQJ WKH FDPHUD DSSOLFDWLRQ
&DPHUD DSSOLFDWLRQ RYHUYLHZ
&KDSWHU 8VLQJ PRELOH DSSOLFDWLRQV
5D\PDULQH PRELOH DSSV
(QDEOLQJ :L)L
(QDEOLQJ PRELOH DSSV
6HWWLQJ XS :L)L VHFXULW\
6HOHFWLQJ D :L)L FKDQQHO
&KDSWHU 0HGLD SOD\HU DSSOLFDWLRQ
0HGLD SOD\HU FRQQHFWLRQ
(QDEOLQJ %OXHWRRWK
3DLULQJ D %OXHWRRWK PHGLD SOD\HU
(QDEOLQJ DXGLR FRQWURO
0HGLD SOD\HU FRQWUROV
0HGLD SOD\HU FRQWUROV XVLQJ D UHPRWH
FRQWURO
8QSDLULQJ D %OXHWRRWK GHYLFH
&KDSWHU 8VLQJ D UHPRWH FRQWURO
5HPRWH FRQWURO FRQQHFWLRQ
3DLULQJ WKH UHPRWH DQG FRQ¿JXULQJ WKH 83 DQG
'2:1 EXWWRQV
2SHUDWLQJ SULQFLSOHV
&XVWRPL]LQJ WKH 6+257&87 EXWWRQ
5HPRWH FRQWURO IXQFWLRQV
5HFRQQHFWLQJ WKH 5&8
&KDSWHU '6& 9+) UDGLR LQWHJUDWLRQ
8VLQJ D '6& 9+) UDGLR ZLWK \RXU GLVSOD\
(QDEOLQJ '6& 9+) UDGLR LQWHJUDWLRQ
&KDSWHU &XVWRPL]LQJ \RXU GLVSOD\
/DQJXDJH VHOHFWLRQ
%RDW GHWDLOV
8QLWV VHWXS
7LPH DQG 'DWH VHWXS
'LVSOD\ SUHIHUHQFHV
'DWD FHOO DQG GDWDEDU FXVWRPL]DWLRQ
6\VWHP VHWXS PHQXV
&KDSWHU 0DLQWDLQLQJ \RXU GLVSOD\
6HUYLFH DQG PDLQWHQDQFH
&OHDQLQJ
&KDSWHU 7URXEOHVKRRWLQJ
7URXEOHVKRRWLQJ
3RZHU XS WURXEOHVKRRWLQJ
5DGDU WURXEOHVKRRWLQJ
*36 WURXEOHVKRRWLQJ
6RQDU WURXEOHVKRRWLQJ
7KHUPDO FDPHUD WURXEOHVKRRWLQJ
6\VWHP GDWD WURXEOHVKRRWLQJ
9LGHR WURXEOHVKRRWLQJ
:L)L WURXEOHVKRRWLQJ
%OXHWRRWK WURXEOHVKRRWLQJ
7RXFKVFUHHQ WURXEOHVKRRWLQJ
0LVFHOODQHRXV WURXEOHVKRRWLQJ
&KDSWHU 7HFKQLFDO VXSSRUW
5D\PDULQH FXVWRPHU VXSSRUW
7KLUGSDUW\ VXSSRUW
&KDSWHU 7HFKQLFDO VSHFL¿FDWLRQ
7HFKQLFDO VSHFL¿FDWLRQ
&KDSWHU 6SDUHV DQG DFFHVVRULHV
7UDQVGXFHU DFFHVVRULHV
5D\1HW FRQQHFWRU QHWZRUN FDEOHV
6HD7DONKV QHWZRUN FDEOHV
6HD7DONKV SDWFK FDEOHV
9LGHR FDEOHV
3RZHU FDEOHV
H H' VSDUHV
H H F F VSDUHV
H H F F VSDUHV
H 6SDUHV
$SSHQGL[ $ 10($ VHQWHQFHV
$SSHQGL[ % 10($ VHQWHQFHV
$SSHQGL[ & &RQQHFWRUV DQG SLQRXWV
$SSHQGL[ ' 6RIWZDUH UHOHDVHV

1HZ D 6HULHV 1HZ F 6HULHV 1HZ H 6HULHV

&KDSWHU ,PSRUWDQW LQIRUPDWLRQ
:DUQLQJ 3URGXFW LQVWDOODWLRQ DQG
RSHUDWLRQ
7KLV SURGXFW PXVW EH LQVWDOOHG DQG RSHUDWHG LQ
DFFRUGDQFH ZLWK WKH LQVWUXFWLRQV SURYLGHG )DLOXUH WR
GR VR FRXOG UHVXOW LQ SHUVRQDO LQMXU\ GDPDJH WR \RXU
YHVVHO DQGRU SRRU SURGXFW SHUIRUPDQFH
:DUQLQJ 3RWHQWLDO LJQLWLRQ VRXUFH
7KLV SURGXFW LV 127 DSSURYHG IRU XVH LQ
KD]DUGRXVÀDPPDEOH DWPRVSKHUHV 'R 127 LQVWDOO LQ
D KD]DUGRXVÀDPPDEOH DWPRVSKHUH VXFK DV LQ DQ
HQJLQH URRP RU QHDU IXHO WDQNV
:DUQLQJ +LJK YROWDJHV
7KLV SURGXFW FRQWDLQV KLJK YROWDJHV 'R 127 UHPRYH
DQ\ FRYHUV RU RWKHUZLVH DWWHPSW WR DFFHVV LQWHUQDO
FRPSRQHQWV XQOHVV VSHFL¿FDOO\ LQVWUXFWHG LQ WKLV
GRFXPHQW
:DUQLQJ 3URGXFW JURXQGLQJ
%HIRUH DSSO\LQJ SRZHU WR WKLV SURGXFW HQVXUH LW KDV
EHHQ FRUUHFWO\ JURXQGHG LQ DFFRUGDQFH ZLWK WKH
LQVWUXFWLRQV LQ WKLV JXLGH
:DUQLQJ 6ZLWFK RII SRZHU VXSSO\
(QVXUH WKH YHVVHO¶V SRZHU VXSSO\ LV VZLWFKHG 2))
EHIRUH VWDUWLQJ WR LQVWDOO WKLV SURGXFW 'R 127 FRQQHFW
RU GLVFRQQHFW HTXLSPHQW ZLWK WKH SRZHU VZLWFKHG RQ
XQOHVV LQVWUXFWHG LQ WKLV GRFXPHQW
:DUQLQJ )&& :DUQLQJ 3DUW
&KDQJHV RU PRGL¿FDWLRQV WR WKLV HTXLSPHQW QRW
H[SUHVVO\ DSSURYHG LQ ZULWLQJ E\ 5D\PDULQH
,QFRUSRUDWHG FRXOG YLRODWH FRPSOLDQFH ZLWK )&& UXOHV
DQG YRLG WKH XVHU¶V DXWKRULW\ WR RSHUDWH WKH HTXLSPHQW
:DUQLQJ 5DGDU VFDQQHU VDIHW\
%HIRUH URWDWLQJ WKH UDGDU VFDQQHU HQVXUH DOO SHUVRQQHO
DUH FOHDU
:DUQLQJ 5DGDU WUDQVPLVVLRQ VDIHW\
7KH UDGDU VFDQQHU WUDQVPLWV HOHFWURPDJQHWLF HQHUJ\
(QVXUH DOO SHUVRQQHO DUH FOHDU RI WKH VFDQQHU ZKHQ
WKH UDGDU LV WUDQVPLWWLQJ
:DUQLQJ 6RQDU RSHUDWLRQ
1(9(5 RSHUDWH WKH VRQDU ZLWK WKH YHVVHO RXW RI WKH
ZDWHU
1(9(5 WRXFK WKH WUDQVGXFHU IDFH ZKHQ WKH VRQDU
LV SRZHUHG RQ
6:,7&+ 2)) WKH VRQDU LI GLYHUV DUH OLNHO\ WR EH
ZLWKLQ P IW RI WKH WUDQVGXFHU
:DUQLQJ 7RXFKVFUHHQ GLVSOD\
:KHQ H[SRVHG WR SURORQJHG SHULRGV RI GLUHFW VXQOLJKW
WKH WRXFKVFUHHQ GLVSOD\ FDQ JHW YHU\ KRW ,Q VXFK
FRQGLWLRQV DYRLG XVLQJ WKH WRXFKVFUHHQ GLVSOD\ RU
XVH WKH XQLWV SK\VLFDO NH\V DQG EXWWRQV LQVWHDG LI
DYDLODEOH
:DUQLQJ 7RXFKVFUHHQ GLVSOD\
([SRVXUH WR SURORQJHG UDLQ PD\ FDXVH HUURQHRXV
WRXFK SHUIRUPDQFH LQ WKHVH VLWXDWLRQV NHHS WRXFK
DFWLYLW\ WR D PLQLPXP DQG ZLSH WKH VFUHHQ ZLWK D GU\
QRQDEUDVLYH FORWK EHIRUH XVLQJ WKH WRXFKVFUHHQ
&DXWLRQ 7UDQVGXFHU FDEOH
'R 127 FXW VKRUWHQ VSOLFH WKH WUDQVGXFHU FDEOH RU
UHPRYH WKH FRQQHFWRU ,I WKH FDEOH LV FXW LW FDQQRW EH
UHSDLUHG &XWWLQJ WKH FDEOH ZLOO DOVR YRLG WKH ZDUUDQW\
&DXWLRQ 3RZHU VXSSO\ SURWHFWLRQ
:KHQ LQVWDOOLQJ WKLV SURGXFW HQVXUH WKH SRZHU VRXUFH
LV DGHTXDWHO\ SURWHFWHG E\ PHDQV RI D VXLWDEO\UDWHG
IXVH RU DXWRPDWLF FLUFXLW EUHDNHU
&DXWLRQ &DUH RI FKDUW DQG PHPRU\
FDUGV
7R DYRLG LUUHSDUDEOH GDPDJH WR DQG RU ORVV RI GDWD
IURP FKDUW DQG PHPRU\ FDUGV
(QVXUH WKDW FKDUW DQG PHPRU\ FDUGV DUH ¿WWHG WKH
FRUUHFW ZD\ DURXQG '2 127 WU\ WR IRUFH D FDUG LQWR
SRVLWLRQ
'2 127 VDYH GDWD ZD\SRLQWV URXWHV DQG VR RQ
WR D FKDUW FDUG DV WKH FKDUWV PD\ EH RYHUZULWWHQ
'2 127 XVH D PHWDOOLF LQVWUXPHQW VXFK DV D
VFUHZGULYHU RU SOLHUV WR LQVHUW RU UHPRYH D FKDUW RU
PHPRU\ FDUG
6DIH UHPRYDO $OZD\V SRZHU WKH XQLW RII EHIRUH
LQVHUWLQJ RU UHPRYLQJ D FKDUW RU PHPRU\ FDUG
&DXWLRQ (QVXUH FKDUW FDUG GRRU LV
VHFXUHO\ FORVHG
7R SUHYHQW ZDWHU LQJUHVV DQG FRQVHTXHQW GDPDJH WR
WKH GLVSOD\ HQVXUH WKDW WKH FKDUW FDUG GRRU LV ¿UPO\
FORVHG 7KLV FDQ EH FRQ¿UPHG E\ DQ DXGLEOH FOLFN
&DXWLRQ 6XQ FRYHUV
7R SURWHFW \RXU SURGXFW DJDLQVW WKH GDPDJLQJ
HIIHFWV RI XOWUDYLROHW 89 OLJKW DOZD\V ¿W WKH VXQ
FRYHUV ZKHQ WKH SURGXFW LV QRW LQ XVH
5HPRYH WKH VXQ FRYHUV ZKHQ WUDYHOOLQJ DW KLJK
VSHHG ZKHWKHU LQ ZDWHU RU ZKHQ WKH YHVVHO LV EHLQJ
WRZHG
&DXWLRQ &OHDQLQJ
:KHQ FOHDQLQJ WKLV SURGXFW
'R 127 ZLSH WKH GLVSOD\ VFUHHQ ZLWK D GU\ FORWK DV
WKLV FRXOG VFUDWFK WKH VFUHHQ FRDWLQJ
'R 127 XVH DEUDVLYH RU DFLG RU DPPRQLD EDVHG
SURGXFWV
'R 127 XVH D MHW ZDVK
7)7 'LVSOD\V
7KH FRORUV RI WKH GLVSOD\ PD\ VHHP WR YDU\ ZKHQ YLHZHG DJDLQVW
D FRORUHG EDFNJURXQG RU LQ FRORUHG OLJKW 7KLV LV D SHUIHFWO\ QRUPDO
HIIHFW WKDW FDQ EH VHHQ ZLWK DOO FRORU 7KLQ )LOP 7UDQVLVWRU 7)7
GLVSOD\V
,PSRUWDQW LQIRUPDWLRQ

:DWHU LQJUHVV
:DWHU LQJUHVV GLVFODLPHU
$OWKRXJK WKH ZDWHUSURRI UDWLQJ FDSDFLW\ RI WKLV SURGXFW PHHWV WKH
,3; VWDQGDUG ZDWHU LQWUXVLRQ DQG VXEVHTXHQW HTXLSPHQW IDLOXUH
PD\ RFFXU LI WKH SURGXFW LV VXEMHFWHG WR FRPPHUFLDO KLJKSUHVVXUH
ZDVKLQJ 5D\PDULQH ZLOO QRW ZDUUDQW SURGXFWV VXEMHFWHG WR
KLJKSUHVVXUH ZDVKLQJ
'LVFODLPHUV
7KLV SURGXFW LQFOXGLQJ WKH HOHFWURQLF FKDUWV LV LQWHQGHG WR EH XVHG
RQO\ DV DQ DLG WR QDYLJDWLRQ ,W LV GHVLJQHG WR IDFLOLWDWH XVH RI RI¿FLDO
JRYHUQPHQW FKDUWV QRW UHSODFH WKHP 2QO\ RI¿FLDO JRYHUQPHQW
FKDUWV DQG QRWLFHV WR PDULQHUV FRQWDLQ DOO WKH FXUUHQW LQIRUPDWLRQ
QHHGHG IRU VDIH QDYLJDWLRQ DQG WKH FDSWDLQ LV UHVSRQVLEOH IRU WKHLU
SUXGHQW XVH ,W LV WKH XVHU¶V UHVSRQVLELOLW\ WR XVH RI¿FLDO JRYHUQPHQW
FKDUWV QRWLFHV WR PDULQHUV FDXWLRQ DQG SURSHU QDYLJDWLRQDO VNLOO
ZKHQ RSHUDWLQJ WKLV RU DQ\ RWKHU 5D\PDULQH SURGXFW 7KLV SURGXFW
VXSSRUWV HOHFWURQLF FKDUWV SURYLGHG E\ WKLUG SDUW\ GDWD VXSSOLHUV
ZKLFK PD\ EH HPEHGGHG RU VWRUHG RQ PHPRU\ FDUG 8VH RI VXFK
FKDUWV LV VXEMHFW WR WKH VXSSOLHU¶V (QG8VHU /LFHQFH $JUHHPHQW
LQFOXGHG LQ WKH GRFXPHQWDWLRQ IRU WKLV SURGXFW RU VXSSOLHG ZLWK WKH
PHPRU\ FDUG DV DSSOLFDEOH
5D\PDULQH GRHV QRW ZDUUDQW WKDW WKLV SURGXFW LV HUURUIUHH RU WKDW LW
LV FRPSDWLEOH ZLWK SURGXFWV PDQXIDFWXUHG E\ DQ\ SHUVRQ RU HQWLW\
RWKHU WKDQ 5D\PDULQH
7KLV SURGXFW XVHV GLJLWDO FKDUW GDWD DQG HOHFWURQLF LQIRUPDWLRQ IURP
WKH *OREDO 3RVLWLRQLQJ 6\VWHP *36 ZKLFK PD\ FRQWDLQ HUURUV
5D\PDULQH GRHV QRW ZDUUDQW WKH DFFXUDF\ RI VXFK LQIRUPDWLRQ DQG
\RX DUH DGYLVHG WKDW HUURUV LQ VXFK LQIRUPDWLRQ PD\ FDXVH WKH
SURGXFW WR PDOIXQFWLRQ 5D\PDULQH LV QRW UHVSRQVLEOH IRU GDPDJHV
RU LQMXULHV FDXVHG E\ \RXU XVH RU LQDELOLW\ WR XVH WKH SURGXFW E\ WKH
LQWHUDFWLRQ RI WKH SURGXFW ZLWK SURGXFWV PDQXIDFWXUHG E\ RWKHUV RU
E\ HUURUV LQ FKDUW GDWD RU LQIRUPDWLRQ XWLOL]HG E\ WKH SURGXFW DQG
VXSSOLHG E\ WKLUG SDUWLHV
&KDUW FDUGV DQG PHPRU\ FDUGV
0HPRU\ FDUGV DUH XVHG IRU DUFKLYLQJ GDWD DQG FKDUW FDUGV SURYLGH
DGGLWLRQDO RU XSJUDGHG FKDUWV
&RPSDWLEOH FDUGV
7KH IROORZLQJ W\SHV RI PHPRU\ RU FKDUW FDUG DUH FRPSDWLEOH ZLWK
\RXU 5D\PDULQH SURGXFW
PLFUR 6HFXUH 'LJLWDO 6WDQGDUG&DSDFLW\ PLFUR6'6&
PLFUR 6HFXUH 'LJLWDO +LJK&DSDFLW\ PLFUR6'+&
1RWH 7KH PD[LPXP FDUG FDSDFLW\ VXSSRUWHG LV *%
&KDUW FDUGV
<RXU SURGXFW LV SUHORDGHG ZLWK HOHFWURQLF FKDUWV ZRUOGZLGH EDVH
PDS ,I \RX ZLVK WR XVH GLIIHUHQW FKDUW GDWD \RX FDQ LQVHUW
FRPSDWLEOH FKDUW FDUGV LQWR WKH XQLWV FDUG VORW
8VH EUDQGHG FKDUW FDUGV DQG PHPRU\ FDUGV
:KHQ DUFKLYLQJ GDWD 5D\PDULQH UHFRPPHQGV WKH XVH RI TXDOLW\
EUDQGHG PHPRU\ FDUGV 6RPH EUDQGV RI PHPRU\ FDUG PD\ QRW
ZRUN LQ \RXU XQLW 3OHDVH FRQWDFW FXVWRPHU VXSSRUW IRU D OLVW RI
UHFRPPHQGHG FDUGV
(0& LQVWDOODWLRQ JXLGHOLQHV
5D\PDULQH HTXLSPHQW DQG DFFHVVRULHV FRQIRUP WR WKH DSSURSULDWH
(OHFWURPDJQHWLF &RPSDWLELOLW\ (0& UHJXODWLRQV WR PLQLPL]H
HOHFWURPDJQHWLF LQWHUIHUHQFH EHWZHHQ HTXLSPHQW DQG PLQLPL]H WKH
HIIHFW VXFK LQWHUIHUHQFH FRXOG KDYH RQ WKH SHUIRUPDQFH RI \RXU
V\VWHP
&RUUHFW LQVWDOODWLRQ LV UHTXLUHG WR HQVXUH WKDW (0& SHUIRUPDQFH LV
QRW FRPSURPLVHG
)RU RSWLPXP (0& SHUIRUPDQFH ZH UHFRPPHQG WKDW ZKHUHYHU
SRVVLEOH
5D\PDULQH HTXLSPHQW DQG FDEOHV FRQQHFWHG WR LW DUH
± $W OHDVW P IW IURP DQ\ HTXLSPHQW WUDQVPLWWLQJ RU FDEOHV
FDUU\LQJ UDGLR VLJQDOV HJ 9+) UDGLRV FDEOHV DQG DQWHQQDV
,Q WKH FDVH RI 66% UDGLRV WKH GLVWDQFH VKRXOG EH LQFUHDVHG
WR IW P
± 0RUH WKDQ P IW IURP WKH SDWK RI D UDGDU EHDP $ UDGDU
EHDP FDQ QRUPDOO\ EH DVVXPHG WR VSUHDG GHJUHHV DERYH
DQG EHORZ WKH UDGLDWLQJ HOHPHQW
7KH SURGXFW LV VXSSOLHG IURP D VHSDUDWH EDWWHU\ IURP WKDW XVHG
IRU HQJLQH VWDUW 7KLV LV LPSRUWDQW WR SUHYHQW HUUDWLF EHKDYLRU
DQG GDWD ORVV ZKLFK FDQ RFFXU LI WKH HQJLQH VWDUW GRHV QRW KDYH
D VHSDUDWH EDWWHU\
5D\PDULQH VSHFL¿HG FDEOHV DUH XVHG
&DEOHV DUH QRW FXW RU H[WHQGHG XQOHVV GRLQJ VR LV GHWDLOHG LQ
WKH LQVWDOODWLRQ PDQXDO
1RWH :KHUH FRQVWUDLQWV RQ WKH LQVWDOODWLRQ SUHYHQW DQ\ RI
WKH DERYH UHFRPPHQGDWLRQV DOZD\V HQVXUH WKH PD[LPXP
SRVVLEOH VHSDUDWLRQ EHWZHHQ GLIIHUHQW LWHPV RI HOHFWULFDO
HTXLSPHQW WR SURYLGH WKH EHVW FRQGLWLRQV IRU (0& SHUIRUPDQFH
WKURXJKRXW WKH LQVWDOODWLRQ
5) H[SRVXUH
7KLV WUDQVPLWWHU ZLWK LWV DQWHQQD LV GHVLJQHG WR FRPSO\ ZLWK )&& ,&
5) H[SRVXUH OLPLWV IRU JHQHUDO SRSXODWLRQ XQFRQWUROOHG H[SRVXUH
7KH :L)L %OXHWRRWK DQWHQQD LV PRXQWHG EHKLQG WKH IURQW IDFLD RQ
WKH OHIW KDQG VLGH RI WKH VFUHHQ ,W LV UHFRPPHQGHG WR PDLQWDLQ D
VDIH GLVWDQFH RI DW OHDVW FP IURP WKH OHIW KDQG VLGH RI WKH VFUHHQ
)&&
&RPSOLDQFH 6WDWHPHQW 3DUW
7KLV GHYLFH FRPSOLHV ZLWK 3DUW RI WKH )&& 5XOHV 2SHUDWLRQ LV
VXEMHFW WR WKH IROORZLQJ WZR FRQGLWLRQV
7KLV GHYLFH PD\ QRW FDXVH KDUPIXO LQWHUIHUHQFH
7KLV GHYLFH PXVW DFFHSW DQ\ LQWHUIHUHQFH UHFHLYHG LQFOXGLQJ
LQWHUIHUHQFH WKDW PD\ FDXVH XQGHVLUHG RSHUDWLRQ
)&& ,QWHUIHUHQFH 6WDWHPHQW 3DUW
E
7KLV HTXLSPHQW KDV EHHQ WHVWHG DQG IRXQG WR FRPSO\ ZLWK WKH OLPLWV
IRU D &ODVV % GLJLWDO GHYLFH SXUVXDQW WR 3DUW RI WKH )&& 5XOHV
7KHVH OLPLWV DUH GHVLJQHG WR SURYLGH UHDVRQDEOH SURWHFWLRQ DJDLQVW
KDUPIXO LQWHUIHUHQFH LQ D UHVLGHQWLDO LQVWDOODWLRQ 7KLV HTXLSPHQW
JHQHUDWHV XVHV DQG FDQ UDGLDWH UDGLR IUHTXHQF\ HQHUJ\ DQG LI
QRW LQVWDOOHG DQG XVHG LQ DFFRUGDQFH ZLWK WKH LQVWUXFWLRQV PD\
FDXVH KDUPIXO LQWHUIHUHQFH WR UDGLR FRPPXQLFDWLRQV +RZHYHU
WKHUH LV QR JXDUDQWHH WKDW LQWHUIHUHQFH ZLOO QRW RFFXU LQ D SDUWLFXODU
LQVWDOODWLRQ ,I WKLV HTXLSPHQW GRHV FDXVH KDUPIXO LQWHUIHUHQFH WR
UDGLR RU WHOHYLVLRQ UHFHSWLRQ ZKLFK FDQ EH GHWHUPLQHG E\ WXUQLQJ
WKH HTXLSPHQW RII DQG RQ WKH XVHU LV HQFRXUDJHG WR WU\ WR FRUUHFW
WKH LQWHUIHUHQFH E\ RQH RI WKH IROORZLQJ PHDVXUHV
5HRULHQW RU UHORFDWH WKH UHFHLYLQJ DQWHQQD
,QFUHDVH WKH VHSDUDWLRQ EHWZHHQ WKH HTXLSPHQW DQG UHFHLYHU
&RQQHFW WKH HTXLSPHQW LQWR DQ RXWOHW RQ D FLUFXLW GLIIHUHQW IURP
WKDW WR ZKLFK WKH UHFHLYHU LV FRQQHFWHG
&RQVXOW WKH GHDOHU RU DQ H[SHULHQFHG UDGLR 79 WHFKQLFLDQ IRU
KHOS
,QGXVWU\ &DQDGD
7KLV GHYLFH FRPSOLHV ZLWK ,QGXVWU\ &DQDGD /LFHQVHH[HPSW 566
VWDQGDUGV
2SHUDWLRQ LV VXEMHFW WR WKH IROORZLQJ WZR FRQGLWLRQV
1HZ D 6HULHV 1HZ F 6HULHV 1HZ H 6HULHV

7KLV GHYLFH PD\ QRW FDXVH LQWHUIHUHQFH DQG
7KLV GHYLFH PXVW DFFHSW DQ\ LQWHUIHUHQFH LQFOXGLQJ LQWHUIHUHQFH
WKDW PD\ FDXVH XQGHVLUHG RSHUDWLRQ RI WKH GHYLFH
7KLV &ODVV % GLJLWDO DSSDUDWXV FRPSOLHV ZLWK &DQDGLDQ ,&(6
,QGXVWU\ &DQDGD )UDQoDLV
&HW DSSDUHLO HVW FRQIRUPH DX[ QRUPHV GH[HPSWLRQ GH OLFHQFH 566
G,QGXVWU\ &DQDGD
6RQ IRQFWLRQQHPHQW HVW VRXPLV DX[ GHX[ FRQGLWLRQV VXLYDQWHV
FHW DSSDUHLO QH GRLW SDV FDXVHU GLQWHUIpUHQFH HW
FHW DSSDUHLO GRLW DFFHSWHU WRXWH LQWHUIpUHQFH QRWDPPHQW OHV
LQWHUIpUHQFHV TXL SHXYHQW DIIHFWHU VRQ IRQFWLRQQHPHQW
&HW DSSDUHLO QXPpULTXH GH OD FODVVH % HVW FRQIRUPH j OD QRUPH
10% GX &DQDGD
7KLUG SDUW\ VRIWZDUH OLFHQVH DJUHHPHQWV
7KLV SURGXFW LV VXEMHFW WR FHUWDLQ WKLUG SDUW\ VRIWZDUH OLFHQVH
DJUHHPHQWV DV OLVWHG EHORZ
*18 ² /*3/*3/
-3(* OLEUDULHV
2SHQ66/
)UHH7\SH
7KH OLFHQVH DJUHHPHQWV IRU WKH DERYH FDQ EH IRXQG RQ WKH
GRFXPHQWDWLRQ &' ZKLFK DFFRPSDQLHV WKLV SURGXFW
6XSSUHVVLRQ IHUULWHV
5D\PDULQH FDEOHV PD\ EH ¿WWHG ZLWK VXSSUHVVLRQ IHUULWHV 7KHVH
DUH LPSRUWDQW IRU FRUUHFW (0& SHUIRUPDQFH ,I D IHUULWH KDV WR EH
UHPRYHG IRU DQ\ SXUSRVH HJ LQVWDOODWLRQ RU PDLQWHQDQFH LW PXVW
EH UHSODFHG LQ WKH RULJLQDO SRVLWLRQ EHIRUH WKH SURGXFW LV XVHG
8VH RQO\ IHUULWHV RI WKH FRUUHFW W\SH VXSSOLHG E\ 5D\PDULQH
DXWKRUL]HG GHDOHUV
&RQQHFWLRQV WR RWKHU HTXLSPHQW
5HTXLUHPHQW IRU IHUULWHV RQ QRQ5D\PDULQH FDEOHV
,I \RXU 5D\PDULQH HTXLSPHQW LV WR EH FRQQHFWHG WR RWKHU HTXLSPHQW
XVLQJ D FDEOH QRW VXSSOLHG E\ 5D\PDULQH D VXSSUHVVLRQ IHUULWH
0867 DOZD\V EH DWWDFKHG WR WKH FDEOH QHDU WKH 5D\PDULQH XQLW
'HFODUDWLRQ RI FRQIRUPLW\
5D\PDULQH 8. /WG GHFODUHV WKDW WKLV SURGXFW LV FRPSOLDQW ZLWK WKH
HVVHQWLDO UHTXLUHPHQWV RI 577( GLUHFWLYH (&
7KH RULJLQDO 'HFODUDWLRQ RI &RQIRUPLW\ FHUWL¿FDWH PD\ EH YLHZHG RQ
WKH UHOHYDQW SURGXFW SDJH DW ZZZUD\PDULQHFRP
3URGXFW GLVSRVDO
'LVSRVH RI WKLV SURGXFW LQ DFFRUGDQFH ZLWK WKH :((( 'LUHFWLYH
7KH :DVWH (OHFWULFDO DQG (OHFWURQLF (TXLSPHQW :(((
'LUHFWLYH UHTXLUHV WKH UHF\FOLQJ RI ZDVWH HOHFWULFDO DQG HOHFWURQLF
HTXLSPHQW :KLOVW WKH :((( 'LUHFWLYH GRHV QRW DSSO\ WR VRPH
5D\PDULQH SURGXFWV ZH VXSSRUW LWV SROLF\ DQG DVN \RX WR EH DZDUH
RI KRZ WR GLVSRVH RI WKLV SURGXFW
3L[HO GHIHFW SROLF\
,Q FRPPRQ ZLWK DOO 7)7 XQLWV WKH VFUHHQ PD\ H[KLELW D IHZ
ZURQJO\LOOXPLQDWHG ³GHDG´ SL[HOV 7KHVH PD\ DSSHDU DV EODFN
SL[HOV LQ D OLJKW DUHD RI WKH VFUHHQ RU DV FRORUHG SL[HOV LQ EODFN DUHDV
,I \RXU GLVSOD\ H[KLELWV 025( WKDQ WKH QXPEHU RI ZURQJO\LOOXPLQDWHG
SL[HOV VWDWHG EHORZ SOHDVH FRQWDFW \RXU ORFDO 5D\PDULQH VHUYLFH
FHQWHU IRU IXUWKHU DGYLFH
D D H H' F F F
F H H
H H
H
0D[LPXP
DFFHSWDEOH
ZURQJO\
LOOXPLQDWHG SL[HOV
:DUUDQW\ UHJLVWUDWLRQ
7R UHJLVWHU \RXU 5D\PDULQH SURGXFW RZQHUVKLS SOHDVH YLVLW
ZZZUD\PDULQHFRP DQG UHJLVWHU RQOLQH
,W LV LPSRUWDQW WKDW \RX UHJLVWHU \RXU SURGXFW WR UHFHLYH IXOO ZDUUDQW\
EHQH¿WV <RXU XQLW SDFNDJH LQFOXGHV D EDU FRGH ODEHO LQGLFDWLQJ WKH
VHULDO QXPEHU RI WKH XQLW <RX ZLOO QHHG WKLV VHULDO QXPEHU ZKHQ
UHJLVWHULQJ \RXU SURGXFW RQOLQH <RX VKRXOG UHWDLQ WKH ODEHO IRU IXWXUH
UHIHUHQFH
,02 DQG 62/$6
7KH HTXLSPHQW GHVFULEHG ZLWKLQ WKLV GRFXPHQW LV LQWHQGHG IRU XVH
RQ OHLVXUH PDULQH ERDWV DQG ZRUNERDWV QRW FRYHUHG E\ ,QWHUQDWLRQDO
0DULWLPH 2UJDQL]DWLRQ ,02 DQG 6DIHW\ RI /LIH DW 6HD 62/$6
&DUULDJH 5HJXODWLRQV
7HFKQLFDO DFFXUDF\
7R WKH EHVW RI RXU NQRZOHGJH WKH LQIRUPDWLRQ LQ WKLV GRFXPHQW
ZDV FRUUHFW DW WKH WLPH LW ZDV SURGXFHG +RZHYHU 5D\PDULQH
FDQQRW DFFHSW OLDELOLW\ IRU DQ\ LQDFFXUDFLHV RU RPLVVLRQV LW PD\
FRQWDLQ ,Q DGGLWLRQ RXU SROLF\ RI FRQWLQXRXV SURGXFW LPSURYHPHQW
PD\ FKDQJH VSHFL¿FDWLRQV ZLWKRXW QRWLFH $V D UHVXOW 5D\PDULQH
FDQQRW DFFHSW OLDELOLW\ IRU DQ\ GLIIHUHQFHV EHWZHHQ WKH SURGXFW
DQG WKLV GRFXPHQW 3OHDVH FKHFN WKH 5D\PDULQH ZHEVLWH
ZZZUD\PDULQHFRP WR HQVXUH \RX KDYH WKH PRVW XSWRGDWH
YHUVLRQV RI WKH GRFXPHQWDWLRQ IRU \RXU SURGXFW
,PSRUWDQW LQIRUPDWLRQ

1HZ D 6HULHV 1HZ F 6HULHV 1HZ H 6HULHV

&KDSWHU +DQGERRN LQIRUPDWLRQ
&KDSWHU FRQWHQWV
+DQGERRN LQIRUPDWLRQ RQ SDJH
3URGXFW LQIRUPDWLRQ RQ SDJH
+DQGERRN LOOXVWUDWLRQV RQ SDJH
+DQGERRN FRQYHQWLRQV RQ SDJH
7RXFK DQG QRQWRXFK RSHUDWLRQV RQ SDJH
+DQGERRN LQIRUPDWLRQ

+DQGERRN LQIRUPDWLRQ
7KLV KDQGERRN FRQWDLQV LPSRUWDQW LQIRUPDWLRQ UHJDUGLQJ \RXU
PXOWLIXQFWLRQ GLVSOD\
7KH KDQGERRN LV IRU XVH ZLWK WKH IROORZLQJ 5D\PDULQH PXOWLIXQFWLRQ
GLVSOD\V
1HZ D 6HULHV
1HZ F 6HULHV
1HZ H 6HULHV
$ERXW WKLV KDQGERRN
7KLV KDQGERRN GHVFULEHV KRZ WR RSHUDWH \RXU PXOWLIXQFWLRQ GLVSOD\
LQ FRQMXQFWLRQ ZLWK FRPSDWLEOH HOHFWURQLF FDUWRJUDSK\ DQG SHULSKHUDO
HTXLSPHQW
,W DVVXPHV WKDW DOO SHULSKHUDO HTXLSPHQW WR EH RSHUDWHG ZLWK LW
LV FRPSDWLEOH DQG KDV EHHQ FRUUHFWO\ LQVWDOOHG 7KLV KDQGERRN
LV LQWHQGHG IRU XVHUV RI YDU\LQJ PDULQH DELOLWLHV EXW DVVXPHV D
JHQHUDO OHYHO RI NQRZOHGJH RI GLVSOD\ XVH QDXWLFDO WHUPLQRORJ\
DQG SUDFWLFHV
+DQGERRNV
7KH IROORZLQJ KDQGERRNV DUH DSSOLFDEOH WR \RXU PXOWLIXQFWLRQ
GLVSOD\
+DQGERRNV
$OO GRFXPHQWV DUH DYDLODEOH WR GRZQORDG DV 3')V IURP
ZZZUD\PDULQHFRP
1HZ D 6HULHV +DQGERRNV
'HVFULSWLRQ 3DUW QXPEHU
1HZ D 6HULHV 0RXQWLQJ DQG JHWWLQJ
VWDUWHG JXLGH
1HZ D 6HULHV 1HZ F 6HULHV 1HZ
H 6HULHV ,QVWDOODWLRQ DQG RSHUDWLRQ
KDQGERRN
D D 0RXQWLQJ WHPSODWH
1HZ F 6HULHV +DQGERRNV
'HVFULSWLRQ 3DUW QXPEHU
1HZ F 6HULHV 1HZ H 6HULHV 0RXQWLQJ
DQG JHWWLQJ VWDUWHG JXLGH
1HZ D 6HULHV 1HZ F 6HULHV 1HZ
H 6HULHV ,QVWDOODWLRQ DQG RSHUDWLRQ
KDQGERRN
H H F F 0RXQWLQJ
WHPSODWH
H H F F' 0RXQWLQJ
WHPSODWH
1HZ H 6HULHV +DQGERRNV
'HVFULSWLRQ 3DUW QXPEHU
H H' 0RXQWLQJ DQG JHWWLQJ VWDUWHG
JXLGH
1HZ F 6HULHV 1HZ H 6HULHV 0RXQWLQJ
DQG JHWWLQJ VWDUWHG JXLGH
1HZ D 6HULHV 1HZ F 6HULHV 1HZ
H 6HULHV ,QVWDOODWLRQ DQG RSHUDWLRQ
KDQGERRN
H H' 0RXQWLQJ WHPSODWH
H H F F 0RXQWLQJ
WHPSODWH
H H F F' 0RXQWLQJ
WHPSODWH
H 0RXQWLQJ WHPSODWH
$GGLWLRQDO KDQGERRNV
'HVFULSWLRQ 3DUW QXPEHU
6HD7DONQJ UHIHUHQFH PDQXDO
1HZ D 6HULHV 1HZ F 6HULHV 1HZ H 6HULHV

3URGXFW LQIRUPDWLRQ
7KH IROORZLQJ 5D\PDULQH PXOWLIXQFWLRQ GLVSOD\ YDULDQWV DUH DYDLODEOH
1RQ
VRQDU
YDULDQW
6RQDU
YDULDQW 6HULHV &RQWUROV )HDWXUHV
D D 1HZ D 6HULHV
7RXFKVFUHHQ RQO\
%OXHWRRWK
,QWHUQDO *36
H H' 1HZ H 6HULHV
+\EULG7RXFK
7RXFKVFUHHQ DQG SK\VLFDO
EXWWRQV
%OXHWRRWK
:L)L
10($
10($ YLD 6HD7DONQJ
,QWHUQDO *36
9LGHR LQSXW
F F 1HZ F 6HULHV
3K\VLFDO EXWWRQV RQO\
%OXHWRRWK
:L)L
10($
10($ YLD 6HD7DONQJ
,QWHUQDO *36
9LGHR LQSXW
H H 1HZ H 6HULHV
+\EULG7RXFK
7RXFKVFUHHQ DQG SK\VLFDO
EXWWRQV
%OXHWRRWK
:L)L
10($
10($ YLD 6HD7DONQJ
,QWHUQDO *36
9LGHR LQSXW [
9LGHR RXWSXW
F F 1HZ F 6HULHV
3K\VLFDO EXWWRQV RQO\
%OXHWRRWK
:L)L
10($
10($ YLD 6HD7DONQJ
,QWHUQDO *36
9LGHR LQSXW
H H 1HZ H 6HULHV
+\EULG7RXFK
7RXFKVFUHHQ DQG SK\VLFDO
EXWWRQV
%OXHWRRWK
:L)L
10($
10($ YLD 6HD7DONQJ
,QWHUQDO *36
9LGHR LQSXW [
9LGHR RXWSXW
H QD 1HZ H 6HULHV
+\EULG7RXFK
7RXFKVFUHHQ DQG SK\VLFDO
EXWWRQV
%OXHWRRWK
:L)L
10($
10($ YLD 6HD7DONQJ
9LGHR LQSXW [
9LGHR RXWSXW
+DQGERRN LQIRUPDWLRQ

+DQGERRN LOOXVWUDWLRQV
7KH LOOXVWUDWLRQV DQG VFUHHQVKRWV XVHG LQ WKLV KDQGERRN PD\ GLIIHU
VOLJKWO\ IURP \RXU GLVSOD\ PRGHO
7KH LOOXVWUDWLRQ RI WKH PXOWLIXQFWLRQ GLVSOD\ EHORZ LV XVHG WKURXJKRXW
WKLV PDQXDO DQG XQOHVV RWKHUZLVH VWDWHG FDQ DSSO\ WR DOO YDULDQWV
RI PXOWLIXQFWLRQ GLVSOD\ LH 1HZ D VHULHV 1HZ F 6HULHV DQG 1HZ
H 6HULHV
1HZ D 6HULHV 1HZ F 6HULHV 1HZ H 6HULHV

+DQGERRN FRQYHQWLRQV
7KH IROORZLQJ FRQYHQWLRQV DUH XVHG WKURXJKRXW WKLV KDQGERRN ZKHQ UHIHUULQJ WR
7\SH ([DPSOH &RQYHQWLRQ
,FRQV 7KH WHUP VHOHFW LV XVHG LQ SURFHGXUHV LQYROYLQJ LFRQV WR UHIHU WR WKH DFWLRQ RI
VHOHFWLQJ DQ RQVFUHHQ LFRQ HLWKHU XVLQJ WRXFK RU SK\VLFDO EXWWRQV
7RXFK ² 3UHVV \RXU ¿QJHU RQ WKH LFRQ WR VHOHFW
3K\VLFDO EXWWRQV ² 8VH WKH -R\VWLFN WR KLJKOLJKW WKH LFRQ DQG SUHVV WKH
2N EXWWRQ
7KH WHUP VHOHFW LV XVHG LQ SURFHGXUHV LQYROYLQJ PHQXV WR UHIHU WR WKH DFWLRQ
RI VHOHFWLQJ D PHQX LWHP HLWKHU XVLQJ WRXFK RU SK\VLFDO EXWWRQV
7RXFK ² 3UHVV \RXU ¿QJHU RQ WKH LFRQ WR VHOHFW
3K\VLFDO EXWWRQV ² 8VH WKH -R\VWLFN WR KLJKOLJKW WKH LFRQ DQG SUHVV WKH
2N EXWWRQ
0HQXV
7KH WHUP ³VFUROO´ LV XVHG LQ SURFHGXUHV LQYROYLQJ PHQXV DQG GLDORJV WR UHIHU WR
WKH DFWLRQ RI VFUROOLQJ D OLVW RU PHQX HLWKHU E\ WRXFK RU SK\VLFDO EXWWRQV
7RXFK ² 3UHVV \RXU ¿QJHU RQ WKH PHQX DQG VOLGH XS RU GRZQ WR VFUROO
3K\VLFDO EXWWRQV ² 7XUQ WKH 5RWDU\ FRQWURO FORFNZLVH RU DQWL²FORFNZLVH
WR VFUROO
$SSOLFDWLRQV 7KH WHUP ³VHOHFW´ LV XVHG LQ SURFHGXUHV LQYROYLQJ DSSOLFDWLRQV WR UHIHU WR WKH
DFWLRQ RI VHOHFWLQJ D ORFDWLRQ REMHFW RU WDUJHW RQVFUHHQ XVLQJ WRXFK RU SK\VLFDO
EXWWRQV
7RXFK ² 3UHVV DQG KROG \RXU ¿QJHU RQ D ORFDWLRQ WR VHOHFW RU
7RXFK ² 3UHVV DQG UHOHDVH \RXU ¿QJHU RQ DQ REMHFW RU WDUJHW
3K\VLFDO EXWWRQV ² 8VH WKH -R\VWLFN WR KLJKOLJKW WKH ORFDWLRQ REMHFW RU
WDUJHW DQG SUHVV WKH 2N EXWWRQ
1XPHULF DGMXVW
FRQWUROV
7KH WHUP ³DGMXVW´ LV XVHG LQ SURFHGXUHV LQYROYLQJ QXPHULFDO DGMXVW FRQWUROV
WR UHIHU WR WKH DFWLRQ RI FKDQJLQJ WKH QXPHULF YDOXH XVLQJ WRXFK RU SK\VLFDO
EXWWRQV
7RXFK ² 3UHVV \RXU ¿QJHU RQ WKH XS RU GRZQ DUURZ WR LQFUHDVH RU GHFUHDVH
WKH QXPHULF YDOXH
3K\VLFDO EXWWRQV ² 8VH WKH 5RWDU\ FRQWURO WR LQFUHDVH RU GHFUHDVH WKH
QXPHULF YDOXH
:LWK WKH 1XPHULF DGMXVW FRQWURO GLVSOD\HG \RX FDQ DOVR VHOHFW RQ WKH NH\SDG
LFRQ RU SUHVV DQG KROG WKH 2N EXWWRQ WR RSHQ D QXPHULF NH\SDG WR HQWHU D QHZ
YDOXH IRU WKH VHWWLQJ
6OLGHU EDU FRQWUROV
7KH WHUP ³DGMXVW´ LV XVHG LQ SURFHGXUHV LQYROYLQJ VOLGHU EDU FRQWUROV WR UHIHU WR
WKH DFWLRQ RI FKDQJLQJ WKH DVVRFLDWHG QXPHULF YDOXH XVLQJ WRXFK RU SK\VLFDO
EXWWRQV
7RXFK ² 3UHVV \RXU ¿QJHU RQ WKH XS RU GRZQ DUURZ WR LQFUHDVH RU GHFUHDVH
WKH QXPHULF YDOXH
3K\VLFDO EXWWRQV ² 8VH WKH 5RWDU\ FRQWURO WR LQFUHDVH RU GHFUHDVH WKH
QXPHULF YDOXH
+DQGERRN LQIRUPDWLRQ

:D\SRLQW 02% EXWWRQ LFRQ
'HSHQGLQJ RQ WKH PXOWLIXQFWLRQ GLVSOD\ YDULDQW WKHUH ZLOO EH HLWKHU D
:D\SRLQW 02% EXWWRQ RU DQ RQVFUHHQ LFRQ
:37 EXWWRQ 1HZ F 6HULHV
1HZ H 6HULHV
:37 LFRQV 1HZ D 6HULHV
7KURXJKRXW WKLV PDQXDO WKH WHUP 6HOHFW :37 UHIHUV WR SUHVVLQJ
WKH SK\VLFDO :37 EXWWRQ RU SUHVVLQJ WKH RQVFUHHQ :37 LFRQ
1HZ D 6HULHV 1HZ F 6HULHV 1HZ H 6HULHV

7RXFK DQG QRQWRXFK RSHUDWLRQV
7KLV KDQGERRN DSSOLHV WR 1HZ D 6HULHV 1HZ F 6HULHV DQG 1HZ
H 6HULHV PXOWLIXQFWLRQ GLVSOD\V $OO IHDWXUHV DQG IXQFWLRQV FDQ EH
DFFHVVHG XVLQJ SK\VLFDO EXWWRQV QRQWRXFK RQ 1HZ F 6HULHV DQG
1HZ H 6HULHV GLVSOD\V RU E\ XVLQJ WKH WRXFKVFUHHQ RQ 1HZ D 6HULHV
DQG 1HZ H 6HULHV GLVSOD\V
7KLV KDQGERRN XVHV LFRQV WKURXJKRXW WR LGHQWLI\ ZKHWKHU D SDUWLFXODU
WDVN LV D WRXFK RU D QRQWRXFK RSHUDWLRQ
7RXFK 7RXFKVFUHHQ RSHUDWLRQ ² 7RXFK
RSHUDWLRQV DSSO\ WR 1HZ D 6HULHV DQG 1HZ H
6HULHV PXOWLIXQFWLRQ GLVSOD\V
1RQWRXFK SK\VLFDO EXWWRQ RSHUDWLRQ ²
1RQWRXFK RSHUDWLRQV DSSO\ WR 1HZ F 6HULHV DQG
1HZ H 6HULHV PXOWLIXQFWLRQ GLVSOD\V
1RWH :KHUH D WDVN GRHV QRW KDYH D WRXFK RU QRQWRXFK LFRQ
WKHQ WKH WDVN DSSOLHV WR DOO GLVSOD\ YDULDQWV
+DQGERRN LQIRUPDWLRQ

1HZ D 6HULHV 1HZ F 6HULHV 1HZ H 6HULHV

&KDSWHU 3ODQQLQJ WKH LQVWDOODWLRQ
&KDSWHU FRQWHQWV
6\VWHP LQWHJUDWLRQ RQ SDJH
,QVWDOODWLRQ FKHFNOLVW RQ SDJH
6\VWHP /LPLWV RQ SDJH
0XOWLSOH GDWD VRXUFHV 0'6 RYHUYLHZ RQ SDJH
,GHQWLI\LQJ \RXU GLVSOD\ YDULDQW RQ SDJH
1HWZRUNLQJ FRQVWUDLQWV RQ SDJH
7\SLFDO V\VWHPV RQ SDJH
6\VWHP SURWRFROV RQ SDJH
'DWD PDVWHU RQ SDJH
1HZ D 6HULHV SDUWV VXSSOLHG RQ SDJH
H H' 3DUWV VXSSOLHG RQ SDJH
1HZ F 6HULHV DQG 1HZ H 6HULHV SDUWV VXSSOLHG RQ SDJH
7RROV UHTXLUHG IRU LQVWDOODWLRQ RQ SDJH
3ODQQLQJ WKH LQVWDOODWLRQ

6\VWHP LQWHJUDWLRQ
<RXU PXOWLIXQFWLRQ GLVSOD\ LV FRPSDWLEOH ZLWK D ZLGH UDQJH RI PDULQH HOHFWURQLFV GHYLFHV
7KH GLVSOD\ XVHV D QXPEHU RI SURWRFROV WR WUDQVIHU GDWD EHWZHHQ WKH YDULRXV GHYLFHV LQ \RXU V\VWHP 7KH IROORZLQJ WDEOH GHWDLOV ZKLFK
GHYLFHV PD\ EH FRQQHFWHG WR \RXU GLVSOD\ DQG WKH W\SH RI FRQQHFWLRQV LQ WHUPV RI SURWRFROV DQG SK\VLFDO LQWHUIDFHV
,WHP 'HYLFH 7\SH 0D[LPXP TXDQWLW\ 6XLWDEOH 'HYLFHV &RQQHFWLRQV
5HPRWH FRQWURO SHU PXOWLIXQFWLRQ GLVSOD\ 5D\PDULQH 5&8 %OXHWRRWK
6PDUWSKRQH 7DEOHW GHYLFH SHU PXOWLIXQFWLRQ GLVSOD\ )RU 5D\PDULQH ZLUHOHVV YLGHR VWUHDPLQJ DQG
UHPRWH FRQWURO DSSV
$SSOH L3KRQH RU ODWHU RU L3DG RU
ODWHU
$QGURLG GHYLFH ZLWK PLQLPXP *+]
SURFHVVRU DQG UXQQLQJ DQGURLG RU
ODWHU
$PD]RQ .LQGOH )LUH
)RU FKDUWSORWWHU V\QF ZLWK 1DYLRQLFV 0DULQH
DSS
$SSOH L3KRQH RU L3DG
$QGURLGFRPSDWLEOH VPDUWSKRQH RU WDEOHW
)RU PHGLD SOD\HU FRQWURO 1HZ H 6HULHV RQO\
$Q\ %OXHWRRWKHQDEOHG GHYLFH VXSSRUWLQJ
%OXHWRRWK $95&3 YHUVLRQ RU KLJKHU
&KDUWSORWWHU V\QF ZLWK 1DYLRQLFV 0DULQH
DSS :L)L
9LGHR VWUHDPLQJ DQG UHPRWH FRQWURO
:L)L
0HGLD SOD\HU FRQWURO %OXHWRRWK $95&3
RU ODWHU
9HVVHO WDQN VHQVRUV ²
WKLUGSDUW\
8S WR [ IXHO
[ IUHVK ZDWHU
[ ZDVWH ZDWHU
[ VHZDJH
[ EDLW ¿VK
7KLUGSDUW\ 10($ LQWHUIDFHV 10($ YLD RSWLRQDO 'HYLFH1HW DGDSWRU
FDEOHV
*36 H[WHUQDO ² 5D\PDULQH $Q\ FRPELQDWLRQ RI WKH IROORZLQJ
5D\VWDU *36
5D\VWDU *36 YLD RSWLRQDO 6HD7DON WR
6HD7DONQJ FRQYHUWHU
56
6HD7DON 6HD7DONQJ RU 10($
1HZ D 6HULHV 1HZ F 6HULHV 1HZ H 6HULHV

,WHP 'HYLFH 7\SH 0D[LPXP TXDQWLW\ 6XLWDEOH 'HYLFHV &RQQHFWLRQV
,QVWUXPHQWV ² 5D\PDULQH $V GHWHUPLQHG E\ 6HD7DONQJ
EXV EDQGZLGWK DQG SRZHU
ORDGLQJ
6HD7DON YLD RSWLRQDO 6HD7DON WR 6HD7DONQJ
FRQYHUWHU
67 :LQG 6SHHG 'HSWK 5XGGHU RU
&RPSDVV
67 :LQG 6SHHG 'HSWK 5XGGHU RU
&RPSDVV
L :LQG 6SHHG 'HSWK RU %LGDWD
6HD7DONQJ
67
67
67 NH\SDGV
L 'HSWK 6SHHG RU 7ULGDWD
L :LQG &+ :LQG
L
6HD7DON 6HD7DONQJ
3LORW FRQWURO KHDGV ²
5D\PDULQH
$V GHWHUPLQHG E\ 6HD7DON
RU 6HD7DONQJ EXV EDQGZLGWK
DQG SRZHU ORDGLQJ DV
DSSURSULDWH
6HD7DON YLD RSWLRQDO 6HD7DON WR 6HD7DONQJ
FRQYHUWHU
67
67
67
6HD7DONQJ
67 6HD7DONQJ FRXUVH FRPSXWHU RQO\
67 6HD7DONQJ FRXUVH FRPSXWHU RQO\
S
S5
6HD7DON 6HD7DONQJ
&RXUVH FRPSXWHU ²
5D\PDULQH
6HD7DON YLD RSWLRQDO 6HD7DON WR 6HD7DONQJ
FRQYHUWHU
67
67
6
6
6
6
6HD7DONQJ
$OO 63; FRXUVH FRPSXWHUV
6HD7DON 6HD7DONQJ RU 10($
$,6 ² 5D\PDULQH $,6
$,6
$,6
$,6
$,6
6HD7DONQJ RU 10($
$,6 ² WKLUGSDUW\ 7KLUGSDUW\ 10($ ±FRPSDWLEOH $,6
&ODVV $ RU &ODVV % UHFHLYHU WUDQVFHLYHU
10($
9HVVHO WULP WDEV ² WKLUGSDUW\ SDLU 7KLUGSDUW\ 10($ LQWHUIDFHV 10($ YLD RSWLRQDO 'HYLFH1HW DGDSWRU
FDEOHV
9LGHR FDPHUD 1HZ D 6HULHV
H H' 1HZ F 6HULHV
1HZ H 6HULHV H[FOXGLQJ
H DQG H'
&RPSRVLWH 3$/ RU 176& YLGHR VRXUFH %1& FRQQHFWRUV
,3 FDPHUD 2QO\ FDPHUD PD\ EH
YLHZHG DW D WLPH
7KLUG SDUW\ ,3 FDPHUD 9LD 6HD7DONKV QHWZRUN
/LIHWDJ 0DQ RYHUERDUG DOHUW EDVHVWDWLRQ $OO 5D\PDULQH /LIHWDJ EDVHVWDWLRQV 6HD7DON YLD RSWLRQDO 6HD7DON WR 6HD7DONQJ
FRQYHUWHU
3ODQQLQJ WKH LQVWDOODWLRQ

,WHP 'HYLFH 7\SH 0D[LPXP TXDQWLW\ 6XLWDEOH 'HYLFHV &RQQHFWLRQV
(QJLQH LQWHUIDFH ²
WKLUGSDUW\
7KLUGSDUW\ 10($ LQWHUIDFHV 10($ YLD RSWLRQDO 'HYLFH1HW DGDSWRU
FDEOHV
7UDQVGXFHUV DQG VHQVRUV ²
5D\PDULQH
$QDORJ WUDQVGXFHUV
:LQG
6SHHG
'HSWK
6HD7DONQJ YLD RSWLRQDO WUDQVGXFHU SRGV
7UDQVGXFHUV DQG VHQVRUV ²
$LUPDU
'7 6PDUW 6HQVRU
'67 6PDUW 6HQVRU
3% ZHDWKHU VWDWLRQ
6HD7DONQJ YLD RSWLRQDO WUDQVGXFHU SRGV
9LGHR RXW 1HZ H 6HULHV H[FOXGLQJ H
DQG H'
([WHUQDO GLVSOD\ SLQ '7\SH FRQQHFWRU 9*$ 6W\OH
6RQDU WUDQVGXFHU 'LUHFW FRQQHFWLRQ WR GLVSOD\ 6RQDU YDULDQW
GLVSOD\V RQO\
5D\PDULQH 3
5D\PDULQH 3
5D\PDULQH 3
5D\PDULQH %
5D\PDULQH %
5D\PDULQH %9
25
$Q\ ZDWW .Z FRPSDWLEOH WUDQVGXFHU
YLD RSWLRQDO ( DGDSWRU FDEOH
25
$Q\ 0LQQ .RWD WUDQVGXFHU YLD RSWLRQDO
$ DGDSWRU FDEOH
&RQQHFWLRQ YLD H[WHUQDO 5D\PDULQH 6RQDU
0RGXOH
$Q\ VRQDU PRGXOHFRPSDWLEOH WUDQVGXFHU
5D\PDULQH WUDQVGXFHU FRQQHFWLRQ 25 0LQQ
.RWD WUDQVGXFHU FRQQHFWLRQ
9+) UDGLR ² 5D\PDULQH $OO 5D\PDULQH '6& 9+) UDGLRV 10($ RQO\ 1R 6HD7DON VXSSRUW
6LULXV :HDWKHU UHFHLYHU ²
5D\PDULQH 1RUWK $PHULFD
RQO\
6HD7DONKV
65
65
6HD7DONQJ
65
6HD7DONKV 6HD7DONQJ
$GGLWLRQDO PXOWLIXQFWLRQ
GLVSOD\V ² 5D\PDULQH
6HD7DONKV UHFRPPHQGHG
1HZ D 6HULHV PXOWLIXQFWLRQ GLVSOD\V
1HZ F 6HULHV PXOWLIXQFWLRQ GLVSOD\V
1HZ H 6HULHV PXOWLIXQFWLRQ GLVSOD\V
1RWH <RX FDQ FRQQHFW 5D\PDULQH
PXOWLIXQFWLRQ GLVSOD\V XVLQJ 10($
RU 6HD7DONQJ EXW QRW DOO IXQFWLRQV DUH
VXSSRUWHG
1RWH 9LVLW ZZZUD\PDULQHFRP WR
GRZQORDG WKH ODWHVW VRIWZDUH YHUVLRQ IRU
\RXU GLVSOD\
6HD7DONKV
$GGLWLRQDO PXOWLIXQFWLRQ
GLVSOD\V ² WKLUGSDUW\
&RQQHFWLRQV WR
PXOWLIXQFWLRQ GLVSOD\
10($ RXWSXWV
&RQQHFWLRQV WR
PXOWLIXQFWLRQ GLVSOD\
10($ LQSXWV
10($ ±FRPSDWLEOH FKDUWSORWWHUV DQG
PXOWLIXQFWLRQ GLVSOD\V
10($
1HZ D 6HULHV 1HZ F 6HULHV 1HZ H 6HULHV

,WHP 'HYLFH 7\SH 0D[LPXP TXDQWLW\ 6XLWDEOH 'HYLFHV &RQQHFWLRQV
)LVK¿QGHU 6RQDU 0RGXOH ²
5D\PDULQH
&3&
'60
'60
6HD7DONKV
5DGDU ² 5D\PDULQH $OO 5D\PDULQH 1RQ+' 'LJLWDO 5DGRPHV DQG
+' RU 6XSHU+' UDGDU VFDQQHUV
1RWH 3OHDVH HQVXUH \RXU UDGDU VFDQQHU
LV XVLQJ WKH ODWHVW VRIWZDUH YHUVLRQ
6HD7DONKV
7KHUPDO FDPHUD ²
5D\PDULQH
1RWH 1HZ D 6HULHV
PXOWLIXQFWLRQ GLVSOD\V
GR QRW VXSSRUW WKHUPDO
FDPHUDV
$OO 5D\PDULQH WKHUPDO FDPHUDV 6HD7DONKV IRU FRQWURO %1& FRQQHFWRU IRU
YLGHR
3& ODSWRS :LQGRZVFRPSDWLEOH 3& RU ODSWRS UXQQLQJ
5D\PDULQH 9R\DJHU SODQQLQJ VRIWZDUH
6HD7DONKV
&DUWRJUDSK\ ² LQFOXGHG (PEHGGHG LQWHUQDO 1DYLRQLFV ZRUOG EDVH
PDS
,QWHUQDO VWRUDJH
&DUWRJUDSK\ ² RSWLRQDO ([WHUQDO 0LFUR6' RU 0LFUR6'+& FKDUW
FDUGV
1DYLRQLFV 5HDG\ WR 1DYLJDWH
1DYLRQLFV 6LOYHU
1DYLRQLFV *ROG
1DYLRQLFV *ROG
1DYLRQLFV 3ODWLQXP
1DYLRQLFV 3ODWLQXP
1DYLRQLFV )LVK1 &KLS
1DYLRQLFV +RWPDSV
5HIHU WR WKH 5D\PDULQH ZHEVLWH
ZZZUD\PDULQHFRP IRU WKH ODWHVW OLVW
RI VXSSRUWHG FKDUW FDUGV
&DUG VORW
3ODQQLQJ WKH LQVWDOODWLRQ

,QVWDOODWLRQ FKHFNOLVW
,QVWDOODWLRQ LQFOXGHV WKH IROORZLQJ DFWLYLWLHV
,QVWDOODWLRQ 7DVN
3ODQ \RXU V\VWHP
2EWDLQ DOO UHTXLUHG HTXLSPHQW DQG WRROV
6LWH DOO HTXLSPHQW
5RXWH DOO FDEOHV
'ULOO FDEOH DQG PRXQWLQJ KROHV
0DNH DOO FRQQHFWLRQV LQWR HTXLSPHQW
6HFXUH DOO HTXLSPHQW LQ SODFH
3RZHU RQ DQG WHVW WKH V\VWHP
6\VWHP /LPLWV
7KH IROORZLQJ OLPLWV DSSO\ WR WKH QXPEHU RI V\VWHP FRPSRQHQWV WKDW
FDQ EH FRQQHFWHG LQ D 5D\PDULQH PXOWLIXQFWLRQ GLVSOD\ V\VWHP
&RPSRQHQW 0D[LPXP
0D[LPXP QXPEHU RI 6HD7DONKV
GHYLFHV
0D[LPXP QXPEHU RI 6HD7DONQJ
GHYLFHV
1HZ D 6HULHV 1HZ F 6HULHV 1HZ H
6HULHV PXOWLIXQFWLRQ GLVSOD\V
1HZ D 6HULHV 1HZ F 6HULHV 1HZ H 6HULHV

0XOWLSOH GDWD VRXUFHV 0'6 RYHUYLHZ
,QVWDOODWLRQV WKDW LQFOXGH PXOWLSOH LQVWDQFHV RI GDWD VRXUFHV FDQ
FDXVH GDWD FRQÀLFWV $Q H[DPSOH LV DQ LQVWDOODWLRQ IHDWXULQJ PRUH
WKDQ RQH VRXUFH RI *36 GDWD
0'6 HQDEOHV \RX WR PDQDJH FRQÀLFWV LQYROYLQJ WKH IROORZLQJ W\SHV
RI GDWD
*36 3RVLWLRQ
+HDGLQJ
'HSWK
6SHHG
:LQG
7\SLFDOO\ WKLV H[HUFLVH LV FRPSOHWHG DV SDUW RI WKH LQLWLDO LQVWDOODWLRQ
RU ZKHQ QHZ HTXLSPHQW LV DGGHG
,I WKLV H[HUFLVH LV 127 FRPSOHWHG WKH V\VWHP ZLOO DXWRPDWLFDOO\
DWWHPSW WR UHVROYH GDWD FRQÀLFWV +RZHYHU WKLV PD\ UHVXOW LQ WKH
V\VWHP FKRRVLQJ D VRXUFH RI GDWD WKDW \RX GR QRW ZDQW WR XVH
,I 0'6 LV DYDLODEOH WKH V\VWHP FDQ OLVW WKH DYDLODEOH GDWD VRXUFHV
DQG DOORZ \RX WR VHOHFW \RXU SUHIHUUHG GDWD VRXUFH )RU 0'6 WR EH
DYDLODEOH DOO SURGXFWV LQ WKH V\VWHP WKDW XVH WKH GDWD VRXUFHV OLVWHG
DERYH PXVW EH 0'6FRPSOLDQW 7KH V\VWHP FDQ OLVW DQ\ SURGXFWV
WKDW DUH 127 FRPSOLDQW ,W PD\ EH QHFHVVDU\ WR XSJUDGH WKH
VRIWZDUH IRU WKHVH QRQFRPSOLDQW SURGXFWV WR PDNH WKHP FRPSOLDQW
9LVLW WKH 5D\PDULQH ZHEVLWH ZZZUD\PDULQHFRP WR REWDLQ WKH
ODWHVW VRIWZDUH IRU \RXU SURGXFWV ,I 0'6FRPSOLDQW VRIWZDUH LV QRW
DYDLODEOH DQG \RX GR 127 ZDQW WKH V\VWHP WR DXWRPDWLFDOO\ DWWHPSW
WR UHVROYH GDWD FRQÀLFWV DQ\ QRQFRPSOLDQW SURGXFWV FDQ EH
UHPRYHG RU UHSODFHG WR HQVXUH WKH HQWLUH V\VWHP LV 0'6FRPSOLDQW
,GHQWLI\LQJ \RXU GLVSOD\ YDULDQW
7R GLVFRYHU ZKLFK PRGHO GLVSOD\ \RX KDYH IROORZ WKH VWHSV EHORZ
)URP WKH KRPHVFUHHQ
6HOHFW 6HWXS
6HOHFW 0DLQWHQDQFH
6HOHFW 'LDJQRVWLFV
6HOHFW 6HOHFW 'HYLFH
6HDUFK WKH 1HWZRUN FROXPQ IRU WKH 7KLV 'HYLFH HQWU\
7KH 'HYLFH FROXPQ IRU WKLV UHFRUG ZLOO OLVW WKH PRGHO RI \RXU
GLVSOD\
3ODQQLQJ WKH LQVWDOODWLRQ

1HWZRUNLQJ FRQVWUDLQWV
1HZ D 6HULHV 1HZ F 6HULHV DQG 1HZ H 6HULHV GLVSOD\V FDQ EH
QHWZRUNHG WRJHWKHU DQG FDQ DOVR EH QHWZRUNHG WR 5D\PDULQH¶V
(6HULHV :LGHVFUHHQ GLVSOD\V DQG *6HULHV V\VWHPV &DXWLRQ LV
DGYLVHG ZKHQ QHWZRUNLQJ D 1HZ D 6HULHV 1HZ F 6HULHV RU 1HZ
H 6HULHV WR D QHWZRUN FRQWDLQLQJ D (6HULHV :LGHVFUHHQ GLVSOD\
RU ZKHQ FRQQHFWLQJ WR D *6HULHV V\VWHP DV WKHUH DUH QHWZRUNLQJ
FRQVWUDLQWV DQG UHVWULFWLRQV ZKLFK DSSO\
*HQHUDO
0XOWLIXQFWLRQ GLVSOD\V VKRXOG EH FRQQHFWHG WRJHWKHU XVLQJ
6HD7DONKV
0XOWLIXQFWLRQ GLVSOD\V FDQ DOVR EH FRQQHFWHG YLD 6HD7DONQJ RU
10($ EXW QRW DOO IXQFWLRQV DUH VXSSRUWHG
$OO QHWZRUNHG 1HZ D 6HULHV 1HZ F 6HULHV DQG 1HZ H 6HULHV
GLVSOD\V PXVW FRQWDLQ VRIWZDUH YHUVLRQ 9[[ RU ODWHU
1RWH 7KH 1HZ D 6HULHV FDQQRW EH QHWZRUNHG XVLQJ 10($
0DVWHU UHSHDWHU RSHUDWLRQ
$Q\ QHWZRUN IHDWXULQJ PRUH WKDQ PXOWLIXQFWLRQ GLVSOD\ PXVW
KDYH RI WKH GLVSOD\V GHVLJQDWHG DV WKH GDWD PDVWHU
7KH GDWD PDVWHU GLVSOD\ ZLOO UHFHLYH GDWD WKURXJK 10($
DQG RU 6HD7DONQJ DQG EULGJH WKH GDWD RYHU 6HD7DONKV WR RWKHU
QHWZRUNHG GLVSOD\V
:KHQ QHWZRUNLQJ D 1HZ D 6HULHV 1HZ F 6HULHV RU 1HZ H 6HULHV
PXOWLIXQFWLRQ GLVSOD\ WR DQ (6HULHV :LGHVFUHHQ GLVSOD\ RU
*6HULHV V\VWHP WKH 1HZ D 6HULHV 1HZ F 6HULHV RU 1HZ H 6HULHV
GLVSOD\V PXVW EH SXW LQWR FRPSDWLELOLW\ PRGH &RPSDWLELOLW\ PRGH
FDQ EH DFFHVVHG IURP WKH 6HWXS 0HQX IURP WKH KRPHVFUHHQ
6HWXS ! 0DLQWHQDQFH ! &RPSDWLELOLW\
$Q\ QHWZRUN FRQWDLQLQJ D *6HULHV V\VWHP PXVW KDYH WKH
*6HULHV *30 VHW DV WKH GDWD PDVWHU
1RWH &RQQHFWHG (6HULHV :LGHVFUHHQ GLVSOD\V DQG *6HULHV
V\VWHP ZLOO UHVHW RQFH FRPSDWLELOLW\ PRGH KDV EHHQ VHOHFWHG
/HJDF\ PXOWLIXQFWLRQ GLVSOD\ VXSSRUW (6HULHV :LGHVFUHHQ
DQG *6HULHV V\VWHP
$ *6HULHV *30 V\VWHP RSHUDWLQJ ZLWK VRIWZDUH YHUVLRQ
9[[ RU ODWHU ZLOO SHUPLW WKH FRQQHFWLRQ RI XS WR 1HZ D 6HULHV
1HZ F 6HULHV RU 1HZ H 6HULHV GLVSOD\V RU (6HULHV :LGHVFUHHQ
GLVSOD\V RU RI HDFK HJ 1HZ H 6HULHV DQG (6HULHV
:LGHVFUHHQ GLVSOD\
1RWH 0DVWHU UHSHDWHU RSHUDWLRQ DSSOLHV
$ QHWZRUN IHDWXULQJ D 1HZ D 6HULHV 1HZ F 6HULHV RU 1HZ H
6HULHV GLVSOD\V DQG HLWKHU DQ (6HULHV :LGHVFUHHQ RU *6HULHV
V\VWHP PXVW EH FRQQHFWHG XVLQJ 6HD7DONKV RQO\
$Q LQFRPSDWLELOLW\ PHVVDJH LV GLVSOD\HG RQVFUHHQ ZKHQ D
PXOWLIXQFWLRQ GLVSOD\ LV FRQQHFWHG ZKLFK LV QRW VXSSRUWHG
+RPHVFUHHQ VKDULQJ
:KHQ QHWZRUNHG 1HZ D 6HULHV 1HZ F 6HULHV RU 1HZ H 6HULHV
GLVSOD\V FDQ VKDUH KRPHVFUHHQV
1HZ D 6HULHV 1HZ F 6HULHV DQG 1HZ H 6HULHV FDQQRW VKDUH
KRPHVFUHHQV ZLWK DQ (6HULHV :LGHVFUHHQ GLVSOD\ RU *6HULHV
V\VWHP
&DUWRJUDSK\ VKDULQJ
7KH FDUWRJUDSK\ FRQWDLQHG RQ FKDUW FDUGV LV DOZD\V XVHG LQ
SUHIHUHQFH WR HPEHGGHG FDUWRJUDSK\ ZKHQ D FKDUW FDUG LV
LQVHUWHG LQWR D FDUG VORW
&KDUW FDUG FDUWRJUDSK\ FDQ EH VKDUHG EHWZHHQ 1HZ D VHULHV
1HZ F 6HULHV 1HZ H 6HULHV (6HULHV :LGHVFUHHQ DQG *6HULHV
V\VWHPV
5DGDU RSHUDWLRQ
1HZ D 6HULHV 1HZ F 6HULHV RU 1HZ H 6HULHV V\VWHPV VXSSRUW WKH
XVH RI UDGDU VFDQQHU DW D WLPH
7KH GDWD VXSSOLHG E\ D FRQQHFWHG UDGDU VFDQQHU LV UHSHDWHG WR
DQ\ QHWZRUNHG GLVSOD\V
6RQDU RSHUDWLRQ
<RX FDQ FRQQHFW DQ H[WHUQDO VRQDU PRGXOH XQLW WR 1HZ D 6HULHV
1HZ F 6HULHV RU 1HZ H 6HULHV GLVSOD\V YLD 6HD7DONKV 5D\1HW
D H' H H F F PRGHOV LQFOXGH D : EXLOWLQ
VRQDU PRGXOH DQG WKH GLVSOD\ FDQ EH GLUHFWO\ FRQQHFWHG WR D
FRPSDWLEOH VRQDU WUDQVGXFHU
,I FRQQHFWLQJ DQ H[WHUQDO VRQDU PRGXOH XQLW WR D D H' H
H F RU F WKHQ WKH LQWHUQDO VRQDU PXVW EH VZLWFKHG RII
)URP WKH ¿VK¿QGHU DSSOLFDWLRQ JRWR 0HQX ! 6HWXS ! 6RXQGHU
6HWXS ! ,QWHUQDO 6RXQGHU ! 2II
<RX FDQ RQO\ XVH VRQDU WUDQVGXFHU DW DQ\ RQH WLPH
7KH GDWD VXSSOLHG E\ DQ LQWHUQDO RU H[WHUQDO VRQDU PRGXOH LV
UHSHDWHG WR DQ\ QHWZRUNHG GLVSOD\V
1HZ D 6HULHV 1HZ F 6HULHV 1HZ H 6HULHV

7\SLFDO V\VWHPV
7KH LOOXVWUDWLRQV EHORZ VKRZ H[DPSOHV RI SRVVLEOH V\VWHP FRQ¿JXUDWLRQV IRU PRUH GHWDLOV RQ FRPSDWLEOH GHYLFHV SOHDVH UHIHU WR WKH
6\VWHP LQWHJUDWLRQ VHFWLRQ
1RWH ,Q WKH H[DPSOHV EHORZ WKH PXOWLIXQFWLRQ GLVSOD\V FRXOG EH DQ\ RI WKH IROORZLQJ
1HZ D 6HULHV
1HZ F 6HULHV
1HZ H 6HULHV
([DPSOH %DVLF V\VWHP
5D\PDULQH 0XOWLIXQFWLRQ GLVSOD\
5D\PDULQH QHWZRUN VZLWFK
5D\PDULQH UDGDU VFDQQHU
63; FRXUVH FRPSXWHU
6HD7DONQJ 3LORW FRQWUROOHU
1RWH $ QHWZRUN VZLWFK LV RQO\ UHTXLUHG LI PXOWLSOH GHYLFHV DUH FRQQHFWHG XVLQJ 6HD7DONKV 5D\1HW
([DPSOH %DVLF V\VWHP ZLWK 6HD7DON HTXLSPHQW
0XOWLIXQFWLRQ GLVSOD\
1HWZRUN VZLWFK
5DGDU VFDQQHU
63; FRXUVH FRPSXWHU
6HD7DON SLORW FRQWUROOHU
6HD7DON WR 6HD7DONQJ FRQYHUWHU
1RWH $ QHWZRUN VZLWFK LV RQO\ UHTXLUHG LI PRUH WKDQ RQH GHYLFH LV FRQQHFWHG XVLQJ 6HD7DONKV 5D\1HW
3ODQQLQJ WKH LQVWDOODWLRQ

([DPSOH %DVLF V\VWHP ZLWK VRQDU YDULDQW GLVSOD\
0XOWLIXQFWLRQ GLVSOD\
6RQDU WUDQVGXFHU
5DGDU VFDQQHU
63; FRXUVH FRPSXWHU
6HD7DONQJ SLORW FRQWUROOHU
([DPSOH %DVLF V\VWHP ZLWK QRQVRQDU YDULDQW GLVSOD\
0XOWLIXQFWLRQ GLVSOD\
6RQDU PRGXOH
6RQDU WUDQVGXFHU
63; FRXUVH FRPSXWHU
6HD7DONQJ SLORW FRQWUROOHU
1HZ D 6HULHV 1HZ F 6HULHV 1HZ H 6HULHV

([DPSOH ([SDQGHG V\VWHP
5DGDU VFDQQHU
:HDWKHU VHQVRU
6LULXV ZHDWKHU UHFHLYHU
6RQDU PRGXOH
6HD7DONQJ 3LORW FRQWUROOHU
6HD7DONQJ ,QVWUXPHQW GLVSOD\
$,6 UHFHLYHU WUDQVFHLYHU
$XGLR V\VWHP
6PDUWSKRQH WDEOHW
'HYLFH1HW VSXU IRU 10($ GHYLFHV
1HWZRUN VZLWFK
0XOWLIXQFWLRQ GLVSOD\
*36 UHFHLYHU
7KHUPDO FDPHUD
:LUHOHVV FRQQHFWLRQ
3ODQQLQJ WKH LQVWDOODWLRQ

6\VWHP SURWRFROV
<RXU 0XOWLIXQFWLRQ 'LVSOD\ FDQ FRQQHFW WR YDULRXV LQVWUXPHQWV DQG
GLVSOD\V WR VKDUH LQIRUPDWLRQ DQG VR LPSURYH WKH IXQFWLRQDOLW\ RI
WKH V\VWHP 7KHVH FRQQHFWLRQV PD\ EH PDGH XVLQJ D QXPEHU RI
GLIIHUHQW SURWRFROV )DVW DQG DFFXUDWH GDWD FROOHFWLRQ DQG WUDQVIHU LV
DFKLHYHG E\ XVLQJ D FRPELQDWLRQ RI WKH IROORZLQJ GDWD SURWRFROV
6HD7DONKV
6HD7DONQJ
10($
6HD7DON
10($
1RWH <RX PD\ ¿QG WKDW \RXU V\VWHP GRHV QRW XVH DOO RI WKH
FRQQHFWLRQ W\SHV RU LQVWUXPHQWDWLRQ GHVFULEHG LQ WKLV VHFWLRQ
6HD7DONKV
6HD7DONKV LV DQ HWKHUQHW EDVHG PDULQH QHWZRUN 7KLV KLJK VSHHG
SURWRFRO DOORZV FRPSDWLEOH HTXLSPHQW WR FRPPXQLFDWH UDSLGO\ DQG
VKDUH ODUJH DPRXQWV RI GDWD
,QIRUPDWLRQ VKDUHG XVLQJ WKH 6HD7DONKV QHWZRUN LQFOXGHV
6KDUHG FDUWRJUDSK\ EHWZHHQ FRPSDWLEOH GLVSOD\V
'LJLWDO UDGDU GDWD
6RQDU GDWD
6HDWDONQJ
6HD7DONQJ 1H[W *HQHUDWLRQ LV DQ HQKDQFHG SURWRFRO IRU FRQQHFWLRQ
RI FRPSDWLEOH PDULQH LQVWUXPHQWV DQG HTXLSPHQW ,W UHSODFHV WKH
ROGHU 6HD7DON DQG 6HD7DONSURWRFROV
6HD7DONQJ XWLOL]HV D VLQJOH EDFNERQH WR ZKLFK FRPSDWLEOH
LQVWUXPHQWV FRQQHFW XVLQJ D VSXU 'DWD DQG SRZHU DUH FDUULHG ZLWKLQ
WKH EDFNERQH 'HYLFHV WKDW KDYH D ORZ GUDZ FDQ EH SRZHUHG IURP
WKH QHWZRUN DOWKRXJK KLJK FXUUHQW HTXLSPHQW ZLOO QHHG WR KDYH D
VHSDUDWH SRZHU FRQQHFWLRQ
6HD7DONQJ LV D SURSULHWDU\ H[WHQVLRQ WR 10($ DQG WKH SURYHQ
&$1 EXV WHFKQRORJ\ &RPSDWLEOH 10($ DQG 6HD7DON
6HD7DONGHYLFHV FDQ DOVR EH FRQQHFWHG XVLQJ WKH DSSURSULDWH
LQWHUIDFHV RU DGDSWRU FDEOHV DV UHTXLUHG
10($
10($ RIIHUV VLJQL¿FDQW LPSURYHPHQWV RYHU 10($ PRVW
QRWDEO\ LQ VSHHG DQG FRQQHFWLYLW\ 8S WR XQLWV FDQ VLPXOWDQHRXVO\
WUDQVPLW DQG UHFHLYH RQ D VLQJOH SK\VLFDO EXV DW DQ\ RQH WLPH
ZLWK HDFK QRGH EHLQJ SK\VLFDOO\ DGGUHVVDEOH 7KH VWDQGDUG
ZDV VSHFL¿FDOO\ LQWHQGHG WR DOORZ IRU D ZKROH QHWZRUN RI PDULQH
HOHFWURQLFV IURP DQ\ PDQXIDFWXUHU WR FRPPXQLFDWH RQ D FRPPRQ
EXV YLD VWDQGDUGL]HG PHVVDJH W\SHV DQG IRUPDWV
6HD7DON
6HD7DON LV D SURWRFRO ZKLFK HQDEOHV FRPSDWLEOH LQVWUXPHQWV WR
FRQQHFW WR HDFK RWKHU DQG VKDUH GDWD
7KH 6HD7DON FDEOH V\VWHP LV XVHG WR FRQQHFW FRPSDWLEOH
LQVWUXPHQWV DQG HTXLSPHQW 7KH FDEOH FDUULHV SRZHU DQG GDWD DQG
HQDEOHV FRQQHFWLRQ ZLWKRXW WKH QHHG IRU D FHQWUDO SURFHVVRU
$GGLWLRQDO LQVWUXPHQWV DQG IXQFWLRQV FDQ EH DGGHG WR D 6HD7DON
V\VWHP VLPSO\ E\ SOXJJLQJ WKHP LQWR WKH QHWZRUN 6HD7DON
HTXLSPHQW FDQ DOVR FRPPXQLFDWH ZLWK RWKHU QRQ6HD7DON HTXLSPHQW
YLD WKH 10($ VWDQGDUG SURYLGHG D VXLWDEOH LQWHUIDFH LV XVHG
10($
7KH 10($ 'DWD ,QWHUIDFH 6WDQGDUG ZDV GHYHORSHG E\
WKH 1DWLRQDO 0DULQH (OHFWURQLFV $VVRFLDWLRQ RI $PHULFD ,W LV DQ
LQWHUQDWLRQDO VWDQGDUG WR HQDEOH HTXLSPHQW IURP PDQ\ GLIIHUHQW
PDQXIDFWXUHUV WR EH FRQQHFWHG WRJHWKHU DQG VKDUH LQIRUPDWLRQ
7KH 10($ VWDQGDUG FDUULHV VLPLODU LQIRUPDWLRQ WR 6HD7DON
+RZHYHU LW KDV WKH LPSRUWDQW GLIIHUHQFH WKDW RQH FDEOH ZLOO RQO\
FDUU\ LQIRUPDWLRQ LQ RQH GLUHFWLRQ )RU WKLV UHDVRQ 10($ LV
JHQHUDOO\ XVHG WR FRQQHFW D GDWD UHFHLYHU DQG D WUDQVPLWWHU WRJHWKHU
HJ D FRPSDVV VHQVRU WUDQVPLWWLQJ KHDGLQJ WR D UDGDU GLVSOD\ 7KLV
LQIRUPDWLRQ LV SDVVHG LQ µVHQWHQFHV¶ HDFK RI ZKLFK KDV D WKUHH
OHWWHU VHQWHQFH LGHQWL¿HU ,W LV WKHUHIRUH LPSRUWDQW ZKHQ FKHFNLQJ
FRPSDWLELOLW\ EHWZHHQ LWHPV WKDW WKH VDPH VHQWHQFH LGHQWL¿HUV DUH
XVHG VRPH H[DPSOHV RI ZKLFK DUH
97* FDUULHV &RXUVH DQG 6SHHG 2YHU *URXQG GDWD
*// FDUULHV ODWLWXGH DQG ORQJLWXGH
'%7 FDUULHV ZDWHU GHSWK
0:9 FDUULHV UHODWLYH ZLQG DQJOH DQG ZLQG VSHHG GDWD
10($ %DXG UDWHV
7KH 10($ VWDQGDUG RSHUDWHV DW D QXPEHU RI GLIIHUHQW
VSHHGV GHSHQGLQJ XSRQ WKH SDUWLFXODU UHTXLUHPHQW RU HTXLSPHQW
FDSDELOLWLHV 7\SLFDO H[DPSOHV DUH
EDXG UDWH 8VHG IRU JHQHUDO SXUSRVH FRPPXQLFDWLRQV
LQFOXGLQJ )DVW+HDGLQJ GDWD
EDXG UDWH 8VHG IRU $,6 DQG RWKHU KLJK VSHHG DSSOLFDWLRQV
1HZ D 6HULHV 1HZ F 6HULHV 1HZ H 6HULHV

'DWD PDVWHU
$Q\ V\VWHP FRQWDLQLQJ PRUH WKDQ RQH QHWZRUNHG PXOWLIXQFWLRQ
GLVSOD\ PXVW KDYH D GHVLJQDWHG GDWD PDVWHU
7KH GDWD PDVWHU LV WKH GLVSOD\ ZKLFK VHUYHV DV D SULPDU\ VRXUFH
RI GDWD IRU DOO GLVSOD\V LW DOVR KDQGOHV DOO H[WHUQDO VRXUFHV RI
LQIRUPDWLRQ )RU H[DPSOH WKH GLVSOD\V PD\ UHTXLUH KHDGLQJ
LQIRUPDWLRQ IURP WKH DXWRSLORW DQG *36 V\VWHPV XVXDOO\ UHFHLYHG
WKURXJK D 6HD7DONQJ RU 10($ FRQQHFWLRQ 7KH GDWD PDVWHU LV WKH
GLVSOD\ WR ZKLFK WKH 6HD7DON 10($ DQG DQ\ RWKHU GDWD FRQQHFWLRQV
DUH PDGH LW WKHQ EULGJHV WKH GDWD WR WKH 6HD7DONKV QHWZRUN DQG
DQ\ FRPSDWLEOH UHSHDW GLVSOD\V ,QIRUPDWLRQ VKDUHG E\ WKH GDWD
PDVWHU LQFOXGHV
&DUWRJUDSK\
5RXWHV DQG ZD\SRLQWV
5DGDU
6RQDU
'DWD UHFHLYHG IURP WKH DXWRSLORW LQVWUXPHQWV WKH HQJLQH DQG
RWKHU H[WHUQDO VRXUFHV
<RXU V\VWHP PD\ EH ZLUHG IRU UHGXQGDQF\ ZLWK GDWD FRQQHFWLRQV
PDGH WR UHSHDW GLVSOD\V +RZHYHU WKHVH FRQQHFWLRQV ZLOO RQO\
EHFRPH DFWLYH LQ WKH HYHQW RI D IDXOW DQGRU UHDVVLJQPHQW RI WKH
GDWD PDVWHU
1HZ D 6HULHV SDUWV VXSSOLHG
7KH IROORZLQJ LWHPV DUH VXSSOLHG ZLWK \RXU D D PXOWLIXQFWLRQ
GLVSOD\
)URQW EH]HO
0XOWLIXQFWLRQ GLVSOD\
)OXVK PRXQW JDVNHW
6XQ FRYHU
7UXQQLRQ EUDFNHW NLW
'RFXPHQWDWLRQ SDFN
3RZHU FDEOH
[ 1XWV EROWV VSULQJ ZDVKHUV DQG ZDVKHUV FDQ EH XVHG IRU
HLWKHU ÀXVK RU EUDFNHW PRXQWLQJ
3ODQQLQJ WKH LQVWDOODWLRQ

H H' 3DUWV VXSSOLHG
7KH SDUWV VKRZQ EHORZ DUH VXSSOLHG ZLWK WKH H H' PXOWLIXQFWLRQ
GLVSOD\
6XQ FRYHU
)URQW EH]HO
0XOWLIXQFWLRQ GLVSOD\
5HDU EH]HO UHTXLUHG IRU WUXQQLRQ EUDFNHW PRXQWLQJ
*DVNHW UHTXLUHG IRU ÀXVK PRXQWLQJ
6FUHZ SDFN LQFOXGHV
[ UHDU EH]HO ¿[LQJ VFUHZV
[ XQLW PRXQWLQJ VFUHZV IRU ÀXVK PRXQWLQJ
[ XQLW PRXQWLQJ VFUHZV IRU WUXQQLRQ EUDFNHW PRXQWLQJ
'RFXPHQWDWLRQ SDFN LQFOXGHV
0XOWLOLQJXDO &'
0RXQWLQJ DQG JHWWLQJ VWDUWHG PXOWLOLQJXDO JXLGH
0RXQWLQJ WHPSODWH
:DUUDQW\ SROLF\
3RZHU DQG GDWD FDEOH
7UXQQLRQ EUDFNHW NLW
1HZ F 6HULHV DQG 1HZ H 6HULHV
SDUWV VXSSOLHG
7KH SDUWV VKRZQ EHORZ DUH VXSSOLHG ZLWK WKH 1HZ F 6HULHV DQG 1HZ
H 6HULHV ([FOXGLQJ H DQG H' PXOWLIXQFWLRQ GLVSOD\V
6XQ FRYHU
)URQW EH]HO
0XOWLIXQFWLRQ GLVSOD\
*DVNHW UHTXLUHG IRU ÀXVK PRXQWLQJ
6FUHZ SDFN LQFOXGHV [ XQLW PRXQWLQJ VFUHZV IRU ÀXVK
PRXQWLQJ
'RFXPHQWDWLRQ SDFN LQFOXGHV
0XOWLOLQJXDO &'
0RXQWLQJ DQG JHWWLQJ VWDUWHG PXOWLOLQJXDO JXLGH
0RXQWLQJ WHPSODWH
:DUUDQW\ SROLF\
3RZHU DQG GDWD FDEOH
1HZ D 6HULHV 1HZ F 6HULHV 1HZ H 6HULHV

7RROV UHTXLUHG IRU LQVWDOODWLRQ
3RZHU GULOO
-LJVDZ
3R]LGULYH VFUHZGULYHU
$GKHVLYH WDSH
'ULOO ELW IRU WUXQQLRQ EUDFNHW PRXQWLQJ
)LOH
+ROH VDZ IRU ÀXVK PRXQWLQJ )RU KROH VDZ VL]H UHIHU WR \RXU
SURGXFW¶V PRXQWLQJ WHPSODWH
'ULOO ELW IRU ÀXVK PRXQWLQJ
3ODQQLQJ WKH LQVWDOODWLRQ

1HZ D 6HULHV 1HZ F 6HULHV 1HZ H 6HULHV

&KDSWHU &DEOHV DQG FRQQHFWLRQV
&KDSWHU FRQWHQWV
*HQHUDO FDEOLQJ JXLGDQFH RQ SDJH
&RQQHFWLRQV RYHUYLHZ RQ SDJH
3RZHU FRQQHFWLRQ ² 1HZ D 6HULHV RQ SDJH
3RZHU FRQQHFWLRQ ² 1HZ F 6HULHV DQG 1HZ H 6HULHV RQ SDJH
1HWZRUN FRQQHFWLRQV RQ SDJH
*36 FRQQHFWLRQ RQ SDJH
$,6 FRQQHFWLRQ RQ SDJH
)DVWKHDGLQJ FRQQHFWLRQ RQ SDJH
6HD7DONQJ FRQQHFWLRQV RQ SDJH
6HD7DON FRQQHFWLRQ RQ SDJH
10($ FRQQHFWLRQ RQ SDJH
10($ FRQQHFWLRQ RQ SDJH
&DPHUD 9LGHR FRQQHFWLRQ RQ SDJH
&DPHUD YLGHR LQRXW FRQQHFWLRQ RQ SDJH
%OXHWRRWK FRQQHFWLRQV RQ SDJH
:L)L FRQQHFWLRQV RQ SDJH
&DEOHV DQG FRQQHFWLRQV

*HQHUDO FDEOLQJ JXLGDQFH
&DEOH W\SHV DQG OHQJWK
,W LV LPSRUWDQW WR XVH FDEOHV RI WKH DSSURSULDWH W\SH DQG OHQJWK
8QOHVV RWKHUZLVH VWDWHG XVH RQO\ VWDQGDUG FDEOHV RI WKH FRUUHFW
W\SH VXSSOLHG E\ 5D\PDULQH
(QVXUH WKDW DQ\ QRQ5D\PDULQH FDEOHV DUH RI WKH FRUUHFW TXDOLW\
DQG JDXJH )RU H[DPSOH ORQJHU SRZHU FDEOH UXQV PD\ UHTXLUH
ODUJHU ZLUH JDXJHV WR PLQLPL]H YROWDJH GURS DORQJ WKH UXQ
5RXWLQJ FDEOHV
&DEOHV PXVW EH URXWHG FRUUHFWO\ WR PD[LPL]H SHUIRUPDQFH DQG
SURORQJ FDEOH OLIH
'R 127 EHQG FDEOHV H[FHVVLYHO\ :KHUHYHU SRVVLEOH HQVXUH D
PLQLPXP EHQG GLDPHWHU RI PP LQ PLQLPXP EHQG UDGLXV
RI PP LQ
3URWHFW DOO FDEOHV IURP SK\VLFDO GDPDJH DQG H[SRVXUH WR KHDW
8VH WUXQNLQJ RU FRQGXLW ZKHUH SRVVLEOH 'R 127 UXQ FDEOHV
WKURXJK ELOJHV RU GRRUZD\V RU FORVH WR PRYLQJ RU KRW REMHFWV
6HFXUH FDEOHV LQ SODFH XVLQJ WLHZUDSV RU ODFLQJ WZLQH &RLO DQ\
H[WUD FDEOH DQG WLH LW RXW RI WKH ZD\
:KHUH D FDEOH SDVVHV WKURXJK DQ H[SRVHG EXONKHDG RU GHFNKHDG
XVH D VXLWDEOH ZDWHUWLJKW IHHGWKURXJK
'R 127 UXQ FDEOHV QHDU WR HQJLQHV RU ÀXRUHVFHQW OLJKWV
$OZD\V URXWH GDWD FDEOHV DV IDU DZD\ DV SRVVLEOH IURP
RWKHU HTXLSPHQW DQG FDEOHV
KLJK FXUUHQW FDUU\LQJ DF DQG GF SRZHU OLQHV
DQWHQQDH
6WUDLQ UHOLHI
(QVXUH DGHTXDWH VWUDLQ UHOLHI LV SURYLGHG 3URWHFW FRQQHFWRUV IURP
VWUDLQ DQG HQVXUH WKH\ ZLOO QRW SXOO RXW XQGHU H[WUHPH VHD FRQGLWLRQV
&LUFXLW LVRODWLRQ
$SSURSULDWH FLUFXLW LVRODWLRQ LV UHTXLUHG IRU LQVWDOODWLRQV XVLQJ ERWK
$& DQG '& FXUUHQW
$OZD\V XVH LVRODWLQJ WUDQVIRUPHUV RU D VHSDUDWH SRZHULQYHUWHU
WR UXQ 3&¶V SURFHVVRUV GLVSOD\V DQG RWKHU VHQVLWLYH HOHFWURQLF
LQVWUXPHQWV RU GHYLFHV
$OZD\V XVH DQ LVRODWLQJ WUDQVIRUPHU ZLWK :HDWKHU )$; DXGLR
FDEOHV
$OZD\V XVH DQ LVRODWHG SRZHU VXSSO\ ZKHQ XVLQJ D UG SDUW\
DXGLR DPSOL¿HU
$OZD\V XVH DQ 5610($ FRQYHUWHU ZLWK RSWLFDO LVRODWLRQ RQ
WKH VLJQDO OLQHV
$OZD\V PDNH VXUH WKDW 3&¶V RU RWKHU VHQVLWLYH HOHFWURQLF GHYLFHV
KDYH D GHGLFDWHG SRZHU FLUFXLW
&DEOH VKLHOGLQJ
(QVXUH WKDW DOO GDWD FDEOHV DUH SURSHUO\ VKLHOGHG WKDW WKH FDEOH
VKLHOGLQJ LV LQWDFW HJ KDVQ¶W EHHQ VFUDSHG RII E\ EHLQJ VTXHH]HG
WKURXJK D WLJKW DUHD
1HZ D 6HULHV 1HZ F 6HULHV 1HZ H 6HULHV

&RQQHFWLRQV RYHUYLHZ
'HWDLOV RI WKH FRQQHFWLRQV DYDLODEOH RQ 5D\PDULQH PXOWLIXQFWLRQ GLVSOD\V DUH VKRZQ EHORZ
7UDQVGXFHU 6HD7DONQJ
6HD7DONKV 5D\1HW
1HWZRUN
6HD7DONKV 5D\1HW
1HWZRUN 9LGHR LQ RXW
3RZHU 9LGHR
10($
D
D
H
H'
H
H
H
H
H
F
F
F
F
&DEOHV DQG FRQQHFWLRQV

3RZHU FRQQHFWLRQ ² 1HZ D 6HULHV
0XOWLIXQFWLRQ GLVSOD\ UHDU SDQHO FRQQHFWLRQV
3RZHU FDEOH
&RQQHFWLRQ WR 9 SRZHU VXSSO\
5HG FDEOH SRVLWLYH
6KLHOG GUDLQ ZLUH WKLQ EODFN ZLUH PXVW EH FRQQHFWHG WR 5)
JURXQG SRLQW
%ODFN FDEOH QHJDWLYH
3RZHU GLVWULEXWLRQ
5D\PDULQH UHFRPPHQGV WKDW DOO SRZHU FRQQHFWLRQV DUH PDGH YLD D
GLVWULEXWLRQ SDQHO
$OO HTXLSPHQW PXVW EH SRZHUHG IURP D EUHDNHU RU VZLWFK ZLWK
DSSURSULDWH FLUFXLW SURWHFWLRQ
$OO HTXLSPHQW VKRXOG EH ZLUHG WR LQGLYLGXDO EUHDNHUV LI SRVVLEOH
:DUQLQJ 3URGXFW JURXQGLQJ
%HIRUH DSSO\LQJ SRZHU WR WKLV SURGXFW HQVXUH LW KDV
EHHQ FRUUHFWO\ JURXQGHG LQ DFFRUGDQFH ZLWK WKH
LQVWUXFWLRQV LQ WKLV JXLGH
*URXQGLQJ ² 'HGLFDWHG GUDLQ ZLUH
7KH SRZHU FDEOH VXSSOLHG ZLWK WKLV SURGXFW LQFOXGHV D GHGLFDWHG
VKLHOG GUDLQ ZLUH IRU FRQQHFWLRQ WR D YHVVHOV 5) JURXQG SRLQW
,W LV LPSRUWDQW WKDW DQ HIIHFWLYH 5) JURXQG LV FRQQHFWHG WR WKH
V\VWHP $ VLQJOH JURXQG SRLQW VKRXOG EH XVHG IRU DOO HTXLSPHQW
7KH XQLW FDQ EH JURXQGHG E\ FRQQHFWLQJ WKH VKLHOG GUDLQ ZLUH RI
WKH SRZHU FDEOH WR WKH YHVVHOV 5) JURXQG SRLQW 2Q YHVVHOV ZLWKRXW
DQ 5) JURXQG V\VWHP WKH VKLHOG GUDLQ ZLUH VKRXOG EH FRQQHFWHG
GLUHFWO\ WR WKH QHJDWLYH EDWWHU\ WHUPLQDO
7KH GF SRZHU V\VWHP VKRXOG EH HLWKHU
1HJDWLYH JURXQGHG ZLWK WKH QHJDWLYH EDWWHU\ WHUPLQDO FRQQHFWHG
WR WKH YHVVHOV JURXQG
)ORDWLQJ ZLWK QHLWKHU EDWWHU\ WHUPLQDO FRQQHFWHG WR WKH YHVVHOV
JURXQG
:DUQLQJ 3RVLWLYH JURXQG V\VWHPV
'R QRW FRQQHFW WKLV XQLW WR D V\VWHP ZKLFK KDV SRVLWLYH
JURXQGLQJ
3RZHU FDEOH
7KH GLVSOD\ LV VXSSOLHG ZLWK D SRZHU FDEOH WKLV FDQ EH H[WHQGHG
LI UHTXLUHG
3RZHU FDEOHV DYDLODEOH
)RU ÀXVK PRXQW LQVWDOODWLRQV D ULJKW DQJOHG SRZHU FDEOH QRW
VXSSOLHG LV DYDLODEOH
&DEOH 3DUW QXPEHU 1RWHV
5LJKW DQJOHG SRZHU
FDEOH
$
&DEOH H[WHQVLRQ
7KH IROORZLQJ UHVWULFWLRQV DSSO\ WR DQ\ H[WHQVLRQ WR WKH SRZHU FDEOH
&DEOH PXVW EH RI D VXLWDEOH JDXJH IRU WKH FLUFXLW ORDG
(DFK XQLW VKRXOG KDYH LWV RZQ GHGLFDWHG SRZHU FDEOH ZLUHG EDFN
WR WKH GLVWULEXWLRQ SDQHO
7RWDO OHQJWK PD[ 6XSSO\ YROWDJH &DEOH JDXJH $:*
± P ± IW 9
± P ± IW 9
± P ± IW 9
± P ± IW 9
1RWH 7KHVH GLVWDQFHV DUH IRU D ZLUH SRZHU FDEOH UXQ IURP WKH EDWWHU\ WR
WKH GLVSOD\ DSSUR[LPDWHO\ WKH GLVWDQFH IURP WKH EDWWHU\ WR WKH GLVSOD\ 7R
FDOFXODWH WKH URXQG WULS OHQJWK GRXEOH WKH ¿JXUH VWDWHG KHUH
%UHDNHUV IXVHV DQG FLUFXLW SURWHFWLRQ
7KH XQLW LQFOXGHV DQ LQWHUQDO IXVH ,W LV UHFRPPHQGHG WKDW \RX ¿W DQ
DGGLWLRQDO WKHUPDO EUHDNHU RU IXVH DW WKH GLVWULEXWLRQ SDQHO
7KHUPDO EUHDNHU UDWLQJ
$ LI RQO\ FRQQHFWLQJ RQH GHYLFH
1RWH 7KH VXLWDEOH IXVH UDWLQJ IRU WKH WKHUPDO EUHDNHU LV
GHSHQGHQW RQ WKH QXPEHU RI GHYLFHV \RX DUH FRQQHFWLQJ ,I LQ
GRXEW FRQVXOW DQ DXWKRUL]HG 5D\PDULQH GHDOHU
1HZ D 6HULHV 1HZ F 6HULHV 1HZ H 6HULHV

3RZHU FRQQHFWLRQ ² 1HZ F 6HULHV
DQG 1HZ H 6HULHV
0XOWLIXQFWLRQ GLVSOD\ FRQQHFWLRQV
3RZHU DQG GDWD FDEOH
&RQQHFWLRQ WR 9 SRZHU VXSSO\ HH' LV 9 RQO\
5HG FDEOH SRVLWLYH
)XVH
%ODFN FDEOH QHJDWLYH
9LGHR LQSXW FDEOH
10($ GDWD FDEOHV
6KLHOG GUDLQ ZLUH WKLQ EODFN ZLUH PXVW EH FRQQHFWHG WR 5)
JURXQG SRLQW
3RZHU GLVWULEXWLRQ
5D\PDULQH UHFRPPHQGV WKDW DOO SRZHU FRQQHFWLRQV DUH PDGH YLD D
GLVWULEXWLRQ SDQHO
$OO HTXLSPHQW PXVW EH SRZHUHG IURP D EUHDNHU RU VZLWFK ZLWK
DSSURSULDWH FLUFXLW SURWHFWLRQ
$OO HTXLSPHQW VKRXOG EH ZLUHG WR LQGLYLGXDO EUHDNHUV LI SRVVLEOH
:DUQLQJ 3URGXFW JURXQGLQJ
%HIRUH DSSO\LQJ SRZHU WR WKLV SURGXFW HQVXUH LW KDV
EHHQ FRUUHFWO\ JURXQGHG LQ DFFRUGDQFH ZLWK WKH
LQVWUXFWLRQV LQ WKLV JXLGH
*URXQGLQJ ² 'HGLFDWHG GUDLQ ZLUH
7KH SRZHU FDEOH VXSSOLHG ZLWK WKLV SURGXFW LQFOXGHV D GHGLFDWHG
VKLHOG GUDLQ ZLUH IRU FRQQHFWLRQ WR D YHVVHOV 5) JURXQG SRLQW
,W LV LPSRUWDQW WKDW DQ HIIHFWLYH 5) JURXQG LV FRQQHFWHG WR WKH
V\VWHP $ VLQJOH JURXQG SRLQW VKRXOG EH XVHG IRU DOO HTXLSPHQW
7KH XQLW FDQ EH JURXQGHG E\ FRQQHFWLQJ WKH VKLHOG GUDLQ ZLUH RI
WKH SRZHU FDEOH WR WKH YHVVHOV 5) JURXQG SRLQW 2Q YHVVHOV ZLWKRXW
DQ 5) JURXQG V\VWHP WKH VKLHOG GUDLQ ZLUH VKRXOG EH FRQQHFWHG
GLUHFWO\ WR WKH QHJDWLYH EDWWHU\ WHUPLQDO
7KH GF SRZHU V\VWHP VKRXOG EH HLWKHU
1HJDWLYH JURXQGHG ZLWK WKH QHJDWLYH EDWWHU\ WHUPLQDO FRQQHFWHG
WR WKH YHVVHOV JURXQG
)ORDWLQJ ZLWK QHLWKHU EDWWHU\ WHUPLQDO FRQQHFWHG WR WKH YHVVHOV
JURXQG
:DUQLQJ 3RVLWLYH JURXQG V\VWHPV
'R QRW FRQQHFW WKLV XQLW WR D V\VWHP ZKLFK KDV SRVLWLYH
JURXQGLQJ
3RZHU FDEOH
7KH GLVSOD\ LV VXSSOLHG ZLWK D FRPELQHG SRZHU DQG GDWD PXOWL FDEOH
WKLV FDQ EH H[WHQGHG LI UHTXLUHG
3RZHU FDEOHV DYDLODEOH
&DEOH 3DUW QXPEHU 1RWHV
P IW 6WUDLJKW
SRZHU DQG GDWD FDEOH
5
P IW 5LJKW
DQJOHG SRZHU DQG GDWD
FDEOH
5
&DEOH H[WHQVLRQ
7KH IROORZLQJ UHVWULFWLRQV DSSO\ WR DQ\ H[WHQVLRQ WR WKH SRZHU FDEOH
&DEOH PXVW EH RI D VXLWDEOH JDXJH IRU WKH FLUFXLW ORDG
(DFK XQLW VKRXOG KDYH LWV RZQ GHGLFDWHG SRZHU FDEOH ZLUHG EDFN
WR WKH GLVWULEXWLRQ SDQHO
7RWDO OHQJWK PD[ 6XSSO\ YROWDJH &DEOH JDXJH $:*
9
± P ± IW
9
9
± P ± IW
9
9
± P ± IW
9
9
± P ± IW
9
1RWH 7KHVH GLVWDQFHV DUH IRU D ZLUH SRZHU FDEOH UXQ IURP WKH EDWWHU\ WR
WKH GLVSOD\ DSSUR[LPDWHO\ WKH GLVWDQFH IURP WKH EDWWHU\ WR WKH GLVSOD\ 7R
FDOFXODWH WKH URXQG WULS OHQJWK GRXEOH WKH ¿JXUH VWDWHG KHUH
%UHDNHUV IXVHV DQG FLUFXLW SURWHFWLRQ
7KH SRZHU FDEOH LQFOXGHV DQ LQOLQH IXVH ,W LV UHFRPPHQGHG WKDW
\RX ¿W DQ DGGLWLRQDO WKHUPDO EUHDNHU RU IXVH DW WKH GLVWULEXWLRQ SDQHO
)XVH UDWLQJ 7KHUPDO EUHDNHU UDWLQJ
$ LQOLQH IXVH ¿WWHG ZLWKLQ SRZHU
FDEOH
$ LI RQO\ FRQQHFWLQJ RQH GHYLFH
1RWH 7KH VXLWDEOH IXVH UDWLQJ IRU WKH WKHUPDO EUHDNHU LV
GHSHQGHQW RQ WKH QXPEHU RI GHYLFHV \RX DUH FRQQHFWLQJ ,I LQ
GRXEW FRQVXOW DQ DXWKRULVHG 5D\PDULQH GHDOHU
&DEOHV DQG FRQQHFWLRQV

6KDULQJ D EUHDNHU
:KHUH PRUH WKDQ SLHFH RI HTXLSPHQW VKDUHV D EUHDNHU \RX PXVW
SURYLGH SURWHFWLRQ IRU WKH LQGLYLGXDO FLUFXLWV (J E\ FRQQHFWLQJ DQ
LQOLQH IXVH IRU HDFK SRZHU FLUFXLW
3RVLWLYH EDU
1HJDWLYH EDU
&LUFXLW EUHDNHU
)XVH
:KHUH SRVVLEOH FRQQHFW LQGLYLGXDO LWHPV RI HTXLSPHQW WR LQGLYLGXDO
FLUFXLW EUHDNHUV :KHUH WKLV LV QRW SRVVLEOH XVH LQGLYLGXDO LQOLQH
IXVHV WR SURYLGH WKH QHFHVVDU\ SURWHFWLRQ
1HZ D 6HULHV 1HZ F 6HULHV 1HZ H 6HULHV

1HWZRUN FRQQHFWLRQV
<RX FDQ FRQQHFW D QXPEHU RI GLJLWDO GHYLFHV WR \RXU PXOWLIXQFWLRQ GLVSOD\ XVLQJ WKH 1HWZRUN FRQQHFWRUV DW WKH UHDU RI WKH XQLW
$ W\SLFDO QHWZRUN RI GLJLWDO GHYLFHV PD\ LQFOXGH
8S WR 5D\PDULQH PXOWLIXQFWLRQ GLVSOD\V
6HD7DONKV RU 5D\1HW GLJLWDO GHYLFHV VXFK DV D VRQDU PRGXOH DQG UDGDU VFDQQHU
(WKHUQHW ,3 FDPHUDV
1RWH <RXU PXOWLIXQFWLRQ GLVSOD\ LQFOXGHV WKH IROORZLQJ QHWZRUN FRQQHFWRUV
H H' D DQG D [ 6HD7DONKV 5D\1HW FRQQHFWRU
1HZ F 6HULHV DQG 1HZ H 6HULHV H[FOXGLQJ WKH H DQG H' [ 6HD7DONKV 5D\1HW FRQQHFWRUV
1HWZRUNV UHTXLULQJ DGGLWLRQDO QHWZRUN FRQQHFWLRQV ZLOO UHTXLUH D 5D\PDULQH QHWZRUN VZLWFK
7\SLFDO 6HD7DONKV QHWZRUN
5D\PDULQH QHWZRUN VZLWFK
0XOWLIXQFWLRQ GLVSOD\
5D\PDULQH UDGDU VFDQQHU
7KHUPDO FDPHUD
1RWH 1HZ D 6HULHV GLVSOD\V GR QRW VXSSRUW FRQQHFWLRQ WR D WKHUPDO FDPHUD
1HWZRUN KDUGZDUH
,WHP 3DUW QXPEHU 1RWHV
+6 6HD7DONKV QHWZRUN
VZLWFK
$ ±SRUW VZLWFK IRU
QHWZRUN FRQQHFWLRQ
RI PXOWLSOH 6HD7DONKV
GHYLFHV IHDWXULQJ
5D\1HW FRQQHFWRUV
(TXLSPHQW ZLWK
6HD7DONKV FRQQHFWRUV
FDQ DOVR EH FRQQHFWHG
YLD VXLWDEOH DGDSWRU
FDEOHV
6HD7DONKV QHWZRUN
VZLWFK
( ±SRUW VZLWFK IRU QHWZRUN
FRQQHFWLRQ RI PXOWLSOH
6HD7DONKV GHYLFHV
,WHP 3DUW QXPEHU 1RWHV
6HD7DONKV FURVVRYHU
FRXSOHU
( (QDEOHV GLUHFW
FRQQHFWLRQ RI 6HD7DONKV
GHYLFHV WR VPDOOHU
V\VWHPV ZKHUH D VZLWFK
LV QRW UHTXLUHG $OVR
HQDEOHV WKH FRQQHFWLRQ
RI 6HD7DONKV GHYLFHV
WR DQ +6 6HD7DONKV
QHWZRUN VZLWFK LQ
FRQMXQFWLRQ ZLWK D
5D\1HW WR 5- FDEOH
(WKHUQHW &RXSOHU 5 (QDEOHV GLUHFW
FRQQHFWLRQ RI HWKHUQHW
RU 6HD7DONKV GHYLFHV
WR VPDOOHU V\VWHPV
ZKHUH D VZLWFK LV
QRW UHTXLUHG $OVR
HQDEOHV WKH FRQQHFWLRQ
RI HWKHUQHW RU 6HD7DONKV
GHYLFHV WR DQ +6
6HD7DONKV QHWZRUN
VZLWFK LQ FRQMXQFWLRQ
ZLWK D 5D\1HW WR 5-
FDEOH
&DEOHV DQG FRQQHFWLRQV

1HWZRUN FDEOH FRQQHFWRU W\SHV
7KHUH DUH W\SHV RI QHWZRUN FDEOH FRQQHFWRU ² 6HD7DONKV DQG
5D\1HW
6HD7DONKV FRQQHFWRU ² XVHG IRU FRQQHFWLQJ
6HD7DONKV GHYLFHV WR D 5D\PDULQH QHWZRUN VZLWFK
YLD 6HD7DONKV FDEOHV
5D\1HW FRQQHFWRU ² XVHG IRU FRQQHFWLQJ
5D\PDULQH QHWZRUN VZLWFKHV DQG 6HD7DONKV
GHYLFHV WR WKH PXOWLIXQFWLRQ GLVSOD\ YLD 5D\1HW
FDEOHV $OVR UHTXLUHG IRU FRQQHFWLQJ D FURVVRYHU
FRXSOHU LI RQO\ RQH GHYLFH LV EHLQJ FRQQHFWHG WR
WKH GLVSOD\V 1HWZRUN FRQQHFWRU
1HWZRUN FDEOH W\SHV
7KHUH DUH W\SHV RI 6HD7DONKV QHWZRUN FDEOH ² ³SDWFK´ DQG
³QHWZRUN´
3DWFK ² IRU FRQQHFWLQJ WKH IROORZLQJ GHYLFHV WR D 5D\PDULQH
QHWZRUN VZLWFK
± 7KHUPDO FDPHUD YLD 3R( LQMHFWRU
± $GGLWLRQDO 5D\PDULQH QHWZRUN VZLWFK
± 3& RU ODSWRS XVLQJ 9R\DJHU SODQQLQJ VRIWZDUH
1HWZRUN ² IRU FRQQHFWLQJ WKH IROORZLQJ GHYLFHV WR D 5D\PDULQH
QHWZRUN VZLWFK
± 6RQDU 0RGXOH
± 65 6LULXV ZHDWKHU UHFHLYHU
± $GGLWLRQDO FRPSDWLEOH 5D\PDULQH PXOWLIXQFWLRQ GLVSOD\V
5D\1HW FRQQHFWRU QHWZRUN FDEOHV
&DEOH 3DUW QXPEHU
P IW 5D\1HW WR 6HD7DONKV
5- FDEOH
$
P IW 5D\1HW WR 6HD7DONKV
5- FDEOH
$
P IW 5D\1HW WR 6HD7DONKV
5- FDEOH
$
PP IW 5D\1HW WR 5D\1HW
FDEOH
$
P IW 5D\1HW WR 5D\1HW FDEOH $
P IW 5D\1HW WR 5D\1HW FDEOH $
P IW 5D\1HW WR 5D\1HW FDEOH $
P IW 5D\1HW WR 5D\1HW FDEOH $
PP LQ 5D\1HW PDOH WR
5D\1HW PDOH FDEOH
$
PP IW 5D\1HW WR 6HD7DONKV
IHPDOH DGDSWRU
$
5D\1HW FDEOH SXOOHU SDFN 5
6HD7DONKV QHWZRUN FDEOHV
&DEOH 3DUW QXPEHU
P IW 6HD7DONKV QHWZRUN FDEOH (
P IW 6HD7DONKV QHWZRUN FDEOH (
P IW 6HD7DONKV QHWZRUN FDEOH (
P IW 6HD7DONKV QHWZRUN FDEOH (
6HD7DONKV SDWFK FDEOHV
&DEOH 3DUW QXPEHU
P IW 6HD7DONKV SDWFK FDEOH (
P IW 6HD7DONKV SDWFK FDEOH (
&DEOH 3DUW QXPEHU
P IW 6HD7DONKV SDWFK FDEOH (
P IW 6HD7DONKV SDWFK FDEOH $
P IW 6HD7DONKV SDWFK FDEOH (
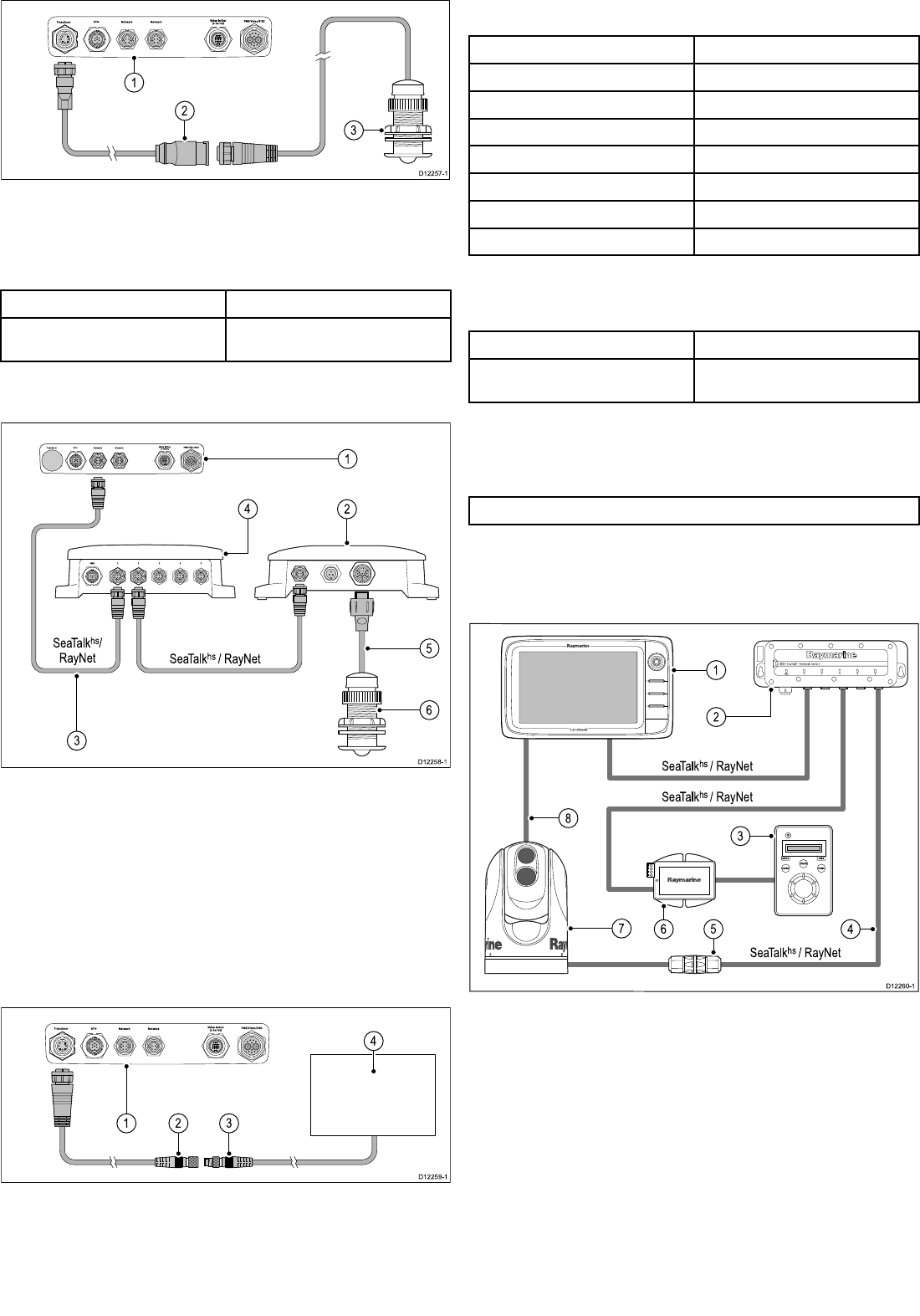
5DGDU FRQQHFWLRQ
7KH PXOWLIXQFWLRQ GLVSOD\ LV FRPSDWLEOH ZLWK 5D\PDULQH 1RQ+'
GLJLWDO UDGRPHV DQG +' 6XSHU+' UDGDU VFDQQHUV 7KH VFDQQHU LV
FRQQHFWHG XVLQJ D 6HD7DONKV FDEOH
1RWH
1HZ F 6HULHV DQG 1HZ H 6HULHV GLVSOD\V H[FOXGLQJ WKH H
DQG H' FDQ FRQQHFW 6HD7DONKV 5D\1HW GHYLFHV GLUHFWO\
WR WKH GLVSOD\
1HZ D 6HULHV DQG WKH H H' GLVSOD\V FDQ FRQQHFW
6HD7DONKV 5D\1HW GHYLFH GLUHFWO\ WR WKH GLVSOD\
7KH UDGDU LV XVXDOO\ FRQQHFWHG YLD D 5D\PDULQH QHWZRUN VZLWFK 2Q
VPDOOHU V\VWHPV ZLWK RQO\ RQH GLVSOD\ DQG QR RWKHU GLJLWDO GHYLFHV
WKH UDGDU PD\ EH FRQQHFWHG WR WKH GLVSOD\ GLUHFWO\ XVLQJ D 6HD7DONKV
FURVVRYHU FRXSOHU
5DGDU FRQQHFWHG XVLQJ 5D\PDULQH QHWZRUN VZLWFK
5DGDU VFDQQHU
5D\PDULQH QHWZRUN VZLWFK
5D\1HW FDEOH
5D\1HW WR 6HD7DONKV QHWZRUN FDEOH
6HD7DONKV FURVVRYHU FRXSOHU
9&0 9ROWDJH &RQYHUWHU 0RGXOH ² UHTXLUHG IRU 2SHQ $UUD\V
3RZHU FRQQHFWLRQ
1HZ D 6HULHV 1HZ F 6HULHV 1HZ H 6HULHV

5DGDU FRQQHFWHG XVLQJ FURVVRYHU FRXSOHU
5DGDU VFDQQHU
0XOWLIXQFWLRQ GLVSOD\ UHDU FRQQHFWRU SDQHO
6HD7DONKV FURVVRYHU FRXSOHU
5D\1HW WR 6HD7DONKV QHWZRUN FDEOH
&RQQHFWLRQ WR SRZHU VXSSO\ ² 2SHQ DUUD\ VFDQQHUV UHTXLUH D
9&0 9ROWDJH &RQYHUWHU 0RGXOH
1RWH 7KH FRQQHFWRU RQ WKH IUHH HQG RI WKH UDGDU FDEOH GRHV
127 KDYH D ORFNLQJ PHFKDQLVP
5DGDU FDEOH H[WHQVLRQ
)RU ORQJHU FDEOH UXQV D UDGDU SRZHU DQG GDWD GLJLWDO FDEOH H[WHQVLRQ LV UHTXLUHG
5DGDU H[WHQVLRQ FDEOH
5DGDU SRZHU DQG GDWD GLJLWDO FDEOH
5D\PDULQH QHWZRUN VZLWFK RU FURVVRYHU FRXSOHU LI FRQQHFWLQJ UDGDU GLUHFWO\ WR GLVSOD\
5D\1HW FDEOH RU 5D\1HW WR 6HD7DONKV FDEOH LI FRQQHFWLQJ YLD FURVVRYHU FRXSOHU
1RWH 7KH H[WHQVLRQ FDEOH FRQQHFWV WR WKH UDGDU VFDQQHU
1RWH 7KH SRZHU FRQQHFWLRQ LV 127 VKRZQ LQ WKH GLDJUDP ,I XVLQJ DQ 2SHQ $UUD\ VFDQQHU D 9&0 9ROWDJH &RQYHUWHU 0RGXOH
PXVW EH FRQQHFWHG EHWZHHQ WKH VFDQQHU DQG WKH SRZHU VXSSO\
&DEOHV DQG FRQQHFWLRQV

'LJLWDO UDGDU FDEOHV
<RX ZLOO QHHG D GHGLFDWHG UDGDU SRZHU DQG GDWD GLJLWDO FDEOH DQG
6HD7DONKV QHWZRUN FDEOHV WR FRQQHFW \RXU VFDQQHU WR \RXU V\VWHP
&RQQHFWLRQ 5HTXLUHG FDEOH
5DGDU VFDQQHU WR SRZHU VXSSO\ DQG
5D\PDULQH QHWZRUN VZLWFK
3RZHU DQG GDWD GLJLWDO FDEOH )RU
ORQJHU FDEOH UXQV H[WHQVLRQV DUH
DYDLODEOH LQ D YDULHW\ RI OHQJWKV
5D\PDULQH QHWZRUN VZLWFK WR
PXOWLIXQFWLRQ GLVSOD\
6HD7DONKV QHWZRUN FDEOHV DYDLODEOH LQ
D YDULHW\ RI FDEOH OHQJWKV
5DGDU SRZHU DQG GDWD GLJLWDO FDEOHV
7KHVH FDEOHV FRQWDLQ WKH ZLUHV IRU D VFDQQHUV SRZHU DQG GDWD
FRQQHFWLRQV
&DEOH 3DUW QXPEHU
P IW 3RZHU DQG GDWD GLJLWDO
FDEOH
$'
P IW 3RZHU DQG GDWD GLJLWDO
FDEOH
$'
P IW 3RZHU DQG GDWD GLJLWDO
FDEOH
$'
P IW 3RZHU DQG GDWD GLJLWDO
FDEOH
$'
1RWH 7KH PD[LPXP OHQJWK IRU WKH UDGDU SRZHU DQG GDWD GLJLWDO
FDEOH LQFOXGLQJ DQ\ H[WHQVLRQV LV P IW
5DGDU SRZHU DQG GDWD GLJLWDO H[WHQVLRQ FDEOHV
7KHVH FDEOHV H[WHQG WKH SRZHU DQG GDWD GLJLWDO FDEOHV IRU D
VFDQQHUV SRZHU DQG GDWD FRQQHFWLRQV
&DEOH 3DUW QXPEHU
P IW 3RZHU DQG GDWD GLJLWDO
FDEOH
$'
P IW 3RZHU DQG GDWD GLJLWDO
FDEOH
$'
P IW 3RZHU DQG GDWD GLJLWDO
FDEOH
$'
1RWH 7KH PD[LPXP OHQJWK IRU WKH UDGDU SRZHU DQG GDWD GLJLWDO
FDEOH LQFOXGLQJ DQ\ H[WHQVLRQV LV P IW
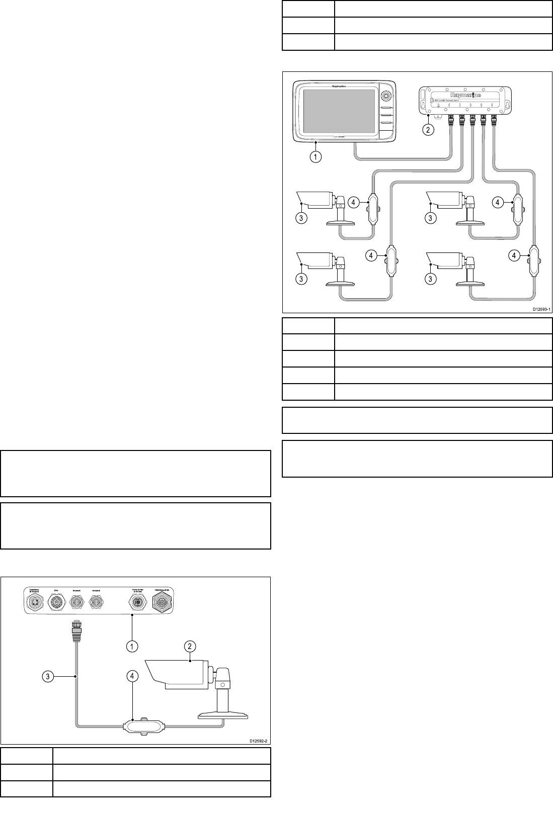
6RQDU FRQQHFWLRQ
$ VRQDU FRQQHFWLRQ LV UHTXLUHG IRU ¿VK¿QGHU DSSOLFDWLRQV
7KHUH DUH W\SHV RI FRQQHFWLRQ UHTXLUHG IRU ¿VK¿QGHU DSSOLFDWLRQV
6RQDU PRGXOH FRQQHFWLRQ ² FRQYHUWV WKH VRQDU VLJQDOV
SURYLGHG E\ WKH VRQDU WUDQVGXFHU LQWR GDWD VXLWDEOH IRU D PDULQH
HOHFWURQLFV V\VWHP 7KH VRQDU YDULDQW PXOWLIXQFWLRQ GLVSOD\V
IHDWXUH D EXLOWLQ VRQDU HQDEOLQJ \RX WR FRQQHFW WKH GLVSOD\
GLUHFWO\ WR D FRPSDWLEOH VRQDU WUDQVGXFHU 1RQVRQDU YDULDQWV
UHTXLUH D FRQQHFWLRQ WR DQ H[WHUQDO 5D\PDULQH VRQDU PRGXOH
,QWHUQDO DQG H[WHUQDO VRQDUV UHTXLUH D FRQQHFWLRQ WR D FRPSDWLEOH
VRQDU WUDQVGXFHU
6RQDU WUDQVGXFHU FRQQHFWLRQ ² SURYLGHV VRQDU VLJQDOV WR WKH
VRQDU PRGXOH
6RQDU PRGXOH FRQQHFWLRQ
5HDU FRQQHFWRU SDQHO RI PXOWLIXQFWLRQ GLVSOD\ 1RQVRQDU
YDULDQW
5D\PDULQH QHWZRUN VZLWFK
5D\PDULQH VRQDU PRGXOH
5D\1HW FDEOH
7KH PXOWLIXQFWLRQ GLVSOD\ FDQ EH XVHG ZLWK WKH IROORZLQJ 5D\PDULQH
VRQDU PRGXOHV
&3&
'60
'60
1RWH <RX FDQ DOVR FRQQHFW D VRQDU YDULDQW PXOWLIXQFWLRQ GLVSOD\
WR D 5D\PDULQH VRQDU PRGXOH 7KLV LV XVHIXO LQ FLUFXPVWDQFHV
ZKHUH \RX QHHG D KLJKHU SRZHUHG VRQDU PRGXOH IRU H[DPSOH
<RX FDQ RQO\ XVH RQH VRQDU WUDQVGXFHU DW DQ\ RQH WLPH
6RQDU FRQQHFWHG GLUHFWO\ WR WKH GLVSOD\
2Q VPDOOHU V\VWHPV ZLWK RQO\ RQH GLVSOD\ DQG QR RWKHU 6HD7DONKV
5D\1HW GHYLFHV WKH VRQDU PRGXOH PD\ EH FRQQHFWHG GLUHFWO\ WR WKH
GLVSOD\ ZLWKRXW XVLQJ D 5D\PDULQH QHWZRUN VZLWFK
1RWH <RX PXVW HQVXUH WKDW WKH FDEOH HQGV FRQQHFWHG LQWR
WKH GLVSOD\ DQG VRQDU PRGXOH KDYH D ORFNLQJ ZHDWKHUWLJKW
PHFKDQLVP
&RPSDWLEOH VRQDU WUDQVGXFHUV
7KH PXOWLIXQFWLRQ GLVSOD\ LV FRPSDWLEOH ZLWK WKH IROORZLQJ VRQDU
WUDQVGXFHUV
5D\PDULQH 3
5D\PDULQH 3
0LQQ .RWD WUDQVGXFHUV 6RQDU YDULDQW 5D\PDULQH GLVSOD\V RQO\
YLD RSWLRQDO $ DGDSWRU FDEOH
$Q\ ZDWW VRQDUFRPSDWLEOH WUDQVGXFHU YLD RSWLRQDO (
DGDSWRU FDEOH
6RQDU WUDQVGXFHU FRQQHFWLRQ ² 6RQDU YDULDQW PXOWLIXQFWLRQ
GLVSOD\V
5HDU FRQQHFWRU SDQHO RI PXOWLIXQFWLRQ GLVSOD\ 6RQDU YDULDQW
6RQDU WUDQVGXFHU FDEOH
6RQDU WUDQVGXFHU
1HZ D 6HULHV 1HZ F 6HULHV 1HZ H 6HULHV

ZDWW VRQDUFRPSDWLEOH VRQDU WUDQVGXFHU FRQQHFWLRQ YLD
RSWLRQDO DGDSWRU ² 6RQDU YDULDQW PXOWLIXQFWLRQ GLVSOD\V
5HDU FRQQHFWRU SDQHO RI PXOWLIXQFWLRQ GLVSOD\ 6RQDU YDULDQW
( DGDSWRU FDEOH
6RQDU WUDQVGXFHU
7UDQVGXFHU DGDSWRU FDEOH
&DEOH 3DUW QXPEHU
P IW WUDQVGXFHU DGDSWRU
FDEOH
(
6RQDU WUDQVGXFHU FRQQHFWLRQ ² 1RQ6RQDU YDULDQW
PXOWLIXQFWLRQ GLVSOD\V
5HDU FRQQHFWRU SDQHO RI PXOWLIXQFWLRQ GLVSOD\ 1RQVRQDU
YDULDQW
5D\PDULQH QHWZRUN VZLWFK RQO\ UHTXLUHG LI FRQQHFWLQJ PRUH
WKDQ RQH GHYLFH XVLQJ 6HD7DONKV 5D\1HW
5D\1HW FDEOH
5D\PDULQH VRQDU PRGXOH
6RQDU WUDQVGXFHU FDEOH
6RQDU WUDQVGXFHU
0LQQ .RWD VRQDU WUDQVGXFHU FRQQHFWLRQ YLD RSWLRQDO DGDSWRU
FDEOH 6RQDU YDULDQW PXOWLIXQFWLRQ GLVSOD\V RQO\
5HDU FRQQHFWRU SDQHO RI PXOWLIXQFWLRQ GLVSOD\ 6RQDU YDULDQW
0LQQ .RWD WUDQVGXFHU DGDSWRU FDEOH
0LQQ .RWD WUDQVGXFHU FDEOH
0LQQ .RWD WUDQVGXFHU
6RQDU YDULDQW PXOWLIXQFWLRQ GLVSOD\V
7KH WDEOH EHORZ GHWDLOV ZKLFK PXOWLIXQFWLRQ GLVSOD\ YDULDQWV IHDWXUH
D EXLOWLQ VRQDU PRGXOH DQG FDQ EH FRQQHFWHG GLUHFWO\ WR FRPSDWLEOH
VRQDU WUDQVGXFHUV
6RQDU YDULDQWV 1RQVRQDU YDULDQWV
D D
H' H
F F
F F
H H
H H
H
0LQQ .RWD WUDQVGXFHU DGDSWRU FDEOH
&RQQHFWV D 0LQQ .RWD VRQDU WUDQVGXFHU WR D FRPSDWLEOH 5D\PDULQH
PXOWLIXQFWLRQ GLVSOD\
&DEOH 3DUW QXPEHU
P IW 0LQQ .RWD WUDQVGXFHU
DGDSWRU FDEOH
$
7KHUPDO FDPHUD FRQQHFWLRQ
<RX FDQ FRQQHFW D WKHUPDO FDPHUD WR \RXU 1HZ F 6HULHV RU 1HZ
H 6HULHV PXOWLIXQFWLRQ GLVSOD\V
1RWH 1HZ D 6HULHV GRHV QRW VXSSRUW WKHUPDO FDPHUDV
7KH FDPHUD LV FRQQHFWHG YLD D 5D\PDULQH QHWZRUN VZLWFK ,I
\RX ZDQW WR XVH WKH RSWLRQDO -R\VWLFN &RQWURO 8QLW -&8 ZLWK WKH
FDPHUD WKLV PXVW DOVR EH FRQQHFWHG WR WKH QHWZRUN VZLWFK $
FRPSRVLWH YLGHR FRQQHFWLRQ LV UHTXLUHG EHWZHHQ WKH FDPHUD DQG
WKH PXOWLIXQFWLRQ GLVSOD\
0XOWLIXQFWLRQ GLVSOD\
5D\PDULQH QHWZRUN VZLWFK
-R\VWLFN &RQWURO 8QLW -&8 RSWLRQDO
6HD7DONKV WR 5D\1HW FDEOH
(WKHUQHW FDEOH FRXSOHU
3R( 3RZHU RYHU (WKHUQHW LQMHFWRU RQO\ UHTXLUHG LI XVLQJ WKH
RSWLRQDO -&8
7KHUPDO FDPHUD
9LGHR FRQQHFWLRQ
,PSRUWDQW QRWHV
<RX FDQ FRQWURO WKH WKHUPDO FDPHUD XVLQJ \RXU PXOWLIXQFWLRQDO
GLVSOD\ 7KH -R\VWLFN &RQWURO 8QLW -&8 LV RSWLRQDO EXW FDQ EH
&DEOHV DQG FRQQHFWLRQV

XVHG LQ FRQMXQFWLRQ ZLWK WKH PXOWLIXQFWLRQDO GLVSOD\ WR FRQWURO WKH
WKHUPDO FDPHUD LI UHTXLUHG
³'XDO SD\ORDG´ WKHUPDO FDPHUDV LQFOXGH LQGHSHQGHQW OHQVHV
IRU WKHUPDO LQIUDUHG DQG IRU YLVLEOH OLJKW ,I \RX RQO\ KDYH
GLVSOD\ \RX VKRXOG RQO\ FRQQHFW WKH YLGHR FDEOH ODEHOOHG ³9,6
,5´ YLVLEOH OLJKW LQIUDUHG WR WKH GLVSOD\ ,I \RX KDYH RU PRUH
GLVSOD\V \RX VKRXOG FRQQHFW FDEOH WR HDFK GLVSOD\
<RX FDQ RQO\ YLHZ WKH WKHUPDO FDPHUD LPDJH RQ WKH PXOWLIXQFWLRQ
GLVSOD\ WR ZKLFK WKH FDPHUD LV SK\VLFDOO\ FRQQHFWHG ,I \RX ZDQW
WR YLHZ WKH WKHUPDO FDPHUD LPDJH RQ PRUH WKDQ GLVSOD\ \RX
PXVW REWDLQ D VXLWDEOH WKLUGSDUW\ YLGHR GLVWULEXWLRQ XQLW
)RU IXUWKHU LQIRUPDWLRQ UHJDUGLQJ WKH FDPHUDV LQVWDOODWLRQ
LQFOXGLQJ FRQQHFWLRQV DQG PRXQWLQJ UHIHU WR WKH LQVWDOODWLRQ
LQVWUXFWLRQV WKDW DFFRPSDQ\ WKH FDPHUD
7KHUPDO FDPHUD FDEOHV
&DEOLQJ UHTXLUHPHQWV IRU WKHUPDO FDPHUDV
&DPHUD WR QHWZRUN VZLWFK
$ QHWZRUN SDWFK FDEOH LV UHTXLUHG WR FRQQHFW WKH FDPHUD WR WKH
QHWZRUN VZLWFK 7KH FRQQHFWLRQ LV PDGH EHWZHHQ WKH FDPHUD
FDEOH WDLO DQG WKH QHWZRUN VZLWFK YLD WKH FRXSOHU VXSSOLHG ZLWK WKH
FDPHUD 1HWZRUN SDWFK FDEOHV DUH DYDLODEOH LQ D YDULHW\ RI OHQJWKV
-R\VWLFN &RQWURO 8QLW -&8
$Q (WKHUQHW ZLWK SRZHU FDEOH LV XVHG WR FRQQHFW WKH -&8 7KH -&8
LV VXSSOLHG ZLWK D P IW (WKHUQHW FDEOH IRU WKLV FRQQHFWLRQ ,I
\RX UHTXLUH D GLIIHUHQW OHQJWK FRQWDFW \RXU GHDOHU IRU VXLWDEOH FDEOHV
3RZHU RYHU (WKHUQHW 3R( LQMHFWRU WR QHWZRUN VZLWFK
$ QHWZRUN SDWFK FDEOH LV UHTXLUHG IRU FRQQHFWLQJ WKH 3R( LQMHFWRU
WR WKH QHWZRUN VZLWFK 1HWZRUN SDWFK FDEOHV DUH DYDLODEOH LQ D
YDULHW\ RI OHQJWKV
9LGHR FDEOHV
9LGHR FDEOHV DUH QRW VXSSOLHG ZLWK WKH SURGXFW 3OHDVH FRQWDFW \RXU
GHDOHU IRU VXLWDEOH FDEOHV DQG DGDSWRUV
5D\PDULQH UHFRPPHQGV WKH XVH RI D %1& WHUPLQDWHG 5* RKP
RU EHWWHU FRD[LDO FDEOH
,3 &DPHUD FRQQHFWLRQV
<RX FDQ FRQQHFW ,3 FDPHUDV WR \RXU PXOWLIXQFWLRQ GLVSOD\
1RWH ,3 FDPHUDV PXVW EH FRQ¿JXUHG WR DXWRPDWLFDOO\ DVVLJQ DQ
,3 DGGUHVV SULRU WR FRQQHFWLQJ WR \RXU PXOWLIXQFWLRQ GLVSOD\ RU
QHWZRUN 3OHDVH UHIHU WR WKH LQVWUXFWLRQV VXSSOLHG ZLWK \RXU ,3
FDPHUD IRU FRQ¿JXUDWLRQ GHWDLOV
1RWH <RXU PXOWLIXQFWLRQ GLVSOD\ PXVW EH SRZHUHG XS EHIRUH
SRZHU LV DSSOLHG WR DQ\ QHWZRUNHG ,3 FDPHUDV WKLV LV WR HQDEOH
\RXU PXOWLIXQFWLRQ GLVSOD\ WR DVVLJQ WKH ,3 FDPHUDV D YDOLG ,3
DGGUHVV
,3 FDPHUDV FDQ EH FRQQHFWHG GLUHFWO\ WR WKH 6HD7DONKV 5D\1HW
FRQQHFWRU RQ \RXU PXOWLIXQFWLRQ GLVSOD\
,WHP 'HVFULSWLRQ
0XOWLIXQFWLRQ GLVSOD\ UHDU FRQQHFWRU SDQHO
,3 FDPHUD
,WHP 'HVFULSWLRQ
5D\1HW WR 5- FDEOH
6HD7DONKV FURVV RYHU FRXSOHU
<RX FDQ DOVR FRQQHFW PXOWLSOH ,3 FDPHUDV YLD WKH 6HD7DONKV QHWZRUN
,WHP 'HVFULSWLRQ
0XOWLIXQFWLRQ GLVSOD\
5D\PDULQH QHWZRUN VZLWFK
,3 FDPHUDV
6HD7DONKV FURVV RYHU FRXSOHUV
1RWH 0XOWLIXQFWLRQ GLVSOD\V GR QRW SURYLGH SRZHU RYHU HWKHUQHW
3R( FRQQHFWHG FDPHUDV PXVW KDYH WKHLU RZQ SRZHU VXSSO\
1RWH ,I \RXU ,3 FDPHUDV DUH QRW GHWHFWHG E\ \RXU PXOWLIXQFWLRQ
GLVSOD\ WU\ SRZHU F\FOLQJ WKH ,3 FDPHUDV ZKLOVW OHDYLQJ \RXU
PXOWLIXQFWLRQ GLVSOD\ SRZHUHG XS
1HZ D 6HULHV 1HZ F 6HULHV 1HZ H 6HULHV

*36 FRQQHFWLRQ
'HSHQGLQJ RQ GLVSOD\ YDULDQW \RXU PXOWLIXQFWLRQ GLVSOD\ PD\ LQFOXGH
DQ LQWHUQDO *36 UHFHLYHU ,I UHTXLUHG WKH PXOWLIXQFWLRQ GLVSOD\ FDQ
DOVR EH FRQQHFWHG WR DQ H[WHUQDO *36 UHFHLYHU XVLQJ 6HD7DONQJ
RU 10($
*36 FRQQHFWLRQ ² 6HD7DONQJ
0XOWLIXQFWLRQ GLVSOD\
6HD7DONQJ *36 UHFHLYHU
*36 FRQQHFWLRQ ² 10($
0XOWLIXQFWLRQ GLVSOD\
10($ *36 UHFHLYHU
$,6 FRQQHFWLRQ
$ FRPSDWLEOH $,6 FDQ EH FRQQHFWHG XVLQJ 6HD7DONQJ RU 10($
&RQQHFWLRQ XVLQJ 6HD7DONQJ
0XOWLIXQFWLRQ GLVSOD\
6HD7DONQJ $,6 UHFHLYHU WUDQVFHLYHU
&RQQHFWLRQ XVLQJ 10($
9+) UDGLR
$,6 XQLW
0XOWLIXQFWLRQ GLVSOD\
&DEOHV DQG FRQQHFWLRQV

)DVWKHDGLQJ FRQQHFWLRQ
,I \RX ZLVK WR XVH 0$53$ UDGDU WDUJHW DFTXLVLWLRQ IXQFWLRQV RQ
\RXU PXOWLIXQFWLRQ GLVSOD\ \RX QHHG HLWKHU
$Q DXWRSLORW FRQQHFWHG WR WKH PXOWLIXQFWLRQ GLVSOD\ YLD 6HD7DONQJ
RU 10($ 7KH FRPSDVV LV FRQQHFWHG WR WKH FRXUVH
FRPSXWHU DQG FDOLEUDWHG YLD WKH SLORW FRQWURO KHDG RU
$ 5D\PDULQH RU WKLUGSDUW\ IDVWKHDGLQJ VHQVRU FRQQHFWHG WR WKH
PXOWLIXQFWLRQ GLVSOD\ YLD 10($
1RWH 3OHDVH FRQWDFW \RXU GHDOHU RU 5D\PDULQH WHFKQLFDO VXSSRUW
IRU PRUH LQIRUPDWLRQ
6HD7DONQJ FRQQHFWLRQV
7KH GLVSOD\ FDQ FRQQHFW WR D 6HD7DONQJ V\VWHP
7KH GLVSOD\ FDQ XVH 6HD7DONQJ WR FRPPXQLFDWH ZLWK
6HD7DONQJ LQVWUXPHQWV IRU H[DPSOH L
6HD7DONQJ DXWRSLORWV IRU H[DPSOH S ZLWK 6PDUW3LORW 63;
FRXUVH FRPSXWHU
6HD7DON HTXLSPHQW YLD WKH RSWLRQDO 6HD7DON WR 6HD7DONQJ
FRQYHUWHU
10($ HTXLSPHQW YLD RSWLRQDO 'HYLFH1HW DGDSWRU FDEOHV
7\SLFDO 6HD7DONQJ V\VWHP
6HD7DONQJ LQVWUXPHQW ² IRU H[DPSOH L
6HD7DONQJ SLORW FRQWURO KHDG ² IRU H[DPSOH S
L7& FRQYHUWHU
:LQG WUDQVGXFHU
6HD7DONQJ PXOWLIXQFWLRQ GLVSOD\
3RZHU VXSSO\
6HD7DONQJ FRXUVH FRPSXWHU ² IRU H[DPSOH 63;
L7& FRQYHUWHU
'HSWK WUDQVGXFHU
6SHHG WUDQVGXFHU
6HD7DONQJ SRZHU UHTXLUHPHQWV
7KH 6HD7DONQJ EXV UHTXLUHV D 9 SRZHU VXSSO\
3RZHU PD\ EH SURYLGHG IURP
5D\PDULQH HTXLSPHQW ZLWK D UHJXODWHG 9 SRZHU VXSSO\ IRU
H[DPSOH D 6PDUW3LORW 63; FRXUVH FRPSXWHU RU
2WKHU VXLWDEOH 9 SRZHU VXSSO\
1RWH 6HD7DONQJ GRHV 127 VXSSO\ SRZHU WR PXOWLIXQFWLRQ GLVSOD\V
DQG RWKHU HTXLSPHQW ZLWK D GHGLFDWHG SRZHU VXSSO\ LQSXW
1HZ D 6HULHV 1HZ F 6HULHV 1HZ H 6HULHV

6HD7DONQJ FDEOLQJ FRPSRQHQWV
6HD7DONQJ FDEOLQJ FRPSRQHQWV DQG WKHLU SXUSRVHV
&RQQHFWLRQ &DEOH 1RWHV
%DFNERQH FDEOH YDULRXV OHQJWKV 7KH PDLQ FDEOH FDUU\LQJ GDWD 6SXUV
IURP WKH EDFNERQH DUH XVHG WR
FRQQHFW 6HD7DONQJ GHYLFHV
7SLHFH FRQQHFWRU 8VHG WR PDNH MXQFWLRQV LQ WKH
EDFNERQH WR ZKLFK GHYLFHV FDQ WKHQ
EH FRQQHFWHG
7HUPLQDWRU 5HTXLUHG DW HLWKHU HQG RI WKH
EDFNERQH
,QOLQH WHUPLQDWRU 8VHG WR FRQQHFW D VSXU FDEOH GLUHFWO\
WR WKH HQG RI D EDFNERQH XVHIXO IRU
ORQJHU FDEOH UXQV
6SXU FDEOH 8VHG WR FRQQHFW GHYLFHV WR WKH
EDFNERQH 'HYLFHV PD\ EH GDLV\
FKDLQHG RU FRQQHFWHG GLUHFWO\ WR WKH
7SLHFHV
6HD7DONQJ ±ZD\ FRQQHFWRU 8VHG WR EUDQFK VSOLW RU PDNH
DGGLWLRQDO FRQQHFWLRQV LQ 6HD7DON RU
6HD7DONQJ QHWZRUNV
%ODQNLQJ SOXJ ,QVHUWHG LQWR XQXVHG VSXU FRQQHFWRU
SRVLWLRQV LQ D ZD\ FRQQHFWRU RU
7SLHFH
6HD7DONQJ FDEOHV DQG DFFHVVRULHV
6HD7DONQJ FDEOHV DQG DFFHVVRULHV IRU XVH ZLWK FRPSDWLEOH SURGXFWV
'HVFULSWLRQ 3DUW 1R 1RWHV
%DFNERQH .LW $ ,QFOXGHV
[ P IW
%DFNERQH FDEOH
[ P IW
%DFNERQH FDEOH
[ 7SLHFH
[ %DFNERQH
WHUPLQDWRU
[ 3RZHU FDEOH
6HD7DONQJ P IW
VSXU
$
6HD7DONQJ P IW
VSXU
$
6HD7DONQJ P IW
VSXU
$
6HD7DONQJ P IW
VSXU
$
6HD7DONQJ P IW
EDFNERQH
$
6HD7DONQJ P IW
EDFNERQH
$
6HD7DONQJ P IW
EDFNERQH
$
6HD7DONQJ P IW
EDFNERQH
$
6HD7DONQJ P IW
EDFNERQH
$
6HD7DONQJ P IW
EDFNERQH
$
6HD7DONQJ WR EDUH HQGV
P IW VSXU
$
'HVFULSWLRQ 3DUW 1R 1RWHV
6HD7DONQJ WR EDUH HQGV
P IW VSXU
$
6HD7DONQJ 3RZHU FDEOH $
6HD7DONQJ 7HUPLQDWRU $
6HD7DONQJ 7SLHFH $ 3URYLGHV [ VSXU
FRQQHFWLRQ
6HD7DONQJ ±ZD\
FRQQHFWRU
$ 3URYLGHV [ VSXU
FRQQHFWLRQV
6HD7DON WR 6HD7DONQJ
FRQYHUWHU
( $OORZV WKH FRQQHFWLRQ
RI 6HD7DON GHYLFHV WR D
6HD7DONQJ V\VWHP
6HD7DONQJ ,QOLQH
WHUPLQDWRU
$ 3URYLGHV GLUHFW
FRQQHFWLRQ RI D VSXU
FDEOH WR WKH HQG RI D
EDFNERQH FDEOH 1R
7SLHFH UHTXLUHG
6HD7DONQJ %ODQNLQJ SOXJ $
6HD7DON SLQ WR
6HD7DONQJ DGDSWRU FDEOH
P IW
$
6HD7DON SLQ WR
6HD7DONQJ DGDSWRU FDEOH
P IW
$
'HYLFH1HW DGDSWRU FDEOH
)HPDOH
$ $OORZV WKH FRQQHFWLRQ RI
10($ GHYLFHV WR
D 6HD7DONQJ V\VWHP
'HYLFH1HW DGDSWRU FDEOH
0DOH
$ $OORZV WKH FRQQHFWLRQ RI
10($ GHYLFHV WR
D 6HD7DONQJ V\VWHP
'HYLFH1HW DGDSWRU FDEOH
)HPDOH WR EDUH HQGV
( $OORZV WKH FRQQHFWLRQ RI
10($ GHYLFHV WR
D 6HD7DONQJ V\VWHP
'HYLFH1HW DGDSWRU FDEOH
0DOH WR EDUH HQGV
( $OORZV WKH FRQQHFWLRQ RI
10($ GHYLFHV WR
D 6HD7DONQJ V\VWHP
&DEOHV DQG FRQQHFWLRQV

6HD7DON FRQQHFWLRQ
<RX FDQ FRQQHFW 6HD7DON GHYLFHV WR \RXU PXOWLIXQFWLRQ GLVSOD\ XVLQJ
WKH RSWLRQDO 6HD7DON WR 6HD7DONQJ FRQYHUWHU
6HD7DON GHYLFH
6HD7DON WR 6HD7DONQJ FRQYHUWHU
0XOWLIXQFWLRQ GLVSOD\
6HD7DON DFFHVVRULHV
6HD7DON FDEOHV DQG DFFHVVRULHV IRU XVH ZLWK FRPSDWLEOH SURGXFWV
'HVFULSWLRQ 3DUW 1R 1RWHV
±ZD\ 6HD7DON MXQFWLRQ
ER[
'
P IW 6HD7DON
H[WHQVLRQ FDEOH
'
P IW 6HD7DON
H[WHQVLRQ FDEOH
'
P IW 6HD7DON
H[WHQVLRQ FDEOH
'
P IW 6HD7DON
H[WHQVLRQ FDEOH
'
P IW 6HD7DON
H[WHQVLRQ FDEOH
(
P IW 6HD7DON
H[WHQVLRQ FDEOH
'
10($ FRQQHFWLRQ
10($ GHYLFHV FDQ EH FRQQHFWHG WR 1HZ F 6HULHV DQG 1HZ H
6HULHV PXOWLIXQFWLRQ GLVSOD\V XVLQJ WKH SRZHU DQG GDWD FDEOH
1RWH 1HZ D 6HULHV GRHV QRW VXSSRUW FRQQHFWLRQ RI 10($
GHYLFHV
10($ GHYLFHV DUH FRQQHFWHG XVLQJ WKH VXSSOLHG SRZHU DQG
GDWD FDEOH
7KH GLVSOD\ KDV 10($ SRUWV
3RUW ,QSXW DQG RXWSXW RU EDXG UDWH
3RUW ,QSXW RQO\ RU EDXG UDWH
1RWH 7KH EDXG UDWH \RX ZDQW WR XVH IRU HDFK SRUW LQSXW PXVW EH
VSHFL¿HG LQ WKH 6\VWHP 6HWWLQJV PHQX +RPHVFUHHQ ! 6HWXS
! 6\VWHP 6HWWLQJV ! 10($ 6HWXS ! 10($ ,QSXW 3RUW
1RWH )RU 3RUW ERWK WKH LQSXW DQG RXWSXW FRPPXQLFDWH DW WKH
VDPH EDXG UDWH )RU H[DPSOH LI \RX KDYH RQH 10($
GHYLFH FRQQHFWHG WR WKH GLVSOD\V 3RUW ,1387 DQG DQRWKHU
10($ GHYLFH FRQQHFWHG WR WKH GLVSOD\V 3RUW 287387
ERWK 10($ GHYLFHV PXVW EH XVLQJ WKH VDPH EDXG UDWH
<RX FDQ FRQQHFW XS WR 10($ GHYLFHV WR WKH GLVSOD\V 10($
287387 3RUW <RX FDQ FRQQHFW D WRWDO RI 10($
GHYLFHV WR WKH GLVSOD\V 10($ ,1387 SRUWV
,WH
P 'HYLFH
&DEOH
FRORU 3RUW
,QSXW
RXWSXW
3RVLWLYH
QHJDWLYH
:KLWH ,QSXW 3RVLWLYH
*UHHQ ,QSXW 1HJDWLYH
<HOORZ 2XWSXW 3RVLWLYH
%URZQ 2XWSXW 1HJDWLYH
2UDQJH
ZKLWH
,QSXW 3RVLWLYH
0XOWLIXQF
WLRQ GLVSOD\
2UDQJH
JUHHQ
,QSXW 1HJDWLYH
1HZ D 6HULHV 1HZ F 6HULHV 1HZ H 6HULHV

,WH
P 'HYLFH
&DEOH
FRORU 3RUW
,QSXW
RXWSXW
3RVLWLYH
QHJDWLYH
2XWSXW 3RVLWLYH
2XWSXW 1HJDWLYH
,QSXW 3RVLWLYH
10($
GHYLFH
,QSXW 1HJDWLYH
2XWSXW 3RVLWLYH
10($
GHYLFH 2XWSXW 1HJDWLYH
1RWH 5HIHU WR LQVWUXFWLRQV SURYLGHG ZLWK 10($ GHYLFH
10($ FDEOH
<RX FDQ H[WHQG WKH 10($ ZLUHV ZLWKLQ WKH VXSSOLHG SRZHU
DQG GDWD FDEOH
'DWD FDEOH H[WHQVLRQ
7RWDO OHQJWK PD[ &DEOH
8S WR P +LJK TXDOLW\ GDWD FDEOH
[ WZLVWHG SDLU ZLWK RYHUDOO VKLHOG
WR S)P FDSDFLWDQFH FRUH WR
FRUH
10($ FRQQHFWLRQ
7KH GLVSOD\ FDQ UHFHLYH GDWD IURP 10($ GHYLFHV HJ GDWD
IURP FRPSDWLEOH HQJLQHV 7KH 10($ FRQQHFWLRQ LV PDGH
XVLQJ 6HD7DONQJ DQG DSSURSULDWH DGDSWRU FDEOHV
<RX FDQ (,7+(5
8VH \RXU 6HD7DONQJ EDFNERQH DQG FRQQHFW HDFK 10($
GHYLFH RQ D VSXU 25
FRQQHFW WKH GLVSOD\ RQ D VSXU LQWR DQ H[LVWLQJ 10($
EDFNERQH
,PSRUWDQW <RX FDQQRW KDYH EDFNERQHV FRQQHFWHG WRJHWKHU
&RQQHFWLQJ 10($ HTXLSPHQW WR WKH 6HD7DONQJ EDFNERQH
9 VXSSO\ LQWR EDFNERQH
6HD7DONQJ EDFNERQH
6HD7DONQJ WR 'HYLFH1HW DGDSWRU FDEOH
10($ HTXLSPHQW
&RQQHFWLQJ WKH GLVSOD\ WR DQ H[LVWLQJ 10($ 'HYLFH1HW
EDFNERQH
0XOWLIXQFWLRQ GLVSOD\
6HD7DONQJ WR 'HYLFH1HW DGDSWRU FDEOH
'HYLFH1HW EDFNERQH
10($ HTXLSPHQW
&DEOHV DQG FRQQHFWLRQV

&DPHUD 9LGHR FRQQHFWLRQ
$ FDPHUD RU D YLGHR GHYLFH FDQ EH FRQQHFWHG GLUHFWO\ WR 1HZ F
6HULHV DQG 1HZ H 6HULHV PXOWLIXQFWLRQ GLVSOD\V XVLQJ WKH YLGHR
FRQQHFWRU RQ WKH SRZHU DQG GDWD FDEOH
1RWH 9LGHR GHYLFHV FDQQRW EH GLUHFWO\ FRQQHFWHG WR 1HZ D
6HULHV PXOWLIXQFWLRQ GLVSOD\V )RU FDPHUD FRQQHFWLRQV WR D 1HZ D
6HULHV GLVSOD\ SOHDVH UHIHU WR WKH ,3 FDPHUD FRQQHFWLRQ VHFWLRQ
([DPSOHV RI YLGHR VRXUFHV WKDW \RX FDQ FRQQHFW WR WKH GLVSOD\
LQFOXGH
9LGHR FDPHUD
7KHUPDO FDPHUD
'9' SOD\HU
3RUWDEOH GLJLWDO YLGHR SOD\HU
5HDU FRQQHFWRU SDQHO RI PXOWLIXQFWLRQ GLVSOD\
3RZHU DQG GDWD FDEOH
%1& YLGHR FRQQHFWRU LQSXW
9LGHR VRXUFH ² IRU H[DPSOH YLGHR FDPHUD
1RWH 7R OLVWHQ WR D PRYLH¶V DXGLR WUDFN DQ\ FRQQHFWHG '9' RU
GLJLWDO YLGHR SOD\HU ZLOO UHTXLUH VSHDNHUV WR EH FRQQHFWHG WR WKH
SOD\HUV DXGLR RXWSXW
&DPHUD YLGHR LQRXW FRQQHFWLRQ
$ FDPHUD YLGHR GHYLFH RU H[WHUQDO GLVSOD\ FDQ EH FRQQHFWHG WR
1HZ H 6HULHV PXOWLIXQFWLRQ GLVSOD\V H[FOXGLQJ WKH H H' XVLQJ
WKH GHGLFDWHG YLGHR LQRXW FRQQHFWRU
1RWH 1HZ D 6HULHV DQG 1HZ F 6HULHV PXOWLIXQFWLRQ GLVSOD\V GR
QRW KDYH D GHGLFDWHG YLGHR LQRXW FRQQHFWRU
9LGHR ,Q
([DPSOHV RI YLGHR LQSXW VRXUFHV WKDW \RX FDQ FRQQHFW WR WKH GLVSOD\
LQFOXGH
9LGHR FDPHUD
7KHUPDO FDPHUD
'9' SOD\HU
3RUWDEOH GLJLWDO YLGHR SOD\HU
5HDU FRQQHFWRU SDQHO RI PXOWLIXQFWLRQ GLVSOD\
9LGHR DFFHVVRU\ FDEOH
%1& YLGHR FRQQHFWRU LQSXW
7KHUPDO FDPHUD
1RWH 7R OLVWHQ WR D PRYLH¶V DXGLR WUDFN DQ\ FRQQHFWHG '9' RU
GLJLWDO YLGHR SOD\HU ZLOO UHTXLUH VSHDNHUV WR EH FRQQHFWHG WR WKH
SOD\HUV DXGLR RXWSXW
9LGHR RXW
([DPSOHV RI YLGHR RXWSXW GHYLFHV WKDW \RX FDQ FRQQHFW WR WKH
GLVSOD\ LQFOXGH
+'79 ZLWK 9*$ LQSXW
9*$ PRQLWRU
5HDU FRQQHFWRU SDQHO RI PXOWLIXQFWLRQ GLVSOD\
9LGHR DFFHVVRU\ FDEOH
9*$ FDEOH WR H[WHUQDO GLVSOD\
([WHUQDO GLVSOD\
9LGHR VSHFL¿FDWLRQ
6LJQDO W\SH &RPSRVLWH
)RUPDW 3$/ RU 176&
1HZ D 6HULHV 1HZ F 6HULHV 1HZ H 6HULHV

&RQQHFWRU W\SH %1& IHPDOH
2XWSXW UHVROXWLRQ S
9LGHR FDEOHV
7KH IROORZLQJ YLGHR FDEOH LV UHTXLUHG IRU WKH YLGHR LQ RXW FRQQHFWRU
RQ WKH H H H H YDULDQW PXOWLIXQFWLRQ GLVSOD\V
3DUW QXPEHU 'HVFULSWLRQ 1RWHV
5 HVHULHV DFFHVVRU\ YLGHR
FDEOH
%OXHWRRWK FRQQHFWLRQV
5HPRWH FRQWURO FRQQHFWLRQ
<RX FDQ FRQWURO WKH PXOWLIXQFWLRQ GLVSOD\ ZLUHOHVVO\ XVLQJ D
5D\PDULQH UHPRWH FRQWURO XQLW
7KH UHPRWH FRQWURO XVHV D %OXHWRRWK ZLUHOHVV FRQQHFWLRQ
0XOWLIXQFWLRQ GLVSOD\
%OXHWRRWK FRQQHFWLRQ
5D\PDULQH %OXHWRRWK UHPRWH FRQWURO IRU H[DPSOH 5&8
7R XVH WKH UHPRWH FRQWURO \RX PXVW ¿UVW
(QDEOH %OXHWRRWK LQ WKH 6\VWHP 6HWWLQJV RQ WKH PXOWLIXQFWLRQ
GLVSOD\
3DLU WKH UHPRWH FRQWURO XQLW ZLWK WKH PXOWLIXQFWLRQ GLVSOD\
3DLULQJ WKH UHPRWH DQG FRQ¿JXULQJ WKH 83 DQG '2:1 EXWWRQV
7KH UHPRWH FRQWURO XQLW PXVW EH ³SDLUHG´ ZLWK WKH PXOWLIXQFWLRQ
GLVSOD\ WKDW \RX ZDQW WR FRQWURO 2Q \RXU PXOWLIXQFWLRQ GLVSOD\ ZLWK
WKH KRPHVFUHHQ GLVSOD\HG
6HOHFW 6HWXS
6HOHFW 6\VWHP 6HWWLQJV
6HOHFW :LUHOHVV &RQQHFWLRQV
6HOHFW %OXHWRRWK ! 2Q
6HOHFW 1HZ %OXHWRRWK &RQQHFWLRQ
$ SRSXS PHVVDJH ZLOO EH GLVSOD\HG WR FRQ¿UP WKDW WKH GHYLFH
\RX DUH FRQQHFWLQJ WR LV GLVFRYHUDEOH
6HOHFW 2N WR FRQ¿UP
$ OLVW RI GLVFRYHUHG GHYLFHV LV GLVSOD\HG
2Q \RXU UHPRWH FRQWURO XQLW KROG GRZQ WKH 83 DQG '2:1
EXWWRQV WRJHWKHU IRU VHFRQGV
6HOHFW WKH UHPRWH FRQWURO XQLW LQ WKH OLVW RI GHYLFHV
:KHQ SURPSWHG SUHVV WKH DUURZ EXWWRQ RQ \RXU UHPRWH WKDW \RX
ZLVK WR EH FRQ¿JXUHG DV WKH 83 EXWWRQ 7KH RWKHU DUURZ EXWWRQ
ZLOO DXWRPDWLFDOO\ EH FRQ¿JXUHG DV WKH '2:1 EXWWRQ
,I WKH SDLULQJ ZDV VXFFHVVIXO D ³3DLULQJ 6XFFHVV´ PHVVDJH ZLOO
EH GLVSOD\HG ,I D ³3DLULQJ )DLOXUH´ RU ³3DLULQJ 7LPHRXW´ PHVVDJH
LV GLVSOD\HG UHSHDW VWHSV WR
0HGLD SOD\HU FRQQHFWLRQ
<RX FDQ XVH \RXU PXOWLIXQFWLRQ GLVSOD\ WR ZLUHOHVVO\ FRQWURO D
%OXHWRRWKFRPSDWLEOH PHGLD SOD\HU VXFK DV D VPDUWSKRQH
7KH PHGLD SOD\HU PXVW EH FRPSDWLEOH ZLWK WKH %OXHWRRWK $95&3
SURWRFRO YHUVLRQ RU KLJKHU
0XOWLIXQFWLRQ GLVSOD\
%OXHWRRWK FRQQHFWLRQ
%OXHWRRWKFRPSDWLEOH PHGLD SOD\HU
7R XVH WKLV IHDWXUH \RX PXVW ¿UVW
&DEOHV DQG FRQQHFWLRQV

(QDEOH %OXHWRRWK LQ WKH 6\VWHP 6HWWLQJV RQ WKH PXOWLIXQFWLRQ
GLVSOD\
(QDEOH %OXHWRRWK RQ WKH PHGLD SOD\HU GHYLFH
3DLU WKH PHGLD SOD\HU GHYLFH ZLWK WKH PXOWLIXQFWLRQ GLVSOD\
(QDEOH $XGLR &RQWURO LQ WKH 6\VWHP 6HWWLQJV RQ WKH PXOWLIXQFWLRQ
GLVSOD\
&RQQHFW DQ 5&8 UHPRWH DQG DVVLJQ WKH VKRUWFXW NH\ WR
6WDUW6WRS DXGLR SOD\EDFN 2QO\ UHTXLUHG RQ D 1HZ F 6HULHV
GLVSOD\
1RWH ,I \RXU PHGLD SOD\HU GRHV QRW LQFOXGH EXLOWLQ VSHDNHUV LW
PD\ EH QHFHVVDU\ WR FRQQHFW WKH PHGLD SOD\HUV DXGLR RXWSXW
WR DQ H[WHUQDO DXGLR V\VWHP RU D SDLU RI KHDGSKRQHV )RU PRUH
LQIRUPDWLRQ UHIHU WR WKH LQVWUXFWLRQV WKDW DFFRPSDQ\ WKH PHGLD
SOD\HU GHYLFH
:L)L FRQQHFWLRQV
5D\PDULQH PRELOH DSS FRQQHFWLRQ
<RX FDQ XVH FRPSDWLEOH WDEOHW DQG VPDUWSKRQH GHYLFHV DV D ZLUHOHVV
UHSHDW GLVSOD\ RU UHPRWH FRQWURO IRU \RXU PXOWLIXQFWLRQ GLVSOD\
5D\PDULQH DSSV DOORZ \RX WR VWUHDP DQG RU FRQWURO UHPRWHO\ ZKDW
\RX VHH RQ \RXU PXOWLIXQFWLRQ GLVSOD\ WR D FRPSDWLEOH GHYLFH XVLQJ
D :L)L FRQQHFWLRQ
7R XVH WKLV IHDWXUH \RX PXVW ¿UVW
(QVXUH \RXU GHYLFH LV FRPSDWLEOH ZLWK WKH DSS \RX ZLVK WR XVH
'RZQORDG DQG LQVWDOO WKH UHOHYDQW 5D\PDULQH DSS DYDLODEOH IURP
WKH UHOHYDQW PDUNHW VWRUH
(QDEOH :L)L LQ WKH 6\VWHP 6HWWLQJV RQ WKH PXOWLIXQFWLRQ GLVSOD\
(QDEOH :L)L RQ \RXU FRPSDWLEOH GHYLFH
6HOHFW WKH 5D\PDULQH :L)L FRQQHFWLRQ IURP WKH OLVW RI DYDLODEOH
:L)L QHWZRUNV RQ \RXU FRPSDWLEOH GHYLFH
(QDEOH WKH UHOHYDQW 0RELOH DSS LQ WKH 6\VWHP 6HWWLQJV PHQX RQ
WKH PXOWLIXQFWLRQ GLVSOD\
1RWH 7KH PXOWLIXQFWLRQ GLVSOD\ DFWV DV D :L)L DFFHVV SRLQW ,I
\RXU GHYLFH DOUHDG\ FRQQHFWV WR DQ DFFHVV SRLQW IRU HPDLO DQG
LQWHUQHW \RX PXVW UHYHUW \RXU DFFHVV SRLQW EDFN WR UHJDLQ DFFHVV
WR HPDLOV DQG LQWHUQHW
1DYLRQLFV FKDUWSORWWHU V\QF FRQQHFWLRQ
<RX FDQ ZLUHOHVVO\ V\QFKURQL]H ZD\SRLQWV DQG URXWHV EHWZHHQ WKH
PXOWLIXQFWLRQ GLVSOD\ DQG D WDEOHW RU VPDUWSKRQH GHYLFH
0XOWLIXQFWLRQ GLVSOD\
:L)L FRQQHFWLRQ
7DEOHW VPDUWSKRQH
1DYLRQLFV 0DULQH DSS
7R XVH WKLV IHDWXUH \RX PXVW ¿UVW
'RZQORDG DQG LQVWDOO WKH 1DYLRQLFV 0DULQH DSS DYDLODEOH IURP
WKH UHOHYDQW DSS VWRUH
(QDEOH :L)L LQ WKH 6\VWHP 6HWWLQJV RQ WKH PXOWLIXQFWLRQ GLVSOD\
(QDEOH :L)L RQ \RXU WDEOHW VPDUWSKRQH
6HOHFW WKH 5D\PDULQH :L)L FRQQHFWLRQ IURP WKH OLVW RI DYDLODEOH
:L)L QHWZRUNV RQ \RXU WDEOHW VPDUWSKRQH
1HZ D 6HULHV 1HZ F 6HULHV 1HZ H 6HULHV

&KDSWHU /RFDWLRQ DQG PRXQWLQJ
&KDSWHU FRQWHQWV
6HOHFWLQJ D ORFDWLRQ RQ SDJH
0RXQWLQJ 1HZ D 6HULHV RQ SDJH
0RXQWLQJ 1HZ F 6HULHV DQG 1HZ H VHULHV RQ SDJH
/RFDWLRQ DQG PRXQWLQJ

6HOHFWLQJ D ORFDWLRQ
:DUQLQJ 3RWHQWLDO LJQLWLRQ VRXUFH
7KLV SURGXFW LV 127 DSSURYHG IRU XVH LQ
KD]DUGRXVÀDPPDEOH DWPRVSKHUHV 'R 127 LQVWDOO LQ
D KD]DUGRXVÀDPPDEOH DWPRVSKHUH VXFK DV LQ DQ
HQJLQH URRP RU QHDU IXHO WDQNV
*HQHUDO ORFDWLRQ UHTXLUHPHQWV
:KHQ VHOHFWLQJ D ORFDWLRQ IRU \RXU GLVSOD\ LW LV LPSRUWDQW WR FRQVLGHU
D QXPEHU RI IDFWRUV
.H\ IDFWRUV ZKLFK FDQ DIIHFW SURGXFW SHUIRUPDQFH DUH
9HQWLODWLRQ
7R HQVXUH DGHTXDWH DLUÀRZ
± (QVXUH WKDW HTXLSPHQW LV PRXQWHG LQ D FRPSDUWPHQW RI VXLWDEOH
VL]H
± (QVXUH WKDW YHQWLODWLRQ KROHV DUH QRW REVWUXFWHG $OORZ
DGHTXDWH VHSDUDWLRQ RI HTXLSPHQW
$Q\ VSHFL¿F UHTXLUHPHQWV IRU HDFK V\VWHP FRPSRQHQW DUH
SURYLGHG ODWHU LQ WKLV FKDSWHU
0RXQWLQJ VXUIDFH
(QVXUH HTXLSPHQW LV DGHTXDWHO\ VXSSRUWHG RQ D VHFXUH VXUIDFH
'R QRW PRXQW XQLWV RU FXW KROHV LQ SODFHV ZKLFK PD\ GDPDJH WKH
VWUXFWXUH RI WKH YHVVHO
&DEOH HQWU\
(QVXUH WKH XQLW LV PRXQWHG LQ D ORFDWLRQ ZKLFK DOORZV SURSHU
URXWLQJ DQG FRQQHFWLRQ RI FDEOHV
± 0LQLPXP EHQG UDGLXV RI PP LQ XQOHVV RWKHUZLVH
VWDWHG
± 8VH FDEOH VXSSRUWV WR SUHYHQW VWUHVV RQ FRQQHFWRUV
:DWHU LQJUHVV
7KH GLVSOD\ LV VXLWDEOH IRU PRXQWLQJ ERWK DERYH DQG EHORZ GHFNV
,W LV ZDWHUSURRI WR ,3; VWDQGDUG $OWKRXJK WKH XQLW LV ZDWHUSURRI
LW LV JRRG SUDFWLFH WR ORFDWH LW LQ D SURWHFWHG DUHD DZD\ IURP
SURORQJHG DQG GLUHFW H[SRVXUH WR UDLQ DQG VDOW VSUD\
(OHFWULFDO LQWHUIHUHQFH
6HOHFW D ORFDWLRQ WKDW LV IDU HQRXJK DZD\ IURP GHYLFHV WKDW
PD\ FDXVH LQWHUIHUHQFH VXFK DV PRWRUV JHQHUDWRUV DQG UDGLR
WUDQVPLWWHUV UHFHLYHUV
3RZHU VXSSO\
6HOHFW D ORFDWLRQ WKDW LV DV FORVH DV SRVVLEOH WR WKH YHVVHO¶V '&
SRZHU VRXUFH 7KLV ZLOO KHOS WR NHHS FDEOH UXQV WR D PLQLPXP
&RPSDVV VDIH GLVWDQFH
7R SUHYHQW SRWHQWLDO LQWHUIHUHQFH ZLWK WKH YHVVHOV PDJQHWLF
FRPSDVVHV HQVXUH DQ DGHTXDWH GLVWDQFH LV PDLQWDLQHG IURP WKH
GLVSOD\
:KHQ FKRRVLQJ D VXLWDEOH ORFDWLRQ IRU WKH PXOWLIXQFWLRQ GLVSOD\ \RX
VKRXOG DLP WR PDLQWDLQ WKH PD[LPXP SRVVLEOH GLVWDQFH EHWZHHQ
WKH GLVSOD\ DQG DQ\ FRPSDVVHV 7\SLFDOO\ WKLV GLVWDQFH VKRXOG
EH DW OHDVW P IW LQ DOO GLUHFWLRQV +RZHYHU IRU VRPH VPDOOHU
YHVVHOV LW PD\ QRW EH SRVVLEOH WR ORFDWH WKH GLVSOD\ WKLV IDU DZD\
IURP D FRPSDVV ,Q WKLV VLWXDWLRQ WKH IROORZLQJ ¿JXUHV SURYLGH WKH
PLQLPXP VDIH GLVWDQFH WKDW VKRXOG EH PDLQWDLQHG EHWZHHQ WKH
GLVSOD\ DQG DQ\ FRPSDVVHV
,WHP
&RPSDVV SRVLWLRQ LQ
UHODWLRQ WR GLVSOD\
0LQLPXP VDIH GLVWDQFH
IURP GLVSOD\
7RS PP LQ
5HDU PP LQ
5LJKWKDQG VLGH PP LQ
8QGHUVLGH PP LQ
)URQW PP LQ
/HIWKDQG VLGH PP LQ
*36 ORFDWLRQ UHTXLUHPHQWV
,Q DGGLWLRQ WR JHQHUDO JXLGHOLQHV FRQFHUQLQJ WKH ORFDWLRQ RI PDULQH
HOHFWURQLFV WKHUH DUH D QXPEHU RI HQYLURQPHQWDO IDFWRUV WR FRQVLGHU
ZKHQ LQVWDOOLQJ HTXLSPHQW ZLWK DQ LQWHUQDO *36 DQWHQQD
0RXQWLQJ ORFDWLRQ
$ERYH 'HFNV PRXQWLQJ
3URYLGHV RSWLPDO *36 SHUIRUPDQFH )RU HTXLSPHQW ZLWK
DSSURSULDWH ZDWHUSURRI UDWLQJ
%HORZ 'HFNV PRXQWLQJ
*36 SHUIRUPDQFH PD\ EH OHVV HIIHFWLYH DQG PD\ UHTXLUH DQ
H[WHUQDO *36 DQWHQQD PRXQWHG DERYH GHFNV
7KLV ORFDWLRQ SURYLGHV RSWLPDO *36 SHUIRUPDQFH DERYH
GHFNV
,Q WKLV ORFDWLRQ *36 SHUIRUPDQFH PD\ EH OHVV HIIHFWLYH
7KLV ORFDWLRQ LV 127 UHFRPPHQGHG IRU *36 DQWHQQD
1HZ D 6HULHV 1HZ F 6HULHV 1HZ H 6HULHV

9HVVHO FRQVWUXFWLRQ
7KH FRQVWUXFWLRQ RI \RXU YHVVHO FDQ KDYH DQ LPSDFW RQ *36
SHUIRUPDQFH )RU H[DPSOH WKH SUR[LPLW\ RI KHDY\ VWUXFWXUH VXFK DV
D VWUXFWXUDO EXONKHDG RU WKH LQWHULRU RI ODUJHU YHVVHOV PD\ UHVXOW LQ
D UHGXFHG *36 VLJQDO %HIRUH ORFDWLQJ HTXLSPHQW ZLWK DQ LQWHUQDO
*36 DQWHQQD EHORZ GHFNV VHHN SURIHVVLRQDO DVVLVWDQFH DQG
FRQVLGHU XVH RI DQ H[WHUQDO *36 DQWHQQD PRXQWHG DERYH GHFNV
3UHYDLOLQJ FRQGLWLRQV
7KH ZHDWKHU DQG ORFDWLRQ RI WKH YHVVHO FDQ DIIHFW WKH *36
SHUIRUPDQFH 7\SLFDOO\ FDOP FOHDU FRQGLWLRQV SURYLGH IRU D PRUH
DFFXUDWH *36 ¿[ 9HVVHOV DW H[WUHPH QRUWKHUO\ RU VRXWKHUO\ ODWLWXGHV
PD\ DOVR UHFHLYH D ZHDNHU *36 VLJQDO *36 DQWHQQD PRXQWHG
EHORZ GHFNV ZLOO EH PRUH VXVFHSWLEOH WR SHUIRUPDQFH LVVXHV UHODWHG
WR WKH SUHYDLOLQJ FRQGLWLRQV
9LHZLQJ DQJOH FRQVLGHUDWLRQV
$V GLVSOD\ FRQWUDVW FRORU DQG QLJKW PRGH SHUIRUPDQFH DUH DOO
DIIHFWHG E\ WKH YLHZLQJ DQJOH 5D\PDULQH UHFRPPHQGV \RX
WHPSRUDULO\ SRZHU XS WKH GLVSOD\ ZKHQ SODQQLQJ WKH LQVWDOODWLRQ WR
HQDEOH \RX WR EHVW MXGJH ZKLFK ORFDWLRQ JLYHV WKH RSWLPXP YLHZLQJ
DQJOH
0RXQWLQJ 1HZ D 6HULHV
9LHZLQJ DQJOH
D D
$
%
&
'
1RWH 7KH DQJOHV VWDWHG DUH IRU D FRQWUDVW UDWLR RI HTXDO WR RU
JUHDWHU WKDQ
3URGXFW GLPHQVLRQV
,WHP D D
$ PP LQ
% PP LQ
& PP LQ
' PP LQ
( PP LQ
)OXVK PRXQWLQJ
<RX FDQ PRXQW WKH GLVSOD\ LQ D ÀXVK RU SDQHO PRXQWLQJ DUUDQJHPHQW
%HIRUH PRXQWLQJ WKH XQLW HQVXUH WKDW \RX KDYH
6HOHFWHG D VXLWDEOH ORFDWLRQ
,GHQWL¿HG WKH FDEOH FRQQHFWLRQV DQG URXWH WKDW WKH FDEOHV ZLOO WDNH
'HWDFKHG WKH IURQW EH]HO
/RFDWLRQ DQG PRXQWLQJ

&KHFN WKH VHOHFWHG ORFDWLRQ IRU WKH XQLW $ FOHDU ÀDW DUHD ZLWK
VXLWDEOH FOHDUDQFH EHKLQG WKH SDQHO LV UHTXLUHG
'ULOO RU NQRFN RXW WKH PRXQWLQJ KROHV RQ WKH XQLW
)L[ WKH DSSURSULDWH FXWWLQJ WHPSODWH VXSSOLHG ZLWK WKH SURGXFW WR
WKH VHOHFWHG ORFDWLRQ XVLQJ PDVNLQJ RU VHOIDGKHVLYH WDSH
8VLQJ D VXLWDEOH KROH VDZ WKH VL]H LV LQGLFDWHG RQ WKH WHPSODWH
PDNH D KROH LQ HDFK FRUQHU RI WKH FXWRXW DUHD
8VLQJ D VXLWDEOH VDZ FXW DORQJ WKH LQVLGH HGJH RI WKH FXWRXW OLQH
(QVXUH WKDW WKH XQLW ¿WV LQWR WKH UHPRYHG DUHD DQG WKHQ ¿OH
DURXQG WKH URXJK HGJH XQWLO VPRRWK
'ULOO KROHV DV LQGLFDWHG RQ WKH WHPSODWH WR DFFHSW WKH VHFXULQJ
VFUHZV
3ODFH WKH JDVNHW RQWR WKH GLVSOD\ XQLW DQG SUHVV ¿UPO\ RQWR WKH
ÀDQJH
&RQQHFW WKH SRZHU GDWD DQG RWKHU FDEOHV WR WKH XQLW
6OLGH WKH XQLW LQWR SODFH DQG VHFXUH XVLQJ WKH PRXQWLQJ VFUHZV
1RWH 7KH DSSURSULDWH WRUTXH WR XVH ZKHQ GULOOLQJ GHSHQGV RQ WKH
WKLFNQHVV RI WKH PRXQWLQJ VXUIDFH DQG WKH W\SH RI PDWHULDO
1RWH 7KH VXSSOLHG JDVNHW SURYLGHV D VHDO EHWZHHQ WKH XQLW DQG
D VXLWDEO\ ÀDW DQG VWLII PRXQWLQJ VXUIDFH RU ELQQDFOH 7KH JDVNHW
VKRXOG EH XVHG LQ DOO LQVWDOODWLRQV ,W PD\ DOVR EH QHFHVVDU\ WR
XVH D PDULQHJUDGH VHDODQW LI WKH PRXQWLQJ VXUIDFH RU ELQQDFOH LV
QRW HQWLUHO\ ÀDW DQG VWLII RU KDV D URXJK VXUIDFH ¿QLVK
%UDFNHW WUXQQLRQ PRXQWLQJ
7KH GLVSOD\ FDQ EH PRXQWHG RQ D WUXQQLRQ EUDFNHW
%HIRUH PRXQWLQJ WKH XQLW HQVXUH WKDW \RX KDYH
6HOHFWHG D VXLWDEOH ORFDWLRQ
,GHQWL¿HG WKH FDEOH FRQQHFWLRQV DQG URXWH WKDW WKH FDEOHV ZLOO WDNH
$WWDFKHG WKH IURQW EH]HO
0DUN WKH ORFDWLRQ RI WKH PRXQWLQJ EUDFNHW VFUHZ KROHV RQ WKH
FKRVHQ PRXQWLQJ VXUIDFH
'ULOO KROHV IRU WKH VFUHZV XVLQJ D VXLWDEOH GULOO HQVXULQJ WKHUH LV
QRWKLQJ EHKLQG WKH VXUIDFH WKDW PD\ EH GDPDJHG
8VH WKH VFUHZV VXSSOLHG ZLWK WKH PRXQWLQJ EUDFNHW WR DWWDFK
VHFXUHO\
$WWDFK WKH GLVSOD\ XQLW WR WKH PRXQWLQJ EUDFNHW
1RWH 7KH DSSURSULDWH WRUTXH WR XVH ZKHQ GULOOLQJ GHSHQGV RQ WKH
WKLFNQHVV RI WKH PRXQWLQJ VXUIDFH DQG WKH W\SH RI PDWHULDO
)URQW EH]HO
$WWDFKLQJ WKH IURQW EH]HO
7KH IROORZLQJ SURFHGXUH DVVXPHV WKDW WKH XQLW KDV DOUHDG\ EHHQ
PRXQWHG LQ SRVLWLRQ
&DUHIXOO\ OLIW RQH HGJH RI WKH VFUHHQ SURWHFWLRQ ¿OP VR WKDW LW LV
DFFHVVLEOH IRU UHPRYLQJ ZKHQ XQLW LQVWDOODWLRQ LV FRPSOHWH
(QVXUH WKH PHPRU\ FDUG VORW GRRU LV LQ WKH RSHQ SRVLWLRQ
2ULHQWDWH WKH ERWWRPULJKW VLGH RI WKH EH]HO XQGHU WKH OLS RI WKH
FKDUW FDUG GRRU DQG SODFH WKH EH]HO RYHU WKH IURQW RI WKH GLVSOD\
1HZ D 6HULHV 1HZ F 6HULHV 1HZ H 6HULHV

HQVXULQJ WKDW WKH FOLSV DORQJ WKH ERWWRP HGJH RI WKH EH]HO ODWFK
LQWR SRVLWLRQ
(QVXUH WKH EH]HO LV FRUUHFWO\ DOLJQHG ZLWK WKH GLVSOD\ DV VKRZQ
$SSO\ ¿UP EXW HYHQ SUHVVXUH WR WKH EH]HO DORQJ WKH
L 2XWHU HGJHV ZRUN IURP WKH VLGHV XSZDUGV DQG WKHQ DORQJ
WKH WRS HGJH WR HQVXUH WKDW LW FOLSV VHFXUHO\ LQWR SRVLWLRQ
LL ,QQHU HGJHV SDUWLFXODUO\ DORQJ WKH FKDUW FDUG GRRU HGJH WR
HQVXUH WKDW WKH EH]HO VLWV ÀDW
&KHFN WKDW WKH 3RZHU EXWWRQ DQG FKDUW FDUG GRRU DUH IUHH WR
RSHUDWH
5HPRYLQJ WKH IURQW EH]HO
%HIRUH SURFHHGLQJ HQVXUH WKH PHPRU\ FDUG VORW GRRU LV RSHQ
,PSRUWDQW 8VH FDUH ZKHQ UHPRYLQJ WKH EH]HO 'R QRW XVH DQ\
WRROV WR OHYHU WKH EH]HO GRLQJ VR PD\ FDXVH GDPDJH
3ODFH ERWK \RXU WKXPEV RQ WKH XSSHU OHIW HGJH RI WKH GLVSOD\ DW
WKH SRVLWLRQV LQGLFDWHG LQ WKH GLDJUDP DERYH
3ODFH \RXU ¿QJHUV XQGHUQHDWK WKH EH]HO DW WKH SRVLWLRQV
LQGLFDWHG LQ WKH GLDJUDP DERYH
,Q D VLQJOH ¿UP PRWLRQ DSSO\ SUHVVXUH WR WKH RXWHU HGJH RI WKH
GLVSOD\ ZLWK \RXU WKXPEV DQG SXOO WKH EH]HO WRZDUGV \RX XVLQJ
\RXU ¿QJHUV
7KH EH]HO VKRXOG QRZ FRPH DZD\ IURP WKH GLVSOD\ HDVLO\
0RXQWLQJ 1HZ F 6HULHV DQG 1HZ H
VHULHV
9LHZLQJ DQJOH
H H' H H
F F
H H
F F H
$
%
&
'
1RWH 7KH DQJOHV VWDWHG DUH IRU D FRQWUDVW UDWLR RI HTXDO WR RU
JUHDWHU WKDQ
3URGXFW GLPHQVLRQV
H H' H H F
F
H H
F F H
$ PP
LQ
PP
LQ
PP
LQ
PP
LQ
% PP
LQ
PP
LQ
PP
LQ
PP
LQ
& PP
LQ
PP
LQ
PP
LQ
PP
LQ
' PP
LQ
PP
LQ
PP
LQ
PP
LQ
( PP
LQ
PP
LQ
PP
LQ
PP
LQ
) PP
LQ
PP
LQ
PP
LQ
PP
LQ
5HPRYLQJ WKH UHDU EH]HO
<RX PXVW UHPRYH WKH UHDU EH]HO EHIRUH ÀXVKPRXQWLQJ WKH GLVSOD\
1RWH 7KHVH VWHSV GR QRW DSSO\ WR WKH H DV LW GRHV QRW UHTXLUH
D UHDU EH]HO
/RFDWLRQ DQG PRXQWLQJ

5HPRYH WKH IURQW EH]HO 5HIHU WR WKH VHSDUDWH LQVWUXFWLRQV
SURYLGHG IRU WKDW SURFHGXUH
5HPRYH WKH VFUHZV WKDW VHFXUH WKH EH]HO WR WKH GLVSOD\ RQO\
UHTXLUHG IRU H DQG H'
&DUHIXOO\ UHPRYH WKH EH]HO IURP WKH UHDU RI WKH GLVSOD\ SXOOLQJ
WKH EH]HO JHQWO\ DORQJ WKH
L 2XWHU HGJHV ZRUN IURP WKH VLGHV XSZDUGV DQG WKHQ DORQJ
WKH WRS HGJH HQVXULQJ WKDW WKH FOLSV DUH IXOO\ UHOHDVHG IURP
WKH GLVSOD\
LL ,QQHU HGJHV HQVXUH WKDW WKH EH]HO LV FRPSOHWHO\ UHPRYHG
IURP WKH GLVSOD\
1RWH 2QO\ WKH H DQG H' KDYH ¿[LQJ VFUHZV IRU WKH UHDU EH]HO
RWKHU PXOWLIXQFWLRQ GLVSOD\ YDULDQWV KDYH FOLSV ZKLFK KROG WKH UHDU
EH]HO LQ SODFH
)OXVK PRXQWLQJ
<RX FDQ PRXQW WKH GLVSOD\ LQ D ÀXVK RU SDQHO PRXQWLQJ DUUDQJHPHQW
%HIRUH PRXQWLQJ WKH XQLW HQVXUH WKDW \RX KDYH
6HOHFWHG D VXLWDEOH ORFDWLRQ
,GHQWL¿HG WKH FDEOH FRQQHFWLRQV DQG URXWH WKDW WKH FDEOHV ZLOO WDNH
'HWDFKHG WKH IURQW EH]HO
&KHFN WKH VHOHFWHG ORFDWLRQ IRU WKH XQLW $ FOHDU ÀDW DUHD ZLWK
VXLWDEOH FOHDUDQFH EHKLQG WKH SDQHO LV UHTXLUHG
)L[ WKH DSSURSULDWH FXWWLQJ WHPSODWH VXSSOLHG ZLWK WKH SURGXFW WR
WKH VHOHFWHG ORFDWLRQ XVLQJ PDVNLQJ RU VHOIDGKHVLYH WDSH
8VLQJ D VXLWDEOH KROH VDZ WKH VL]H LV LQGLFDWHG RQ WKH WHPSODWH
PDNH D KROH LQ HDFK FRUQHU RI WKH FXWRXW DUHD
8VLQJ D VXLWDEOH VDZ FXW DORQJ WKH LQVLGH HGJH RI WKH FXWRXW OLQH
(QVXUH WKDW WKH XQLW ¿WV LQWR WKH UHPRYHG DUHD DQG WKHQ ¿OH
DURXQG WKH URXJK HGJH XQWLO VPRRWK
'ULOO KROHV DV LQGLFDWHG RQ WKH WHPSODWH WR DFFHSW WKH VHFXULQJ
VFUHZV
3ODFH WKH JDVNHW RQWR WKH GLVSOD\ XQLW DQG SUHVV ¿UPO\ RQWR WKH
ÀDQJH
&RQQHFW WKH SRZHU GDWD DQG RWKHU FDEOHV WR WKH XQLW
6OLGH WKH XQLW LQWR SODFH DQG VHFXUH XVLQJ WKH SURYLGHG VFUHZV
1RWH 7KH DSSURSULDWH WRUTXH WR XVH ZKHQ GULOOLQJ GHSHQGV RQ WKH
WKLFNQHVV RI WKH PRXQWLQJ VXUIDFH DQG WKH W\SH RI PDWHULDO
1RWH 7KH VXSSOLHG JDVNHW SURYLGHV D VHDO EHWZHHQ WKH XQLW DQG
D VXLWDEO\ ÀDW DQG VWLII PRXQWLQJ VXUIDFH RU ELQQDFOH 7KH JDVNHW
VKRXOG EH XVHG LQ DOO LQVWDOODWLRQV ,W PD\ DOVR EH QHFHVVDU\ WR
XVH D PDULQHJUDGH VHDODQW LI WKH PRXQWLQJ VXUIDFH RU ELQQDFOH LV
QRW HQWLUHO\ ÀDW DQG VWLII RU KDV D URXJK VXUIDFH ¿QLVK
$WWDFKLQJ WKH UHDU EH]HO
7KH UHDU EH]HO PXVW EH ¿WWHG LI \RX ZLVK WR XVH D PRXQWLQJ EUDFNHW
WR PRXQW WKH XQLW
1RWH 7KHVH VWHSV GR QRW DSSO\ WR WKH H DV LW GRHV QRW UHTXLUH
D UHDU EH]HO
5HPRYH WKH IURQW EH]HO 5HIHU WR WKH VHSDUDWH LQVWUXFWLRQV
SURYLGHG IRU WKDW SURFHGXUH
3ODFH WKH EH]HO RYHU WKH UHDU RI WKH GLVSOD\ HQVXULQJ WKDW LW LV
FRUUHFWO\ DOLJQHG ZLWK WKH GLVSOD\ $SSO\ ¿UP EXW HYHQ SUHVVXUH
WR WKH EH]HO DORQJ WKH
L 2XWHU HGJHV ZRUN IURP WKH VLGHV XSZDUGV DQG WKHQ DORQJ
WKH WRS HGJH WR HQVXUH WKDW LW FOLSV VHFXUHO\ LQWR SRVLWLRQ
LL ,QQHU HGJHV HQVXUH WKDW WKH EH]HO VLWV ÀDW DJDLQVW WKH XQLW
8VH WKH VXSSOLHG VFUHZV WR VHFXUH WKH EH]HO WR WKH GLVSOD\ H
DQG H' RQO\
%UDFNHW WUXQQLRQ PRXQWLQJ
7KH GLVSOD\ FDQ EH PRXQWHG RQ D WUXQQLRQ EUDFNHW
1RWH 7KH PRXQWLQJ EUDFNHW LV VXSSOLHG ZLWK WKH H DQG H'
GLVSOD\ YDULDQWV IRU DOO RWKHU GLVSOD\ YDULDQWV WKH PRXQWLQJ
EUDFNHW LV DQ RSWLRQDO DFFHVVRU\ 6HH WKH 6SDUHV DQG $FFHVVRULHV
VHFWLRQ RI WKLV PDQXDO IRU GHWDLOV
1HZ D 6HULHV 1HZ F 6HULHV 1HZ H 6HULHV

%HIRUH PRXQWLQJ WKH XQLW HQVXUH WKDW \RX KDYH
6HOHFWHG D VXLWDEOH ORFDWLRQ
,GHQWL¿HG WKH FDEOH FRQQHFWLRQV DQG URXWH WKDW WKH FDEOHV ZLOO WDNH
$WWDFK WKH IURQW EH]HO
0DUN WKH ORFDWLRQ RI WKH PRXQWLQJ EUDFNHW VFUHZ KROHV RQ WKH
FKRVHQ PRXQWLQJ VXUIDFH
'ULOO KROHV IRU WKH VFUHZV XVLQJ D VXLWDEOH GULOO HQVXULQJ WKHUH LV
QRWKLQJ EHKLQG WKH VXUIDFH WKDW PD\ EH GDPDJHG
8VH WKH VFUHZV VXSSOLHG ZLWK WKH PRXQWLQJ EUDFNHW WR DWWDFK
VHFXUHO\
$WWDFK WKH GLVSOD\ XQLW WR WKH PRXQWLQJ EUDFNHW
1RWH 7KH DSSURSULDWH WRUTXH WR XVH ZKHQ GULOOLQJ GHSHQGV RQ WKH
WKLFNQHVV RI WKH PRXQWLQJ VXUIDFH DQG WKH W\SH RI PDWHULDO
)URQW EH]HO
$WWDFKLQJ WKH IURQW EH]HO
7KH IROORZLQJ SURFHGXUH DVVXPHV WKDW WKH XQLW KDV DOUHDG\ EHHQ
PRXQWHG LQ SRVLWLRQ
&DUHIXOO\ OLIW RQH HGJH RI WKH VFUHHQ SURWHFWLRQ ¿OP VR WKDW LW LV
DFFHVVLEOH IRU UHPRYLQJ ZKHQ XQLW LQVWDOODWLRQ LV FRPSOHWH
(QVXUH WKH PHPRU\ FDUG VORW GRRU LV LQ WKH RSHQ SRVLWLRQ
2ULHQWDWH WKH ERWWRPULJKW VLGH RI WKH EH]HO XQGHU WKH OLS RI WKH
FKDUW FDUG GRRU DQG SODFH WKH EH]HO RYHU WKH IURQW RI WKH GLVSOD\
HQVXULQJ WKDW WKH FOLSV DORQJ WKH ERWWRP HGJH RI WKH EH]HO ODWFK
LQWR SRVLWLRQ
(QVXUH WKH EH]HO LV FRUUHFWO\ DOLJQHG ZLWK WKH GLVSOD\ DV VKRZQ
$SSO\ ¿UP EXW HYHQ SUHVVXUH WR WKH EH]HO DORQJ WKH
L 2XWHU HGJHV ZRUN IURP WKH VLGHV XSZDUGV DQG WKHQ DORQJ
WKH WRS HGJH WR HQVXUH WKDW LW FOLSV VHFXUHO\ LQWR SRVLWLRQ
LL ,QQHU HGJHV SDUWLFXODUO\ DORQJ WKH FKDUW FDUG GRRU HGJH WR
HQVXUH WKDW WKH EH]HO VLWV ÀDW
&KHFN WKDW DOO FRQWURO EXWWRQV DUH IUHH WR RSHUDWH
5HPRYLQJ WKH IURQW EH]HO
%HIRUH SURFHHGLQJ HQVXUH WKH PHPRU\ FDUG VORW GRRU LV RSHQ
,PSRUWDQW 8VH FDUH ZKHQ UHPRYLQJ WKH EH]HO 'R QRW XVH DQ\
WRROV WR OHYHU WKH EH]HO GRLQJ VR PD\ FDXVH GDPDJH
3ODFH ERWK \RXU WKXPEV RQ WKH XSSHU OHIW HGJH RI WKH GLVSOD\ DW
WKH SRVLWLRQV LQGLFDWHG LQ WKH GLDJUDP DERYH
3ODFH \RXU ¿QJHUV XQGHUQHDWK WKH EH]HO DW WKH SRVLWLRQV
LQGLFDWHG LQ WKH GLDJUDP DERYH
,Q D VLQJOH ¿UP PRWLRQ DSSO\ SUHVVXUH WR WKH RXWHU HGJH RI WKH
GLVSOD\ ZLWK \RXU WKXPEV DQG SXOO WKH EH]HO WRZDUGV \RX XVLQJ
\RXU ¿QJHUV
7KH EH]HO VKRXOG QRZ FRPH DZD\ IURP WKH GLVSOD\ HDVLO\
/RFDWLRQ DQG PRXQWLQJ

1HZ D 6HULHV 1HZ F 6HULHV 1HZ H 6HULHV

&KDSWHU *HWWLQJ VWDUWHG
&KDSWHU FRQWHQWV
'LVSOD\ SRZHU RQ SDJH
1HZ D 6HULHV &RQWUROV RQ SDJH
H H' &RQWUROV RQ SDJH
F F F F H H H H H &RQWUROV RQ SDJH
+\EULGWRXFK RYHUYLHZ RQ SDJH
7RXFKVFUHHQ RYHUYLHZ RQ SDJH
+RPHVFUHHQ RYHUYLHZ ² 1HZ D 6HULHV RQ SDJH
+RPHVFUHHQ RYHUYLHZ ² 1HZ F 6HULHV 1HZ H 6HULHV RQ SDJH
6\VWHP FKHFNV RQ SDJH
(QDEOLQJ DXWRSLORW IXQFWLRQV RQ SDJH
(QDEOLQJ $,6 IXQFWLRQV RQ SDJH
/DQJXDJH VHOHFWLRQ RQ SDJH
3DJHV RQ SDJH
$SSOLFDWLRQV RQ SDJH
6SOLWVFUHHQ FRQWUROV RQ SDJH
6FUHHQ RYHUYLHZ RQ SDJH
(GLWLQJ LQIRUPDWLRQ LQ GLDORJV RQ SDJH
(GLWLQJ QXPHULFDO VHWWLQJV RQ SDJH
%DVLF WRXFKVFUHHQ RSHUDWLRQV RQ SDJH
'DWDEDU VWDWXV V\PEROV RQ SDJH
,QLWLDO VHW XS SURFHGXUHV RQ SDJH
*HWWLQJ VWDUWHG

'LVSOD\ SRZHU
3RZHULQJ WKH GLVSOD\ RQ
3UHVV DQG KROG WKH 32:(5 EXWWRQ XQWLO WKH 5D\PDULQH ORJR
DSSHDUV
6HOHFW $FFHSW WR DFNQRZOHGJH WKH GLVFODLPHU PHVVDJH
3RZHULQJ WKH GLVSOD\ RQ
3UHVV DQG KROG WKH 32:(5 EXWWRQ XQWLO WKH 5D\PDULQH ORJR
DSSHDUV
3UHVV WKH 2. EXWWRQ WR DFFHSW WKH GLVFODLPHU PHVVDJH
3RZHULQJ WKH GLVSOD\ RII
3UHVV DQG KROG WKH 32:(5 EXWWRQ XQWLO WKH FRXQWGRZQ UHDFKHV
]HUR
1RWH ,I WKH 32:(5 EXWWRQ LV UHOHDVHG EHIRUH WKH FRXQWGRZQ
UHDFKHV ]HUR WKH SRZHU RII LV FDQFHOOHG
6WDQGE\ 3RZHU6DYH PRGH
,Q 3RZHU6DYH PRGH DOO IXQFWLRQV RI WKH PXOWLIXQFWLRQ GLVSOD\ UHPDLQ
DFWLYH EXW WKH XQLW LV SODFHG LQWR D ORZ SRZHU VWDWH 7KH /(' OLJKWV
DURXQG WKH 5RWDU\ FRQWUROOHU ZLOO EOLQN RQFH HYHU\ VHFRQGV WR
LQGLFDWH WKDW WKH XQLW LV LQ 3RZHU6DYH PRGH 3RZHU6DYH PRGH LV
FDQFHOOHG E\ SUHVVLQJ D SK\VLFDO EXWWRQ RU ZKHQ DQ DODUP HYHQW
RFFXUV
1RWH 7R HQVXUH XVHU VDIHW\ WKH 3RZHU6DYH IHDWXUH ZLOO QRW EH
DYDLODEOH LI DQ\ FRQQHFWHG UDGDUV DUH VZLWFKHG RQ
(QDEOLQJ 3RZHU6DYH PRGH
7R HQDEOH 3RZHU6DYH PRGH IROORZ WKH VWHSV EHORZ
(QVXUH DQ\ UDGDUV FRQQHFWHG WR WKH V\VWHP DUH VZLWFKHG RII
3UHVV WKH 32:(5 EXWWRQ
7KH VKRUWFXWV PHQX LV GLVSOD\HG
6HOHFW 3RZHU6DYH 0RGH
7KH PXOWLIXQFWLRQ GLVSOD\V LV QRZ LQ 3RZHU6DYH PRGH
<RX FDQ ZDNH WKH XQLW IURP 3RZHU6DYH PRGH DW DQ\WLPH E\
SUHVVLQJ D SK\VLFDO EXWWRQ RQ WKH PXOWLIXQFWLRQ GLVSOD\
1RWH 3RZHU6DYH PRGH LV DXWRPDWLFDOO\ FDQFHOOHG LI DQ DODUP
HYHQW RFFXUV
1HZ D 6HULHV &RQWUROV
7RXFKVFUHHQ ² WRXFK WKH VFUHHQ WR RSHUDWH IXQFWLRQV
LQFOXGLQJ DOO PHQX RSHUDWLRQV
3RZHU ² SUHVV RQFH WR VZLWFK WKH XQLW 21 2QFH SRZHUHG RQ
SUHVV WKH 3RZHU EXWWRQ DJDLQ WR DGMXVW WKH EULJKWQHVV SHUIRUP
D VFUHHQ FDSWXUH DFFHVV 3RZHUVDYH PRGH RU DFFHVV WKH SRZHU
FRQWUROV IRU H[WHUQDO GHYLFHV 3UHVV DQG KROG WR VZLWFK WKH XQLW
2))
&KDUW FDUG VORW ² RSHQ WKH FDUG GRRU WR LQVHUW RU UHPRYH DQ
0LFUR6' FDUG 7KHUH LV FDUG VORW XVHG IRU HOHFWURQLF FKDUWV
DQG DUFKLYLQJ ZD\SRLQW URXWH DQG WUDFN GDWD
1HZ D 6HULHV 1HZ F 6HULHV 1HZ H 6HULHV

H H' &RQWUROV
7RXFKVFUHHQ ² \RX FDQ WRXFK WKH VFUHHQ WR RSHUDWH PDQ\
FRPPRQ IXQFWLRQV LQFOXGLQJ DOO PHQX RSHUDWLRQV +\EULG7RXFK
PXOWLIXQFWLRQ GLVSOD\V RQO\
0HQX ² DFFHVVHV PHQXV 3UHVV DJDLQ WR FORVH PHQXV
8QL&RQWURO ² SURYLGHV D MR\VWLFN DQG URWDU\ FRQWURO DQG DQ 2.
EXWWRQ IRU XVLQJ PHQXV DQG DSSOLFDWLRQV
%DFN ² SUHVV WR UHWXUQ WR D SUHYLRXV PHQX RU GLDORJ OHYHO
:37 02% ² SUHVV DQG UHOHDVH WR DFFHVV WKH ZD\SRLQW
RSWLRQV 3UHVV DJDLQ WR SODFH D ZD\SRLQW 3UHVV DQG KROG WR
SODFH D 0DQ 2YHUERDUG 02% PDUNHU DW \RXU FXUUHQW SRVLWLRQ
3RZHU ² SUHVV RQFH WR VZLWFK WKH XQLW 21 2QFH SRZHUHG RQ
SUHVV WKH 3RZHU EXWWRQ DJDLQ WR DGMXVW WKH EULJKWQHVV DFFHVV
WKH SRZHU FRQWUROV IRU H[WHUQDO GHYLFHV DQG DFFHVV WKH DXWRSLORW
FRQWUROV 3UHVV DQG KROG WR VZLWFK WKH XQLW 2))
&KDUW FDUG VORWV ² RSHQ WKH FDUG GRRU WR LQVHUW RU UHPRYH
0LFUR6' FDUGV 7KHUH DUH FDUG VORWV ODEHOOHG DQG XVHG
IRU HOHFWURQLF FKDUWV DQG DUFKLYLQJ ZD\SRLQW URXWH DQG WUDFN
GDWD
F F F F H H
H H H &RQWUROV
7RXFKVFUHHQ ² \RX FDQ WRXFK WKH VFUHHQ WR RSHUDWH PDQ\
FRPPRQ IXQFWLRQV LQFOXGLQJ DOO PHQX RSHUDWLRQV +\EULG7RXFK
PXOWLIXQFWLRQ GLVSOD\V RQO\
+RPH ² 3UHVV WR UHWXUQ WR WKH KRPHVFUHHQ
0HQX ² DFFHVVHV PHQXV 3UHVV DJDLQ WR FORVH PHQXV
8QL&RQWURO ² SURYLGHV D MR\VWLFN DQG URWDU\ FRQWURO DQG DQ 2.
EXWWRQ IRU XVLQJ PHQXV DQG DSSOLFDWLRQV
%DFN ² SUHVV WR UHWXUQ WR D SUHYLRXV PHQX RU GLDORJ OHYHO
5DQJH ,Q2XW ² 3UHVV PLQXV WR UDQJH RXW DQG SOXV WR
UDQJH LQ
:37 02% ² SUHVV DQG UHOHDVH WR DFFHVV WKH ZD\SRLQW
RSWLRQV 3UHVV DJDLQ WR SODFH D ZD\SRLQW 3UHVV DQG KROG WR
SODFH D 0DQ 2YHUERDUG 02% PDUNHU DW \RXU FXUUHQW SRVLWLRQ
3RZHU ² SUHVV RQFH WR VZLWFK WKH XQLW 21 2QFH SRZHUHG RQ
SUHVV WKH 3RZHU EXWWRQ DJDLQ WR DGMXVW WKH EULJKWQHVV DFFHVV
WKH SRZHU FRQWUROV IRU H[WHUQDO GHYLFHV DQG DFFHVV WKH DXWRSLORW
FRQWUROV 3UHVV DQG KROG WR VZLWFK WKH XQLW 2))
&KDUW FDUG VORWV ² RSHQ WKH FDUG GRRU WR LQVHUW RU UHPRYH
0LFUR6' FDUGV 7KHUH DUH FDUG VORWV ODEHOOHG DQG XVHG
IRU HOHFWURQLF FKDUWV DQG DUFKLYLQJ ZD\SRLQW URXWH DQG WUDFN
GDWD
6WDQGE\ $XWR ² 3UHVV WR GLVHQJDJH LQWHJUDWHG DXWRSLORW
SUHVV DQG KROG WR DFWLYDWH $XWR PRGH RQ LQWHJUDWHG DXWRSLORW
6ZLWFK $FWLYH 3DQH ² 3UHVV WR VZLWFK WKH DFWLYH SDQH
8QL&RQWURO
1HZ F 6HULHV DQG 1HZ H 6HULHV GLVSOD\ LQFOXGH D 8QL&RQWURO ZKLFK
FRQVLVWV RI 5RWDU\ -R\VWLFN DQG SXVK EXWWRQ FRQWUROV
*HWWLQJ VWDUWHG

5RWDU\ ² XVH WKLV WR VHOHFW PHQX LWHPV PRYH WKH RQVFUHHQ
FXUVRU DQG DGMXVW WKH UDQJH LQ WKH FKDUW DQG UDGDU DSSOLFDWLRQV
-R\VWLFN ² XVH WKLV WR PRYH WKH FXUVRU SRVLWLRQ LQ DSSOLFDWLRQV
SDQ XS GRZQ OHIW DQG ULJKW LQ WKH FKDUW ZHDWKHU DQG ¿VK¿QGHU
DSSOLFDWLRQV RU WR F\FOH WKURXJK GDWDSDJHV LQ WKH GDWD
DSSOLFDWLRQ
2. EXWWRQ ² SXVK WKH HQG RI WKH MR\VWLFN WR FRQ¿UP D VHOHFWLRQ
RU HQWU\
7RXFK LFRQV
7RXFKVFUHHQ PXOWLIXQFWLRQ GLVSOD\V FDQ XVH WKH %$&. DQG &/26(
LFRQV WR PRYH EHWZHHQ WKH GLIIHUHQW OHYHOV RI PHQXV DYDLODEOH LQ
HDFK DSSOLFDWLRQ
%DFN ² JR EDFN RQH OHYHO VDPH HIIHFW DV SUHVVLQJ WKH %$&.
EXWWRQ
&ORVH ² FORVH DOO RSHQ PHQXV VDPH HIIHFW DV SUHVVLQJ WKH
0(18 EXWWRQ
8VLQJ WKH FXUVRU
7KH FXUVRU LV XVHG WR PRYH DURXQG WKH VFUHHQ
7KH FXUVRU DSSHDUV RQ WKH VFUHHQ DV D ZKLWH FURVV
,I WKH FXUVRU KDV QRW EHHQ PRYHG IRU D VKRUW SHULRG RI WLPH
LW FKDQJHV WR D FLUFOH ZLWK D FURVV LQ LW WR PDNH LW HDVLHU WR
ORFDWH RQ WKH VFUHHQ
7KH FXUVRU LV FRQWH[WVHQVLWLYH :KHQ LW LV SODFHG RYHU
DQ REMHFW VXFK DV D ZD\SRLQW RU FKDUW IHDWXUH LW FKDQJHV
FRORU DQG D ODEHO RU LQIRUPDWLRQ DVVRFLDWHG ZLWK WKH REMHFW
LV GLVSOD\HG
/LVW RI FXUVRU ODEHOV
/DEHO )HDWXUH $SSOLFDWLRQ
$% 5XOHU OLQH &KDUW
$,6 $,6 WDUJHW &KDUW
&2* &RXUVH 2YHU *URXQG
YHFWRU
&KDUW
&75 &HQWHU RI UDGDU 5DGDU
)/7 )ORDWLQJ (%/950 5DGDU
*5' *XDUG ]RQH 5DGDU
+'* +HDGLQJ YHFWRU &KDUW
0$53$ 0$53$ WDUJHW 5DGDU
02% 0DQ 2YHU %RDUG PDUNHU &KDUW 5DGDU
326 9HVVHOV SRVLWLRQ &KDUW
57( 5RXWH OHJ &KDUW
6+0 6KLSV +HDGLQJ 0DUNHU 5DGDU
7,'( 7LGH LQGLFDWRU &KDUW
75$&. 7UDFN OLQH &KDUW
950(%/ 950 DQG (%/ RU 5DGDU
:,1' :LQG LQGLFDWRU &KDUW
:37 :D\SRLQW &KDUW 5DGDU
1HZ D 6HULHV 1HZ F 6HULHV 1HZ H 6HULHV

+\EULGWRXFK RYHUYLHZ
,I \RXU PXOWLIXQFWLRQ GLVSOD\ IHDWXUHV +\EULGWRXFK WKLV HQDEOHV \RX
WR RSHUDWH WKH XQLW XVLQJ WKH WRXFKVFUHHQ DQG WKH SK\VLFDO NH\V
$OO IXQFWLRQV FDQ EH DFFHVVHG XVLQJ WKH WRXFKVFUHHQ +RZHYHU
WKHUH PD\ EH VLWXDWLRQV VXFK DV URXJK VHD FRQGLWLRQV ZKHQ LW LV QRW
DSSURSULDWH WR XVH WKH WRXFKVFUHHQ ,Q WKHVH VLWXDWLRQV 5D\PDULQH
VWURQJO\ UHFRPPHQGV WKDW \RX DFWLYDWH WKH WRXFK ORFN DQG XVH WKH
SK\VLFDO NH\V WR RSHUDWH \RXU PXOWLIXQFWLRQ GLVSOD\
7RXFKVFUHHQ RYHUYLHZ
7KH WRXFKVFUHHQ SURYLGHV DQ DOWHUQDWLYH WR XVLQJ SK\VLFDO EXWWRQV WR
FRQWURO \RXU PXOWLIXQFWLRQ GLVSOD\
$OO IXQFWLRQV FDQ EH DFFHVVHG XVLQJ WKH WRXFKVFUHHQ
1RWH 5D\PDULQH VWURQJO\ UHFRPPHQGV WKDW \RX IDPLOLDUL]H
\RXUVHOI ZLWK WRXFK RSHUDWLRQV ZKLOH \RXU YHVVHO LV DQFKRUHG
RU PRRUHG <RX PD\ ¿QG LW KHOSIXO WR XVH WKH VLPXODWRU PRGH
DFFHVVLEOH IURP +RPHVFUHHQ ! 6HWXS ! 6\VWHP 6HWWLQJV
LQ WKHVH VLWXDWLRQV
*HWWLQJ VWDUWHG

+RPHVFUHHQ RYHUYLHZ ² 1HZ D
6HULHV
7KH KRPHVFUHHQ SURYLGHV D FHQWUDO SRLQW RI DFFHVV WR \RXU GLVSOD\V
UDQJH RI DSSOLFDWLRQV
7KH KRPHVFUHHQ DOVR SURYLGHV TXLFN DFFHVV WR \RXU GDWD
ZD\SRLQWV URXWHV DQG WUDFNV
7KH KRPHVFUHHQ FRQVLVWV RI D QXPEHU RI DSSOLFDWLRQ SDJHV
HDFK UHSUHVHQWHG E\ DQ LFRQ $SSOLFDWLRQV FDQ EH VWDUWHG E\
VHOHFWLQJ WKH UHOHYDQW SDJH LFRQ
6ZLSH WKH VFUHHQ ZLWK \RXU ¿QJHU WR VFUROO WKH KRPHVFUHHQ DQG
DFFHVV DGGLWLRQDO DSSOLFDWLRQ SDJHV
6FUHHQ LWHP 'HVFULSWLRQ
:D\SRLQW ² VHOHFW LFRQ WR DFFHVV WKH ZD\SRLQW OLVW 6HOHFW
DQG KROG RQ LFRQ WR SODFH D 0DQ 2YHUERDUG 02% PDUNHU DW
\RXU YHVVHO¶V FXUUHQW SRVLWLRQ
0\ 'DWD ² WKLV LFRQ HQDEOHV \RX WR FHQWUDOO\ PDQDJH \RXU
OLVWV RI URXWHV WUDFNV DQG ZD\SRLQWV
&XVWRPL]H ² VHOHFW WKLV LFRQ WR FRQ¿JXUH DSSOLFDWLRQ SDJHV
DQG VHOHFW WKH GLVSOD\V ODQJXDJH XQLWV GDWHWLPH ERDW
GHWDLOV DQG GLVSOD\ SUHIHUHQFHV
6HWXS ² VHOHFW WKLV LFRQ WR DFFHVV WKH V\VWHP VHWXS PHQXV
3DJH ² HDFK LFRQ UHSUHVHQWV DQ DSSOLFDWLRQ SDJH $ SDJH
FDQ GLVSOD\ XS WR DSSOLFDWLRQV VLPXOWDQHRXVO\
6WDWXV EDU ² WKH VWDWXV LFRQV FRQ¿UP WKH VWDWXV RI
H[WHUQDOO\FRQQHFWHG HTXLSPHQW LQFOXGLQJ *36 $,6 UDGDU
DQG DXWRSLORW XQLWV
+RPHVFUHHQ RYHUYLHZ ² 1HZ F
6HULHV 1HZ H 6HULHV
7KH KRPHVFUHHQ SURYLGHV D FHQWUDO SRLQW RI DFFHVV WR \RXU GLVSOD\V
UDQJH RI DSSOLFDWLRQV
7KH KRPHVFUHHQ DOVR SURYLGHV TXLFN DFFHVV WR \RXU GDWD
ZD\SRLQWV URXWHV DQG WUDFNV
7KH KRPHVFUHHQ FRQVLVWV RI D QXPEHU RI DSSOLFDWLRQ SDJHV
HDFK UHSUHVHQWHG E\ DQ LFRQ $SSOLFDWLRQV FDQ EH VWDUWHG E\
VHOHFWLQJ WKH UHOHYDQW SDJH LFRQ
8VH WKH MR\VWLFN RU VZLSH WKH VFUHHQ ZLWK \RXU ¿QJHU 1HZ H
6HULHV RQO\ WR VFUROO WKH KRPHVFUHHQ DQG DFFHVV DGGLWLRQDO
DSSOLFDWLRQ SDJHV
6FUHHQ LWHP 'HVFULSWLRQ
7RXFK /RFN ² +\EULI7RXFK GLVSOD\V RQO\ VHOHFW WKLV LFRQ
WR ORFN WKH WRXFKVFUHHQ SUHYHQWLQJ DFFLGHQWDO XVH 7R
XQORFN XVH WKH 8QL&RQWURO WR GHVHOHFW WKH 7RXFK /RFN LFRQ
0\ 'DWD ² WKLV LFRQ HQDEOHV \RX WR FHQWUDOO\ PDQDJH \RXU
OLVWV RI URXWHV WUDFNV DQG ZD\SRLQWV
&XVWRPL]H ² VHOHFW WKLV LFRQ WR FRQ¿JXUH DSSOLFDWLRQ
SDJHV DQG VHOHFW WKH GLVSOD\V ODQJXDJH XQLWV GDWHWLPH
ERDW GHWDLOV DQG GLVSOD\ SUHIHUHQFHV
6HWXS ² VHOHFW WKLV LFRQ WR DFFHVV WKH V\VWHP VHWXS
PHQXV
3DJH ² HDFK LFRQ UHSUHVHQWV DQ DSSOLFDWLRQ SDJH $ SDJH
FDQ GLVSOD\ XS WR DSSOLFDWLRQV VLPXOWDQHRXVO\
6WDWXV EDU ² WKH VWDWXV LFRQV FRQ¿UP WKH VWDWXV RI
H[WHUQDOO\FRQQHFWHG HTXLSPHQW LQFOXGLQJ *36 $,6
UDGDU DQG DXWRSLORW XQLWV
$FFHVVLQJ WKH KRPHVFUHHQ
7KH KRPHVFUHHQ FDQ EH DFFHVVHG IURP DQ\ DSSOLFDWLRQ
7R DFFHVV WKH KRPHVFUHHQ IROORZ WKH VWHSV EHORZ
6HOHFW WKH KRPHVFUHHQ LFRQ RQVFUHHQ
$FFHVVLQJ WKH KRPHVFUHHQ
7KH KRPHVFUHHQ FDQ EH DFFHVVHG IURP DQ\ DSSOLFDWLRQ
7R DFFHVV WKH KRPHVFUHHQ IROORZ WKH VWHSV EHORZ
3UHVV WKH +RPH EXWWRQ
1RWH 7KH H DQG H' KDYH D FRPELQHG 0HQX DQG +RPH EXWWRQ
WR DFFHVV WKH KRPHVFUHHQ SUHVV DQG KROG WKH 0HQX +RPH
EXWWRQ IRU VHFRQGV
1HZ D 6HULHV 1HZ F 6HULHV 1HZ H 6HULHV

6\VWHP FKHFNV
*36 &KHFN
*36 VHOHFWLRQ
<RX FDQ XVH DQ LQWHUQDO LI DYDLODEOH RU H[WHUQDO *36 UHFHLYHU
<RXU PXOWLIXQFWLRQ GLVSOD\ PD\ IHDWXUH DQ LQWHUQDO *36 UHFHLYHU
<RX FDQ DOVR FRQQHFW DQ H[WHUQDO *36 UHFHLYHU XVLQJ 6HD7DONQJ
RU 10($
:KHUH DSSURSULDWH XVH WKH 6\VWHP 6HWWLQJV PHQX WR HQDEOH RU
GLVDEOH WKH LQWHUQDO *36 UHFHLYHU
(QDEOLQJ RU GLVDEOLQJ WKH LQWHUQDO *36
,I \RXU PXOWLIXQFWLRQ GLVSOD\ IHDWXUHV DQ LQWHUQDO *36 WKHQ WKLV FDQ
EH HQDEOHG DQG GLVDEOHG E\ IROORZLQJ WKH VWHSV EHORZ
:LWK WKH KRPHVFUHHQ GLVSOD\HG
6HOHFW 6HW8S
6HOHFW 6\VWHP 6HWWLQJV
7R HQDEOH WKH LQWHUQDO *36 VHOHFW ,QWHUQDO *36 VR WKDW 2Q LV
KLJKOLJKWHG
7R GLVDEOH WKH LQWHUQDO *36 VHOHFW ,QWHUQDO *36 VR WKDW 2II
LV KLJKOLJKWHG
&KHFNLQJ *36 RSHUDWLRQ
<RX FDQ FKHFN WKDW WKH *36 LV IXQFWLRQLQJ FRUUHFWO\ XVLQJ WKH FKDUW
DSSOLFDWLRQ
6HOHFW WKH &KDUW SDJH
&KHFN WKH VFUHHQ
:LWK WKH FKDUW GLVSOD\HG \RX VKRXOG VHH
<RXU ERDW SRVLWLRQ LQGLFDWHV D *36 ¿[ <RXU FXUUHQW SRVLWLRQ
LV UHSUHVHQWHG E\ D ERDW V\PERO RU VROLG FLUFOH <RXU SRVLWLRQ LV
DOVR GLVSOD\HG LQ WKH GDWD EDU XQGHU 9(6 326
$ VROLG FLUFOH RQ WKH FKDUW LQGLFDWHV WKDW QHLWKHU KHDGLQJ QRU
&RXUVH 2YHU *URXQG &2* GDWD LV DYDLODEOH
1RWH 5D\PDULQH UHFRPPHQGV WKDW \RX FKHFN WKH GLVSOD\HG
YHVVHO SRVLWLRQ LQ WKH FKDUW DSSOLFDWLRQ DJDLQVW \RXU DFWXDO
SUR[LPLW\ WR D NQRZQ FKDUWHG REMHFW *36 UHFHLYHUV W\SLFDOO\ KDYH
DQ DFFXUDF\ RI EHWZHHQ DQG P
1RWH $ *36 6WDWXV VFUHHQ LV DYDLODEOH ZLWKLQ WKH 6HWXS PHQX RI
5D\PDULQH PXOWLIXQFWLRQ GLVSOD\V 7KLV SURYLGHV VDWHOOLWH VLJQDO
VWUHQJWK DQG RWKHU UHOHYDQW LQIRUPDWLRQ
*36 VHWXS
7KH *36 VHWXS RSWLRQV HQDEOH \RX WR FRQ¿JXUH D FRQQHFWHG *36
UHFHLYHU
7KH *OREDO 3RVLWLRQLQJ 6\VWHP *36 LV XVHG WR SRVLWLRQ \RXU YHVVHO
RQ WKH FKDUW <RX FDQ VHW XS \RXU *36 UHFHLYHU DQG FKHFN LWV VWDWXV
IURP WKH *36 6WDWXV RSWLRQ LQ WKH 6\VWHP 6HWWLQJV PHQX )RU
HDFK WUDFNHG VDWHOOLWH WKH VFUHHQ SURYLGHV WKH IROORZLQJ LQIRUPDWLRQ
6DWHOOLWH QXPEHU
6LJQDO VWUHQJWK EDU
6WDWXV
$]LPXWK DQJOH
(OHYDWLRQ DQJOH
$ VN\YLHZ WR VKRZ WKH SRVLWLRQ RI WUDFNHG VDWHOOLWHV
,WHP 'HVFULSWLRQ
6N\ YLHZ ² D YLVXDO UHSUHVHQWDWLRQ RI WKH SRVLWLRQ RI WUDFNHG
VDWHOOLWHV
6DWHOOLWH VWDWXV ² GLVSOD\V WKH VLJQDO VWUHQJWK DQG VWDWXV RI
HDFK VDWHOOLWH LGHQWL¿HG LQ WKH VN\ YLHZ GLDJUDP RQ WKH OHIW RI WKH
VFUHHQ 7KH FRORUHG EDUV KDYH WKH IROORZLQJ PHDQLQJV
*UH\ VHDUFKLQJ IRU VDWHOOLWH
*UHHQ VDWHOOLWH LQ XVH
2UDQJH WUDFNLQJ VDWHOOLWH
+RUL]RQWDO 'LOXWLRQ RI 3RVLWLRQ +'23 ² D PHDVXUH RI
*36 DFFXUDF\ FDOFXODWHG IURP D QXPEHU RI IDFWRUV LQFOXGLQJ
VDWHOOLWH JHRPHWU\ V\VWHP HUURUV LQ WKH GDWD WUDQVPLVVLRQ DQG
V\VWHP HUURUV LQ WKH *36 UHFHLYHU $ KLJKHU ¿JXUH VLJQL¿HV D
JUHDWHU SRVLWLRQDO HUURU $ W\SLFDO *36 UHFHLYHU KDV DQ DFFXUDF\
RI EHWZHHQ DQG P $V DQ H[DPSOH DVVXPLQJ D *36
UHFHLYHU HUURU RI P DQ +'23 RI ZRXOG UHSUHVHQW DQ HUURU
RI DSSUR[LPDWHO\ P 3OHDVH UHPHPEHU WKDW HYHQ D YHU\
ORZ +'23 ¿JXUH LV 12 JXDUDQWHH WKDW \RXU *36 UHFHLYHU LV
SURYLGLQJ DQ DFFXUDWH SRVLWLRQ ,I LQ GRXEW FKHFN WKH GLVSOD\HG
YHVVHO SRVLWLRQ LQ WKH FKDUW DSSOLFDWLRQ DJDLQVW \RXU DFWXDO
SUR[LPLW\ WR D NQRZQ FKDUWHG REMHFW
)L[ VWDWXV ² LQGLFDWHV WKH DFWXDO PRGH WKH *36 UHFHLYHU LV
UHSRUWLQJ 1R )L[ )L[ ' )L[ RU 6' )L[
0RGH ² WKH PRGH FXUUHQWO\ VHOHFWHG E\ WKH *36 UHFHLYHU
'DWXP ² 7KH *36 UHFHLYHUV GDWXP VHWWLQJ DIIHFWV WKH
DFFXUDF\ RI WKH YHVVHO SRVLWLRQ LQIRUPDWLRQ GLVSOD\HG LQ WKH FKDUW
DSSOLFDWLRQ ,Q RUGHU IRU \RXU *36 UHFHLYHU DQG PXOWLIXQFWLRQ
GLVSOD\ WR FRUUHODWH DFFXUDWHO\ ZLWK \RXU SDSHU FKDUWV WKH\ PXVW
EH XVLQJ WKH VDPH GDWXP
7KH DFFXUDF\ RI WKH *36 UHFHLYHU GHSHQGV RQ WKH SDUDPHWHUV
GHWDLOHG DERYH HVSHFLDOO\ WKH D]LPXWK DQG HOHYDWLRQ DQJOHV ZKLFK
DUH XVHG LQ WULDQJXODWLRQ WR FDOFXODWH \RXU SRVLWLRQ
5DGDU FKHFN
:DUQLQJ 5DGDU VFDQQHU VDIHW\
%HIRUH URWDWLQJ WKH UDGDU VFDQQHU HQVXUH DOO SHUVRQQHO
DUH FOHDU
:DUQLQJ 5DGDU WUDQVPLVVLRQ VDIHW\
7KH UDGDU VFDQQHU WUDQVPLWV HOHFWURPDJQHWLF HQHUJ\
(QVXUH DOO SHUVRQQHO DUH FOHDU RI WKH VFDQQHU ZKHQ
WKH UDGDU LV WUDQVPLWWLQJ
&KHFNLQJ WKH UDGDU
)URP WKH 5DGDU DSSOLFDWLRQ
6HOHFW 0HQX
6HOHFW 3RZHU VR WKDW 2Q LV KLJKOLJKWHG
7KH 5DGDU VFDQQHU ZLOO QRZ LQLWLDOL]H LQ VWDQGE\ PRGH 7KLV
SURFHVV ZLOO WDNH DSSUR[LPDWHO\ VHFRQGV
*HWWLQJ VWDUWHG

6HOHFW 5DGDU VR WKDW 7UDQVPLW LV KLJKOLJKWHG
7KH UDGDU VFDQQHU VKRXOG QRZ EH WUDQVPLWWLQJ DQG UHFHLYLQJ
&KHFN WKDW WKH UDGDU VFUHHQ LV RSHUDWLQJ FRUUHFWO\
7\SLFDO +' UDGDU VFUHHQ
1RWH 7KH H[DPSOH DERYH LV UHSUHVHQWDWLYH RI WKH HQKDQFHG
RXWSXW SURYLGHG E\ D +' UDGDU VFDQQHU
3RLQWV WR FKHFN
5DGDU VZHHS ZLWK HFKR UHVSRQVHV DUH VKRZQ RQ VFUHHQ
5DGDU VWDWXV LFRQ URWDWLQJ LQ WRS ULJKW KDQG FRUQHU RI WKH VWDWXV
EDU
&KHFN DQG DGMXVW EHDULQJ DOLJQPHQW
%HDULQJ DOLJQPHQW
7KH UDGDU EHDULQJ DOLJQPHQW HQVXUHV WKDW UDGDU REMHFWV DSSHDU DW
WKH FRUUHFW EHDULQJ UHODWLYH WR \RXU ERDW¶V ERZ <RX VKRXOG FKHFN
WKH EHDULQJ DOLJQPHQW IRU DQ\ QHZ LQVWDOODWLRQ
([DPSOH PLVDOLJQHG UDGDU
,WHP 'HVFULSWLRQ
7DUJHW REMHFW VXFK DV D EXR\ GHDG DKHDG
7DUJHW GLVSOD\HG RQ WKH UDGDU GLVSOD\ LV QRW DOLJQHG ZLWK WKH
6KLSV +HDGLQJ 0DUNHU 6+0 %HDULQJ DOLJQPHQW LV UHTXLUHG
&KHFNLQJ WKH EHDULQJ DOLJQPHQW
:LWK \RXU YHVVHO XQGHU ZD\ $OLJQ WKH ERZ ZLWK D VWDWLRQDU\
REMHFW LGHQWL¿HG RQ WKH UDGDU GLVSOD\ $Q REMHFW EHWZHHQ
10 GLVWDQW LV LGHDO
1RWH WKH SRVLWLRQ RI WKH REMHFW RQ WKH UDGDU GLVSOD\ ,I WKH WDUJHW
LV QRW XQGHU WKH VKLSV KHDGLQJ PDUNHU 6+0 WKHUH LV DQ
DOLJQPHQW HUURU DQG \RX ZLOO QHHG WR FDUU\ RXW EHDULQJ DOLJQPHQW
DGMXVWPHQW
$GMXVWLQJ WKH EHDULQJ DOLJQPHQW
2QFH \RX KDYH FKHFNHG WKH EHDULQJ DOLJQPHQW \RX FDQ SURFHHG DQG
PDNH DQ\ UHTXLUHG DGMXVWPHQWV
:LWK WKH UDGDU DSSOLFDWLRQ GLVSOD\HG
6HOHFW 0HQX
6HOHFW 6FDQQHU 6HWXS
6HOHFW $GYDQFHG
6HOHFW %HDULQJ $OLJQPHQW
6HOHFWLQJ %HDULQJ $OLJQPHQW GLVSOD\V WKH QXPHULF DGMXVW FRQWURO
$GMXVW WKH VHWWLQJ VR WKDW WKH VHOHFWHG WDUJHW LV XQGHU WKH 6KLS¶V
+HDGLQJ 0DUNHU
6HOHFW %DFN RU 2N ZKHQ FRPSOHWH
6RQDU FKHFN
:DUQLQJ 6RQDU RSHUDWLRQ
1(9(5 RSHUDWH WKH VRQDU ZLWK WKH YHVVHO RXW RI WKH
ZDWHU
1(9(5 WRXFK WKH WUDQVGXFHU IDFH ZKHQ WKH VRQDU
LV SRZHUHG RQ
6:,7&+ 2)) WKH VRQDU LI GLYHUV DUH OLNHO\ WR EH
ZLWKLQ P IW RI WKH WUDQVGXFHU
6RQDU WUDQVGXFHU DQG VRQDU PRGXOH VHOHFWLRQ
<RX PXVW GHVLJQDWH WKH VRQDU WUDQVGXFHU DQG 6RQDU PRGXOH WKDW
\RX ZDQW WR XVH
6RQDU PRGXOH VHOHFWLRQ
6RQDU YDULDQW GLVSOD\V DUH ¿WWHG ZLWK DQ LQWHUQDO VRQDU
$OO YDULDQWV DOORZ \RX WR FRQQHFW D FRPSDWLEOH VRQDU PRGXOH
,I DQ H[WHUQDO VRQDU PRGXOH LV FRQQHFWHG WR D VRQDU YDULDQW GLVSOD\
DQG D SRZHU VXSSO\ WKH LQWHUQDO VRQDU VKRXOG EH VZLWFKHG RII
7R XVH D GLVSOD\V LQWHUQDO VRQDU RQ D V\VWHP FRQWDLQLQJ DQ
H[WHUQDO VRQDU PRGXOH GLVFRQQHFW WKH QHWZRUN FDEOH IURP WKH
H[WHUQDO VRQDU PRGXOH DQG XVH WKH 6RXQGHU 6HW8S PHQX LQ WKH
¿VK¿QGHU DSSOLFDWLRQ WR HQDEOH WKH LQWHUQDO VRQDU
7UDQVGXFHU VHOHFWLRQ
6RQDU YDULDQW GLVSOD\V DOORZ WKH GLUHFW FRQQHFWLRQ RI (,7+(5 D
5D\PDULQH 25 D 0LQQ .RWD VRQDU WUDQVGXFHU
$OO YDULDQWV DOORZ WKH FRQQHFWLRQ RI D 5D\PDULQH VRQDU WUDQVGXFHU
YLD D FRPSDWLEOH H[WHUQDO VRQDU PRGXOH
)RU DOO YDULDQWV XVH WKH 7UDQVGXFHU 6HW8S PHQX LQ WKH ¿VK¿QGHU
DSSOLFDWLRQ WR VSHFLI\ WKH VRQDU WUDQVGXFHU \RX ZDQW WR XVH
6HOHFWLQJ WKH VRQDU PRGXOH
6RQDU YDULDQW PXOWLIXQFWLRQ GLVSOD\V FDQ XVH HLWKHU WKHLU LQWHUQDO
VRQDU PRGXOH RU DQ H[WHUQDO 5D\PDULQH VRQDU PRGXOH
$SSOLFDEOH RQO\ WR VRQDU YDULDQW PXOWLIXQFWLRQ GLVSOD\V
:LWK WKH ¿VK¿QGHU DSSOLFDWLRQ GLVSOD\HG
6HOHFW 0HQX
6HOHFW 6HW8S
6HOHFW 6RXQGHU 6HW8S
7R XVH WKH LQWHUQDO VRQDU PRGXOH VHOHFW ,QWHUQDO 6RXQGHU VR
WKDW 2Q LV KLJKOLJKWHG
7R XVH D FRQQHFWHG H[WHUQDO 5D\PDULQH VRQDU PRGXOH VHOHFW
,QWHUQDO 6RXQGHU VR WKDW 2II LV KLJKOLJKWHG
1RWH 7KH ,QWHUQDO 6RXQGHU FDQQRW EH VZLWFKHG RQ LI DQ H[WHUQDO
VRQDU PRGXOH LV FRQQHFWHG WR WKH V\VWHP DQG VZLWFKHG RQ
'LVFRQQHFW WKH QHWZRUN FDEOH IURP WKH H[WHUQDO VRQDU PRGXOH WR
HQDEOH WKH GLVSOD\V LQWHUQDO VRQDU RSWLRQ
6HOHFWLQJ WKH VRQDU WUDQVGXFHU
:LWK WKH ¿VK¿QGHU DSSOLFDWLRQ GLVSOD\HG
6HOHFW 0HQX
6HOHFW 6HW8S
1HZ D 6HULHV 1HZ F 6HULHV 1HZ H 6HULHV

6HOHFW 7UDQVGXFHU 6HW8S
6HOHFW 7UDQVGXFHU
$ OLVW RI WUDQVGXFHUV LV GLVSOD\HG
6HOHFW WKH WUDQVGXFHU \RX ZDQW WR XVH
&KHFNLQJ WKH VRQDU
6RQDU FKHFNV DUH PDGH XVLQJ WKH ¿VK¿QGHU DSSOLFDWLRQ
6HOHFW WKH ¿VK¿QGHU SDJH
&KHFN WKH ¿VK¿QGHU GLVSOD\
:LWK WKH ¿VK¿QGHU DFWLYH \RX VKRXOG VHH
'HSWK UHDGLQJ LQGLFDWHV WKH WUDQVGXFHU LV ZRUNLQJ 7KH
GHSWK LV VKRZQ LQ ODUJH ZKLWH QXPEHUV DW WKH ERWWRP OHIW RI
WKH VFUHHQ
7KHUPDO FDPHUD VHWXS DQG FKHFNV
7R HQVXUH FRUUHFW RSHUDWLRQ RI WKH WKHUPDO FDPHUD \RX VKRXOG VHWXS
DQG FKHFN WKH FDPHUDV PDLQ IXQFWLRQV
%HIRUH SURFHHGLQJ HQVXUH WKDW WKH FDPHUD LV FRQQHFWHG FRUUHFWO\
DFFRUGLQJ WR WKH LQVWUXFWLRQV SURYLGHG ,I \RXU V\VWHP LQFOXGHV WKH
RSWLRQDO -R\VWLFN &RQWURO 8QLW -&8 DQG 3R( 3RZHU RYHU (WKHUQHW
LQMHFWRU HQVXUH WKHVH XQLWV DUH DOVR FRQQHFWHG FRUUHFWO\
6HW XS WKH FDPHUD
<RX ZLOO QHHG WR
$GMXVW WKH LPDJH DVSHFW UDWLR FRQWUDVW EULJKWQHVV DQG VR RQ
&KHFN WKH FDPHUD
<RX ZLOO QHHG WR
&KHFN WKH FDPHUD PRYHPHQW SDQ WLOW ]RRP
&KHFN WKH FDPHUD ³KRPH´ SRVLWLRQ LV DSSURSULDWH
$GMXVWLQJ WKH WKHUPDO FDPHUD LPDJH
:LWK WKH WKHUPDO FDPHUD DSSOLFDWLRQ GLVSOD\HG
6HOHFW 0HQX
6HOHFW $GMXVW &RQWUDVW
6HOHFW WKH &RQWUDVW %ULJKWQHVV RU &RORU RSWLRQ DV DSSURSULDWH
7KH UHOHYDQW QXPHULF DGMXVW FRQWURO LV GLVSOD\HG
$GMXVW WKH YDOXH DV UHTXLUHG
6HOHFW %DFN RU 2N WR FRQ¿UP WKH QHZ YDOXH
3DQQLQJ DQG WLOWLQJ DQG WKH WKHUPDO LPDJH
2Q D 1HZ H 6HULHV PXOWLIXQFWLRQ GLVSOD\ \RX FDQ SDQ DQG WLOW WKH
WKHUPDO FDPHUD LPDJH XVLQJ WKH WRXFKVFUHHQ
0RYH \RXU ¿QJHU XS DQG GRZQ WKH VFUHHQ WR WLOW WKH FDPHUD
XS RU GRZQ
0RYH \RXU ¿QJHU OHIW DQG ULJKW RQ WKH VFUHHQ WR URWDWH WKH
FDPHUD OHIW RU ULJKW SDQQLQJ
3DQQLQJ 7LOWLQJ DQG ]RRPLQJ WKH WKHUPDO LPDJH
2Q 1HZ F 6HULHV DQG 1HZ H 6HULHV PXOWLIXQFWLRQ GLVSOD\V \RX FDQ
SDQ WLOW DQG ]RRP WKH WKHUPDO FDPHUD LPDJH XVLQJ WKH SK\VLFDO
EXWWRQV
,Q VRPH FLUFXPVWDQFHV LW PD\ EH EHWWHU WR XVH MXVW WKH 8QL&RQWUROV
URWDU\ DQG MR\VWLFN FRQWUROV WR PDQLSXODWH WKH WKHUPDO FDPHUD YLHZ
)RU H[DPSOH WKLV PHWKRG LV LGHDO IRU ¿QHU FRQWURO RYHU WKH FDPHUD
DQG LV SDUWLFXODUO\ XVHIXO LQ URXJK VHD FRQGLWLRQV
8QL&RQWURO MR\VWLFN ² LV XVHG IRU URWDWLQJ WKH FDPHUD OHIW RU
ULJKW SDQQLQJ RU WLOWLQJ WKH FDPHUD XS RU GRZQ
8QL&RQWURO URWDU\ ² LV XVHG WR ]RRP LQ DQG RXW
1RWH 2QO\ WKH 8QLFRQWURO FDQ EH XVHG RQ D 1HZ F 6HULHV GLVSOD\
WR SDQ WLOW DQG ]RRP WKH WKHUPDO LPDJH
5HVHWWLQJ WKH WKHUPDO FDPHUD WR WKH KRPH SRVLWLRQ
,Q WKH WKHUPDO FDPHUD DSSOLFDWLRQ
6HOHFW 0HQX
6HOHFW &DPHUD +RPH
7KH FDPHUD UHWXUQV WR LWV FXUUHQWO\ GH¿QHG KRPH SRVLWLRQ DQG
WKH ³+RPH´ LFRQ DSSHDUV RQVFUHHQ PRPHQWDULO\
*HWWLQJ VWDUWHG

(QDEOLQJ DXWRSLORW IXQFWLRQV
:LWK WKH KRPHVFUHHQ GLVSOD\HG
6HOHFW 6HWXS
6HOHFW 6\VWHP 6HWWLQJV
6HOHFW $XWRSLORW &RQWURO VR WKDW 2Q LV KLJKOLJKWHG
6HOHFWLQJ $XWRSLORW &RQWURO VZLWFKHV WKH FRQWURO 2Q DQG 2II
6HOHFW %DFNWR UHWXUQ WR WKH 6\VWHP 6HWWLQJV PHQX
6HOHFW 3LORW &RQWUROV
,I WKLV PHQX RSWLRQ LV GLVDEOHG QR DXWRSLORW KDV EHHQ IRXQG
&KHFN WKH SK\VLFDO FRQQHFWLRQV WKHQ UHSHDW VWHSV WR DERYH
7KH 3LORW &RQWURO GLDORJ LV GLVSOD\HG LQGLFDWLQJ WKDW SLORW FRQWURO
LV HQDEOHG DQG DQ DXWRSLORW LV GHWHFWHG
(QDEOLQJ $,6 IXQFWLRQV
%HIRUH SURFHHGLQJ HQVXUH \RXU $,6 XQLW LV FRQQHFWHG WR 10($
3RUW
:LWK WKH KRPHVFUHHQ GLVSOD\HG
6HOHFW 6HW8S
6HOHFW 6\VWHP 6HWWLQJV
6HOHFW 10($ 6HW8S
6HOHFW 10($ ,QSXW 3RUW
6HOHFW WKH $,6 RSWLRQ
6HOHFW %DFN WR UHWXUQ WR WKH 6\VWHP 6HWWLQJV PHQX
6HOHFW ([WHUQDO 'HYLFHV
6HOHFW $,6 8QLW 6HWXS
7KH $,6 8QLW 6HWXS PHQX LV GLVSOD\HG
$GMXVW WKH $,6 RSWLRQV DV DSSURSULDWH
1HZ D 6HULHV 1HZ F 6HULHV 1HZ H 6HULHV

/DQJXDJH VHOHFWLRQ
7KH V\VWHP FDQ RSHUDWH LQ WKH IROORZLQJ ODQJXDJHV
(QJOLVK 86 (QJOLVK 8. $UDELF
&KLQHVH &URDWLDQ 'DQLVK
'XWFK )LQQLVK )UHQFK
*HUPDQ *UHHN ,WDOLDQ
-DSDQHVH .RUHDQ 1RUZHJLDQ
3ROLVK 3RUWXJXHVH %UD]LOLDQ 5XVVLDQ
6SDQLVK 6ZHGLVK 7XUNLVK
:LWK WKH KRPHVFUHHQ GLVSOD\HG
6HOHFW &XVWRPL]H
6HOHFW /DQJXDJH
6HOHFW IURP WKH ODQJXDJHV DYDLODEOH
3DJHV
3DJHV DUH XVHG WR GLVSOD\ DSSOLFDWLRQV
3DJHV DUH GLVSOD\HG DQG DFFHVVHG RQ WKH KRPHVFUHHQ (DFK SDJH
FDQ GLVSOD\ PRUH WKDQ DSSOLFDWLRQ
<RX FDQ VHW XS DQG GLVSOD\ XS WR DSSOLFDWLRQV SHU SDJH XVLQJ
D 1HZ F 6HULHV RU 1HZ H 6HULHV H[FHSW IRU WKH H DQG H'
PXOWLIXQFWLRQ GLVSOD\
7KH 1HZ D 6HULHV DQG WKH H H' PXOWLIXQFWLRQ GLVSOD\V FDQ
RQO\ VHW XS DQG VKRZ XS WR DSSOLFDWLRQV SHU SDJH
a7KH 1HZ D VHULHV DQG WKH H H' FDQ KRZHYHU VKRZ XS WR
DSSOLFDWLRQ SHU SDJH LI WKH\ DUH VKDULQJ WKH KRPHVFUHHQ RI D
FDSDEOH PXOWLIXQFWLRQ GLVSOD\ ZKLFK DOUHDG\ KDV SDJHV ZLWK XS
WR DSSOLFDWLRQV VHW XS
$Q\ SDJH RQ WKH KRPHVFUHHQ FDQ EH FXVWRPL]HG HQDEOLQJ \RX WR
JURXS \RXU DSSOLFDWLRQV LQWR GLIIHUHQW SDJHV HDFK GHVLJQHG IRU D
VSHFL¿F SXUSRVH )RU H[DPSOH \RX FRXOG KDYH D SDJH WKDW LQFOXGHV
WKH FKDUW DQG ¿VK¿QGHU DSSOLFDWLRQV VXLWDEOH IRU ¿VKLQJ DQG DQRWKHU
SDJH WKDW LQFOXGHV WKH FKDUW DQG GDWD DSSOLFDWLRQV ZKLFK ZRXOG
EH VXLWDEOH IRU JHQHUDO VDLOLQJ
<RX FDQ DGG DQ\ DSSOLFDWLRQV WR DQ\
HPSW\ SDJH
3DJH IHDWXULQJ D VLQJOH DSSOLFDWLRQ
3DJH IHDWXULQJ PXOWLSOH DSSOLFDWLRQV
<RX FDQ DOVR GH¿QH D OD\RXW IRU HDFK SDJH ZKLFK GHWHUPLQHV KRZ
WKH DSSOLFDWLRQV DUH DUUDQJHG RQ WKH VFUHHQ
&KDQJLQJ DQ H[LVWLQJ SDJH RQ WKH KRPHVFUHHQ
:LWK WKH KRPHVFUHHQ GLVSOD\HG
6HOHFW &XVWRPL]H
6HOHFW +RPHVFUHHQ
6HOHFW (GLW 3DJH
6HOHFW WKH SDJH LFRQ WKDW \RX ZDQW WR FKDQJH
7KH &XVWRPL]H PHQX RSWLRQV DUH GLVSOD\HG
6HOHFW WKH DSSURSULDWH SDJH OD\RXW IRU H[DPSOH ³6SOLWVFUHHQ´
6HOHFW WKH DSSOLFDWLRQV \RX ZDQW WR GLVSOD\ RQ WKH SDJH HLWKHU
E\ VHOHFWLQJ WKH UHOHYDQW PHQX LWHP RU GUDJJLQJ LW RYHU WR WKH
GLVSOD\HG SDJH
6HOHFW )LQLVK
7KH 5HQDPH 3DJH GLDORJ LV GLVSOD\HG
8VH WKH RQVFUHHQ NH\ERDUG WR QDPH WKH SDJH WKHQ VHOHFW 6DYH
*HWWLQJ VWDUWHG

&KDQJLQJ DQ HPSW\ SDJH
:LWK WKH KRPHVFUHHQ GLVSOD\HG
6HOHFW &XVWRPL]H
6HOHFW +RPHVFUHHQ
6HOHFW (GLW 3DJH
6HOHFW DQ HPSW\ SDJH LFRQ ODEHOOHG ³&XVWRPL]H´
7KH &XVWRPL]H PHQX RSWLRQV DUH GLVSOD\HG
6HOHFW WKH DSSURSULDWH SDJH OD\RXW IRU H[DPSOH ³6SOLWVFUHHQ´
6HOHFW WKH DSSOLFDWLRQV \RX ZDQW WR GLVSOD\ RQ WKH SDJH HLWKHU
E\ VHOHFWLQJ WKH UHOHYDQW PHQX LWHP RU GUDJJLQJ LW RYHU WR WKH
GLVSOD\HG SDJH
6HOHFW )LQLVK
7KH 5HQDPH 3DJH GLDORJ LV GLVSOD\HG
8VH WKH RQVFUHHQ NH\ERDUG WR QDPH WKH SDJH WKHQ VHOHFW 6DYH
0RYLQJ D SDJH RQ WKH KRPHVFUHHQ
:LWK WKH KRPHVFUHHQ GLVSOD\HG
6HOHFW WKH &XVWRPL]H LFRQ
6HOHFW +RPHVFUHHQ
6HOHFW 6ZDS 3DJH
6HOHFW WKH SDJH LFRQ WKDW \RX ZDQW WR PRYH
6HOHFW WKH SDJH LFRQ WKDW \RX ZDQW WR VZDS SRVLWLRQV ZLWK
7KH SDJH LFRQ LV PRYHG WR WKH QHZ SRVLWLRQ
5HQDPLQJ D SDJH RQ WKH KRPHVFUHHQ
:LWK WKH KRPHVFUHHQ GLVSOD\HG
6HOHFW WKH &XVWRPL]H LFRQ
6HOHFW +RPHVFUHHQ
6HOHFW 5HQDPH 3DJH
6HOHFW WKH SDJH WKDW \RX ZDQW WR UHQDPH
7KH RQVFUHHQ NH\ERDUG LV GLVSOD\HG
8VLQJ WKH RQVFUHHQ NH\ERDUG HQWHU WKH QHZ QDPH IRU WKH SDJH
6HOHFW 6$9(
'HOHWLQJ D SDJH IURP WKH KRPHVFUHHQ
:LWK WKH KRPHVFUHHQ GLVSOD\HG
6HOHFW WKH &XVWRPL]H LFRQ
6HOHFW +RPHVFUHHQ
6HOHFW 'HOHWH 3DJH
6HOHFW WKH SDJH WKDW \RX ZDQW WR GHOHWH
7KH SDJH LV GHOHWHG
5HVHWWLQJ WKH KRPHVFUHHQ WR GHIDXOW VHWWLQJV
:LWK WKH KRPHVFUHHQ GLVSOD\HG
6HOHFW WKH &XVWRPL]H LFRQ
6HOHFW +RPHVFUHHQ
6HOHFW 5HVHW
$ ZDUQLQJ PHVVDJH LV GLVSOD\HG DVNLQJ IRU FRQ¿UPDWLRQ
6HOHFW <HV WR UHVHW WKH KRPHVFUHHQ WR WKH GHIDXOW UDQJH RI
SDJHV RU 1R WR FDQFHO WKH RSHUDWLRQ
$SSOLFDWLRQV
&KDUW DSSOLFDWLRQ ² SURYLGHV D ' RU ' JUDSKLFDO
YLHZ RI \RXU FKDUWV WR KHOS \RX QDYLJDWH :D\SRLQW
URXWH DQG WUDFN IXQFWLRQV HQDEOH \RX WR QDYLJDWH
WR D VSHFL¿F ORFDWLRQ EXLOG DQG QDYLJDWH URXWHV
RU UHFRUG ZKHUH \RXYH EHHQ &KDUW FDUGV SURYLGH
KLJKHU OHYHOV RI GHWDLO DQG ' YLHZV
)LVKÀQGHU DSSOLFDWLRQ ² ZLWK D WUDQVGXFHU DQG
D VRQDU YDULDQW PXOWLIXQFWLRQ GLVSOD\ RU FRPSDWLEOH
6RQDU 0RGXOH \RX FDQ XVH WKH ¿VK¿QGHU
DSSOLFDWLRQ WR KHOS \RX DFFXUDWHO\ GLVWLQJXLVK
EHWZHHQ GLIIHUHQW VL]HV RI ¿VK ERWWRP VWUXFWXUH
DQG XQGHUZDWHU REVWDFOHV <RX FDQ DOVR YLHZ VHD
GHSWK DQG WHPSHUDWXUH GDWD DQG PDUN SRLQWV RI
LQWHUHVW VXFK DV ¿VKLQJ VSRWV RU ZUHFNV
5DGDU DSSOLFDWLRQ ² ZLWK D VXLWDEOH UDGDU
VFDQQHU \RX FDQ XVH WKH UDGDU DSSOLFDWLRQ WR WUDFN
WDUJHWV DQG PHDVXUH GLVWDQFHV DQG EHDULQJV $
QXPEHU RI DXWRPDWLF JDLQ SUHVHWV DQG FRORU PRGHV
DUH SURYLGHG WR KHOS \RX JHW WKH EHVW SHUIRUPDQFH
IURP \RXU UDGDU VFDQQHU
'DWD DSSOLFDWLRQ ² YLHZ V\VWHP DQG LQVWUXPHQW
GDWD RQ \RXU PXOWLIXQFWLRQ GLVSOD\ IRU D UDQJH
RI FRPSDWLEOH LQVWUXPHQWV 8VH WKH MR\VWLFN RU
WRXFKVFUHHQ WR VFUROO WKURXJK WKH DYDLODEOH GDWD
SDJHV
:HDWKHU DSSOLFDWLRQ ² 1RUWK $PHULFD RQO\
:LWK D VXLWDEOH ZHDWKHU UHFHLYHU FRQQHFWHG WR \RXU
V\VWHP WKH ZHDWKHU DSSOLFDWLRQ RYHUOD\V KLVWRULFDO
OLYH DQG IRUHFDVWHG ZHDWKHU JUDSKLFV RQ D ZRUOG
PDS
7KHUPDO FDPHUD DSSOLFDWLRQ ² YLHZ DQG
FRQWURO D FRPSDWLEOH WKHUPDO FDPHUD XVLQJ \RXU
PXOWLIXQFWLRQ GLVSOD\
1RWH 7KH WKHUPDO FDPHUD DSSOLFDWLRQ LV QRW
DYDLODEOH RQ WKH 1HZ D 6HULHV PXOWLIXQFWLRQ
GLVSOD\V
9LGHR DSSOLFDWLRQ ² YLHZ D YLGHR RU FDPHUD
VRXUFH RQ \RXU PXOWLIXQFWLRQ GLVSOD\
'RFXPHQW 9LHZHU ² YLHZ SGI GRFXPHQWV VWRUHG
RQ DQ 6' FDUG
1HZ D 6HULHV 1HZ F 6HULHV 1HZ H 6HULHV

6SOLWVFUHHQ FRQWUROV
:KHQ YLHZLQJ D SDJH ZLWK PRUH WKDQ DSSOLFDWLRQ GLVSOD\HG \RX
FDQ VZLWFK DSSOLFDWLRQV IURP WKH VSOLWVFUHHQ YLHZ WR IXOOVFUHHQ YLHZ
([DPSOH ² 6SOLWVFUHHQ SDJH
([DPSOH ² )LVK¿QGHU DSSOLFDWLRQ H[SDQGHG WR )XOOVFUHHQ
6HOHFWLQJ WKH DFWLYH ZLQGRZ ² 1HZ D 6HULHV
DQG H H'
:KHQ YLHZLQJ D VSOLWVFUHHQ SDJH \RX FDQ VHOHFW WKH DFWLYH
DSSOLFDWLRQ DQG YLHZ LW IXOOVFUHHQ RQ D 1HZ D 6HULHV RU H H' E\
IROORZLQJ WKH VWHSV EHORZ
:LWK D SDJH IHDWXULQJ PXOWLSOH DSSOLFDWLRQV GLVSOD\HG
7RXFK DQ\ZKHUH LQVLGH WKH DSSOLFDWLRQ \RX ZDQW WR PDNH DFWLYH
$ ERUGHU DSSHDUV DURXQG WKH DSSOLFDWLRQ LQGLFDWLQJ WKDW LW LV
DFWLYH
6HOHFW 0HQX
6HOHFW )XOOVFUHHQ WR YLHZ WKH DFWLYH DSSOLFDWLRQ LQ IXOOVFUHHQ RU
6HOHFW 6SOLWVFUHHQ WR UHWXUQ WR WKH VSOLWVFUHHQ YLHZ
6HOHFWLQJ WKH DFWLYH ZLQGRZ ² 1HZ F 6HULHV
DQG 1HZ H 6HULHV
:KHQ YLHZLQJ D VSOLWVFUHHQ SDJH \RX FDQ VHOHFW WKH DFWLYH
DSSOLFDWLRQ DQG YLHZ LW IXOOVFUHHQ RQ D 1HZ F 6HULHV RU 1HZ H 6HULHV
H[FOXGLQJ H H' E\ IROORZLQJ WKH VWHSV EHORZ
:LWK D SDJH IHDWXULQJ PXOWLSOH DSSOLFDWLRQV GLVSOD\HG
3UHVV WKH 6ZLWFK $FWLYH 3DQH EXWWRQ
7KH DFWLYH SDQH SRS XS LV GLVSOD\HG
3UHVV WKH 6ZLWFK $FWLYH 3DQH EXWWRQ RU XVH WKH 5RWDU\ FRQWURO
WR F\FOH WKH DFWLYH DSSOLFDWLRQ
3UHVV WKH 5DQJH LQ RU 5DQJH RXW EXWWRQV WR VZLWFK WKH DFWLYH
DSSOLFDWLRQ EHWZHHQ VSOLWVFUHHQ DQG IXOOVFUHHQ YLHZV
6HOHFWLQJ WKH DFWLYH ZLQGRZ ² H H'
:KHQ YLHZLQJ D VSOLWVFUHHQ SDJH \RX FDQ VHOHFW WKH DFWLYH
DSSOLFDWLRQ DQG YLHZ LW IXOOVFUHHQ RQ DQ H H' ZLWK WKH WRXFK ORFN
HQDEOHG E\ IROORZLQJ WKH VWHSV EHORZ
:LWK D SDJH IHDWXULQJ PXOWLSOH DSSOLFDWLRQV GLVSOD\HG
3UHVV WKH 0HQX EXWWRQ
6HOHFW &\FOH DSSOLFDWLRQ
6HOHFWLQJ F\FOH DSSOLFDWLRQ F\FOHV WKURXJK WKH DYDLODEOH
DSSOLFDWLRQV
6HOHFW )XOOVFUHHQ WR YLHZ WKH DFWLYH DSSOLFDWLRQ LQ IXOOVFUHHQ RU
6HOHFW 6SOLWVFUHHQ WR UHWXUQ WR WKH VSOLWVFUHHQ YLHZ
*HWWLQJ VWDUWHG

6FUHHQ RYHUYLHZ
6FUHHQ LWHP 'HVFULSWLRQ
+RPH
1HZ D 6HULHV ² 6HOHFW WKH RQVFUHHQ +RPH LFRQ WR
DFFHVV WKH KRPHVFUHHQ
1HZ F 6HULHV ² 8VH WKH +RPH EXWWRQ WR JR EDFN WR
WKH SUHYLRXV PHQX
H H' ² 3UHVV DQG KROG WKH 0HQX EXWWRQ IRU
VHFRQGV WR DFFHVV WKH KRPHVFUHHQ
1HZ H 6HULHV ² 6HOHFW WKH RQVFUHHQ +RPH LFRQ RU
XVH WKH +RPH EXWWRQ WR DFFHVV WKH KRPHVFUHHQ
'DWDEDU ² SURYLGHV LQIRUPDWLRQ DERXW \RXU YHVVHO DQG
LWV HQYLURQPHQW 7KH SRVLWLRQ DQG W\SH RI LQIRUPDWLRQ LQ
WKH GDWDEDU FDQ EH FXVWRPL]HG IURP WKH +RPHVFUHHQ !
&XVWRPL]H ! 'DWDEDU 6HWXS PHQX LI UHTXLUHG
0HQX ² 7KH PHQX RSWLRQV DUH VSHFL¿F WR WKH DSSOLFDWLRQ
WKDW \RX DUH FXUUHQWO\ XVLQJ
3RSXS PHQX ² PHQX RSWLRQV DUH GLVSOD\HG ZKHQ WKH
0HQX LV VHOHFWHG
3RSXS PHVVDJHV ² DOHUW \RX WR D VLWXDWLRQ VXFK DV DQ
DODUP RU XQDYDLODEOH IXQFWLRQ 3RSXS PHVVDJHV PD\
UHTXLUH D UHVSRQVH IURP \RX ² IRU H[DPSOH VHOHFW 2. WR
VLOHQFH DODUPV
'LDORJV ² HQDEOH GDWD WR EH VHOHFWHG HGLWHG RU HQWHUHG
8VH LQ PDQ\ FRPPRQ IXQFWLRQV ² IRU H[DPSOH HGLWLQJ
D ZD\SRLQW
&RQWH[W PHQX ² SURYLGHV LQIRUPDWLRQ DQG RSWLRQV
VSHFL¿F WR HDFK DSSOLFDWLRQ
6WDWXV EDU ² SURYLGHV LQIRUPDWLRQ VSHFL¿F WR HDFK
DSSOLFDWLRQ 7KLV LQIRUPDWLRQ FDQQRW EH HGLWHG RU PRYHG
8VLQJ SRSXS PHQXV
3RSXS PHQXV HQDEOH \RX FRQ¿JXUH VHWWLQJV DQG SUHIHUHQFHV
0HQXV DUH XVHG LQ WKH
+RPHVFUHHQ ² WR FRQ¿JXUH \RXU PXOWLIXQFWLRQ GLVSOD\ DQG
H[WHUQDOO\FRQQHFWHG HTXLSPHQW
$SSOLFDWLRQV ² WR FRQ¿JXUH WKH VHWWLQJV IRU WKDW SDUWLFXODU
DSSOLFDWLRQ
7KH IROORZLQJ GLDJUDP VKRZV WKH PDLQ IHDWXUHV RI D SRSXS PHQX
6FUHHQ LWHP 'HVFULSWLRQ
%DFN ² 2Q WRXFKVFUHHQ GLVSOD\V 1HZ H 6HULHV DQG 1HZ D
VHULHV \RX FDQ SUHVV WKH RQVFUHHQ EDFN LFRQ WR JR EDFN
WR D SUHYLRXV PHQX 2Q 1HZ F 6HULHV GLVSOD\V XVH WKH %DFN
EXWWRQ
&ORVH ² 2Q WRXFKVFUHHQ GLVSOD\V 1HZ H 6HULHV DQG 1HZ D
VHULHV \RX FDQ SUHVV WKH RQVFUHHQ ;FORVH LFRQ WR JR EDFN
WR D SUHYLRXV PHQX 2Q 1HZ F 6HULHV GLVSOD\V XVH WKH %DFN
EXWWRQ WR EDFN RXW RI WKH PHQX VWUXFWXUH
2Q 2II VZLWFK ² 2Q WRXFKVFUHHQ GLVSOD\V 1HZ H 6HULHV
DQG 1HZ D VHULHV \RX FDQ VHOHFW RQVFUHHQ PHQX LWHPV WR
VZLWFK IHDWXUHV 2Q RU 2II WR HQDEOH RU GLVDEOH WKH IXQFWLRQ
2Q 1HZ F 6HULHV GLVSOD\V XVH WKH 2. EXWWRQ WR VZLWFK WKH
IXQFWLRQ 2Q RU 2II
6FUROO EDU ² LQGLFDWHV WKDW IXUWKHU PHQX LWHPV DUH DYDLODEOH
E\ VFUROOLQJ WKH PHQX 2Q WRXFKVFUHHQ GLVSOD\V 1HZ H 6HULHV
DQG 1HZ D VHULHV WR VFUROO WKURXJK WKH DYDLODEOH PHQX LWHPV
SUHVV DQG KROG \RXU ¿QJHU RQ WKH PHQX DQG GUDJ LW XS RU GRZQ
2Q 1HZ F 6HULHV GLVSOD\V XVH WKH 5RWDU\ FRQWURO
8VLQJ PHQX GLDORJV
0HQX GLDORJV DUH IXOOVFUHHQ PHQXV WKDW HQDEOH \RX WR PDQDJH GDWD
LWHPV VXFK DV ZD\SRLQWV DQG URXWHV
7KH IROORZLQJ GLDJUDP VKRZV WKH PDLQ IHDWXUHV RI D VWDQGDUG PHQX
1HZ D 6HULHV 1HZ F 6HULHV 1HZ H 6HULHV

6FUHHQ LWHP 'HVFULSWLRQ
%DFN
7RXFKVFUHHQ ² 6HOHFW WKH RQVFUHHQ %DFN LFRQ WR JR
EDFN WR WKH SUHYLRXV PHQX
1RQ±WRXFKVFUHHQ ² 8VH WKH %DFN EXWWRQ WR JR EDFN WR
WKH SUHYLRXV PHQX
0HQX LWHP
7RXFKVFUHHQ ² 0RPHQWDULO\ WRXFKLQJ D PHQX LWHP
KLJKOLJKWV DQG DXWRPDWLFDOO\ VHOHFWV WKH LWHP 7R VFUROO D
PHQX WRXFK D PHQX LWHP DQG KROG \RXU ¿QJHU GRZQ RQ
WKH LWHP ZKLOH GUDJJLQJ \RXU ¿QJHU XS RU GRZQ
1RQ±WRXFKVFUHHQ ² 8VH WKH 5RWDU\ FRQWURO WR
KLJKOLJKW DQ LWHP DQG WKH 2N EXWWRQ WR VHOHFW LW 7R VFUROO
D PHQX XVH WKH 5RWDU\ FRQWURO
)XQFWLRQ LFRQ ² 6RPH PHQX GLDORJV LQFOXGH DQ LFRQ
ZKLFK FDQ EH VHOHFWHG WR DFFHVV DGGLWLRQDO IXQFWLRQV )RU
H[DPSOH LQ WKH :D\SRLQW *URXS /LVW PHQX GLDORJ WKH $GG
1HZ LFRQ FDQ EH XVHG WR DGG D QHZ :D\SRLQW JURXS
&ORVH ² 2Q 7RXFKVFUHHQ GLVSOD\V \RX FDQ VHOHFW WKLV LFRQ
WR FORVH WKH PHQXV 7KH FORVH LFRQ LV QRW DYDLODEOH RQ
QRQWRXFKVFUHHQ GLVSOD\V
6FUROO EDU
7RXFKVFUHHQ ² 7R VFUROO WKURXJK WKH DYDLODEOH PHQX
LWHPV SUHVV DQG KROG \RXU ¿QJHU RQ WKH PHQX WR GUDJ LW
XS RU GRZQ
1RQWRXFKVFUHHQ ² 7R VFUROO WKURXJK WKH DYDLODEOH
PHQX LWHPV XVH WKH 5RWDU\ FRQWURO
2SWLRQV ² 6HOHFW D PHQX LWHP WR DFFHVV PRUH RSWLRQV IRU
WKDW LWHP )RU H[DPSOH LQ WKH :D\SRLQW *URXS OLVW \RX FDQ
VHOHFW D PHQX LWHP WR YLHZ WKH ZD\SRLQWV LQ WKH JURXS HGLW
WKH JURXS QDPH RU HUDVH WKH JURXS
8VLQJ OLVW GLDORJV
/LVW GLDORJV DUH IXOOVFUHHQ PHQXV WKDW GLVSOD\ WKH GHWDLOV IRU VSHFL¿F
W\SHV RI GDWD VXFK DV :D\SRLQWV
7KH IROORZLQJ GLDJUDP VKRZV WKH PDLQ IHDWXUHV RI D OLVW GLDORJ
6FUHHQ LWHP 'HVFULSWLRQ
%DFN
7RXFKVFUHHQ ² 6HOHFW WKH RQVFUHHQ %DFN LFRQ WR JR
EDFN WR WKH SUHYLRXV PHQX
1RQ±WRXFKVFUHHQ ² 8VH WKH %DFN EXWWRQ WR JR EDFN WR
WKH SUHYLRXV PHQX
6RUW LFRQ ² 6RPH OLVW GLDORJV LQFOXGH DQ LFRQ ZKLFK FDQ
EH VHOHFWHG WR VRUW WKH LWHPV LQ WKH OLVW )RU H[DPSOH LQ
WKH :D\SRLQW /LVW \RX FDQ VRUW WKH OLVW E\ QDPH UDQJH
JURXS V\PERO DQG VR RQ
6FUHHQ LWHP 'HVFULSWLRQ
&ORVH ² 2Q 7RXFKVFUHHQ GLVSOD\V \RX FDQ VHOHFW WKLV LFRQ
WR FORVH WKH PHQXV 7KH FORVH LFRQ LV QRW DYDLODEOH RQ
QRQWRXFKVFUHHQ GLVSOD\V
6FUROO EDU
7RXFKVFUHHQ ² 7R VFUROO WKURXJK WKH DYDLODEOH PHQX
LWHPV SUHVV DQG KROG \RXU ¿QJHU RQ WKH PHQX WR GUDJ LW
XS RU GRZQ
1RQWRXFKVFUHHQ ² 7R VFUROO WKURXJK WKH DYDLODEOH
PHQX LWHPV XVH WKH 5RWDU\ FRQWURO
'HWDLOV ² WKH GHWDLOV IRU D SDUWLFXODU OLVW LWHP DUH GLVSOD\HG
DW WKH ERWWRP RI WKH GLDORJ
8VLQJ HGLW GLDORJV
(GLW GLDORJV HQDEOH \RX WR HGLW WKH GHWDLOV RI GDWD LWHPV VWRUHG RQ
\RXU PXOWLIXQFWLRQ GLVSOD\ VXFK DV ZD\SRLQWV URXWHV DQG WUDFNV
7KH IROORZLQJ GLDJUDP VKRZV WKH PDLQ IHDWXUHV RI D W\SLFDO HGLW
GLDORJ
6FUHHQ LWHP 'HVFULSWLRQ
%DFN
7RXFKVFUHHQ ² 6HOHFW WKH RQVFUHHQ %DFN LFRQ WR JR
EDFN WR WKH SUHYLRXV PHQX
1RQ±WRXFKVFUHHQ ² 8VH WKH %DFN EXWWRQ WR JR EDFN WR
WKH SUHYLRXV PHQX
)LHOG ² 6HOHFWLQJ D WH[W ¿HOG DXWRPDWLFDOO\ GLVSOD\V WKH
RQVFUHHQ NH\ERDUG ZKLFK FDQ EH XVHG WR HGLW WKH GHWDLOV
&ORVH ² 2Q 7RXFKVFUHHQ GLVSOD\V \RX FDQ VHOHFW WKLV LFRQ
WR FORVH WKH PHQXV 7KH FORVH LFRQ LV QRW DYDLODEOH RQ
QRQWRXFKVFUHHQ GLVSOD\V
8VLQJ FRQWURO GLDORJV
&RQWURO GLDORJV HQDEOH \RX WR FRQWURO H[WHUQDOO\ FRQQHFWHG
HTXLSPHQW VXFK DV DQ DXWRSLORW XQLW
7KH IROORZLQJ GLDJUDP VKRZV WKH PDLQ IHDWXUHV RI D W\SLFDO FRQWURO
GLDORJ
*HWWLQJ VWDUWHG

6FUHHQ LWHP 'HVFULSWLRQ
6WDWXV ² SURYLGHV VWDWXV LQIRUPDWLRQ IRU WKH FRQQHFWHG
HTXLSPHQW )RU H[DPSOH WKH 3LORW &RQWURO GLDORJ GLVSOD\V
WKH ORFNHG KHDGLQJ DQG FXUUHQW QDYLJDWLRQ PRGH IRU D
FRQQHFWHG DXWRSLORW XQLW
&RQWURO LFRQV ² SURYLGH GLUHFW FRQWURO RI WKH FRQQHFWHG
HTXLSPHQW )RU H[DPSOH WKH 3LORW &RQWURO GLDORJ 6WDQGE\
$XWR DQG 7UDFN LFRQV HQDEOH \RX WR LQVWUXFW D FRQQHFWHG
DXWRSLORW XQLW WR SHUIRUP VSHFL¿F IXQFWLRQV
'LVPLVV ² &ORVHV WKH FRQWURO GLDORJ
8VLQJ VOLGHU EDU FRQWUROV
6OLGHU EDU FRQWUROV SURYLGH D JUDSKLFDO UHSUHVHQWDWLRQ RI QXPHULF
GDWD DQG HQDEOHV \RX WR TXLFNO\ FKDQJH VHWWLQJ YDOXHV
,WHP 'HVFULSWLRQ 1RQ³7RXFK RSHUDWLRQ 7RXFK RSHUDWLRQ
&XUUHQW
YDOXH
1$ 1$
6OLGHU
FRQWURO
8VH WKH 5RWDU\ FRQWURO
WR DGMXVW YDOXH
6OLGH WKH VOLGHU 8S RU
'RZQ WR DGMXVW YDOXH
$XWR 3UHVV 2N EXWWRQ WR
VZLWFK EHWZHHQ $XWR
DQG PDQXDO DGMXVWPHQW
6HOHFW WR VZLWFK EHWZHHQ
$XWR DQG PDQXDO
DGMXVWPHQW
(GLWLQJ LQIRUPDWLRQ LQ GLDORJV
:LWK WKH GLDORJ GLVSOD\HG
6HOHFW WKH ¿HOG \RX ZDQW WR HGLW
7KH RQVFUHHQ NH\ERDUG LV GLVSOD\HG
8VH WKH RQVFUHHQ NH\ERDUG WR PDNH WKH FKDQJHV
8VH WKH RQVFUHHQ NH\ERDUGV 6$9( NH\ WR NHHS DQ\ FKDQJHV
(QWHULQJ VSHFLDO RU DFFHQWHG FKDUDFWHUV
:LWK WKH RQVFUHHQ NH\ERDUG GLVSOD\HG
6HOHFW WKH RQVFUHHQ NH\ERDUGV jqz NH\
6HOHFW WKH FKDUDFWHU \RX ZDQW WR DFFHQW
7KH DYDLODEOH DFFHQWHG FKDUDFWHUV DUH GLVSOD\HG DERYH WKH WH[W
HQWU\ ¿HOG
)RU FKDUDFWHUV WKDW KDYH PXOWLSOH DYDLODEOH DFFHQWV XVH WKH
FKDUDFWHU NH\ WR WRJJOH EHWZHHQ WKHP
6HOHFW WKH jqz NH\ WR HQWHU WKH FKDUDFWHU
1HZ D 6HULHV 1HZ F 6HULHV 1HZ H 6HULHV

(GLWLQJ QXPHULFDO VHWWLQJV
7R HGLW QXPHULFDO YDOXHV LQ \RX FDQ HLWKHU XVH WKH 5RWDU\ &RQWURO
WKH RQVFUHHQ QXPHULF DGMXVW FRQWURO RU RQVFUHHQ QXPHULF NH\SDG
WR LQFUHDVH RU GHFUHDVH WKH YDOXH
6HOHFW WKH QXPHULF GDWD ¿HOG \RX ZDQW WR HGLW
7KH QXPHULF DGMXVW FRQWURO LV GLVSOD\HG
$GMXVW WKH VHWWLQJ WR WKH UHTXLUHG YDOXH XVLQJ
L 7KH 5RWDU\ FRQWURO ² 1HZ F 6HULHV DQG 1HZ H 6HULHV RU
LL 7KH RQVFUHHQ 8S DQG 'RZQ DUURZV ² 1HZ D 6HULHV DQG
1HZ H 6HULHV
7R DFFHVV WKH RQVFUHHQ QXPHULF NH\SDG
1HZ D 6HULHV ² 6HOHFW WKH RQVFUHHQ NH\SDG LFRQ IURP WKH
QXPHULF DGMXVW FRQWURO
1HZ F 6HULHV ² 3UHVV DQG KROG WKH 2N EXWWRQ
1HZ H 6HULHV ² 6HOHFW WKH RQVFUHHQ NH\SDG LFRQ IURP WKH
QXPHULF DGMXVW FRQWURO
7KH RQVFUHHQ QXPHULF NH\SDG LV GLVSOD\HG
(QWHU WKH UHTXLUHG YDOXH
6HOHFW 2N WR H[LW WKH QXPHULF NH\SDG DQG UHWXUQ WR WKH PHQX
%DVLF WRXFKVFUHHQ RSHUDWLRQV
3ODFLQJ DQG PRYLQJ WKH FXUVRU XVLQJ WRXFK
7R SODFH RU PRYH WKH FXUVRU DURXQG WKH VFUHHQ RQ D WRXFKVFUHHQ
PXOWLIXQFWLRQ GLVSOD\ IROORZ WKH VWHSV EHORZ
7RXFK WKH VFUHHQ DW DQ\ SRVLWLRQ RQ WKH VFUHHQ WR SODFH WKH
FXUVRU WKHUH
7RXFKVFUHHQ ORFN
<RX FDQ ORFN WKH WRXFKVFUHHQ WR SUHYHQW DFFLGHQWDO XVH
7KLV RQO\ DSSOLHV WR +\EULG7RXFK GLVSOD\V
)RU H[DPSOH ORFNLQJ WKH WRXFKVFUHHQ LV SDUWLFXODUO\ XVHIXO LQ URXJK
ZDWHU RU ZHDWKHU FRQGLWLRQV
7KH WRXFKVFUHHQ LV ORFNHG IURP WKH KRPH VFUHHQ $Q LFRQ LQ WKH
KRPH VFUHHQ LQGLFDWHV WKH ORFN VWDWXV
7RXFKVFUHHQ LV XQORFNHG
7RXFKVFUHHQ LV ORFNHG $OO IXQFWLRQV UHPDLQ
DYDLODEOH XVLQJ WKH EXWWRQV DQG VRIWNH\V
<RX PXVW XVH WKH 8QL&RQWURO WR XQORFN WKH WRXFKVFUHHQ
/RFNLQJ WKH WRXFKVFUHHQ
7KLV RQO\ DSSOLHV WR +\EULG7RXFK GLVSOD\V
:LWK WKH KRPHVFUHHQ GLVSOD\HG
6HOHFW WKH 7RXFK /RFN LFRQ
,W FKDQJHV FRORU WR LQGLFDWH WKDW WKH WRXFKVFUHHQ LV GLVDEOHG $OO
IXQFWLRQV DUH VWLOO DYDLODEOH XVLQJ WKH EXWWRQV DQG 8QL&RQWURO
8QORFNLQJ WKH WRXFKVFUHHQ
7KLV RQO\ DSSOLHV WR +\EULG7RXFK GLVSOD\V
:LWK WKH KRPHVFUHHQ GLVSOD\HG
8VH WKH 8QL&RQWURO WR KLJKOLJKW WKH 7RXFK /RFN LFRQ
3UHVV WKH 2. EXWWRQ
7KH 7RXFKVFUHHQ LV HQDEOHG
*HWWLQJ VWDUWHG

'DWDEDU VWDWXV V\PEROV
7KH VWDWXV V\PEROV RQ WKH GDWDEDU FRQ¿UP ZKHWKHU WKH DSSURSULDWH
FRQQHFWLRQV WR \RXU V\VWHP KDYH EHHQ PDGH
7KH V\PEROV VKRZ WKH VWDWXV IRU WKH IROORZLQJ
5DGDU VFDQQHU
$,6 UHFHLYHU WUDQVFHLYHU
6RQDU PRGXOH
*36 UHFHLYHU
$XWRSLORW
5DGDU VFDQQHU VWDWXV V\PEROV
7KH UDGDU VFDQQHU SRZHU PRGH VWDWXV LV LQGLFDWHG LQ WKH GDWDEDU
6\PERO
5DGDU
SRZHU
PRGH 'HVFULSWLRQ
7UDQVPLW
7;
5RWDWLQJ LFRQ VLJQLI\LQJ WKDW WKH VFDQQHU LV
RQ DQG WUDQVPLWWLQJ :KHQ 6&$11(5 LV
VHW WR 21 VHOHFW WKLV PRGH WR DFWLYDWH WKH
VFDQQHU 7KLV LV WKH XVXDO PRGH RI RSHUDWLRQ
6WDQGE\
67%<
6WDWLF LFRQ LQGLFDWLQJ WKDW WKH VFDQQHU LV RQ
EXW QRW WUDQVPLWWLQJ DQG WKH DQWHQQD LV QRW
URWDWLQJ 7KH VFDQQHU GRHV QRW WUDQVPLW DQG
WKH UDGDU GDWD LV UHPRYHG IURP WKH VFUHHQ
7KLV LV D SRZHUVDYH PRGH XVHG ZKHQ WKH
UDGDU LV QRW QHHGHG IRU VKRUW WLPH SHULRGV
:KHQ \RX UHWXUQ WR WUDQVPLW PRGH WKH
PDJQHWURQ GRHV QRW QHHG WR ZDUP XS DJDLQ
7KLV LV WKH GHIDXOW PRGH
2II 6FDQQHU SRZHUHG RII ZKHQ UDGDU QRW UHTXLUHG
EXW GLVSOD\ LV LQ XVH IRU RWKHU DSSOLFDWLRQV
VXFK DV WKH FKDUW :KHQ VHOHFWHG WKH V\VWHP
FRXQWV GRZQ 'XULQJ WKLV WLPH \RX FDQQRW
UHSRZHU WKH VFDQQHU
7LPHG
7UDQVPLW
6FDQQHU VZLWFKHV EHWZHHQ RQWUDQVPLWWLQJ
DQG VWDQGE\ PRGH 6FDQQHU JRHV LQWR SRZHU
VDYH PRGH ZKHQ FRQVWDQW XVH RI UDGDU LV QRW
UHTXLUHG
$,6 VWDWXV V\PEROV
$,6 VWDWXV LV LQGLFDWHG E\ D V\PERO LQ WKH GDWDEDU
6\PERO 'HVFULSWLRQ
$,6 XQLW LV VZLWFKHG RQ DQG RSHUDWLQJ
$,6 FXUUHQWO\ XQDYDLODEOH
$,6 XQLW LV VZLWFKHG RII RU QRW FRQQHFWHG
$,6 XQLW LV LQ 6LOHQW 0RGH
$,6 XQLW LV LQ 6LOHQW 0RGH ZLWK DFWLYH DODUPV
6\PERO 'HVFULSWLRQ
$,6 XQLW LV FRQQHFWHG DQG VZLWFKHG RQ EXW KDV
DFWLYH DODUPV
$,6 XQLW LV FRQQHFWHG DQG VZLWFKHG RQ EXW WKH
GDQJHURXV DQG ORVW DODUP LV GLVDEOHG
6RQDU VWDWXV V\PEROV
7KH VRQDU VWDWXV LV LQGLFDWHG LQ WKH GDWDEDU
6\PERO 'HVFULSWLRQ
6\PERO DQLPDWHG WKH VRQDU PRGXOH
LV FRQQHFWHG DQG WUDQVPLWWLQJ
6\PERO VWDWLF WKH VRQDU PRGXOH LV
FRQQHFWHG EXW QRW WUDQVPLWWLQJ
6\PERO JUH\HGRXW WKH VRQDU PRGXOH
LV QRW FRQQHFWHG RU LV QRW GHWHFWHG
*36 VWDWXV V\PEROV
7KH *36 UHFHLYHU VWDWXV LV LQGLFDWHG LQ WKH GDWDEDU
6\PERO 'HVFULSWLRQ
$ *36 UHFHLYHU LV FRQQHFWHG DQG KDV
REWDLQHG D ¿[
$ *36 UHFHLYHU LV QRW FRQQHFWHG RU
FDQQRW REWDLQ D ¿[
$XWRSLORW VWDWXV V\PEROV
7KH DXWRSLORW VWDWXV LV LQGLFDWHG LQ WKH GDWDEDU
6\PERO 'HVFULSWLRQ
$XWRSLORW LV LQ 6WDQGE\ PRGH
$XWRSLORW LV LQ 7UDFN PRGH
$XWRSLORW LV LQ $XWR PRGH
1R DXWRSLORW GHWHFWHG
$XWRSLORW DODUP DFWLYH
'RGJH PRGH LV DFWLYH
)LVK PRGH LV DFWLYH
$XWRSLORW FDOLEUDWLRQ
1HZ D 6HULHV 1HZ F 6HULHV 1HZ H 6HULHV

6\PERO 'HVFULSWLRQ
3RZHU VWHHULQJ DFWLYH
:LQG 9DQH PRGH LV DFWLYH
,QLWLDO VHW XS SURFHGXUHV
2QFH \RXU GLVSOD\ KDV EHHQ LQVWDOOHG DQG FRPPLVVLRQHG 5D\PDULQH
UHFRPPHQGV WKDW \RX SHUIRUP DQ LQLWLDO VHW XS SURFHGXUH
6WDUWXS ZL]DUG
:KHQ \RX SRZHUXS WKH GLVSOD\ IRU WKH ¿UVW WLPH RU DIWHU D V\VWHP
UHVHW D 6WDUWXS :L]DUG LV GLVSOD\HG 7KH ZL]DUG JXLGHV \RX WKURXJK
WKH IROORZLQJ LQLWLDO VHWWLQJV
/DQJXDJH VHOHFWLRQ
9HVVHO W\SH VHOHFWLRQ
&RQ¿JXUH XQLWV
%RDW GHWDLOV PLQLPXP VDIH GHSWK WRWDO IXHO FDSDFLW\ DQG
HFRQRP\ XQLWV
)LQLVK
1RWH 7KHVH VHWWLQJV FDQ DOVR EH VHW DW DQ\ WLPH XVLQJ WKH PHQXV
DFFHVVLEOH IURP +RPHVFUHHQ ! &XVWRPL]H
$GGLWLRQDO VHWWLQJV
,Q DGGLWLRQ WR WKH VHWWLQJV FRYHUHG E\ WKH :L]DUG LW LV DOVR
UHFRPPHQGHG WKDW WKH IROORZLQJ LQLWLDO VHW XS WDVNV DUH FRPSOHWHG
6HW \RXU GDWH DQG WLPH SUHIHUHQFHV
$GMXVW WKH GLVSOD\ EULJKWQHVV DQG VHW XS D VKDUHG EULJKWQHVV
VFKHPH LI DSSURSULDWH
$OLJQ WKH WRXFKVFUHHQ +\EULG7RXFK GLVSOD\V RQO\
'HVLJQDWH WKH GDWD PDVWHU
6HOHFW WKH *36 GDWD VRXUFH
)DPLOLDUL]H \RXUVHOI ZLWK WKH 6LPXODWRU 0RGH
6HWWLQJ WKH YHVVHO PLQLPXP VDIH GHSWK
:LWK WKH KRPHVFUHHQ GLVSOD\HG
6HOHFW &XVWRPL]H
6HOHFW %RDW 'HWDLOV
6HOHFW 0LQ 6DIH 'HSWK
$GMXVW WKH VHWWLQJ DV DSSURSULDWH
1RWH 7KH XQLWV IRU WKH GHSWK PHDVXUHPHQW DUH EDVHG RQ WKRVH
VSHFL¿HG LQ WKH +RPHVFUHHQ ! &XVWRPL]H ! 8QLWV 6HWXS !
'HSWK 8QLWV PHQX
6HWWLQJ WLPH DQG GDWH SUHIHUHQFHV
:LWK WKH KRPHVFUHHQ GLVSOD\HG
6HOHFW &XVWRPL]H
6HOHFW 7LPH DQG 'DWH 6HWXS
8VH WKH 'DWH )RUPDW7LPH )RUPDW DQG /RFDO 7LPH 87&
PHQX LWHPV WR VHW \RXU WLPH DQG GDWH SUHIHUHQFHV
*HWWLQJ VWDUWHG

$GMXVWLQJ WKH GLVSOD\ EULJKWQHVV ² 1HZ D
6HULHV DQG 1HZ H 6HULHV
3UHVV WKH 32:(5 EXWWRQ RQFH
7KH 6KRUWFXWV PHQX LV GLVSOD\HG
$GMXVW WKH EULJKWQHVV WR WKH UHTXLUHG OHYHO XVLQJ WKH RQVFUHHQ
EULJKWQHVV VOLGHU EDU FRQWURO RU
7RXFK WKH 6XQ LFRQ WR LQFUHDVH WKH EULJKWQHVV OHYHO RU WKH 0RRQ
LFRQ WR GHFUHDVH WKH EULJKWQHVV OHYHO
1RWH 7KH EULJKWQHVV OHYHO FDQ DOVR EH LQFUHDVHG E\ SUHVVLQJ WKH
3RZHU EXWWRQ PXOWLSOH WLPHV
$GMXVWLQJ WKH GLVSOD\ EULJKWQHVV
3UHVV WKH 32:(5 EXWWRQ RQFH
7KH 6KRUWFXWV PHQX LV GLVSOD\HG
$GMXVW WKH EULJKWQHVV WR WKH UHTXLUHG OHYHO XVLQJ WKH 5RWDU\
FRQWURO
1RWH 7KH EULJKWQHVV OHYHO FDQ DOVR EH LQFUHDVHG E\ SUHVVLQJ WKH
3RZHU EXWWRQ PXOWLSOH WLPHV
7RXFKVFUHHQ DOLJQPHQW
,I WKH WRXFKVFUHHQ LV PLVDOLJQHG WR \RXU WRXFK \RX FDQ UHDOLJQ LW
WR LPSURYH WKH DFFXUDF\
5HDOLJQPHQW LQYROYHV D VLPSOH H[HUFLVH WR DOLJQ DQ RQVFUHHQ REMHFW
ZLWK \RXU WRXFK )RU EHVW UHVXOWV SHUIRUP WKLV H[HUFLVH ZKHQ \RXU
YHVVHO LV DQFKRUHG RU PRRUHG
1RWH 7KLV RQO\ DSSOLHV WR WRXFKVFUHHQ PXOWLIXQFWLRQ GLVSOD\V
$OLJQLQJ WKH WRXFKVFUHHQ
:LWK WKH KRPHVFUHHQ GLVSOD\HG
6HOHFW 6HWXS
6HOHFW 0DLQWHQDQFH
6HOHFW 7RXFKVFUHHQ $OLJQPHQW
3ODFH \RXU ¿QJHU RYHU WKH RQVFUHHQ REMHFW PRPHQWDULO\ WKHQ
UHPRYH LW
5HSHDW WKH DFWLRQ D IXUWKHU WLPHV
,I WKH RSHUDWLRQ ZDV VXFFHVVIXO DQ ³$OLJQPHQW &RPSOHWHG´
PHVVDJH LV GLVSOD\HG
6HOHFW ([LW WR UHWXUQ WR WKH 0DLQWHQDQFH PHQX
,I WKH RSHUDWLRQ ZDV XQVXFFHVVIXO DW DQ\ SRLQW GXULQJ WKH
DOLJQPHQW H[HUFLVH DQ ³,QFRUUHFW WRXFK GHWHFWHG PHVVDJH LV
GLVSOD\HG WKH DOLJQPHQW H[HUFLVH LV UHSHDWHG
$IWHU IDLOHG DOLJQPHQW H[HUFLVHV \RX PD\ EH DVNHG WR SHUIRUP
D SUHFLVLRQ DOLJQPHQW H[HUFLVH
'DWD PDVWHU
$Q\ V\VWHP FRQWDLQLQJ PRUH WKDQ RQH QHWZRUNHG PXOWLIXQFWLRQ
GLVSOD\ PXVW KDYH D GHVLJQDWHG GDWD PDVWHU
7KH GDWD PDVWHU LV WKH GLVSOD\ ZKLFK VHUYHV DV D SULPDU\ VRXUFH
RI GDWD IRU DOO GLVSOD\V LW DOVR KDQGOHV DOO H[WHUQDO VRXUFHV RI
LQIRUPDWLRQ )RU H[DPSOH WKH GLVSOD\V PD\ UHTXLUH KHDGLQJ
LQIRUPDWLRQ IURP WKH DXWRSLORW DQG *36 V\VWHPV XVXDOO\ UHFHLYHG
WKURXJK D 6HD7DONQJ RU 10($ FRQQHFWLRQ 7KH GDWD PDVWHU LV WKH
GLVSOD\ WR ZKLFK WKH 6HD7DON 10($ DQG DQ\ RWKHU GDWD FRQQHFWLRQV
DUH PDGH LW WKHQ EULGJHV WKH GDWD WR WKH 6HD7DONKV QHWZRUN DQG
DQ\ FRPSDWLEOH UHSHDW GLVSOD\V ,QIRUPDWLRQ VKDUHG E\ WKH GDWD
PDVWHU LQFOXGHV
&DUWRJUDSK\
5RXWHV DQG ZD\SRLQWV
5DGDU
6RQDU
'DWD UHFHLYHG IURP WKH DXWRSLORW LQVWUXPHQWV WKH HQJLQH DQG
RWKHU H[WHUQDO VRXUFHV
<RXU V\VWHP PD\ EH ZLUHG IRU UHGXQGDQF\ ZLWK GDWD FRQQHFWLRQV
PDGH WR UHSHDW GLVSOD\V +RZHYHU WKHVH FRQQHFWLRQV ZLOO RQO\
EHFRPH DFWLYH LQ WKH HYHQW RI D IDXOW DQGRU UHDVVLJQPHQW RI WKH
GDWD PDVWHU
'HVLJQDWLQJ WKH GDWD PDVWHU
)RU V\VWHPV ZLWK RU PRUH GLVSOD\V WKH IROORZLQJ WDVN PXVW EH
SHUIRUPHG RQ WKH PXOWLIXQFWLRQ GLVSOD\ WKDW \RX ZDQW WR GHVLJQDWH
DV WKH GDWD PDVWHU
:LWK WKH KRPHVFUHHQ GLVSOD\HG
6HOHFW 6HWXS
6HOHFW 0DLQWHQDQFH
6HOHFW 'DWD 0DVWHU
6HOHFW WKH GLVSOD\ WKDW \RX ZDQW WR GHVLJQDWH DV WKH GDWD PDVWHU
*36 VHOHFWLRQ
<RX FDQ XVH DQ LQWHUQDO LI DYDLODEOH RU H[WHUQDO *36 UHFHLYHU
<RXU PXOWLIXQFWLRQ GLVSOD\ PD\ IHDWXUH DQ LQWHUQDO *36 UHFHLYHU
<RX FDQ DOVR FRQQHFW DQ H[WHUQDO *36 UHFHLYHU XVLQJ 6HD7DONQJ
RU 10($
:KHUH DSSURSULDWH XVH WKH 6\VWHP 6HWWLQJV PHQX WR HQDEOH RU
GLVDEOH WKH LQWHUQDO *36 UHFHLYHU
(QDEOLQJ RU GLVDEOLQJ WKH LQWHUQDO *36
,I \RXU PXOWLIXQFWLRQ GLVSOD\ IHDWXUHV DQ LQWHUQDO *36 WKHQ WKLV FDQ
EH HQDEOHG DQG GLVDEOHG E\ IROORZLQJ WKH VWHSV EHORZ
:LWK WKH KRPHVFUHHQ GLVSOD\HG
6HOHFW 6HW8S
6HOHFW 6\VWHP 6HWWLQJV
7R HQDEOH WKH LQWHUQDO *36 VHOHFW ,QWHUQDO *36 VR WKDW 2Q LV
KLJKOLJKWHG
7R GLVDEOH WKH LQWHUQDO *36 VHOHFW ,QWHUQDO *36 VR WKDW 2II
LV KLJKOLJKWHG
6LPXODWRU PRGH
7KH 6LPXODWRU PRGH HQDEOHV \RX WR SUDFWLFH RSHUDWLQJ \RXU GLVSOD\
ZLWKRXW GDWD IURP D *36 DQWHQQD UDGDU VFDQQHU $,6 XQLW RU
¿VK¿QGHU
7KH VLPXODWRU PRGH LV VZLWFKHG RQ RII LQ WKH 6\VWHP 6HWXS 0HQX
1RWH 5D\PDULQH UHFRPPHQGV WKDW \RX GR 127 XVH WKH
VLPXODWRU PRGH ZKLOVW QDYLJDWLQJ
1RWH 7KH VLPXODWRU ZLOO 127 GLVSOD\ DQ\ UHDO GDWD LQFOXGLQJ DQ\
VDIHW\ PHVVDJHV VXFK DV WKRVH UHFHLYHG IURP $,6 XQLWV
1HZ D 6HULHV 1HZ F 6HULHV 1HZ H 6HULHV

1RWH $Q\ V\VWHP VHWWLQJV PDGH ZKLOVW LQ 6LPXODWRU PRGH DUH
127 WUDQVPLWWHG WR RWKHU HTXLSPHQW
(QDEOLQJ DQG GLVDEOLQJ VLPXODWRU PRGH
<RX FDQ HQDEOH DQG GLVDEOH VLPXODWRU PRGH E\ IROORZLQJ WKH VWHSV
EHORZ
:LWK WKH KRPHVFUHHQ GLVSOD\HG
6HOHFW 6HW8S
6HOHFW 6\VWHP 6HWWLQJV
6HOHFW 6LPXODWRU
6HOHFW 2Q WR WXUQ VLPXODWRU PRGH RQ RU
6HOHFW 2II WR WXUQ VLPXODWRU PRGH RII
1RWH 7KH 'HPR PRYLH RSWLRQ LV IRU UHWDLO GHPRQVWUDWLRQ
SXUSRVHV RQO\
*HWWLQJ VWDUWHG

1HZ D 6HULHV 1HZ F 6HULHV 1HZ H 6HULHV

&KDSWHU 0DQDJLQJ GLVSOD\ GDWD
&KDSWHU FRQWHQWV
0HPRU\ FDUGV RYHUYLHZ RQ SDJH
,QVHUWLQJ D PHPRU\ FDUG RU FKDUW FDUG RQ SDJH
5HPRYLQJ D PHPRU\ FDUG RU FKDUW FDUG RQ SDJH
6DYLQJ XVHU GDWD DQG XVHU VHWWLQJV RQ SDJH
6FUHHQVKRWV RQ SDJH
5HVHWWLQJ \RXU V\VWHP RQ SDJH
0DQDJLQJ GLVSOD\ GDWD

0HPRU\ FDUGV RYHUYLHZ
<RX FDQ XVH PHPRU\ FDUGV WR DUFKLYH GDWD VXFK DV ZD\SRLQWV
URXWHV DQG WUDFNV
0HPRU\ FDUGV FDQ EH XVHG WR DUFKLYH \RXU GDWD ZKHQ WKH V\VWHP
FDSDFLW\ LV UHDFKHG <RX FDQ WKHQ GHOHWH ROG GDWD IURP \RXU V\VWHP
FUHDWLQJ FDSDFLW\ IRU QHZ GDWD 7KH DUFKLYHG GDWD FDQ EH UHWULHYHG
DW DQ\ WLPH <RX FDQ DOVR XVH PHPRU\ FDUGV WR EDFNXS \RXU GDWD
1RWH 5D\PDULQH UHFRPPHQGV WKDW \RX EDFNXS \RXU GDWD WR D
PHPRU\ FDUG RQ D UHJXODU EDVLV
,QVHUWLQJ D PHPRU\ FDUG RU FKDUW
FDUG
1RWH 1HZ D 6HULHV GLVSOD\V KDYH FDUG VORW FDUGV PXVW EH
LQVHUWHG LQWR 1HZ D 6HULHV GLVSOD\V ZLWK WKH FRQWDFWV IDFLQJ XS
2SHQ WKH FKDUW FDUG GRRU ORFDWHG RQ WKH IURQW ULJKW RI WKH GLVSOD\
,QVHUW WKH FDUG DV VKRZQ LQ WKH GLDJUDP EHORZ )RU VORW WKH
FDUG FRQWDFWV VKRXOG EH IDFLQJ '2:1 )RU VORW WKH FDUG
FRQWDFWV VKRXOG EH IDFLQJ 83 'R 127 IRUFH WKH FDUG ,I WKH FDUG
GRHV QRW ¿W HDVLO\ LQWR WKH VORW FKHFN WKH RULHQWDWLRQ
*HQWO\ SUHVV WKH FDUG DOO WKH ZD\ LQ WR WKH FDUG VORW DV VKRZQ LQ
WKH GLDJUDP EHORZ 7KH FDUG LV VHFXUH ZKHQ DQ DXGLEOH FOLFN LV
KHDUG
7R SUHYHQW WKH LQJUHVV RI ZDWHU DQG FRQVHTXHQW GDPDJH FORVH
WKH FKDUW FDUG GRRU
1HZ D 6HULHV 1HZ F 6HULHV 1HZ H 6HULHV

5HPRYLQJ D PHPRU\ FDUG RU FKDUW
FDUG
)URP WKH KRPHVFUHHQ
6HOHFW 0\ 'DWD
6HOHFW (MHFW &DUG
$ PHVVDJH LV GLVSOD\HG SURPSWLQJ \RX WR VHOHFW WKH PHPRU\
GHYLFH \RX ZDQW WR HMHFW
6HOHFW 6' IRU D PHPRU\ FDUG LQ WKH WRS FDUG VORW RU 6' IRU D
PHPRU\ FDUG LQ WKH ERWWRP FDUG VORW
2SHQ WKH FKDUW FDUG GRRU ORFDWHG RQ WKH IURQW ULJKW RI WKH GLVSOD\
3XVK WKH HGJH RI WKH FDUG WRZDUGV WKH XQLW XQWLO DQ DXGLEOH
FOLFN LV KHDUG
7KH FDUG LV UHOHDVHG IURP WKH FDUG VORW PHFKDQLVP DV VKRZQ LQ
WKH IROORZLQJ GLDJUDP
8VH \RXU ¿QJHUV WR SXOO WKH FDUG FOHDU RI WKH FDUG VORW XVLQJ WKH
HGJH RI WKH FDUG
7R SUHYHQW WKH LQJUHVV RI ZDWHU DQG FRQVHTXHQW GDPDJH FORVH
WKH FKDUW FDUG GRRU
1RWH <RX FDQ DOVR SRZHU RII WKH PXOWLIXQFWLRQ GLVSOD\ DQG IROORZ
VWHSV WR DERYH
6DYLQJ XVHU GDWD DQG XVHU VHWWLQJV
<RX FDQ VDYH XVHU GDWD ZD\SRLQWV URXWHV DQG WUDFNV RU XVHU
VHWWLQJV WR D PHPRU\ FDUG IRU ODWHU UHWULHYDO
7\SH RI GDWD 'HVFULSWLRQ 1RWHV
8VHU GDWD ZD\SRLQWV 6DYHV DOO ZD\SRLQWV WR D
VLQJOH DUFKLYH ¿OH
2QO\ ZD\SRLQWV DUFKLYH
¿OH FDQ EH VDYHG SHU
PHPRU\ FDUG
8VHU GDWD URXWHV 6DYHV DOO URXWHV WR D
VLQJOH DUFKLYH ¿OH
2QO\ URXWHV DUFKLYH
¿OH FDQ EH VDYHG SHU
PHPRU\ FDUG
8VHU GDWD WUDFNV 6DYHV DOO WUDFNV WR D
VLQJOH DUFKLYH ¿OH
2QO\ WUDFNV DUFKLYH
¿OH FDQ EH VDYHG SHU
PHPRU\ FDUG
8VHU VHWWLQJV 6DYHV WKH VHWWLQJV
\RXYH PDGH LQ WKH
VHWXS PHQXV WR D VLQJOH
DUFKLYH ¿OH
2QO\ XVHU VHWWLQJV
DUFKLYH ¿OH FDQ EH VDYHG
SHU PHPRU\ FDUG
1RWH 5D\PDULQH UHFRPPHQGV WKDW \RX VDYH \RXU XVHU GDWD DQG
XVHU VHWWLQJV WR D PHPRU\ FDUG RQ D UHJXODU EDVLV
1RWH 5D\PDULQH VWURQJO\ UHFRPPHQGV WKDW \RX VDYH VHWWLQJV
WR D VHSDUDWH PHPRU\ FDUG DQG 127 WR D FKDUW FDUG FRQWDLQLQJ
FDUWRJUDSK\
6DYLQJ ZD\SRLQWV URXWHV DQG WUDFNV WR D
PHPRU\ FDUG
:LWK WKH KRPHVFUHHQ GLVSOD\HG
(QVXUH \RX KDYH D PHPRU\ FDUG 127 D FKDUW FDUG LQ RQH RI
WKH FDUG VORWV
6HOHFW 0\ 'DWD
6HOHFW 6DYH 'DWD WR &DUG
,I \RXU GLVSOD\ KDV PRUH WKDQ FDUG VORW WKHQ D PHVVDJH LV
GLVSOD\HG SURPSWLQJ \RX WR VHOHFW WKH PHPRU\ GHYLFH \RX ZDQW
WR VDYH WKH GDWD WR LI \RXU GLVSOD\ RQO\ KDV FDUG VORW WKHQ \RX
ZLOO QRW EH SURPSWHG
6HOHFW 6' IRU D PHPRU\ FDUG LQ WKH WRS FDUG VORW RU 6' IRU D
PHPRU\ FDUG LQ WKH ERWWRP FDUG VORW
6HOHFW 6DYH :D\SRLQWV WR &DUG6DYH 5RXWHV WR &DUG RU
6DYH 7UDFNV WR &DUG DV DSSURSULDWH
5HWULHYLQJ ZD\SRLQWV URXWHV RU WUDFNV IURP D
PHPRU\ FDUG
:LWK WKH KRPHVFUHHQ GLVSOD\HG
(QVXUH \RX KDYH D PHPRU\ FDUG FRQWDLQLQJ WKH XVHU GDWD LQ RQH
RI WKH FDUG VORWV
6HOHFW 0\ 'DWD
6HOHFW 5HWULHYH IURP &DUG
,I \RXU GLVSOD\ KDV PRUH WKDQ FDUG VORW WKHQ D PHVVDJH LV
GLVSOD\HG SURPSWLQJ \RX WR VHOHFW WKH PHPRU\ GHYLFH \RX ZDQW
WR UHWULHYH GDWD IURP LI \RXU GLVSOD\ RQO\ KDV FDUG VORW WKHQ
\RX ZLOO QRW EH SURPSWHG
6HOHFW 6' IRU D PHPRU\ FDUG LQ WKH WRS FDUG VORW RU 6' IRU D
PHPRU\ FDUG LQ WKH ERWWRP FDUG VORW
6HOHFW 5HWULHYH :D\SRLQWV5HWULHYH 5RXWHV RU 5HWULHYH
7UDFNV DV DSSURSULDWH
(UDVLQJ ZD\SRLQWV URXWHV DQG WUDFNV IURP D
PHPRU\ FDUG
:LWK WKH KRPHVFUHHQ GLVSOD\HG
(QVXUH \RX KDYH WKH PHPRU\ FDUG FRQWDLQLQJ WKH GDWD LQ RQH
RI WKH FDUG VORWV
6HOHFW 0\ 'DWD
6HOHFW (UDVH IURP &DUG
,I \RXU GLVSOD\ KDV PRUH WKDQ FDUG VORW WKHQ D PHVVDJH LV
GLVSOD\HG SURPSWLQJ \RX WR VHOHFW WKH PHPRU\ GHYLFH \RX ZDQW
WR HUDVH GDWD IURP LI \RXU GLVSOD\ RQO\ KDV FDUG VORW WKHQ \RX
ZLOO QRW EH SURPSWHG
0DQDJLQJ GLVSOD\ GDWD

6HOHFW 6' IRU D PHPRU\ FDUG LQ WKH WRS FDUG VORW RU 6' IRU D
PHPRU\ FDUG LQ WKH ERWWRP FDUG VORW
6HOHFW (UDVH :D\SRLQWV IURP &DUG(UDVH 5RXWHV IURP &DUG
RU (UDVH 7UDFNV IURP &DUG DV DSSURSULDWH
(UDVLQJ ZD\SRLQWV URXWHV DQG WUDFNV IURP WKH
V\VWHP
1RWH 7KH IROORZLQJ SURFHGXUH SHUPDQHQWO\ HUDVHV VHOHFWHG RU
$// ZD\SRLQWV URXWHV RU WUDFNV VWRUHG RQ WKH GLVSOD\ %()25(
SURFHHGLQJ HQVXUH WKDW \RX EDFNXS DQ\ GDWD WKDW \RX ZDQW WR
NHHS RQ WR D PHPRU\ FDUG
:LWK WKH KRPHVFUHHQ GLVSOD\HG
6HOHFW 0\ 'DWD
6HOHFW (UDVH IURP 6\VWHP
6HOHFW (UDVH :D\SRLQWV IURP 6\VWHP(UDVH 5RXWHV IURP
6\VWHP RU (UDVH 7UDFNV IURP 6\VWHP DV DSSURSULDWH
6HOHFW WKH VSHFL¿F GDWD LWHPV \RX ZDQW WR HUDVH RU VHOHFW (UDVH
$OO
$ PHVVDJH LV GLVSOD\HG SURPSWLQJ \RX IRU FRQ¿UPDWLRQ
6HOHFW <HV WR SURFHHG ZLWK WKH GHOHWLRQ RU 1R WR FDQFHO WKH
RSHUDWLRQ
6DYLQJ XVHU VHWWLQJV WR D PHPRU\ FDUG
:LWK WKH KRPHVFUHHQ GLVSOD\HG
(QVXUH \RX KDYH D PHPRU\ FDUG 127 D FKDUW FDUG LQ RQH RI
WKH FDUG VORWV
6HOHFW 0\ 'DWD
6HOHFW %DFNXS DQG 5HVWRUH 6HWWLQJV
6HOHFW %DFNXS 6HWWLQJV
,I \RXU GLVSOD\ KDV PRUH WKDQ FDUG VORW WKHQ D PHVVDJH LV
GLVSOD\HG SURPSWLQJ \RX WR VHOHFW WKH PHPRU\ GHYLFH \RX ZDQW
WR VDYH WKH VHWWLQJV WR LI \RXU GLVSOD\ RQO\ KDV FDUG VORW WKHQ
\RX ZLOO QRW EH SURPSWHG
6HOHFW 6' IRU D PHPRU\ FDUG LQ WKH WRS FDUG VORW RU 6' IRU D
PHPRU\ FDUG LQ WKH ERWWRP FDUG VORW
5HWULHYLQJ XVHU VHWWLQJV IURP D PHPRU\ FDUG
:LWK WKH KRPHVFUHHQ GLVSOD\HG
(QVXUH \RX KDYH WKH PHPRU\ FDUG FRQWDLQLQJ WKH XVHU GDWD LQ
RQH RI WKH FDUG VORWV
6HOHFW 0\ 'DWD
6HOHFW %DFNXS DQG 5HVWRUH 6HWWLQJV
6HOHFW 5HVWRUH 6HWWLQJV
,I \RXU GLVSOD\ KDV PRUH WKDQ FDUG VORW WKHQ D PHVVDJH LV
GLVSOD\HG SURPSWLQJ \RX WR VHOHFW WKH PHPRU\ GHYLFH \RX ZDQW
WR UHWULHYH VHWWLQJV IURP LI \RXU GLVSOD\ RQO\ KDV FDUG VORW WKHQ
\RX ZLOO QRW EH SURPSWHG
6HOHFW 6' IRU D PHPRU\ FDUG LQ WKH WRS FDUG VORW RU 6' IRU D
PHPRU\ FDUG LQ WKH ERWWRP FDUG VORW
6DYH DQG UHWULHYH LWHPV
7KH WDEOH EHORZ GHWDLOV WKH GDWD LWHPV DQG VHWWLQJV ZKLFK ZLOO EH
VDYHG WR DQG UHWULHYHG IURP 6' FDUG RQ \RXU PXOWLIXQFWLRQ GLVSOD\
+RPHVFUHHQ DQG V\VWHP VHWWLQJV
$SSOLFDWLRQ 6HWWLQJ
+RPHVFUHHQ 'HIDXOW SDJH FRQ¿JXUDWLRQ
6\VWHP VHWWLQJV 3RVLWLRQ PRGH
7H[W VL]H
6KDUHG EULJKWQHVV
%ULJKWQHVV JURXS
7' VHWXS
6LPXODWRU
%HDULQJ PRGH
$SSOLFDWLRQ 6HWWLQJ
02% 'DWD W\SH
9DULDWLRQ VRXUFH
0DQXDO YDULDWLRQ
/DQJXDJH
'DWH IRUPDW
7LPH IRUPDW
/RFDO WLPH RIIVHW
'LVWDQFH XQLWV
'LVWDQFH VXEXQLWV
6SHHG XQLWV
'HSWK XQLWV
7HPSHUDWXUH XQLWV
3UHVVXUH XQLWV
9ROXPH XQLWV
$XWRSLORW FRQWURO
'6& PHVVDJH
6HD7DON DODUPV
6\VWHP VHWWLQJV ²
LQWHJUDWLRQ
%ULGJH 10($ KHDGLQJ
*36 SRVLWLRQ VRXUFH
+HDGLQJ VRXUFH
'HSWK VRXUFH
6SHHG VRXUFH
0XOWLSOH GDWD VRXUFHV
:LQG VRXUFH
'DWDEDU FRQWHQW FHOO WR
&RPSDVVEDU
'DWDEDU VHWXS
6WDWXV LFRQ
*36 VWDWXV *36 VFUHHQ
$ODUPV
$SSOLFDWLRQ 6HWWLQJ
$ODUPV $QFKRU DODUP
7LPHU
$ODUP FORFN
7HPSHUDWXUH DODUP
$UULYDO DODUP
2IIWUDFN DODUP
&ROOLVLRQ DODUP
*XDUG ]RQH VHQVLWLYLW\
)LVK DODUP
)LVK DODUP GHSWK OLPLW
6KDOORZ GHSWK DODUP
'HHS GHSWK DODUP
$,6 GDQJHURXV WDUJHW DODUP
&KDUW DSSOLFDWLRQ ² &DUWRJUDSK\ VHWWLQJV
$SSOLFDWLRQ 6HWWLQJ
&DUWRJUDSK\ 'DWD RYHUOD\ FHOO RQ RII
'DWD RYHUOD\ FHOO FRQWHQW
1HZ D 6HULHV 1HZ F 6HULHV 1HZ H 6HULHV

$SSOLFDWLRQ 6HWWLQJ
'DWD RYHUOD\ FHOO RQ RII
'DWD RYHUOD\ FHOO FRQWHQW
&KDUW REMHFW PHQX
&KDUW GLVSOD\
&KDUW JULG
' VKDGLQJ
&RPPXQLW\ OD\HU
&KDUW WH[W
&KDUW ERXQGDULHV
6SRW VRXQGLQJV
6DIHW\ FRQWRXU
'HSWK FRQWRXU
'HHS ZDWHU FRORU
+LGH URFNV
1DY PDUNV
1DY PDUNV V\PEROV
/LJKW VHFWRUV
5RXWLQJ V\VWHPV
&DXWLRQ DUHDV
0DULQH IHDWXUHV
/DQG IHDWXUHV
%XVLQHVV VHUYLFHV
3DQRUDPLF SKRWRV
5RDGV
$GGLWLRQDO ZUHFNV
$HULDO SKRWR RYHUOD\
FRORUHG VHDEHG DUHDV
9HVVHO LFRQ
9HVVHO VL]H
5DGDU DSSOLFDWLRQ
$SSOLFDWLRQ 6HWWLQJ
6HOHFW VFDQQHU
5DGDU
5DQJH ULQJV
$,6 /D\HU
$SSOLFDWLRQ 6HWWLQJ
'LVSOD\HG WDUJHW W\SHV
$,6 VDIHW\ PHVVDJHV
%XGG\ WUDFNLQJ
$,6 /D\HU
6LOHQW PRGH
'DWD DSSOLFDWLRQ
$SSOLFDWLRQ 6HWWLQJ
'DWDSDJHV DQG FRQWHQW
'DWDSDJH RUGHU
&RORU WKHPH
'LDO FRORU
1XPEHU RI HQJLQHV
'DWD
0D[LPXP WDFKRPHWHU UDQJH
)LVK¿QGHU DSSOLFDWLRQ
$SSOLFDWLRQ 6HWWLQJ
)LVK¿QGHU &RQ¿JXUH SUHVHW IUHTXHQFLHV
:HDWKHU DSSOLFDWLRQ
$SSOLFDWLRQ 6HWWLQJ
:LQG V\PERO
:DWFKER[ DOHUWV
%RDW GHWDLOV
$SSOLFDWLRQ 6HWWLQJ
(FRQRP\ XQLWV
/RZ IXHO WKUHVKROG
)XHO DODUP RQRII
0DQDJLQJ GLVSOD\ GDWD

6FUHHQVKRWV
<RX FDQ WDNH D VFUHHQVKRW RI ZKDW LV FXUUHQWO\ GLVSOD\HG RQ WKH
VFUHHQ
6FUHHQVKRWV DUH VDYHG WR DQ 6' FDUG LQ EPS ELWPDS IRUPDW 7KH
VDYHG LPDJH FDQ EH YLHZHG IRUP WKH PXOWLIXQFWLRQ GLVSOD\ RU DQ\
GHYLFH FDSDEOH RI YLHZLQJ ELWPDS LPDJHV
7DNLQJ D VFUHHQVKRW
<RX FDQ WDNH D VFUHHQVKRW E\ IROORZLQJ WKH VWHSV EHORZ
,QVHUW DQ 6' FDUG ZLWK VXLWDEOH IUHH VSDFH DYDLODEOH LQWR WKH 6'
FDUG VORW RI \RXU PXOWLIXQFWLRQ GLVSOD\
1RWH 7KH 6' FDUG VORW VKRXOG EH LQVHUWHG LQWR WKH FDUG VORW
VHOHFWHG LQ WKH &XVWRPL]H ! 'LVSOD\ 3UHIHUHQFHV ! 6FUHHQVKRW
)LOH PHQX RSWLRQ DFFHVVLEOH IRUP WKH KRPHVFUHHQ
3UHVV WKH 3RZHU EXWWRQ
7KH 6KRUWFXWV SDJH LV GLVSOD\HG
6HOHFW WKH &DPHUD LFRQ
$ FRQ¿UPDWLRQ SRSXS LV GLVSOD\HG
6HOHFW 2N
7KH VFUHHQVKRW LV QRZ VDYHG WR WKH 6' FDUG
6HOHFWLQJ WKH 6' FDUG VORW IRU VFUHHQVKRWV
1HZ F 6HULHV DQG 1HZ H 6HULHV PXOWLIXQFWLRQ GLVSOD\V KDYH 6'
FDUG VORWV :KHQ SHUIRUPLQJ D VFUHHQVKRW \RX PXVW ¿UVW VHOHFW
ZKLFK FDUG VORW WR VDYH WKH VFUHHQVKRW WRR
)URP WKH KRPHVFUHHQ
6HOHFW &XVWRPL]H
6HOHFW 'LVSOD\ 3UHIHUHQFHV
6HOHFW 6FUHHQVKRW )LOH
6HOHFW HLWKHU 0LFUR6' RU 0LFUR6'
9LHZLQJ D VFUHHQVKRW RQ WKH PXOWLIXQFWLRQ
GLVSOD\
<RX FDQ YLHZ LPDJHV RQ WKH PXOWLIXQFWLRQ GLVSOD\
,QVHUW DQ 6' FDUG ZLWK WKH VFUHHQVKRW RU LPDJH VDYHG WR LW LQWR
WKH 6' FDUG VORW RI \RXU PXOWLIXQFWLRQ GLVSOD\
)URP WKH KRPHVFUHHQ VHOHFW 0\ 'DWD
6HOHFW 9LHZ ,PDJHV
7KH ¿OH EURZVHU GLDORJ LV GLVSOD\HG
%URZVH WR WKH ORFDWLRQ RQ WKH 6' FDUG WR ZKHUH WKH LPDJH LV
VDYHG
6HOHFW WKH LPDJH \RX ZDQW WR YLHZ
7KH LPDJH ZLOO QRZ RSHQ
6HOHFW %DFN RU &ORVH WR FORVH WKH LPDJH
5HVHWWLQJ \RXU V\VWHP
<RXU V\VWHP PD\ EH UHVHW WR LWV IDFWRU\ GHIDXOW VHWWLQJV LI UHTXLUHG
7KHUH DUH W\SHV RI UHVHW RSHUDWLRQ ERWK RI ZKLFK DIIHFW WKH FXUUHQW
GLVSOD\ \RX DUH XVLQJ $1' DQ\ QHWZRUNHG GLVSOD\V
6HWWLQJV UHVHW
6HWWLQJV DQG GDWD UHVHW
6HWWLQJV UHVHW
7KLV RSWLRQ UHVHWV \RXU VHWXS PHQXV SDJH VHWV DQG GDWDEDU
VHWWLQJV WR IDFWRU\ GHIDXOW ,W ZLOO 127 DIIHFW \RXU ZD\SRLQWV URXWHV
RU WUDFNV GDWD
6HWWLQJV DQG GDWD UHVHW
,Q DGGLWLRQ WR WKH VHWWLQJV UHVHW GHWDLOHG DERYH SHUIRUPLQJ D VHWWLQJV
DQG GDWD UHVHW ZLOO DOVR UHPRYH $// ZD\SRLQWV URXWHV DQG WUDFNV
GDWD
5HVHWWLQJ V\VWHP VHWWLQJV
:LWK WKH KRPHVFUHHQ GLVSOD\HG
6HOHFW 6HWXS
6HOHFW 0DLQWHQDQFH
6HOHFW 6\VWHP 6HWWLQJV 5HVHW
$ PHVVDJH LV GLVSOD\HG SURPSWLQJ \RX WR FRQ¿UP WKH DFWLRQ
6HOHFW <HV WR SURFHHG ZLWK WKH VHWWLQJV UHVHW RU 1R WR FDQFHO
5HVHWWLQJ V\VWHP VHWWLQJV DQG GDWD
1RWH 3HUIRUPLQJ D VHWWLQJV DQG GDWD UHVHW HUDVHV $//
ZD\SRLQWV URXWHV DQG WUDFN GDWD IURP \RXU V\VWHP %()25(
SURFHHGLQJ ZLWK D VHWWLQJV DQG GDWD UHVHW HQVXUH WKDW \RX EDFNXS
DQ\ GDWD WKDW \RX ZDQW WR NHHS RQ WR D PHPRU\ FDUG
:LWK WKH KRPHVFUHHQ GLVSOD\HG
6HOHFW 6HWXS
6HOHFW 0DLQWHQDQFH
6HOHFW 6\VWHP 6HWWLQJV DQG 'DWD 5HVHW
$ PHVVDJH LV GLVSOD\HG SURPSWLQJ \RX WR FRQ¿UP WKH DFWLRQ
6HOHFW <HV WR SURFHHG ZLWK WKH VHWWLQJV DQG GDWD UHVHW RU 1R
WR FDQFHO
1HZ D 6HULHV 1HZ F 6HULHV 1HZ H 6HULHV

&KDSWHU 8VLQJ WKH GRFXPHQW YLHZHU
&KDSWHU FRQWHQWV
'RFXPHQW YLHZHU RYHUYLHZ RQ SDJH
8VLQJ WKH GRFXPHQW YLHZHU

'RFXPHQW YLHZHU RYHUYLHZ
<RXU PXOWLIXQFWLRQ GLVSOD\ LQFOXGHV D SGI GRFXPHQW YLHZHU
7KH GRFXPHQW YLHZHU LV DYDLODEOH IURP WKH KRPHVFUHHQ DQG LV XVHG
WR YLHZ DQG VHDUFK SGI GRFXPHQWV VXFK DV SURGXFW KDQGERRNV
&XUUHQW SDJH QXPEHU SDJH [ RI \
)LQG VHDUFK WRRO EDU RQO\ GLVSOD\HG ZKHQ VHDUFKLQJ D
GRFXPHQW
&XUUHQW SGI¶V ¿OHQDPH
'RFXPHQW YLHZHU PHQX
6FUROO EDU
2QVFUHHQ ]RRP FRQWUROV 7RXFKVFUHHQ GLVSOD\V RQO\
SGI GRFXPHQW FRQWHQW
1RWH 7KH GRFXPHQW YLHZHU GRHV QRW VXSSRUW SDVVZRUG SURWHFWHG
GRFXPHQWV RU GRFXPHQWV FRQWDLQLQJ VHFXULW\ FHUWL¿FDWHV $Q HUURU
PHVVDJH ZLOO EH GLVSOD\HG LI \RX WU\ WR RSHQ VXFK GRFXPHQWV
7KH IROORZLQJ RSWLRQV DUH DYDLODEOH IURP WKH GRFXPHQW YLHZHU PHQX
2SHQ )LOH ² $OORZV \RX WR EURZVH IRU D SGI GRFXPHQW WR RSHQ
)LQG ² $OORZV \RX WR VHDUFK WKH GRFXPHQW IRU D VSHFL¿HG ZRUGV
*R WR SDJH ² $OORZV \RX WR MXPS WR D VSHFL¿HG SDJH QXPEHU
2SHQLQJ D SGI GRFXPHQW
<RX FDQ RSHQ SGI GRFXPHQWV VWRUHG RQ DQ 6' FDUG E\ IROORZLQJ
WKH VWHSV EHORZ
1RWH :KHQ VDYLQJ SGI GRFXPHQWV WR 6' FDUGV HQVXUH \RX GR
QRW RYHUZULWH LPSRUWDQW GDWD
6DYH WKH UHTXLUHG SGI GRFXPHQW WR 6' FDUG
,QVHUW WKH 6' FDUG LQWR WKH 6' FDUG VORW RI WKH PXOWLIXQFWLRQ
GLVSOD\ \RX ZLVK WR YLHZ WKH GRFXPHQW RQ
6HOHFW 0HQX
6HOHFW 2SHQ )LOH
7KH ¿OH EURZVHU GLDORJ LV GLVSOD\HG
%URZVH WR WKH ORFDWLRQ RQ WKH 6' FDUG ZKHUH \RX VDYHG WKH
GRFXPHQW WR
6HOHFW WKH GRFXPHQW \RX ZDQW WR YLHZ
7KH GRFXPHQW ZLOO QRZ RSHQ
,I WKH µ&DQQRW 2SHQ )LOH¶ HUURU PHVVDJH LV GLVSOD\HG WKHQ VHOHFW
2N WR FRQ¿UP DQG WKHQ WU\ RSHQLQJ WKH GRFXPHQW DJDLQ RU FKHFN
WKDW WKH SGI LV QRW FRUUXSWHG RU ZKHWKHU LW FRQWDLQV VHFXULW\ ZKLFK
LV QRW VXSSRUWHG E\ WKH GRFXPHQW YLHZHU DSSOLFDWLRQ
1RWH /DUJH ¿OHVL]H SGI GRFXPHQWV PD\ WDNH D ZKLOH WR RSHQ
%URZVLQJ DQ RSHQ GRFXPHQW
2Q WRXFKVFUHHQ GLVSOD\V \RX FDQ EURZVH SGI GRFXPHQWV DV GHWDLOHG
EHORZ
:LWK D SGI GRFXPHQW RSHQ
0RYH \RXU ¿QJHU XS WR VFUROO GRZQ WKH GRFXPHQW
0RYH \RXU ¿QJHU GRZQ WR VFUROO XS WKH GRFXPHQW
:KHQ WKH GRFXPHQW ZLGWK LV JUHDWHU WKDQ WKH ZLGWK RI WKH
DSSOLFDWLRQ ZLQGRZ PRYH \RXU ¿QJHU OHIW RU ULJKW WR SDQ WKH
ZLGWK RI WKH GRFXPHQW
1RWH <RX FDQ DOVR XVH WKH VFUROO EDUV WR QDYLJDWH WKURXJK WKH
GRFXPHQW
%URZVLQJ DQ RSHQ GRFXPHQW
2Q +\EULG7RXFK DQG QRQWRXFK GLVSOD\V \RX FDQ EURZVH SGI
GRFXPHQWV E\ IROORZLQJ WKH VWHSV EHORZ
:LWK D SGI GRFXPHQW RSHQ
0RYH WKH -R\VWLFN 8S RU 'RZQ WR PRYH XS DQG GRZQ WKURXJK
WKH GRFXPHQW
0RYH WKH -R\VWLFN /HIW RU 5LJKW WR SDQ OHIW DQG ULJKW
&KDQJLQJ WKH ]RRP IDFWRU
2Q WRXFKVFUHHQ GLVSOD\V \RX FDQ FKDQJH WKH ]RRP IDFWRU RI WKH
RSHQ GRFXPHQW E\ IROORZLQJ WKH VWHSV EHORZ
:LWK D SGI GRFXPHQW RSHQ
6HOHFW WKH RQVFUHHQ =RRP LQ LFRQ WR ]RRP LQ RU
6HOHFW WKH RQVFUHHQ =RRP RXW LFRQ WR ]RRP RXW
&KDQJLQJ WKH ]RRP IDFWRU
2Q +\EULG7RXFK DQG QRQWRXFK GLVSOD\V H[FOXGLQJ WKH H DQG H'
\RX FDQ FKDQJH WKH ]RRP IDFWRU RI WKH RSHQ GRFXPHQW E\ IROORZLQJ
WKH VWHSV EHORZ
:LWK D SGI GRFXPHQW RSHQ
8VH WKH 5DQJH RXW EXWWRQ WR ]RRP RXW RU
8VH WKH 5DQJH LQ EXWWRQ WR ]RRP LQ
1RWH 1HZ D 6HULHV DQG H H' PXOWLIXQFWLRQ GLVSOD\V GR QRW
KDYH 5DQJH LQ DQG 5DQJH RXW EXWWRQ
6HOHFWLQJ D SDJH
<RX FDQ VNLS WR WKH SDJH \RX ZDQW WR YLHZ E\ HQWHULQJ WKH SDJH
QXPEHU
:LWK D SGI GRFXPHQW RSHQ
6HOHFW 0HQX
6HOHFW *R WR SDJH
7KH QXPHULF NH\SDG LV GLVSOD\HG
(QWHU WKH SDJH QXPEHU RI WKH SDJH \RX ZDQW WR YLHZ
6HOHFW 2N WR YLHZ WKH SDJH
8VLQJ GRFXPHQW K\SHUOLQNV
2Q WRXFKVFUHHQ GLVSOD\V \RX FDQ XVH LQWHUQDO GRFXPHQW K\SHUOLQNV
:LWK D SGI GRFXPHQW RSHQHG RQ D SDJH FRQWDLQLQJ D K\SHUOLQN
0RPHQWDULO\ WRXFK \RXU ¿QJHU RQ WKH K\SHUOLQN
<RX ZLOO EH WDNHQ WR WKH K\SHUOLQNHG SDJH
1RWH 'RFXPHQW K\SHUOLQNV FDQQRW EH DFWLYDWHG RQ D 1HZ F
6HULHV GLVSOD\
1HZ D 6HULHV 1HZ F 6HULHV 1HZ H 6HULHV

6HDUFKLQJ IRU WH[W
2Q WRXFKVFUHHQ GLVSOD\V \RX FDQ XVH WKH ¿QG IXQFWLRQ WR VHDUFK IRU
WH[W LQ DQ RSHQ SGI GRFXPHQW
:LWK D SGI GRFXPHQW RSHQ
6HOHFW 0HQX
6HOHFW )LQG
7KH RQVFUHHQ NH\ERDUG LV GLVSOD\HG
(QWHU WKH NH\ZRUG \RX ZDQW WR ¿QG
6HOHFW 6$9(
7KH GRFXPHQW YLHZHU ZLOO HQWHU ¿QG PRGH DQG
<RX PD\ VHH D µ6HDUFKLQJ¶ LFRQ ZKLOH DOO RFFXUUHQFHV DUH
IRXQG
7KH ¿QG WRRO EDU LV GLVSOD\HG
7KH ¿UVW RFFXUUHQFH RI WKH NH\ZRUG LV KLJKOLJKWHG
6HOHFW 1H[W WR ¿QG WKH QH[W RFFXUUHQFH RI WKH NH\ZRUG RU
6HOHFW 3UHYLRXV WR JR EDFN WR WKH ODVW RFFXUUHQFH RI WKH NH\ZRUG
<RX FDQ VHOHFW &DQFHO DW DQ\ WLPH WR FORVH WKH ¿QG WRRO EDU DQG
UHWXUQ WR WKH QRUPDO YLHZLQJ
6HDUFKLQJ IRU WH[W
2Q +\ELUG7RXFK DQG QRQWRXFK GLVSOD\V \RX FDQ XVH WKH ¿QG
IXQFWLRQ WR VHDUFK IRU WH[W LQ DQ RSHQ SGI GRFXPHQW E\ IROORZLQJ
WKH VWHSV EHORZ
:LWK D SGI GRFXPHQW RSHQ
3UHVV WKH 0HQX EXWWRQ
6HOHFW )LQG
7KH RQVFUHHQ NH\ERDUG LV GLVSOD\HG
(QWHU WKH NH\ZRUG \RX ZDQW WR ¿QG
6HOHFW 6$9(
7KH GRFXPHQW YLHZHU ZLOO HQWHU ¿QG PRGH DQG
<RX PD\ VHH D µ6HDUFKLQJ¶ LFRQ ZKLOH DOO RFFXUUHQFHV DUH
IRXQG
7KH ¿QG WRRO EDU LV GLVSOD\HG
7KH ¿UVW RFFXUUHQFH RI WKH NH\ZRUG LV KLJKOLJKWHG
0RYH WKH -R\VWLFN 'RZQ WR JR WR WKH QH[W RFFXUUHQFH RI WKH
NH\ZRUG RU
0RYH WKH -R\VWLFN 8S WR JR WR WKH SUHYLRXV RFFXUUHQFH RI WKH
NH\ZRUG
<RX FDQ SUHVV WKH %DFN EXWWRQ DW DQ\ WLPH WR FORVH WKH ¿QG WRRO
EDU DQG UHWXUQ WR WKH QRUPDO YLHZLQJ
.H\ZRUG QRW IRXQG
7KH GRFXPHQW YLHZHU ZLOO OHW \RX NQRZ LI WKH NH\ZRUG \RX KDYH
VHDUFKHG IRU GRHV QRW DSSHDU LQ WKH GRFXPHQW
,I WKH NH\ZRUG LV QRW IRXQG WKHQ WKH ¿QG WRRO EDU ZLOO GLVSOD\ DQ
H[FODPDWLRQ PDUN DQG D SRSXS PHVVDJH LV GLVSOD\HG RQVFUHHQ
6HOHFWLQJ 1HZ 6HDUFK ZLOO WDNH \RX EDFN WR WKH RQVFUHHQ NH\ERDUG
VR WKDW \RX FDQ WU\ D GLIIHUHQW NH\ZRUG 6HOHFWLQJ &DQFHO ZLOO FORVH
WKH ¿QG WRRO EDU DQG UHVXPH QRUPDO RSHUDWLRQ
8VLQJ WKH GRFXPHQW YLHZHU

1HZ D 6HULHV 1HZ F 6HULHV 1HZ H 6HULHV

&KDSWHU 8VLQJ DXWRSLORW FRQWURO
&KDSWHU FRQWHQWV
$XWRSLORW FRQWURO RQ SDJH
$XWRSLORW VWDWXV V\PEROV RQ SDJH
$XWRSLORW DODUPV RQ SDJH
8VLQJ DXWRSLORW FRQWURO

$XWRSLORW FRQWURO
<RX FDQ XVH \RXU PXOWLIXQFWLRQ GLVSOD\ WR FRQWURO \RXU DXWRSLORW
1RWH )RU LQIRUPDWLRQ RQ FRQQHFWLQJ \RXU PXOWLIXQFWLRQ GLVSOD\
WR D 5D\PDULQH DXWRSLORW V\VWHP UHIHU WR WKH GRFXPHQWDWLRQ WKDW
DFFRPSDQLHG \RXU DXWRSLORW
:LWK WKH $XWRSLORW &RQWURO IXQFWLRQ HQDEOHG \RX FDQ XVH \RXU
PXOWLIXQFWLRQ GLVSOD\ WR
(QJDJH WKH DXWRSLORW DQG LQVWUXFW LW WR IROORZ D URXWH RU D ZD\SRLQW
'LVHQJDJH WKH DXWRSLORW
6LOHQFH WKH ZD\SRLQW DUULYDO DODUP
3LORW &RQWURO GLDORJ
,WHP 'HVFULSWLRQ
3LORW 0RGH
&XUUHQW /RFNHG +HDGLQJ
67$1'%< ² 'LVHQJDJHV WKH DXWRSLORW DQG UHWXUQ WR PDQXDO YHVVHO
FRQWURO
$XWR²(QJDJHV WKH DXWRSLORW
7XUQ DQJOH ² 7KH WXUQ DQJOH LV RQO\ DYDLODEOH IRU 63; DXWRSLORWV
FRQQHFWHG XVLQJ 6HD7DONQJ 7KLV LQGLFDWHV WKH GLUHFWLRQ DQG VHYHULW\ RI
WXUQV WR EH PDGH XQGHU DXWRSLORW
7UDFN ² (QJDJHV WKH DXWRSLORW LQ 7UDFN PRGH DQG DXWRPDWLFDOO\ VWHHUV
\RXU YHVVHO DORQJ D URXWH SORWWHG RQ \RXU FKDUWSORWWHU
'LVPLVV ² 'LVPLVVHV WKH 3LORW &RQWURO GLDORJ
'LVWDQFH WR QH[W ZD\SRLQW
%HDULQJ WR QH[W ZD\SRLQW
1H[W ZD\SRLQW QDPH
1RWH 7KH 3LORW &RQWURO GLDORJ ZLOO FORVH LI QR DFWLRQ LV WDNHQ
IRU VHFRQGV
7KH 3LORW &RQWURO GLDORJ LV GLVSOD\HG LQ WKH IROORZLQJ VLWXDWLRQV
:KHQ \RX VHOHFW 0HQX ! 1DYLJDWH ! *RWR :D\SRLQW *RWR
&XUVRU RU )ROORZ 5RXWH RSWLRQ LQ WKH FKDUW DSSOLFDWLRQ
:KHQ \RX VHOHFW *RWR :D\SRLQW RU *RWR &XUVRU XVLQJ WKH FKDUW
FRQWH[W PHQX
:KHQ \RX SODFH WKH FXUVRU RYHU DQ DFWLYH URXWH RU ZD\SRLQW
RQ WKH FKDUW DQG VHOHFW 6WRS *RWR6WRS )ROORZ RU $GYDQFH
:D\SRLQW IURP WKH FRQWH[W PHQX
:KHQ \RX DUH IROORZLQJ D URXWH RU JRLQJ WR D ZD\SRLQW RU FXUVRU
SRVLWLRQ DQG VHOHFW 0HQX ! 1DYLJDWH ! 6WRS *RWR6WRS )ROORZ
RU $GYDQFH :D\SRLQW
:KHQ \RX DUULYH DW D WDUJHW ZD\SRLQW
1RWH
:KHQ DUULYLQJ DW D ZD\SRLQW WKH GLDORJ WLWOH EDU WXUQV UHG WR
LQGLFDWH ZD\SRLQW DUULYDO
(QDEOLQJ WKH DXWRSLORW FRQWURO IXQFWLRQ
)URP WKH KRPHVFUHHQ
6HOHFW 6HWXS
6HOHFW 6\VWHP 6HWWLQJV
6HOHFW $XWRSLORW &RQWURO VR WKDW 2Q LV KLJKOLJKWHG
6HOHFWLQJ $XWRSLORW &RQWURO ZLOO VZLWFK WKH FRQWURO EHWZHHQ 2Q
DQG 2II
'LVHQJDJLQJ WKH DXWRSLORW XVLQJ WKH VKRUWFXWV
PHQX
2Q PXOWLIXQFWLRQ GLVSOD\V ZKLFK GR QRW KDYH D GHGLFDWHG SLORW EXWWRQ
LH D D H DQG H' \RX FDQ GLVHQJDJH WKH DXWRSLORW IURP
WKH 6KRUWFXWV PHQX
:LWK WKH DXWRSLORW HQJDJHG
3UHVV DQG UHOHDVH WKH 32:(5 EXWWRQ
6HOHFW 'LVHQJDJH 3LORW
7KH DXWRSLORW LV GLVHQJDJHG DQG SXW LQWR VWDQGE\ PRGH
'LVHQJDJLQJ WKH DXWRSLORW XVLQJ WKH SLORW
EXWWRQ
2Q PXOWLIXQFWLRQ GLVSOD\V ZKLFK KDYH D GHGLFDWHG SLORW EXWWRQ LH
1HZ F 6HULHV DQG 1HZ H 6HULHV GLVSOD\V H[FOXGLQJ WKH H DQG H'
\RX FDQ GLVHQJDJH WKH DXWRSLORW XVLQJ WKH GHGLFDWHG 3LORW EXWWRQ
:LWK WKH DXWRSLORW HQJDJHG
3UHVV WKH 3LORW EXWWRQ
7KH DXWRSLORW LV GLVHQJDJHG DQG SXW LQWR VWDQGE\ PRGH
'LVHQJDJLQJ WKH DXWRSLORW IURP WKH FKDUW
DSSOLFDWLRQ
2Q DOO PXOWLIXQFWLRQ GLVSOD\ YDULDQWV WKH DXWRSLORW FDQ EH GLVHQJDJHG
IURP WKH FKDUW DSSOLFDWLRQ¶V PHQX
,Q WKH FKDUW DSSOLFDWLRQ ZLWK WKH DXWRSLORW HQJDJHG
6HOHFW 0HQX ! 1DYLJDWH ! 6WRS *RWR RU 6WRS )ROORZ
7KH 3LORW &RQWURO GLDORJ LV GLVSOD\HG
6HOHFW 67$1'%<
7KH DXWRSLORW LV GLVHQJDJHG DQG SXW LQ VWDQGE\ PRGH
(QJDJLQJ WKH DXWRSLORW XVLQJ WKH VKRUWFXWV
PHQX
2Q PXOWLIXQFWLRQ GLVSOD\V ZKLFK GR QRW KDYH D GHGLFDWHG SLORW EXWWRQ
LH D D H DQG H' \RX FDQ HQJDJH WKH DXWRSLORW IURP WKH
6KRUWFXWV PHQX
:LWK WKH DXWRSLORW HQJDJHG
3UHVV DQG UHOHDVH WKH 32:(5 EXWWRQ
6HOHFW (QJDJH 3LORW
7KH DXWRSLORW LV HQJDJHG
(QJDJLQJ WKH DXWRSLORW XVLQJ WKH SLORW
EXWWRQ
2Q PXOWLIXQFWLRQ GLVSOD\V ZKLFK KDYH D GHGLFDWHG SLORW EXWWRQ LH
1HZ F 6HULHV DQG 1HZ H 6HULHV GLVSOD\V H[FOXGLQJ WKH H DQG H'
\RX FDQ HQJDJH WKH DXWRSLORW XVLQJ WKH GHGLFDWHG 3LORW EXWWRQ
:LWK WKH DXWRSLORW GLVHQJDJHG
3UHVV WKH 3LORW EXWWRQ
7KH SLORW FRQWURO GLDORJ LV GLVSOD\HG
6HOHFW (QJDJH 3LORW
1RWH <RX FDQ DOVR DXWRPDWLFDOO\ HQJDJH WKH DXWRSLORW E\
SUHVVLQJ DQG KROGLQJ WKH 3LORW EXWWRQ
(QJDJLQJ WKH DXWRSLORW IURP WKH FKDUW
DSSOLFDWLRQ PHQX
,Q WKH FKDUW DSSOLFDWLRQ
6HOHFW 0HQX ! 1DYLJDWH ! *RWR &XUVRU*RWR :D\SRLQW RU
)ROORZ 5RXWH DV DSSURSULDWH
7KH 3LORW &RQWURO GLDORJ LV GLVSOD\HG
6HOHFW (QJDJH 3LORW
$ FRQ¿UPDWLRQ SRSXS PHVVDJH LV GLVSOD\HG
6HOHFW <HV WR FRQ¿UP DQG HQJDJH WKH DXWRSLORW RU
6HOHFW 1R WR OHDYH WKH DXWRSLORW LQ WKH FXUUHQW VWDWH
1HZ D 6HULHV 1HZ F 6HULHV 1HZ H 6HULHV

(QJDJLQJ WKH DXWRSLORW XVLQJ WKH FRQWH[W PHQX
)URP WKH FKDUW DSSOLFDWLRQ FRQWH[W PHQX
6HOHFW DQ\ RI WKH IROORZLQJ RSWLRQV IURP WKH &KDUW FRQWH[W PHQX
*RWR :D\SRLQW
*RWR &XUVRU
)ROORZ 5RXWH
)ROORZ IURP +HUH
)ROORZ 5RXWH LQ 5HYHUVH
7KH SLORW FRQWURO GLDORJ LV GLVSOD\HG
6HOHFW <HV 7UDFN
$ FRQ¿UPDWLRQ SRSXS PHVVDJH LV GLVSOD\HG
6HOHFW <HV WR FRQ¿UP DQG HQJDJH WKH DXWRSLORW
0DQXDOO\ GLVSOD\LQJ WKH SLORW FRQWURO GLDORJ ER[
<RX FDQ DOVR RSHQ WKH 3LORW &RQWURO GLDORJ DW DQ\ WLPH IURP WKH
KRPHVFUHHQ RU FKDUW DSSOLFDWLRQ
)URP WKH KRPHVFUHHQ
L 6HOHFW 6HWXS
LL 6HOHFW 3LORW &RQWUROV
)URP WKH FKDUW DSSOLFDWLRQ
L 6HOHFW 0HQX
LL 6HOHFW 1DYLJDWH
LLL 6HOHFW 3LORWV &RQWUROV
$XWRSLORW VWDWXV V\PEROV
7KH DXWRSLORW VWDWXV LV LQGLFDWHG LQ WKH GDWDEDU
6\PERO 'HVFULSWLRQ
$XWRSLORW LV LQ 6WDQGE\ PRGH
$XWRSLORW LV LQ 7UDFN PRGH
$XWRSLORW LV LQ $XWR PRGH
1R DXWRSLORW GHWHFWHG
$XWRSLORW DODUP DFWLYH
'RGJH PRGH LV DFWLYH
)LVK PRGH LV DFWLYH
$XWRSLORW FDOLEUDWLRQ
3RZHU VWHHULQJ DFWLYH
:LQG 9DQH PRGH LV DFWLYH
8VLQJ DXWRSLORW FRQWURO

$XWRSLORW DODUPV
7KH DXWRSLORW IXQFWLRQ SURYLGHV DODUPV WR DOHUW \RX WR VLWXDWLRQV WKDW
UHTXLUH DFWLRQ
<RXU PXOWLIXQFWLRQ GLVSOD\ VKRZV DXWRSLORW DODUPV UHJDUGOHVV RI
ZKHWKHU WKHUH LV DFWLYH QDYLJDWLRQ RQ WKH V\VWHP ,I DXWRSLORW FRQWURO
LV HQDEOHG DQG DQ DODUP LV UDLVHG E\ WKH DXWRSLORW WKH PXOWLIXQFWLRQ
GLVSOD\ SURYLGHV DQ DXGLEOH DODUP VRXQG SURYLGLQJ WKDW WKH DODUP
KDV QRW DOUHDG\ EHHQ VLOHQFHG 7KH 3LORW &RQWURO GLDORJ LV
GLVSOD\HG LQGLFDWLQJ D QHZ DODUP $GGLWLRQDOO\ WKH DXWRSLORW VWDWXV
LFRQ LV GLVSOD\HG LQ UHG DQG UHPDLQV UHG XQWLO WKH DODUP LV FOHDUHG
6LOHQFLQJ DXWRSLORW DODUPV
6HOHFW 'LVPLVV
7KH DODUP LV VLOHQFHG DQG WKH DXWRSLORW UHPDLQV HQJDJHG LQ DXWR
PRGH FRQWLQXLQJ RQ WKH FXUUHQW ORFNHG KHDGLQJ
6HOHFW $XWR
7KH DODUP LV VLOHQFHG DQG WKH DXWRSLORW UHPDLQV HQJDJHG LQ DXWR
PRGH FRQWLQXLQJ RQ WKH FXUUHQW ORFNHG KHDGLQJ
6HOHFW 7UDFN
7KH DODUP LV VLOHQFHG DQG WKH DXWRSLORW WUDFNV WR WKH QH[W
ZD\SRLQW
6LOHQFLQJ DXWRSLORW DODUPV DQG GLVHQJDJLQJ
DXWRSLORW
6HOHFW 67$1'%<
7KH DODUP LV VLOHQFHG DQG WKH DXWRSLORW LV GLVHQJDJHG DQG SXW LQ
VWDQGE\ PRGH
1HZ D 6HULHV 1HZ F 6HULHV 1HZ H 6HULHV