Fluke 717 Users Manual 717_30 100G
2015-09-09
: Fluke Fluke-717-Users-Manual-806120 fluke-717-users-manual-806120 fluke pdf
Open the PDF directly: View PDF
.
Page Count: 16

Japanese
®
717 Series
Pressure Calibrators
取扱説明書
はじめに
Fluke 717 シリーズ圧力校正器 (以下「本器」) は、小型のバッテリー駆動、
5桁の測定器で、次の校正及び測定機能があります。
• P/I (圧力から電流) 伝送器の校正
• 1/8 インチの NPT ネジと内蔵の圧力センサーを使った圧力の測定
• Fluke 700 シリーズ圧力モジュールを介した圧力の測定
• 24 mA までの電流の測定
• ループ電圧の供給 (24 V DC まで)
• 圧力と電流測定値を同時に表示
• % モードでの mA 値の計算 (%)
• % エラー・モードでの mA エラーの計算 (%)
717 圧力校正器 (以下「本器」) には、次の機種があります。
• 717 1G
• 717 30G
• 717 100G
• 717 300G
• 717 500G
• 717 1000G
• 717 1500G
• 717 3000G
• 717 5000G
圧力センサーのフル・スケールは、「圧力仕様」の「仕様」に示されてい
ます。 本器は、IEC 61010、CAT I 30 V、汚染度 2 の機器です。 CAT I 機器
は、例えば電子回路やコピー機などの低エネルギー源からの過渡電圧に
対して保護できるように設計されています。
本器には、ホルスター、収納済みの 9 V 電池、テスト・リードとアリゲー
ター・クリップのセット、14 言語での使用説明書パックが付属しています。
本器に損傷があったり、付属品に欠品がある場合は、直ちに購入元にご
連絡下さい。
PN 690013 March 1998, Rev. 2, 3/06 (Japanese)
1998-2006 Fluke Corporation. All rights reserved. Printed in USA.

Japanese
入力単位
本器は、次の単位、レンジで圧力センサーの入力を測定及び表示します。
• psi
• inH2O@4 °C
• inH2O@20 °C
• cmH2O@4 °C
• cmH2O@20 °C
• bar
• mbar
• kPa
• inHg@0 °C
• mmHg
• kg/cm2
正しい単位が選択されていないと、Fluke 700P 圧力モジュールの出力が低
すぎて表示できなかったり、OL (過負荷) が表示されることになります。
圧力の単位とレンジの互換性につては表 1 を参照して下さい。
表 1. 圧力の単位とレンジの互換性
単位 レンジ 単位 レンジ
psi すべて kPa すべて
inH2O 3000 psi まで inHg すべて
cmH2O 1000 psi まで mmHg 3000 psi まで
bar 15 psi 及びそれ以上 kg/cm2 15 psi 及びそれ以上
mbar 1000 psi まで
記号
記号 意味
+ オン/オフ・ボタン
J アース
W 注意: 重要な情報を表します。 使用説明書を参照して
下さい。
X 危険な電圧。感電の危険性があります。
f 圧力
T 二重絶縁
M 電池
$ カナダ規格協会
P 欧州共同体規格準拠
F 直流

Japanese
安全規格
「XW 警告」は、人体に危険を及ぼす恐れのある条件又は行為を示し
ます。
「W 注意」は本器又は被試験装置に損傷を与える可能性のある条件や危
険であることを示します。
XW 警告
感電、怪我又は本器への損傷を防ぐため、次の事項を厳守して下さい。
• この使用説明書に説明されている使用方法以外で、本器を使用しな
いで下さい。
• フルーク が指定している方法以外で本器を使用すると、本器が提供
している保護機能が作動しない場合があります。
• CAT II、CAT III、CAT IV 環境下での測定には、本器を使用しないで
下さい。
CAT I 機器は、例えば電子回路やコピー機などの高電圧、低エネル
ギー源からの過渡電圧に対して保護できるように設計されています。
• 可燃性のガス、蒸気、又は粉塵があるところでは、絶対に本器を使
用しないで下さい。
• 使用前に本器を点検して下さい。 損傷しているような場合は、使用
しないで下さい。
• テスト・リードの絶縁材に損傷がないか、金属部が露出していないか
点検して下さい。 損傷したテスト・リードは交換して下さい。
• 2 つの端子間、又は端子と接地間に 30 V 以上の電圧を印加しないで
下さい。
• 測定アプリケーション又はソース・アプリケーションに適合する端子、
モード、レンジを使用するようにして下さい。
• テスト中の機器への損傷を防ぐため、テスト・リードを接続する前に
本器を正しいモードに設定して下さい。
• テスト・リードは、低電位側 COM テスト・リード (黒) を接続してから
高電位側リード (赤) を接続して下さい。 テスト・リードの接続を取
り外すときは、最初に高電位側リード (赤) から取り外して下さい。
• 本器のカバーを開けた状態で使用しないで下さい。
• 本器を起動する前に、電池収納部のドアが閉まっていることを確認
して下さい。
• M (電池電圧低下) 記号が表示されたら、感電や怪我につながる誤
った読みを避けるために、直ちに電池を交換して下さい。
• 本器のケース又は電池収納部ドアを開ける前に、本器からテスト・
リードを取り外して下さい。
• 加圧システムの圧縮媒体が噴出するのを避けるため、圧力センサー
又は圧力モジュール取り付け具を圧力ラインに取り付ける、又は取
り外す前に、隔離弁を閉じてから圧力をゆっくりと解放して下さい。
本器を保守、修理するときには、指定された交換部品のみを使用して下
さい。
W 注意
圧力モジュールを使用する場合は、校正器のモジュールを損傷し
ないように、圧力モジュールの使用説明書に記載されているすべ
ての手順に従って下さい。

Japanese
W 注意
圧力センサーを使用する場合は、本器又は取り付けられている機
器への損傷を避けるため、次の事項を厳守して下さい。
• 過度の圧力による損傷を避けるため、「圧力仕様」に記載さ
れているレンジを超える圧力を入力しないで下さい。
• 圧力センサー内の腐食を避けるため、ガラス、セラミック、
シリコン、RTV、ニトリル (Buna -N) のタイプ 303 ステンレ
ス・スチール、ニッケルと互換性のある媒体のみ本器に使用し
て下さい。
• 本器への損傷を避けるため、圧力取り付け具と本器のケース
間にトルクを掛けないようにして下さい。 正しい取り付け又
は取り外し方法については、図 1 を参照して下さい。
rm001f.eps
図 1. 正しい締め付け方法
使用の開始
O を押して本器の電源のオン及びオフを切り替えます。本器は、圧力と
電流測定値を同時に表示します。表示の上部には、掛かっている圧力が
表示されます。U を押して、異なる単位を選択します。本器をオフに
すると、次に電源をオンにしたときには、最後に使用した圧力単位が適
用されます。
表示の下部には、電流入力 (mA) に流れている電流 (24 mA まで) が表示さ
れます。図 2 を参照して下さい。
節電機能
本器が操作されない状態が30 分間続くと、自動的に電源がオフになりま
す。自動的に電源がオフになる時間を短くしたり、この機能を無効にす
るには、次の手順に従います。
1. 本器が OFF になった状態で、O を押します。
2. P.S. xx が表示されます。ここで、xx は電源が切れるまでの時間を
表します。OFF は、電源節約機能が無効であることを示します。

Japanese
3. h (W) を押すと電源が切れるまでの時間が短くなり、a (Z)を押
すと長くなります。
4. 電源節約機能を無効にするには、OFF が表示されるまで h を押し
ます。
本器は、2 秒後に通常の操作状態に戻ります。
HOLD
UNITS
ZERO
DAMP
MIN
MAX
mA
MODE
SWITCH
TEST HOLD
COM
mA
30V
MAX
RANGE
LOOP
POWER
BAROMETRIC ADJ.
717 100G
PRESSURE
CALIBRATOR
a
I 69 mPa
RANGE -83 TO 690 kPa
-12 TO 100 PSI
MAX 200 PSI 1.4 mP
rm005f.eps
図 2. 圧力校正器 (717 100G)

Japanese
押しボタンの機能
ボタン 機能
U
押すと、異なる単位を選択します。圧力センサー入力を使
用している場合は、すべての単位を使用できます。より高
い圧力モジュール入力では、不適切な単位は使用できま
せん。
Uを押しながら Oを押すと、ループ電圧を供給します。
D
ENTER
押すと、圧力読み取りダンピング機能のオンとオフを切り
替えます。ダンピング機能がオンの場合は、表示の更新速
度がおそくなります。
0 % と 100 % 出力パラメーターの選択を確定します。
Z 押すと、圧力表示をゼロにします。(押す前に、大気圧まで
圧力を下げて下さい。)
絶対圧力モジュールでは、説明書の指示に従って下さい。
N
電源投入後又は保存値をクリアーしてからの圧力と電流の
最小読み取り値が表示されます。 もう一度押すと、電源
投入後からの圧力と電流の最大読み取り値が表示されま
す。 押し続けると、MIN/MAX の保存値がクリアーされます。
S スイッチ・テストを実行します。
Z
a mA 表示モードを mA、mA %、mA % エラーの間で切り替え
ます。
h
Y
h を押して、表示を保持します。
画面に g 記号が表示されます。h を再度押すと、
通常の操作に戻ります。
ゼロ・モードでは、押すと気圧が下がります。
スイッチ・テスト
スイッチ・テストを実行するには、次の手順に従います。
注記
この例では、通常閉じているスイッチを使用しています。 開放ス
イッチでも手順は同じですが、表示画面には、
CLOSE
の代わりに
OPEN
と表示されます。
1. 圧力スイッチ端子に mA 及び COM 端子を接続し、T 字型金具を使っ
て、本器から圧力スイッチの間に外部ポンプを接続します。 端子の
極性は関係ありません。
2. ポンプの排気口が開いていることを確認し、必要ならば本器のゼロ
調整を実行します。 ゼロ調整後、排気口を閉じます。
3. S を押して、圧力スイッチ・テスト・モードに入ります。 本器は、
mA 測定ではなく、CLOSE が表示されます。
4. スイッチが開くまで、ポンプを使ってゆっくりと圧力を掛けます。
Japanese
注記
スイッチ・テスト・モードでは、変化する圧力入力を捕捉できるよう
に、表示の更新率が上がります。 拡張サンプル・レートでも、正確
な読み取りを実現するため、テストしているデバイスの圧力をゆ
っくりと加えて下さい。
5. スイッチが開くと、OPEN という文字が表示されます。次に圧力ス
イッチが閉じるまで、ゆっくりとポンプで圧力を解放します。ディ
スプレイには RCL が表示されます。
6. S を押して、スイッチが開いた時、閉じた時、デッドバンドの圧
力値を読み取ります。
7. S を 3 秒間押し続け、スイッチ・テスト・モードをリセットします。
他のキーを 3 秒間押し続けると、スイッチ・テスト・モードが終了さ
れます。
絶対圧力測定モジュールのゼロ設定
ゼロ設定をするためには、次の手順に従って本器を調節し、既知の圧力
の読みが表示されるようにします。
1. Zを押し続けます。
2. Z (a) を押して読み取り値を増加、又はY (h) を押して読み取
り値を減少させ、本器の読みが加えた圧力と同じになるようにしま
す。
3. Z を放して、ゼロ設定手順を終了します。
700PA3 モジュール以外のモジュールに対しては、圧力値が正確に分かっ
ていれば大気圧の値を使うこともできます。また、正確な圧力標準でも、
任意の絶対圧力測定モジュールの範囲内の圧力を掛けることができます。
測定単位を変換するには、次の変換式を使用します。
• 1 bar = 750 mmHg (1 mmHg = 0.0013332 bar)
• 1 psi = 2.036 inHg (1 inHg = 0.49115 psi).
ループ電源の供給
本器を使うと、システムから切り離された伝送器電流端子にループ電源
(24 V DC) を供給できます。
1. 電源をオフにして、O ON を押しながら Uを押します。
画面に 「LOOP POWER」 アイコンが表示されます。
2. 通常のループ電源から切り離された伝送器では、図 3 に示されてい
るように機器の電流ループを使って本器を直列に接続します。
mA に加え、次の 2 つのモードも表示できます。
• % モード - 電流は、4~20 mA のスケールを基にした割合 (%) で表示
されます。
• % エラー・モード - 伝送器の電流出力エラーが表示されます。エラー
は、設定可能なゼロとスパン、及び 4~20 mA のスケールに基づい
て計算されます。
3. mA 測定表示でループ電流を測定します。
4. ループ電圧の供給が終わったら、O OFF を押して 24 V DC 電源の使
用を中止します。

Japanese
SIGNAL
TEST
+–
qo007f.eps
図 3. 電源供給の接続
% エラーのセットアップ
a を押し、そのまま保持します。3 秒後、設定アイコンと 0 % がディ
スプレイの下部に表示されます。W 及び X を使って、% エラー計算
の 0 % ポイントを調整してから、D (ENTER) キーを押して、選択を確定
します。a を押します。 100 % がディスプレイ下部に表示されます。
W 及び X を使って、% エラー計算の 100 % ポイントを調整します。
D (ENTER) を押して、選択を確定し、セットアップを終了します。
P/I
伝送器の校正
P/I (圧力から電流) を校正するには、次の手順に従います。
1. 圧力を掛ける前にポンプ排気口を開き、本器の圧力をゼロにします。
確度を保つため、測定の度に、この手順を繰り返します。
2. 伝送器に圧力を掛け、伝送器の電流ループ出力を測定します。フル
スケールで、OL (過負荷) が表示されます。
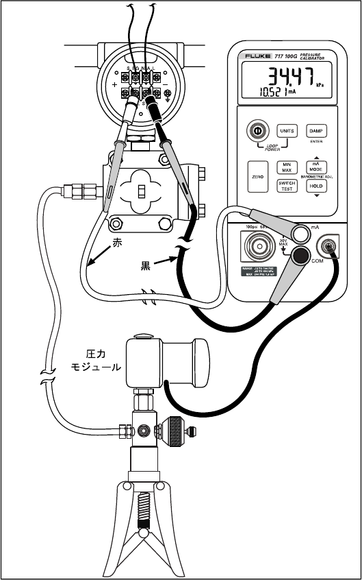
3. 図 4 又は図 5 に示されているように、本器を伝送器に接続します。
本器は、本器と圧力モジュールが適切に接続されている場合にのみ、
圧力モジュールを認識します。

Japanese
a
mPa
RANGE -83 O 690 kPa
-12 O 100 PSI
MAX 200 PSI 1.4 mP
MAX
COM
mA
HOLD
UNITS
ZERO
DAMP
HOLD
COM
mA
30V
MAX
100psi 689kPa
RANGE
MAX
LOOP
POWER
BAROMETRIC ADJ.
717 100G
PRESSURE
CALIBRATOR
SIGNAL
TEST
+–
I 69
T
T
SWITCH
TEST
mA
MODE
MIN
MAX
ENTER
rm002f.eps
図 4. 内部圧力センサーを使用した接続

Japanese
P/I
伝送器の校正 (続き)
rm006f.eps
図 5. 圧力モジュールを使用した接続
Japanese
保守
XW 警告
感電、怪我又は本器への損傷を防ぐため、次の事項を厳守して下
さい。
• 必要な機器と保守情報を持っている認定を受けた技術者でな
い場合は、この説明書に記載されている以外の保守について
は行わないようにして下さい。
• テスト・リードを外してケースを開ける前に、全ての入力信号
を切るようにして下さい。
• 本器を保守、修理するときには、指定された交換部品のみを
使用して下さい。
• 水がケース内に入らないようにして下さい。
この説明書に記載されていない保守方法に関しては、フルークのサービ
ス・センターまでお問い合わせ下さい。
問題がある場合には
• 電池、テスト・リード、圧力チューブをチェックします。必要に応じ
て交換して下さい。
• この使用説明書を読み直し、本器を正しく使用していることを確認
して下さい。
本器の修理が必要な場合で本器が保証期間にある場合は、保証の条項を
参照して下さい。保証が期限切れの場合は、本器を固定料金にて修理、
返送いたします。
クリーニング
ケースは、湿った布と中性洗剤を使用して定期的に拭くようにします。
研磨剤や溶剤は使用しないで下さい。
校正
本器が確実に仕様どおりに作動するように、本器を年に 1 回校正して下
さい。校正マニュアル (Fluke PN 686540) が用意されています。
電池の交換
XW 警告
M (電池電圧低下表示) が現れた場合、感電や怪我につながる
誤った読みを避けるために、直ちに電池を交換して下さい。
本器の電源には、9 V 電池 1 個のみを使用し、正しく挿入して下さい。
本器は、9 V のアルカリ電池 (ANSI/NEDA 1604A 又は IEC 6LR61) を 1 個使用します。
電池を交換するには、次の手順に従います (図 5 を参照)。
1. 本器の電源をオフにし、端子からテスト・リードを外します。
2. 本器をホルスターから取り出します。
3. 図に示されているように、本器の背面から電池収納ドアを取り外します。
4. 電池収納部から電池を持ち上げます。
5. 新しい電池をリードに接続し、電池を収納部に収めます。
6. 電池収納ドアを固定します。
7. 本器をホルスター内に戻します。

Japanese
it07f.eps
図 6. 電池の装着

Japanese
交換部品及び
.
アクセサリー
1
2
3
15
6
7
8
11
10
16
14
13
12
4
5
9
qo004f.eps
番号 部品又はアクセサリー 番号 数量
A 300G 以下用の 717 ケース・トップ 2546258 1
A 500G 以上用の 717 ケース・トップ 2546264 1
B 717 1G トップ・ケース・シール 2546993 1
B 717 30G トップ・ケース・シール 2547000 1
B 717 100G トップ・ケース・シール 2547017 1
B 717 300G トップ・ケース・シール 2547021 1
B 717 500G トップ・ケース・シール 2547039 1
B 717 1000G トップ・ケース・シール 2547042 1
B 717 1500G トップ・ケース・シール 2547056 1
B 717 3000G トップ・ケース・シール 2547063 1
B 717 5000G トップ・ケース・シール 2547074 1
C キーパッド 2113087 1
D 圧力入力のスペーサー 687449 1
E 圧力入力の O リング 146688 1
図 7. 交換部品及びアクセサリー

Japanese
番号 部品又はアクセサリー 番号 数量
F 9 V アルカリ電池 (ANSI/NEDA 1604A 又は
IEC LR61) 614487 1
G 背面ケース 2397526 1
H ケース用ねじ 832246 3
I 電池収納部ドア留め金具 948609 2
J 滑り止めフット 824466 2
K 電池収納部ドア 609930 1
L アリゲーター・クリップ AC72 1
M テスト・リード・セット TL75 1
N ホルスター (黄色) 2074033 1
O 717 30G LCD ベゼル 663997 1
P 717 100G LCD ベゼル 1638728 1
P 717 300G LCD ベゼル 2545073 1
P 717 500G LCD ベゼル 2545099 1
P 717 1000G LCD ベゼル 2545105 1
P 717 1500G LCD ベゼル 2545110 1
P 717 3000G LCD ベゼル 2545122 1
P 717 5000G LCD ベゼル 2545131 1
P 717 1G LCD ベゼル 2545064 1
Q 使用説明書 (14) 690013 --
図 7. 交換部品及びアクセサリー (続き)
仕様
確度は、校正後 1 年間、作動温度 -10 °C~55 °C の環境下及び次の条件で
の規定です。
圧力仕様
機種
レンジ SI
レンジ
メトリック
最大 SI
最大
メトリック
717-1G (-1~1) PSI (-7~7) kPa 5 PSI 34.5 kPa
717-30G (-12~30) PSI (-83~207) kPa 60 PSI 413 kPa
717-100G (-12~100) PSI (-83~690) kPa 200 PSI 1379 kPa 又
は 1.4 MPa
717-300G (-12~300) PSI (-83~2068) kPa
又は 2.1 MPa 375 PSI 2586 kPa 又
は 2.6 MPa
717-500G (0~500) PSI 3447 kPa 又は
3.4 MPa 1000 PSI 6895 kPa 又
は 6.9 MPa
717-1000G (0~1000) PSI 6895 kPa 又は
6.9 MPa 2000 PSI 13790 kPa 又
は 13.8 MPa
717-1500G (0~1500) PSI 10342 kPa 又は
10.3 MPa 3000 PSI 20684 kPa 又
は 20.7 MPa

Japanese
圧力仕様 (続き)
機種
レンジ SI
レンジ
メトリック
最大 SI
最大
メトリック
717-3000G (0~3000) PSI 20684 kPa 又は
20.7 MPa 6000 PSI 41369 kPa 又
は 41.4 MPa
717-5000G (0~5000) PSI 34474 kPa 又は
34.5 MPa 10000 PSI 68948 kPa 又
は 69 MPa
確度: 圧力確度は、レンジの +/- 0.05%
温度係数:
−10 °C~18 °C 及び 28 °C~55 °C の温度で °C につきレンジの 0.01 %
圧力表示、圧力モジュール入力
レンジ 分解能 確度
圧力モジュールについては、その使用説明書を参照
DC mA 入力
レンジ
分解能
確度、
± (読み値の % + カウント数)
24 mA 0.001 mA 0.015 + 2
過負荷保護:
ヒューズなしの過電圧保護
温度係数:
−10 °C~18 °C 及び 28 °C~55 °C の温度で °C につきレンジの 0.005 %
ループ供給
24 V DC 公称
一般仕様
mA 端子とアース、又は mA 端子間に掛かる最大電圧:
30 V
保管温度域:
−40 °C~60 °C
作動温度域:
−10 °C~55 °C
作動高度:
最高 3000 メートル
相対湿度:
30 °Cまでは 95 %
40 °C までは 75 %
50 °C までは 45 %
55 °C までは 35 %
振動:
ランダム、2 g、MIL-PRF_28800F による 5~500 Hz、クラス 2
衝撃:
IEC 61010-1 による 1 メートル落下
安全性適合:
IEC 61010-1 2nd Edition CAT I、30 V、汚染度 2
CSA C22.2 No. 1010.1
ANSI/ISA S82.02。最大過渡過電圧: 10 秒で 240 VAC
CE:
EN 61326 クラス A、EN61010-1 に準拠

Japanese
保護クラス: クラス 2、二重絶縁
電源:
9 V 電池 1個 (ANSI/NEDA 1604A 又は IEC 6LR61)
寸法:
高さ 34.9 mm x 幅 87 mm x 長さ 187 mm
(高さ 1.55 インチ x 幅 3.41 インチ x 長さ7.35 インチ)
ホルスターと Flex-Stand 装着時: 高さ 52 mm x 幅 98 mm x 長さ
201 mm (高さ 2.06 インチ x 幅 3.86 インチ x 長さ 7.93 インチ )
重量:
369 g (13 oz)、
ホルスターと Flex-Stand 装着時: 624 g (22 oz)
フルーク への連絡
製品に関する情報、操作方法に関するお問い合わせ、保守、又は最寄り
の フルーク 代理店又はサービスセンターのお問い合わせは、次の番号に
ご連絡下さい。
日本: 03-3434-0181
米国: 1-888-99-FLUKE (1-888-993-5853)
カナダ: 1-800-36-FLUKE (1-800-363-5853)
ヨーロッパ: +31-402-678-200
シンガポール: +65-738-5655
その他諸外国: +1-425-446-5500
弊社のウェブサイトもご利用下さい。アドレスは、www.fluke.com (英語)
です。日本語のサイトは、www.fluke.com/jp です。
ウェブ・サイトでの登録は、http://register.fluke.com です。
郵便宛先:
Fluke Corporation Fluke Europe B.V.
P.O. Box 9090, P.O. Box 1186,
Everett, WA 98206-9090 5602 BD Eindhoven
U.S.A. The Netherlands
保証及び責任
本 Fluke 社製品は、材質上及び製造上の欠陥のないことを購入日から起算して 3 年間保証
されています。ヒューズ、使い捨て電池、又は、使用上の間違いが
あったり、変更されたり、無視されたり、汚染されたり、事故若しくは異常な作動や取
り扱いによって損傷したと Fluke が認めた製品は保証の対象になりません。Fluke 認定再販
者は、これ以外の保証又は異なった保証をFluke に代りに行う権限は持っていません。保
証サービスを受けるには、最寄りの Fluke 認定サービス・センターへご連絡いただき、返
送方法に関する情報を入手してから、問題に関する説明を添えて製品を返送して下さ
い。
本保証は購入者の唯一の救済手段であり、ある特定の目的に対する商品性又は適合性に
関する黙示の保証をすべて含むがそれのみに限定されない、明白な又は黙示の他のすべ
ての保証の代りになるものです。データの紛失を含む、あらゆる原因に起因する、特殊
な、間接的、偶然的又は必然的損害又は損失に関して、それが保証の不履行、又は、契
約、不法行為、信用、若しくは他のいかなる理論に基づいて発生したものであっても、
Fluke は一切の責任を負いません。ある国又は州では、黙示の保証の期間に関する制限、
又は、偶然的若しくは必然的損害の除外又は制限を認めていません。したがって、本保
証の上記の制限及び除外規定はある購入者には適用されない場合があります。
11/99