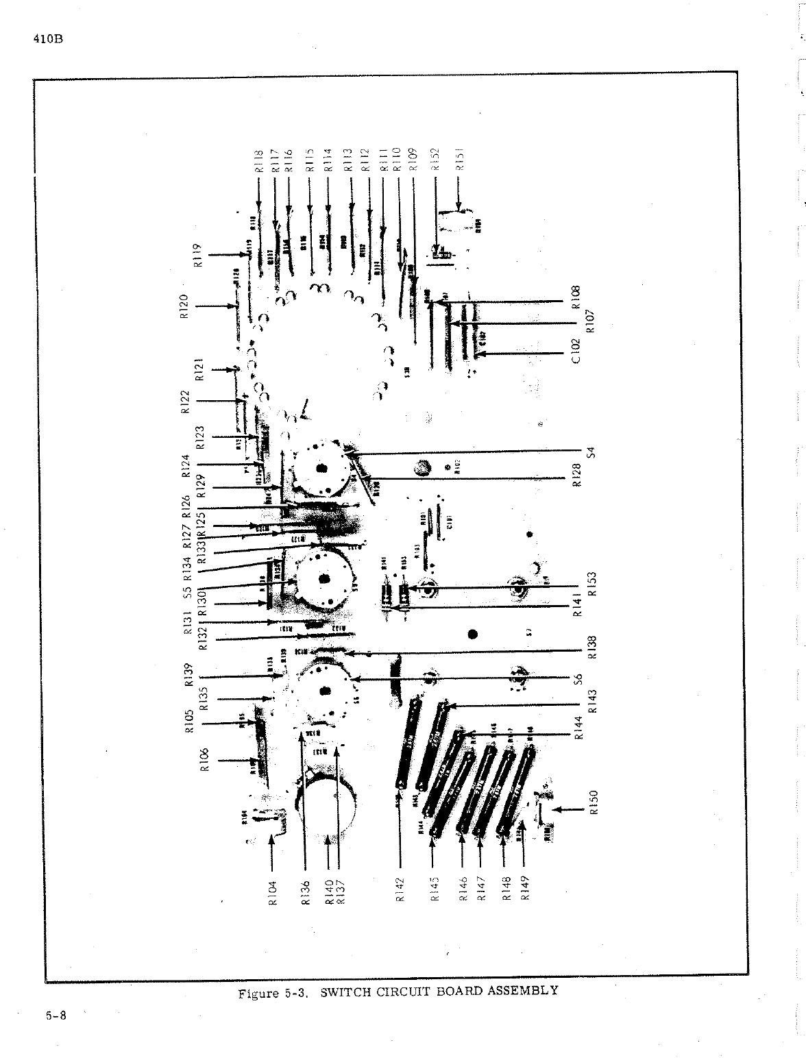
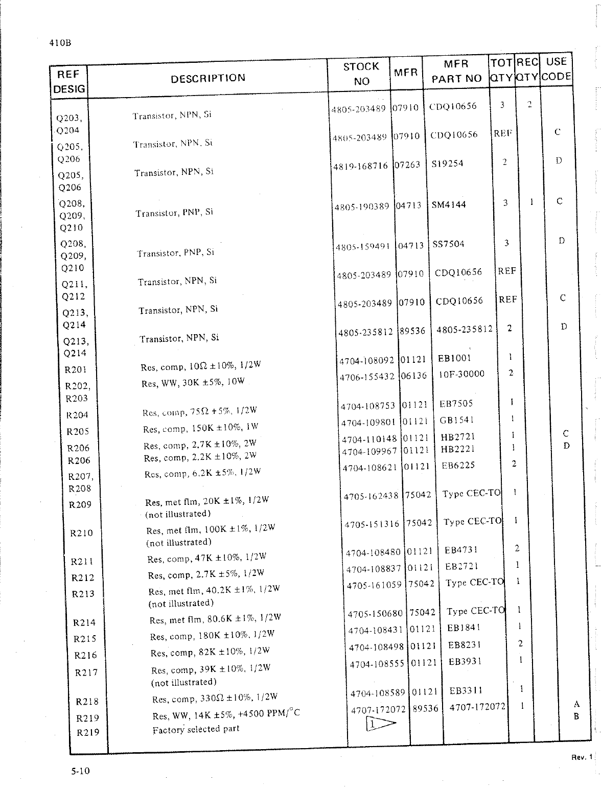
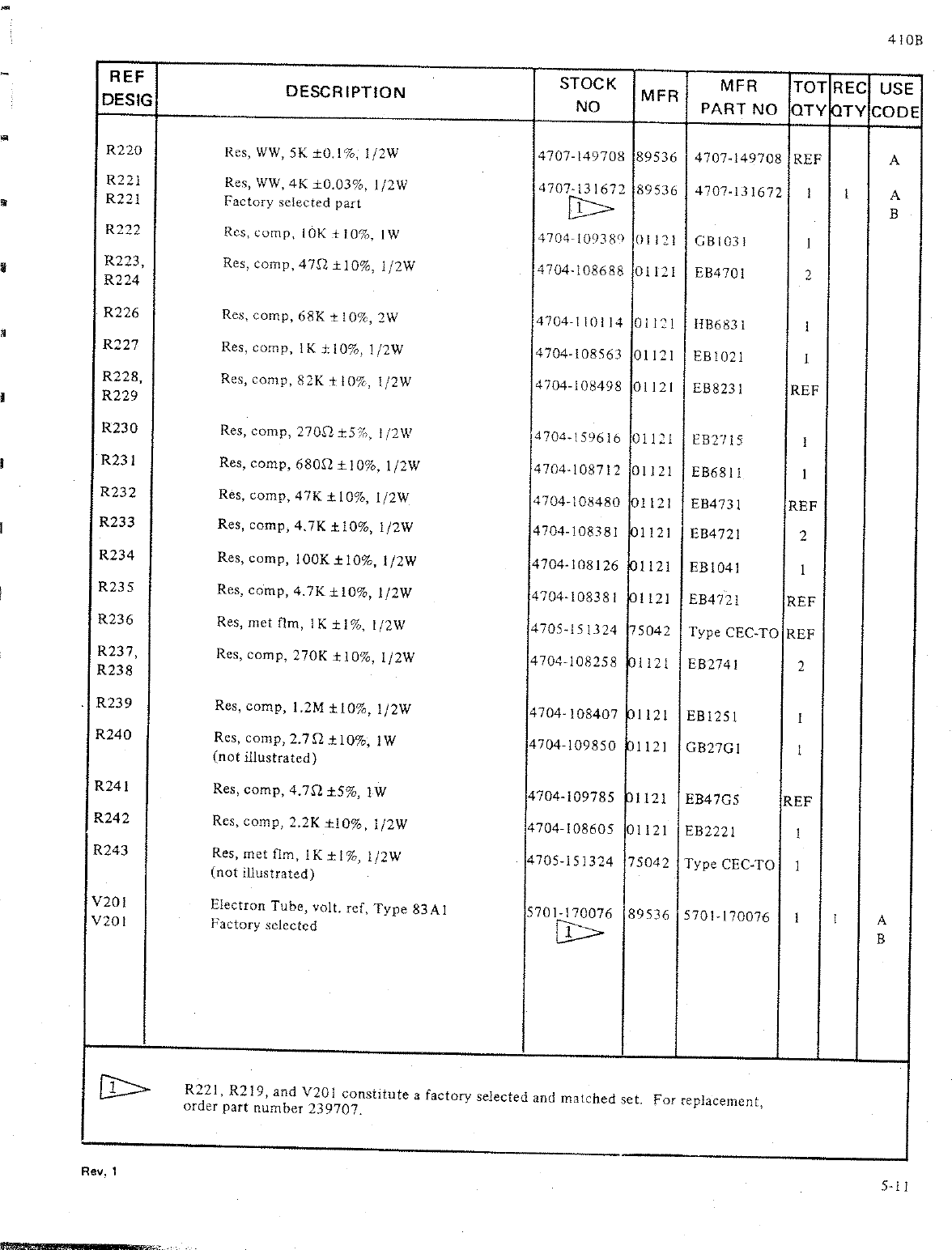
Fluke Welding System 410B Users Manual
410B to the manual f2879e1c-4727-4bee-9461-7c04cb978066
2015-02-02
: Fluke Fluke-Fluke-Welding-System-410B-Users-Manual-427993 fluke-fluke-welding-system-410b-users-manual-427993 fluke pdf
Open the PDF directly: View PDF
.
Page Count: 54





















































