FlyAudio 75342 SUBARU 13 Forester User Manual 2
FLYAUDIO CORPORATION SUBARU 13 Forester 2
FlyAudio >
Contents
- 1. User manual 1
- 2. User Manual 2
User Manual 2

Functions and AV operation
positioning, please stay at the same
location, where is preferable open
space,without shield above.
lFirst positioning may need over 3 minutes,
subject to current environment and satellite
signal.
lDO NOT operate the navigation system
while driving, so as to ensure safe driving.
To avoid accident, please operate this
system after safely pulling over the vehicle.
Wireless communication product (e.g.
mobile phone, speed alarm etc.) may
interfere with the receiving of satellite
signal, leading to inconsistent signal
received.
lIf any insulation film or explosion-proof
membrane is installed in your vehicle,
satellite signal may be interfered with.
25
Caution:
lThe traffic units in all areas will adjust
property of road (one-way street, left turn
forbidden etc.) according to local traffic
condition. Please be sure to obey the
local traffic instructions. If the road
condition differs with what the map
shows, please make your own judgment
if this road should be taken.
Map
lAs with rapid urban construction and town
and country highway traffic development,
traffic regulation information of city streets
keeps changing constantly. After launching
for some time, the product may provide
traffic information not exactly matching
actual practice. Driver should be aware of
actual traffic condition, so as to avoid going
against traffic rules.
lAs with the change of traffic regulation or
temporary road control, the instructive
Functions and AV operation
24
( OK ):Click on it to select relevant pathway.
( Cancel):Click on it to cancel pathway.
Keys operation:
Press (NAVI) key on the panel to access to
above navigation software selection screen.
Navigation notes
lGlobalPositionSystem (GPS) is developed
and operated by US Ministry of Defense,
who is entirely in charge of the accuracy and
maintenance of the project. Any alteration
made by this unit may affect the accuracy
and performance of GPS devices.
lPlease use this GPS navigation system
prudently. This system provides with
navigation reference. DO NOT use this
system for accurate measurement of
direction, distance, location and terrain.
lWhen firstly taking GPS satellite
route provided by this navigator may not
be matching actual practice. Please drive
as per actual traffic control or regulation.
lThe navigation routes provided by this
device are for driving reference only. For
example, in driver’s familiar area, it may be
more effective when choosing routes on his
own, rather than following planned routes.
Receive satellite signal
Normally, as long as receiving the signal
fromover 3 satellites,the navigation system
can accurately locate your position, but
sometimes the signal received may be
affected by weather or skyscrapers.

Functions and AV operation
Bluetooth is on, click(Pair).
Otherwise, it’s off and not for matching
mobile.
Del
( ):Receive or dial call key, when in
process, the button turns green.
( ):Hang up. In talking, the button is in
red Press. this button to hand up,
meanwhile it turns grey.
( ):Delete error number.
( Records ):Click on this button to see the
following picture:
27
( )&( ) :See call records.
( Clear all ):Clear all received and dialed
call record.
( Bt Records):Click to see the following
picture:
( Back ) :Return to upper menu.
( Received calls) and ( Dialed calls):
Preserve the most recent 20 received
or dialed calls.
6.Bluetooth telephone control
Click on the Bluetooth functional key in main
menu, as follows:
( Pair ):Click to match Bluetooth mobile
phone.
( Handheld ):Change to receive by mobile
phone.
( Hands Free ):At hand free mode.
( Bluetooth ON ):Gray indicator turns
yellow meanwhile “ ”turn
blue indicating
( CarRecords ):Jump to vehicle record
page.
( Missed Calls ):Missed call list.
( Received Calls ):Received call list.
( Dialed Calls ):Dialed call list.
(SIM Contacts):As it states.
( Phone Contacts ):As it states .
7.Bluetooth music control
Play the music in mobile phone via Bluetooth
Functions and AV operation
26

Functions and AV operation
Bluetooth is on, click(Pair).
Otherwise, it’s off and not for matching
mobile.
Del
( ):Receive or dial call key, when in
process, the button turns green.
( ):Hang up. In talking, the button is in
red Press. this button to hand up,
meanwhile it turns grey.
( ):Delete error number.
( Records ):Click on this button to see the
following picture:
27
( )&( ) :See call records.
( Clear all ):Clear all received and dialed
call record.
( Bt Records):Click to see the following
picture:
( Back ) :Return to upper menu.
( Received calls) and ( Dialed calls):
Preserve the most recent 20 received
or dialed calls.
6.Bluetooth telephone control
Click on the Bluetooth functional key in main
menu, as follows:
( Pair ):Click to match Bluetooth mobile
phone.
( Handheld ):Change to receive by mobile
phone.
( Hands Free ):At hand free mode.
( Bluetooth ON ):Gray indicator turns
yellow meanwhile “ ”turn
blue indicating
( CarRecords ):Jump to vehicle record
page.
( Missed Calls ):Missed call list.
( Received Calls ):Received call list.
( Dialed Calls ):Dialed call list.
(SIM Contacts):As it states.
( Phone Contacts ):As it states .
7.Bluetooth music control
Play the music in mobile phone via Bluetooth
Functions and AV operation
26

Functions and AV operation
29
Brake Override ( ON )、( OFF ):
When it’s ON, DVD or video picture from
auxiliary input can’t be shown until taking
stopping brake. But audio is not affected
by this setting. When it’s OFF, you may
access to DVD or video picture from
auxiliary input at any time.
Information:Click to display the relevant
info about MCU,iPod,Barcode,Bluetooth,
MPEG andUUID, as following picture:
car
Caution:
l
disappears.
reversing live video onto the monitor.
When it’s off, no such live video will be
provided. It remains the original operation
screen.
This function is valid for the cars with
CAN BUS control only.
Auto Dimmer(ON):
Day/night mode button in menu
Turning vehicle light on/off
may control the day mode and night
mode of screen. When turning on the
head lamp, the screen will be in night
mode.When turning off the head lamp,
it’s in day/night mode.
Auto Dimmer(OFF):
When day/night mode button appears in
main menu, press it to adjust the day
mode and night mode of the screen.
Functions and AV operation
28
Auto Switch to GPS ( ON )、( OFF ):
When it’s ( ON ), and 10 seconds after
operation in other page. it will auto switch
to navigation page When it’s (OFF),this
function is turned off.
GPS Voice ( ON )、( OFF ):
When it’s ( ON ),turn on GPS voice.
When it’s ( OFF ),turn off GPS voice.
Rearview Camera ( ON )、( OFF ):
When it’s ( ON ),camera will capture the
(
(
(
(
(
(
8.Setup function control
Press (Settings) button on main menu,
to access to the first page of
(Settings)page:
):Press it to play previous song.
):When mobile phone is connected,
press it to start playback.
):In playback mode, press it topause.
):Press it to stop playing.
):Press it to play next song.
Back):Return to upper setup page.

Functions and AV operation
29
Brake Override ( ON )、( OFF ):
When it’s ON, DVD or video picture from
auxiliary input can’t be shown until taking
stopping brake. But audio is not affected
by this setting. When it’s OFF, you may
access to DVD or video picture from
auxiliary input at any time.
Information:Click to display the relevant
info about MCU,iPod,Barcode,Bluetooth,
MPEG andUUID, as following picture:
car
Caution:
l
disappears.
reversing live video onto the monitor.
When it’s off, no such live video will be
provided. It remains the original operation
screen.
This function is valid for the cars with
CAN BUS control only.
Auto Dimmer(ON):
Day/night mode button in menu
Turning vehicle light on/off
may control the day mode and night
mode of screen. When turning on the
head lamp, the screen will be in night
mode.When turning off the head lamp,
it’s in day/night mode.
Auto Dimmer(OFF):
When day/night mode button appears in
main menu, press it to adjust the day
mode and night mode of the screen.
Functions and AV operation
28
Auto Switch to GPS ( ON )、( OFF ):
When it’s ( ON ), and 10 seconds after
operation in other page. it will auto switch
to navigation page When it’s (OFF),this
function is turned off.
GPS Voice ( ON )、( OFF ):
When it’s ( ON ),turn on GPS voice.
When it’s ( OFF ),turn off GPS voice.
Rearview Camera ( ON )、( OFF ):
When it’s ( ON ),camera will capture the
(
(
(
(
(
(
8.Setup function control
Press (Settings) button on main menu,
to access to the first page of
(Settings)page:
):Press it to play previous song.
):When mobile phone is connected,
press it to start playback.
):In playback mode, press it topause.
):Press it to stop playing.
):Press it to play next song.
Back):Return to upper setup page.

( TV):WhenTV setup is (ON), turn on TV
function; when TV setup is (OFF),
convert to XM Radio (for use out of
China only).
24 Hour Clock( ON )、( OFF ):
When it’s ( ON ),the time is in 24-hour
system; When it’s ( OFF ),the time is in
12-hour system.
( Turn On Volume ): Use ( )& ( )to adjust
volume output.
( Button Back Lighting ):
Use( ) &( )keys to setup the
brightness of panel indicators, in
consistent with other keys.
(Turner Region ): Use( )&( ) keys to
select the radio channel of your desired
nation.
Time Set:Click (Time Set) button to setup,
as following picture:
Functions and AV operation
31
“Default”:Click on the default style.
“Apply”:Click to apply the selected style.
“Cancel”:Click to cancel the selected
style.
“Next”:Jump to the next style setup page.
“ Back ”:Return to the setup page of
upper level.
( Language):Use ( )&( ) to switch
language.
Press (Next) button to 2nd (Settings)
page,As following picture:
Functions and AV operation
30
( System Style ):Click button(Set) to open
style setup page, with a variety of style
available, as follows:
Tire pressure:Display vehicle & set up
relevant in-car info.
Style:Click on(Style) icon, as follows:
(Colour Set): Personalize page color, as
following picture:
"-””+”:Add or reduce RGB color value.
Including: "Blue", "Orange", "Green",
"Yellow".
For quick switching system color,user may
use R, G, B tocustomize color style,
press and hold the definition to
save it.

( TV):WhenTV setup is (ON), turn on TV
function; when TV setup is (OFF),
convert to XM Radio (for use out of
China only).
24 Hour Clock( ON )、( OFF ):
When it’s ( ON ),the time is in 24-hour
system; When it’s ( OFF ),the time is in
12-hour system.
( Turn On Volume ): Use ( )& ( )to adjust
volume output.
( Button Back Lighting ):
Use( ) &( )keys to setup the
brightness of panel indicators, in
consistent with other keys.
(Turner Region ): Use( )&( ) keys to
select the radio channel of your desired
nation.
Time Set:Click (Time Set) button to setup,
as following picture:
Functions and AV operation
31
“Default”:Click on the default style.
“Apply”:Click to apply the selected style.
“Cancel”:Click to cancel the selected
style.
“Next”:Jump to the next style setup page.
“ Back ”:Return to the setup page of
upper level.
( Language):Use ( )&( ) to switch
language.
Press (Next) button to 2nd (Settings)
page,As following picture:
Functions and AV operation
30
( System Style ):Click button(Set) to open
style setup page, with a variety of style
available, as follows:
Tire pressure:Display vehicle & set up
relevant in-car info.
Style:Click on(Style) icon, as follows:
(Colour Set): Personalize page color, as
following picture:
"-””+”:Add or reduce RGB color value.
Including: "Blue", "Orange", "Green",
"Yellow".
For quick switching system color,user may
use R, G, B tocustomize color style,
press and hold the definition to
save it.

Functions and AV operation
33
"Mode":Click to highlight it, and click the
corresponding key in steering wheel,
and click apply to successfully set up
your desired shortcut key. Other key
functions are the same as those of
“mode” operation.
(System Reset ):Click on system reset key to
restart the mainframe CPU and GPS
system.
( System Update ):Product software update.
“ Back ”:Press it to return to setup page.
( Timezone):Use ( ) & ( ) buttons to
select your desired time zone.
( Steering Wheel to Select):When steering
wheel study is(ON),you may then
use( ) & ( ) to select steering wheel .
( Steering Wheel Custom):When it’s
(OFF), turn off steering wheel study,
steering wheel becomes default.
When it’s (ON), click to access to
(study) operation page, as follows:
Functions and AV operation
32
and accurately use finger or touch pen
to hit the center of cross cursor in order.
After successfully verifying, cross cursor
disappears, 30 seconds count-down starts
at the center of screen. In such time hit on
the screen to confirm the verify data,
Otherwise the verification is invalid, as
follows:
(Next): Return to upper setup page, press
(Next) button to access to page 3 of
(Settings) page, as following picture:
“ ”and“ ”:Set up relevant time:
parameters of the system.
“ Back ”:Press it to return to setuppage.
Screen verifying:When touch screen
becomes insensitive or with drifting
sign, it’s needed to verify the touch
screen area, in following steps:
Start up the system, “notes” page
appears, when seeing “agree” button,
press and hold the screen for 3
seconds. A white page appears, follow
the text prompt on the screen, slightly

Functions and AV operation
33
"Mode":Click to highlight it, and click the
corresponding key in steering wheel,
and click apply to successfully set up
your desired shortcut key. Other key
functions are the same as those of
“mode” operation.
(System Reset ):Click on system reset key to
restart the mainframe CPU and GPS
system.
( System Update ):Product software update.
“ Back ”:Press it to return to setup page.
( Timezone):Use ( ) & ( ) buttons to
select your desired time zone.
( Steering Wheel to Select):When steering
wheel study is(ON),you may then
use( ) & ( ) to select steering wheel .
( Steering Wheel Custom):When it’s
(OFF), turn off steering wheel study,
steering wheel becomes default.
When it’s (ON), click to access to
(study) operation page, as follows:
Functions and AV operation
32
and accurately use finger or touch pen
to hit the center of cross cursor in order.
After successfully verifying, cross cursor
disappears, 30 seconds count-down starts
at the center of screen. In such time hit on
the screen to confirm the verify data,
Otherwise the verification is invalid, as
follows:
(Next): Return to upper setup page, press
(Next) button to access to page 3 of
(Settings) page, as following picture:
“ ”and“ ”:Set up relevant time:
parameters of the system.
“ Back ”:Press it to return to setuppage.
Screen verifying:When touch screen
becomes insensitive or with drifting
sign, it’s needed to verify the touch
screen area, in following steps:
Start up the system, “notes” page
appears, when seeing “agree” button,
press and hold the screen for 3
seconds. A white page appears, follow
the text prompt on the screen, slightly

Optional function
( Menu ) :Program setup menu.
Program :Press it to watch the preset TV
channel.
Prev :Choose previous channel.
: In (TV)page, use this button
to move the cursor from all
directions, press (OK) button
to select it.
(Hint: / may adjust
volume).
In main menu, press (Tpms) button to access
to the management page as follows:
()
()
()
()
TPMS setup
Next :Choose next channel.
Stop/Back :Cancel/return to an operation.
35
( Pair ) :Match tire pressure and
sensor.
Press (TPMS Set) button to access to setup
page:
temperature
Optional function
34
Optional function
Back LCD
Click on (Back LCD) to access to setup
page,as following picture:
( DVD Mode):Press it to select playing Disc.
( Press it to play previous song or track.
( When Disc is in, press it to start
playback;When the Disc is
playing,press it to pause.When it’s
paused and press it resume
normal playback.
):
):
stopped,
( ): Press it to stop playing Disc.
( ):Press it play next track or song.
( Back)Return to main menu setup.
:
Watch TV program
Click on the (TV) button on the main menu to
see following picture:
( Scan ) :Click to auto search TV channel.
( Setup ) :The same as (DVD) setup(see
for reference).
P-13

Optional function
( Menu ) :Program setup menu.
Program :Press it to watch the preset TV
channel.
Prev :Choose previous channel.
: In (TV)page, use this button
to move the cursor from all
directions, press (OK) button
to select it.
(Hint: / may adjust
volume).
In main menu, press (Tpms) button to access
to the management page as follows:
()
()
()
()
TPMS setup
Next :Choose next channel.
Stop/Back :Cancel/return to an operation.
35
( Pair ) :Match tire pressure and
sensor.
Press (TPMS Set) button to access to setup
page:
temperature
Optional function
34
Optional function
Back LCD
Click on (Back LCD) to access to setup
page,as following picture:
( DVD Mode):Press it to select playing Disc.
( Press it to play previous song or track.
( When Disc is in, press it to start
playback;When the Disc is
playing,press it to pause.When it’s
paused and press it resume
normal playback.
):
):
stopped,
( ): Press it to stop playing Disc.
( ):Press it play next track or song.
( Back)Return to main menu setup.
:
Watch TV program
Click on the (TV) button on the main menu to
see following picture:
( Scan ) :Click to auto search TV channel.
( Setup ) :The same as (DVD) setup(see
for reference).
P-13

Playable Disc type
Disc label side, package box and package
bag have the following marks.
Caution:
Is a reistered remark of DVD Format/
Logo licensing Corporation
TM
Playable Disc
type and mark
Size/sides
Longest playing
DVD DVD
(MPEG2format)
12cm/singe side
1 side2 sides
133min
240min
12cm/double sides
1 side2 sides
266min
484min
CD
CD
12cm/single side
74min
COMPACT
DIGITAL AUDIO
TM
COMPACT
DIGITAL AUDIO
TEXT
lPart of functions can’t be used in DVD/CD
Disc.
DVD-R/RW disc is for playing the files in
Vid-eo format.
Files in VR format can’t be played in DVD-
RW Disc.
For playing the Disc burnt by PC, but
sometimes it can’t be played subject to
application setting or environment. Title or
other text information may not be displayed
in this machine.
DVD-R/RW Disc burnt in video format and
music CD or PC-burnt CD-R/CD-RW may
not be able to play in this machine, due to
scratch, stain or internal lens dirt or dew.
Sometimes, due to direct sunlight or high
temperature or abnormal condition in
vehicle,CD-R/RW Disc may not start to play.
Unable to play any CD-R/RW Disc burnt in
DDCD (Double Density CD) format, and
unverified CD-R/RW, DVD-R/RW Disc. Only
the Discs with above labels can be played in
l
l
l
l
l
l
37
Playable Disc type
36
Optional function
Click( )&( ) to set up related parameters.
Press(Next) button, to enter the following
picture:
( ) ( )button can set up tire pressure
alarm type.(OFF
).
( Back) :Press to return to previous
operation page.
l
&
、RING、TEXT
WARNING
(Clear) :Click(clear)button to see the
following page, And press(Yes)
key to clear related tire pressure
matching information.

Playable Disc type
Disc label side, package box and package
bag have the following marks.
Caution:
Is a reistered remark of DVD Format/
Logo licensing Corporation
TM
Playable Disc
type and mark
Size/sides
Longest playing
DVD DVD
(MPEG2format)
12cm/singe side
1 side2 sides
133min
240min
12cm/double sides
1 side2 sides
266min
484min
CD
CD
12cm/single side
74min
COMPACT
DIGITAL AUDIO
TM
COMPACT
DIGITAL AUDIO
TEXT
lPart of functions can’t be used in DVD/CD
Disc.
DVD-R/RW disc is for playing the files in
Vid-eo format.
Files in VR format can’t be played in DVD-
RW Disc.
For playing the Disc burnt by PC, but
sometimes it can’t be played subject to
application setting or environment. Title or
other text information may not be displayed
in this machine.
DVD-R/RW Disc burnt in video format and
music CD or PC-burnt CD-R/CD-RW may
not be able to play in this machine, due to
scratch, stain or internal lens dirt or dew.
Sometimes, due to direct sunlight or high
temperature or abnormal condition in
vehicle,CD-R/RW Disc may not start to play.
Unable to play any CD-R/RW Disc burnt in
DDCD (Double Density CD) format, and
unverified CD-R/RW, DVD-R/RW Disc. Only
the Discs with above labels can be played in
l
l
l
l
l
l
37
Playable Disc type
36
Optional function
Click( )&( ) to set up related parameters.
Press(Next) button, to enter the following
picture:
( ) ( )button can set up tire pressure
alarm type.(OFF
).
( Back) :Press to return to previous
operation page.
l
&
、RING、TEXT
WARNING
(Clear) :Click(clear)button to see the
following page, And press(Yes)
key to clear related tire pressure
matching information.

How to use Disc
How to use Disc
1,Notes of handling Disc
DO NOT use any Disc with crack or stain, or
bended.
DO NOT use abnormal (non-perfect
rounded) Disc, so as not to cause failure.
DO NOT touch the info side (with gloss) of
the Disc when handling it. DO NOT hurt the
Disc.
DO NOT stick paper or label on the Disc.
l
l
l
l
2,About maintenance
If the Disc is covered with dirt, please use
clean soft cloth to wipe the Disc from inside
out.
lDO NOT adhere volatile or diluentsdiluent
onto the Disc. Besides, DO NOT use the
cleaner for analogue recorder or antistatic
agent.
3,Notes of preservation
DO NOT expose the Disc under direct
sunshine or where is at high temp.
Keep the Disc in box, so as to avoid
bending.
l
l
l
Diluents Volatile
Oil
Recorder
Cleaner
3938
Use of the monitor
Use the monitor correctly
1. Notes of use
DO NOT expose the monitor under direct
sunlight or high temperature area,
otherwise, LCD failure may happen.
When not using this machine, please avoid
exposing the monitor to direct sunlight.
Use the monitor within the following
temperature range:
Temp. range of use:-10 ~+50
Temp. range of preservation : -20 ~+80
For easy watching in vehicle, LCD monitor
sticks out. Please DO NOT press with LCD
monitor surface with strength, as it could
lead to failure. When slightly touching the
monitor, except verifying the coordinator,
please make sure using finger to softly
touch it, otherwise, it maybe damaged or
sticking with dirt.
In vehicle installed with the likes of safeair
bag, please note DO NOT hinder the
l
l
l
℃ ℃
℃ ℃
l
l
working of safety device.
2. About LCD screen
The LCD monitor sometimes may be with a
black dot or a flashing dot (bright dot). This
is a unique phenomena of LCD monitor,
rather than failure.
When using it in cold area, afte connecting
to power, the screen may be dim initially.
After a while, the brightness will resume
normal.
If with direct sunlight on LCD monitor, the
screen may be unclear due to light
reflection.
3. About maintenance
When cleansing the dirt on screen, please
turn off power and use soft cloth to wipe it.
When wiping monitor, please avoid
scratching by fingernail.
DO NOT use wet cloth, volatile oil or
diluents.
l
l
l
l
l
l

How to use Disc
How to use Disc
1,Notes of handling Disc
DO NOT use any Disc with crack or stain, or
bended.
DO NOT use abnormal (non-perfect
rounded) Disc, so as not to cause failure.
DO NOT touch the info side (with gloss) of
the Disc when handling it. DO NOT hurt the
Disc.
DO NOT stick paper or label on the Disc.
l
l
l
l
2,About maintenance
If the Disc is covered with dirt, please use
clean soft cloth to wipe the Disc from inside
out.
lDO NOT adhere volatile or diluentsdiluent
onto the Disc. Besides, DO NOT use the
cleaner for analogue recorder or antistatic
agent.
3,Notes of preservation
DO NOT expose the Disc under direct
sunshine or where is at high temp.
Keep the Disc in box, so as to avoid
bending.
l
l
l
Diluents Volatile
Oil
Recorder
Cleaner
3938
Use of the monitor
Use the monitor correctly
1. Notes of use
DO NOT expose the monitor under direct
sunlight or high temperature area,
otherwise, LCD failure may happen.
When not using this machine, please avoid
exposing the monitor to direct sunlight.
Use the monitor within the following
temperature range:
Temp. range of use:-10 ~+50
Temp. range of preservation : -20 ~+80
For easy watching in vehicle, LCD monitor
sticks out. Please DO NOT press with LCD
monitor surface with strength, as it could
lead to failure. When slightly touching the
monitor, except verifying the coordinator,
please make sure using finger to softly
touch it, otherwise, it maybe damaged or
sticking with dirt.
In vehicle installed with the likes of safeair
bag, please note DO NOT hinder the
l
l
l
℃ ℃
℃ ℃
l
l
working of safety device.
2. About LCD screen
The LCD monitor sometimes may be with a
black dot or a flashing dot (bright dot). This
is a unique phenomena of LCD monitor,
rather than failure.
When using it in cold area, afte connecting
to power, the screen may be dim initially.
After a while, the brightness will resume
normal.
If with direct sunlight on LCD monitor, the
screen may be unclear due to light
reflection.
3. About maintenance
When cleansing the dirt on screen, please
turn off power and use soft cloth to wipe it.
When wiping monitor, please avoid
scratching by fingernail.
DO NOT use wet cloth, volatile oil or
diluents.
l
l
l
l
l
l

Trouble shooting
Common problems
Unable to power on.
Not working.
All leads and connectors
are not correctly connected. Reconfirm stable connection.
Blown fuse. Check reason of blown fuse, and replace
it with the fuse of the same specification.
For noise reason, built-in
computer error. Press reset button.
No response to touch key on screen,
or being insensitive.
Touch key shifting over actual
reaction location.
Conduct Touch
screen coordinate
verifying.
Unable to play.
Disc with dirt. Clean the dirt on Disc.
Unacceptable Disc type. Confirm Disc.
With wrong Disc side up. Insert Disc with label side up.
Turn on the ACC of vehicle(start
engine), with engine sound. Confirm the Disc is inserted. Normal working.
Black dot or bright dot on LCD screen. Unique LCD phenomena,
rather than failure.
41
Trouble Reason Solution
Trouble shooting
function will be triggered, and some functions
will be stopped.
Trouble shooting
40
4. About Disc Playback Pnvironment
While driving, Disc data can’t be correctly
read due to vibration.
In low temp environment, please play
the Disc upon turning on heater. Due to
lens or Disc player could be with
moisture condensation (condensation
effect), normal playback may not be able
to start. At this time, wait for about a
hour, until the dew is evaporated, and
then use soft cloth to wipe out the dew
remained on the Disc.
When temperature rises, protection
l
l
l
Still unable to fix it
Please consult with the customer
services department of the
manufacturer
Unable to fix it after checking
Reset the machine as factory
default
When with trouble
Please refer to the following table
before sending to maintenance

Trouble shooting
Common problems
Unable to power on.
Not working.
All leads and connectors
are not correctly connected. Reconfirm stable connection.
Blown fuse. Check reason of blown fuse, and replace
it with the fuse of the same specification.
For noise reason, built-in
computer error. Press reset button.
No response to touch key on screen,
or being insensitive.
Touch key shifting over actual
reaction location.
Conduct Touch
screen coordinate
verifying.
Unable to play.
Disc with dirt. Clean the dirt on Disc.
Unacceptable Disc type. Confirm Disc.
With wrong Disc side up. Insert Disc with label side up.
Turn on the ACC of vehicle(start
engine), with engine sound. Confirm the Disc is inserted. Normal working.
Black dot or bright dot on LCD screen. Unique LCD phenomena,
rather than failure.
41
Trouble Reason Solution
Trouble shooting
function will be triggered, and some functions
will be stopped.
Trouble shooting
40
4. About Disc Playback Pnvironment
While driving, Disc data can’t be correctly
read due to vibration.
In low temp environment, please play
the Disc upon turning on heater. Due to
lens or Disc player could be with
moisture condensation (condensation
effect), normal playback may not be able
to start. At this time, wait for about a
hour, until the dew is evaporated, and
then use soft cloth to wipe out the dew
remained on the Disc.
When temperature rises, protection
l
l
l
Still unable to fix it
Please consult with the customer
services department of the
manufacturer
Unable to fix it after checking
Reset the machine as factory
default
When with trouble
Please refer to the following table
before sending to maintenance

43
DVD Video
The Disc inserted can only be
played from Disc menu. Play from Disc menu.
When brake cable is detected ON, no image can
be played while driving, but with music only.
Unable to play.
No image display.
Access to navigation picture. Press(AV) button to switch picture.
Standstill picture and slow playback
are without sound accompanied.
No sound. Standstill picture, in slow motion.
Unable to switch audio and
subtitle language.
The DVD is recorded with 1
language soundtrack only.
Limited switching from Disc
menu only.
Unable to switch over the Disc recorded
with 1 language soundtrack only.
Switch over Disc menu.
Unable to execute initial setup audio
and subtitle language.
The DVD isn’t recorded with
initial setup language.
Such DVD is unable to switch to the
selected language.
When playing Disc, picture chaos
or dim.
The Disc is recorded with
copy-forbidden signal.
(It may be recorded subject to Discs).
As the system is with function of
preventing from analogue copying,
when playing Disc recorded with
copy-forbidden signal, some monitors
may appear horizontal stripes,This is not
failure.
Trouble shooting
Trouble Reason Solution
Vehicle is driving.
Trouble shooting
42
Dark LCD picture.
No sound.
No navigation system image display.
No sound from front or rear speaker
No sound from left or right speaker.
Low surrounding temp leads to dark monitor.
Use heater to warm up the interior vehicle.
Increase volume.
Confirm correct connection.
Connect to parking brake and
execute it.
Press POWERkey or touch the
screen.
Switch the image into navigation
system.
Correct adjustment and setup.
Improper Brightness adjustment.
Too cold in the vehicle.
Volume is 0.
Connection error.
Not connect to parking
brake line.
No parking brake.
Turn off monitor.
Not being switched to navigation.
Improper volume adjustment in
front or rear speaker.
Improper volume adjustment
in left or right speaker.
Adjust brightness.
No image display.
.

43
DVD Video
The Disc inserted can only be
played from Disc menu. Play from Disc menu.
When brake cable is detected ON, no image can
be played while driving, but with music only.
Unable to play.
No image display.
Access to navigation picture. Press(AV) button to switch picture.
Standstill picture and slow playback
are without sound accompanied.
No sound. Standstill picture, in slow motion.
Unable to switch audio and
subtitle language.
The DVD is recorded with 1
language soundtrack only.
Limited switching from Disc
menu only.
Unable to switch over the Disc recorded
with 1 language soundtrack only.
Switch over Disc menu.
Unable to execute initial setup audio
and subtitle language.
The DVD isn’t recorded with
initial setup language.
Such DVD is unable to switch to the
selected language.
When playing Disc, picture chaos
or dim.
The Disc is recorded with
copy-forbidden signal.
(It may be recorded subject to Discs).
As the system is with function of
preventing from analogue copying,
when playing Disc recorded with
copy-forbidden signal, some monitors
may appear horizontal stripes,This is not
failure.
Trouble shooting
Trouble Reason Solution
Vehicle is driving.
Trouble shooting
42
Dark LCD picture.
No sound.
No navigation system image display.
No sound from front or rear speaker
No sound from left or right speaker.
Low surrounding temp leads to dark monitor.
Use heater to warm up the interior vehicle.
Increase volume.
Confirm correct connection.
Connect to parking brake and
execute it.
Press POWERkey or touch the
screen.
Switch the image into navigation
system.
Correct adjustment and setup.
Improper Brightness adjustment.
Too cold in the vehicle.
Volume is 0.
Connection error.
Not connect to parking
brake line.
No parking brake.
Turn off monitor.
Not being switched to navigation.
Improper volume adjustment in
front or rear speaker.
Improper volume adjustment
in left or right speaker.
Adjust brightness.
No image display.
.

Abbreviation for “Compact Disk Digital Audio”, means
uncompressed common CD.
CD-DA
MP3(MPEG Audio Layer3)
“MPEG Audio Layer3” means MP3,sound compression
format specified by Moving Picture Expert Group(MPEG)
of ISO(international standard organization).MP3 could
compress the sound to 1/10 of original data content
ISO9660 Format
According to international standard of CD-ROM file and
folder logical format. ISO9660 format is limited by
following level:
Level 1:File name is 8.3 type (comprising of capital
English letters and number, and “-”,with name less
than 8 characters,extension name less than 3
characters),all folders have no more than 8 levels.
Level 2:File name is with up to 31 characters
(Including separating character,"-“ and extension name),
All file folders are with no more than 8 levels.
Jolier:Max.64 characters in file name
Romeo: Max.128 characters in file name
Multi-segment burning is a data written way to supply
additional data. When burning CD-ROM, CD-R and
CD-RW, the process from beginning to ending one
burning makes a segment. Multi-segment burning is
to burn more than two segments of data on one Disc.
Multi-segment writing
Id3 Tag
An approach to embed the relevant info of a song into
MP3 file. The info for embedding comprises of song
name, artist name, album name, device type, produ-
ction year and comment etc. The content can be edit-
ed by software with ID3 Tag editing function. Usually
it is limited by character number. When playing songs,
the info can be seen.
Byte rate
It is the data provided in 1 second, with unit of bps (bits
per second). The larger number means more playable
information for music, so the larger number means the
better music quality.
45
Terms Definition
Extension format:
44
Trouble shooting
Pictures tagnant, unable to operate.
CD/MP3Disc
With mass noise while playing CD;
suddenly comes to a stop while playing.
Mass noise or no sound while
playing MP3 file.
M P3 files are played in a different
sequence to burning.
Trouble
Wipe out the dirt and play again.
Change to another Disc, if improve, it
proves that it’s Disc problem.
Wipe off the dirt.
Wipe out the mist or water drop.
Please replace the Disc(Don’t attach
[.mp3] extension name to non-MP3 file).
Some files with names like **01, **02…
can be played as per set sequence.
Solution
Unable to read data when
playing Disc.
Scratching or bending the Disc.
Disc is very dirty.
The Disc is sticking with mist
or water drop.
Non-MP3 file is attached with
[.mp3] extension name.
M P3 files sometimes aren’t played
as per the burning sequence.
Reason
Terms Definition
1. CD/MP3 Disc

Abbreviation for “Compact Disk Digital Audio”, means
uncompressed common CD.
CD-DA
MP3(MPEG Audio Layer3)
“MPEG Audio Layer3” means MP3,sound compression
format specified by Moving Picture Expert Group(MPEG)
of ISO(international standard organization).MP3 could
compress the sound to 1/10 of original data content
ISO9660 Format
According to international standard of CD-ROM file and
folder logical format. ISO9660 format is limited by
following level:
Level 1:File name is 8.3 type (comprising of capital
English letters and number, and “-”,with name less
than 8 characters,extension name less than 3
characters),all folders have no more than 8 levels.
Level 2:File name is with up to 31 characters
(Including separating character,"-“ and extension name),
All file folders are with no more than 8 levels.
Jolier:Max.64 characters in file name
Romeo: Max.128 characters in file name
Multi-segment burning is a data written way to supply
additional data. When burning CD-ROM, CD-R and
CD-RW, the process from beginning to ending one
burning makes a segment. Multi-segment burning is
to burn more than two segments of data on one Disc.
Multi-segment writing
Id3 Tag
An approach to embed the relevant info of a song into
MP3 file. The info for embedding comprises of song
name, artist name, album name, device type, produ-
ction year and comment etc. The content can be edit-
ed by software with ID3 Tag editing function. Usually
it is limited by character number. When playing songs,
the info can be seen.
Byte rate
It is the data provided in 1 second, with unit of bps (bits
per second). The larger number means more playable
information for music, so the larger number means the
better music quality.
45
Terms Definition
Extension format:
44
Trouble shooting
Pictures tagnant, unable to operate.
CD/MP3Disc
With mass noise while playing CD;
suddenly comes to a stop while playing.
Mass noise or no sound while
playing MP3 file.
M P3 files are played in a different
sequence to burning.
Trouble
Wipe out the dirt and play again.
Change to another Disc, if improve, it
proves that it’s Disc problem.
Wipe off the dirt.
Wipe out the mist or water drop.
Please replace the Disc(Don’t attach
[.mp3] extension name to non-MP3 file).
Some files with names like **01, **02…
can be played as per set sequence.
Solution
Unable to read data when
playing Disc.
Scratching or bending the Disc.
Disc is very dirty.
The Disc is sticking with mist
or water drop.
Non-MP3 file is attached with
[.mp3] extension name.
M P3 files sometimes aren’t played
as per the burning sequence.
Reason
Terms Definition
1. CD/MP3 Disc

47
Specification
(As the product keeps improving, if with
change of specification, please forgive that
we won’t have separated notice)
Universal
lMax current consumption:10.0A.
PowerDC14.4V(Usable11V~16V).
Grounding:Negative pole grounding.
External image input level:1V p-p(75Ω
load).
External audio max input level1.5V/22KΩ.
Image output level:1V p-p(75Ω load)
(white100%output /when playing DVD).
GPS
lApproach:L1、C/A code GPS
SPSstandard. positioning service.
Receiving way:12 channels.
Receiving frequency:1 575.42MHz.
Sensitivity:-130dBm.
Amplifier and audio parts
DVDplayer parts
lRated power output:22W X 4(10%T.H.D).
Max. power output:45W X 4.
Load impedance:4Ω.
lSupport Disc:DVD-ROM、DVD-VIDEO、
DVD-R(video mode) /RW (video mode)、
CD-ROM 、CD-DA 、CD-R/RW .
Area No.:6 .
Signal format(Sampling rate)
(DVDvalue):48/96 K
(CDvalue):44.1 K
Signal format(quantization B it)
(DVDvalue):16/20/24B it line
(CDvalue):16B it line
Frequency response:20Hz~20KHz(±3)
Audio SNR:≥65dB.
hz
hz
dB
Specification
46
Terms Definition
VBR(Variable Bit Rate)
“Variable Bit Rate” is short for VBR, commo-
nly known CBR(Constant bit rate).When
compressing audio,bit rate is variable as per
compression condition.
PacketWrite
Like using floppy disk and hard disk, write the
des ire d file into the likes of CD-R.
Extension file name of playable file(.m3u),
attaching to the playback file list made by WINAMP.
m3u
2. DVD Video
Title
DVD has mass content—1 Disc can hold several
movies. For example, there are 3 movies in
it---mov1,mov2, mov3. All file names can be
inquired.
Chapter
DVD titled content is divided into several
segments with identifiers, for chapter inquiry.
Typically, TV camera shoots program at certain
angles, with only 1 angle in playback. Some DVDs
comprise of all shooting angles for viewers to choose
DVD may comprise of multiple soundtracks,
for you to choose language.
Multi-subtitle(Subheading)
DVD may comprise of subtitles up to 32 languages.
Viewer may self-define his own language.。
DVD player and DVD Disc are with different playing
area codes for every sales area. If the Disc doesn’t
comprise of the code in the player, playback can’t be
started. The area code of this machine is (6).
Multi-angle
Multi-soundtrack
Area Code

47
Specification
(As the product keeps improving, if with
change of specification, please forgive that
we won’t have separated notice)
Universal
lMax current consumption:10.0A.
PowerDC14.4V(Usable11V~16V).
Grounding:Negative pole grounding.
External image input level:1V p-p(75Ω
load).
External audio max input level1.5V/22KΩ.
Image output level:1V p-p(75Ω load)
(white100%output /when playing DVD).
GPS
lApproach:L1、C/A code GPS
SPSstandard. positioning service.
Receiving way:12 channels.
Receiving frequency:1 575.42MHz.
Sensitivity:-130dBm.
Amplifier and audio parts
DVDplayer parts
lRated power output:22W X 4(10%T.H.D).
Max. power output:45W X 4.
Load impedance:4Ω.
lSupport Disc:DVD-ROM、DVD-VIDEO、
DVD-R(video mode) /RW (video mode)、
CD-ROM 、CD-DA 、CD-R/RW .
Area No.:6 .
Signal format(Sampling rate)
(DVDvalue):48/96 K
(CDvalue):44.1 K
Signal format(quantization B it)
(DVDvalue):16/20/24B it line
(CDvalue):16B it line
Frequency response:20Hz~20KHz(±3)
Audio SNR:≥65dB.
hz
hz
dB
Specification
46
Terms Definition
VBR(Variable Bit Rate)
“Variable Bit Rate” is short for VBR, commo-
nly known CBR(Constant bit rate).When
compressing audio,bit rate is variable as per
compression condition.
PacketWrite
Lik e using floppy disk and hard disk, write the
des ired file into the likes of CD- R.
Extension file name of playable file(.m3u),
attaching to the playback file list made by WINAMP.
m3u
2. DVD Video
Title
DVD has mass content—1 Disc can hold several
movies. For example, there are 3 movies in
it---mov1,mov2, mov3. All file names can be
inquired.
Chapter
DVD titled content is divided into several
segments with identifiers, for chapter inquiry.
Typically, TV camera shoots program at certain
angles, with only 1 angle in playback. Some DVDs
comprise of all shooting angles for viewers to choose
DVD may comprise of multiple soundtracks,
for you to choose language.
Multi-subtitle(Subheading)
DVD may comprise of subtitles up to 32 languages.
Viewer may self-define his own language.。
DVD player and DVD Disc are with different playing
area codes for every sales area. If the Disc doesn’t
comprise of the code in the player, playback can’t be
started. The area code of this machine is (6).
Multi-angle
Multi-soundtrack
Area Code

Specification
Dimension and size
lInstallation size of navigation system
mainframe:
178(W) x 100(H) x165 (D)mm.
GPSAntenna:
39(W) x 15.5(H) x48.5 (D)mm.
lTotal weight:about 2.5kg.
49
Specification
Monitor part
lScreen size:6.5inch、6.95inch、8.0inch.
Display area:144X78.4、158X83.6、
177.64X100.35.
Pixel resolution:800x480.
Approach: TFT active matrix, transparent.
Edge illumination:Cold cathode L tube.
Color system:NTSC/PALcompatible.
Temperature range for working:
-10 ℃~℃ .
Temperature range for preserving:
-20 ℃~℃ .
Touch screen:Resistance induction
analog(film + glass).
GPS antenna
l
+50
+80
Antenna: Microwave transmission with flat
plane antenna/Right circular. polarization
wave antenna cable length:3.0m.
Channel separation:≥50dB.
Audio distortion plus noise:≤ .
Video output level: ±
Line synchronous amplitude: ±
FM tuner parts
Frequency band:87.5 ~ ).
Practical sensitivity:≤
:
THD:0.3%.
Frequency response:≥
Stereo crosstalk:≥
AM tuner parts
lReceived frequency band:
531k ~1602k (9k ).
530k ~1604k (10k ).
Practical sensitivity:≤28dB
:≤ dB
0.03%
1.0 0.3Vpp.
0.3 0.1Vpp.
MHz 108MHz
12dBμV.
Locking sensitivity 35dBμV.
SNR: Over 50dB(IHF-A network).
2KHz.
27dB.
Hz Hz Hz
Hz Hz Hz
μV.
Locking sensitivity 45 μV.
l
48

Specification
Dimension and size
lInstallation size of navigation system
mainframe:
178(W) x 100(H) x165 (D)mm.
GPSAntenna:
39(W) x 15.5(H) x48.5 (D)mm.
lTotal weight:about 2.5kg.
49
Specification
Monitor part
lScreen size:6.5inch、6.95inch、8.0inch.
Display area:144X78.4、158X83.6、
177.64X100.35.
Pixel resolution:800x480.
Approach: TFT active matrix, transparent.
Edge illumination:Cold cathode L tube.
Color system:NTSC/PALcompatible.
Temperature range for working:
-10 ℃~℃ .
Temperature range for preserving:
-20 ℃~℃ .
Touch screen:Resistance induction
analog(film + glass).
GPS antenna
l
+50
+80
Antenna: Microwave transmission with flat
plane antenna/Right circular. polarization
wave antenna cable length:3.0m.
Channel separation:≥50dB.
Audio distortion plus noise:≤ .
Video output level: ±
Line synchronous amplitude: ±
FM tuner parts
Frequency band:87.5 ~ ).
Practical sensitivity:≤
:
THD:0.3%.
Frequency response:≥
Stereo crosstalk:≥
AM tuner parts
lReceived frequency band:
531k ~1602k (9k ).
530k ~1604k (10k ).
Practical sensitivity:≤28dB
:≤ dB
0.03%
1.0 0.3Vpp.
0.3 0.1Vpp.
MHz 108MHz
12dBμV.
Locking sensitivity 35dBμV.
SNR: Over 50dB(IHF-A network).
2KHz.
27dB.
Hz Hz Hz
Hz Hz Hz
μV.
Locking sensitivity 45 μV.
l
48

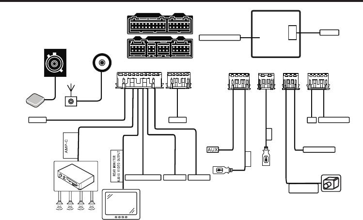
Quick installation guide. Before installation, please read through all instructions.
advised to entrust professional automobile Hi-Fi dealer to install this machineIt’s
OBD
USB
USB
TV
F
A B CD
A B
F
CD E
E
GPS antenna
GPS antenna
Radio antenna
Radio automatic
antenna
Amplifier
control
Original antenna port
Reserved
10A fuse
Digital audio output Bass output Lin control
Tire pres sure
Car reversing
video input
Vehicle amplifier
Rear LCD
Reverse trigger
§ 15.19 Labelling requirements.
This device complies with part 15 of the FCC
Rules. Operation is subject to the following
two conditions: (1) This device may not cause
harmful interference, and (2) this device must
accept any interference received, including
in terfere nce that ma y cause undesi red
operation.
§ 15.21 Changes or modification warning
Any Changes or modifications not expressly
app roved by the party res ponsi ble for
compliance could void the user's authority to
operate the equipment.
§ 15.105 Information to the user.
Note: This equipment has been tested and
found to comply with the limits for a Class B
digital device, pursuant to part 15 of the FCC
Rules. These limits are designed to provide
reasonable protection against harmful
interference in a residential installation. This
equipment generates uses and can radiate
radio frequency energy and, if not installed
and used in accordance with the instructions,
may cause harmful interference to radio
communications. However, there is no
guarantee that interference will not occur in a
particular installation. If this equipment does
cau se harmf ul inter ference to ra dio or
television reception, which can be determined
by turning the equipment off and on, the user
is encouraged to try to correct the
interference by one or more of the following
measures:-Reorient or relocate the receiving
antenna.
-Increase the separation between
theequipment and receiver.
-Connect the equipment into an outlet on a
circuit different from that to which the receiver
is connected.
-Consult the dealer or an experienced
radio/TV technician for help.
* RF warning for Portable device:
The device has been evaluated to meet
general RF exposure requirement. The
device can be used in portable exposure
condition without restriction.
FCC Caution.
Quick installation guide. Before installation, please read through all instructions.
advised to entrust professional automobile Hi-Fi dealer to install this machineIt’s
OBD
USB
USB
TV
F
A B CD
A B
F
CD E
E
GPS antenna
GPS antenna
Radio antenna
Radio automatic
antenna
Amplifier
control
Original antenna port
Reserved
10A fuse
Digital audio output Bass output Lin control
Tire pres sure
Car reversing
video input
Vehicle amplifier
Rear LCD
Reverse trigger
§ 15.19 Labelling requirements.
This device complies with part 15 of the FCC
Rules. Operation is subject to the following
two conditions: (1) This device may not cause
harmful interference, and (2) this device must
accept any interference received, including
in terfere nce that ma y cause undesi red
operation.
§ 15.21 Changes or modification warning
Any Changes or modifications not expressly
app roved by the party res ponsi ble for
compliance could void the user's authority to
operate the equipment.
§ 15.105 Information to the user.
Note: This equipment has been tested and
found to comply with the limits for a Class B
digital device, pursuant to part 15 of the FCC
Rules. These limits are designed to provide
reasonable protection against harmful
interference in a residential installation. This
equipment generates uses and can radiate
radio frequency energy and, if not installed
and used in accordance with the instructions,
may cause harmful interference to radio
communications. However, there is no
guarantee that interference will not occur in a
particular installation. If this equipment does
cau se harm ful int erference to radio or
television reception, which can be determined
by turning the equipment off and on, the user
is encouraged to try to correct the
interference by one or more of the following
measures:-Reorient or relocate the receiving
antenna.
-Increase the separation between
theequipment and receiver.
-Connect the equipment into an outlet on a
circuit different from that to which the receiver
is connected.
-Consult the dealer or an experienced
radio/TV technician for help.
* RF warning for Portable device:
The device has been evaluated to meet
general RF exposure requirement. The
device can be used in portable exposure
condition without restriction.
FCC Caution.
Manufacturer:Flyaudio Corporation
Address:No.16 Mingzhu Road,
Economical & Technology
Development Zone, Guangzhou
Customer services hotline: 400-700-8180
http://www.flyaudio.cn/
※ If there would be any change of address or telephone
number, please forgive that we won’t have separated
notice.
Printed in China