Follet 171587 Owner S Manual 00171587R01_HCC1400AW
2014-07-05
: Follet Follet-171587-Owner-S-Manual follet-171587-owner-s-manual follet pdf
Open the PDF directly: View PDF
.
Page Count: 40

HCC1400A, HCC1400W Icemakers
801 Church Lane • Easton, PA 18040, USA
Toll free (800) 523-9361 • (610) 252-7301
Fax (610) 250-0696 • www.follettice.com
Following installation, please forward this manual
to the appropriate operations person.
Operation and Service Manual
After Serial Number C20000
Order parts online
www.follettice.com
00171587R01

2
Follett Corporation
Equipment Return Policy
Follett equipment may be returned for credit under the following conditions:
1. The equipment is new and unused.
2. A return authorization number has been issued by customer service within 30 days after shipment.
3. Follett receives the equipment at the factory in Easton, PA within 30 days after issuance of the return authorization number.
4. The equipment must be returned in Follett packaging. If the packaging has been damaged or discarded, Follett will forward,
at the customer’s expense, new packaging.
Note: Return freight charges are the responsibility of the customer. If equipment is returned and is damaged because of
improper packaging, Follett Corporation will not be held responsible.
Credit will be issued when:
The equipment has been inspected by Follett and deemed suitable to be returned to stock.
Note: A 15% restocking charge will be deducted from the credit. If the cost to return the product to stock exceeds 15%, the
actual cost will be deducted.

3
Welcome to Follett Corporation
Specifications
Operation
Cleaning
Weekly exterior care
Monthly condenser cleaning
Semi-annual evaporator cleaning
Service
Icemaker operation
Water system
Electrical system
Normal control board operation
Test points
Time delay and self flushing jumpers
Error faults
Hard error
Soft errors
Relay output indication
Compressor/refrigerant solenoid output
Wiring diagram
Compressor data
Gearmotor data
Resistance of windings
Mechanical system
Evaporator disassembly
Evaporator reassembly
Refrigeration system
Refrigeration pressure data
Refrigeration system diagram
Refrigerant charge size
Refrigerant replacement requirements
Evacuation
Ambients
Ice capacity test
Bin full detection system
Troubleshooting
Replacement parts
Table of contents
4
5
7
7
7
7
7
12
12
13
14
14
15
15
15
15
15
15
15
16
17
17
17
18
18
20
23
23
23
24
24
24
24
24
25
26
28

4
Welcome to Follett
Follett equipment enjoys a well-deserved reputation for excellent performance, long-term reliability and
outstanding after-the-sale support. To ensure that this equipment delivers the same degree of service, we ask
that you review the installation manual (provided as a separate document) before beginning to install the unit.
Our instructions are designed to help you achieve a trouble-free installation. Should you have any questions or
require technical help at any time, please call our technical service group at (800) 523-936 or (610) 252-7301.
Before you begin
After uncrating and removing all packing material, inspect the equipment for concealed shipping damage. If damage
is found, notify the shipper immediately and contact Follett Corporation so that we can help in the filing of a claim,
if necessary.
Check your paperwork to determine which model you have. Follett model numbers are designed to provide information
about the type and capacity of Follett equipment. Following is an explanation of the different model numbers in the
1400 series.
Horizon Series Icemaker Model Number Configurations
A Air-cooled, self-contained
W Water-cooled, self-contained
R Air-cooled, remote condensing unit
N Air-cooled, no condensing unit for
connection to parallel rack system
A V SC 1400HC
HC Horizon
Chewblet®
HM Horizon
MINI
Chewblet
C 208-230/60/1
(self-contained only)
D Low side 115/60/1
Condensing unit
208-230/60/1
(remote condensing only)
E 230/50/1
(self-contained only)
Icemaker Voltage Series Condenser
V Vision™
H Harmony™
B Ice storage
bin
J Drop-in
M Ice Manager†
diverter valve
system
1000 up to
1036 lbs
(471kg)
1400 up to
1450 lbs
(658kg)
S Satellite-fill™
T Top-mount
Application Configuration
† Ice Manager Diverter Valve Systems can be used to fill any two of these bins or dispensers with a single ice machine.
Chewblet is a registered trademark of Follett Corporation, registered in the US.
CAUTION
• Warranty does not cover exterior or outside installations.
• Moving parts. Do not operate with front cover removed.
• Hot parts. Do not operate with cover removed.
• To reduce risk of shock, disconnect power before servicing.
• Most ice machine cleaners contain citric or phosphoric acid, which can cause skin irritation. Read caution
label on product and follow instructions carefully.
• Ice is slippery. Maintain counters and floors around dispenser in a clean and ice-free condition.
• Ice is food. Follow recommended cleaning instructions to maintain cleanliness of delivered ice.

5
Specifications
Electrical
Each icemaker requires its own separate circuit with electrical disconnect within 10 ft (6m).
Equipment ground required.
Standard electrical – 208-230/60/1
Maximum icemaker fuse – 20 amps each
Amperage – 12 amps
6 ft (2m) NEMA 6-20 cord and plug provided on icemaker
Plumbing
3/8" OD push-in water inlet
3/4" MPT drain
1/4" FPT condenser inlet (water-cooled condenser only)
1/4" FPT condenser drain (water-cooled condenser only)
Notes: 3/4" vented drain line must slope a minimum of 1/4" per foot (6mm per 30.4cm run).
Drain to be hard piped and insulated.
To prevent back flow, do not connect drains.
Separate drains for icemaker and condenser.
Water shut-off recommended within 10 feet (3m).
Follett recommends installation of a Follett water filter system (part# 00130286) in icemaker inlet
water line.
Ambient
Air temperature 100˚F/38˚C max. 50˚F/10˚C min.
Water temperature 90˚F/32˚C max. 45˚F/7˚C min.
Water pressure – potable 70 psi max. (483 kPa) 10 psi min. (69 kPa)
Note: Water-cooled condenser pressure 150 psi (1034 kPa)
Heat rejection
Air-cooled rejects 16,000 BTU/hr to air
Water-cooled rejects 16,400 BTU/hr to water
Ice production
F
C
50
10
60
16
70
21
80
27
90
32
60
16
1591
722
1509
684
1396
633
1364
619
1270
576
70
21
1454
660
1374
541
1270
576
1267
575
116 9
530
80
27
1315
596
119 7
543
117 8
534
112 9
512
1071
486
90
32
118 7
538
112 7
511
1068
484
1020
462
969
440
100
38
1056
479
1030
467
932
423
902
409
870
395
lbs
kg
lbs
kg
lbs
kg
lbs
kg
lbs
kg
Inlet Water Temperature F/C
Ambient Air Temperature F/C
Air-cooled icemaker capacity/24 hrs.
F
C
50
10
60
16
70
21
80
27
90
32
60
16
1356
615
1272
577
116 0
526
1065
483
999
453
70
21
1356
615
1272
577
116 0
526
1065
483
999
453
80
27
1356
615
1272
577
116 0
526
1065
483
999
453
90
32
1356
615
1272
577
1160
526
1065
483
999
453
100
38
1356
615
1272
577
116 0
526
1065
483
999
453
lbs
kg
lbs
kg
lbs
kg
lbs
kg
lbs
kg
Water-cooled icemaker capacity/24 hrs.
Inlet Water Temperature F/C
Ambient Air Temperature F/C

6
Dimensions and clearances
Entire front of icemaker must be clear of obstructions/connections to allow removal.
1" (26mm) clearance above icemaker for service.
1" (26mm) minimum clearance on sides.
The intake and exhaust air grilles must provide at least 170 sq in (968 sq cm) of open area.
Air-cooled model HCC1400A icemakers – 18" (458mm) minimum clearance between discharge and air
intake-grilles.
C
MOTOR COMPRESSOR THERMALLY PROTECTED
MIN. BRANCH CIRCUIT AMPAC IT Y
MAX. BRANCH CIRCUIT FUSE SIZE
DESIGN PRESSURE HIGH SIDE
Stock Module Identification Plate
FULL LOAD AMPS
REFRIGERANT
Module No.
Product
Service No.
MODEL
CORPORATION
SERIAL NO
VOLTS
AMPS
AMPS
208264
Easton Pennsylvania
HZ
R R
PAR T NO
CHARGE
LOW SIDE
SINGLE
PHASE
OZ
MADE IN
THE USA
PSIG
NEMA 6-20
right angle
G
Air intake
23.50"
(597mm)
2.72"
(69mm)
23.8" (580mm)
21.05" (535mm)
Air exhaust
both sides
3/8" OD push-in water inlet
3/4" MPT drain
Air exhaust
15.56"
(395mm)
6.97"
(177mm) 2.53"
(64mm)
2.43" (62mm)
29.7" (755mm)
L
U
L
U
NSF
21.28" (541mm)
Front View Side View Back View
Ice transport hose connection
1/4" FPT
condenser drain
1/4" FPT
condenser inlet

7
Operation
Cleaning and preventive maintenance (all models)
Note: Do not use bleach to sanitize or clean the icemaker.
Preventive maintenance
Periodic cleaning of Follett’s icemaker system is required to ensure peak performance and delivery of clean,
sanitary ice. The recommended cleaning procedures that follow should be performed at least as frequently as
recommended, and more often if environmental conditions dictate.
Cleaning of the condenser can usually be performed by facility personnel. Cleaning of the icemaker system,
in most cases, should be performed by your facility’s maintenance staff or a Follett authorized service agent.
Regardless of who performs the cleaning, it is the operator’s responsibility to see that this cleaning is performed
according to the schedule below. Service problems resulting from lack of preventive maintenance will not be
covered under the Follett warranty.
Weekly exterior care
The exterior may be cleaned with a stainless cleaner such as 3M Stainless Steel Cleaner & Polish or equivalent.
Monthly condenser cleaning (air-cooled icemaker only)
1. Use a vacuum cleaner or stiff brush to carefully clean condenser coils of air-cooled icemakers to ensure
optimal performance.
2. When reinstalling counter panels in front of remote icemakers, be sure that ventilation louvers line up with
condenser air duct.
Semi-annual evaporator cleaning (every 6 months)
WARNING
• Wear rubber gloves and safety goggles (and/or face shield) when handling ice machine cleaner or sanitizer.
CAUTION
• Use only Follett approved SafeCLEAN™ Cleaner (part #00132001) and NU-CALGON IMS-II SANITIZER.
• Do not mix Cleaner and Sanitizer solutions together.
• DO NOT USE BLEACH.
• It is a violation of Federal law to use these solutions in a manner inconsistent with their labeling.
• Read and understand all labels printed on packaging before use.
Note: Complete procedure for cleaning an sanitizing MUST be followed. Ice must be collected for 10
minutes before putting ice machine back into service.
1. To clean – Remove cover. Press the CLEAN
button. The machine will drain. Wait for the LO
WATER light to come on (Fig. 1).
Note: For Ice Manager diverter valve
application, refer to manual #00169045 for
icemaker and diverter valve cleaning process.
LO WATER
CLE
AN
Fig. 1

8
2. Mix 1 gallon (3.8L) 120˚F (49˚C) water and
7 ounces (198g) (one 7 ounce packet of Follett
SafeCLEAN ice machine cleaner, part#-00132001).
Locate cleaning cup. Fill until HI WATER light
comes on (Fig. 2).
Note: Do not use bleach to sanitize or clean the
icemaker.
HI WATER
Fig. 2
12
Fig. 3
LO WATER
N
A
E
L
C
Fig. 4
3. Replace cover on cleaning cup. Wait until machine
restarts. Machine will clean, then flush 3 times in
approximately 12 minutes (Fig. 3).
4. To sanitize – Press CLEAN button. The machine
will drain. Wait for LO WATER light to come on
(Fig. 4).

9
HI WATER
Fig. 5
12
Fig. 6
Fig. 7
5. Mix 1 gallon 120˚F (49˚C) water and 1.6 ounces
(48ml) NU-CALGON IMS-II SANITIZER. Fill until
HI WATER light comes on (Fig. 5).
Note: Do not use bleach to sanitize or clean the
icemaker.
6. Replace cover on cleaning cup. Wait until machine
restarts. Machine will sanitize, then flush 3 times in
approximately 12 minutes (Fig. 6).
7. To clean transport tube – Press power switch OFF
(Fig. 7).

10
Fig. 8
1
2
3
16"
(407mm)
Fig. 9
Fig. 10
8. Disconnect coupling as shown (Fig. 8).
9. Using disposable food service grade gloves,
insert dry Sani-Sponge™ (kit part# 00132068).
Next,-insert Sani-Sponge soaked in Nu-Calgon
IMS-II sanitizer solution. Push both Sani-Sponges
down ice transport tube with supplied pusher tube
(Fig. 9).
10. Remove and discard 16" (407mm) pusher tube
(Fig. 10).

11
Fig. 11
Fig. 12
11. Reconnect coupling. Press power switch ON. Ice
pushes Sani-Sponges through tube (Fig. 11).
12. Place a sanitary (2 gallon or larger) container in
bin or dispenser to collect Sani-Sponges and ice
for 10 minutes. Collect 5.5 lbs of ice from unit.
Discard ice and Sani-Sponges (Fig. 12).

12
Service
Icemaker operation (all models)
Follett’s icemaker consists of five distinct functional systems covered in detail as follows:
• Water system
• Electrical control system
• Mechanical assembly
• Refrigeration system
• Bin full
The Horizon icemaker overview
The Follett Horizon icemaker uses a horizontal, cylindrical evaporator to freeze water on its inner surface. The
refrigeration cycle is continuous; there is no batch cycle. The evaporator is flooded with water and the level is
controlled by sensors in a reservoir. A rotating auger (22 RPM) continuously scrapes ice from the inner wall of the
evaporator. The auger moves harvested ice through the evaporator into an ice extrusion canal. The ice is forced
through a restrictive nozzle that squeezes out the water and creates the Chewblet. The continuous extrusion process
pushes the Chewblets through a transport tube into a dispenser or bin.
A solid state PC board controls and monitors the functionality of the ice machine. In addition to sequencing electrical
components, the board monitors various operational parameters. A full complement of indicator lights allows visual
status of the machine's operation. Additionally, the PC board controls the self-flushing feature of the icemaker. The
evaporator water is periodically drained and replenished to remove minerals and sediment.
A unique “bin full” detection system is incorporated in the Horizon icemaker. A switch located at the ice discharge
port of the machine detects the position of the transport tube. When the bin fills up with ice, the transport tube
moves out of the normal running position, and the switch turns the ice maker off. A domed housing at the end of the
transport tube contains the ice extrusion loads during shut down.
water
inlet
auger
compression
nozzle
ice
transport
tube
Harvest system diagram

13
Water system
The water level in the evaporator is controlled by a feed solenoid and level detecting sensors. Referencing the
diagram below, water sensing rods extend down into the reservoir at the end of the evaporator assembly. The
system works via electrical conductivity as follows:
One of the longest probes is a common. When water is between any of the other probes and the common, the
PC board will sense the activation. During normal operation, the water level rises and falls between the Normal
High and Normal Low sensors. As water is consumed to make ice, the level will fall until the Normal Low sensor is
exposed, triggering the water feed solenoid on. Water will fill until the Normal High sensor is activated.
Note: The potable water dissolved solids content must be greater than 10 ppm for the water control system to
function properly. If using reverse osmosis water filtration system, ensure T.D.S level is greater than 10 ppm.
Alarm LO
Normal HI
Common
Normal LO
Normal
operating
range
Water system diagram
Water level diagram

14
Electrical system
Normal control board operation
The PC board indicator lights provide all the information necessary to determine the machine's status. Green
indicator lights generally represent “go” or normal operation; Yellow indicators represent normal off conditions;
Red indicators generally represent alarm conditions, some of which will lock the machine off.
A green light labeled POWER indicates power to the machine. A flashing green light labeled CPU is normal and
indicates that the Central Processing Unit “heart beat” is working. All other normal operation status indicators are
covered as follows:
1. Ice machine is making ice.
2. Ice machine is not making ice.
3. Ice machine is not making ice.
1. Normal running.
2. Normal time delay. When the bin fills with ice, the LOW BIN
light goes out and the refrigeration and auger drive systems
immediately shut down. (Note: The fan motor will continue to
run for 10 minutes to cool condenser) The TIME DELAY light
comes on, initiating the time delay period. When the time delay
expires, the machine will restart provided that the LOW BIN
light is on.
3. Normal purge indicator. After a selected period of ice
making time has elapsed (1 or 2 hours), the ice machine will
automatically self-flush. The compressor will shut down but
the fan and gearmotor will continue to run. After the flush is
complete the machine will refill and start without a time delay.
Ice machine disposition Operating conditions
ON OFF
Legend: ON or OFF FLASHING
POWER
LOW BIN
AUGER ON
REFRIG ON
PURGE
TIME DELAY
CLEANING
SERVICE
HI AMPS
HI PRESS
DRAIN CLOG
HI WATER
CPU
LO WATER
POWER
LOW BIN
AUGER ON
REFRIG ON
PURGE
TIME DELAY
CLEANING
SERVICE
HI AMPS
HI PRESS
DRAIN CLOG
HI WATER
CPU
LO WATER
POWER
LOW BIN
AUGER ON
REFRIG ON
PURGE
TIME DELAY
CLEANING
SERVICE
HI AMPS
HI PRESS
DRAIN CLOG
HI WATER
CPU
LO WATER

15
Test points:
The Horizon PC board incorporates on-board test points that can be used to determine various electrical
outputs. The test point holes allow a standard probe to be inserted for quick voltage measurement. For 208-230
systems, use TP-4 (L2) as the common for testing outputs for solenoids, motors, etc.
Error faults:
The Horizon PC board monitors various operating parameters including high pressure, auger gearmotor
amperage limits, clogged drain, and high and low water alarm conditions. There are two types of errors namely
“hard” or “soft”. A hard error is one that shuts the machine off and will not allow restart until the reset button is
pressed. Even cycling power will not reset a hard error. A soft error can either be automatically reset should the
condition rectify, or if power is cycled. Should an error occur, consult the troubleshooting guide in this manual or
a Follett service technician. Note: there are two types of LO WATER and HI AMPS errors as listed below.
Soft errors:
HI AMPS: The PC board monitors the amperage of the auger motor. Should the gear motor experience current
draw above the 3.8 amps limit the machine will shut down and the TIME DELAY, HI AMP, and SERVICE LED’s
will be illuminated. After the time delay the machine will restart and the TIME DELAY, HI AMP, and SERVICE
LED’s will clear.
LO WATER: During operation, the water level cycles between the normal low and normal high sensors. Should
the water be shut off to a running machine, a soft error will occur. The error sequence is as follows: During
operation, the water level falls to the normal low sensor, and when it does the water feed solenoid is energized. If
water is not detected at the normal low sensor within 120 seconds, a soft error will occur. The machine will shut
down, but the water feed solenoid will remain energized. Should water return, it will fill to the normal low sensor
and the machine will resume normal operation. The error will clear automatically.
DRAIN CLOG: The drain clog sensor, located in the plastic drain pan behind the drain solenoid, will detect the
presence of water just below the top edge of the pan. If water does not properly flow out of the drain pan it will
rise to the sensor, especially during a self-flushing purge cycle.
Hard error:
HI AMPS:
1. “Two strikes” feature. If the gearmotor has a second HI AMP occurrence during the countdown period
(6 hours after a HI AMP time delay) a hard error will occur and the HI AMP and SERVICE LED’s will be
illuminated.
2. No current. To prevent the refrigeration system from running without gearmotor rotation the PC board will
indicate HIGH AMP and SERVICE if the drive relay is energized and there is no current draw.
HI PRESSURE: Should the refrigeration pressure rise above 425 psi, a hard error will occur. Even if pressure
fall-back below the reset point of 295 psi, the error will not clear and the machine will not restart.
LO WATER:
1. There is a sensor in the water reservoir that reaches down to the very bottom. The machine will not start if
water is not present at this sensor.
2. A hard error will occur should water not be present within 60 seconds of power up or if the sensors are
disconnected or damaged.
Relay output indication:
Each relay on the board has an indicator light associated with its output. For example, when the relay for the
water feed solenoid is energized, the adjacent indicator light glows green.
Comp/Sol output:
The output for the compressor is labeled COMP/SOL.

16
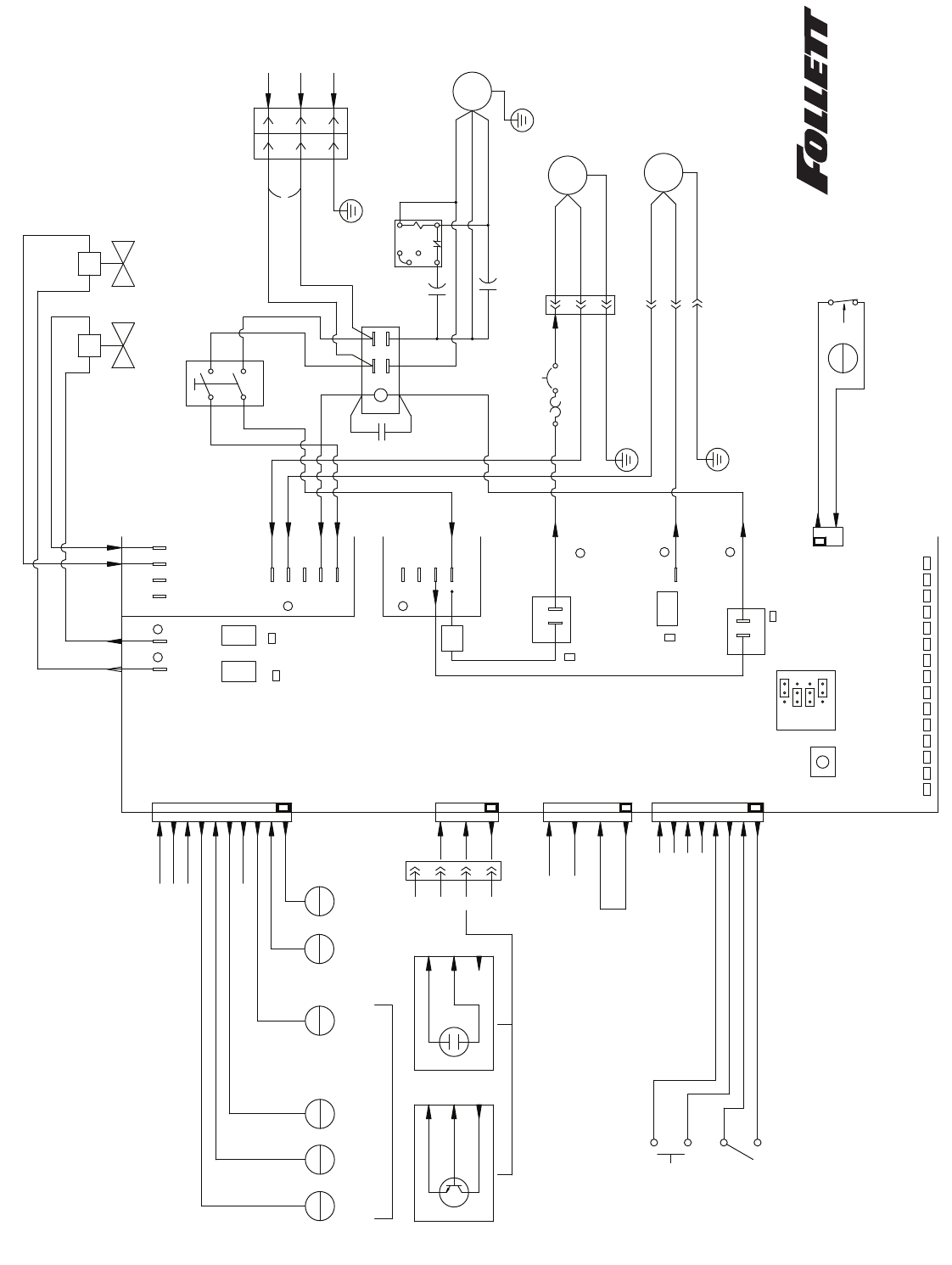
00135780R06
Horizon 1400 Series Self-contained Icemaker
801 CHURCH LANE
EASTON, PA 18040, USA
800-523-9361 OR 610-252-7301
FOR SERVICE CALL:
ON THE WEB: www.follettice.com
LE
LE
2
LOW
NORM
6
HIGH
NORM
LE
3
COM
LE
4
ALARM
LE
LOW
7
LE
8
CLOG
DRAIN
COM
WATER LEVEL
OUT (light on)
-V
(3 WIRE) +V
RETURN
(CONTACT CLOSURE)
BIN
FULL
S3
CLEAN
MOM
S2
PURGE
MAINT
OR
INPUT 2
1
2
3
4
J51
RED / GRAY PAIR
GRAY / GRAY PAIR
J24 J22 J23
CONTROL PC BOARD
J21
JUMPER
PURGE (Y)
POWER (G)
LOW BIN (G)
AUGER ON (G)
REFRIG ON (G)
CLEANING (Y)
SERVICE (R)
HI AMPS (R)
HI PRESS (R)
LO PRESS (R)
DRAIN CLOG (R)
TIME DELAY (Y)
LO WATER (R)
CPU (G)
HI WATER (R)
SWITCH
RESET
1ÿ/230Vac
SIGNAL
RETURN
2
J3
GRAY / GRAY PAIR
HI
PRESS
HIGH PRESSURE
OPENS @ EXCESS
P
2
PE
OPEN @ 425 PSI
CLOSE @ 295 PSI
K1
C NO
L1
J7
J4
J5
MOTOR
FAN
J17
J18
J2
BRN
BLU
1
2
3
J50
.6 Amp Max
1/2hp Max
NO C
K3
J6
M2
M1
#2
#12
#1
#3
GRN
#34
CB1
COMP
SOL
FAN
DRV
#19
#18
SNUBBER
20FLA
240Vac
CONTACTOR
L2
2
5
#7
#8
S1
O I
240Vac / 20FLA
OFF/ON
1
4
~12 Amp DRAW RUNNING
50/60Hz
208V/230Vac
#47
#39
#40
#41
#42
#43
#45
#46
#44
P1
K11
C2 START
C1 RUN
COMP
S
R
C
6
4
1 2
5
J10
J9
L2
J11
J12
J8
#11
#31
#30
#33
#32
FCV-1 FCV-2
230Vac
20Watt 20Watt
230Vac
DRAIN
INPUT
WATER
J16
J13
J14
J15
H2O
IN
POTENTIAL
RELAY
H2O
DRN
TP11
TP4
TP7
TP8
TP6
TP5
TP3
BLU
BRN
GRN
AMP
SENSING
D9
D5
D10
D6
D15
BLU
BLK
BRN
P52
L2
GND
L1
#38
#37
#37
#38
#2
BLU
BRN
L1
J52
J34
J33
J32
J31
1
1
1
1
1
Wiring diagram

17
Compressor data
Compressor current draw
Air-cooled
Ambient air temp. 60˚F/16˚C 70˚F/21˚C 80˚F/27˚C 90˚F/32˚C 100˚F/38˚C
8.01A 8.26A 8.77A 9.06A 9.36A
Water-cooled
Condenser water temp 50˚F/10˚C 60˚F/16˚C 70˚F/21˚C 80˚F/27˚C 90˚F/32˚C
9.09A 9.14A 9.06A 9.15A 9.39A
Locked rotor amps 96.8
Gearmotor data
Brother
Gearmotor current 2.8A (nominal)
Locked rotor amps 15 amps
Resistance of windings
208-230 vac gearmotor (Brother) 6.2Ω
Compressor start winding 3.5Ω
Compressor run winding 0.7Ω
Fan motor 38Ω

18
Mechanical system
Evaporator disassembly
1. Press PURGE button to purge evaporator, and then
turn power OFF.
2. Unscrew and remove stream divider as shown.
3. Unplug and remove gearmotor as shown.
4. Remove all traces of petrol-gel from the auger shaft.
Fig. 13
Fig. 14
Fig. 15
5. Unscrew and disconnect transport tube from
louvered docking assembly.
6. Unplug sensor at the electrical box.
7. Remove vent tube from shuttle housing as shown.

19
Fig. 16
8. Loosen nut on V-band clamp and remove.
9. Remove V-band clamp from front of evaporator.
10. Remove main housing as shown.
Fig. 17
11. Remove and discard mating ring and seal.
12. Carefully remove auger.

20
Lube
with soap
touch
Do not
Cardboard
disc
Fig. 19
3. Press new mating ring into main housing as shown.
4. Lube the shaft with liquid soap in the area shown
and slip on seal and spring.
Note: Do not touch the sealing surfaces. Use
cardboard disk to install.
Fig. 20
5. Reinstall main housing as shown.
Fig. 18
Evaporator reassembly
1. Remove and inspect O ring seal. Discard if
damaged in any way.
2. Clean O ring groove. Lubricate O ring with
petrol-gel and reinstall.

21
Fig. 22
11. Reconnect transport tube to louvered
docking assembly.
12. Plug sensor in at the electrical box.
13. Reconnect vent tube to the shuttle housing
as shown.
Apply
petrol-gel
Fig. 23
14. Apply a coat of petrol-gel to the auger shaft.
15. Install gearmotor, making sure that insulation is
properly seated between gearmotor and main
housing as shown.
16. Firmly tighten four gearmotor bolts in place.
17. Insert a bolt into the auger shaft and finger tighten.
removed for clarity
Note: Shuttle housing
Fig. 21
6. Orient auger shaft with keyway in the
upward position.
7. Force main housing into position against evaporator
and place 1/4" (7mm) diameter Phillips screwdriver
into hole in the auger shaft.
8. Replace V-band clamp as shown.
9. Replace nut on V-band clamp and tighten.
10. Remove screwdriver.

22
Fig. 25
20. Remove bolt and reinstall the washer and bolt.
Place retainer over bolt and secure with nut and
washer.
Apply
petrol-gel
Fig. 26
21. Lubricate body of stream divider with petrol-gel
and reinstall.
22. Plug gearmotor power cord into electrical box.
Fig. 24
18. Using a wrench, rotate the shaft clockwise to align
the keyways in the gear housing and the shaft so as
to accept the key.
19. Insert the key into the keyway.

23
thermostatic
expansion
valve
compressor
High pressure vapor
High pressure liquid
Low pressure liquid
Low pressure vapor
low side
service port
high side
service port
condenser
filter dryer
high side
refrigeration
line run
low side
refrigeration
line run
Refrigeration system diagram
Air-cooled condensers (air) 50˚F/10˚C 60˚F/16˚C 70˚F/21˚C 80˚F/27˚C 90˚F/32˚C 100˚F/38˚C
Pressure (psig)
discharge/suction 190/25 217/29 241/29 276/32 317/36 358/39
Water-cooled condensers (water) 50˚F/10˚C 60˚F/16˚C 70˚F/21˚C 80˚F/27˚C 90˚F/32˚C
Pressure (psig)
discharge/suction 235/21 237/21 238/20 236/21 315/33
Note: The water control valve is factory set to maintain 238 ± 15 psi discharge pressure @ 70˚ F water.
Refrigeration system
Refrigerant pressure data

24
Refrigeration charge
All service on refrigeration systems must be performed in accordance with all federal, state and local laws. It is
the responsibility of the technician to ensure that these requirements are met. Recharging icemaker to other than
factory specifications will void the warranty.
R404A icemaker charge specifications
Model Charge Refrigerant type
HCC1400A (air-cooled) 34oz (652g) R404A
HCC1400W (water-cooled) 21oz (426g) R404A
Refrigerant replacement requirements
1. Non-contaminated refrigerant removed from any Follett refrigeration system can be recycled and returned
to the same system after completing repairs. Recycled refrigerant must be stored in a clean, approved
storage container. If additional refrigerant is required, virgin or reclaimed refrigerant that meets ARI
standard 700-88 must be used.
2. In the event of system contamination (for example, a compressor burn out, refrigerant leak, presence of
non-condensibles or moisture), the system must be repaired, evacuated and recharged using virgin or
reclaimed refrigerant that meets ARI standard 700-88.
3. Follett Corporation does not approve of recovered refrigerants. Improper refrigeration servicing procedures
will void the factory warranty.
Evacuation
Evacuate the system to a level of 500 microns. When the 500 micron level is reached, close all valves. Allow the
system to sit for approximately 20 minutes. During this period the system pressure should not rise. If the system
pressure rises and stabilizes there is moisture in the system and further evacuation is needed. If the pressure
continues to rise check the system for leaks.
Ambients Minimum Maximum
Air temperature1 50˚F/10˚C 100˚F/37.8˚C
Water temperature2 45˚F/7˚C 90˚F/32.2˚C
1Ambient air temperature is measured at the air-cooled condenser coil inlet.
2Ambient water temperature is measured in the icemaker water reservoir.
Ice capacity test
Icemaker production capacity can only be determined by weighing ice produced in a specific time period.
1. Replace all panels on icemaker.
2. Run icemaker for at least 15 minutes.
3. Weigh and record weight of container used to catch ice.
4. Catch ice for 15 or 20 minutes.
5. Weigh harvested ice and record total weight.
6. Subtract weight of container from total weight.
7. Convert fractions of pounds to decimal equivalents (ex. 6 lbs 8oz = 6.5 lbs).
8. Calculate production using following formula:
1440 min. x wt. of ice produced
= Production capacity/24 hr. period
Total test time in minutes
9. Calculated amount per 24 hours should be checked against rated capacity for same ambient and water
temperatures in Ice Production Tables.

25
“Bin full” detection system
The Follett Horizon icemaker incorporates a unique “bin full” detection system that consists of the shuttle and
actuator. The shuttle incorporates a flag and sensor. Referencing the figure below, the normal running position
of the flag is down, out of the sensor. When the bin fills to the top and ice can no longer move through the tube,
the machine will force the shuttle flag up into the sensor, shutting the machine off. The shuttle actuator, located
above the ice bin allows the ice to curl up within it when the bin is full. In this way, there are no loads generated
that would tend to lift off the lid of the bin.
Running Off
Running Off
Shuttle flag and sensor
Shuttle actuator

26
Troubleshooting
Please see “Service” section for a description of each function.
1. Ice machine is in running
condition but not making ice.
2. The CPU is not flashing.
3. Machine in TIME DELAY
without full bin.
4. Ice machine is not making ice.
Locked in PURGE.
5. Ice machine is not making ice.
HI AMPS.
6. Ice machine is not making ice.
HI PRESSURE.
1. Replace compressor.
2. Replace start relay.
3. Replace start capacitor.
4. Replace run capacitor.
5. Replace main contactor.
6. Replace PC board.
1. Replace PC board.
1. Correct transport tube routing.
2. Repair or replace shuttle mechanism.
3. Replace or reposition thermostat.
4. Correct coupling installation.
1. Replace drain solenoid valve.
2. Level ice machine. Check water
reservoir to make sure it is not tilted
towards the compressor.
1. Clean ice machine. Increase
flushing frequency.
2. Replace or repair shuttle mechanism/
thermostat.
3. Straighten transport tube.
4. Replace PC board.
5. Plug in gearmotor.
(see page 15 for “no current” details)
1. Air condition area to below 100˚F
(38˚C).
2. Reposition ice machine or properly
ventilate. Prevent ice machine exhaust
from recirculating.
3. Clean condenser grille.
4. Correct air flow.
• Remove any blockage from fan blades
• Replace PC board
• Replace fan motor
Ice machine disposition Possible causes Corrective actions
POWER
LOW BIN
AUGER ON
REFRIG ON
PURGE
TIME DELAY
CLEANING
SERVICE
HI AMPS
HI PRESS
DRAIN CLOG
HI WATER
CPU
LO WATER
POWER
LOW BIN
AUGER ON
REFRIG ON
PURGE
TIME DELAY
CLEANING
SERVICE
HI AMPS
HI PRESS
DRAIN CLOG
HI WATER
CPU
LO WATER
POWER
LOW BIN
AUGER ON
REFRIG ON
PURGE
TIME DELAY
CLEANING
SERVICE
HI AMPS
HI PRESS
DRAIN CLOG
HI WATER
CPU
LO WATER
POWER
LOW BIN
AUGER ON
REFRIG ON
PURGE
TIME DELAY
CLEANING
SERVICE
HI AMPS
HI PRESS
DRAIN CLOG
HI WATER
CPU
LO WATER
POWER
LOW BIN
AUGER ON
REFRIG ON
PURGE
TIME DELAY
CLEANING
SERVICE
HI AMPS
HI PRESS
DRAIN CLOG
HI WATER
CPU
LO WATER
POWER
LOW BIN
AUGER ON
REFRIG ON
PURGE
TIME DELAY
CLEANING
SERVICE
HI AMPS
HI PRESS
DRAIN CLOG
HI WATER
CPU
LO WATER
1. Defective compressor.
2. Defective start relay.
3. Defective start capacitor.
4. Defective run capacitor.
5. Defective main contactor.
6. No output from PC board.
1. Processor has been damaged.
1. Ice jamming due to improperly
installed transport tube causing a
false shuttle.
2. Shuttle stuck in up position.
3. Damaged or improperly installed
thermostat (open).
4. Transport tube backed-out of
coupling.
1. A self-flush occurred but could
not drain evaporator due to a
failed drain solenoid valve.
2. A self-flush occurred but could
not drain evaporator due to water
reservoir or ice machine not
being level.
1. Poor water quality causing ice to
jam auger.
2. Damaged shuttle mechanism or
thermostat (closed).
3. Kinked transport tube
(thermostat systems).
4. Intermittent drive output from
PC board. Evaporator will freeze
causing a hi amps error.
5. Gearmotor is unplugged.
1. High ambient temperatures
>100˚F (38˚C).
2. Poor ventilation or air
recirculation.
3. Clogged condenser.
4. Fan not working properly. No
air flow.
• Blocked fan blades
• No fan output from PC board
• Faulty fan motor
ON OFF
Legend: ON or OFF FLASHING

27
7. Ice machine is not making ice.
Drain clog.
8. Ice machine is making ice.
Excessive water in bin or
coming into bin from transport
tube.
9. Ice machine is not making ice.
Lo water.
1. Remove kink or blockage from
drain hose.
2. Re-route floor drain.
3. Clean area around drain sensor
and/or replace
Drain solenoid valve.
1. Clean or replace water probe
assembly. Check wiring
connections.
2. Clean or replace vent tubes.
3. Replace water feed solenoid
valve.
1. Turn water supply on. If evaporator
was completely empty the reset
button may have to be pressed to
restart the ice machine.
2. Ice machine will eventually start
when water reaches normal lo level.
3. Replace water feed solenoid valve.
4. Replace PC board.
Ice machine disposition Possible causes Corrective actions
POWER
LOW BIN
AUGER ON
REFRIG ON
PURGE
TIME DELAY
CLEANING
SERVICE
HI AMPS
HI PRESS
DRAIN CLOG
HI WATER
CPU
LO WATER
POWER
LOW BIN
AUGER ON
REFRIG ON
PURGE
TIME DELAY
CLEANING
SERVICE
HI AMPS
HI PRESS
DRAIN CLOG
HI WATER
CPU
LO WATER
POWER
LOW BIN
AUGER ON
REFRIG ON
PURGE
TIME DELAY
CLEANING
SERVICE
HI AMPS
HI PRESS
DRAIN CLOG
HI WATER
CPU
LO WATER
1. Drain hose kinked or plugged
causing water to back up.
2. Improper floor drain routing/pitch
causing water to back up.
3. High TDS levels and leaking
drain solenoid may cause an
errant drain clog.
1. Failed water sensors. Processor
assumes there is no water when
there is water.
2. Blocked reservoir vent.
3. Defective water feed solenoid
valve. Stuck in open position.
1. Water supply is turned off.
2. Low water pressure.
3. Defective water feed solenoid
valve. Stuck in closed position.
4. No water feed output from
PC board.
ON OFF
Legend: ON or OFF FLASHING

28
Replacement parts
Evaporator assembly
Order parts online
www.follettice.com
8
9
12
11
10
37 28 39
40
23
34
38
41
33
29
35
17
18
18
31
30
26
23
24
25
24
24
27 23
36
32
23
13
14
15 16
1
3
19
17
23
28
18
5
20
21
22
7
2
4
6

29
Reference # Description Part #
1 Tube, ice transport, molded 00175299
2 Shuttle assembly (includes 00115600 & 00130666) 00130815
3 Switch, optical 00130849
4 Compression nozzle 00115774
5 Elbow, water 00134502
6 Gasket, shuttle 00115600
7 Stream divider 00142521
8 Auger bolt 00116988
9 Washer 00161513
10 Retainer, auger bolt 00161356
11 Kit, auger bolt (auger bolt, washer, retainer, nut and washer) 00161406
12 Key 00117804
13 Bolts, gearmotor mounting (4) 00130641
14 Gearmotor, 240V (includes capacitor) 00130807
15 Gasket, gearmotor 00121632
16 Main housing (includes 00112946 & 00116962) 00142539
17 Coupling, V-band 00130708
18 O ring 00116962
19 Seal, auger shaft 00112946
20 Cup, sanitizer 00130674
21 Gasket, sanitizer 00124032
22 Cap, sanitizer (includes 00124032) 00130880
23 Tubing, water, 3/8" OD 502719
24 Tubing, water, 1/4" OD 502079
25 Hardware, mounting, evaporator cap 00130989
26 Solenoid, water feed (240V) 00130831
27 Tee, water 00134494
28 Sensor assembly, water level and drain clog 00171363
29 Cap, evaporator (includes 00125468 & 00130989) 00130740
30 Clip, water shut-off valve 502922
31 Strainer, water 502920
32 Valve, shut-off, water 502921
33 Auger (includes 00112946 & 00116962) 00147256
34 Evaporator (includes 00112946, (2) 00116962 & 00121616) 00137570
35 Journal housing and bearing (includes (2) 00116962) 00130716
36 Reservoir, water 00130690
37 Base, evaporator 00130732
38 Boot, solenoid 00160309
39 Solenoid, purge (240V) 00130765
40 Insulation, evaporator 00121616
41 Spacers, solenoid 00160317
Not shown Insulation, evaporator cap 00125468
Order parts online
www.follettice.com

Air-cooled assembly
12
11
6
6
4
1
2
3
9
13
8
10
7
30
Order parts online
www.follettice.com

31
Reference # Description Part #
1 Condenser (includes 00130922) 00137588
2 Shroud, condenser 00137596
3 Fan motor assembly 00121566
4 Electrical box support 00156035
5 Cut-out, high pressure safety 00117077
6 Insulation, bulb, TXV 00106534
7 Drier 00134593
8 Valve, expansion, thermal (includes 502830 and 00106534) 00136317
9 Insulation, TXV 502830
10 Hardware, evaporator mounting base (set of four) 00130971
11 Compressor 00133652
12 Base, icemaker 00137604
15 Fan blade 00170290
Order parts online
www.follettice.com

32
Water-cooled assembly
6
11 12
13
13
10
6
17
18
1
3
4
2
8
7
9
15
16
15
12
14
11
5
Order parts online
www.follettice.com

33
Reference # Description Part #
1 Electrical box support 00156035
2 Elbow, water 00129486
3 Valve, water regulating 00131052
4 Union, water 202148
5 Cut-out, high pressure safety 00117077
6 Insulation, bulb, TXV 00106534
8 Drier 00134593
8 Valve, expansion, thermal (includes 502830 and 00106534) 00130997
9 Insulation, TXV 502830
10 Condenser, w/c 00129502
11 Elbow, water, 90˚ 00129478
12 Valve, shut-off, water 502222
13 Coupling 206411
14 Hardware, evaporator mounting base 00130971
15 Ty-rap 204584
16 Receiver 00123109
17 Compressor 00133652
18 Base, icemaker 00137604
Order parts online
www.follettice.com

34
Electrical box
1
2
6
4
5
7
89
10
3
15
14
13
12
11
Order parts online
www.follettice.com

35
Reference # Description Part #
1 Cover, electrical box, air/water-cooled 00130872
2 Board, control circuit, 240V (includes 00130906) 00132902
3 Stand off’s (set of 6) 00130906
4 Capacitor, compressor run 00133512
5 Clamp, run capacitor 00133603
6 Relay, compressor starting (includes wire harness) 00161810
7 Contactor 00917195
8 Capacitor, compressor starting 00133504
9 Cap, capacitor 00133587
10 Bracket, capacitor 207625
11 Switch, evaporator purge 00114371
12 Switch, evaporator clean 00117036
13 Switch, icemaker power 208867
14 Circuit breaker, 4 amp 00126912
15 Power lead, 240V 00135533
Order parts online
www.follettice.com

36
Integration kit – top-mount and Satellite-fill Order parts online
www.follettice.com
8
7
6
5
4
11
12
11
12
8
7
6
5
4
13
2
1
10
2
2
10
9
2
1
Top mount configuration
Satellite-fill configuration

37
Reference # Description Part #
1 Shuttle actuator 00171322
2 Clamp 500377
3 Actuator elbow (includes 00167122 and 209100) 00171264
4 Screws 209100
5 Gasket 00167122
6 Actuator body 00171272
7 Gasket, coupling 00126532
8 Ring, locking (includes 00126532) 00171371
9 Ice transport tube, 10' (3m) 00171280
9 Ice transport tube, 20' (6m) 00171298
10 Insulation, transport tube 501176
11 Insulation, elbow 00168922
12 Insulation, actuator 00168930
13 Ice transport tube, top mount, 30" (762mm) 00171306
Not shown Integration kit, top mount 00171389
Not shown Integration kit, Satellite-fill (requires transport tube) 00171397
Not shown Extension-fill tube, 9" 00135723
Not shown Extension-fill tube, 4" 00153684
Not shown Follett SafeCLEAN ice machine cleaner (case of 24 x 7oz packets) 00132001
Not shown Sani-spong kit 00132068
Order parts online
www.follettice.com

38
Skins assembly
1
2
14
3
5
6
13
7
4
15
16
18
19
208264
208264
Stock Module Identification Plate
Stock Module Identification Plate
Service No.
Service No.
Module No.
Module No.
Product
Product
REFRIGERANT
REFRIGERANT
MODEL
MODEL
MOTOR COMPRESSOR THERMALL
Y PROTECTED
MOTOR COMPRESSOR THERMALL
Y PROTECTED
Easton Pennsylvania
Easton Pennsylvania
U
FULL LOAD AMPS
FULL LOAD AMPS
MAX. BRANCH CIRCUIT FUSE SIZE
MAX. BRANCH CIRCUIT FUSE SIZE
MIN. BRANCH CIRCUIT AMP
ACITY
MIN. BRANCH CIRCUIT AMP
ACITY
DESIGN PRESSURE HIGH SIDE
DESIGN PRESSURE HIGH SIDE
AMPS
AMPS
AMPS
AMPS
VOLTS
VOLTS
CORPORATION
CORPORATION
SERIAL NO
SERIAL NO
NSF
NSF
PHASE
PHASE
SINGLE
SINGLE
CHARGE
CHARGE
LOW SIDE
LOW SIDE
P
ART NO
P
ART NO
PSIG
PSIG
THE USA
THE USA
MADE IN
MADE IN
OZ
OZ
L L
U
R
C
R
HZ
HZ
8910
11
12
17
Order parts online
www.follettice.com

39
Reference # Description Part #
1 Grille, intake 00134635
2 Front cover, air- & water-cooled (includes 00122846) 00137612
3 Tubing, water, 1/4" OD 502719
4 Tubing, drain 00144923
5 Fitting, drain 00109728
6 Fitting, water inlet 502924
7 Elbow, water inlet 502925
8 Coupling (includes 00144675) 00171207
9 O ring 00144675
10 Bulkhead fitting 00171215
11 Nut 00145342
12 Hose clamp 500377
13 Power cord, 240V 00134445
14 Louvered docking assembly (includes 0123182) 00137620
15 Clamp, drain line 00114520
16 Screws 208568
17 Bulkhead connector kit 00171223
18 Cover, access, utility 00123182
19 Gasket, condenser 00135574
Not Shown Louver, intake/exhaust (13.75"x17.75") 00128066
Not Shown Gasket, air intake 00913590
Order parts online
www.follettice.com

00171587R01
10/09
801 Church Lane • Easton, PA 18040, USA
Toll free (800) 523-9361 • (610) 252-7301
Fax (610) 250-0696 • www.follettice.com
Chewblet is a registered trademark of Follett Corporation, registered in the US.