FreeFlight Systems RA4000E Radio Altimeter User Manual 4000 IM 200A
FreeFlight Systems Radio Altimeter 4000 IM 200A
users manual

Pilot Guide & Equipment Installation Manual
RA-4000e Radar Altimeter
84629, Rev C
84629, Rev C Page 1 of 20 29-August-06
RA-4000e
Radar Altimeter System
Pilot Guide
And
Equipment Installation Manual
DATE
Prepared: A. Harthcock 29-August-06
Quality:
Approved:
FreeFlight Systems
3700 Interstate 35
Waco, TX 76706-3756 U.S.A.
1 (254)662-0000

Pilot Guide & Equipment Installation Manual
RA-4000e Radar Altimeter
84629, Rev C
84629, Rev C Page 2 of 20 29-August-06
REVISION HISTORY
REV DESCRIPTION DATE APPROVED
A Initial release
B Released per ECN F05032 21-Nov-05
C Released per ECN F06008 29-August-06

Pilot Guide & Equipment Installation Manual
RA-4000e Radar Altimeter
84629, Rev C
84629, Rev C Page 3 of 20 29-August-06
Table of Contents
1. INTRODUCTION................................................................................................................................ 4
1.1. REFERENCE DOCUMENTS ................................................................................................................ 5
1.2. TABLE OF ACRONYMS & ABBREVIATIONS ...................................................................................... 5
2. DESCRIPTION .................................................................................................................................... 6
2.1. OPERATIONAL MODES..................................................................................................................... 6
2.2. SYSTEM LIMITATIONS ..................................................................................................................... 6
2.3. SPECIFICATIONS .............................................................................................................................. 8
2.4. COMPONENT AND ACCESSORY PART NUMBERS.............................................................................. 9
3. ELECTRICAL INTERFACES......................................................................................................... 10
3.1. GROUND........................................................................................................................................ 10
3.2. POWER IN...................................................................................................................................... 10
3.3. RESET............................................................................................................................................ 10
3.4. STRUT INPUT ................................................................................................................................. 10
3.5. MAINT/NAV TX/RX...................................................................................................................... 10
3.6. PGM-EN....................................................................................................................................... 11
3.7. NAV-BIAS ..................................................................................................................................... 11
3.8. NAV-COM ..................................................................................................................................... 11
3.9. NAV-TXA/TXB............................................................................................................................ 11
4. FUNCTIONAL INTERFACE........................................................................................................... 12
4.1. DATA RATE................................................................................................................................... 12
4.2. PROTOCOL DEFINITION ................................................................................................................. 12
5. MECHANICAL.................................................................................................................................. 14
5.1. RA-4000E MOUNTING .................................................................................................................. 14
5.2. CONNECTORS ................................................................................................................................14
5.3. ANTENNA MOUNTING ................................................................................................................... 16
6. INSTALLATION ............................................................................................................................... 18
6.1. GENERAL INFORMATION ............................................................................................................... 18
6.2. UNPACKING AND INSPECTING EQUIPMENT.................................................................................... 18
6.3. ANTENNA INSTALLATION.............................................................................................................. 18
6.4. RA-4000E INSTALLATION ............................................................................................................. 19
APPENDIX A – ENVIRONMENTAL ..................................................................................................... 20

Pilot Guide & Equipment Installation Manual
RA-4000e Radar Altimeter
84629, Rev C
84629, Rev C Page 4 of 20 29-August-06
1. Introduction
This manual contains installation data and specifications for the FreeFlight Systems Radar Altimeter RA-
4000e (P/N 84560-01). The 4000e meets the requirements for a TSO-C87 Radar Altimeter with Precision
Equipment output.
The 4000e is designed to provide AGL altitude directly to an integrated Flight Management System (FMS).
Altitude is calculated by assessing the round trip delay of a signal reflected from the ground.
The system consists of three Line Replaceable Units (LRUs): the RA-4000e R/T Unit and two Antenna
Units (Free Flight P/N 9-1203-115-00). Refer to Figure 1-1 for a system overview.
Figure 1-1: RA-4000e System Block Diagram

Pilot Guide & Equipment Installation Manual
RA-4000e Radar Altimeter
84629, Rev C
84629, Rev C Page 5 of 20 29-August-06
1.1. Reference Documents
Document Number Title
RTCA/DO -160E Environmental Conditions and Test Procedures for Airborne Equipment; 29-July-
97 (incorporating Change 1 dated 14-Dec-00, Change 2 dated 12-June-01, and
Change 3 dated 05-Dec-02).
RTCA/DO-178B Software Considerations In Airborne Systems And Equipment Certification; 1-
Dec-92.
TSO – C87 AIRBORNE, LOW-RANGE RADIO ALTIMETER ; 1-Feb-1966.
RTCA/DO-155 Minimum Performance Standards Airborne Low-Range Radar Altimeters; 1-Nov-
1974.
1.2. Table of Acronyms & Abbreviations
The following acronyms and abbreviations are used throughout this document.
Abbreviation Definition
AGL Above Ground Level
CCA Circuit Card Assembly
FAA Federal Aviation Administration
FAQ Frequently Asked Questions
FFS FreeFlight Systems
FMCW Frequency Modulated Continuous Wave
FMS Flight Management System
LRU Line Replaceable Unit
R/T Receiver / Transmitter
TSO Technical Standard Order

Pilot Guide & Equipment Installation Manual
RA-4000e Radar Altimeter
84629, Rev C
84629, Rev C Page 6 of 20 29-August-06
2. Description
A complete system consists of an RA-4000e receiver/transmitter unit and two antennas. The RA-4000e
provides AGL altitude information from 0 feet up to 2000 feet maximum via computer interface.
The RA-4000e Radar Altimeter system utilizes a reliable solid-state voltage controlled oscillator (VCO) to
drive its transmitter. Embedded processors precisely measure the signal delay, calculate the altitude, and
provide a simple to use computer interface.
2.1. Operational Modes
Once the unit has completed a reset, it begins outputting data at a 10 hertz rate. Data consists of the altitude
and a Status byte. Following is a description of different modes for the unit.
2.1.1. Power On Self-Test
At power on, or upon assertion of the Reset input, the system initializes operation and performs a self-test
for approximately 20 seconds. In the self-test, the lock circuitry is tested and a test signal applied to the
receive circuitry. During this time, the unit reports an altitude of 40 feet and asserts the “Self-Test” bit in
the Status byte.
2.1.2. Altitude Zero Calibration
When the Altitude Zero Calibration mode is selected during installation, the unit automatically calibrates
the zero altitude point. This automatically compensates for different cable lengths or installation factors
that would otherwise bias the altitude reading.
2.1.3. On Ground Operation
While on the ground, the unit is susceptible to erroneous readings caused by signals returned from nearby
buildings or personnel. Utilization of the Strut input allows the unit to ignore these erroneous signals and
report zero feet. The “Strut” bit of the Status byte provides an indication of the input signal.
2.1.4. Normal Operation
When the unit detects a locked signal and does not have a Strut indication (i.e. – aircraft in the air), it
reports altitude with the “Signal” bit indicating Locked. If conditions on the ground prevent a stable
received signal, the “Signal” bit of the Status word indicates Unlocked. Note that if ground conditions
provide a sufficient return signal, the unit may report a locked altitude as high as 2500 feet.
2.2. System Limitations
2.2.1. Terrain
At altitudes above 1500 feet, terrain with poor reflectivity may cause the unit to unlock. Examples of
unfavorable terrain are dry, loose soil, (e.g. - tilled farmland), or sand.
2.2.2. Excessive Pitch/Roll
An excessive pitch or roll attitude may also cause the system to unlock. This sensitivity increases with
altitude. In general, below 1500 feet a 30 degree bank is tolerated. Above 1500 feet, the aircraft should be
maintained within a 20 degree bank for proper operation. If the unit unlocks due to marginal conditions, it
will automatically relock when a signal sufficient for ranging is detected.
2.2.3. Rapid Descent
In cases of extremely rapid descent, both the response time of the system and pitch of the aircraft may
prevent normal operation. At a descent rate of 500 feet/minute or less, the RA-4000e system provides
normal operation below 2000 feet.

Pilot Guide & Equipment Installation Manual
RA-4000e Radar Altimeter
84629, Rev C
84629, Rev C Page 7 of 20 29-August-06
2.2.4. Response Time
When flying the RA-4000e system over rapidly changing terrain, e.g., a cliff or ravine, the system is
limited by the 10 Hz response time of the unit.
2.2.5. Cold Start
When the unit is powered on at an ambient temperature of less than -30ºC a warm-up period is required.
This period varies from 30 minutes from a cold start at -55ºC, to none at -30ºC. During this time, the unit
will output altitude with the Invalid bit asserted. Once the unit has reached a reliable operating
temperature, the Invalid bit is cleared.
NOTE:
The RA-4000e system surveys ground directly below the aircraft, and should not be relied
on as either a forward looking or warning device.

Pilot Guide & Equipment Installation Manual
RA-4000e Radar Altimeter
84629, Rev C
84629, Rev C Page 8 of 20 29-August-06
2.3. Specifications
Specifications for the RA-4000e system are listed in Tables 2-1 through 2-3.
Parameter Value
Type Dual antenna, FMCW
Compatible Antennas FreeFlight P/N 9-1203-115-00
EDO P/N DM PN19-2-1
Altitude Range 0 to 2000 feet
Altitude Accuracy 0 to 100 feet +/- 3 feet
100 to 500 feet +/- 3%
500 to 2000 feet +/- 5%
Frequency Range 100 MHz sweep 4.25 - 4.35 GHz
Sweep Frequency 100 Hz
Input Voltage 28 VDC +/- 10%
(Internal fuse and reverse polarity protection)
Input Current 350 ma Max (steady-state)
Max. Inrush Current 5.5 amps for 10 uSec @ 28 VDC
Altitude Output, Rate RS-485/422, 10 Hz
Altitude Latency 50 mSec
Self-Test / Reset On ground or during flight
Environmental (Pending) DO-160E
Certifications (Pending) TSO-C87, DO-178B Level B, FCC Part 15
Table 2-1: System Technical Characteristics
Parameter Value
Weight 1.8 lb
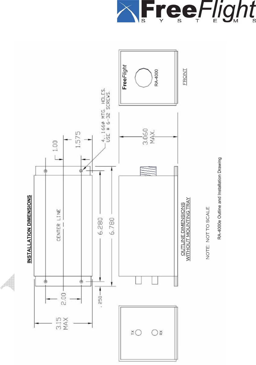
Height 3.06”
Length (Including mounting flange) 6.78”
Width 3.15”
Connectors 2 each TNC antenna connectors
1 each 22 pin circular connector
Table 2-2: RA-4000e Physical Characteristics
Parameter Value
Quantity 2
Weight 0.3 lbs (0.6 lbs total)
Dimensions 3.5" W x 3.65" L x .15" H
Table 2-3: 9-1203-115-00 Antenna Physical Characteristics

Pilot Guide & Equipment Installation Manual
RA-4000e Radar Altimeter
84629, Rev C
84629, Rev C Page 9 of 20 29-August-06
2.4. Component and Accessory Part Numbers
Each 4000e unit is shipped individually, as indicated in Table 2-4. Two antennas and associated wiring are
also required for installation. An Antenna Installation kit is available from FreeFlight, as indicated in Table
2-5. The items listed in Table 2-6 are required, but not supplied by FreeFlight.
ITEM FREEFLIGHT P/N QUANTITY
RA-4000e R/T Unit 84560-01 1 required
Table 2-4: RA-4000e Install Kit
ITEM FREEFLIGHT P/N QUANTITY
Optional Antenna Installation Kit 1901-3501-00 2 required
Coax Cable Assembly 1900-0432-12 1 per kit
Antenna 9-1203-115-00 1 per kit
Table 2-5: Optional FreeFlight Install Kit and Parts
ITEM FREEFLIGHT P/N QUANTITY
System Wiring N/A As required
Circuit Breaker – “Slow Blow” 3 Amp N/A 1
System Indicator N/A 1
Table 2-6: Other Required Accessories
2.5. License Requirements
As installed in the aircraft, the radar altimeter does not require an FCC operator’s license. For
information, reference FCC 47 CFR Part 87.89 Minimum operator requirements.

Pilot Guide & Equipment Installation Manual
RA-4000e Radar Altimeter
84629, Rev C
84629, Rev C Page 10 of 20 29-August-06
3. Electrical Interfaces
Electrical interconnection to the RA-4000e is made via 22-pin connector. Refer to Table 3-1 for a
description of the pinout.
Pin Name Function Direction Level
1 Ground
Ground - Ground
2 Ground
Ground - Ground
3 Power In
Aircraft voltage in In 28 VDC +/- 10%
Power In
4 Power In
Aircraft voltage in In 28 VDC +/- 10%
Power In
5 Reset Reserved In NO CONNECT
6 Reserved
7 Reserved
8 Strut /Strut (Active low) In Switched Ground
9 Reserved
10 Reserved
11 Reserved
12 Reserved
13 Nav-TX
Maint/Nav Port RS-232C Transmit Out RS-232C
14 Nav-RX
Maint/Nav Port RS-232C Receive In RS-232C
15 PGM-EN
Reserved In NO CONNECT
16 Reserved
17 Reserved
18 Nav-Bias
RS-485 100 ohm ground connection - RS-485 Ground
19 Nav-Com
Nav Port Ground - Ground
20 Nav-Com
Nav Port Ground - Ground
21 Nav-TXA
Navigation port Serial RS-485/422 Out RS-485/422
22 Nav-TXB
Navigation port Serial RS-485/422 Out RS-485/422
Table 3-1: RA-4000e Interface Pinout
3.1. Ground
Aircraft ground is connected on two pins.
3.2. Power In
Aircraft power of 28 VDC +/-10% is connected on two pins.
3.3. Reset
This circuit is reserved for factory test purposes only. Do not connect
3.4. Strut Input
The Strut signal is an active low input. That is, the input should be grounded when the aircraft is on the
ground.
3.5. Maint/Nav TX/RX
The Maint/Nav-TX/RX lines use RS-232C signal levels. The Maint/Nav-TX output carries the same data
as the Nav-TXA/TXB pair. The Maint/Nav-TX/RX lines are used to initiate the Altitude Zero Calibration
function and to reprogram the unit via serial RS-232C protocol. Note that it may be advantageous to route

Pilot Guide & Equipment Installation Manual
RA-4000e Radar Altimeter
84629, Rev C
84629, Rev C Page 11 of 20 29-August-06
these lines to a point which facilitates shorting them for the Altitude Zero Calibration (see 6.4.1). If this is
done, care should be taken that the lines do not accidentally short during normal flight. During normal
operation after the Zero Calibration has been accomplished, these lines should not be connected.
3.6. PGM-EN
The Program-Enable input is used to reprogram the unit. Do not connect in normal operation.
3.7. Nav-Bias
This common for RS-485 communications provides a 100 ohm resistive ground connection.
3.8. Nav-Com
These connections provide a direct ground reference, if desired.
3.9. Nav-TXA/TXB
As the primary data interconnect, these pins are driven by an LTC485 device.

Pilot Guide & Equipment Installation Manual
RA-4000e Radar Altimeter
84629, Rev C
84629, Rev C Page 12 of 20 29-August-06
4. Functional Interface
The Nav port provides radar altitude data via serial protocol via RS-485. The following sections describe
the protocol used.
4.1. Data Rate
Data is transmitted in multi-byte packets with LSB first at 56,000 bps (8 data bits, one start, one stop, no
parity). Packets are output at a rate of 10 Hz.
4.2. Protocol Definition
NOTE:
The information in this section is intended for engineering personnel and is not required for
installation.
4.2.1. Packet Structure
Each packet conforms to the following structure:
Field DLE ID LEN DATA CHECKSUM DLE ETX
Content 0x10 0xDF 0x03 3 bytes 1 byte 0x10 0x03
4.2.1.1. DLE (Data Link Escape Character)
Fixed byte = 0x10.
4.2.1.2. ID (Identification)
Fixed byte = 0xDF.
4.2.1.3. Len (Length)
Fixed byte = 0x03.
4.2.1.4. Data
Three data bytes are defined as follows:
Byte Definition
1 Altitude High byte of a 2-byte binary field. (Units: Feet; Range: 0-2500)
2 Altitude Low byte of a 2-byte binary field.
3 Status Byte (See Table 4-2)
Table 4-1: Data Field Definition
Bit High (1) Indication Low (0) Indication
0 – Altitude Ascending Descending
1 – Self Test Test in progress Normal operation
2 – Status Unit Failure Normal operation
3 – Invalid Unlocked / Invalid output Locked / Valid output
4 – Strut Asserted (On ground) De-asserted (In air)
5 – Reserved
6 – Reserved
7 – Reserved
Table 4-2: Status Byte Bit Definition

Pilot Guide & Equipment Installation Manual
RA-4000e Radar Altimeter
84629, Rev C
84629, Rev C Page 13 of 20 29-August-06
4.2.1.5. Checksum
This is the one-byte 2’s complement of the sum of all the data bytes, including the packet ID and LEN
bytes (i.e. 0xDF03). Refer to Table 4-3 for a sample packet with normal status (descending, locked, and
good status) and an altitude of 1000 feet.
Byte DLE ID LEN Alt Hi Alt Lo Status Chk DLE ETX
Value 0x10 0xDF 0x03 0x03 0xE8 0x00 0x33 0x10 0x03
Table 4-3: Sample Packet At 1000’
4.2.1.6. DLE (Data Link Escape Character)
Fixed byte = 0x10.
4.2.1.7. ETX (End Of Text Character)
Fixed data byte = 0x03.
4.2.2. DLE Stuffing
This protocol requires that an occurrence of the DLE (0x10) character in either the data or checksum must
be followed by another DLE character. The receiver therefore, should remove, or “unstuff”, the second
DLE character when two are received in sequence. Note that the “unstuffing” should occur prior to
calculation of the Checksum.

Pilot Guide & Equipment Installation Manual
RA-4000e Radar Altimeter
84629, Rev C
84629, Rev C Page 14 of 20 29-August-06
5. Mechanical
5.1. RA-4000e Mounting
The mounting requirements for the RA-4000e are illustrated below in Figure 5-1.
5.2. Connectors
Interfaces to the 4000e are provided through three connectors as described below in Table 5-1.
Function Description
Aircraft
interconnections This 22-pin circular connector mates with
AMPHENOL P/N 10-565995-231N.
TX Antenna This TNC connector mates with AMPHENOL P/N 225554-6
RX Antenna This TNC connector mates with AMPHENOL P/N 225554-6
Table 5-1: Connector Descriptions

Pilot Guide & Equipment Installation Manual
RA-4000e Radar Altimeter
84629, Rev C
84629, Rev C Page 15 of 20 29-August-06
Figure 5-1: Mounting Illustration

Pilot Guide & Equipment Installation Manual
RA-4000e Radar Altimeter
84629, Rev C
84629, Rev C Page 16 of 20 29-August-06
5.3. Antenna Mounting
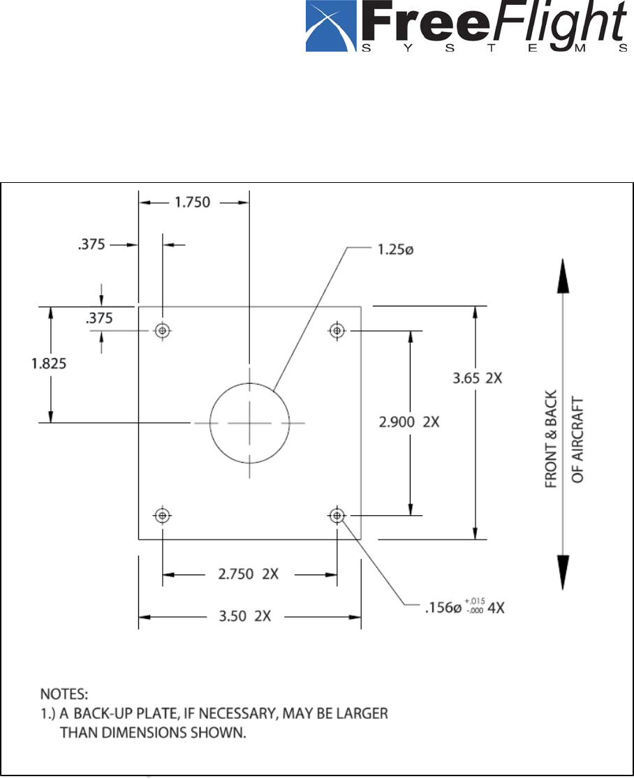
Refer to Figures 5-2 and 5-3 for mounting information for antenna P/N 9-1203-115-00.
Figure 5-2: Antenna P/N 9-1203-115-00 Mounting Illustration #1

Pilot Guide & Equipment Installation Manual
RA-4000e Radar Altimeter
84629, Rev C
84629, Rev C Page 17 of 20 29-August-06
Figure 5-3: Antenna P/N 9-1203-115-00 Mounting Illustration #2

Pilot Guide & Equipment Installation Manual
RA-4000e Radar Altimeter
84629, Rev C
84629, Rev C Page 18 of 20 29-August-06
6. Installation
6.1. General Information
This chapter contains suggestions and factors to consider before installing an RA-4000e radar altimeter into
an aircraft. Adherence to the suggestions will assure satisfactory performance from the system.
6.2. Unpacking and Inspecting Equipment
Exercise extreme care when unpacking each unit. Make a visual inspection of each unit for evidence of
damage incurred during shipment. If a claim for damage is to be made, save the shipping container to
substantiate the claim. When all equipment and the installation kit have been inspected, save the packing
material and container in case the unit is to be stored or reshipped. See paragraph 2.4 for equipment and
optional parts supplied.
6.3. Antenna Installation
Optimum installation of the antennas is on the centerline of the belly of the aircraft.
1) The area should be parallel to the ground.
2) The antennas should be mounted such that no protrusion is visible to either antenna within a 45-degree
cone below the aircraft.
3) The antennas should always be mounted with the arrows pointing in the same direction.
Good: (Æ Æ or Å Å) Not Good: (Æ Å or Å Æ)
4) Antennas should have no more than a 6-degree pitch.
5) Antennas should be mounted at least 18" apart and within 40" of each other.
6) Transmit antenna mounts in front; Receive antenna mounts to the rear.
7) RA-4000e unit mounts inside, positioned such that the antenna cables connect to the rear of the unit.
8) DO NOT mount the antenna closer than three (3) feet to a DME, transponder, ADF or VHF antenna.
9) During installation, avoid locations near high heat sources or where fuel, oil or excessive moisture may
collect. Bond and shield all parts of the aircraft electrical system such as generators and ignition systems.
10) Due to the Altitude Zero Calibration, the antenna cables can be cut to any length for better fit during
installation. (See section 6.4.1 for Altitude Zero Calibration). Each antenna cable must not exceed 150" in
length.

Pilot Guide & Equipment Installation Manual
RA-4000e Radar Altimeter
84629, Rev C
84629, Rev C Page 19 of 20 29-August-06
6.4. RA-4000e Installation
The RA-4000e unit installation layout is shown in figure 5-1. Route all data and power cables away from
circuits carrying high current, pulse-transmitting equipment, 400 Hz circuits and other sources of
interference. Do not route with ADF antenna cables.
Note: Aircraft which exhibit electrical noise on the airframe or have surfaces or panels which are
not properly bonded can cause the altimeter to attempt to "relock" above 2000 feet AGL, thus
causing erratic altitude output. Thorough bonding of all control surfaces, gear doors, access
panels, etc. should cure the symptom, but in certain extreme circumstances, it may be necessary to
install an on/off switch to disable the unit above 2000 feet. This condition is only noticeable
above 2000 feet and does not degrade performance below 2000 feet AGL.
6.4.1. Altitude Zero Calibration
Reflections due to surrounding obstacles may cause inaccurate calibration. It is recommended to Zero the
RA-4000e in an open area away from buildings trees or other large reflecting surfaces to improve accuracy.
Note: If this procedure is not performed on install, after service, or is improperly performed,
altitude may not be correct.
1. Remove or disable the Strut input to the system.
2. Clear all obstacles from around aircraft (including personnel).
3. Turn unit on and let run for a minimum of 5 minutes to warm up.
4. Turn off unit and all aircraft power.
5. Short together Maint/Nav port TX and RX pins.
6. Switch power ON for approximately 30 seconds.
7. Switch power off and remove the short from the TX and RX lines.
8. Switch power on. After the self-test is complete, the unit should now output 0' while on ground.
9. Test and repeat as necessary.
10. Restore the Strut input, if necessary.
6.4.2. Pre-Flight Check List
Turn on power (after starting engines).
Verify the unit self-tests for approximately 20 seconds (during which it displays 40 feet and sets the self
test flag).
After the self-test mode, the unit should output 0 feet.
6.4.3. Final Testing
1. During takeoff observe AGL and verify that it is increasing while the aircraft is climbing.
2. After aircraft exceeds 3000 feet AGL verify that unit indicates “unlocked”.
3. With the aircraft above 3000 feet AGL in an open area:
a. Put the aircraft into a 500-foot per minute descent.
b. The unit should lock and start outputting altitude by 2000 feet AGL.

Pilot Guide & Equipment Installation Manual
RA-4000e Radar Altimeter
84629, Rev C
84629, Rev C Page 20 of 20 29-August-06
Appendix A – Environmental
Refer to Table A-1 for a summary of RA-4000e Test Categories.
Environmental Test DO-160E
Section Category Compliance
Method
Temperature and Altitude 4 D2 T
Temperature Variation 5 B T
Humidity 6 B T
Shock/Crash Safety 7 B T
Vibration 8 S Curve C T
Explosion Proofness 9 n/a X
Waterproofness 10 n/a X
Fluids Susceptibility 11 n/a X
Sand and Dust 12 n/a X
Fungus 13 n/a X
Salt Spray 14 n/a X
Magnetic Effect 15 Z T
Power Input 16 B T
Voltage Spike 17 A T
Audio Frequency
Conducted Susceptibility
– Power Inputs
18 B T
Induced Signal
Susceptibility 19 ZC T
Radio Frequency
Susceptibility 20 RR T
Emission of Radio
Frequency Energy 21 M T
Lightning, Induced
Transient Susceptibility 22 A2XXX T
Lightning Direct Effects 23 n/a X
Icing 24 n/a X
Electrostatic Discharge 25 A T
Fire, Flammability 26 n/a X
Table A-1: DO-160E Test Categories