Freud Tools Fe82 Users Manual
FE82 to the manual 8240b61a-60e2-4462-a470-4782e1847836
2015-02-09
: Freud-Tools Freud-Tools-Fe82-Users-Manual-552215 freud-tools-fe82-users-manual-552215 freud-tools pdf
Open the PDF directly: View PDF
.
Page Count: 4

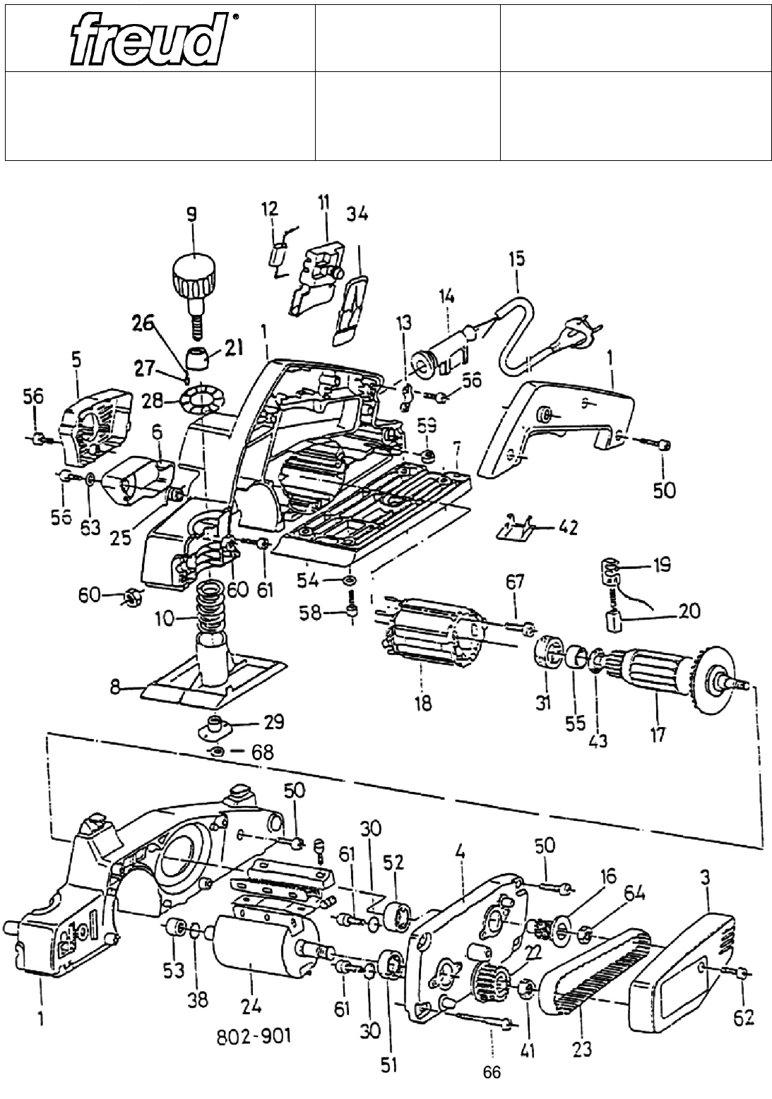
LISTA DE RECAMBIOS
SPARE LIST
LISTE DE RECHANGES FREU621
CEPILLO
PLANER
RABOT
VERSIÓN:
V-3-2-1-0 FE82
Salvo modificaciones
Emitido: 1/09/01 Impreso: 30/08/06
Right of modifcations reserved
Modification reservées

* FREUD * CEPILLO * PLANER * RABOT * FE82
LISTA DE RECAMBIOS / SPARE PART LIST / LISTE DE PIECES DETACHEES VERSION: 3-2-1-0
POS CODIGO VERS DENOMINACION PART NAME DENOMINATION
1A 135719016 V-0 Cubierta motor negro Black motor cover Couvercle moteur noire
1B 135719166 V-1 Cubierta motor negro Black motor cover Couvercle moteur noire
1C 135718106 V-3-2 Cubierta motor negro Black motor cover Couvercle moteur noire
3 135711322 Tapa transmisión Transmission cover Couvercle transmission
4 135711340 Tapa rodamiento aluminio Aluminium bearing cover Couvercle roulement alumini
5 135711061 Tapa motor Motor cover Couvercle moteur
6 135711221 Protección Protection Protecteur
7 135715461 Base fija Fixed base Base fixe
8A 135711181 V-2-1-0 Base ajustable Adjustable base Base règlable
8B 135711183 V-3 Base ajustable Adjustable base Base règlable
9A 132605633 V-2-1-0 Pomo graduación Adjusting grip Pommeau de réglage
9B 135715631 V-3 Pomo graduación Adjusting grip Pommeau de réglage
10 135703501 Muelle Spring Ressort
11A 763295016 V-1-0 Interruptor Switch Interrupteur
11B 763296013 V-3-2 Interruptor Switch Interrupteur
12 138315001 Condensador Condenser Condensateur
13 101204231 Brida sujeción cable Cable fastening clamp Bride fixation câble
14 130634181 Manguito Sleeve Manchon
15A 767550107 Cable red EU Power coerd set EU Câble prise courant EU
15B 767600100 Cable red CHILE/ISRAEL Power coerd set Chile/Israel Câble prise courant Chili/Israel
15C 767600105 Cable red UK Power coerd set UK Câble prise courant UK
15D 767554101 Cable red goma Power cord set Câble prise courant
15E 767580802 Cable red Australia Australian Power cord Câble prise courant Austral.
15F 767660500 Cable red USA USA Power cord Cable prise courant USA
16 135713933 Polea motriz Drivig pulley Poulie motrice
17A 135719036 Inducido 230V Armature 230V Induit 230V
17B 135719034 Inducido 120V Armature 120V Induit 120V
18A 134459023 Estator 230V Field 230V Stator 230V
18B 134319022 Estator 120V Field 120V Stator 120V
19 135719111 Porta escobilla Brush holder Porte balai
20 130839071 Escobilla Brush Balai
21 135714941 V-3-2-1 Anillo indicador Turn indicator Indicateur de rotation
22 135713941 Polea Pulley Poulie
23 135713902 Correa Belt Courroie
24A 135719211 Cabezal cuchillas completo Complete cutter head Tête porte-outils complet
24B 135719210 Cabezal cuchillas completo (nuevo) Complete cutter head (new) Tête porte-outils (nouveau)
25 757020951 Resorte Spring Ressort
26 757002000 V-3-2-1 Muelle Spring Resort
27 130823131 V-3-2-1 Pivote Pivot Pivot
28A 135714711 V-0 Disco divisor Divider disc Disque diviseur
28B 135714712 V-3-2-1 Disco divisor Divider disc Disque diviseur
29 869830406 Tuerca Nut Écrou
30 135716891 Arandela 4,3 Washer Rondelle
31 130131601 Anillo goma Rubber ring Bague cautchouc
34 135714171 Deflector Deflector Deflector
38 870740913 Felpa Felt Feutre
41 860201100 Tuerca M10 Nut Écrou
42 135715651 Pie apoyo Pied d'appui Support foot
43 135261861 Obturador lado colector Obturating ring Bague obturateur
50 844800050 Tornillo 4x20 tp Screw 4x20 tp Vis 4x20 tp
51 712000035 Rodamiento 6000-ZZ Ball bearing Roulement
52 712060835 Rodamiento 608-ZZ Ball bearing Roulement
53 713721100 Casquillo agujas INA-HK1010 Bushing Douille à aguilles
54 872021050 Arandela B5 DIN127 Washer Rondelle
55 712060735 Rodamiento 607 ZZ Ball bearing Roulement
56 844800026 Tornillo PZ D.6,9-3,5x12 TP Screw Vis
58 844305285 Tornillo PZ D.8-M5x12 Screw Vis
59 863002050 Tuerca M5 DIN934 Nut Écrou
60 860201060 Tuerca M6 DIN934 Nut Écrou
61 849071248 Tornillo M4x8DIN7500C Screw M4x8DIN7500C Vis M4x8 DIN7500C
62 844800048 Tornillo 4x16 Screw 4x16 Vis 4 x16
63 870001043 Arandela Washer Rondelle
64 860918981 Tuerca M8 Nut Écrou
66 844800061 Tornillo PZ D.7,5-4x65 TP Screw Vis
67 844800045 Tornillo 4x10 Screw 4x10 Vis 4x10
68 860914040 V-3 Tuerca M4 Ecrou M4 Nut M4
901A 135728550 Kit
p
ortacuchilla + cuchilla Blade holder ass. + blade Grou
p
e
p
ortelame + lame
901B 135728578 Kit
p
ortacuchilla
(
sin cuchilla
)
Blade holder ass.
(
without blade
)
Groupe portelame(sans lame)
ACCESORIOS ACCESSORIES ACCESSOIRES
302 910770101 F69302 Tope lateral Plane side stop Butée latérale
303 910780101 F69303 Soporte profundidad Plane depth support Support profondeur
304 919290101 F69304 Bolsa recoje virutas Dust collection bag Sac poussière
305 919200101 F69305 Adapt.aspiración polvo Dust suction adapter Adaptateur poussière
802 951530101 F99111 Juego cuchillas (2ut.) Blade (2ut) Couteau (outil) (2ut)

FE82
VERSIÓN: 3-2-1-0
CUBIERTA MOTOR / MOTOR COVER / COUVERCLE MOTEUR
POS / ITEM 1
V-3-2-1 V-0
VERS DESCRIPCION CODIGO
V-3-2 Para/for Int./switch 763296013 13571810X
V-1 Para/for Int./switch 763295016 13571916X
V-0 Para/for Int./switch 763295016 13571901X
DISCO DIVISOR / DIVIDER DISC / DISQUE DIVISEUR
POS / ITEM 28
V-3-2-1 V-0
VERS CODIGO
V-3-2-1 135714712
V-0 135714711

FE82
VERSIÓN: 3-2-1-0
CABEZAL CUCHILLAS COMPLETO / COMPLETE CUTTER HEAD /
TÊTE PORTE-OUTILS COMPLET
POS / ITEM 24
135719210
(
NUEVO / NEW)
135719211
135728578
(NUEVO/NEW)
135728550
CODIGO DESCRIPCION
135719211 Incluye 2ut. de Kit Portacuchilla 135728550.
2pcs. Blade holder Ass. 135728550 included.
135719210 Incluye 2ut. de Kit Portacuchilla 135728578. (NUEVO)
2pcs. Blade holder Ass. 135728578. (NEW) included.
KIT PORTACUCHILLAS / BLADE HOLDER ASS. / GROUP PORTELAME
POS / ITEM 901
CODIGO DESCRIPCION
135728550 Kit Portacuchilla (1ut.) fijación 3 tornillo Allen.
Incluye Cuchilla.
1pcs. Blade holder Ass. 3 Allen screw fixed. Blade included.
135728578 Kit Portacuchilla (1ut.) fijación 3 tornillo Hexagonal
No incluye Cuchilla. (NUEVO/NEW)
1pcs. Blade holder Ass. 3 HEX screw fixed. Blade not included.