Freud Tools Ft1700Vce Users Manual
FT1700VCE to the manual 1610a35d-1bb9-4eed-b483-aec3158c63ce
2015-02-09
: Freud-Tools Freud-Tools-Ft1700Vce-Users-Manual-552213 freud-tools-ft1700vce-users-manual-552213 freud-tools pdf
Open the PDF directly: View PDF
.
Page Count: 4

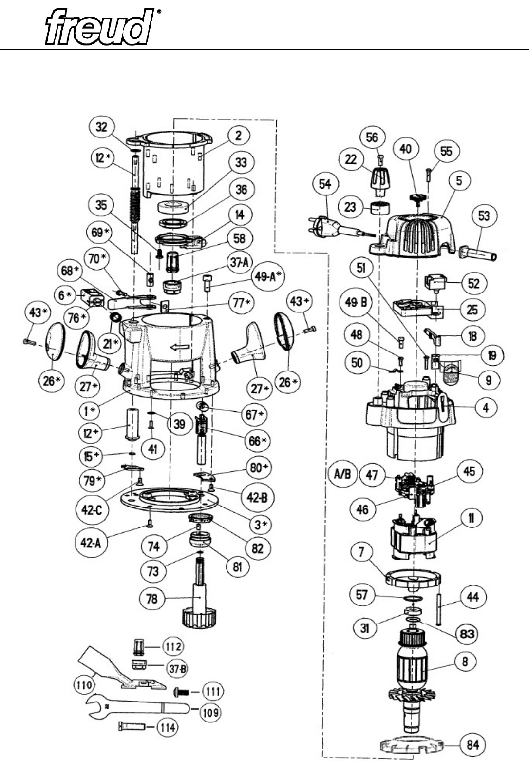
LISTA DE RECAMBIOS
SPARE LIST
LISTE DE RECHANGES 643 1/2
FRESADORA
FIXED BASE ROUTER
DEFONCEUSE
VERSIÓN: V-1-0
(120V) FT1700VCE
Salvo modificaciones
Emitido: 20/10/05 Impreso: 6/11/06
Right of modifcations reserved
Modification reservées

*FREUD* FRESADORA * FIXED BASE ROUTER * DEFONCEUSE * 643 1/2
LISTA DE RECAMBIOS / SPARE PART LIST / LISTE PIECES DETACHEES VERSION: 1-0
POS CODIGO VERS. DENOMINACION DESCRIPTION DENOMINATION
1A 136068421 Cuerpo soporte Support body Corps supporte
1B 136069761 Gr. Cuerpo+base
(
incl.piezas "*"
)
Bod
y
ass.
(
inc. parts marked "*"
)
Gr. corps
(
inclut pieces "*"
)
2
A
136065321 V-0 Cuerpo cubierta Housin
g
bod
y
Corps couverte
2B 13606532
2
V-1 Cuerpo cubierta Housin
g
bod
y
Corps couverte
3 136065531 Placa apo
y
o Base plate Plaque base
4 136061031 Cubierta motor Top motor housin
g
Carcasse moteur
5 13606106
2
Casquete cubierta motor Motor housin
g
cap Couvercle carcasse
6 13606402
3
Boton bloqueo Stop rod button Bouton bloca
g
e
7 136062611 V-0 Guia de aire
A
ir
g
uide Guide d'air
8
A
136069031 V-0 Inducido 120V 120V Armature Induit 120V
8B 136069061 V-1 Inducido 120V 120V Armature Induit 120V
9 13434402
2
Boton interruptor Power switch lever Bouton interrupteur
11 136069021 Estator 120V 120V Field Stator 120V
12 136069861 Gr.tornillo+soporte a
j
uste profun. Depth+support ad
j
ustment screw Vis+support adapte profondeur
14 136068371 Boton fi
j
acion e
j
e Spindle lock button Bouton fixation axe
15 136063851 Protector polvo Dust cover Protecteur poussière
18 136064201 Placa interruptor Switch plate Plaque interrupteur
19 136064451 Soporte placa interruptor Switch support plate Support plaque interrupteur
21 75700125
0
Muell
e
Sprin
g
Ressort
22 136065671 Palomilla a
j
uste profundidad Hei
g
ht ad
j
ustment knob Vis papillon adapte profondeur
23 13606505
2
Escala a
j
uste profundidad Hei
g
ht ad
j
ustment knob scale
É
chelle adapte profondeur
25 76348811
9
Modulo control velocidad Speed control module Module contrôle vitesse
26 136065631 Cubierta puño Handle cover Couverture poi
g
nee
27 136065641 Cuerpo Puño Handle bod
y
Corps poi
g
nee
31 71200002
6
Rodamiento 6000LLU Bearin
g
6000 LLU Roulement 6000LLU
32 87080091
4
A
randela bloqueo Lock washer Rondelle bloca
g
e
33 71200053
5
Rodamiento 6005LLU Bearin
g
6005 LLU Roulement 6005LLU
35 84431525
2
Tornillo M4x12 Screw torx M4x12
(
3
)
Vis M4x12
36 136061521 Tapa rodamiento Bearin
g
shaft nut Couverture roulement
37
A
136037411 Tuerca pinza Collet nut Ecrou pince
39 87080051
3
A
randela 5x13x2 Washer 5x13x2
(
2
)
Rondelle 5x13x2
40 136064711 Rulina selector velocidad Speed dial selector vitesse
41 84907715
0
Tornillo M5x10 Screw torx M5x10
(
2
)
Vis M5x10
42
A
84761524
8
Tornillo placa apo
y
o Base plate screw
(
4
)
Vis plaque appui
42B 84761524
8
Tornillo Arandela lateral Flan
g
e washer screw
(
1
)
Vis rondelle latérale
42C 84761524
8
Tornillo Arandela a
j
uste Ti
g
htenin
g
washer screw
(
2
)
Vis rondelle adapt
e
43 84201034
4
Tornillo puño M6x50 Handle screw M6x50
(
2
)
Vis poi
g
nee M6x50
44 84483013
4
Tornillo TP 5x55 Screw TP 5x55 torx
(
2
)
Vis TP 5x55
45 134132251 Muelle escobilla Brush sprin
g
(
2
)
Ressort balai
46 13528911
2
Porta escobilla Brush holder Porte balai
47
A
13410907
5
Escobilla Motor brush Balai
47B 13410907
6
Escobilla auto Motor brush auto Balai auto
48 84482002
8
Tornillo 3,5x16 Screw 3,5x16 torx
(
2
)
Vis 3,5x16
49
A
842009301 Tornillo brida desbloqueo Un lockin
g
clamp screw
(
1
)
Vis bride débloca
g
e
49B 842009301 Tornillo cubierta motor Top motor housin
g
screw
(
4
)
Vis couverte moteur
50 101204231 Brida cable Cable clamp Bride câble
51 84482005
0
Tornillo 4x20 Screw 4x20 torx
(
2
)
Vis 4x20
52 763256021 Interruptor Power switch Interrupteur
53 134314181 Man
g
uito cable Power cord boot Manchon
54 76766350
0
Cable toma corriente Power cord Câble prise courante
55 84482004
8
Tornillo M4x16 Screw 4x16 torx
(
4
)
Vis M4x16
56 84201025
6
Tornillo M4x16 Screw M4x16 Vis M4x16
57 74210251
5
A
nillo
g
oma Rubber rin
g
A
nneau
g
omme
58 136027431 Pinza 1/2" 1/2" Collet Pinze 1/2"
66 136068841 Brida desbloqueo Un lockin
g
clamp Bride débloca
g
e
67 136063911 Tuerca Nut Ecrou
68 13606513
2
Palanca brida Clamp lever Levier bride
69 136065811 Pivote palanca Lever pivot Pivot levier
70 84200934
0
Tornillo M6x40 Screw M6x40 DIN 912 Vis M6x40
73 101611421 Junta torica 5x1,5 5x1,5 o-rin
g
Joint torique 5x1,5
74 136082881 Tope
g
oma Rubber stop Stop
g
omme
76 13606402
9
Len
g
üeta retención Retainin
g
ton
g
ue Lan
g
uette retenue
77 13606691
2
A
randela rectan
g
ular Plate washer Rondelle rectan
g
ulaire
78 13606550
2
Aj
uste bloqueo puño
A
d
j
ustin
g
lock handle
Aj
ustement bloca
g
e poi
g
ne
79 13606690
0
A
randela a
j
uste Ti
g
htenin
g
washer Rondelle a
j
ust
80 13606694
0
A
randela lateral Flan
g
e washer Rondelle latérale
81 136064961 Rueda a
j
uste up/down Up/down knob Roue a
j
ustement up/down
82 136064951 Rueda micro-a
j
uste Micro ad
j
ustment wheel Roue micro- a
j
ustement
83 870801021
A
randela Washer Rondelle
84 13606261
4
V-1 Guia de aire
A
ir
g
uide Guide d'air
ACCESORIOS ACCESSORIES ACCESOIRES
37B 136037411 Tuerca pinza Collet nut Ecrou pince
109 136025211 Llave 22mm Wrench 22mm Clé 22mm
110 91934000
0
A
daptador aspirador Vacuum adapter
A
daptateur aspirateur
111 84431528
8
Tornillos
g
uía plantilla Template
g
uide screws Vis
g
uide calibre
112 13602743
5
Pinza 1/4" Collet 1/4" Pinze 1/4"
114 84730532
7
Tornillo monta
j
e tabla Table mount screw Vis assembla
g
e tableau

LISTA DE RECAMBIOS
SPARE LIST
LISTE DE RECHANGES 643 2/2
GRUPO BASE COLUMNAS
PLUNGE BASE
GROUPE BASE COLONNES
136069751 FT1760
Emitido: 6/11/06 Impreso: 6/11/06
Right of modifcations reserved
Modification reservées
Salvo modificaciones

643 2/2
VERSION: 0
POS CODIGO DENOMINACION PART NAME DENOMINATION
0 136069751 Grupo base columnas FT1760 Plunge base FT1760 Gr. base colonnes FT1760
1 136061831 Base columnas Column base Base colonnes
2 136065512 Palomilla M5x12 Winged screw M5x12 Vis papillon M5x12
3 136065711 Columna Column Colonne
4 136065712 Columna Column Colonne
5 136063261 Pivote guia Guide pivot Pivot guide
6 875331020 Anillo seg. RW20 DIN-7993 Safety ring RW20 Aneau securitée RW20
7 876601012 Circlip D.14 Circlip D.14 Circlip D.14
8 136065531 Base apoyo Base plate Plaque base
9 136035651 Tope retención Step turret Groupe stop
10 713900170 Bola D.4 DIN-5401 Ball D.4 Boule D.4
11 757000200 Muelle Spring Ressort
12 136065601 Palanca autoblock Autolock handle Levier autoblock
13 136065421 Tornillo autoblock Autoblock screw Vis autoblock
14 757002400 Muelle columnas Column spring Ressort colonne
15 136081551 Fuelle protector Protective sleeve Soufflet protection
16 136065541 Cuerpo soporte Support body Corps supporte
17 136081231 Palanca bloqueo Plunge lock handle Levier blocage
18 136026241 Tornillo fijación columna Screw Vis
19 757021360 Muelle torsión Spring Ressort
20 136063841 Eje graduado (serigrafiado) Graduated spindle Axe gradué
21 136065641 Base puño Handle body Corps poignee
22 136065631 Tapa puño Handle cover Couverture poignee
23 136066912 Arandela fleje (tratada) Washer Rondelle
24 136065132 Palanca brida (doblada) Clamp lever Levier bride
25 136065812 Perno palanca acc.columnas Lever pivot Pivot levier
26 842009340 Tornillo M6x40 DIN-912 Screw M6x40 Vis M6x40
27 846001283 Tornillo M5x10 DIN-85 Screw M5x10 Vis M5x10
28 842010344 Tornillo M6x50 DIN-912 Screw M6x50 Vis M6x50
29 847615248 Tornillo avell. torx M4x8 Screw avell. torx M4x8 Vis avell. torx M4x8
30 837000261 Pasador 4x28 DIN-1481 Pin 4x28 Pin 4x28
31 860305060 Tuerca autobloc. M6 DIN-985 Autobloc. nut M6 Ecrou autobloc. M6
32 742100620 Anillo junta OR6x2 O-ring 6x2 Joint torique 6x2
33 136064702 Tapon tornillo M6 Screew cap Bouchon vis
34 136066832 Tapon cierre (cincado) Closing cap Bouchon ferme
35 844105283 Tornillo cilind. ranura/cuello Screw Vis
36 870800611 Arandela D. 6.3x11x0.5 Washer D. 6.3x11x0.5 Rondelle D. 6.3x11x0.5
37 713900233 Bola D.6 DIN-5401 Ball D.6 Boule D.6
38 757000352 Muelle Spring Ressort
39 870001053 Arandela 5'3 DIN-125 Washer 5,3 Rondelle 5,3
40 849077150 Tornillo torx M5x10 Screw M5x10 Vis M5x10
*FREUD* GRUPO BASE COLUMNAS* PLUNGE BASE* GROUPE BASE COLONNES*
LISTA DE RECAMBIOS / SPARE PART LIST / LISTE DE PIECES DETACHEES