Freud Tools Ft750T Users Manual FT750T.psd
FT750T to the manual 9153a1dd-242d-4858-a6b2-b7df9f61365c
2015-02-09
: Freud-Tools Freud-Tools-Ft750T-Users-Manual-552214 freud-tools-ft750t-users-manual-552214 freud-tools pdf
Open the PDF directly: View PDF
.
Page Count: 5


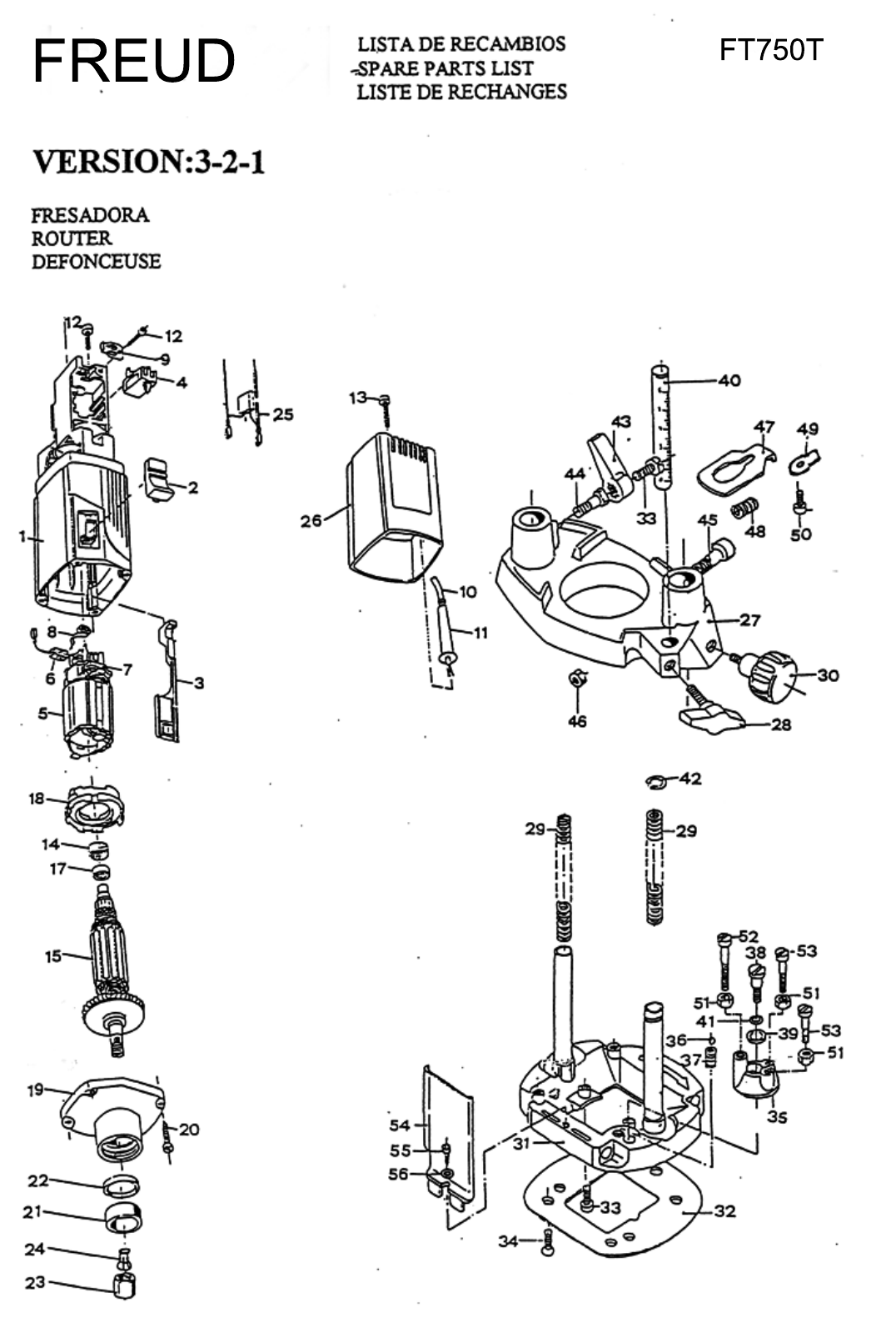
* FREUD * FRESADORA TUPI * MILLING ATTACHMENT * FRAISEUSE * FT750T
LISTA DE RECAMBIOS / SPARE PARTS LIST / LISTE DE PIECES DETACHEES
V
ERSION: 3-2-1
POS. CODIGO VERS DENOMINACION PART NAME DENOMINATION
1A 13433.1032 V-3-2 Grup.cubierta motor motor cover Couvercle moteur
1B 13432.1032 V-1 Cubierta motor motor cover Couvercle moteur
2A 13432.4021 V-3-2 Mando interruptor Switch control Controle interrupteur
2B 13431.4021 V-1 Mando interruptor Switch control Controle interrupteur
3A 13432.4201 V-3-2 Palanca interruptor Switch lever Levier interrupteur
3B 13431.4201 V-1 Palanca interruptor Switch lever Levier interrupteur
4 76325.5021 Interruptor Switch Interrupteur
5A 13434,9123 V-3 Estator 230V. Field 230V. Stator 230V
5B 13445..9023 V-2-1 Estator 230V. Field 230V. Stator 230V
5C 13445.9021 V-2-1 Estator 120v Field 120V Stator 120v
6A 13017.9071 V-3-2 Escobilla carbon brush Balai
6B 13006.9071 V-1 Escobilla carbon brush Balai
7A 13434.9114 V-3 Portaescobillas brush holder Porte-balai
7B 13432.9111 V-2 Portaescobillas brush holder Porte-balai
7C 13431,9111 V-1 Portaescobillas brush holder Porte-balai
8 13431.2251 Muelle escobilla Brush spring Ressort balai
9 13413.4231 Brida fijar cable Cable fastening clamp Bride
10A 76755.0107 Cable red EU Power cord EU Câble prise courant
10B 76767.0105 Cable red UK Power cord UK Cable prise courant UK
11 13431.4181 Manguito Sleeve Manchon
12 84480.0027 Tornillo 3,5x14TP Screw 3,5x14TP Tornillo 3,5x14TP
13 84480.0050 Tornillo 4x20 TP Screw 4x20 TP Vis 4x20 TP
14 13013.1601 Anillo goma Rubber ring Bague cautchouc
15A 13604.9031 Inducido 120V Armature 120V Induit 120V
15B 13604.9033 Inducido 230V Armature 230V Induit 230V
17 71206.0702 Rodamiento 607 ZZ Ball bearing 607 ZZ Roulement 607 ZZ
18 13431.2611 Guia aire Air guide Guide d'air
19 13604.1013 Cabezal Gear box Carter
20 84480.0051 Tornillo 4-4,5x22 TP Screw 4-4,5x22 TP Vis 4-4,5x22 TP
21 13604.3381 Tapagrasas delantero Grease seal Scellé graisse
22 13604.3371 Tapagrasas rodamiento Bearing rease seal Scellé graisse roulement
23 13604.7412 Tuerca pinza Forcep nut Écrou pince
24A 13604.7431 Pinza 6mm. Forcep 6mm. Pince 6mm.
24B 13604.7433 Pinza 8mm. Forcep 8mm. Pince 8mm.
25 13432.9081 Grupo condensador Condenser group Grupe condensateur
26A 13431.1061 Casquete azul Blue cover Couvercle blue
26B 13431.1063 Casquete verde Green cover Couvercle vert
27 13604.5542 Cuerpo soporte Support body Corps support
28 13601.3972 Palomilla M6x13 Winged screw Vis à oreilles M6x13
29 75700.1652 Muelle Spring Ressort
30 13260.5632 Puño Grip Poignée
31 13604.9751 Base columnas Columns & base Base et colonnes
32 13602.5531 Placa base Support plate Plaque appui
33 84600.1283 Tornillo M5x10 DIN 85 Screw M5x10 DIN 85 Vis M5x10 DIN 85
34 84760.5248 Tornillo M4x8 DIN 965 Sccrew M4x8 DIN 965 Vis M4x8 DIN 965
35 13603.9291 Tope apoyo Support stop Butée retention
36 71390.0233 Bola 6 DIN 5401 Ball 6 DIN 5401 Boule 6 DIN 5401
37 75700.0351 Muelle Spring Ressort
38 84410.5283 Tornillo Screw Vis
39 87080.0611 Arandela Washer Rondelle
40 13604.5521 Tope regla Ruler stop Butée règle
41 74210.0620 Anillo junta OR6x2 Joint ring OR6x2 Bague joint OR6x2
42 87510.1016 Anillo seg 16 DIN471 Safety ring 16 DIN471 Bague securité 16 DIN471
43 13602.1231 Palanca bloqueo Blocking lever Levier blocage
44 13604.6241 Tornillo fijar columna Fixing screw Vis fixation
45 84200.9338 Tornillo M6x35 DIN912 Screw M6x35 DIN912 Vis M6x35 DIN912
46 86020.1060 Tuerca M6 DIN 934 Nut M6 DIN 934 Nut M6 DIN 934
47 13604.5691 Sujetador Support set Support
48 75700.0450 Muelle Spring Ressort
49 13604.6831 Brida retención Clamp Bride
50 84907.1248 Tornillo M4x8 DIN 7500c Screw M4x8 DIN 7500c Vis M4x8 DIN 7500c
51 86020.1050 Tuerca M5 DIN934 Nut M5 DIN934 Écrou M5 DIN934
52 84200.9297 Tornillo M5x30 DIN912 Screw M5x30 DIN912 Vis M5x30 DIN912
53 84200.9291 Tornillo M5x18 DIN912 Screw M5x18 DIN912 Vis M5x18 DIN912
54 13602.1211 Protección transparente Transparent guard Protection transparent
55 84430.5248 Torniillo M4x8Pz Screw M4x8Pz Vis M4x8Pz
56 87301.1040 Arandela 4 DIN137 Washer 4 DIN137 Rondelle 4 DIN137
57 84480.0032 Tornillo CL89Z 3,6x25 Zng Screww CL89Z 3,6x25 ZNg Vis CL89Z 3,6x25 Zng
58 13432.1861 Obturador lado colector Obturating ring Joint obturateur
59 10460.5221 Llave 17mm Key 17mm Cle 17mm

FREUD FT750T
VERSION 3-2-1
CUBIERTA MOTOR / MOTOR COVER / COUVERCLE MOTEUR
POS / ITEM 1
VERS. COD.
V-3-2 13433.103X
V-1 13432.103X
MANDO INTERRUPTOR / SWITCH CONTROL BUTTON /
BOUTON INTERR.
POS / ITEM 2
VERS COD.
V-3-2 13432.4021
V-1 13431.4021
OFF ON ON OFF
V-3-2 V-1
V-3-2 V-1

PALANCA INTERRUPTOR / SWITCH CONTROL / LEVIER
INTERRUPTEUR
POS / ITEM 3
VERS COD.
V-3-2 13432.4201
V-1 13431.4201
ESTATOR/FIELD/STATOR
POS/ITEM 5
VERS. COD. H
V-3 13434.9123 13mm
V-2-1 13445.9023 16mm
ESCOBILLAS/CARBON BRUSH/BALAI
POS/ITEM 6
VERS COD. CARACT.(axb)
V-3-2 13017.9071 5X10mm
V-1 13006.9071 5X8mm
V-1
V-3-2
V-2-1
V-3
A
B
H
H

650
PORTAESCOBILLAS/BRUSH HOLDER/PORTEBALAIS
POS/ITEM 7
VERS. COD. H CARACT.(axb)
V-3 13434.9114 15mm 5x10mm
V-2 13432.9111 18mm 5x10mm
V-1 13431.9111 18mm 5x8mm
H