Frigidaire Ffrc0833R1 Wiring Diagram 344256298_ELUS KC35$N1Y DKG12(CK2) S JD WS NK MP 2
2015-06-12
: Frigidaire Frigidaire-Ffrc0833R1-Wiring-Diagram-751061 frigidaire-ffrc0833r1-wiring-diagram-751061 frigidaire pdf
Open the PDF directly: View PDF
.
Page Count: 1

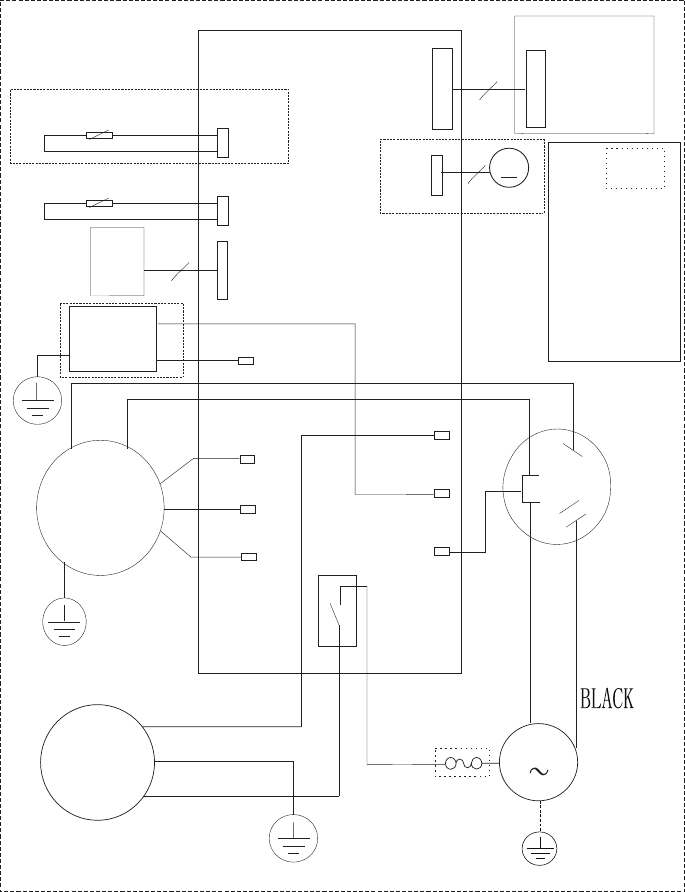
P4
P3
P2
P7
BLUE
CN1
CN4
CN3
BLACK
BLACK
CONTROL BOARD
EVAPORATOR SENSOR
AMBIENT SENSOR
WHITE
BLUE
GREEN
WHITE
RED
G/Y
FAN MOTOR
DISPLAY BOARD
L
COM
N.O
RY6
P8
P9
CN2(CN1)
YELLOW
COMP
M
RED
G/Y
C
R(M) S
POWER
BLUE
16020300A04094
CN9
WIFI
CN10
M
SWING MOTOR
CAPACITOR
P5
ANION
Y/G
This symbol
indicates
the element
is optional,
the actual
shape shall
prevail
Notes:
C