Frontier Smart Technologies HA-FS2230-F Bluetooth and dual-band DAB/DAB+, FM module with RDS and USB docking functionality User Manual Tuscany User Guide
Frontier Silicon Limited Bluetooth and dual-band DAB/DAB+, FM module with RDS and USB docking functionality Tuscany User Guide
Tuscany User Guide

Tuscany FS2230
Integrated Bluetooth®/DAB/FM module for wireless audio devices
31/07/2013 FSM-0012-2491 Rev 0.8 1/1
User guide CONFIDENTIAL NDA Initial
Overview
The Tuscany FS2230 module is the latest highly
flexible integrated wireless speaker module from
Frontier Silicon. Incorporating Bluetooth®, DAB/FM
radio, USB, iOS and Android smart device
connectivity, Tuscany provides superior signal
reception at low-power and at a price point suitable
for entry level products.
Tuscany’s flexible design enables production of
audio devices with any combination of high-
performance Bluetooth, dual-band DAB/DAB+, FM
with RDS and Apple® Lightning™/USB docking at
low-cost. In master mode Tuscany removes the need
for any additional host processor and includes a USB
device interface for firmware updates. Alternatively
Tuscany can operate in simple slave mode.
The module provides all interfaces necessary for a
fully functional Bluetooth wireless speaker system
with iOS docking capability and digital /analogue
radio, needing only power supply, display, keypad,
audio amplifier and speakers to complete a product.
Description
Tuscany provides a complete flexible, low-power
wireless speaker system, in a compact module,
incorporating digital/analogue radio and smart device
docking capability as required.
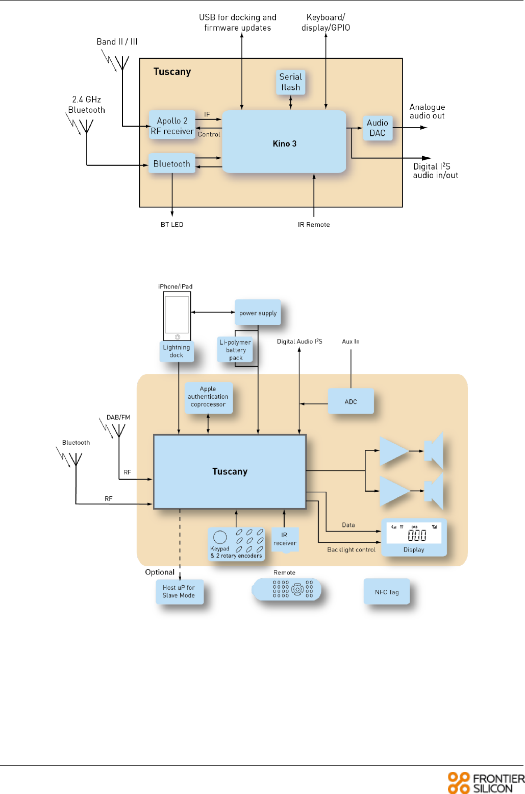
The main components of the Tuscany module are
shown in the diagram opposite. These are Frontier
Silicon’s Apollo 2 RF front-end, Kino 3 baseband
processor, Bluetooth IC, flash and audio DAC.
Benefits
Bluetooth A2DP streaming with AAC support
On-board Bluetooth antenna
USB interface for smart device docking (and
field software updates)
Support for NFC Bluetooth pairing
The most cost-effective BT/DAB/DAB+/FM
combo solution available
Best in class DAB sensitivity ensuring good
radio reception even in poor signal areas
No external microcontroller required
Key features
Bluetooth 3.0 (EDR)
Support for A2DP, AVRCP, and SPP Bluetooth
profiles.
Bluetooth Integrated PIFA antenna (external
antenna optional)
NFC support
DAB/DAB+ sensitivity to -100 dBm (typical)
FM sensitivity to -108 dBm (typical)
Decodes multiple audio services up to 384
kbps
Combined antenna input for FM and Band III
Full digital audio output (I2S)
On-board stereo DAC
Memory:
Integrated RAM for Bluetooth, DAB/DAB+
Built-in Flash - size dependent on application
Full-speed USB 2.0 (12 Mbit/s) for iOS and
Android smart device docking and software
updates
iAP2 support
Display backlight control
RoHS compliant
Temperature range:
operation: -10 to +70°C
storage: -40 to +85°C

User guide Confidential NDA Tuscany Module
FSM-0012-2491 Rev 0.8 2/1
Software
Software is configured to customer requirements and pre-installed in the module’s flash memory.
Full suite of customisable application software which includes:
Support for a variety of User Interfaces, including 1-line or 2-line displays and headless interfaces
Clock with multiple alarms/timers
Presets
Battery charge control
Support for 2 rotary encoder and 10 keys
Optional USB field upgrade available
Simple
Bluetooth
pairing using NFC
Build option
PRODUCT CODE
DESCRIPTION
FS2230-TB
Bluetooth, DAB/DAB+ Band III/Software FM with RDS
FS2230-TF
Bluetooth, Software FM with RDS
FS2230-T
Bluetooth wireless speakers
FS2230-B
DAB/DAB+ Band III/Software FM RDS
User Guide
The Tuscany FS2230 module is an integrated wireless speaker module from Frontier Silicon. Tuscany’s flexible
design enables production of audio devices featuring a combination of high-performance Bluetooth®, dual-band
DAB/DAB+, FM with RDS and USB docking at low-cost. The module provides all interfaces necessary for a fully
functional Bluetooth wireless speaker system with docking capability and digital /analogue radio, needing only
power supply, display, keypad, audio amplifier and speakers to complete a product.
The module cannot be deployed into the market on its own and is intended to be used in an end product which
incorporates the module.
The design authority for the end product will use the module data sheet*¹ and application note*² to add voltage
supplies, display, keyboard, audio amplifier, USB functions etc. to manufacture the final radio product to be sold to
general public.
The design authority and manufacturer of the end product is responsible for showing that this is compliant to
applicable Radio and EMC standards of the country into which it is selling.
The Block diagram below shows a typical application adopting Tuscany FS2230 module in a consumer radio
product. The functionally of the radio is controlled by software on a FLASH memory on the Tuscany module.
Frontier Silicon Limited supplies the software and programs the FLASH memory on the production line.
Notes:
*1: The Data Sheet is supplied to all OEM integrator of the module under strict Confidential NDA and it is not
available to general public. Request Frontier Silicon Ltd to supply the Tuscany FS2230 Data Sheet if you are an
OEM integrator and has not received it from Frontier Silicon Ltd.
*2: The Application Note is supplied to all OEM integrator of the module under strict Confidential NDA and it is not
available to general public. Request Frontier Silicon Ltd to supply Tuscany FS2230 Application Note if you are an
OEM integrator and has not received it from Frontier Silicon Ltd.

User guide Confidential NDA Tuscany Module
3/1 FSM-0012-2491 Rev 0.8
Tuscany module Block Diagram
Tuscany typical Application diagram
Standards and Certification
Tuscany is designed to be interoperable throughout Europe, USA and beyond. As well as complying with FCC
Part15b/part15c, ETSI EN300-328, EN301-489-17, EN62311, BS EN 61000-4-2, Bluetooth BT3.0 (BDR and EDR),
EN 55103:2001 and EN 55020:2007 standards, suitable end-products based on this platform should be able to
obtain certification for various other industry standards. For more information, contact Frontier Silicon Limited.

User guide Confidential NDA Tuscany Module
FSM-0012-2491 Rev 0.8 4/1
FCC statement
The Tuscany module is conformant with FCC standards under ”modular approval” only. This is intended to provide
customers a convenient way to achieve conformity with FCC. The FCC ID for the Tuscany module is YYX-HA-
FS2230-F.
DECLARATION OF CONFORMITY WITH FCC RULES FOR ELECTROMAGNETIC COMPATIBILITY
Frontier Silicon Limited declares under its sole responsibility that the product FCC-ID: YYX-HA-FS2230-F, to which this
declaration relates, complies with Part 15 of the FCC Rules in Bluetooth and Class B Computer peripheral operating modes
only.
It is the responsibility of the final product manufacturer to achieve conformance with Part 15 of the FCC rules for all other
operating modes, in the final application.
Operation is subject to the following two conditions:
(1) This device may not cause harmful interference, and
(2) this device must accept any interference received, including interference that may cause undesired operation.
The manufacturer of the final product containing the Tuscany module must ensure that the product includes an exterior label
with the following wording: “Contains FCC ID: YYX-HA-FS2230-F”.
The OEM integrator is responsible for ensuring that their end-product complies with additional compliance requirements
required with this module installed, such as digital device emissions, PC Peripheral requirements and any additional potential
RF Exposure requirements.
“Note: This equipment has been tested and found to comply with the limits for a Class B digital device, pursuant to
part 15 of the FCC Rules. These limits are designed to provide reasonable protection against harmful interference
in a residential installation. This equipment generates, uses and can radiate radio frequency energy and, if not
installed and used in accordance with the instructions, may cause harmful interference to radio communications.
However, there is no guarantee that interference will not occur in a particular installation. If this equipment does
cause harmful interference to radio or television reception, which can be determined by turning the equipment off
and on, the user is encouraged to try to correct the interference by one or more of the following measures:
—Reorient or relocate the receiving antenna.
—Increase the separation between the equipment and receiver.
“Changes or modifications not expressly approved by the party responsible for compliance could void the user's
authority to operate the equipment”
RF Exposure Guidance: This equipment complies with FCC radiation exposure limits set forth for an uncontrolled
environment. This equipment should be installed and operated with a minimum distance of 1.0cm between the
radiator and persons. This transmitter must not be co-located or operating in conjunction with any other antenna or
transmitter, except in accordance with FCC multi-transmitter product procedures.”
Frontier Silicon is a trademark or registered trademark of Frontier Silicon Ltd. iPhone, iPad, iPod and lightning are
trademarks of Apple Inc., registered in the U.S. and other countries. The Bluetooth® word mark and logos are
registered trademarks owned by Bluetooth SIG, Inc. MPEG-4 HE-AAC audio coding technology licensed by
Fraunhofer IIS, www.iis.fraunhofer.de. Windows 7 is a registered trademark of Microsoft Corporation. Android is a
trademark of Google Inc.
Specifications are subject to change without notice.
Tuscany FS2230 contains IP licensed from Imagination Technologies Ltd.