Frymaster H20 5 Series Users Manual 819 5606 FRONT COVER DEC 04
H20.5 SERIES 819-5606 JUN 03
H20.5 SERIES to the manual 68de2ff6-0ceb-47fe-8c65-ac29a92f5966
2015-02-09
: Frymaster Frymaster-H20-5-Series-Users-Manual-552444 frymaster-h20-5-series-users-manual-552444 frymaster pdf
Open the PDF directly: View PDF
.
Page Count: 42

Frymaster, a member of the Commercial Food Equipment Service Association, recommends
using CFESA Certified Technicians.
24-Hour Service Hotline 1-800-551-8633 JUNE 2003
*8195606*
H20.5 Series Electric Fryers
Installation, Operation & Parts Manual

Please read all sections of this manual and retain for future reference.
NOTICE
IF, DURING THE WARRANTY PERIOD, THE CUSTOMER USES A PART FOR THIS ENODIS
EQUIPMENT OTHER THAN AN UNMODIFIED NEW OR RECYCLED PART PURCHASED
DIRECTLY FROM FRYMASTER DEAN, OR ANY OF ITS AUTHORIZED SERVICE CENTERS,
AND/OR THE PART BEING USED IS MODIFIED FROM ITS ORIGINAL CONFIGURATION, THIS
WARRANTY WILL BE VOID. FURTHER, FRYMASTER DEAN AND ITS AFFILIATES WILL NOT BE
LIABLE FOR ANY CLAIMS, DAMAGES OR EXPENSES INCURRED BY THE CUSTOMER WHICH
ARISE DIRECTLY OR INDIRECTLY, IN WHOLE OR IN PART, DUE TO THE INSTALLATION OF
ANY MODIFIED PART AND/OR PART RECEIVED FROM AN UNAUTHORIZED SERVICE CENTER.
NOTICE
This appliance is intended for professional use only and is to be operated by qualified
personnel only. A Frymaster Dean Factory Authorized Service Center (FASC) or other qualified
professional should perform installation, maintenance, and repairs. Installation, maintenance,
or repairs by unqualified personnel may void the manufacturer’s warranty. See Chapter 1 of
this manual for definitions of qualified personnel.
NOTICE
All fryers shipped without factory supplied cords and plug assemblies must be hardwired using
flexible conduit to the terminal block located on the rear of the fryer. These fryers should be
wired to NEC specifications. Hardwired units must include installation of restraint devices.
NOTICE
This equipment must be installed in accordance with the appropriate national and local codes of
the country and/or region in which the appliance is installed.
NOTICE
Drawings and photos used in this manual are intended to illustrate operational, cleaning and
technical procedures and may not conform to onsite management operational procedures.
NOTICE TO OWNERS OF UNITS EQUIPPED WITH COMPUTERS
U.S.
This device complies with Part 15 of the FCC rules. Operation is subject to the following two
conditions: 1) This device may not cause harmful interference, and 2) This device must accept
any interference received, including interference that may cause undesired operation. While
this device is a verified Class A device, it has been shown to meet Class B limits.
CANADA
This digital apparatus does not exceed the Class A or B limits for radio noise emissions as set
out by the ICES-003 standard of the Canadian Department of Communications.
Cet appareil numerique n’emet pas de bruits radioelectriques depassany les limites de classe A
et B prescrites dans la norme NMB-003 edictee par le Ministre des Communications du Canada.
DANGER
The front ledge of the fryer is not a step. Do not stand on the fryer. Serious injury can result
from slips or contact with the hot oil.

DANGER
Improper installation, adjustment, maintenance or service, and unauthorized alterations or
modifications can cause property damage, injury, or death. Read the installation, operating and
service instructions thoroughly before installing or servicing this equipment. See Chapter 1 of
this manual for definition of qualified service personnel.
DANGER
Single fryers equipped with legs must be stabilized by installing anchor straps. All fryers
equipped with casters must be stabilized by installing restraining chains
DANGER
Do not store or use gasoline or other flammable vapors and liquids in the vicinity of this or any
other appliance.
DANGER
The crumb tray in fryers equipped with a filter system must be emptied into a fireproof container
at the end of frying operations each day. Some food particles can spontaneously combust if left
soaking in certain shortening material. Additional information can be obtained in the filtration
manual included with the system.
WARNING
No structural material on the fryer should be altered or removed to accommodate placement of
the fryer under a hood. Questions? Call the Frymaster Dean Service Hotline at 1-800-551-8633.
WARNING
Do not bang fry baskets or other utensils on the fryer’s joiner strip. The strip is present to seal
the joint between the frypot. Banging fry baskets on the strip to dislodge shortening will distort
the strip, adversely affecting its fit. It is designed for a tight fit and should only be removed for
cleaning.
DANGER
Adequate means must be provided to limit the movement of this appliance without depending on
or transmitting stress to the electrical conduit. A restraint kit is provided with the fryer. If the
restraint kit is missing contact your local Frymaster Factory Authorized Service Center (FASC)
for part number 826-0900.
DANGER
This fryer may have two power cords and prior to movement, testing, maintenance and any
repair on your Frymaster fryer; disconnect BOTH electrical power cords from the electrical
power supply.
DANGER
THIS PRODUCT CONTAINS CHEMICALS KNOWN TO THE STATE OF CALIFORNIA TO CAUSE
CANCER AND/OR BIRTH DEFECTS OR OTHER REPRODUCTIVE HARM.
Operation, installation, and servicing of this product could expose you to airborne particles of
glasswool or ceramic fibers, crystalline silica, and/or carbon monoxide. Inhalation of airborne
particles of glasswool or ceramic fibers is known to the State of California to cause cancer.
Inhalation of carbon monoxide is known to the State of California to cause birth defects or other
reproductive harm.

H20.5 SERIES ELECTRIC FRYER
TABLE OF CONTENTS
Page #
1. INTRODUCTION 1-1
1.1 General 1-1
1.2 Safety Information 1-1
1.3 Computer Information 1-2
1.4 Shipping Damage Claim Procedure 1-2
1.5 Computer Information 1-3
2. INSTALLATION INSTRUCTIONS 2-1
2.1 General 2-1
2.2 Fryer Installation 2-2
2.3 Power Requirements 2-3
2.4 Frypot Boil-Out 2-4
3. OPERATING INSTRUCTIONS 3-1
3.1 Operating Fryers with Computer Magic III.5 Computers 3-1
3.2 Programming the Computer Magic III.5 3-4
3.3 Fallback Controller 3-8
4. PREVENTATIVE MAINTENANCE 4-1
4.1 Cleaning Fryer 4-1
5. OPERATOR TROUBLESHOOTING 5-1
5.1 Introduction 5-1
5.2 Troubleshooting Fryers and Controllers 5-2
5.3 Wiring Diagrams 5-6
6. PARTS LIST 6-1

H20.5 SERIES ELECTRIC FRYERS
CHAPTER 1: INTRODUCTION
1-1
1.1 General
Read the instructions in this manual thoroughly before attempting to operate this equipment. This
manual covers all H20.5 Series electric fryers.
H20.5 Series electric fryers feature easy to clean, open frypots with tilt-up elements. The fryers are
controlled by multi-product cooking computers and come in full-pot configurations.
1.2 Safety Information
Before attempting to operate your unit, read the instructions in this manual thoroughly.
Throughout this manual, you will find notations enclosed in double-bordered boxes similar to the
ones below.
CAUTION
CAUTION boxes contain information about actions or conditions that may cause or result in a
malfunction of your system.
WARNING
WARNING boxes contain information about actions or conditions that may cause or result in
damage to your system, and which may cause your system to malfunction.
DANGER
DANGER boxes contain information about actions or conditions that may cause or result in injury
to personnel, and which may cause damage to your system and/or cause your system to malfunction.
Fryers in this series are equipped with automatic safety features:
1. Two high-temperature detection features shut off power to the elements should the temperature
controls fail.
2. An inline circuit breaker shuts off power to the filter-pump motor (if equipped) if the motor clogs
or overheats.

H20.5 SERIES ELECTRIC FRYERS
CHAPTER 1: INTRODUCTION
1-2
1.3 Computer Information
This equipment has been tested and found to comply with the limits for a Class A digital device,
pursuant to Part 15 of the FCC rules. While this device is a verified Class A device, it has been
shown to meet the Class B limits. These limits are designed to provide reasonable protection against
harmful interference when the equipment is operated in a commercial environment. This equipment
generates, uses and can radiate radio frequency energy and, if not installed and used in accordance
with the instruction manual, may cause harmful interference to radio communications. Operation of
the equipment in a residential area is likely to cause harmful interference in which case the user will
be required to correct the interference at their own expense.
The user is cautioned that any changes or modifications not expressly approved by the party
responsible for compliance could void the user's authority to operate the equipment.
If necessary, the user should consult the dealer or an experienced radio and television technician for
additional suggestions.
The user may find the following booklet prepared by the Federal Communications Commission
helpful: "How to Identify and Resolve Radio-TV Interference Problems". This booklet is available
from the U.S. Government Printing Office, Washington, DC 20402, Stock No. 004-000-00345-4.
1.4 Shipping Damage Claim Procedure
What to do if your equipment arrives damaged:
Please note that this equipment was carefully inspected and packed by skilled personnel before
leaving the factory. The freight company assumes full responsibility for safe delivery upon
acceptance of the equipment.
1. File Claim for Damages Immediately—Regardless of extent of damage.
2. Visible Loss or Damage—Be sure this is noted on the freight bill or express receipt and is signed
by the person making the delivery.
1. Concealed Loss or Damage—If damage is unnoticed until equipment is unpacked, notify the
freight company or carrier immediately and file a concealed damage claim. This should be
done within 15 days of date of delivery. Be sure to retain container for inspection.

H20.5 SERIES ELECTRIC FRYERS
CHAPTER 1: INTRODUCTION
1-3
1.5 Service Information
For non-routine maintenance or repairs, or for service information, contact your local Frymaster
Authorized Service Center (FASC). Service information may also be obtained by calling the
Frymaster Technical Services Department (1-800-551-8633). The following information will be
needed in order to assist you efficiently:
Model Number_________________________
Serial Number _________________________
Voltage ______________________________
Nature of the Problem ___________________
____________________________________
____________________________________
1.6 After Purchase
In order to improve service, have the following chart filled in by the Frymaster/Dean Authorized
Service Technician who installed this equipment.
Authorized Service
Technician/FASC
Address
Telephone/Fax
Model Number
Serial Number
Gas Type

H20.5 SERIES ELECTRIC FRYERS
CHAPTER 1: INTRODUCTION
1-4
1.7 SERVICE PERSONNEL
1.7.1 Definitions
A. Qualified and/or Authorized Operating Personnel
1. Qualified/authorized operating personnel are those who have carefully read the information
in this manual and have familiarized themselves with the equipment functions, or have had
previous experience with the operation of equipment covered in this manual.
B. Qualified Installation Personnel
1. Qualified installation personnel are individuals, or firms, corporations, or companies that,
either in person or through a representative, are engaged in and are responsible for the
installation of electrical appliances. Qualified personnel must be experienced in such work,
be familiar with all electrical precautions involved, and have complied with all requirements
of applicable national and local codes.
C. Qualified Service Personnel
1. Qualified service personnel are those who are familiar with Frymaster/Dean equipment and
have been authorized by Frymaster/Dean to perform service on Frymaster/Dean equipment.
All authorized service personnel are required to be equipped with a complete set of service
parts manuals and stock a minimum amount of parts for Frymaster/Dean equipment. A list
of Frymaster/Dean Factory Authorized Service Centers (FASCs) was included with the fryer
when shipped from the factory. Failure to use qualified service personnel will void the
Frymaster/Dean warranty on your equipment.
RETAIN AND STORE THIS MANUAL IN A SAFE PLACE FOR FUTURE USE.

H20.5 SERIES ELECTRIC FRYERS
CHAPTER 2: INSTALLATION INSTRUCTIONS
2-1
2.1 General
Proper installation is essential for the safe, efficient, trouble-free operation of this appliance.
Qualified, licensed, and/or authorized installation or service personnel, as defined in Section
1.7 of this manual, should perform all installation and service on Frymaster equipment.
Failure to use qualified, licensed, and/or authorized installation or service personnel (as
defined in Section 1.7 of this manual) to install or otherwise service this equipment will void
the Frymaster warranty and may result in damage to the equipment or injury to personnel.
Where conflicts exist between instructions and information in this manual and local or
national codes or regulations, installation and operation shall comply with the codes or
regulations in force in the country in which the equipment is installed.
Service may be obtained by contacting your local Factory Authorized Service Center.
DANGER
Copper wire suitable for at least 167°F (75°C) MUST be used for power connections.
NOTICE
This equipment must be positioned so that the plug is accessible unless other
means for disconnection from the power supply (e.g., a circuit breaker) is provided.
DANGER
The electrical power supply for this appliance MUST be the same as indicated on
the rating and serial number plate located on the inside of the fryer door.
DANGER
This appliance MUST be connected to the voltage and phase as specified on the
rating and serial number plate located on the inside of the fryer door.
DANGER
All wiring connections for this appliance MUST be made in accordance with the
wiring diagram(s) furnished with the equipment. Wiring diagrams are located on the
inside of the fryer door.
DANGER
Do not store or use gasoline or other flammable vapors and liquids in the vicinity of
this or any other appliance.
WARNING
Do not attach accessories to this fryer unless fryer is secured from tipping. Personal
injury may result.

H20.5 SERIES ELECTRIC FRYERS
CHAPTER 2: INSTALLATION INSTRUCTIONS
2-2
All installation and service on Frymaster equipment must be performed by qualified, certified,
licensed, and/or authorized installation or service personnel.
Service may be obtained by contacting your local Factory Authorized Service Center.
In the event of a power failure, the fryer(s) will automatically shut down. If this occurs, turn the
power switch "OFF". Do not attempt to start the fryer(s) until power is restored.
This appliance must be kept free and clear of combustible material, except that it may be installed on
combustible floors.
A clearance of 6 inches (15 cm) must be provided at both sides and back adjacent to combustible
construction. A minimum of 24 inches (61 cm) should be provided at the front of the equipment for
servicing and proper operation.
WARNING
Do not block the area around the base or under the fryers.
2.2 Fryer Installation
WARNING
Frymaster fryers equipped with legs are for permanent installations. Fryers fitted with legs
must be lifted during movement to avoid damage and possible bodily injury. For a moveable
or portable installation, Frymaster optional equipment casters must be used. Questions?
Call 1-800-551-8633
4. To level fryers equipped with legs, the bottom of the legs can be screwed out up to 1-inch for
leveling. Legs should be adjusted so that the fryer is at the proper height in the frying station.
For fryers equipped with casters, there are no built-in leveling devices. The floor where the fryer
is installed must be level.
NOTE: If you need to relocate a fryer installed with legs, remove all the weight from each leg
before moving. If a leg becomes damaged, contact your service agent for immediate repair or
replacement.
WARNING
Hot shortening can cause severe burns. Avoid contact. Under all circumstances, oil
must be removed from the fryer before attempting to move it to avoid oil spills and
the falls and severe burns that could occur. This fryer may tip and cause personal
injury if not secured in a stationary position.
5. When the fryer is leveled in its final position, install the restraints provided with the unit to limit
its movement so that it does not depend on or transmit stress to the electrical conduit or
connection. Install the restraints in accordance with the provided instructions (see illustration on
the following page). If the restraints are disconnected for service or other reasons, they must be
reconnected before the fryer is used.

H20.5 SERIES ELECTRIC FRYERS
CHAPTER 2: INSTALLATION INSTRUCTIONS
2-3
6. Close fryer drain-valve and fill frypot with water to the bottom OIL LEVEL line.
7. Boil out frypot prior to first use. See Frypot Boil-Out instructions on page 2.4.
8. Drain, clean, and fill frypot(s) with cooking oil. See Section 2.5, Equipment Setup and Shutdown
Procedures.
2.3 Power Requirements
DANGER
Copper wire suitable for at least 167°F (75°C) MUST be used for power connections.
MODEL VOLTAGE PHASE WIRE
SERVICE MIN.
SIZE AWG
(mm2)
AMPS PER LEG
L1 L2 L3
H20.5 208 3 3 4 (25) 57 57 57
H20.5 240 3 3 4 (25) 50 50 50
DANGER
The electrical power supply for this appliance MUST be the same as indicated on
the rating and serial number plate located on the inside of the fryer door.
DANGER
This appliance MUST be connected to the voltage and phase specified on the rating
and serial number plate located inside the fryer door.
DANGER
All wiring connections for this appliance MUST be made in accordance with the
wiring diagrams furnished with the equipment. Wiring diagrams are located inside
the fryer door.
2.4 Frypot Boil Out
Before the fryer is first used for cooking product, it should be boiled out to ensure that residue from
the manufacturing process has been eliminated.

H20.5 SERIES ELECTRIC FRYERS
CHAPTER 2: INSTALLATION INSTRUCTIONS
2-4
Also, after the fryer has been in use for a period of time, a hard film of caramelized vegetable oil will
form inside the frypot. This film should be periodically removed by following the boil-out
procedure.
Clean frypot(s) as follows before filling with cooking oil for the first time and at least once a month
thereafter:
1. Before switching the fryer "ON", close the frypot drain valve, then fill the empty frypot with a
mixture of cold water and detergent. Follow instructions on detergent bottle when mixing.
4. Press computer ON/OFF switch to "ON".
3. Program computer for Boil-out Operation as outlined in the computer manual that shipped with
the fryer.
4. Simmer the solution for 45 minutes to 1 hour. Do not allow water level to drop below the
bottom OIL LEVEL line in frypot during boil-out operation.
CAUTION
Do not leave fryer unattended. The boil-out solution may foam and overflow. Press
ON/OFF switch to the "OFF" position to control boil over.
CAUTION
All drops of water MUST be removed from frypot before filling with cooking oil.
CAUTION
Water or boil-out solution MUST not be allowed to drain into the filter pan or filter
system. Irreversible damage will result if water is allowed into the filtration system
and all applicable warranties will be voided.
4. Turn the fryer ON/OFF switch(s) to the "OFF" position.
5. Add two gallons of water. Drain out the solution and clean the frypot(s) thoroughly.
6. Refill the frypot(s) with clean water. Rinse the frypot(s) twice, drain and wipe down with a
clean towel. Remove all traces of water prior to filling frypot with oil.
For computer/controller operational procedures, consult the manual that shipped
with the computer/controller.

H20.5 SERIES ELECTRIC FRYERS
CHAPTER 2: INSTALLATION INSTRUCTIONS
2-5
2.5 Equipment Setup and Shutdown Procedures
Setup
WARNING
Fill the frypot to the bottom OIL LEVEL line with vegetable oil before pressing the
ON/OFF switch to the "ON" position. Failure to do so could damage the frypot.
4. Fill the frypot with vegetable oil to the bottom OIL LEVEL line located on the rear of the frypot.
This will allow for oil expansion as heat is applied. Do not fill cold oil any higher than the
bottom line; overflow may occur as heat expands the oil. If solid shortening is used, first raise
the elements, then pack solid shortening into the bottom of the frypot. Lower the elements, and
then pack solid shortening around and over the elements. Never insert a solid block of
shortening into frypot on top of the elements. Hot spots and element damage will occur, and the
potential for flash-fire increases.
WARNING
NEVER set a complete block of solid shortening on top of heating elements. To do
so will damage the elements and increase the potential for flash-point shortening
temperatures and subsequent fire.
5. Ensure that the power cord(s) is/are plugged into the appropriate receptacle(s). Verify that the
face of the plug is flush with the outlet plate, with no portion of the prongs visible.
6. Ensure that the vegetable oil level is at the top OIL LEVEL line when the vegetable oil is at its
programmed cooking temperature. It may be necessary to add vegetable oil to bring the level up
to the proper mark, after the oil has reached the programmed cooking temperature. If solid
shortening is used, the MELT cycle MUST be used exclusively to melt the shortening. It may
be necessary to add solid shortening to bring the level up to the proper mark after the packed
shortening has melted. DO NOT DISABLE OR CANCEL THE MELT CYCLE.
Shutdown
4. Press the ON/OFF switch to the "OFF" position (the display will show "OFF").
2. Filter vegetable oil (if applicable) and clean fryers (See Chapter 3).
3. Place the frypot covers on frypots.

H20.5 SERIES ELECTRIC FRYERS
CHAPTER 3: OPERATING INSTRUCTIONS
3-1
3.1 Operating Fryers with Computer Magic III.5 Computers
124 5
3
8
67
ITEM DESCRIPTION
1 Lighted Display -- left display of various functions and operations.
2 Lighted Display -- right display of various functions and operations.
3 Program Lock and Temperature Check Switch -- locks program in
computer and/or displays frypot temperature when depressed.
4/5 Power Switches— either switch turns power "ON" or "OFF"
6/7 Product and Coding Switches -- provides access to computer and
programming functions.
8 Programming Switch -- used when reprogramming the computer
memory.
WARNING
Before turning on computer, ensure the fryer is filled with cooking oil/shortening or
water. NEVER allow water to enter the Filtration System (if applicable).

H20.5 SERIES ELECTRIC FRYERS
CHAPTER 3: OPERATING INSTRUCTIONS
3-2
3.1 Operating Fryers with Computer Magic III.5 Computers (cont.)
3.1.1 Equipment Setup and Shutdown Procedures
Setup
WARNING
Fill the frypot to the bottom OIL LEVEL line with vegetable oil before pressing the
ON/OFF switch to the "ON" position. Failure to do so could damage the frypot.
1. Fill the frypot with vegetable oil to the bottom OIL LEVEL line located on the rear of the frypot.
This will allow for oil expansion as heat is applied. Do not fill cold oil any higher than the
bottom line; overflow may occur as heat expands the oil. If solid shortening is used, first raise
the elements, then pack solid shortening into the bottom of the frypot. Lower the elements, and
then pack solid shortening around and over the elements. Never insert a solid block of
shortening into frypot on top of the elements. Hot spots and element damage will occur, and the
potential for flash-fire increases.
WARNING
NEVER set a complete block of solid shortening on top of heating elements. To do
so will damage the elements and increase the potential for flash-point shortening
temperatures and subsequent fire.
2. Ensure that the power cord(s) is/are plugged into the appropriate receptacle(s). Verify that the
face of the plug is flush with the outlet plate, with no portion of the prongs visible.
3. Ensure that the vegetable oil level is at the top OIL LEVEL line when the vegetable oil is at its
programmed cooking temperature. It may be necessary to add vegetable oil to bring the level up
to the proper mark, after the oil has reached the programmed cooking temperature. If solid
shortening is used, the MELT cycle MUST be used exclusively to melt the shortening. It may
be necessary to add solid shortening to bring the level up to the proper mark after the packed
shortening has melted. DO NOT DISABLE OR CANCEL THE MELT CYCLE UNTIL ALL
SOLID SHORTENING HAS MELTED.
Shutdown
1. Press the ON/OFF switch to the "OFF" position (the display will show "OFF").
2. Filter vegetable oil (if applicable) and clean fryers (See Chapter 4).
3. Place the frypot covers on frypots.

H20.5 SERIES ELECTRIC FRYERS
CHAPTER 3: OPERATING INSTRUCTIONS
3-3
3.1.1 Equipment Setup and Shutdown Procedures (cont.)
Operating the Fryer
A. Turn the computer on by pressing the switch.
1. One of the following displays will appear:
a. , indicating that the element is operating in the melt-cycle mode. Fryer will
remain in the melt-cycle mode until it reaches 180°F (82°C) or is canceled manually.
b. , indicating that the pot temperature is 21°F (12°C) or higher than the setpoint.
c. , indicating that the pot temperature is 21°F (12°C) or lower than the setpoint.
d. "" indicating that the fryer temperature is in the cooking range. NOTE: For best
results, do not cook product until the display reads " ".
e. , indicates a heating problem.
f. , indicates that the pot temperature is more than 410°F (210°C) [395°F (202°C) for
CE (European Community) fryers].
g. , indicates that the computer has detected a problem in the temperature measuring
circuits, including probe.
NOTE: "." decimal point between digits 1 and 2 in either display area indicates that the heating
element is on.
B. Melt-Cycle Cancel Feature (built-in computers only).
CAUTION
Do not cancel the melt cycle mode if using solid shortening.
The computer will display during melt-cycle operation. To cancel melt cycle on a full pot,
depress the "R" button . To cancel the melt cycle on a split pot, use "L" button for left side
pot and "R" button for right side. will be replaced by . The decimal point between
digits 1 and 2 will illuminate indicating that the elements are on.
C. Cook-cycle operation is initiated by pressing the product switch:
1. The basket lift (on fryers so equipped) will lower the product into the cooking oil/
shortening.

H20.5 SERIES ELECTRIC FRYERS
CHAPTER 3: OPERATING INSTRUCTIONS
3-4
3.1.1 Equipment Setup and Shutdown Procedures (cont.)
2. The display will indicate the programmed cook time and begin countdown.
3. If shake time is programmed, you will be notified to shake the product "X" seconds after the
cook cycle begins (X= amount of time programmed). An alarm will sound and the display
will read and the product number selected. If no shake time is programmed will
not appear during the cook cycle.
4. At the end of cooking cycle, an alarm will sound; will be displayed and the
associated product switch indicator will flash. To cancel the cook alarm, press the flashing
product switch.
5. At this time, the hold time will be displayed (if programmed greater than 0) and countdown
will begin. When the hold time counter reaches 0, an alarm will sound. and the
product number selected is displayed. The hold alarm is canceled by pushing the switch.
If display is in use, hold time will count down invisibly until display is free.
3.1.2 Checking Temperature
A. Check the cooking oil/shortening temperature at any time by pressing the switch once. Check
the setpoint by pressing the switch twice.
B. During the idle periods, when the fryer is on but not in use, " " should appear on both
displays on a single frypot computer. " " will appear on the display of the side that is
turned on in a dual pot computer. If not, check actual temperature and setpoint.
C. If you suspect a defective probe, check the cooking oil/shortening temperature with a
thermometer. Verify that the computer readout is reasonably close to your measured reading.
NOTE: The electronic circuitry can be affected adversely by current fluctuations and electrical
storms. If for no apparent reason the computer does not function or program properly, reset the
computer by unplugging the power cord and plugging it back in.
3.2 Programming The Computer Magic III.5
1. Activate the computer by pressing either switch.
2. To enter the program mode, first press the switch. will appear in the left display. If
you have pressed this switch in error and do not wish to program, press the switch again.
Note: The computer will flash if cooking is in progress.
3. Press 1,6,5,0 in that sequence to enter the program mode.

H20.5 SERIES ELECTRIC FRYERS
CHAPTER 3: OPERATING INSTRUCTIONS
3-5
3.2 Programming The Computer Magic III.5 (cont.)
4. "" (Setpoint) will appear in the left display. This is for setting the cooking temperature.
The temperature previously selected will be displayed in the right display. Enter new
temperature. Press the switch to lock in temperature setting. If you do not wish to change
the setting, press the switch.
5. "" (Select Product) will appear in the left display. Press the product button to be
programmed.
6. will appear in the left display. The sensitivity number previously selected will be
displayed in the right display. Enter the new desired sensitivity number, the range is 1 to 9.
Enter "0" for no sensitivity. Press the switch to lock in the setting.
Sensitivity adjusts computer-cooking time to compensate for the drop in cooking
oil/shortening temperature when a basket of product is placed into the fryer. Sensitivity
decreases or increases cooking time to counterbalance variances in product density,
basket-load size, and initial temperature. A proper sensitivity setting will ensure a high
quality product. For example: 4 ounces of french fries can be programmed to cook to
the same quality as 2 pounds. A good initial setting is 4 or 5. Some experimenting
with the range of 1 to 9 may be required to achieve optimum quality.
7. will now appear in the left display. A previously entered cook-time will appear in the
right display. If that time is correct, press the switch. If you wish to change the time, enter
the desired time in minutes and seconds. (The new time will be displayed in the left display.)
Press the switch to lock in the setting.
8. now appears in the left display. The previous shake time (if any) will appear in the right
display. If a product requires shaking during the cooking process, set the shake time by pressing
the number of minutes to cook before shaking. Press the switch to lock in the time. If no
shake time is required, press "0" and press the switch. Example: Total cook time 3:00
minutes, shake after cooking 1:00 minute.
At the end of 1:00 minute, a beeper will sound and the product button indicator will flash for
three seconds.
9. will now appear in the left display. Set the time to hold the cooked product from 13
seconds to 60 minutes. Press the switch. If you do not wish to use the hold time, enter "0"
and press the switch.
10. will appear in the left display. If you desire to program more products, return to Step 5.
If no more programming is required, lock in program by pressing the switch.

H20.5 SERIES ELECTRIC FRYERS
CHAPTER 3: OPERATING INSTRUCTIONS
3-6
3.2 Programming The Computer Magic III.5 (cont.)
3.2.1 Boil Feature
CAUTION
Do not drain water or boil-out solution into the filtration system (if applicable). Irreparable
damage will result and void the warranty.
1. Before switching the fryer "ON", close the frypot drain valve. Fill empty frypot with mixture of
cold water and detergent. Follow detergent instructions when mixing.
NOTE: Boil Mode will not turn on both sides of computer. Each side will have to be turned on
separately.
2. To program computer for Boil Feature, press either switch.
3. Press the switch. will appear in the left display.
4. Enter 1, 6, 5, 3 in that sequence. The right display will read . The temperature is
automatically set for 195°F (91°C). The fryer will attain this temperature and remain there until
either switch is pressed, which cancels the boil-out mode. In high-altitude locations,
constantly monitor the fryer for over-boil conditions. If over-boil occurs, turn off fryer
immediately, allow to cool, and re-enter boil-out mode to continue the boil-out operation.
3.2.2 Fryer Recovery Time Check
Recovery Time - An acceptable recovery time is 100 seconds or less.
1. To check recovery time, press the switch. will appear in the left display.
2. Enter 1, 6, 5, 2 in that sequence. The recovery time will appear in both displays for 5 seconds.
3.2.3 Temperature Selection—Fahrenheit to Celsius
1. To change the computer temperature from Fahrenheit to Celsius or Celsius to Fahrenheit, press
either switch.
2. Press the switch. will appear in the left display.
3. Enter 1, 6, 5, 8 in that sequence. The computer will automatically convert the temperature from
Fahrenheit to Celsius or Celsius to Fahrenheit.
4. Press the switch to display the temperature in the newly selected mode.

H20.5 SERIES ELECTRIC FRYERS
CHAPTER 3: OPERATING INSTRUCTIONS
3-7
3.2.4 Constant Oil Temperature Display Mode
1. To program constant temperature display, press the switch.
2. Press the switch. will appear in the left display.
3. Enter 1, 6, 5, L in that sequence. The cooking oil/shortening temperature will display constantly
in the right display on a full-pot and in both displays on a split-pot.
NOTE: During the product cooking process, the cooking time will not be displayed but timing
will be taking place.
4. To remove the constant oil-temperature display and display the cooking time, repeat Step 2 and
Step 3.
3.2.5 In-N-Out Burger CMIII.5 Programming Specifications
In-N-Out Burger H20.5 fryer computers should be programmed to the following specifications:
4:45 5:00 5:15 5:30 5:45 6:00 4:45 5:00 5:15 5:30 5:45 6:00
Programming specifications
for In-N-Out Burger CM-III.5
(106-1207)
Time (Minutes:Seconds)
There is no "Shake" or "Hold" time programmed for any buttons. "Sensitivity" settings for all
buttons should be "2".

H20.5 SERIES ELECTRIC FRYERS
CHAPTER 3: OPERATING INSTRUCTIONS
3-8
3.3 Fallback Controller (Optional)
If the computer fails, place the fallback controller switch in the "up" ("ON") position (Figure 1). The
fallback controller switch is located inside the fryer door, on the left-side panel, under the
component box. The white light on the front of the control panel will illuminate and the fryer will
operate at a fixed temperature (Figure 2). Have the computer repaired or replaced as soon as
possible.
Figure 1: Fallback Controller Switch Figure 2: Fallback Controller Indicator Light

4–1
H20.5 SERIES ELECTRIC FRYERS
CHAPTER 4: PREVENTATIVE MAINTENANCE
4.1 Cleaning Fryer
4.1.1 Clean Inside and Outside of Fryer Cabinet- Daily
Clean inside the fryer cabinet with a dry, clean cloth. Wipe all accessible metal surfaces and
components to remove accumulated oil/shortening and dust.
Clean outside the fryer cabinet, with a clean, damp cloth soaked with dishwashing detergent. Wipe
with a clean, damp cloth.
4.1.2 Clean Frypot and Heating Elements- Weekly
WARNING
NEVER operate the fryer(s) with an empty frypot. Irreparable damage to the heating
elements will result.
Boiling Out The Frypot:
See Section 2.4 for boil-out procedure, and Section 3.2.1 for programming the
computer for boil-out.
WARNING
DO NOT leave the fryer unattended during the boil-out process. If the solution foams
excessively and overflows, press the ON/OFF switch to the "OFF" position
immediately. Allow solution to settle, then continue with the boil-out process.
CAUTION
Do not run water or boil-out solution through the filtration system (if applicable).
Doing so will cause irreparable damage to the pump.
4.1.3 Clean Detachable Parts and Accessories- Weekly
Wipe all detachable parts and accessories with a clean, dry cloth. Use a clean cloth saturated with
detergent to remove accumulated carbonized oil/shortening on detachable parts and accessories.
Rinse the parts and accessories thoroughly with clean water and wipe dry before reinstalling.

4–2
4.1.4 Draining and Manual Filtering: Non-Filtration Fryers
DANGER
Allow oil/shortening to cool to 100ºF (38ºC) or lower before draining to an
appropriate container for disposal.
If your fryer is not equipped with a built-in filtration system (FootPrint III or Filter Magic II), the
cooking oil or shortening must be drained into another suitable container. (For safe, convenient
draining and disposal of used cooking oil or shortening, Frymaster recommends using the Frymaster
Shortening Disposal Unit (SDU). The SDU is available through your local distributor.)
1. Turn the fryer power switch to the "OFF" position. Screw the drainpipe (provided with your
fryer) into the drain valve. Make sure the drainpipe is firmly screwed into the drain valve and
that the opening is pointing down.
2. Position a metal container with a sealing cover under the drainpipe. The metal container must be
able to withstand the heat of the cooking oil/shortening and hold hot liquids. If you intend to
reuse the oil or shortening, Frymaster recommends that a Frymaster filter cone holder and filter
cone be used when a filter machine is not available. If you are using a Frymaster filter cone
holder, be sure that the cone holder rests securely on the metal container.
3. Open the drain valve slowly to avoid splattering. If the drain valve becomes clogged with food
particles, use the Fryer’s Friend (poker-like tool) to clear the blockage.
DANGER
DO NOT insert anything into the drain from the front to unclog the valve. Hot
oil/shortening will rush out, creating an extreme hazard.
WARNING
DO NOT hammer on the drain valve with the Fryer’s Friend. This will damage the
drain valve ball and prevent the valve from sealing securely, resulting in a leaky
valve.
4. After draining the oil/shortening, clean all food particles and residual oil/shortening from the
frypot. BE CAREFUL, this material may still cause severe burns if it comes in contact with bare
skin.
5. Close the drain valve securely and fill the frypot with clean, filtered or fresh cooking oil or solid
shortening to the bottom OIL LEVEL line.

5-1
H20.5 SERIES ELECTRIC FRYERS
CHAPTER 5: OPERATOR TROUBLESHOOTING
5.1 Introduction
This section provides an easy reference guide to some of the common problems that may occur
during the operation of this equipment. The troubleshooting guides that follow are intended to help
correct, or at least accurately diagnose, problems with this equipment. Although the chapter covers
the most common problems reported, you may encounter problems that are not covered. In such
instances, the Frymaster Technical Services staff will make every effort to help you identify and
resolve the problem.
When troubleshooting a problem, always use a process of elimination starting with the simplest
solution and working through to the most complex. Never overlook the obvious – anyone can forget
to plug in a cord or fail to close a valve completely. Most importantly, always try to establish a clear
idea of why a problem has occurred. Part of any corrective action involves taking steps to ensure
that it doesn’t happen again. If a controller malfunctions because of a poor connection, check all
other connections, too. If a fuse continues to blow, find out why. Always keep in mind that failure
of a small component may often be indicative of potential failure or incorrect functioning of a more
important component or system.
Before calling a service agent or the Frymaster HOTLINE (1-800-551-8633):
• Verify that electrical cords are plugged in and that circuit breakers are on.
• Verify that frypot drain valves are fully closed.
WARNING
Hot shortening can cause severe burns. Avoid contact. Under all circumstances, oil
must be removed from the fryer before attempting to move it to avoid oil spills and
the falls and severe burns that could occur. This fryer may tip and cause personal
injury if not secured in a stationary position. See instruction manual.
DANGER
Use extreme care when testing electrical circuits. Live circuits will be exposed.
WARNING
Inspection, testing, and repair of electrical equipment should be performed only by
qualified service personnel. The equipment should be unplugged when servicing,
except when electrical tests are required.

5-2
5.2 Troubleshooting
5.2.1 Control and Heating Problems
Problem Probable Causes Corrective Action
A. Power cord is not plugged in or circuit
breaker is tripped. A. Plug power cord in and verify that
circuit breaker is not tripped.
B. Controller has failed. B. Call FASC.
Controller won't
activate. C. Power supply component or interface
board has failed.
C. If any of the components in the
power supply system (including the
transformer and interface board)
fail, power will not be supplied to
the controller and it will not
function. Determining which
component has failed is beyond the
scope of operator troubleshooting.
Call FASC.
A. Drain valve is open.
A. This fryer is equipped with a drain
safety switch that prevents the
heating element from being
energized if the drain valve is not
fully closed. Verify that the drain
valve is fully closed.
B. Controller has failed. B. Call FASC.
Fryer does not heat.
C. One or more other components have
failed.
C. If the circuitry in the fryer control
system cannot determine the frypot
temperature, the system will not
allow the element to be energized
or will de-energize the element if it
is already energized. If the
contactor, element, or associated
wiring fails, the element will not
energize. Determining which
specific component is
malfunctioning is beyond the scope
of operator troubleshooting. Call
FASC.

5-3
5.2.1 Control and Heating Problems (cont.)
Problem Probable Causes Corrective Action
Fryer repeatedly
cycles on and off when
first started. Fryer is in melt-cycle mode.
This is normal for fryers equipped
with CM III.5 computers and Digital
Controllers. The default operational
mode for these controllers is for the
elements to cycle on and off until the
temperature in the frypot reaches
180°F (82°C). In CM III.5 computers,
CYCL will appear in the display
when in the melt-cycle mode. The
purpose of the melt-cycle is to allow
controlled melting of solid shortening
to prevent scorching and flash fires or
damage to the element. If you are not
using solid shortening, the melt-cycle
can be cancelled or bypassed. Refer
to the separate Frymaster Fryer
Controllers User's Manual for the
procedure for canceling the melt-cycle
for the particular controller installed
on your fryer.
In fryers equipped with Solid State
(Analog) controllers, the melt-cycle is
controlled manually by means of the
rocker switch to the right of the
temperature control knob. If not using
solid shortening, press the rocker
switch to the OFF position to turn off
the melt-cycle.
Fryer does not heat
after filtering. Drain valve is open.
This fryer is equipped with a drain
safety switch that prevents the heating
element from being energized if the
drain valve is not fully closed. Verify
that the drain valve is fully closed.
Fryer heats until high-
limit trips with heat
indicator ON.
Temperature probe or controller has
failed.
Call FASC.

5-4
5.2.1 Control and Heating Problems (cont.)
Problem Probable Causes Corrective Action
Fryer heats until high-
limit trips without
heat indicator ON. Contactor or controller has failed.
Call FASC.
Fryer stops heating
with heat indicator
ON.
The high-limit thermostat or contactor
has failed.
The fact that the heat indicator is ON
indicates that the controller is
functioning properly and is calling for
heat. The high-limit thermostat
functions as a normally closed switch.
If the thermostat fails, the "switch"
opens and power to the elements is
shut off. If the contactor fails to close,
no power is supplied to the elements.
Determining which component has
failed is beyond the scope of operator
troubleshooting. Call FASC.
5.2.2 Error Messages and Display Problems
Problem Probable Causes Corrective Action
CM III.5 display is in
wrong temperature
scale (Fahrenheit or
Celsius).
Incorrect display option programmed.
CM III.5 computers may be
programmed to display in either
Fahrenheit or Celsius. Refer to the
separate Frymaster Fryer Controllers
User's Manual for instructions on
changing the display.
CM III.5
or
Digital Controller
display shows .
Open drain valve or problem with
latching circuitry.
Verify that the drain valve is fully
closed. The fryer will not function if
the drain valve is not fully closed. If
the drain valve is fully closed, the
problem is within the latching
circuitry and is beyond the scope of
operator troubleshooting. Call FASC.

5-5
5.2.2 Error Messages and Display Problems (cont.)
Problem Probable Causes Corrective Action
Display shows . Fryer is more than 21°F (12°C) above
setpoint.
This display is normal if the fryer
setpoint has been changed to a lower
temperature. The display should
revert to the normal four dashes when
the frypot temperature cools to the
setpoint. If the setpoint has not been
changed, this indicates a problem with
the temperature control circuitry.
Turn the fryer off and call FASC.
CM III.5
or
Digital Controller
display shows .
Frypot temperature is more than 410°F
(210°C) or, in CE countries, 395°F
(202°C).
This in an indication of a malfunction
in the temperature control circuitry,
including a failure of the high-limit
thermostat. Shut the fryer down
immediately and call FASC.
CM III.5
or
Digital Controller
display shows .
Frypot temperature is more than 21°F
(12°C) below setpoint.
This display is normal when the fryer
is first turned on and may appear for a
short while if a large batch of frozen
product is added to the frypot. If the
display never goes out, the fryer is not
heating. Look for a decimal in the
LED display between digits 1 and 2.
If the decimal is present, the computer
is calling for heat and is functioning
properly. See Fryer Does Not Heat in
Control and Heating Problems
(Section 5.2.1). If the decimal is not
present, the computer is not calling for
heat and may be malfunctioning. Shut
the fryer down and call FASC.
CM III.5
or
Digital Controller
display shows .
Problem with the temperature measuring
circuitry including the probe.
This indicates a problem within the
temperature measuring circuitry that is
beyond the scope of operator
troubleshooting. Shut the fryer down
and call FASC.
CM III.5 frypot
temperature is
displayed constantly.
Computer is programmed for constant
temperature display.
The CM III.5 computer may be
programmed for constant temperature
display or countdown timer display.
Refer to the separate Frymaster Fryer
Controllers User's Manual for
instructions on toggling between these
display options.

5-6
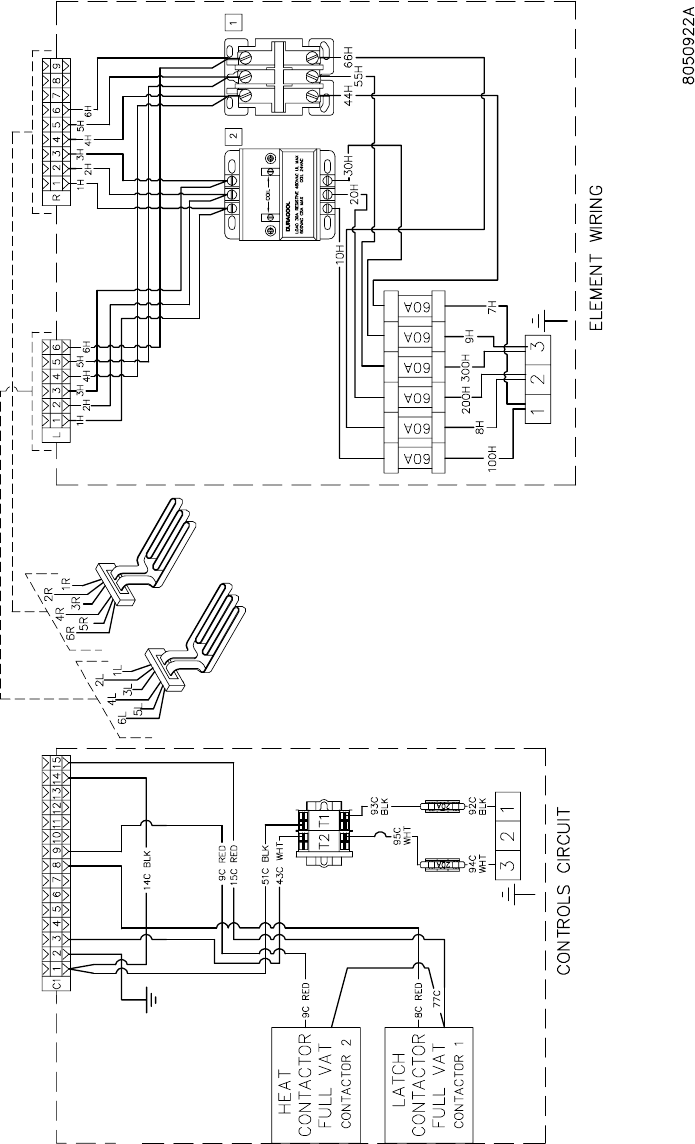
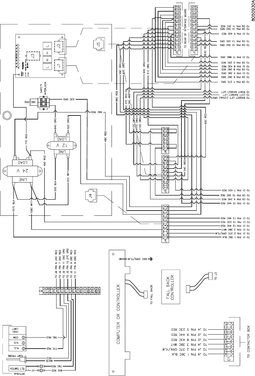
5.3 Wiring Diagrams
5.3.1 Wiring Diagram, Contactor

5-7
5.3.2 Wiring Diagram, Main

6-1
H20.5 SERIES ELECTRIC FRYERS
CHAPTER 6: PARTS LIST
6.1 Cabinet Assemblies and Related Components
1
2
9
34
5
6
8
7
10
11
12
13
14 15
16
17 18 19

6-2
6.1 Cabinet Assemblies and Component Parts (cont.)
ITEM PART # COMPONENT
1 900-2981 Rail, Front Top
2 806-7714 Base Assembly, Single
3 806-8277 Upright and Nutsert Assembly, Left
4 806-8295 Upright and Nutsert Assembly, Right
5 806-8296 Side, Cabinet—Right
6 806-8297 Side, Cabinet—Left
7 900-2983 Support, Rear Contactor Box
8 900-2984 Support, Front Contactor Box
9 900-5020 Guard, Splash
10 810-0658 Ring, Retaining
11 809-0216 Pin, Hinge Cover and Door
12 810-0275 Spring, Door Hinge
* 809-0413 Spacer, Door Post
* 90007341 Hinge, Door
13 900-5457 Liner, Door
14 809-0449 Screw, #10 x ½ Phillips
15 809-0545 Clip, Nylon
16 824-0608 Panel, Door
* 810-1422 Handle, Door—Wireform
* 810-1105 Magnet, Door (Offset)
17 806-8298 Back, Lower (Vent Cover)
18 806-8288 Back, Center, Rubber Bumper & Holddown Bar
19 806-8287 Back, Upper, Rubber Bumper & Holddown Bar
* Not Illustrated
6.2 Casters and Associated Hardware
123
ITEM PART # COMPONENT
1 826-0900 Chain Restraint Kit
2 810-0356 Caster, 5-inch Wheel w/o Brake
3 810-0357 Caster, 5-inch Wheel w/Brake
* Not Illustrated

6-3
6.3 Component Box Assembly and Associated Hardware
1
4 3 2
5 6
7
Solder non-terminal
wires here
To Computer
8
9
10

6-4
6.3 Component Box Assembly and Associated Hardware (cont.)
ITEM PART # COMPONENT
1 806-8303 Box, Component
2 806-9495 Terminal Block
* 816-0217 Insulating Paper, Terminal Block
3 807-0979 Transformer, 208/240/12 VAC 50/60 Hz. 43VA
4 807-0680 Transformer, 208/240/24 VAC 50/60 Hz. 43VA
5 806-8469 Interface Board, Fallback Controller (Optional and Older Units)
6 806-7179 Sound Device
7 806-7965 Interface Board, Full-vat
8 806-8294 Cable Assembly, Fallback Controller
9 910-1328 Mounting Plate, Switch—Fallback Controller (Optional and Older Units)
10 806-8524 Switch, Fallback Controller (Optional and Older Units)
* Not Illustrated
6.4 Contactor Box and Related Components
1
2
3
4
5
67
8
9
10
11
12
13
14 15
16 17
18
19

6-5
6.4 Contactor Box and Related Components (cont.)
ITEM PART # COMPONENT
1 807-0922 Holder, Buss Fuse HPS
* 807-2278 Fuse, KTK-R-20 20 Amp
2 807-0501 Fuse Block, 3-Pole
3 807-2464 Power Block, Delta
* 807-2240 Fuse, Buss 60 Amp, 300 VAC
4 900-5572 Back, Contactor Box
5 807-0070 Terminal, Ground Lug
6 900-5573 Box, Contactor
7 900-5443 Rail, Contactor Box
8 807-0884 Contactor, Mercury 22 kW (Watlow or Durakool)
9 810-1202 Contactor, 3-Pole 600V 40 Amp
10 810-1164 Terminal Block, 1-Piece Screwless
* 816-0217 Insulating Paper, Terminal Block
11 900-5132 Cover, Upper—Contactor Box
12 823-2553 Cover, Swing—Contactor Box
13 810-1396 Compression Latch, Adjustable
14 806-7188 Wire Assembly, Left—HV Full-vat
15 806-7184 Wire Assembly, Right—HV Full-vat
* 806-8341SP C1 Wiring Assembly – Contactor Box Wire Harness
* WIR0192 Wire Assembly, Delta
16 900-2865 Support, Fuse Block
17 900-5555 Flange, Rail—Contactor Box
18 807-2596 7-Pin Receptacle
19 807-2592 Wire Harness-Main
* Not Illustrated
6.5 Controller Assemblies
1
ITEM PART # COMPONENT
1 106-1207
Computer Magic III.5- In-N-Out

6-6
6.6 Control Panel Assemblies, Top Caps/Tilt Housings and Related
Components
1 2
3
2
4
ITEM PART # COMPONENT
1 824-0594 Tilt Housing
2 806-7713 Control Panel Assembly
3 823-2555 Top Cap
4 823-2568 Support, Top Cap

6-7
6.7 Frypot Assembly and Related Components
1
2
3
4
6
7
5
8
11
12 13
14
15
9
10
17
16

6-8
6.7 Frypot Assembly and Related Components (cont.)
ITEM PART # COMPONENT
1 809-0417 Nut, ¼-20 Flange-Serrated
2 900-5851 Retainer, Insulation—Bottom
3 816-0275 Insulation, Side and Bottom
4 900-4100 Retainer, Insulation—Side
5 813-0070 Elbow, 90° 1-¼ NPT
6 813-0144 Nipple, 1-¼ x 2.5 NPT
7 810-1569 Valve, Drain—1.25 Gemini (Non-filter)
8 812-1226 Nipple, Drain-1-¼ Painted
9 900-4101 Retainer, Insulation—Front
10 816-0277 Insulation, Front
11 823-2441 Frypot Weld Assembly
12 816-0281 Insulation, Back—Right
13 816-0280 Insulation, Back—Left
14 900-5658 Retainer, Insulation—Back
15 816-0282 Insulation, Back Center
16 823-3403 Crumb Screen
17 823-2596 Clean-Out Rod, In-N-Out

6-9
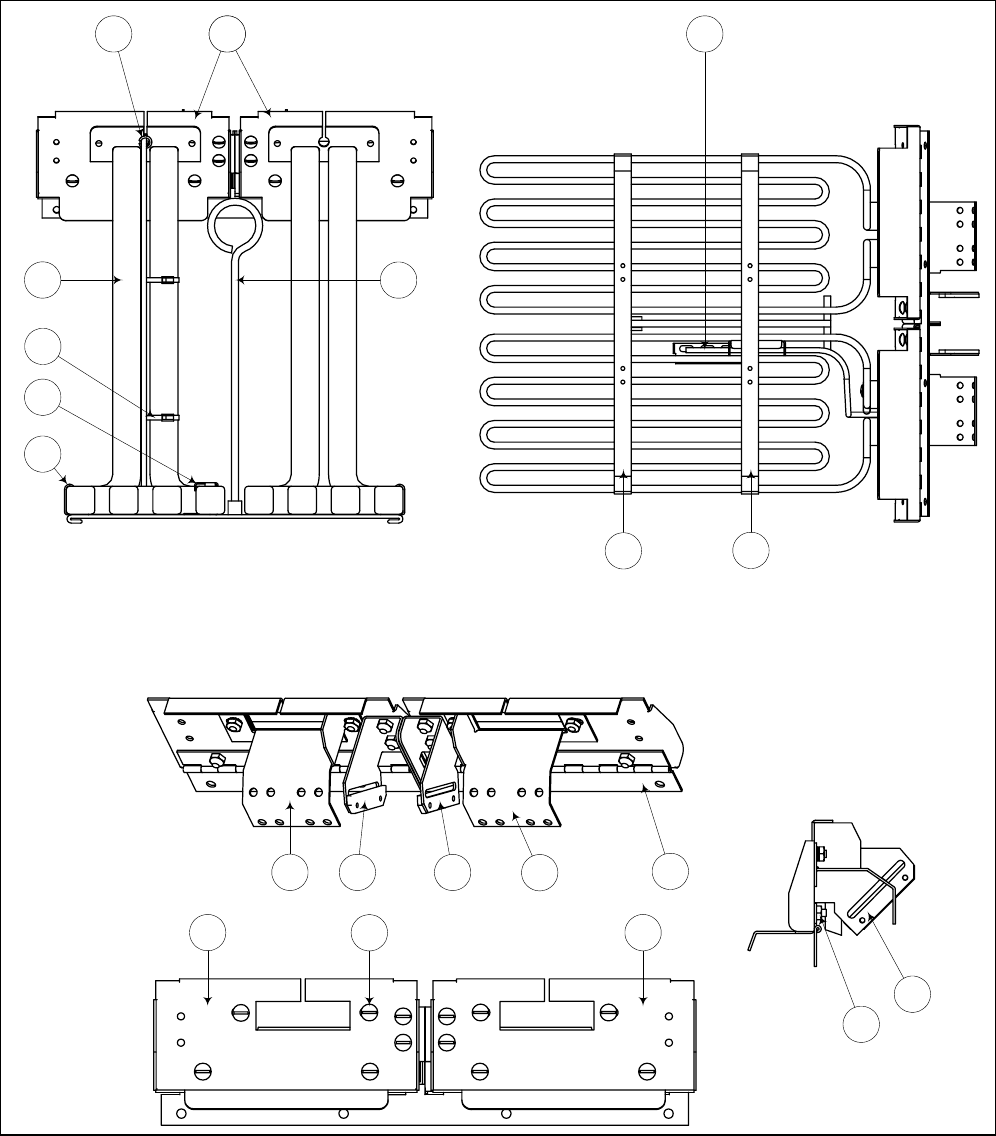
6.8 Heating Elements and Related Components
12 3
4
5
6
9
7
8
10
11
12
13
14 15
16
17
18
19
20

6-10
6.8 Heating Elements and Related Components (cont.)
ITEM PART # COMPONENT
1 806-8306 Tilt-Plate Assembly
2 807-1025 Bushing, 3/8-Split
3 807-2534 Probe, Temperature
4 807-2557 Element, Heating 10.25 kW—208V
* 807-2637 Element, Heating 10.25 kW—240V
5 809-0567 Ty-wrap, metal
6 810-1233 Handle, Lift
7 910-5022 Bracket, Element Probe
8 910-2042 Clamp, Element
9 823-2534 Support, Element
10 910-5459 Support, Element
11 809-0117 Screw, 10-32 x 3/8 Slotted S/S
12 809-0256 Nut, 10-32 Hex
13 810-0035 Hinge, 14-inch Split S/S
14 816-0214 Bar, Spring Slot Bracket
15 901-5488 Bracket, Spring Slot- Left Side
16 902-5488 Bracket, Spring Slot- Right Side
17 911-5458 Plate, Tilt S/S- Left Side
18 911-5740 Bracket, Element Support- Left Side
19 912-5458 Plate, Tilt S/S- Right Side
20 912-5740 Bracket, Element Support- Right Side
* 809-0358 Turnbuckle, Element Spring
* 810-0297 Spring, Element Lift
* 900-5378 Bracket, Spring
* Not Illustrated
6.9 Thermostats and Related Components
1 2
ITEM PART # COMPONENT
1 806-8035 High-Limit Thermostat, 435° F
2 826-1332 Terminal, Female Disconnect Pin (Qty: 25)
* Not Illustrated
THIS PAGE INTENTIONALLY LEFT BLANK

Frymaster, L.L.C., 8700 Line Avenue, PO Box 51000, Shreveport, Louisiana 71135-1000
Shipping Address: 8700 Line Avenue, Shreveport, Louisiana 71106
TEL 1-318-865-1711 FAX (Parts) 1-318-219-7140 (Tech Support) 1-318-219-7135
*8195606*
PRINTED IN THE UNITED STATES SERVICE HOTLINE
1-800-551-8633
JUNE 2003