Frymaster Lov Biela14 Users Manual GEN 2 SP Cover, Front
BIELA14 to the manual a61db1d5-70e2-4536-9000-9cb728c820ed
2015-02-09
: Frymaster Frymaster-Lov-Biela14-Users-Manual-552459 frymaster-lov-biela14-users-manual-552459 frymaster pdf
Open the PDF directly: View PDF
.
Page Count: 96

SERVICE AND PARTS MANUAL
FRYMASTER BIELA14 SERIES GEN II
LOV™ ELECTRIC FRYER
Frymaster L.L.C., 8700 Line Avenue, Shreveport, LA 71106
PHONE 318-865-1711 FAX 318-219-7135
PRINTED IN THE UNITED STATES SERVICE HOTLINE
1-800-24-FRYER MAY 2011
www.frymaster.com email: service@frymaster.com *8196446*
FOR YOUR SAFETY
Do Not Store or use gasoline or other
flammable vapors and liquids in the
vicinity of this or any other appliance.
This equipment chapter is to be
installed in the Fryer Section of the
Equipment Manual.
MANUFACTURED
BY
8700 Line Avenue
SHREVEPORT, LOUISIANA 71106
PHONE: 1-318-865-1711
TOLL FREE: 1-800-551-8633
1-800-24 FRYER
FAX: 1-318-688-2200

NOTICE
IF, DURING THE WARRANTY PERIOD, THE CUSTOMER USES A PART FOR THIS
MANITOWOC FOOD SERVICE EQUIPMENT OTHER THAN AN UNMODIFIED NEW OR
RECYCLED PART PURCHASED DIRECTLY FROM FRYMASTER DEAN, OR ANY OF ITS
AUTHORIZED SERVICE CENTERS, AND OR THE PART BEING USED IS MODIFIED FROM
ITS ORIGINAL CONFIGURATION, THIS WARRANTY WILL BE VOID. FURTHER, FRYMASTER
DEAN AND ITS AFFILIATES WILL NOT BE LIABLE FOR ANY CLAIMS, DAMAGES OR
EXPENSES INCURRED BY THE CUSTOMER WHICH ARISE DIRECTLY OR INDIRECTLY, IN
WHOLE OR IN PART, DUE TO THE INSTALLATION OF ANY MODIFIED PART AND/OR PART
RECEIVED FROM AN UNAUTHORIZED SERVICE CENTER.
NOTICE
This appliance is intended for professional use only and is to be operated by qualified
personnel only. A Frymaster Dean Authorized Service Agency (ASA) or other qualified
professional should perform installation, maintenance, and repairs. Installation,
maintenance, or repairs by unqualified personnel may void the manufacturer’s warranty.
NOTICE
This equipment must be installed in accordance with the appropriate national and local
codes of the country and/or region in which the appliance is installed.
DANGER
All wiring connections for this appliance must be made in accordance with the wiring
diagrams furnished with the equipment. Wiring diagrams are locted on the inside of the
fryer door.
NOTICE TO U.S. CUSTOMERS
This equipment is to be installed in compliance with the basic plumbing code of the
Building Officials and Code Administrators International, Inc. (BOCA) and the Food Service
Sanitation Manual of the U.S. Food and Drug Administration.
NOTICE TO OWNERS OF UNITS EQUIPPED WITH COMPUTERS
U.S.
This device complies with Part 15 of the FCC rules. Operation is subject to the following
two conditions: 1) This device may not cause harmful interference, and 2) This device must
accept any interference received, including interference that may cause undesired
operation. While this device is a verified Class A device, it has been shown to meet the
Class B limits.
CANADA
This digital apparatus does not exceed the Class A or B limits for radio noise emissions as
set out by the ICES-003 standard of the Canadian Department of Communications.
Cet appareil numerique n’emet pas de bruits radioelectriques depassany les limites de
classe A et B prescrites dans la norme NMB-003 edictee par le Ministre des Communcations
du Canada.

DANGER
Improper installation, adjustment, maintenance or service, and unauthorized alterations or
modifications can cause property damage, injury, or death. Read the installation, operating,
and service instructions thoroughly before installing or servicing this equipment.
DANGER
The front ledge of this appliance is not a step! Do not stand on the appliance. Serious
injury can result from slips or contact with the hot oil.
DANGER
Do not store or use gasoline or other flammable liquids or vapors in the vicinity of this or
any other appliance.
DANGER
The crumb tray in fryers equipped with a filter system must be emptied into a fireproof
container at the end of frying operations each day. Some food particles can spontaneously
combust if left soaking in certain shortening material.
WARNING
Do not bang fry baskets or other utensils on the fryer’s joiner strip. The strip is present to
seal the joint between the fry vessels. Banging fry baskets on the strip to dislodge
shortening will distort the strip, adversely affecting its fit. It is designed for a tight fit and
should only be removed for cleaning.
DANGER
Adequate means must be provided to limit the movement of this appliance without
depending on or transmitting stress to the electrical conduit. A restraint kit is provided with
the fryer. If the restraint kit is missing contact your local Frymaster Authorized Service
Agency (ASA) for part number 826-0900.
DANGER
This fryer may have two power cords and prior to movement, testing, maintenance and any
repair on your Frymaster fryer; disconnect all electrical power cords from the electrical
supply.
WARNING
Do not use water jets to clean this equipment.
i
i
ii
LOV™ ELECTRIC WARRANTY STATEMENT
Frymaster, L.L.C. makes the following limited warranties to the original purchaser only for this
equipment and replacement parts:
A. WARRANTY PROVISIONS - FRYERS
1. Frymaster L.L.C. warrants all components against defects in material and workmanship for a
period of two years.
2. All parts, with the exception of the frypot, O-rings and fuses, are warranted for two years
after installation date of fryer.
3. If any parts, except fuses and filter O-rings, become defective during the first two years after
installation date, Frymaster will also pay straight-time labor costs up to two hours to replace
the part, plus up to 100 miles/160 km of travel (50 miles/80 km each way).
B. WARRANTY PROVISIONS - FRYPOTS
The frypot has a lifetime parts and labor warranty. If a frypot develops a leak after installation,
Frymaster will replace the frypot, allowing up to the maximum time per the Frymaster time
allowance chart hours of straight-time labor. Components attached to the frypot, such as the
high-limit, probe, gaskets, seals, and related fasteners, are also covered by the lifetime warranty
if replacement is necessitated by the frypot replacement. Leaks due to abuse or from threaded
fittings such as probes, sensors, high-limits, drain valves or return piping are not included.
C. PARTS RETURN
All defective in-warranty parts must be returned to a Frymaster Authorized Factory Service
Center within 60 days for credit. After 60 days, no credit will be allowed.
D. WARRANTY EXCLUSIONS
This warranty does not cover equipment that has been damaged due to misuse, abuse, alteration,
or accident such as:
• improper or unauthorized repair (including any frypot which is welded in the field);
• failure to follow proper installation instructions and/or scheduled maintenance procedures as
prescribed in your MRC cards. Proof of scheduled maintenance is required to maintain the
warranty;
• improper maintenance;
• damage in shipment;
• abnormal use;
• removal, alteration, or obliteration of either the rating plate or the date code on the heating
elements;
• operating the frypot without shortening or other liquid in the frypot;

iii
• no fryer will be warranted under the ten-year program for which a proper start-up form has not
been received.
This warranty also does not cover:
• transportation or travel over 100 miles/160 km (50 miles/80 km each way), or travel over two
hours;
• overtime or holiday charges;
• consequential damages (the cost of repairing or replacing other property which is damaged), loss
of time, profits, use or any other incidental damages of any kind.
There are no implied warranties of merchantability or fitness for any particular use or purpose.
This warranty is applicable at the time of this printing and is subject to change.
ELECTRICAL POWER SPECIFICATIONS
VOLTAGE PHASE WIRE
SERVICE MIN.
SIZE AWG
(mm2)
AMPS PER LEG
L1 L2 L3
208 3 3 6 (16) 39 39 39
240 3 3 6 (16) 34 34 34
480 3 3 8 (10) 17 17 17
220/380 3 4 6 (16) 21 21 21
240/415 3 4 6 (16) 20 20 21
230/400 3 4 6 (16) 21 21 21

iv
BIELA14 SERIES GEN II LOV™ ELECTRIC FRYERS
TABLE OF CONTENTS
CAUTIONARY STATEMENTS ........................................................................................................................................ i
WARRANTY STATEMENT ............................................................................................................................................ ii
ELECTRICAL POWER SPECIFICATIONS ............................................................................................................... iii
CHAPTER 1: Service Procedures
1.1 General ...........................................................................................................................................................1-1
1.2 Replacing a Computer ....................................................................................................................................1-1
1.3 Replacing Component Box Components .......................................................................................................1-1
1.4 Replacing a High-Limit Thermostat ..............................................................................................................1-3
1.5 Replacing a Temperature Probe .....................................................................................................................1-3
1.6 Replacing a Heating Element .........................................................................................................................1-5
1.7 Replacing Contactor Box Components ..........................................................................................................1-7
1.8 Replacing a Frypot .........................................................................................................................................1-8
1.9 Built-In Filtration System Service Procedures ............................................................................................. 1-10
1.9.1 Filtration System Problem Resolution........................................................................................ 1-10
1.9.2 Replacing the Filter Motor, Filter Pump and Related Components ........................................... 1-11
1.9.3 Replacing the Filter Transformer or Filter Relay ....................................................................... 1-13
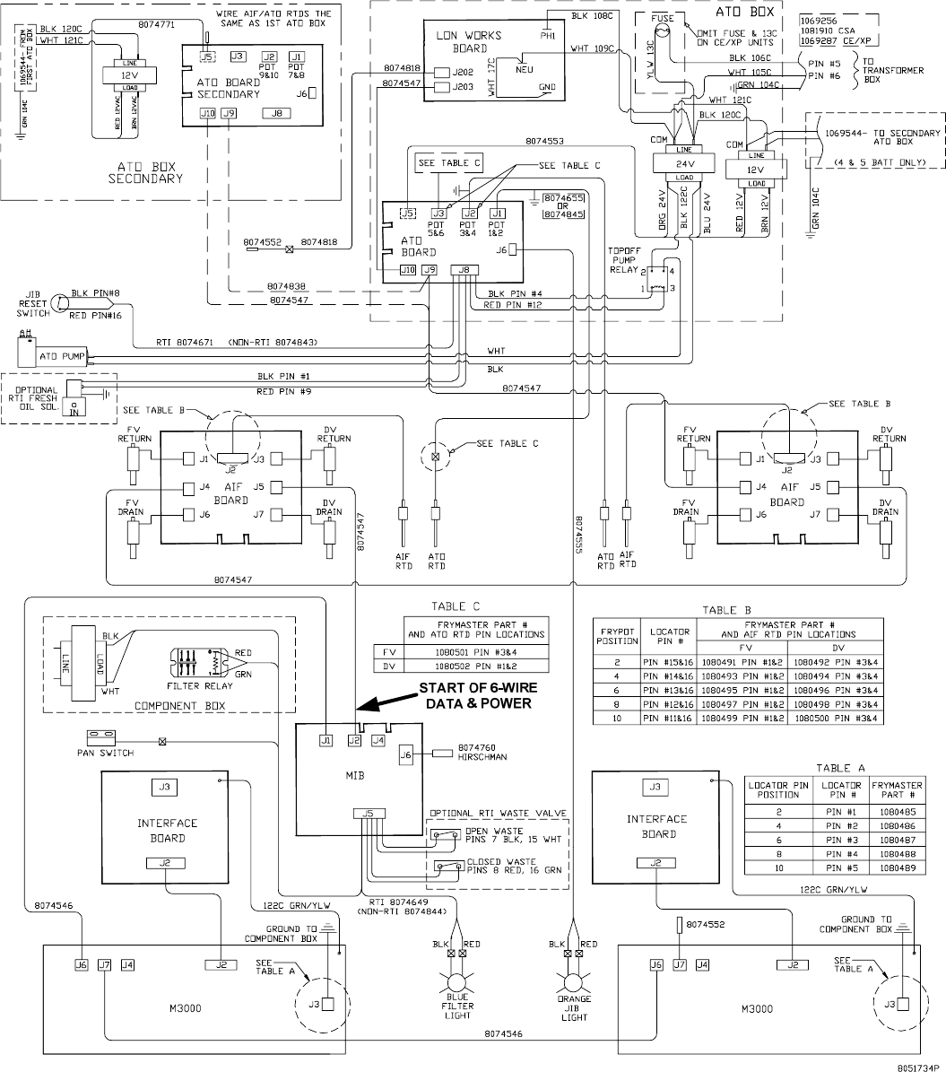
1.10 ATO (Automatic Top-Off) Service Procedures ........................................................................................... 1-13
1.10.1 ATO Troubleshooting ................................................................................................................ 1-14
1.10.2 ATO Board Pin Positions and Harnesses ................................................................................... 1-15
1.10.3 Replacing the ATO board, LON Gateway, ATO pump relay or Transformer ........................... 1-16
1.10.4 Replacing the ATO Pump .......................................................................................................... 1-16
1.11 MIB (Manual Interface Board) Service Procedures ..................................................................................... 1-16
1.11.1 Manually Draining, Refilling or Filtering with the MIB Board ................................................. 1-17
1.11.2 MIB Troubleshooting ................................................................................................................. 1-18
1.11.3 MIB Pin Positions and Harnesses .............................................................................................. 1-20
1.11.4 MIB Display Diagnostics ........................................................................................................... 1-21
1.11.5 MIB Display Characters ............................................................................................................. 1-22
1.11.6 Replacing the MIB board ........................................................................................................... 1-22
1.11.7 Control Power Reset Switch....................................................................................................... 1-22
1.12 RTI Service Issues ....................................................................................................................................... 1-23
1.12.1 RTI MIB Tests ........................................................................................................................... 1-23
1.12.2 RTI LOV Wiring ........................................................................................................................ 1-24
1.12.3 RTI Plumbing Schematic ........................................................................................................... 1-24
1.12.4 RTI LOV Quick Reference ........................................................................................................ 1-25
1.13 AIF (Automatic Intermittent Filtration) Service Procedures ........................................................................ 1-27
1.13.1 AIF Troubleshooting .................................................................................................................. 1-27
1.13.2 AIF Actuator Board Pin Positions and Harnesses ...................................................................... 1-28
1.13.3 Replacing an AIF Board ............................................................................................................. 1-29
1.13.4 Replacing an Actuator ................................................................................................................ 1-29
1.14 M3000 Computer Service Procedures .......................................................................................................... 1-30
1.14.1 M3000 Computer Troubleshooting ............................................................................................ 1-30
1.14.2 M3000 Useful Codes and Passwords ......................................................................................... 1-33
1.14.3 Service Required Errors ............................................................................................................. 1-34
1.14.4 Error Log Codes ......................................................................................................................... 1-35
1.14.5 Tech Mode ................................................................................................................................. 1-36
1.14.6 M3000 Filter Error Flowchart .................................................................................................... 1-37
1.14.7 M3000 Menu Summary Tree ..................................................................................................... 1-38
1.14.8 M3000 Board Pin Positions and Harnesses ................................................................................ 1-39
1.15 Loading and Updating Software Procedures ................................................................................................ 1-40
1.16 Data Network Flowchart .............................................................................................................................. 1-41
1.17 Interface Board Diagnostic Chart ................................................................................................................. 1-42
1.18 Probe Resistance Chart ................................................................................................................................ 1-43
1.19 Wiring Diagrams .......................................................................................................................................... 1-44
1.19.1 Component Wiring Domestic .....................................................................................................1-44
1.19.2 Component Wiring CE ............................................................................................................... 1-45

v
BIELA14 SERIES GEN II LOV™ ELECTRIC FRYERS
TABLE OF CONTENTS cont.
1.19.3 Component Wiring CSA ............................................................................................................ 1-46
1.19.4 Component Wiring Australia ..................................................................................................... 1-47
1.19.5 Contactor Box-Delta Configuration ........................................................................................... 1-48
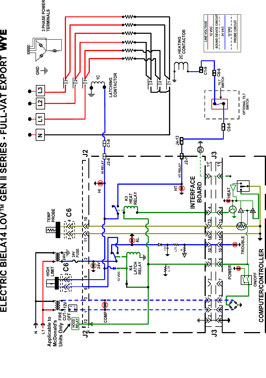
1.19.6 Contactor Box-WYE Configuration ........................................................................................... 1-49
1.19.7 Simplified Full-Vat Delta Wiring .............................................................................................. 1-50
1.19.8 Simplified Dual-Vat Delta Wiring ............................................................................................. 1-51
1.19.9 Simplified Full-Vat Export WYE Wiring .................................................................................. 1-52
1.19.10 Simplified Dual-Vat Export WYE Wiring ................................................................................. 1-53
1.19.11 Simplified LOV Wiring ............................................................................................................. 1-54
CHAPTER 2: Parts List
2.1 Accessories .................................................................................................................................................... 2-1
2.2 Doors, Sides, Tilt Housings, Cap N Splash, Top Caps and Casters ............................................................... 2-2
2.3 Drain System Components............................................................................................................................. 2-3
2.3.1 Drain Tube Sections and Associated Parts ................................................................................... 2-3
2.3.2 Drain Valves and Associated Parts .............................................................................................. 2-4
2.4 Electronics and Electrical Components ......................................................................................................... 2-5
2.4.1 Component Boxes ........................................................................................................................ 2-5
2.4.2 Contactor Boxes ........................................................................................................................... 2-7
2.4.3 Heating Element Assemblies and Associated Parts ..................................................................... 2-9
2.4.3.1 Element Assemblies and Hardware .............................................................................. 2-9
2.4.3.2 Element Tube Assemblies .......................................................................................... 2-11
2.4.4 Computers .................................................................................................................................. 2-12
2.4.5 Wiring ........................................................................................................................................ 2-13
2.4.5.1 Contactor Box Wiring Assemblies 12-Pin Dual Vat .................................................. 2-13
2.4.5.2 Contactor Box Wiring Assemblies 12-Pin Full Vat ................................................... 2-13
2.4.5.3 Contactor Box Wiring Assemblies 6-Pin Left Element ............................................. 2-14
2.4.5.4 Contactor Box Wiring Assemblies 9-Pin Right Element ........................................... 2-14
2.4.5.5 Main Wiring Harnesses .............................................................................................. 2-15
2.4.5.6 Component Box and Filter Pump Wiring Harnesses .................................................. 2-16
2.4.5.7 Interface Board to Controller Wiring Harness 15-Pin ................................................ 2-16
2.4.5.8 M3000, MIB, AIF and ATO Wiring Harnesses ......................................................... 2-17
2.5 Filtration System Components ..................................................................................................................... 2-18
2.5.1 Filtration Components .................................................................................................................. 2-18
2.5.2 Auto Intermittent Filtration Components ..................................................................................... 2-20
2.5.2.1 LOV Indicator Lights Assembly ................................................................................ 2-20
2.5.2.2 Manual Interface Board Assembly ............................................................................. 2-20
2.5.2.3 AIF Linear Actuator Board Assembly ....................................................................... 2-21
2.5.2.4 LOV PCB Board Matrix ............................................................................................ 2-21
2.6 Frypot Assemblies and Associated Components ......................................................................................... 2-22
2.7 Oil Return Manifolds ................................................................................................................................... 2-24
2.8 Return Valves and Associated Parts ............................................................................................................ 2-24
2.9 Auto Top Off Components .......................................................................................................................... 2-25
2.9.1 JIB Basket .................................................................................................................................... 2-25
2.9.2 JIB Cap and Pick Up Assembly ................................................................................................... 2-25
2.9.3 Automatic Top Off Board Assembly ........................................................................................... 2-26
2.9.4 ATO Pump Assembly .................................................................................................................. 2-27
2.9.5 ATO Pump Assembly Service Kit (Larger Top Off Lines) ......................................................... 2-28
2.10 RTI................................................................................................................................................................ 2-29
2.10.1 RTI Manifold and Accessories ..................................................................................................... 2-29
2.10.2 RTI Dispose Waste Valve ............................................................................................................ 2-31
2.10.3 RTI test Box ................................................................................................................................. 2-31
2.11 Wiring Connectors, Pin Terminals and Power Cords .................................................................................. 2-32
2.12 Fasteners ...................................................................................................................................................... 2-33

1-1
BIELA14 SERIES GEN II LOV™ ELECTRIC FRYERS
CHAPTER 1: SERVICE PROCEDURES
1.1 General
Before performing any maintenance on your Frymaster fryer, disconnect the fryer from the electrical
power supply.
WARNING
To ensure the safe and efficient operation of the fryer and hood, the electrical plug for
the 120-volt line, which powers the hood, must be fully engaged and locked in its pin
and sleeve socket.
When electrical wires are disconnected, it is recommended that they be marked in such a way as to
facilitate re-assembly.
1.2 Replacing a Computer
1. Disconnect the fryer from the electrical power supply.
2. The computer bezel is held in place by tabs at the top and bottom. Slide the metal bezel up to
disengage the lower tabs. Then slide the bezel down to disengage the upper tabs.
3. Remove the two screws from the upper corners of the control panel. The control panel is hinged at
the bottom and will swing open from the top.
4. Unplug the wiring harnesses from the connectors on the back of the computer, marking their
position for reassembly, and disconnect the grounding wires from the terminals. Remove the
computer panel assembly by lifting it from the hinged slots in the control panel frame.
5. Install the replacement computer. Reinstall the control panel assembly by reversing steps 1 thru 4.
6. Setup the computer following the instructions on page 4-9 in the Installation and Operation
manual. Setup MUST be performed after replacement.
7. Once setup is complete on all replaced computers, reset all control power following the
instructions in section 1.11.7 on page 1-22 to readdress the new M3000 computer. Check software
version and if necessary update the software. If a software update was necessary, follow the
instructions to update the software in section 1.15
1.3 Replacing Component Box Components
1. Disconnect the fryer from the electrical power supply.
2. The computer bezel is held in place by tabs at the top and bottom. Slide the metal bezel up to
disengage the lower tabs. Then slide the bezel down to disengage the upper tabs.
Ground Wire Terminal
20-Pin Connecto
r
Ground Wire Terminal
Communication
Harnesses Locator Wire

1-2
3. Remove the two screws from the upper corners of the computer and allow the computer to swing
down.
4. Unplug the wiring harnesses and disconnect the grounding wires from the terminals on the back of
the computer. Remove the computer assembly by lifting it from the hinge slots in the control panel
frame.
5. Disconnect the wiring from the component to be replaced, being sure to make a note of where each
wire was connected.
6. Dismount the component to be replaced and install the new component, being sure that any
required spacers, insulation, washers, etc. are in place.
NOTE: If more room to work is required, the control panel frame assembly may be removed by
removing the hex-head screws which secure it to the fryer cabinet (see illustration below). If this
option is chosen, all computer assemblies must be removed per steps 1 thru 4 above. The cover
plate, on the lower front of the component box, may also be removed to allow additional access if
desired.
Remove these three
screws at each end.
Remove these two screws
from the center supports.
Removing the Control Panel Frame and Top Cap Assembly
7. Reconnect the wiring disconnected in step 5, referring to your notes and the wiring diagrams on
the fryer door to ensure that the connections are properly made. Also, verify that no other wiring
was disconnected accidentally during the replacement process.
8. Reverse steps 1 through 4 to complete the replacement and return the fryer to service.

1-3
1.4 Replacing a High-Limit Thermostat
1. Remove the filter pan and lid from the unit. Drain the frypots into an McDonald’s Shortening
Disposal Unit (MSDU) or other appropriate METAL container using the computer “drain to pan
option” or using the MIB board in manual mode.
DANGER
DO NOT drain more than one full frypot or two split frypots into the MSDU at one time.
2. Disconnect the fryer from the electrical power supply and reposition it to gain access to the rear of
the fryer.
3. Remove the four screws from both the left and right sides of the lower back panel.
4. Locate the high-limit that is being replaced and follow the two-black wires to the 12-pin connector
C-6. Note where the leads are connected prior to removing them from the connector. Unplug the
12-pin connector C-6 and using a pin-pusher push the pins of the high-limit out of the connector.
5. Carefully unscrew the high-limit thermostat to be replaced.
6. Apply Loctite™ PST 567 or equivalent sealant to the threads of the replacement and screw it
securely into the frypot.
7. Insert the leads into the 12-pin connector C-6 (see illustration below). For full-vat units or the left
half of a dual-vat unit (as viewed from the rear of the fryer) the leads go into positions 1 and 2 of
the connector. For the right half of a dual-vat unit (as viewed from the rear of the fryer), the leads
go into positions 7 and 8. In either case, polarity does not matter.
8. Reconnect the 12-pin connecting plug C-6. Use wire ties to secure any loose wires.
9. Reinstall the back panels, contactor plug guards, reposition the fryer under the exhaust hood, and
reconnect it to the electrical power supply to return the fryer to service.
1.5 Replacing a Temperature Probe
1. Lift the element out of the oil.
2. Disconnect the fryer from the electrical power supply and reposition it to gain access to the rear of
the fryer.
3. Remove the four screws from both sides of the lower back panel. Then remove the two screws on
both the left and right sides of the back of the tilt housing. Lift the tilt housing straight up to
remove from the fryer.

1-4
4. Locate the red (or yellow) and white wires of the temperature probe to be replaced. Note where
the leads are connected prior to removing them from the connector. Unplug the 12-pin connector
C-6 and using a pin-pusher push the pins of the temperature probe out of the connector.
5. Remove the securing probe bracket and metal tie wraps that secure the probe to the element (see
illustration below). Remove the ground clip on the probe shield.
Probe
Bracket
Probe
Leads
Metal Wire Tie
6. Gently pull on the temperature probe and grommet, pulling the wires up the rear of the fryer and
through the element tube assembly.
7. Insert the replacement temperature probe (wires first) into the tube assembly ensuring that the
grommet is in place. Secure the probe to the elements using the bracket which was removed in
Step 5 and the metal tie wraps which were included in the replacement kit.
8. Route the probe wires out of the tube assembly following the element wires down the back of the
fryer through the Heyco bushings to the 12-pin connector C-6. Secure the wires to the sheathing
with wire ties. Attach the ground clip.
9. Insert the temperature probe leads into the 12-pin connector C-6 (see illustration below). For full-
vat units or the right half of a dual-vat unit (as viewed from the rear of the fryer) the red (or
yellow) lead goes into position 3 and the white lead into position 4 of the connector. For the left
half of a dual-vat unit (as viewed from the rear of the fryer), the red (or yellow) lead goes into
position 9 and the white lead into position 10. NOTE: Right and left refer to the fryer as viewed
from the rear.
10. Secure any loose wires with wire ties, making sure there is no interference with the movement of
the springs. Rotate the elements up and down, making sure that movement is not restricted and
that the wires are not pinched.
11. Reinstall the tilt housing, back panels and contactor plug guards. Reposition the fryer under the
exhaust hood and reconnect it to the electrical power supply to return the fryer to service.

1-5
1.6 Replacing a Heating Element
1. Perform steps 1-5 of section 1.5, Replacing a Temperature Probe.
2. Disconnect the wire harness containing the probe wiring, where the temperature probe is attached
to the element being replaced. Using a pin pusher, disconnect the probe wires from the 12-pin
connector.
3. In the rear of the fryer disconnect the 6-pin connector for the left element (as viewed from the front
of the fryer) or the 9-pin connector for the right element from the contactor box. Press in on the
tabs on each side of the connector while pulling outward on the free end to extend the connector
and release the element leads (see photo below). Pull the leads out of the connector and out of the
wire sleeving.
4. Raise the element to the full up position and support the elements.
5. Remove the hex head screws and nuts that secure the element to the tube assembly and pull the
element out of the frypot. NOTE: The nuts inside the tube can be held and removed using the RE
element tube nut spanner, PN# 2304028. Full-vat elements consist of two dual-vat elements
clamped together. For full-vat units, remove the element clamps before removing the nuts and
screws that secure the element to the tube assembly.
6. If applicable, recover the probe bracket and probe from the element being replaced and install
them on the replacement element. Install the replacement element in the frypot, securing it with the
nuts and screws removed in Step 5 to the tube assembly. Ensure the gasket is between the tube and
element assembly.
7. Route the element leads through the element tube assembly and into the wire sleeving to prevent
chafing. Ensure that the wire sleeving is routed back through the Heyco bushing, keeping it clear
from the lift springs (see photos next page). Also ensure that the wire sleeving extends into the
tube assembly to protect the edge of the tube assembly from chafing the wires. Press the pins into
the connector in accordance with the diagram on the following page, and then close the connector
to lock the leads in place. NOTE: It is critical that the wires be routed through the sleeving to
prevent chafing.

1-6
1
4
2
5
3
6
1
4
2
5
3
6
789
5
R4R
6
R1R
2
R
3R
Index Marker marks
Position 1
5L 4L6L 1L2L3L
Full vat element wire routing
Pull the element wires through the
bushings on either side of the frypot
and down the back. Element wires
should be routed to the right of the
ATO temperature probe on the back
wall of the frypot.
Dual vat element wire routing
Pull the element wires through the
bushings on either side of the frypot
and down the back. Element wires
should be routed to the center of the
frypot between the ATO temperature
probes.
Element grounding and wire
routing
To ground the element wires, use the
hole in the frypot frame located under
the bushing that the element wires pass
through. Using a screw through the
ground wires ring terminal, connect it
to the frypot using the probe ground
clip. Use a tie wrap to tie up half of the
element wires after the wires are pulled
through the bushing. Do not pull tie
wrap tight, leave it slack at about one
inch

1-7
8. Reconnect the element connector ensuring that the latches lock.
9. Insert the temperature probe leads into the 12-pin wiring harness connector (see illustration
below). For full-vat units or the right half of a dual-vat unit, the red lead goes into position 3 and
the white into position 4. For the left half of a dual-vat unit, the red lead goes into position 9 and
the white into position 10. NOTE: Right and left refer to the fryer as viewed from the rear.
10. Reconnect the 12-pin connector of the wiring harness disconnected in Step 2.
11. Lower the element to the full down position.
12. Reinstall the tilt housing, back panels and contactor plug guard. Reposition the fryer under the
exhaust hood, and reconnect it to the electrical power supply.
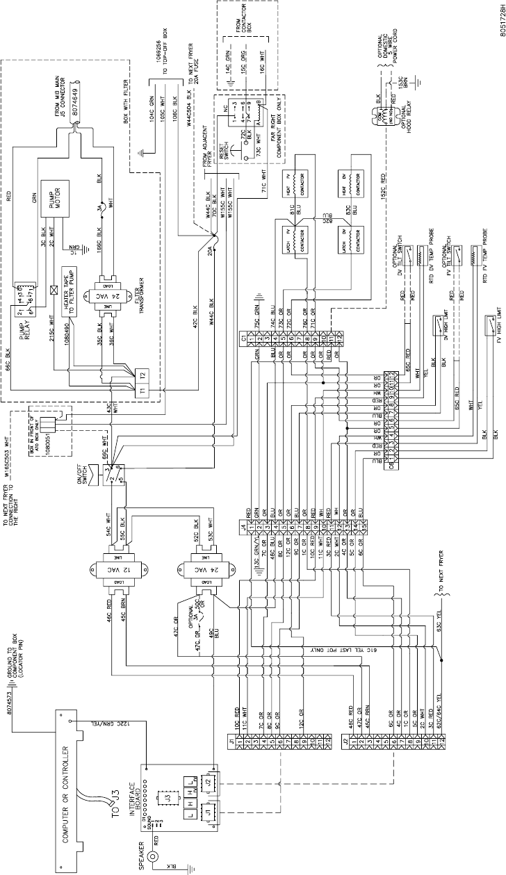
1.7 Replacing Contactor Box Components
1. If replacing a contactor box component in boxes above the filter pan, first remove the filter pan
and lid from the unit. If replacing components in fryers tht have ATO boxes, the ATO box may
require removal.
2. Disconnect the fryer from the electrical power supply.
3. Remove the two screws securing the cover of the contactor box. The contactor boxes above the
filter pan are accessed by sliding under the fryer. They are located to the left and right above the
guide rails (see photo below). The contactor boxes for frypots not over the filter pan are accessed
by opening the fryer door directly under the affected frypot.
Remove two screws to access contactor box components above the filter
pan.

1-8
4. The contactors and relays are held on by threaded pin studs so that only removal of the nut is
required to replace the component.
5. After performing necessary service, reverse steps 1-4 to return the fryer to operation.
Left and right views of mechanical contactor box components.
Sometimes it is necessary to remove the entire contactor box to repair. Below are the instructions for
removing the far left contactor box.
1. Remove fryers from hood and remove all power to fryers.
2. Remove lower back panel.
3. Remove filter pan, lid and downspout splash shield.
4. Remove clevis clip from dispose handle at rear of fryer and let handle drop out of waste valve
bracket.
5. Remove two screws holding waste valve handle at front of fryer and remove bracket and handle
from fryer.
6. Remove AIF board and tuck wires out of the way of the contactor box for box removal.
7. Remove shipping brace that supports filter pump shelf brace to top of contactor box.
8. Remove contactor box cover.
9. Unplug all wiring from front and rear of contactor box.
10. Remove two screws that hold element wire shield to rear of contactor box and remove wire shield.
11. Remove two screws that support contactor box at rear of box.
12. Remove two screws that support contactor box at front of box.
13. Lift contactor box up to clear left frame rail and slide to the right far enough that the left rear
corner of the pump and motor shelf protrude inside of the contactor box slightly.
14. Tip front of contactor box down and to the right slightly and then pull out from opening where
filter pan lid would rest.
15. Reverse above steps for reinstallation.
1.8 Replacing a Frypot
1. Drain the frypot into the filter pan or, if replacing a frypot over the filter system, into a
McDonald’s Shortening Disposal Unit (MSDU) or other appropriate METAL container. If
replacing a frypot over the filter system, remove the filter pan and lid from the unit.
DANGER
DO NOT drain more than one full frypot or two split frypots into the MSDU at one time.
2. Disconnect the fryer from the electrical power supply and reposition it to gain access to both the
front and rear.
1-9
3. Slide the metal bezel up to release the bottom tabs, then slide the bezel down to disengage the
upper tabs.
4. Remove the two screws from the upper corners of the computers and allow them to swing down
(see illustration and photo on page 1-1).
5. Unplug the wiring harnesses and ground wires from the backs of the computers. Remove the
computers by lifting them from the hinge slots in the control panel frame.
6. Remove the tilt housing and back panels from the fryer. The tilt housing must be removed first in
order to remove the upper back panel.
7. To remove the tilt housing, remove the hex-head screws from the rear edge of the housing. The
housing can be lifted straight up and off the fryer.
8. Remove the control panel by removing the screw in the center and the nuts on both sides.
9. Loosen the component boxes by removing the screws, which secure them in the cabinet.
10. Dismount the top cap by removing the nuts at each end that secure it to the cabinetry.
11. Remove the hex head screw that secures the front of the frypot to the cabinet cross brace.
12. Remove the top-connecting strip that covers the joint with the adjacent frypot.
13. Unscrew the nut located on the front of each section of drain tube, and remove the tube assembly
from the fryer.
14. Remove the actuators from the drain and return valves and disconnect the wiring.
15. Disconnect any auto filtration probes and auto top off sensors and wiring.
16. At the rear of the fryer, unplug the 12-pin connector C-6 and, using a pin pusher, disconnect the
high-limit thermostat leads. Disconnect any other probe wiring.
17. Disconnect the oil return flexline(s).
18. Raise the elements to the “up” position and disconnect the element springs.
19. Remove the machine screws and nuts that secure the element tube assembly to the frypot.
Carefully lift the element assembly from the frypot and secure it to the cross brace on the rear of
the fryer with wire ties or tape.
20. Carefully lift the frypot from the fryer and place it upside down on a stable work surface.
21. Recover the drain valve(s), oil return flexline connection fitting(s), actuators, AIF boards and high-
limit thermostat(s) from the frypot. Clean the threads and apply Loctite™ PST 567 or equivalent
sealant to the threads of the recovered parts and install them in the replacement frypot.
22. Carefully lower the replacement frypot into the fryer. Reinstall the hex head screw removed in
step 11 to attach the frypot to the fryer.

1-10
23. Position the element tube assembly in the frypot and reinstall the machine screws and nuts
removed in step 19.
24. Reconnect the oil return flexlines to the frypot, and replace aluminum tape, if necessary, to secure
heater strips to the flexlines.
25. Insert the high-limit thermostat leads disconnected in step 16 (see illustration on page 1-3 for pin
positions).
26. Reconnect the actuators, ensuring the correct position of the drain and return valves.
27. Reconnect the auto filtration and auto top off probes.
28. Reinstall the drain tube assembly.
29. Reinstall the top connecting strips, top cap, tilt housing and back panels.
30. Reinstall computers in the control panel frame and reconnect the wiring harnesses and ground
wires.
31. Reposition the fryer under the exhaust hood and reconnect it to the electrical power supply.
1.9 Built-in Filtration System Service Procedures
1.9.1 Filtration System Problem Resolution
One of the most common causes of filtration problems is placing the filter pad/paper on the bottom of
the filter pan rather than over the filter screen.
CAUTION
Ensure that filter screen is in place prior to filter pad/paper placement and filter pump
operation. Improper screen placement is the primary cause of filtration system
malfunction.
Whenever the complaint is “the pump is running, but no oil is being filtered,” check the installation of
the filter pad/paper, and ensure that the correct size is being used. While you are checking the filter
pad/paper, verify that the O-rings on the pick-up tube of the filter pan are in good condition. A
missing or worn O-ring allows the pump to take in air and decrease its efficiency.
If the pump motor overheats, the thermal overload will trip and the motor will not start until it is reset.
If the pump motor does not start, press the red reset switch (button) located on the rear of the motor.
If the pump starts after resetting the thermal overload switch, then something is causing the motor to
overheat. A major cause of overheating is when several frypots are filtered sequentially, overheating
the pump and motor. Allow the pump motor to cool at least 30 minutes before resuming operation.
Pump overheating can be caused by:

1-11
• Solidified shortening in the pan or filter
lines, or
• Attempting to filter unheated oil or
shortening (cold oil is more viscous,
overloading the pump motor and causing
it to overheat).
If the motor runs but the pump does not return
oil, there is a blockage in the pump. Incorrectly
sized or installed paper/pads will allow food
particles and sediment to pass through the filter
pan and into the pump. When sediment enters
the pump, the gears bind, causing the motor to
overload, again tripping the thermal overload.
Shortening that has solidified in the pump will
also cause it to seize, with the same result.
A pump seized by debris or hard shortening can
usually be freed by manually moving the gears
with a screwdriver or other instrument.
Disconnect power to the filter system, remove the input plumbing from the pump, and use a
screwdriver to manually turn the gears.
● Turning the pump gears in reverse will release a hard particle.
● Turning the pump gears forward will push softer objects and solid shortening through the pump
and allow free movement of the gears.
Incorrectly sized or installed paper/pads will also allow food particles and sediment to pass through
and clog the suction tube on the bottom of the filter pan. Particles large enough to block the suction
tube may indicate that the crumb tray is not being used. Pan blockage can also occur if shortening is
left in the pan and allowed to solidify. Blockage removal can be accomplished by forcing the item out
with an auger or drain snake. Compressed air or other pressurized gases should not be used to force
out the blockage.
1.9.2 Replacing the Filter Motor, Filter Pump, and Related Components
1. Remove the filter pan and lid from the unit. Drain the frypots into a McDonald’s Shortening
Disposal Unit (MSDU) or other appropriate metal container.
DANGER
DO NOT drain more than one full frypot or two split frypots into the MSDU at one time.
2. Disconnect the fryer from the electrical power supply and reposition it to gain access to both the
front and rear.
3. Disconnect the flexline running to the oil-return manifold at the rear of the fryer as well as the
pump suction flexline at the end of the filter pan connection (see photo on the following page).
Sediment Particle
Oil Flow
Up for reverse
Down for forward
Sediment Particle

1-12
Disconnect flexlines indicated by the arrows.
4. Loosen the nut and bolt which secure the bridge to the oil-return manifold.
5. Remove the cover plate from the front of the motor and disconnect the motor wires.
6. Remove the two nuts and bolts which secure the front of the bridge to the cross brace and carefully
slide the bridge rearward off the cross brace until its front end can be lowered to the floor. Undo
the single nut holding it in place in back. Be careful not to let the rear of the bridge slip off the
manifold at this point.
7. Get a good grip on the bridge, carefully pull it forward off the oil-return manifold, and lower the
entire assembly to the floor. Once on the floor, pull the assembly out the front of the fryer.
8. When required service has been completed, reverse steps 4-7 to reinstall the bridge.
9. Reconnect the unit to the electrical power supply, and verify that the pump is functioning correctly
using the MIB board in manual mode (i.e., using the fill function when engaged, the motor should
start and there should be strong suction at the intake fitting and outflow at the rear flush port.)
10. When proper operation has been verified, reinstall the back panels and the filter pan and lid.
11. Reconnect it to the electrical power supply and reposition the fryer under the exhaust hood to
return the fryer to service.
1.9.3 Replacing the Transformer or Filter Relay
Disconnect the fryer from the electrical power supply. Remove the left computer from the fryer to
expose the interior of the left component box. The transformer and relay on the left are located as
shown in the illustration on the next page. NOTE: The right component box is identical to the left
except that the transformer and relay on the left side are not present. Once replaced, reconnect the
power.
When replacing a filter relay in the left component box, ensure the 24VDC relay (8074482) is used.
Similar Frymaster fryers use a 24VAC relay, which can lead to confusion. The 24VDC is used in the
LOV™ fryer.

1-13
1.10 ATO (Automatic Top-off) Service Procedures
The automatic top-off system is activated when the oil level falls below a sensor in the rear of the frypot.
The signal is sent to the ATO board to engage the return actuator to the frypot and turn on the ATO pump.
The pump draws oil from the JIB (Jug In Box) through the rear return manifold into the rear of the frypot.
Once the oil level has satisfied the sensor, the pump turns off and the actuator closes.
The ATO board is located inside the box, behind the JIB (see Figure 1).
The power for the ATO board is supplied from the right hand component
box. The power passes through the transformer inside the ATO box to the
board.
Figure 1
1.10.1 ATO (Automatic Top-off) Troubleshooting
Problem Probable Causes Corrective Action
Frypot tops off cold. Incorrect setpoint Ensure setpoint is correct.
No power to ATO board
A. J5 connection unplugged
B. Fuse blown
C. Transformer malfunction
A. Check to ensure J5 on front of ATO
board is fully locked into connector.
B. Ensure fuse below right control box is
not blown and fuse on the right side of
ATO box is not blown.
C. Check that proper voltage is present at
transformer. See table in section 1.10.2.
The yellow JIB low light
won’t illuminate.
A. Loose wire connection
B. Power in the component box is not
present.
C. Failed transformer.
A. Ensure the yellow LED is securely
attached to plug J6 on the ATO board.
B. Ensure power is present in the
component box.
C. If power is present in component box,
check the transformer for correct
voltage.
One vat tops off but
other vats fail to top off.
A. Loose wire connection.
B. Actuator issue
A. Ensure all wiring harnesses are securely
connected to ATO board and solenoids.
B. Check return actuator to ensure actuator
is functional.
Incorrect vat tops off. A. Wired incorrectly.
B. Flexlines connected to wrong vat.
A. Check wiring.
B. Switch flexlines to correct vat.

1-14
Problem Probable Causes Corrective Action
Frypots won’t top off.
A. Empty JIB.
B. Probe temperature lower than setpoint.
C. Oil is too cold.
D. Bad Connection
E. ATO board power loss
F. Failed transformer/harness
G. ATO pump failed
H. Failed ATO board.
I. ATO lines/pump plugged
A. Ensure JIB has oil.
B. Check to see that fryer is heating.
Fryer temperature must be at setpoint.
Check probe resistance. If probe is
bad, replace the probe.
C. Ensure that the oil in the JIB is above
70°F (21°C).
D. With the computer OFF, press TEMP
button and ensure the ATO software
version appears. If not, the connection
between the AIF and the ATO board
may be bad. Ensure the 6-pin CAN
connectors are tight between AIF (J4
and J5) and ATO (J10) boards.
E. Power to the ATO board has been cut
off. Restore power to the board and
clear any service required errors.
F. Ensure transformer in ATO box is
functioning properly. Check power
from transformer to ATO board.
Ensure all harnesses are plugged
securely into place.
G. Ensure pump is operational. Check
voltage to pump. Replace the pump if
defective.
H. Check for proper voltages using the pin
position chart found on page 1-15. If
ATO found defective, replace ATO
board and clear any errors.
I. Clear the lines/pump.
One vat doesn’t top off.
A. Filter error exists.
B. Actuator, pump, loose connection, RTD
or ATO issue.
A. Clear filter error properly. When
change filter pad YES/NO is displayed,
do NOT press any button until the pan
has been removed for at least thirty
seconds. After thirty seconds have
elapsed, the computer returns to OFF or
last display.
B. Check actuator, ATO pump, wire
connections, RTD and ATO board.
M3000 displays
SERVICE
REQUIRED – ATO
BOARD
A. Loose or bad fuse
B. Bad Connection
C. ATO Board power loss
A. Ensure fuse on right side of ATO box is
secure and good. If the computer
above the ATO box is missing power
check the fuse below the component
box.
B. With the computer OFF, press TEMP
button and ensure the ATO software
version appears. If not, the connection
between the AIF and the ATO board
may be bad. Ensure the 6-pin CAN
connectors are tight between AIF (J4
and J5) and ATO (J9 or J10) boards.
C. Power to the ATO board has been cut
off. Ensure there is correct voltage to
the ATO transformer. Restore power to
the board and clear any service required
errors.

1-15
1.10.2 ATO (Automatic Top-Off) Board Pin Positions and Harnesses
Connector From/To Harness #
Pin
# Function Voltage
Wire
Color
J8
RTI Add Solenoid
8074671
1 24VAC Ret 24VAC Black
2
3
ATO Pump Relay 4 24VAC Ret 24VAC Black
5
6
7
JIB Reset Switch 8 JIB Low Reset 16VDC Black
RTI Add Solenoid 9 24VAC 24VAC Red
10
11
ATO Pump Relay 12 24VAC 24VAC Red
13
14
15
JIB Reset Switch 16 Ground 16VDC Red
J4 (Rear) /
J5 (Front)
Transformer 8074553
1 24VAC Ret 24VAC Orange
2 24VAC Blue
3
4
5 12VAC Ret 12VAC Red
6 12VAC Brown
ATO 4 & 5 Battery
Jumper 8074657 7 Jumper Ohm Black
8 Jumper Black
J3 - Vat #3
J2 - Vat #2
J1 - Vat #1 ATO RTD 8074655 - Vat #1
8074654 - Vat #2
8074621 - Vat #3
1 DV - Probe Ground
Ohm
White
2 DV - Probe Red
3 FV - Probe Ground White
4 FV - Probe Red
J6 Orange LED 8074555
1 16VDC 16VDC Black
2 16VDC Ret Red
J7
1
2
3 Ground
4 RB7/DATA
5 RB6/CLOCK
J10
Network Resistor
(pins 2 & 3)
or to next ATO Board (4
& 5 vat units)
8074552
1 Ground Black
2 CAN Lo Red
3 CAN Hi White
4 5VDC+ 5VDC Black
5 24VDC 24VDC Red
6 Ground White
J9 AIF J5 8074546
1 Ground Black
2 CAN Lo Red
3 CAN Hi White
4 5VDC+ 5VDC Black
5 24VDC 24VDC Red
6 Ground White

1-16
1.10.3 Replacing the ATO board, LON Gateway, ATO pump relay or Transformers
Disconnect the fryer from the electrical power
supply. Locate the ATO box (see Figure 1 on page
12), behind the JIB (Jug In Box). Remove the cover
to expose the transformers, relay and LON gateway
(if installed) (see Figure 2). Mark and unplug any
wires or harnesses. Once the LON gateway is
removed the ATO board is visible (see Figure 3).
Replace the defective component and reattach all
wires or harnesses. Replace the cover. Once
replaced, CYCLE POWER TO ENTIRE FRYER
SYSTEM. See section 1.11.7 on page 1-22 to reset
control power. Check software version and if
necessary update the software. If a software update
was necessary, follow the instructions to update the
software in section 1.15
Figure 2 Figure 3
Press the TEMP button on one of the M3000 computers, with the computer in the OFF position, to verify
software version of the ATO. If the version is not visible, the ATO may not be connected properly.
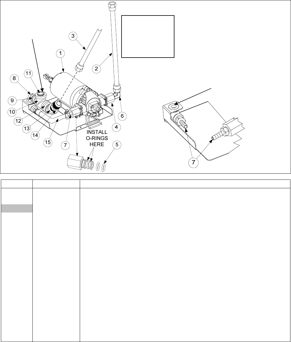
1.10.4 Replacing the ATO Pump
Disconnect the fryer from the electrical power
supply. Locate the ATO pump (see Figure 4), behind
the ATO box. Mark and unplug any wires or
harnesses. Press up from the bottom on the quick
disconnects to release the plumbing (see Figure 5).
The plumbing can be pulled from the pump. Loosen
the four nuts attaching the pump to the pump tray.
Replace the defective component and reverse above
steps. Once replaced, reconnect the power.
Figure 4 Figure 5
1.11 MIB (Manual Interface Board) Service Procedures
The MIB (Manual Interface Board) oversees and controls filtration. It receives and sends data over the CAN
(Controller Area Network) to and from various sensors and computers. It activates the filtration cycle,
controlling when actuators should open and close.
The MIB controller is located inside the left cabinet (see Figure 6). In normal operation a cover hides the MIB
controls and only the LED display is visible. The cover is held in place with three torx screws. In normal
operation, an “A” is displayed for automatic mode. The MIB control board is useful for diagnostic purposes. It
allows manual operation of both the actuators and filter pump without using the M3000 computer.
Figure 6: MIB controller cover.
Figure 7
Reset Switch
Drain Switch
Return Switch
Mode Display
Vat Selector
Switch
Manual /Auto
Switch

1-17
Buttons and LED’s
Manual – This button is used to toggle between auto and manual filtration mode. A corresponding
LED is lit when in Manual mode. When pressed, a message will be sent to all vats, indicating the
mode has changed.
The following buttons are inoperable in auto mode:
Select - This button is used to scroll through available vats, choosing one to be manually filtered.
Drain – This button is used to open and close the drain on the vat indicated on the display. It’s
embedded LED indicates the following activity:
Blink: Actuator is moving or awaiting a response from the AIF board.
Constant Illumination: Drain open.
No Illumination: Drain closed.
Return – This button is used to open and close the return valve on the vat indicated on the display.
When pressed and held, it also turns on and off the pump. It’s embedded LED indicates the following
activity:
Blink: Actuator is moving or awaiting a response from the AIF board.
Constant Illumination: Return valve open.
No Illumination: Return valve closed.
1.11.1 Manually Draining, Refilling or Filtering using the MIB board
Press the manual/auto switch to set to manual.
The LED on the manual key will illuminate and
a vat number is displayed (see Figure 8).
Figure 8
Press the vat selector switch to change vats (see
Figure 9).
Figure 9
Pressing the drain or the return switch
illuminates and activates the drain or return
valve for the vat indicated. Pressing and holding
the return switch while the return is open
activates the filter motor and pump (see Figure
10).
Pressing the manual/auto switch will return to
automatic mode.
Figure 10

1-18
1.11.2 MIB (Manual Interface Board) Troubleshooting
Problem Probable Causes Corrective Action
Auto filtration won’t
start.
A. Filter pan out of position.
B. Oil level too low.
C. Ensure MIB board is not in
manual mode.
D. Ensure MIB cover is not
damaged and pressing against
buttons.
E. Filter relay has failed.
F. AIF disable is set to YES, blue
light doesn’t light.
G. Filter motor thermal switch is
tripped.
H. AIF clock enabled
A. Ensure filter pan is fully inserted into fryer.
If the MIB board displays a “P” the pan is
not fully engaged into the pan switch.
B. Ensure the oil level is above the top oil
level sensor.
C. Ensure MIB board is in “A” automatic
mode.
D. Remove and replace cover and see if
filtration will start.
E. Replace filter relay with part number 807-
4482 24VDC relay.
F. Set AIF disable in Level 1 to NO.
G. Press filter motor thermal switch.
H. Ensure AIF clock is set to disabled.
MIB display shows
something other than
an “A” or vat number.
An error has occurred and
displayed character indicates
error.
See MIB display diagnostics on page 1-21 for
explanation.
No power present at
the MIB board Transformer has failed in left
component box.
Check output on the left transformer in left
component box; should read 24VAC. If not
replace transformer.
MIB will not clear
error. Error remains in non-volatile
memory.
Press and hold reset button in top right corner
of MIB board for five seconds. The drain,
return and manual/auto LEDS will illuminate
and the MIB will reset and clear any remaining
errors from memory. Allow 60 seconds to reset.
If an error still exists, then another issue exists.
MIB indicates
incorrect number of
vats.
A. Network is not terminated
correctly.
B. Wiring harnesses are loose or
damaged.
C. An AIF board issue.
D. Locator pin issue.
A. Ensure the CAN bus system is terminated at
BOTH ENDS (on the M3000 connector J6
and on the ATO board connector J9) with a
resistor equipped 6-pin connector.
B. Unplug and reseat all wiring harnesses in
CAN system. Resistance between pins 2
and 3 on the CAN network connectors
should be 120 ohms.
C. Check software version numbers on all
M3000 computers and ensure all are display
an AIF version. If an AIF version is
missing, the AIF board may be missing
power or bad. Check pins 5 and on J4 and
J5 of the affected AIF board for proper
voltage.
D. The locator pin in J2 of the AIF board is
either loose or in the incorrect position. See
the charts on page 1-55 of this manual for
proper pin position.

1-19
Problem Probable Causes Corrective Action
MIB board alternating
“E” and “vat number
and side”.
Network error on the CAN bus
communication.
A. Ensure the CAN bus system is terminated at
BOTH ENDS (on the M3000 connector J6
and on the ATO board connector J10) with a
resistor equipped 6-pin connector.
B. With the computer OFF, press TEMP button
and ensure the AIF version appears. If not,
the 24V to the AIF boards may be missing.
Ensure all 6-pin CAN connectors are tight
between the M3000 (J6 and J7), MIB (J1
and J2), AIF (J4 and J5) and ATO (J10)
boards.
C. With the computer OFF, press TEMP button
and ensure the ATO version appears. If not,
check the CAN wire harness between the
AIF board J4 or J5 and the ATO board J9 or
J10. The ATO fuse on the right side of the
ATO box may be loose or blown; the 110V
to the ATO transformer may be missing or
the transformer bad. The J4/J5 connector
may be loose. Is the right computer
functioning? If not the fuse below the
contactor box may be loose or blown.
D. Check to see if MIB has 24V on pins 5 and
6 of J2. Check to see if 24V is present on
pins 5 and 6 of wire harness plugging into J4
or J5 of the first AIF board. If 24V missing,
check the pins. Replace the harness if
necessary.
E. Check continuity between each color wire
on the CAN connectors into J7 on the far
right computer and J10 on back of the ATO
board (black to black, white to white, and
red to red), and ensure there is no continuity
between different color wires (black to red,
red to white, and white to black).
F. Ensure black computer locator wires are
connected from ground to correct pin
position (see drawing 8051734 page 1-55).
G. Ensure all boards have the corner ground
wire attached and tightened.
H. The locator pin in J2 of the AIF board is
either loose or in the incorrect position. See
the charts on page 1-55 of this manual for
proper pin position.
I. Bad MIB and/or AIF board.
J. Broken resistor lead. Unwrap the resistor
leads and check ends.

1-20
1.11.3 MIB (Manual Interface Board) Pin Positions and Harnesses
Connector From/To Harness # Pin # Function Voltage Wire Color
J1 M3000 J7 8074546
1 Ground Black
2 CAN Lo Red
3 CAN Hi White
4
5
6
J2 AIF J4 8074547
1 Ground Black
2 CAN Lo Red
3 CAN Hi White
4 5VDC+ 5VDC Black
5 24VDC 24VDC Red
6 Ground White
J5
Transformer
8074649
RTI
8074844
NON-RTI
1 24VAC 24VAC Black
2 24VAC Ret White
Filter Relay 3 Pump Motor 24VDC Red
4 Pump Motor Green
Blue LED 5 Blue LED + 24VDC Red
6 Blue LED - Black
RTI Open Switch 7 Open Switch + Black
RTI Closed Switch 8 Closed Switch + Red
9
10
Pan Switch 11 Pan Sw + 24VDC Black
12 Pan Sw - Red
13
14
RTI Open Switch 15 Ground - White
RTI Closed Switch 16 Ground - Green
J6 To RTI connection in
rear of fryer 8074760
1 From RTI transformer 24VAC Black
2 Common White
3 To RTI "Add Pump" Relay 24VAC Green
4
5
6
7
8
From RTI "Waste Tank Full
Sensor" Test Pins 2 to 8
24VAC –
Full
0VAC –
Not Full Red

1-21
1.11.4 MIB (Manual Interface Board) Display Diagnostics
DISPLAY LED EXPLANATION
Drain
Vat # (The vat number is followed by
an “L” to indicate left side of a split
vat or an “r” to indicate the right side
of a split vat or a full vat.)
On Drain valve on vat # is open
Vat # (The vat number is followed by
an “L” to indicate left side of a split
vat or an “r” to indicate the right side
of a split vat or a full vat.)
Off Drain valve on vat # is closed
Vat # (The vat number is followed by
an “L” to indicate left side of a split
vat or an “r” to indicate the right side
of a split vat or a full vat.)
Blink Drain valve on vat # is opening or closing or an
error condition may exist.
Return
Vat # (The vat number is followed by
an “L” to indicate left side of a split
vat or an “r” to indicate the right side
of a split vat or a full vat.)
On Return valve on vat # is open
Vat # (The vat number is followed by
an “L” to indicate left side of a split
vat or an “r” to indicate the right side
of a split vat or a full vat.)
Off Return valve on vat # is closed
Vat # (The vat number is followed by
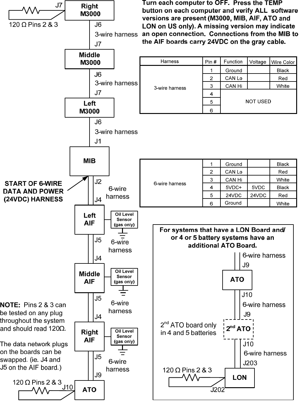
an “L” to indicate left side of a split
vat or an “r” to indicate the right side
of a split vat or a full vat.)
Blink Return valve on vat # is opening or closing or an
error condition may exist
Network
N Network error, displays for 10 seconds if no
communications are received from the M3000
within 10 seconds after power on or MIB reset.
Resetting
r An “r” is displayed for ten seconds or until
communication is received from the M3000 after a
power on or MIB reset.
Miscellaneous
E alternating with vat # (The vat
number is followed by an “L” to
indicate left side of a split vat or an
“r” to indicate the right side of a split
vat or a full vat.)
Blink The circuit has an issue. Ensure the actuator is
plugged in. Ensure the CAN connections are all
securely plugged into the connectors.
Indicates the AIF temperature sensor did not detect
a full vat during filtration.
A Manual LED off The system is in auto filtration mode.
Vat # (The vat number is followed by
an “L” to indicate left side of a split
vat or an “r” to indicate the right side
of a split vat or a full vat.)
Manual LED on The system is in manual mode.
P This will only be displayed in auto filtration mode.
Filter pan is improperly seated. Any auto filtration
messages received at this time are ignored.

1-22
1.11.5 MIB (Manual Interface Board) Display Characters
A – Auto Mode – Auto Filtration enabled.
E – Drain or return valve is not in desired state. The display will alternate between E and the corresponding vat
number. Ensure the actuator is plugged in and an error does not exist.
– Three horizontal lines indicate the AIF temperature sensor did not detect that the vat was full during
auto filtration.
n – Network Error - An “n” displays for 10 seconds if no communication is received from the cooking
computer within ten seconds after a power on or MIB reset.
P – Pan Switch – Filter pan is improperly seated. Filtration is suspended.
r – Reset Switch - Reset the vat closes all of the valves on the vat. If displayed for some time, there is probably
a problem with the board.
1 – 5 – Numbers which correspond to the vats with either an “L” indicating the left side of a split vat or “r”
indicating the right side of a split vat or a full vat. These numbers are displayed in manual mode.
1.11.6 Replacing the MIB Board
Disconnect the fryer from the electrical power supply. Remove the torx screws from the MIB cover, exposing
the MIB board (see Figure 11). Removing the screw at top center lets the MIB board hinge down. Carefully
remove the plugs on the rear of the board (see Figure 12). Replace with a new MIB board and reverse steps to
reassemble. Once replaced, CYCLE POWER TO ENTIRE FRYER SYSTEM. See next section to reset
control power. Check software version # and if necessary update the software. If a software update was
necessary, follow the instructions to update the software on in section 1.15 ensuring the MIB reset button is
pressed and held for five seconds at the end of the update to update the MIB.
Figure 11
Figure 12
1.11.7 Control Power Reset Switch
The control power reset switch is a momentary
rocker switch located behind the control box
(see Figures 13 and 14) above the JIB that
resets all power to all the computers and boards
in the fryer. It is necessary to reset all power
after replacing any computer or board. Press
and hold the switch for at least ten seconds
when resetting the control power to ensure
power has sufficiently drained from boards.
Figure 13 Figure 14 (Rear view of Control Box)
1-23
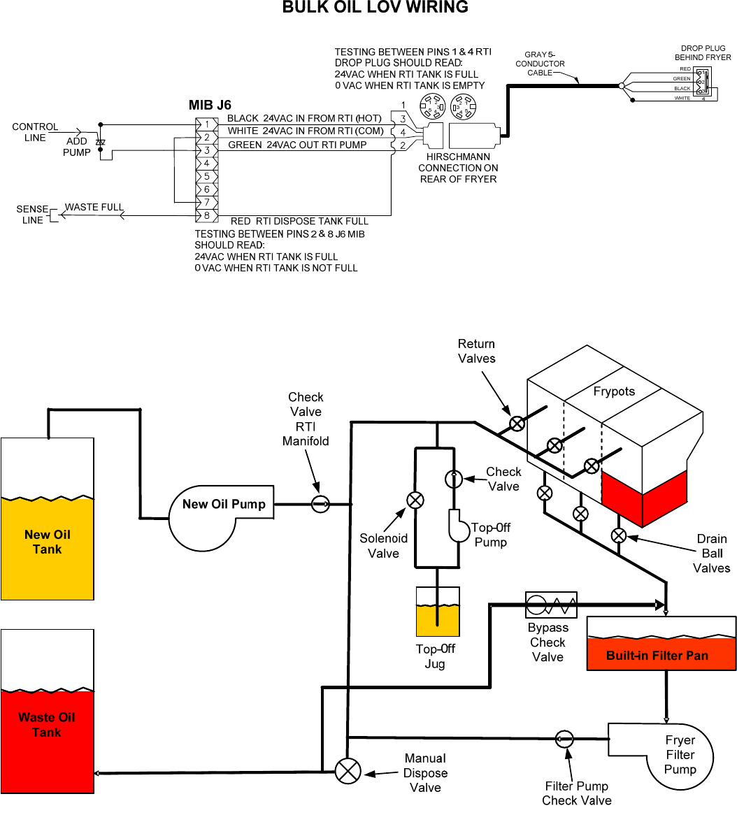
1.12 RTI Service Issues
1.12.1 RTI MIB Tests
The LOV™ fryer will ONLY operate with RTI systems that have the new RTI updated
three-pole float switch. If the float switch is the older two-pole switch, call RTI. These
float switches are polarity specific which may short to ground and damage an MIB
board.
Normal measurements (MIB J6 8-pin connector with everything connected)
AC voltage measurements:
Pin 1 to Pin 2 - 24 VAC.
Pin 2 to Pin 8 - 24 VAC when waste tank is full, 0 VAC when it is not full.
Pin 2 to Pin 3 - 24 VAC when RTI fill pump is on, 0 VAC when it is off.
Using the RTI test box, PN# 108-0716 allows a quick and easy way to check the 24VAC, the waste
full switch and when the RTI pump is operating.
Troubleshooting
All return and drain valves should be closed and pump should be off while the MIB is resetting. If any
of the valves or the pump is on during reset, the MIB board is bad or wires are shorted.
RTI pump is not operating or JIB is not filling:
See page 1-26 to ensure that no other function is taking priority over adding oil to jug.
1. Reset the power; wait 60 seconds and see if the valve opens.
With the JIB button pressed:
2. Voltage at MIB board from Pin 1 to Pin 2 should be 24 VAC; if not, check connections from RTI
24VAC transformer and check transformer.
3. Voltage at MIB board from Pin 1 to Pin 3 should be 24 VAC when filling JIB or vat; if not, the MIB
board is bad or wires to pump relay are shorted or both.
4. Voltage at Add pump relay should be 24 VAC; if not, check wiring from MIB board. The relay is
located on top of RTI system.
5. Check voltage at ATO board on J8. Pin 9 to Pin 1 should be 24 VAC with the orange button
pressed.
Waste full signal:
Pin 2 to Pin 8 should be 24 VAC when full, 0 VAC when not full; if no voltage level change, the
connection from RTI switch or MIB board is bad.

1-24
1.12.2 RTI LOV™ Wiring
1.12.3 Frymaster LOV™ Fryer and RTI Bulk Oil System Plumbing Schematic
1-25
1.12.4 RTI LOV™ TEST QUICK REFERENCE
DISPOSE TO WASTE, REFILL VAT FROM BULK:
1. Hold down “Filter” button until computer beeps twice.
2. Scroll down to “Dispose” using “Info" button then press “9” button.
3. “Dispose? Yes/No” is displayed.*
4. Press “9” to dispose of oil in pot.
5. “Draining” is displayed.
6. “Vat Empty? Yes” is displayed.
7. Press “9”.
8. “Cln Vat Complete? Yes” is displayed.
9. Press “9”.
10. “Open Dispose Valve” is displayed. Open dispose valve.
11. “Disposing” is displayed for five minutes.
12. “Remove Pan” is displayed. Remove pan.
13. “Is Pan Empty? Yes No” is displayed.
14. Press “9” if filter pan is empty. Select “8” if pan still has oil in it.
15. “Close Dispose Valve” is displayed. Close dispose valve.
16. “Insert Pan” is displayed. Insert pan.
17. “Fill Vat From Bulk? Yes/No” is displayed.
18. Press “9”.
19. “Press and Hold Yes to Fill” alternating with “Yes” is displayed.
20. Hold down “9” to fill pot to desired level.
21. “Filling” is displayed while button is depressed.
22. “Continue Filling Yes/No” is displayed
23. Press “9” to continue filling or “8” to Exit program.
*NOTE: If the waste tank is full, the computer displays “RTI Tank Full.” Call RTI.
DISPOSE TO WASTE:
1. Hold down “Filter” button until computer beeps twice.
2. Scroll down to “dispose” using “Info” button and press “9” button.
3. “Dispose? Yes/No is displayed.
4. Press “9”.
5. “Draining” is displayed.
6. “Vat Empty? Yes is displayed.
7. Press “9”
8. “Cln Vat Complete? Yes” is displayed.
9. Press “9”.
10. “Open Dispose Valve” is displayed.
11. Open dispose valve by pulling completely forward to start disposal.
12. “Disposing” is displayed for four minutes.
13. “Remove Pan” is displayed.
14. Slide the filter pan slightly out of the fryer.
15. “Is Pan Empty? Yes/No” is displayed.
16. Press “9” if the filter pan is empty. Select “8” if pan still has oil in it.
17. “Close Dispose Valve” is displayed.
18. Close the dispose valve ensuring the handle is pushed completely towards the fryer.
19. “Insert Pan” is displayed.
20. “Fill Vat From Bulk? Yes/No” is displayed.
21. Press “8” if you wish to leave pot empty and exit.
FILL VAT FROM BULK:
1. Hold down “filter” button until computer beeps twice.
2. Scroll down to “Fill Vat from Bulk” using the Info button.
3. Press “9”.
4. “Fill Vat from Bulk? Yes/No” is displayed.
5. Press “9”.
6. “Press and Hold Yes to Fill / Yes” is displayed.
7. Press and hold down “9” to fill pot to desired level.
1-26
8. “Filling” is displayed during fill.
9. Release button to stop filling.
10. “Continue Filling? Yes/No” is displayed.
11. Press “8” to exit.
FILL JUG FROM BULK:*
1. When “Orange” indicator light is on, the top-off jug is empty.
2. To refill jug press and hold the orange reset button above the jug until the jug is full.
3. Release the button to stop filling.
*NOTE: The jug may not fill if any of the following are in progress:
If FILTER NOW? YES/NO, CONFIRM YES/NO, or SKIM VAT is displayed, the fill jug button is disabled until either a
filter is complete or until no is chosen.
The system also checks these conditions. The following must be met before jug fill is allowed.
Solenoid closed
• Orange fill button pressed longer than 3 sec.
• Waste valve closed
• Filter Now? Yes/No, Confirm Yes/No, or Skim Vat cannot be displayed
• System power cycle (all boards – computers, MIB, AIF and ATO) after changing setup from JIB to Bulk (use
momentary reset). Ensure reset is pressed and held for at least ten seconds.
• No filtration or other filter menu selection can be in process.
Other factors that may not allow fill jug from bulk –
• Defective solenoid
• Defective switch
• RTI pump issue
• RTI relay stuck
If using two fryer systems that are both attached to the RTI system, they may not be able to fill both units at the same
time if they have an RTI unit with a single head. Some RTI units have dual heads which can fill simultaneously.

1-27
1.13 AIF (Automatic Intermittent) Filtration Service Procedures
The AIF (Automatic Intermittent Filtration) board controls the
actuators that open and close the drain and return valve. The
AIF boards are located inside a protective housing under each
frypot (see Figure 13).
Figure 13
1.13.1 AIF Troubleshooting
Problem Probable Causes Corrective Action
Actuator doesn’t
function.
A. No power to the AIF board.
B. Actuator is unplugged.
C. AIF board failure.
D. Actuator readings are out of tolerance.
E. Actuator is bad
A. Check pins 5 and 6 of J2 at the MIB
board. Should read 24VDC. Check
voltage on pins 5 and 6 at the other
end of harness and ensure 24VDC is
present. Continue to check pins 5 and
6 for 24VDC on plugs J4 and J5 on the
AIF boards.
B. Ensure the actuator is plugged into the
proper connection (J1 for FV return, J3
for DV return and J6 for FV drain and
J7 for DV drain).
C. Check power on the connector of the
problem actuator while trying to
manually open or close an actuator.
Pins 1 (Black) and 4 (White) should
read +24VDC when the actuator is
opening. Pins 2 (Red) and 4 (White)
should measure -24VDC when the
actuator is closing). If either voltage is
missing, the AIF board is likely bad.
Test the actuator by plugging into
another connector. If the actuator
operates, replace the board.
D. Check resistance of the potentiometer
between pin 3 (purple wire) and pin 4
(gray/white wire). Closed should read
0-560Ω. Open should read 3.8K Ω –
6.6K Ω.
E. If proper voltages are present at the
connector and actuator doesn’t
operate, reset power to the fryer. If it
still doesn’t operate replace the
actuator.
Actuator functions on
wrong vat.
A. Actuator plugged into wrong connector.
B. Locator pin is in wrong position.
A. Ensure the actuator is plugged into
correct connection (J1 for FV return,
J3 for DV return and J6 for FV drain
and J7 for DV drain).
B. Ensure the locator pin is in proper
position in plug J2. See table B on
page 1-55.

1-28
1.13.2 AIF (Auto Intermittent Filtration) Actuator Board Pin Positions and Harnesses
Connector From/To Harness PN
Pin
# Function Voltage Wire
Color
J1 FV Return
Actuator N/A
1 Ret + (Open) 24VDC Black
2 Ret – (Closed) 24VDC Red
3 Ret Position Purple
4 Ground White
J2
FV AIF RTD
1 Ground White
2 FV - Temp Red
DV AIF RTD 3 Ground White
4 DV - Temp Red
5
6
7
8
Oil Level Sensor
(Gas) 9 DV – OLS (Gas)
10 FV – OLS (Gas)
Locator Pin
11 Locator Vat #5
Black
12 Locator Vat #4
13 Locator Vat #3
14 Locator Vat #2
15 Locator Vat #1
Locator 16 Locator Signal Black
J3 DV Return
Actuator N/A
1 Ret + (Open) 24VDC Black
2 Ret – (Closed) 24VDC Red
3 Ret Position Purple
4 Ground White
J4 MIB J2 or
AIF J5
8074547
AIF Board
Communication
and Power
1 Ground Black
2 CAN Lo Red
3 CAN Hi White
4 5VDC+ 5VDC Black
5 24VDC 24VDC Red
6 Ground White
J5 AIF J4 or
ATO J10
8074547
AIF Board
Communication
and Power
1 Ground Black
2 CAN Lo Red
3 CAN Hi White
4 5VDC+ 5VDC Black
5 24VDC 24VDC Red
6 Ground White
J6 FV Drain
Actuator N/A
1 Drain + (Open) 24VDC Black
2 Drain – (Closed) 24VDC Red
3 Drain Position Purple
4 Ground White
J7 DV Drain
Actuator N/A
1 Drain + (Open) 24VDC Black
2 Drain – (Closed) 24VDC Red
3 Drain Position Purple
4 Ground White

1-29
1.13.3 Replacing an AIF (Automatic Intermittent Filtration) board
Disconnect the fryer from the electrical power supply. Locate the AIF board to be replaced under a frypot.
Mark and unplug the harnesses. The AIF board assembly is held in place with one screw in the front of the
assembly (see Figure 14). Remove the screw and the front of the assembly drops down (see Figure 15) and
the back tab slides out of the bracket attached to the frypot (see Figure 16). Reverse steps to reassemble,
ensuring that the new AIF assembly slides into the slot in the rear of the bracket. Once complete, CYCLE
POWER TO ENTIRE FRYER SYSTEM. See section 1.11.7 on page 1-22 to reset control power. Check
software version # and if necessary update the software. If a software update was necessary, follow the
instructions to update the software in section 1.15.
Figure 14 Figure 15 Figure 16
1.13.4 Replacing a Linear Actuator
Disconnect the fryer from the electrical power supply. Locate the actuator to be replaced under a frypot
and mark and unplug the actuator. The actuators are held in place by two clevis pins which are held in by
“J” clips (see Figure 17). Twist and remove both “J” clips and clevis pins (see Figure 18). It may be
necessary to remove the AIF board to access the pins. Remove the actuator and attach the new actuator
with only the rear clevis pin and “J” clip. Align the alignment holes and insert the clevis pin into both
holes (see Figure 19). Rotate the actuator shaft until the holes of the shaft and valve plate align (see Figure
20). Remove the pin from the alignment hole and insert into the actuator shaft and valve handle (see
Figure 21). Insert the “J” pin to secure (see Figure 22).
Figure 17 Figure 18 Figure 19 Figure 20
Figure 21
Figure 22

1-30
1.13.5 Replacing a Rotary Actuator
Disconnect the fryer from the electrical power supply. Locate the actuator to be replaced and mark and
unplug the actuator. The actuators are held in place by two allen screws. Loosen the allen screws. It may
be necessary to remove a gas line to the burner when removing a drain actuator. Remove the actuator from
the valve stem. Align the actuator with the valve stem and attach the new actuator. Tighten the two allen
screws. Reconnect power and test the actuator.
NOTE: Rotary actuators have two different part numbers, which are mirror images of each other that
correspond to their mounting position.
1.14 M3000 Computer Service Procedures
1.14.1 M3000 Computer Troubleshooting
Problem Probable Causes Corrective Action
No Display on
Computer.
A. Computer not turned on.
B. No power to the fryer.
C. Power switch turned off.
D. Loose fuse holder.
E. Computer has failed.
F. Damaged computer wiring harness.
G. Power supply component or interface
board has failed.
A. Press the ON/OFF switch to turn the
computer on.
B. This fryer may have two cords: a
computer power cord and a main power
cord. If the computer cord is not plugged
in, the computer will not activate. Verify
computer power cord is plugged in and
that circuit breaker is not tripped.
C. Some fryers have a rocker power switch
inside the cabinet below the computer.
Ensure the switch is turned on.
D. Ensure fuse holder is screwed in properly.
E. Swap the computer with a computer
known to be good. If computer functions,
replace the computer.
F. Swap with a harness known to be good.
If computer functions, replace the
harness.
G. If any component in the power supply
system (including the transformer and
interface board) fail, power will not be
supplied to the computer and it will not
function.
Computer locks up. Computer error. Remove and restore power to the computer.
M3000 display shows
filter busy.
A. Another filtration cycle is still in
process.
B. Computer error.
A. Wait until the previous filtration cycle
ends to start another filtration cycle or
until the MIB board has reset. This may
take up to one minute.
B. If filter busy is still displayed with no
activity, ensure the filter pan is empty and
remove and restore ALL power to the
fryer.
M3000 display shows
RECOVERY
FAULT.
Recovery time exceeded maximum time
limit for two or more cycles.
Silence the alarm by pressing the 9 button.
Check that fryer is heating properly.
Maximum recovery for electric is 1:40. If this
error continues to appear call your ASA.

1-31
Problem Probable Causes Corrective Action
M3000 display shows
ENERGY
MISCONFIGURED Wrong energy type selected in setup. Press 1234 to enter setup and set energy type
for electric.
M3000 display shows
EXCEPTION
ERROR with the
description on the right.
An error has occurred. Press 1234 to enter setup and reconfigure the
computer.
M3000 displays
SERVICE
REQUIRED followed
by the error.
An error has occurred.
Press YES to silence alarm. The error is
displayed three times. See list of issues in
section 1.14.3. Fix issue. The computer
displays SYSTEM ERROR FIXED?
YES/NO. Press YES. Computer displays
ENTER CODE. Enter 1111 to clear error
code. Pressing NO will allow the fryer to
cook but the error will be redisplayed every
15 minutes.
M3000 display is in
wrong temperature
scale (Fahrenheit or
Celsius).
Incorrect display option programmed.
See section 1.14.2 on page 1-33 to change
temperature scale.
M3000 displays
CHANGE FILTER
PAD.
Filter error has occurred, filter pad
clogged, 24 hour filter pad change prompt
has occurred or change filter pad was
ignored on a prior prompt.
Change the filter pad and ensure the filter pan
has been removed from the fryer for a
minimum of 30 seconds.
Do NOT ignore CHANGE FILTER
PAD prompts.
M3000 display shows
INSERT pan.
A. Filter pan is not fully inserted into fryer.
B. Missing filter pan magnet.
C. Defective filter pan switch.
A. Pull filter pan out and fully reinsert into
fryer.
B. Ensure the filter pan magnet is in place
and if missing replace.
C. If the filter pan magnet is fully against
the switch and computer continues to
display INSERT pan, switch is
possibly defective.
M3000 display shows
hot-hi-1.
Frypot temperature is more than 410ºF
(210ºC) or, in CE countries, 395ºF
(202ºC).
This in an indication of a malfunction in the
temperature control circuitry, including a
failure of the high-limit thermostat.
M3000 display shows
HI-LIMIT. Computer in high-limit test mode.
This is displayed only during a test of the
high-limit circuit and indicates that the high-
limit has opened properly.
M3000 display shows
low temp
alternating with MLT-
CYCL.
Frypot temperature is between 180°F
(82°C).
This display is normal when the fryer is first
turned on while in the melt cycle mode. To
bypass the melt cycle press and hold either #1
or #2 cook button under the LCD display
until a chirp is heard. The computer displays
EXIT MELT alternating with YES NO.
Press the #1 YES button to exit melt. If the
display continues, the fryer is not heating.
M3000 display shows
ERROR RM SDCRD Defective SD Card Replace card with another card.

1-32
Problem Probable Causes Corrective Action
M3000 display shows
TEMP PROBE
FAILURE.
A. Problem with the temperature
measuring circuitry including the probe.
B. Damaged computer wiring harness or
connector.
A. This indicates a problem within the
temperature measuring circuitry. Check
resistance of probe, if faulty replace
probe.
B. Swap the computer wiring harness with
one known to be good. If problem is
corrected, replace the harness.
MAINT FILTER
(Manual Filter) won’t
start.
Temperature too low. Ensure fryer is at setpoint before starting
MAINT FILTER.
M3000 display shows
REMOVE DISCARD.
In non-dedicated mode, a product is
dropped that has a different setpoint that
the current vat temperature.
Remove and discard product. Press a cook
button under the display with the error to
remove the error. Reset the setpoint of the
vat before trying to cook product.
M3000 display shows
HEATING
FAILURE.
Failed computer, failed interface board,
open high-limit thermostat.
Turn off the vat with the issue. The error is
displayed if the fryer loses its ability to heat
oil. It is also displayed when the oil
temperature is above 450°F (232°C) and the
high-limit thermostat has opened, halting the
heating of the oil.
Computer will not go
into program mode or
some buttons do not
actuate.
Failed computer. Replace computer
M3000 display shows
HI 2 BAD. Computer in high-limit test mode.
This is displayed during a test of the high-
limit circuit to indicate if the high-limit has
failed.
M3000 display shows
HELP HI-2 or HIGH
LIMIT FAILURE. Failed high-limit. This is displayed to indicate the high-limit
has failed.
M3000 display shows
software for only
M3000 or MIB but not
all boards.
Loose or damaged harness
Check that all harnesses between M3000’s,
MIB, AIF and ATO are secure. Ensure
24VDC is present on pins 5 & 6 of J2 on
MIB board and on J4 or J5 of AIF board.
Check for loose or broken pins/wires. If the
problem persists, swap out computer from
one bank to another and cycle power on the
fryer.
M3000 display shows
low temp, heating
indicator cycles on and
off normally but fryer
does not heat.
A. Three phase power cord unplugged or
circuit breaker is tripped.
B. Blown fuse
C. Failed computer.
D. Damaged computer wiring harness.
E. Open connection in high-limit circuit.
A. Ensure all cords are fully seated in the
receptacles, locked into place and that
circuit breakers are not tripped.
B. Check three amp fuse on front of control
box.
C. Replace computer.
D. Replace computer wiring harness.
E. Check high limit circuit starting at the
control box connector working to the
high-limit.

1-33
Problem Probable Causes Corrective Action
M3000 display shows
IS VAT FULL?
YES NO.
A filter error has occurred due to dirty or
clogged filter pad or paper, clogged filter
pump, filter pump thermal overload,
improperly installed filter pan components,
worn or missing O-rings, cold oil or an
actuator problem.
Follow the steps in the flowchart in section
1.14.5.
Fryer filters after each
cook cycle. Filter after setting incorrect or software
update issue.
Overwrite the filter after setting by re-entering
the filter after value in level two. Ensure that
the down arrow is pressed after entering the
value to save the setting (see section 4.13.5 on
page 4-33 in the BIELA14 IO Manual).
1.14.2 M3000 Useful Codes
To enter any of the following codes: Press and hold 3and 4simultaneously for TEN seconds; three chirps
sound. The computer displays TECH MODE. Enter the codes below to perform the function.
• 1658 – Change from F° to C° The computer displays off. Turn the computer on and check
temperature to see the temperature scale. If the desired scale is not displayed, repeat.
• 3322 – Reset Factory Menu The computer displays COMPLETE and then off. (NOTE:
This will delete any hand-entered menu items).
• 1650 – Enter Tech Mode. See page 1-36 to reset passwords and change filter pad time.
• 1212 – Switch between Domestic Menu and International Menu. The computer displays
COMPLETE and then off. (NOTE: This will delete any hand-entered menu items).
• 0469 – Reset FILTER STAT DATA
The following codes require the removal and reinsertion of the J3 locator plug on the rear of the computer
before entering the code.
• 1000 – Reset CALL TECH Message - Disconnect board locator plug (J3). Reinsert plug.
Enter 1000. Computer display switches to off. Remove and then restore power to the computer
using the 20-pin plug.
• 9988 – Reset BADCRC Message - Disconnect board locator plug (J3). Reinsert plug. Enter
9988. Computer display switches to off. Remove and then restore power to the computer using
the 20-pin plug.
The following codes are entered when prompted to do so or from an energy misconfigured exception error.
• 1111 – Reset SERVICE REQUIRED Message – Enter when the issue is fixed and prompted
to enter.
• 1234 – Enter SETUP MODE from energy misconfigured exception error (This usually can be
done without pressing the filter buttons if an error is displayed.)
PASSWORDS
To enter level one, level two passwords: Press and hold the TEMP and INFO buttons simultaneously until
level 1 or level 2 is displayed. Release the buttons and ENTER Code appears.
• 1234 – Fryer Setup, Level One and Level Two
• 4321 – Usage Password (resets usage statistics).

1-34
1.14.3 Service Required Errors
A SERVICE REQUIRED error alternating with YES displays on the computer. After YES is pressed the
alarm is silenced. The computer displays an error message from the list below three times with the
location of the error. Then the computer displays SYSTEM ERROR FIXED? YES/NO. If yes is chosen,
enter code 1111. If NO is chosen the system returns to cook mode for 15 minutes then redisplays error
until issue is fixed.
Pressing the MIB reset button during any filter function will generate a “SERVICE REQUIRED”
error.
This is a list of the service required errors and causes.
ERROR MESSAGE EXPLANATION
PUMP NOT FILLING Oil not returning to vat quickly. Possible
problems: dirty pad, bad or missing O-rings,
tripped or defective filter pump, actuators or
linkage.
DRAIN VALVE NOT OPEN Drain valve failed to open; the valve’s
position is unknown.
DRAIN VALVE NOT CLOSED Drain valve failed to close; the valve’s
position is unknown.
RETURN VALVE NOT OPEN Return valve failed to open; the valve’s
position is unknown.
RETURN VALVE NOT CLOSED Return valve failed to close; the valve’s
position is unknown.
MIB BOARD Problem with CAN communications; Check
for loose CAN connections between
computer and MIB board. MIB board failure
AIF BOARD MIB detects AIF missing; AIF board failure
ATO BOARD MIB detects ATO board connection lost;
ATO board failure
HIGH LIMIT FAILURE High limit circuit has an issue
AIF PROBE AIF RTD reading out of range
ATO PROBE ATO RTD reading out of range
TEMP PROBE FAILURE TEMP Probe reading out of range
MIB SOFTWARE Internal MIB software error
INVALID CODE LOCATION SD card removed during update
MISCONFIGURED ENERGY TYPE Energy type in fryer setup is incorrect. (ie.
Set proper energy type gas or electric)
Press 1234 to enter setup to properly
configure fryer.
RTC INVALID DATE The date is invalid. Press 1234 to enter
setup to properly configure fryer and set
proper date.

1-35
1.14.4 Error Log Codes
Refer to page 1-39, level 2 program for access to the E-log. The ten most recent errors are listed from
A-J, with A being the most recent error.
Code ERROR MESSAGE EXPLANATION
E01 REMOVE DISCARD (Right) A product cook is started on the right side of a split
vat or in a full vat that has a different setpoint other
than the current vat temperature.
E02 REMOVE DISCARD (Left) A product cook is started on the right side of a split
vat or in a full vat that has a different setpoint other
than the current vat temperature.
E03 ERROR TEMP PROBE FAILURE Temp probe reading out of range
E04 HI 2 BAD High limit reading is out of range.
E05 HOT HI 1 High limit temperature is past more than 410°F
(210°C), or in CE countries, 395°F (202°C)
E06 HEATING FAILURE A component has failed in the high limit circuit such
as computer, interface board, contactor or open-
high limit.
E07 ERROR MIB SOFTWARE Internal MIB software error
E08 ERROR ATO BOARD MIB detects ATO board connection lost; ATO
board failure
E09 ERROR PUMP NOT FILLING Oil not returning to vat quickly. Possible problems:
dirty pad, bad or missing O-rings, tripped or
defective filter pump, actuators or linkage.
E10 ERROR DRAIN VALVE NOT OPEN Drain valve failed to open; the valve’s position is
unknown.
E11 ERROR DRAIN VALVE NOT CLOSED Drain valve failed to close; the valve’s position is
unknown.
E12 ERROR RETURN VALVE NOT OPEN Return valve failed to open; the valve’s position is
unknown.
E13 ERROR RETURN VALVE NOT CLOSED Return valve failed to close; the valve’s position is
unknown.
E14 ERROR AIF BOARD MIB detects AIF missing; AIF board failure
E15 ERROR MIB BOARD Cooking computer detects MIB connections lost;
Check software version on each computer. If
versions are missing, check CAN connections
between each computer; MIB board failure
E16 ERROR AIF PROBE AIF RTD reading out of range
E17 ERROR ATO PROBE ATO RTD reading out of range
E18 Not currently used
E19 M3000 CAN TX FULL Connection between computers lost
E20 INVALID CODE LOCATION SD card removed during update
E21 FILTER PAD PROCEDURE ERROR
(Change Filter Pad) 25 hour timer has expired or dirty filter logic has
activated
E22 OIL IN PAN ERROR The MIB has reset the oil in pan flag.
E23 CLOGGED DRAIN (Gas) Vat did not empty during filtration
E24 AIF BOARD OIB FAILED (Gas) Oil is back sensor failed.
E25 RECOVERY FAULT Recovery time exceeded maximum time limit.
E26 RECOVERY FAULT CALL SERVICE Recovery time exceeded maximum time limit for
two or more cycles.
E27 LOW TEMP ALARM Oil temperature has dropped lower than 15°F (8°C)
in idle mode or 45°F (25°C) in cook mode.
1-36
1.14.5 Tech Mode
Tech mode allows technicians to reset all passwords set in levels one and two and change when the
fryer calls for a filter pad change. The default is 25 hours.
1. Press and hold 3and 4 simultaneously for TEN seconds until three chirps sound and TECH
MODE is displayed.
2. Enter 1650.
3. The computer displays CLEAR PASSWORDS.
4. Press the 9 (1) button to accept selection and clear the passwords.
5. The computer displays CLEAR PASSWORDS on the left and COMPLETE on the right.
This clears any passwords set up under levels one and two.
6. Press the ubutton to toggle to FILTER PAD TIME on the left and 25 on the right. (25
hours is the default time to change the pad)
7. Press the 8 (2) button to accept changes and exit.
8. The computer displays OFF.

1-37
1.14.6 M3000 Filter Error Flowchart
Change filter pad and
ensure filter pan is
pulled out for a
minimum of 30
seconds.
Fryer returns to
cook mode for 4
minutes or 15
minutes if pad
change expired.
NORMAL
OPERATION
RESUMES
SIXTH
CONSECUTIVE
FILTER ERROR Fryer returns to
cook mode for 15
minutes.
TECH
ENTERS
CODE
MESSAGE
DISPLAYED
Call an Authorized
Repair Technician
If the computer displays SERVICE
REQUIRED, the fryer can be used in
most cases by answering NO when the
prompt for SYSTEM ERROR
FIXED? YES NO is displayed. The
message repeats every 15 minutes until
the issue is repaired and error cleared by
a technician. To clear the error, enter
1111 after answering YES when
SYSTEM ERROR FIXED? YES
NO is displayed.
This chart follows the process of clearing a filtration
issue. The prompt is displayed when any of the
following occur:
1. a clogged filter pad,
2. a tripped or defective filter pump,
3. a leaky O-ring on the pick-up tube,
4. a failed drain valve/actuator, or
5. a failed return valve/actuator.

1-38
1.14.7 M3000 Menu Summary Tree
Reflected below are the major programming sections in the M3000 and the order in which submenu headings will be found
under the sections in the Installation and Operation Manual.
Adding New Menu Items See section 4.10.2
Storing Menu Items in Product Buttons See section 4.10.3
Draining, Refilling, and Disposing of Oil See section 4.10.4

1-39
1.14.8 M3000 Board Pin Positions and Harnesses
Connector From/To Harness PN Pin
# Function Voltage Wire Color
J1 SD Card
J2 Interface
Board to
Computer
8074199
SMT Computer to
Interface Board
Harness
1 12VAC In 12VAC
Black
2 Ground
3 12VAC In 12VAC
4 FV Heat Demand
5 V Relay 12VDC
6 DV Heat Demand
7 R/H B/L 12VDC
8 Analog Ground
9 L/H B/L 12VDC
10 ALARM
11 Sound Device 5VDC
12 ALARM
13 FV Probe
14 Common Probes
15 DV Probe
16
17
18
19
20
J3 Interface
Board Ground
to Computer
Computer Locator
Harness
1 Vat #1
Black
2 Vat #2
3 Vat #3
4 Vat #4
5 Vat #5
6 Ground
J4 Not Used
J6 Next M3000
J7 or Network
Resistor
8074546
Computer
Communication
Harness
1 Ground Black
2CAN Lo Red
3CAN Hi White
4
5
6
J7 MIB J1 or
previous
M3000 J6
8074546
Computer
Communication
Harness
1 Ground Black
2CAN Lo Red
3CAN Hi White
4
5
6

1-40
1.15 Loading and Updating Software Procedures
Updating the software takes approximately 30 minutes. The software only needs to be loaded in ONE computer and it will
update all the computers and boards in the system. To update the software, follow these steps carefully:
1. Switch all computers to OFF. Press the TEMP button to check current M3000/MIB/AIF/ATO software
version.
2. Remove the bezel and remove the two screws on the left side cover plate of the M3000 board.
3. With the computer folded down, insert the SD card, with the contacts facing down and the notch on the
bottom right (see Figure 23 and 24), into the slot on the left side of the M3000.
4. Once inserted, UPGRADE IN PROGRESS appears on the left display and WAIT on the right.
5. The display then changes to CC UPDATING on the left and the percentage completed appears on the right.
The display counts up to 100 on the right, changing to a flashing BOOT. DO NOT REMOVE THE CARD
UNTIL THE DISPLAY PROMPTS TO DO SO IN STEP 8.
6. Then UPGRADE IN PROGRESS is displayed on the left display and WAIT on the right again
followed by COOK HEX, mib HEX, aif HEX ending with aTO HEX displayed on the left and the
percentage complete on the right.
7. The display then changes to REMOVE SD CARD on the left and 100 on the right.
8. Remove the SD card using the fingernail slot on the top of the SD card.
9. Once the SD card is removed the display changes to CYCLE POWER.
10. Cycle the control power using the hidden reset switch behind the right control box. ENSURE THE
SWITCH IS HELD FOR 10 SECONDS. WAIT ANOTHER 20 SECONDS UNTIL THE MIB
BOARD HAS FULLY RESET BEFORE CONTINUING.
11. An EXCEPTION MISCONFIGURED ENERGY TYPE error may appear on the left computer
while a flashing BOOT is displayed on the remaining computers while the program is transferred. If this
happens, enter 1234 on the left computer. The display changes to LANGUAGE on the left and
ENGLISH on the right. To change the entry use the < FLTR and FLTR > buttons. To navigate to the
next field, use the uINFO button. Once all parameters have been setup, press 8 (2) button to exit.
SETUP COMPLETE is displayed.
12. When the update is complete the M3000 displays OFF. The MIB display will remain blank while
software is loading, changing to show the vat numbers. Once the LED’s stop blinking, the MIB board will
display A.
13. Cycle the control power using the hidden reset switch behind the right control box again. ENSURE THE
SWITCH IS HELD FOR 10 SECONDS. WAIT ANOTHER 20 SECONDS UNTIL THE MIB
BOARD HAS FULLY RESET BEFORE CONTINUING.
14. With the computer displaying OFF, VERIFY software update by pressing the TEMP button to
check updated M3000/MIB/AIF/ATO version on each computer. IF ANY BOARDS DID NOT
UPDATE, REPEAT THE PROCESS STARTING WITH STEP 3.
15. Press and hold the two outer filter buttons until TECH MODE is displayed.
16. Enter 1650, CLEAR PASSWORDS is displayed.
17. Press the INFO button once. FILTER PAD TIME is displayed on the left side and 25 is displayed on
the right. IF ANY OTHER NUMBER OTHER THAN 25 IS DISPLAYED, ENTER 25. This only
needs to be performed on one computer.
18. Press the INFO button again.
19. Press the 8 (2) button to exit.
20. Once the software has been updated and the versions are correct, replace the cover and screws covering the
SD card slot.
21. Reinstall the screws attaching the computers and bezel by reversing steps 2 through 5.
22. Perform a forced auto filter cycle on each vat except the fish vat by pressing and holding one of
the filter buttons. FILTER MENU is displayed changing to AUTO FILTER.
23. Press the (1 9) button.
24. FILTER NOW YES/NO is displayed.
25. Press the (1 9) button.
26. SKIM VAT is displayed changing to CONFIRM.
27. Press the (1 9) button. The auto filter cycle should start.
28. Once the filter cycle is complete, repeat on each vat in
the fryer.
29. Once all vats have been successfully filtered the
software update is finished.
Figure 23 Figure 24

1-41
1.16 BIELA14 Series LOV™ Data Network Flowchart

1-42
1.17 Interface Board Diagnostic Chart
The following diagram and charts provide ten quick system checks that can be performed using only a
multimeter.
NOTE – Pin 1 is located in the bottom right corner of
Both J1 and J2. These test points are ONLY for LOV™
Series boards with J1 and J2 plugs on the front of the board.
Meter Setting Test Pin Pin Results
12 VAC Power 50 VAC Scale 3 of J2 1 of J2 12-16 VAC
24 VAC Power 50 VAC Scale 2 of J2 Chassis 24-30 VAC
*Probe Resistance (RH) R X 1000 OHMS 11 of J2 10 of J2 See Chart
*Probe Resistance (LH) R X 1000 OHMS 1 of J1 2 of J1 See Chart
High-Limit Continuity (RH) R X 1 OHMS 9 of J2 6 of J2 0 - OHMS
High-Limit Continuity (LH) R X 1 OHMS 6 of J1 9 of J1 0 - OHMS
Latch Contactor Coil (RH) R X 1 OHMS 8 of J2 Chassis 3-10 OHMS
Latch Contactor Coil (LH) R X 1 OHMS 5 of J1 Chassis 3-10 OHMS
Heat Contactor Coil (RH) R X 1 OHMS 7 of J2 Chassis 11-15 OHMS
Heat Contactor Coil (LH) R X 1 OHMS 4 of J1 Chassis 11-15 OHMS
* Disconnect 15-Pin harness from the computer before testing the probe circuit.
Diagnostic LED Legend
CMP indicates power from 12V transformer
24 indicates power from 24V transformer
HI (RH) indicates output (closed) from right latch
relay
HI (LH) indicates output (closed) from left latch
relay
HT (RH) indicates output from right heat relay
HT (LH) indicates output from left heat relay
AL (RH) indicates output (open) from right latch
relay
AL (LH) indicates output (open) from left latch
relay
PN 826-2260 (106-6664)

1-43
1.18 Probe Resistance Chart
Probe Resistance Chart
For use with fryers manufactured with Minco Thermistor probes only.
F OHMS C F OHMS C F OHMS C F OHMS C F OHMS C
60 1059 16 130 1204 54 200 1350 93 270 1493 132 340 1634 171
65 1070 18 135 1216 57 205 1361 96 275 1503 135 345 1644 174
70 1080 21 140 1226 60 210 1371 99 280 1514 138 350 1654 177
75 1091 24 145 1237 63 215 1381 102 285 1524 141 355 1664 179
80 1101 27 150 1247 66 220 1391 104 290 1534 143 360 1674 182
85 1112 29 155 1258 68 225 1402 107 295 1544 146 365 1684 185
90 1122 32 160 1268 71 230 1412 110 300 1554 149 370 1694 188
95 1133 35 165 1278 74 235 1422 113 305 1564 152 375 1704 191
100 1143 38 170 1289 77 240 1432 116 310 1574 154 380 1714 193
105 1154 41 175 1299 79 245 1442 118 315 1584 157 385 1724 196
110 1164 43 180 1309 82 250 1453 121 320 1594 160 390 1734 199
115 1174 46 185 1320 85 255 1463 124 325 1604 163 395 1744 202
120 1185 49 190 1330 88 260 1473 127 330 1614 166 400 1754 204
125 1195 52 195 1340 91 265 1483 129 335 1624 168 405 1764 207

1-44
1.19 Wiring Diagrams
1.19.1 Component Wiring (Domestic)

1-45
1.19.2 Component Wiring (CE)

1-46
1.19.3 Component Wiring (CSA)

1-47
1.19.4 Component Wiring (Australia)

1-48
1.19.5 Contactor Box – Delta Configuration

1-49
1.19.6 Contactor Box – WYE Configuration

1-50
1.19.7 Simplified BIELA14 LOV™ Gen II Series – Full Vat Delta Wiring

1-51
1.19.8 Simplified BIELA14 LOV™ Gen II Series – Dual Vat Delta Wiring

1-52
1.19.9 Simplified BIELA14 LOV™ Gen II Series – Full Vat Wiring EXPORT WYE

1-53
1.19.10 Simplified BIELA14 LOV™ Gen II Series – Dual Vat Wiring EXPORT WYE

1-54
1.19.11 BIELA14 Gen II Series LOV™ Simplified Wiring

2-1
BIELA14 SERIES GEN II LOV™ ELECTRIC FRYERS
CHAPTER 2: PARTS LIST
2.1 Accessories
ITEM
PART # COMPONENT
1 809-0171 Thumbscrew, ¼ -20 X 1⅜-inch Universal Hood
809-0402 Thumbscrew, ¼ -20 X ½-inch Cap-N-Splash Hood
2 810-2793 Hanger, Wireform Basket
* 809-0921 Spacer, Basket Hanger
3 803-0398 Brush, Frypot
4 823-7263 Connecting Strip, Frypot
5 106-8325 Cover, Full-Vat Frypot
* 106-8329 Cover, Dual-Vat Frypot
6 803-0132 Rack, Full-Vat Basket Support
7 803-0106 Rack, Dual-Vat Basket Support
8 803-0388 Element Lift / Fryers Friend LOV™
*Not illustrated.

2-2
2.2 Doors, Sides, Tilt Housings, Cap-N-Splash, Top Caps and Casters
ITEM PART # COMPONENT
1 231-0323 Side, Standard Cabinet Left SS (use 221-0323 for Enameled Steel)
2 232-0323 Side, Standard Cabinet Right SS (use 222-0323 for Enameled Steel)
3 810-1105 Magnet, Door (vertical) (use 810-2346 for horizontal over filter pan)
4 108-0915 Door, Left or Right (Left shown – move handle to bottom for right)
5 230-4960 Handle, Eurolook Door
6 106-4067 Pin Assembly, Door
* 810-0275 Spring, Door Pin
* 809-0970 Retaining Ring
* 230-7192 Hinge, Door Lower
* 220-6097 Holder, Manual
7 810-0327 Caster without Brake
8 810-0326 Caster with Brake
9 Tilt Housing (Housing for five station fryer shown)
823-6085 Two Station, S/S (use 108-0131 for Aluminized Steel) (910-2441 Hoodstrip)
823-5700 Three Station, S/S (use 108-0132 for Aluminized Steel) (910-2440 Hoodstrip)
823-6151 Four Station, S/S (use 108-0133 for Aluminized Steel) (910-2439 Hoodstrip)
823-6243 Five Station, S/S (use 108-0138) for Aluminized Steel) (910-9447 Hoodstrip)
10 Cap-N-Splash
823-6420 Two Station
823-6421 Three Station
823-6422 Four Station
823-6887 Five Station
11 Top Cap (Top cap for five station fryer shown)
106-7835 Two Station (Also requires four 809-0078 10-32 Nutserts)
106-5979 Three Station (Also requires six 809-0078 10-32 Nutserts)
106-7576 Four Station (Also requires eight 809-0078 10-32 Nutserts)
106-7841 Five Station (Also requires ten 809-0078 10-32 Nutserts)
* Not illustrated.

2-3
2.3 Drain System Components
2.3.1 Drain Tube Sections and Associated Parts
ITEM PART# COMPONENT
1 823-6020 Drain Tube, Full-Vat Left Closed/Right End Open
2 823-6112 Drain Tube, Dual-Vat Left Closed/Right End Open
3 108-1874 Drain Tube, Dump (Use 108-1882 for French Unit)
4 108-1876 Drain Tube, Full-Vat 2 Bat. Dump Left Closed/Right End Open
5 108-1878 Drain Tube, Dual-Vat 2 Bat. Dump Left Closed/Right End Open
6 823-6019 Drain Tube, Full-Vat Left and Right Open
7 823-6021 Drain Tube, Dual-Vat Left and Right Open
8 823-6240 Drain Tube, Full-Vat 2 Bat. Left Open/Right End Closed
9 823-6242 Drain Tube, Dual-Vat 2 Bat. Left Open/Right End Closed
10 823-6202 Drain Tube, Full-Vat Left Open/Right End Closed
11 823-6114 Drain Tube, Dual-Vat Left Open/Right End Closed
12 823-6117 Drain Tube, Full-Vat Left and Right Open
13 823-6115 Drain Tube, Dual-Vat Left and Right Open
14 816-0772 Sleeve
15 809-0969 Clamp
* 816-0630 Vinyl Cap
* 810-3531 Valve, Check 20 PSI RTI bypass
* Not illustrated.
See Section 2.3.2 for Drain Valves

2-4
2.3.2 Drain Valves and Associated Parts
2.3.2.1 Linear Actuator Drain Valves
ITEM PART # COMPONENT
1 809-0540 Nut, ½-13 2-Way Hex Lock
2 900-2936 Retainer, Nut Drain Valve
3 232-5701 Handle, Drain Valve FV or DV Right
4 231-5701 Handle, Drain Valve DV Left
5 824-2048 Mount, Electric Drain Actuator Right
6 824-2047 Mount, Electric Drain Actuator Left
7 222-5962 Bracket, Drain to Valve LOV™ Electric
8 816-0544 O-Ring, Round Drain Seal
9 823-7231 Valve, 1¼-inch Drain LOV™ Electric Right
10 823-7230 Valve, 1¼-inch Drain LOV™ Electric Left
2.3.2.2 Rotary Actuator Drain Valves
ITEM PART # COMPONENT
1 810-3755 Valve, 1¼-inch NPT Rotary Actuator

2-5
2.4 Electronics and Wiring Components
2.4.1 Component Boxes

2-6
2.4.1 Component Boxes cont.
ITEM PART # COMPONENT
1 106-5592 Box Assembly, Component
2 200-3300 Bracket, Component Box Strain Relief
3 806-9495SP Terminal Block
√ 4 807-4346 Relay, 120V DPDT 20A (used in Canadian models only)
√ 5 807-4482 Relay, Filter 2 Pole 30A DPDT 24VDC
6 807-0037 Terminal, ¼-inch Push-on
7 807-0121 Bushing, Heyco Plastic AB-625-500
8 807-0922 Holder, Buss Fuse HPS Screw Type
9 807-2278 Fuse, 20 Amp
10 810-2446 Plug, Button .50 Heyco Double “D”
√ 11 807-4036 Switch, Power
807-3575 Plug, Carling Switch Hole (used on some models without a switch)
12 807-1947 Plug, Button .875 Dome
13 807-1321 Holder, AGC Panel Mount ¼” Fuse (Some models use item 10 here.)
14 807-1597 Fuse, 3 AMP Slow-Blow
15 810-2445 Plug, Button .625 Heyco Double “D”
16 106-5750 Harness Assembly, RE FV Control
106-5751 Harness Assembly, RE DV Control
√ 17 807-0855 Transformer, 100-120V/12V 20VA
√ 18 807-0800 Transformer, 100-120V/24V 50VA Filter (Used in FV component boxes)
√ 807-4933 Transformer, 120/208/240V/24V 75VA Filter (Used in DV component
boxes)
√ 19 807-2181 Transformer, 100-120V /24V 62VA Filter
√ 20 807-2191 Transformer, 208-240V/12V 30VA
√ 21 807-0979 Transformer, 208-240V/12V 43VA
√ 22 807-2180 Transformer, 100-120V 50VA Filter
23 809-0349 Spacer, 4mm X 6mm Aluminum
24 Interface Board
√ 826-2260 Standard Full or Dual Vat Interface Board (includes sound harness)
* 807-4403 Speaker, 4-Watt SMT
25 220-4723 Guard, Finger w/ switch opening
26 807-4678 Switch, Momentary Flush JIB Reset
27 230-5038 Guard, RE Box Switch
28 816-0217 Paper, Insulating Terminal Block
29 810-0045 Bushing, .875 Diameter 11/16”
30 200-6654 Brace, Component Box
√ 31 807-4346 Relay, DPDT 20A 120V (used for control power reset in right hand boxes
only in domestic and Canadian units)
807-4770 Relay, DPDT 20A 240V (used for control power reset in right hand boxes
only in international units; some international units have one located in
each control box)
32 807-2659 Switch, Momentary (used to reset control power; located in box over JIB
only.)
* 826-2249 RE Hood/Ansul Interlock Kit (includes terminal block, wires and connectors)
* Not illustrated.
√ Recommended parts.

2-7
2.4.2 Contactor Boxes
2.4.2.1 Left and Right Contactor Box Configurations
CANADIAN 14kW RIGHT
CONFIGURATIONS
LEFT HAND
BOX COVER
STANDARD
MECHANICAL
LEFT AND RIGHT
CONFIGURATIONS
RIGHT HAND
BOX COVER
6
51
57
6
5
2
2
34
12
10
120/440/480v
LEFT AND RIGHT
STANDARD AND
MECHANICAL
CONFIGURATIONS
89
6
57
7

2-8
2.4.2.1 Left and Right Contactor Box Configurations cont.
NOTES: Left and right contactor box assemblies are mirror images of one another. With the
exception of the box itself, all components of a left-hand assembly are the same as those in the
corresponding right-hand assembly and vice versa except for the hood relay which occurs in the
right or large box only. The configurations illustrated show all possible components, but a particular
configuration may not have all the components shown.
ITEM PART # COMPONENT
1 106-8658 Box Assembly, Left Contactor
2 106-8660 Box Assembly, Right Contactor
3 221-0482 Cover, Left Hand Contactor Box
4 222-0482 Cover, Right Hand Contactor Box
9 807-0070 Terminal, Ground Lug
√ 5 807-2284 Contactor, 24V 50 Amp Mechanical (Heat)
√ 6 810-1202 Contactor, 24V 40 Amp Mechanical (Latch)
7 807-1683 Relay, Hood 12VDC
8 807-0922 Holder, Bus Fuse
9 807-2278 Fuse, 20 Amp
10 807-0064 Transformer, 480V/120V 150VA
* 221-0610 Bracket, Left Hand Contactor Box Mounting
* 222-0610 Bracket, Right Hand Contactor Box Mounting
* 807-4316 McDonald’s Cordset, 120V 5-Wire
* 807-4317 McDonald’s Cordset, Europe 3-Wire Single Phase
* 807-0012 Relay, Tilt Switch 18 Amp 1/3 HP 24 V Coil
* Not illustrated.
√ Recommended parts.

2-9
2.4.3 Heating Element Assemblies and Associated Parts
2.4.3.1 Element Assemblies and Hardware
NOTE: These elements apply only to BIELA14 Gen II Series Fryers.

2-10
2.4.3.1 Element Assemblies and Hardware cont.
ITEM PART # COMPONENT
1 Element
826-2198 200V 7.0 kW (220V 8.5kW used in some export 3-phase 4-wire WYE
units)
√ 826-2192 208V 17.0 kW
826-2200 220V 17.0 kW (240V 8.5kW used in some export 3-phase 4-wire WYE
units)
826-2193 230V 17.0 kW
826-2199 230V/400V 7.0/8.5 kW (used in some export 3-phase 4-wire WYE
units)
826-2194 240V 17.0 kW
826-2196 480V 17.0 kW
√ 2 826-2212 Probe, Temperature RE – includes tie wraps and grommet.
3 816-0681 Grommet, Probe
4 816-0480 Plug, .375-inch Dome
5 816-0688 Gasket, Element
6 809-1003 Screw, 10-32 X ⅜-inch Hex Head SS
* 809-0766 Nut, 10-32 Keps Hex Head SS
* 230-4028 Wrench, Element Tube Nut Spanner
7 230-3714 Bracket, Temperature Probe 7.0kW
230-0784
Bracket, Temperature Probe 8.5kW (used in some export 3-phase 4-wire
WYE units)
8 220-0464 Bracket, Lower Spring
9 910-2042 Clamp, Element (Short)
10 230-0781 Clamp, Element (Long)
11 230-4902 Support, Full-Vat Element Rear
12 230-4101 Support, Full-Vat Element Front
13 809-0567 Tie-Wrap, Metal
14 230-4903 Support, Dual-Vat Element Bottom Rear
15 230-4103 Support, Dual-Vat Element Bottom Front
16 810-3030 Spring, Element Lift Left
810-3131 Spring, Element Lift Right
17 220-0733 Bracket, Lower Spring Mating
* Not illustrated.
√ Recommended parts.

2-11
2.4.3.2 Element Tube Assemblies
FULL-VAT ELEMENT ASSEMBLY
DUAL-VAT ELEMENT ASSEMBLY
1
2
4
5
67
8
9
10
11
3

2-12
2.4.3.2 Element Tube Assemblies contd.
ITEM PART # COMPONENT
1 108-0297SP Tube Assembly RE Element, Full-Vat
2 108-0298SP Tube Assembly RE Element, Dual-Vat
3 810-3246 Bushing and Tube Assembly, Dual-Vat
4 108-0315 Bracket Assembly, LH Element Tube Support
5 108-0316 Bracket Assembly, RH Element Tube Support
6 220-0122 Plate, Element Tube Support Inner
7 220-0123 Plate, Element Tube Support Outer
8 106-7651 Bracket Assembly, LH Upper Spring (use 106-6569 for 17kW)
9 106-7652 Bracket Assembly, RH Upper Spring (use 106-6570 for 17kW)
10 810-2992 Tube, Full Vat Element Mounting
11 810-2993 Bushing, Tube End Teflon
* 826-2598 Kit, Tilt Switch
* 807-4742 Switch, Long Lever High Temp
* Not illustrated.
2.4.4 Computers
ITEM PART # COMPONENT
Replacement Computer
√ 108-1295 Non-CE Domestic M3000 (For use in US, Canada, Mexico and all
other non-CE countries)
√ 108-2970 CE M3000 (For use in European CE countries)
* 807-4403 M3000 Speaker SMT
* Not illustrated.
√ Recommended parts.
NOTE: See Page 2-16 for Interface Board to Computer Wiring Harness

2-13
2.4.5 Wiring
2.4.5.1 Contactor Box Wiring Assemblies – 12-Pin Dual-Vat C-1
ITEM PART # COMPONENT
106-5980SP Contactor Box Harness Assembly Dual Vat
1 Standard (See wiring diagrams on pages 1-41 thru 1-43.)
2.4.5.2 Contactor Box Wiring Assemblies – 12-Pin Full-Vat C-1
1
GREEN/YELLOW 75C
BLUE 74C
ORANGE 76C
ORANGE 71C
1
2
3
4
5
6
7
8
9
10
11
12
ITEM PART # COMPONENT
106-6031SP Contactor Box Harness Assembly Full Vat
1 Standard (See wiring diagrams on pages 1-41 thru 1-43.)

2-14
2.4.5.3 Contactor Box Wiring Assembly – 6-Pin (Left Element)
ITEM PART # COMPONENT
1 106-8744 14/17 kW Mechanical Contactor
2.4.5.4 Contactor Box Wiring Assembly – 9-Pin (Right Element)
ITEM PART # COMPONENT
1 106-8745 14/17 kW Mechanical Contactor

2-15
2.4.5.5 Main Wiring Harnesses

2-16
2.4.5.6 Component Box and Filter Pump Wiring Harnesses
ITEM PART # COMPONENT
1 106-5750SP Full Vat Control Harness J4 to J2 (Standard)
2 106-5751SP Dual Vat Control Harness J4 to J1 and J2 (Standard)
3 108-0490 Filter Pump C2 to Component Box Wiring Harness
2.4.5.7 Interface Board to Controller Wiring Harness – 15-Pin
PN 807-4199
SMT Controller to Interface
Board Wiring Harness

2-17
2.4.5.8 M3000, MIB, AIF and ATO Wiring Harnesses
ITEM PART # COMPONENT
* 807-4546 Computer Communication (used from Computer to Computer)
* 807-4547 AIF Communication/Power (used from MIB to AIF and AIF to AIF)
* 807-4649
MIB Power/Blue LED/Pan Sw (used from Transformer and Fltr Rly to
MIB to Blue LED and Pan Sw)
* 807-4655 FV/DV Harness RTD Medium (used from RTD to ATO Board)
* 826-2569 FV/DV ATO/RTD Probe Kit
* 807-4553 ATO Power (used from Transformer to ATO Board)
* 807-4671
ATO Pump and JIB (used from ATO Board to Top-off Pump and JIB
Reset Switch)
* 807-4772
ATO Pump and JIB (used from ATO Board to Top-off Pump and JIB
Reset Switch) 4-5 Battery only
* 807-4555 ATO Yellow LED (used from ATO Board to Yellow LED)
* 807-4722
ATO Yellow LED (used from ATO Board to Yellow LED) 4-5 Battery
only
* 807-4573
Computer Locator Wire (used from Computer to Interface Board) See
wiring diagram 805-1734 for locator pin positions.
* 807-4552
Communications Terminator (used on Computer pin J6 and ATO
board pin J10 to terminate network)
807-4657 Jumper (used on 4 and 5 battery ATO board plug J5 pin 7 and 8)
* 106-9256SP Long Top-off Power (used between Component Box to ATO Box)
* 807-4760 Harness, LOV™ RTI-MIB connector
√ * 807-4660PK SMT Pin Service Repair Kit
√ * 230-2345 SMT Pin Extractor
* Not illustrated.
See page 1-14, 1-18, 1-27 and 1-36 for Pin Positions.
√ Recommended parts.

2-18
2.5 Filtration System Components
2.5.1 Filtration Components

2-19
2.5.1 Filtration Components cont.
ITEM PART # COMPONENT
1 823-7181 Lid, Multi-Vat Fryers, Standard Size Filter Pan
823-6684 Lid, Multi-Vat Fryers, Standard Size Filter Pan (France Only)
823-7187 Lid, Two-Vat Fryer, Half Size Filter Pan
823-6162 Lid, Two-Vat Fryer, Half Size Filter Pan (France Only)
1a 823-7186 Guard, Pan Splash Lid
2 810-3276 Crumb Tray, Standard Size Filter Pan 3, 4 and 5 Vat
810-3288 Crumb Tray, Two-Vat Fryer, Half Size Filter Pan
3 810-3268 Hold-Down Ring for Pad 16.56 x 22.32, Standard Size Pan 3, 4, and 5 Vat
810-3289 Hold-Down Ring for Pad 11.20 x 19.10, Two-Vat Fryer, Half Size Filter Pan
4 200-2240 SanaGrid Filter Screen, Standard Size Filter Pan
220-2901 SanaGrid Filter Screen, Two-Vat Fryer, Half Size Filter Pan
5 106-8677SP Pan, One-Piece Filter LOV™ Standard Size
106-9148 Pan, One-Piece Filter LOV™ Standard Size (France Only)
106-8211SP Pan, Two-Vat Fryer, LOV™ Half Size
106-8435 Pan, Two-Vat Fryer, LOV™ Half Size (France Only)
6 823-6715 Suction Tube Standard LOV™
823-6164 Suction Tube Standard LOV™ (France Only)
823-6399 Suction Tube Two Vat LOV™
7 810-3007 Magnet, Pull Ring
8 106-9251SP Assembly, Filter Pan Switch Three Vat or more (106-5876SP Sensor only)
106-8080SP Assembly, Filter Pan Switch Two Vat (106-5876SP Sensor only)
* 106-5876SP Sensor, Magnet
9 230-3936 Rail, Filter Pan Retaining Standard
10 220-3748 Support, Left Filter Pan
220-3275 Support, Left Filter Pan Two Vat LOV™
11 220-3749 Support, Right Filter Pan
106-8487 Support, Right Filter Pan Two Vat LOV™
12 Motor and Gasket Kit
826-1785 100V 50/60 Hz
√ 826-1712 115V 50/60 Hz
√ 826-1756 208V 50/60 Hz
826-1270 220-240V 50/60 Hz
826-1755 250V 50/60 Hz
13 826-2789 Pump, Viking 8 GPM Kit (includes gasket 816-0093)
* 807-11973 Viking Pump Seal Kit
* 809-1020 Cap Screw, 5/16-inch-18 5.50” NC Hex (Connects pump to motor.)
14 813-0165 Elbow, ST ½-inch x ½-inch NPT 90° BM
15 810-1668 Adapter, ⅝-inch to ½-inch NPT Male
16 810-1067 Flexline, 8.5-inch Oil Return
17 810-1057 Flexline, 13-inch Oil Return
18 810-0667 Check Valve ½” NPT
19 810-3738 Adaptor, Check Valve Close Nipple
20 813-0031 Bushing, ¾” NPT x ½” BM
21 813-0062 Elbow, ½-inch x ½-inch 90° BM
√ * 826-1392 O-Ring (Pkg. of 5; used with Item 5)
* 813-0568 Plug, ⅛-inch Socket Head Pipe (used with Item 5; two required)
* 807-1105 Heater Strip Assembly, 100-120V 25W 18”
* 807-1098 Heater Strip Assembly, 208-250V 25W 18”
* Not illustrated.
√ Recommended parts.

2-20
2.5.2 Auto Intermittent Filtration Components
2.5.2.1 LOV™ Indicator Lights Assembly
ITEM PART # COMPONENT
1 106-8106SP Light, Blue 24VDC LED Flush
2 106-8105SP Light, Yellow/Orange 24VDC LED Flush
3 230-4271 Plate, Control Frame LOV™
2.5.2.2 Manual Interface Board Assembly
ITEM PART # COMPONENT
108-1298 Assembly, MIB
1 220-6288 Cover, MIB
√ 2 108-2156 Assembly, MIB Computer w/ Frame
807-4481 Overlay
3 220-5793 Assembly Back, Box MIB
√ Recommended parts.
106-8231SP LOV™ Panel Assembly
108-1298 Manual Interface Board Assembly

2-21
2.5.2.3 AIF Board Assembly
12
3
456
ITEM PART # COMPONENT
108-1305 Assembly, AIF
1 824-1988 Cover, AIF Board
2 816-0814 Gasket, AIF Board
3 816-0815 Gasket, Computer Board
√ 4 108-1304 Board, AIF
5 816-0820 Seal, AIF Board
6 108-0097 Panel Assembly, AIF Box
√ Recommended parts.
2.5.2.4 LOV PCB/Computer Board Matrix
PART # COMPONENT
108-2156 Assembly, MIB PCB w/ metal work
108-1305 Assembly, AIF Board w/ metal frame
108-1304 Board, AIF Board PCB w/ software
108-1279 Board, ATO PCB w/ software
108-1295 M3000 Non-CE Domestic (For use in US, Canada, Mexico and
all other non-CE countries)
108-1283 M3000 CE (For use in European CE countries)
108-1305 AIF Board Assembly

2-22
2.6 Frypot Assemblies and Associated Parts
2.6.1 Frypots with Linear Actuators
ITEM PART # COMPONENT
1 823-7436 Frypot, Full-Vat LOV™
2 823-7437 Frypot, Dual-Vat LOV™
√ 3 Thermostat Assembly, High-Limit Long Standard
826-2454 Non-CE Full Vat 425°F (218°C) (17kW FV and 14kW FV) (Color Coded
Black 806-7543)
826-2456 Non-CE Dual Vat 435°F (224°C) (22kW, 17kW DV and 14 kW DV)
(Color Coded Red 806-8035)
826-2455 CE Full and Dual Vat 415°F (213°C) (14kW and 17kW CE) (Color-Coded
Yellow 806-8132)
√ 4 826-2706 Probe, Temperature and Fitting Kit AIF/RTD
5 810-1067 Flexline, ⅝” OD x 8.50” Long
6 810-1668 Adaptor, Male ⅝” OD x ½”
√ 7 826-2587 Actuator, Linear AIF 24VDC Kit includes 810-1776
8 809-1012 Pin, Clevis, ¼” x 1¼” (Drain and return valves)
9 809-1035 Pin, Clevis, ¼” x 2¼” (center pin drain actuator)
10 809-1036 Pin, Clevis, ¼” x 2” (center pin return actuator)
11 810-1776 Clip, Toaster Ring
12 108-0698 Valve, Drain Assy. LOV™ FV or DV Right as viewed from front of frypot.
13 108-0697 Valve, Drain Assy LOV™ DV Left as viewed from front of frypot.
14 108-0700 Valve, Return Assy LOV™ FV or DV Right as viewed from front of frypot.
15 108-0699 Valve, Return Assy LOV™ DV Left as viewed from front of frypot.
16 813-0022 Nipple, ½” x Close NPT BM
17 813-0165 Elbow, St. ½” x ½” NPT 90°
18 220-5960 Strap, Elec LOV™ Actuator
√ Recommended parts.
See Page 2-5 for Drain
Valve Assemblies.
See Page 2-24 for Return
Valve Assemblies.

2-23
2.6.2 Frypots with Rotary Actuators
ITEM PART # COMPONENT
1 823-7672 Frypot, Full-Vat LOV™
2 823-7673 Frypot, Dual-Vat LOV™ (use 823-7745 for Hybrid Fish Vat)
√ 3 Thermostat Assembly, High-Limit Long Standard
826-2454 Non-CE Full Vat 425°F (218°C) (17kW FV and 14kW FV) (Color Coded
Black 806-7543)
826-2456 Non-CE Dual Vat 435°F (224°C) (22kW, 17kW DV and 14 kW DV)
(Color Coded Red 806-8035)
826-2455 CE Full and Dual Vat 415°F (213°C) (14kW and 17kW CE) (Color-Coded
Yellow 806-8132)
√ 4 826-2706 Probe, Temperature and Fitting Kit AIF/RTD
5 810-1067 Flexline, ⅝” OD x 8.50” Long
6 810-1668 Adaptor, Male ⅝” OD x ½”
√ 7 807-4961 Actuator, Rotary 24VDC (#1)
√ 8 807-4962 Actuator, Rotary 24VDC (#2)
√ 9 810-3755 Valve, 1¼ Drain Rotary Actuator LOV™
√ 10 810-3754 Valve, ½ NPT Return Rotary Actuator LOV™
11 813-0022 Nipple, ½” x Close NPT BM
12 813-0062 Elbow, ½” Blk 90°
13 220-7386 Strap, Round Drain Elec LOV
√ Recommended parts.

2-24
2.7 Oil Return Manifolds
ITEM PART # COMPONENT
1 810-3015 Manifold, Two-Station Fryer
2 810-3016 Manifold, Three-Station Fryer
3 810-3017 Manifold, Four-Station Fryer
4 810-3018 Manifold, Five-Station Fryer
* 813-0907 Cap, 15/16-inch Valve
* Not illustrated.
2.8 Return Valves and Associated Parts
2.8.1 Return Valves and Associated Parts (Linear Actuators)

2-25
2.8.1 Return Valves and Associated Parts (Linear Actuators) cont.
ITEM PART # COMPONENT
1 232-5702 Handle, Return Valve with Locator FV or DV Right
2 231-5702 Handle, Return Valve with Locator DV Left
3 900-2935 Retainer, Nut Oil Return Valve
4 810-2201 Valve, ½-inch Ball
5 823-7233 Mount, Return Actuator Right
6 823-7232 Mount, Return Actuator Left
7 230-5963 Brace, Return Actuator Bracket
2.8.2 Return Valve (Rotary Actuators)
ITEM PART # COMPONENT
1 810-3754 Valve, ½-inch NPT Rotary Actuator
2.9 Auto Top Off Components
2.9.1 JIB Basket
ITEM PART # COMPONENT
1 220-7991 Basket, JIB LOV™
2.9.2 JIB Cap and Pick Up Assembly
ITEM PART # COMPONENT
108-2005 Cap, JIB Assembly (use 108-2047 for BIB)
1 108-2001 Cap, JIB (use108-2002 for Intl. BIB)
2 810-3823 Hose, JIB
Full-Vat or Dual-Vat Return Valve

2-26
2.9.2 JIB Cap and Pick Up Assembly cont.
ITEM PART # COMPONENT
3 823-7738 Inlet, Oil Reservoir Tube
4 816-0870 Clamp
2.9.3 Automatic Top Off Board Assembly
5
31
46 7
8
9
2
ITEM PART # COMPONENT
1 108-0653 Box, Assembly Auto Top Off Board
2 220-5679 Cover, Top Off Board Box
√ 3 108-1279 PCB Board, Automatic Top Off
* 108-1302
PCB Board, LON Works 120V (Must be pre-programmed before
shipping)
* 108-1303
PCB Board, LON Works 230-240-250V (Must be pre-programmed before
shipping)
√ 4 807-2181 Transformer, 100-120V/24V 62VA
√ 5 807-0855 Transformer, 120V 50/60-12V 20VA
√ 6 807-2180 Transformer, 208-240V/24V 50VA
√ 7 807-2191 Transformer, 208/230/240 -12V 30VA
8 807-1321 Holder, Fuse AGC Panel Mount ¼”
√ * 807-1597 Fuse, 3A Slow-Blow
√ 9 807-0012 Relay, 18AMP 1/3 HP 24V Coil (Top off pump)
* Not illustrated.
√ Recommended parts.
NOTE: Top off boxes for vats 4 and 5 have either item 4 or item 6, both have item 3.
108-0507 208-240V Assy
108-0506SP 120V Assy

2-27
2.9.4 ATO Pump Assembly
ITEM PART # COMPONENT
√ 1 108-0639 Pump, Shurflo 24VAC
2 810-3265 Flexline, ½” OD x 24-inch (Out to oil return manifold)
810-3591 Flexline, ½” OD x 8-inch (Out to oil return manifold two battery only)
* 810-0667 Check valve, ½ NPT 1 PSI
3 810-1069 Flexline, ⅝” OD x 29.5-inch (In from RTI fresh oil solenoid) Domestic
units only
4 810-3666 Fitting, Shurflow Pump
5 816-0782 O-Ring, Viton #111
6 813-0940 Elbow, ¼” NPT x ⅜ Flare
7 810-3770 Fitting, ¼” NPT Male Barb
8 813-0543 Elbow, ¼” NPT BM
9 813-0838 Nipple, ¼” NPT BM Close
10 813-0530 Tee, Reducing ½” x ¼” x ½”
11 813-0304 Bushing, ½” x ¼” BM Flush
12 813-0022 Nipple, ½” x Close NPY BM
13 813-0345 Elbow, ½” BM 45°
14 810-1668 Adaptor, Male ⅝” OD x ½”
15 812-2083 Hose LOV Fryer JIB (Cut and attach to item 7 with a ty wrap)
* 811-1166 Hose, Silicone Braided 18” (sold by the foot)
* Not illustrated.
√ Recommended parts.
Item 2 connects
to a check valve
before going
into the oil
return manifold.
Domestic Units
JIB hose
connects here.
International Units
JIB hose
connects here.

2-28
2.9.5 ATO Pump Assembly Service Kit (Larger Top Off Lines)
INSTALL
O-RINGS
HERE
5
4
6
3
2
1
13
7
8
9
10
11
712
ITEM PART # COMPONENT
108-3041 Kit, Pump BIELA Topoff Service Kit
√ 1 108-0639 Pump, Shurflo 24VAC
2 810-3265 Flexline, ½” OD x 24-inch (Out to oil return manifold)
810-3591 Flexline, ½” OD x 8-inch (Out to oil return manifold two battery only
)
* 810-0667 Check valve, ½ NPT 1 PSI
3 810-1069 Flexline, ⅝” OD x 29.5-inch (In from RTI fresh oil solenoid) Domesti
units only
4 810-3666 Fitting, Shurflow Pump
5 816-0782 O-Ring, Viton #111
6 813-0940 Elbow, ¼” NPT x ⅜ Flare
7 813-0062 Elbow, ½” BLK 90° NPT BM
8 813-0087 Nipple, ½” x 1.50-inch
9 823-8063 JIB Connection Topoff Welded Assy.
10 813-0165 Elbow, Street ½” x ½” NPT 90° BM
11 813-0247 Nipple, ½” x 3.50-inch NPT BM
12 108-2054 Fitting Assy Shurflow
13 810-1668 Adaptor, Male ⅝” OD x ½”
* 813-0907 Cap 15/16”
* Not illustrated.
√ Recommended parts.
Item 2 connects
to a check valve
before going
into the oil
return manifold.
JIB hose
connects here.
Item 3 on this page
and Item 8 on the
following page are
the same part.

2-29
2.10 RTI
2.10.1 RTI Manifold and Accessories
TO OIL RETURN
MANIFOLD
TO TOP OFF
PUMP INTAKE
AND TO FILL
RTI JIB
27
25
23
24
26 TO RTI BYPASS CHECK VALVE AND
TO DRAIN DOWNSPOUT
TO DRAIN
DOWNSPOUT
10
6
TO TOP OFF
PUMP INTAKE
AND TO FILL
RTI JIB
TO OIL
RETURN
MANIFOLD
8
6
WASTE OIL TO RTI
DISPOSE TANK
21 FRESH OIL
FROM RTI
TANK
4
12
11
17
1
13
19
6
8
20
18
15
16
7
13
5
2
22
14
14
14
14
93

2-30
2.10.1 RTI Manifold and Accessories cont.
ITEM PART # COMPONENT
√ 1 106-6830 Solenoid Assembly
2 108-0446 Valve, RTI Waste Assembly (see page 2-32 for parts)
3 810-1668 Adaptor, Male ⅝” OD x ½”
4 220-5658 Cover, RTI Dust Plug
5 807-4760 Harness, RTI – MIB connection
6 810-1057 Flexline, ⅝” OD x 13-inch long
7 810-1668 Adaptor, Male ⅝” OD x ½”
8 810-1069 Flexline, ⅝” OD x 29.50-inch long
9 813-0555 Reducer, Bell Fitting, ½” to ¼” NPT BM
10 810-3531 Valve, Check 20 PSI RTI bypass
11 810-3583 Valve, Check ½” NPT 4 PSI RTI Manifold
12 810-3596 Manifold, RTI
13 813-0003 Tee, ½” x ½” x ½” BM
14 810-3738 Adaptor, Check Valve Close Nipple
15 813-0062 Elbow, ½” Blk 90°
16 813-0093 Nipple, ½” x 4-inch
17 813-0062 Elbow, ½” BM 90°
18 813-0261 Nipple, ½” x 5-inch NPT
19 813-0304 Bushing, ½” x ¼”
20 813-0345 Elbow, ½ Blk 45°
21 813-0336 Plug, ½” NPT Square Head
22 813-0838 Nipple, ¼” NPT
23 220-5656 Brace, RTI Handle
24 220-5657 Cover, RTI Handle
25 823-7142 Handle, RTI Waste Pull
26 810-3587 Lock and Key, RTI Waste Handle
27 809-0601 Clip, Clevis Left Rod End
√ Recommended parts.

2-31
2.10.2 RTI Dispose Waste Valve
ITEM PART # COMPONENT
108-0446 Valve, RTI Dispose Waste
1 108-0445 Bracket, RTI Waste Valve
2 220-5615 Handle, RTI Waste Valve
3 807-4936 Microswitch, Gold Sealed
4 810-0278 Valve, ½” Ball
5 900-2935 Retainer, Nut Return Valve
6 901-2348 Cover, DV Safety Switch
7 902-2348 Cover, DV Safety Switch
2.10.3 RTI Test Box
ITEM PART # COMPONENT
√ 108-0716 Box, LOV™ RTI Test
√ Recommended parts.

2-32
2.11 Wiring Connectors, Pin Terminals and Power Cords
ITEM PART # COMPONENT
Power Cords
* 807-0154 100/120V–15A 3-wire, w/grounded plug
* 807-4317 100/208/240V-16A 3-Wire with Plug LOV CE
* 807-1685 100/208/240V–18A 3-wire, w/o plug
* 807-4316 120V 5-wire, w/grounded plug LOV
* 807-3817 208/240V 3-Phase 4-wire w/grounded plug
* 807-5105 208/240V 3-Phase 4-wire w/grounded plug 105” CE 4 battery or
larger
Connectors and Tools
1 807-1068 2-Pin Female
2 807-0158 6-Pin Female
3 807-0156 9-Pin Female
5 807-0159 12-Pin Female
5 807-0875 15-Pin Female
6 807-1067 2-Pin Male
7 807-0157 6-Pin Male
8 807-0155 9-Pin Male
9 807-0160 12-Pin Male
10 807-0804 15-Pin Male
11 826-1341 Terminal, Female Split Pin (Pkg of 25)
12 826-1342 Terminal, Male Split Pin (Pkg of 25)
13 807-2518 Plug, Mate-N-Lock (Dummy Pin)
14 807-0928 Extract Tool Pin Pusher
15 806-4855 Pin Pusher Screwdriver Assembly
16 230-2345 SMT Pin Extractor
* 807-4660PK SMT Pin Service Repair Kit
* Not illustrated.

2-33
2.12 Fasteners
ITEM PART # COMPONENT
* 809-0429 Bolt, ¼-inch – 20 x 2.00-inch Hex Head ZP Tap
* 809-0131 Bolt, ¼-inch -20 x ¾-inch Hex
* 809-1020 Cap Screw, 5/16-inch-18 5.50” NC Hex (Connects pump to motor.)
* 809-0448 Clip, Tinnerman
* 826-1366 Nut, 4-40 Keps Hex (Pkg. of 25) (809-0237)
* 826-1358 Nut, 6-32 Keps Hex (Pkg. of 25) (809-0049)
* 809-0247 Nut, 8-32 Keps Hex
* 826-1376 Nut, 10-32 Keps Hex (Pkg. of 10) (809-0256)
* 809-0766 Nut, 10-32 Keps Hex SS
* 809-0581 Nut, ½ NPT Locking
* 809-0020 Nut Cap 10-24 NP
* 826-1372 Nut Grip ¼-inch ¼-20 Hex NP (Pkg. of 10) (809-0059)
* 809-0417 Nut Flange ¼-inch ¼-20 Serr
* 809-0535 Nut, "T" ¼-inch-20 x 7/16 SS
* 809-0495 Nut, ¼-inch – 20 Press
* 809-0540 Nut, Lock ½-inch-13 Hex 2-Way ZP
* 826-1359 Screw, 4-40 x ¾-inch Slotted Round Head (Pkg. of 25) (809-0354)
* 826-1365 Screw, 6-32 x ⅜-inch Slot Head (Pkg. of 25) (809-0095)
* 809-0357 Screw, 6 x ⅜-inch Phillips Head NP
* 809-0359 Screw, 8 x ¼-inch Hex Washer Head
* 809-0360 Screw, 8 x ⅜-inch Hex Washer Slot Head
* 826-1371 Screw, 8 x ½-inch Hex Head ZP (Pkg. of 25) (809-0361)
* 809-0364 Screw, 8 x ⅝-inch Hex Washer Head ZP
* 809-0518 Screw, 8-32 x ⅜-inch Hex Washer Slotted Head SS
* 809-0104 Screw, 8-32 x ½-inch Slotted Head ZP
* 826-1363 Screw, 8-32 x ½-inch NP (Pkg. of 25) (809-0103)
* 826-1360 Screw, 10-24 x 5/16-inch Round Slot Head ZP (Pkg. of 25) (809-0024)
* 826-1330 Screw, 10-32 x ⅜-inch Slot Head SS (Pkg. of 25) (809-0117)
* 809-1003 Screw, 10-32 x ⅜-inch Hex Trim Head SS
* 809-0270 Screw, 10-32 x ½-inch Phillips Head ZP
* 826-1375 Screw, 10-32 x ¾-inch Hex Trim Head SS (Pkg. of 5) (809-0401)
* 809-1000 Screw, 10-32 x 1¼-inch Hex Sck C/S
* 826-1374 Screw, 10 x ½-inch Hex Head (Pkg. of 25) (809-0412)
* 809-0266 Screw, 10 x ½-inch Phillips Head ZP
* 809-0434 Screw, 10 x ⅜-inch Hex Washer Head NP
* 809-0123 Screw, 10 x ¾-inch Slot Head
* 826-1389 Screw, 1/4-20 x ¾-inch Hex Head ZP (Pkg. of 10) (809-0131)
* 809-0582 Washer ½ NPT Locking
* 809-0184 Washer, #10 LK ZP
* 809-0190 Washer, .625 X .275 X 40 Flat SS
* 809-0191 Washer, Lock ¼ Spring ZP
* 809-0193 Washer, Flat ¼ Nylon
* 809-0194 Washer, Flat 5/16 ZP
THIS PAGE INTENTIONALLY LEFT BLANK

Frymaster, L.L.C., 8700 Line Avenue, Shreveport, Louisiana 71106
TEL 1-318-865-1711 FAX (Parts) 1-318-219-7140 (Tech Support) 1-318-219-7135
PRINTED IN THE UNITED STATES SERVICE HOTLINE
1-800-551-8633
819-6446
MAY 2011