Frymaster Pastamagic 8196692 Users Manual Pasta Magic SP Cover, Front
8196692 to the manual 1b819f26-fa27-4a71-918f-cf7e02b3b0fa
2015-02-09
: Frymaster Frymaster-Pastamagic-8196692-Users-Manual-552279 frymaster-pastamagic-8196692-users-manual-552279 frymaster pdf
Open the PDF directly: View PDF
.
Page Count: 44

Frymaster, a member of the Commercial Food Equipment Service Association, recommends
using CFESA Certified Technicians.
24-Hour Service Hotline
1-800-551-8633
NOV 2010
*8196692*
Pasta Magic
Gas Cooker Models
GPC, GPCB, GPCR and GPCRB
Service and Parts Manual

DANGER
IMPROPER INSTALLATION, ADJUSTMENT, ALTERATION, SERVICE, OR MAINTENANCE CAN
CAUSE PROPERTY DAMAGE, INJURY, OR DEATH. READ THE INSTALLATION, OPERATING,
AND SERVICE INSTRUCTIONS THOROUGHLY BEFORE INSTALLING OR SERVICING THIS
EQUIPMENT.
DANGER
FOR YOUR SAFETY, DO NOT STORE OR USE GASOLINE OR OTHER FLAMMABLE LIQUIDS OR
VAPORS IN THE VICINITY OF THIS OR ANY OTHER APPLIANCE.
DANGER
POST IN A PROMINENT LOCATION THE INSTRUCTIONS TO BE FOLLOWED IN THE EVENT THE
USER SMELLS GAS. THIS INFORMATION SHALL BE OBTAINED BY CONSULTING THE LOCAL
GAS SUPPLIER.
THIS EQUIPMENT IS TO BE INSTALLED IN COMPLIANCE WITH THE BASIC PLUMBING CODE
OF THE BUILDING OFFICIALS AND CODE ADMINISTRATORS INTERNATIONAL, INC. (BOCA)
AND THE FOOD SERVICE SANITATION MANUAL OF THE FOOD AND DRUG ADMINISTRATION.
COMPUTERS
FCC
This device complies with Part 15 of the FCC rules. Operation is subject to the following two
conditions: 1) This device may not cause harmful interference, and 2) This device must accept
any interference received, including interference that may cause undesired operation. While
this device is a verified Class A device, it has been shown to meet the Class B limits.
CANADA
This digital apparatus does not exceed the Class A or B limits for radio noise emissions as set
out by the ICES-003 standard of the Canadian Department of Communications.
Cet appareil numerique n’emet pas de bruits radioelectriques depassany les limites de classe A
et B prescrites dans la norme NMB-003 edictee par le Ministre des Communcations du Canada.
DANGER
THIS PRODUCT CONTAINS CHEMICALS KNOWN TO THE STATE OF CALIFORNIA TO CAUSE
CANCER AND/OR BIRTH DEFECTS OR OTHER REPRODUCTIVE HARM.
Operation, installation, and servicing of this product could expose you to airborne particles of
glasswool or ceramic fibers, crystalline silica, and/or carbon monoxide. Inhalation of airborne
particles of glasswool or ceramic fibers is known to the State of California to cause cancer.
Inhalation of carbon monoxide is known to the State of California to cause birth defects or other
reproductive harm.
FRYMASTER FRYERS EQUIPPED WITH LEGS ARE FOR PERMANENT INSTALLATION. FOR
MOVEABLE OR PORTABLE INSTALLATION, FRYMASTER OPTIONAL EQUIPMENT CASTERS
MUST BE USED.
QUESTIONS??? CALL 1-800-551-8633.
Do not use deliming solution to clean water bath units. Use of deliming solution will damage all
stainless steel parts.

i
GAS COOKERS GPC, GPCB, GPCR and GPCRB
SERVICE & PARTS MANUAL
TABLE OF CONTENTS
CHAPTER 1: Service Procedures
1.1 Functional Description ....................................................................................................... 1-1
1.2 Accessing Equipment for Servicing ................................................................................... 1-4
1.3 Replacing Equipment Components .................................................................................... 1-4
1.3.1 Replacing the Controller ................................................................................................ 1-4
1.3.2 Replacing Electronic Components Other than the Controller ....................................... 1-4
1.3.3 Replacing a Water-Level Sensor or the Temperature Probe ......................................... 1-5
1.3.4 Replacing the Pressure Regulator or Solenoid Valve .................................................... 1-6
1.3.5 Replacing the Water Faucet ........................................................................................... 1-7
1.3.6 Replacing a Basket Lift Motor or Microswitch ............................................................. 1-7
1.3.7 Replacing Gas Supply System Components or Ignitor Assemblies .............................. 1-8
1.3.8 Replacing the Cookpot or Rinse Tank ......................................................................... 1-10
1.4 Troubleshooting ............................................................................................................... 1-11
1.4.1 How the Power Supply System Works ....................................................................... 1-11
1.4.2 How the Controller Works .......................................................................................... 1-11
1.4.3 How the Autofill/Autoskim System Works ................................................................ 1-11
1.4.4 How the Water Heating System Works ....................................................................... 1-12
1.4.5 How the Basket Lift System Works ............................................................................ 1-13
1.4.6 Technician Troubleshooting Guides ............................................................................ 1-13
1.4.7 Probe Resistance Chart and Wiring Diagrams ............................................................ 1-17
CHAPTER 2: Parts List
2.1 Accessories ........................................................................................................................ 2-1
2.2 Basket Lift Components .................................................................................................... 2-2
2.3 Cabinetry ............................................................................................................................ 2-4
2.4 Combustion System Components ...................................................................................... 2-8
2.5 Control Box and Related Components ............................................................................ 2-10
2.6 Controllers and Control Panel Components .................................................................... 2-12
2.7 Cookpot, Rinse Tank and Associated Components ......................................................... 2-13
2.8 Drain Components ........................................................................................................... 2-15
2.9 Gas Supply System Components ..................................................................................... 2-17
2.10 Water Supply Components .............................................................................................. 2-19

1-1
GAS COOKERS GPC, GPCB, GPCR AND GPCRB
SERVICE AND PARTS
CHAPTER 1: SERVICE PROCEDURES
1.1 Functional Description
The GPC, GPCB, GPCR and GPCRB Gas Cookers all have a 12.7-gallon (48.1-liter) stainless steel
cookpot. The water in the cookpot is heated by a high-efficiency infrared heating system that
requires approximately 43% less energy than conventional burner systems to heat the same volume
of water.
Two self-contained burners are located beneath the cookpot. Each burner is fitted with special
ceramic tiles that are heated by the burning of a forced air/gas mixture. The tiles transfer their heat
to the cookpot by means of infrared radiation, providing much more constant and uniform heat
dispersion over the surface of the cookpot than do conventional burners. Because relatively less heat
is lost to the atmosphere in the process, compared to “open-burner” designs, less fuel is required to
achieve and maintain a given cookpot temperature.
Gas flow to both of the burners is regulated by one electromechanical gas valve.
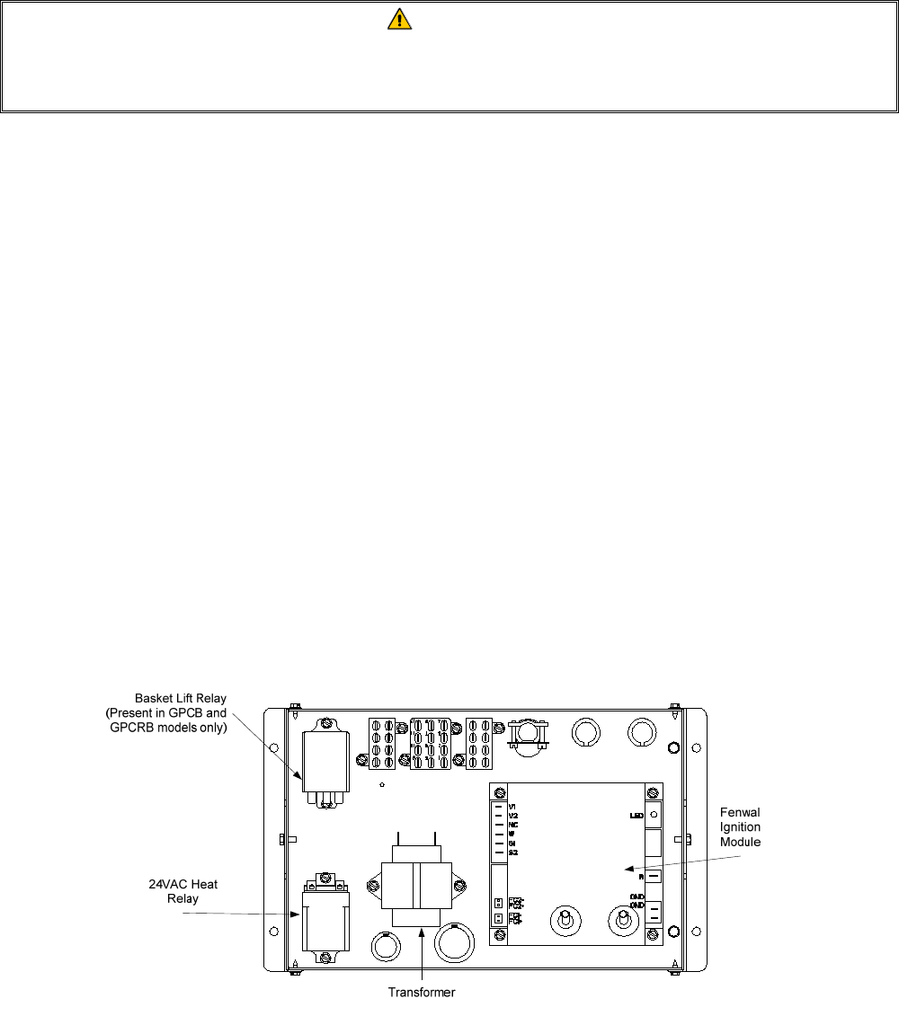
Inside GPC Cabinet
Model Description
GPC Cooker only, auto fill/skim, programmable timer
GPCR Separate rinse tank, auto fill/skim, hot/cold water inlets, programmable timer, faucet
GPCRB Automatic basket lift, separate rinse tank, auto fill/skim, hot/cold water inlets, programmable
timer, faucet
GPCB Automatic basket lifts, auto fill/skim, programmable timer
Operational control of the burner system is accomplished through a solid-state SMS III Spaghetti
Magic controller. NOTE: The SMS III controller used in this model series is identical in
appearance to the SMS III controllers used in other model series, but differs internally. Use only the
part numbers listed in Chapter 2 when replacing controllers on this equipment.

1-2
SMS III Controller
The GPC, GPCB, GPCR and GPCRB controllers do not have a ten-time warm up cycle as previous
models did, but instead use a Fenwal ignition module (807-4943). The module will try to light for
four seconds. If unsuccessful, the blower will remain on for 15 seconds and try again. Once the
burner is lit and the flame is proved, the module ends the lighting sequence. If the flame is not
proved after eight tries, the module will lock out.
When the controller power switch is pressed, a logic circuit in the controller automatically checks
the water level in the cookpot. A normally closed solenoid valve on the water supply line
automatically opens if the normal water-level sensor is not grounded by contact with water in the
cookpot. When sufficient water has been added to ground the low water-level sensor, the unit
automatically enters the SIMMER mode and remains there unless the operator presses the BOIL
mode switch or turns the unit off. When the water level in the cookpot reaches and grounds the
normal water-level sensor, the solenoid valve in the water supply line closes. Anytime the water
level in the cookpot drops below the normal water-level sensor, the solenoid valve opens to refill the
cookpot to the proper level.
While in the simmer mode, logic circuits in the controller monitor the temperature of the water and
cycle the burners on and off to maintain the temperature at the setpoint programmed into the
controller. The cooker also has a low-water safety. If the water in the cookpot falls below the low
water-level sensor, the controller cuts power to the gas valve, causing it to close and cut off the gas
supply to the burners.
The autoskim and skim features are independent of each other. The autoskim feature (on units so
equipped) cannot be turned off. The autoskim feature adds water for approximately three seconds
once a minute.
The skim feature, when activated by pressing the skim button on the controller, delivers a conti-
nuous spray of water for approximately two minutes, then stops until the button is again pressed. In
both cases, the purpose is to cause the water in the cookpot to overflow into the drain, carrying float-
ing starch with it. (A buildup of starch reduces the efficiency of the cooker and can cause erroneous
temperature and water level sensing.) NOTE: Do not use deliming solution to clean these units.
Use of deliming solution will damage all stainless steel parts.)
The operator enters a specified cooking time by pressing the number pads on the controller. When
the start switch is pressed, the controller begins to count down to zero. When the controller times
out, an alarm sounds briefly, then the timer reverts to the last time entered.
When the start switch is pressed to start the cooking cycle, logic circuits in the controller activate the
basket lift motors (on units so equipped), lowering the basket into the cookpot. As the motors drive

1-3
the basket lift arms down, a cam attached to the left motor eventually loses contact with a roller-
activated microswitch and power to the motors are cut. When the controller times out, logic circuits
reverse the switch positions so that the motor circuit is again completed and the motors are restarted,
raising the basket from the cookpot. At the fully raised position, the cam again makes contact with
the microswitch, cutting power to the motors and stopping the lift in the up position.
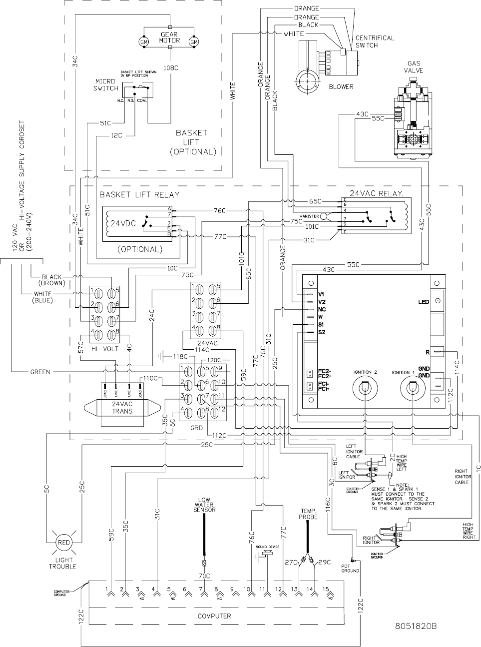
THE ELECTRONIC IGNITION SYSTEM
The ignition module, located in the component box, is connected to ignitor assemblies at each
burner. The ignition module performs three important functions: it provides an ignition spark,
supplies operating voltage to the gas valve, and proofs the burner flame. The GPC series use a
Fenwal ignition module.
The ignition module contains a 4-second time delay circuit and a coil that activates the gas valve.
The ignitor assembly consists of a spark plug, an enrichment tube, and flame sensor.
Module located in box below cookpot.
At start-up, the controller power switch is placed in the ON position. If the controller senses the
correct operating parameters (i.e., the correct water level in the cookpot), it sends a signal to the
24VAC relay in the component box to close the blower contacts. This supplies line voltage to the
blower motor. A centrifugal switch in the blower closes if the blower is operating correctly, which
allows 24VAC to flow through the closed contacts of the 24VAC relay to the ignition module.
Circuitry in the ignition modules sends 24VAC to the gas valve. Simultaneously, the module causes
the ignitors to spark for 4 seconds to light the burners. A flame sensor for each burner verifies that
the burner is lit by measuring the flow of microamps through the flame. If the burner does not light
(or is extinguished), current to the ignition module is cut, preventing the gas valve from opening,
and the ignition module “locks out” until the controller power switch is turned off and then back on.
A probe monitors the temperature in the cookpot. When the programmed setpoint temperature is
reached, resistance in the probe causes the heat cycle circuitry in the controller to cut off current to
the 24VAC relay, thus cutting line voltage to the blower. This cuts the 24VAC to the ignition
module, causing the gas valve to close.

1-4
1.2 Accessing Equipment for Servicing
DANGER
Moving this equipment while it is filled with hot water may cause spilling or
splattering of the hot water. Always drain the cookpot before attempting to relocate
this equipment for servicing.
1. Disconnect the unit from the electrical power supply, the gas supply and the water supply.
2. Disconnect any attached restraining devices.
3. Relocate the unit for service accessibility.
4. After servicing is complete, reconnect the unit to the water supply and the gas supply. Reattach
the restraining devices, and reconnect the unit to the electrical power supply.
1.3 Replacing Equipment Components
1.3.1 Replacing the Controller
1. Open the control panel by removing the two screws on the bottom of the bezel. Disconnect the
trouble light wires and lower the bezel. Remove the two screws in the upper edge of the control-
ler and lower the controller and disconnect the 15-pin connector and ground wire. Remove the
control panel by lifting the panel out of the slots in the control panel frame.
2. Remove the failed controller from the control panel and replace with the new controller. Re-
verse steps to complete the process.
1.3.2 Replacing Electronic Components Other than the Controller
1. Drain the cookpot and disconnect the cooker form the electrical power supply.
2. The control box is mounted inside the bottom of the cabinet located beneath the cookpot.
3. On the component to be replaced, make a note of the wiring connection points. Disconnect the
wires and remove the failed component. Install the replacement component and reconnect the
wiring in accordance with the notes made, or with the wiring diagram on the door of the unit.
4. Replace the component box cover, and reinstall the controller being sure to reconnect the ground
wire and trouble light wires. Reconnect the cooker to the electrical power supply.

1-5
1.3.3 Replacing a Water-Level Sensor or the Temperature Probe
1. Drain the cookpot and disconnect the cooker from the electrical power supply.
2. Remove the screws in the upper edge of the control panel and swing the panel down. Disconnect
the 15-pin connector, trouble light wires, and ground wire, and lift the panel out of the slots in
the control panel frame.
3. Remove the topcap from the unit by removing the four screws (two on the front and two on each
end) that secure it to the cabinet.
4. Remove the control panel frame by removing the screws in the top and bottom corners and the
screw in the center bracket.
5. If replacing a water-level sensor (see illustration below):
a. Disconnect the sensor lead by pulling it from its terminal then remove the Keps nut, terminal,
and washer from the sensor.
b. Inside the cookpot, remove the screw from the sensor flange.
c. Carefully pull the failed sensor from the probe block and replace with the new sensor.
d. Reassemble the washer, terminal, and nut onto the sensor, and reattach the lead.
e. Reverse Steps 1-4 to complete the procedure.
If replacing a water-level sensor, disconnect its
lead and remove its Keps nut, terminal and washer.
If replacing the temperature probe, mark the wiring
harness leads and disconnect the probe leads at the
push on connectors.
Remove the screws from the probe bracket and
push the probe out the back of the probe block.
Remove the screw from the sensor flange and
pull the sensor out the front of the probe block.
Water-Level Sensors
Temperature Probe
6. If replacing the temperature probe (see illustration above):
a. Mark the wiring harness leads and disconnect them from the probe leads at the push-on
connectors.
b. Remove the two screws in the probe bracket.
c. Carefully pull the probe from the probe block and replace with the new probe.
d. Reattach the leads and reverse Steps 1-4 to complete the procedure.
1.3.4 Replacing the Pressure Regulator or Solenoid Valve
1. Drain the cookpot and disconnect the cooker from the electrical power supply. Turn off or
disconnect the water supply to the cooker.

1-6
2. Disconnect the solenoid leads at the push-on connectors. Disconnect solenoid and regulator
subassembly at the compression fittings on the water lines running to and from these
components. Remove the two screws in the mounting bracket and remove the solenoid and
regulator subassembly from the unit. (NOTE: If the cooker is not equipped with the optional
Autofill feature, the cookpot water tube will be connected directly to the regulator and there will
be no solenoid valve.)
Remove the two
screws at the
bottom of this
bracket to
dismount the
solenoid and
regulator sub-
assembly.
The incoming water line will be connected
to the nipple at the inlet side of the
regulator using some type of field
connection fitting. Whatever type fitting is
used, disconnect the regulator at this point.
Disconnect the water tube
at this compression fitting.
Solenoid Valve
GSMS with Autofill Configuration GBC/GC with Autofill Configuration
Disconnect the water
tubes at these
compression fittings.
Solenoid Valve
Remove the two screws
at the bottom of this
bracket to dismount the
solenoid and regulator
sub-assembly.
3. If replacing the regulator, adjust the replacement regulator output pressure to not more than 40
PSI (28.15 kg/cm2) before installation in the cooker.
4. Recover the fittings from the failed component (regulator or solenoid valve) and install them on
the replacement, using thread sealer on all connections.
5. Reverse Steps 1 and 2 to complete the procedure, being sure to apply thread sealer to all
connections.
1.3.5 Replacing the Water Faucet
1. Drain the cookpot and disconnect the cooker from the electrical power supply.
NOTE: Refer to the illustration below for the following steps.
2. Turn off the water supply to the cooker and disconnect the incoming water lines where they
attach to the stubs at the rear of the cooker.
3. Remove the two screws securing the access panel in place and remove the panel.
4. Disconnect the water supply line at the compression fitting where it attaches to the water inlet
manifold. Remove the screws from the faucet mounting plate and lift the faucet assembly from
the unit.

1-7
Remove the six screws in
the faucet mounting plate.
Disconnect water line at
this compression fitting.
Remove this nut to separate the
faucet from the mounting plate.
Loosen this nut to separate the
faucet from the water inlet manifold.
5. Separate the faucet from the water inlet manifold and mounting plate as shown in the illustration
above.
6. Reverse Steps 1-5 to complete the procedure.
1.3.6 Replacing a Basket Lift Motor or Microswitch
1. Disconnect the cooker from the electrical power supply.
2. If rigid water connections have been used, disconnect the cooker from the incoming water
supply.
3. Remove the basket lift arms from the lifter rods and then reposition the cooker to gain access to
the rear. Remove the upper and lower basket lift rear panels.
4. Disconnect the basket lift synchronizer link from the lifter cam (bell crank) assemblies one at a
time. When the link is disconnected from a cam, slip the corresponding lifter rod down and out
of the assembly (see illustration on below).
Lifter Cams
Lifter Rods
Note the collection of washers and
spacers between the link and lifter rods.
Disconnect the basket lift synchronizer
link from the lifter cams and slip the lifter
rods down and out of the assembly.
Synchronizer Link

1-8
5. Remove the four bolts securing the motor mount to the frame, then remove the “motor and
mount assembly” from the unit. NOTE: It is possible to replace a motor or the microswitch
without removing the “motor and mount assembly”, but it is much more difficult.
6. Dismount the motor or microswitch as shown below and install the replacement.
Loosen setscrew in
bottom of cam (bell crank)
NOTE: The right motor dismounts
in the same way as the left.
7. Reverse Steps 1-6 to complete the procedure.
1.3.7 Replacing Gas Supply System Components or Ignitor Assemblies
1. Disconnect the cooker from the electrical power supply and from the gas supply. If necessary,
disconnect restraints to gain proper access to components.
2. Disconnect the component to be replaced (see illustration below) and install the replacement
component. NOTE: If replacing the gas valve, disconnect the enrichment tubes and gas supply
tubes at the valve, then unscrew the valve from the mounting bracket. Recover the fittings from
the failed valve and install them on the replacement valve using a thread sealer suitable for gas
appliances (Loctite™ PST 56765 is one example). Do not apply the sealer to the first two
threads of the fitting. This will help prevent clogging of the burner orifices and gas valve.

1-9
Burners Blower and plenum
removed
3. Reconnect the cooker to the gas supply and check all connections for leaks using a solution of
soapy water.
DANGER
DO NOT use matches, candles, or other ignition methods to check for leaks.
4. When satisfied that there are no leaks, reconnect the unit to the electrical supply, and reconnect
any restraints disconnected in Step 1.
1.3.8 Replacing the Cookpot or Rinse Tank
NOTE: The following procedure addresses removing the cookpot or rinse tank from a GPC unit.
The procedure is essentially the same for a GPC, GPCB, GPCR and GPCRB units, except that there
is no faucet on the GC, GPC or GPCB units. There are no basket lifts on the GC and GPC units.
1. Remove the basket lift arms from the lifter
rods.
2. Remove the faucet assembly from the cook-
er in accordance with Steps 1-4 of Section
1.3.5.
3. Remove the screws that secure each of the
rear corners of the backsplash assembly (see
illustration at right). NOTE: To access the
screw in the lower right corner (as viewed
from the rear) the upper basket lift back
panel must be removed.
4. Remove the screws along the top edge of the
control panel and open the panel by
swinging it downward. Disconnect the 15-
pin connector from the rear of the controller
and the wires attached to the trouble light,
and then lift the control panel out of the
control panel frame.
5. Remove the screws that secure the back-
splash sides to the cabinet sides then remove
the four screws that secure the topcap to the
cabinet.
6. Remove the top connecting strip.
7. Remove the screws attaching the standoff
brackets to the cookpot or rinse tank.

1-10
Remove these four screws.
Remove screws along the top edge of
control panel and dismount the panel.
Remove these
screws (on both
sides) and remove
backsplash and
topcap.
Remove these screws to release
the pots from the standoff brackets.
Remove the top
connecting strip.
8. If removing the cookpot, disconnect the enrichment tubes and gas supply tubes from the burner
assemblies. Disconnect the ignition cables and flame sensor wires from the ignitor assemblies
on each burner.
9. Remove the blower.
10. Lift the cookpot or rinse tank straight up and out of the cabinet.
11. Invert the cookpot or rinse tank on a suitable work surface and remove the salvageable
components (e.g., probe block assembly, drain plumbing, etc.). Install the recovered components
on the replacement cookpot or rinse tank, using thread sealer on all connections.
12. Reverse Steps 1 through 9 to complete the procedure.
1-11
1.4 Troubleshooting
Problems with this equipment maybe grouped into five broad categories:
1. Failure or malfunction of a Power-Supply System component.
2. Failure or malfunction of the Controller.
3. Failure or malfunction of an Autofill/Autoskim System component.
4. Failure or malfunction of a Water Heating System component.
5. Failure or malfunction of a Basket Lift System component.
Sections 1.4.1 through 1.4.5 briefly explain the functioning of each of the systems mentioned above.
Section 1.4.6 contains troubleshooting guides that provide systematic procedures to isolate and
identify the specific source of a problem. A wiring diagram is located at the end of the chapter.
1.4.1 How the Power-Supply System Works
Line voltage is supplied to the system via a power cord that is plugged or hard-wired into the store’s
electrical service. The power cord is connected to pins 1 and 5 of an 8-pin terminal block. Line vol-
tage is supplied to a 24VAC transformer from pins 2 and 8 of the terminal block. Pin 7 supplies
24VAC to a heat relay, which controls line voltage to the blower motor and 24VAC to the gas valve
via the ignition module. The transformer supplies 24VAC to the controller, to the coils of the
24VAC relay, and to the solenoid valve on units equipped with the Autofill option. On units
equipped with basket lifts, line voltage is supplied to a 24VDC basket lift relay from pin 6 of the
power cord terminal block. Line voltage to the basket lift motors is supplied via the basket lift relay.
1.4.2 How the Controller Works
The SMS III controller provides the interface between the operator and the system components. The
controller is powered by 24VAC supplied through pins 1 and 2 of the wiring harness. Internal cir-
cuitry senses the water level and water temperature. Depending upon the conditions sensed, the con-
troller energizes or de-energizes the solenoid valve which controls the water level. The 24VAC re-
lay controls burner firing which controls water temperature. The controller also controls the lower-
ing and raising of the basket lift, and activates an audible alarm to signal the operator that a cooking
cycle has completed. A rectifier in the controller converts 24VAC to the 24VDC required by the
basket lift relay. The controller signals for heat via pin 4, grounds the solenoid valve via pin 6, and
senses water level via pins 7 (low) and 9 (full). The temperature probe connects to pins 13 and 14.
The basket lift relay connects to pins 10 and 12. The sound device connects to pin 11.
1.4.3 How the Autofill/Autoskim System Works
The heart of the automatic filling (Autofill) system is a normally closed solenoid valve that opens
when 24VAC is applied.
The ground for the solenoid is supplied (via pin 6 of the controller wiring harness) so long as the
shorter of the two water-level sensors is not in contact with the water in the cookpot. When the
water in the cookpot reaches the shorter of the two water-level sensors, the sensor is grounded. This
causes the controller to break the solenoid ground, closing the valve. Starch or lime build-up on the
sensor may keep it from grounding, therefore always make sure the sensor is clean and its lead (pin 9
of the controller wiring harness) is firmly connected. Also, in order for the sensor to ground, there
must be some mineral content in the water (pure water is non-conductive). Consequently, the unit
will not operate correctly with distilled, highly filtered, or deionized water. If water of these types is
1-12
used, add ⅛-cup of baking soda to the water each time the cookpot is emptied and refilled. NOTE:
Do not use deliming solution to clean these units. Use of deliming solution will damage all stainless
steel parts.)
On units equipped with the Autoskim feature, a logic circuit in the controller automatically opens the
solenoid valve for three seconds every minute. If the autofill feature is working properly, failure of
the autoskim feature will be due to a malfunctioning controller and not the solenoid valve. (Proper
operation of the autofill feature can be determined by draining water from the cookpot until the
water level is below the shorter of the two water-level sensors. If the solenoid valve opens and then
closes when the water in the cookpot again reaches the sensor, the autofill feature is working
properly.)
1.4.4 How the Water Heating System Works
To prevent lighting the burners when there is no water in the cookpot, these units are equipped with
a low-water-level sensor (the longer of the two water-level sensors). This sensor must be grounded
by contact with water in the cookpot before the control circuitry will allow firing of the burners.
Starch or lime build-up on the low-water-level sensor may keep the sensor from grounding, therefore
always make sure the sensor is clean and its lead (Pin 7 of the controller wiring harness) is firmly
connected. Also, in order for the sensor to ground, there must be some mineral content in the water
(pure water is non-conductive). Consequently, the unit will not operate correctly with distilled,
highly filtered, or deionized water. If water of these types is used, add ⅛-cup of baking soda to the
water each time the cookpot is emptied and refilled. NOTE: Do not use deliming solution to clean
these units. Use of deliming solution will damage all stainless steel parts.)
In addition to the low-water-level sensor discussed above, the water heating system has three more
parts: the electronic ignition system, the temperature probe, and the controller.
The electronic ignition system controls firing of the burners. See Page 1-3 for a complete
description of this system.
The temperature probe is used only when the unit is in the simmer mode. When the simmer mode
is selected, logic circuits in the controller monitor the temperature of the water. When the water
temperature drops below the simmer setpoint, the controller closes the heat relay, causing the
burners to fire. When the water temperature reaches the setpoint, the controller opens the heat relay,
extinguishing the burners. This process repeats as required to maintain the temperature at the
setpoint programmed into the controller.
The controller is the interface between the operator and the other components of the equipment. In
the water heating system, its function is to control the firing of the burners.

1-13
1.4.5 How the Basket Lift System Works
When the start switch is pressed to start the cooking cycle, logic circuits in the controller activate the
basket lift motors, lowering the basket into the cookpot. As the motors drive the basket lift arms
down, a cam attached to the left motor (when viewed from the rear) eventually loses contact with a
roller-activated microswitch and power to the motors is cut. When the controller times out, logic
circuits reverse the switch positions so that the motor circuit is again completed and the motors are
restarted, raising the basket from the cookpot. At the fully raised position, the cam again makes con-
tact with the microswitch, cutting power to the motors and stopping the lift in the raised position.
1.4.6 Technician Troubleshooting Guides
PROBLEM PROBABLE CAUSES CORRECTIVE ACTION
Autofill does not add
water when water
level is below the
normal water-level
sensor (the shorter of
the two water-level
sensors).
A. Water not turned on. A. Turn on Water
B. Failed solenoid, failed computer,
or loose/broken wiring.
Test: Check for at least 22VAC at
Pin 5 of the 24VAC terminal block
and at solenoid end of wire 66C,
and check for ground (0 voltage) at
pin 6 of 15-pin connector.
B. If voltage is present at solenoid
end of wire 66C, and Pin 6 of
15-pin connector is grounded (0
voltage present), check
continuity of wire 50C. If wire
50C is good, replace solenoid.
If voltage is present at solenoid
end of wire 66C and at Pin 6 of
15-pin connector, replace
controller.
If voltage is not present at
solenoid end of wire 66C, check
wiring between solenoid and
terminal block for loose
connection or break in the wire.
Autofill does not shut
off when the cookpot
is full.
A. Starch accumulation on the normal
water-level sensor (the shorter of
the two water-level sensors) is
preventing the sensor from
grounding.
A. Clean the water-level sensors.
NOTE: Do not use deliming solu-
tion.
B. Mineral content of water is too low
to provide a ground.
B. Add 1/8th cup of baking soda to
water in cookpot. DO NOT
USE SALT! Doing so will
damage the cookpot.

1-14
PROBLEM PROBABLE CAUSES CORRECTIVE ACTION
Continued from
previous page.
C. Failed solenoid, failed computer,
or broken/loose wiring.
Test 1: Check sensor-lead
connections on outside of cookpot
and at pin 9 of 15-pin connector
and continuity of wire 71C.
Test 2: Check for AC voltage at
Pin 6 of 15-pin connector.
Test 3: Check for at least 22VAC
at solenoid end of wire 66C.
C. Action 1: Tighten connections
or replace wiring as required.
Action 2: If AC voltage is not
present, replace controller.
Action 3: If AC voltage is
present, replace solenoid.
If AC voltage is not present,
check wiring between solenoid
and terminal block for loose
connection or break in the wire.
Autoskim does not add
water when selected
(Autofill feature
verified to be working
correctly).
A. Failed controller. A. Replace controller.
Basket lift does not
lower when START
button is pressed or
rise when cooking
cycle completes.
A. Failed basket lift relay.
Test: Check for 13-17VDC at Pin
10 of 15-pin connector with basket
lift in the UP position, and for 0
volts with the basket lift in the
DOWN position.
A. If voltages are correct, replace
relay.
B. Failed controller.
Test: Check for 13-17VDC at Pin
12 of 15-pin connector.
B. Replace controller if voltage is
below 12VDC.
Basket lift travels up
and down
continuously.
A. Failed or out of adjustment
microswitch.
Test: Check continuity of switch
and verify that roller contacts cam.
A. Replace switch if it fails
continuity check.
Adjust switch mounting to
ensure roller contacts cam.
Basket lift travels
erratically or with
jerking motion.
A. Bell crank slipping on shaft. A. Tighten bell crank setscrew.
Ensure nut and locknut on shaft
are tight.
B. Lift arms binding in bushings B. Lubricate lift arms.
C. Defective motor. C. Replace motor.
Burner attempts to
light but will not
remain lit.
A. Flame sensor wire and ignitor
cables crossed.
A. Verify that sense 1 and spark 1
connect to same ignitor.
Burner will not light;
trouble light is on.
A. Cooker gas valve is turned off. A. Turn gas valve on.
B. Incoming gas line shut-off valve is
closed.
B. Open incoming gas line shut-off
valve.
Burner will not light;
trouble light is not on,
blower is not running.
A. Failed 24VAC (blower) relay.
Test: Check for 24VAC on pin 4
of 15-pin connector.
A. If voltage is present, replace
relay.

1-15
PROBLEM PROBABLE CAUSES CORRECTIVE ACTION
B. Failed controller. B. Replace controller.
Burner will not light;
trouble light is on,
blower is running
continuously.
A. Failed blower centrifugal switch.
Test: Check for 24VAC at bottom
24VAC terminal of ignition
module (wire 7C).
A. If voltage is not present, replace
blower.
B. Failed ignition module or gas
valve.
Test: Check for 24VAC output
from module to gas valve, and for
high voltage spark from module to
ignitor.
B. If either is not present, replace
the module.
If both are present, replace the
gas valve.
Burner produces
popping sound when
lighting.
A. Dirty blower inlet and fan. A. Clean blower.
B. Vent tube on gas valve is clogged,
causing high burner gas pressure.
B. Remove and clean vent tube.
C. Cracked/broken ceramic tiles in
burner.
C. Replace burner.
D. Failed ignitor. D. Replace ignitor.
Controller display is
blank.
A. Controller not turned on. A. Turn on controller.
B. Cooker power cord not plugged in. B. Plug power cord into appropriate
outlet.
C. Main circuit breaker tripped. C. Reset main circuit breaker.
D. Failed transformer.
Test: Check for 24VAC on
transformer secondary.
D. If voltage is incorrect, replace
transformer.
E. Failed controller. E. Replace controller.
Controller does not
count down.
A. Operator error.
Test: Verify correct cook time is
programmed. Press START
button.
A. Demonstrate proper operating
procedure to operator.
B. Failed controller.
Test: Verify correct cook time is
programmed. Press the START
button.
B. If timer does not count down,
replace controller.

1-16
PROBLEM PROBABLE CAUSES CORRECTIVE ACTION
Water boils in simmer
mode.
A. Failed/shorted temperature probe.
Test: Check for shorted probe
circuit. Probe resistance should be
approximately 552 Ohms @ 60°F
(16°C), 655 Ohms @ 100°F
(38°C), and 1000 Ohms @ 212°F
(100°C). See probe resistance
chart on page 1-17 for other
temperatures.
A. If resistance is out of
specification, replace the
temperature probe.
Water temperature too
low in simmer mode.
A. Controller out of calibration A. Recalibrate simmer setpoint.
B. Temperature probe open.
Test: Check for loose
connections.
B. If connections are secure, re-
place temperature probe.

1-17
1.4.7 Probe Resistance Chart and Wiring Diagrams
RESISTANCE CHART FOR USE WITH 806-4764 PROBE
F OHMS C F OHMS C F OHMS C F OHMS C
32 486.0 0.0 83 610.0 28.3 134 751.0 56.7 185 909.1 85.0
33 488.3 0.6 84 612.6 28.9 135 754.0 57.2 186 912.4 85.7
34 490.5 1.1 85 615.2 29.4 136 756.9 57.8 187 915.6 86.1
35 492.8 1.7 86 617.8 30.0 137 759.9 58.3 188 918.9 86.7
36 495.1 2.2 87 620.5 30.6 138 762.8 58.9 189 922.2 87.2
37 497.4 2.8 88 623.1 31.1 139 765.8 59.4 190 925.5 87.8
38 499.7 3.3 89 625.7 31.7 140 768.8 60.0 191 928.8 88.3
39 502.0 3.9 90 628.4 32.2 141 771.7 60.5 192 932.1 88.9
40 504.3 4.4 91 631.0 32.8 142 774.7 61.1 193 935.4 89.4
41 506.6 5.0 92 633.7 33.3 143 777.7 61.7 194 938.7 90.0
42 509.0 5.6 93 636.3 33.9 144 780.7 62.2 195 942.1 90.6
43 511.3 6.1 94 639.0 34.4 145 783.7 62.8 196 945.4 91.1
44 513.6 6.7 95 641.7 35.0 146 786.7 63.3 197 948.8 91.7
45 516.0 7.2 96 644.3 35.6 147 789.7 63.9 198 952.1 92.2
46 518.3 7.8 97 647.0 36.1 148 792.7 64.4 199 955.5 92.8
47 520.7 8.3 98 649.7 36.7 149 795.8 65.0 200 958.8 93.3
48 523.1 8.9 99 652.4 37.2 150 798.8 65.6 201 962.2 93.9
49 525.4 9.4 100 655.1 37.7 151 801.8 66.1 202 965.6 94.4
50 527.8 10.0 101 657.8 38.3 152 804.9 66.7 203 968.9 95.0
51 530.2 10.6 102 660.6 38.9 153 807.9 67.2 204 972.3 95.6
52 532.6 11.1 103 663.3 39.4 154 811.0 67.8 205 975.7 96.1
53 535.0 11.7 104 660.0 40.0 155 814.1 68.3 206 979.1 96.7
54 537.4 12.2 105 668.8 40.6 156 817.1 68.9 207 982.5 97.2
55 539.8 12.8 106 671.5 41.1 157 820.2 69.4 208 985.9 97.8
56 542.2 13.3 107 674.3 41.7 158 823.3 70.0 209 989.4 98.3
57 544.7 13.9 108 677.0 42.2 159 826.4 70.6 210 992.8 98.9
58 547.1 14.4 109 679.8 42.8 160 829.5 71.1 211 996.2 99.4
59 549.5 15.0 110 682.6 43.3 161 832.6 71.7 212 999.7 100.0
60 552.0 15.6 111 685.3 43.8 162 835.7 72.2
61 554.4 16.1 112 688.1 44.4 163 838.8 72.8
62 556.9 16.7 113 690.9 45.0 164 842.0 73.3
63 559.4 17.2 114 693.7 45.6 165 845.1 73.9
64 561.8 17.8 115 696.5 46.1 166 848.2 74.4
65 564.3 18.3 116 699.3 46.7 167 851.4 75.0
66 566.8 18.9 117 702.1 47.2 168 854.5 75.6
67 569.3 19.4 118 705.0 47.8 169 857.7 76.1
68 571.8 20.0 119 707.8 48.3 170 860.8 76.7
69 574.3 20.6 120 710.6 48.9 171 864.4 77.2
70 576.8 21.1 121 713.0 49.4 172 867.2 77.8
71 579.3 21.7 122 716.3 50.00 173 870.4 78.3
72 581.8 22.2 123 719.2 50.6 174 873.6 78.9
73 584.4 22.7 124 722.1 51.1 175 876.8 79.4
74 586.9 23.3 125 724.9 51.7 176 880.0 80.0
75 589.4 23.9 126 727.8 52.2 177 883.2 80.6
76 592.0 24.4 127 730.7 52.8 178 886.4 81.1
77 594.5 25.0 128 733.6 53.3 179 889.6 81.7
78 597.1 25.6 129 736.5 53.9 180 892.8 82.2
79 599.7 26.1 130 739.4 54.4 181 896.1 82.8
80 602.3 26.7 131 742.3 55.0 182 899.3 83.3
81 604.8 27.2 132 745.2 55.6 183 902.6 83.9
82 607.4 27.8 133 748.1 56.1 184 905.8 84.4

1-18
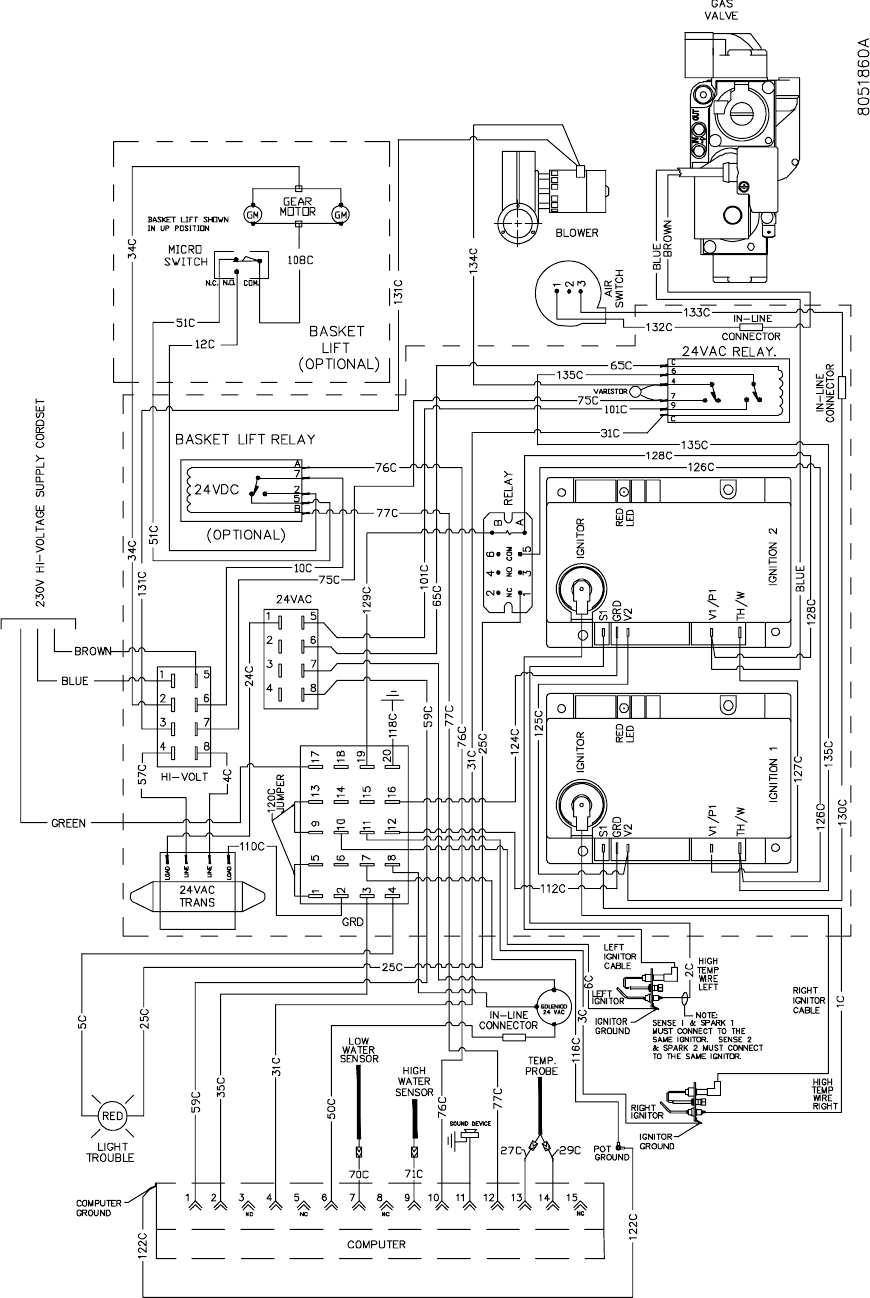
WIRING DIAGRAMS
GPC, GPCB, GPCR and GPCRB

1-19
GPC, GPCB, GPCR and GPCRB (Noodles)

1-20
GPC, GPCB, GPCR and GPCRB (CE)

PASTA MAGIC GAS COOKERS GPC, GPCB, GPCR AND
GPCRB SERVICE AND PARTS
CHAPTER 2: PARTS LIST
2-1
2.1 Accessories
5
3
4
8
2
7
6
1
ITEM PART # COMPONENT
1 803-0018 Cup, Single Pasta Portion (Beige)
2 810-2229 Hanger, Wire-Form Basket
3 803-0205 Rack, Support
4 806-5848SP Kit, Hose (Swirl and Straight w/Fittings)
5 809-0985 Thumbscrew, ¼-20 x 1⅛
6 823-1910 Basket, GSMS Bulk
7 826-0900 Kit, Chain Restraint
8 823-7880 Strip, Top Connecting
* 803-0200 Rack, 12 Portion Cup
* 803-0238 Basket, 5½ x 8½ SS Round Pasta
* Not illustrated.

2-2
2.2 Basket Lift Components
11 DETAIL A
23 16 20 39
31 29 16 4
35 21
36
27 33
13
41
38
28
37
44
26
2
8
14
42
40
15
18
19
18
30
10
3
19
25
22
17
7
43
1
6
12
5
32
24
9
SEE DETAIL A
34

2-3
2.2 Basket Lift Components cont.
ITEM PART # COMPONENT
1 Motor, Basket Lift
807-0107 120 VAC
807-0108 240 VAC
2 807-0124 Bushing, Plastic
3 807-0240 Microswitch, BA-2RV22-D6
4 809-0047 Nut, ¼-20 Hex Head Cap
5 826-1358 Nut, 6-32 Hex Head (Pkg. of 25)
6 809-0050 Nut, 8-32 Hex Head
7 809-0063 Nut, ¾-inch Jam
8 809-0076 Nut, ¼-20 Expansion
9 809-0082 Ring, Retaining (secures Item 24 in place)
10 809-0097 Screw, 6-32 x 1-inch Slotted Truss Head
11 826-1363 Screw, 8-32 x ½-inch Slotted Truss Head (Pkg. of 25)
12 809-0113 Screw, 8-32 x 1½-inch Slotted Truss Head
13 809-0127 Screw, ¼-20 x ½-inch Slotted Round Head
14 826-1370 Screw, ¼-20 x 1½-inch Slotted Round Head
15 809-0155 Screw, Leveling
16 809-0190 Washer, ¼-inch SS Flat
17 809-0196 Washer, ⅜-inch Flat
18 809-0200 Washer, ¼-inch Flat
19 826-1381 Washer, ½-inch Nylatron (Pkg. of 10)
20 809-0247 Nut, 8-32 Hex Head Keps
21 826-1374 Screw, #10 x ½-inch Hex Head (Pkg. of 25)
22 809-0480
Setscrew, ¼-28 x 5⁄8-inch (secures Item 25 to motor shaft)
23 809-0508 Bolt, ¼-20 x ¼-inch SS AT Hex Head
24 813-0035 Bushing, .875 Hole
25 810-0052 Bellcrank (Cam)
26 810-0170
Pin, ¼-inch x 5⁄8-inch Spring Dowel
27 810-0172 Button, Plug
28 810-0192 Rod, Basket Lift
29 810-0194 Roller, Basket Lift
30 810-0220 Spacer, .493-inch x .200-inch Tubular
31 810-0374 Spacer, Basket Lift Roller Tubular
32 812-0138 Insulation, Paper
33 823-2007 Arm Assembly, Basket Lift (Use 823-7061 for Stainless)
34 900-7416 Mount, Basket Lift Motor
35 900-7418 Back, Upper Basket Lift Enclosure (Use 210-8297 for Stainless)
36 900-7419 Back, Lower Basket Lift Enclosure (Use 230-3762 for Stainless)
37 220-7177 Support, Basket Lift Center
38 901-1927 Bracket, Left Basket Lift Roller
39 902-1927 Bracket, Right Basket Lift Roller
40 910-4525 Bar, Basket Lift Synchronizing
41 910-7420 Top, Basket Lift Enclosure
42 911-7417 Side, Basket Lift Enclosure (Use 231-3764 for Stainless)
43 912-7417 Side, Basket Lift Enclosure (Use 232-3764 for Stainless)
44 920-6076 Link, Basket Lift
NOTE: Order KIT0004SP to add a complete basket lift assembly to a GC unit.

2-4
2.3 Cabinetry
2.3.1 GPC/GPCB

2-5
2.3.1 GPC/GPCB cont.
ITEM PART # COMPONENT
1 108-1434 Door Assembly, 18.66-inch x 19.85-inch (does not include handle)
106-4067 Door Pin Assembly
826-1343 Spring, Door Hinge (Pkg. of 10)
A 230-4963 Handle, Wireform Door
2 809-0193 Washer, ¼-inch Nylon Flat
3 826-1371 Screw, #8 x ½-inch Drill Point Hex Head Zinc Plated (Pkg. of 25)
4 230-7192 Hinge, Universal Door
* 230-4685 Hinge, Lower
5 108-1413 Base Assembly, GPC/GC SS (Use 108-1414 CR for GPCB)
806-5209SP Leg Pad Assembly
900-4655 Channel, Front or Rear Base
900-7528 Channel, Left or Right Base
6 220-6976
Shield, GBC/GC Vapor (See NOTE below)
* 200-5095 Shield, Vapor (for units with manual water fill)
7 826-1119 Leg Assembly w/Mounting Hardware
8 810-1105 Magnet, Door
9 Side, Left or Right Cabinet
Stainless Steel (Use 231-6969 Left or 232-6969 Right)
Enameled Mild Steel (Use 221-6966 Left or 222-6966 Right)
10 816-0091 Grommet, 1¼-inch Drain
11 900-4651 Shield, Control Box Water
12 900-1552 Gusset
13 900-1940 Bracket, Control Box Mounting
14 900-1759 Bracket, Pot Hold-Down
15 900-1932 Retainer, Flue Insulation
16 900-4654 Brace, Front or Rear Top
17 824-2120 Topcap
18 809-0266 Screw, #10 x ½-inch Philips Truss Head Zinc Plated
19 108-1426 Frame Assembly, Control Panel
20 816-0158 Insulation, 18.25-inch x 10.7-inch x .25-inch Cabinet Back
21 900-4521 Retainer, Cabinet Back Insulation
22 108-1424 Flue Cap and Insulation Assembly
823-7592 Flue Cap
816-0169 Insulation, 8.12-inch x 18-inch x .25-inch Flue Cap
910-1181 Retainer, Flue Cap Insulation
809-0053 Nut, 10-32 Hex
23 826-1351 Nut Retainer, ¼-20 (Nutsert) (Pkg. of 10)
24 108-1485 Back, GPC Single Cabinet CR (Use 108-1432 for Stainless)
108-1825 Back, Upper GPC Single Cabinet Noodle’s
108-1826 Back, Lower GPC Single Cabinet Noodle’s
25 812-1141 Insulation, Cabinet Back
26 826-1374 Screw, #10 x ½-inch Hex Head (Pkg. of 25)
27 812-1142 Insulation, Cabinet Back
28 900-4645 Shield, Basket Lift Heat
* Not illustrated.

2-6
2.3.2 GPCR/GPCRB Batteries

2-7
2.3.2 GPCR/GPCRB Batteries cont.
ITEM PART # COMPONENT
Cabinet Assemblies
108-2146 Double GPC Cooker/Cooker Stainless (Use 108-2154 for CR)
108-1831 Double Cooker on left/Rinse on right (Use 108-1832 for CR)
108-1838 Double Rinse on left/Cooker on right (Use 108-1839 for CR)
108-1976 Triple Cooker on left/Rinse in middle/Cooker on right (Use 108-1977
for CR)
1 Topcap
824-2168 Double GPC Cooker/Cooker
824-2143 Double Cooker on left/Rinse on right
824-2144 Double Rinse on left/Cooker on right
824-2154 Triple Cooker on left/Rinse in middle/Cooker on right
2 Control Panel Assembly, GPC
108-2149 Double GPC Cooker/Cooker
108-1844 Double Cooker on left/Rinse on right
108-1845 Double Rinse on left/Cooker on right
108-1981 Triple Cooker on left/Rinse in middle/Cooker on right
3 Bezel
230-7798 Double GPC Cooker/Cooker
230-7400 Double Cooker on left/Rinse on right
230-7401 Double Rinse on left/Cooker on right
230-7555 Triple Cooker on left/Rinse in middle/Cooker on right
4 231-6969 Side, Left Cabinet Stainless (Use 221-6966 for CR)
5 232-6969 Side, Right Cabinet Stainless (Use 222-6966 for CR)
6 108-0577 Door Assembly (does not include item #7) used on all except triple middle.
106-4067SP Door Pin Assembly
826-1343 Spring, Door Hinge (Pkg. of 10)
108-1434 Door Assembly (does not include item #7) used only on triple middle door
7 230-4963 Handle, Door
8 230-7192 Hinge, Universal Door
9 826-1118 Caster w/Brake (includes mounting hardware)
10 826-1117 Caster w/o Brake (includes mounting hardware)
11 220-7182 Shield, Basket Lift Heat
12 Back, Cabinet, GPC
108-2147 Double GPC Cooker/Cooker (Use 108-2155 for CR)
108-1833 Double Cooker on left/Rinse on right (Use 108-1835 for CR)
108-1840 Double Rinse on left/Cooker on right (Use 108-1841 for CR)
108-1833 &
108-1432
Triple Cooker on left/Rinse in middle/Cooker on right (Use 108-1835 &
108-1485 for CR)
13 Flue Cap Assembly
108-2148 Double GPC Cooker/Cooker
108-1842 Double Cooker on left/Rinse on right
108-1843 Double Rinse on left/Cooker on right
108-1978 Triple Cooker on left/Rinse in middle/Cooker on right
14 230-7396 Mount, Faucet
15 810-1105 Magnet, Door

2-8
2.4 Combustion System Components

2-9
2.4 Combustion System Components cont.
ITEM PART # COMPONENT
Cookpot Complete Assemblies (does not include burner (see item 20))
108-1420SP GPC Natural Gas
108-1422 GPC Propane
108-1655 GPC Natural Gas (Noodle’s)
108-1656 GPC Propane (Noodle’s)
1 108-1419 Support Assembly, Plenum
2 220-6994 Bracket, Retainer Burner
3 220-6995 Bracket, Support Plenum
4 807-0037 Tab, Faston
5 Ignitor
826-0981 Natural Gas
826-0982 Propane Gas
6 826-1072 Burner, Universal Replacement
Orifice, Burner
* 810-0386 2.10mm Propane/Butane (G30,G31) (0-4999 Ft., 0-1524M)
* 810-0403 3.40mm Natural Gas (G20, G25) (0-4999 Ft., 0-1524M)
* 810-0437 3.60mm Natural Gas(G20, G25) (5000 – 6999Ft., 1525-2133M)
7 810-0976 Nozzle, Water Inlet (Noodle’s)
8 812-0357 Insulation, Burner
9 814-0048SP Glass, Site
10 816-0053 Insulation, Site Glass
11 816-0057 Gasket, Plenum H50
* 816-0145 Insulation, Pot Side FBR 18
* 816-0155 Insulation, Rear Bottom GSMS
12 816-0152 Insulation, Front SMSG
13 816-0153 Insulation, 10x24x.25 GSMS Cookpot Side
14 816-0059 Insulation, Ignitor GSMS
15 823-7591 Plenum Assembly GPC
16 823-7590 Cookpot GPC
823-7629 Cookpot GPC (Noodle’s)
17 900-1031 Retainer, Sight Glass
18 900-1049 Retainer, Plenum Gasket
19 900-1762 Insulation, Retainer
20 Motor, Blower
108-1540 120VAC/60 Hz
807-1712 230VAC 50/60 Hz
*Not illustrated.

2-10
2.5 Control Box and Related Components

2-11
2.5 Control Box and Related Components cont.
ITEM PART # COMPONENT
Component Assembly Boxes
108-1506 Component Box Assy, 120V Non-BL GPC, GPCR
108-1625 Component Box Assy, 120V BL GPCB, GPCRB
108-1546 Component Box Assy, 230V Non-BL GPC, GPCR
108-1626 Component Box Assy,, 230V BL GPCB, GPCRB
1 106-3338SP Cable, Ignition 36” (used with Item 16 – also requires Item 15) (two re-
quired for each 807-4943 Ignition Module)
2 Cordset
108-1541 120VAC (illustrated)
108-1547 208-240VAC (not illustrated)
3 220-7051 Box, Component
4 220-7052 Cover, Box Component
5 220-7053 Mount, Component Box
6 807-0067 Block, Terminal 8 pin
7 807-0255 Terminal Strip
8 807-0276 Block, Terminal 20-pin
9 807-0670 Relay, DPDT 24V Heat Relay
10 Transformer
807-0800 120VAC/24VAC, 50/60 Hz, 50VA
807-0680 208-240VAC/24VAC, 50/60 Hz, 20VA
11 807-1396 Relay 24V SPST Basket Lift Relay (only present in GPCB and GPRCB
only)
12 807-1612 Clamp, 3/8 Connector
13 807-1926 Bushing, Split .875
14 807-2469 Bushing, Heyco 1” ID
15 807-3484 Connector, Rajah (two required for each 807-4943 Ignition Module)
16 807-4943 Module, Fenwal Pasta Dual-Spark FV Ignition
17 810-0045 Bushing, .875 Hole 11/16
* WIR0944 Wiring Assembly, 120V
* WIR0945 Wiring Assembly, 208-240V
* WIR0956 Wiring Assembly, Basket Lift
* 108-1539 Harness, Computer/Component Non-Basket Lift GPC, GPCR
* 108-1640 Harness, Computer/Component Basket Lift GPCB, GPCRB
** Not illustrated.

2-12
2.6 Controllers and Control Panel Components
ITEM PART # COMPONENT
1 108-1444 Controller, SMS III GPC/GPCB/GPCR/GPCRB
2 807-1704 Lamp, 24VAC Vertical Trouble
3 230-7002 Bezel, GPC
4 230-7297 Bezel, GPC Noodle’s
5 230-7798 Bezel, Double GPC Cooker/Cooker
6 230-7400
Bezel, Double Cooker on left/Rinse on right
7 230-7401
Bezel, Double Rinse on left/Cooker on right
8 230-7555
Bezel, Triple Cooker on left/Rinse in middle/Cooker on right
NOTE: See Page 2-11 for Controller Harness.

2-13
2.7 Cookpot, Rinse Tank, and Associated Components
2.7.1 Cookpot and Rinse Tank Components (Other than Cookpot Insulation)
5
6
3
2
17
8
129
1210
11 13 12
1
4
7
12
14
15
16
ITEM PART # COMPONENT
1 823-7590 Cookpot, GPC
823-7629 Cookpot, GPC (Noodle’s)
2 806-5497SP Flue Assembly, GPC, GPCRB, GPCR, AND GPCRB
3 823-1994SP Tank, GPCR, GPCRB Rinse
4 823-2022 Strainer Assembly
5 823-2791 Cover, Probe Block (angled top)
6 816-0160 Insulator, 5.25-inch x 5.00 Probe Cover
7 Probe Block Assembly, Complete
806-9365SP Angled top, for use on units without Autofill option.
806-9366SP Angled top, for use on units with Autofill option.
106-3084SP Angled top, for use on units with manual fill.
8 810-1697 Block, Probe (angled top)
9 823-1920 Sensor, Low Water Level (806-9365SP and 826-1082 use two each)
10 823-1921 Sensor, Normal Water Level (used in 806-9366SP and 826-1081)
11 806-4764 Probe Assembly, Temperature
12 809-0357 Screw, #6 x ⅜-inch Philips Truss Head Nickel Plated
13 910-1804 Bracket, Probe Retainer
14 826-1376 Nut, 10-32 Keps Hex Head (Pkg. of 10)
15 826-1337 Tab, Faston .25-inch (Pkg. of 5)
16 809-0193 Washer, ¼-inch Nylon Flat
17 810-0976 Nozzle, Water Inlet
* Not illustrated.

2-14
2.7.2 Cookpot Insulation
4
5
12
9
10
11
12
3
8
7
6
NOTE: Cookpot shown for reference only.
Refer to Page 2-13 for cookpot components.
Refer to Page 2-8 for ignitor components.
ITEM PART # COMPONENT
1 900-4563 Retainer, Cookpot Front Insulation (19.7-inches x 7.5-inches)
2 816-0152 Insulation, Cookpot Front (19.5-inches x 7.5-inches x .25-inches)
3 816-0153 Insulation, Cookpot Side (10-inches x 24-inches x. 25-inches)
4 809-0053 Nut, 10-32 Hex
5 900-1762 Retainer, Insulation
6 816-0145 Insulation, Front Bottom (3.0-inches x 14.5-inches x .25-inches)
7 816-0166 Insulation, Rear Bottom (3.5-inches x 17.0-inches x .25-inches)
8 812-0357 Insulation, HE Burner
9 826-1371 Screw, #8 x ½-inch Drill Point Hex Head Zinc Plated (Pkg. of 25)
10 900-1031 Retainer, Sight Glass
11 816-0053 Insulation, Sight Glass
12 814-0048SP Glass, Sight

2-15
2.8 Drain Components

2-16
2.8 Drain Components cont.
ITEM PART # COMPONENT
1 823-7996 Handle, Drain Valve GPC
2 814-0047 Sleeve, Handle Valve Red
3 810-1825 Valve, 1¼-inch x 1¼-inch SS Drain
4 813-0070 Elbow, 1¼-inch NPT BM 90°
5 813-0138 Nipple, 1-inch NPT Close BM
6 813-0202 Elbow, 1-inch NPT BM 90°
7 813-0391 Nipple, 1¼-inch x Close NPT BM
8 813-0394 Tee, 1¼-inch BM
9 813-0451 Nipple, 1¼-inch BM x 12-inch Chrome/Brass
10 813-0453 Nut, Slip 1¼-inch Chrome/Stainless
11 813-0525 Fitting, Barb 1-inch to Hose
12 813-0709 Elbow, 1-inch 45°
13 813-0716 Bushing, 1-inch x 1¼-inch Hex BM
14 809-0374 Clamp, Hose
15 816-0880 Hose, Drain 15-inch
16 816-0881 Hose, Drain 20-inch
17 823-7865 Drain Welded Assembly, Double GPC
18 816-0852 Hose, Drain GPC 16 ½ -inch
19 823-7594 Plate, Welded Assembly, Drain Euro
20 210-0151 Handle, SS Drain Valve
21 816-0864 Hose, Drain 14-inch
22 816-0867 Hose, Drain Rinse/Cook 28-inch
23 813-0379 Elbow, Street 1¼-inch NPT BM
24 813-0202 Elbow, 1-inch NPT BM 90°
25 813-0314 Tee, 1-inch BM
26 813-0365 Nipple, 1-inch x 7 ½ -inch NPT BM
27 813-0419 Nipple, 1-inch x 6-inch NPT BM
28 813-0420 Nipple, 1-inch x 9-inch NPT BM
29 816-0372 Hose, Drain 18-inch
30 816-0874 Hose, Drain 5 ½ -inch

2-17
2.9 Gas Supply System Components

2-18
2.9 Gas Components cont.
ITEM PART # COMPONENT
1 810-0691 Tube, Vent
2 Valve, Honeywell Gas (Non-CE)
826-1122 Natural
826-1123 Propane Gas
3 810-1353 Flexline, ⅜-inch x 9 inch SS
4 810-1355 Flexline, ⅜-inch x 15 inch SS
5 811-0800
Tube, 12.50-inch Enrichment (See NOTE 1.)
6 811-1197
Tube, 18-inch Enrichment (See NOTE 1.)
7 813-0004 Elbow, ⅛-inch NPT 90° BM
8 813-0016 Nipple, ⅛-inch NPT x Close BM
9 813-0154 Plug, ⅛-inch Hex Head Pipe
10 813-0302 Elbow, Compresssion ¼-inch NPT x ⅜-inch Tubing
11 813-0304 Bushing, ½-inch to ¼-inch Flush BM
12 813-0354 Elbow, 90° ⅛-inch NPT x ⅛-inch Tube Brass
13 813-0378 Fitting, ⅛-inch NPT Female Cross
14 813-0433 Nipple, ⅛-inch NPT x 2.50-inch BM
15 813-0049 Tee, ¼ -inch NPT Brass
16 813-0471 Nipple, ¼-inch NPT x 1.50-inch Brass
17 813-0502 Elbow, 90° Street 250 NPT Brass
18 823-7593 Mount Welded Assembly, Gas GPC
806-9678SP Plug, CE Honeywell Gas Valve
* 810-1041 Kit, CE Valve Accessory
810-1715 Valve, Honeywell CE Gas (Natural or Propane)
* Contains straight and elbow flanges, o-rings, and screws for mounting flanges to valve.
NOTE 1: Items 5 and 6 are delivered straight and must be formed by the installer to fit the unit.

2-19
2.10 Water Supply System Components
Item 6 (nipple) is threaded into item 1 (solenoid).
Item 3 (nut) is threaded onto item 6 to secure
item 14 (mount) to item 1.
1
6
2
3
14
Detail A
4
15
13
7
5
11
7
9
12
10
8
See Detail A.
Autofill Piping Assembly with Faucet
4
15
5
11
7
1
16
17
Autofill Piping Assembly without Faucet
Manual Fill Piping Assembly
7
23
24
22
21
20
18
19

2-20
ITEM PART # COMPONENT
1 806-5565 Valve Assembly, Solenoid
2 826-1374 Screw, #10 x ½-inch Hex Head (Pkg. of 25)
3 809-0454 Nut, ½-inch Conduit
4 810-0907 Elbow, ⅜-inch NPT Compression
5 810-1208 Valve, Pressure Regulator
6 813-0022 Nipple, ½-inch NPT x Close BM
7 813-0302 Elbow, ¼-inch NPT x ⅜-inch Tube Compression
8 813-0412 Faucet, Double-Jointed Pantry
* 813-0516 Faucet, Cold Water Only
9 813-0448 Elbow, ¼-inch NPT Brass
10 813-0449 Tee, ¼-inch NPT Brass
11 813-0472 Nipple, ¼-inch NPT x 2.5-inch Brass
12 813-0473 Nipple, ¼-inch NPT x 4.0-inch Brass
* 810-3819 Tubing, Water Input/Faucet 18.30-inch GPC
* 810-3833 Tubing, Water Input/Faucet 29.20-inch GPCR/GPC
* 810-3818 Tubing, Water Input/Faucet 16.20-inch GPCR/GPC
13 810-3785 Tubing, Pressure Regulator to Faucet GPCR/GPCRB Cook left/ Rinse
Right
* 810-3790 Tubing, Water Inlet to Faucet GPCR/GPCRB Rinse left/ Cook Right
14 900-1905 Mount, Solenoid Valve Assembly
15 810-3769 Tubing, Solenoid to Cookpot GPC/GPCB/GPCR/GPCRB
16 900-2916 Bracket, Pressure Regulator
17 813-0471
Nipple, ¼-inch NPT x 1.5-inch Brass (See NOTE below.)
18 200-5094 Bracket, Water Valve
220-7295 Bracket, Water Valve (GPC Noodle’s)
19 809-0359 Screw, #8 X ¼-inch Slotted Hex Washer Head
20 810-2641 Valve, ⅜-inch Water
810-2684 Valve, ½ -inch Water (GPC Noodle’s)
21 810-2648 Tube, Water Inlet
810-3772 Tube, Water Inlet (GPC Noodle’s)
22 810-2649 Tube, Water Outlet
810-3771 Tube, Water Outlet (GPC Noodle’s)
23 810-2650 Tube, Cookpot Water
220-5387 Tube, Cookpot Water (GPC Noodle’s)
24 813-0301 Tee, ¼-inch NPT Male X ⅜-inch Tube Brass
* Not illustrated.
NOTE: In Autofill units without a faucet, water supply piping to item 17 appropriate for the
installation is provided by the purchaser or installer.

Shipping Address: 8700 Line Avenue, Shreveport, Louisiana 71106
TEL 1-318-865-1711 FAX (Parts) 1-318-219-7140 (Tech Support) 1-318-219-7135
PRINTED IN THE UNITED STATES SERVICE HOTLINE
1-800-551-8633
Price: $8.00
819-6692
NOV 2010