Fujitsu FCN 360 Series Fcn360
User Manual: Fujitsu FCN-360 series Connector Datasheet - Fujitsu United States
Open the PDF directly: View PDF
.
Page Count: 32

1
Dimensions are in millimeters (inches) http://us.fujitsu.com/connectors/
Specifications
subject to change
FCN-365J
FCN-365P
FCN-364P
FCN-364J
FCN-365J FCN-364P
FCN-364J
FCN-364P
FCN-364J
FCN-365P
FCN-362J
FCN-363J
FCN-361P
FCN-364P
FCN-364P
FCN-364J
FCN-365P
FCN-365P
FCN-365J
FCN-365P
FCN-367J
With type E cover
With type B cover
With type J1 cover
RECTANGULAR CONNECTORS
FCN360 Series

Terms in Selection Table (Example)
4-2
Contact pitch
Denotes a pitch between adjacent contacts or
pitch between rows.
2.54 mm (0.100 in.) (pitch between adjacent
contacts) x 2.54 mm (0.100 in.) (pitch between
rows)
Number of contacts
Denotes the numbers of contacts of available
connectors.
Connection type
Denotes the connection type of the cable or PC
board connection section.
Plating
Denotes the contact plating specification.
Specifications
Operating temperature range
The connector can be used within the specified
temperature range.
Current rating
Maximum current that can flow through one
connector pin
Voltage rating
Maximum voltage that can be applied to a
connector
Contact resistance
Resistance observed at the contact part when
0.3 A (or 0.1 A) flows at 6 VDC with the connectors
mated
Insulation resistance
Resistance to the leakage current flowing through
the insulator (inside or surface of the insulator)
when 500 VDC is applied across adjacent pins of a
connector
Dielectric withstanding voltage
Applying the indicated voltage across adjacent
pins of a connector for one minute does not cause
any abnormality (damage or cracks in insulator).
Insulating material, cleaning with chlorothene
Denotes the insulating material used, and
indicates whether the insulating material can be
cleaned with chlorothene.
Part number
Some part numbers are indicated as examples.
Model
700 series
Appearance
Structure
Contact pitch
Number of contacts
Pin type
Solder eyelet
(tail shape)
Wire-wrapping
(post cross section)
Crimping (applicable
AWG No.)
Straight, throughhole (PC
board hole dimensions)
Right-angle, throughhole
(PC board hole dimensions)
IDC (applicable
AWG No.) #28, Flat cable
Plating
Gold
Silver
Tin
Specification
Operating temperature
range
Current rating
Voltage rating
Contact resistance 20 mΩ max.
Insulation resistance
(DC 500 V) 1,000MΩ min.
Dielectric withstanding
voltage (for 1 minute)
Insulation material
cleaning with Chlorothene
Polyester
cleaning possible
Part number (example)
Remarks EMI protection cover
provided
2.54 × 2.54
10, 14, 16, 20, 26, 30,
34, 40, 50, 60
P
J
0.64
φ0.8, 2.54 × 2.54
P
J
P
J
φ 0.8, 2.54 × 2.54
#28, Flat cable
–55°C to +105°C
DC 1 A
AC 250 V
(DC 6 V, 0.1 A)
AC 500 V
FCN-705P050-AU/M
FCN-707J050-AU/B

Selection Table
4-3
4
Model
Appearance
Structure
Contact pitch
Number of contacts
Pin type
Solder eyelet
(tail shape)
Wire-wrapping
(post cross section)
Crimping ( applicable
AWG No.)
Straight, through hole (PC
board hole dimensions)
Right-angle, through hole
(PC board hole dimensions)
IDC ( applicable
AWG No.)
Plating
Gold
Silver
Tin
Specification
Operating temperature
range
Current rating
Voltage rating
Contact resistance
Insulation resistance
(DC 500 V)
Dielectric withstanding
voltage (for 1 minute)
Insulating material
Part number (example)
Remarks
Rectanglar Connectors
15 mΩ max.
1,000 MΩ min.
Polyester
PC (363J)
2.54 × 2.54
–55°C to +85°C
DC 3 A (IDC type: 1A)
AC 250 V
(DC 6 V, 0.3 A)
AC 500 V
FCN-361P024-AU
8, 16, 24, 32, 40, 48,
56, 64
P
J
φ
1, 2.54 × 2.54
360 series
P
J
P
J
#28, Flat cable
Cable cover provided
P
J
1.8 × 0.7
1.8 × 0.7
Diagonal 0.71 mm
(0.028 in.)
P
J
AWG #22 to #28
φ
1, 2.54 × 2.54
φ
1, 2.54 × 2.54
φ
1, 2.54 × 2.54

FCN-360 Series
4
Dimensions are in millimeters (inches) www.fujitsu.takamisawa.com
Specifications
subject to change
NOTES

5
Dimensions are in millimeters (inches) www.fujitsu.takamisawa.com
Specifications
subject to change
■FEATURES
• Many applications
Various connectors are available for connection by
means of soldering, wire wrapping, crimping, PC board
mounting, and insulation displacement connection
(IDC). The user can choose a plug and jack
combination that best meet each application.
• Small size for high-density mounting
The connectors are small with a contact and terminal
pitch of 2.54 mm (0.100 in.) between pins and between
rows and are thus well suited for high-density mounting.
• Sturdy shell guide
Sturdy shell guides are used to prevent mismating and
to protect the pins.
• Excellent cost performance
Streamlined design and automated manufacturing,
including use of partial solder plating, provide excellent
cost performance.
■SPECIFICATIONS ■MATERIALS
RECTANGULAR CONNECTORS
FCN-360 SERIES
Item
Operating temperature range
Current Rating
Voltage Rating
Contact resistance
Insulation resistance
Dielectric withstanding voltage
Insertion force
Withdrawal force
Applicable
wire
Applicable PC board
Specification
–55°C to +85°C
DC 3 A (IDC type: 1 A)
AC 250 V
15 mΩ max. (DC 6 V, 0.3 A)
1000 MΩ min. (DC 500 V)
AC 500 V for 1 minute
2.5 kg max. (8 contacts), 20 kg max. (64 contacts)
0.3 kg min. (8 contacts), 2.3 kg min. (64 contacts)
φ0.60 mm (0.024 in.) max, AWG #23 or less
φ0.32 mm (0.013 in.) to φ0.26 mm (0.010 in.), AWG #28 to #30
Standard contacts φ0.51 mm (0.020 in.) to φ0.32 mm (0.013
in.), AWG #24 to #28, insulator φ1.2 mm (0.047 in.) max.
Contacts for thick wires φ0.64 mm (0.025 in.) to φ0.32 mm
(0.013 in.), AWG #22 to #28, insulator φ1.7 (0.067 in.) max.
Flat cable 1.27 mm (0.050 in.) pitch, AWG #28 (stranded wire),
AWG #30 (solid wire)
1.6 mm (0.063 in.) standard thick
Soldering
Wire-wrapping
Crimping
IDC
Item
Insulator
Conductor
Plating
Material
Polyester (363J: PC94V-2)
Copper alloy
Gold plating, silver plating

FCN-360 Series
6
Dimensions are in millimeters (inches) http://us.fujitsu.com/connectors/
Specifications
subject to change
■PART NUMBER
FCN-36 7 J 048-AU / H
(Only for IDC)
Shape of connector cover with IDC holders
B: Close end (special)
F: Close end
H: Through end
Plating and cover specification
AU: Gold plating
B: Type B cover (standard)
C: Type C cover (for cable-to-cable connection)
D: Type D cover (with metal cable clamp)
E: Type E cover (with long lock-screws)
F: Type F cover (64 contacts only)
G1: One-touch lock type (40 contacts only)
H/E: EMI protection type (40 contacts only)
J1: Obtuse angle cable-out cover (40 contacts only)
Number of contacts
8, 16, 24, 32, 40, 48, 56, 64
Connector or parts type
A: Metal fitting
C: Cover
J: Jack
P: Plug
Tail type
0: Cover, metal fitting
1: Soldering
2: Wire-wrapping
3: Crimping
4: Straight
5: Right-angle
7: IDC
360 series connector
Fujitsu connector

FCN-360 Series
7
Dimensions are in millimeters (inches) http://us.fujitsu.com/connectors/
Specifications
subject to change
■APPLICATION EXAMPLE
FCN-365J
FCN-365P
FCN-364P
FCN-364J
FCN-365J FCN-364P
FCN-364J
FCN-364P
FCN-364J
FCN-365P
FCN-362J
FCN-363J
FCN-361P
FCN-364P
FCN-364P
FCN-364J
FCN-365P
FCN-365P
FCN-365J
FCN-365P
FCN-367J
With type E cover
With type B cover
With type J1 cover
FCN-365P
FCN-365J
With type G1 cover
With type H/E cover With type E cover
With type Ccover

FCN-360 Series
8
Dimensions are in millimeters (inches) http://us.fujitsu.com/connectors/
Specifications
subject to change
SOLDERING TYPE (PLUG)
■DIMENSIONS
Unit: mm (in.)
■MOUTING HOLE LAYOUT
[Panel]
Unit: mm (in.)
■PART NUMBERS AND DIMENSIONS
Number of
contacts
8
16
24
32
40
48
56
64
Part number
FCN-361P008-AU
FCN-361P016-AU
FCN-361P024-AU
FCN-361P032-AU
FCN-361P040-AU
FCN-361P048-AU
FCN-361P056-AU
FCN-361P064-AU
Dimensions: mm (in.)
A
28.84 (1.135)
39.0 (1.535)
49.16 (1.935)
59.32 (2.335)
69.48 (2.735)
79.64 (3.135)
89.8 (3.535)
99.96 (3.935)
B
23.34 (0.918)
33.5 (1.318)
43.66 (1.718)
53.82 (2.118)
63.98 (2.518)
74.14 (2.918)
84.3 (3.318)
94.46 (3.718)
C
17.84 (0.702)
28.0 (1.102)
38.16 (1.502)
48.32 (1.902)
58.48 (2.302)
68.64 (2.702)
78.8 (3.102)
88.96 (3.502)
D
7.62 (0.3)
17.78 (0.7)
27.94 (1.1)
38.1 (1.5)
48.26 (1.9)
58.42 (2.3)
68.58 (2.7)
78.74 (3.1)
D
B
A
6 (0.236)
2.54 (0.10)
8.25 (0.324)
2.54 (0.10)
5.8 (0.228)
12.1 (0.476)
5 (0.196)
4 (0.157)
0.7 (0.027)
1.5 (0.059)
C
φ2.8 (0.110)
A
B
1 2
±0.3
±0.15 (0.005)
8.6(0.338)
±0.2(0.007)
φ2.8(0.110)
+0.15(0.005)
–0
hole
(C + 1)
B
±0.011
((C + 0.039) )

FCN-360 Series
9
Dimensions are in millimeters (inches) http://us.fujitsu.com/connectors/
Specifications
subject to change
SOLDERING TYPE (JACK)
■DIMENSIONS
Unit: mm (in.)
■BOARD MOUTING HOLE LAYOUT
[Panel]
Unit: mm (in.)
■PART NUMBERS AND DIMENSIONS
Number of
contacts
8
16
24
32
40
48
56
64
Part number
FCN-361J008-AU
FCN-361J016-AU
FCN-361J024-AU
FCN-361J032-AU
FCN-361J040-AU
FCN-361J048-AU
FCN-361J056-AU
FCN-361J064-AU
Dimensions: mm (in.)
A
28.84 (1.135)
39.0 (1.535)
49.16 (1.935)
59.32 (2.335)
69.48 (2.735)
79.64 (3.135)
89.8 (3.535)
99.96 (3.935)
B
23.34 (0.918)
33.5 (1.318)
43.66 (1.718)
53.82 (2.118)
63.98 (2.518)
74.14 (2.918)
84.3 (3.318)
94.46 (3.718)
C
17.84 (0.702)
28.0 (1.102)
38.16 (1.502)
48.32 (1.902)
58.48 (2.302)
68.64 (2.702)
78.8 (3.102)
88.96 (3.502)
D
7.62 (0.3)
17.78 (0.7)
27.94 (1.1)
38.1 (1.5)
48.26 (1.9)
58.42 (2.3)
68.58 (2.7)
78.74 (3.1)
D
B
A
2.54 (0.10)
8.25 (0.324)
2.54 (0.10)
5.8 (0.228)
10.8 (0.425)
5 (0.198)
4 (0.157)
0.7 (0.027)
1.5 (0.059)
C
φ2.8 (0.110)
A
B
0.5 (0.019)
6 (0.236)
6 (0.236)
1
±0.3
±0.15 (0.005)
8.6 (0.338) ±0.2(0.007)
φ2.8 (0.110) +0.15(0.005)
–0 hole
(C + 1)
B
±0.011
((C + 0.039) )

FCN-360 Series
10
Dimensions are in millimeters (inches) http://us.fujitsu.com/connectors/
Specifications
subject to change
WIRE-WRAP TYPE (PLUG)
■DIMENSIONS
Unit: mm (in.)
■MOUTING HOLE LAYOUT
Unit: mm (in.)
■PART NUMBERS AND DIMENSIONS
Number of
contacts
8
16
24
32
40
48
56
64
Part number
FCN-362P008-AU
FCN-362P016-AU
FCN-362P024-AU
FCN-362P032-AU
FCN-362P040-AU
FCN-362P048-AU
FCN-362P056-AU
FCN-362P064-AU
Dimensions: mm (in.)
A
28.84 (1.135)
39.0 (1.535)
49.16 (1.935)
59.32 (2.335)
69.48 (2.735)
79.64 (3.135)
89.8 (3.535)
99.96 (3.935)
B
23.34 (0.918)
33.5 (1.318)
43.66 (1.718)
53.82 (2.118)
63.98 (2.518)
74.14 (2.918)
84.3 (3.318)
94.46 (3.718)
C
17.84 (0.702)
28.0 (1.102)
38.16 (1.502)
48.32 (1.902)
58.48 (2.302)
68.64 (2.702)
78.8 (3.102)
88.96 (3.502)
D
7.62 (0.3)
17.78 (0.7)
27.94 (1.1)
38.1 (1.5)
48.26 (1.9)
58.42 (2.3)
68.58 (2.7)
78.74 (3.1)
D
B
A
2.54 (0.10)
8.25 (0.324)
2.54 (0.10)
4 (0.157)
10.3 (0.405)
10.8 (0.425)
C
φ2.8 (0.110)
A
B
0.71 (0.027)
Diagonal length
[Board] [Panel]
D
±0.2 (0.007)
±0.15 (0.005)
2.54 (0.10)
±0.15(0.009)
φ2.8 (0.110)
+0.15(0.005)
–0
hole
Bφ1 (0.039)
+0.1(0.0034)
hole
±0.3
±0.15 (0.005)
8.6 (0.338)
±0.2(0.007)
φ2.8 (0.110)
+0.15(0.005)
–0
hole
(C + 1)
B
±0.011
((C + 0.039) )

FCN-360 Series
11
Dimensions are in millimeters (inches) http://us.fujitsu.com/connectors/
Specifications
subject to change
WIRE-WRAP TYPE (JACK)
■DIMENSIONS
Unit: mm (in.)
■MOUTING HOLE LAYOUT
Unit: mm (in.)
■PART NUMBERS AND DIMENSIONS
Number of
contacts
8
16
24
32
40
48
56
64
Part number
FCN-362J008-AU
FCN-362J016-AU
FCN-362J024-AU
FCN-362J032-AU
FCN-362J040-AU
FCN-362J048-AU
FCN-362J056-AU
FCN-362J064-AU
Dimensions: mm (in.)
A
28.84 (1.135)
39.0 (1.535)
49.16 (1.935)
59.32 (2.335)
69.48 (2.735)
79.64 (3.135)
89.8 (3.535)
99.96 (3.935)
B
23.34 (0.918)
33.5 (1.318)
43.66 (1.718)
53.82 (2.118)
63.98 (2.518)
74.14 (2.918)
84.3 (3.318)
94.46 (3.718)
C
17.84 (0.702)
28.0 (1.102)
38.16 (1.502)
48.32 (1.902)
58.48 (2.302)
68.64 (2.702)
78.8 (3.102)
88.96 (3.502)
D
7.62 (0.3)
17.78 (0.7)
27.94 (1.1)
38.1 (1.5)
48.26 (1.9)
58.42 (2.3)
68.58 (2.7)
78.74 (3.1)
D
B
A
2.54 (0.10)
8.25 (0.324)
2.54 (0.10)
5.8 (2.283)
10.8 (0.425)
13.5 (0.531)
4 (0.157)
6 (0.236)
6 (0.236)
C
φ2.8 (0.110)
AB
1
0.71 (0.027)
Diagonal length
[Board] [Panel]
D
±0.2 (0.007)
±0.15 (0.005)
2.54 (0.10)
±0.15(0.009)
φ2.8 (0.110)
+0.15(0.005)
–0
hole
Bφ1 (0.039)
+0.1(0.0034)
hole
±0.3
±0.15 (0.005)
8.6 (0.338)
±0.2(0.007)
φ2.8 (0.110)
+0.15(0.005)
–0
hole
(C + 1)
B
±0.011
((C + 0.039) )

FCN-360 Series
12
Dimensions are in millimeters (inches) http://us.fujitsu.com/connectors/
Specifications
subject to change
CRIMP TYPE (JACK HOUSING)
■DIMENSIONS
Unit: mm (in.)
■MOUTING HOLE LAYOUT
[Panel]
Unit: mm (in.)
■PART NUMBERS AND DIMENSIONS
Number of
contacts
8
16
24
32
40
48
56
64
Part number
FCN-363J008
FCN-363J016
FCN-363J024
FCN-363J032
FCN-363J040
FCN-363J048
FCN-363J056
FCN-363J064
Dimensions: mm (in.)
D
B
A
2.54 (0.10)
8.25 (0.324)
2.54 (0.10)
10.8 (0.425)
4 (0.157)
6 (0.236)
6 (0.236)
φ2.8 (0.110)
22 (0.866)
C
5.8 (2.283)
6 (0.236)
Pin 1 in row A
Pin 1 in row B
B
23.34 (0.918)
33.5 (1.318)
43.66 (1.718)
53.82 (2.118)
63.98 (2.518)
74.14 (2.918)
84.3 (3.318)
94.46 (3.718)
C
17.84 (0.702)
28.0 (1.102)
38.16 (1.502)
48.32 (1.902)
58.48 (2.302)
68.64 (2.702)
78.8 (3.102)
88.96 (3.502)
D
7.62 (0.3)
17.78 (0.7)
27.94 (1.1)
38.1 (1.5)
48.26 (1.9)
58.42 (2.3)
68.58 (2.7)
78.74 (3.1)
A
28.84 (1.135)
39.0 (1.535)
49.16 (1.935)
59.32 (2.335)
69.48 (2.735)
79.64 (3.135)
89.8 (3.535)
99.96 (3.935)
±0.3
±0.15 (0.005)
8.6 (0.338)
±0.2(0.007)
φ2.8 (0.110)
+0.15(0.005)
–0
hole
(C + 1)
B
±0.011
((C + 0.039) )

FCN-360 Series
13
Dimensions are in millimeters (inches) http://us.fujitsu.com/connectors/
Specifications
subject to change
Contact type
FCN-363J-AU
(Loose piece)
FCN-363J-AU/R
(Strip reeled)
FCN-363J-AU/S
(Loose piece)
FCN-363J-AU/T
(Strip reeled)
CRIMP TYPE (CONTACT)
■DIMENSIONS
Standard contact (applicable wire: AWG #24 to
#28)
Thick wire connection contact (applicable wire:
AWG #22 to #26)
20.05 (0.789)
20.05 (0.789)
Unit: mm (in.)
■PART NUMBERS
Type
Loose piece
Strip reeled
Plating
Gold plating
Gold plating
Standard
FCN-363J-AU
FCN-363J-AU/R
Thick wire connection contact
FCN-363J-AU/S
FCN-363J-AU/T
■PART NUMBERS OF CRIMPING TOOLS
Part number
FCN-363T-T005/H
(Hand crimping tool)
FCN-363T-T011/H
(Hand crimping tool)
[Hand crimping tool] [Contact withdrawal tool]
10 (0.393)
65 (2.559)
FCN-360T-T001/H
Wire cross-section
area (mm
2
)
0.20 to 0.24
0.13 to 0.16
0.088 to 0.096
0.30 to 0.40
0.20 to 0.24
0.13 to 0.16
Applicable
wire
AWG #24
AWG #26
AWG #28
AWG #22
AWG #24
AWG #26
Crimp height Insulator
diameter
φ1.2 mm
(0.047 in.) max
φ1.2 mm
(0.047 in.) max
φ1.2 mm
(0.047 in.) max
1.25 mm (0.049 in.) to
1.30 mm (0.051 in.)
1.20 mm (0.047 in.) to
1.25 mm (0.049 in.)
1.15 mm (0.045 in.) to
1.20 mm (0.047 in.)
Stripped
length
3.0 mm (0.118 in.) to
4.0 mm (0.157 in.)
3.0 mm (0.118 in.) to
4.0 mm (0.157 in.)
3.0 mm (0.118 in.) to
4.0 mm (0.157 in.)
3.0 mm (0.118 in.) to
4.0 mm (0.157 in.)
3.0 mm (0.118 in.) to
4.0 mm (0.157 in.)
3.0 mm (0.118 in.) to
4.0 mm (0.157 in.)
0.85 mm (0.033 in.) to
0.95 mm (0.037 in.)
0.75 mm (0.029 in.) to
0.85 mm (0.033 in.)
0.73 mm (0.028 in.) to
0.81 mm (0.031 in.)
φ0.9 mm (0.035 in.)
1.8 mm (0.071 in.)
φ0.9 mm (0.035 in.)
1.8 mm (0.071 in.)
φ0.9 mm (0.035 in.)
1.8 mm (0.071 in.)

FCN-360 Series
14
Dimensions are in millimeters (inches) http://us.fujitsu.com/connectors/
Specifications
subject to change
STRAIGHT TYPE (PLUG)
■DIMENSIONS
Unit: mm (in.)
■BOARD MOUTING HOLE LAYOUT
Unit: mm (in.)
D
B
A
C
8.25 (0.324)
2.54 (0.10)
4.2 (0.165)
10.3 (0.405)
4 (0.157)
0.71 (0.027)
φ2.8 (0.110)
2.54 (0.10)
Diagonal length
BA
1
■PART NUMBERS AND DIMENSIONS
Number of
contacts
8
16
24
32
40
48
56
64
Part number
FCN-364P008-AU
FCN-364P016-AU
FCN-364P024-AU
FCN-364P032-AU
FCN-364P040-AU
FCN-364P048-AU
FCN-364P056-AU
FCN-364P064-AU
Dimensions: mm (in.)
A
28.84 (1.135)
39.0 (1.535)
49.16 (1.935)
59.32 (2.335)
69.48 (2.735)
79.64 (3.135)
89.8 (3.535)
99.96 (3.935)
B
23.34 (0.918)
33.5 (1.318)
43.66 (1.718)
53.82 (2.118)
63.98 (2.518)
74.14 (2.918)
84.3 (3.318)
94.46 (3.718)
C
17.84 (0.702)
28.0 (1.102)
38.16 (1.502)
48.32 (1.902)
58.48 (2.302)
68.64 (2.702)
78.8 (3.102)
88.96 (3.502)
D
7.62 (0.3)
17.78 (0.7)
27.94 (1.1)
38.1 (1.5)
48.26 (1.9)
58.42 (2.3)
68.58 (2.7)
78.74 (3.1)
[Board]
D±0.2 (0.007)
±0.15 (0.005)
2.54 (0.10)±0.15(0.009)
φ2.8 (0.110) +0.15(0.005)
–0 hole
Bφ1 (0.039)+0.1(0.0034) hole

FCN-360 Series
15
Dimensions are in millimeters (inches) http://us.fujitsu.com/connectors/
Specifications
subject to change
STRAIGHT TYPE (JACK)
■DIMENSIONS
Unit: mm (in.)
■BOARD MOUTING HOLE LAYOUT
Unit: mm (in.)
D
B
A
C
8.25 (0.324)
2.54 (0.10)
4.2 (0.165)
10.8 (0.425)
5.8 (0.228)
0.71 (0.027)
φ2.8 (0.110)
2.54 (0.10)
6 (0.236)
4 (0.157)
6 (0.236)
AB
Diagonal length
1
■PART NUMBERS AND DIMENSIONS
Number of
contacts
8
16
24
32
40
48
56
64
Part number
FCN-364J008-AU
FCN-364J016-AU
FCN-364J024-AU
FCN-364J032-AU
FCN-364J040-AU
FCN-364J048-AU
FCN-364J056-AU
FCN-364J064-AU
Dimensions: mm (in.)
A
28.84 (1.135)
39.0 (1.535)
49.16 (1.935)
59.32 (2.335)
69.48 (2.735)
79.64 (3.135)
89.8 (3.535)
99.96 (3.935)
B
23.34 (0.918)
33.5 (1.318)
43.66 (1.718)
53.82 (2.118)
63.98 (2.518)
74.14 (2.918)
84.3 (3.318)
94.46 (3.718)
C
17.84 (0.702)
28.0 (1.102)
38.16 (1.502)
48.32 (1.902)
58.48 (2.302)
68.64 (2.702)
78.8 (3.102)
88.96 (3.502)
D
7.62 (0.3)
17.78 (0.7)
27.94 (1.1)
38.1 (1.5)
48.26 (1.9)
58.42 (2.3)
68.58 (2.7)
78.74 (3.1)
[Board]
D±0.2 (0.007)
±0.15 (0.005)
2.54 (0.10) ±0.15(0.009)
φ2.8 (0.110) +0.15(0.005)
–0 hole
Bφ1 (0.039)+0.1(0.0034) hole

RIGHT-ANGLE TYPE (PLUG)
•DIMENSIONS
e e
cc I
/
C
B
•MOUTING HOLE LAYOUT
-2
•PART NUMBERS AND DIMENSIONS
Number of Pa number
contacts A
e
• NOTE
FCN-360 Series
0
•Note on mounting a right-angle plug on a
board
Dimensions: mm (in.)
B C D
://
/
/
16


FCN-360 Series
18
Dimensions are in millimeters (inches) http://us.fujitsu.com/connectors/
Specifications
subject to change
RIGHT-ANGLE TYPE (JACK)
■DIMENSIONS
Unit: mm (in.)
■MOUTING HOLE LAYOUT
■PART NUMBERS AND DIMENSIONS
Number of
contacts
8
16
24
32
40
48
56
64
Part number
FCN-365J008-AU
FCN-365J016-AU
FCN-365J024-AU
FCN-365J032-AU
FCN-365J040-AU
FCN-365J048-AU
FCN-365J056-AU
FCN-365J064-AU
Dimensions: mm (in.)
Unit: mm (in.)
• Note on mounting a right-angle jack on a
board
Mount the connector so that it projects from the
board by at least 5 mm (0.197 in.).
D
C
A
8.25 (0.324)
4 (0.157)
5 (0.196)
11 (0.433)
5 (0.196)
φ2.8 (0.110)
0.8 (0.031)
2.54 (0.10)
2.54 (0.10)
3 (0.118)
8 (0.314)
B
2.54 (0.10)
AB
1
Diagonal length
3.27
(0.128)
±0.15(0.005)
5 (0.196)
[Board]
Edge of board
D
±0.2 (0.007)
±0.15 (0.005)
2.54 (0.10)
±0.15(0.009)
φ2.8 (0.110)
+0.15(0.005)
–0
hole
Bφ1 (0.039)
+0.1(0.0034)
hole
A
28.84 (1.135)
39.0 (1.535)
49.16 (1.935)
59.32 (2.335)
69.48 (2.735)
79.64 (3.135)
89.8 (3.535)
99.96 (3.935)
B
23.34 (0.918)
33.5 (1.318)
43.66 (1.718)
53.82 (2.118)
63.98 (2.518)
74.14 (2.918)
84.3 (3.318)
94.46 (3.718)
C
17.84 (0.702)
28.0 (1.102)
38.16 (1.502)
48.32 (1.902)
58.48 (2.302)
68.64 (2.702)
78.8 (3.102)
88.96 (3.502)
D
7.62 (0.3)
17.78 (0.7)
27.94 (1.1)
38.1 (1.5)
48.26 (1.9)
58.42 (2.3)
68.58 (2.7)
78.74 (3.1)

FCN-360 Series
19
Dimensions are in millimeters (inches) http://us.fujitsu.com/connectors/
Specifications
subject to change
Close-end cover
FCN-367J008-AU/F
FCN-367J016-AU/F
FCN-367J024-AU/F
FCN-367J032-AU/F
FCN-367J040-AU/FW*
FCN-367J048-AU/F
FCN-367J056-AU/F
FCN-367J064-AU/F
IDC TYPE (JACK)
■DIMENSIONS
Unit: mm (in.)
■PART NUMBERS AND DIMENSIONS
Number of
contacts
8
16
24
32
40
48
56
64
Dimensions: mm (in.)
Through-end cover
FCN-367J008-AU/H
FCN-367J016-AU/H
FCN-367J024-AU/H
FCN-367J032-AU/H
FCN-367J040-AU/H
FCN-367J048-AU/H
FCN-367J056-AU/H
FCN-367J064-AU/H
Part number
A
2.54 (0.10)
B
C
2.54 (0.10)
8.25
(0.324)
6 (0.236)
5 (0.196)
11.5 (0.452)
4 (0.157)
A
15.7 (0.618)
A
31 (1.220)
10 (0.393)
φ5 (0.196)
M2.6 (0.102)
[Lock-screw]
[Strain relief]
[Closed-end type]
[Connector cover with IDC holders]
[Connector body]
8.25
(0.324)
5 (0.196)
8.25
(0.324)
6 (0.236)
A
[Through-end type]
4 (0.157)
8.25
(0.324)
5 (0.196)
A
28.84 (1.135)
39.0 (1.535)
49.16 (1.935)
59.32 (2.335)
69.48 (2.735)
79.64 (3.135)
89.8 (3.535)
99.96 (3.935)
B
23.34 (0.918)
33.5 (1.318)
43.66 (1.718)
53.82 (2.118)
63.98 (2.518)
74.14 (2.918)
84.3 (3.318)
94.46 (3.718)
D
7.62 (0.3)
17.78 (0.7)
27.94 (1.1)
38.1 (1.5)
48.26 (1.9)
58.42 (2.3)
68.58 (2.7)
78.74 (3.1)
*: FCN-367J040-AU/F is replaced by part number FCN-367J040-AU/FW, which indicates change of manufacturing location for this device.

FCN-360 Series
20
Dimensions are in millimeters (inches) http://us.fujitsu.com/connectors/
Specifications
subject to change
IDC TOOLS
Special IDC tools are used to assemble FCN-360 series
connectors and flat cables.
■FEATURES
• The mechanisms are simple, so even novices can use
them easily.
• Those who already have Fujitsu-manufactured IDC tools
for other series connectors need only purchase the
locator plate.
The hand press and cable cutter are designed to be used
in common with all connectors.
• The assembly of cables and connectors with various
numbers of contacts can be done by selective setting of
the connector guides to the specified positions.
• The cable cutter has an extremely sharp cutting edge.
Notes: • A detailed operation manual and instruction
manual for IDC tools are available upon request.
• Should any question arise in using the IDC tools,
consult our branch offices or agents in your
area.
Hand press Cable cutter Locator plate (That
for the 790 series
is shown in the
photograph.)
■ORDERING CODES FOR IDC TOOLS
Tool name
Cable cutter (common)
Hand press (common)
Locator plate (for 360 series connectors)
Part number
FCN-707T-T001/H
FCN-707T-T101/H
FCN-367T-T012/H
The hand press and cable cutter can be used for other IDC connectors.
COVER
■COMBINATIONS BETWEEN COVERS AND CONNECTORS
Connector
Cover
FCN-360C■■■■■■-B
FCN-360C■■■■■■-C
FCN-360C■■■■■■-D
FCN-360C■■■■■■-E
FCN-360C064-F
FCN-360C040-G1
FCN-360C040-H/E
FCN-360C040-J1
Plug
Soldering
Wire-wrapping
CrimpingSoldering
Jack
8 16 24 32 40 48 56 64
Number of contacts
These covers cannot be used for IDC connectors.

FCN-360 Series
21
Dimensions are in millimeters (inches) http://us.fujitsu.com/connectors/
Specifications
subject to change
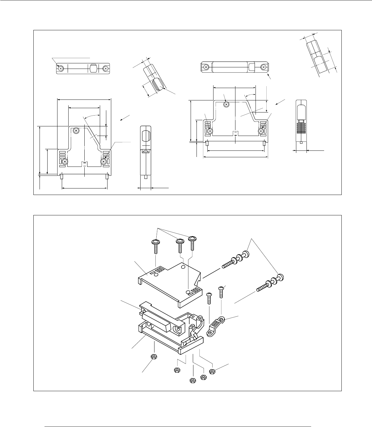
COVER (TYPE B)
■DIMENSIONS
Unit: mm (in.)
■EXPLODED VIEW
■PART NUMBERS AND DIMENSIONS
Number of
contacts
8
16
24
32
40
48
56
64
Part number
FCN-360C008-B
FCN-360C016-B
FCN-360C024-B
FCN-360C032-B
FCN-360C040-B
FCN-360C048-B
FCN-360C056-B
FCN-360C064-B
Dimensions: mm (in.)
B
23.34 (0.918)
33.50 (1.318)
43.66 (1.718)
53.82 (2.118)
63.98 (2.518)
74.14 (2.918)
84.30 (3.318)
94.46 (3.718)
F
32.08 (1.262)
42.24 (1.662)
52.40 (2.062)
62.56 (2.462)
72.72 (2.862)
82.88 (3.262)
93.04 (3.662)
103.20 (4.062)
G
—
—
—
2.0 (0.078)
6.0 (0.236)
10.0 (0.393)
14.0 (0.551)
18.0 (0.708)
H
φ 5.7 (0.224)
φ 5.7 (0.224)
φ 8.0 (0.314)
8.0 (0.314)
8.0 (0.314)
8.0 (0.314)
8.0 (0.314)
8.0 (0.314)
Two M2 mm (0.079 in.)
thread × 8 mm (0.315 in.)
long pan head machine
screws (shorter)
Four M2 mm (0.079 in.) thread nuts
Two washers
Case
Connector
Two lock-screws
Two M2 mm (0.079 in.) thread × 10 mm (0.394 in.)
long pan head machine screws (longer)
Note: The screws, nuts, washers, and lock-screws
are attached to the cover.
G
R
H
F
B
28 (1.102)
37 (1.456)
46 (1.811)
1 (0.039)
14 mm (0.551 in.) max
10.3 (0.405)
FUJITSU
R: 2.84 mm (0.112 in.) (8 and 16 contacts)
R: 4.0 mm (0.157 in.) (24 to 64 contacts)

FCN-360 Series
22
Dimensions are in millimeters (inches) http://us.fujitsu.com/connectors/
Specifications
subject to change
COVER FOR CABLE TO CABLE CONNECTION (TYPE C)
■DIMENSIONS
Unit: mm (in.)
G
R
H
F
28 (1.102
46 (1.811)
1
(0.039)
14 mm (0.551 in.) max.
10.3 (0.405)
FUJITSU
Metal fittings
Note: This cover can be
combined with a cover of
type B, D, or E for cable-
to-cable connection.
■EXPLODED VIEW
Two M2 mm (0.079 in.)
thread × 8 mm (0.315 in.)
long pan head machine
screws (shorter)
Four M2 mm (0.079 in.) thread nuts
Two washers
Case
Connector
Two M2 mm (0.079 in.)
thread × 10 mm (0.394 in.)
long pan head machine
screws (longer)
Two screws for mounting
metal fittings
Connector
Two metal fittings
■PART NUMBERS AND DIMENSIONS
Note: The screws, nuts, washers, and accessory
are attached to the cover.
Number of
contacts
8
16
24
32
40
48
56
64
Part number
FCN-360C008-C
FCN-360C016-C
FCN-360C024-C
FCN-360C032-C
FCN-360C040-C
FCN-360C048-C
FCN-360C056-C
FCN-360C064-C
Dimensions: mm (in.)
R: 2.84 mm (0.112 in.) (8 and 16 contacts)
R: 4.0 mm (0.157 in.) (24 and 64 contacts)
H
φ 5.7 (0.224)
φ 5.7 (0.224)
φ 8.0 (0.314)
8.0 (0.314)
8.0 (0.314)
8.0 (0.314)
8.0 (0.314)
8.0 (0.314)
G
—
—
—
2.0 (0.078)
6.0 (0.236)
10.0 (0.393)
14.0 (0.551)
18.0 (0.708)
F
32.08 (1.262)
42.24 (1.662)
52.40 (2.062)
62.56 (2.462)
72.72 (2.862)
82.88 (3.262)
93.04 (3.662)
103.20 (4.062)

FCN-360 Series
23
Dimensions are in millimeters (inches) http://us.fujitsu.com/connectors/
Specifications
subject to change
Four M2 mm (0.079 in.)
thread × 8 mm (0.315 in.)
long pan head machine
screws (shorter)
Four M2 mm (0.079 in.) thread nuts
Two cable clamps
Case
Connector
Two lock-screws
COVER (WIDE OPENING TYPE) (TYPE D)
■DIMENSIONS
Unit: mm (in.)
■EXPLODED VIEW
Note: The screws, nuts, cable clamp, and lock-
screws are attached to the cover.
I
Cable clamp
7.5
(0.295)
F
B
37 (1.456)
14 mm (0.551 in.) max.
FUJITSU
10.5
(0.413)
28 (1.102)
46 (1.811)
1 (0.039)
10.3 (0.405)
■PART NUMBERS AND DIMENSIONS
Number of
contacts
40
48
56
64
Part number
FCN-360C040-D
FCN-360C048-D
FCN-360C056-D
FCN-360C064-D
Dimensions: mm (in.)
B
63.98 (2.518)
74.14 (2.918)
84.30 (3.318)
94.46 (3.718)
F
72.72 (2.862)
82.88 (3.262)
93.04 (3.662)
103.20 (4.062)
I
8.0 (0.314)
12.0 (0.472)
16.0 (0.629)
20.0 (0.789)

FCN-360 Series
24
Dimensions are in millimeters (inches) http://us.fujitsu.com/connectors/
Specifications
subject to change
COVER (LONG-SCREW TYPE) (TYPE E)
■DIMENSIONS
Unit: mm (in.)
■EXPLODED VIEW
■PART NUMBERS AND DIMENSIONS
Number of
contacts
8
16
24
32
40
48
56
64
Part number
FCN-360C008-E
FCN-360C016-E
FCN-360C024-E
FCN-360C032-E
FCN-360C040-E
FCN-360C048-E
FCN-360C056-E
FCN-360C064-E
Dimensions: mm (in.)
Note: The screws, nuts, washers, and lock-screws
are attached to the cover.
Two M2 mm (0.079 in.)
thread × 8 mm (0.315 in.)
long pan head machine
screws (shorter)
Four M2 mm (0.079 in.) thread nuts
Two washers
Case
Connector
Two lock-screws
Two M2 mm (0.079 in.) thread ×10 mm (0.394 in.)
long pan head machine screws (longer)
R: 2.84 mm (0.112 in.) (8 and 16 contacts)
R: 4.0 mm (0.157 in.) (24 and 64 contacts)
H
φ 5.7 (0.224)
φ 5.7 (0.224)
φ 8.0 (0.314)
8.0 (0.314)
8.0 (0.314)
8.0 (0.314)
8.0 (0.314)
8.0 (0.314)
B
23.34 (0.918)
33.50 (1.318)
43.66 (1.718)
53.82 (2.118)
63.98 (2.518)
74.14 (2.918)
84.30 (3.318)
94.46 (3.718)
F
32.08 (1.262)
42.24 (1.662)
52.40 (2.062)
62.56 (2.462)
72.72 (2.862)
82.88 (3.262)
93.04 (3.662)
103.20 (4.062)
G
—
—
—
2.0 (0.078)
6.0 (0.236)
10.0 (0.393)
14.0 (0.551)
18.0 (0.708)
G
R
H
F
B
14 mm (0.551 in.) max.
FUJITSU
53 (2.086)
28 (1.102)
46 (1.811)
1 (0.039)
10.3 (0.405)

FCN-360 Series
25
Dimensions are in millimeters (inches) http://us.fujitsu.com/connectors/
Specifications
subject to change
COVER (STRAIGHT CABLE-OUT COVER) (TYPE F)
■DIMENSIONS
Unit: mm (in.)
■EXPLODED VIEW
■PART NUMBER
FCN-360C064-F
Note: The screws, nuts, cable clamps, and lock-
screws are attached to the cover.
Six M2 mm (0.079 in.)
thread × 8 mm (0.315 in.)
long pan head machine
screws
Six M2 mm (0.079 in.) thread nuts
Case
Connector
Two lock-screws
Two cable clamps
6 (0.236)
103.2 (4.062)
30.5 (1.200)
28 (1.102)
46 (1.811)
55 (2.165)
1 (0.039)
14 mm (0.551 in.) max.
10.3 (0.405)
FUJITSU
10 (0.393)
8 (0.314)
37 (1.456)
94.46 (3.718)
17.5 (10.688)
19.5 (0.767)
Section S
Detail of section S

FCN-360 Series
26
Dimensions are in millimeters (inches) http://us.fujitsu.com/connectors/
Specifications
subject to change
COVER (RIGHT ANGLE CABLE-OUT COVER) (TYPE G1)
■DIMENSIONS
Unit: mm (in.)
■EXPLODED VIEW
Case
Connector
Two M2.6 mm (0.102 in.) thread × 8 mm (0.315 in.)
long pan head machine screws
Two cable clamps
Case
Slider
■LOCKED STATE ■METAL FITTINGS
Metal fittings
FCN-360A11
PC board 1 mm (0.039 in.) min.
F
6 (0.236)
Note: After connectors are mated, moving the
slider locks the connectors.
Note: The FCN-360
A11-metal-
fittings are
used for this
cover.
■PART NUMBER
FCN-360C040-G1
F
17 (0.669)
10
(0.393)
81.48 (3.207)
17
(0.669) 19
(0.748) 6 (0.236)
20 (0.787)
14.65 (0.576)
20 (0.787)
ø9 (0.354)

FCN-360 Series
27
Dimensions are in millimeters (inches) http://us.fujitsu.com/connectors/
Specifications
subject to change
COVER (RIGHT ANGLE CABLEOUT COVER) (TYPE H/E)
■DIMENSIONS
Unit: mm (in.)
■EXPLODED VIEW
Material: Zync die cast
Plating: Nickel plating
1 (0.039)
F
1 (0.039)
17
(0.669)
63.98 (2.518)
43.98 (1.731)
72.48 (2.853)
1 (0.039) 46 (1.811)
19 (0.748)
12 (0.472)
10 (0.393)
M2.5 (0.098) × 8 (0.314)
M2.5 (0.039)
φ11 (0.433)
Cable hole
Through-hole
■PART NUMBER
FCN-360C040-H/E
Note: The screws, cable clamp, and lock-screws
are attached to the cover.
Case
Connector
Two lock-screws
Two M2.5 mm (0.098 in.) thread × 8 mm (0.315 in.)
long pan head machine screws
Cable clamp
Two M2.5 mm (0.098 in.) thread × 5 mm (0.197 in.)
long pan head machine screws

FCN-360 Series
28
Dimensions are in millimeters (inches) http://us.fujitsu.com/connectors/
Specifications
subject to change
COVER (OBTUSE ANGLE CABLE-OUT COVER (40 CONTACTS ONLY)) (TYPE J1)
■DIMENSIONS
Unit: mm (in.)
■EXPLODED VIEW
Case
Connector
Cable clamp
Three M2 mm (0.079 in.) thread × 14 mm (0.551 in.)
long screws
Case
Two M2.6 mm (0.102 in.) thread × 25 mm (0.984 in.)
long screws
Two M2.6 mm (0.102 in.)
thread × 12 mm (0.472 in.)
long screws
Two M2.6 mm (0.102 in.) thread nuts
Three M2 mm (0.079 in.) thread nuts
■PART NUMBER
FCN-360C040-J1
F
63.98 (2.518)
24 (0.944)
46 (1.811)1 (0.039)
7
71.73 (2.824) 10.3 (0.405)
20 (0.787)
M2 (0.078) × 14 (0.511)
Three screws
M2.6 (0.102) × 25 (0.984)
Two screws
Cable hole
φ12 (0.472)

FCN-360 Series
29
Dimensions are in millimeters (inches) http://us.fujitsu.com/connectors/
Specifications
subject to change
LOW PROFILE COVER (OBTUSE ANGLE CABLE -OUT) (TYPE J2)
■DIMENSION
Unit: mm (in.)
■EXPLODED VIEW
Case
Connector
Cable clamp
Three M2 mm (0.079 in.) thread
×8 mm (0.315 in.) long screws
Case
Two M2.6 mm (0.102 in.) thread
×25 mm (0.984 in.) long screws
Two M2.6 mm (0.102 in.)
thread ×6 mm (0.236 in.)
long screws
Two M2.6 mm (0.102 in.) thread nuts
Three M2 mm (0.079 in.) thread nuts
■PART NUMBER
FCN-360C024-J2
FCN-360C040-J2
F
46 (1.811)
M2 (0.078)
M2.6 mm (0.102 in.) thread
machine screw with washer
10.3 (0.405)
51.41 (2.024)
29.66 (1.167)
1 (0.039)
24 (0.944)
9.5 (0.374)
30˚
43.66 (1.718)
12
6 (MAX)
5 (MIN)
View from B
R4
F
2225
12.75
20°
B
63.98
71.73
B
8.70
17.9
View from B
M2.6 mm machine
screw with washer
M2 (0.078)
M2 (0.078)
46 (1.811)
1 (0.039) 24 (0.944)
M2 (0.078)
10.3 (0.405)
Part number: FCN-360C024-J2 (24 contacts) Part number: FCN-360C040-J2 (40 contacts)

FCN-360 Series
30
Dimensions are in millimeters (inches) http://us.fujitsu.com/connectors/
Specifications
subject to change
ACCESSORIES
■MOUNTING SYLE
[Right-angle mounting metal fitting]
M2.6 × 10
Metal fitting Plug or jack
PCB
Jack with cover or
plug with cover
Note: The M2.6 mm (0.102 in.) thread ×
10 mm (0.394 in.) long machine screw
shall be separately prepared.
Jack with cover
Plug
PCB
Metal fitting
[Straight mounting metal fitting]
M2.6 × 8
Note: The M2.6 mm (0.102 in.) thread ×
8 mm (0.315 in.) long machine screw
shall be separately prepared.
[Straight mounting round metal fitting]
Metal fitting
M2.6 × 8
PCB
Plug or jack
Jack with cover or
plug with cover
Note: The M2.6 mm (0.102 in.) thread ×
8 mm (0.315 in.) long machine screw
shall be separately prepared.
■SELECTION OF METAL FITTINGS ACCORDING TO COMBINATION OF CONNECTORS
AND COVERS
361P
362P
364P
365P
361J
With cover
FCN-360A4
FCN-360A1
FCN-360A1
FCN-360A2
Without cover
FCN-360A5
FCN-360A6
FCN-360A6
FCN-360A3
362J
With cover
FCN-360A4
FCN-360A1
FCN-360A1
FCN-360A2
Without cover
FCN-360A5
FCN-360A6
FCN-360A6
FCN-360A3
363J
With cover
FCN-360A4
FCN-360A1
FCN-360A1
FCN-360A2
Without cover
FCN-360A5
FCN-360A6
FCN-360A6
FCN-360A3
364J
With cover
FCN-360A4
FCN-360A1
FCN-360A1
FCN-360A2
Without cover
FCN-360A5
FCN-360A6
FCN-360A6
FCN-360A3
367J
With cover
—
—
—
—
Without cover
FCN-360A5
FCN-360A6
FCN-360A6
FCN-360A3
Cover mounting sideJack
Plug
Metal
fitting
mounting
side
Metal
fitting part
number
361J
362J
363J
364J
365J
367J
361P
With cover
FCN-360A4
FCN-360A4
FCN-360A4
FCN-360A4
FCN-360A10
(FCN-360A8)
FCN-360A4
Without cover
FCN-360A5
FCN-360A5
FCN-360A5
FCN-360A5
FCN-360A9
FCN-360A5
Cover mounting sidePlug
Jack
361P
With cover
—
—
—
—
—
—
Without cover
FCN-360A7
FCN-360A7
FCN-360A7
FCN-360A7
FCN-360A9
FCN-360A7
364P
With cover
—
—
—
—
—
—
Without cover
FCN-360A7
FCN-360A7
FCN-360A7
FCN-360A7
FCN-360A9
FCN-360A7
Metal
fitting
mounting
side
Metal
fitting part
number
Note: When the jack or plug without a cover (shaded part) is used, have M2.6 × 8 mm machine screws ready
inorder to tighten the connector.

FCN-360 Series
31
Dimensions are in millimeters (inches) http://us.fujitsu.com/connectors/
Specifications
subject to change
Shape
Unit: mm (in.)
Shape
Unit: mm (in.)
■SHAPES AND DIMENSIONS OF METAL FITTINGS
1.Straight Mounting Metal Fittings
Part number
Symbol
A
FCN-360A1
5.3 (0.208)
FCN-360A6
6.3 (0.248)
2.Right-angle Mounting Metal Fittings
Part number
Symbol
B
C
FCN-360A2
3 (0.118)
9 (0.354)
FCN-360A3
4 (0.157)
10 (0.393)
Shape
Unit: mm (in.)
Part number
Symbol
B
C
FCN-360A8
5.3 (0.208)
13.3 (0.523)
FCN-360A9
6.3 (0.248)
14.3 (0.526)
Shape
Unit: mm (in.)
Part number
Symbol FCN-360A10
Unit: mm (in.)
Part number
Symbol FCN-360A11
Unit: mm (in.)
3.Straight Mounting Round Metal Fittings
Part number
Symbol
D
FCN-360A4
7.1(0.279)
FCN-360A5
9.9 (0.389)
FCN-360A7
8.1 (0.318)
A5.5 (0.216)
8.25
(0.326)
M2.6 (0.102)
B
C
4 (0.157)
5.5
(0.216)
7
(0.275)
M2.6 (0.102)
B
C
4 (0.157)
5.4
(0.212)
7.5
(0.295)
M2.6 (0.102)
4
(0.157)
5.3 (0.208)
7.5
(0.295)
M2.6 (0.102)
M2.6 (0.102)
5.5
(0.216)
4.6
(0.181)
8.1
(0.318)
1
(0.039)
4 (0.157)
7
(0.275)
M2.6 (0.102)
5.5 (0.216)
6
(0.236)
1
(0.039)
3 (0.118)
D5.25 (0.206)
M2.6 (0.102)
6
(0.236)

FCN-360 Series
32
Dimensions are in millimeters (inches) http://us.fujitsu.com/connectors/
Specifications
subject to change
Contact
Copyright
All trademarks or registered trademarks are the property of their respective owners. Fujitsu Components America or its affiliates do not warrant that the content of datasheet
is error free. In a continuing effort to improve our products Fujitsu Components America, Inc. or its affiliates reserve the right to change specifications/datasheets without
prior notice. Copyright ©2017 Fujitsu Components America, Inc. All rights reserved. Revised May 16, 2017.
Japan
FUJITSU COMPONENT LIMITED
Shinagawa Seaside Park Tower
12-4, Higashi-shinagawa 4-chome,
Tokyo 140 0002, Japan
Tel: (81-3) 3450-1681
Fax: (81-3) 3474-2385
Email: fcl-contact@cs.jp.fujitsu.com
Web: www.fujitsu.com/jp/group/fcl/en/
North and South America
FUJITSU COMPONENTS AMERICA, INC.
2290 North First Street, Suite 212
San Jose, CA 95131 U.S.A.
Tel: (1-408) 745-4900
Fax: (1-408) 745-4970
Email: components@us.fujitsu.com
Web: http://us.fujitsu.com/components/
Europe
FUJITSU COMPONENTS EUROPE B.V.
Diamantlaan 25
2132 WV Hoofddorp
Netherlands
Tel: (31-23) 5560910
Fax: (31-23) 5560950
Email: info@fceu.fujitsu.com
Web: emea.fujitsu.com/components/
Asia Pacic
FUJITSU COMPONENTS ASIA, Ltd.
102E Pasir Panjang Road
#01-01 Citilink Warehouse Complex,
Singapore 118529
Tel: (65) 6375-8560 / Fax: (65) 6273-3021
Email: fcal@sg.fujitsu.com
www.fujitsu.com/sg/products/devices/
components/
China
FUJITSU ELECTRONIC COMPONENTS
(SHANGHAI) CO., LTD.
Unit 4306, InterContinental Center
100 Yu Tong Road, Shanghai 200070, China
Tel: (86 21) 3253 0998 /Fax: (86 21) 3253 0997
Email: fcal@sg.fujitsu.com
www.fujitsu.com/sg/products/devices/
components/
Hong Kong
FUJITSU COMPONENTS HONG KONG Co., Ltd.
Room 06, 28/F, Greeneld Tower, Concordia
Plaza, No.1 Science Museum Road,
Tsim Sha Tsui East, Kowloon, Hong Kong
Tel: (852) 2881 8495 Fax: (852) 2894 9512
Email: fcal@sg.fujitsu.com
www.fujitsu.com/sg/products/devices/
components/
Korea
FUJITSU COMPONENTS KOREA, LTD.
Alpha Tower #403,
645 Sampyeong-dong,
Bundang-gu, Seongnam-si,
Gyeonggi-do, 13524 Korea
Tel: (82 31) 708-7108
Fax: (82 31) 709-7108
Email: fcal@sg.fujitsu.com
www.fujitsu.com/sg/products/
devices/components/