Furuno USA 9ZWRTR064A Marine Radar User Manual
Furuno USA Inc Marine Radar
Contents
inst manual

Installation Manual
MARINE RADAR
MODEL1835/1935/1945
SAFETY INSTRUCTIONS.............................................................................................................i
SYSTEM CONFIGURATION........................................................................................................ ii
EQUIPMENT LISTS .................................................................................................................... iii
1. HOW TO INSTALL THE SYSTEM.....................................................................................1-1
1.1 Display Unit...............................................................................................................1-1
1.2 Antenna Unit for MODEL1835 ..................................................................................1-3
1.3 Antenna Unit for MODEL1935/1945 .........................................................................1-9
2. CABLE CONNECTION .........................................................................................................2-1
2.1 Standard Connection ................................................................................................2-1
2.2 Data Signal Port........................................................................................................2-2
3. HOW TO SET THE EQUIPMENT..........................................................................................3-1
3.1 How to Set the Language..........................................................................................3-1
3.2 How to Set the Purpose and Model ..........................................................................3-2
3.3 How to Enter the Initial Settings................................................................................3-3
4. OPTIONAL EQUIPMENT......................................................................................................4-1
4.1 ARP Kit ARP-11........................................................................................................4-1
4.2 Connection of Buzzer and/or Remote Display ..........................................................4-4
PACKING LISTS ...................................................................................................................... A-1
OUTLINE DRAWINGS ............................................................................................................. D-1
INTERCONNECTION DIAGRAMS ...........................................................................................S-1
www.furuno.co.jp
All brand and product names are trademarks, registered trademarks or service marks of their respective holders.

i
SAFETY INSTRUCTIONS
WARNING
Radio Frequency
Radiation Hazard
Do not open the equipment
unless totally familiar with
electrical circuits and
service manual.
Only qualified personnel
should work inside the
equipment.
Wear a safety belt and hard
hat when working on the
antenna unit.
Serious injury or death can
result if someone falls from
the radar mast.
WARNING
Construct a suitable service platform
from which to install the antenna unit.
Serious injury or death can result if some-
one falls from the radar mast.
Turn off the power at the mains switch-
board before beginning the installation.
Fire, electrical shock or serious injury can
result if the power is left on or is applied
while the equipment is being installed.
ELECTRICAL
SHOCK
HAZARD
Observe the following compass safe
distances to prevent deviation of a
magnetic compass.
Standard Steering
Display unit
0.45 m 0.30 m
CAUTION
CAUTION
Ground the equipment to
prevent electrical shock and
mutual interference.
M1835 Antenna unit
0.90 m 0.70 m
MODEL
Distance to
100 W/m
2
point
Distance to
10 W/m
2
point
MODEL
1835
M1935 Antenna unit
M1945 Antenna unit
Unit
1.00 m
1.00 m
0.75 m
0.75 m
MODEL
1935
MODEL
1945
Worse case
0.1 m
Worse case
1.2 m
Worse case
1.7 m
Worse case
1.0 m
Note: If the antenna unit is installed at a
close distance in front of the wheel house,
your administration may require halt of
transmission within a certain sector of
antenna revolution. This is possible - Ask
your FURUNO representative or dealer to
provide this feature.
The radar antenna emits
electromagnetic radio
frequency (RF) energy
which can be harmful,
particularly to your eyes.
Never look directly into the
antenna aperture from a
close distance while the
radar is in operation or
expose yourself to the
transmitting antenna at a
close distance.
Distances at which RF
radiation levels of 100, 50 and
10 W/m2 exist are given in the
table below.
Distance to
50 W/m
2
point
Worse case
0.0 m
Worse case
0.2 m
Worse case
0.2 m

ii
SYSTEM CONFIGURATIONS
12 - 24 VDC
Display unit
RDP-152
100/110/220/230 VAC
for M1835
External buzzer
Echo sounder
GPS navigator
AIS, etc.
Rectifier
PR-62
Remote display
: Basic configuration
Heading sensor
MODEL 1835
Antenna unit
RSB-0071-057A
Echo sounder
GPS navigator
AIS, etc.
ECONOMY
RANGE
TLL
GAIN
TRAILS
OFF
CENTER
TARGET
ALARM
STBY
T X
A/C SEA
A/C RAIN
CUSTOM
MENU
CANCEL
EBL VRM
HL OFF
ENTER
R
B
L
L
I
MODEL 1945
Antenna unit
XN-12A
RSB-0070/0073-059A
MODEL 1935
Antenna unit
XN-10A
RSB-0070/0073-064A
100/110/115/220/230 VAC
for M1935/1945
Rectifier
RU-3423

iii
EQUIPMENT LISTS
Standard supply
Note: The name for MODEL1835, MODEL1935, MODEL1945 is shortened to M1835, M1935,
M1945 in this manual.
Name Type Code No. Qty Comment
Display unit RDP-152 - 1
Antenna unit RSB-0071-057A
-
1
Unit for M1835
XN10A-RSB-0070-064A Unit for M1935, 24 RPM
XN10A-RSB-0073-064A Unit for M1935, 48 RPM
XN12A-RSB-0070-059A Unit for M1945, 24 RPM
XN12A-RSB-0073-059A Unit for M1945, 48 RPM
Installation
materials
CP03-21800 000-080-014
1
10 m Signal cable for M1835
CP03-21810 000-080-015 15 m Signal cable for M1835
CP03-21820 000-080-016 20 m Signal cable for M1835
CP03-21830 000-080-017 30 m Signal cable for M1835
CP03-33000 000-014-604 5 m Signal cable for M1935/
1945
CP03-33010 000-014-605 10 m Signal cable for M1935/
1945
CP03-33020 000-014-606 15 m Signal cable for M1935/
1945
CP03-33030 000-014-607 20 m Signal cable for M1935/
1945
CP03-33040 000-014-608 30 m Signal cable for M1935/
1945
CP03-32901 001-058-460 1 set Flush mounting sponge
02-160-120 1pc,
Self-tapping screw
5x20 SUS304 4 pcs
MJ-A3SPF0017-050ZC 000-157-995-10 1 5 m power cable with 10 A
fuse
CP03-16901 -
1 set
For antenna unit of M1835
CP03-18401 - For antenna unit of M1935/
1945
Accessories FP03-11601 001-058-470 1 set LCD cleaning cloth
02-155-1082 1 pc
Spare parts SP03-12200 000-086-965 1 set Fuse label
03-129-1512 1 pc,
Fuse FGBO 125V 10A PBF
2pcs
Fuse FGBO 125V 5A PBF
2 pcs

iv
Optional supply
Name Type Code No. Qty Comment
Rectifier PR-62 - 1 For M1835
RU-3423 - For M1935/1945
External buzzer OP03-21 000-030-097 1
Cable assy. MJ-B24LPF0010-100+R 000-147-880-12 1 For remote display, 10 m
MJ-B24LPF0010-200+R 000-147-881-12 1 For remote display, 20 m
MJ-B24LPF0010-300+R 000-147-882-12 1 For remote display, 30 m
MJ-A10SPFW0001+R 000-170-478-10 1 Two-way cable for remote
display/external buzzer
MJ-A6SPF0007-100C 000-159-695-10 1 For heading sensor, 10 m
MJ-A7SPF0007-050C 000-154-028-10 1 Used for navaid and
external buzzer, 5 m
ARP kit ARP-11 008-523-050 1 ARP Board
Mounting
bracket
OP03-92 008-445-070 1 For antenna unit of
M1835

1-1
1. HOW TO INSTALL THE SYSTEM
1.1 Display Unit
Select a location for the display unit by following the information shown below.
• The unit is waterproof, but FURUNO recommends that you install the display unit in a cabinet.
• Keep the unit away from direct sunlight.
• The temperature and humidity must meet the requirements shown in the equipment specifica-
tions.
• Set the unit away from the exhaust pipes and vents.
• The installation location must have enough cool air.
• Install the unit where shock and vibration meet the requirements shown in the equipment spec-
ifications. If there is heavy vibration, vertically install the display unit on the hanger.
• Keep the unit away from the equipment that creates an electromagnetic field, for example, a
motor and generator.
• For maintenance and checking, leave enough space at the sides and rear of the unit referring
to the outline drawing and provide some additional length in cables.
• Follow the recommended compass safe distances shown on page i to prevent the interference
to a magnetic compass.
How to install the display unit
How to install the display unit on a desktop or the overhead
Follow the procedure shown below to install the display unit on a desktop or the overhead.
See the outline drawing on page D-3 for details.
1. Fasten the hanger with four self-tapping screws.
2. Set the knob bolts into the display unit.
3. Set the display unit to the hanger, and tighten the knob bolts.
4. Attach the hard cover to protect the LCD.
Note: For the overhead installation, make sure the location is strong enough to hold the unit. If
necessary, fasten the hanger with the bolts, nuts and washers (local supply).

1-2
How to install the display unit in a console
Follow the procedure shown below to install the display unit in a console.
1. Prepare a hole in the location whose dimensions are 274 (W) x 252 (H) mm.
2. Make four pilot holes. See the outline drawing at the back of this manual for additional infor-
mation.
3. Set a flush mount sponge supplied as an installation materials to the backside of the unit.
4. Set the unit to the hole.
5. Open the four covers and fasten the unit with four self-tapping screws (5 x 20) supplied.
4 - PILOT HOLES
Cutout dimensions
R12.5
63 (2.48")
Side view
Cover
287.6±0.5 (11.32")
274±1 (10.79")
252±1 (9.92")
160±0.5 (6.30")
R0.49"

1-3
1.2 Antenna Unit for MODEL1835
How to select the location for the antenna unit
When you select an installation location for the antenna unit, remember the following points.
• Install the antenna unit on a solid location, for example radar arch or on a mast on a platform.
(For sailboats, a mounting bracket is optionally available.) You must put the antenna unit where
there is a good complete view. Make sure that no part of the superstructure is within the scan-
ning beam. Any obstruction causes shadow sectors. For example, a mast with a diameter
smaller than the horizontal beamwidth causes only a small blind sector. A horizontal spreader
or crosstrees in the same horizontal plane creates a large obstruction. Install the antenna unit
above a horizontal spreader or crosstrees.
Normal position of the antenna unit on the sailboat and powerboat
To reduce the electrical interference, do not run the antenna cable near other electrical equipment.
Also do not run the cable in parallel to power cables.
Make sure that you follow the compass safe distance shown on page i to prevent the interference
to a magnetic compass.
Antenna unit
Antenna unit
Antenna unit
A
ntenna unit

1-4
How to install the antenna unit
1. Open the packing box of the antenna unit with great caution.
2. Loosen the four bolts at the base of the radome to remove the radome cover.
Antenna unit
The location where you install the antenna unit must be parallel to the waterline. Make five
holes in the installation location. See the outline drawing at the end of this manual for dimen-
sions. A target echo returned from the bow direction must be shown on the zero degree posi-
tion on the screen. When you make holes, make sure the holes are parallel to the fore-and-aft
line.
3. Prepare a platform of 5 to 10 millimeters in thickness for the antenna unit.
The optional mounting bracket lets you install the antenna unit on a sailboat mast. (Refer to
page 1-8 for information.) Find the cable entry on the radome base. Set the radome base so
that the cable entry is toward the stern.
Antenna unit, cover removed
Radome cover
Flat washer
Spring washer
M10 x 25 Hex bolt Platform
4- 12 Holes
Ship's bow
1- 20 Hole
Cable entry

1-5
How to fasten the radome base to the platform
Wiring and preparation
4. Make a hole of at least 20 millimeters in diameter through the deck or bulkhead to run the sig-
nal cable. (To prevent electrical interference, do not run the signal cable near other electrical
equipment. Do not run the cable in parallel to power cables.) Set the cable through the hole.
Close the hole with the sealing compound for waterproofing.
5. Remove three shield covers in the radome.
6. Loosen four screws and remove the cable clamping plate and the gasket.
Antenna unit, inside view
7. Set the signal cable through the hole at the bottom of the radome base.
8. Fasten the signal cable with the cable clamping plate and gasket. Connect the shield and vinyl
wire to the ground by one of the screws of the cable clamping plate.
9. Connect the wire to the RF unit, referring to the illustration on the next page.
Flat
washer
Spring
washer
Platform
Antenna base plate
M10 x 25
Hex bolt
Radome
5 - 10 mm
Apply silicone sealant.
Effective
thread length
25 mm
Gasket
Shield cover
Shield cover
Screws
7 pcs.
Screws
7 pcs.
Screws
6 pcs.
Screws
4 pcs.
Gasket
Cable clamping plate

1-6
Signal cable, the side of antenna unit
RF unit
to one of the screws
of the cable clamping plate
9-pin connector:
to J801 on MD-9208
4-pin connector:
to J802 on MD-9208
13-pin connector:
to J611 on 03P9522
J802
J801
J611
MD-9208
03P9522
PTU-9335
Cable
entry

1-7
10. Attach the EMC core supplied as shown below.
How to attach EMC core
11.Attach the shield covers. Make sure the cable is not caught by the cover.
12.Attach the radome cover. Align the triangle mark on radome cover with that on radome base.
How to attach the radome cover
13.Fasten the radome bolts.
J806
J805
J803
J804
J802
J801
Motor
J613
J611
J1
EMC core
E04SS251512
(Above cable
clamping
plate)
Cable
entrance
03P9522
PTU-9335
MD9208
Cable
clamping plate
Radome cover
Radome base

1-8
How to install the optional mounting bracket
The optional mounting bracket lets you fasten the antenna unit to a mast on a sailboat.
Mounting bracket kit
Type: OP03-92
Code No.: 008-445-070
Assemble the mounting bracket and fasten the mounting bracket to a mast. Fasten the antenna
unit to the bracket.
How to assemble and install the optional mounting bracket
Table Contents of mounting bracket kit
Type Code Qty
Hex head bolt M4x12 000-162-956-10 4
Hex head bolt M8x20 000-162-955-10 8
Mounting plate 03-018-9001-0 100-206-740-10 1
Support plate (1) 03-018-9005-0 100-206-780-10 1
Support plate (2) 03-018-9006-0 100-206-790-10 1
Bracket (1) 03-018-9002-1 100-206-751-10 1
Bracket (2) 03-018-9003-1 100-206-761-10 1
Fixing plate 03-018-9004-1 100-206-771-10 2
Support plate
(A) Assembling the mounting bracket (B) Fastening antenna to mounting bracket

1-9
1.3 Antenna Unit for MODEL1935/1945
How to select the location for the antenna unit
• The antenna unit is installed either on top of the wheelhouse or a platform on the radar mast.
Install the antenna unit where there is a good complete view. Any obstruction causes blind sec-
tors. For example, a mast with a diameter smaller than the horizontal beamwidth of the radiator
causes only a small blind sector. A horizontal spreader or crosstrees in the same horizontal
plane creates a large obstruction. Install the antenna unit above, or below a horizontal spreader
or crosstrees.
• You cannot put the antenna unit where there is a completely clear view in all directions. Make
sure you check for blind sectors on the radar screen after you have installed the radar.
• To reduce the electrical interference, do not run the signal cable near other electrical equip-
ment. Also do not run the cable in parallel to power cables.
• A magnetic compass gives error if the antenna unit is installed near the magnetic compass.
Follow the compass safe distances shown in the SAFETY INSTRUCTIONS to prevent the
interference to a magnetic compass.
• Do not apply paint to the radiator aperture. The radar wave cannot be transmitted if there is
paint on the radiator.
• If this radar is installed on a large vessel, follow the points shown below:
• The length of the signal cable between the antenna unit and the display unit is max. 30 m.
• The output from a funnel or exhaust vent decreases aerial performance and hot gases can
damage the radiator. The antenna unit must not be installed where the temperature is more
than 55°C.
• The antenna unit can be installed on the bridge, a common mast, or the radar mast.
(a) On bridge
(c) Radar mast
(b) Common mast

1-10
Installation procedure
Refer to the outline drawing at the back of this manual for the dimensions. Make five holes in the
platform. Four holes to fasten the antenna unit and one hole for the signal cable.
How to fasten the radiator to the radiator bracket
See the packing list at the back of this manual for the installation materials.
1. Remove the radiator cap from the radiator bracket.
2. Apply the silicone sealant to the surface of the antenna radiator and the radiator bracket. See
the figure shown below for the location.
3. Apply the silicone sealant to the threads in the four holes on the antenna radiator.
4. Apply the grease to the O-ring and set the O-ring to the radiator bracket.
5. Set the antenna radiator on the radiator bracket.
6. Apply the silicone sealant to the radiator bolts (4 pieces). Fasten the antenna radiator to the
radiator bracket with the radiator bolts, flat washers and spring washers.
How to fasten the antenna radiator to the radiator bracket
Coat grey area with
silicone sealant.
Groove
Radiator
RADIATOR BRACKET
(top view)
Coat hatched area with
silicone sealant.
10mm
(Radiator type: XN-10A) (Radiator type: XN-12A)
ANTENNA RADIATOR
(bottom view)
Flat washer
Spring washer
Hex head bolt
(M8 x 30)
Radiator bracket
Apply silicone sealant
to bolts.
Antenna
radiator
O-ring
Apply silicone sealant
to threaded holes

1-11
How to install the antenna unit
You can install the antenna unit by one of the two methods shown below.
• Use the outside holes
• Use the inside holes
How to use outside holes of the antenna housing
Use the hex head bolts (supplied) to install the antenna unit as shown in the illustration below.
1. Put the rubber mat (supplied) on the platform.
Location of rubber mat
2. Put the antenna unit on the rubber mat. Align the position of the antenna unit as shown in the
illustratrion below.
Antenna unit
Ground
terminal
Rubber
mat
Bow mark
Stern
Bow
CAUTION
Do not lift the Antenna unit by the
radiator; lift it by the housing.
The radiator may be damaged.

1-12
3. Set four hex head bolts (M12x60, supplied) and seal washers (supplied) from the top of the
antenna housing, as shown below.
How to set the antenna unit chassis
4. Set the flat washers (M12, supplied), spring washers (supplied) and nuts (supplied) to the hex
head bolts. Tighten by turning the nuts. Do not tighten by turning the hex head bolts, to pre-
vent damage to the seal washers.
How to fasten the antenna unit to the platform
5. Apply the anticorrosive sealant to the flat washers, spring washers, nuts and visible parts of
bolts.
6. Prepare the ground point on the platform. Use an M6x25 bolt, nut and flat washer (supplied).
The ground point must be within 300 mm from the ground terminal on the antenna unit.
7. Run the ground wire (RW-4747, 340 mm, supplied) between the ground terminal and the
ground point.
Hex bolt
Seal washer
Flat washer
Spring washer
Nut
Antenna
unit
Mounting
platform
Silicone sealant
Flat washer
Rubber mat
Seal washer Silicone sealant
Spring washer

1-13
8. Apply the silicone sealant to the ground terminal and ground point as shown below.
How to apply the silicone sealant to the ground point and ground terminal
How to use the inside holes of the antenna housing
This method requires removal of the RF unit from the antenna unit to access the inside fixing
holes. Use four hex head bolts, flat washers, spring washers and nuts (local supply) to install the
antenna unit. Check the length of bolts before you install.
1. Loosen four bolts on the cover to open the antenna unit.
2. Disconnect the connector connected between the upper chassis and the lower chassis.
3. Remove two hex head bolts (M8x25) to separate the upper chassis from the lower chassis.
4. Loosen four pan head screws to remove the cover from the pc board.
5. Remove the connector from the RF unit.
6. Loosen four hex head bolts to remove the RF unit.
Ground
wire
Hex bolt
Flat washer
Spring washer
Flat washer
Hex nut
Silicone
sealant
Hex nut
Weld here.
Silicone
sealant
Ground
wire
antenna
unit
OR
Flat washer
Spring washer
Ground
wire
GROUND
TERMINAL
GROUND
POINT
Hex nut

1-14
Antenna unit chassis, upper chassis separated
7. Set the corrosion-proof rubber mat (supplied) to the support platform.
8. Cut the rubber bushings in the fixing holes and put four bolts from the inside of the lower chas-
sis. Fasten the lower chassis to the support platform with the spring washers, flat washers and
nuts (local supply). Apply the silicone sealant to the flat washers, nuts and visible parts of
bolts.
9. Assemble the RF unit, cover and chassis.
10.Set four caps (supplied) into the outside fixing holes.
11.Prepare the ground point on the platform. Use an M6x25 bolt, nut and flat washer (supplied).
The ground point must be within 300 mm from the ground terminal on the antenna unit.
12.Run the ground wire (RW-4747, 340 mm, supplied) between the ground terminal and the
ground point.
13.Apply the silicone sealant to the ground terminal and ground point. See the illustration on
page 1-13 for instructions.
RFunit
Hex head bolt
M10 x 20, 4 pcs.
Hex head bolt
M8 x 25
2 pcs.
Spring Washer
M10, 4 pcs.
Board cover
Pan head screw
M3 x 8, 2 pcs.
Upper chassis
Square bushing
Lower chassis
Pan head screw
M3 x 8, 2 pcs.

1-15
How to connect the signal cable
The signal cable runs from the display unit to the antenna unit. To reduce the electrical interfer-
ence, do not run the signal cable near other electrical equipment. And do not run the cable in par-
allel to power cables. Put the cable through the hole and apply the sealing compound around the
hole for waterproofing.
1. Loosen four bolts, open the antenna cover, and set the stay.
Antenna unit chassis, cover opened
2. Loosen the cable gland assembly (plate, gasket, flat washer).
3. Put the signal cable with the connector through the bottom of the antenna unit chassis. Put the
cable through the gland assembly as shown below.
How to put the signal cable through the cable gland assembly
4. Fasten the crimp-on lug of the shield wire to one of the four fixing bolts of the cable gland
assembly.
Stay
Cable gland assy.
Bolt
Plate
Bolt
4 - M4 x 16
Gasket
Flat
washer
Shield wire

1-16
5. Put the signal cable so that no more than 4 cm of the sheath is visible, as shown in the figure
below. Tighten the fixing bolts.
How to fasten signal cable in cable gland
6. Loosen four screws in the figure shown below and open the cover.
Antenna unit chassis, cover opened
7. Put the signal cable through the cable protector.
Antenna unit chassis, cover opened
Sheath
CABLE GLAND
Plate
Gasket
Flat
washer
Bolt
Within 4 cm
Taping Shield wire
Four screws
Cable
protector

1-17
8. Connect the signal cable to the RTB Board (03P9249). See the interconnection diagram and
the figure shown below.
9. Attach three EMI cores to the signal cable as shown below.
Antenna unit chassis, cover opened
10.Fasten the signal cable with the cable clamp.
11.Undo the stay and close the cover. Securely Fasten the scanner bolts.
Note: When you close the cover, set the gaskets to the grooves in the bottom chassis, then tighten
the bolts.
Run cable along here.
Lead in
cable here.
J821 VH9P
RTB Board
J824 NH13P
J823 VH4P
EMI core
RFC-13
Clamp
J822 VH2P
Bottom
Chassis
Gasket
Groove
Antenna Bolt
Torque : 9.8 ±0.1 Nm
1-18
This page is intentionally blank.

2-1
2. CABLE CONNECTION
2.1 Standard Connection
Connect all cables at the rear of the display unit.
Display unit, rear view
Antenna cable
MJ-B24LPF0002-xxx+R or
MJ-B24LPF0005-yyy+R
CAUTION
Ground terminal
Connect ground wire
between here and
ship's ground.
Ground the
equipment to
prevent
interference.
CAUTION
NMEA1
NMEA2
HDG
DJ-1
OPTION
12-24 VDC/ 8.0-3.8A
3 GND
1 + 2 -
USB
Power cable
MJ-A3SPF0017-050ZC
Fuse
To ship's power
distributor
+: White
-: Black
To antenna unit
(xxx: 100, 150, 200 or 300)
(yyy: 050, 100, 150, 200 or 300)
The unit is shipped with 10A
fuse, which is for use with 12
VDC ship’s battery.
If your ship’s battery is 24
VDC, replace the 10 A fuse
with a 5A fuse, and attach the
appropriate label to the fuse
cover on the power cable.
Use of wrong fuse can
result in damage to the
equipment.

2-2
2.2 Data Signal Port
Connect external equipment(s) to the ports on the rear panel as shown below.
The Model 1835/1935/1945 can receive the following NMEA 0183 format sentence from other
equipment.
• Position GNS>GGA>RMC> GLL
• Course true VTG>RMC
• Course magnetic VTG>RMC (true)
• Speed over ground VTG>RMC
• Speed related to water VHW
• Distance to waypoint BWR>BWC>RMB
• Destination waypoint, true BWR>BWC>RMB
• Destination waypoint, magnetic BWR>BWC
• Heading (true) HDT>VHW (true)>HDG>HDM>VHW (magnetic)
• Heading (magnetic) HDG> HDM>VHW (magnetic)>HDT> VHW (true)
• Magnetic variation HDG>RMC
• Cross-track error XTE>RMB
• Depth DPT>DBT
• Temperature MTW
• Wind (true) MWV>VWT
• Wind (relative) MWV>VWR
• Time: ZDA
NMEA1 (7P), NMEA2 (7P)
(NMEA in / out) HDG (6P) OPTION (10P)
GPS sensor, AIS
GPS navigator, echo sounder,
etc.
Heading sensor
(Example AD-100, SC-50, SC-
110)
External buzzer
Remote display
Necessary cable
MJ-A7SPF0007-050C
Necessary cable
MJ-A6SPF0007-100C
Necessary cable
See section 4.2.
NMEA2 port
OPTION port
NMEA1
NMEA2
HDG
OPTION
12-24 VDC/ 8.0-3.8A
3 GND
1 + 2 -
USB
HDG port
NMEA1 port
DJ-1

3-1
3. HOW TO SET THE EQUIPMENT
3.1 How to Set the Language
At the first power application after installation, select a language as follows.
1. Press /BRILL key to turn on the power.
"Now Initializing" appears and after a while the window below appears.
2. Use the cursor pad to select a language required and press the ENTER key.
The window shown below appears.
3. Select Yes and press the ENTER key.
Yes
No
Language English OK?
Language selected

3-2
3.2 How to Set the Purpose
Set the purpose of the radar.
1. Press the MENU key. The main menu appears on the screen.
2. Press T or S on the cursor pad to select Factory. The factory menu title bar appears in gray
on the right of the screen.
3. While you press the CANCEL/HL OFF key, press the MENU key five times to activate the
Factory menu.
4. Press the ENTER key. The Factory menu becomes active and the cursor moves to the right
column.
5. Press T or S to select the Purpose.
6. Press the ENTER key to show the setting window.
7. Press T or S to select an option.
8. Press the ENTER key to validate the setting.
9. Press the CANCEL/HL OFF key to return to the main menu.
[ENTER]: Enter [CANCEL/HL OFF]: Back
[MENU]: Exit
System
GPS
Units
Target
ARPA
AIS
Model
Language
Purpose
: 1835 RTR-057A*
: English
: Sea
Menu
Menu
Factory
Factory
Initial
Factory
Sector Blank
Installation
Tests
*: The model name depends on your radar model.
Do not change the model name.
River
Sea
IEC
Russian-River

3-3
3.3 How to Enter the Initial Settings
After you set the purpose of the radar, enter the initial settings as follows.
1. On the main menu, press T or S to select Installation.
2. Press the ENTER key. The Installation menu becomes active and the cursor moves to the
right column.
3. Press T or S to select an item from the Installation menu.
4. Press the ENTER key to show the setting window.
5. Press T or S to select an option.
6. Press the ENTER key to validate the setting.
7. Press the MENU key to close the main menu.
Basic Settings
Input Source: Select the input source from Master and Slave. The default setting is Master.
Master: A display unit operates as the main radar.
Slave: A display unit operates as a remote display. For the remote display, make sure you
adjust the "Video Init Adjust" and "Timing Adjust" (page 3-5 and 3-6).
ARPA QV Select: Set to "On" position to display quantized video on the screen. Set to "Off" po-
sition for normal use.
Demo Mode: Set to "On" position to activate the demo mode. Set to "Off" position for normal use.
[ENTER]: Enter [CANCEL/HL OFF]: Back
[MENU]: Exit
System
GPS
Units
Target
ARPA
AIS
Demo Mode
Input Source
ARPA QV Select
Antenna Height
Heading Adjust
: 15m
: 2
: 0. 0 °
: Off
: Master
: Off
MBS Adjust*
Auto Install Setup*
Timing Adjust
Near STC Level
: 0
: 0
: 0.000 NM
Menu
Menu
Installation
Installation
Initial
Factory
Sector Blank **
Installation
Total On Time* : 000000.5 h
Total TX Time* : 000000.6 h
* : Displayed when scrolled.
Memory Clear*
** : Set the Sector Blank to "Off" in order to
execute Auto Installation Setup in the
Installation menu.
Video Init Adjust* : 6
ARPA Adjust SP* : 2
ARPA Adjust MP* : 2
ARPA Adjust LP* : 2
Antenna Rotation : Rotate
Tests
A/C Auto Adjust

3-4
Antenna Rotation: "Rotate" (default setting) transmits the radar pulses with rotating the antenna.
"Stop" transmits the radar pulses without rotating the antenna.
Antenna Height: Set the height of the antenna above the water surface. The options are 5, 10,
15, 20, 30, 40 and 50 m. The default setting is 15 m.
Near STC Level: Set the STC curve at near distance. The options are 1,2, 3 and 4. “4” has the
strongest effect.
A/C Auto Adjust: Adjust the performance of the automatic A/C.
Memory Clear: Restore the default settings. Purpose, Type and Input Source are not changed.
When turning on the power after the memory clear, the language selection window appears. (See
page 3-1.)
Heading Adjustment
You have installed the antenna unit so that the unit faces toward the bow. A target at the front of
the boat and aligned with the bow must appear on the heading line (zero degrees). If the target
does not appear on the heading line, do the procedure shown below to adjust the heading.
1. Set ship heading toward an acceptable target (for example, ship at anchor or buoy) at a range
between 0.125 and 0.25 nautical mile.
2. Transmit the radar at the range of 0.25 nautical mile and measure the bearing of that target
relative to ship heading with an EBL.
3. Open the Installation menu and select Heading Adjust.
4. Press the ENTER key to show the window for heading adjust.
5. Press T or S to set the value measured at the above step 2. Check that the target appears
on the heading line.
6. Press the ENTER key to complete the setting.
0.0 °
(0 ° ∼ 359.9 °)

3-5
How to automatically set the equipment
The equipment automatically adjusts the tuning, timing and video.
Note: Before you do this procedure, tramsmit the radar more than 10 minutes on a long range and
check that Sector Blank is OFF.
1. Transmit on the maximum range.
2. Select Auto Install Setup from the installation menu and press the ENTER key.
3. Press S on the cursor pad to select Yes, then press the ENTER key.
The tuning adjustment begins automatically, and the indication "Tuning adjusting" appears
during tuning adjustment. After the tuning adjustment is completed, the timing and video are
adjusted in that order. The indications "Timing adjusting" and "Video adjusting" appear during
those adjustments. After all adjustments are completed, the window disappears.
If the result for any item is not best for your conditions, manually adjust the item accord-
ing to the procedure in this section.
Manual Timing Adjustment
This adjustment gives correct radar performance on short ranges. The radar measures the time
required for a transmitted echo to go to the target and return to the source. The received echo
appears on the display according to the measured time. The sweep must start from the center of
the display.
A trigger pulse created in the display unit goes to the antenna unit through the signal cable to ac-
tivate the transmitter (magnetron). The time taken by the signal to move to the antenna unit chang-
es, according to the length of the signal cable. During this period, the display unit must wait before
the radar starts the sweep. When the display unit is not adjusted correctly, the echoes from a
straight object will not appear as a straight line. The target appears "pushed" or "pulled" near the
picture center. The range to objects are shown at wrong distances.
Examples of wrong and correct sweep timings
1. Transmit on the shortest range, then adjust the gain and the A/C SEA.
2. Visibly select a target that creates a straight line (harbor wall, straight piers).
3. Open the Installation menu and select Timing Adjust.
4. Press the ENTER key to show the setting window.
5. Press T or S to make straight the target selected at step 2, then press the ENTER key to fin-
ish.
(1) Target pulled (2) Correct (3) Target pushed outward

3-6
Manual MBS Adjustment
Reduce the main bang (black hole), which appears at the display center on short ranges, as fol-
lows.
1. Transmit the radar on the shortest range.
2. Open the Installation menu and select MBS Adjust.
3. Press the ENTER key to show the setting window.
4. Press the cursor pad to reduce the main bang (between 0 and 25).
5. Press the ENTER key to finish.
Video Initial Adjustment
After you complete the automatic installation setting, tune the video signal if necessary.
1. Transmit the radar and set the radar as follows.
• Gain : 85 to 90
• A/C Sea : zero
• A/C Rain : zero
• Echo Average : OFF
• Noise Rejector : OFF
• Interference Rejector : 2
2. Open the Installation menu and select Video Init Adjust.
3. Press the ENTER key to show the setting window.
4. Press the cursor pad to show some white noise on the display. The setting range is 0 to 31. A
large value increases the gain.
5. Press the ENTER key to finish.
Note: If the display unit is used as a remote display, set "Input Source" to "Slave". Do the Video
Initial Adjust as shown in the above procedure. The echo presentation on the remote display is
like the presentation on the main display.
ARPA Adjustment
During the sea trial, adjust the threshold level of the ARPA for short pulse, middle pulse and long
pulse.
• Default setting is 2.
• If the ship echoes are difficult to acquire at the setting 2, set to 1.
• If the ARPA symbol moves to other echo at the setting 2, set to 3.

4-1
4. OPTIONAL EQUIPMENT
4.1 ARP Kit ARP-11
The ARP kit provides automatic radar plotter functions to this radar.
Necessary parts
Name: ARP kit
Type: ARP-11
Code no.: 008-523-050
For details, see the packing list attached to the kit.
1. Unscrew 12 screws and five connector nuts at the rear of the display unit.
Rear panel of Display unit
Remove five connector nuts.
Remove 12 screws.
Do not remove this connector nut.

4-2
2. Lift the cover slowly and open it as shown below.
3. Mate P107 on the ARP board to J214 on the 03P9474 board and fasten the ARP board with
four screws.
03P9474
J214
Cover
Open this direction.
T
ake care not to damage
this cable assembly.
A
RP board
Comfirm that rubber gasket is set securely
in the groove around the panel.

4-3
4. Reassemble the display unit.
NMEA1
NMEA2
HDG
DJ-1
12-24 VDC/ 8.0-3.8A
3 GND
1 + 2 -
USB
Torque
2.94±0.29 Nm
Torque
0.78±0.08 Nm
Torque
0.78±0.08 Nm
(12 pcs)
OPTION

4-4
4.2 Connection of Buzzer and/or Remote Display
You need the cables shown below to connect the optional external buzzer and remote display.
• Two-way cable MJ-A10SPFW0001+R
• MJ-A7SPF0007-050C
• MJ-B24LPF0010-xxx+R (xxx: 100, 200 or 300)
External buzzer
When a target enters (exists) in the guard zone, the optional external buzzer gives a loud alarm.
Type:OP03-21
Code no.:000-030-097
Attach the two-way cable and MJ-A7SPF0007-050C cable to the OPTION port at the rear of the
display unit. See the above figure.
1. Cut the NH connector at the end of the external buzzer cable to an acceptable length.
2. Solder the external buzzer cable to the MJ-A7SPF0007-050C cable as shown below. Before
you solder the cores, cut the heat-shrink-tube in half and set the tubes to the cores of the
cable. Solder the cores, then set the tubes on the soldered point.
3. Fasten the buzzer with the double-sided tape or two self-tapping screws (3x15 or 3x20, local
supply).
Name Type Code No. Qty Comment
1Buzzer PKB42SWH2940 000-153-221-10 1One NH connector attached
2Cable tie CV-70N 000-162-185-10 4
3Heat-shrink- tube 3x0.25 BLK 000-165-283-10 140 mm
4Double-sided Tape 9760 000-800-851-00 125 mm x 25 mm
OPTION
Remote Display
External buzzer
MJ-A7SPF0007-050C (5 m)
MJ-10P
MJ-10P MJ-7P
MJB24P
Display unit
RDP-152
Connection Port MJ-A10SPFW0001+R *
(0.2 m)
MJ-B24LPF0010-xxx+R (10/20/30 m)
(xxx: 100、200 or 300)
*: This cable is not required to connect the remote display only.
Red
Black External buzzer
MJ-A7SPF0007-050C
Solder
Cut other cables o, and wrap here with tape.

NAME OUTLINE Q'TYDESCRIPTION/CODE №
PACKING LIST
03HD-X-9852 -1
RDP-152-1835-E/C、RDP-152-1935-E/C、RDP-152-1945-E/C
1/1
NAME OUTLINE Q'TYDESCRIPTION/CODE №
ユニット UNIT
指示部
DISPLAY UNIT
1
**
RDP-152-1835/19**-E/C
000-014-616-00
予備品 SPARE PARTS
予備品
SPARE PARTS
1
SP03-12200
000-086-965-00
付属品 ACCESSORIES
付属品
ACCESSORIES
1
FP03-11601
001-058-470-00
工事材料 INSTALLATION MATERIALS
CP03-32900
ケーブル組品MJ
CABLE ASSY.
1
MJ-A3SPF0017-050ZC
000-157-995-10
工事材料
INSTALLATION MATERIALS
1
CP03-32901
001-058-460-00
図書 DOCUMENT
ヒューズ変更のお願い
NOTICE FOR FUSE
REPLACEMENT
1
J39-60060-*
000-807-986-1*
J39-60060-*
000-172-409-1*
フラッシュマウント用型紙
FLUSH MOUNTING TEMPLATE
1
C32-00802
000-170-325-1*
C32-00802-*
000-172-410-1*
取扱説明書
OPERATOR'S MANUAL
1
OME-35790-*
000-170-245-1*
OME-35790-*
000-172-398-1*
操作要領書
OPERATOR'S GUIDE
1
MLG-35790-*
000-170-254-1*
MLG-35790-*
000-172-400-1*
装備要領書
INSTALLATION MANUAL
1
IME-35790-*
000-170-251-1*
IME-35790-*
000-172-402-1*
コ-ド番号末尾の[**]は、選択品の代表コードを表します。
CODE NUMBER ENDING WITH "**" INDICATES THE CODE NUMBER OF REPRESENTATIVE MATERIAL.
(略図の寸法は、参考値です。 DIMENSIONS IN DRAWING FOR REFERENCE ONLY.) 03HD-X-9852
型式/コード番号が2段の場合、下段より上段に代わる過渡期品であり、どちらかが入っています。 なお、品質は変わりません。
TWO TYPES AND CODES MAY BE LISTED FOR AN ITEM. THE LOWER PRODUCT MAY BE SHIPPED IN PLACE OF
THE UPPER PRODUCT. QUALITY IS THE SAME.
A-1

%1&'01
6;2'
%2
⇛ޓޓ࿑
176.+0'
ฬޓޓ⒓
0#/'
ᢙ㊂
36;
↪ㅜ㧛⠨
4'/#4-5
⇟ภ
01
ဳฬ㧛ⷙᩰ
&'5%4+26+105
+056#..#6+10/#6'4+#.5
Ꮏ᧚ᢱ
(4:
㩆㨺㩣㩦㨹㩆㨶
5'#.9#5*'4 41*5
%1&'01
㒐ⲁࠧࡓ
%14415+102411(
47$$'4/#6
41*5
%1&'01
㩁㨶㨹㩖㩩
%#2
%1&'01
㩔㩨㩒ᐳ㊄
524+0)9#5*'4 /575
%1&'01
㩚㩀㩨㩁㩙㩣ᐔᐳ㊄
(.#69#5*'4 /575
%1&'01
ⷺ㩏㨹㩎㩆㨷
*':076 /575
%1&'01
ⷺ㩘㩨㩣㩎㧔ో㩒㩆㩨㧕
*':$1.6 /:575
%1&'01
㩔㩨㩒ᐳ㊄
524+0)9#5*'4 /575
%1&'01
㩚㩀㩨㩁ᐔᐳ㊄
(.#69#5*'4 /575
%1&'01
ⷺ㩏㨹㩎㩆㨷
*':076 /575
%1&'01
㧔⇛࿑ߩኸᴺߪޔෳ⠨୯ߢߔޕޓ&+/'05+105+0&4#9+0)(144'('4'0%'10.;㧕
㧲㨁㧾㨁㧺㧻ޓ㧱㧸㧱㧯㨀㧾㧵㧯ޓ㧯㧻ޓ㧚
㧘
㧸㨀㧰
(4:
ဳᑼ㩄㨺㩎㩨⇟ภ߇㧞Ბߩ႐วޔਅᲑࠃࠅᲑߦઍࠊࠆㆊᷰᦼຠߢࠅޔߤߜࠄ߆߇ߞߡ߹ߔޕޓߥ߅ޔຠ⾰ߪᄌࠊࠅ߹ߖࠎޕ
6916;2'5#0&%1&'5/#;$'.+56'&(14#0+6'/6*'.19'4241&7%6/#;$'5*+22'&+02.#%'1(6*'722'4241&7%6
37#.+6;+56*'5#/'
A
-3
㧼㧭㧯㧷㧵㧺㧳ޓ㧸㧵㧿㨀
#.:
45$,
0#/' 176.+0' &'5%4+26+10%1&'ͳ 36;
࡙࠾࠶࠻ 70+6
ⓨਛ✢ㇱ
#06'00#70+6
45$
ⓨਛ✢ㇱᎿ᧚ #06'00#70+6+056#..#6+10/#6'4+#.5
Ꮏ᧚ᢱ
+056#..#6+10/#6'4+#.5
%2
䍘㪄䍢䍼⇟ภᧃየ䈱㪲㪁㪁㪴䈲䇮ㆬᛯຠ䈱ઍ䍘䍎䍢䍼䉕䈚䉁䈜䇯
㪚㪦㪛㪜㩷㪥㪬㪤㪙㪜㪩㩷㪜㪥㪛㪠㪥㪞㩷㪮㪠㪫㪟㩷㩹㪁㪁㩹㩷㪠㪥㪛㪠㪚㪘㪫㪜㪪㩷㪫㪟㪜㩷㪚㪦㪛㪜㩷㪥㪬㪤㪙㪜㪩㩷㪦㪝㩷㪩㪜㪧㪩㪜㪪㪜㪥㪫㪘㪫㪠㪭㪜㩷㪤㪘㪫㪜㪩㪠㪘㪣㪅
䋨⇛࿑䈱ኸᴺ䈲䇮ෳ⠨୯䈪䈜䇯㩷㩷㪛㪠㪤㪜㪥㪪㪠㪦㪥㪪㩷㪠㪥㩷㪛㪩㪘㪮㪠㪥㪞㩷㪝㪦㪩㩷㪩㪜㪝㪜㪩㪜㪥㪚㪜㩷㪦㪥㪣㪰㪅䋩
#.:
ဳᑼ㪆䍘䍎䍢䍼⇟ภ䈏䋲Ბ䈱႐ว䇮ਅᲑ䉋䉍Ბ䈮ઍ䉒䉎ㆊᷰᦼຠ䈪䈅䉍䇮䈬䈤䉌䈎䈏䈦䈩䈇䉁䈜䇯䇭䈭䈍䇮ຠ⾰䈲ᄌ䉒䉍䉁䈞䉖䇯
㪫㪮㪦㩷㪫㪰㪧㪜㪪㩷㪘㪥㪛㩷㪚㪦㪛㪜㪪㩷㪤㪘㪰㩷㪙㪜㩷㪣㪠㪪㪫㪜㪛㩷㪝㪦㪩㩷㪘㪥㩷㪠㪫㪜㪤㪅㩷㩷㪫㪟㪜㩷㪣㪦㪮㪜㪩㩷㪧㪩㪦㪛㪬㪚㪫㩷㪤㪘㪰㩷㪙㪜㩷㪪㪟㪠㪧㪧㪜㪛㩷㪠㪥㩷㪧㪣㪘㪚㪜㩷㪦㪝㩷㪫㪟㪜㩷㪬㪧㪧㪜㪩㩷
㪧㪩㪦㪛㪬㪚㪫㪅㩷㪨㪬㪘㪣㪠㪫㪰㩷㪠㪪㩷㪫㪟㪜㩷㪪㪘㪤㪜㪅
A
-2

%1&'01
6;2'
⇛ޓޓ࿑
176.+0'
ฬޓޓ⒓
0#/'
ᢙ㊂
36;
↪ㅜ㧛⠨
4'/#4-5
⇟ภ
01
ဳฬ㧛ⷙᩰ
&'5%4+26+105
+056#..#6+10/#6'4+#.5
Ꮏ᧚ᢱ
*&:
/1&'.
㩃㨺㩖㩨㩣⚵ຠ/,
%#$.'#55; /,$.2(4
ㆬᛯޓޓޓޓޓޓޓ
61$'5'.'%6
%1&'01
㩃㨺㩖㩨㩣⚵ຠ/,
%#$.'#55; /,$.2(4
ㆬᛯޓޓޓޓޓޓޓ
61$'5'.'%6
%1&'01
㩃㨺㩖㩨㩣⚵ຠ/,
%#$.'#55; /,$.2(4
ㆬᛯޓޓޓޓޓޓޓ
61$'5'.'%6
%1&'01
㩃㨺㩖㩨㩣⚵ຠ/,
%#$.'#55; /,$.2(4
ㆬᛯޓޓޓޓޓޓޓ
61$'5'.'%6
%1&'01
㧔⇛࿑ߩኸᴺߪޔෳ⠨୯ߢߔޕޓ&+/'05+105+0&4#9+0)(144'('4'0%'10.;㧕
㧲㨁㧾㨁㧺㧻ޓ㧱㧸㧱㧯㨀㧾㧵㧯ޓ㧯㧻ޓ㧚
㧘
㧸㨀㧰
*&:
ڏ
ဳᑼ㩄㨺㩎㩨⇟ภ߇㧞Ბߩ႐วޔਅᲑࠃࠅᲑߦઍࠊࠆㆊᷰᦼຠߢࠅޔߤߜࠄ߆߇ߞߡ߹ߔޕޓߥ߅ޔຠ⾰ߪᄌࠊࠅ߹ߖࠎޕ
6916;2'5#0&%1&'5/#;$'.+56'&(14#0+6'/6*'.19'4241&7%6/#;$'5*+22'&+02.#%'1(6*'722'4241&7%6
37#.+6;+56*'5#/'
A
-5
%1&'01
6;2'
%2
⇛ޓޓ࿑
176.+0'
ฬޓޓ⒓
0#/'
ᢙ㊂
36;
↪ㅜ㧛⠨
4'/#4-5
⇟ภ
01
ဳฬ㧛ⷙᩰ
&'5%4+26+105
+056#..#6+10/#6'4+#.5
Ꮏ᧚ᢱ
(4:
ⷺ㩘㩨㩣㩎
*':$1.6 /:575
%1&'01
'/+㩄㨻
'/+%14' 4(%
%1&'01
㨻㨺㩇✢
)4170&9+4' 49
%1&'01
㧔⇛࿑ߩኸᴺߪޔෳ⠨୯ߢߔޕޓ&+/'05+105+0&4#9+0)(144'('4'0%'10.;㧕
㧲㨁㧾㨁㧺㧻ޓ㧱㧸㧱㧯㨀㧾㧵㧯ޓ㧯㧻ޓ㧚
㧘
㧸㨀㧰
(4:
ဳᑼ㩄㨺㩎㩨⇟ภ߇㧞Ბߩ႐วޔਅᲑࠃࠅᲑߦઍࠊࠆㆊᷰᦼຠߢࠅޔߤߜࠄ߆߇ߞߡ߹ߔޕޓߥ߅ޔຠ⾰ߪᄌࠊࠅ߹ߖࠎޕ
6916;2'5#0&%1&'5/#;$'.+56'&(14#0+6'/6*'.19'4241&7%6/#;$'5*+22'&+02.#%'1(6*'722'4241&7%6
37#.+6;+56*'5#/'
A
-4

%1&'01
6;2'
⇛ޓޓ࿑
176.+0'
ฬޓޓ⒓
0#/'
ᢙ㊂
36;
↪ㅜ㧛⠨
4'/#4-5
⇟ภ
01
ဳฬ㧛ⷙᩰ
&'5%4+26+105
+056#..#6+10/#6'4+#.5
Ꮏ᧚ᢱ
*&:
/1&'.
㩃㨺㩖㩨㩣⚵ຠ/,
%#$.'#55; /,$.2(4
ㆬᛯޓޓޓޓޓޓޓ
61$'5'.'%6
%1&'01
㩃㨺㩖㩨㩣⚵ຠ/,
%#$.'#55; /,$.2(4
ㆬᛯޓޓޓޓޓޓޓ
61$'5'.'%6
%1&'01
㩃㨺㩖㩨㩣⚵ຠ/,
%#$.'#55; /,$.2(4
ㆬᛯޓޓޓޓޓޓޓ
61$'5'.'%6
%1&'01
㩃㨺㩖㩨㩣⚵ຠ/,
%#$.'#55; /,$.2(4
ㆬᛯޓޓޓޓޓޓޓ
61$'5'.'%6
%1&'01
㩃㨺㩖㩨㩣⚵ຠ/,
%#$.'#55; /,$.2(4
ㆬᛯޓޓޓޓޓޓޓ
61$'5'.'%6
%1&'01
㧔⇛࿑ߩኸᴺߪޔෳ⠨୯ߢߔޕޓ&+/'05+105+0&4#9+0)(144'('4'0%'10.;㧕
㧲㨁㧾㨁㧺㧻ޓ㧱㧸㧱㧯㨀㧾㧵㧯ޓ㧯㧻ޓ㧚
㧘
㧸㨀㧰
*&:
ڏ
ဳᑼ㩄㨺㩎㩨⇟ภ߇㧞Ბߩ႐วޔਅᲑࠃࠅᲑߦઍࠊࠆㆊᷰᦼຠߢࠅޔߤߜࠄ߆߇ߞߡ߹ߔޕޓߥ߅ޔຠ⾰ߪᄌࠊࠅ߹ߖࠎޕ
6916;2'5#0&%1&'5/#;$'.+56'&(14#0+6'/6*'.19'4241&7%6/#;$'5*+22'&+02.#%'1(6*'722'4241&7%6
37#.+6;+56*'5#/'
A
-6

Y. Hatai
D-1

8/Jul/09 R.Esumi
D-2

5/Feb/09 R.Esumi
D-3

5/Feb/09 R.Esumi
D-4

1
2
3
WHT
BLKクロ
シロ
10A:12V
5A:24V
1
2
3
(+)
(-)
5
6IV-2sq.
*1
12-24 VDC MJ-A3SPF0017-050ZC,5m,φ10
DPYC-1.5
100/110/
220/230VAC
1φ,50/60Hz
*1
MJ-A3SPF
RECTIFIER
整流器
PR-62 *2
*4
243
A
1
B
C
DRAWN
CHECKED
APPROVED
DWG.No.
TITLE
NAME
名称
INTERCONNECTION DIAGRAM
相互結線図
REF.No.
SCALE MASS kg
T.YAMASAKI
MODEL 1835
船舶用レーダー
MARINE RADAR
注記
*1)造船所手配。
*2)オプション。
*3)シールドは両ユニットで完全に接地すること。
NOTE
*1: SHIPYARD SUPPLY.
*2: OPTION.
*3: SHIELD SHOULD BE GROUNDED EFFECTIVELY AT BOTH END.
*4)工場出荷時10A。24V使用時は5Aヒューズに交換する。
(+)
(-)
GND
DJ-1
+12V
+12V
-12V
-12V
P/L_A
P/L_B
10
11
20
14
15
2
8
7
シロ/ダイ(太)
シロ/チャ(太)
シロ/アカ(太)
シロ/ミドリ(太)
シロ/クロ(太)
チャ
ムラサキ
アオ BLU
PPL
BRN
WHT/BLK[B]
WHT/GRN[B]
WHT/RED[B]
WHT/BRN[B]
WHT/ORG[B]
GND
+12V
+12V
-12V
-12V
P/L_A
P/L_B
U2B2
J801(VH9P)
1
2
3
4
5
6
7
8
9
1
17
5
4
シロ
シロ/アオ(太)
クロ
モモ(太)
VIDEO
GND
6
21
ドウジク
キ
COAX.
YEL
PNK[B]
BLK
WHT/BLU[B]
WHT
VIDEO
GND
9NC
1
2
3
4
11
12
13
22 アカ RED SPARE
18
3MBS-L
24GND
ミドリ
ダイ
ハイ
GRN
GRY
ORG MBS-L
GND
U2B3 IF-9214
J611(NH13P)
1
5
9 NC
NC
NC
10
4
NC
NC
NC
NC
2
3
6
7
8
HD
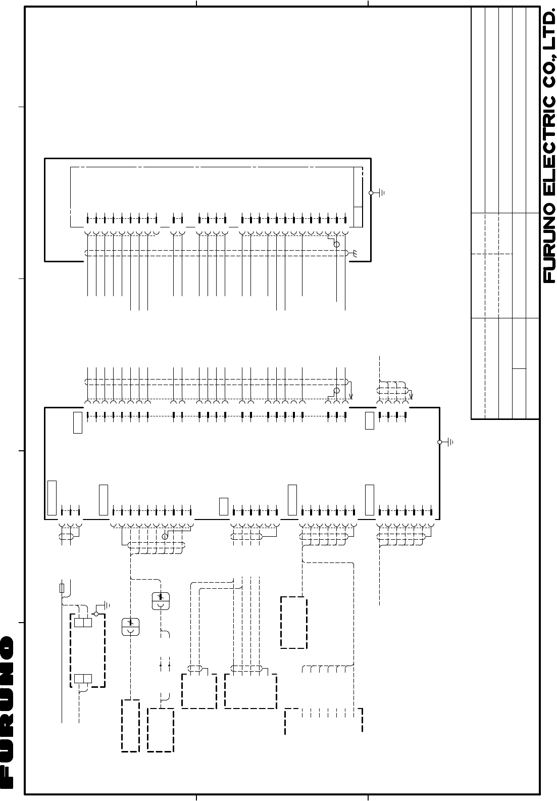
ANTENNA UNIT
RSB-0071
空中線部
*3 *3
(RW-8577,17C+2C2V,MAX.30m)
MJ-B24LPF0002,10/15/20/30m,φ11.5
1
2
3
4
USB
PC
(FOR MAINTENANCE)
VBUS
GND
TX_TRIGTX_TRIG
TUNING_IND TUNING_IND
TUNING_CONTTUNING_CONT
J802(VH4P)
SHIELD
D_M
D_P
1
2
3
4
5
6
7
8
9
10
MJ-A10SPF
OP_BP
OP_VIDEO_GND
SHIELD
OP_HD
OP_TRIG
OP_VIDEO
EXT_BUZZ
EXT_BUZZ_12V
GND
NC
10
*2
MJ-B24LPF0010
MAX.30m,φ10
MOTOR-H
MOTOR-C
HD
BP
23
19
EXT_TRIG
MOTOR-H
MOTOR-H
MOTOR-C
16
+12V
-12V
12
13
*4: DEFAULT:10A. REPLACE FUSE TO 5A FOR 24V USE.
03-176-6001-0
B TYPE
1
2
3
4
5
6
NC
1
2
3
4
5
6
7
HDG
+12V
GND
1
2
3
4
5
6
7
+12V
GND
NMEA 1
NMEA 2
DATA-H
DATA-C
SHIELD
MJ-A6SPF
MJ-A7SPF
MJ-A7SPF
IV-2sq.
*1
TD1-A
TD1-B
SHIELD
TD2-A
TD2-B
SHIELD
CLK-H
CLK-C
WHT
BLKクロ
シロ
キ
ミドリ
YEL
GRN
*2
RD2-H
RD2-C
RD1-H
RD1-C
12-24VDC
OPTION
MOTOR-H
MOTOR-C
BP
T.TAKENO
*2
RDP-152
指示部
DISPLAY UNIT
10m
0.2m
MJ-A10SPFW0001+R
副指示器 *2
REMOTE DISP.
BLK
REDアカ
クロ
OP03-21
EXT. BUZZER
外部ブザー
BLK
REDアカ
クロ
7
*2
MD-9208
MJ-A7SPF0007,5m
*2
同上
DITTO
DATA-H
DATA-C
CLK-H
CLK-C
SHIELD
AD-100 *2
PG-1000
SC-50 ETC.
AD-10 FORMAT
*2AD-100
PG-1000
OR
SC-50 ETC.
TD-A
TD-B
SHIELD
NMEA0183
*2
*2
MJ-A6SPF0007,10m
MJ-A6SPF0007,10m
MJ-A6SPF0003,5/10m
C3579-C01- C
3/Sep/09
3/Sep/09
MJ-A7SPF0007-050C,5m,φ6
GPS受信機
GPS RECEIVER
GP-320B/330B
*2
または OR
DST-800
スマートセンサー
SMART SENSOR
+12V
GND
SHIELD
TD-A
TD-B
RD-H
RD-C
キ
ミドリ
シロ
アオ
アカ
クロ
YEL
GRN
WHT
BLU
RED
BLK
EXT. EQUIPMENT
外部機器
DR-100
DM-200
ETC.
25/Sep/09 R.Esumi
S-1

1
2
3
WHT
BLKクロ
シロ
10A:12V
5A:24V
(+)
(-)
IV-2sq.
*1
12-24 VDC MJ-A3SPF0017-050ZC,5m,φ10 MJ-A3SPF
*4
243
A
1
B
C
DRAWN
CHECKED
APPROVED
DWG.No.
TITLE
NAME
名称
REF.No.
SCALE MASS kg
T.YAMASAKI
注記
*1)造船所手配。
*2)オプション。
*3)シールドは両ユニットで完全に接地すること。
NOTE
*1: SHIPYARD SUPPLY.
*2: OPTION.
*3: SHIELD SHOULD BE GROUNDED EFFECTIVELY AT BOTH END.
*4)工場出荷時10A。24V使用時は5Aヒューズに交換する。
*4: DEFAULT: 10A. REPLACE FUSE TO 5A FOR 24V USE.
5
6
1
2
(+)
(-)
GND
整流器
RU-3423 *2
RECTIFIER
GND
DJ-1
+12V
+12V
-12V
-12V
P/L_A
P/L_B
10
11
20
14
15
2
8
7
チャ BRN
GND
+12V
+12V
-12V
-12V
P/L_A
P/L_B
1
2
3
4
5
6
7
8
9NC
ANTENNA UNIT空中線部
RSB-0070/0073(24/48rpm)
J821(VH9P)
TX_TRIGTX_TRIG
キ(太)
クロ(太)
アカ(太)
シロ(太)
チャ(太)
アオ
ミドリ
YEL[B]
BLK[B]
RED[B]
WHT[B]
BRN[B]
BLU
GRN
1
2
13
12
ミドリ(太)
ダイ(太)
GRN[B]
ORG[B]
VIDEO
GND
6
21
ドウジク
キ
COAX.
YEL
VIDEO
GND11
12
13
18
3MBS-L
24GND
MBS-L
GND
1
5
9 NC
NC10
4
NC
NC
2
3
6
7
8
03P9249U2B6
22 ムラサキ PPL
シロ/アカ WHT/RED
4
19
23
J824(NH13P)
9
1
17
5
シロ
クロ BLK
WHT 1
2
3
4
HD
J823(VH4P)
アオ(太)
ムラサキ(太)
BLU[B]
PPL[B]
*3 *3
シロ/チャ WHT/BRN
アカ RED
ダイ ORG
シロ/ダイ WHT/ORG
16
TUNING_CONT TUNING_CONT
TUNING_INDTUNING_IND
J822(VH2P)
NC
NC
1
2
3
4
USB
PC
(FOR MAINTENANCE)
VBUS
GND
(RW-6537,21C+2C2V,MAX.30m)
D_M
D_P
1
2
3
4
5
6
7
8
9
10
MJ-A10SPF
OP_BP
OP_VIDEO_GND
SHIELD
OP_HD
OP_TRIG
OP_VIDEO
EXT_BUZZ
EXT_BUZZ_12V
GND
NC
+12V
-12V
BP
HD
MOTOR-H
MOTOR-C
MOTOR-C
MOTOR-H
MOTOR-H
EXT_TRIG
03-176-6002-0
MJ-B24LPF0005,5/10/15/20/30m,φ14.5
RW-4747
0.3m
B TYPE
1
2
3
4
5
6
1
2
3
4
5
6
7
1
2
3
4
5
6
7
IV-2sq.
*1
NC
HDG
+12V
GND
+12V
GND
NMEA 1
NMEA 2
DATA-H
DATA-C
SHIELD
TD1-A
TD1-B
SHIELD
TD2-A
TD2-B
SHIELD
CLK-H
CLK-C
MJ-A6SPF
WHT
BLKクロ
シロ
キ
ミドリ
YEL
GRN
RD1-H
RD1-C
RD2-H
RD2-C
OPTION
12-24VDC
*2
RDP-152
指示部
DISPLAY UNIT
BP
MOTOR-H
MOTOR-C
MOTOR-C
MOTOR-H
MOTOR-H
T.TAKENO
MJ-A7SPF
MJ-A7SPF
10m
同上
DITTO
10
*2
MJ-B24LPF0010
MAX.30m,φ10
*2
0.2m
MJ-A10SPFW0001+R
副指示器 *2
REMOTE DISP.
BLK
REDアカ
クロ
OP03-21
EXT. BUZZER
外部ブザー
BLK
REDアカ
クロ
7
*2
MJ-A7SPF0007,5m
*2
DATA-H
DATA-C
CLK-H
CLK-C
SHIELD
AD-100 *2
PG-1000
SC-50 ETC.
AD-10 FORMAT
*2AD-100
PG-1000
OR
SC-50 ETC.
TD-A
TD-B
SHIELD
NMEA0183
*2
*2
MJ-A6SPF0007,10m
MJ-A6SPF0007,10m
MJ-A6SPF0003,5/10m
DPYC-1.5
*1
100/110/
220/230VAC
1φ,50/60Hz
C3580-C01- C
MODEL 1935/1937/1945
船舶用レーダー
相互結線図
MARINE RADAR
INTERCONNECTION DIAGRAM
3/Sep/09
3/Sep/09
GPS受信機
GPS RECEIVER
GP-320B/330B
*2
または OR
DST-800
スマートセンサー
SMART SENSOR
MJ-A7SPF0007-050C,5m,φ6
+12V
GND
SHIELD
TD-A
TD-B
RD-H
RD-C
キ
ミドリ
シロ
アオ
アカ
クロ
YEL
GRN
WHT
BLU
RED
BLK
EXT. EQUIPMENT
外部機器
DR-100
DM-200
ETC.
25/Sep/09 R.Esumi
S-2

The paper used in this manual
is elemental chlorine free.
・FURUNO Authorized Distributor/Dealer
9-52 Ashihara-cho,
Nishinomiya, 662-8580, JAPAN
Telephone : +81-(0)798-65-2111
Fax :
+81-(0)798-65-4200
A
:
FEB
2009
.
Printed in Japan
All rights reserved.
B1
:
NOV
.
19, 2009
Pub. No.
IME-35790-B1
*00017025111**00017025111*
(
TATA
)
MODEL1835/1935/1945
*
00017025111
*
*
00017025111
*
* 0 0 0 1 7 0 2 5 1 1 1 *