G Way Solutions CELLAB1W60 Bi-Directional Booster User Manual Manual
G-Way Microwave / G-Wave Bi-Directional Booster Manual
Manual

INSTALLATION
AND
OPERATING MANUAL
FOR
BDA-XXX-1/1W-60-A
BI-DIRECTIONAL AMPLIFIER

TABLE OF CONTENTS
PARAGRAPH PAGE NO
BDA OVERVIEW 3
BDA BLOCK DIAGRAM DESCRIPTION 3
BDA BLOCK DIAGRAM DRAWING (Figure 1) 4
ELECTRICAL SPECIFICATIONS 5
FREQUENCY RANGES (Table 1) 6
MECHANICAL SPECIFICATIONS 7
ENVIRONMENTAL CONDITIONS 7
BDA CONNECTIONS 7
MECHANICAL OUTLINE DRAWING (Figure 2 & 2a) 8
RF EXPOSURE WARNING 9
BDA INSTALLATION 10
BDA OPERATION 11
MECH. OUTLINE- DOWNLINK ADJUST (Figure 3) 12
MECH. OUTLINE- UPLINK ADJUST (Figure 4) 13
DIAGNOSTICS GUIDE 14
Page 2

BDA OVERVIEW:
The BDA assembly extends the coverage area of radio communications in buildings
and RF shielded environments.
The unit features low noise figure and wide dynamic range. It is based on a duplexed
path configuration with sharp out of band attenuation allowing improved isolation
between the receiving and transmitting paths.
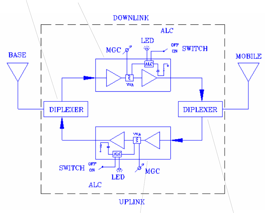
BDA BLOCK DIAGRAM DESCRIPTION:
Refer to figure 1 for the following discussion.
The BDA Downlink path receives RF signals from the base station and amplifies and
transmits them to the subscriber. The BDA Uplink path receives RF signals from the
subscriber and amplifies and transmits them to the base station. The Uplink and
Downlink occupy two distinct frequency bands. For example, the SMR frequency
bands are as follows: 806-821 MHz for the Uplink and 851-866 MHz for the Downlink.
Two diplexers isolate the paths and route each signal to the proper amplifying
channel.
A selectable Automatic Level Control (ALC) allows for output power limiting. A
Manual Gain Control (MGC) provides continuous control of amplifier gain. The use of
these controls is covered in the “OPERATION” section, later in this document.
Page 3

Figure 1
1. 2.
3. 4.
BDA BLOCK DIAGRAM
BDA-XXX-1/1W-60-A
1. Up-Link Diplexer - has low bandpass insertion loss and high selectivity
2. Down-Link amp - is a low noise amplifier with an ALC circuit which offers 45dB Gain
3. Up-Link amp - is a low noise amplifier with an ALC circuit which offers 45dB Gain
4. Down-Link Diplexer - has low bandpass insertion loss and high selectivity
Page 4

ELECTRICAL SPECIFICATIONS:
Frequency Range : See Table 1
Pass band Gain @ min attenuation : 60 dB minimum
Manual Gain Control Range : 15 dB minimum
(continuous)
Pass band Ripple : ±1.5 dB (typ)
Noise Figure @+25°C at max gain : 5.0 dB max
3rd Order Intercept point
Uplink : +45 dBm (typ)
Downlink : +45 dBm (typ)
*Output Power @ 1dB Compression
Uplink : +32 dBm (typ)
Downlink : +32 dBm (typ)
*ALC Factory Set Point
Uplink : +25 dBm
Downlink : +25 dBm
Isolation between Up/Down Link : 80 dB min
Input/ Output Impedance : 50 Ohms
VSWR (Input/Output) : 1.5: 1 max
Power Supply : 110VAC/0.80Amp
: 240VAC/0.40 Amp
: 50 to 60 Hz
*The Manufacturer's rated output power of this equipment is for single carrier operation. For situations
when multiple carrier signals are present, the rating would have to be reduced by 3.5 dB, especially
where the output signal is re-radiated and can cause interference to adjacent band users. This power
reduction is to be by means of input power or gain reduction and not by an attenuator at the output of
the device.
Page 5

Table 1
Frequency
Band Downlink
Frequency
Ranges
Uplink
Frequency
Ranges
SMR 851-866 MHz 806-821 MHz
CELL A 869-880 MHz 824-835 MHz
CELL B 880-894 MHz 835-849 MHz
CELL AB 869-894 MHz 824-849 MHz
GSM F 935-960 MHz 890-915 MHz
GSM H 947-960 MHz 902-915 MHz
GSM L 935-947 MHz 890-902 MHZ
NPS PAC 866-869 MHz 821-824 MHz
2PG 929-942 MHz 898-904 MHz
2PGN 929-942 MHz 900-903 MHz
PS8 851-869 MHz 806-824 MHz
PS9 935-941 MHz 896-902 MHz
Page 6

MECHANICAL SPECIFICATIONS:
Size : 11.2 x 9.7 x 6.0 inch
: (284.5 x 246.4 x 152.4 mm)
RF Connectors : N-type Female
Weight : 13.5 Lbs. (6.2kg.) approx.
ENVIRONMENTAL CONDITIONS:
The unit is designed for indoor applications:
Operating temperature: - 20°C to + 50°C
Storage temperature: - 50°C to + 90°C
BDA CONNECTIONS
The BDA AC power is accepted through a standard 3-wire male plug (IEC-320) with
phase, neutral and ground leads. The AC power is wired to a high efficiency DC
switching power supply which is CE and UL approved. The power supply runs the
amplifiers and the Power On lamp. The metal enclosure of the BDA is connected to
ground.
A 9-pin D-Sub connector provides failure alarm output contacts (see diagram next
page) as well as an optional 12 VDC (250mA) auxiliary output.
The RF connections are made via two type “N” female connectors. The RF connector
labeled “BASE” must be connected to the antenna pointing towards the base station.
The RF connection labeled “MOBILE” must be connected to the antenna facing the
area to be covered by the BDA.
The RF connections must be made through cables with characteristic impedance of
50 ohms.
The isolation between the base station antenna and the mobile antenna should be at
least 12 dB higher than the BDA gain. Isolation less than this value can cause gain
ripple across the band. Isolation equal to or less than the BDA gain will give rise to
oscillations which will saturate the amplifiers and possibly cause damage to the BDA.
Page 7

.
COM.
N.O.
Figure 2
IN BUILDING REPEATER
BDA Mechanical Outline
Figure 2a
(Relay Shown in
Non
-Alarm Condition)
The alarm monitors current of both uplink
and downlink amplifiers. An alarm condition N.C.
will occur if either uplink or downlink amplifiers
are over or under its current tolerance.
Page 8
Optional Alarm Conditions

RF EXPOSURE WARNING
In order to satisfy the FCC RF exposure requirements, the BDA/antenna installation
must comply with the following:
The outdoor antenna (Yagi type or similar directional antenna) must be installed so
as to provide a minimum separation distance of 0.3 meters (30 cm) between the
antenna and persons within the area. (This assumes a typical antenna with gain of
[10.1 dBi, VSWR ≤ 1.5:1, Zo= 50 ohms, and a cable attenuation of between 1-10 dB).
The indoor antenna (omni directional) must be installed so as to provide a minimum
separation distance of 0.2 meters (20 cm) between the antenna and persons within
the area. (This assumes a typical wide-beam type antenna with gain of 0-2 dBi,
VSWR ≤ 2:1, Zo= 50 ohms, and a cable attenuation of between 1-10 dB).
Page 9

BDA INSTALLATION
DO NOT APPLY A.C. POWER TO THE BDA UNTIL CABLES ARE
CONNECTED TO BOTH PORTS OF THE BDA AND THE ANTENNAS.
1. Mount the BDA on the wall with the RF connectors pointing DOWN. Using
appropriate screws and anchors, attach the BDA to the wall at the four mounting
holes on the side flanges.
2. Ensure that the isolation between the donor antenna and the service antenna is at
least 12 dB greater than the BDA gain. (Use the higher of the Uplink and Downlink
gains reported on the BDA test data sheet).
3. Connect the cable from the donor antenna to the BDA connector labeled “BASE”
and the cable from the service antennas to the BDA connector labeled “MOBILE”.
4. Open the adjustment access panels on the sides of the BDA and verify that both of
the ALC switches are in their factory preset “ON” positions. Close the panels.
5. Connect the AC power cord to the BDA and then to the power source. Verify that
the “Power ON” lamp is illuminated.
Installation of the BDA is now complete. To adjust the gain controls to suit the
specific signal environment, refer to the next section of the manual.
Page 10

BDA OPERATION
Refer to figure 3 for adjustment access location and label.
ALC (Automatic Level Control)
To minimize intermodulation products, each amplifier in the BDA contains an ALC
feedback loop. The ALC circuit senses the output power and limits it to the factory
preset level of +25 dBm.
ALC function is selected with an on/off toggle switch located on each amplifier and
accessible via the adjustment access panels located on the sides of the BDA
enclosure (Left, or “BASE” side is Downlink, right, or “MOBILE” side is Uplink). A red
indicator lamp located on each amplifier illuminates when output power exceeds the
ALC set point. The indicator is functional regardless of the position of the ALC switch.
Units are shipped with the ALC switch in the “ON” position.
MGC (Manual Gain Control)
BDA gain can be reduced by approximately 15 dB with screwdriver-adjustable
potentiometers located on each amplifier. The potentiometers accept a 3/32” slotted
screwdriver (provided), and are accessible via the adjustment access panels located
on the sides of the BDA enclosure (Left, or “BASE” side is for Downlink, right, or
“MOBILE” side is for Uplink).
When ALC operation is selected, the MGC remains the “master” gain control. MGC
cannot raise ALC set point above its factory preset level.
If operation below the 25 dBm ALC set point is desired, BDA gain can be reduced by
turning the MGC potentiometer clockwise until the light goes off.
Operation of BDA-XXX-1/1W-60-A at maximum gain with greater than -25 dBm
average power incident on either BASE or MOBILE port can cause damage to
the BDA.
Page 11

Figure 3
Downlink’s Adjustment Access Panel and Label
Page 12
A
LC
0
7
15
MGC ADJ {dB}
DOWNLINK
O F F
O N

Figure 4
Uplink’s Adjustment Access Panel and Label
Page 13
A
LC
0
7
15
MGC ADJ {dB}
UPLINK
O F F
O N

DIAGNOSTICS GUIDE
The BDA provides long term, care-free operation and requires no periodic
maintenance. There are no user-serviceable components inside the BDA.
This section covers possible problems that may be related to the installation or
operating environment.
a. Gain Reduction
Possible causes: Bad RF cables and RF connections to antennas, Damaged
antennas.
b. Excessive Intermodulation or Spurious
Possible causes:
Amplifier oscillation caused by insufficient isolation. The isolation between two
antennas is given by the equation:
Isolation = 92.5 + 20 Log (F x D) – Gt – Gr
Where:
F = frequency (GHz)
D = separation (Km)
Gt = transmit antenna gain (in the direction of the receive antenna).
Gr = receive antenna gain (in the direction of the transmit antenna).
For example, at the SMR frequencies, the antenna isolation at 100 m
separation is about 71 dB for omni-directional antennas (0 dB gain). To increase
isolation, the antennas should have higher directivity and must be pointed away from
each other.
c. Occasional Drop-out of some Channels
Possible causes: One channel with very strong power dominates the RF
output of the amplifier.
15 Ron’s Edge Road
Springfield, New Jersey 07081
Tel. 201-343-3140 Fax 201-343-6390
sales@gwaverf.com
www.gwaverf.com
Page 14