GE 80306_zoneline_data_manual Architect And Engineering Manual 20 S114
ZONELINE 3200 zoneline_data_manual_08
Dispatcher?RequestType=PDF&Name=20-S114 GE Appliances Literature Search Results
User Manual: GE Architect and Engineering Manual GE Appliances Literature Search Results
Open the PDF directly: View PDF .
Page Count: 60

GE ZONELINE®
ARCHITECTS AND ENGINEERS DATA MANUAL
GE Zoneline packaged terminal air conditioners
LEADERS IN
EFFICIENCY

QUICK REFERENCE
4100 and 6100 Series Control Panel
PACKAGED TERMINAL AIR CONDITIONER 74R7
Full Specs on pages 54 and 55
ALL UNITS REQUIRE POWER CONNECTION KIT
Power Connection Kit determines resistance heat output
7000 BTUH units are not offered with 4.7 KW resistance heater
Specifications subject to change.
2
4100 series cooling with electric heat
4100 series cooling with electric heat (corrosion treated models)
Dry Air 25
4100 series cooling with electric heat
MODEL
NUMBER VOLTAGE COOLING
(BTUH) EER WATTS
AZ41E07DAB 208 6900 12.3 560
230 7200 12.3 580
AZ41E09DAB 208 9600 12.0 795
230 9700 12.0 805
AZ41E12DAB 208 11500 11.1 1035
230 11800 11.1 1060
AZ41E15DAB 208 14000 10.3 1350
230 14300 10.3 1370
AZ41E07EAB 265 7200 12.3 580
AZ41E09EAB 265 9700 12.0 805
AZ41E12EAB 265 11800 11.1 1025
AZ41E15EAB 265 14300 10.3 1385
MODEL
NUMBER VOLTAGE COOLING
(BTUH) EER WATTS
AZ41E07DAC 208 6900 12.3 560
230 7200 12.3 580
AZ41E09DAC 208 9600 12.0 795
230 9700 12.0 805
AZ41E12DAC 208 11500 11.1 1035
230 11800 11.1 1060
AZ41E15DAC 208 14000 10.3 1350
230 14300 10.3 1370
AZ41E07EAC 265 7200 12.3 580
AZ41E09EAC 265 9700 12.0 805
AZ41E12EAC 265 11800 11.1 1025
AZ41E15EAC 265 14300 10.3 1385
MODEL
NUMBER VOLTAGE COOLING
(BTUH) EER WATTS
AZ41E07DAP 208 6300 11.7 535
230 6500 11.7 555
AZ41E09DAP 208 8800 11.5 765
230 9200 11.5 790
AZ41E12DAP 208 11000 10.8 1015
230 11200 10.8 1035
AZ41E07EAP 265 6500 11.7 555
AZ41E09EAP 265 9200 11.5 795
AZ41E12EAP 265 11200 10.8 1020

QUICK REFERENCE
Full Specs on pages 54 and 55
ALL UNITS REQUIRE POWER CONNECTION KIT
Power Connection Kit determines resistance heat output
7000 BTUH units are not offered with 4.7 KW resistance heater
6100 series heat pump with backup electric heat
6100 series heat pump with backup electric heat (corrosion treated models)
6100 series heat pump with backup electric heat (models featuring
ICR - internal condensate removal)
MODEL
NUMBER VOLTAGE COOLING
(BTUH) EER WATTS HEATING
(BTUH) COP WATTS
AZ61H07DAB 208 6900 13.0 525 6100 3.9 445
230 7100 13.0 545 6200 3.9 465
AZ61H09DAB 208 9100 12.2 740 8100 3.7 635
230 9400 12.2 755 8300 3.7 650
AZ61H12DAB 208 11600 11.6 965 10400 3.6 835
230 11700 11.6 985 10600 3.6 855
AZ61H15DAB 208 14200 10.6 1335 13400 3.3 1120
230 14500 10.6 1360 13500 3.3 1165
AZ61H07EAB 265 7000 12.8 545 6200 3.9 450
AZ61H09EAB 265 9400 12.2 765 8100 3.6 655
AZ61H12EAB 265 11700 11.6 1000 10700 3.6 870
AZ61H15EAB 265 14400 10.6 1355 13500 3.3 1165
MODEL
NUMBER VOLTAGE COOLING
(BTUH) EER WATTS HEATING
(BTUH) COP WATTS
AZ61H07DAC 208 6900 13.0 525 6100 3.9 445
230 7100 13.0 545 6200 3.9 465
AZ61H09DAC 208 9100 12.2 740 8100 3.7 635
230 9400 12.2 755 8300 3.7 650
AZ61H12DAC 208 11600 11.6 965 10400 3.6 835
230 11700 11.6 985 10600 3.6 855
AZ61H15DAC 208 14200 10.6 1330 13400 3.3 1155
230 14500 10.6 1350 13500 3.3 1190
AZ61H07EAC 265 7000 12.8 545 6200 3.9 450
AZ61H09EAC 265 9400 12.2 765 8100 3.6 655
AZ61H12EAC 265 11700 11.6 1000 10700 3.6 870
AZ61H15EAC 265 14400 10.6 1355 13500 3.3 1165
MODEL
NUMBER VOLTAGE COOLING
(BTUH) EER WATTS HEATING
(BTUH) COP WATTS
AZ61H07DAD 208 6900 12.7 530 6100 3.9 440
230 7000 12.7 550 6200 3.9 465
AZ61H09DAD 208 9100 11.9 750 8000 3.6 640
230 9200 11.9 760 8100 3.6 655
AZ61H12DAD 208 11600 11.4 960 10400 3.6 835
230 11700 11.4 980 10600 3.6 855
AZ61H15DAD 208 14100 10.4 1330 13400 3.2 1200
230 14300 10.4 1345 13500 3.2 1200
AZ61H07EAD 265 6900 12.7 540 6200 3.9 455
AZ61H09EAD 265 9200 11.9 760 8200 3.6 665
AZ61H12EAD 265 11700 11.4 1015 10900 3.6 880
AZ61H15EAD 265 14300 10.4 1355 13500 3.2 1210

4
Electric Heat Amps include electric heater and fan motor current draw.
265-volt units are to be permanently connected in compliance with National Electrical Code and local codes and have a factory-installed junction box on the chassis.
Each 265-volt sub-base kit consists of sub-base with appropriate receptacle for minimum circuit amperage, chaseway to route power connector from sub-base to chassis
and wiring to connect sub-base to building wiring.
265-Volt Power Connection Kit must be ordered separately.
POWER CONNECTION KITS
ZONELINE® CHASSIS NOMENCLATURE
The Zoneline chassis is identified by a model number defining the type of unit, cooling capacity, electrical information and
optional features included on the unit. When specifying or ordering the Zoneline chassis, the use of this nomenclature will
assure receiving the correct unit.
230/208-Volt Line-Cord Connection Units
Line Cord
Kit
Electric
Heat
BTUH
Electric
Heater
Watts
Electric
Heat
Amps
Min. Circuit
Protection
(Amps)
RAK3153A 8150/7900 2450/2360 11.0/11.6 15
RAK3203A 11200/10900 3350/3230 15.1/16.0 20
RAK3303A 16000/15450 4750/4580 21.2/22.4 30
Electric Heat Amps include electric heater and fan motor current draw.
Each Line-Cord Kit has an integral Leakage Current Detection and Interruption (LCDI) or Arc Fault
Current Interrupter (AFCI) device as required by National Electrical Code (NEC) and Underwriters
Laboratories (UL) for units manufactured after August 1, 2004.
230/208-Volt Sub-Base and Direct-Connected Units
Sub-Base
Direct
Connection
Kit
Electric
Heat
BTUH
Electric
Heater
Watts
Electric
Heat
Amps
Min. Circuit
Protection
(Amps)
RAK204D15P RAK4157 8150/7900 2450/2360 11.0/11.6 15
RAK204D20P RAK4207 11200/10900 3350/3230 15.1/16.0 20
RAK204D30P RAK4307 16000/15450 4750/4580 21.2/22.4 30
Electric Heat Amps include electric heater and fan motor current draw.
Units connected through sub-base do not require an LCDI or AFCI device since they are not
considered to be line-cord connected. Each 230/208-volt sub-base kit consists of sub-base with
appropriate receptacle for minimum circuit amperage, chaseway to route power connector from
sub-base to chassis, wiring to connect sub-base to building wiring and a short line cord with 9-pin
connector to connect to chassis and plug into receptacle in sub-base.
Short sub-base line cord may not be used without sub-base.
Junction box for 230/208-volt chassis must be purchased separately.
RAK4002A for 2900, 3900, 4100, and 6100 series units, RAK4002B for 5800 series units.
265-Volt Sub-Base and Direct-Connected Units
Sub-Base Power
Connection Kit
Direct
Connection Kit
Electric Heat
BTUH
Electric Heater
Watts
Electric Heat
Amps
Min. Circuit Protection
(Amps)
RAK204E15 RAK5172 RAK5157 8150 2460 9.6 15
RAK204E20 RAK5202 RAK5207 11550 3460 13.3 20
RAK204E30 RAK5302 RAK5307 16350 4860 18.6 30
Important
Essential Elements Ordering Overview
230/208-volt line-cord connected units — order line cord kit
230/208-volt sub-base connected units — order sub-base
265-volt units — order sub-base and power connection kit
EXAMPLE
AZ61H12DAD
Chassis series
41= deluxe line cool/
electric heat
61=deluxe line heat pump
Unit type
E= cooling with electric
resistance heat
H= heat pump with electric
resistance heat
Zoneline
packaged
terminal
chassis
Nominal cooling capacity
07=7,000 BTUH cooling
09=9,000 BTUH cooling
12=12,000 BTUH cooling
15=15,000 BTUH cooling Special Features
B=base unit
C=corrosion treated
D= internal
condensate
removal (ICR)
system (heat
pump models
only) (not for
coastal areas)
P= Dry Air 25 (4100
Series only)
Voltage/Phase/
Frequency
D= 230/208-Volt,
single-phase, 60 Hz
E= 265-Volt, single-phase,
60 Hz
Universal
power connection
Specifications subject to change.

5
The Zoneline 4100 and 6100 Series have incorporated changes suggested by customers, along with
enhancements by GE’s Technology Team and changes necessary to meet new UL and NEC requirements.
“L” shaped condenser coil.
Cross-flow blower across the product line for quieter operation.
The “Partial Open Vent Air” feature was a specific request by a customer.
“Heat Sentinel” is an enhancement developed by GE’s Technology Team to help lodging professionals welcome their
guests with a moderate-temperature room and to help lower cooling costs.
Devices have been added on cord-connected units to protect against injury from unsafe power cords.
See the “Features and Benefits” section for in-depth explanation of these changes and the industry-leading features
of GE Zoneline retained from the previous series.
The Deluxe 4100 Series Zoneline models include The “Dry Air 25” models,
which remove 25% more moisture than other Zoneline models.
Deluxe Dry Air 25 Models
Cooling With Resistance Heat
• Removes 25% more moisture than standard Zoneline models
• Cools and dries air in less time than standard Zoneline models
• Dry Air is a separate sealed refrigerant system
— No mechanical parts — No special maintenance required
• Helps maintain lower relative humidity in rooms
• Maintains comfort at slightly higher room temperatures
— Reduces operating costs — Provides comfort without
overcooling
• Corrosion treatment is standard
• Excellent choice for humid climates
• Available in 7,000, 9,000 and 12,000 BTU sizes
The Dry Air 25 system, a heat pipe, is a hermetically sealed
heat transfer surface installed in a “saddlebag” configuration
around the indoor (evaporator) coil of the Zoneline unit. This
coil arrangement will transfer heat from the front coil of the
saddlebag to the rear coil without power consumption.
This assembly uses R-410A as the refrigerant and is not
connected to the regular Zoneline refrigerant circuit.
As warm, humid air is pulled through the pre-cool (front)
section of the heat pipe, the heat removed from the air is
absorbed by the refrigerant, causing the refrigerant to change
to a gas and flow to the re-heat (rear) section of the heat
pipe. The air leaving the pre-cool section of the heat pipe is
cooler and at a higher relative humidity level than the room
air. The pre-cooled air is further cooled as it passes through
the evaporator, consequently allowing the evaporator coil to
remove more moisture.
When the cold air from the evaporator comes in contact
with the re-heat section of the heat pipe, the heat that was
removed by the pre-cool section is added back to the air
and the refrigerant in the heat pipe condenses and flows
back to the pre-cool (front) section. The air discharged into
the room by this process is much drier, creating a more
comfortable room condition.
The Dry Air 25 models center around GE’s exclusive use of
the patented Dinh® Dehumidifier Heat Pipe from Heat Pipe
Technology, Inc. This innovative NASA spin-off technology
enables Dry Air 25 to remove 25% more moisture from the
air than other leading manufacturers’ packaged terminal air
conditioners. This helps maintain room comfort at a higher
room temperature, reducing operating costs.
The Dry Air 25 keeps a room cool and dry, and this is the
most important benefit when it comes to the occupant of
the room—hotel guests, apartment residents, students. In a
hot, humid climate, getting away from the humidity is just
as important as getting away from the heat, and the Dry Air
25 is the perfect solution. The dehumidification of the Dry Air
25 has been verified by the same AHRI test conditions under
which standard units are rated.
Specifications subject to change.
6
TABLE OF CONTENTS
Front Cover 1
Mini Specs 4100 and 6100 Series 2–3
Mini Specs Power Connection Kits and Nomenclature 4
The 4100/6100 and Dry Air 25 5
Table of Contents 6
Introduction 7
The Zoneline® System 8
Features and Benefits
Features Table 9
Features and Benefits 10–12
Auxiliary Control Settings 13–14
Central Desk Control 15
Remote Thermostat Control 16–18
Heat Pumps and Energy Savings 19–20
Installation and Dimensions
Application Comments 21
Case Dimensions 22
Wall Case/Sub-Base Installation 23–34
Condensate Disposal Systems 35–37
Ducted Installations 38–40
Exterior Grilles 41–42
Product Data
Electrical Connection 43
Essential Elements Ordering Overview 44
Maximum Connected Load 45
Latent System Capacity 45
Normal Yearly Operating Data 46
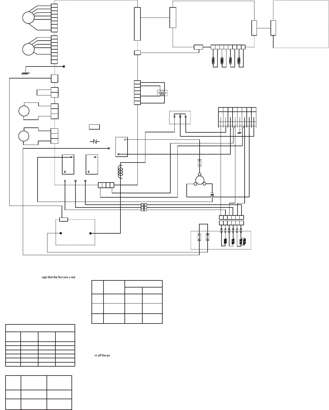
Schematics 47–50
Product Specifications
Suggested Bid Form Specifications 51–52
Zoneline Chassis Nomenclature/Receptacles/Sub-Bases 53
Preliminary Specifications 54–55
Complete Accessory List 56
General Installation Suggestions 57–58
Warranty 58
Alphabetical Index 59
Back Cover 60
Important Notice
Equipment used as a primary source for
heating or cooling is an integral part of
the building in which it is installed. Proper
application is essential for satisfactory
performance over a wide range of
operating conditions. It is strongly
recommended that a professional
engineer determine proper application.
If the unit is a replacement unit, its
specifications and performance
may differ from those of the unit it is
replacing. For that reason, we again
strongly recommend that a professional
engineer determine proper application.
7
INTRODUCTION
This manual is designed to provide product, performance
and application information to our customers and their
architects and engineers for use in selection and design
of a zonal comfort control system utilizing GE Zoneline
Packaged Terminal Air Conditioners (PTAC) and Packaged
Terminal Heat Pumps (PTHP). GE Zoneline PTACs and PTHPs
are self-contained units designed for through-the-wall
installations in hotels, motels, apartments, hospitals,
nursing homes, add-on rooms and many other installations.
Zoneline units provide individual room or zone control in both
cooling and heating operation. There is a model for practically
every application, ranging in cooling capacity from 7,200 to
14,500 BTUH and heating capacity from 6,200 to 13,500 BTUH
in heat pump operation. See pages 42 and 52 for resistance
heaters available.
The Deluxe Line consists of the 4100 Series with electric
resistance heat, the 4100 Series Dry Air 25 Models with
enhanced dehumidification for hot and humid climates and
the 6100 Series heat pump. The 6100 Series heat pump
features reverse-cycle defrost and simultaneous supplemental
resistance heat, when needed, to maintain room comfort. Both
offer tactile touch controls with digital display and optional
corrosion protection.
Deluxe Line Standard Features:
• Two-fan-motor system with indoor cross-flow
blower for quieter operation
• Digital Controls
—LED Temperature Display
—Easy Temperature Selection
—Tactile Touch Pad
• Universal Heaters
• Heat Sentinel
• “L” Coil Design Condenser
• 3-Position Vent Door
• Freeze Sentinel
• Indoor Coil Frost Control
• Central Desk Control Interface
• Remote Thermostat Control Interface
• Random Restart
• Electronic Temperature Limiting
• “Smart Fan” Fan Cycle/Continuous Control
• Transfer Fan Interface
• Reverse Cycle Defrost and Simultaneous
Supplemental Resistance Heat on Heat Pumps
• Quick Heat Recovery
Deluxe Line Optional Features:
• Corrosion Protection
• Internal Condensate Removal (on 6100 Series
Heat Pump without Corrosion Protection)
NOTE: Dry Air 25 models include all the standard features of the
4100 Series plus standard corrosion protection.
Advantages of the GE Zoneline System:
• Flexible Application
— May be installed from flush to finished floor,
to 3" from the ceiling
— 7,200 to 14,500 BTUH units in same physical size
— Deluxe 4100 and 6100 Series may be ducted to
condition more than one room
— Compatible with Class 2 remote thermostat control
— Compatible with 2-wire CDC or many Energy
Management Systems
• Economical Installation
— No ductwork necessary
— No mechanical equipment rooms or pipes required
for heating/cooling units
— Replacement units fit existing 42"-wide by 16"-high
wall cases
• Quiet Operation
— Indoor cross-flow blower
• Energy-Saving Operation
— Units in unoccupied areas may be turned off
— Designed for efficient cooling operation — EERs from
10.3 to 13.0
— Efficient heat pump units — COPs from 3.3 to 3.9
— Extended heat pump operation without sacrificing
room comfort
• Ease of Maintenance
— Permanently lubricated fan motors
— Upfront lift-out interchangeable filters
— Slide-out chassis for easy access for cleaning or if
service is required
• Reverse Cycle Heat Pump Operation
The 6100 Series heat pumps utilize the unique GE PTAC
heat pump operation to ensure a comfortable room.
The logic used by the units is the same logic used by
central system heat pumps to provide greater savings.
Specifications subject to change.

8
THE ZONELINE® SYSTEM
The typical Zoneline installation consists of the wall case (or sleeve), chassis, power cord and exterior grille. Some installations may
use a sub-base for support of the unit or for ease of electrical connections. Each of the components should be the standard
products offered by GE, or, in the case of the exterior grille, approved by GE Applications Engineering. Use of components not
specifically designed or approved for use with the Zoneline unit can result in unsatisfactory operation and can be the cause
of failure not covered by the warranty.
Components of the Zoneline System
Typical Installation (Deluxe Series shown)
See pages 23 and 33 for information on electrical sub-bases and chaseway.
See pages 38-40 for information on ducted installations.
RAK601/602
Duct Extension, Register and Trim Flange
RAK6052 Duct Adapter
Wall Case
RAB71A (Steel-Insulated)
RAB77A4 (SMC — Molded)
Wall Case Options
(See pages 22-23)
RAG67 (shown)
Grille Options
(See page 41)
Room Cabinet
Chassis
Power Connection Kit (required on all units)
Line Cord Kit shown
See pages 43-44
Optional Accessories of the Zoneline System
RAK204D20P Sub-Base (shown)
Chaseway
Power Supply Cord (included with certain
208V/230V sub-bases)
Power Supply Cord

9
ZONELINE FEATURES
Resistance heat Heat pump
AZ
41 Series
AZ
41 Dry Air 25
AZ
61 Series
Cooling EER range (230 Volts/265 Volts) 10.6 - 12.8 11.3 - 12.2 10.8 - 13.2
Heating COP range (230 Volts/265 Volts) N/A N/A 3.3 - 4.0
Refrigerant type R-410A R-410A R-410A
Cross-flow (tangential) blower Standard Standard Standard
Enhanced dehumidification Optional Standard —
Heat pump with resistance heat back-up — — Standard
Heat pump with supplemental resistance heat — — Standard
Staged heating — — 3-Stage***
Universal heaters - UPC** Standard Standard Standard
Tactile touch-pad controls with LED Standard Standard Standard
Touch control set-up features Standard Standard Standard
Highly featured microcomputer controls Standard Standard Standard
Electric resistance heat lock-out (above 46°F) — — Standard
Automatic emergency heat Standard Standard Standard
Heat pump defrost system — — Reverse cycle
High-temperature operation protection — — Standard
Quick heat recovery — — Standard
Heat boost — — Selectable
Separate indoor & outdoor
motors — permanently lubricated AC AC DC
2-speed outdoor fan Standard Standard Standard
Indoor fan speed settings Hi/Low Hi/Low Hi/Low
"Fan Only" setting—2-speed Hi/Low Hi/Low Hi/Low
"Cool & Heat Only" settings Hi/Low/Auto Hi/Low/Auto Hi/Low/Auto
“SmartFan” fan cycle control Standard Standard Standard
Auto power recovery Standard Standard Standard
Automatic compressor restart delay Standard Standard Standard
Freeze Sentinel (41F) Standard Standard Standard
Heat Sentinel (85F) Standard Standard Standard
Automatic indoor frost control Standard Standard Standard
Temperature limiting Electronic 7-step Electronic 7-step Electronic 7-step
Solid-state thermostat Standard Standard Standard
Remote thermostat compatibility Standard Standard Standard
Central Desk Control compatibility Standard Standard Standard
2-position discharge grille 50º/40º Standard Standard Standard
Upfront filter (interchangeable) Standard Standard Standard
3-position manual air vent control Standard Standard Standard
Sleep function Standard Standard Standard
Transfer fan connections Standard Standard Standard
Ducted installation capability Optional Optional Optional
Corrosion-treated chassis Optional Standard Optional
Internal condensate removal (ICR)* — — Optional
*Not for use in corrosive environments
**UPC — Universal Power Cord Connection (see pages 43 and 53).
*** Two-stage heating if using remote thermostat
265-volt units must be connected in a manner to meet National Electrical Code and all local codes.
Specifications subject to change.
10
FEATURES AND BENEFITS
Standard Physical Dimensions
GE has maintained the same dimensions since 1961 —
42" wide x 16" high x 13-3/4" deep — making
replacement of older units easy.
Weather-Protected Electrical Components
Vital electrical components are protected from the weather
by locating them on the indoor side of the weather barrier.
Weather-Resistant “Superseal”
Properly installed unit in undistorted case keeps air leakage
to a minimum.
7 CFM air infiltration with 25 MPH wind on ICR
units — even less on units without ICR
Industry specification is 19 CFM of air infiltration
Heater Sizes to Meet Room Requirements
All units are equipped with a universal heater —
the resistance heat output is determined by power
connection kit.
230/208-volt — Line-Cord Connected Units —
2.4/2.32 KW with RAK3153A — 15-amp circuit
3.3/3.20 KW with RAK3203A — 20-amp circuit
4.7/4.53 KW with RAK3303A — 30-amp circuit
230/208-volt - Sub-Base Connected Units —
2.4/2.32 KW with RAK204D15P — 15-amp circuit
3.3/3.20 KW with RAK204D20P — 20-amp circuit
4.7/4.53 KW with RAK204D30P — 30-amp circuit
265-volt —
2.4 KW with RAK5172 — 15-amp circuit
3.4 KW with RAK5202 — 20-amp circuit
4.8 KW with RAK5302 — 30-amp circuit
Unit Controls
4100 and 6100 Series — touch pad controls with digital
readout of temperature set point
Highly Featured Microprocessor Controls
Microprocessor controls are programmed to interface with
the temperature sensors to maximize comfort conditions
for the room occupant and provide outstanding features.
Thermistors are used to sense small changes in temperature
to give excellent room control and allow the microprocessor
to monitor and react to changing conditions.
Electric Resistance Heat Lock-Out
To maximize the savings of the heat pump operation, the
Zoneline® heat pumps do not utilize the resistance heater
when the outdoor temperature is above 46°F during normal
operation. The resistance heat is used in the Quick Heat
Recovery feature.
Automatic Emergency Heat
Automatically uses electric resistance heat if the heat
pump output is not sufficient to maintain selected
room temperature.
Reverse Cycle Heat Pump Defrost System
Standard on all Zoneline 6100 Series heat pumps
Enables heat pump to operate at lower temperatures
when other systems switch to more expensive electric
resistance heat.
See pages 18 and 19 for discussion of heat pump operation
and defrost systems.
High-Temperature Heat Pump Operation Protection
Automatically protects the compressor if heat pump is
operated with high outdoor temperatures.
Power to the outdoor fan is turned off if the indoor coil
gets too hot during heat pump operation to prevent
damage to the compressor.
Quick Heat Recovery – Heat Pump Units
When the unit operation is changed from STOP or COOL to
HEAT, the electric resistance heaters are used to warm the
room to the thermostat set point. This provides faster room
temperature increase for greater guest comfort.
Fan Motors – Permanently Lubricated
All units have two fan motors for quiet operation and
maximum operating efficiency.
Motors are permanently lubricated to reduce maintenance
and totally enclosed to keep dirt and water out of the
motor windings.
Outdoor Fan
The unit automatically selects the most efficient speed
for the outdoor fan. The operating sound level is lower
when the outdoor fan can operate in low speed, yet
there are situations where it must operate in high
speed. The unit changes the fan speed automatically.
Indoor Fan Speed Selections – HIGH/LOW
Unit may be operated in HIGH HEAT or LOW HEAT or
HIGH COOL or LOW COOL.

11
FEATURES AND BENEFITS (cont)
Fan-Only Setting – HIGH/LOW
The unit provides the option of selecting either HIGH or LOW
speed for Fan-Only operation.
Fan-Cycle Switch – “SmartFan”
Unique “SmartFan” allows unit to operate fan continuously
in cooling operation and fan cycle in heating to provide better
guest comfort. Eliminates complaint of cold-air draft during
the heating season.
Eliminates the need for changing fan-cycle switch seasonally.
“SmartFan” settings are controlled via the auxiliary control
setting push button.
Compressor Random Restart
In the event of a power failure, all compressors attempting
to restart immediately when power is restored can result
in a power surge that can cause another power interruption.
The microprocessors in the Zoneline units have a random
restart logic system that prevents all units from starting at
the same time.
Rotary Compressor
Provides smoother operation for quiet, dependable service.
GE has used rotary compressors since 1961.
Compressor Restart Delay
Zoneline units are designed to provide a minimum of three
minutes of compressor-off time to allow refrigerant pressures
to equalize before restarting to prevent compressor damage.
Zoneline units are also designed to provide a minimum
of three minutes of compressor-run time to prevent room
occupant disturbance due to short-cycling of the air
conditioner.
Freeze Sentinel
Detects low room temperature and turns on heater to
help protect against damage caused by freezing room
temperature.
Heater turns on at 41°F and warms indoor thermistor
temperature to 46°F and shuts off.
Freeze Sentinel may be turned off by dip switch on
auxiliary control.
Heat Sentinel
The property owner may choose to activate the Heat Sentinel
feature on the Zoneline unit. If the Heat Sentinel is activated
and room temperature reaches 85°F (even when the unit
is in the “STOP” setting), the unit will automatically start in
air conditioning operation and will shut off when the room
temperature reaches 80°F. This will help dehumidify the air
and lower high temperatures so the guest will not be entering
an extremely hot room.
Indoor Coil Frost Control
Prevents indoor coil from freezing
and causing complaints due to lack
of cooling. Frost can form on the
indoor coil when the unit is operated
in cooling when outdoor temperatures
are low. The unit automatically shuts
the compressor off until the indoor coil
temperature warms to the point where
frosting will no longer occur.
Transfer Fan Interface
24 VAC terminals are provided to operate a relay to control
a fan mounted in a wall to move conditioned air into another
space. The electrical power for the operation of the transfer
fan itself is not provided by the Zoneline unit. Transfer fans
and their controlling relays are field supplied.
Electronic Temperature Limiting
Seven independent programmable heating temperature
limits and seven independent programmable cooling
temperature limits.
Remote Control Capability with Wall-Mounted
Thermostat
See pages 16–18.
Central Desk Control Capability
See page 15.
Energy Management System Interface with
Load-Shedding Option
All units have a switch via the auxiliary control setting to
allow the indoor fan to continue operating if the unit is
connected to an energy management system that shuts off
compressor or heater operation. By allowing the indoor fan to
run when the heater or compressor is shut off by the energy
management system, the guest is less likely to realize the
operation of the unit has been altered. This helps reduce peak
energy demand loads without disturbing the room occupant.
Reversible Indoor Air Louvers
Allows air to be directed into room at 40º or 50º angle to
provide better air distribution.
Angle is changed by removing room front and screws
holding louver in place, and rotating louver section.
Heating Temperature Limits Highest
Heat
65 70 72 74 76 78 80 85
Lowest
Cool Cooling Temperature Limits
60 64 66 68 70 72 74 76
Limits are set via the auxiliary control setting push button.

12
FEATURES AND BENEFITS (cont)
Up-Front Air Filters
Two interchangeable
up-front filters, easy
to remove and reinstall,
may be cleaned without
opening or removing
the room front.
Clean filters by brushing,
vacuuming or back-
flushing under faucet
or shower head.
Concealed Manual
Vent Control
Open ventilation doors on
GE Zoneline® Packaged
Terminal Air Conditioners
and Heat Pumps allow
outside air to enter the room through a screen-covered
opening in the weather barrier that separates the indoor
and outdoor sections of the unit.
A concealed lever, located along the left side of the unit under
the front cover, is used to open and close the vent door.
The 3-position manual vent door control may be closed,
partially open or fully open. Positive vent door closure
prevents accidental opening and unwanted air infiltration.
Vent CFM High Speed
Unit Full Open Partial Open
7000 50 40
9000 70 45
12000 75 45
15000 75 45
CFM ratings at 230 and 265 volts.
For each CFM of air to enter the room, an equal amount of
air must be removed through exhaust fans in the bathroom
or roof tops. Greater amounts of air will be introduced (from
chart shown above) depending on the size of the exhaust fan.
Outside ambient air entering the room through this screened
vent opening is not conditioned. This unconditioned air
becomes mixed with the conditioned air that is circulated by
the indoor fan. This air mixture generates an additional heat
load/heat loss that causes the unit to run longer and may
translate into higher operating costs.
Zoneline vent openings are not intended to be the source
of make-up air for building ventilation systems due to the
additional heating or cooling loads generated.
Corrosion Protection (Optional)
4100 and 6100 Series units may be ordered with special
protection to better withstand damage from salt air and
salt water in seacoast or other corrosive areas.
Corrosion protection is standard on the Dry Air 25 models.
Heat pump units with ICR are not available with corrosion
protection and should not be installed in seacoast or other
corrosive environments.
Units installed in corrosive areas should use the RAB77 wall
sleeve and be examined/cleaned more frequently than
normal installations.
Internal Condensate Removal (ICR)
See page 35 for a discussion of the Internal Condensate
Removal system available on 6100 Series heat pumps.
Enhanced Dehumidification
Moisture removal is an important function of an air
conditioner. People are more comfortable at higher
temperatures when the humidity level is relatively low.
Air conditioners operate with less energy consumption
when the room temperatures are set higher.
The GE Zoneline 4100 Series with the Dry Air 25 heat pipe
application removes 25% more moisture than the base
4100 Series unit.
The GE Zoneline Dry Air 25 chassis is the only PTAC available
with the application of the patented Dinh® Dehumidifier
Heat Pipe under license from Heat Pipe Technology, Inc.
Customers who are using the Dry Air 25 report a fresher-
smelling room as a result of the lower humidity levels, as
well as lower operating costs.
Locking Door Kit
RAK8023 — A door with a lock that replaces the standard
control cover door to prevent unauthorized changing of
control settings is offered as an accessory.

13
AUXILIARY CONTROL—AUX SET BUTTON
AUXILIARY CONTROL SETTINGS
The auxiliary control push button is located behind the room
cabinet, below the control panel. The auxiliary controls come
preset to the modes most desired by customers. However,
the owner is responsible for ensuring the auxiliary controls
are set to the desired function. There are 9 different modes
that can be set using the auxiliary set button.
To change modes:
• Press the STOP button.
• Press AUX SET (“AU” appears on the display).
• Press the MODE button on the control pad until
the first digit in the display shows the number
corresponding to the mode you are choosing
and the correct HEAT/COOL LED is lit.
• Press the UP or DOWN arrow to change the mode
setting selection (second digit in the display).
• Press the MODE button to move to the next feature
or the AUX SET button to exit the set up process.
Press “SET”
First Digit Second Digit
Press “Mode” Press /
HEAT
COOL
Smart Fan Cool – Cycle*
Smart Fan Cool – Continue
Press “Mode” Press /
HEAT
COOL
Smart Fan Heat – Cycle*
Smart Fan Heat – Continue
Press “Mode” Press /
Load Shedding – Off
Load Shedding – On
Press “AUX SET”
First Digit Second Digit
Press “Mode” Press /
Smart Fan
HEAT
COOL
Load Shedding
Sentinel
HEAT
COOL
Constant Fan
Temperature
Limit
HEAT
COOL
Class 2 Mode
Duct Mode
All I2R Mode
Boost Heat
0: 60F-85F
1: 64F-85F
2: 66F-85F
3: 68F-85F
4: 70F-85F
5: 72F-85F
6: 74F-85F
7: 76F-85F
0: 60F-65F
1: 60F-70F
2: 60F-72F
3: 60F-74F
4: 60F-76F
5: 60F-78F
6: 60F-80F
7: 60F-85F
HEAT
COOL
– Off –On
– Off –On
– Cycle – Continue
(AZ61 Only)
(AZ61 Only)
Mode 2—Load Shedding (Central Desk Control)
The default setting for Mode 2 is OFF.
This feature is active only if the unit is connected to a
CDC and the CDC has control. When this mode is on,
only the indoor fan can be turned ON or OFF with the
unit controls. When this mode is off, all operation is
disabled except Heat/Freeze Sentinel (Mode 3).
Mode 1—Smart Fan—Cooling/Heating
The default setting for Mode 1 is as follows:
Cooling: Continuous (ON)
Heating: Cycle (OFF)
Press “AUX SET”
First Digit Second Digit
Press “Mode” Press /
Smart Fan
HEAT
COOL
Load Shedding
Sentinel
HEAT
COOL
Constant Fan
Temperature
Limit
HEAT
COOL
Class 2 Mode
Duct Mode
All I2R Mode
Boost Heat
0: 60F-85F
1: 64F-85F
2: 66F-85F
3: 68F-85F
4: 70F-85F
5: 72F-85F
6: 74F-85F
7: 76F-85F
0: 60F-65F
1: 60F-70F
2: 60F-72F
3: 60F-74F
4: 60F-76F
5: 60F-78F
6: 60F-80F
7: 60F-85F
HEAT
COOL
– Off –On
– Off –On
– Cycle – Continue
(AZ61 Only)
(AZ61 Only)
Auxiliary Set Button
Access
Cover
* Note: In cyclic Cooling Mode, the indoor fan will activate occasionally
to verify air temperature in the room. In cyclic Heating Mode, the fan
will continue to operate for 90 seconds after the heating function has
stopped in order to increase unit efficiency.

14
AUXILIARY CONTROL SETTINGS (cont)
Mode 3—Freeze Sentinel/Heat Sentinel
The default settings for Mode 3 are:
Heat Sentinel is off
Freeze Sentinel is on.
When Freeze Sentinel is activated, it automatically provides
heat without user interface. This helps to prevent plumbing
damage by turning the heater and indoor fan ON at 41ºF
and OFF at 46ºF.
When Heat Sentinel is activated, it automatically provides
cooling without user interface. This helps to prevent an
excessively hot room by turning the air conditioner ON
at 85ºF and OFF at 80ºF.
NOTE: These functions are active whenever the unit is
plugged in, even if the unit is in the STOP position.
Mode 4—Constant ON Fan
The default setting for Mode 4 is OFF.
Mode 5—Temperature Limiting
The default setting for Mode 5 is as follows:
Cool: 2 (66ºF to 85ºF)
Heat: 5 (60ºF to 78ºF)
Temperature limits—Cool Temperature limits—Heat
0 = 60°F to 85°F 0 = 60°F to 65°F
1 = 64°F to 85°F 1 = 60°F to 70°F
2 = 66°F to 85°F 2 = 60°F to 72°F
3 = 68°F to 85°F 3 = 60°F to 74°F
4 = 70°F to 85°F 4 = 60°F to 76°F
5 = 72°F to 85°F 5 = 60°F to 78°F
6 = 74°F to 85°F 6 = 60°F to 80°F
7 = 76°F to 85°F 7 = 60°F to 85°F
Mode 6—Remote Thermostat – Class 2
The default setting for Mode 6 is OFF.
Setting this mode to ON will allow the unit to operate
with a Class 2 Remote Control Wall Thermostat.
Mode 7—Duct Mode
The default setting for Mode 7 is OFF.
This setting is used when the unit is installed using
a duct adapter kit. If the unit is ducted, the Duct Mode
needs to be set to ON. This increases the fan speed to
ensure proper circulation.
Mode 8—All-Electric Heat (AZ6100 only)
The default setting for Mode 8 is OFF.
This electric heat option functions only on the 6100 model.
When this option is ON, heat pump operation is locked out,
causing the unit to provide only electric resistance heat.
Mode 9—Heat Boost (AZ6100 only)
The default setting for Mode 9 is OFF.
When Heat Boost is ON and outer temperatures are
between 25ºF and 46ºF, heat pump-only operation is locked
out. This setting is used to provide supplementary heat to the
heat pump operation by electric resistance heat in conditions
where the heat pump-only operation is not sufficient to
maintain a consistent, comfortable room temperature.
NOTE: Heat Boost option should NOT be used with remote
thermostat operation. This will cause the unit to switch to
resistance heat when the outdoor temperature is 46ºF.
Press “Mode” Press /
HEAT
COOL
Freeze Sentinel – Off
Freeze Sentinel – On
Press “Mode” Press /
HEAT
COOL
Heat Sentinel – Off
Heat Sentinel – On
Press “Mode” Press /
Constant Fan – Off
Constant Fan – On
Press “Mode” Press /
Duct Mode – Off
Duct Mode – On
Press “Mode” Press /
ALL 12R Mode – Off
ALL 12R Mode – On
Press “Mode” Press /
Boost Heat – Off
Boost Heat – On
Press “Mode” Press /
HEAT
COOL
Temperature Limit Cool
Press “Mode” Press /
Class 2 Mode – Off
Class 2 Mode – On
0: 60F-85F
1: 64F-85F
2: 66F-85F
3: 68F-85F
4: 70F-85F
5: 72F-85F
6: 74F-85F
7: 76F-85F
Press “Mode” Press /
HEAT
COOL
Temperature Limit Heat
0: 60F-65F
1: 60F-70F
2: 60F-72F
3: 60F-74F
4: 60F-76F
5: 60F-78F
6: 60F-80F
7: 60F-85F

15
CENTRAL DESK CONTROL
Some installations may want to govern the ability of the unit
to operate from a control device remote to the unit or even
remote to the room in which the unit is located. The general
term given to systems such as this is Central Desk Control
(CDC). The most common installation of this type of system is
a switch mounted at the registration desk and, upon guest
check-in, a button is pushed or a switch is moved to allow
the air conditioner to operate. Likewise, when the guest
checks out, the device is put into the “OFF” position so the
unit will not operate while the room is vacant.
It is not necessary that the controlling device be located
at a central desk to employ a device that will control the
unit operation. For instance, in some resort areas, devices
are connected to sliding glass doors and opening the door
causes a contact to close, turning the air conditioner off.
This prevents energy being wasted by operating the air
conditioner when warm, humid air is entering the room.
Some systems operate by motion sensors or heat-sensing
detectors mounted in the room. These types of systems
determine occupant presence in the room and allow the
unit to operate; if no one is in the room the device signals
the air conditioner to turn off.
Zoneline® models offer load-shedding capabilities on
units connected to Central Desk Control systems. For
more information on the models’ load-shedding feature,
see page 11.
There is a wide variety of devices available, each with
its own benefits and constraints. While GE does not offer
components that are external to the unit for a Central Desk
Control system, GE Zoneline units are compatible with most
CDC and energy management systems. Zoneline units
provide a 24 VAC circuit that powers the Central Desk
Control system and no external power is needed.
All Zoneline 4100 and 6100 Series units are compatible with
simple on/off 2-wire Central Desk Control systems. Consult
with the provider of the energy management system to be
sure it is compatible with GE Zoneline units. Zoneline units
have standard connectors factory-installed to provide a
CDC interface that permits the unit to be connected to most
of the energy management systems. The devices connected
to the Zoneline units require no power supply or transformers
external to the unit.
Important CDC Comments (all series applicable)
1. When the switching device closes the circuit of the CDC
conductors, the unit operation stops.
2. Do not use a common bus (at the unit or at the switch
panel) in the wiring. Both wires comprising the circuit
must connect to the unit connectors and to the controlling
switch. Running one wire from one unit to another unit is
common busing and may damage internal components
or cause erratic operation of the system.
3. A 24-volt transformer is contained within the Zoneline unit.
No external voltage may be applied to the unit through
the CDC terminals. (Voltage on the CDC conductors is
24 volts AC.)
4. Recommended wire size must be followed as a minimum
requirement.
Wire Size #AWG Maximum Allowable Length
#22 600 Ft.
#20 900 Ft.
#18 1500 Ft.
#16 2000 Ft.
Freeze Sentinel and Heat Sentinel remain operational when
the unit is connected to a CDC system. Even if the unit is
turned “OFF” at the central location, if the sensor at the unit
detects the low or high limit temperature, the unit will
automatically turn on until it reaches the preset shutdown
temperature (46°F heating, 80°F cooling).
Connecting the Zoneline unit to a CDC system does not
eliminate the ability to connect the unit to a remote thermostat.
Once the circuit is “opened,” and control of the unit removed
from the CDC system, the selected controls—either the unit-
mounted control or the remote thermostat—govern the
operation of the unit.
Please see page 57 for installation recommendations
for the Central Desk Control wiring.
CDC Terminal Location and Typical Wiring
See page 16 for location of CDC terminals on unit.
Unit #2
Unit #1 Unit #3
Example of Common Busing
NOT PERMITTED
CDC Terminals
on Zoneline unit
INCORRECT Common Busing
Normally Open
Switch -
Unit Operational
Typical Wiring
(All Wiring Shown Is Field Supplied)

16
The remote thermostat-Class 2 option (Mode 6 in the
auxiliary control setting) must be turned ON to enable
remote thermostat control. Refer to installation instructions
packaged with the chassis.
Please see page 57 for installation recommendations
for the remote thermostat wiring. Compatibility of other
thermostats considered for use with GE Zoneline units
is the responsibility of the customer.
The control voltage on the remote control conductors is 24
volts AC. The AC voltage may not be compatible with some
solid-state thermostats.
The fan speed for the 4100 Series in remote thermostat
operation is selected by the connection of the fan wire from
the thermostat to either the HIGH or LOW terminal on the unit.
See the sketch of the unit terminals below for the location of
the HIGH and LOW fan-speed terminals. Operating the unit in
low fan speed reduces the operating sound level of the unit.
Freeze Sentinel and Heat Sentinel remain operational if the
unit is connected to a remote thermostat. The unit may be
connected to a Central Desk Control (CDC) system and
controlled with a remote thermostat when the CDC system
has the unit in operation. See page 15 for additional
information on the CDC system.
Unit temperature-limiting settings are not functional when
unit is connected to a remote thermostat.
Field Wiring Terminal
R — 24V AC
GL — Low-Speed Fan
GH — High-Speed Fan
B — Not Used on 4100
Y — Compressor
W — Heater
C — Common
REMOTE THERMOSTAT CONTROL
In some installations, control of the operation of the unit
at a location remote from the unit itself may be desired. A
unit mounted high in the wall or over a door, for instance,
where the unit-mounted controls are inaccessible, can be
connected to a wall-mounted thermostat. Other installations
may use remote thermostat control for design or performance
enhancement. The unit is connected to the thermostat by
low-voltage wiring which permits the operation of the unit to
be selected and the temperature sensed at the thermostat.
Important Notes: Remote thermostat wiring should NOT be
run through the wall case. Thermostat wiring should exit the
wall below the unit and enter the unit between room cabinet
and chassis. Wire molding may be used to hide thermostat
wiring. If a sub-base is used, the thermostat wiring may be
concealed by the sub-base. Thermostat wiring should NOT
be run parallel to line voltage wires since induced current
may cause erratic operation.
All Zoneline® 4100 and 6100 Series units are adaptable to
Class 2 remote low-voltage thermostats. The only additional
field-supplied components are the remote thermostat and
wiring necessary to connect it.
The controls on the unit are not functional when the remote
control function is used.
RAK806 Universal Control Cover Label
When a Zoneline unit is using a remote thermostat control,
the RAK806 Universal
Control Cover Label is
recommended. The
RAK806 is only
available in a
package of 10 labels.
The label is placed
over the control panel
to direct the user to
the wall thermostat
for operation of the
Zoneline unit.
Resistance Heat Models
The Zoneline 4100 resistance heat units may be connected
to a single-stage thermostat designed for use with cooling
with electric heat systems. GE offers two thermostats
compatible with the 4100 Series unit.
R
GL
GH
B
Y
W
C
Common
White — Heater
Yellow — Compressor
Black — Not Used On 4100
Green — High-Speed Fan
Green — Low-Speed Fan
Red — 24V AC
CDC Terminal
CDC
RAK164D2 —
a solid-state
digital thermostat
requiring five
connection wires.
RAK164P2 —
a solid-state digital
programmable
thermostat
requiring five
connection wires.

17
REMOTE THERMOSTAT CONTROL (cont)
Heat Pump Models
The Zoneline 6100 Series heat pump units may be
connected to a single-stage cooling/two-stage heating
thermostat designed for use with heat pump systems.
GE offers two thermostats compatible with the
6100 series units:
RAK148D2 —
solid-state digital
thermostat
requiring six
connection wires.
RAK148P2 —
solid-state digital
programmable
thermostat
requiring six
connection wires.
Please see page 57 for installation recommendations
for the remote thermostat wiring. Compatibility of other
thermostats considered for use with the GE Zoneline
unit is the responsibility of the customer.
The control voltage on the remote control conductors is 24 VAC.
The remote thermostat-Class 2 option (Mode 6 in the
auxiliary control setting) must be turned ON to enable remote
thermostat control. Refer to installation instructions packaged
with the chassis.
The fan speed for the 6100 Series in remote thermostat
operation is selected by the connection of the fan wire from
the thermostat to either the HIGH or LOW terminal on the
unit. See the sketch of the unit terminals for the location of
the HIGH and LOW fan speed terminals. Operating the unit in
low fan speed reduces the operating sound level of the unit.
Field Wiring Terminal
R — 24V AC GL — Low-Speed Fan
GH — High-Speed Fan B — Reversing Valve
Y — Compressor W — Heater
C — Common
Feature Heat Pump Electric Heat
Indoor frost control Yes Yes
Freeze Sentinel Yes Yes
Heat Sentinel Yes Yes
Auto fan speed No No
Electronic
temperature limiting No No
Switch to resistance
heat based on indoor
temperature Determined by
remote thermostat N/A
Switch to resistance
heat based on
outdoor temperature Yes N/A
Reverse cycle defrost Yes N/A
Simultaneous
resistance heat
with heat pump No N/A
Resistance heat
lockout Yes N/A
“Smart Fan”
fan cycle Fan ON/AUTO set on
remote thermostat Fan ON/AUTO set on
remote thermostat
Central Desk Control Yes Yes
R
GL
GH
B
Y
W
C
Common
White — Heater
Yellow — Compressor
Black — Reversing Valve
Green — High-Speed Fan
Green — Low-Speed Fan
Red — 24V AC
CDC Terminal
CDC
When connected to a remote thermostat, indoor air-
temperature sensing is shifted from the unit to the remote
thermostat. For this reason, the units will operate slightly
differently when connected to a remote thermostat. The
above chart shows the unit operation when connected
to a remote thermostat.
The Heat Boost option should NOT be used with remote
thermostat operation since this will cause the unit to
switch to resistance heat when outdoor temperatures
are below 46ºF.

18
Zoneline Series Thermostat Model Type Function Low-Voltage Conductors
4100 RAK164D2 Digital Cooling and Heating 5
RAK164P2 Digital Programmable 5
6100 RAK148D2 Digital Single-Stage Cooling –
2-Stage Heating
6
RAK148P2 Digital Programmable 6
Thermostat wire size – up to 60 feet AWG20 – up to 66 feet AWG18
Remote Thermostat Control Selection Chart For Zoneline® Packaged Terminal Units
REMOTE THERMOSTAT CONTROL (cont)
For remote thermostat operation follow the steps below:
1. Turn on the unit and ensure it is working properly
BEFORE proceeding.
2. Unplug the unit or disconnect power and remove
the room cover.
3. Connect the thermostat wiring per the appropriate
diagram/colors for your model.
4. Plug the unit back in or reconnect power.
5. Press the AUX SET button once. The letters AU will
appear in the display.
6. Press the MODE button until the number “6” appears
in the left hand digit.
7. Press the UP arrow once so the top half of the right
hand digit is lit.
8. Press the AUX SET button to exit the setup function.
9. Replace the room cover.
See pages 13 and 14 for full instructions on using the
Auxiliary Controls Feature.
19
HEAT PUMPS AND ENERGY SAVINGS
• GE Zoneline heat pumps are designed to provide
cost-efficient heat pump operation while monitoring
room conditions to maintain comfort.
The units employ a logic system monitoring both outdoor
and indoor temperatures to determine the heat source, thus
increasing energy savings by operating longer in the heat
pump mode.
Heat pumps save energy and cost less to operate than
units with electric resistance heaters as the only heat source.
Just as the EER of an air conditioner is an indication of the
efficiency of the unit, COP (Coefficient of Performance) is the
indication of the efficiency of the heat pump. This relative
efficiency of a heat pump compares the unit to electric
resistance heat. If a unit has a COP of 3.0, it means the
unit will produce three times as much heat at rating
conditions for the same electrical input wattage used
for electric resistance heat.
The compressor is used in heat pump operation just as
in air conditioning operation. In heat pump operation,
the hot refrigerant gas is directed to the indoor coil rather
than to the outdoor coil. Room air that circulates over the
indoor coil gains heat from the coil rather than losing heat
to the coil as during cooling operation.
As the outdoor temperature falls, the heat pump cannot
extract as much heat from the outdoor air to raise the
temperature of the indoor air. For this reason, all packaged
terminal heat pumps also have electric resistance heaters as
backup to heat pump operation. At some point, the heat pump
is unable to provide sufficient heat to adequately warm the
room. Many Packaged Terminal Heat Pumps cease heat pump
operation and change to more expensive resistance heat at
some pre-determined outdoor temperature to compensate for
the inability of the heat pump to maintain room temperature.
This point, called the “switchover point,” is usually at an outdoor
temperature where savings from heat pump operation may
still be realized if the unit is designed to maintain room comfort
at the lower outdoor temperatures.
Balance Point
An important consideration in the selection of a heat pump
unit is the “balance point” of the installation. Virtually every
room is unique—with different insulation, different sizes
and types of windows, different types of construction and
different directional exposures. All these variables, as well
as geographical location, must be considered in order to
determine the balance point, the point at which the heat pump
is unable to produce enough heat to compensate for the heat
loss of the room or area being heated. For these reasons, a
consulting engineer should be engaged to calculate the heat
loss and specify the heat pump unit required.
The Zoneline 6100 series heat pump units—with highly
featured microprocessor controls—react to the indoor
temperature as well as the outdoor temperature in
determining the heat source to provide comfortable room
conditions and energy savings. This determination of the heat
source based on the indoor temperature helps provide a more
comfortable room.

20
HEAT PUMPS AND ENERGY SAVINGS (cont)
Heat Pump Operation — Zoneline® 6100 Series
Heat sources: Heat pump, heat pump and simultaneous
electric resistance heat, or electric resistance heat.
Zoneline heat pumps employ a highly featured microprocessor
control system interfaced with thermistors to accurately
measure indoor air temperature, outdoor air temperature,
indoor coil temperature and outdoor coil temperature. This
system allows the microprocessor to precisely and predictably
react to changing conditions in order to provide a very
advanced packaged terminal heat pump operating system.
Zoneline heat pumps are designed to help ensure a
comfortable room. When “HEAT” is selected, the unit will
determine if the room air is warm enough to satisfy the
thermostat setting. If the temperature at the unit sensor
is below the desired temperature, the electric resistance
heater will be utilized to warm the room to the point where
the thermostat is satisfied. This feature is designed to allow
the temperature of an unoccupied room to be maintained
at an energy-saving level without inconveniencing the room
occupant. Once the thermostat has been satisfied, the
resistance heater will turn off and the heat pump will operate
(as shown below in the Heat Source Logic chart) until the
thermostat calls for heat again. The unit will operate in this
manner even if connected to a Central Desk Control.
ROOM
TEMPERATURE
VS. THERMOSTAT
SET POINT
Above
46°F
Between 46°F
and 25°F
Below
25°F
Less Than
1.8°F Below Heat Pump Heat Pump* Full Resistance
Heat
1.8°F to 2.7°F
Below Heat Pump
Heat Pump +
Supplemental
Heater
Full Resistance
Heat
More than 2.7°F
Below Heat Pump Full Resistance
Heat
Full Resistance
Heat
Zoneline Heat Pump Heat Source Logic
The Heat Boost option feature utilizes the supplemental
simultaneous heater at the same time as heat pump
operation when the outdoor temperature is below 46°F,
regardless of the indoor air temperature**. The chart above
indicates the heat source of the heat pump under various
indoor and outdoor conditions. The unit is designed to
provide heat pump savings without sacrificing room comfort.
The Quick Heat Recovery feature is not affected by the Heat
Source Logic shown in the chart above. For more information
about the Quick Heat Recovery feature, see page 9. The
full heat output of the resistance heater is dependent upon
circuit amperage and the power connection kit used. See
pages 4 and 43–44 for information on power connection kits
and available heater capacities.
An option is provided in the auxiliary controls (Mode 8) to
allow the unit to operate only in resistance heat. The use of
this option significantly increases the cost for heating.
Heat pump defrost — Zoneline 6100 Series
Zoneline heat pumps utilize a reverse-cycle, demand-
defrost system to extend heat pump operation and increase
savings from extended operation. The microprocessor
determines the need for defrosting by criteria based
on continuous compressor running time, outdoor air
temperature, outdoor coil temperature and the rate of
temperature change of the outdoor coil. When defrosting
is required, the unit reverses the flow of refrigerant to direct
the hot gas into the outdoor coil to melt the frost buildup.
Before and after the reverse-cycle defrosting, the unit shuts
off the compressor to allow the refrigerant pressures
to equalize throughout the system. This eliminates the
possibility of a loud reversing noise. During these periods
of pressure equalization, the full resistance heat capacity
of the unit is activated to help ensure room comfort
conditions during the defrost cycle. The unit remains in
the defrost cycle for a minimum of two minutes up to a
maximum of nine minutes. The defrost cycle terminates
when the outdoor coil reaches a temperature of 68°F or
the maximum time has been reached.
Heat pump condensate
Zoneline 6100 Series heat pumps may be ordered with
a factory-installed Internal Condensate Removal (ICR) system
to minimize the amount of condensate water draining from
the unit during heat pump operation. The ICR system has
proven to be an effective means of minimizing the amount of
heat pump condensate dripping from the unit. However, if the
requirements of a particular installation will allow no dripping
of condensate water from the wall case, the installation of an
internal or external drain system is recommended. See page
35 for more information on heat pump condensate.
Units with ICR may not be installed in seacoast or other
corrosive environments.
* If the Heat Boost switch (auxiliary setting #9) is “ON”, the supplemental
simultaneous heater will be used with heat pump operation.
Simultaneous supplemental heater: 1.0 KW @ 230 V;
0.8 KW @ 208V; 1.0 KW @ 265V.
** Heat Boost option only applies to systems controlled at the
unit. Heat Boost option should NOT be used with remote
thermostat operation since this will cause the unit to switch to
resistance heat when outdoor temperatures are below 46°F.

21
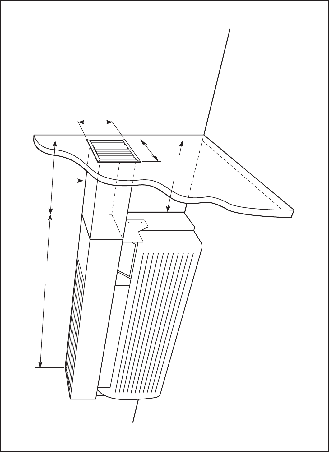
OVER 40 FT.
CORRECT
High Wall Mount: For units
mounted high in the wall, the
discharge louvers should be
at a setting that provides the
most horizontal air discharge.
Recommended installation is
at least 3" below the ceiling. In
installations where units are close to the ceiling, the greatest
horizontal discharge angle can be obtained by removing
the discharge grille from the room cabinet.
Supply Air Throw: One Zoneline unit should not be required to
do a job obviously requiring two or more units. Units should
be located around large rooms according to calculated loads
or in such fashion as to achieve balanced
air distribution in all parts of the room. The single unit in
the “Incorrect” illustration below obviously cannot condition
the entire room. Add a second unit as shown in the
“Correct” illustration.
APPLICATION COMMENTS
Use and Care Manual and installation instructions are
shipped with Zoneline units. It is important that any air
conditioning system be properly sized and applied in order
to achieve the desired temperature and humidity levels in
the space to be conditioned. Zoneline units are designed
primarily to provide heating and cooling with the additional
benefit that during operation in the cooling mode, the units
also remove some moisture from the conditioned space.
The following are some brief application comments on
undersizing, oversizing, heating, wall coverings, and air
infiltration: all are important in the proper matching of the
heating/air conditioning system to the building structure.
Undersizing: If an air conditioner is undersized (cooling
capacity is less than required for a specific application), the
unit will typically not be able to cool the space down to the
desired temperature (thermostat set point), nor be able to
remove enough moisture from the air. The result could be a
warm and humid or warm and dry conditioned space.
Oversizing: If an air conditioner is oversized (cooling capacity
is greater than required for the specific application), the unit
will typically cool the space down to the desired temperature
(thermostat set point) too quickly. The compressor then
begins to cycle on and off. Dehumidification only takes place
when the compressor is operating in the cooling mode. A
typical result in a hot/humid climate could be a cool but
excessively humid space.
Heating: Undersizing can result in not being able to maintain
the desired temperature level within the conditioned space.
Wall Covering: Use of a non-permeable wall covering (some
paints, some wallpapers, and other types of coverings) which
severely restricts passage of air or water vapor can cause a
severe moisture problem. Typical results could be staining of
room surfaces, wall damage, as well as mold and mildew
growth in hot/humid climates.
Air Infiltration: Excessive air infiltration can magnify
problems associated with undersizing or oversizing of an
air conditioner unit and can be the root cause of insufficient
cooling, dehumidification or heating. Some sources of air
infiltration include vents, gaps around windows and doors,
and improperly sealed floor, ceiling and wall joints.
Recommendation: For the above reasons it is strongly
recommended that a professional engineer be retained
to match the Zoneline unit with the building structure.
Air Distribution
Zoneline packaged terminal air conditioners and heat pumps
discharge air from the top of the unit through reversible
two-position discharge louvers. Unit discharge louvers are
reversed by removing the room cabinet from the unit,
removing seven screws that hold the louver section in
place, removing the louver section and rotating it end for
end, reinstalling the louver section in the room cabinet with
the seven screws, and reinstalling the room cabinet on the
unit. The unit is shipped from the factory with the discharge
louvers at an angle of 50° off vertical. In the alternate
position, the louvers will be at an angle of 40° off vertical.
All room cabinets return air through the front of the unit.
50° 40°
OVER 40 FT.
INCORRECT
40°50°

22
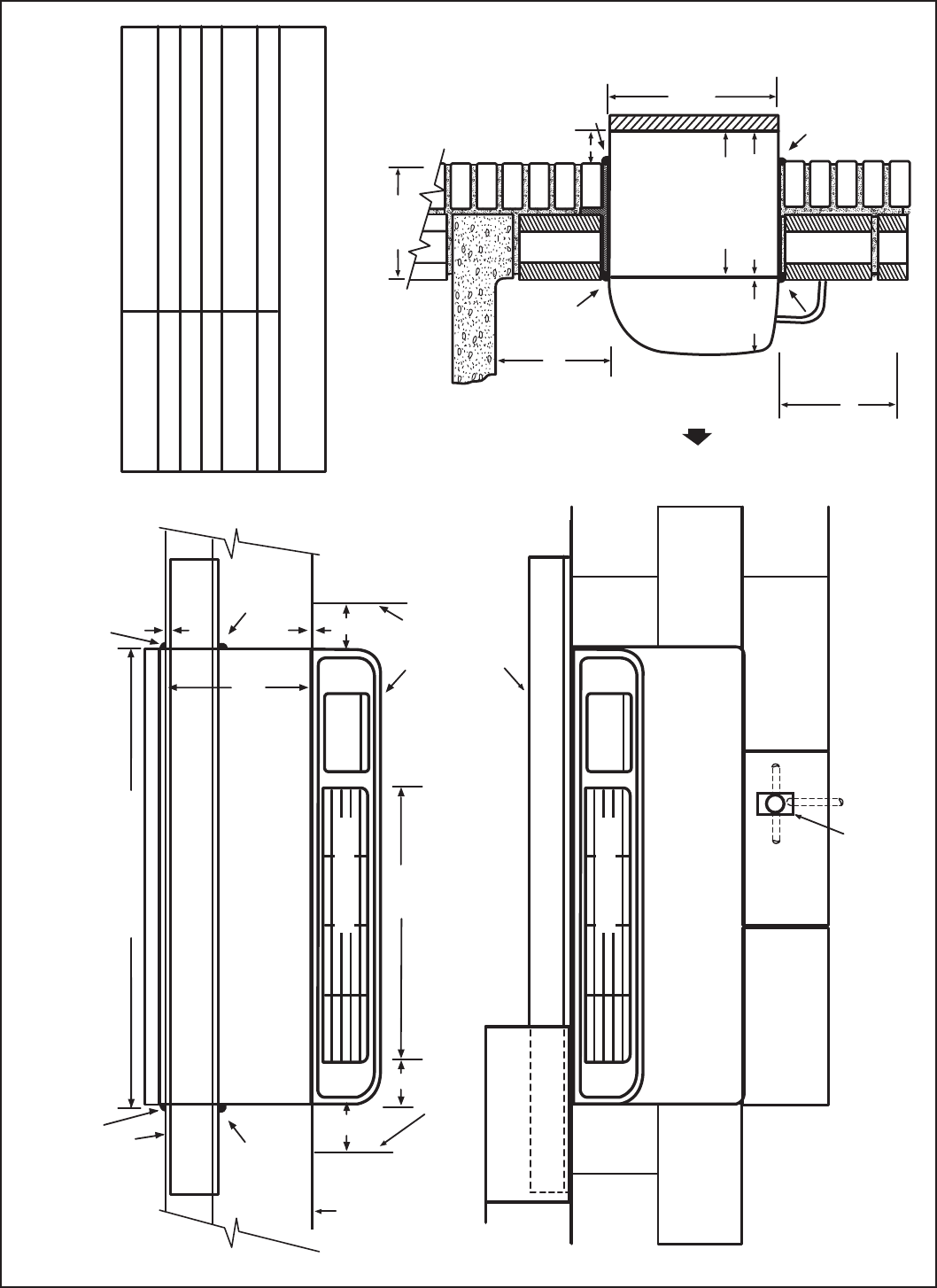
CASE DIMENSIONS
RAB71A WALL CASE
WALL OPENING
16-1/4" MIN. x 42-1/4" MIN.
RAB77AA WALL CASE
WALL OPENING
16-1/2" MIN. x 42-3/8" MIN.
WALL CASE WITH
CHASSIS INSTALLED
WALL CASE WITH
SUB-BASE
*SHOWN WITH ACCESS COVERS REMOVED.
NOTE: CAUTION - REMOVE KNOCKOUTS FROM INSIDE OUT.
Installation instructions packed with wall case. See page 26 for additional information concerning outdoor
weather panel and case stiffener.
Additional
Wall Case Depths
RAB7116 - 16"
RAB7124 - 24"
RAB7128 - 28"
RAB7131 - 31"
42"
13-
3/4"
16"
1-1/2" TYP 1/2"
1/4" DIA
8"
21"
34"
A1/2" SQ. HOLE (2 REQ'D.)
1/2" DIA.
HOLE (2 REQ'D.)
9-41/64"
2-55/64"
4"
6"
19"
36"
16-1/4"
13-7/8"
1-1/2"
42-1/8"
1/2" SQ. HOLE
(2 REQ'D.) 9/16"
2-7/8"
1/2" DIA.
(3 REQ'D.)
RAB71A = 42"
RAB77A4 = 42-1/8"
RAB71A = 13-3/4"
RAB77A4 = 13-7/8"
42"
TOP VIEW
GRILLE
ROOM
CABINET
INSIDE
ROOM
CABINET
SIDE
VIEW
RAB71A = 20-7/8"
RAB77A4 = 21"
OUTSIDE
RAB71A = 16"
RAB77A4 = 16-1/4"
GRILLE
7-1/8"
FRONT VIEW*
3-1/2" 12-3/4" 12" 9-3/8" 2-1/2"
1-7/16"
LEVELING SCREW
KNOCKOUTS (ENCLOSURE)
4 REAR; 4 BOTTOM
SEE PAGE 33 FOR KNOCKOUT LOCATION DIMENSIONS.
1-5/16" 2-3/8" MIN.
INTERIOR
WALL
3" MIN.
ADJUSTABLE
TO 5" MAX.
FINISHED FLOOR
SIDE VIEW
13"
23
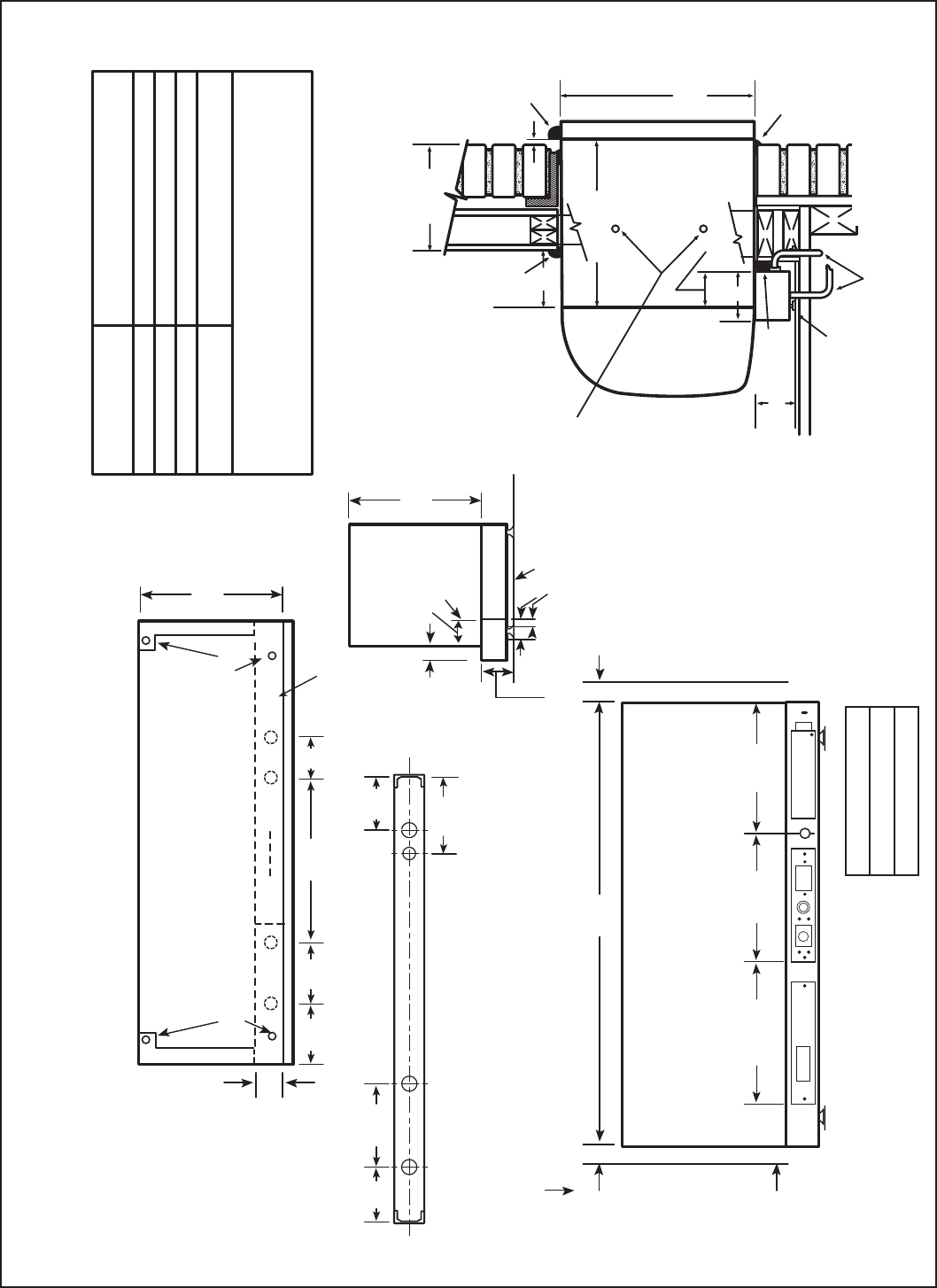
WALL CASE
A choice of wall cases is available for Zoneline®
units.
RAB71A — This insulated case is constructed of heavy-
gauge galvanized steel and finished with a baked-enamel
finish for protection and appearance. Design of the case
provides for support of the chassis and free draining of any
water entering the wall case. A petroleum microcrystalline
wax is applied at critical points of fabrication to seal against
moisture. The dimensions of the RAB71A wall case are 42"
wide by 16" high by 13-3/4" deep, the same dimensions as
the original wall case for GE Zoneline units built in 1961. The
RAB71A wall case is also available in depths other than the
standard depth. It is available on special order as: RAB7116
– 16" deep; RAB7124 – 24" deep; RAB7128 – 28" deep; and
RAB7131 – 31" deep. All these special-order deep wall cases
are insulated and have sheet-metal dividers, or splitters, to
prevent the recirculation of condenser discharge air.
RAB77A4 — This non-insulated wall case is molded from
fiberglass-reinforced polyester compound. This SMC
(Sheet-Molded Compound) wall case offers outstanding
strength, durability, color retention, water integrity and
corrosion resistance. The dimensions of the RAB77A4 wall
case are 42-1/8" wide by 16-1/4" high by 13-7/8" deep.
• Both wall cases are of universal design, accepting all
Zoneline chassis of current design as well as all GE Zoneline
chassis produced since 1961.
• Drain holes are provided in the rear of the wall case to
permit excessive cooling condensate water, heat pump
condensate or precipitation entering the wall case to drain
freely. A drain kit may be connected to the wall case to
control any water draining from the wall case. See page
36 for information on RAD10 Drain Kit.
RAK901L — For installations where the wall case extends
into the room, RAK901L is an insulation kit that can be used
with the RAB77 or any existing non-insulated wall case to
minimize the possibility of condensation forming on the
indoor side of the case during the winter.
SUB-BASE
The sub-base is an optional accessory for the Zoneline
unit and is presented with the wall case information since
deciding whether or not to use a sub-base in the installation
is a factor in the location of the wall opening. National
Electrical Code® (NEC) requires that air conditioning units
connected to voltages in excess of 250 volts be “permanently
connected.” There are also some installations where units
connected to voltage sources under 250 volts may also
need to be “permanently connected.” If you are in doubt
about the requirements for a particular installation, consult
Article 440 of the NEC or the local electrical inspector. These
requirements are designed to protect personal safety and
should be strictly followed. Although NEC is cited here as a
reference, all electrical wiring and installations must conform
to any and all local electrical codes and regulations.
“Permanent connection” generally means wiring to the unit
must be contained in an enclosed “chaseway,” where access
to the wiring connections is more restrictive than a normal
line cord plugged into a receptacle. NEC requirements may
be met by using flexible or rigid conduit to contain the wiring
between the unit and a junction box that contains the wiring
connections. The conduit is connected to the unit and to the
junction box with connectors to hold the conduit in place.
The junction box may be located in the floor or the wall of the
structure, but only approved connectors may be used outside
the unit or the junction box. The sub-base is UL® listed as a
junction box for permanent connection of a Zoneline unit.
Using a sub-base in an installation requiring permanent
connection provides a convenient, consistent location for
unit wiring to be connected to building wiring. The use of
a sub-base is not required, but the convenience and the
improved aesthetics it offers make the use of a sub-base
a viable means of permanent connection.
RAK204U — The RAK204U Series of sub-bases provides a
variety of designs that fit the site needs and are available
for use with Zoneline PTAC/PTHP units. The RAK204U will
most likely be used for support of the wall case and unit.
The RAK204U is the same physically as the other sub-bases
except there is no receptacle installed. Receptacles and
wiring can be field installed and, by using the RAK205CW
chaseway and the RAK4002A junction box, perform the same
function as any of the other sub-base kits by selecting the
correct receptacle and installing it in the interior mounting
plate inside the RAK204U.
208/230-volt receptacles can also be mounted in the cover
plate for easy access when direct-connect wiring is not
required. 265-volt units are to be “Permanently (or Direct)
Connected” and the external receptacle (when wiring is not
enclosed in a chaseway) does not meet this requirement.
A knockout for a fuseholder or a disconnect is also provided
in the cover plate.
RAK204U — No receptacle, no wiring; will accept any
15-, 20-, 30-amp receptacle and wiring. No chaseway is
included. RAK205CW chaseway must be ordered separately.
The 230/208-volt sub-bases below include a short,
sub-base power connection kit. Since sub-base connected
units are not considered to be line-cord connected, a
Leakage Current Detection and Interruption or Arc Fault
Current Interrupter device is not necessary.
The junction box (RAK4002A for 4100 and 6100 Series
units) that mounts on the chassis of 230/208-volt sub-base
connected units must be purchased separately.
RAK204D15P 208/230-volt 15-amp receptacle. Receptacle
is NEMA6-20R with 18" of #12AWG wires attached to
the receptacle. Short power connection kit included.
Chaseway included.
RAK204D20P 208/230-volt 20-amp receptacle. Receptacle
is NEMA6-20R with 18" of #12AWG wires attached to
the receptacle. Short power connection kit included.
Chaseway included.

24
SUB-BASE (cont)
RAK204D30P 208/230 volt 30-amp receptacle. Receptacle
is NEMA6-30R with 18" of #12AWG wires attached to the
receptacle. Short power connection kit included.
Chaseway included.
The junction box (RAK4002A for 4100 and 6100 Series
units) that mounts on the chassis of 230/208 volt sub-base
connected units must be purchased separately.
Sub-bases for the 265-volt units:
RAK204E15 265-volt 15-amp receptacle. Receptacle is
NEMA7-15R with 18" of #12AWG wires attached to the
receptacle. Chaseway included.
RAK204E20 265-volt 20-amp receptacle. Receptacle is
NEMA7-20R with 18" of #12AWG wires attached to the
receptacle. Chaseway included.
RAK204E30 265-volt 30-amp receptacle. Receptacle is
NEMA7-30R with 18" of #12AWG wires attached to the
receptacle. Chaseway included.
The junction box for 265-volt units is shipped with the
chassis since all 265-volt units are to be “permanently
(or direct) connected.”
The power connection kit is not included
There are separate internal compartments to permit
separation of low-voltage (Class 2) connections from line-
voltage connections as required by National Electrical Code
(NEC). Conduit containing building wiring enters the sub-base
through knockouts located in the rear or bottom of the sub-
base and is not accessible when the wall case is installed.
The sub-base attaches to the RAB71A wall case with two
clips (field-assembled) that are screwed into pre-drilled holes
in the bottom front flange of the wall case. It attaches to the
RAB77A4 wall case with clips that fit over molded ribs without
requiring the use of screws into the wall case. (See page 34 for
illustration.) Since the sub-base extends under the wall case,
clearance from the inner edge of the wall case to the finished
wall must be 2-3/8" or greater. The sub-base has four leveling
legs and adjustable side channels to enable the area under the
wall case to be enclosed. Clearance from the bottom edge of
the wall case to the finished floor must be between 3" and 5".
The sub-base may be used as support for the chassis and
wall case in installations where the wall is of insufficient
thickness to provide secure mounting of the wall case.
WALL CASE INSTALLATION DATA
General
Generally, Zoneline® units are installed 3" to 5" above
the floor (flush to finished floor installation is possible) as
near to the center of the room as possible; underneath a
window or a glass panel is typical. Normal installation of the
wall case allows installation flexibility; from flush with the
finished interior wall to a minimum of 1/4" of the wall case
extending beyond the finished exterior of the building. Special
consideration must be given to installations where the wall
case does not extend a minimum of 1/4" beyond the finished
exterior wall. See pages 31 and 32 for information on this type
of installation. The unit may be installed high in the wall and
these installations usually require a remote thermostat and
are discussed on pages 16 and 17.
Regardless of the installation, there are several things to
consider when selecting a location for installing the unit.
For instance, drapery location could interfere with air
discharge, and placement of furniture may have an impact
on the performance of the unit. The following information
is intended to minimize installation problems and assure
you of trouble-free installation.
Refer to page 22 for required wall opening dimensions.
Minimum recommended interior and exterior case projections
for standard wall thicknesses are shown in the drawings in
this manual. The case may be installed flush with the finished
indoor wall. Special attention must be paid to room-side case
projection when the unit is installed in a ducted application
as shown on pages 39 and 40.
In walls thicker than 13-1/2" for line-cord-connected units
and 11-1/8" for sub-base installations, it may be necessary
to install a field-fabricated case extension or use one of the
special-order RAB71 deep wall cases. Such extensions must
be carefully flashed and sealed both to the wall case and to
the wall to ensure water integrity. This is necessary to ensure
that any water entering the wall case, either from operation
of the unit or from other sources, such as rain storms or from
washing the exterior of the building, will drain from the case
without the possibility of capillary action drawing the water
into either the room or the wall cavity. In an installation where
the case is recessed less than 3" from the outside surface,
flashing and sealing may be all the modification necessary.
In such an installation, the sides and top of the wall opening
must be waterproof to prevent moisture from seeping into
and damaging the walls. See pages 31 and 32 for suggested
detail. Since the installation of a case extension requires a
considerable amount of attention, we recommend using
one of the deep wall cases if the standard case is not of
sufficient depth.
Mounting an outdoor grille or louver section to the building
face may cause a space between the outdoor coil and the
louver section. Air splitters, aligned with the ends of the
outdoor coil, must be installed between the outdoor coil inlet
and outlet air streams. Gaps between the outdoor coil and
the louver section may allow condenser air recirculation and
affect the operation of the unit. See page 41 for requirements
for custom louvers.
The wall case should be level from side to side and
from level to 1/4 bubble tilt to the outdoors. The
condensate disposal system in the unit is designed
to dissipate the condensate water generated
during cooling operation in accordance with AHRI
standards and actually uses this water for maximum
unit efficiency. A level unit will also ensure proper
performance of the Internal Condensate Removal (ICR)
system optional on heat pump units.

25
WALL CASE INSTALLATION DATA (cont)
For new construction, early planning with the architect is
necessary. Unit location, electrical connection locations and
wall openings of the proper dimensions are essential to avoid
the necessity of rework, fillers, framing, moving electrical
outlets and other expensive modifications.
For existing construction it is important that carpentry,
masonry and electrical work be performed by competent,
qualified personnel. Since installations in existing construction
may involve removal of building material from the structure,
locating the wall case must be done correctly.
ARCHITECTURAL WINDOW/
LOUVER INSTALLATION
Many installations utilize an architectural window/louver
combination to enhance the exterior appearance of the
building. The exterior grille for the air conditioner is built as an
integral part of the window frame. An internal drain system
is highly recommended for these installations (see page
37). When this type of installation is made, there must be
provision in the grille work for condensate water to drain to
the exterior (including the overflow relief drain holes) and not
be routed back into the interior of the building or into the wall
cavity. Failure to allow for the drainage of condensate water
can cause extensive damage to structural components.
The problems associated with the lack of condensate drain
consideration often show up shortly after the air conditioners
are turned on in a new building. New buildings that have
been virtually wide-open during construction have a
significant amount of moisture in the air and in the building
components that the air conditioners start removing as they
operate. The free area in the louver section must also comply
with the requirements shown on page 42.
The wall case should be anchored to the architectural
window/louver section to reduce air infiltration and
excessive vibration of the chassis and wall case during unit
operation. Field-fabricated and -installed case angles are
the recommended method of securing the wall case to the
window/louver framework.
WINDOW, CURTAIN AND PANEL
WALL CONSTRUCTION
With this type of construction, provision for support of the
unit, other than by the wall itself, is often required. Such
support may be in the form of wood or metallic material of
the proper thickness to maintain a level case. This additional
support should be located both near the wall and at the
front of the wall case. Sub-base (RAK204 Series) with four
leveling legs provides an excellent support for the unit in this
type of installation. (See page 29 for details of this type of
installation.)
In existing construction, common practice is to remove a
pane of glass, metal, wood, or other construction material
and build a frame around the wall case. Similar filler panel
material may be installed around the case for appearance
and weather seal.
MASONRY WALL CONSTRUCTION
The wall case should be installed during construction and
lintels should be used to support the blocks above the wall
case. The wall case will not support the concrete block.
The installation instructions show how the wall case must
be secured to the masonry and caulked. Do not remove the
cardboard stiffener supplied with the wall case until ready
to install the chassis. (See page 30 for details of installation
in masonry wall)
For existing masonry construction, wall openings must be
made by removing concrete blocks to achieve the proper-
size opening. Consult the builder, architect or owner to
determine the necessity for lintels to support the block
above the wall case.
Anchor bolts are normally required to secure the case to
the wall and shims may be required to prevent distortion of
the wall case when securing the wall case to the wall. Field-
supplied case angles can be used to position and secure the
wall case to the wall and to cover oversized wall openings.
BRICK, FRAME, STUCCO AND
SHINGLE CONSTRUCTION
For new construction, the opening for the wall case should
be framed and the wall case inserted into the opening during
construction. Lintels should be used when the building
material is heavy and is not self-supporting (such as brick).
The wall case will fit an opening of six courses of standard
brick or five courses of jumbo brick. Wall framing in this
type construction is normally on 16" centers and the wall
case will fit a framed opening spanning three 16" O.C. 2" x 4"
stud spaces.
For existing construction, the indoor and outdoor wall will
need to be cut out, allowing for clearances of 1/8" on all sides
of the wall case. Work should begin on the inside wall. Cut the
correct dimensions and mark (using drill holes) the outside
wall from each corner of the inside cutout. Studding that
interferes with the opening must be removed and a suitable
frame constructed to secure the wall case and provide
adequate support for case and chassis.
As shipped, the RAB71A Series or RAB77A4 is ready for
installation.

26
Do not remove the stiffener from inside the wall case or the
weather closure panel from the outside face of the wall case
until the outdoor grille and chassis are ready to be installed.
Installation of Wall Case in Wall Opening
1. Position the wall case into the wall. The room-side edge
of the RAB71A or RAB77A4 wall case should be at least
flush with the finished wall for line-cord installations and
permanent-connection installations when no sub-base
is used, and should project into the room at least 2-3/8"
when a sub-base is used. The outside edge of the wall
case should extend at least 1/4" beyond the outside wall.
This is necessary for proper caulking, to prevent sealing
the drain holes in the rear flange of the wall case, and to
facilitate the installation of an accessory drain, if used.
If the minimum exterior dimensions are not met, refer to
pages 31 and 32.
The wall case should be level from side to side and
from level to 1/4 bubble tilt to the outdoors. The
condensate disposal system in the unit is designed
to dissipate the condensate water generated
during cooling operation in accordance with AHRI
standards and actually uses this water for maximum
unit efficiency. A level unit will also ensure proper
performance of the Internal Condensate Removal
(ICR) system optional on heat pump units.
2. The wall case should be secured to the wall at both sides.
Use a minimum of two screws or other fastening device
on each side. (See Figure 2 on page 27.) Mark the wall case
on each side 2" from the bottom and 2" from the top at a
point where basic wall structure is located. Drill wall case
and use fasteners appropriate for wall construction. All
holes for fasteners in the side of the wall case must be at
least 2" up from the bottom of the wall case. Never locate
screws or put other holes in the bottom of the wall case.
The ONLY exception is when an RAD10 drain kit is installed
to connect to an internal drain system. (See page 37 for
RAD10 drain kit information.)
If the wall opening is greater than the case dimensions,
spacers must be used on the sides between the wall case
and the wall support structure to prevent distorting the
wall case.
3. Caulk or gasket the entire opening on the outside between
the wall case and exterior wall surface (four sides) to
provide total water and air seal.
4. Caulk or gasket room-side opening between wall case
and interior wall surface (four sides). Openings beneath or
around the wall case can allow outdoor air to leak into the
room, resulting in increased operating costs and improper
room temperature control.
Care should be taken in location of electrical supply entry
in relationship to wall sleeve to assure access to receptacle
or junction box once unit is installed.
• Refer to page 44 for maximum power cord length.
• Permanently connected units close to finished floor
must allow for conduit clearance.
CASE ANGLES
In some installations, such as curtain walls, window walls,
or where the structural material of the wall is insufficient
to support or fasten wall case, case angles may be used.
Case angles are pieces of steel or other material of similar
structural strength that are formed to a 90° angle, with holes
to fasten the case angle to the wall case and to the
structural component of the wall surrounding the wall case.
The following describes the procedure when field-fabricated
and -installed case angles are applied.
1. Position case angles around top and sides of wall case
at the desired location. Position case angles vertically on
each side of wall case to provide a level installation.
2. Mark wall case through holes in case angles. The lowest
hole on the sides of the wall case must be a minimum of
2" above the bottom of the case.
3. For RAB71A wall case, drill 5/32" diameter holes at
locations marked on wall case in Step 2, and assemble
angles to wall case using #10 x 1/2" self-tapping screws.
For RAB77A4 wall case, follow the same procedure except
use a #10 x 1/2" bolt, washer and nut to attach case
angles to case. Install screws or bolts from inside
wall case.
4. Do not drill any holes in bottom of wall case. Do not distort
wall case.
5. Do not use case angles for a lintel.
PREPARATION OF THE WALL CASE
FOR ALL TYPES OF CONSTRUCTION

27
FRAMING FOR WALL CASE
Brick Veneer and Frame Construction
FASTENING WALL CASE
Figure 1 Figure 2
MAIN STUD
JACK STUDS
HEADER – 4" x 4" OR
2 - 2" x 4" ON EDGE
16-1/4" MIN. RAB71A
16-1/2" MIN. RAB77A4
ADJUSTABLE FRAMING TO SECURE
THIS DIMENSION
42-1/4" MIN. (RAB71A)
42-3/8" MIN. (RAB77A4)
JACK STUD CRIPPLE
FINISHED FLOOR
SUB-FLOOR
Note: Do not remove the stiffener
support from inside the wall case
until the chassis is to be installed.
MAIN STUDS
JACK STUD
HEADER
MOUNTING
SCREW HOLE
LINTEL
Framing detail for this construction is as
shown in Figure 1. Note use of lintel under
first course of brick above the Zoneline
case. Do not use the case as a lintel.
Mounting screw holes shown are to be
made by the installer.
NO HOLES PERMITTED
IN BOTTOM OF CASE
(EXCEPTION -RAD10
DRAIN KIT)
Choice of attachment devices
through both ends of case or the
top. Mounting screw holes and
attachment devices by installer.
MAIN STUD
JACK STUD
2" MIN.
WOOD
SCREW
MOLLY
OR TOGGLE
BOLT
EXPANSION
ANCHOR
BOLT
NO HOLES PERMITTED IN
BOTTOM OF CASE
(EXCEPTION - RAD10
DRAIN KIT)

28
WALL SECTION – DETAILED SIDE VIEW
Frame and Brick Veneer Installation
Cord-set connected
CAULK*
Sub-Base Connected
CAULK*
STEEL LINTEL
RAB71A 13-3/4"
RAB77A4 13-7/8"
20-7/8" (RAB71A)
21" (RAB77A4)
ROOM
CABINET
2" MIN.
MOUNTING SCREWS
BY INSTALLER
RAB71A 16"
RAB77A4 16-1/4"
WALL CASE
OUTDOOR
GRILLE
CAULK*
CAULK*
1/4"
MIN.
RAG60 1/4"
RAG61, 62, 63 1-3/8"
RAG67 1-1/4"
POWER SUPPLY
CONDUIT
WALL RECEPTACLE
(BY OTHERS)
FINISHED FLOOR
OR TOP OF
CARPET
*Caulk around perimeter of wall case all four sides
where it joins the building - Interior and Exterior.
CAULK*
1/4"
CAULK*
LINTEL
RAB71A 13-3/4"
RAB77A4 13-7/8"
20-7/8" (RAB71A)
21" (RAB77A4)
ROOM
CABINET 2" MIN.
MOUNTING SCREWS
BY INSTALLER
RAB71A 16"
RAB77A4 16-1/4"
WALL CASE
OUTDOOR
GRILLE
SIDE CHANNEL
3" MIN.
5" MAX.
1-5/16"
FINISHED FLOOR
OR TOP OF
CARPET
SUB-BASE
(RAK204)
CAULK*
POWER SUPPLY CONDUIT
(ALTERNATE ENTRY)
3-11/16" *Caulk around
perimeter of wall
case all four sides
where it joins the
building - Interior
and Exterior.
2-3/8"

29
WALL SECTION – DETAILED SIDE VIEW
Window, 2" curtain or panel wall installation with RAG rear grille extended beyond outer wall surface
ROOM
CABINET
Gasket and
caulk around
perimeter of
wall case all
four sides
where it joins
the building
WALL CASE
OUTDOOR
GRILLE
Gasket and
caulk around
perimeter of
wall case all
four sides
where it joins
the building
CASE ANGLE (FIELD SUPPLIED)
RAB71A 22-1/4"
RAB77A4 22-3/8"
WITH RAG61-63
RAB71A 21-1/8"
RAB77A4 21-1/4"
WITH RAG60
RAB71A
16"
RAB77A4
16-1/4"
RECEPTACLE
(BY OTHERS)
MIN. 2 SUPPORTS
FIELD SUPPLIED FLOOR
USE NO
SCREWS IN
BOTTOM OF
CASE
16"
ROOM
CABINET
WALL CASE
OUTDOOR
GRILLE
CASE ANGLE (FIELD SUPPLIED)
RAB71A 22-1/4"
RAB77A4 22-3/8"
WITH RAG61-63
RAB71A 21-1/8"
RAB77A4 21-1/4"
WITH RAG60
RAB71A
16"
RAB77A4
16-1/4"
16"
WALL OR
WINDOW
GASKET
(FIELD
SUPPLIED)
SIDE
CHANNEL
(RAK204)
SUB-BASE
POWER SUPPLY
CONDUIT
(ALTERNATE ENTRY)
LEVELING LEG
3" MIN.
5" MAX.
FLOOR
Sub-Base ConnectedCord-Set Connected

30
WALL CASE INSTALLATION – CORD-SET CONNECTED
Example: block and veneer – dimensional data and comments
are also applicable to other types of construction
Manufacturer Required
Minimum Installation Clearance
1/4" (See note 1)
Allow For Electrical Wiring 0" Min. (See page 27)
0" Minimum
0" Minimum 2" Recommended
See pages 38-39 for ducted application.
3" Minimum
FINISHED
EXTERIOR WALL
Dimension
A
B
C
D
E
NOTE:
1. FOR OUTSIDE FLUSH MOUNTING SEE PAGE 35 FOR DRAIN INSTALLATION.
CAULK*
CAULK*
CAULK*
CAULK*
CAULK*
CAULK*
CASE
RAB71A 42"
RAB77A4 42-1/8"
FINISHED
EXTERIOR
WALL
ROOM CABINET
RAB71A 13-3/4"
RAB77A4 13-7/8"
ADJACENT WALL
ADJACENT WALL
D
A
C
D
27-1/4"
TOP VIEW
2-1/2"
*Caulk around perimeter of wall case all four sides
where it joins the building - Interior and Exterior.
ROOM CABINET
LINTEL
FRONT VIEW
ELECTRICAL RECEPTACLE (BY OTHERS).
FLUSH MOUNTED.
WALL OPENING
16-1/4" x 42-1/4" MIN. FOR RAB71A
16-1/2" x 42-3/8" MIN. FOR RAB77A4
See page 44 for line cord length.
INSIDE
MAX. WALL THICKNESS
13-1/8"
E
B
A
CAULK*
FINISH FLOOR
*Caulk around
perimeter of wall case
all four sides where it
joins the building -
Interior and Exterior.
ROOM
CABINET
7-1/8"
RAB71A 13-3/4"
16" RAB71A
16-1/8" RAB77A4
SIDE VIEW OF
ALTERNATE
HIGH MOUNT
With conduit
power supply.
CONDUIT
FIELD
SUPPLIED
RAB77A4 13-7/8"

31
METAL CASE EXTENSION FOR WALLS DEEPER THAN 13-1/8" (11-1/8" WITH SUB-BASE)
Field fabricated – GE recommends the use of one of the deeper RAB71 wall cases offered as special order items.
CAULK*
SPLITTER BETWEEN
AIR INTAKE AND
DISCHARGE
Zoneline® units can be installed in walls of greater depth
than the wall case. Where the case recession is less than
3" and where it is possible to waterproof the exposed
sides and top of the opening, the suggested procedure
is to apply a flashing to the bottom of the wall case as
shown on page 32. Where waterproofing is questionable
or not possible, or for installations in walls of greater
depth, the following is a suggested application
procedure. It involves the field fabrication of a case
extension. Since the wall case is a water-bearing
container, the extension likewise must also be water-
bearing and the connection between the two must be
watertight. The case extension must contain splitters
to prevent recirculation of the outdoor air circuit.
1. The case extension is field fabricated. The extension
depth “D” should allow for a minimum outdoor
projection of 1/4". This allows for room cabinet
clearance to the finished wall and ample surfaces
to apply sealant or caulking for a tight weather seal
between the completed wall case/extension assembly
and the wall opening. It is recommended that the
extension be painted and corner and lap joints be
additionally sealed with a quality-grade sealant.
2. The wall case and extension should be connected
prior to installation in the wall opening. A quality-
grade sealant should be applied to all four (4) butting
flanges. Use bolts and nuts or oversized self-tapping
screws (driven from the wall case to the extension)
to attach the two assemblies. Clean all drain holes of
excess sealant. The assembly must be free draining.
3. Install flashing, using a quality-grade sealant between
the flashing and wall as shown in section A-A below.
4. Install the wall case/extension assembly following
procedures described for a standard installation. See
diagrams below. The assembly should be sealed or
caulked to the wall around all four sides both outdoors
and indoors.
NOTE: The wall case/extension assembly should
be level.
5. Suggested materials for case extension and flashing
should be non-ferrous metals. Minimal acceptable
material: Galvanized G-90 painted.
SEALANT - ALL
FOUR (4) FLANGES
6-1/4" ± 1/4" AS REQ'D.
CUT DRAIN SLOTS
IN BOTH FLANGES
(FOUR REQUIRED)
TO MATCH DRAIN
HOLES IN RAB71A/77A4
FLANGES AND
DRAIN HOLE
LOCATIONS
SAME AS ON
WALL CASE
1" WIDE
45° DRIP LIP
FLASHING (FIELD SUPPLIED)
13-3/4" + D"
2" MIN.
D
10-5/8" ± 1/4"
CAULK*
CAULK*
CAULK*
WALL -
ANY
CONSTRUCTION
RAB71A/77A4ROOM
CABINET
CASE
EXT.
SEE DETAIL
SECTION A-A
*Caulk around perimeter of wall case all four sides
where it joins the building - Interior and Exterior.
EXTENSION
ALL 4 FLANGES
WALL CASE
ALL 4
SIDES
WALL
FLASHING ALL 4
SIDES
SECTION A-A
BASEPAN/FLANGE DESIGN
SHOWING SEALANT LOCATIONS.
1/4" MIN.
RAB71A/77A4
WALL CASE
1-1/2"
(4 SIDES)
EXTENSION
(FIELD
SUPPLIED)

32
CAULK*
A
DIMENSIONS:
A. DISTANCE FROM GRILLE OR CASE TO OUTSIDE SURFACE OF WALL PLUS 2" TO 4"
(TO INSERT UNDER CASE).
B. 1" DRIP LIP (MINIMUM)
C. 42" PLUS - SUFFICIENT TO FIT SNUGGLY UNDER AND UP AROUND THE CASE.
D. 2" MINIMUM
(CAUTION: WHEN CAULKING DO NOT BLOCK DRAIN HOLES IN CASE OR GRILLE.)
IF GRILLE IS TO BE MOUNTED TO WALL SURFACE "A" SPLITTERS MUST BE USED. (SEE PAGE 30.)
B
D
C
A
B
*Caulk around perimeter of wall case all four sides
where it joins the building - Interior and Exterior.
1" WIDE 45° DRIP LIP
FLASHING
OUTDOOR
GRILLE
CASE
For an installation that will
provide better protection
against water infiltration, GE
recommends the use
of one of the deeper RAB71A
Series wall cases offered
as special-order items.
(See page 22.)
ALTERNATE – CASE RECESSION LESS THAN 3" WITH SIDES AND TOP OF WALL OPENING WATERPROOF, FLASHING ON BOTTOM ONLY

33
RAB71/77A4 WALL CASE INSTALLATION - RAK204 SERIES SUB-BASE CONNECTED
Example: frame and brick veneer - dimensional data and comments
are also applicable to other types of construction
TOP VIEW
Manufacturer Required
Minimum Installation Clearance
1/4" (See note 1)
3" Min. (5" MAX.)
2-3/8" Minimum
0" Minimum 2" Recommended
See pages 38-39 for ducted application.
Dimension
A
B
C
D
NOTE:
1. FOR OUTSIDE FLUSH MOUNTING SEE PAGE 32 FOR
FLASHING INSTALLATION.
2-3/8"
MIN.
FINISHED
INTERIOR
WALL
LEVELING SCREW LEVELING SCREW
RAB71A 13-3/4"
RAB77A4 13-7/8"
5.15" 7.70" 18.86" 1.5"
5.15" 7.70"
10.30"
8.80"
BACK VIEW
FRONT VIEW
42"
DD
SEE NOTE
LEFT SIDE
INTERIOR
ADJACENT
WALL
12-3/4" 12-7/8" 13"
LEVELING SCREW
KNOCKOUT SIZE
LARGE 1-1/8" DIA.
SMALL 7/8" DIA.
KNOCKOUTS
(ENCLOSURE)
4 REAR; 4 BOTTOM
*SHOWN WITH ACCESS COVERS REMOVED.
NOTE: CAUTION - REMOVE KNOCKOUTS FROM INSIDE OUT.
SIDE VIEW
WITH WALL
CASE SHOWN
IN PLACE
FINISHED FLOOR
3" MIN.
ADJUSTABLE
TO 5"
1-5/16" 2-3/8"
INTERIOR
WALL
RAB71A 16"
RAB77A4 16-1/4"
7/8"
1-1/2"
FINISHED FLOOR
RAB71A 16"
RAB77A4 16-1/4"
SIDE VIEW
MAX. WALL THICKNESS
11-1/8"
MOUNTING SCREWS
AND HOLES BY
INSTALLER
LEVELING SCREWS
(2) SUB-BASE BODY
(2) SIDE EXTENSIONS
CONDUIT ENTRY
(ALTERNATES)
CAULK*
ROOM
CABINET
CA
BCAULK*
3-11/16"
2-3/8" MIN. CASE
EDGE TO FINISHED
WALL
13-3/4"
CAULK*
*Caulk around
perimeter of
wall case all
four sides
where it joins
the building
- Interior and
Exterior.
RECOMMEND 2" TO
INTERIOR ADJACENT
WALL BOTH SIDES.

34
RAK204 SERIES SUB-BASE INSTALLATION AND ELECTRICAL DATA
RAB71A/77A4 Wall Case
RAK4002B
CHASEWAY OPTION
(Shown Without Chassis and Wall Case for Installation Location Only.)
NOTE: TYPE “E”
MOUNTING CLIP MUST
BE USED WITH MOLDED
CASE. MOLDED
CASE
SUB-BASE
MOUNTING CLIP
TYPE “E”
TYPE
“D”
USE WITH
RAB71A
TYPE
“E”
USE WITH
RAB77A4
TYPE “A” TYPE “B” TYPE “C”
6 REQ’D. 2 REQ’D. 8 REQ’D.
GREEN
GROUND
SCREW
(TYPE “C”)
METAL CASE
SCREW CLIP
TYPE “D”
TYPE “A”
SCREW
TO SECURE
SIDE CHANNELS
6"
5/32" DIA. HOLE (SEE NOTE)
FOR SECURING TYPE “D”
CLIPS TO SLEEVE USING
TYPE “A” SCREWS
6"
TYPE “A”
SCREW
TYPE “C”
SCREW
ACCESS PLATES
TYPE “C”
SCREW
TYPE “B” SCREW
SIDE CHANNELS ARE ADJUSTABLE
FROM 13-3/4" TO 2-3/8" IN LENGTH
BY BREAKING OFF SECTIONS OF SIDE
CHANNELS. NOTE: IF METAL CASE DOES NOT HAVE SCREW HOLES, 5/32" DIA. HOLES MUST
BE DRILLED 6" FROM EACH SIDE IN FRONT FLANGE. (SEE INSERT).
Electrical wiring may enter the sub-base through any of the knockout holes provided in the sub-base.
Knockout holes in the sub-base access plate may accommodate a receptacle, which allows the use of a power cord (if permitted by code for the particular installation).
A knockout for a circuit breaker, fuseholder or a disconnect is also provided. See pages 23 and 24 for description of electrical contents of these sub-bases.

35
CONDENSATE DISPOSAL SYSTEMS
Cooling Condensate
Air conditioners produce condensate water as a result of
lowering the humidity of the area being conditioned. When
the indoor coil temperature is below the dew point, moisture
in the air condenses into water droplets on the coil. This water
drains to a pan located under the indoor coil and is routed
through the barrier (the partition separating the indoor and
outdoor sides of the unit) to the base pan on the outdoor side.
It is then picked up and dispersed against the outdoor coil,
which is hot when the unit is in the air conditioning mode.
The water is evaporated into the atmosphere by contact
with the hot outdoor coil. This evaporation process also helps
lower the temperature of the outdoor coil and improves the
operating efficiency of the unit.
Slinger Ring Systems
Packaged terminal units employ various means of dispersing
the condensate water. One of the most popular, and most
effective, means is by the use of a “slinger ring.” A slinger
ring is a ring around the circumference of the outdoor fan.
The design of the unit positions the slinger ring very close to
the bottom of the base pan so water in the base pan is lifted
by the rotating ring. Water picked up by the slinger ring will
be dispersed into the air stream and deposited on the hot
outdoor coil where it evaporates.
All Zoneline® Series packaged terminal air conditioners
and packaged terminal heat pumps utilize a slinger ring
for cooling condensate disposal.
Certification Test Requirements
AHRI (Air Conditioning, Heating & Refrigerating Institute)
requires that all certified packaged terminal air conditioners
and packaged terminal heat pumps pass a cooling
condensate disposal test. One stipulation of the AHRI test is
that “the test start with condensate collection pan brimful.”
In order to pass the AHRI Condensate Disposal Test the unit
must operate continuously for four hours without condensed
water blowing, dripping, or running off the unit casing during
the test or after the unit has been turned off. Under extremely
high outdoor humidity conditions or extreme operating
conditions, such as exceptionally high air infiltration (a door
or window left open while the unit is running, for instance) it
is possible for any air conditioner to be unable to dissipate all
the cooling condensate generated.
All Zoneline Series packaged terminal air conditioners and
packaged terminal heat pumps meet the condensate
disposal requirements of AHRI standards 310 and 380.
Heat Pump Condensate
During the operation of a unit in the heat pump, or “reverse
cycle,” mode, the outdoor coil becomes the cold coil and the
indoor coil becomes the hot coil due to reversing the flow of
the refrigerant. When the temperature of the outdoor coil is
below the dew point, condensation will form on the outdoor
coil just as it does on the indoor coil during cooling operation.
Since the dew point is humidity- as well as temperature-
related, there may be more condensate on days when the
relative humidity is high.
Heat Pump Condensate Disposal
Since the outdoor coil is cold during heat pump operation, the
condensate water cannot be deposited on the outdoor coil
because the water would cause frost to form on the coil. This
frost would block the airflow through the coil. Rather than allow
this problem to occur, heat pump units must dispose of the
condensate in another manner.
Temperature-Activated Drain Valve
The most widely used method of
disposing of heat pump condensate
is with a temperature-activated drain
valve. This is a device mounted in
the base pan of a heat pump unit
with a bellows that expands on
temperature rise and contracts with
temperature drop. A shaft with a
rubber plug on the end is connected
to the bellows. When the outdoor
temperature remains above a certain temperature, the
bellows is expanded and the plug fits tightly into a hole
in the bottom, or base pan, of the unit. When the plug is
blocking the hole, as it should be during cooling operation,
the condensate water is contained in the base pan. At
temperatures when heating is required, the bellows
contracts, the rubber plug is retracted from the hole and
the heat pump condensate water is allowed to drain into
the wall case. The valve is fully open at approximately 45°F.
Drain Kits
Although the Zoneline units are designed to dissipate most of
the condensate generated during normal cooling operation,
there may be times when abnormal operating conditions
cause more condensate than the unit can dissipate. Heat
pumps also generate condensate that the unit may not
be designed to dissipate. For these reasons, if condensate
dripping from the wall case is objectionable, an internal or
external drain system should be installed. See pages 36 and
37 for information covering the drain systems and the RAD10
kit available to connect to the wall case.
Internal Condensate Removal (ICR) System
GE has developed an Internal Condensate Removal (ICR)
system for packaged terminal heat pumps. This system has
been offered as an option on Zoneline packaged terminal
Heat Pumps since 1982, and thousands of them are in use.
During heat pump operation, the ICR system utilizes a small
pump to lift the water from the base pan and pump it into
a collector tray positioned above the indoor coil. The water
drains from the collector tray and drips onto the warm indoor
coil where it is evaporated into the room atmosphere. If an
excess amount of water is pumped to the indoor side, it is
routed back to the outdoor portion of the base pan.
The ICR system has proven to be an effective means of
minimizing the amount of heat pump condensate dripping
from the unit. However, if the restrictions of a particular
installation will allow absolutely no drippage of condensate
water from the wall case, the installation of an internal or
external drain system is recommended.
Units with ICR may not be installed in seacoast or
other corrosive environment applications.

36
WALL CASE WITH RAD10 DRAIN KIT
External Drain. See page 37 for internal drain.
SEE PAGE 37 NOTE #6
SCREWS
REAR
GRILLE
“A”
METAL
“B”
PLASTIC
NEOPRENE SPONGE GASKET
1/2" O.D. 90° ELBOW DRAIN TUBE
STEEL MOUNTING PLATE
USE TYPE “A” SCREW FOR METAL CASE (RAB71A)
AND TYPE “B” SCREW FOR MOLDED CASE (RAB77A4)
Alternate
6" long, 1/2"
O.D. straight
copper tube.
NOTE: SHADED PARTS AND
SCREWS ARE INCLUDED
WITH RAD10 DRAIN
KIT. USE EITHER THE
90° ELBOW TUBE OR
THE STRAIGHT TUBE
DEPENDING UPON
THE REQUIREMENTS
OF THE PARTICULAR
INSTALLATION.
WALL CASE ROOM
CABINET
PROJECTION
BEYOND WALL
CASE
90° ELBOW
DRAIN TUBE
MIN. 2 SUPPORTS
FIELD SUPPLIED FLOOR
CASE ANGLES (FIELD SUPPLIED)
TYPICAL INSTALLATION
Caulk around
perimeter of
wall case all
four sides
where it joins
the building.
3"
4"
WATER DRAINAGE - Precipitation entering the unit through the outdoor louver may not be removed entirely by the
condensate removal system. The base pan flange is designed to allow excess water, either condensate water or
precipitation, to flow into the wall case and drain through two drain holes in the rear of the wall case. If there is more
water in the wall case than can be drained through these holes it will drain through the three overflow drain holes.
These drain holes must not be blocked when mounting or caulking the wall case.
For those installations where water draining from the drain holes is objectionable or where positive drainage is desired,
the RAD10 drain kit is available with either a 90° elbow or a 6" straight tube to be used either to connect to a field-
supplied drain line or to allow the water to drip free rather than drain down the surface of the building.
NOTE: Drain kit using either the 90° elbow tube or the straight tube may be installed without modification when using
RAG60 exterior grille. Drain kit using the 90° elbow tube may be installed without modification when using RAG61
through RAG63 exterior grilles. Modification must be made to the RAG61 through RAG63 exterior grilles when using the
straight tube. Modification must be made to the RAG67 grille if using either the 90° elbow tube or the straight tube (see
installation instructions with the RAG67 grille).
SQUARE DRAIN HOLES

37
WALL CASE WITH RAD10 DRAIN KIT
Internal Drain. See page 36 for external drain.
SCREWS
“A”
METAL
“B”
PLASTIC
NEOPRENE SPONGE GASKET
STEEL MOUNTING PLATE
USE TYPE “A” SCREW FOR METAL CASE (RAB71)
AND TYPE “B” SCREW FOR MOLDED CASE (RAB77A4)
NOTE: SHADED PARTS AND SCREWS
INCLUDED WITH RAD10 DRAIN
KIT. THE 90° ELBOW TUBE IS
RECOMMENDED FOR INTERNAL
DRAIN INSTALLATION.
OVERFLOW RELIEF DRAIN
SEE NOTE 6
SEE DETAIL
BELOW
USE TYPE “A” SCREWS FOR BOTH RAB71A AND RAB77A4
NUT
(MOLDED CASE (RAB77A4) ONLY)
DETAIL GASKET
CABINET BOTTOM
TUBE
1/2" OD
COVER
PLATE
1. The RAD10 drain kit is installed in the bottom of the wall case when it is desired to drain
condensate to an internal drain system in the building.
2. The drain kit is mounted on the bottom of the wall case prior to installation of the case in the
wall. It may be located anywhere on the room-side portion except for sub-base installations.
For these the drain should be at least 3" from the indoor edge of the case so as to adequately
clear the sub-base.
3. A template is furnished with the kit for locating the necessary three holes in the case bottom
—two to provide a securing means and one to provide a drain hole for the 1/2" OD tubing
(see details at left).
4. A tube or hose 1/2" I.D. (obtained locally) must be installed on the drain tube and connected to
the internal drain system in the building.
5. With the RAD10 the two square drain holes in the bottom outer flange of the wall case are
sealed by the gaskets and mounting plates shown above.
6. Two 1/2" diameter holes located 1/4" above the case bottom in the bottom outer flange and
one 1/4" diameter hole located 3/4" above case bottom provide overflow drainage to
the outdoors when wind-driven rain enters the chassis.
SQUARE DRAIN
HOLES

38
DUCTED INSTALLATIONS
4100 and 6100 Series Zoneline® units may
be used in ducted installations.
With a ducted installation it is possible to condition the air in
two areas that have a common wall separating them. A
special adapter mounts on the wall case and a transition piece
directs the air from the unit into the adapter. Instructions for
mounting the adapter to the wall case are included with the
duct adapter. The adapter contains a grille that allows air from
the unit to be discharged into the primary room and the
adapter connects to a duct extension that allows the air to
flow to the adjoining room. Ducting a unit may allow a single
unit to be used rather than a separate unit in each room,
providing a means of reducing initial equipment cost. The duct
may extend a total of 15 feet (with a field-fabricated insulated
duct extension) in one direction, either to the right or to the left
of the unit. A baffle installed in the discharge duct of the
adapter is provided from the factory to provide approximately
35% air discharge into the primary room (room in which the
unit is installed) and 65% into the secondary (adjacent) room.
To increase the amount of air discharged into the primary
room, the damper may be modified by removing the discharge
grille on top of the adapter and folding over (or cutting off) the
scored section of damper to provide approximately a 50/50
split. Completely removing the discharge damper will result in
approximately 75% air discharge into the primary room and
25% into the secondary room.
The installation of the wall case and sub-base, if used, is the
same for units being ducted as for free-standing units. The
duct adapter support bracket overlaps the wall case by 1" and
the bracket and mounting screws add approximately 3/8"
(3/16" on each side) to the width of the wall case. If
less than 1" of the wall case projects into the room it will
be necessary to allow for the additional width in the opening
for the wall case. The duct adapter mounting brackets should
be mounted prior to installing the case in the wall.
Refer to pages 39 and 40 for drawings of ducted installations.
Prior to the installation of the transition from the room cabinet
to the adapter, it will be necessary to remove the discharge
grille from the room cabinet. Instructions for this modification
are included with the duct adapter.
NEW DUCTED
INSTALLATIONS
Components
Duct Adapter RAK6052 — The duct adapter is secured
to each side of the wall case and requires the drilling of
mounting holes in the wall case during installation. A
template for the hole location is in the installation instructions.
By securing the duct adapter to the wall case, the chassis
retains the slide-out feature for servicing after the transition
piece is removed.
Duct Extension RAK601 — This kit contains a 44"-long
insulated duct, a register mounting collar, and an air supply
register. It can be secured to the duct adapter at either end
of the adapter. This duct may be cut at any dimension and
used in two applications providing the sum of the two duct
lengths necessary does not exceed the 44" length. Even in
single applications, the mounting flange must be cut off
one end of the duct to accept the collar and supply register.
Mounting Collar and Supply Register RAK602 —These
components are included in the Duct Extension Kit RAK601.
They may be ordered separately for installations where two
duct extensions are made from one RAK601.
DUCTED APPLICATION CONSIDERATIONS
When designing a ducted application, some application
considerations to be made include:
1. Do not exceed the 15-foot-length maximum for the
duct extension. Field-supplied duct extension must be
completely insulated with minimum of 1/2" insulation
2. The duct must be a straight run. Turns or bends in the
duct extension create air pressure drops that the unit is
not designed to overcome.
3. Turn the “Duct Mode” on in the auxiliary control settings
(Mode 7). This increases the fan speed to ensure proper
circulation.
4. Minimum recommended clearance between the unit and
the adjacent wall is 2".
5. Provisions for return air must be made to allow air
circulation from secondary room. Doors in both secondary
and primary rooms may be undercut or a return grille
may be installed through a common wall.
6. When calculating the heat gain/heat loss take both areas
into consideration.
REPLACEMENTS OF EXISTING
DUCTED UNITS
Since the design of the Zoneline chassis has changed over the
years to provide better performance and appearance, some
of the components used in ducted applications have changed.
Select the proper components from the information below.
The best procedure in determining the correct kit is to measure
the existing duct extension cross section.
Flat-Top Discharge Units (Zoneline Units Built Prior
to 1988)
Existing Duct Extension Cross-Section Measurements:
8-3/8" height x 6-1/2" width
Duct Adapter RAK7012 — This duct adapter will allow the
replacement of a new chassis (4100 or 6100 Series unit)
into an existing ducted application. This adapter will align
properly with the duct extension and will eliminate the need
to modify the wall opening. In order to minimize replacement
costs, some of the components of the old duct adapter must
be removed and used in the new installation. Consult the
Installation Instructions of the RAK7012 before removing and
discarding the old duct adapter. (See notes on page 58.)
Slope-Front Discharge Units (AZ series models)
Existing Duct Extension Cross-Section Measurements:
7-3/32" height x 6-1/2" width
Duct Transition RAK7022 — This duct transition will allow the
replacement of a new slope-front discharge Zoneline chassis
(4100 or 6100 Series unit) into a previous-design slope-front
ducted installation. (See notes on page 58.)
Duct Adapter
RAK6052
Duct Extension,
Mounting Collar and
Register RAK601

39
DUCTED APPLICATION (AZ2500/2800/2900/3500/3800/3900/4100/6100 SERIES)
44"
DUCT ADAPTER EXTENSION HAS 1/2" INSULATION
Notes:
1. RAK6052 kit includes duct adapter, transition and mounting hardware.
2. RAK601 duct extension may be installed at either end of the RAK6052 duct adapter.
Maximum duct extension length is 15'. Duct extension must be field fabricated for
installations where length of duct exceeds length of RAK601 (44"). Field-fabricated
duct extension must be insulated to prevent condensation from forming on exterior.
Duct extension may not contain bends or turns.
3. Ducted units may need to be permanently connected. Check local code for specific
electrical installation requirements.
4. Duct extension kit RAK601 contains 44" duct extension, discharge grille mounting
collar, and discharge grille. Duct extension must be cut to required length. Two ducted
installations may be made from one kit if the combined ducted length is less than 44".
RAK602 kit contains mounting collar, discharge grille and mounting hardware
necessary for second installation.
5. Filler strip (field supplied) actual width depends upon wall case projection into room.
A flush installation to finished wall (i.e., no filler strip) can be made.
6. Unit must be installed to provide at least a 2" clearance between side of unit and wall.
7. Provisions for return air must be made in order to allow air circulation from secondary
room. Doors in both secondary and primary rooms may be undercut or a return grille
may be installed through common wall.
8. For replacement of previous-design units, see pages 38 and 58.
RAK601
44" LENGTH
RAK6052
ADAPTER
TRANSITION
8" high
RECOMMENDED
MINIMUM
CLEARANCE
2" TO SIDE WALL
7-3/8"
wide

40
DUCTED DETAILED SIDE VIEWS (AZ2500/2800/2900/3500/3800/3900/4100/6100 SERIES)
See page 39 for all notes
Line-Cord Installation
CAULK*
Sub-Base Installation
ANY CONSTRUCTION
12-3/4"
MAX.
6-1/2"
10" 7-3/32"
RAK6052
ADAPTER
16-1/8"
TRANSITION
ROOM
CABINET
3/4" MIN.
WALL TO
CASE EDGE
WALL CASE
FINISHED
FLOOR
RECEPTACLE
(BY OTHERS
ALT. LOCATIONS) CAULK*
RAG60 - 1/4"
RAG61-63 - 1-3/8"
RAG67 - 1-1/4"
*Caulk around perimeter of wall case all four sides
where it joins the building - Interior and Exterior.
1/4"
MIN.
2-29/32"
*2-3/8" min. when installed with RAK204.
RAG60 - 1/4"
RAG61-63 - 1-3/8"
RAG67 - 1-1/4"
3-11/16"
RAK
204
3" MIN.
5" MAX.
FINISHED
FLOOR
16-1/8"
TRANSITION
ROOM
CABINET
WALL CASE
CAULK
CAULK
CAULK
CAULK
CAULK
CAULK
Caulk around
perimeter of
wall case all
four sides
where it joins
the building
- Interior and
Exterior.
2-29/32"
7-3/32" RAK6052
ADAPTER
FILLER STRIP (SEE NOTE 5 ON PAGE 39)
6-1/2" 11-1/8"
MAX.
2-3/8"*
MIN.
1/4"

41
EXTERIOR GRILLES
Four styles of outdoor grilles are available for exterior
treatments. The standard stamped aluminum grille (RAG60),
the molded architectural louvered exterior grilles (RAG61-63)
and the extruded aluminum architectural louvered grille
(RAG67). All grilles include air deflectors (RAK40) and gaskets
to prevent condenser air recirculation. RAG67
RAG60
Outdoor Grille
RAG60 Outdoor Grille — The standard exterior grille is made
of durable aluminum to protect chassis components and
prevent air recirculation.
RAG61, 62, 63 Architectural Grille — One-piece optional
molded grille and frame assembly provides improved
appearance, protection and weatherability. Molded of
durable polycarbonate, the surfaces of the grille have a
colorfast, slightly textured finish which blends well with
most types of wall surfaces. The grilles can be painted in
the field to match the building for improved aesthetics.
Colors: RAG61 — Beige
RAG62 — Dark Maple
RAG63 — Bittersweet Chocolate
RAG67 Extruded Aluminum Grille — The RAG67 is made from
extruded anodized aluminum for use where an aluminum
architectural grille is preferred. The RAG67 is available in a
clear finish and may be special ordered from GE in other
colors. Minimum order quantities may be required. Contact
your GE salesperson for details.
All grilles are installed and secured to the wall case from the
inside. Keyhole slots in the rear flange of the case allow the
grille to be placed in position before securing it firmly to the
wall case.
Replacement of existing units: If an existing grille is not
replaced, capacity and efficiency will be reduced and the
unit may fail to operate properly or fail prematurely. A
deflector kit, RAK40, must be used with grilles that were
not designed for current AZ Series GE Zoneline® units. The
RAK40 contains air deflectors and gaskets that mount to
the chassis to direct the hot exhaust air away from the air
intake to allow the unit to function properly. All grilles used
with GE Zoneline units must comply with requirements
of Exterior Architectural Treatments and Special Outdoor
Grilles (See page 42).
RAG61
Outdoor Grille

42
The architectural design of a building may dictate the use
of special or oversized louvers for aesthetic reasons. Louvers
other than standard Zoneline® exterior grilles may be used
on the Zoneline unit, however, these special louvers, or any
special exterior architectural treatments of the building
facade that may restrict the free circulation of condenser
airflow, should be referred to GE Application Engineering for
evaluation and approval. The following guidelines should be
followed in selecting a louver:
1. The louver must have a minimum of 65% free area.
ASHRAE defines "free area" as the minimum area of the
opening in an air inlet or outlet through which air can
pass. Percent (%) free area equals the X dimension divided
by the Y dimension.
2. The louver should be attached to the wall case in a manner
that will prevent recirculation of condenser discharge air
into the air inlet. If the louver is not attached directly to
the wall case, a field-supplied splitter or gasket is required
between the chassis and the louver to prevent recirculation.
It is important that the above criteria be followed since a
louver that is too restrictive or allows recirculation will reduce
the unit’s capacity and efficiency, increase the electrical
current draw, cause intermittent operation due to the
compressor overload protector shutting the compressor off,
and cause failure of the compressor overload protector and
shorten compressor life. Using the unit with a grille that is too
restrictive or allows recirculation may constitute improper
installation and will void the unit's warranty.
A scale drawing of the louver section should be sent to GE
Application Engineering. To assure the proper performance of
the Zoneline unit and comply with Underwriters Laboratories
requirements, it may be necessary to send a sample louver
section (at least 16" x 42") to an independent lab to be tested
with the Zoneline unit.
Sample Calculations
Free Area (%) = x
y x 100 x = 1" y = 1.5"
F.A. % = 1
1.5 x 100 = 66.7%
EXTERIOR ARCHITECTURAL TREATMENTS
AND SPECIAL OUTDOOR GRILLES

43
POWER CONNECTION FOR 4100
AND 6100 SERIES ZONELINE UNITS
All 4100 and 6100 Series Zoneline units are equipped with
universal heaters allowing chassis installation flexibility. The
Zoneline units are connected to the building power supply
by a unique power connection kit. By utilizing a separate
universal power connection (UPC) kit, each unit is capable of
providing various outputs of electric resistance heat to more
closely meet the heating requirements of the particular room,
thereby increasing the installation flexibility of the particular
chassis. This power connection kit is the only means of
supplying power to the Zoneline chassis. The appropriate
kit is determined by the voltage, the means of electrical
connection, either line-cord connected or permanently
connected, and the desired resistance heat output that may
be supported by the branch circuit.
230/208-Volt Line-Cord Connected Units
Line Cord Kits consist of a self-aligning nine-pin molded
connector that plugs into a mating connector on the Zoneline
chassis and insulated line cord with an electrical plug on
the end. The configuration of the electrical plug conforms
to National Electrical Code (NEC) standards for the circuit
amperage, and the position of the wires in the nine-pin
connector determines the heater wattage and current
requirements when it is plugged into the Zoneline chassis.
The power connection kit is selected by the amperage of
the circuit where it will be installed. Each line cord kit has an
integral Leakage Current Detection and Interruption (LCDI)
or Arc Fault Current Interrupter (AFCI) device as required
by the NEC and Underwriters Laboratory (UL) for line-cord
connected air conditioners manufactured on or after August
1, 2004. The line-cord power connection kits are shown in
the table below.
230/208-Volt Line-Cord Connected Units
Line Cord
Kit
Electric
Heat
BTUH
Electric
Heater
Watts
Electric
Heat
Amps
Min. Circuit
Protection
(Amps)
RAK3153A 8150/7900 2450/2360 11.0/11.6 15
RAK3203A 11200/10900 3350/3230 15.1/16.0 20
RAK3303A 16000/15450 4750/4580* 21.2/22.4 30
Electric Heat Amps include electric heater and fan motor current draw.
*Wattage not available with 7,000 BTU systems.
230/208-Volt Permanently Connected Units
Permanently connected units do not require the LCDI or AFCI
device. Permanent connection is usually made through the
use of a sub-base. Each 230/208-volt sub-base consists of
a sub-base with appropriate receptacle for minimum circuit
amperage, a chaseway to route power connector from the
sub-base to the chassis, wiring to connect the sub-base
to building wiring and a short line cord with a self-aligning
nine-pin connector to connect to chassis and plug into the
receptacle in the sub-base. Permanent, or direct-wired,
installation of a 230/208-volt unit requires a junction box
kit, RAK4002A, which attaches to the chassis to form an
enclosed junction box.
The short sub-base line cord may not be used without
the sub-base.
Electric Heat Amps include electric heater and fan motor current draw.
Each 265-volt sub-base kit consists of a sub-base with appropriate receptacle for minimum circuit
amperage, a chaseway to route the power connector from the sub-base to the chassis and wiring
to connect the sub-base to the building wiring.
*Wattage not available with 7,000 BTU systems.
The 265-volt power connection kit must be ordered separately.
All wiring must conform to local electrical regulations
and codes.
265 Volt Sub-Base and Direct-Connected Units
Sub-Base Electric Heat
BTUH
Electric Heater
Watts
Electric Heat
Amps
Min. Circuit
Protection
(Amps)
RAK204E15 8150 2460 9.6 15
RAK204E20 11550 3460 13.3 20
RAK204E30 16350 4860* 18.6 30
230/208 Volt Sub-Base and Direct-Connected Units
Sub-Base
Direct
Connection
Kit
Electric
Heat
BTUH
Electric
Heater
Watts
Electric
Heat
Amps
Min. Circuit
Protection
(Amps)
RAK204D15P RAK4157 8150/7900 2450/2360 11.0/11.6 15
RAK204D20P RAK4207 11200/10900 3350/3230 15.1/16.0 20
RAK204D30P RAK4307 16000/15450 4750/4580* 21.2/22.4 30
Electric Heat Amps include electric heater and fan motor current draw.
*Wattage not available with 7,000 BTU systems.
265- or 277-Volt Unit Installation — Permanently
Connected Units
NEC (Article 440.60) requires permanent connection for units
connected to power sources over 250 volts; therefore these
units must be permanently connected (direct-wired) with
field-supplied connectors. Units connected using a sub-base
meet the requirement for permanent connection since all
wiring is internal wiring between the
sub-base and the chassis.
Since 265-volt units may not be line-cord connected, an LCDI
device is not required.
For 4100 and 6100 Series 230/208-volt units where a
permanent installation using flexible conduit is desired, the
RAK4002A forms an enclosed junction box on the chassis.
The RAK4002A has a 7/8"-diameter hole to allow conduit to
be connected to the junction box. For direct connection,
purchase and install the appropriate Universal Power Supply
Kit (also referred to as
the Direct Connection Kit
below) that matches the
ampacity of the building
circuit connected to the
unit. This nine-pin
connector with three
7"-long conductor wires
is used for direct
connections to the
building wiring inside
a direct-connect junction
box. These wires are then
connected to the building
wiring by field-supplied
connectors.
Specifications subject to change.

44
ESSENTIAL ELEMENTS ORDERING
OVERVIEW
The wiring harness can be ordered separately as RAK4002CW.
Permanently Connected Units With Sub-Base
If the existing unit is connected to a sub-base, the installation
of the new unit may involve modifying the existing installation
slightly. It is recommended these modifications be made by a
qualified electrician.
If the existing sub-base is the full width of the wall case,
RAK201 sub-base access plate may be ordered and used
to replace the cover on the old sub-base. Field-supplied
wiring, conduit and conduit connectors should be used to
make a connection between the new chassis and the center
knockout of the RAK201. The wiring connections should be
made inside the sub-base and the RAK201 attached to the
sub-base with the two screws provided.
If the existing sub-base is not the full width of the wall case,
the electrician will have to modify the existing cover plate to
allow field-supplied wiring, conduit and conduit connectors to
be run from the permanent connection kit to the sub-base.
Type Mfg Part No Configuration
15 AMP
Tandem
NEMA6-15R
Hubbell
P&S
5661
5661
20 AMP
Perpendicular
NEMA6-20R
Hubbell
P&S
5461
5871
30 AMP
Large Tandem
NEMA6-30R
Hubbell
P&S
9330
5930
Receptacle
230/208-volt line-cord connected units — order line cord kit.
230/208-volt sub-base connected units — order sub-base
(includes power connection kit) and junction box for chassis
(if hard wired).
265-volt units — order sub-base and power connection
kit separately.
ELECTRICAL WIRING INFORMATION –
4100/6100 SERIES
All Zonelines are single-phase 60 hertz units.
For all installations, the feeder, sub-feeder, branch circuit
and electrical protective devices and selection must conform
to the National Electrical Code (NEC) and to local codes.
Maximum connected load in amperes, including demands
for the electric heater and the fan motor, are shown on
page 45. Branch circuit ampacity and electrical protective
device sizing are shown on page 43 for 230/208-volt and
for 265-volt units.
More than one unit per branch circuit is not recommended.
When in doubt, consult the NEC. All wiring, including
installation of receptacle, must conform to local electrical
regulations and codes.
REPLACEMENT OF EXISTING CHASSIS
230/208-Volt and 265-Volt Units
There have been changes to NEC and improvements and
modifications to the Zoneline® chassis and sub-bases since
the unit was first introduced. Some of these changes require
alterations to be made when replacing an older unit with a
new chassis.
Line-Cord Connected Units
The plug configuration of new line-cord connected units
complies with the current NEC standards. Older installations
may have wall receptacles that conformed to NEC standards
at the time the building was constructed and may not match
the configuration of the plug on the new line cord. The
recommended solution is to change the wall receptacle to
conform to current standard plug configuration. See chart
on this page for current receptacle configuration.
Typical Line-Cord
Power Connection Kit
RAK3203A shown
58"
21"
Inside
Maximum Cord Extension

45
MAXIMUM CONNECTED LOAD
The maximum connected load of a Zoneline unit occurs when the unit is in resistance heating operation. The maximum
amperage shown in the tables below is the combined total of the resistance heater and the indoor fan motor.
230/208-Volt Line-Cord Connected Units
Power Connector Kit
RAK3153A
RAK4157
RAK204D15P
RAK3203A
RAK4207
RAK204D20P
RAK3303A
RAK4307
RAK204D30P
MODEL
NUMBER 230 V 208 V 230 V 208 V 230 V 208 V
AZ41E07DA* 11.0 11.6 15.1 16.0 N/A N/A
AZ41E09DA* 11.0 11.6 15.1 16.0 21.2 22.4
AZ41E12DA* 11.0 11.6 15.1 16.0 21.2 22.4
AZ41E15DA* 11.0 11.6 15.1 16.0 21.2 22.4
AZ61H07DA* 11.0 11.6 15.1 16.0 N/A N/A
AZ61H09DA* 11.0 11.6 15.1 16.0 21.2 22.4
AZ61H12DA* 11.0 11.6 15.1 16.0 21.2 22.4
AZ61H15DA* 11.0 11.6 15.1 16.0 21.2 22.4
*All versions
Electric Heat Amps include electric heater and fan motor current draw.
265-Volt Units
Sub-Base/Power Connector Kit
RAK204E15
RAK5172
RAK5157
RAK204E20
RAK5202
RAK5207
RAK204E30
RAK5302
RAK5307
MODEL
NUMBER 265 V 265 V 265 V
AZ41E07EA 9.6 13.3 N/A
AZ41E09EA* 9.6 13.3 18.6
AZ41E12EA* 9.6 13.3 18.6
AZ41E15EA* 9.6 13.3 18.6
AZ61H07EA* 9.6 13.3 N/A
AZ61H09EA* 9.6 13.3 18.6
AZ61H12EA* 9.6 13.3 18.6
AZ61H15EA* 9.6 13.3 18.6
*All versions
Electric Heat Amps include electric heater and fan motor current draw.
LATENT SYSTEM CAPACITY
The total capacity of an air conditioner is made up of the
sensible capacity, the output of the unit used to remove
heat from the air in the area being conditioned, and the
latent capacity, the output of the unit used to dehumidify
the air in the area being conditioned. For humid climates
and applications, the sensible/latent capacity split of the
unit should be considered. The sensible capacity listed in
the specification charts on pages 54 and 55 is at a standard
rating condition of 95°F dry bulb/75°F wet bulb outdoors; 80°F
dry bulb/67°F wet bulb indoors. The latent system capacity is
1.00 minus the sensible capacity. (If the sensible capacity is
listed at .74 the latent capacity is .26. This means that 74% of
the capacity of the unit is used to remove heat from the air
and 26% is used to remove moisture from the air at standard
test conditions.)
In some applications, information about the sensible/latent
split, or ratio, at conditions other than the standard rating
conditions is needed.
Specifications subject to change.

46
Formula for Calculating Operating Costs Using Above Data:
NORMAL YEARLY OPERATING DATA
(Cooling Hours based on 75°F indoor temperature with air conditioner sized to meet the design conditions.)
ASHRAE
Heating Estimated
Degree Cooling
Location Days Hours
ALABAMA
Birmingham 2,551 1,390
Huntsville 3,070 1,340
Mobile 1,560 1,640
Montgomery 2,291 1,580
ARIZONA
Flagstaff 7,152 310
Phoenix 1,765 2,280
Tucson 1,800 1,920
Yuma 974 2,520
ARKANSAS
Fort Smith 3,292 1,410
Little Rock 3,219 1,330
CALIFORNIA
Bakersfield 2,122 1,530
Fresno 2,611 1,210
Los Angeles 2,061 310
Sacramento 2,502 1,030
San Diego 1,458 390
San Francisco 3,015 110
COLORADO
Colorado Springs 6,423 520
Denver 6,283 550
Grand Junction 5,641 910
CONNECTICUT
Hartford 6,235 480
DISTRICT of COLUMBIA
Washington 4,224 1,010
DELAWARE
Wilmington 4,930 770
FLORIDA
Jacksonville 1,239 1,690
Miami 214 2,850
Orlando 766 1,930
Tallahassee 1,485 1,500
Tampa 683 2,350
GEORGIA
Atlanta 2,961 1,130
Augusta 2,397 1,400
Macon 2,136 1,440
Savannah 1,819 1,510
IDAHO
Boise 5,809 670
Lewiston 5,542 600
Pocatello 7,033 570
ILLINOIS
Chicago 6,155 780
Moline 6,408 760
Springfield 5,429 890
INDIANA
Evansville 4,435 1,090
Fort Wayne 6,205 710
Indianapolis 5,699 820
South Bend 6,439 600
IOWA
Burlington 6,114 730
Des Moines 6,588 710
Sioux City 6,951 770
KANSAS
Dodge City 4,986 1,020
Goodland 6,141 800
Topeka 5,182 880
Wichita 4,620 1,070
ASHRAE
Heating Estimated
Degree Cooling
Location Days Hours
ASHRAE
Heating Estimated
Degree Cooling
Location Days Hours
KENTUCKY
Lexington 4,683 830
Louisville 4,660 1,130
LOUISIANA
Alexandria 1,921 1,670
Baton Rouge 1,560 1,860
New Orleans 1,385 1,790
Shreveport 2,184 1,470
MAINE
Portland 7,511 290
MARYLAND
Baltimore 4,654 850
MASSACHUSETTS
Boston 5,634 500
MICHIGAN
Detroit 6,293 590
Flint 7,377 440
Grand Rapids 6,894 530
MINNESOTA
Duluth 10,000 200
Minneapolis 8,382 550
MISSISSIPPI
Jackson 2,239 1,560
MISSOURI
Columbia 5,046 960
Kansas City 4,711 1,210
Springfield 4,900 970
St. Louis 4,900 1,080
MONTANA
Billings 7,049 520
Glasgow 8,996 410
Great Falls 7,750 420
Missoula 8,125 350
NEBRASKA
Grand Island 6,530 770
Omaha 6,612 750
NEVADA
Ely 7,733 500
Las Vegas 2,709 1,980
Reno 6,332 520
NEW JERSEY
Newark 4,589 710
NEW MEXICO
Albuquerque 4,348 1,040
Clayton 5,158 720
Silver City 3,705 1,260
NEW YORK
Albany 6,875 480
Binghamton 7,286 310
Buffalo 7,062 450
New York 4,811 790
Rochester 6,748 470
Syracuse 6,756 500
NORTH CAROLINA
Asheville 4,042 690
Charlotte 3,191 1,230
Raleigh 3,393 1,070
Winston-Salem 3,595 960
NORTH DAKOTA
Bismarck 8,851 510
Fargo 9,226 490
Williston 9,243 580
OHIO
Cincinnati 5,265 840
Cleveland 6,351 610
Columbus 5,660 810
Dayton 5,622 740
Toledo 6,494 590
OKLAHOMA
Oklahoma City 3,725 1,200
Tulsa 3,860 1,410
OREGON
Medford 5,008 620
Pendleton 5,127 590
Portland 4,635 270
PENNSYLVANIA
Harrisburg 5,251 730
Philadelphia 5,144 810
Pittsburgh 5,987 590
Scranton 6,254 440
Williamsport 5,934 600
RHODE ISLAND
Providence 5,954 470
SOUTH CAROLINA
Charleston 2,033 1,390
Columbia 2,484 1,440
Greenville 2,980 1,120
SOUTH DAKOTA
Rapid City 7,345 580
Sioux Falls 7,839 610
TENNESSEE
Chattanooga 3,254 1,180
Knoxville 3,494 1,070
Memphis 3,232 1,320
Nashville 3,578 1,220
TEXAS
Corpus Christi 914 2,380
Dallas 2,363 1,900
El Paso 2,700 1,580
Houston 1,396 1,850
Lubbock 3,578 1,310
San Antonio 1,546 1,920
UTAH
Milford 6,497 910
Salt Lake City 6,052 830
VERMONT
Burlington 8,269 130
VIRGINIA
Norfolk 3,421 1,010
Richmond 3,865 1,020
Roanoke 4,150 870
WASHINGTON
Seattle 5,145 180
Spokane 6,655 430
Yakima 5,941 530
WEST VIRGINIA
Charleston 4,476 860
Huntington 4,446 820
WISCONSIN
Madison 7,863 530
Milwaukee 7,635 450
WYOMING
Casper 7,410 600
Cheyenne 7,381 420
Sheridan 7,680 530
Heating* — Heat Loss KW x Heating Degree Days x “C” x Cost Per KWH = Operating Cost
Outdoor Design Temperature Difference
* The above formula is for electric resistance heating only. Power consumption using the Zoneline® heat pumps should be adjusted by Seasonal Performance Factor (SPF).
The local power supplier should be consulted for recommended value of “C.” This factor will vary between 17 and 24.
Cooling — Calculated Heat Gain (BTUH) x = Unit Cooling Watts x Cooling Hours x Cost per KWH = Operating Cost
Installed unit capacity (BTUH) 1000 Watts/KW

47
TYPICAL 4100 SERIES, 230/208-VOLT
WIRING DIAGRAM
47
TEST
7.Moto
TEST TEMPERATURE IS 68degF.
6.HEATER RESISTANCE:
5.This diagram applied to AZ41E series.
10970
17930
29960
49330
51940
94900
7320
11950
19970
32860
34620
63260
I.D COIL
ROOM
90
70
50
32
30
10
degF
SENSOR RESISTANCE(ohm)
3.THERMISTOR SENSOR RESISTANCE:
OR:ORANGE
RE:RED
WH:WHITE
YL:YELLOW
BK:BLACK
BL:BLUE
BR:BROWN
GR:GREEN
GY:GRAY
2.COLOR:
*1:The lead wires are multicolured with black tube.
*2:The jointwires are white except that the first one is red.
*3:The 7k BTU models don't have this wire.
1.
NOTE:
4.TRANSFORMER WINDING RESISTANCE:
2.4kW
1.4kW
1.0kW
PIN NO.3-6
WH-BL
PIN NO.2-5
RD-YL
PIN NO.1-4
BK-BR
265V
208V/230V
HEATER RESISTANCE(ohm)
CHECK POINT
HEATER
CONNECTOR
HEATER
195±35% 200±35%
200±35% 205±35%
75±35% 85±35%
208/230V
PA052JB
265V
PA053JB
PRIMARY COIL
RESISTANCE(ohm)
BK-BK
SECONDARY COIL
RESISTANCE(ohm)
WH-WH
100±10% 1.31±10%
127±10% 1.27±10%
MODEL
NAME
8.FAULT
If the
wheth
If the
pleas
CN1
TERMINAL
BOARD
*1 OPEATION BOARD UNIT
MAIN BOARD UNIT
BCN301.BCN302
BCN7.BCN9
I.D.COIL
ROOM
CN11
CN3.CN5.CN6
TRANSFORMER
OR
OR
YL
YL
4321
*2
*2
DRIVE BOARD UNIT
BCN107.BCN108.BCN109
BCN106
CN104
BK
BK
WH
WH
7
1
2
5
BROR
YL
(208/230V)
(265V)
*3
OR
BL
WH
GR
RD
GY
BR
BK
98456321
*3
WH
RD
BK
BR
GY
RD GR
WH
BL
OR
12345679
C
BK
O.L.P
BK
CT101
T1
RY101
NR101
CN8
HEATER
CONNECTOR
BL
YL
BR
PROTECTOR
FUSE
BK
BL
RD
BL
WH
YL
RD
BR
BK
HEATER(2.4kW)
HEATER(1.4kW)
HEATER(1.0kW)
123
456
6
5
43
2
1
BL
YL
BR
CN110
4
1
1
2
33
2
1
COMP
.
BL
RUNNING
CAPACITOR WH
RD
S
R
TRIAC UNIT
BL YL
BT2 BT1
BCN112
E
D
C
RY102
VARISTOR
RD
WH
BK
BL
GY
O.D
FM
O.D FAN
CAPACITOR
CN101(WH)
5
3
1
RD
BK
I.D
FM
OR
OR
I.D FAN
CAPACITOR
PROTECTOR
A
*2
CN112
1
3
CN105 CN102(YH)
MO
AZ4
AZ4
AZ4
AZ4
AZ4
AZ4
AZ
AZ4
AZ
AZ
AZ
A4
AZ
AZ
AZ
AZ
AZ
AZ
AZ
AZ
AZ
AZ
TEST TEMPERATURE IS 68degF.
6.HEATER RESISTANCE:
5.This diagram applied to AZ41E series.
10970
17930
29960
49330
51940
94900
7320
11950
19970
32860
34620
63260
I.D COIL
ROOM
90
70
50
32
30
10
degF
SENSOR RESISTANCE(ohm)
3.THERMISTOR SENSOR RESISTANCE:
OR:ORANGE
RE:RED
WH:WHITE
YL:YELLOW
BK:BLACK
BL:BLUE
BR:BROWN
GR:GREEN
GY:GRAY
2.COLOR:
*1:The lead wires are multicolured with black tube.
*2:The jointwires are white except that the first one is red.
*3:The 7k BTU models don't have this wire.
1.
NOTE:
4.TRANSFORMER WINDING RESISTANCE:
2.4kW
1.4kW
1.0kW
PIN NO.3-6
WH-BL
PIN NO.2-5
RD-YL
PIN NO.1-4
BK-BR
265V
208V/230V
HEATER RESISTANCE(ohm)
CHECK POINT
HEATER
CONNECTOR
HEATER
195±35% 200±35%
200±35% 205±35%
75±35% 85±35%
208/230V
PA052JB
265V
PA053JB
PRIMARY COIL
RESISTANCE(ohm)
BK-BK
SECONDARY COIL
RESISTANCE(ohm)
WH-WH
100±10% 1.31±10%
127±10% 1.27±10%
MODEL
NAME
8
TEST TEMPERATURE IS 68degF.
7.Motor winding resistance
8.FAULT ANALYSIS OF INDOOR FAN MOTOR
If the motor winding resistance is out of spec,please check
whether it's the motor's problem;
If there is no voltage between pin1 and pin2 of CN102,
please check whether it's the problem of PWB.
MODEL NAME
WINDING RESISTANCE(ohm)
INDOOR
RD-BK
OUTDOOR MOTOR
HIGH SPEED
RD-BK WH-BK
AZ41E07DAB 183±15% 390±15% 284±15%
183±15%
183±15%
399±15%
399±15%
148±15%
148±15%
AZ41E07DAC
AZ41E07DAP
AZ41E07EAB
AZ41E07EAC
AZ41E07EAP
AZ41E09DAB
AZ41E09DAC
AZ41E09DAP
AZ41E09EAB
AZ41E09EAC
A441E09EAP
AZ41E12DAB
AZ41E12DAC
AZ41E12DAP
AZ41E12EAB
AZ41E12EAC
AZ41E12EAP
AZ41E15DAB
AZ41E15DAC
AZ41E15EAB
AZ41E15EAC
265±15%
265±15%
265±15%
183±15%
183±15%
183±15%
265±15%
265±15%
265±15%
183±15%
183±15%
183±15%
265±15%
265±15%
265±15%
183±15%
183±15%
265±15%
265±15%
400±15%
400±15%
400±15%
193±15%
193±15%
193±15%
294±15%
294±15%
294±15%
126±15%
126±15%
126±15%
148±15%
148±15%
148±15%
126±15%
126±15%
148±15%
148±15%
234±15%
139±15%
139±15%
204±15%
204±15%
204±15%
125±15%
125±15%
125±15%
146±15%
146±15%
146±15%
124±15%
124±15%
124±15%
146±15%
146±15%
124±15%
124±15%
MOTOR SPEED LOW

48
TYPICAL 4100 SERIES, 230/208-VOLT
SCHEMATIC DIAGRAM
*1
CN1
INTERFACE
(NR101)
Varistor CN8
CIRCUIT
CONTROL
TRANSFORMER
UNIVERSAL CONNECTOR
CN5
MAIN BOARD UNIT
Capacitor
(C101, C101A, C102)
PROTECTOR
FUSE
DIP SW
ROOM
CDC
REMOTE T'STAT
CN2
BCN7.BCN9
FU104
FU105
FU106
HEATER
HEATER
HEATER
HEATER POWER
CHECK CIRCUIT
O.L.P.
C
R
S
RUNNING
CAPACITOR
T1
TRIAC CONTROL
CIRCUIT
*1: C101 is used for 230V models and both C101A and
C102 are used for 265V models.
AC CLOCK
*2
RY104
TRIAC
CT MONITOR
CIRCUIT
UNIT
*1
RY105
RY101
RY102
BCN108
CN11
CN104
POWER SUPPLY 12V
SWITCHING
BCN107
CN3
BOARD
DRIVE
(for setting)
ID.COIL
EXTERNAL FAN
THERMO
SLEEP
SLEEP
FAN SPEED
OPERATION BOARD
MODE
DECODER
AUTO
LOW
HIGH
HEAT
FAN
COOL
OPE
OPE
DOWN
UP
RY101
RY102
BCN109
CN6
*3
*2: 4A 250V is used for 230V models;3.15A 500V is
used for 265Vmodels.
*3: 61H models have this leadwire except for
7000btu models.
CT101
SSR1
Capacitor
Indoor
Fan Motor
Capacitor
SSR1
HALL
IC
Outdoor
Fan
Motor
RY104
RY105
CN105
COMP
MOTOR
Fan Motor
Fan
Motor
CN102
CN101
FU103
BCN106
CN110
TERMINAL
BOARD
FU101
A

49
TYPICAL 6100 SERIES, 230/208-VOLT
WIRING DIAGRAM
TION BOARD UNIT
HEATER
CONNECTOR
CN102(WH)
CN103(BL)
CN112
BCN202
CN201(YL)
CN105(BK)
CT101
CN104 BCN106 BCN101.BCN108.BCN109
CN4.CN5.CN6
YL
YL
OR
OR
BK
BK
BL
BL
ROOM
I.D.COIL
O.D.COIL
OUTDOOR
BK
BR
GY
RD
GR
WH
BL
OR
BCN7.BCN9
BCN301.BCN302
OR
BL
WH
GR
RD
GY
BR
BK
RD
WH
TERMINAL
BOARD
RUNNING
CAPACITOR
HEATER(1.0kW)
HEATER(1.4kW)
HEATER(2.4kW)
BK
BR
RD
YL
WH
BL
FUSE
PROTECTOR
BR
YL
BL
DRIVE BOARD UNIT
3
3
CN1
1
2
3
4
5
8
FM
O.D.FAN MOTOR
BK
WH
YL
BL
RD
OR
RD
BL
YL
WH
BK
I.D.FAN MOTOR FM 4
3
2
1
6
GR
*2
BR
*4
1
2
1
ICR
YL
YL
*4
RD
RD
RV
1
CN8
NR101
VARISTOR
RY102 RY110
RY101
T1
CDE
14
CN110
5
2
1
7
WH
WH
BK
BK
TRANSFORMER
*2
CN11
*2
123456
78
12365489
9
7
6
5
4
3
2
1
*3
(265V)
(208/230V)
BCN112
BT1 BT2
YL
MAIN BOARD UNIT OPEA
*1
*3
YL OR BR
BK
O.L.P
BK
C
RS
RD WH
BL
COMP.
123
456
6
5
43
2
1
RD BL
BK
BL
TRIAC UNIT
*1
1
2
33
2
1
BR
YL
BL
(1)CN103:PIN 1-2(BK-WH) DC15V; PIN1-6(BK-RD):
The DC voltage is AC power supply voltage x 1.4
(2)CN102:PIN1-2(BK-WH) DC15V; PIN1-5(BK-RD):
The DC voltage is AC power supply voltage x 1.4
Tu wer supply for 2 minutes before
disconnecting motor connector (CN102.CN103).
or motor damage may occur.
5. This diagram applied to AZ61H series.
6. Heater resistance:
TEST TEMPERATURE IS 68degF.
195 ` 35% 200 ` 35%
200 ` 35% 205 ` 35%
75 ` 35% 85 ` 35%
CHECK POINT
HEATER
CONNECTOR
PIN NO.1-4
BK-BR
PIN NO.2-5
RD-YL
PIN NO.3-6
WH-BL
HEATER HEATER RESISTANCE(ohm)
208V/230V 265V
1.0kW
1.4kW
2.4kW
TOR VOLTAGE:
NOTICE:
208/230V
PA052JB
265V
PA053JB
PRIMARY COIL
RESISTANCE(ohm)
BK-BK
SECONDARY COIL
RESISTANCE(ohm)
WH-WH
100 ` 10%
127 ` 10%
1.31 ` 10%
1.27 ` 10%
MODEL
NAME
4. TRANSFORMER WINDING RESISTANCE:
*1:The lead wires are multicolured with black tube.
*2:The jointwires are white ex
*3:The 7k BTU models don't have this wire.
*4:AZ61H series don't have these wires,except for
AZ61H07DAD.AZ61H09DAD.AZ61H12DAD.AZ61H15DAD.
AZ61H07EAD.AZ61H09EAD.AZ61H12EAD.AZ61H15EAD.
BK:BLACK
BL:BLUE
BR:BROWN
GR:GREEN
GY:GRAY
OR:ORANGE
RE:RED
WH:WHITE
YL:YELLOW
NOTE:
1.
2. COLOR:
3. THERMISTOR SENSOR RESISTANCE:
O.D COIL
&OUTDOOR
SENSOR RESISTANCE(ohm)
degF
10
30
32
50
70
90
ROOM I.D COIL
63260
34620
32860
19970
11950
7320
94900
51940
49330
29960
17930
10970
28030
15340
14570
8850
5300
3280

50
TYPICAL 6100 SERIES, 230/208-VOLT
SCHEMATIC DIAGRAM
FU101
TERMINAL
BOARD
THERMO
SLEEP
SLEEP
FAN SPEED
MODE
DECODER
AUTO
LOW
HIGH
HEAT
FAN
COOL
OPE
OPE
DOWN
OPERATION BOARD
UP
DIP SW
ROOM
CDC
REMOTE T'STAT
EXTERNAL FAN
CN2
INTERFACE
MAIN BOARD UNIT
(for setting)
OD.COIL
ID.COIL
Outdoor
BCN7.BCN9
CN5
TRIAC
CONTROL
CIRCUIT
RY201
CT MONITOR
CIRCUIT
ISOLATOR
CIRCUIT
CONTROL
RY108
RY101
RY102
RY110
BCN108
BCN101
CN4
BCN109
CN6
UNIT
BOARD
DRIVE
CN201
CN8
CN103
CN102
T1
FU102
15V
POWER SUPPLY
SWITCHING
RY108
RY201
POWER SUPPLY
12V
SWITCHING
CN105
*1
(NR101)
Varistor
TRANSFORMER
Capacitor
FU104
FU105
FU106
BCN106
CN110
FU103
AC CLOCK
*2
CN11
CN104
(C101, C101A,C102)
RY101
RY102
RY110
HEATER POWER
CHECK CIRCUIT
PUMP
Sol.
Valve
Reverse
Motor
Fan
Indoor
Motor
Fan
Outdoor ICR
PROTECTOR
FUSE
HEATER
HEATER
HEATER
*3
UNIVERSAL CONNECTOR
O.L.P
.
C
R
S
RUNNING
CAPACITOR
TRIAC CT101
*1: C101 is used for 230V models and both C101A and C102
are used for 265V models
*2:4A 250V is used for 230V models;3.15A 500V is used for 265Vmodels.
*3:61H models have this leadwire except for 7000btu models.
CN1
COMP
MOTOR
7. DC MO
51
The following are suggested specifications for the Zoneline®
4100 Series Packaged Terminal Air Conditioner and the 6100
Series Packaged Terminal Heat Pump.
The contractor will furnish Packaged Terminal Air Conditioners
of the sizes and capacities shown on the schedule and in the
specifications. The units shall be located as shown on the
drawings and each shall consist of a chassis, room cabinet,
wall case, sub-base if specified, and outdoor grille.
Units shall be listed by UL, and AHRI and cUL certified as to
capacity and efficiency and shall be GE Zoneline models
or equal. Unit dimensions shall not exceed 42-1/8" wide and
16-1/4" high with room cabinet in place.
Units shall be designed to operate on (208) (230) (265) volts,
60 Hz, single-phase power.
Chassis. The air conditioner chassis shall be the standard
product of the manufacturer and shall be shipped in protective
cartons to prevent damage. Cartons shall be appropriately
marked at the factory with wording sufficient to warn handlers
against improper stacking, up-ending, rolling or dropping.
The chassis shall be the slide-in type, ready to operate
after installation.
Each shall consist of the following sections and components:
• Each unit shall have a matching, easily removable,
textured finish, wrap-around room cabinet molded of high-
temperature styrene to resist corrosion and damage. The
room cabinet shall have slide-out washable filters accessible
without requiring removal of room cabinet from chassis;
• Hermetically sealed refrigerant system with external
vibration isolated rotary-type compressor, condenser and
evaporator coils and capillary refrigerant control. Airflow
system consisting of one permanently lubricated two-speed
fan motor for the outdoor fan and a separate permanently
lubricated two-speed fan motor for the indoor fan. Outdoor
fan shall be multi-blade axial-flow design made of non-
corrosive material. Indoor fan shall be of a design to optimize
airflow and operating sound. All motors on the exterior side
of the weather barrier shall be of an enclosed design to
reduce the effects of moisture and corrosion;
• Line-cord connected units shall require a line-cord power
connection kit with integral Leakage Current Detection
and Interruption device or Arc Fault Current Interrupter as
required by National Electrical Code® (NEC) and Underwriters
Laboratories. The unit shall have a universal resistance
heater with output determined by connection to the power
source with the appropriate power connection kit to provide
specified heat output;
• A fan-cycle option to permit continuous fan operation or
fan cycle operation, independently selectable for heating
and cooling operation;
• Fan-only operation in either high or low fan speed selectable
by room occupant;
• A positive cooling condensate disposal system which
meets the test requirements of applicable AHRI Standard
310 (for Packaged Terminal Air Conditioners) and 380 (for
Packaged Terminal Heat Pumps) (80°F dry bulb, 75°F wet
bulb, 80% relative humidity);
SUGGESTED BID FORM SPECIFICATIONS
• Condenser and evaporator coils to be constructed of copper
tubing and aluminum plate fins designed to achieve EER and
COP rating of the unit;
• Indoor and outdoor airflows that match the capacity of the
coils for efficient heat transfer. Water blow-off shall not occur
on the indoor coil;
• Adjustable indoor discharge air louvers that provide a 50° off
vertical air pattern with an alternate position to provide a 40°
off vertical air pattern;
• Easily accessible controls for selection of unit operation
and thermostat setting. Controls shall be covered by a
hinged door;
• Positive-closing, manually controlled, three-position fresh-air
vent capable of providing selection of fully open, partially open
or closed setting. Vent door is to be secured for shipping;
• Solid-state thermostat control to sense room temperature;
• Electronic temperature limiting with seven independent
heating and cooling settings to limit maximum and minimum
temperatures without restricting movement of thermostat
control knob;
• Freeze Sentinel to automatically activate the electric
resistance heater and fan motor to warm and circulate indoor
air to help prevent damage due to freezing temperatures.
Freeze Sentinel shall operate as long as unit is connected
to powered electrical circuit and unit shall provide ability for
owner to defeat the Freeze Sentinel operation;
• Heat Sentinel to automatically activate air conditioner
operation when the unit is in the STOP setting when the
room temperature warms to 85ºF and turns air conditioner
operation off when the room temperature cools to 80°F, if
selected by owner;
• Compatible with two-wire Central Desk Control systems;
• Remote Thermostat compatibility with Class 2 remote
thermostat;
• Connections to interface with a transfer fan to move air into
another room;
Unit shall have means of electrical connection listed by
Underwriters Laboratories and compatible with the unit’s
required voltage and ampacity in conformance with National
Electrical Code and local codes.
Additional specifications for GE Zoneline 6100 Series
Packaged Terminal Heat Pumps
Heat pump units shall provide operation that will either: A)
automatically phase in electric resistance heat, if outdoor
temperature is below 46°F, if heat pump alone is unable
to maintain room temperature; or B) use partial electric
resistance heat simultaneous with heat pump operation any
time the outdoor temperature is below 46;°F. Selection of A
or B operation is made by means of a selector concealed
from room occupant. In either A or B operation, the unit will
switch to full resistance heat if room temperature continues
to decline or the outdoor temperature falls below 25°F. If the
outdoor temperature is above 46°F, unit will lock out electric
resistance heat and operate on heat pump only.
52
SUGGESTED BID FORM SPECIFICATIONS (cont)
Heat pump unit shall include Reverse Cycle Defrost that
automatically begins a defrost cycle when microprocessor
determines criteria for defrosting has been met. Defrosting
shall be accomplished by systematically ceasing heat pump
operation, pausing to allow internal refrigerant pressures
to equalize, then operating the compressor with the flow of
refrigerant reversed to allow the hot gas to flow through the
outdoor coil, melting the accumulated frost. The unit shall
automatically resume heat pump operation, after pausing
to allow refrigerant pressures to equalize, at conclusion of
defrost cycle.
The unit shall be equipped with a temperature-activated
drain valve to allow water generated in heat pump operation
and defrost cycles to drain into the wall case.
The unit shall have a switch concealed from room occupant
to allow heat pump operation to be overridden and heat
provided by electric resistance heat regardless of
outdoor temperature.
In the event of compressor failure during heat pump
operation, unit shall automatically switch to electric
resistance heat to maintain selected room temperature
regardless of outdoor temperatures.
Specifications for optional Internal Condensate Removal
(ICR) system for 6100 Series heat pump units.
The unit shall have a factory-installed Internal Condensate
Removal (ICR) system to permit unit to automatically dispose
of heat-pump-generated condensate water with no overflow
to outdoors during heating under outdoor ambient of 55°F
dry bulb, 90% relative humidity; indoor ambient 70°F dry bulb,
52% relative humidity, for four hours of continuous run time.
Wall Cases and Grilles (needed for new installations.)
(Alternate specification for steel wall case)
Wall Case. The wall case shall be constructed of heavy-gauge,
insulated, zinc-coated phosphated steel with a protective
baked-on enamel finish. Bottom critical points of the steel
wall case shall be coated with petroleum microcrystalline
wax for added corrosion protection and shall meet ASTM
B-117, 1800-hour hot air aerated salt spray test.
(Alternate specification for molded wall case)
Wall Case. The wall case shall be constructed of a
non-corroding fiberglass-reinforced polyester compound.
Cases shall be installed through exterior walls where
shown on the plans and shall be installed per manufacturer’s
installation instructions. In no instance shall fasteners be
used through the bottom in order to retain the water integrity
of the bottom of the wall case.
Outside weather panels shipped with the cases shall remain
in place until the outdoor air louvers and chassis are installed,
at which time they are to be removed and discarded by
the installer.
Outside Grille. Each unit shall be equipped with a standard
exterior grille that has been designed to allow unit operation
in high ambient conditions. Grilles shall be of material and
design specified.
Special grilles or customer louver sections to be supplied
by others will conform to a minimum of 65% free area (as
calculated by ASHRAE) to allow for proper unit operation
and shall be submitted to the PTAC/PTHP manufacturer, if
requested, for feasibility and airflow characteristics.
Specifications for Sub-Base (if required)
Sub-Base. Each unit shall have a field-installed UL-listed
electrical sub-base. The sub-base shall be attached to the
lower inside flange of the wall case prior to installation in the
exterior wall. It shall include adjustable screws at the bottom
corners to permit exact leveling of the wall case. The sub-base
shall have a factory-installed receptacle to allow unit line cord
to plug into mating receptacle and shall have a chaseway to
contain and conceal the line cord. The sub-base shall have side
panels adjustable from a minimum of 2-3/8" to a maximum of
13-3/4" to enclose the area under the wall case.
Weather Resistance. Complete unit including outside louver
shall be submitted to an independent agency for weather-
resistance tests.
Air-infiltration test to be conducted in accordance with
ASTM E283-91. With static air pressure differential of
1.57 lb./ft.2 (.3" H2O) equivalent to 25 mph wind, allowable
air infiltration shall not exceed 7 ft.3/min.
Water-infiltration test to be conducted in accordance
with ASTM E331-86 with static air pressure differential
of 10.0 lb./ft2 (1.93" H20) equivalent to 63 mph wind,
5.0 gal./ft2 (8" rain/ft2/hr.) for 15 minutes and there
shall be no leakage into the room.
Approvals. Units shall be certified under the AHRI and cUL
certification program and listed by UL.
Service. Submit complete information with bid covering
service availability to whom service on units will be assigned,
along with complete address and phone number, including
phone number of emergency service personnel.
Start-Up, Adjust, Demonstrate. Contractor shall be responsible
for the initial starting of units, adjustments thereto, etc., to
place the units in required operating condition. Contractor
shall demonstrate to the owner or his representative the
operation of units for both summer and winter functions.
Warranty. The warranty shall be a full one-year parts and
labor on the entire unit, plus an additional full four years
parts and labor for the sealed refrigerating system, including
service call for diagnosis and transportation to and from
service shop (if necessary) at no charge to the customer.
The warranty shall also include a limited second-through-
fifth-year parts-only warranty for fan motors, switches,
thermostat, heater, heater protectors, compressor overload,
solenoids, circuit boards, auxiliary controls, thermistors,
frost controls, ICR pump, capacitors, varistors and indoor
blower bearing.
Installation Responsibility. Units shall be installed
according to the manufacturer’s recommendations and the
manufacturer shall not be responsible for unit failure as a
result of improper installation, or unit performance when
installed with accessories not approved by the manufacturer.

53
ZONELINE® CHASSIS NOMENCLATURE
EXAMPLE
RECEPTACLES/SUB-BASES
The Zoneline chassis is identified by a model number defining
the type of unit, cooling capacity, electrical information and
optional features included on the unit. When specifying or
ordering the Zoneline chassis, use of this nomenclature will
assure receiving the correct unit.
AZ61H12DAD
Chassis series
41= deluxe line cool/
electric heat
61= deluxe line
heat pump
Unit type
E= cooling with electric
resistance heat
H= heat pump with electric
resistance heat
Zoneline
packaged
terminal
chassis
Nominal cooling capacity
07=7,000 BTUH cooling
09=9,000 BTUH cooling
12=12,000 BTUH cooling
15=15,000 BTUH cooling Special Features
B=base unit
C=corrosion treated
D= internal
condensate
removal (ICR)
system (heat
pump models
only) (not for
coastal areas)
P=Dry Air 25
Voltage/Phase/
Frequency
D= 230/208 Volt, single
phase, 60 Hz
E= 265 Volt, single phase,
60 Hz
Universal
power connection
RAK204U RAK204D15P RAK204D20P RAK204D30P RAK204E15 RAK204E20 RAK204E30
Voltage N/A 230/208 230/208 230/208 265 265 265
Amps N/A 15 20 30 15 20 30
Receptacle N/A NEMA6-20R NEMA6-20R NEMA6-30R NEMA7-15R NEMA7-20R NEMA7-30R
230/208 Volt sub-bases include appropriate power cord kit.
265 Volt units are to be direct connected. Cordset through enclosed chaseway into interior sub-base receptacle meets the NEC requirements.
Sub-bases
Tandem
230/208V 15 Amp
NEMA6-15R
Perpendicular
230/208V 20 Amp
NEMA6-20R
Large tandem
230/208V 30 Amp
NEMA6-30R
265V 15 Amp
NEMA7-15R
265V 20 Amp
NEMA7-20R;
265V 30 Amp
NEMA7-30R;
Power connection kits are required on all Zoneline® chassis (see chart below).
The correct kit for the installation is determined by the voltage and amperage of the electrical circuit and the means of connecting the unit to the
building wiring. If the unit is to be plugged into a receptacle, a line-cord kit would be used; if the unit is to be permanently connected, a permanent-
connection kit would be used. 265 volt cord set units must be installed in compliance with National Electrical Code®.
Power connection kits
Required on all models.
See specification sheet
for heater KW and branch
circuit ampacity.
RAK3153A/3203A/3303A
230/208 volt line-cord
connection kit
RAK4157/4207/4307
230/208 volt universal
power supply kit
RAK5157/5207/5307
265 volt universal power
supply kit
230/208 volt Line-cord connected units
LCDI Power Connection Kit RAK3153A RAK3203A RAK3303A
Heater KW 2.4/2.32 3.3/3.2 4.7/4.53
Watts 2,450/2,360 3,350/3,230 4,750/4,580*
BTUH 8,150/7,900 11,200/10,900 16,000/15,450
Amps 11.0/11.6 15.1/16.0 21.2/22.4
Min. circuit amps 15 20 30
Recommended
protective
device
15 amp
time-delay
fuse or breaker
20 amp
time-delay
fuse or breaker
30 amp
time-delay
fuse or breaker
265 volt Permanent-connected units** (Cord set)
RAK5172 RAK5202 RAK5302
2.4 3.4 4.8
2,460 3,460 4,860*
8,150 11,550 16,350
9.6 13.3 18.6
15 20 30
15 amp
time-delay fuse
20 amp
time-delay fuse
30 amp
time-delay fuse
230/208 volt Direct-connection kit†
RAK4157 RAK4207 RAK4307
Heater KW 2.4/2.32 3.3/3.2 4.7/4.53
Watts 2,450/2,360 3,350/3,230 4,750/4,580*
BTUH 8,150/7,900 11,200/10,900 16,000/15,450
Amps 11.0/11.6 15.1/16.0 21.2/22.4
Min. circuit amps 15 20 30
Recommended
protective
device
15 amp
time-delay
fuse or breaker
20 amp
time-delay
fuse or breaker
30 amp
time-delay
fuse or breaker
265 volt Direct-connection kit†
RAK5157 RAK5207 RAK5307
2.4 3.4 4.8
2,460 3,460 4,860*
8,150 11,550 16,350
9.6 13.3 18.6
15 20 30
15 amp
time-delay fuse
20 amp
time-delay fuse
30 amp
time-delay fuse
*Wattage not available with 7,000 BTU systems.
**To be used with sub-base
†To be used with sub-base or connection to building wiring
Specifications subject to change.

54
PRELIMINARY SPECIFICATIONS
Specifications subject to change.
4100 series cooling with electric heat
230/208V Models AZ41E07DAB AZ41E09DAB AZ41E12DAB AZ41E15DAB
Capacity
Cooling BTUH 7,200/6,900 9,700/9,600 11,800/11,500 14,300/14,000
EER (BTU/Watt) 12.3/12.3 12.0/12.0 11.1/11.1 10.3/10.3
Dehumidification Pts/Hr 1.7 2.7 3.5 4.6
Features
Refrigerant type R-410A R-410A R-410A R-410A
CFM, indoor fan high 290 340 420 409
CFM, indoor fan low 219 229 323 324
Vent CFM (full open/partial open) 50/40 70/45 75/45 75/45
Power/Ratings
Power factor 89% 93% 93% 90%/92%
Sensible heat ratio @ 230 volts 80% 75% 70% 70%
Watts 580/560 805/795 1,060/1,035 1,370/1,350
Cooling Amperes, F.L. 2.8/3.0 3.6/3.9 4.7/5.1 6.7/7.2
Amperes, L.R. 19.0 21.0 29.5 31.0
Weight (Net/Ship) 89.2/102.5 100.0/113.0 99.4/112.4 100.3/113.3
265V Models AZ41E07EAB AZ41E09EAB AZ41E12EAB AZ41E15EAB
Capacity
Cooling BTUH 7,200 9,700 11,800 14,300
EER (BTU/Watt) 12.3 12.0 11.1 10.3
Dehumidification Pts/Hr 1.7 2.7 3.5 4.6
Features
Refrigerant type
CFM, indoor fan high 290 340 420 406
CFM, indoor fan low 215 229 323 324
Vent CFM (full open/partial open) 50/40 70/45 75/45 75/45
Power/Ratings
Power factor 90% 91% 92% 92%
Sensible heat ratio @ 265 volts 80% 75% 70% 70%
Watts 580 805 1,025 1,385
Cooling Amperes, F.L. 2.4 3.2 4.1 5.7
Amperes, L.R. 12.0 16.5 23.5 26.0
Weight (Net/Ship) 91.3/104.3 101.2/114.2 99.9/112.9 101.0/114.0
230/208V Models AZ41E07DAC AZ41E09DAC AZ41E12DAC AZ41E15DAC
Capacity
Cooling BTUH 7,200/6,900 9,700/9,600 11,800/11,500 14,300/14,000
EER (BTU/Watt) 12.3/12.3 12.0/12.0 11.1/11.1 10.3/10.3
Dehumidification Pts/Hr 1.7 2.7 3.5 4.6
Features
Refrigerant type R-410A R-410A R-410A R-410A
CFM, indoor fan high 290 340 420 409
CFM, indoor fan low 218 229 323 324
Vent CFM (full open/partial open) 50/40 70/45 75/45 75/45
Power/Ratings
Power factor 89% 93% 93% 90%/92%
Sensible heat ratio @ 230 volts 80% 75% 70% 70%
Watts 580/560 805/795 1,060/1,035 1,370/1,350
Cooling Amperes, F.L. 2.8/3.0 3.6/3.9 4.7/5.1 6.7/7.2
Amperes, L.R. 19.0 21.0 29.5 31.0
Weight (Net/Ship) 91.3/104.3 100.3/113.3 99.4/112.4 100.3/113.3
265V Models AZ41E07EAC AZ41E09EAC AZ41E12EAC AZ41E15EAC
Capacity
Cooling BTUH 7,200 9,700 11,800 14,300
EER (BTU/Watt) 12.3 12.0 11.1 10.3
Dehumidification Pts/Hr 1.7 2.7 3.5 4.6
Features
Refrigerant type
CFM, indoor fan high 290 340 420 406
CFM, indoor fan low 215 229 323 324
Vent CFM (full open/partial open) 50/40 70/45 75/45 75/45
Power/Ratings
Power factor 90% 91% 92% 92%
Sensible heat ratio @ 265 volts 80% 75% 70% 70%
Watts 580 805 1,025 1,385
Cooling Amperes, F.L. 2.4 3.2 4.1 5.7
Amperes, L.R. 12.0 16.5 23.5 26.0
Weight (Net/Ship) 91.7/104.7 101.4/114.4 100.3/113.3 101.0/114.0
4100 series cooling with electric heat (corrosion treated models)
Dry Air 25
230/208V Models AZ41E07DAP AZ41E09DAP AZ41E12DAP
Capacity
Cooling BTUH 6,500/6,300 9,200/8,800 11,200/11,000
EER (BTU/Watt) 11.7/11.7 11.5/11.5 10.8/10.8
Dehumidification Pts/Hr 2.3 3.4 4.4
Features
Refrigerant type R-410A R-410A R-410A
CFM, indoor fan high 220 280 330
CFM, indoor fan low 190 208 270
Vent CFM (full open/partial open) 50/40 70/45 75/45
Power/Ratings
Power factor 86%/87% 92% 92%
Sensible heat ratio @ 230 volts 60% 60% 60%
Watts 555/535 790/765 1,035/1,015
Cooling Amperes, F.L. 2.8/3.0 3.6/3.9 4.7/5.1
Amperes, L.R. 19.0 21.0 29.5
Weight (Net/Ship) 97.0/110.0 105.2/118.2 105.4/118.4
265V Models AZ41E07EAP AZ41E09EAP AZ41E12EAP
Capacity
Cooling BTUH 6,500 9,200 11,200
EER (BTU/Watt) 11.7 11.5 10.8
Dehumidification Pts/Hr 2.3 3.4 4.4
Features
Refrigerant type
CFM, indoor fan high 220 280 330
CFM, indoor fan low 190 208 270
Vent CFM (full open/partial open) 50/40 70/45 75/45
Power/Ratings
Power factor 87% 91% 92%
Sensible heat ratio @ 265 volts 60% 75% 60%
Watts 555 795 1,020
Cooling Amperes, F.L. 2.4 3.2 4.1
Amperes, L.R. 12.0 16.5 23.5
Weight (Net/Ship) 97.4/110.5 104.9/117.9 108.0/121.0

55
6100 series heat pump with backup electric heat
230/208V Models AZ61H07DAD AZ61H09DAD AZ61H12DAD AZ61H15DAD
Capacity
Cooling BTUH 7,000/6,900 9,200/9,100 11,700/11,600 14,300/14,100
EER (BTU/Watt) 12.7/12.7 11.9/11.9 11.4/11.4 10.4/10.4
Dehumidification Pts/Hr 1.7 2.7 3.5 4.5
Features
Refrigerant type R-410A R-410A R-410A R-410A
CFM, indoor fan high 340 360 370 370
CFM, indoor fan low 194 212 284 290
Vent CFM (full open/partial open) 50/40 70/45 75/45 75/45
Power/Ratings
Power factor 91% 92% 92% 91%/92%
Sensible heat ratio @ 230 volts 85% 75% 70% 65%
Cooling Watts 550/530 760/750 980/960 1,345/1,330
Cooling Amperes, F.L. 2.6/2.8 3.5/3.8 4.6/5.0 6.3/6.8
Amperes, L.R. 19.0 21.0 29.5 31.0
Reverse cycle heat BTUH 6,200/6,100 8,100/8,000 10,600/10,400 13,500/13,400
COP 3.9/3.9 3.6/3.6 3.6/3.6 3.2/3.2
Heating Watts 465/440 655/640 855/835 1,200/1,200
Heating Amperes 2.2/2.4 3.1/3.3 4.1/4.5 5.8/6.3
Weight (Net/Ship) 96.8/109.8 104.1/117.1 105.8/118.8 106.0/119.0
265V Models AZ61H07EAD AZ61H09EAD AZ61H12EAD AZ61H15EAD
Capacity
Cooling BTUH 6,900 9,200 11,700 14,300
EER (BTU/Watt) 12.7 11.9 11.4 10.4
Dehumidification Pts/Hr 1.7 2.7 3.5 4.5
Features
Refrigerant type R-410A R-410A R-410A R-410A
CFM, indoor fan high 340 360 370 370
CFM, indoor fan low 194 211 284 290
Vent CFM (full open/partial open) 50/40 70/45 75/45 75/45
Power/Ratings
Power factor 92% 90% 92% 93%
Sensible heat ratio @ 265 volts 85% 75% 70% 65%
Cooling Watts 540 760 1,015 1,355
Cooling Amperes, F.L. 2.2 3.1 4.0 5.4
Amperes, L.R. 12.0 16.5 23.5 26.0
Reverse cycle heat BTUH 6,200 8,200 10,900 13,500
COP 3.9 3.6 3.6 3.2
Heating Watts 455 665 880 1,210
Heating Amperes 2.0 2.7 3.6 5.0
Weight (Net/Ship) 97.0/110.0 106.3/119.3 106.5/119.5 106.3/119.3
Specifications subject to change.
6100 series heat pump with backup electric heat
230/208V Models AZ61H07DAB AZ61H09DAB AZ61H12DAB AZ61H15DAB
Capacity
Cooling BTUH 7,100/6,900 9,400/9,100 11,700/11,600 14,500/14,200
EER (BTU/Watt) 13.0/13.0 12.2/12.2 11.6/11.6 10.6/10.6
Dehumidification Pts/Hr 1.7 2.7 3.5 4.5
Features
Refrigerant type R-410A R-410A R-410A R-410A
CFM, indoor fan high 340 360 370 370
CFM, indoor fan low 194 212 284 290
Vent CFM (full open/partial open) 50/40 70/45 75/45 75/45
Power/Ratings
Power factor 91% 92% 92% 91%/92%
Sensible heat ratio @ 230 volts 85% 75% 70% 65%
Cooling Watts 545/525 755/740 985/965 1,360/1,335
Cooling Amperes, F.L. 2.6/2.8 3.5/3.8 4.6/5.0 6.3/6.8
Amperes, L.R. 19.0 21.0 29.5 31.0
Reverse cycle heat BTUH 6,200/6,100 8,300/8,100 10,600/10,400 13,500/13,400
COP 3.9/3.9 3.7/3.7 3.6/3.6 3.3/3.3
Heating Watts 465/445 650/635 855/835 1,165/1,120
Heating Amperes 2.2/2.4 3.1/3.3 4.1/4.5 5.8/6.3
Weight (Net/Ship) 94.1/107.1 101.4/114.4 102.1/115.1 100.8/113.8
265V Models AZ61H07EAB AZ61H09EAB AZ61H12EAB AZ61H15EAB
Capacity
Cooling BTUH 7,000 9,400 11,700 14,400
EER (BTU/Watt) 12.8 12.2 11.6 10.6
Dehumidification Pts/Hr 1.7 2.7 3.5 4.5
Features
Refrigerant type R-410A R-410A R-410A R-410A
CFM, indoor fan high 340 360 370 370
CFM, indoor fan low 194 211 284 290
Vent CFM (full open/partial open) 50/40 70/45 75/45 75/45
Power/Ratings
Power factor 94% 90% 92% 93%
Sensible heat ratio @ 265 volts 85% 75% 70% 65%
Cooling Watts 545 765 1,000 1,355
Cooling Amperes, F.L. 2.2 3.1 4.0 5.4
Amperes, L.R. 12.0 16.5 23.5 26.0
Reverse cycle heat BTUH 6,200 8,100 10,700 13,500
COP 3.9 3.6 3.6 3.3
Heating Watts 450 655 870 1,165
Heating Amperes 2.0 2.7 3.6 5.0
Weight (Net/Ship) 94.6/107.6 103.6/116.6 103.6/116.6 104.3/117.3
230/208V Models AZ61H07DAC AZ61H09DAC AZ61H12DAC AZ61H15DAC
Capacity
Cooling BTUH 7,100/6,900 9,400/9,100 11,700/11,600 14,500/14,200
EER (BTU/Watt) 13.0/13.0 12.2/12.2 11.6/11.6 10.6/10.6
Dehumidification Pts/Hr 1.7 2.7 3.5 4.5
Features
Refrigerant type R-410A R-410A R-410A R-410A
CFM, indoor fan high 340 360 370 370
CFM, indoor fan low 194 212 284 290
Vent CFM (full open/partial open) 50/40 70/45 75/45 75/45
Power/Ratings
Power factor 91% 92% 92% 91%/92%
Sensible heat ratio @ 230 volts 85% 75% 70% 65%
Cooling Watts 545/525 755/740 985/965 1,350/1,330
Cooling Amperes, F.L. 2.6/2.8 3.5/3.8 4.6/5.0 6.3/6.8
Amperes, L.R. 19.0 21.0 29.5 31.0
Reverse cycle heat BTUH 6,200/6,100 8,300/8,100 10,600/10,400 13,500/13,400
COP 3.9/3.9 3.7/3.7 3.6/3.6 3.3/3.3
Heating Watts 465/445 650/635 855/835 1,190/1,155
Heating Amperes 2.2/2.4 3.1/3.3 4.1/4.5 5.8/6.3
Weight (Net/Ship) 94.1/107.1 102.3/115.3 105.4/118.4 104.5/117.5
265V Models AZ61H07EAC AZ61H09EAC AZ61H12EAC AZ61H15EAC
Capacity
Cooling BTUH 7,000 9,400 11,700 14,400
EER (BTU/Watt) 12.8 12.2 11.6 10.6
Dehumidification Pts/Hr 1.7 2.7 3.5 4.5
Features
Refrigerant type R-410A R-410A R-410A R-410A
CFM, indoor fan high 340 360 370 370
CFM, indoor fan low 194 211 284 290
Vent CFM (full open/partial open) 50/40 70/45 75/45 75/45
Power/Ratings
Power factor 94% 90% 92% 93%
Sensible heat ratio @ 265 volts 85% 75% 70% 65%
Cooling Watts 545 765 1,000 1,355
Cooling Amperes, F.L. 2.2 3.1 4.0 5.4
Amperes, L.R. 12.0 16.5 23.5 26.0
Reverse cycle heat BTUH 6,200 8,100 10,700 13,500
COP 3.9 3.6 3.6 3.3
Heating Watts 450 655 870 1,165
Heating Amperes 2.0 2.7 3.6 5.0
Weight (Net/Ship) 94.6/107.6 104.1/117.1 103.6/116.6 104.7/117.7
6100 series heat pump with backup electric heat (corrosion treated models)

56
COMPLETE ACCESSORY LIST
Kit Number Description For Additional Information Refer to Page
RAA63 Spare Filters for AZ2900, AZ3900, AZ4100, AZ5800 and AZ6100 Series units 12
RAB71A Steel Wall Case – 13-3/4" deep 23
RAB7116 Steel Wall Case – 16" deep 23
RAB7124 Steel Wall Case – 24" deep 23
RAB7128 Steel Wall Case – 28" deep 23
RAB7131 Steel Wall Case – 31" deep 23
RAB77A4 Molded Wall Case 23
RAD10 Interior/Exterior Drain kit 36
RAF453A Room Front for A228, 29, 38, 39, 58, 41 & 61 series (included with chassis) 12
RAG60 Stamped Aluminum Exterior Grille 41
RAG61 Architectural Exterior Grille, Beige Molded High-Impact Plastic 41
RAG62 Architectural Exterior Grille, Maple Molded High-Impact Plastic 41
RAG63 Architectural Exterior Grille, Bittersweet Chocolate Molded High-Impact Plastic 41
RAG67 Aluminum Architectural Grille (Custom Colors Available by Special Order) 41
RAK40 Condenser Air Deflector Kit 41
RAK148D2 Wall Thermostat For Heat Pump Models - Electronic Digital 17
RAK148P2 Wall Thermostat For Heat Pump Models – Electronic Digital Programmable 17
RAK164D2 Wall Thermostat For Resistance Heat Models – Electronic Digital 16
RAK164P2 Wall Thermostat For Resistance Heat Models – Electronic Digital Programmable 16
RAK201 Sub-Base Cover Plate with Knockouts 44
RAK204D15P Sub-Base - 208/230-Volt with NEMA 6-20R 15/20 Amp Receptacle – Power Cord and Chaseway included 23
RAK204D20P Sub-Base - 208/230-Volt with NEMA 6-20R 15/20 Amp Receptacle – Power Cord and Chaseway included 23
RAK204D30P Sub-Base - 208/230-Volt with NEMA 6-30R 30 Amp Receptacle –Power Cord and Chaseway included 24
RAK204E15 Sub-Base – 265-Volt with NEMA 7-15R 15 Amp Receptacle – Chaseway included 24
RAK204E20 Sub-Base – 265-Volt with NEMA 7-20R 20 Amp Receptacle – Chaseway included 24
RAK204E30 Sub-Base – 265-Volt with NEMA 7-30R 30 Amp Receptacle – Chaseway included 24
RAK204U Sub-Base – non-electrical Chaseway not included 23
RAK205CW Chaseway for Sub-Base 23
RAK3153A Universal Power Cord – 4100/6100 series – 15-Amp 230/208 V – 2.40/2.32 kW heat 43
RAK3203A Universal Power Cord – 4100/6100 – 20-Amp 230/208 V – 3.3/3.2 kW heat 43
RAK3303A Universal Power Cord – 4100/6100 – 30-Amp 230/208 V – 4.7/4.53 kW heat 43
RAK4002A Direct-Connect Junction Box – 230/208-volt units 4100/6100 Series 43
RAK4002B Direct-Connect Junction Box – 230/208-volt units 5800 Series 43
RAK4002CW Wiring Harness w/Inline Connector - Adapt Line Cord to Direct Connection 44
RAK4157 208/230V Universal Power Supply, 15 Amp for 2800, 2900, 3800, 3900, 4100, 5500, 5800, 6100, 7500 and 8500 only 43
RAK4207 208/230V Universal Power Supply, 20 Amp for 2800, 2900, 3800, 3900, 4100, 5500, 5800, 6100, 7500 and 8500 only 43
RAK4307 208/230V Universal Power Supply, 30 Amp for 2800, 2900, 3800, 3900, 4100, 5500, 5800, 6100, 7500 and 8500 only 43
RAK5157 265V Universal Power Supply, 15 Amp for 2800, 2900, 3800, 3900, 4100, 5500, 5800, 6100, 7500 and 8500 only 53
RAK5207 265V Universal Power Supply, 20 Amp for 2800, 2900, 3800, 3900, 4100, 5500, 5800, 6100, 7500 and 8500 only 53
RAK5307 265V Universal Power Supply, 30 Amp for 2800, 2900, 3800, 3900, 4100, 5500, 5800, 6100, 7500 and 8500 only 53
RAK5172 Universal Connection Kit – 265V – 15 Amp – Use w/RAK204E15 Sub-Base – 2.40 kW heat 53
RAK5202 Universal Connection Kit – 265V – 20 Amp – Use w/RAK204E20 Sub-Base – 3.40 kW heat 53
RAK5302 Universal Connection Kit – 265V – 30 Amp – Use w/RAK204E30 Sub-Base – 4.80 kW heat 53
RAK601 Duct Extension – Insulated – 44" long – includes Register and Trim Flange 38
RAK602 Register and Trim Flange (Included with RAK601) 38
RAK6052 Duct Adapter for New Installation (or older non-GE duct adapter installation) 38
RAK7012 Duct Adapter for replacement of A-B with rounded-front AZ chassis for 2200, 3200,
2500, 3500, 2800, 2900, 3800, 3900, 4100 and 6100 only 38
RAK7022 Duct Transition for replacement of AZC with rounded-front AZ chassis for 2200, 3200,
2500, 3500, 2800, 2900, 3800, 3900, 4100 and 6100 only 38
RAK8023 Locking Door Kit 12
RAK806 Control Panel Cover (for use with remote thermostat) 16
RAK901L Wall Case Insulation Kit 23
57
GENERAL INSTALLATION SUGGESTIONS
Many times poor or non-existent caulking around the exterior
of the wall case results in air infiltration, causing the unit
to run excessively. One way to check for air infiltration is to
look under and around the unit to the outdoors. If you can
see light, there is air infiltration. The first floor of a building is
where this problem most frequently occurs since caulking the
bottom of the wall case may require lying outside in the dirt
while working. This has been the cause of many complaints
about the “short cycling” of the unit.
Curtains, furniture or other obstructions interfering with the
discharge air circulation will make the unit cycle/turn off too
soon since the cooled (or heated) discharge air is pulled back
into the unit. This results in a room that is not adequately
heated or cooled.
Blocking the discharge air on the unit during the heating
operation can result in the air getting hot enough to distort
the plastic room front. If you have a property where this may
occur we recommend a “tent card” advising room occupants
not to put anything on the unit.
Electrical Wiring Installation
Do not allow the installer to drill a hole in the wall case to
run the electrical wiring. If this is done, the wiring will have
to be run between the chassis and the edge of the wall case
so it can be connected to the unit wiring on the room side
of the wall case. When the chassis is removed for servicing
or cleaning, the insulation on the wires can be cut and can
create a safety hazard.
If the electrical connection on a 230-volt or 208-volt
installation is to be made by the line cord plugged into a
wall-mounted receptacle, the receptacle should be located in
the wall under the case or close to the side of the wall case.
This installation makes a much neater appearance than a line
cord running a foot or more across the floor. The electrician
may want to place the receptacle as far from the unit as
possible to save a few feet of wiring without considering
how the installation may appear.
Central Desk Control and Remote
Thermostat Wiring
Do not allow the installer to drill a hole in the wall case to
run Central Desk Control wiring or remote thermostat wiring
to the unit terminals. CDC and remote thermostat wiring is
classified as low-voltage wiring and does not have to be run
in conduit unless required by local code. CDC and remote
thermostat wiring should be run in the walls and exit the wall
under the wall case about 2" from the right-hand side. The
base pan is designed with a clearance for the line cord and
the low-voltage wiring can also be run to the chassis in this
area. Wire molding can be used to hold the wiring close to the
bottom of the wall case. If a sub-base is used, the wiring can
be run through the sub-base, entering the rear and exiting
through one of the front panels. When the room cabinet is
in place the CDC or remote thermostat wiring is usually not
visible to someone standing or sitting in the room. Do not run
the low-voltage wiring in conduits with line-voltage wiring or
near uninsulated line-voltage wiring since induced current
can interrupt the low-voltage controls.
Consult the electrical inspector early in the project, especially if
the power to the air conditioner is to be 265 volts, to understand
what is required to comply with local electrical codes.
Wall Case/Exterior Grille
When making an installation where the exterior grille is flush
with the exterior wall, or part of a custom window/louver
section, make sure the installer caulks the wall case to the
exterior wall, especially the bottom of the case. Many times
the air conditioners are run during construction and the
building is not closed. This can result in excessive humidity
from the warm humid air entering the building, or from the
“drying out” of the building materials. Many problems have
been caused by condensate water or rainwater running back
into the building where proper caulking has not been done.
Capacity Considerations
A unit that has a greater cooling capacity than required will
cool the room quickly but will usually not run long enough
under normal operation to adequately dehumidify the room.
Most musty odors in rooms are due to excess humidity.
Using a smaller-capacity unit or using Dry Air 25 units will
provide better dehumidification. The largest factor in causing
mold and mildew in the room is excess moisture. A smaller
unit running longer or a Dry Air 25 model can remove more
moisture. Mold behind wall coverings that do not allow water
vapor to pass through—vinyl wallpaper or oil-base paints, for
example—is not a problem of excessive moisture in the room,
but rather is caused by moisture trapped in the walls.
Using a resistance heater larger than required—using a
4.7 kW heater when a 3.3 kW heater would suffice for
example—may not cost any more in electrical consumption
since the larger heater will operate for less time. The
“Demand Charge” portion of the utility bill—which is based
on the highest electrical load for a period of time—may
be a significant portion of the utility bill. Some customers
have reported the demand charge actually being more
than the usage charge. In a 100-room property it would be
possible for the demand of the 4.7 kW heater versus a 3.3
kW heater to be 140 kW more than the demand charge if the
lower wattage heaters were used. Working with the utility
companies to understand their method of billing and taking
advantage of any rebates they may offer can reduce the
utility bill.
Exterior Grilles
When replacing an older unit, the existing outdoor grille may
need to be changed or modified. Outdoor airflow patterns
have changed and this may dictate the need for outdoor
grille replacement or modification.
58
GENERAL INSTALLATION SUGGESTIONS (cont)
Ducted Installation Comments
New Installations
The GE Zoneline® 4100 and 6100 Series are approved for
ducted installation using the GE Duct Adapter model RAK6052
and the GE Duct Extension RAK601. A field-fabricated duct
extension with the same interior measurements as the RAK601
may be used with the RAK6052 duct adapter. GE does not allow
ducting in more than one direction.
The use of a duct adapter other than the RAK6052 is not
approved by GE and may cause problems such as inadequate
airflow to the secondary room or the unit shutting off on one
of the overload devices.
Failure to allow for adequate air return from the secondary
room is often the cause of less than satisfactory performance
of a ducted installation.
Replacement Installations
GE offers duct adapters to allow for easy replacements of
previous-design chassis in ducted installations where a GE
duct adapter was used in the original installation. A duct
adapter is available that will align with the duct extension
when GE-built components were used in the original installation.
The duct adaptor/extension used from the early 1960s until
late 1987 was 8-3/8" high by 6-1/2" wide. If the chassis to be
replaced is the flat-top discharge (design until late 1987) the
duct adapter model RAK7012 will align with the existing duct
extension. This means the duct extension will not have to be
changed. However, to keep the cost of the replacement to a
minimum there are components that will need to be taken
off the existing installation and used on the RAK7012 duct
adapter. The wall case mounting brackets, screws, discharge
grille, damper and end cap will need to be retained.
If the chassis is a slope-front discharge and the duct
dimensions are 8-3/8" high by 6-1/2" wide, then the
chassis has already been replaced and the purchase
of a new duct adapter is not required. The only piece that
needs to be replaced in this installation is the transition
piece, model RAK7022, which fits between the chassis and
the duct adapter.
If the chassis being replaced has a model number that
begins with AZ22, AZ25, AZ28, AZ29, AZ32, AZ35, AZ38 or
AZ39, the new 4100 or 6100 Series unit can be installed using
the same duct components.
If the existing chassis is a slope-front discharge and the duct
dimensions are 7-3/32" high by 6-1/2" wide, only the RAK7022
transition piece is required to install a 4100 or 6100 Series
unit in the ducted installation.
There were a number of Zoneline units installed in ducted
installations that did not use a GE duct adapter. The easiest
way to determine if the existing duct adapter is a GE duct
adapter is to compare the duct adapter dimensions to the
dimensions above. If the dimensions are different from the
dimensions above or if the duct adapter is not made of sheet
metal, it is not a GE duct adapter. In such installations, GE
recommends the removal of the old duct adapter and duct
extension and the installation of a RAK6052 duct adapter
and a RAK601 duct extension. Zoneline units installed in
installations not using GE duct adapters and an extension
with the same cross-section dimensions as the duct adapter
may not be covered by the warranty.
What is covered
Limited one-year warranty
For one year from the date of the original purchase, GE will repair or
replace any part of the air conditioner which fails due to a defect in
materials or workmanship. During this limited one-year warranty, GE
will provide, free of charge, all labor and related service costs to repair
or replace the defective part.
Limited five-year warranty
For five years from the date of the original purchase, GE will repair
or replace the Sealed Refrigerating System if any part of the Sealed
Refrigerating System (the compressor, condenser, evaporator, and
all connecting tubing) should fail due to a defect in materials or
workmanship. During this limited five-year warranty, GE will provide,
free of charge, all labor and related service costs to repair or replace
the defective part.
Limited second-through-fifth-year parts warranty
From the second through the fifth year from the date of the original
purchase, GE will replace the Fan Motors, Switches, Thermostat, Heater,
Heater Protectors, Compressor Overload, Solenoids, Circuit Boards,
Auxiliary Controls, Thermistors, Freeze Sentinel, Frost Controls, ICR Pump,
Capacitors, Varistors and Indoor Blower Bearing, if any of these parts
should fail due to a defect in materials or workmanship. During this
additional four-year limited warranty, you will be responsible for any
labor and related service costs.
*See written warranty for details
ZONELINE WARRANTY*

ALPHABETICAL INDEX
Category Page No.
Accessory List 56
Application Comments 21
Auxiliary Control Settings 13–14
Case Dimensions 22
Central Desk Control 15
Condensate Disposal Systems 35–37
Ducted Installations 38–40
Dry Air 25 5
Electrical Connection 43
Essential Elements Ordering Overview 44
Exterior Grilles 41–42
Features and Benefits 10–12
Features Table 9
General Installation Suggestions 57–58
Heat Pumps and Energy Savings 19–20
Introduction to Zoneline Units 7
Latent System Capacity 45
Maximum Connected Load 45
Mini Specs 4100 2
Mini Specs 6100 3
Mini Specs Power Connection Kits and Nomenclature 4
Normal Yearly Operating Data 46
Remote Thermostat Control 16–18
Schematics 47–50
Suggested Bid Form Specifications 51–52
Table of Contents 6
Wall Case/Sub-Base Installation 23–34
Warranty 58
Zoneline System 8
59
EXTERIOR GRILLE COLOR SAMPLES
Bittersweet
Maple
Beige
Colors may vary slightly due to printing process.

© 2014 General Electric Company
Pub. No. 20-S114 PC80306 rev 12/2014
GE
Appliance
s
A
pp
liance Par
k
Louisville, KY 40225
g
ea
pp
liances.co
m
At GE, we’re reimagining home to introduce a new world of innovation in appliances.
Today, we’re even more in sync with the consumer. Listening. Anticipating. Engineering
ingenious ways to simplify life with more industry-fi rst exclusives. We’re redefi ning
style and functional design across all our products. Expanding our U.S. workforce and
transforming manufacturing. Improving quality and effi ciency. Helping our partners
spread the word of GE solutions—from the sales fl oor to the national stage—and
igniting sales. GE Appliances. We’re not just imagining. We’re doing.
GE APPLIANCES