GE GXMH31H00 49 50295 1_HiRes User Manual WATER SOFTENER Manuals And Guides 1708188L
User Manual: GE GXMH31H00 GXMH31H00 GE WATER SOFTENER - Manuals and Guides View the owners manual for your GE WATER SOFTENER #GXMH31H00. Home:Plumbing Parts:GE Parts:GE WATER SOFTENER Manual
Open the PDF directly: View PDF
.
Page Count: 80

WATER SOFTENING
AND WHOLE HOME FILTRATION SYSTEM
Safety Information ............. 2
Specifications
and Performance Claims ......3, 4
About the Softener ...........5-7
Before you Start ............... 8
Installation Requirements ..... 9-11
Installation Instructions ......12-16
Programming the Softener . . . 17-22
Care and Cleaning .........23, 24
Routine Maintenance .......... 25
Before you call for Service . . 26-29
Exploded View/Parts List . . . 32-35
Warranty (U.S.) ............... 36
Warranty (Canada) ........... 37
7343475 49-50295-1 04-17 GEA
Write the model and
serial numbers here:
Model # _____________
Serial # _____________
To find these numbers,
lift the cover and look
on the rim below the
control panel.
Model GXMH31H
Systems tested and certified by NSF International
against NSF/ANSI Standard 44 for the chemical
reduction claims specified on page 3, and certified
to NSF/ANSI 372.
CUSA
R
Systems Tested and Certified by the Water Quality
Association against CSA B483.1.
If you have any questions or concerns when installing or maintaining
your water softener, call our toll free number at 800-952-5039 (US)
or 866-777-7627 (Canada), or visit www.geappliances.com. When you
call, please be prepared to provide the model and serial number of your
product. This information can be found on the rating decal located on
the rim under the salt cover.
GE is a trademark of the General Electric Company. Manufactured under trademark license.
OWNER’S MANUAL
AND INSTALLATION
INSTRUCTIONS
ALL IN ONE

IMPORTANT SAFETY INFORMATION.
READ ALL INSTRUCTIONS BEFORE USING
SAFETY PRECAUTIONS
2
WARNING
A copper or galvanized cold water pipe may be
used to ground electrical outlets in the home.
Failure to maintain this ground path may result in
an electric shock hazard. If the cold water pipe
is used to ground electric outlets, please refer to
Installing the Ground Wire section before cutting
the pipe.
Check and comply with your state and local
codes. You must follow these guidelines.
Use care when handling the water softening
system. Do not turn upside down, drop, drag
or set on sharp protrusions.
Water softening systems using sodium
chloride (salt) for recharge add sodium to the
water.
Persons on sodium restricted diets should
consider the added sodium as part of their
overall intake. Potassium chloride can be
used as an alternative to sodium chloride in
your softener.
Use only lead-free solder and flux for all
sweat-solder connections, as required by
state and federal codes.
This water softening system must be properly
installed and located in accordance with the
installation instructions before it is used.
Keep the salt hole cover in place on the
softener unless servicing the unit or refilling
with salt.
WARNING
Do not use
with water that is microbiologically unsafe or of
unknown quality without adequate disinfection
before or after the system.
WARNING
Discard all
unused parts and packaging material after
installation. Small parts remaining after the
installation could be a choke hazard.
The water softening system works on 24 volt-
60 Hz
electrical power only. Be sure to use
the included external power supply.
External power supply must be plugged into
an indoor 120 volt, grounded outlet only.
Use clean water softening salts only, at least
99.5% pure. NUGGET, PELLET or coarse
SOLAR salts are recommended. Do not use
rock, block, granulated or ice cream making
salts. These types of salts may contain dirt
and sediments that might mush or cake,
creating maintenance issues for the water
softener.
Avoid installing in direct sunlight. Excessive
heat may cause distortion or other damage to
non-metallic parts.
If installing the water softener outdoors, do
not locate where it will be exposed to wet
weather, direct sunlight, extreme hot or cold
temperatures, or other forms of abuse.
WARNING! For your safety, the information in this manual must be followed to
minimize the risk of electric shock, property damage or personal injury.
In the state of California: You must turn
the Salt Efficiency Feature setting to ON.
This may initiate more frequent recharges.
However it will operate at 4,000 grains per
pound of salt or higher. To turn on the Salt
Efficiency Feature, follow the instructions in
the “Salt Saver” section of this manual
In the Commonwealth of Massachusetts,
Plumbing Code 248 CMR shall be adhered
to. Consult with your licensed plumber.
READ AND SAVE THESE INSTRUCTIONS

3
Specifications and Performance Claims
This model is efficiency rated. The efficiency rating is valid only at the minimum stated salt dose.
The softener has a demand initiated regeneration (D.I.R) feature that complies with specific
performance specifications intended to minimize the amount of regenerant brine and water used in
its operation.
The softener has a rated salt efficiency of not less than 4,000 grains of total hardness exchange
per pound of salt (based on sodium chloride), and shall not deliver more salt than its listed rating or
be operated at a sustained maximum service flow rate greater than its listed rating. This softener
has been proven to deliver soft water for at least ten continuous minutes at the rated service flow
rate. The rated salt efficiency is measured by laboratory test described in NSF/ANSI Standard 44.
These tests represent the maximum possible efficiency that the system can achieve. Operational
efficiency is the actual efficiency after the system has been installed. It is typically less than the
efficiency, due to individual application factors including water hardness, water usage, and other
contaminants that reduce the softener’s capacity.
This system has been tested according to NSF/ANSI Standard 42 for the reduction of chlorine
taste and odor. The concentration of the indicated substance in water entering the system was
reduced to a concentration less than or equal to the permissible limit for water leaving the system,
as specified in NSF/ANSI Standard 42. While testing was performed under standard laboratory
conditions, actual performance of the system may vary based on local water conditions.

4
Specifications and Performance Claims
6SHFL¿FDWLRQV
Model GXMH31H
Rated Capacity* (Grains@ Salt Dose) 11,000 @ 2.6 lbs
24,700 @ 7.8 lbs.
31,100 @ 13.4 lbs.
5DWHG(I¿FLHQF\*UDLQV3RXQGRI6DOW#0LQLPXP6DOW'RVH 4,240 @ 2.6 lbs.
Water used during Regeneration (gallons/grains) 5.0 /1000
Total Water Used per Regeneration @ Maximum Salt Dose 54.7 gallons
Amount of High Capacity Ion Exchange Resin (lb/cu.ft.) 50.81/0.98
Resin Tank Nominal Size (in., dia. x height) 10 x 40
Service Flow Rate (gpm) 8.0
Pressure Drop at Rated Service Flow (psig) 6.5
Water Supply Maximum Hardness (gpg) 120
Water Supply Maximum Clear Water Iron (ppm)*** 3
Water Pressure Limits (minimum-maximum psi)**** 20-125
Water Temperature Limits (minimum-max. °F) 40-120
Maximum Flow Rate to Drain (gpm) 2.0
Rated Capacity at Chlorine Concentration***** of: 0.50 ppm
0.75 ppm
1.0 ppm
1.5 ppm
2.0 ppm
2,282,000 gal.
1,520,000 gal.
1,140,000 gal.
760,000 gal.
570,000 gal.
This system conform to NSF/ANSI 42 & 44 for the specific performance claims as verified and substantiated by
test data.
* Testing was performed using pellet grade sodium chloride as the regenerant salt.
** Efficiency rating is valid only at the lowest stated salt dosage. These softeners were efficiency rated
according to NSF/ANSI 44.
*** Extent of iron removal may vary with conditions. The capacity to reduce clear water iron is substantiated by
WQA test data. State of Wisconsin requires additional treatment if water supply contains greater than 5 ppm
clear water iron. Refer to Cleaning Iron Out of the Water Softening System section.
**** Canada working pressure limits: 1.4–7.0 kg/cm2.
*****Typical residential chlorine concentration is 0.5 to 1.0 ppm.
Performance Claims
Contaminant ,QÀXHQW
Challenge Level 0D[LPXP$OORZDEOH
3URGXFW:DWHU/HYHO
Barium 10 ±10% mg/L 2.0 mg/L
Radium 226/228 25 pCi/L 5pCi/L
7HVWSDUDPHWHUVLQFOXGHS+ ÀRZUDWH JSP
and dynamic pressure = 35±5 psig

5
About the water softener system
SERVICE
When the water softening system is providing
soft water, it is called “Service.” During service,
hard water flows from the house main water
pipe into the water softening system. Inside
the water softening system resin tank is a bed
made up of thousands of tiny, plastic resin
beads. As hard water passes through the bed,
each bead attracts and holds the hard minerals.
This is called ion-exchanging. It is much like a
magnet attracting and holding metals. Water
without hard minerals (soft water) flows from
the water softening system and to the house
pipes.
After a period of time, the resin beads become
coated with hard minerals and they have to
be cleaned. This cleaning is called recharge.
Recharge is started at 2:00 AM (factory setting)
by the water softening system control, and
consists of five stages or cycles. These are
FILL, BRINING, BRINE RINSE, BACKWASH
and FAST RINSE.
AUTOMATIC HARD WATER BYPASS
DURING RECHARGE
During recharge the water softener is
automatically put in bypass mode allowing hard
water to be available to the home. Once the
softener is recharged water is directed back
through the softener to be conditioned.
However, you should avoid using HOT water
because the water heater will fill with the
hard water.
FILL
Salt dissolved in water is called brine. Brine is
needed to clean the hard minerals from resin
beads. To make the brine, water flows into the
salt storage area during the fill stage.
BRINING
During brining, brine travels from the salt
storage area into the resin tank. Brine is the
cleaning agent needed to remove hard minerals
from the resin beads. The hard minerals and
brine are discharged to the drain.
The nozzle and venturi create a suction to
move the brine, maintaining a very slow rate to
get the best resin cleaning with the least salt.
BRINE RINSE
After a pre-measured amount of brine is used,
the brine valve closes. Water continues to flow
in the same path as during brining, except for
the discontinued brine flow. Hard minerals and
brine flush from the resin tank to the drain.
BACKWASH
During backwash, water travels up through
the resin tank at a fast flow rate, flushing
accumulated iron, dirt and sediments
from the resin bed and to the drain.
FAST RINSE
Backwash is followed by a fast flow of water
down through the resin tank. The fast flow
flushes brine from the bottom of the tank,
and packs the resin bed.
After fast rinse, the water softening system
returns to soft water service.

6
About the water softener system
FEATURE: OPTIONAL RECHARGE
CONTROLS
Sometimes, a manually started recharge may
be desired or needed. Two examples:
You have used more water than usual (house
guests, extra washing, etc.) and you may run
out of soft water before the next recharge.
The system ran out of salt.
Use one of the following features to start a
recharge immediately, or at the next preset
recharge start time.
RECHARGE TONIGHT
Touch (do not hold) the RECHARGE button.
RECHARGE TONIGHT flashes in the control
display area. A recharge will occur at the next
preset recharge start time. If you decide to
cancel this recharge, touch the same button
once more.
RECHARGE NOW
Press and hold the RECHARGE button until
RECHARGE NOW starts to flash in the control
display area. The water softening system
begins an immediate recharge and, when over
in about two hours, you will have a new supply
of soft water. Once started, you cannot cancel
this recharge.
FEATURE: MEMORY
If electrical power to the water softening system
is interrupted, the control display is blank, and the
blue indicator light is off, but the control keeps
correct time for 24 hours. When power is restored,
you have to reset the present time only if the
display and blue indicator light are flashing. All
other settings are maintained and never require
resetting unless a change is desired.
If the time is flashing after a long power outage,
the water softening system continues to work
as it should to provide you with soft water.
However, recharge may occur at the wrong time
of day until you reset the control to the correct
time of day.
FEATURE/SERVICE: AUTOMATIC
ELECTRONIC DIAGNOSIS
The control computer has a self-diagnostic
function for the electrical system (except
input power and water meter). The computer
monitors the electronic components and circuits
for correct operation. If a malfunction occurs, an
error code appears in the control display.
NORMAL OPERATION, CONTROL
DISPLAYS
During normal operation, the present time of
day and AM or PM and DAYS TO EMPTY
show in the control display area.
The system will automatically recharge at the
preset recharge time as needed.

7
About the water softener system
WATER CONDITION INFORMATION
IRON
Iron in water can cause stains on clothing
and plumbing fixtures. It can negatively affect
the taste of food,drinking water, and other
beverages. Iron in water is measured in parts
per million (ppm). The total* ppm of iron, and
type or types*, is determined by chemical
analysis. Four different types of iron in water
are:
Ferrous (clear water) iron
Ferric (red water) iron
Bacterial and organically bound iron
Colloidal and inorganically bound iron
(ferrous or ferric)
Ferrous (clear water) iron is soluble and
dissolves in water. This water softener will
reduce moderate amounts of this type of iron
(see specifications).**Ferrous (clear water)
iron is usually detected by taking a sample of
water in a clear bottle or glass. Immediately
after taking, the sample is clear. As the water
sample stands, it gradually clouds and turns
slightly yellow or brown as air oxidizes the iron.
This usually occurs in 15 to 30 minutes.
When using the softener to reduce Ferrous
(clear water) iron, add 5 grains to the hardness
setting fore very 1 ppm of Ferrous (clear water)
iron. See “Set Water Hardness Number”
section.
Ferric (red water), and bacterial and organically
bound irons are insoluble. This water softener
will not remove ferric or bacterial iron. This
iron is visible immediately when drawn from a
faucet because it has oxidized before reaching
the home. It appears as small cloudy yellow,
orange, or reddish suspended particles. After
the water stands for a period of time,the
particles settle to the bottom of the container.
Generally these irons are removed from water
by filtration. Chlorination is also recommended
for bacterial iron.
Colloidal and inorganically bound iron is of ferric
or ferrous form that will not filter or exchange
out of water. This water softener will not remove
colloidal iron. In some instances, treatment
may improve colloidal iron water. Colloidal iron
water usually has a yellow appearance when
drawn. After standing for several hours, the
color persists and the iron does not settle,but
remains suspended in the water.
SEDIMENT FILTER (BUILT IN)
Sediment is fine, foreign material particles
suspended in water. This material is most
often clay or silt. Extreme amounts of sediment
may give the water a cloudy appearance. The
built in sediment filter keeps larger particles
of sediment from entering the home plumbing
system. As water passes through the softener,
the larger sediment particles are collected in
the integrated basket and then rinsed to the
drain before each regeneration. The sediment
filter feature provides added protection for water
using appliances by reducing the chance of
larger particles entering the various products
valves and screens.
IMPORTANT: The sediment filter is not
intended to replace pretreatment filtration. For
problem water applications, additional sediment
filtration is recommended.
CHLORINE
S
oftener resins may degrade in the presence
of chlorine above 2 ppm. If you have chlorine
in excess of this amount, you may experience
reduced life of the resin. In these conditions, you
may wish to consider purchasing a GE point-of-
entry household filtration system with a chlorine
reducing filter.
* Water may contain one or more of the four
types of iron and any combination of these.
Total iron is the sum of the contents.
** Capacity to reduce clear water iron is
substantiated by WQA test data.

Before you start
BEFORE YOU START
The water softener requires a minimum water flow of 3 gallons per minute at the inlet. Maximum
allowable inlet water pressure is 125 psi. If daytime pressure is over 80 psi, nighttime pressure
may exceed the maximum. Use a pressure reducing valve if necessary (Adding a pressure
reducing valve may reduce the flow). If your home is equipped with a back flow preventer, an
expansion tank must be installed in accordance with local codes and laws.
The water softener uses a direct plug-in external power supply (included). Be sure to use the
included power supply and plug it into a nominal 120V, 60 cycle household outlet that is in a
dry location only, grounded and properly protected by an over current device such as a circuit
breaker or fuse.
Do not use this system to treat water that is microbiologically unsafe or of unknown quality without
adequate disinfection upstream or downstream of the system.
Bypass Valve Drain Hose Clips Installation
Adaptors
Hose Clamps Overflow
Adapter Grommet O-rings
8
Pliers
Screwdriver
Razor knife
Two adjustable wrenches
Teflon tape
2 fittings to connect household plumbing to 1”
NPT threads on softening adaptors.
Additional installation parts may be required:
• UL-approved grounding clamps and
6-gauge copper grounding wire.
TOOLS AND MATERIALS REQUIRED FOR INSTALLATION
NOTE: Failure to comply with these installation instructions will void the product warranty,
and the installer will be responsible for any service, repair or damages caused thereby.
Silicone
Grease
INSPECT SHIPMENT
Make sure all the parts shown below are present. Additional parts must be purchased to complete
the installation. Thoroughly check the water softener for possible shipping damage and parts loss.
Also inspect and note any damage to the shipping carton.
Remove and discard (or recycle) all packing materials. To avoid loss of small parts, we suggest you keep
the small parts in the parts bag until you are ready to use them.
Discard all unused parts and packaging material after installation.
Small parts remaining after the installation could be a choke hazard.
WARNING

9
Installation Requirements
PROPER ORDER TO INSTALL WATER TREATMENT EQUIPMENT
Well
Pump
Well Water Supply
City Water Supply
OR
Pressure
Tank
Optional
Sediment
Filter
Water
Heater Water
Softener
Hot Water to House
Cold Water to House
Untreated Water to
Outside Faucets
LOCATION REQUIREMENTS
Consider all of the following when selecting an
installation location for the water softener.
Do not locate the water softener where
freezing temperatures occur. Do not
attempt to treat water over 120ºF. Freezing
temperatures or hot water damage voids
the warranty.
To condition all water in the home, install
the water softener close to the water supply
inlet, and upstream of all other plumbing
connections, except outside water pipes.
Outside faucets should remain on hard water
to avoid wasting conditioned water and salt.
A nearby drain is needed to carry away
regeneration discharge (drain) water. Use a
floor drain,laundry tub, sump, standpipe, or
other options(check your local codes). See
“Air Gap Requirements” and “Valve Drain
Requirements”sections.
The water softener uses a direct plug-in
external power supply (included). Be sure
to use the included power supply and plug
it into a nominal 120V, 60 cycle household
outlet that is in a dry location only, grounded
and properly protected by an over current
device such as a circuit breaker or fuse.
Always install the water softener between
the water inlet and water heater. Any other
installed water conditioning equipment should
be installed between the water inlet and
water softener (See Figure below).
If installing the water softener outdoors, do
not locate where it will be exposed to wet
weather, direct sunlight, extreme hot or cold
temperatures, or other forms of abuse.
DO NOT RUN HOT WATER THROUGH THE
SOFTENER. Temperature of water passing
through the softener must be less than 120° F.
Avoid installing in direct sunlight. Excessive sun
heat may cause distortion or other damage to
non-metallic parts.
When installing in an outside location you
must take steps necessary to assure the
softener, installation plumbing and wiring, are
protected from the elements, direct sunlight,
contaminantion, vandalism, insects, vermin, etc.
Do not install the softener where it would block
access to the water heater or access to the
main water shutoff.
DIMENSIONS
IN
OUT
3-3/4"
TOP VIEW
FRONT VIEW SIDE VIEW
14-7/16"
22-7/16"
47-5/8"
41-1/2"
IN - OUT
Shut off
valve

10
Installation Requirements
PLUMBING CODES
All plumbing must be completed in accordance
with national, state and local plumbing codes.
In the state of Massachusetts: The
Commonwealth of Massachusetts plumbing
code 248-CMR shall be adhered to. A licensed
plumber shall be used for this installation.
AIR GAP REQUIREMENTS
A drain is needed for regeneration water (See
Figure 1). A floor drain, close to the water
softener, is preferred. A laundry tub, standpipe,
etc. are other drain options. Secure valve
drain hose in place. Leave an air gap of 1-1/2”
between the end of the hose and the drain.
This gap is needed to prevent back flow of
sewer water into the water softener. Do not put
the end of the drain hose into the drain.
VALVE DRAIN REQUIREMENTS
Using the flexible drain hose (included) (see
Figure 2), measure and cut to the length
needed. Flexible drain hose is not allowed in
all localities (check your plumbing codes). If
local codes do not allow use of a flexible drain
hose, a rigid valve drain run must be used.
Purchase a compression fitting (1/4 NPT x 1/2
in. minimum tube) and 1/2” tubing from your
local hardware store. Plumb a rigid drain as
needed (See Figure 3).
NOTE: Avoid drain hose runs longer than 30
feet. Avoid elevating the hose more than 8 feet
above the floor. Make the valve drain line as
short and direct as possible.
FLEXIBLE DRAIN LINE
RIGID DRAIN LINE
FLOOR
DRAIN STANDPIPE LAUNDRY
TUB
1-1/2”
air gap
1-1/2”
air gap
1-1/2”
air gap
Drain
Hose Drain
Hose
Drain
Hose
Figure 1
Figure 3
Clip 1/4Ǝ NPT thread
ƎRXWVLGH
diameter
copper tube
(not provided)
Compression fitting
137[Ǝ2'
tube (not provided)
Cut barbs from valve drain
elbow (pull clip and remove
drain valve elbow from valve)
Barbs
Barbs for 3/8
Ǝ
I.D. tubing
Hose clamp
Drain hose
1/4” NPT Thread
Figure 2
Drain hose adapter

11
Installation Requirements
INLET/OUTLET PLUMBING
REQUIREMENTS
Always install either a single bypass valve
(provided),as shown in Figure 4, or, if desired,
parts for a 3 valve bypass system (not included)
can be purchased and assembled, as shown in
Figure 5. Bypass valves allow you to turn off
water to the softener for maintenance if needed,
but still have water in house pipes.
Pipe fittings must be 1/2” minimum.
Use:
Copper pipe
Threaded pipe
PEX (Crosslinked Polyethylene) pipe
CPVC plastic pipe
Other pipe approved for use with potable
water
IMPORTANT: Do not solder with plumbing
attached to installation adaptors and single
bypass valve. Soldering heat will damage the
adaptors and valve.
WARNING
A copper or galvanized cold water pipe may be
used to ground electrical outlets in the home.
Failure to maintain this ground path may result in
an electric shock hazard. If the cold water pipe
is used to ground electric outlets, please refer to
Installing the Ground Wire section before cutting
the pipe.
3-VALVE BYPASS SYSTEM
For soft water service: Open the inlet and
outlet valves and close the bypass valve.
For bypass hard water: Close the inlet and
outlet valves and open the bypass valve.
9$/9(%<3$66
Bypass
Valve
Outlet
Valve
Inlet
Valve
From Water
Softener
To Water
Softener
)LJXUH
6,1*/(%<3$669$/9(
Pull out for “Service”
(Soft water)
Push in for
“Bypass”
)LJXUH
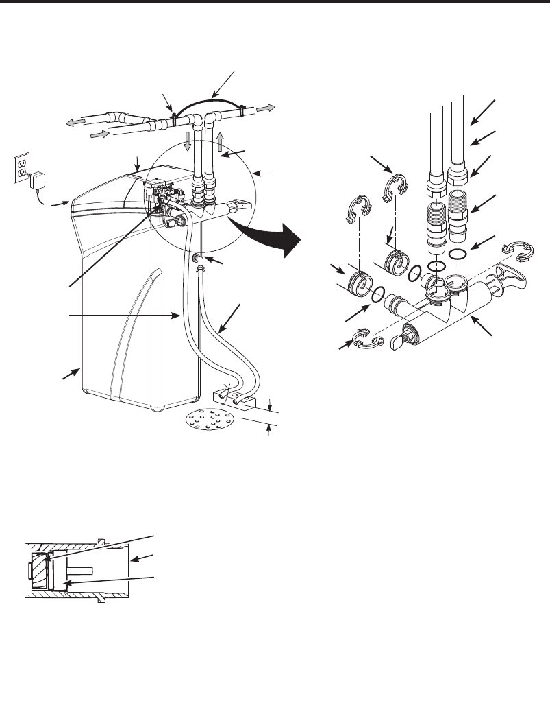
Installation
adaptors

12
Installation Instructions
TYPICAL INSTALLATION
Clips
Inlet
Outlet
Lubricated
O-ring Single By-
pass Valve
O-ring
1” NPTM
Threaded
Adaptor
1” NPTF Sweat
Adaptor (not
included)
Pipe
1-1/2”
air gap
Floor Drain
Secure Valve Drain
Hose in place over Floor
Drain
Brine Tank
Overflow Hose*
Overflow
Adapter
Conditioned
Water
Main Water Pipe
Bypass Valve
Assembly
Plug-in
Transformer
To
Controller
Drain Hose
Adapter
Valve Drain
Hose*
*Do not connect the water
softener valve drain hose to
the brine tank overflow
NOTE: See “Air Gap Requirements”
section.
Figure 8
NOTE: Be sure the turbine and support are firmly in place
in the valve outlet. Blow into the valve port and observe the
turbine for free rotation.
• Remove plastic clip from valve outlet. Save the clip for later use.
Figure 6
Figure 7
Incoming-
Hard Water
Hard Water
to Outside
Faucets
Top
Cover
Brine Tank
(Salt Storage)
Clips
Turbine
Valve outlet
Turbine shaft and support
Ground Wire
(not included)
Clamp
(not included)

Installation Instructions
TURN OFF WATER SUPPLY
1. Close the main water supply valve, located
near the well pump or water meter.
2. Open all faucets to drain all water from
house pipes.
NOTE: Be sure not to drain water from the
water heater, as damage to the water heater
elements could result.
INSTALL THE BRINE TANK OVERFLOW
ADAPTER
Install the brine tank overflow grommet and
adapter in the 13/16” diameter hole in the back
of the salt storage tank sidewall, (see Figure 9).
NOTE: The brine tank overflow adapter accepts
either 1/2” or 3/8” I.D. hose.
INSTALL THE BYPASS VALVE
NOTE: For easier installation, remove the top
cover. Release 2 clips at rear of cover. Rotate
cover forward and lift up.
1. Remove two clips from the water softener
valve inlet and outlet ports and visually check
and remove any debris, (see Figure 7).
2. Make sure the turbine assembly spins freely
in the”out” port of the valve, (see Figure 8).
3. If not already done, put a light coating of
silicone grease (provided) on the single
bypass valve o-rings, (see Figure 7).
4. Push the single bypass valve into the
softener valve as far as it will go. Snap the
two large holding clips into place, from the
top down, (see Figure 7 and 10).
IMPORTANT: Be sure the clips snap firmly into
place so the single bypass valve will not pull
out.
MOVE THE WATER SOFTENER INTO
PLACE
WARNING
Excessive Weight Hazard
Use two or more people to move and
install water Softener Failure to do so
can result in back or other injury.
1. Move the water softener into the desired
location. Set it on a solid, level surface.
IMPORTANT: Do not place shims directly
under the salt storage tank to level the softener.
The weight of the tank, when full of water and
salt, may cause the tank to fracture at the shim.
CORRECT ASSEMBLY
Outside diameter
of clip channel on
single bypass valve
Clip
Outside diameter of
water softener valve
inlet & outlet
NOTE: Be sure all 3 tabs of the clip go through the
matching holes on the water softener valve inlet or out-
let, and fully into the channel on the single bypass valve.
Make sure that the tabs are fully seated.
Figure 10
SINGLE BYPASS VALVE
If connecting to floor
level plumbing, install
the bypass valve turned
downward, as shown.
Salt
Cover
Brinewell
Cover
Brine
Tank
Stand
Tube
Float Stem
Brinewell
Brine
Tubing
Brine Tank
Overflow
Adapter
Grommet
Hole
Nut - Ferrule
Nozzle Venturi
Assembly
Figure 9
Note: Unit is shown with top cover
removed.
Brine
Valve
Assembly
13

14
Installation Instructions
COMPLETE INLET AND OUTLET
PLUMBING
WARNING
A copper or
galvanized cold
water pipe may
be used to ground electrical outlets in the home.
Failure to maintain this ground path may result in an
electric shock hazard. If the cold water pipe is used to
ground electric outlets, please refer to Installing the
Ground Wire section before cutting the pipe.
IMPORTANT: This water softener has a non-
metallic valve system. Installing it on metal
plumbing will break electrical continuity, which
may interrupt grounding for the home. You must
restore electrical continuity in your metal plumbing
system.
If you install a 3-valve bypass system (Figure 5),
electrical continuity will be maintained. If you
install the non-metallic bypass valve (Figure 11),
please refer to the Installing the Ground Wire
section before cutting the pipe.
Measure, cut, and loosely assemble pipe and
fittings from the main water pipe to the inlet and
outlet ports of the water softener valve. Be sure to
keep fittings fully together, and pipes squared and
straight.
BE SURE INCOMING HARD WATER SUPPLY IS
DIRECTED TO THE SOFTENER VALVE INLET
PORT.
NOTE: Inlet and outlet are marked on the water
softener valve. Trace the water flow direction to
be sure hard water is to inlet.
IMPORTANT: Be sure to fit, align and support
all plumbing to prevent putting stress on the
water softener valve inlet and outlet. Stress from
misaligned or unsupported plumbing may cause
damage to the valve.
• If making a soldered copper installation, do all
sweat soldering before connecting pipes to the
NPT adapters and bypass valve. Torch heat will
damage plastic parts.
WARNING
If solder is
used to make
pipe
connection use only lead free solder and
flux to prevent lead poisoning.
• When turning threaded pipe fittings onto
plastic fittings, use care not to cross-thread.
• Use Teflon Tape on all external pipe threads.
Complete the inlet and outlet plumbing for the
type of pipe you will be using. Secure ground
clamp to metal pipes.
INSTALLING THE GROUND WIRE
NOTE: If your house plumbing is plastic, it
would not be used as a grounding path, and
this step should be skipped.
IMPORTANT: A copper or galvanized cold water
pipe is often used to ground electrical outlets
in the home. Grounding protects you from
electrical shock. The water softener may have
broken this ground path. To restore connection,
install a 12”-long, 6-gauge copper wire across and
tightly clamp using UL-approved 1/2”–1” bronze
grounding clamps at both ends as shown (Figure
12). Zinc clamps should not be used on copper
plumbing. Wire and clamps may be purchased
separately from your local hardware store.
1. Clean copper pipe and ends of wire with
emery paper. Bare wire is recommended. If
insulated wire is used, is should be stripped
3/4” at each end before cleaning with emery
paper.
2. Attach bronze clamps to pipe. Tighten
screws.
3. Attach to clamps as shown. Tighten screws.
NOTE: If you are installing a sediment filter or
other item(s) into the plumbing system, along
with the water softener, be sure to restore
electrical continuity across all removed metal
pipe sections.
Figure 11
Figure 12
Ground Wire
Clamp (2)

15
Installation Instructions
INSTALL VALVE DRAIN HOSE
1. Measure and connect the 3/8”drain line
(provided) to the water softener valve drain
fitting. Use a hose clamp to hold the hose in
place.
NOTE: Avoid drain hose runs longer than 30
feet. Avoid elevating the hose more than 8 feet
above the floor. Make the valve drain line as
short and direct as possible.
IMPORTANT: If codes require a rigid drain line
see “Valve Drain requirements” section.
2. Route the drain hose or copper tubing
to the floor drain or other suitable drain
point. Secure drain hose. This will prevent
“whipping’’ during regenerations. See “Air
Gap Requirements” section (Figure 1).
3. Cut and secure the hose.
NOTE: The softener will not work if the water
cannot exit the drain hose during recharge.
INSTALL BRINE TANK (SALT
STORAGE) OVERFlOW HOSE
1. Measure, cut to needed length and connect
the 3/8”drain line (provided) to the salt
storage tank overflow elbow and secure in
place with a hose clamp.
2. Route the hose to the floor drain, or other
suitable drain point no higher than the drain
fitting on the salt storage tank (This is a
gravity drain). If the tank overfills with water,
the excess water flows to the drain point.
Cut the drain line to the desired length and
route it neatly out of the way.
IMPORTANT: For proper operation of the water
softener, do not connect the water softener valve
drain tubing to the salt storage tank overflow hose.
RINSE OUT CARBON FINES
Small particles of carbon filtration material are
generated during manufacturing and shipping.
These particles will exit the media tank with
the first water that flows through the softener.
These carbon “fines” are not harmful, but give
the water a gray color and should be rinsed
down the drain before any water from the
softener is directed to the home’s faucets or
water heater.
To avoid water
or air pressure
damage to
softener inner parts, and to flush carbon fines,
pipe chips or other residue from the water
pipes, be sure to do the following steps exactly
as instructed.
1. Make sure the softener’s valve drain hose is
hooked up and the open end directed to a
floor drain, laundry tube or other suitable type
of drain.
2. The system should be connected to electrical
power.
3. Place the bypass valve in “bypass” position
(see Figure 4). On a single valve, slide
the stem inward to bypass. On a 3-valve
bypass, close the inlet and outlet valves and
open the bypass valve.
4. Fully open the house main water pipe shutoff
valve.
5. Initiate a regeneration by pressing and
holding for 3 seconds the RECHARGE
button. The valve motor will start running
and the valve will advance to the “Fill”
position (see Figure 21).
6. After you hear the valve motor stop running
(valve in “Fill” position), press, but do not
hold the RECHARGE button. The valve will
advance to the “Brine” position (see Figure
21).
7. After you hear the valve motor stop running
(valve in “Brine” position), press, but do not
hold the RECHARGE button. The valve will
advance to the “Backwash” position (see
Figure 21).
8. Once the unit is in the backwash, place
bypass valve in SERVICE position (see
Figure 4), exactly as follows:
(a). Single Bypass Valve: Slowly, slide
pull the valve stem outward toward service,
pausing several times to allow the softener to
pressurize gradually. Check for leaks.
(b). 3-Valve Bypass: Fully close the bypass
valve and open the outlet valve. Slowly open
the inlet valve, pausing several time to allow
the softener to pressurize gradually. Check
for leaks.
9. Let the softener complete the backwash and
fast rinse cycles (takes about 20 minutes).
When the regeneration ends, the softener’s
valve returns to the service position.
CAUTION

16
Installation Instructions
TEST FOR LEAKS
To prevent air pressure in the water softener
and plumbing system, complete the following
steps in order:
1. Fully open two or more softened cold water
faucets close to the water softener, located
down stream from the water softener.
2. Observe steady water flow from both open
faucets.
3. After about three minutes, open a hot water
faucet until there is a steady flow and there
are no air bubbles, then close this faucet.
4. Close all cold water faucets and check for
leaks at the plumbing connections that you
made.
5. Check for leaks around clips at softener’s
inlet and outlet. If a leak occurs at a clip,
depressurize the plumbing (turn off the water
supply and open faucets) before removing
clip. When removing clips at the softener’s
inlet or outlet, push the single bypass valve
body toward the softener (see Figure 14).
Improper removal may damage clips. Do not
reinstall damaged clips.
NOTE: If this procedure is performed on a
new softener, water coming from the taps may
initially be discolored. This normally occurs
the first time water runs through the resin bed.
The discoloration will not last more than a few
minutes.
ADD WATER AND SALT TO THE SALT
STORAGE TANK
EXCESSIVE
WEIGHT
HAZARD:
Use two or more people to move and lift salt
bags. Failure to do so can result in back or
other injuries.
1. Using a container, add about three gallons
of clean water into the salt storage tank.
2. Add salt to the storage tank. Use nugget,
pellet or coarse solar salts with less than 1%
impurities.
PLUG IN THE WATER SOFTENER
1. Plug the water softener into an electrical
outlet that is not controlled by a switch.
2. Replace the top cover.
3. Replace the salt hole cover.
NOTE: The water heater is filled with hard
water and, as hot water is used, it will refill
with conditioned water. In a few days, the hot
water will be fully conditioned. To have fully
conditioned hot water immediately, wait until the
initial recharge is over. Then, drain the water
heater (following instructions for water heater)
until water runs cold.
SANITIZE THE WATER SOFTENER /
SANITIZE AFTER SERVICE
1. Open salt hole cover, remove the brinewell
cover and pour about 3 oz. (6 tablespoons) of
household bleach into the softener brinewell.
Replace the brinewell cover.
2. Make sure the bypass valve(s) is in the
“service” (open) position.
3. Start a recharge (regeneration). See “Start a
Recharge” section on page 19.
4. After the recharge has completed, fully open
a cold water faucet, downstream from the
softener, and allow 50 gallons of water to pass
through the system. This should take at least
20 minutes. Close the faucet.
Figure 14
....depressurize the
plumbing, then push
Bypass Valve body
toward softener
If removing
clips.....
WARNING
WARNING
Discard all
unused parts
and packaging
material after installation. Small parts
remaining after the installation could be a
choke hazard.

When the transformer is plugged into the
electrical outlet, a model code and test number
(example: J3.4 & H31) are shown in the
display. Then, “12:00 PM” begins to flash. An
arrow is displayed next to CLOCK on the
face plate decal.
CONTROL OPERATION:
• CONTROL SETTINGS REQUIRED upon
initial installation and after an extended power
outage.
• Use the MODE/SET button to scroll arrow to
desired control function set.
• After the mode is selected use the UP and
DOWN buttons to change the settings of
the control.
• Press the MODE/SET button to accept
changes.
• A “beep” sounds while pressing buttons for
control programming. One beep signals a
change in the control display. Repeated
beeps mean the control will not accept a
change from the button you have pressed,
and you should select another button.
SET TIME OF DAY
1. Press MODE/SET button until the arrow
points to CLOCK.
2. Press the UP or DOWN buttons
to set the present time. UP moves the
display ahead; DOWN sets the time
back. Be sure AM and PM is correct.
NOTE: Press buttons and quickly release
to slowly advance the display one number
at a time. Hold the buttons down for fast
advance.
3. When the correct time is shown in the
display, press MODE/SET to accept.
Salt Level
Clock
Hardness
Recharge
PM
17
Programming the Water Softener

18
Programming the Water Softener
SET WATER HARDNESS NUMBER
1. Press the MODE/SET button until the arrow
points to HARDNESS. A flashing 25 will
appear in the display.
2. Press the UP or DOWN buttons to
set your water hardness number.
NOTE: If your water supply contains iron,
compensate for it by adding to the water
hardness number. For example, assume
your water is 20 gpg hard and contains 2
ppm iron. Add 5 to the hardness number
for each 1 ppm or iron. In this example, you
would use 30 for your hardness number.
3. When the display shows your water
hardness
(in grains per gallon), press MODE/SET to
accept.
You can get the grains per gallon (gpg)
hardness of your water supply from a
water analysis laboratory. If you are on
a municipal supply, call your local water
department. Or call Legend Technical
Services, an independent laboratory,
to request a water hardness test kit at
1.800.949.8220, Option 4. If your report
shows hardness in parts per million (ppm)
or milligrams per liter (mg/l), simply divide
by 17.1 to get the equivalent number of
grains per gallon.
SET RECHARGE (STARTING) TIME
1. Press the MODE/SET button until the arrow
points to RECHARGE.
NOTE: A flashing 2:00 AM (factory default)
should show in the display. This is a good
time for recharge to start (takes about 2
hours) in most households because water
is not in use. HARD WATER is bypassed to
house faucets during recharge.
If no change is needed, go to step 3. To
Change the recharge starting time, follow step
2.
2. Press UP or DOWN button to set
the desired recharge start time. Be sure
to observe the AM or PM as you did when
setting the time of day.
3. Press the MODE/SET button to accept.
20 gpg hardness
2 ppm iron x 5 = 10 +10
(times) 30 HARDNESS NUMBER
Salt Level
Clock
Hardness
Recharge
Salt Level
Clock
Hardness
Recharge
AM

SET SALT LEVEL
1. Press the MODE/SET button until the arrow
points to SALT LEVEL.
2. Determine level of salt in brine tank using the
numbered scale on side of brine well, inside
brine tank (see Figure 15).
3. Press UP or DOWN button to set the
SALT LEVEL to correspond to level on the
numbered scale in brine tank.
NOTE: Each press of a button changes the
level by increments of 0.5 up to 8.0.
Lowering the salt level below zero turns the
SALT LEVEL indicator OFF.
4. Press the MODE/SET button to accept. The
display shows the present time of day and
DAYS TO EMPTY.
DAYS TO EMPTY
The words DAYS TO EMPTY and a number
are shown in the lower half of the display. This
information is shown in the normal run display.
This is to inform the user of the number of days
before the salt level in the brine tank reaches
Level 0. There will be salt left in the salt tank,
but it may not be sufficient to fully recharge
the system. Salt should be added at this time
to avoid hard water. The value is updated
daily and whenever the SALT LEVEL value is
changed.
NOTE: For the first several weeks of operation,
the DAYS TO EMPTY may provide erratic
operation. For example, the blue indicator light
may flash, showing that more salt is required
when the actual salt level in the tank is well
above the Level 0. In some cases, the DAYS
TO EMPTY may even increase over a several
week period.
It takes a couple of months for the water
softener to learn your water usage pattern.
Once it does this, it will accurately determine
actual salt usage pattern. During this first
period, check salt level when blue indicator
light flashes. If the salt level in the tank is at
Level 1 or above, allow system to run. Be sure
to reset your salt level indicator each time you
add salt to the system.
START A RECHARGE
Press the RECHARGE button and hold for
three seconds, until “RECHARGE NOW”
begins to flash in the display, starting a
recharge. This recharge draws the sanitizing
bleach or brine into and through the water
softener. Any air remaining in the water
softener is purged to the drain. During this
time periodically check for leaks.
NOTE: As with all other water system
applications, leaks may occur. Leaks may not
be immediately apparent. Recheck 24 hours
after first recharge cycle is complete.
Salt Level
Clock
Hardness
Recharge
Salt Level
Clock
Hardness
Recharge
PM
Days to Empty
AM
Days to Empty
19
Programming the Water Softener
8
7
6
5
4
3
2
1
Figure 15

20
Programming the Water Softener
OPTIONAL CONTROL SETTINGS
The controller display has several options and
features.
LOW SALT ALARM
The LOW SALT ALARM,
when enabled, will sound
the beeper when the DAYS
TO EMPTY value is 15
days or less. To change
this setting, press and hold
the MODE/SET button for
3 seconds or hear a beep.
ON (factory default) or OFF
will flash in the display.
Press the UP or DOWN
buttons to toggle this
feature ON or OFF. Press
the MODE/SET button to
accept, and the display will
move to the PRERINSE ON/
OFF screen. Press the UP
or DOWN buttons to
turn prerinse on or off.
PRERINSE
If your water contains
sediment the prerinse
feature will remove sediment
from the resin bed prior to
regeneration.
Press the MODE/SET button
and the display will move
to Prerinse Time mode. In
this screen you can adjust
the duration of the prerinse
by pressing the UP or
DOWN buttons. Press
the MODE/SET button to
accept, and the display will
move to the Back Wash screen.
BACKWASH AND FAST RINSE
If you experience salty tasting water after
regeneration, you may need to increase the
backwash and fast rinse times. The cycle times
during regenerations are determined by the
softener’s electronic controller. However, you
may increase the backwash and fast rinse
times. You may add up to 10 minutes.
For Backwash, you can add
up to 10 minutes in 1 minute
increments, by pressing the
UP button, or subtract
time by pressing the DOWN
button.
For Fast Rinse, press
MODE/SET and the display
moves to the add fast rinse
time screen. You can add
up to 10 minutes in 1 minute
increments, by pressing the
UP button, or subtract
time by pressing the
DOWN button. Press
the MODE/SET button to
accept, and the display will
move to the Run Display
screen.
SALT SAVER
When this feature is ON, the water softener
will operate at salt efficiencies of 4000 grains
of hardness per pound of salt or higher (May
recharge more often using smaller salt dosage
and less water). The softener is shipped with
this feature set OFF.
In the state of California: You must turn the
Salt Saver Feature ON. This may initiate more
frequent recharges. However, it will operate at
4,000 grains per pound of salt.
To turn Salt Saver ON: Press
the Salt Saver button once until
the blue status light above the
button is ON.

Programming the Water Softener
FEATURE: OTHER DATA DISPLAY
These models have an option to have the run
display indicate different information. The information
displayed on the top half of the display can be
changed to one of the following by pressing UP
or DOWN buttons:
• CAPACITY REMAINING
– This is the percentage
of water softening capacity
remaining. Immediately after a
regeneration, 100% shows. As
water is used, the percentage
will decrease until the next regeneration. During
regenerations, the percentage increments upward.
When present time is displayed, press the DOWN
button; % Remaining will appear in the display.
The value shown is between 0 and 100 percent.
This value is based on current operating capacity.
Pressing the UP button will return the screen to
the previous display.
• AVERAGE DAILY
GALLONS
– The figure
displayed is the average
gallons of water used by the
household each day over the
past seven-day period.
Press the DOWN button again to display the
Average Daily Gallons. Average Daily Gallons will
appear in the display. This value is updated every
night at midnight. Pressing the UP button will
return the screen to the previous display.
• FLOW RATE, GPM
– When using soft water, this
display shows the flow rate
passing through the softener
(in gallons per minute). Zero
shows if water is not passing
through the softener.
Press the DOWN button again to display the
flow rate. Gallons/Min will appear in the display.
This value is updated every 1»2 second. Pressing the
UP button will return the screen to the previous
display. Pressing the DOWN button will return
the screen to the present time display.
RESETTING TO FACTORY DEFAULT
To reset the electronic controller to its factory
default for all settings (time, hardness, etc.):
1. Press the MODE/SET button and hold
until the display changes twice to show the
flashing mode code.
2. Press the UP button to display a flashing
“SoS”.
3. Press the MODE/SET button and the
electronic controller will restart.
4. Set the present time, hardness, etc, as
described in the Programming the Water
Softener section
Days to Empty
Recharge
Tonight
% Remaining
Days to Empty
Recharge
Tonight
Average Daily
Gallons
Days to Empty
Gallons/Min
21

22
Programming the Water Softener
POWER OUTAGE MEMORY
If electrical power to the water softener is
lost, “memory’’ built into the timer circuitry will
keep all settings for up to 24 hours. While the
power is out, the display is blank and the water
softener will not regenerate. When electrical
power is restored, the following will occur:
Reset the present time only if the display is
flashing. The HARDNESS and RECHARGE
TIME never require resetting unless a change
is desired. Even if the clock is incorrect after
a long power outage, the softener operates
as it should to keep your water soft. However,
regenerations may occur at the wrong time of
day until you reset the clock to the correct time
of day.
NOTE: If the water softener was regenerating
when power was lost, it will now finish the
cycle.
BLUE INDICATOR LIGHT
Steady blue light indicates that the unit is
working correctly. The light flashes when the
unit needs attention from the user.
• Light will also flash when power to the unit
has been interrupted. Check the PRESENT
TIME setting.
• Light flashes and DAYS TO EMPTY flashes -
check salt level and add salt as required.
• Light flashes and Err is in the display -
electrical problem with system.
LOW SALT SIGNAL
When the DAYS TO EMPTY drops to 15, the
blue indicator light and DAYS TO EMPTY in
the display
will flash every second and the alarm will beep
every 30 seconds (from 8:00 AM to 8:00 PM),
to notify the user that the unit is running low
on salt. As soon as any button is pressed, the
alarm will stop beeping. The blue indicator light
and DAYS TO EMPTY will continue to flash.
Once salt is added to the brine tank and the
SALT LEVEL is reset, the DAYS TO EMPTY
will be reset.
ERROR SIGNALS
If there is an error code
detected, the blue
indicator light will flash
4 times every second,
the display will flash Err
and the alarm will beep
every 30 seconds (from 8:00 AM to 8:00 PM)
to signal that the softener requires service. The
alarm can be turned off by pressing any button,
but the blue indicator light and display will
continue to flash.
Disconnect the transformer from the wall
outlet momentarily, and plug it back in. The
normal display will appear. The motor may
run for several minutes, as the unit resets. If
the problem is not corrected, the error code
will reappear in 8 minutes. See the Before
you Call for Service section to assist in
troubleshooting the water softener.
Call for Service

23
Care and cleaning
ADJUSTING YOUR WATER HARDNESS
The blend adjusting knob (Figure 16) gives the
ability to finely adjust hardness of the treated
water leaving the water softener. If slightly harder
water is desired than is normally delivered by the
water softener, the blend adjusting knob can divert
a small stream of hard water and blend it with
the soft water entering the home. The amount
of water diverted is controlled by turning a blend
adjusting knob on the end cap of the valve stem.
NOTE: To get full performance from your water
softener leave blending valve in the factory
closed position.
To make adjustments to water hardness:
1.
Hold bypass handle to keep the valve stem
from rotating (see Figure 16). Loosen hex nut
on blend adjustment knob by turning the hex
nut counterclockwise (see Figure 17).
2. TO INCREASE HARDNESS:
With the
bypass in the service position (see Figure 16)
hold the handle to keep the valve stem from
rotating and turn the blend adjusting knob
counterclockwise up to 2 turns from the closed
position. It is recommended that adjustments
be made in quarter turn increments over
several weeks until the desired hardness is
achieved. NOTE: Once an adjustment is
made to the blend valve knob the change
in water hardness at the homes faucets or
shower heads may take several days to be
noticed. This delay is due to the large amounts
of already conditioned water in the pipes and
water heater that must be exchanged before
a change in hardness can be noticed. Have
the water tested to determine the actual water
hardness.
3. TO DECREASE HARDNESS:
With the
bypass in the service position (see Figure
16) hold the handle to keep the valve stem
from rotating and turn the blend adjusting
knob clockwise. When the knob will not turn
anymore, hard water is no longer being blended
into the soft water.
4.
Once the desired hardness is achieved tighten
the hex nut (see Figure 17) clockwise until it
comes in contact with the bypass stem.
NOTE: To meet the water softener performance
specifications and reduction of barium and
radium claims the adjustable hardness must be
kept in the “OFF” position. The off position is
achieved when the blend adjusting knob is fully
rotated clockwise until it stops.
SERVICE POSITION
(Normal Softener Operation)
BYPASS POSITION
Soft Water
Out Hard
Water In
Diverted Hard Water
(Controlled by blend
adjusting knob)
Blend Adjusting
Knob
Turn counterclockwise
to increase hard-
ness of treated water
(clockwise to decrease
hardness)
Softener
Valve Inlet
Softener
Valve Outlet
Pull
Handle
Hard Water
Out Hard
Water In
Push
Handle
Blend Adjusting
Knob
If servicing water
softener, turn clockwise
as far as it will go.
Hex Nut
Turn clockwise to lock
blend adjusting knob
(counterclockwise to
unlock).
CAUTION!
If the water softener is
to be serviced or disconnected from the bypass
valve, the blend adjusting knob must be turned
all the way clockwise to close the diversion path
and prevent water leaking from the softener
valve inlet of the bypass.
Figure 16
Figure 17
Stem

24
Care and Cleaning
CHECKING THE SALT STORAGE
LEVEL and REFILL
Brine (salt dissolved in water) is needed for
each and every recharge. The water for making
brine is metered into the salt storage area by
the water softening system valve and control.
However, you must keep the tank supplied
with salt.
ADDING SALT
Lift the salt hole cover and check the salt
storage level frequently. If the water softener
uses all the salt before you refill it, you will
experience hard water. Until you have
established a refilling routine, check the salt
every two or three weeks. Always add if less
than 1/4 full. Be sure the brinewell cover is on.
NOTE: if using potassium chloride (KCI), do
not fill above level 4 on the brinewell decal.
NOTE: In humid areas, it is best to keep the
salt storage level lower, and to refill more often
to avoid salt “bridging”.
Recommended Salt: Nugget, pellet or coarse
solar salts with less than 1% impurities.
Salt Not Recommended: Rock salt, high in
impurities, block, granulated table, ice melting,
ice cream making salts, etc.
CAUTION
Water softening salt with iron removing
additives:
Some salts may have an additive to help the
water softening system handle iron in the
water supply. Although this additive may
help to keep the water softening system
resin clean, it may also release corrosive
fumes that weaken and shorten the life of
some water softening system parts.
CLEANING IRON OUT OF THE WATER
SOFTENING SYSTEM
Your water softening system takes hardness
minerals (calcium and magnesium) out of
the water. Also, it can control some (see the
Specification Guidelines section) “clear water”
iron. With clear water iron, water from a faucet
is clear when first put into a glass. After 15 to
30 minutes, the water begins to cloud or turn
rust colored. A water softening system will not
remove any iron that makes the water cloudy
or rusty as it comes from the faucet (called red
water iron). To take red water iron out of water,
or over the maximum of clear water iron,
an iron filter or other equipment is needed.
GE Appliances recommends using Super Iron
Out® to clean your resin bed if your iron content
is high. Use Super Iron Out® with every 40lb.
bag of salt as preventative maintenance against
rust build up. Clean the bed at least every six
months, or more often if iron appears in the soft
water between cleanings.
IMPORTANT: It is important to mix the resin bed
cleaner with water (following the manufacturer’s
instructions), pour it into the brinewell (see
Figure 9) and recharge the softener immediately.
Do not pour the resin bed cleaner in with the
salt, as it will not be as effective in cleaning the
resin, and can cause damage to the softener if
it is left in the brine tank for an extended period
due to the corrosive gases that are formed.

25
Routine Maintenance
CLEANING THE NOZZLE AND VENTURI
ASSEMBLY
A clean nozzle and venturi is needed for the
water softening system to work properly. This
small unit makes the suction to move brine from the
salt storage area to the resin tank during recharge.
If it becomes plugged with sand, dirt, etc., the water
softening system will not work and you will get hard
water.
To get to the nozzle and venturi, remove the water
softening system top cover. Be sure the water
softening system is in service cycle (no water
pressure at nozzle and venturi). Then, while holding
the nozzle and venturi housing with one hand,
remove the cap. Lift out the screen support and
screen, then the nozzle and venturi. Wash and rinse
the parts in warm water until clean. If needed, use
a small brush to remove iron or dirt. Also check and
clean the gasket.
NOTE: Some models have a small flow plug located
in the nozzle and venturi, and/or a small cone
shaped screen in the housing. Be sure to check and
clean these parts, if your model is so equipped.
Carefully replace all parts in the correct order. Lightly
lubricate the o-ring seal with clean silicone grease
or petroleum jelly and place in position. Install and
tighten the cap, by hand only. Do not overtighten
the cap.
BREAKING A SALT BRIDGE
Sometimes, a hard crust or salt bridge forms in
the salt storage area. It is usually caused by high
humidity or the wrong kind of salt. When the salt
bridges, an empty space forms between the water
and salt. Then salt will not dissolve in the water to
make brine.
If the brine tank is full of salt, it is hard to tell if you
have a salt bridge. Salt is loose on top, but the
bridge is under it. The following is the best way to
check for a salt bridge.
Salt should be loose all the way to the bottom of the
tank. Take a broom handle or like tool, and carefully
push it down into the salt, working it up and down.
If the tool strikes a hard object (be sure it’s not the
bottom or sides of the tank), it’s most likely a salt
bridge. Carefully break the bridge with the tool. Do
not pound on the walls of the tank. To help dissolve
the salt bridge pour one gallon of warm water (not
hot) into the tank.
If the wrong kind of salt made the bridge, take it out.
Then fill the tank with nugget or pellet salt only. In
humid areas, it is best to fill with less salt, more often
to prevent a salt bridge from forming.
Push tool into salt
bridge to break
Pencil
mark
Salt
Ǝ±Ǝ
Broom
handle
Water level
Salt
bridge
Nozzle and
Venturi
Cap
O-ring seal
Screen
support
Screen
Gasket
Screen
*Flow
plug
*Flow plug
Ferrule Nut
IMPORTANT: Be sure small holes in the gasket
are centered directly over the small holes in the
nozzle and venturi housing.
* Install with numbered side up, concave side
down.

26
Problem Possible Cause What to do
No soft water )DXFHWRU¿[WXUHZKHUHVDPSOH
was taken not plumbed to soft
water. NOTE: Be sure sample is
from a faucet that does not mix soft
and hard water. For example, a sin-
gle lever kitchen faucet, if the cold
side is plumbed to hard water.
• To conserve salt, the installer may have isolated
VRPH¿[WXUHVRXWVLGHIDXFHWVWRLOHWVHWF
from soft water. From the outlet of the water
VRIWHQLQJV\VWHPWUDFHWKHZDWHUÀRZSDWK
in the house plumbing. If soft water is not
GLUHFWHGWRDIDXFHWRU¿[WXUHZKHUHZDQWHG
consult a plumber.
No salt in the brine tank or salt
bridged • Check for a salt bridge or, if the tank is empty,
UH¿OOZLWKUHFRPPHQGHGVDOW3UHVVIRUVHF-
onds) the RECHARGE button to start an imme-
diate recharge and restore soft water supply.
External power supply unplugged
at wall outlet or power cable to
softener not connected. Fuse
blown or circuit breaker popped
on circuit to electrical outlet.
Electrical outlet on a circuit that
can continuously be switched off
• Check for a loss of electrical power to the water
softening system, due to any of these condi-
tions and correct as needed. With the power
supply restored, observe the faceplate time
display and read Programming the Control
section. NOTE: the electrical outlet for the
softener should be live so it cannot be acciden-
tally switched off.
Manual bypass valve in bypass
position • Be sure the bypass valve stem is positioned
properly, with the handle in the OUT position.
Blending valve in open position • Turn blending valve clockwise to closed posi-
tion.
Valve drain hose pinched,
plugged, elevated too high or
otherwise restricted
• Any restriction in the drain hose may prevent
proper operation of the nozzle and venturi and
reduce or prevent brine draw during recharge..
Nozzle and venturi dirty, incor-
rectly assembled or damaged • Refer to Cleaning the Nozzle and Venturi As-
sembly instructions. With water pressure to
the water softening system off, take the nozzle
assembly apart. Inspect, clean and replace
as needed. Any foreign particle(s), scratches,
nicks, etc. in the passages can prevent opera-
tion. Be sure holes in the gasket are centered
over holes in the housing.
Before you call for service
Troubleshooting Tips
Save time and money! Review the chart on this page first and you may not
need to call for service.
NO SOFT WATER – Most Common Problems:
Check the following before calling for service:
•
Not enough salt—should be at least 1/3 full.
•
Bypass valve in “Bypass” position—handle should be in the “OUT” (service) position.
•
Hardness setting too low. Check hardness setting and adjust. Verify hardness of supply water—from local
water company, water test or call the GE Appliances Answer Center (800-952-5039 in US).
•
Salt Bridge—salt solidifies above water level so that brine water is not in contact with salt. See the
Breaking a Salt Bridge section.

27
Problem Possible Cause What to do
Water hard some-
times Using hot water while the water
softening system is regenerating • Avoid using hot water during water softening
system recharge because the water heater
ZLOOUH¿OOZLWKKDUGZDWHU6HH$XWRPDWLF+DUG
Water Bypass During Recharge section.
Control HARDNESS number set-
ting too low • Press MODE/SET button until arrow points to
HARDNESS. Be sure the number shown is
the same as the actual grains per gallon hard-
ness of your water supply. See Programming
the Control section if a change in setting is
needed.
Grains of hardness in your water
supply have increased • Water hardness can change over time, espe-
cially in well water. To check, have the water
tested by a water analysis laboratory or call
your local water department. Adjust the Hard-
ness number setting as needed.
Water feels slip-
pery after instal-
lation of water
softener
Absence of hardness minerals • This is normal. Hardness in water gives it the
abrasive feel you may have been accustomed
to. The slippery feel is the clean feel of soft
water.
• See the Adjusting your Water Hardness section.
Water Softener not
using any salt Water softening system is a
“demand” unit • Does not use much salt to regenerate - very
HI¿FLHQW
Possible salt bridge • See the Breaking a Salt Bridge section.
Possible plugged nozzle and
venturi • See the Cleaning the Nozzle and Venturi As-
sembly section.
Water is blue color
after water sof-
tener was installed
Acidic water in copper plumbing • Have the water tested at once.
Water softener not
regenerating Meter turbine stuck • See the Manually Initiated Electronics
Diagnostics section for troubleshooting
procedures .
• Call for service.
Sensor wire not plugged into the
control • See the Manually Initiated Electronics
Diagnostics section for troubleshooting
procedures .
• Call for service
No power to unit • Check the circuit breaker or fuses.
Mechanical defect • Call for service.
Cloudiness on
glassware (auto-
matic dishwash-
ers)
Combination of soft water and
too much detergent • This is called etching and is permanent. To pre-
vent this from happening, use less detergent
if you have soft water. Wash glassware in the
shortest cycle that will get them clean..
Before you call for service

28
Before you call for service
Problem Possible Cause What to do
Excessive/high
level of water in
brine tank
Valve drain hose pinched,
plugged, elevated too high or
otherwise restricted
• A restriction in this drain hose may prevent
proper operation of the nozzle and venturi and
reduce or prevent brine draw during recharge.
Drain lines connected together • Separate drain lines.
Nozzle and venturi dirty, incor-
rectly assembled or damaged. • Refer to Cleaning the Nozzle and Venturi As-
sembly instructions. With water pressure to
the water softening system off, take the nozzle
assembly apart. Inspect, clean and replace
as needed. Any foreign particle(s), scratches,
nicks, etc. in the passages can prevent opera-
tion. Be sure holes in the gasket are centered
over holes in the housing
Salty tasting or
brown/yellow
colored water after
installation
Unit not sanitized • Complete Sanitization Procedures.
• At completion of recharge cycle (approx. 2
hours), run water from faucets to purge the
salty water.
Low water pressure Check pressure:
• Drain height 8’ or less, pressure should be
minimum 20 psi.
• Drain height above 8’, pressure should be
minimum 50 psi.
Restricted drain hose • Clean and reconnect hose.
• Check for kinks in drain line
Brown/yellow
colored water Unit was idle for a period of time • Complete the Sanitization Procedures.
Resin beads show-
ing up in drinking
water
Cracked distributor or unit
plumbed backwards • Check softener “IN & OUT” plumbing is correct.
• Call for service.
Sounds you might
hear Running water from the unit into
a drain during recharge • This is normal.
Water has air bub-
bles and is cloudy Air in system after installation • Will go away after it runs for a while.
Blue light Flashing
When power ap-
plied to the system Control needs to be programmed
(a power outage may have oc-
curred)
• See the Programming the Control section.
If “DAYS TO EMP-
7<´LVÀDVKLQJ
Low salt level, less than 15 days • Fill with salt.
• Reset salt level.

29
Problem Possible Cause What to do
Error Codes on
Control Wiring may have worked loose in
the control • Unplug external power supply.
• Remove control cover, release clips on side.
• Check for loose/incorrect wiring connections
to electronic board or switch. Reconnect as
required.
• Reassemble control cover.
• Plug in Transformer.
• Wait 8 minutes for Error Code to reappear.
• If error Code reappears, call for service.
If “Err” in display Electrical problem with system • Call for service.
Before you call for service

Advanced troubleshooting for service
AUTOMATIC ELECTRONIC DIAGNOSTICS
This water softener has
a self-diagnostic function
for the electrical system
(except into power and/or
water meter). The water
softener monitors electronic
components and circuits
for correct operation. If a
malfunction occurs, an error
code appears in the display.
While an error code appears in the display, all buttons
are inoperable except the MODE/SET button. MODE/
SET remains operational so the service person can
perform the Manual Advanced Diagnostics, see below,
to further isolate the problem.
Procedure for removing error code from
display:
1. Unplug transformer from electrical outlet.
2. Correct problem.
3. Plug in transformer.
4. Wait 8 minutes. The error code will return if the
problem was not corrected.
MANUAL INITIATED ELECTRONIC
DIAGNOSTICS
Use the following procedures to advance the water
softener through the regeneration cycles to check
operation.
Lift off the Salt Hole Cover, remove the top cover by
unlocking the tabs in the back and rocking forward,
to observe cam and switch operation during valve
rotation.
1. Press and hold MODE/SET for 3 seconds until the
Set low salt alarm display appears, next press the
MODE/SET button five addition times until “000”
shows in the display, then release, (see Figure 19).
2. The 3 digits indicated water meter operation as
follows: If you don’t get a reading on the display,
with faucet open, pull the sensor from the valve
outlet port. Pass a small magnet back and forth
in front of the
sensor. You
should get a
reading in the
display. If you
get a reading,
shut off water
supply, unhook
the in and
out plumbing
and check
the turbine for
binding
3.
Symbols in the display indicate POSITION switch
operation, (see Figure 19).
4.
Use RECHARGE button to manually advance
the valve into each cycle and check correct switch
operation. NOTE: Be sure water is in contact
with salt, and not separated by a salt bridge (see
Breaking a Salt Bridge section).
5. While in this diagnostic screen, the following
information is available and may be beneficial for
various reasons. This information is retained by
the computer from the first time electrical power is
applied to the electronic controller.
a. Press the UP button to display the
number of days this electronic control has had
electrical power applied.
b. Press the DOWN button to display the
number of regenerations initiated by the
electronic control since the code number was
entered.
6. Press and hold the MODE/SET button until the
mode code (H31 for the GXMH31H) shows in
the display (see Figure 20). This code identifies
the softener mode. If an incorrect model code is
displayed, the softener will operate on incorrect
configurations data.
7. To change the code number, press the UP or
DOWN button until the correct code shows.
8. To return to the present time display, press the
MODE/SET button.
9. Press the MODE/SET button to return to the
present time display. If the code was changed,
make all the timer setting. NOTE: If the control
is left in a diagnostic display or a flashing display
when setting times or hardness, present time
automatically returns if a button is not pressed
within four minutes.
Call for Service
Figure 18
Switch is open Switch is closed
Water Meter Figure 19
7XUELQH
7XUELQH
VXSSRUWDQG
shaft
Motor
Position
VZLWFK
Valve
RXWOHW
6HQVRU
KRXVLQJ
30
Figure 20

31
Advanced troubleshooting for service
NOTE: The control display must show a steady
time (not flashing).
1. Press the RECHARGE button and hold in for
three seconds. RECHARGE begins to flash
as the water softening system enters the
fill cycle of recharge. Remove the brinewell
cover and, using a flashlight, observe fill
water entering the brine tank. If water does
not enter the tank, look for an obstructed
nozzle, venturi, fill flow plug or brine tubing.
See Care and Cleaning of the Water
Softener System section.
2. After observing fill, press the RECHARGE
button to move the water softening system
into brining. A slow flow of water to the drain
will begin. Verify brine draw from the brine
tank by shining a flashlight into the brinewell
and observing a noticeable drop in the liquid
level over an extended period of time (is to
20 minutes).
NOTE: Be sure a salt bridge is not preventing
water from contacting salt. See Care and
cleaning of the water softening system section.
If the water softening system does not draw
brine, check:
nozzle and/or venturi dirty or defective.
defective nozzle and venturi seal.
nozzle and venturi not seated properly
on gasket.
other inner valve defect (rotor seal, rotor
and disc, wave washer, etc.).
restricted drain (check drain fitting and
hose).
NOTE: If water system pressure is low, an
elevated drain hose may cause back pressure,
stopping brine draw.
3. Again, press the RECHARGE button to move
the water softening system into backwash.
Look for a fast flow of water from the drain
hose. A slow flow indicates a plugged top
distributor, backwash flow plug or drain hose.
4. Press the RECHARGE button to move the
water softening system into fast rinse. Again
look for a fast drain flow. Allow the water
softening system to rinse for a few minutes
to flush out any brine that may remain in the
resin tank from the brining cycle test.
5. To return the water softening system to
service, press the RECHARGE button.
Service: Manually Advance Recharge Check
Position Markers
(valve in service)
Motor
Cam
Figure 21
Valve Positions:
Position )XQFWLRQ
6Service
FFill
%5 Brine Fill
%: Back Wash
5Rinse

32
Exploded View
8
7
6
5
11
16
146
5
999
29
4
12
213
3
7
8
9
10
56
56
17
19
20
22
23
23
24
30
6
26
14

3333
Exploded View
Cross-section
View
Seal
Wear Strip
124
109
110
111
112
113
114
116
115
117
118 120
119
146
101
103
105
130
107
108
130
121
148 152
122
123
130
130
132
136
137
138
139 140
141
145
143
152
151
125
148
106

34
Parts List
REF. NO. GE PART NO. PART DESCRIPTION (01)
0002 WS31X10051 BACK COVER, ELECTRONICS 1
0003 WS35X10001 O-RING SEAL KIT 1
0004 WS34X20963 DECAL, FACEPLATE 1
0005 WS07X10004 HOSE, DRAIN, 20 FT. 1
0006 WS31X10044 FILTER SCREEN 1
0007 WS14X10002 DISTRIBUTOR, TOP 1
0008 WS14X10005 DISTRIBUTOR, BOTTOM 1
0009 WS01X10002 RESIN, 1-CU. FT. 1
0010 WS32X10018 TANK, RESIN 10X40
0011 WS31X10052 COVER, TOP 1
0012 WS34X10021 FACEPLATE 1
0013 WS21X20981 CONTROL 1
0014 WS02X20962 CARBON, 26 CU.FT 1
0016 WS26X10013 EXTERNAL POWER SUPPLY
WITH POWER CORD 1
0017 WS31X10053 COVER, SALT HOLE,
WITH LABELS 1
0019 WS33X20961 RIM 1
0020 WS31X10024 COVER, BRINEWELL 1
0022 WS34X10025 BRINEWELL 1
0023 WS02X10088 SCREW KIT, BRINE TANK 1
0024 WS32X10032 TANK, BRINE 1
0026 WS22X10063 OVERFLOW ADAPTER KIT 1
0029 WS15X10077 BRINE VALVE ASM. 1
0030 WS35X10063 FLOAT, STEM & GUIDE 1
0056 WS28X10078 TANK NECK CLAMP KIT 1
0101 WS02X10023 SCREW. #4 - 24 X 34” 2
0103 WS21X10003 SWITCH 1
0105 WS02X10024 SCREW. #10 X 2 5/8” 8
0106 WS31X10013 COVER, VALVE 1
0107 WS03X10034
WASHER WAVE 1
0108 WS26X10010 ROTOR & DISC ASM. 1
0109 WS19X10010 CAP 1
0110 WS03X10011 SEAL, O-RING
1.125 X 1.37 1
G
X
M
H
3
1
H

35
Parts List
REF. NO. GE PART NO. PART DESCRIPTION (01)
0111 WS19X10005 SUPPORT SCREEN 1
0112 WS03X10013 SCREEN 1
0113 WS22X10036 FLOW PLUG, .15 GPM 1
0114 WS08X10008 GASKET, NOZZLE/VENT 1
0115 WS03X10073 CONE SCREEN 1
0116 WS22X10021 PLUG, FILL FLOW .30 GPM 1
0117 WS03X10017
NUT FERRULE 1
0118 WS15X10034 NOZZLE/VENTURI BODY 1
0119 WS03X10018 RETAINER 1
:6; 6($/25,1*Ǝ;Ǝ
0121 WS15X10025 BODY, VALVE 1
0122 WS03X10020 SPRING 1
0123 WS22X10029 PLUG, DRAIN SEAL 1
0124 WS15X10046 NOZZLE/VENTURI ASM. 1
0125 WS03X10043 WAVE SPRING BEARING 1
0130 WS35X10020
SEAL KIT 1
0132 WS22X10065 DRAIN HOSE ADAPTER KIT 1
0136 WS26X10008 CAM & GEAR 1
0137 WS26X10009 BEARING 1
0138 WS26X10023
PLATE, MOTOR 1
:6; 6&5(:;Ǝ
0140 WS26X10021 MOTOR ASM. 1
:6; 6&5(:;Ǝ
:6; $'$37(5±1377+5($'±Ǝ9$/9(
0145 WS60X10008 CLIP 4
0146 WS28X10018
HARNESS WIRE, SENSOR ASSY 1
0148 WS26X10030 TURBINE & SUPPORT ASSEMBLY* 1
0151 WS15X10078 BYPASS ASM. 1
0152 WS03X10072 SEAL, O-RING 4
0998 WS35X10065 INSTALLATION KIT 1
0999 49-50295 OWNER’S MANUAL 1
G
X
M
H
3
1
H
* Includes 2 each of REF. NO. 145 (CLIP) & REF. NO. 152 (O-RING)

36
Warrantor: GE Appliances, a Haier company
All warranty service provided by our Factory Service Centers or an authorized technician. For service,
call toll free 1-800-952-5039. Please have serial number and model number availa ble when calling for
service.
What Is Not Covered:
Service trips to your home to teach you
how to use the product.
Improper installation, delivery or
maintenance.
Failure of the product if it is abused,
misused, altered, used commercially or
used for other than the intended purpose.
Use of this product where water is
microbiologically unsafe or of unknown
quality, without adequate disinfection
before or after the system.
Replacement of house fuses or resetting of
circuit breakers.
Damage to the product caused by accident,
fire, floods or acts of God.
Incidental or consequential damage caused
by possible defects with this appliance, its
installation or repair.
Product not accessible to provide required
service.
If this appliance is used for other than
private family use, the parts, electronic
monitor, and resin tank warranty applies for
only 90 days from the date of purchase.
This warranty is extended to the original purchaser for products purchased for home use within the USA.
If the product is located in an area where service by a GE Appliances Authorized Servicer is not available,
you may be responsible for a trip charge or you may be required to bring the product to an Authorized GE
Appliances Service location for service. In Alaska, the warranty excludes the cost of shipping or service calls
to your home.
Some states do not allow the exclusion or limitation of incidental or consequential damages. This
warranty gives you specific legal rights, and you may also have other rights which vary from state to
state. To know what your legal rights are, consult your local or state consumer affairs office or your
state’s Attorney
General.
EXCLUSION OF IMPLIED WARRANTIES—Your sole and exclusive remedy is product
repair as provided in this Limited Warranty. Any implied warranties, including the
implied warranties of merchantability or fitness for a particular purpose, are limited to
one year or the shortest period allowed by law.
For The Period Of: We Will Replace:
One Year
From the date of the
original purchase
Any part of the Water Softening System which fails due to defect in
materials or workmanship. During this limited one-year warranty,
GE will also provide, free of charge, all labor and related service to
replace the defective part.
Three Years
From the date of the
original purchase
The electronic monitor, if it fails due to a defect in materials or
workmanship. During this three-year limited warranty, you will be
responsible for any labor or related service cost.
Ten Years
From the date of the
original purchase
A replacement resin tank, if it fails due to defect in materials or
workmanship. During this ten-year limited warranty, you will be
responsible for any labor or related service costs.
Water Softening System Warranty
(For Customers in the U.S.)

37
WARRANTOR IS NOT RESPONSIBLE FOR CONSE QUEN TIAL DAMAGES.
Warrantor: MABE CANADA INC.
All warranty service provided by our Factory Service Centers or an authorized technician. For service,
call toll free 1-866-777-7627. Please have serial number and model number availa ble when calling for
service.
What Is Not Covered:
Service trips to your home to teach you
how to use the product.
Improper installation, delivery or
maintenance.
Failure of the product if it is abused,
misused, altered, used commercially or
used for other than the intended purpose.
Use of this product where water is
microbiologically unsafe or of unknown
quality, without adequate disinfection
before or after the system.
Replacement of house fuses or resetting of
circuit breakers.
Damage to the product caused by accident,
fire, floods or acts of God.
Incidental or consequential damage caused
by possible defects with this appliance, its
installation or repair.
Product not accessible to provide required
service.
If this appliance is used for other than
private family use, the parts, electronic
monitor, and resin tank warranty applies for
only 90 days from the date of purchase.
This warranty is extended to the original purchaser for products purchased for home use within Canada.
In-home warranty service will be provided in areas where it is available and deemed reasonable by Mabe
to provide.
EXCLUSION OF IMPLIED WARRANTIES—Your sole and exclusive remedy is product
repair as provided in this Limited Warranty. Any implied warranties, including the
implied warranties of merchantability or fitness for a particular purpose, are limited to
one year or the shortest period allowed by law.
For The Period Of: We Will Replace:
One Year
From the date of the
original purchase
Any part of the Water Softening System which fails due to defect in
materials or workmanship. During this limited one-year warranty,
GE will also provide, free of charge, all labor and related service to
replace the defective part.
Three Years
From the date of the
original purchase
The electronic monitor, if it fails due to a defect in materials or
workmanship. During this three-year limited warranty, you will be
responsible for any labor or related service cost.
Ten Years
From the date of the
original purchase
A replacement resin tank, if it fails fails due to defect in materials
or workmanship. During this ten-year limited warranty, you will be
responsible for any labor or related service costs.
Water Softening System Warranty
(For Customers in the Canada)

For Iowa Use Only
FOR IOWA USE ONLY
All sales in Iowa require the following signature before consummation of sale. These signatures
must be retained by seller/renter for 2 years minimum.
Buyer/Renter ______________________________________________ Date _______________
Seller ____________________________________________________ Date _______________
Seller’s Address ________________________________________________________________
Seller’s Phone No. ______________________________________________________________
Model GXMH31H
38

Notes
39

Notes
40

Información sobre Seguridad ....42
Especificaciones y Dimensiones ....
43
Acerca del Suavizante ........45-47
Antes de Comenzar .............48
Requisitos de Instalación ......49-51
Instrucciones de Instalación . . .52-56
Programación del Suavizante . .57-62
Cuidado y Limpieza ..........63, 64
Rutina de Mantenimiento ........65
Antes de solicitar el servicio ........
técnico
......................66-69
Vista Ampliada/ Listado
de Piezas ...................72-75
Garantía (EE.UU.) ..............76
Garantía (Canadá) ..............77
41
Sistemas evaluados y certificados por NSF International
contra stándar 42 de NSF/ANSI para la reducción de
gusto y olor a cloro, y NSF/ANSI Estándar 44 para los
reclamos sobre reducción de químicos especificados en
la página 43, y certificados para NSF/ANSI 372.
CUSA
R
Sistema probado y certificado por Water Quality
Association en cumplimiento con CSA B483.1.
Ante cualquier duda o preocupación sobre la instalación y mantenimiento
del suavizante de agua, comuníquese a nuestro número gratuito al 800-
952-5039 (US) o 866-777-7627 (Canadá), o visite www.geappliances.
com. Al llamar, tenga a mano los números de modelo y de serie de su
producto. Esta información se puede encontrar en la calcomanía de
calificación ubicada en el borde debajo de la tapa de la sal.
GE es una marca registrada de General Electric Company. Fabricado bajo licencia de marca.

42
INFORMACIÓN IMPORTANTE DE SEGURIDAD.
LEA TODAS LAS INSTRUCCIONES ANTES DEL USO
PRECAUCIONES DE SEGURIDAD
ADVERTENCIA
Una tubería de cobre o galvanizada de agua fría
podría usarse para conectar a tierra los
tomacorrientes eléctricos en la casa. No mantener
esta conexión a tierra podría resultar en descargas
eléctricas peligrosas. Si la tubería de agua fría es
usada para conectar a tierra los tomacorrientes, por
favor refiérase a la sección de Cómo instalar el cable
a tierra antes de cortar la tubería.
Revise y cumpla con todos los códigos estatales y
locales. Observe las pautas aquí presentadas.
Tenga cuidado al manipular el sistema de
descalcificación de agua. No lo voltee, deje caer,
arrastre o coloque en protuberancias extremas.
Los sistemas de descalcificación de agua que
utilicen cloruro de sodio (sal) para la recarga
agregan sodio al agua. Las personas que siguen
dietas con restricciones de sodio deben considerar
el sodio adicional como parte de su consumo
general. El cloruro de potasio puede servir como
una alternativa para el cloruro de sodio de su
descalcificador.
Use sólo soldadoras y fundiciones libres de plomo
y para todas las conexiones con estaño, de
acuerdo con lo requerido por los códigos estatales
y federales.
Este sistema suavizante de agua se
deberá instalar y ubicar de acuerdo con las
Instrucciones de Instalación antes de ser usado.
ADVERTENCIA
No usar con agua
que no sea segura
a nivel
microbiológico o que sea de calidad desconocida sin
una desinfección adecuada, antes o después, del
sistema.
ADVERTENCIA
Descarte todas
las piezas sin uso
y materiales de
embalaje luego de la instalación. Las pequeñas
partes restantes luego de la instalación podrían
ocasionar riesgo de obstrucción.
El sistema de descalcificación de agua funciona
solamente con 24 voltios-60 Hz.
Cerciórese de
usar exclusivamente el transformador incluido.
El transformador se debe conectar únicamente
a un tomacorriente interior con conexión a tierra
de 120 voltios.
Utilice únicamente sales para descalcificación
del agua, al menos con 99,5% de pureza. Se
recomiendan las sales en PEPITAS, BOLITAS o
SAL GRUESA SOLAR. No utilice sales en roca,
bloque, granuladas o sales para la elaboración
de helados. Éstas pueden contener suciedad
y sedimentos, o pasta y masa y podrían crear
problemas de mantenimiento.
Mantenga la tapa del orificio de la sal en su lugar
en el descalcificador a menos que esté realizando
mantenimiento o reponiendo la sal.
Estos tipos
de sales pueden contener suciedad y sedimentos
que pueden crear empaste o apelmazamiento,
creando problemas de mantenimiento para el
ablandador de agua.
Evite instalar directamente en contacto con
la luz solar. El exceso de calor solar puede
ocasionar distorsión y otros daños sobre partes no
metálicas.
Si el ablandador de agua es instalado al aire
libre, no lo coloque en una ubicación donde esté
expuesto a climas húmedos, en contacto directo
con la luz solar, temperaturas extremas de calor o
frío, u otras formas de abuso
ADVERTENCIA
Por su seguridad, se debe seguir la información en este manual con
el fin de reducir el riesgo de una descarga eléctrica, daños a la
propiedad o daños personales.
In the state of California: You must turn the Salt
Efficiency Feature setting to ON. This may initiate
more frequent recharges. However it will operate at
4,000 grains per pound of salt or higher. To turn on
the Salt Efficiency Feature, follow the instructions in
the “Salt Saver” section of this manual
In the Commonwealth of Massachusetts,
Plumbing Code 248 CMR shall be adhered to.
Consult with your licensed plumber.
LEA Y GUARDE ESTAS INSTRUCCIONES

43
Reclamos por Especificaciones y Funcionamiento
Este modelo cuenta con una calificación de eficiencia. El índice de eficiencia es válido sólo
con la dosis de sal mínima indicada. El suavizante cuenta con la función de regeneración de
demanda iniciada (demand initiated regeneration, D.I.R.), que cumple con las especificaciones
de funcionamiento para minimizar la cantidad de salmuera regenerante y agua usada en esta
operación.
El suavizante cuenta con una eficacia de la sal evaluada de no menos de 4,000 granos del total
de intercambio de dureza por libra de sal (en base al cloruro de sodio), y no brindará más sal
que la evaluada ni será operado en un índice de flujo de servicio máximo sostenido superior al
evaluado. Se probó que este suavizante brinda agua suave durante por lo menos diez minutos en
forma continua en el índice de flujo de servicio evaluado. La eficacia de la sal evaluada es medida
por evaluaciones de laboratorio descriptas en el Estándar 44 de NSF/ANSI. Estas evaluaciones
representan el máximo nivel de eficacia posible que el sistema puede alcanzar. La eficacia
operativa es la eficacia real luego de que el sistema fue instalado. Es típicamente inferior a la
eficacia, debido a los factores de aplicación individual que incluyen la dureza del agua, el uso del
agua, y otros contaminantes que reducen la capacidad del suavizante.
Este sistema fue evaluado de acuerdo con el Estándar 42 de NSF/ANSI para la reducción de
gusto y olor a cloro. La concentración de la sustancia indicada en agua que ingresa al sistema
fue reducida a una concentración inferior o igual al límite permitido de agua que deja el sistema,
de acuerdo con lo especificado en el Estándar 42 de NSF/ANSI. Mientras que la evaluación fue
realizada bajo condiciones estándares de laboratorio, el funcionamiento real del sistema puede
variar en base a las condiciones del agua locales.

44
Reclamos por Especificaciones y Funcionamiento
(VSHFL¿FDFLRQHV
Modelo GXMH31H
Capacidad Evaluada* (Granos por Dosis de Sal) 11,000 @ 2.6 lbs
24,700 @ 7.8 lbs.
31,100 @ 13.4 lbs.
(¿FDFLD(YDOXDGD*UDQRV/LEUDVGH6DOHQ'RVLVGH6DO0tQLPD 4,240 @ 2.6 lbs..
Agua usada durante la Regeneración (galones/ granos) 5.0 /1000
Agua Total Usada por Regeneración en Dosis de Sal Mínima 54.7 galones
Cantidad de Resina de Intercambio Iónico de Alta Capacidad (lb./ pies cúbicos).
50.81/0.98
Tamaño Nominal del Tanque de Resina (pulg., diám. x altura) 10 x 40
Índice de Flujo del Servicio (gpm) 8.0
Caída de Presión en Flujo del Servicio Evaluado (psig) 6.5
Dureza Máxima del Suministro de Agua (gpg) 120
Hierro Máximo en Agua Pura del Suministro de Agua (ppm)*** 3
Límites de Presión del Agua (psi mínimo- máximo)**** 20-125
Límites de Temperatura del Agua (mín.- máx.ºF) 40-120
Índice de Flujo Máximo al Drenaje (gpm) 2.0
Capacidad Indicada en la Concentración de Cloro****** de 0.50 ppm
0.75 ppm
1.0 ppm
1.5 ppm
2.0 ppm
2,282,000 gal.
1,520,000 gal.
1,140,000 gal.
760,000 gal.
570,000 gal.
Estos sistemas cumplen con los reclamos de capacidad específica de NSF/ANSI 44, de acuerdo con los
verificado y corroborado por datos de evaluaciones.
* La evaluación fue realizada utilizando cloruro de sodio con grados de bolitas de la sal regenerante.
** El índice de eficiencia es válido sólo con la dosis de sal mínima indicada. La eficacia de estos suavizantes fue
evaluada de acuerdo con NSF/ANSI 44.
*** La extension de la eliminación del hierro puede variar con las condiciones. La capacidad de reducir el hierro
del agua pura es corroborada por datos evaluados de WQA. El Estado de Wisconsin requiere tratamientos
adicionales si el suministro de agua contiene un nivel superior a 5 ppm de hierro en agua pura. Consulte la
sección Limpieza del Hierro con el Sistema Suavizante de Agua.
**** Límites de presión en Canadá. 1.4–7.0 kg/cm2.
*****La concentración residencial de cloro típica es de 0.5 a 1.0 ppm.
Reclamos de Funcionamiento
Contaminante
Nivel de
Desafío
del Agua
3UH¿OWUDGD
Nivel Máximo de
Agua Permitida
Bario 10 ±10% mg/L 2.0 mg/L
Radio 226/228 25 pCi/L 5pCi/L
Los parámetros de la evaluación incluyen: pH = 7.5±0.5, índice
GHÀXMR JSP\SUHVLyQGLQiPLFD SVLJ

SERVICIO
Cuando el sistema descalcificador de agua está
proporcionando agua descalcificada, a esto se le llama
“Servicio”. Durante el servicio, el agua dura fluye desde
la tubería de agua principal de la casa hacia el sistema
de descalcificación de agua. En el interior del tanque de
resina del sistema de descalcificación de agua hay una
película o capa compuesta de miles de resinas plásticas
diminutas. Cuando el agua dura pasa a través de la capa,
cada resina diminuta atrapa los minerales duros. A esto se
le llama intercambio de iones. Es como un imán que atrae
y atrapa metales. Luego, el agua sin minerales duros (agua
descalcificada o agua blanda) fluye hacia la casa desde el
sistema de descalcificación.
Después de un período de tiempo, la capa de resina
se obstruye o se satura con los minerales duros y debe
limpiarse. Esta limpieza se denomina recarga. La recarga
comienza a las 2:00 AM (ajustado en fábrica) por el control
del sistema de descalcificación de agua, y consiste en
cinco etapas o ciclos. Éstas son FILL (llenado), BRINING
(proceso de salado), BRINE RINSE (enjuague salado),
BACKWASH (lavado regresivo) y FAST RINSE (lavado
rápido).
CIRCUNVALACIÓN AUTOMÁTICA DEL
AGUA DURA DURANTE LA RECARGA
Durante la recarga, el suavizante de agua se coloca
automáticamente en el modo de tubo de desviación,
permitiendo que el agua dura esté disponible en el
hogar. Una vez que el suavizante es recargado, el
agua es dirigida nuevamente a través del suavizante
para sea acondicionada.
Sin embargo, se debe evitar el uso de agua
CALIENTE debido a que el calentador de agua
se llenará con el agua dura. Espere hasta que el
ciclo de recarga esté completo antes de usar el
agua caliente en su hogar.
LLENADO
La sal disuelta en agua es llamada salmuera. La salmuera
es necesaria para limpiar los minerales duros de las
diminutas partículas de resina. Para formar la salmuera,
el agua fluye hacia el interior del tanque de sal durante el
período de llenado.
SALADO
Durante el proceso de salado, la salmuera se desplaza
del área del tanque de almacenamiento de la sal hacia
el tanque de la resina. La salmuera es el agente de
limpieza necesario para remover los minerales duros de
la capa de resina. Los minerales duros y la salmuera
son descargados hacia el desagüe.
La boquilla y el Venturi crean una succión para mover la
salmuera, manteniendo un ritmo muy bajo para obtener
la resina de limpieza con la menor cantidad de sal.
ENJUAGUE DE SALMUERA
Después de que se use una cantidad de salmuera medida
con anterioridad, la válvula de salmuera se cierra. El agua
continúa fluyendo en la misma trayectoria que durante
el proceso de salado, excepto por el flujo de salmuera
discontinuado. Los minerales duros y la salmuera fluyen del
tanque de resina hacia el desagüe.
LAVADO REGRESIVO
Durante el lavado regresivo, el agua viaja hacia arriba
a través del tanque de resina a un flujo de ritmo rápido,
purgando el hierro acumulado, la suciedad, y los
sedimentos desde la capa de resina hacia el desagüe.
ENJUAGUE RÁPIDO
El lavado regresivo es seguido por un flujo de agua rápido
hacia abajo a través del tanque de resina. El flujo rápido
purga la salmuera del fondo del tanque, y rellena el tanque
de resina.
A continuación del enjuague rápido, el sistema de
descalcificación de agua regresa al servicio de agua
descalcificada.
45
Sobre el sistema de descalcificación de agua
El Ablandador de Agua Híbrido de GE fue diseñado
con dos tipos de medios diferentes, uno de alta calidad
que reduce los gustos y olores y uno de alta eficiencia
que elimina los minerales que generan endurecimiento.
También cuenta con un filtro de limpieza automática de
sedimentos.
Este Ablandador de Agua Híbrido le brinda a usted y
su hogar todos los beneficios del agua blanda, y le
provee una reducción completa del gusto y olor a cloro
en su hogar y la reducción de bario y radio 226/228.
Usted puede contra con agua filtrada en el grifo de su
cocina para la preparación de comida o para beber, en
el baño y en la ducha, lo cual reducirá el efecto estético
del cloro en su piel y cabello, y en cada lavabo de
baño para cepillar sus dientes. No es necesario ningún
cambio de filtros.
En base a la capacidad evaluada por NSF bajo el
Estándar 42 de NSF/ANSI, el Ablandador de Agua
Híbrido de GE tiene una vida útil estimada para la
reducción de gusto y olor a cloro de 10 años.
* La capacidad indicada por NSF es de 570,000
galones.

46
Sobre el sistema de descalcificación de agua
FUNCIONAMIENTO NORMAL,
PANTALLAS DE CONTROL
Durante el funcionamiento normal, la hora
actual del día y AM o PM y DAYS TO EMPTY
(DÍAS HASTA VACIARSE) aparecen en el área
de la pantalla de control.
El sistema se recargará de forma automática
en el tiempo de recarga presente, según sea
necesario.
FUNCIÓN: CONTROLES OPCIONALES
DE RECARGADO
A veces, es posible que usted desee o necesite
una recarga iniciada manualmente. Dos
ejemplos:
Usted ha usado más agua que de
costumbre (huéspedes en la casa, lavado
adicional, etc.) y quizás se quede sin agua
descalcificada antes de la próxima recarga.
Se le acabó la sal al sistema.
Use una de las funciones siguientes para
comenzar una recarga inmediatamente, o en el
próximo inicio de recarga preprogramada.
RECARGAR ESTA NOCHE
Presione (sin mantener presionado) el botón
RECHARGE (Recargar). RECHARGE
TONIGHT (Recargar Esta Noche) titila en
el área de la pantalla de control. Se realizará
una recarga en el próximo tiempo de inicio
de recarga presente. Si decide cancelar esta
recarga, presione el mismo botón una vez más.
RECARGAR AHORA
Mantenga presionado el botón RECHARGE
(Recargar) hasta que RECHARGE NOW
(Recargar Ahora) comience a titilar en el área
de la pantalla de control. El sistema suavizante
de agua inicia una recarga de inmediato y, al
finalizar en unas dos horas, contará con un
nuevo suministro de agua suave. Una vez
iniciada, ya no podrá cancelar esta recarga.
FUNCIÓN: MEMORIA
Si el suministro eléctrico del sistema de
descalcificación de agua es interrumpido,
la pantalla de control estará en blanco, y la
luz indicadora azul se apaga, pero el control
mantiene la hora correcta por seis horas
aproximadamente. Cuando el suministro es
restaurado, usted tendrá que reajustar la hora
actual solamente si la visualización y la luz
indicadora azul están intermitentes. Todos los
otros ajustes se mantienen y nunca requieren
ser ajustados a no ser que usted desee hacer
algún cambio.
Si la hora está intermitente después de una
interrupción prolongada en el suministro
eléctrico, el sistema de descalcificación de
agua continúa operando como debería para
proporcionarle agua descalcificada. Sin
embargo, la recarga podrían ocurrir a la hora
equivocada del día
hasta que usted reajuste el control a la hora
correcta del día.
CARACTERÍSTICA/SERVICIO:
DIAGNÓSTICO ELECTRÓNICO
AUTOMÁTICO
La computadora de control tiene una función
de diagnóstico automático para el sistema
eléctrico (excepto para la energía de entrada
y la medición del agua). La computadora
monitorea
los componentes electrónicos y los circuitos
para una operación correcta. Si ocurre un error,
un código de error aparece en la pantalla de
control.

47
Sobre el sistema de descalcificación de agua
INFORMACIÓN SOBRE LA CONDICIÓN
DEL AGUA
HIERRO
El hierro del agua puede causar manchas en la ropa
y accesorios de plomería. Puede alterar de forma
negativa el sabor de la comida, el agua potable y
otras bebidas. El hierro del agua es medido en
partes por millón (ppm). El ppm de hierro total*, y
el tipo o tipos* es determinado a través de análisis
químicos. Los cuatro tipos de hierro diferentes en el
agua son:
Hierro ferroso (agua potable)
Hierro férrico (agua roja)
Hierro asociado por bacterias y organismos
Hierro asociado en forma coloide e inorgánica
(ferroso o férrico)
El hierro ferroso (agua potable) es soluble y se
disuelve en agua. Este suavizante de agua reducirá
cantidades moderadas de este tipo de hierro (lea las
especificaciones). **El hierro ferroso (agua potable)
normalmente se detecta tomando un ejemplo del
agua en una botella o vaso limpios. Inmediatamente
luego de tomarlos, el ejemplo es claro. A medida
que el ejemplo de agua se asienta, gradualmente se
enturbia y se vuelve levemente amarilla o marrón a
medida que el aire oxida el hierro. Este normalmente
ocurre entre los 15 y 30 minutos.
Al usar el suavizante para reducir el hierro ferroso
(agua potable), agregue 5 granos a la configuración
dura por cada 1 ppm de hierro ferroso (agua
potable). Lea la sección “Configuración del Número
de Agua Dura).
Los hierros férricos (agua roja), y asociados
con bacterias y organismos son insolubles. Este
suavizante de agua no eliminará el hierro férrico
ni las bacterias. Este hierro es visible de forma
inmediata al salir por un grifo, ya que se oxidó antes
de llegar al hogar. Aparece en forma de pequeñas
partículas turbias suspendidas de color amarillo,
anaranjado o rojizo. Una vez que el agua se asentó
por un período de tiempo, las partículas quedan en
el fondo del envase. Generalmente, estos hierros
son eliminados del agua a través del proceso de
filtración. También se recomienda la cloración con el
hierro con bacterias.
El hierro asociado en forma coloide o inorgánico
es de forma férrica o ferrosa que no se filtrará ni
intercambiará fuera del agua. Este suavizante de
agua no eliminará el hierro coloidal. En algunas
instancias, el tratamiento puede mejorar el agua
con hierro coloidal. Normalmente, el agua con hierro
coloidal cuenta con un aspecto amarillento al ser
extraído. Luego de asentarse durante varias horas,
el color persiste y el hierro no se asienta, sino que
permanece suspendido en el agua.
Colloidal and inorganically bound iron is of ferric or
ferrous form that will not filter or exchange out of
water. This water softener will not remove colloidal
iron. In some instances, treatment may improve
colloidal iron water. Colloidal iron water usually has
a yellow appearance when drawn. After standing for
several hours, the color persists and the iron does
not settle,but remains suspended in the water.
FILTRO DE SEDIMENTOS
(INCORPORADO)
El sedimento son partículas de material fino y
extraño suspendidas en el agua. Este suavizante
de agua no eliminará el sedimento. Con gran
frecuencia este material es arcilla o cieno. El filtro
de sedimentos incorporado evita que las partículas
grandes de sedimento ingrese al sistema de
plomería de su hogar. A medida que el agua pasa a
través del ablandador, las partículas más grandes de
sedimento son recolectadas en la canasta integrada
y luego enjuagadas en el drenaje antes de cada
regeneración. La función del filtro de sedimentos
brinda protección adicional para electrodomésticos
que utilizan agua, reduciendo la posibilidad de que
las partículas grandes ingresen a diferentes válvulas
y pantallas de los productos.
IMPORTANTE: El filtro de sedimentos no cumple la
función de reemplazo del filtrada del pretratamiento.
En aplicaciones que presentan problemas con
el agua, se recomienda el filtrado de sedimentos
adicional.
CLORO
Las resinas suavizantes se pueden degradar en
presencia de cloro sobre 2 ppm. Si el cloro excede
esta cantidad, es posible que la resina experimente
un período de duración más corta. En estas
condiciones, es recomendable considerar la compra
de un sistema de filtración para hogar GE Point-Of-
Entry con un filtro para la reducción de cloro.
* El agua puede contener uno o más de los cuatro
tipos de hierro y cualquier combinación de estos. El
hierro total es la suma de los contenidos.
** La capacidad de reducir el hierro del agua potable
es corroborada por datos evaluados de WQA.

48
Antes de comenzar
Abrazaderas
de la Manguera Adaptador Para
Desborndes Arandela
Aislante Anillos O Grasa de
Silicona
INSPECCIÓN DEL ENVIO
Asegúrese de que todas las piezas que aparecen a continuación estén presentes. Cualquier pieza adicional
necesaria para completar la instalación deberá ser comprada. Controle detenidamente que el suavizante
de agua no haya sufrido daños ni pérdidas de piezas durante el envío. También inspeccione y observe
cualquier daño sobre la caja enviada.
Retire y descarte (o recicle) todos los materiales de embalaje. A fin de evitar la pérdida de piezas
pequeñas, sugerimos que conserve las mismas en la bolsa de piezas hasta que se deban usar.
ANTES DE COMENZAR
El suavizante de agua requiere un flujo mínimo de agua de 3 galones por minuto en la entrada. La
presión de entrada de agua máxima tolerable es de 125 psi. Si la presión del día supera los 80 psi,
es posible que la presión nocturna supere el máximo. Si es necesario, utilice una válvula de reducción
de presión (agregar una válvula de reducción de presión puede reducir el flujo). Si su hogar está
equipado con un preventor de flujo regresivo, se deberá instalar un tanque de expansión de acuerdo
con los códigos y leyes locales.
El suavizante de agua utiliza un suministro de corriente externa conectado en forma directa (incluido).
Asegúrese de usar el suministro de corriente incluido y enchufe el mismo en un tomacorriente de
hogar con ciclo nominal de 120V, 60 que se encuentre en una ubicación seca, conectado a tierra y
correctamente protegido por un dispositivo de sobrecarga de corriente tal como un disyuntor o fusible.
Este sistema no se debe usar con agua que no sea segura a nivel microbiológico o que sea de calidad
desconocida sin una desinfección adecuada, antes o después, del sistema.
Válvula del Tubo de
Desviación
Manguera de
Drenaje
Sujetadores Adaptadores
para la
Instalación
Pinzas
Destornillador
Cinta de teflón
Cuchillo filoso
Dos llaves ajustables
2 accesorios para conectar la tubería de su
residencia a las roscas hembras NPTF de 2,5 cm
(1”) en el alojamiento del filtro.
Es posible que se necesite partes adicionales para
completar la instalación:
• Abrazaderas de toma de tierra aprobadas por UL
y cable de toma de tierra de cobre calibre 6.
HERRAMIENTAS Y MATERIALES REQUERIDOS PARA LA INSTALACIÓN
NOTA: El incumplimiento de estas instrucciones de instalación anulará la garantía del producto,
y el instalador será responsable por cualquier servicio, reparación o daños ocasionados de ese
modo.
Descarte todas las piezas sin uso y materiales de embalaje luego de
la instalación. Las pequeñas partes restantes luego de la instalación
podrían ocasionar riesgo de obstrucción.
ADVERTENCIA

49
Requisitos de Instalación
ORDEN ADECUADO PARA INSTALAR EL EQUIPAMIENTO PARA EL TRATAMIENTO
DEL AGUA
Bomba
del Pozo
Suministro de Agua de Pozo
Suministro de Agua de la Ciudad
O
Tanque de
Presión
Filtro de
Sedimento
Opcional
Calentador
de Agua Suavizante
de Agua
Agua Caliente a
la Casa
Agua Fría a la Casa
Agua no Tratada ha-
cia Grifos Externos
3-3/4" 14-7/16"
22-7/16"
47-5/8"
41-1/2"
ENTRADA
SALIDA
VISTA SUPERIOR
ADENTRO- AFUERA
VISTA LATERAL VISTA FRONTAL
Válvula de
cierre
REQUISITOS DE UBICACIÓN
Considere todo lo siguiente al seleccionar una ubicación
de instalación del suavizante de agua.
No coloque el suavizante de agua donde haya
temperaturas heladas. No intente tratar el agua
a más de 120 ºF. Los daños por temperaturas
heladas o agua caliente anulan la garantía.
Para acondicionar toda el agua del hogar, instale
el suavizante de agua cerca de la entrada del
suministro de agua, y antes que todas las demás
conexiones de plomería, excepto las tuberías
de agua externas. Las grifos externos deberían
permanecer con agua dura para evitar el desperdicio
de agua y sal acondicionada.
Un drenaje cercano es necesario para arrastrar el
agua echada (drenada) para regeneración. Use un
drenaje por suelo, tubería de lavandería, sumidero,
tubería vertical, u otras opciones (consulte los
códigos locales). Consulte las secciones “Requisitos
de Espacio Libre” y “Requisitos de Drenaje con
Válvula”.
El suavizante de agua utiliza un suministro de
corriente externa conectado en forma directa
(incluido). Asegúrese de usar el suministro de
corriente incluido y enchufe el mismo en un
tomacorriente de hogar con ciclo nominal de
120V, 60 que se encuentre en una ubicación seca,
conectado a tierra y correctamente protegido por un
dispositivo de sobrecarga de corriente tal como un
disyuntor o fusible.
Siempre instale el suavizante de agua entre la
entrada de agua y el calentador de agua. Cualquier
otro equipamiento para el acondicionamiento de agua
debería ser instalado entre la entrada de agua y el
suavizante de agua (Consulte la Figura siguiente).
Si el ablandador de agua es instalado al aire libre, no
lo coloque en una ubicación donde esté expuesto a
climas húmedos, en contacto directo con la luz solar,
temperaturas extremas de calor o frío, u otras formas
de abuso.
NO HAGA CORRER AGUA CALIENTE A TRAVÉS
DEL SUAVIZANTE La temperatura del agua que
pasa a través del suavizante deberá ser inferior a
120º F.
Evite la instalación directamente en contacto con la
luz solar. El exceso de calor solar puede ocasionar
distorsión y otros daños sobre partes no metálicas.
Cuando se instale en una ubicación exterior, deberá
realizar los pasos necesarios para asegurar que el
ablandador, la plomería y cableado de instalación,
estén protegidos de los factores climáticos, luz
solar directa, contaminación, vandalismo, insectos,
alimañas, etc.
No instale el suavizante donde pueda bloquear el
acceso al calentador de agua o el acceso al cierre
principal del agua.
DIMENSIONES

50
Requisitos de Instalación
CÓDIGOS DE PLOMERÍA
Toda la plomería deberá ser completada de
acuerdo con los códigos de plomería nacional,
estatal y local.
En el estado de Massachusetts: En el
Commonwealth de Massachusetts, se deberá
cumplir con el Código de Plomería 248 CMR. Se
deberá contratar a un plomero matriculado para
esta instalación.
REQUISITOS DE ESPACIO LIBRE
Es necesario un drenaje para el agua
de regeneración (Ver la Figura 1). Es
recomendable un drenaje por el suelo, cerca
del suavizante de agua. Otras opciones de
drenaje son una tubería para lavandería, un
tubo vertical, etc. Coloque de forma segura
la manguera de la válvula de drenaje. Deje
un espacio libre de 1-1/2” entre el extremo
de la manguera y el drenaje. Este espacio
es necesario para evitar el flujo regresivo de
agua de cloaca en el suavizante de agua. No
coloque el extremo de la manguera de drenaje
en el drenaje.
REQUISITOS DEL DRENAJE CON
VÁLVULA
Para el uso de una manguera de drenaje
flexible (incluida) (vea la Figura 2), mida y
corte hasta la extensión necesaria. El uso
de mangueras de drenaje flexible no está
permitido en todas las localidades (consulte sus
códigos de plomería). Si los códigos locales no
permiten el uso de una manguera de drenaje
flexible, se deberá usar un drenaje con válvula
rígida. Adquiera un accesorio de compresión
(tubo mínimo de 1/4 NPT x 1/2 pulgada) y
un tubo de ½” en su tienda local. Instale un
drenaje rígido según sea necesario (Vea la
Figura 3).
NOTA: Evite que la manguera de drenaje
supere los 30 pies. Evite elevar la manguera
más de 8 pies sobre el piso. Haga que la línea
de drenaje con válvula sea tan corta y directa
como sea posible.
LÍNEA DE DRENAJE FLEXIBLE
LÍNEA DE DRENAJE RÍGIDO
DRENAJE
POR SUELO TUBO
VERTICAL TUBERÍA DE
LAVANDERÍA
Espacio
libre de
1-1/2”
Espacio
libre de
1-1/2”
Espacio
libre de
1-1/2”
Manguera
de Drenaje Man-
guera
de
Drenaje
Manguera
de Drenaje
Figura 1
Figura 3
Sujetador Rosca NPT
de ¼”
Tubo de cobre
con diámetro
exterior de 1/2”
(no provisto)
Accesorio de
compresión NPT
de 1/4” x tubo
O.D. de 1/2” (no
provisto)
Corte las puntas del codo de
drenaje con válvula (empuje
la abrazadera y retire el codo
de la válvula de drenaje de la
válvula)
Puntas
Puntas para tubería de
I.D. de 3/8”
Abrazadera de
la Manguera
Manguera de
drenaje
Rosca NPT de ¼”
Adaptador de la
Manga de Drenaje Figura 2

51
Requisitos de Instalación
REQUISITOS DE PLOMERÍA INTERIOR/
EXTERIOR
Siempre instale una válvula de desviación simple
(provista), como se muestra en la Figura 4, o, si lo
desea, puede adquirir y ensamblar piezas para un
sistema de desviación de 3 válvulas (no incluido),
como se muestra en la Figura 5. Las válvulas
de desviación le permiten cerrar el agua en el
suavizante para el mantenimiento si es necesario,
pero aún tener agua en las tuberías de la casa.
Los accesorios para tubería deberán ser como
mínimo de 1/2”. Uso:
Tubería de cobre
Tubería roscada
Tubería PEX (Polietileno Entrecruzado)
Tubería de plástico de CPVC
Otra tubería aprobada para uso con agua potable
IMPORTANTE: No suelde con la tubería adjunta a
los adaptadores de instalación y a la válvula de
desviación simple. El calor de la soldadura dañará
los adaptadores y la válvula.
ADVERTENCIA
Una tubería de cobre o galvanizada de agua fría
podría usarse para conectar a tierra los
tomacorrientes eléctricos en la casa. No mantener
esta conexión a tierra podría resultar en descargas
eléctricas peligrosas. Si la tubería de agua fría es
usada para conectar a tierra los tomacorrientes, por
favor refiérase a la sección de Cómo instalar el cable
a tierra antes de cortar la tubería.
3-SISTEMA DE DESVIACIÓN CON VÁLVULA
Para el servicio con agua suave: Abra las
válvulas internas y externas y cierre la válvula de
desviación.
Para desviar agua dura: Cierre las válvulas
internas y externas y abra la válvula de desviación.
3 DESVIACIÓN CON VÁLVULA
Válvula del
Tubo de
Desviación
Válvula de
Salida Válvula
de
Entrada
Desde el Suavi-
zante de Agua
Al Suavizante de
Agua
Figura 5
SINGLE BYPASS VALVE
Empuje hacia afuera
para el “Servicio” (Agua
suave)
Empuje hacia
adentro para
la “Desviación
”
Figura 4
Adaptadores para
la instalación

52
Instrucciones de Instalación
INSTALACIÓN TÍPICA
Figura 8
Turbina
Conexión de salida de la válvula
Eje y soporte de la turbina
NOTA: Asegúrese de que la turbina y el soporte estén
firmemente en sus lugares en la conexión de salida de la
válvula. Sople hacia el puerto de la válvula y observe que la
turbina rote libremente.
• Retire el enchufe y el cable del embalaje plástico de la conexión de salida de la válvula.
Sujetadores
Entrada
Salida
Anillo O
lubricado Válvula de
Desviación Simple
Anillo O
Adaptador
Roscado
NPTM de 1”
Adaptador de
Transpiración
NPTF de 1”
(no incluido)
Tubería
Abrazadera
con Conexión
a Tierra
Espacio
libre de
1-1/2”
Drenaje por Suelo
Asegure la Manguera de
Drenaje de la Válvula so-
bre el Drenaje por Suelo
Manguera de Desborde
del Salmuera Tanque*
Adaptador para
Desbordes
Abrazadera con
Conexión a Tierra
Agua
Acondicionada
Tubería de Agua
Principal
Ensamble de
la Válvula de
Desviación
Transfor-
mador de
Conexión
Al
Controlador
Adaptador
de la Manga
de Drenaje
Manguera de
Drenaje a la
Válvula*
*No conecte la manguera
de drenaje de la válvula del
suavizante de agua al desborde
del tanque de almacenamiento
de sal
NOTA: Consulte la sección “Requisitos
del Espacio Libre”.
Figura 6
Figura 7
Agua Dura
Entrante
Agua Dura
hacia Grifos
Externos
Cubierta
Superior
Salmuera
Tanque
(Almacenamiento
de Sal)
Sujetadores
Alambre para hacer tierra
(no incluido)
Abrazadera
(no incluido)

Instrucciones de Instalación
CIERRE EL SUMINISTRO DE AGUA
1. Cierre la válvula del suministro principal de agua, ubicada
cerca de la bomba del pozo o del medidor de agua.
2. Abra todos los grifos para drenar toda el agua de las
tuberías de la casa.
NOTA: Asegúrese de no drenar el agua del calentador
de agua, ya que esto podría ocasionar daños sobre los
elementos del calentador de agua.
INSTALE EL ADAPTADOR DE
DESBORDE DEL TANQUE DE
SALMUERA
Instale la arandela aislante y el adaptador de desborde del
tanque de salmuera en el agujero de 13/16” de diámetro en la
parte trasera de la pared lateral del tanque de almacenamiento
de sal; (consulte la Figura 9).
NOTA: El
adaptador
de desborde del tanque de salmuera
acepta una manguera I.D. de ½” o 3/8”.
INSTALE LA VÁLVULA DE DESVIACIÓN
NOTA: Para una instalación fácil, retire la tapa superior. Libere
las 2 abrazaderas de la parte trasera de la tapa. Rote la tapa
hacia adelante y levante la misma.
1. Retire dos abrazaderas de las puertas de entrada y salida de
la válvula del suavizante de agua y visualmente controle y
retire cualquier escombro; (consulte la Figura 7).
2. Asegúrese de que el ensamble de la turbina gire libremente
en el puerto de “salida” de la válvula; (consulte la Figura 8).
3. Si aún no se realizó, coloque una cobertura luminosa de
grasa de silicona (a condición de que) en los anillos o de
desviación simple; (consulte la Figura 7).
4. Empuje la válvula de desviación simple sobre la válvula
del suavizante tanto como sea posible. Presione las dos
abrazaderas de sujeción en sus lugares, desde la parte
superior hacia abajo; (consulte las Figuras 7 y 10).
IMPORTANTE: Asegúrese de que las abrazaderas queden
firmes, de modo que la válvula de desviación simple no se
suelte.
MUEVA EL SUAVIZANTE DE AGUA A SU
LUGAR
ADVERTENCIA
Riesgo de Peso Excesivo
Cuente con la ayuda de dos o más personas para
mover e instalar el suavizante de agua. Si esto no
se hace, se podrán producir lesiones de espalda
u otras lesiones.
1. Mueva el suavizante de agua hasta la ubicación deseada.
Coloque el mismo sobre una superficie sólida y nivelada.
IMPORTANTE: No coloque cuñas directamente debajo del
tanque de almacenamiento de sal para nivelar el suavizante. El
peso del tanque, cuando esté lleno de agua y sal, podrá hacer
que se fracture en la cuña.
ENSAMBLE CORRECTO
Diámetro exterior del
canal de la abraza-
dora en la válvula de
desviación simple
Abrazadera
Diámetro exterior de
entrada y salida de la
válvula del suavizante
de agua
NOTA:
Asegúrese de que las 3 lengüetas de la abrazadera
atraviesen los agujeros correspondientes en la entrada y
salida de la válvula del suavizante de agua, y completamente
en el canal en la válvula de desviación simple. Asegúrese de
que las lengüetas estén completamente apoyadas.
Figura 10
VÁLVULA DE DESVIACIÓN SIMPLE
Si se conecta a la plomería
a nivel del suelo, instale
la válvula de desviación
girada hacia abajo, como se
muestra.
Tapa
de la
Sal
Tapa del
Pozo de
Salmuera
Salm-
uera
Tanquel
Tubo de
Su-
jeción
Válvula de
la Salm-
uera Caña de
Flotación
Pozo de
Salmuera
Tubería de
la Salmuera
Adaptador
de Desborde
del Tanque
de Salmuera
Arandela
Aislante
Agujero
Tuerca –
Abrazadera de
Refuerzo
Ensamble
de Boquilla
y Venturiy
Figura 9
Nota: La unidad se muestra sin la tapa
superior..
53

54
Instrucciones de Instalación
COMPLETE LA PLOMERÍA DE ENTRADA Y
SALIDA
ADVERTENCIA
Una tubería de
cobre o
galvanizada de
agua fría podría usarse para conectar a tierra los
tomacorrientes eléctricos en la casa. No mantener esta
conexión a tierra podría resultar en descargas eléctricas
peligrosas. Si la tubería de agua fría es usada para
conectar a tierra los tomacorrientes, por favor refiérase a
la sección de Cómo instalar el cable a tierra antes de
cortar la tubería.
IMPORTANTE: Este ablandador de agua cuenta con
un sistema de válvula no metálico. Instalar el mismo
en una tubería metálica interrumpirá la continuidad
eléctrica, lo cual podrá interrumpir la conexión a tierra
del hogar. Deberá restablecer la continuidad eléctrica
en su sistema de plomería metálico.
Si instala un sistema de desviación de 3 válvulas
(Figura 5), la continuidad eléctrica se podrá mantener.
Si instala la válvula de desviación no metálica (Figura
11), consulte la sección de Instalación del Cable a
Tierra antes de cortar la tubería.
Mida, corte y de forma floja ensamble la tubería y
accesorios de la tubería principal de agua a los puertos
de entrada y salida de la válvula del suavizante
de agua. Asegúrese de mantener los accesorios
totalmente juntos, y las tuberías de forma rígida y
derecha. ASEGÚRESE DE QUE EL SUMINISTRO
DE AGUA DURA SEA DIRIGIDO AL PUERTO DE
ENTRADA DE LA VÁLVULA DEL SUAVIZANTE.
NOTA: La entrada y salida están marcadas sobre la
válvula del suavizante de agua. Trace la dirección del
flujo de agua para asegurar que el agua dura va hacia
la entrada.
IMPORTANTE: Asegúrese de encajar, alinear y
sostener toda la plomería, a fin de evitar poner tensión
sobre la entrada y salida de la válvula del suavizante
de agua. La tensión sobre la plomería por falta de
alineación o sostén puede ocasionar daños sobre la
válvula.
• Si realizará una instalación con cobre soldado,
realice todas las soldaduras con el metal ya en
la cavidad antes de conectar las tuberías a los
adaptadores de NPT y la válvula de desviación. El
calor de la linterna daña las partes plásticas.
ADVERTENCIA
Si se harán soldaduras para la conexión
de las tuberías, use sólo soldadoras y
fundidores libres de plomo para evitar el
envenenamiento con plomo.
• Al girar los accesorios de las tuberías roscadas en los
accesorios de plástico, tenga cuidado de no cruzar las
roscas.
• Use Cinta de Teflón en todas las roscas de tuberías
externas.Complete la tubería interna y externa sobre
el tipo de tubería que usará. Asegure la abrazadera
con conexión a tierra a las tuberías de metal.
INSTALACIÓN DEL CABLE DE TIERRA
NOTA: Si la tubería de su casa es de plástico no debería ser
usada para efectuar la conexión de tierra, y este paso puede
ser obviado.
I
MPORTANTE: Una tubería de agua fría galvanizada
interiormente o de cobre es usada muy a menudo para
conectar a tierra los tomacorrientes eléctricos en las casas.
Una toma de tierra lo protege de descargas eléctricas.
El alojamiento del filtro de agua pudo haber interrumpido la
trayectoria de tierra. Para restablecer la conexión, instale un
cable de cobre de 45,7 cm (18”), de calibre 6 a través del
filtro, fuertemente sujeto utilizando abrazaderas de tierra de
bronce de 1,3 a 2,5 cm (1/2” a 1”) aprobada por UL en ambos
extremos de la línea como se muestra en la ilustración. No se
deben usar abrazaderas de cinc en tuberías de cobre. El cable
y las abrazaderas pueden ser compradas por separado en su
ferretería local.
1.
Limpie la tubería de cobre y los extremos del cable con
papel de esmeril. Se recomienda que utilice cable desnudo. Si
utiliza cable aislado, las puntas deberían estar desnudas de su
protector, aproximadamente 1,9 cm (3/4”) antes de proceder a
limpiarlas con papel de esmeril.
2.Sujete las abrazaderas de bronce a la tubería. Apriete los
tornillos.
3.Sujete el cable a las abrazaderas tal como se muestra en la
figura. Apriete los tornillos.
NOTA: Si instalará un filtro para sedimentos u
otro ítem(s) en el sistema de plomería, junto con
el ablandador de agua, asegúrese de restablecer
la continuidad eléctrica en todas las secciones
eliminadas de la tubería metálica.
Figura 11
Figura 12
Alambre para
hacer tierra
Abrazadera (2)

55
Instrucciones de Instalación
INSTALE LA MANGUERA DE DRENAJE DE LA
VÁLVULA
1. Mida y conecte la línea de drenaje de 3/8” (provista) al
accesorio de drenaje de la válvula del suavizante de
agua. Use un sujetador de manguera para sostener
la misma en su lugar.
NOTA: Evite que la manguera de drenaje supere los 30
pies. Evite elevar la manguera más de 8 pies sobre el
piso. Haga que la línea de drenaje con válvula sea tan
corta y directa como sea posible.
IMPORTANTE: Si los códigos requieren una línea de
drenaje rígida, consulte la sección “requisitos de Drenaje
de la Válvula”.
2. Dirija la manguera de drenaje o la tubería de cobre al
drenaje del suelo u otro punto de drenaje adecuado.
Asegure la manguera de drenaje. Esto evitará los
“latigazos” durante las regeneraciones. Consulte la
sección “Requisitos del Espacio Libre” (Figura 1).
3. Corte y asegure la manguera.
NOTA: El suavizante no funcionará si el agua no puede
salir de la manguera de drenaje durante la recarga.
INSTALE LA MANGUERA DE DESBORDE DEL
SALMUERA TANQUE (DE ALMACENAMIENTO
DE SAL)
1. Mida, corte hasta la extensión necesaria y conecte
la línea de drenaje de 3/8” (provista) al codo de
desborde del tanque de almacenamiento de sal y
asegure la misma con un sujetador de mangueras.
2. Dirija la manguera al drenaje del piso, o hacia
otro punto de drenaje adecuado que no esté más
alto que el accesorio de drenaje en el tanque de
almacenamiento de sal (Éste es un drenaje por
gravedad). Si el tanque se sobrecarga con agua, el
excedente fluye hacia el punto de drenaje. Corte la
línea de drenaje hasta la extensión deseada y dirija la
misma con cuidado fuera del camino.
IMPORTANTE: Para un funcionamiento adecuado del
suavizante de agua, no conecte la tubería del drenaje de la
válvula del suavizante de agua a la manguera de desborde
del tanque de almacenamiento de sal.
ENJUAGUE EL POLVO FINO DEL CARBÓN
Pequeñas partículas del material de filtrado del carbón
son generadas durante la fabricación y el embalaje.
Estas partículas dejarán el tanque de medios con la
primer agua que circule a través del ablandador. Estos
“polvos finos” del carbón no son nocivos, pero dan al
agua un tono gris y debe ser enjuagado en el drenaje
antes de que el agua del ablandador sea dirigida a los
grifos del hogar o al calentador de agua.
PRECAUCIÓN: A fin de evitar que el agua o la presión
del aire dañen las partes internas del ablandador, y
a fin de expulsar el polvo fino del carbón, virutas de
la tubería u otros residuos de las tuberías de agua,
asegúrese de seguir los siguientes pasos exactamente
como se indica en las instrucciones
1. Asegúrese de que la manguera de drenaje de la
válvula del ablandador esté enganchada, abierta y
dirigida a un drenaje en el piso, tubería de lavandería
u otro tipo de drenaje adecuado.
2. El sistema debe estar conectado a la corriente
eléctrica.
3. Coloque la válvula de desviación en la posición de
“desvío” (consulte la Figura 4). En una válvula simple,
deslice el vástago hacia adentro en dirección al
desvío. En un desvío de 3 válvulas, cierre las válvulas
de entrada y salida y abra la válvula del desvío.
4. Abra completamente la válvula de cierre de la tubería
de agua principal del hogar.
5. Inicie una regeneración manteniendo presionado
el botón RECHARGE (Recarga) durante 3 segundos.
El motor de la válvula comenzará a funcionar y la
válvula avanzará hasta la posición “Fill” (Llenado)
(consulte la Figura 21).
6. Una vez que escuche que el motor de la válvula se
detiene (la válvula en la posición “Llenado”), presione,
pero no lo mantenga presionado, el botón RECHARGE
(Recargar). La válvula avanzará hasta la posición
“Brine” (Salmuera) (consulte la Figura 21).
7. Una vez que escuche que el motor de la válvula
se detiene (la válvula en la posición “Salmuera”),
presione, pero no lo mantenga presionado, el botón
RECHARGE (Recargar). La válvula avanzará hasta la
posición “Backwash” (Lavado Regresivo) (consulte la
Figura 21).
8. Una vez que la unidad esté en la posición de lavado
regresivo, coloque la válvula de desvío en la posición
SERVICE (Servicio) (consulte la Figura 4), exactamente
como se muestra::
(a). Válvula de Desvío Simple: Lentamente, deslice
empujando el vástago de la válvula hacia afuera en
dirección al servicio, realizando varias pausas a fin
de permitir que el ablandador se presurice de forma
gradual. Controle que no haya pérdidas.
(b). Desvío de la Válvula: Cierre totalmente la válvula
de desviación y abra la válvula de salida. Lentamente
abra la válvula de entrada, haciendo varias pausas
para permitir que el ablandador se presurice de
forma gradual. Controle que no haya pérdidas
9. Permita que el ablandador complete el lavado
regresivo y los ciclos de enjuague rápido (toman
aproximadamente 20 minutos). Una vez finalizada la
regeneración, la válvula de suavizante regresa a la
posición de servicio.

Instrucciones de Instalación
PRUEBA DE PÉRDIDAS
Para evitar la presión de aire en el suavizante de
agua y en el sistema de plomería, complete los
siguientes pasos en orden:
1. Abra totalmente dos o más grifos de agua
fría suavizada cerca del suavizante de agua,
ubicado más abajo con relación al flujo desde el
suavizante de agua.
2. Observe el flujo de agua parejo de ambos grifos
abiertos.
3. Luego de unos tres minutes, abra un grifo de agua
caliente hasta que haya un flujo parejo y no hayan
burbujas de aire; luego cierre este grifo.
4. Cierre todos los grifos de agua fría y controle que
no haya goteos en las conexiones de plomería
que realizó.
5. Controle que no haya goteos alrededor de los
sujetadores en la entrada y salida del suavizante.
Si hay una pérdida en un sujetador, despresurice
la plomería (cierre el suministro de agua y abra los
grifos) antes de retirar el sujetador. Al retirar los
sujetadores de la entrada y salida del suavizante,
presione el cuerpo de la válvula de desviación
simple hacia el suavizante (Vea la Figura 14). Un
retiro inadecuado podrá dañar los sujetadores. No
vuelva a instalar los sujetadores dañados.
NOTA: Si este procedimiento es realizado en un
nuevo ablandador, es posible que el agua que
ingresa a través de los grifos quede descolorada.
Esto normalmente sucede la primera vez que
el agua circula a través del fondo de resina. La
decoloración no durará más que algunos minutos.
AGREGUE AGUA Y SAL AL TANQUE
DE ALMACENAMIENTO DE SAL
ADVERTENCIA
RIESGO DE PESO EXCESIVO:
Cuente con la ayuda de dos o más personas para
mover e instalar las bolsas de sal. Si esto no se
cumple, se podrán producir lesiones de espalda u
otras lesiones.
1. Utilizando un envase, agregue alrededor de
tres galones de agua potable en el tanque de
almacenamiento de sal.
2. Agregue sal al tanque de almacenamiento. Use
pepitas, bolitas o sal solar gruesa con menos del
1% de impurezas.
ENCHUFE EL SUAVIZANTE DE AGUA
1. Enchufe el suavizante de agua en un
tomacorriente eléctrico que no esté controlado por
un interruptor.
2. Reemplace la tapa superior.
3. Reemplace la tapa del agujero de sal.
NOTA: El calentador de agua está lleno con agua
dura y, a medida que se use agua caliente, se
volverá a llenar con agua acondicionada. En unos
pocos días, el agua caliente estará completamente
acondicionada. Para poder contar con agua caliente
acondicionada de forma inmediata, espere hasta que
la recarga inicial esté terminada. Luego, drene el
calentador de agua (siguiendo instrucciones para el
calentador de agua), hasta que el agua se enfríe.
DESINFECTE EL SUAVIZANTE DE AGUA/
DESINFECTE LUEGO DEL SERVICIO
1. Abra la tapa del agujero de sal, retire la tapa del
pozo de salmuera y vierta alrededor de 3 oz. (6
cucharones) de blanqueador de hogar en el pozo
de salmuera del suavizante. Reemplace la tapa del
pozo de salmuera.
2. Asegúrese de que la válvula(s) de desviación esté en
la posición de “servicio” (abierta).
3. Comience una recarga (regeneración). Consulte
“Iniciar una Recarga” en la Página 59.
4. Una vez completada la recarga, abra totalmente un
grifo de agua fría, haga que corra el agua desde el
suavizante, y deje que 50 galones corran a través
del sistema. Esto debería tomar por lo menos 20
minutos. Cierre el grifo.
ADVERTENCIA
Descarte todas
las piezas sin uso y materiales de embalaje luego
de la instalación. Las pequeñas partes restantes
luego de la instalación podrían ocasionar riesgo
de obstrucción.
Figure 14
…despresurice la
plomería, luego presione
la Válvula de Desviación
hacia el suavizante.
Si retirará los
sujetadores…
56

Cuando el transformador está enchufado en el
tomacorriente eléctrico, un código de modelo
y número de evaluación (ejemplo: J3.4 & H31)
aparecen en la pantalla. Luego, “12:00 PM”
comienza a titilar. Una flecha aparece junto a
CLOCK (Reloj) en la calcomanía de la placa.
FUNCIONAMIENTO DEL CONTROL:
• CONFIGURACIONES DE CONTROL
REQUERIDAS en la instalación inicial y luego
de un corte de corriente prolongado.
• Use el botón MODE/SET (Modo/
Configuración) para mover la flecha a
la configuración de la función del control
deseada.
• Una vez seleccionado el modo, use los
botones UP (Arriba) y DOWN (Abajo)
para cambiar las configuraciones del
control.
• Presione el botón MODE/SET (Modo/
Configuración) para aceptar los cambios.
• Un “pitido” suena al presionar los botones
para la programación del control. Un pitido
señala un cambio en la pantalla de control.
Pitidos repetidos indican que el control no
aceptará un cambio desde el botón que
presionó, y que debería seleccionar otro
botón.
CONFIGURE LA HORA DEL DÍA
1. Presione el botón MODE/SET (Modo/
Configuración) hasta que la flecha
apunte a CLOCK (Reloj).
2. Presione los botones UP (Arriba) o
DOWN (Abajo) para configurar la hora
actual. UP (Arriba) mueve la pantalla
hacia adelante; DOWN (Abajo) configura
el tiempo hacia atrás. Asegúrese de que AM
y PM estén correctos.
NOTA: Presione los botones y rápidamente
libere para avanzar lentamente por la
pantalla un número a la vez. Sostenga los
botones para avanzar de forma rápida.
3. Cuando se muestre la hora correcta en
la pantalla, presione MODE/SET (Modo/
Configuración) para aceptar.
Salt Level
Clock
Hardness
Recharge
PM
57
Programación del Suavizante de Agua

58
Programación del Suavizante de Agua
CONFIGURE EL NÚMERO DE DUREZA
DEL AGUA
1. Presione el botón MODE/SET (Modo/
Configuración) hasta que la flecha
apunte a HARDNESS (Dureza). Un 25
titilante aparecerá en la pantalla.
2. Presione los botones UP (Arriba) o
DOWN (Abajo) para configurar el número de
dureza del agua.
NOTA: Si el suministro de agua contiene
hierro, compense el mismo valor numérico
a la dureza del agua. Por ejemplo: suponga
que el agua tiene una dureza de 20 gpg y
que contiene hierro de 2ppm. Agregue 5 al
número de dureza por cada 1 ppm o hierro.
En este ejemplo: el número de dureza que
usaría es 30.
3. Cuando la pantalla muestre la dureza
del agua (en granos por galón), presione
MODE/SET (Modo/ Configuración) para
aceptar.
Puede conocer la dureza de su suministro
de agua en granos por galón (gpg) a
través de un laboratorio de análisis del
agua. Si recibe un suministro municipal,
comuníquese a su departamento de
agua local. O llame a Legend Technical
Services (Servicios Técnicos Legend), un
laboratorio independiente, para solicitar
un kit de evaluación de la dureza del
agua al 1.800.949.8220, Opción 4. Si su
informe muestra una dureza en partes por
millón (ppm) o miligramos por litro (mg/l),
simplemente divida esto por 17.1 para
obtener el número equivalente en granos
por galón.
CONFIGURACIÓN DEL TIEMPO
(INICIAL) DE RECARGA
1. Presione el botón MODE/SET (Modo/
Configuración) hasta que la flecha
apunte a RECHARGE (Recargar).
NOTA: En la pantalla se debería visualizar
2:00 AM titilando (por omisión de fábrica).
Éste es un buen momento para que la
recarga se inicie (toma aproximadamente 2
horas) en la mayoría de los hogares, porque
el agua no está en uso. El AGUA DURA es
desviada a los grifos de la casa durante la
recarga.
Si no es necesario ningún cambio, vaya al
paso 3. Para cambiar el tiempo de inicio de la
recarga, siga el paso 2.
2. Presione el botón UP (Arriba) o
DOWN (Abajo) para configurar el tiempo
de recarga inicial deseado. Asegúrese de
observar el AM o PM como hizo al configurar
la hora del día.
3. Presione el botón MODE/SET (Modo/
Configuración) para aceptar.
20 gpg hardness
2 ppm iron x 5 = 10 +10
(times) 30 HARDNESS NUMBER
Salt Level
Clock
Hardness
Recharge
Salt Level
Clock
Hardness
Recharge
AM

CONFIGURE EL NIVEL DE SAL
1. Presione el botón MODE/SET (Modo/
Configuración) hasta que la flecha apunte a
SALT LEVEL (Nivel de Sal).
2. Determine el nivel de sal en el tanque de salmuera
usando la escala numerada al costado del pozo de
salmuera, dentro del tanque de salmuera (vea la
Figura 15).
3. Presione UP (Arriba) o DOWN (Abajo)
para configurar el NIVEL DE SAL, de modo que
coincida con el nivel de la escala numérica del
tanque de salmuera.
NOTA: Cada vez que se presiona un botón se
cambia el nivel por incrementos de 0.5 hasta 8.0.
Ajustar el nivel de sal por debajo de cero hace que
el indicador de SALT LEVEL (Nivel de Sal) quede
en OFF (Apagado).
4. Presione el botón MODE/SET (Modo/
Configuración) para aceptar. La pantalla muestra
el hora actual del día y DAYS TO EMPTY (Días
Hasta Vaciarse).
DÍAS HASTA VACIARSE
Las palabras DAYS TO EMPTY (DÍAS HASTA
VACIARSE) y un número se muestran en la mitad
inferior de la pantalla. Esta información aparece en
el funcionamiento normal de la pantalla. Es para
informar al usuario el número de días antes de que
el nivel de sal en el tanque de salmuera alcance
el Nivel 0. Quedará sal en el tanque de sal, pero
no será suficiente para recargar completamente el
sistema. La sal se debería agregar en este momento
para evitar la formación de agua dura. El valor es
actualizado diariamente y siempre que el valor de
SALT LEVEL (Nivel de Sal) cambie.
NOTA: Durante las primeras semanas de
funcionamiento, DAYS TO EMPTY (Días Hasta
Vaciarse) podrá tener un funcionamiento errático.
Por ejemplo: la luz Indicadora azul podrá titilar,
mostrando que se necesita más sal cuando el
nivel de sal real en el tanque está muy por encima
del Nivel 0. En algunos casos, DAYS TO EMPTY
(Días Hasta Vaciarse) podrá incluso incrementarse
durante un período de varias semanas.
El suavizante de agua tarda un par de meses en
incorporar su patrón de uso del agua. Una vez que
hace esto, determina de forma precisa el patrón
de uso de sal real. Durante este primer período,
controle el nivel de sal cuando la luz azul indicadora
titile. Si el nivel de sal en el tanque está en el Nivel 1
o más, deje que el sistema funcione. Asegúrese de
reiniciar el indicador del nivel de sal cada vez que
agregue sal al sistema.
INICIE UNA RECARGA
Mantenga presionado el botón RECHARGE
(Recarga) por tres segundos, hasta que
“RECHARGE NOW” (Recargar Ahora) comience
a titilar en la pantalla, iniciando la recarga. Esta
recarga aplica el blanqueador desinfectante a través
del suavizante de agua. Cualquier resto de aire en
el suavizante de agua es purgado en el drenaje.
Durante este tiempo, controle periódicamente que no
haya goteos.
NOTA: Al igual que con otras aplicaciones del
sistema de agua, se pueden producir goteos.
Es posible que los goteos no se vean de forma
inmediata. Vuelva a hacer un control 24 horas
después de que el primer ciclo de recarga esté
completo.
Salt Level
Clock
Hardness
Recharge
Salt Level
Clock
Hardness
Recharge
PM
Days to Empty
AM
Days to Empty
59
Programación del Suavizante de Agua
8
7
6
5
4
3
2
1
Figure 15

60
Programación del Suavizante de Agua
CONFIGURACIONES OPCIONALES DEL
CONTROL
La pantalla del controlador cuenta con varias opciones
y funciones.
ALARMA DE SAL BAJA
Una vez activada LOW SALT
ALARM (Alarma de Sal Baja),
sonará el pitido cuando el valor
de DAYS TO EMPTY (Días
Hasta Vaciarse) sea de 15
días o menos. Para cambiar
esta configuración, mantenga
presionado el botón MODE/SET
(Modo/ Configuración) durante
unos 3 segundos o escuche
el pitido. ON (Encendido)
(por omisión de fábrica) u
OFF (Apagado) titilarán en la
pantalla. Presione los botones
UP (Arriba) o DOWN
(Abajo) para pasar esta
función de ON (Encendido)
a OFF (Apagado). Presione
el botón MODE/SET (Modo/
Configuración) para aceptar,
y la pantalla se moverá a PRERINSE ON/OFF
(Pre Enjuague Encendido/ Apagado). Presione los
botones UP (Arriba) o DOWN (Abajo) para
encender u apagar el pre enjuague.
PRE ENJUAGUE
Si el agua contiene sedimentos,
la función de pre enjuague
eliminará los sedimentos del
fondo de resina antes de la
regeneración.
Presione el botón MODE/
SET (Modo/ Configuración) y
la pantalla se moverá al modo
Prerinse Time (Tiempo de Pre
Enjuague). En esta pantalla,
puede ajustar la duración del
pre enjuague presionando los
botones UP (Arriba) o
DOWN (Abajo) . ). Presione
el botón MODE/SET (Modo/ Configuración) para
aceptar, y la pantalla se moverá a Back Wash
(Lavado Regresivo).
LAVADO REGRESIVO Y ENJUAGUE
RÁPIDO
Si siente que el sabor del agua es salado luego de
la regeneración, es posible que necesite incrementar
los tiempos del lavado regresivo y de enjuague
rápido. Los tiempos de los ciclos durante las
regeneraciones son determinados por el controlador
electrónico del suavizante. Sin embargo, puede
incrementar los tiempos del lavado regresivo y
enjuague rápido. Puede agregar hasta 10 minutos.
Para Backwash (Lavado
Regresivo), puede agregar
hasta 10 minutos por
incrementos de 1 minuto,
presionando el botón UP
(Arriba), o restar tiempo
presionando el botón DOWN
(Abajo) .
Para Fast Rinse (Enjuague
Rápido), presione el
botón MODE/SET (Modo/
Configuración) y la pantalla
se mueve a la función de
agregar tiempo de enjuague
rápido. Puede agregar hasta
10 minutos por incrementos
de 1 minuto, presionando el
botón UP (Arriba), o restar
tiempo presionando el botón
DOWN (Abajo) Presione
el botón MODE/SET (Modo/
Configuración) para aceptar,
y la pantalla se moverá a Run
Display (Mover Pantalla).
AHORRO DE SAL
Cuando esta función esté en ON (Encendido), el
suavizante de agua funcionará con un nivel de
eficiencia de la sal de 4000 granos de dureza por
libra de sal o más. (Se podrá recargar con mayor
frecuencia usando dosis de sal inferiores o menos
agua). El suavizante se envía con esta función
configurada en OFF (Apagado).
En el estado de California: Deberá colocar la
Función de Ahorro de Sal en ON (Encendido). Esto
podrá iniciar recargas más frecuentes. Sin embargo,
funcionará en 4,000 granos por libra de sal.
Para colocar el Ahorro de Sal
en ON (Encendido) Presione el
botón Salt Saver (Ahorro de Sal)
una vez hasta que la luz azul de
estado sobre el botón esté en
ON (Encendido).

Programación del Suavizante de Agua
FUNCIÓN: PANTALLA DE OTROS
DATOS
Estos modelos tienen una opción para que la pantalla
indique información diferente. La información mostrada en
la mitad superior de la pantalla puede ser modificada a
una de las siguientes presionando los botones UP (Arriba)
o DOWN (Abajo). :
• CAPACIDAD RESTANTE
– Éste es el porcentaje de
capacidad restante para suavizar
el agua. De forma inmediata luego
de una regeneración, se muestra
el 100%. A medida que se usa
el agua, el porcentaje se reducirá hasta la siguiente
regeneración. Durante las regeneraciones, el porcentaje se
incrementa hacia arriba.
Cuando se muestre el tiempo presente, presione el
botón DOWN (Abajo) ; % Remaining (% Restante)
aparecerá en la pantalla. El valor mostrado está entre
0 y 100 por ciento. El valor se basa en la capacidad de
funcionamiento actual. Presionar el botón UP (Arriba) .
hará que se regrese a la pantalla anterior.
• PROMEDIO DE
GALONES DIARIOS
– La
figura mostrada es el promedio
de galones de agua usados en el
hogar cada día durante el período
de los últimos siete días.
Presione el botón DOWN (Abajo) nuevamente
para mostrar Average Dialy Gallons (Promedio de
Galones Diarios). Average Daily Gallons (Promedio de
Galones Diarios) aparecerá en la pantalla. Este valor es
actualizado cada día a medianoche. Presionar el botón UP
(Arriba) button will return the screen to the previous
display.
• ÍNDICE DE FLUJO, GPM
– Al usar agua suave, esta pantalla
muestra el índice de flujo que pasa
por el suavizante (en galones por
minuto). Cero muestra si el agua
no está pasando por el suavizante.
Presione el botón DOWN (Abajo) nuevamente para
mostrar el índice de flujo. Gallons/Min (Galones/ Mín.)
aparecerá en la pantalla. Este valor es actualizado cada
»VHJXQGR3UHVLRQDUHOERWyQ83$UULED button
will return the screen to the previous display. hará que se
regrese a la pantalla anterior. Presionar el botón DOWN
(Abajo) hará que se regrese a la pantalla del tiempo
actual.
REAJUSTE A FALTA DE FÁBRICA
Para reiniciar el controlador electrónico de todas
las configuraciones al ajuste de fábrica por omisión
(hora, dureza, etc.)
1. Mantenga presionado el botón MODE/SET (Modo/
Configuración) hasta que la pantalla cambie dos
veces y muestre el código del modo titilante.
2. Presione el botón UP (Arriba) para mostrar un
“SoS” titilante.
3. Presione el botón MODE/SET (Modo/
Configuración) y el controlador electrónico se
reiniciará.
4. Configure la hora actual, la dureza, etc., según
se describe en la sección de Programación del
Suavizante de Agua.
Days to Empty
Recharge
Tonight
% Remaining
Days to Empty
Recharge
Tonight
Average Daily
Gallons
Days to Empty
Gallons/Min
61

62
Programación del Suavizante de Agua
MEMORIA POR CORTE DE CORRIENTE
Si se corta la corriente del suavizante de
agua, la “memoria” incorporada en los
circuitos del temporizador mantendrán todas
las configuraciones durante hasta 24 horas.
Mientras la corriente esté cortada, la pantalla
quedará en blanco y el suavizante de agua no
se regenerará. Cuando la corriente eléctrica
sea restablecida, ocurrirá lo siguiente.
Reinicie la hora actual sólo si la pantalla está
titilando. HARDNESS (Dureza) y RECHARGE
TIME (Temporizador de Recarga) nunca
requieren una reconfiguración, a menos que se
desee hacer una modificación. Incluso aunque
el reloj esté incorrecto luego de un corte de
corriente prolongado, el suavizante funciona
como debería para mantener el agua suave.
Sin embargo, las regeneraciones se podrán
producir en la hora del día equivocada hasta
que reinicie el reloj en la hora correcta del día.
NOTA: Si el suavizante de agua se estaba
regenerando cuando se produjo el corte de
corriente, ahora finalizará el ciclo.
LUZ AZUL INDICADORA
La luz azul pareja indica que la unidad está
funcionando correctamente. La luz titila cuando
la unidad necesita atención por parte del
usuario.
• La luz también titilará hasta que el
encendido se haya interrumpido. Controle
la configuración de PRESENT TIME (Hora
Actual).
• La luz titila y DAYS TO EMPTY (Días Hasta
Vaciarse) titila – controle el nivel de sal y
agregue sal según se requiera.
• La luz titila y Err aparece en la pantalla –
problema eléctrico con el sistema.
SEÑAL DE NIVEL DE SAL BAJO
Cuando la función DAYS TO EMPTY (Días
Hasta Vaciarse) cae a 15, la luz azul
indicadora y DAYS TO EMPTY (Días Hasta
vaciarse) en la pantalla titilarán cada un
segundo y la alarma emitirá un pitido cada
30 segundos (de 8:00 AM a 8:00 PM), a fin
de notificar al usuario que la unidad está
funcionando con un nivel de sal bajo. Tan
pronto como se presione cualquier botón, la
alarma dejará de sonar. La luz azul indicadora
y DAYS TO EMPTY (Días Hasta Vaciarse)
continuarán titilando. Una vez que se agregue
sal al tanque de salmuera y SALT LEVEL
(Nivel de Sal) sea reiniciado, la función DAYS
TO EMPTY (Días Hasta Vaciarse) será
reiniciada.
SEÑALES DE
ERROR
Si se detecta un código
de error, la luz azul
indicadora titilará 4
veces por segundo, en
la pantalla titilará Err y la alarma sonará cada
30 segundos (de 8:00 AM a 8:00 PM) para
señalar que el suavizante requiere el servicio.
La alarma se puede apagar presionando
cualquier botón, pero la luz azul indicadora y la
pantalla continuarán titilando.
Desconecte el transformador del tomacorriente
de pared de forma momentánea, y vuelva
a conectar el mismo. Aparecerá la pantalla
normal. El motor podrá funcionar por varios
minutos, a medida que la unidad se reinicia. Si
el problema no es corregido, el código de error
volverá a aparecer en 8 minutos. Consulte la
sección Antes de Llamar al Servicio Técnico
para recibir asistencia sobre la solución de
problemas con el suavizante de agua.
Call for Service

63
Cuidado y limpieza
AJUSTE DE LA DUREZA DEL AGUA
La perilla de ajuste de mezcla (Figura 16) le da la posi-
bilidad de ajustar finamente la dureza del agua tratada,
dejando el suavizante de agua. Si se desea un agua un
poco más dura que aquella normalmente provista por
el suavizante de agua, la perilla de ajuste de mezcla
puede desviar un pequeño flujo de agua dura y mezclar
ésta con el agua suave que entra al hogar. La cantidad
de agua desviada es controlada girando una perilla de
ajuste de mezcla en la tapa de la caña de la válvula.
NOTA: Para obtener el rendimiento completo del suavi-
zante de agua, deje la válvula de mezcla en la posición
cerrada configurada de fábrica.
Para hacer ajustes sobre la dureza del agua:
1.
Sostenga la manija de desviación para evitar que
la caña de la válvula rote (lea la figura 16). Afloje la
tuerca hexagonal en la perilla de ajuste de mezcla
girando la tuerca hexagonal en contra de las agujas
del reloj.
2. PARA INCREMENTAR LA DUREZA: Con la
desviación en la posición del servicio (lea la figura
16), sostenga la manija para evitar que la caña
de la válvula rote, y gire la perilla de ajuste de
mezcla en contra de las agujas del reloj hasta 2
vueltas desde la posición cerrada. Se recomienda
hacer ajustes por incrementos de un cuarto
durante varias semanas, hasta que se logre el
nivel de dureza deseado. NOTA: Una vez que se
realiza un ajuste sobre la perilla de la válvula de
mezcla, es posible que lleve varios días observar
el cambio en la dureza del agua en los grifos o
las flores del hogar. Esta demora se debe a las
grandes cantidades de agua ya acondicionada en
las tuberías y el calentador de agua, que se debe
cambiar antes de que se observe una modificación
en la dureza. Solicite que se evalúe el agua para
determinar su nivel de dureza.
3. PARA REDUCIR LA DUREZA: Con la desviación
en la posición del servicio (vea la figura 16),
sostenga la manija para evitar que la caña de la
válvula rote, y gire la perilla de ajuste de mezcla a
favor de las agujas del reloj. Cuando la perilla ya
no gire, el agua dura ya no se está mezclando en
el agua suave.
4.
Una vez que se logre la dureza deseada, ajuste una
tuerca hexagonal (vea la figura 16) en dirección de
las agujas del reloj, hasta que entre en contacto con
la caña de desviación.
NOTA: Para cumplir con las especificaciones de
rendimiento del suavizante de agua y los reclamos
sobre la reducción de bario y radio, la función
de ajuste de la dureza se deberá mantener en la
posición “OFF” (Cerrada”). La posición cerrada se
logra cuando la perilla de ajuste de mezcla se rota
completamente en dirección de las agujas del reloj
hasta que se detiene.
POSICIÓN DEL SERVICIO
(Funcionamiento Normal del Suavizante)
POSICIÓN DE LA DESVIACIÓN
Agua Suave
Afuera Agua Dura
Adentro
Agua Dura Desviada
(Controlada por la perilla
de ajuste de la mezcla)
Perilla de Ajuste de la
Mezcla
Gire en dirección contraria a
las agujas del reloj para in-
crementar la dureza del agua
tratada (en dirección de las
agujas del reloj para reducir
la dureza)
Entrada de
la Válvula del
Suavizante
Salida de la
Válvula del
Suavizante
Manija de Em-
puje Hacia Uno
Agua Dura
Afuera Agua Dura
Adentro
Manija de Empuje
Hacia Afuera de Uno
Perilla de Ajuste de la
Mezcla
Si usará el suavizante de
agua, gire a favor de las
agujas del reloj tanto como
se pueda.
Tuerca Hexagonal
Gire en dirección de las
agujas del reloj para
bloquear la perilla de
ajuste de la mezcla (en
contra de las agujas del
reloj para desbloquear).
PRECAUCIÓN
Si el
suavizante de
agua será
reparado o desconectado de la válvula de
desviación, la perilla de ajuste de la mezcla
deberá ser girada completamente en
dirección de las agujas del reloj para cerrar
el camino de desviación y evitar goteos de
agua de la entrada de la desviación de la
válvula del suavizante
.
Figura 16
Figura 17
Caña

64
Cuidado y limpieza
CONTROL DEL NIVEL DE
ALMACENAMIENTO DE SAL y
RECARGA
La salmuera (sal disuelta en agua) es necesaria
en cada recarga. El agua para hacer salmuera
es medida en el área de almacenamiento de
sal por la válvula del sistema suavizante de
agua y el control. Sin embargo, se deberá
mantener el tanque suministrado con sal.
AGREGADO DE SAL
Levante la tapa del agujero de sal y controle
el nivel de almacenamiento de sal de forma
frecuente. Si el suavizante de agua usa toda
la sal antes de recargar la misma, obtendrá
agua dura. Hasta que haya establecido una
rutina de recarga, controle la sal cada dos o
tres semanas. Siempre agregue sal cuando la
cantidad sea inferior a ¼. Asegúrese de que la
tapa del pozo de salmuera esté colocada.
NOTA: Si usará cloruro de potasio (KCI), no
supere el nivel 4 de la etiqueta del pozo de
salmuera.
NOTA: En áreas húmedas, es mejor mantener
el nivel de almacenamiento de sal bajo, y hacer
recargas más frecuentes para evitar “puentes”
de sal.
Sal Recomendada: Pepitas, bolitas o sal solar
gruesa con menos del 1% de impurezas.
Sal No Recomendada: Sal en roca, alta en
impurezas, en bloque, granulada de mesa,
derretida en hielo, para hacer helado, etc.
PRECAUCIÓN
Sal para suavizante de agua con
aditivos para eliminar hierro:
Algunas sales cuentan con un aditivo para
ayudar al sistema suavizante de agua a
eliminar el hierro del suministro de agua.
Aunque este aditivo puede ayudar a mantener
limpia la resina del sistema suavizante de
agua, también puede liberar gases corrosivos
que debilitan y acortan la vida útil de algunas
partes del sistema suavizante de agua.
LIMPIEZA DEL HIERRO DEL SISTEMA
SUAVIZANTE DE AGUA
Su sistema suavizante de agua elimina los
minerales duros (calcio y magnesio) del agua.
Además, puede controlar parte (lea la sección
de Pautas de Especificación) del hierro del
“agua potable”. Con el hierro del agua potable,
el agua de un grifo es potable cuando se
coloca por primera vez en un vaso. Luego de
entre 15 y 30 minutos, el agua comienza a
enturbiarse o tomar un color óxido. Un sistema
suavizante de agua no eliminará ningún hierro
que enturbie el agua o la oxide al salir del grifo
(llamado hierro de agua roja). Para quitar el
hierro del agua roja del agua, o el máximo de
hierro del agua potable, es necesario un filtro
de hierro u otro equipamiento.
GE recomienda el uso de Super Iron Out®
para limpiar el lecho de resina si el contenido
de hierro es alto. Use Super Iron Out® con
cada bolsa de sal de 40 lb. como medida
preventiva contra la acumulación de óxido.
Limpie el lecho por lo menos cada seis meses,
o con mayor frecuencia si aparece hierro en el
agua blanda entre limpiezas.
IMPORTANTE: Es importante mezclar el
limpiador del fondo de resina con agua
(siguiendo las instrucciones del fabricante),
verter la misma en el pozo de salmuera (vea
la Figura 9) y recargar el suavizante de forma
inmediata. No vierta el limpiador del fondo de
resina con la sal, ya que no será tan efectivo
en la limpieza de la resina, y podrá ocasionar
daños al suavizante si se deja en el tanque de
salmuera por un período extendido debido a los
gases corrosivos que se forman.

65
Rutina de Mantenimiento
LIMPIEZA DEL ENSAMBLE DE LA
BOQUILLA Y EL VENTURI
Una limpieza de la boquilla y el venturi es necesaria
para que el sistema suavizante funcione de forma
correcta. Esta pequeña unidad hace que la succión
mueva la salmuera del área de almacenamiento de sal
al tanque de resina durante la recarga. Si se tapa con
arena, tierra, etc., el sistema suavizante de agua no
funcionará y se generará agua dura.
Para llegar a la boquilla y el venturi, retire la tapa
superior del sistema suavizante de agua. Asegúrese
de que el sistema suavizante de agua esté en el ciclo
del servicio (sin presión de agua en la boquilla y el
venturi). Luego, mientras sostiene la caja protectora
de la boquilla y el venturi con una mano, retire la tapa.
Levante el soporte y la pantalla, y luego la boquilla y
el venturi. Lave y enjuague las piezas con agua tibia
hasta que estén limpias. De ser necesario, use un pincel
pequeño para retirar el hierro o la suciedad. También
controle y limpie la junta.
NOTA: Algunos modelos cuentan con un enchufe de
flujo pequeño ubicado en la boquilla y el venturi, y/o una
pequeña pantalla con forma cónica en la caja protectora.
Asegúrese de controlar y limpiar estas partes, si su
modelo cuenta con este equipamiento.
Con cuidado, reemplace todas las piezas en el orden
correcto. Levemente lubrique el sello del anillo o con
grasa de silicona limpia o vaselina y coloque el mismo
en su posición. Instale y ajuste la tapa, sólo en forma
manual. No ajuste la tapa en exceso.
ROTURA DE UN PUENTE DE SAL
A veces se forma una costra dura o un puente de sal
en el área de almacenamiento de sal. Normalmente
es causada por el alto nivel de humedad o un tipo de
sal inadecuado. Cuando se forman puentes de sal, se
genera un espacio vacío entre el agua y la sal. Luego la
sal no se disuelve en el agua para formar salmuera.
Si el tanque de salmuera está lleno de sal, es difícil
decir si se formó un puente de sal. La sal está floja en
la parte superior, pero el puente está debajo de ésta. La
siguiente es la mejor forma de controlar la formación de
un puente de sal.
La sal debería estar suelta hasta el fondo del tanque.
Tome un mango de escoba o una herramienta similar,
y con cuidado empuje la misma en la sal, trabajando
hacia arriba y abajo. Si la herramienta golpea un objeto
duro (asegúrese de que no sea la parte inferior ni los
costados del tanque), es muy probable que sea un
puente de sal. Con cuidado rompa el puente con la
herramienta. No golpee las paredes del tanque. Para
ayudar a disolver el puente de sal, vierta un galón de
agua tibia (no caliente) en el tanque.
Si el puente se formó con el tipo de sal inadecuado,
retírelo. Luego llene el tanque con sal en pepitas o
bolitas únicamente. En áreas húmedas, es mejor llenar
el tanque con menos sal, con mayor frecuencia para
evitar la formación de un puente de sal.
Empuje la herramienta
sobre el puente de sal
para romper el mismo.
Marca
de lápiz
Sal
Ǝ±Ǝ
Mango de
la escoba
Nivel del agua
Puente
de sal
Boquilla y
Venturi
Tapa
Sello del anillo o
Soporte de la
pantalla
Pantalla
Junta
Pantalla
*Enchufe
del flujo
*Enchufe del flujo
Tuerca de
Refuerzo
IMPORTANTE: Asegúrese de que los pequeños
agujeros de la junta estén centrados directamente
sobre los agujeros pequeños en la caja protectora de la
boquilla y el venturi.
* Instale con el lado numerado hacia arriba, y el lado
cóncavo hacia abajo.

66
Antes de solicitar el servicio técnico
Problema Causa Posible Qué hacer
No hay agua suave El grifo o el accesorio donde la
muestra fue tomada no cuenta con el
sistema suavizante de agua. NOTA:
Asegúrese de que la muestra sea de
un grifo que no mezcla agua suave y
agua dura. Por ejemplo: un grifo de
cocina de una palanca, si el lado frío
está conectado para agua dura.
• Para conservar la sal, es posible que el instalador
haya aislado algunos accesorios (grifos exteriores,
inodoros, etc.) del agua suave. Desde la salida del
sistema suavizante de agua, trace el camino del
ÀXMRGHDJXDHQODSORPHUtDGHOKRJDU6LHODJXD
suave no es dirigida a un grifo o accesorio al cual
se desea, consulte a un plomero.
No hay sal en el tanque de salmuera
o hay puentes de sal • Controle que no haya un puente de sal o, si el
tanque está vacío, vuelva a llenarlo con la sal
recomendada. Presione (durante 3 segundos) el
botón RECHARGE (Recarga) para comenzar una
recarga de inmediato y restablecer el suministro de
agua suave.
Suministro de corriente externa
desenchufado del tomacorriente de
pared o el cable de corriente no está
conectado al suavizante. Fusible
quemado o explosion del disyun-
tor en el circuito al tomacorriente
eléctrico. Tomacorriente eléctrico en
un circuito que puede ser apagado
de forma continua.
• Controle que no haya pérdida de corriente eléctrica
en el sistema suavizante de agua, debido a cualqui-
era de estas condiciones y haga correcciones
según sea necesario. Con el suministro de corriente
restablecido, observe la pantalla de tiempo de la
placa y lea la sección Programación del Control.
NOTA: la conexión del suavizante al tomacorriente
eléctrico deberá ser directa de modo que no se
pueda desconectar de forma accidental.
Válvula de desviación manual en la
posición de desvío • Asegúrese de que la caña de la válvula de des-
viación esté correctamente posicionada, con la
manija en la posición OUT (Afuera).
Válvula de mezcla en la posición
abierta • Gire la válvula de mezcla en favor de las agujas del
reloj hasta la posición cerrada.
La válvula de la manguera de
drenaje está pinzada, obstruída,
demasiado elevada o de algún modo
restringida
• Cualquier restricción en la manguera de drenaje
podrá impedir un funcionamiento correcto de la
boquilla y venturi y reducir o impedir el ingreso de
salmuera durante la recarga.
Suciedad, ensamble incorrecto o
daño en la boquilla y el venturi • Consulte las instrucciones de Limpieza del En-
samble de la Boquilla y el Venturi. Con la presión
de agua al sistema suavizante de agua cerrada,
separe el ensamble de la boquilla. Inspeccione,
limpie y haga reemplazos según sea necesario.
Cualquier partícula(s) extraña, rayones, mellas, etc.
en los pasajes pueden impedir el funcionamiento.
Asegúrese de que los agujeros de la junta estén
centrados sobre los agujeros de la caja protectora.
¡Los Consejos para la Solución de Problemas le Permiten Ahorrar tiempo y dinero! Lea primero el cuadro que
aparece en esta página y es posible que no necesite solicitar el servicio técnico.
NO HAY AGUA SUAVE – Problemas Más Comunes:
Realice el control antes de llamar al servicio técnico:
•
No hay suficiente sal – deberá estar en por lo menos 1/3.
•
Válvula de desviación en la posición “Desviación” – la manija debería estar en la posición “OUT” (Fuera) (servicio).
•
Configuración de dureza demasiado baja. Controle la configuración de la dureza y haga un ajuste. Verifique la dureza del
agua suministrada - de la empresa de agua local, evaluación del agua o llame a GE Answer Center (800-952-5039 en
EE.UU.).
•
Puente de Sal – la sal se solidifica sobre el nivel del agua de modo que el agua con salmuera no entre en contacto con la
sal. Consulte la sección Rotura de un Puente de Sal.

67
Problema Causa Posible Qué hacer
Agua dura a veces Uso de agua caliente mientras el
sistema suavizante de agua se está
regenerando
• Evite usar agua caliente durante la recarga del sis-
tema suavizante de agua, ya que el calentador de
agua se volverá a llenar con agua dura. Consulte
la sección de Desviación del Agua Dura Durante
la Recarga
&RQ¿JXUDFLyQGHOQ~PHURGHFRQ-
trol de DUREZA demasiado bajo 3UHVLRQHHOERWyQ02'(6(70RGR&RQ¿JXUD-
FLyQKDVWDTXHODÀHFKDVHxDOHKDFLD+$5'-
NESS (Dureza). Asegúrese de que el número
mostrado sea el mismo que aquel de la dureza
de granos por galón real de su suministro de
agua. En caso de ser necesario un cambio en la
FRQ¿JXUDFLyQFRQVXOWHODVHFFLyQ3URJUDPDFLyQ
del Control.
Los granos de dureza en el sumin-
istro de agua se incrementaron • La dureza del agua puede cambiar con el paso del
tiempo, especialmente con agua de pozo. Para
controlar esto, solicite que el agua sea evaluada
a través de un análisis de laboratorio o llame a su
departamento de abastecimiento de agua local.
$MXVWHODFRQ¿JXUDFLyQGHOQ~PHURGH'XUH]D
según sea necesario.
El agua se siente
resbalosa luego de
la instalación del
suavizante de agua
Ausencia de minerales con dureza • Esto es normal. La dureza del agua le da una
sensación abrasiva a la cual usted se pudo haber
acostumbrado. La sensación resbalosa es la
sensación pura del agua suave.
• Consulte la sección Ajuste de la Dureza del Agua.
Suavizante de Agua
sin uso de sal El sistema suavizante de agua es
una unidad de “demanda” • No utiliza mucha sal para la regeneración – muy
H¿FLHQWH
Posible puente de sal • Consulte la sección Rotura de un Puente de Sal.
Posible atascamiento de la boquilla
y el venturi • Consulte la sección Limpieza del Ensamble de la
Boquilla y el Venturi
El agua es de color
azul una vez que el
suavizante de agua
fue instalado
Agua ácida en la plomería de cobre • Solicite que el agua sea evaluada de inmediato.
El suavizante de
agua no se regen-
era
Atascamiento del contador de la
turbina • Para realizar los procedimientos de solución de
problemas, consulte la sección de Diagnóstico
de Componentes Electrónicos Iniciados
Manualmente.
• Llame al servicio técnico.
Cable del sensor no enchufado en
el control • Para realizar los procedimientos de solución de
problemas, consulte la sección de Diagnóstico
de Componentes Electrónicos Iniciados
Manualmente.
• Llame al servicio técnico.
No hay corriente en la unidad • Controle el disyuntor o los fusibles..
Defecto mecánico • Llame al servicio técnico.
Enturbiamiento en
la cristalería (la-
vavajillas automáti-
cos)
Combinación de agua suave y
demasiado detergente • Esto se llama aguafuerte y es permanente. Para
evitar que esto suceda, use menos detergente si
cuenta con agua suave. Lave la cristalería en el
ciclo más corto en que pueda quedar limpia.
Antes de solicitar el servicio técnico

68
Antes de solicitar el servicio técnico
Problema Causa Posible Qué hacer
Nivel excesivo/
alto de agua en el
tanque de salmuera
La válvula de la manguera de
drenaje está pinzada, atascada, de-
masiado elevada o de algún modo
restringida
• Cualquier restricción en la manguera de drenaje
podrá impedir un funcionamiento correcto de la
boquilla y el venturi y reducir o impedir el ingreso
de salmuera durante la recarga.
Tuberías de drenaje conectadas
juntas • Separe las tuberías de drenaje.
Suciedad, ensamble incorrecto o
daño en la boquilla y el venturi • Consulte las instrucciones de Limpieza del En-
samble de la Boquilla y el Venturi. Con la presión
de agua al sistema suavizante de agua cerrada,
separe el ensamble de la boquilla. Inspeccione,
limpie y haga reemplazos según sea necesario.
Cualquier partícula(s) extraña, rayones, mellas,
etc. en los pasajes pueden impedir el funcionami-
ento. Asegúrese de que los agujeros de la junta
estén centrados sobre los agujeros de la caja
protectora.
Agua con sabor a
sal o de color mar-
rón/amarillo luego
de la instalación
Unidad no desinfectada • Complete los Procedimientos de Desinfección.
• Al completar el ciclo de recarga (aprox. 2 horas),
deje correr el agua en los grifos para purgar el
agua salada.
Presión baja del agua Controle la presión:
• Altura del drenaje de 8” o menos, la presión debe
tener un mínimo de 20 psi.
• Altura del drenaje superior a 8”, la presión debe
tener un mínimo de 50 psi.
Manguera de drenaje restringida • Limpie y vuelva a conectar la manguera.
• Controle que no haya vueltas en la línea de
drenaje.
Agua de color mar-
rón/ amarillo La unidad estuvo detenida por un
período de tiempo • Complete los Procedimientos de Desinfección.
Aparecen gotas de
resina en el agua
potable
'LVWULEXLGRU¿VXUDGRRXQLGDG
conectada hacia atrás • Llame al servicio técnico.
Sonidos que podría
escuchar Agua que corre de la unidad a un
drenaje durante la recarga • Esto es normal.
El agua posee bur-
bujas de aire y está
turbia
Aire en el sistema luego de la
instalación • Desaparecerá luego de correr por un período de
tiempo..
La Luz Azul Titila
Cuando se conecta
la corriente al
sistema
El control se deberá programar (es
posible que haya habido un corte
de corriente)
• Consulte la sección de Programación del Control
Si “DAYS TO
EMPTY” (Días
Hasta Vaciarse)
está titilando
Nivel de sal bajo, menos de 15 días • Llene con sal.
• Reinicie el nivel de sal.

69
Problema Causa Posible Qué hacer
Códigos de Error en
el Control Es posible que el cableado se haya
DÀRMDGRHQHOFRQWURO
• Desenchufe el suministro de corriente externo.
• Retire la tapa del control, libere los sujetadores al
costado.
• Controle que no haya conexiones de cables
sueltos/incorrectas al tablero electrónico o
interruptor. Vuelva a conectar según se requiera.
• Vuelva a ensamblar la tapa del control.
• Enchufe el Transformador.
• Espere 8 minutos hasta que vuelva a aparecer
Error Code (Código de Error).
• Si vuelve a aparecer Código de Error, llame al
servicio técnico.
Si en la pantalla se
visualiza “Err” Problema eléctrico con el sistema • Llame al servicio técnico.
Antes de solicitar el servicio técnico

Solución de problemas avanzados para el servicio técnico
DIAGNÓSTICO ELECTRÓNICO
AUTOMÁTICO
Este suavizante de agua
cuenta con una función de
auto diagnóstico del sistema
eléctrico (excepto para la
corriente y/o el medidor de
agua). El suavizante de agua
monitorea que los componentes
y circuitos electrónicos
funcionen correctamente. Si se
produce un mal funcionamiento, se visualizará un código de
error en la pantalla.
Mientras aparece el código de error en la pantalla, ningún
botón estará en funcionamiento excepto el botón MODE/
SET (Modo/ Configuración) ). MODE/SET (Modo/
Configuración) continúa funcionando de modo que la
persona del servicio técnico pueda realizar Diagnósticos
Manuales Avanzados. Lea a continuación para aislar aún
más el problema.
Procedimiento para eliminar el código de
error de la pantalla:
1. Desenchufe el transformador del tomacorriente eléctrico.
2. Corrija el problema.
3. Enchufe en el transformador.
4. Espere 8 minutos. El código de error se volverá a visualizar
si el problema no fue corregido.
DIAGNÓSTICO ELECTRÓNICO MANUAL
INICIADO
Use los siguientes procedimientos para hacer avanzar el
suavizante de agua a través de los ciclos de regeneración
para controlar el funcionamiento.
Levante la Tapa del Agujero de Sal, retire la tapa superior
desbloqueando las lengüetas en la parte trasera y agitando
hacia adelante, para observar el funcionamiento de la leva y
el interruptor durante la rotación de la válvula.
1. Mantenga presionado el botón MODE/SET (Modo/
Configuración) por 3 segundos hasta que se visualice la
pantalla Configurar la alarma de nivel de sal bajo, luego
presione el botón MODE/SET (Modo/ Configuración)
cinco veces hasta que “000” se visualice en la pantalla, y
luego libere el mismo. Vea la Figura 19.
2. Los 3 dígitos indicaron el funcionamiento del medidor de
agua de la siguiente manera: Si no se visualiza una lectura
en la pantalla, con el grifo abierto, empuje hacia usted el
sensor del puerto de salida de la válvula. Pase un imán
pequeño hacia
atrás y adelante
frente al sensor.
Debería visualizar
una lectura en la
pantalla. Si visualiza
una lectura, cierre
el suministro de
agua, desenganche
la plomería de
entrada y salida
y controle que no
haya ataduras en
la turbina.
3.
Los símbolos en la pantalla indican el funcionamiento
del interruptor de POSICIÓN. Vea la Figura 19
4.
Use el botón RECHARGE (Recarga) para hacer
avanzar la válvula manualmente en cada ciclo y controle
el funcionamiento correcto del interruptor. NOTA:
Asegúrese de que el agua esté en contacto con la sal, y
que no esté separada por un puente de sal (consulte la
sección Rotura de un Puente de Sal).
5. Mientras esté en esta pantalla de diagnóstico, la
siguiente información está disponible y podrá ser
beneficiosa por diferentes razones. Esta información
es retenida por la computadora desde la primera vez
que el encendido eléctrico es aplicado al controlador
electrónico.
a. Presione el botón UP (Arriba) para mostrar la
cantidad de días que se aplicó corriente eléctrica
sobre este control electrónico.
b. Presione el botón DOWN (Abajo) para mostrar
el número de regeneraciones iniciadas por el control
electrónico desde que el código numérico fue
ingresado.
6. Mantenga presionado el botón MODE/SET (Modo/
Configuración) hasta que el código del modo (H40
para GXSH40V o H45 para GXSH45V) aparezca en la
pantalla. Este código identifica el modo del suavizante.
Si se muestra un código de modo incorrecto, el
suavizante funcionará sobre datos de configuraciones
incorrectas.
7. Para cambiar el número del código, presione el botón
UP (Arriba) o DOWN (Abajo) hasta que se
visualice el código correcto.
8. Para regresar a la pantalla de la hora actual, presione el
botón MODE/SET (Modo/ Configuración).
9. Presione el botón MODE/SET (Modo/ Configuración),
para regresar a la pantalla de la hora actual. Si el
código fue modificado, realice todas las configuraciones
del temporizador. NOTA: Si el control queda en
una pantalla de diagnóstico o una pantalla titilante
al configurar horarios o la dureza, la hora actual
automáticamente regresa si no se presiona un botón
dentro de los cuatro minutos.
Call for Service
Figura 18
Switch is open Switch is closed
Water Meter Figure 19
Turbina
Soporte y eje
de la turbina
Motor
Interruptor
de posición
Conexión
de salida
de la
válvula
Caja
protectora
del sensor
70

71
Solución de problemas avanzados para el servicio técnico
NOTA: La pantalla de control debe mostrar el horario
de manera fija (no titilando).
1. Presione el botón RECHARGE (Recarga) y
manténgalo presionado por tres segundos.
RECHARGE (Recarga) comienza a titilar a medida
que el sistema suavizante ingresa al ciclo de
llenado de la recarga. Retire la tapa del pozo de
salmuera y, usando una linterna, observe el agua
al ingresar al tanque de salmuera. Si el agua no
ingresa al tanque, busque una obstrucción en la
boquilla, el venturi, el enchufe de flujo de llenado
o la tubería de la salmuera. Consulte la sección
Cuidado y Limpieza del Sistema Suavizante de
Agua.
2. Luego de observar el llenado, presione el botón
RECHARGE (Recarga) para que el sistema
suavizante de agua pase al agregado de salmuera.
Comenzará un flujo lento de agua hasta el drenaje.
Verifique el ingreso de salmuera desde el tanque
de salmuera iluminando con una linterna el pozo
de salmuera y observando un descenso notorio
del nivel de líquido durante un período de tiempo
prolongado (hasta 20 minutos).
NOTA: Asegúrese de que un puente de sal no esté
impidiendo que el agua tenga contacto con la sal.
Consulte la sección Cuidado y Limpieza del Sistema
Suavizante de Agua.
Si el sistema suavizante de agua no hace que
ingrese salmuera, controle:
Suciedad o defectos en la boquilla y/o el
venturi.
Defecto en el sellado de la boquilla y el venturi.
La boquilla y el venturi no están correctamente
sellados en la junta.
Otro defecto de la válvula interna (sellado del
rotor, rotor y disco, arandela ondulada, etc.).
Drenaje restringido (controle el accesorio y la
manguera de drenaje).
NOTA: Si el sistema de presión del agua es
bajo, una manguera de drenaje elevado podrá
ocasionar presión trasera, deteniendo el ingreso
de salmuera.
3. Nuevamente, presione el botón RECHARGE
(Recarga) para pasar del sistema suavizante de
agua al lavado regresivo. Busque un flujo rápido de
agua desde la manguera de drenaje. Un flujo lento
indica que hay un distribuidor superior, una tapa
de flujo de lavado regresivo o una manguera de
drenaje atascados.
4. Presione el botón RECHARGE (Recarga) para
pasar el sistema suavizante de agua al enjuague
rápido. Nuevamente bosque un flujo de drenaje
rápido. Deje que el sistema suavizante de agua
se enjuague por unos minutos para descargar
cualquier resto de salmuera en el tanque de
resina de la evaluación del ciclo de agregado de
salmuera.
5. Para hacer que el sistema suavizante de agua
vuelva a funcionar, presione el botón RECHARGE
(Recarga).
Servicio: Control de Recarga Avanzado en forma Manual
Marcadores de
Posición (válvula
en servicio)
Motor
Leva
Figura 21
Posiciones de la Válvula:
Posición Función
SServicio
FLlenado
BR Llenado de
Salmuera
BW Lavado
Regresivo
REnjuague

72
Vista Expandida
8
7
6
5
11
16
146
5
999
29
4
12
213
3
7
8
9
10
56
56
17
19
20
22
23
23
24
30
6
26
14

7373
Vista Expandida
Cross-section
View
Seal
Wear Strip
124
109
110
111
112
113
114
116
115
117
118 120
119
146
101
103
105
130
107
108
130
121
148 152
122
123
130
130
132
136
137
138
139 140
141
145
143
152
151
125
148
106

74
Listado de Piezas
REF. NO. GE PART NO. PART DESCRIPTION (01)
0002 WS31X10051 SOPORTE, PLACA 1
0003 WS35X10001 KIT DE SELLADO DE ANILLOS O 1
0004 WS34X20963 CALCOMANÍA, PLACA 1
0005 WS07X10004 MANGUERA, DRENAJE, 20 PIES 1
0006 WS31X10044 PANTALLA DE FILTRO 1
0007 WS14X10002 DISTRIBUIDOR, SUPERIOR 1
0008 WS14X10001 DISTRIBUIDOR, INFERIOR 1
0009 WS01X10009 RESINA, 1 PIE CÚBICO 1
0010 WS32X10018 TANQUE, RESINA 10X40 1
0011 WS31X10052 TAPA, SUPERIOR 1
0012 WS34X10021 PLACA 1
0013 WS21X20981 CONTROL 1
0014 WS02X20962
CARBÓN
26 CU.FT 1
0016 WS26X10013 SUMINISTRO DE CORRIENTE EXTERNA
SIN CABLE DE CORRIENTE 1
0017 WS31X10053 TAPA, AGUJERO DE SAL
CON ETIQUETAS 1
0019 WS33X20961 BORDE 1
0020 WS31X10024 TAPA, POZO DE SALMUERA 1
0022 WS32X10017 POZO DE SALMUERA 1
0023 WS02X10088 KIT DE TORNILLOS. TANQUE DE SALMUERA 1
0024 WS32X10032 TANQUE, SALMUERA 1
0026 WS22X10063 KIT DEL ADAPTADOR PARA DESBORDES 1
0028 WS35X10035
KIT DEL SUJETADOR CON CONEXIÓN A TIERRA
1
0029 WS15X10077 ENSAMBLE DE LA VÁLVULA DE SALMUERA 1
0030 WS35X10063 FLOTADOR, CAÑA Y GUÍA 1
0056 WS28X10078 KIT DE LA CLAVIJA DEL CUELLO DEL TANQUE 1
0101 WS02X10023 TORNILLO 2
0103 WS21X10003 INTERRUPTOR 1
0105 WS02X10024 TORNILLO 8
0106 WS31X10013 TAPA, VÁLVULA 1
0107 WS03X10034 ARANDELA ONDULADA 1
0108 WS26X10010 ENSAMBLE DE ROTOR Y DISCO 1
0109 WS19X10004 TAPA, VENTURI 1
0110 WS03X10011 SELLO, ANILLO O 1
G
X
M
H
3
1
H

75
Listado de Piezas
REF. NO. GE PART NO. PART DESCRIPTION (00) (00)
0111 WS19X10005 PANTALLA DE SOPORTE 1 1
0112 WS03X10013 PANTALLA 1 1
0113 WS22X10034 ENCHUFE DEL FLUJO, .10 GPM 1
0113 WS22X10036 ENCHUFE DEL FLUJO, .15 GPM 1
0114 WS08X10006 JUNTA, BOQUILLA/ VENTILACIÓN 1 1
0115 WS03X10015 PANTALLA CÓNICA 1 1
0116 WS22X10021 ENCHUFE, FLUJO DE LLENADO .30 GPM 1 1
0117 WS03X10017 TUERCA DE REFUERZO 1 1
0118 WS15X10034 CUERPO DE BOQUILLA Y VENTURI 1 1
0119 WS03X10018 DISPOSITIVO DE RETENCIÓN 1 1
0120 WS03X10019 SELLO, ANILLO O 1/4” X 3/8” 2 2
0121 WS15X10025 CUERPO, VÁLVULA 1 1
0122 WS03X10020 RESORTE 1 1
0123 WS22X10022 ENCHUFE, SELLO DEL DRENAJE 1 1
0124 WS15X10027 ENSAMBLE DE BOQUILLA Y VENTURI 1
0124 WS15X10036 ENSAMBLE DE BOQUILLA Y VENTURI 1
0125 WS03X10043 COJINETE ONDULADO 1 1
0130 WS35X10020 KIT DE SELLADO, 1” 1 1
0132 WS22X10065 KIT DEL ADAPTADOR DE LA MANGA
DE DRENAJE 1 1
0136 WS26X10008 LEVA Y ENGRANAJE 1 1
0137 WS26X10009 COJINETE 1 1
0138 WS26X10023 PLACA, MOTOR 1” 1 1
0139 WS02X10028 TORNILLO, #6-20 X 3/8” 3 3
0140 WS26X10021 ENSAMBLE DEL MOTOR. 1 1
0141 WS02X10058 TORNILLO, #8-32 X 1” 2 2
0143 WS60X10011 ADAPTADOR – ROSCA NPT – VÁLVULA DE 1” 2 2
0145 WS60X10008 SUJETADOR 4 4
0146 WS28X10018
CABLE DEL HARNÉS, ENSAMBLE DE SENSOR, 1”
1 1
0148 WS26X10030 TURBINA Y SOPORTE ASM.* 1 1
0151 WS15X10026 ENSAMBLE DE DESVIACIÓN 1 1
0152 WS03X10072 SELLO, ANILLO O 4 4
0998 WS35X10049 KIT DE INSTALACIÓN 1 1
0999 49-50295 MANUAL DEL PROPIETARIO 1 1
G
X
S
H
4
0
V
G
X
S
H
4
5
V
* INCLUYE 2 del Nº de REF. 145 (GANCHO) y Nº de REF. 152 (ANILLO EN O)

76
Garante: GE Appliances, a Haier company
Todo el servicio de garantía es provisto por nuestros Centros de Servicio de Fabricación, o un técnico
autorizado. Para solicitar el servicio técnico, llame al número gratuito 1-800-952-5039. Cuando llame
para solicitar el servicio, tenga los números de serie y modelo disponibles.
Qué No Está Cubierto:
Viajes del técnico del servicio a su hogar
para enseñarle sobre cómo usar el
producto.
Instalación, entrega o mantenimiento
inadecuados.
Fallas del producto en caso de abuso, mal
uso, alteración, uso comercial o uso para
propósitos diferentes al original.
Uso de este producto donde el agua que no
sea microbiológicamente segura o sea de
calidad desconocida sin una desinfección
adecuada, antes o después, del sistema.
Reemplazo de fusibles de la casa o reinicio
de disyuntores.
Daños ocasionados sobre el producto
por accidente, incendio, inundaciones o
catástrofes naturales.
Daños consecuentes o incidentales
causados por posibles defectos sobre este
producto, su instalación o reparación.
Producto no accesible para brindar el
servicio requerido.
Si este electrodoméstico se usa con
propósitos que exceden el uso familiar, la
garantía de las piezas, el monitor electrónico
y la garantía del tanque de resina se aplica
sólo durante 90 días desde la fecha de
adquisición.
Esta garantía se extiende al comprador original de productos comprados para uso hogareño dentro de
EE.UU. Si el producto se encuentra en un área donde no se encuentra disponible un Proveedor Autorizado
de Servicio Técnico de GE Appliances, usted será responsable por el costo de un viaje o se podrá requerir
que traiga el producto a una Ubicación del Servicio Técnico de GE Appliances Autorizado para recibir el
servicio. En Alaska, la garantía excluye el costo de envío o llamadas del servicio a su hogar.
Algunos estados no permiten la exclusión o limitación de daños fortuitos o consecuentes. Esta garantía le
da derechos legales específicos y es posible que tenga otros derechos legales que varían entre un estado y
otro. Para conocer cuáles son sus derechos legales, consulte a la oficina de asuntos del consumidor local o
estatal o al Fiscal de su Estado.
EXCLUSIÓN DE GARANTÍAS IMPLÍCITAS—Su única y exclusiva alternativa es la
reparación del producto, como se indica en la Garantía Limitada. Las garantías
implícitas, incluyendo garantías implícitas de comerciabilidad o conveniencia sobre un
propósito particular, se limitan a un año o al período más corto permitido por la ley.
Por el Período de: Reemplazaremos:
Un Año
Desde la fecha de
compra original.
Cualquier pieza del Sistema Suavizante de Agua que falle debido a un defecto
en los materiales o la fabricación. Durante esta garantía limitada de un año,
GE también proveerá, sin costo, todo el trabajo y el servicio relacionado con el
reemplazo de la parte que presente defectos.
Tres Años
Desde la fecha de
compra original.
El monitor electrónico, si fallara debido a un defecto en los materiales o la
fabricación. Durante esta garantía limitada de tres años, usted será respon-
sable por cualquier trabajo o costos relacionados con el servicio técnico.
Diez Años
Desde la fecha de
compra original.
Un tanque de resina de reemplazo, si falla a defectos de materiales o en la
fabricación. Durante este período de diez años de garantía limitada, usted
sera responsable por cualquier mano de obra o costos de servicio relacionado.
Garantía del Sistema Suavizante de Agua (Para clientes en EE.UU.)

77
EL GARANTE NO ES RESPONSABLE POR CUALQUIER DAÑO CONSECUENTE.
Garante: MABE CANADA INC.
Todo el servicio de garantía es provisto por nuestros Centros de Servicio de Fabricación, o un técnico
autorizado. Para solicitar el servicio técnico, llame al número gratuito 1-866-777-7627. Cuando llame
para solicitar el servicio, tenga los números de serie y modelo disponibles.
Esta garantía se extiende al comprador original de productos comprados para uso hogareño dentro de
Canadá. El servicio técnico hogareño de la garantía será brindado en áreas donde Mabe se encuentre
disponible y lo considere apropiado.
EXCLUSIÓN DE GARANTÍAS IMPLÍCITAS—Su única y exclusiva alternativa es la
reparación del producto, como se indica en la Garantía Limitada. Las garantías
implícitas, incluyendo garantías implícitas de comerciabilidad o conveniencia sobre un
propósito particular, se limitan a un año o al período más corto permitido por la ley.
Garantía del Sistema Suavizante de Agua (Para Clientes en Canadá)
Por el Período de: Reemplazaremos:
Un Año
Desde la fecha de
compra original.
Cualquier pieza del Sistema Suavizante de Agua que falle debido a un defecto
en los materiales o la fabricación. Durante esta garantía limitada de un año,
GE también proveerá, sin costo, todo el trabajo y el servicio relacionado con el
reemplazo de la parte que presente defectos.
Tres Años
Desde la fecha de
compra original.
El monitor electrónico, si fallara debido a un defecto en los materiales o la
fabricación. Durante esta garantía limitada de tres años, usted será respon-
sable por cualquier trabajo o costos relacionados con el servicio técnico.
Diez Años
Desde la fecha de
compra original.
Un tanque de resina de reemplazo, si falla a defectos de materiales o en la
fabricación. Durante este período de diez años de garantía limitada, usted
sera responsable por cualquier mano de obra o costos de servicio relacionado.
Qué No Está Cubierto:
Viajes del técnico del servicio a su hogar
para enseñarle sobre cómo usar el
producto.
Instalación, entrega o mantenimiento
inadecuados.
Fallas del producto en caso de abuso, mal
uso, alteración, uso comercial o uso para
propósitos diferentes al original.
Uso de este producto donde el agua
que no sea microbiológicamente segura
o sea de calidad desconocida sin una
desinfección adecuada, antes o después,
del sistema.
Reemplazo de fusibles de la casa o reinicio
de disyuntores.
Daños ocasionados sobre el producto
por accidente, incendio, inundaciones o
catástrofes naturales.
Daños consecuentes o incidentales
causados por posibles defectos sobre este
producto, su instalación o reparación.
Producto no accesible para brindar el
servicio requerido.
Si este electrodoméstico se usa con
propósitos que exceden el uso familiar,
la garantía de las piezas, el monitor
electrónico y la garantía del tanque de
resina se aplica sólo durante 90 días desde
la fecha de adquisición.

Sólo Para Uso en Iowa
SÓLO PARA USO EN IOWA
7RGDVODVYHQWDVHQ,RZDUHTXLHUHQODVLJXLHQWH¿UPDDQWHVGHODFRQVXPDFLyQGHODYHQWD(VWDV
¿UPDVGHEHUiQVHUFRQVHUYDGDVSRUHOYHQGHGRUDUUHQGDWDULRSRUXQPtQLPRGHDxRV
Comprador/ Arrendatario _____________________________________ Fecha ______________
Vendedor _________________________________________________ Fecha ______________
Domicilio del Vendedor __________________________________________________________
Nº Telefónico del Vendedor ______________________________________________________
Model GXMH31H
78

79
Soporte para el Consumidor
Sitio Web de GE Appliances
¿Desea realizar una consulta o necesita ayuda con su electrodoméstico? ¡Intente a través del Sitio
Web de GE Appliances las 24 horas del día, cualquier día del año! Usted también puede comprar
más electrodomésticos maravillosos de GE Appliances y aprovechar todos nuestros servicios de
soporte a través de Internet, diseñados para su conveniencia. En EE.UU.: GEAppliances.com
Registre su Electrodoméstico
¡Registre su electrodoméstico nuevo a través de Internet, según su conveniencia! Un registro
puntual de su producto permitirá una mejor comunicación y un servicio más puntual de acuerdo
con los términos de su garantía, en caso de surgir la necesidad. También puede enviar una carta
en la tarjeta de inscripción preimpresa que se incluye con el material embalado. En EE.UU.:
GEAppliances.com/register
Servicio Programado
El servicio de reparación de expertos de GE Appliances está a sólo un paso de su puerta.
Conéctese a través de Internet y programe su servicio a su conveniencia cualquier día del año. En
EE.UU.: GEAppliances.com/ge/service-and-support/service.htm
o comuníquese al 800.432.2737 durante el horario de atención comercial.
Garantías Extendida
Adquiera una garantía extendida de GE Appliances y conozca los descuentos especiales que
están disponibles mientras su garantía aún está vigente. La puede adquirir en cualquier momento a
través de Internet. Los servicios de GE Appliances aún estarán allí cuando su garantía caduque.
En EE.UU.: GEAppliances.com/ge/service-and-support/shop-for-extended-service-plans.htm
o comuníquese al 800.626.2224 durante el horario de atención comercial.
Piezas y Accesorios
Aquellos individuos calificados para realizar el servicio técnico de sus propios electrodomésticos
podrán solicitar el envío de piezas o accesorios directamente a sus hogares (se aceptan las
tarjetas VISA, MasterCard y Discover). Ordene hoy a través de Internet durante las 24 horas, todos
los días. En EE.UU.: GEApplianceparts.com o de forma telefónica al 877.959.8688 durante el
horario de atención comercial.
Las instrucciones que figuran en este manual cubren los procedimientos que serán
realizados por cualquier usuario. Otros servicios técnicos generalmente deben ser
derivados a personal calificado del servicio. Se deberá tener cuidado, ya que una reparación
indebida podrá hacer que el funcionamiento no sea seguro.
Contáctenos
Si no se encuentra satisfecho con el servicio que recibió de GE Appliances, comuníquese
con nosotros a través de nuestro sitio Web con todos los detalles, incluyendo su número
telefónico, o escriba a:
En EE.UU.: General Manager, Customer Relations | GE Appliances, Appliance Park |
Louisville, KY 40225
GEAppliances.com/ge/service-and-support/contact.htm

80
Consumer Support
GE Appliances Website
Have a question or need assistance with your appliance? Try the GE Appliances Website 24
hours a day, any day of the year! You can also shop for more great GE Appliances products
and take advantage of all our on-line support services designed for your convenience. In the US:
GEAppliances.com
Register Your Appliance
Register your new appliance on-line at your convenience! Timely product registration will allow for
enhanced communication and prompt service under the terms of your warranty, should the need
arise. You may also mail in the pre-printed registration card included in the packing material. In the
US: GEAppliances.com/register
Schedule Service
Expert GE Appliances repair service is only one step away from your door. Get on-line and
schedule your service at your convenience any day of the year. In the US: GEAppliances.com/ge/
service-and-support/service.htm or call 800.432.2737 during normal business hours.
Extended Warranties
Purchase a GE Appliances extended warranty and learn about special discounts that are available
while your warranty is still in effect. You can purchase it on-line anytime. GE Appliances Services
will still be there after your warranty expires. In the US: GEAppliances.com/ge/service-and-
support/shop-for-extended-service-plans.htm or call 800.626.2224 during normal business
hours.
Parts and Accessories
Individuals qualified to service their own appliances can have parts or accessories sent directly
to their homes (VISA, MasterCard and Discover cards are accepted). Order on-line today 24
hours every day. In the US: GEApplianceparts.com or by phone at 877.959.8688 during normal
business hours.
Instructions contained in this manual cover procedures to be performed by any user. Other
servicing generally should be referred to qualified service personnel. Caution must be
exercised, since improper servicing may cause unsafe operation.
Contact Us
If you are not satisfied with the service you receive from GE Appliances, contact us on our Website
with all the details including your phone number, or write to:
In the US: General Manager, Customer Relations | GE Appliances, Appliance Park | Louisville, KY
40225
GEAppliances.com/ge/service-and-support/contact.htm