Gaggia Anima Prestige Service Manual SMA_GAGGIA_ANIMA_rev00_EN User
Anima Service Manual Anima Service Manual
Anima Deluxe Service Manual ANIMA DELUXE Service Manual ANIMA DELUXE Service Manual Anima Gaggia wll-s
2017-06-29
User Manual: Gaggia Anima Prestige Service Manual
Open the PDF directly: View PDF  .
.
Page Count: 59

All parts of this document are the property of Philips. 
All rights reserved.   is document and all the information herein is provided without liability deriving from any errors or omissions. Furthermore, no part may be reproduced, used or 
collected, except where express authorisation has been provided in writing or through a contractual agreement.
Published by Philips                                                     Subject to modi cation                                         EN 4219 400 00033
Service
Service
Service
Service
Co ee Machine
Gaggia Anima
2015-July-30
  Service
 Service 
Manual
Manual
 Rev. 00  July 2015
General Information
Description Value
Housing material Thermoplastic type
Size (w x h x d) Anima OTC AMF CMF 221 x 340 x 430 mm (data may vary depending on the model)
Size (w x h x d) Anima XL 221 x 386 x 430 mm
Weight OTC AMF CMF 7,5 kg (data may vary depending on the model)
Weight Anima XL 8 kg
Power cord length 800 - 1200 mm
Control panel Front type
Cup size Up to 152 mm
Water tank OTC AMF CMF 1.8 litres - Removable type
Water tank Anima XL 2.5 litres - Removable type
Coffee bean hopper capacity Anima OTC AMF CMF 250 g
Coffee bean hopper capacity Anima XL 500 g
Coffee grounds drawer capacity 15
Milk carafe capacity 0,5 l (OTC version)
Pump pressure 15 bar
Boiler Stainless steel boiler
Safety devices Thermal fuse
Energy saving mode < 1 Wh
Nominal voltage - Power rating - Power supply Read the data plate placed inside the service door

                 GAGGIA ANIMA
Table of contents  Page
6. Standard checks 
6.1. Repair schedule 1
6.2. Service schedule 1
6.3. Final test 2
7. Disassembly
7.1. Outer Shell 1
7.2. Dispenser 2
7.3. Co ee grinder 3
7.4. Grinder blades 3
7.5. Co ee grinder adjustment 4
7.6. Carafe connection and hot/Steam water dispenser 5
7.7. Central plate 5
7.8. Pin boiler 6
7.9. Gear motor 6
7.10. Pump 7
7.11. Flow-meter 7
7.12. Boiler 7
7.13. CPU board 8
7.14 Programming access for SSC (Saeco Service Center) 8
7.15. KYB interface and display 8
7.15. Fitting and removing Oetiker clamps 9
8. Notes
9. Water circuit diagram
10 Electrical diagram
Table of contents  Page
1. Introduction
1.1. Documentation required 1
1.2. Tools and equipment required 1
1.3. Material 1
1.4. Safety warnings 1
1.5 Service Policy 2
1.6.1. External machine parts Anima XL
1.6.2. External machine parts Anima OTC 3
1.6.3. External machine parts Anima AMF - CMF 4
1.6.4. Internal machine parts 5
2. Technical speci cations
2.1. Technical speci cations 1
2.2.1. Speci cation for the measurement of the co ee products 
temperature
2
2.2.2. Speci cation for the measurement of the milk products 
temperature
3
2.3. Machine parameters and performance 5
3. User instructions  
3.1. Customer menu  1
3.2. Operation, cleaning and maintenance 3
4. Operating logic
4.1. Water circuit  1
4.2. Milk carafe 2
4.3. Single microswitch 3
4.4. Temperature sensor 3
4.5. Co ee grinder 4
4.6. Detection of co ee bean absence, dose adjustment, 
 blocked co ee grinder.
4
4.7. Dose self-learning (SAS) only for 120v 5
4.8. Co ee grinder 6
4.9. Autodose sistem description 6
4.10. Co ee lack detection and co ee grinder blocked. 7
4.11. Co ee cycle 8
4.12. Water level detection (water tank) 9
4.14. Descaling request 9
4.14. Water  lter 10
5. Troubleshooting
5.1. Test mode Incanto 1
5.1.1. SteamOut 7
5.2. Error  Codes 9

               GAGGIA ANIMA
          CHAPTER 1
          INTRODUCTION

GAGGIA ANIMA                  01 INTRODUCTION                                                                                      
Pag. 1/6
 1.1 Documentation required
The following documentation is needed for repair procedures:
•  Instruction booklet for specifi c model
•  Technical documentation for specifi c model (diagrams, exploded view, sympton cure and 
service manual)
  1.2  Tools and equipment required
As well as the standard equipment, the following is required:
Qty. Description Notes
1 Screwdriver
1 Pliers for Oetiker clamps 
1 CC -A - Vdc tester
1 Digital thermometer  Scale limit > 150°C
1 SSC (Saeco Service Center) Programmer  (for programming and diagnostics mode)
 1.3 Material
Description Notes
Thermal paste Heating element > 200°C
Descaler Saeco descaler
Grease solvent Personal choice
Silicone grease  Safe to use with food
 1.4 Safety warnings
We recommend you consult the technical manual of the machine before performing any mainte-
nance work.
Observe all applicable standards relating to the repair of electrical appliances.
Always disconnect the power plug from the mains before beginning repair work.
Disassembling the machine, the operator must pay attention to hot and under            
Pressure parts: boiler, pin-boiler, valves, dispensing, steam tube, brew unit,        
connections and pipes to avoid burns. Please refer to specifi c hydraulic circuit  
(Image1) to know the parts in detail. 
The machine hydraulic circuit can reach maximum pressure of 16/18 bar.
To operate in safety condition is recommended to perform the Steam Out procedure in 
order to remove the pressure and hot water inside the hydraulic circuit.
Simply turning off the main machine power switch is not an adequate safety    
precaution.
This domestic appliance is rated as insulation class I.
On completion of the repair work, insulation and dielectric rigidity tests must be       
performed.

GAGGIA ANIMA                  01 INTRODUCTION 
Pag. 2/6
 1.5 
Service POLICY grid as used for coffee machine
Components Assembly use Single components available
COFFEE 
GRINDER Only for OOW repairs YES, to consult the specifi c exploded-view of the machine or 
of the Coffee Grinder on website
BREWING UNIT Only for OOW repairs YES, to consult the specifi c exploded-view of the machine or 
of the Brewing unit on website
BOILER Only for OOW repairs YES, to consult the specifi c exploded-view of the machine on 
website
GEAR 
MOTOR Only for OOW repairs YES, to consult the specifi c exploded-view of the machine on 
website
FILTER 
HOLDER Only for OOW repairs YES, to consult the specifi c exploded-view of the machine on 
website
MILK 
CARAFE Only for OOW repairs YES, to consult the specifi c exploded-view of the machine on 
website
THERMAL 
CARAFE Only for OOW repairs YES, to consult the specifi c exploded-view of the Thermal 
Carafe on website
MILK ISLAND Only for OOW repairs YES, to consult the specifi c exploded-view of the Milk Island 
on website
List of principal assembly present in all our coffee machines
For IN WARRANTY repairs is mandatory to use the single components (not the assembly) avail-
able in the exploded views of the coffee machines or of the specifi c components. If you fi nd the 
information “SEE THE EXPLODED VIEW E........” in the assembly description fi eld, it means that 
the single components of the assembly are available in the other pages of the exploded view. It’s 
possible to use the assembly only if there is a specifi c Symptom Cure that include this possibility 
or when the single components are not available for the order.
Pump
Safety valve
Water 
discharge
Steam pipe
Water tank
Two-way solenoid valve
Brewing Unit
Flowmeter
Boiler
Water 
Hot water /steam
From this point circuit 
High temperaure
From this point circuit 
in pressure
Flowmeter
Steam and hot water
Two-way solenoid valve
Pump
Brewing Unit
Boiler
Safety valve
Water 
discharge
Water tank
Image 1

GAGGIA ANIMA                  01 INTRODUCTION                                                                                      
Pag. 3/6
  1.6.1. External machine parts Anima XL
1 ESPRESSO button
ESC button
2 ESPRESSO LUNGO button
3 AROMA STRENGTH button
OK button
4 CAPPUCCINO button
UP button
5 LATTE MACCHIATO button
6 MENU button
DOWN button
7 STAND-BY button
8 Display
In the example:
Main menu; ready for brewing
MAX
MIN
7
8
11
10
3
1
4
5
6
2
9
12
14
13
MAX
MIN
MAX
2
10
9
8
1
11
3
12
4
7
5
6
1 STAND-BY button
2 Water tank seat
3 Coffee bean hopper
4 Removable water tank
5 Main switch
I. ON
0. OFF
6 Power cord socket
7 Coffee grounds drawer
8 Drip tray
9 Drip tray grill
10 Coffee dispensing spout
11 Hot water dispensing spout
12 Milk carafe
1 Water tank lid
2 Coffee bean hopper lid
3 Service door
4 Coffee residues drawer
5 Brew group
6 Coffee dispensing spout
7 Drip tray
8 Coffee grounds drawer
9 ‘Drip tray full’ indicator
10 Hot water dispensing spout
11 Milk carafe lid
12 Milk carafe top
13 Milk frother dispensing spout
14 Milk container
18
2
3
4
5
6
7
ESPRESSO 
ESPRESSO LUNGO
AROMA STRENGTH
CAPPUCCINO
LATTE MACCHIATO
MENU
Main components
Main removable parts

GAGGIA ANIMA                  01 INTRODUCTION 
Pag. 4/6
  1.6.2. External machine parts Anima OTC
MAX
MIN
MAX
2
11
10
9
1
12
3
4
13
5
8
6
7
MAX
MIN
8
9
12
11
4
1
5
6
7
2
3
10
13
15
14
1 ESPRESSO button
ESC button
2 ESPRESSO LUNGO button
3 AROMA STRENGTH button
OK button
4 CAPPUCCINO button
UP button
5 LATTE MACCHIATO button
6 MENU button
DOWN button
7 STAND-BY button
8 Display
In the example:
Main menu; ready for brewing
1 STAND-BY button
2 Water tank seat
3 Coffee bean hopper
4 Pre-ground coffee compartment
5 Removable water tank
6 Main switch
I. ON
0. OFF
7 Power cord socket
8 Coffee grounds drawer
9 Drip tray
10 Drip tray grill
11 Coffee dispensing spout
12 Hot water dispensing spout
13 Milk carafe
1 Water tank lid
2 Coffee bean hopper lid
3 Pre-ground coffee compartment lid
4 Service door
5 Coffee residues drawer
6 Brew group
7 Coffee dispensing spout
8 Drip tray
9 Coffee grounds drawer
10 ‘Drip tray full’ indicator
11 Hot water dispensing spout
12 Milk carafe lid
13 Milk carafe top
14 Milk frother dispensing spout
15 Milk container
Main components
Main removable parts
Control buttons and display OTC
18
2
3
4
5
6
7
ESPRESSO
MENU
LATTE MACCHIATO
CAPPUCCINO
AROMA STRENGTH
ESPRESSO LUNGO

GAGGIA ANIMA                  01 INTRODUCTION                                                                                      
Pag. 5/6
  1.6.3. External machine parts Incanto AMF CMF
1 ESPRESSO button
ESC button
2 ESPRESSO LUNGO button
3 AROMA STRENGTH button
OK button
4 STEAM or MILK FROTH button
UP button
5 HOT WATER button
6 MENU button
DOWN button
7 STAND-BY button
8 Display In the example:
Main menu; ready for brewing
1 STAND-BY button
2 Water tank seat
3 Coffee bean hopper
4 Pre-ground coffee compartment
5 Removable water tank
6 Main switch
I. ON
0. OFF
7 Power cord socket
8 Coffee grounds drawer
9 Drip tray
10 Drip tray grill
11 Coffee dispensing spout
12 Steam/hot water dispensing spout
13A Automatic milk frother (AMF)
13B Classic milk frother (CMF)
1 Water tank lid
2 Coffee bean hopper lid
3 Pre-ground coffee compartment lid
4 Service door
5 Coffee residues drawer
6 Brew group
7 Coffee dispensing spout
8 Drip tray
9 Coffee grounds drawer
10 ‘Drip tray full’ indicator
11 Steam/hot water dispensing spout
Steam wand (fi xed)
Rubber grip
12 Automatic milk frother top
13 Milk frother suction tube
Main components
Main removable parts
Control buttons and display CMF and AMF
AMF
MAX
2
11
10
9
1
12
3
4
13 13
5
8
6
7
8
94
1
5
6
7
2
3
10
11
13
12
AB
18
2
3
4
5
6
7
ESPRESSO 
ESPRESSO LUNGO
AROMA STRENGTH
STEAM
HOT WATER
MENU
4MILK FROTH

GAGGIA ANIMA                  01 INTRODUCTION 
Pag. 6/6
  1.6.4  Internal machine parts
Flow-meter
Power board
BoilerThermostat
Pump
Coffee 
dispenser
2-way 
solenoid valve
Safety valve
Grinding 
adjustment insert
Coffee grinder
Boiler pin

               GAGGIA ANIMA
          CHAPTER 2
           TECHNICAL 
SPECIFICATIONS

GAGGIA ANIMA                                                                  02 TECHNICAL SPECIFICATIONS 
Pag. 1/5
 2.1. Technical specifi cations
Power supply and output: 240 V~ 50 Hz 1850 W - 230 V~ 50/60 Hz 1850 W 
120 V~ 60 Hz 1500 W 
Temperature monitoring: (NTC) variable resistor sensor - transmits the value to the 
electronic card
Safety system: 2 thermostats at 190°C one shot
Coffee heat exchanger output: 
Stainless steel
(230 V~) 1900 W - (120 V~) 1300 W - (100 V~) 1100 W 
for coffee, hot water and steam dispensing
Gear motor: 2 rotation directions; power supply 24VC
Pump: Ulka Type EP5/S GW approx. 13-15 bar with reciprocating 
piston and thermal switch 100°C 48 W, 230V, 50 Hz, 120V, 
60Hz 100V, 50/60 Hz
Overpressure valve:  Opening at approx. 16-18 bar
Water fi lter: In tank 
Coffee grinder: Direct current motor with fl at ceramic grinder blades 
Automatic dosage: Dose adjustment controlled by the electronic system 
Power consumption: During heating phase- approx. 5.6 A
Dimensions: W x H x D in mm:
221 x 340 x 430 mm (Anima OTC AMF CMF)
(data may vary depending on the model)
221 x 386 x 430 mm (Anima XL)
Weight:
7.5kg  (Anima OTC AMF CMF)
(data may vary depending on the model)
8kg  (Anima XL)
Water tank capacity: 1.8 l. (Anima OTC AMF CMF)  2.5 l. (Anima XL)
Coffee bean hopper capacity: 250 g. (Anima OTC AMF CMF)  500 g. (Anima XL)
Dreg drawer capacity: 15
Water circuit fi lling time: Approx. 15 sec Max. on fi rst fi lling cycle
Heating time: Approx. 45 sec.
Grinding time: Approx. 8-10 sec.

GAGGIA ANIMA                                                                  02 TECHNICAL SPECIFICATIONS 
Pag. 2/5
2.2.1.  Specifi cation for the measurement of the coffee products temperature.
The temperature is infl uenced by the fl ow from the dispenser and stratifi cation of temperatures in 
the glass. In order to consider these phenomena and to introduce measures that allow comparisons 
in controlled conditions, below guidelines must be followed:
Conditions:
a) Water temperature in tank: 23°C (+/-2°C).
b) It must be used a plastic cup (see picture N°1).
c) It must be used a thermocouple thermometer (e.g. type K - see picture N°2).
d)  The  coffee  machine  is  tested  without  any  change  of  parameters  or  calibrations,  which  may                    
    affect the temperature of products, so the measurement of temperature must be done with  
    machine in default factory setting.
Procedure:
1. The temperature must be measured in the cup, immediately after dispensing. Cup has to be 
placed on a non-metal surface using a thermocouple thermometer (Picture 1).
2. The temperature in the cup is measured by immersing the probe of the thermometer up to touch 
the bottom.The probe then must be moved in a circular motion for 5/6 rotations. At the of the rota-
tions, stop in the center of the cup (Picture 2). 
3. The highest temperature measured during the rotations is the value we are searching for, and 
that must be reported;
4. Test measurement: from end of dispensing to the end of rotations must be completed within 12 
seconds.
5. the distance of the probe from the bottom of the glass is a function of the quantity of coffee dis-
pensed: 10mm for 35gr - 17mm for 60gr - 35mm for 120gr and superior (Picture 3). 
Limits of acceptability
The acceptance limits are divided by features and 
products and are the following:
Espresso Coffee Italy Q.ty 25/40 gr.
Temperature of 1st product 69°C ≤ 85°C
Temperature of 2nd product 72°C ≤ 85°C
Coffee Q.ty 70/120 gr.
Temperature of 1st product 69°C ≤ 85°C
Temperature of 2nd product 72°C ≤ 85°C
Picture 1 Picture 2
OFF    Tare    ON
02
10 mm
for 120gr      and 
superior
Ø max 2mm
17 mmfor 60gr
35 mm
for 35gr
Picture 3
DISPLAY

GAGGIA ANIMA                                                                  02 TECHNICAL SPECIFICATIONS 
Pag. 3/5
2.2.2.   Specifi cation for the measurement of the Milk products temperature.
Milk evaluation
To carry out the test, a partially skimmed UHT milk with a percentage of grease between 1.5-1.8% 
at a refrigerator temperature Trefr. (between 4 to 10°C) must be used.
The milk product must be checked on a beaker of 250 ml of capability and with an inner diameter 
of 70mm, brewing 100gr of product.
Parameters to be respected:
The parameters to be respected are: milk temperature and height of the cream. Each of these pa-
rameters, however, must be evaluated depending on the type of system used for the production of 
hot milk.
Actually three types of devices are present on the appliances:
•  Manual system (pannarello)
•  Semi-Automatic system (cappuccinatore)
•  Automatic system (carafe, Pinless wonder system, etc.)
Milk temperature in the beaker:
System without Pinless Wonder: e.g. Xelsis, Exprelia, Syntia, Intelia.
  With milk at Trefr. (about 4-10 °C):       ≥ 36
System with Pinless Wonder: e.g. New royal, Energica Pure, Intelia EVO Latte.
  With milk at Trefr. (about 4-10 °C):       ≥ 45
Height of the milk cream in the beaker:
Manual system (pannarello) ≥ 15mm on 100gr. of brewed product
Semi-automatic system (cappuccinatore) ≥ 20mm on 100gr. of brewed product
Automatic system: carafe, cappuccinatore, Pinless wonder e.g. (New Royal, Energica Pure, Intelia 
EVO latte) ≥ 20mm on 100gr. of brewed product
How to measure the temperature of the milk.
1.  The measurement is carried out in the beaker, immediately after the end of milk brew, positioned 
on a non-metallic surface, using a thermocouple thermometer (eg. Type K). Stop the preparation 
of mixed product: at the end of milk brewing, where “One Touch product” function is present.
2.  The temperature is measured by immersing the probe of the thermometer, positioning the probe 
inside the beaker at about 10mm from the bottom of the container, then the probe moves in 
a circular motion for 3-5 turns, stopping at the end, at the center of the beaker. It detects the 
maximum temperature reached in a time of relief between 3 to 5 seconds. It is important the 
mixing of milk before the measurement at 10mm from the bottom of the beaker. If the mixing is 
correct, temperature, for a few fractions of a second, during the measurement should not oscil-
late. 

GAGGIA ANIMA                                                                  02 TECHNICAL SPECIFICATIONS 
Pag. 4/5
How to measure the milk cream.
The temperature (Trefr or Tamb) of the milk doesn’t affect as much the test result on measuring 
the milk cream; by convection is assumed to always use milk at refrigerator temperature Trefr..
Manual systems (Pannarello)
Pour 100cc. of milk at Trefr. in a beaker of 250 ml of capacity and with a inner diameter of 70 mm; 
with machine in steam mode: 
1.  Open the steam knob to discharger water circuit for 4 sec, then close the knob. 
2.  Place the beaker with the frother dipped in milk, open the steam knob to maximum and  
  start the chronometer.
3.  After about 30 to 60 seconds, close the knob and check the result on milk.
Semi-automatic systems (cappuccino)
Pours milk at Trefr. in a container ; with the machine in steam mode:
1.  Open the steam knob to discharge water circuit for 4 sec. then close the knob. 
2.  Insert the silicone tube in the milk container, placing a beaker of 250 ml capacity and with  
  an inner diameter of 70 mm under the cappuccino maker and open the steam knob. 
3.  After having provided 100gr. of product, close the knob and check the result obtained on  
  milk. Note: The same applies to machines which have a steam key on the user interface  
  and a solenoid valve in place of the steam tap.
Automatic: Carafe, Cappuccino Pinless wonder e.g.:(New Royal, Energica Pure, Intelia 
EVO Latte), etc..
After setting the machine to delivery of 100gr. of product:
1.  Launch the “hot milk” function. 
2.  Collect the product in a beaker with a 250ml of capacity and with an inner diameter of      
  70 mm, and verify the result obtained on milk. Carry out the test using milk at a Trefr..
In case the machine allows modify of the emulsion through the menu, use the machine with the 
emulsion set to the default value.
Related to the above testing procedure derives the following table of acceptability:
Manual, Semi-Automatic and Automatic’s Milk System
Grams of Product Minimun Height of the milk cream
              ≥ 130 ≥ 30mm
120 ≥ 25mm
110 ≥ 22mm
100 ≥ 20mm
90 ≥ 16mm
80 ≥ 13mm
70 ≥ 11mm
NB: To verify more accurately the height of the cream, a practical expedient dictated by expe-
rience is to add to the product just delivered a small amount of coffee. The addition of coffee      
immediately put in evidence the surface of separation between liquid and cream. 

GAGGIA ANIMA                                                                  02 TECHNICAL SPECIFICATIONS 
Pag. 5/5
  2.3.  Machine parameters and performance
PRODUCT  
QUANTITY
Default quantity
(Grams)
User 
programmable
Programm. by 
Production / 
Service
Espresso 40 +/- 10gr Yes No
Espresso lungo 120 +/- 14% Yes No
Hot water Continues until the water supply has been exhausted (capacitive sensor)
Steam 
pannarello 
(frother)
time-out 03 minutes.
WATER TANK Description
Water reserve (pulses) with water fi lter 200
Water reserve (pulses) with no water fi lter 200
Water reserve modifi able by Production/Service 
departments
No
"Fill tank" alarm Yes
"No tray" alarm Yes (Fill tank)
Water mains No
DREG DRAWER Description and values
Time-out for dreg drawer 5 sec.
Reset dreg counter Dreg emptying alarm, if the dreg drawer is 
removed for more than 5 seconds.
STANDBY Description and values
Inlet time (default) 15 minutes
Inlet time programmed by Production/Serv-
ice
Yes
Boiler temperature during Standby Boiler OFF
Descaling frequency
Hardness Water hardness Without anti-scale fi lter With anti-scale fi lter
1Soft (up to 7°dH) 240 litres (480,000 pulses) 480 litres (960,000 pulses)
2Medium (7° - 14°dH) 120 litres (240,000 pulses) 240 litres (480,000 pulses)
3Hard (15° - 21°dH) 60 litres (120,000 pulses) 120 litres (240,000 pulses)
4Very hard 
(over 21°dH) 30 litres (60,000 pulses) 60 litres (120,000 pulses)
The default water hardness level is 3. Each litre of water corresponds to approximately 2,000 pulses

               GAGGIA ANIMA
          CHAPTER 3
          USER INSTRUCTIONS

GAGGIA ANIMA                                   03 USER INSTRUCTIONS
Pag. 1/3
Display Setting Setting Value Description
Coffee
temperature average Coffee brewing temperature set-
ting.
Stand-by 
time
15 minu-
tes Stand-by time setting.
Contrast average Display contrast setting.
Water 
hardness
4 (very 
hard
water)
Water hardness setting. 
INTENZA+
water fi lter
OFF (not
installed) INTENZA+ settings. 
 3.1. Customer menu
List of default settings
Changing the default settings
It is possible to customise the machine functions through the programming 
menu. The machine must be turned on and ready to work.
If necessary, refer to the “8.1 List of default settings” chapter.
Press the MENU button and scroll through functions list to select the 
function whose settings are to be modifi ed:
Note: the images at the side refer to a sample function.
Once selected:
Press the UP button to increase the value.
Press the DOWN button to decrease the value.
Press the OK button to confi rm the change.
When the change has been implemented, the OK message will be 
displayed.
The modifi ed but unconfi rmed values will not be stored.
Press the ESC button to exit the programming function.
The machine automatically exits the programming mode if no button is 
pressed for 3 minutes.
Press the OK button to select the desired function
MAX 
MED
MIN
COFFEE 
TEMP
DISPLAY 
CONTRAST
180°
60°
30°
15°
STANDBY
4
3
2
1
WATER 
HARDNESS
DISPLAY 
CONTRAST
>
>
>
>
>
>
ON
FILTER
FILTER
WATER     
FILTER  OFF

GAGGIA ANIMA                                   03 USER INSTRUCTIONS
Pag. 2/3
Reset to the default settings
Alarm signals summary: red display
Warnings signals summary
It is possible to restore the default settings through the programming 
menu. The machine must be turned on and ready to work.
Press the MENU button and scroll through functions list to select the 
RESET function.
Press the OK button to select the function.
When the change has been implemented, the OK message will be 
displayed.
Press the ESC button to exit the programming function.
The machine automatically exits the programming mode if no button is 
pressed for 3 minutes.
>
>
RESET
>
Display Description
Put back the drip tray 
and coffee grounds 
drawer; close the 
service door.
Coffee bean   
hopper empty.
Brew group not 
inserted.
The machine is 
out of service.
Display Description
Coffee grounds 
drawer full.
Water tank empty.
XX
Display Description
The machine is ready to 
brew products: coffee 
bean hopper empty
The machine is ready to 
brew products: replace 
the INTENZA+
water fi llter.
The machine is waiting 
to start the water circuit 
priming process.
The milk carafe ducts 
should be cleaned.
Display Description
The machine must be 
descaled.
The machine is heating 
up.
The machine is rinsing.
Brew group rebooting.
10
CLEAN Only OTC
START       
CALC       
CLEAN
FILTER

GAGGIA ANIMA                                   03 USER INSTRUCTIONS
Pag. 3/3
The machine is out of service
If the machine error alarm signal is triggered, the error code is 
displayed in the bottom right corner of the display.
(Following table)
XX
Red Display
Error 
code Behaviour Cause Action
1Coffee grinder
blocked
Coffee outlet duct 
clogged Clean the coffee outlet duct thoroughly.
3 - 4 Brew group locked, 
cannot be taken out
The brew group is 
incorrectly positio-
ned.
Close the service door. Turn the machine off 
and back on again. Wait for the ‘Ready for 
brewing’ signal and then remove the brew 
group.
5 Water circuit error Air in the water 
circuit
Remove and restore the water tank a couple 
of times, making sure to position it correctly. 
Check that the water tank seat is clean.
  3.2.  Operation, cleaning and maintenance
Operating the machine
1 Fill water tank
2Fill the coffee bean hop-
per
3 Switch on the appliance
4Press the button to start 
the appliance
5 Heating When the heating phase begins, wait for it to fi nish
6 Rinse Carry out a rinse cycle for the internal circuits
7 Machine ready The machine is ready to dispense beverages
CLEANING AND TECHNICAL SERVICING
A Empty the dregs drawer When indicated
B Empty the drip tray As necessary 
C Clean the water tank Weekly
D Clean the coffee bean hopper As necessary
E Clean the casing As necessary
F
Clean the brewing unit  Every time the coffee bean hopper is fi lled or weekly
Lubricate the brewing unit After 500 dispensing cycles or when the grease is 
no longer present on the brewing unit
Clean the unit housing Weekly
H Descaling When indicated

               GAGGIA ANIMA
          CHAPTER 4
           OPERATING LOGIC

GAGGIA ANIMA                                                                                   04 OPERATING LOGIC
Pag. 1/10
 4.1. Water circuit 
Water 
Hot water /steam
Pump
Safety valve
Water 
discharge
Steam pipe
Water tank
Two-way solenoid valve
Brewing Unit
Flowmeter
Boiler
Flowmeter
Steam and hot water
Two-way solenoid valve
Pump
Brewing Unit
Boiler
Safety valve
Water 
discharge
Water tank

GAGGIA ANIMA                                                                                   04 OPERATING LOGIC
Pag. 2/10
  4.2. Milk Carafe
1) Steam input
2)Bring the cappuccino maker into dispensing 
position 
3) Milk tank 
1
2
3
The steam passes 
through the pipe creating 
a sucking effect that pulls 
the milk upwards
Steam
The milk is heated by the 
steam and taken towards 
the emulsion chamber 
where it is mixed with 
air and transformed into 
foam 

GAGGIA ANIMA                                                                                   04 OPERATING LOGIC
Pag. 3/10
Switching on
When the machine is switched on, the gear motor repositions itself as follows:
-  It acts on microswitch 1 
-  The gear motor changes its rotation direction and moves upwards again by approx. 1-2 mm.
-  The boiler begins to heat the water for approx. 45 sec., at full power, in order to reach the 
optimal temperature. The temperature will then remain at a constant level. 
An NTC is used as a temperature sensor; in the event of overheating this reduces boiler element 
power consumption.
The electronic system detects the current boiler temperature from the drop in voltage of the 
sensor and adjusts it accordingly.
Heating element values and corresponding temperatures: see table.
  4.4.  Temperature sensor (adjustment)
Temp. (°C) R nom (kΩ)ΔR (+/- %)
20 61.465 8.6
50 17.599 5.9
75 7.214 4.1
80 6.121 3.7
85 5.213 3.4
90 4.459 3.1
100 3.3 2.5
125 1.653 3.9
150 0.893 5.1
 4.3. Single microswitch
The gear motor is powered by a direct cur-
rent motor that engages with the smaller 
double toothed wheel using a worm screw. 
The unit is mounted on the axle of the large 
gear wheel and when a coffee is requested, it 
moves from the standby position to the dis-
pensing position, and then back to the stand-
by position again.
- Standby position: 1
- Dispensing position: 2
2
1

GAGGIA ANIMA                                                                                   04 OPERATING LOGIC
Pag. 4/10
  4.5.  Coffee grinder only for 120v
2
3
4
5
6
1
  4.6.  Detection of coffee bean absence, dose adjustment, 
                     blocked coffee grinder
t1
V
t2
t3
t4
t
Without beans n=100%
With beans n=100%
Without beans n=50%
With beans n=50%
The coffee grinder is activated by a direct current motor (1) via helicoidal wheel transmission and 
a worm screw (2).
The worm screw (2) activates a plastic toothed wheel (3), which turns the lower grinder blade (4) 
and the increment pin (5).
There are two magnets (6) in the toothed wheel and with every rotation they transmit two pulses 
to a Hall sensor, which in turn transmits them to the electronic system.
No coffee
When no coffee beans are present, this is detected by the Hall 
sensor due to variations in the pulse frequency (with or without 
coffee). 
If there are no coffee beans (operation while empty), the number 
of rotations and therefore the number of pulses, will be greater 
t1 = no coffee signal
If there are coffee beans, the number of rotations will be 
lower due to the force created during the grinding process
t2 = no signal
t3 and t4 = this reading is taken    
              at the end of each grinding process
Dose quantity adjustment
The dose quantity is adjusted in accordance with the pulses 
detected 
(number of rotations proportional to the weak, medium and 
strong fl avour selection)
Blocked grinder blades
If the coffee grinder is blocked for any reason, pulses will no 
longer be transmitted to the electronic system and the grinder 
stops 

GAGGIA ANIMA                                                                                   04 OPERATING LOGIC
Pag. 5/10
  4.7.  Dose self-learning (SAS) only for 120v
The aim of this function is to automatically regulate the average dose of ground coffee (SELF-
LEARNING); this takes place with an algorithm based on the following values and setting by the 
user:
1.  Number of coffee grinder pulses during the grinding cycle.
2.  Max. average value of the power consumed by the gear motor during the coffee brewing cycle.
3.  Aroma selected by the user.
The algorithm compares the maximum average value of the power consumed by the gear motor 
with the value listed in the table for the selected aroma, in order to calculate the new grinding 
pulse value for the next coffee produced.
If the power consumption value is less than the minimum current value, the grinding pulses will 
be increased by 2.
If the power consumption value is greater than the maximum current value, the grinding pulses 
will be decreased by 4.
If the power consumption value falls within the “over-torque” interval, the product will be dis-
pensed and the grinding pulses will be decreased by 10.
If the power consumption value falls within the “abort cycle” interval, the dreg will be expelled 
and the grinding pulses will be decreased by 10.
If the “pre-ground” fl avour is selected by the user, no modifi cation will be made.
This guarantees that, regardless of the coffee type used, the grinding level setting 
and the wear on the grinders, the ground coffee dose always remains constant.
Important:
For perfect operation, machine adjustment should take place in the area of the fi elds 
highlighted in green (A, B, C). When the type or brand of coffee is changed, there may be 
variations in the size of the beans and their stickiness or roasting level. This leads to variations 
in power consumption (mA), with resulting excessive or insuffi cient doses (until the necessary 
adjustments have been made to compensate for this change).
Caution: In the case of excessive dosage, powder may be expelled into the dreg 
drawer. This is not a fault, but can occur during preliminary operation or after a 
service.
DOSE ADJUSTMENT (NUMBER OF GRINDER IMPULSES) 
TO APPLY TO MED AROMA
3 levels 5 levels +2 0 -4 -10
-10 and 
CYCLE 
ABORTED
Aroma 
of the 
grinded 
product
Light Very Light
MAX_CURRENT_mA 
<150mA
<=150mA
MAX_CURRENT_mA 
<=250mA
MAX_CURRENT_mA 
>250mA
MAX_CURRENT_mA 
>800mA
MAX_CURRENT_mA 
>1000mA
Med
Light MAX_CURRENT_mA 
<250mA
<=250mA
MAX_CURRENT_mA 
<=350mA
MAX_CURRENT_mA 
>350mA
MAX_CURRENT_mA 
>800mA
MAX_CURRENT_mA 
>1000mA
Med
Strong
Strong MAX_CURRENT_mA 
<350mA
<=350mA
MAX_CURRENT_mA 
<=500mA
MAX_CURRENT_mA 
>500mA
MAX_CURRENT_mA 
>800mA
MAX_CURRENT_mA 
>1000mA
Very Strong
A
B
C

GAGGIA ANIMA                                                                                   04 OPERATING LOGIC
Pag. 6/10
 4.8. Coffee grinder 
2
3
4
5
1
The coffee grinder is driven by a direct current motor (1) using a worm screw helicoidal wheel 
transmission (2).
The worm screw (2) drives a plastic gear wheel (3), which turns the lower grinder (4) and the 
increment pin (5) 
  4.9.  Autodose system description
mA
I0 
I0 + 100
I0 + 55
I0 + 200
Aroma 4/5
Aroma 2/3
Aroma 1
Auto-Zero
100≤ I0 ≤300
I0 = current when the BU is moving without load, i.e. without coffee. It occurs, for example, dur-
ing the rinsing phase of coffee spout. 
Current targets:
Aroma 1     55mA
Aroma 2/3      100mA
Aroma 4/5      200mA
100 mA ≤ I0 ≤ 300 mA
If the BU current is ≤ the current target     the grinding time
If the BU current is ≥ the current target     the grinding time

GAGGIA ANIMA                                                                                   04 OPERATING LOGIC
Pag. 7/10
The machine uses an ALGORITHM that considers the current absorbed by the coffee grinder, 
beside it considers if the grinder is old or new and if it is warm or cold.
1) When the system get the stability (i.e. the system got the current target) the coffee doses 
should be: 
                                        A1             A2/3       A4/5           
      7,5               9,0           10       ±1,5 grams           
with medium grinding (500±60μm) and using coffee of test.
2) the 3 grinding times are always:
 T1<T2<T3  
beside, every grinding time is, respectively: 
4,0s ≤T3 ≤10s (10000ms)
3,5s ≤T2 ≤9s (9000ms)
3,0s ≤T1 ≤8,1s (8100ms)
 4.10.  Coffee lack detection and coffee grinder blocked
DOSE ADJUSTMENT 
5 levels Grinder 
Time
Min 
Grinder 
Time
Max 
Grinder 
Time
Curret target
Aroma 
of the 
grinded 
product
Aroma1 Very Light T13s 8,1s I0 + 55mA
Aroma2 Light T2  3,5s 9s I0 + 100mA
Aroma3 Med
Aroma4 Strong T34s 10s I0 + 200mA
Aroma5 Very Strong

GAGGIA ANIMA                                                                                   04 OPERATING LOGIC
Pag. 8/10
 4.11. Coffee cycle
Notes: * Only with Pre-brewing
Switching on
When the machine is switched on, the gear motor repositions itself as follows:
-  It acts on microswitch 1 (see following chapter).
-  The gear motor changes its rotation direction and moves upwards again by approx. 1-2 mm.
-  The boiler begins to heat the water for approx. 45 sec., at full power, in order to reach the 
optimal temperature. The temperature will then remain at a constant level. 
Coffee cycle
1.  The coffee grinder starts the grinding process (controlled by Time).
2.  The gear motor (brewing unit) moves to the brewing position.
3.  Preliminary dispensing phase (short pump activity, short pause).
4.  Product dispensing (the pump operation period is defi ned by the amount of product dis-
pensed).
5.  The gear motor moves to its home position (the dregs are expelled automatically).
Main switch ON START STOP
Time
Coffee grinder
Heating
Pump
Brewing unit gear 
motor
Status Heating Ready Coffee cycle
Time  
(Dosage)
Pump operation (fl ow 
meter pulses) in 
accordance with the 
amount of product 
selected.
approx. 
45 sec.
*
Single microswitch gear motor
Status
Microswitch OFF ON

GAGGIA ANIMA                                                                                   04 OPERATING LOGIC
Pag. 9/10
 4.12.  Water level detection (water tank)
“Water low” message (water reserve)
Function:
The water level is monitored by a capacitative sensor, located one 
third of the way up the water tank wall.
If the electronics assembly detects, by means of the sensor, 
that the amount of water in the tank has dropped below the 
above mentioned level, a water reserve remains available for 
the dispensing process underway (this will cover 200 fl ow meter 
pulses).
The product dispensing process will then come to an end.
If a dispensing cycle ends after the sensor has been triggered (in 
the reserve) then the display “Water low” continues to be displayed 
during the following dispensing cycle.
200 puls.
Sensor
Water tank
“Descaling” – message with water fi lter 
inserted
(appliances with display only)
The water hardness is set on the basis of the 
regional water hardness analysis 
(1, 2, 3, 4).
Filter off:
If the function is turned o  the electronics 
assembly monitors the fl ow meter pulses, 
recording one pulse each turn.
Filter on:
If the function is turned on the electronics 
assembly monitors the fl ow meter pulses, 
recording one pulse every two turns.
“Change water fi lter” message 
The electronics assembly uses the fl ow meter 
impulses to keep track of the amount of water 
which has fl owed through; after the specifi ed 
amount (set in accordance with the water 
hardness level), the “Replace fi lter” message 
appears.
 4.13. Descaling request 
360°
1 rev
Number of pulses
Filter
on
Filter
off
Flow meter pulses

GAGGIA ANIMA                                                                                   04 OPERATING LOGIC
Pag. 10/10
Bypass
 4.14. Water fi lter 
Function:
•  Reduced limescale deposits which take longer to form.
•  Improved water quality.
•  Improved taste due to the ideal water hardness.
Life span / descaling performance:
•  - 10 ° dH
•  60 litres
•  2 months
To achieve the best possible operating mode consistency 
over the total life span, the water is channelled using 
a 3-stage bypass (A, B, C) depending on the degree of 
hardness. See small image.

               GAGGIA ANIMA
          CHAPTER 5
          TROUBLESHOOTING

GAGGIA ANIMA                                                                                 05 TROUBLESHOOTING
Pag. 1/9
 5.1. Test Mode
The Test Mode is organized into 6 different pages, each level the coffee machine can execute 
different commands:
Page 0: The display shows:
a) Firmware version.
b) Version of machine (Focus ⇒ CMF, Class ⇒ AMF, Top ⇒ OTC).
c) Voltage of PCB.
d) Main supply frequency (50 or 60 Hz).
Page 1: Keyboard and display’s colour test:
a) Z1 button
b) Z2 button
c) Z3 button
d) Z4 button
e) Z5 button
f) Z6 button
g) Z7 button
h) Backlight colors
Page 2: Input signals test:
a) Water level sensor
b) Micro-switch door closed/opened
c) Microswitch presence of the Brew Unit
Page 3: Low voltage loads test:
a) Brew Unit movement upward and downward (24V DC)
Page 4: High/Low voltage loads test (Pump, E.Valve ) :
a) Pump (230V AC)
b) DC Solenoid valve (24V) ( The door must be closed !!)
c) Flow-meter
Introduction
This document describes the Test Mode of the Anima (CMF,AMF, OTC and XL) Coffee Machine.  
This application is used in order to test the machine in its mechanics and electronic components.
To enter Test Mode 
The machine enters in Test mode by holding pressed together Z1 and Z6 buttons while switching 
on the machine by the main switch on the backside of the CA.
Once entered in Test Mode, the display shows the fi rmware version (Level 0). 
Z1
Z2
Z3 Z6
Z7
Z5
Z4

GAGGIA ANIMA                                                                                 05 TROUBLESHOOTING
Pag. 2/9
Verify the fi rmware version
Verify the fi rmware version
Page 0 (FIRMWARE)
Page 0 (FIRMWARE)
Firmware version on the display.
Firmware version on the display.
The machine model is shown 
The machine model is shown (Focus ⇒CMF, Class ⇒AMF, Top ⇒OTC)
.
.
The voltage of the main supply “230V”
The voltage of the main supply “230V”
The frequency of the main supply is shown (50 or 60 Hz)
The frequency of the main supply is shown (50 or 60 Hz)
The fi rmware version is the same as the label on MicroController
The fi rmware version is the same as the label on MicroController
ERROR: The fi rmware version is different from the label on MicroController; 
change the CPU_POWER Boards !
ERROR: 
ERROR: 
If in machine model fi eld is written “Unknow” and backlight of display is Red, check the 
If in machine model fi eld is written “Unknow” and backlight of display is Red, check the 
jumper in interface.
jumper in interface.
The machine passes to the Page 1 (KEYBOARD)
The machine passes to the Page 1 (KEYBOARD)
ERROR: The page does not change; Check the interface board and 
the fl at cable (JP21)
Press 
Press 
Z7
Z7
 “ 
 “ 
 ” to move to the next screen
 ” to move to the next screen
Page 5: High voltage loads test (Heater , Grinder ):
a) Heater (230V AC)
b) Grinder (320V DC)
The user can change the page by pressing the Z7 button.
Page 0 is accessible only entering Test Mode from power-off mode; at the start up all loads are 
turned off.
TEST MODE Level0
TEST MODE Level1
TEST MODE Level2
TEST MODE Level3 
TEST MODE Level4
TEST MODE Level5
Pressing button Z7
Pressing button Z7
Pressing button Z7
Pressing button Z7
Pressing button Z7
Pressing button Z7

GAGGIA ANIMA                                                                                 05 TROUBLESHOOTING
Pag. 3/9
Press buttons from 1 to 7
Press buttons from 1 to 7
Only when a button is pressed a O appears on the relative position
of button pressed.
In the middle of display appears the name of the button pressed and
the backlight color changes from WHITE to RED.
When a button is pressed, also the Stand-By led (RED) turn ON.
Note: Press button Z7 as the last once, since it makes
change the test page.
Note: If 2 or more buttons are pressed the name that appears
on display could be wrong.
ERROR: 
ERROR: 
If nothing appears on display; check the interface board and the fl at cable (JP21).
If nothing appears on display; check the interface board and the fl at cable (JP21).
ERROR: 
ERROR: 
If during the movement the backlight remain WHITE check the wiring (JP1) from the 
If during the movement the backlight remain WHITE check the wiring (JP1) from the 
interface board and the display.
interface board and the display.
ERROR: 
ERROR: 
The name displayed is wrong; check the position of jumper in interface in JP5. It must 
The name displayed is wrong; check the position of jumper in interface in JP5. It must 
be the same of machine model.
be the same of machine model.
The machine passes to the level 2 (INPUTS)
The machine passes to the level 2 (INPUTS)
Insert a full Water Tank.
Insert a full Water Tank.
The indication H20 changes from “N” to “Y”.
The indication H20 changes from “N” to “Y”.
NOTE:
NOTE:
 the switching from “N” to “Y” requires about 1-2 seconds.
 the switching from “N” to “Y” requires about 1-2 seconds.
ERROR: 
ERROR: 
The indication TANK-H2O doesn’t change; check the ca-
The indication TANK-H2O doesn’t change; check the ca-
pacitive sensor (fi xing) and the wiring (JP23)
pacitive sensor (fi xing) and the wiring (JP23)
Page 1 (KEYBOARD)
Page 1 (KEYBOARD)
Page 2 (INPUTS)
Page 2 (INPUTS)
Start condition
Start condition
Start condition
Start condition
Press 
Press 
Z7
Z7
 “ 
 “ 
 ” to move to the next screen
 ” to move to the next screen

GAGGIA ANIMA                                                                                 05 TROUBLESHOOTING
Pag. 4/9
Insert the BrewUnit
Insert the BrewUnit
The indications 
The indications 
BU-P
BU-P
 changes from “N” to “Y”.
 changes from “N” to “Y”.
Note:
Note:
 removing the BrewUnit the indication from “Y” to “N” requires 
 removing the BrewUnit the indication from “Y” to “N” requires 
about 2-3 seconds to switch.
about 2-3 seconds to switch.
ERROR: Check the BU presence Microswitch and the wiring (JP16).
Close the Door and Dreg Drawer 
Close the Door and Dreg Drawer 
The indication 
The indication 
DOOR
DOOR
 change from “N” to “Y”
 change from “N” to “Y”
ERROR: The indication DOOR does not change; check 
the  Microswitch  for  the  door and  the  wiring  (JP14).                                            
Note: without the Dreg Drawer correctly inserted the DOOR indica-
tion cannot change!
The machine passes to the Page 3 
The machine passes to the Page 3 
(BU PAGE)
(BU PAGE)
Press 
Press 
Z7
Z7
 “ 
 “ 
 ” to move to the next screen
 ” to move to the next screen
Page 3 (BU)
Page 3 (BU)
Start condition
Start condition
Press the Z1 button to move the BU to Work
Press the Z1 button to move the BU to Work
IMPORTANT NOTE: If the DREGDRAWER is not inserted or the
DOOR is not closed the BU test cannot be performed. If these 2
inputs are not in the right position, a warning message will be
shown and the display turns to red.
When the BU reaches the work position the indication 
When the BU reaches the work position the indication 
WORK
WORK
 chang-
 chang-
es from “N” to “Y”, the number of the current is less than 200mA 
es from “N” to “Y”, the number of the current is less than 200mA 
(without BU) or 300mA (with BU).
(without BU) or 300mA (with BU).
ERROR:
ERROR:
 The indication 
 The indication 
WORK
WORK
 doesn’t change and remain “N”,
 doesn’t change and remain “N”,
the display backlight changes from white to red; Check the work
the display backlight changes from white to red; Check the work
microswitch (broken?), the BU motor (blocked?) and the wiring
microswitch (broken?), the BU motor (blocked?) and the wiring
(JP16).
(JP16).
ERROR: 
ERROR: 
(
(
Without BU
Without BU
) The absorbed current is more than
) The absorbed current is more than
200mA, the display backlight changes from white to red; check the 
200mA, the display backlight changes from white to red; check the 
BU and the motor.
BU and the motor.

GAGGIA ANIMA                                                                                 05 TROUBLESHOOTING
Pag. 5/9
ERROR:
ERROR:
(With BU) 
(With BU) 
The absorbed current is more than 300mA, 
The absorbed current is more than 300mA, 
the display backlight changes from white to red; check the BU and
the display backlight changes from white to red; check the BU and
the motor
the motor
Press the Z3 button to move the BU to Home 
Press the Z3 button to move the BU to Home 
When the BU reaches the home position the indication HOME
changes from “N” to “Y”, the number of the current is minus than
200mA (without BU) or 300mA (with BU).
ERROR:
ERROR:
 The indication 
 The indication 
HOME
HOME
 doesn’t change and remain “N”,
 doesn’t change and remain “N”,
the display backlight changes from white to red; Check the work
the display backlight changes from white to red; Check the work
microswitch (is broken), the BU motor (is blocked) and the wiring
microswitch (is broken), the BU motor (is blocked) and the wiring
(JP16
(JP16
ERROR:
ERROR:
(Without BU)
(Without BU)
 The absorbed current is higher than
 The absorbed current is higher than
200mA, the display backlight changes from white to red; check the
200mA, the display backlight changes from white to red; check the
BU and the motor.
BU and the motor.
ERROR:
ERROR:
(With BU)
(With BU)
The absorbed current is higher than 300mA,
The absorbed current is higher than 300mA,
the display backlight changes from white to red; check the BU and
the display backlight changes from white to red; check the BU and
the motor.
the motor.
Press 
Press 
Z7
Z7
 “ 
 “ 
 ” to move to the next screen
 ” to move to the next screen
Press the Z1 button to open the Electro Valve 
Press the Z1 button to open the Electro Valve 
IMPORTANT NOTE: If the DREGDRAWER is not inserted or the
DOOR is not closed the EV test cannot be performed. If these 2
inputs are not in the right position, a warning message will be
shown and the display turns to red.
Start condition
Start condition
The machine passes to the Page 4 
The machine passes to the Page 4 
(EV - PUMP)
(EV - PUMP)
Page 4 (EV - PUMP)
Page 4 (EV - PUMP)

GAGGIA ANIMA                                                                                 05 TROUBLESHOOTING
Pag. 6/9
Press and Release the Z4 button to switch on the pump (100 
Press and Release the Z4 button to switch on the pump (100 
impulses)
impulses)
The water goes out from the pipe and the indication 
The water goes out from the pipe and the indication 
IMP
IMP
 shows
 shows
increasing numbers. The indication L/H must be within the range
increasing numbers. The indication L/H must be within the range
10-18.
10-18.
ERROR:
ERROR:
 The display backlight changes from white to red and the
 The display backlight changes from white to red and the
impulse remains 0; If water comes out the pipe: check the wiring
impulse remains 0; If water comes out the pipe: check the wiring
from the fl owmeter to the CPU/POWER board (JP5). If no water
from the fl owmeter to the CPU/POWER board (JP5). If no water
comes out the pipe: check the pump and the wiring from the pump
comes out the pipe: check the pump and the wiring from the pump
to the CPU/POWER board (JP24).
to the CPU/POWER board (JP24).
ERROR:
ERROR:
 The L/H is zero or very low; the Electro Valve does not
 The L/H is zero or very low; the Electro Valve does not
open. Check the wiring from the Electro Valve to the CPU/POWER
open. Check the wiring from the Electro Valve to the CPU/POWER
board (JP3) and the Electro Valve.
board (JP3) and the Electro Valve.
The machine passes to the level 5 (Heater-Grinder)
The machine passes to the level 5 (Heater-Grinder)
It is possible to hear the “click” from Electro Valve. The indication
It is possible to hear the “click” from Electro Valve. The indication
beside the 
beside the 
EV1
EV1
 changes from “OFF” to “ON”.
 changes from “OFF” to “ON”.
Press 
Press 
Z7
Z7
 “ 
 “ 
 ” to move to the next screen
 ” to move to the next screen
Press the Z4 button to switch on the grinder.
Press the Z4 button to switch on the grinder.
The grinder rotates and in the indication 
The grinder rotates and in the indication 
GRINDER
GRINDER
 the number
 the number
increasing up to 5000 (5seconds test). The other numbers inside the
increasing up to 5000 (5seconds test). The other numbers inside the
GRINDER
GRINDER
 box are not important for this test.
 box are not important for this test.
ERROR: 
ERROR: 
The number remains 0 or the grinder does not run, the
The number remains 0 or the grinder does not run, the
display backlight changes from white to red; check the Grinder and
display backlight changes from white to red; check the Grinder and
the wiring from the Grinder to the CPU/POWER board (JP8)
the wiring from the Grinder to the CPU/POWER board (JP8)
Check the temperature 
Check the temperature 
The number shows the heater temperature.
ERROR: 
ERROR: 
In the indication 
In the indication 
HEATER
HEATER
 appears 
 appears 
“SHORT”
“SHORT”
, the 
, the 
NTC
NTC
temperature-sensor is shorted, the display backlight changes from
temperature-sensor is shorted, the display backlight changes from
white to red; check the wiring from the NTC temperature-sensor to
white to red; check the wiring from the NTC temperature-sensor to
the CPU/POWER board (JP13).
the CPU/POWER board (JP13).

GAGGIA ANIMA                                                                                 05 TROUBLESHOOTING
Pag. 7/9
Press the Z1 button to switch on the Heater 
Press the Z1 button to switch on the Heater 
The absorbed current ( Amperometer on the main supply) is OK, the
The absorbed current ( Amperometer on the main supply) is OK, the
indication 
indication 
HEATER
HEATER
 changes from “OFF” to “ON” and the temperature 
 changes from “OFF” to “ON” and the temperature 
starts increasing.
starts increasing.
If temperature is over 100°C, the backlight change from WHITE to
If temperature is over 100°C, the backlight change from WHITE to
RED. This is a ALERT message to avoid heating the HEATER element over 
RED. This is a ALERT message to avoid heating the HEATER element over 
dangerous temperature.
dangerous temperature.
ERROR:
ERROR:
 the absorbed current is KO or the temperature does not
 the absorbed current is KO or the temperature does not
increase; check the wiring from the heater to the CPU/POWER
increase; check the wiring from the heater to the CPU/POWER
board (JP19) and the wiring of the NTC temperature-sensor (JP13).
board (JP19) and the wiring of the NTC temperature-sensor (JP13).
 5.1.1. SteamOut
To enter in SteamOut
The machine enters in Steam-Out mode by holding pressed together:
the “ESPRESSO LUNGO” button and the MENU button;
while switching on the machine by main switch behind the machine.
This document describes the Steam-Out procedure; the application is used in order to empty the 
heater.
ERROR: 
ERROR: 
In the indication 
In the indication 
HEATER
HEATER
 appears 
 appears 
“OPEN”
“OPEN”
, the 
, the 
NTC
NTC
temperature-sensor is detached or broken, the display backlight
temperature-sensor is detached or broken, the display backlight
changes from white to red; check the wiring from the NTC
changes from white to red; check the wiring from the NTC
temperature-sensor to the CPU/POWER board (JP13).
temperature-sensor to the CPU/POWER board (JP13).
Once entered the Steam Out mode the display shows the “STEAM
OUT” indication. Buttons can be released
IMPORTANT NOTE: to execute the Steam-out procedure the Ntc
sensor must work correctly; if some errors occurs on Ntc during the
steam-out, the procedure can’t continue and an error message is
shown on the display.

GAGGIA ANIMA                                                                                 05 TROUBLESHOOTING
Pag. 8/9
IMPORTANT NOTE: to execute the Steam-Out procedure the
DREGDRAWER must be in place and the DOOR must be closed.
If these 2 conditions are not respected a warning message is shown
on the display and the Steam-Out is interrupted.
The machine starts the Steam Out and in the display appears the
indication “ON”.
While the Steam Out runs the Electro valve is opened and water
comes out the Water/Steam pipe.
When the Steam Out is complete the message “COMPLETE” is
shown on the Display.The Electro valves automatically closes and the
machine can be switched off.
When the Steam-Out is complete the following parameters are reset to their default values:
Length “Espresso” product (Default 145 impulses)
Length “Espresso Lungo” product (Default 345 impulses)
Length “Cappuccino” (Coffee + Milk product) (Default 170 impulses coffee & 34sec milk) 
Length “Milk” product (Default 34 seconds)
Stand-By Time (Default 15 minutes)
Count Coffee (Default 0)
The request for Priming the Circuit at the fi rst switch on is set.
Brewing Unit Empty
Aroma Strength (Default 3 beans)
BU current array (BU during rinsing) (Default 150mA)
Grinder Sensing Array Default 2000ms)
Grinding time Aroma Very Light (1 Bean) (Default 3000ms)
Grinding time Aroma Light/Medium (2/3 Beans) (Default 3500ms)
Grinding time Aroma Strong/Extra Strong 
(4/5 Beans)
(Default 4000ms)
Filter Presence (Default OFF)
Filter Pulses (Default 0)
Last Error Log (Default 0)
Coffee Duct Empty = TRUE (To grind more fi rst time after steam-out and refi ll duct with coffee)

GAGGIA ANIMA                                                                                 05 TROUBLESHOOTING
Pag. 9/9
ERROR 
ERROR 
CODES
CODES
DESCRIPTION
DESCRIPTION
01
01 The coffee grinder is blocked
02
02 The grinder is disconnected
03
03 The brewing unit is blocked in work position
04
04 The brewing unit is blocked in home position
05
05 The hydraulic circuit is clogged
10
10 The temperature sensor is in short circuit
11
11 The temperature sensor is opened
14
14 The temperature was up to 170°
15
15 The machine doesn’t heat up
19
19 The net is not stable
22
22 The keyboard is not recognized
5.2. Error codes

               GAGGIA ANIMA
          CHAPTER 6
          STANDARD CHECKS

GAGGIA ANIMA                                                                                 06 STANDARD CHECKS
Pag. 1/2
Action
1Visual inspection (transport damage)
2Machine data check (rating plate)
3Operational check / problem analysis
4Opening machine
5Visual inspection
6Operational tests
7Repairing the faults encountered
8Checking any modifi cations (view Symptom Cure, new software, etc.)
9Service activities in accordance with the operating schedule
10 Internal cleaning
11 Operational test while the appliance is open
12 Assembly
13 Final inspection test
14 Draining the circuit (in winter)
15 External cleaning
16 Lubricating the brewing unit with suitable grease
17 Insulation test HG 701 (dielectric)
18 Documentation 
SReplacement PCleaning
ES Visual inspection TR Noise test
DDescaling RAdjustment
Component Action Support/tool
Water fi lter P/S
Water tank lip seal S
Boiler pin O-ring S
Brewing unit ES/P Grease solvent / Grease
Hoses, attachments and Oetiker clamps ES
Pump ES/TR
Gear motor ES/TR
Coffee grinder P/R Vacuum cleaner / brush
Water circuit DSaeco descaler
Hot water/steam valve ES/S
 6.2. Service schedule
 6.1. Repair schedule

GAGGIA ANIMA                                                                                 06 STANDARD CHECKS
Pag. 2/2
Test Procedure Support/
tool Standard Tolerance
Espresso 2-3 Espressos for 
adjustment purposes
Measuring 
scoop Same amount 15%
Coffee 2-3 Coffees for 
adjustment purposes
Measuring 
scoop Same amount 15%
Noise Standard
Amount of 
cream
Blow into the cup until 
the cream separates
The cream should 
come together 
again to form a 
complete layer
Cream colour Hazel brown
Grinding level Check the grain size of 
the ground coffee
Hot water Dispense water
Steam Dispense steam
Dreg drawer 
missing 
indication
Remove the dreg drawer Dreg drawer 
missing indication
Low bean level 
indication
Start brewing a coffee 
while the coffee bean 
hopper is empty
Low bean level 
indication
 6.3. Final test

               GAGGIA ANIMA
          CHAPTER 7 
          DISASSEMBLY

GAGGIA ANIMA                                                                                          07 DISASSEMBLY
Pag. 1/9
 7.1. Outer Shell 
Remove the water tank, coffee container cover, 
drip tray, dreg drawer, brewing unit. 
Cover a screwdriver with 
adhesive paper to prevent 
scratching the chromed 
shell.  
Remove the cover as in the 
photo. In case of any issues 
please you can try with the 
alternative way below de-
scribed. 
Remove the cover as 
in the photo.  
Unscrew the screw 
shown and remove 
the cover.
Unscrew the screws shown
Unscrew the screw shown Press the sides and remove the cover and 
dispenser. Insert as before to reassemble the 
dispenser in the rail and then the coverage.
Remuve the cap, unscrew the screw 
shown and remove the steam tube.
Anima OTC
Anima XL
Upper cover
23
1

GAGGIA ANIMA                                                                                          07 DISASSEMBLY
Pag. 2/9
 7.2. Dispenser
Unscrew the screws shown
Unscrew the screws shown and 
remove the dispenser
unlock where highlighted and re-
move the cover in the dispenser
Remove the insert the upper cover 
Remove the support KYB assy. 
and disconnect the fl at cable.
Remove the upper cover and remove the electrical and 
water circuit connections.
remove the block support 
KYB assy. 

GAGGIA ANIMA                                                                                          07 DISASSEMBLY
Pag. 3/9
 7.3. Coffee grinder
Raise the coffee grinder and remove the connections.
When reassembling the coffee 
grinder, make sure the spring is 
repositioned correctly (see photo).
To extract the top support of the appliance, press 
on the grinding adjustment spindle (A) and turn the 
support anticlockwise until it unhooks.
Turn the grinder blades anticlockwise out of the support.
Turn the grinder blades clockwise out of the support. The 
bayonet connections can be accessed from the rear.
 7.4. Grinder blades 
A
B

GAGGIA ANIMA                                                                                          07 DISASSEMBLY
Pag. 4/9
For a standard adjustment, both markings must be 
aligned.
 7.5.  Coffee grinder adjustment
The grinding adjustment can be set by the user (only with the coffee grinder in operation) by 
pressing and turning (only by one click at a time) the insert inside the coffee bean hopper with 
the aid of the wrench supplied.
Adjustment by a service center
To adjust grinding further, the engineer can work directly on the coffee grinder by pressing and turning 
the ring nut (C) shown. (clockwise + to increase the particle size of the coffee and anticlockwise - to 
decrease it).
If there are any remains of coffee powder between the two grinding blades it is recommended to 
tighten by max. two marks at a time.
Lastly, move the arrow (A) on the adjustment knob to the center of the adjustment dots on the 
cover (B).
B
A
+
-
C
+
-

GAGGIA ANIMA                                                                                          07 DISASSEMBLY
Pag. 5/9
Loosen the screws holding 
the carafe connection
When reassembling the assembly to be 
careful to correctly position the spring.
Slide out the fork 
as illustrated 
  7.6.  Carafe connection and hot/steam water dispenser 
hot water dispenser
Removes the covers shown unscrew the screws 
shown
 7.7. Central plate 
unscrew the screws shown
Lift up the center plate

GAGGIA ANIMA                                                                                          07 DISASSEMBLY
Pag. 6/9
 7.8. Pin boiler
Loosen the screws as illustrated and 
remove the boiler pin (A).
A
The following are located inside the compartment protected 
by the casing:
-  Electric motor (A) with gears (B) and (C) for transmission 
and timing of the dispenser.
-  Brewing unit present microswitch (E).
-  Microswitch (D) detecting brewing unit home and work posi-
tions.
-  Remove the gear (C) that meshes with the motor transmis-
sion shaft.
-  Remove the large gear (B).
-  Remove the motor (A), complete with transmission shaft.
Replace the gear (B), making sure that the imprint of 
the arrow is aligned with the opening containing the 
pin (P).
When replacing the motor and the transmission 
shaft, make sure the guide runners (L) are in the 
right position.
Grease the shaft thoroughly and evenly.
E
A
B
C
D
B
P
H
L
 7.9. Gear motor
Loosen the screws as illustrated and 
remove the gear motor cover.

GAGGIA ANIMA                                                                                          07 DISASSEMBLY
Pag. 7/9
 7.11. Flow-meter
Lift the fl ow meter out of the casing assembly and remove the electrical 
and water circuit connections.
Unscrew the screw shown and remove the 
electrical and water circuit connections.
Unscrew the screw shown at 
unthread the support boiler
 7.12. Boiler 
 7.10. Pump 
Disconnect the water circuit connections (A) and 
electrical connections (B), loosen the safety valve (C) and 
slide the pump off the brackets (D).
Unhook the pump 
from the supports.
C
D
DA
A
A
B
B
B

GAGGIA ANIMA                                                                                          07 DISASSEMBLY
Pag. 8/9
 7.15.  KYB interface and display
Loosen the screws slide the 
card off the support and 
disconnect the electrical 
connections.
Loosen the screw for 
remove the cover.
 7.13. CPU board
 7.14.  Programming access for SSC (Saeco Service Center)
Remove the cover. Unscrew the screw shown Press the sides and remove the cover and 
dispenser. Insert as before to reassemble the 
dispenser in the rail and then the coverage.
Remuve the cap, unscrew the screw 
shown and remove the steam tube.
Unscrew the screws shown Remove the insert the upper cover 

GAGGIA ANIMA                                                                                          07 DISASSEMBLY
Pag. 9/9
Loosen the screws for 
remove the cover. Disconnect the electrical 
connections.
Use a suitable pair of pliers to remove 
the clamp (as illustrated). Tighten the clamp as illustrated.
1)  Boiler connection.
2)  Other connections.
 7.16.  Fitting and removing Oetiker clamps
Remove the support KYB assy. 
and disconnect the fl at cable.

               GAGGIA ANIMA
          CHAPTER 8 
          NOTES

GAGGIA ANIMA                                                                                                                                  08 NOTES
Pag. 1/1

               GAGGIA ANIMA
          CHAPTER 9 
          WATER CIRCUIT DIAGRAM

GAGGIA ANIMA                                                                        09 WATER CIRCUIT DIAGRAM
Pag. 1/1
Flow meter
Turbina
Water tank
Serbatoio 
acqua
Assy Solenoid valve 
Assieme Elettrovalvole
Water drain
Scarico acqua
Pump
Pompa
Boiler
Caldaia
Safety valve
Valvola di sicurezza
Boiler pin
Perno caldaia
Steam and hot water

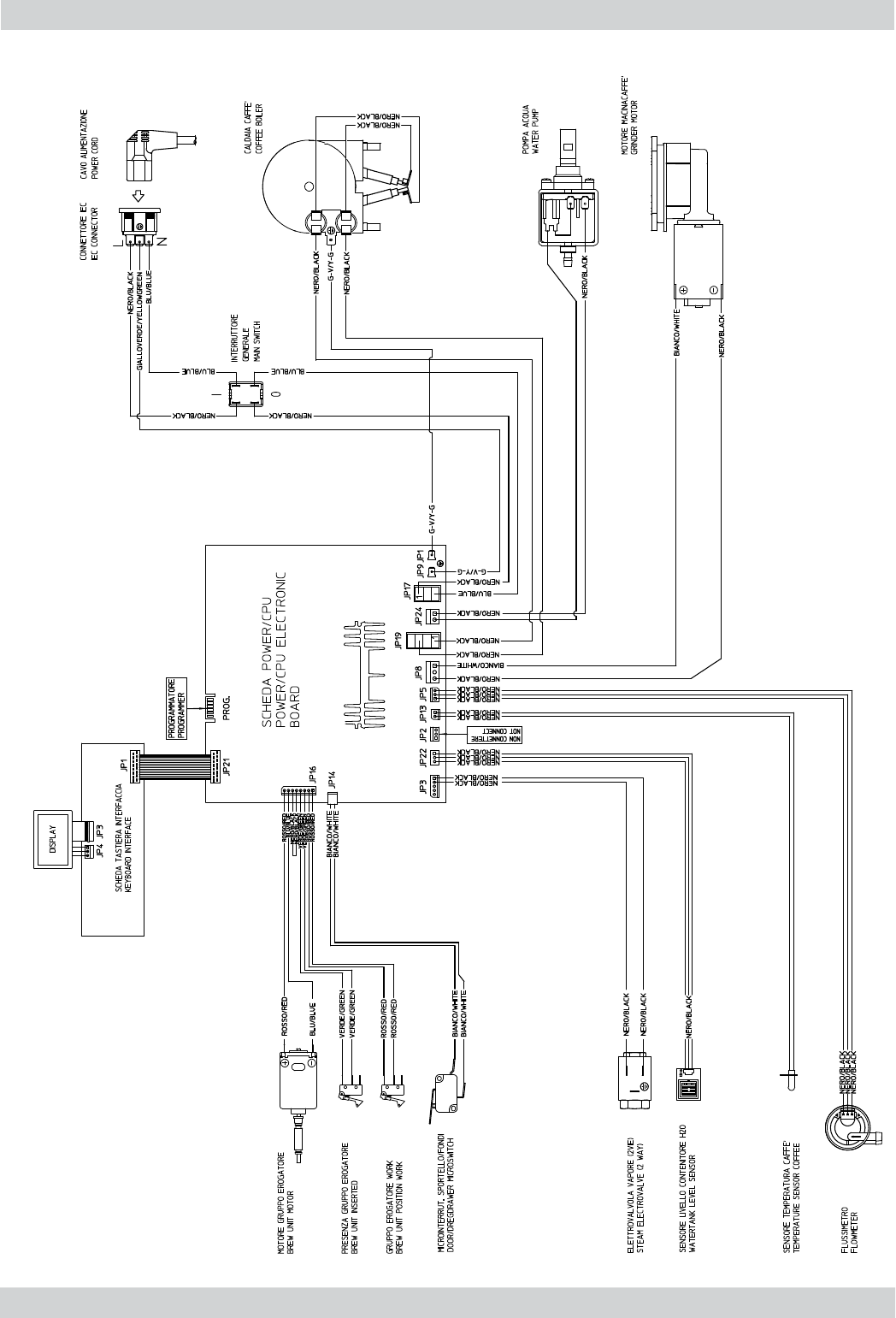
               GAGGIA ANIMA
          CHAPTER 10 
          ELECTRICAL DIAGRAM

GAGGIA ANIMA                                                                                 10  WIRING DIAGRAM
Pag. 1/1