Gaggia Platinum Service Manual MANUALE TALEA ODEA 11 Settembre 06_EN User
2015-12-30
User Manual: Gaggia Platinum Service Manual
Open the PDF directly: View PDF
.
Page Count: 59

Emissione Luglio 2007 REV.00
TECHNICAL SERVICE
MANUAL

Ideas with Passion
PLATINUM TECHNICAL SERVICE MANUAL (Rev 00 Aug.06): CONTENTS
1. Introduction (rev.00)
1.1 Documentation required
1.2 Tools and equipment required
1.3 Safety warnings
1.4 Platinum range
2. Technical data (rev.00)
2.1 Product technical data
2.2 Internal / external machine components
3. Summarised instructions (rev.00)
3.1 Client and programming menu (rev.00)
3.2 Maintenance and cleaning (rev.00)
4. Diagrams (rev.00)
4.1 Wiring diagram (rev.00)
4.2 Water circuit diagram (rev.00)
5. Troubleshooting (rev.00)
5.1 Test functions (rev.00)
5.2 Diagnostics function (rev.00)
5.3 Error messages for Service personnel (rev.00)
5.4 Problems, Causes, Remedies (rev.00)
6. Operating logic (rev.00)
6.1 Resetting coffee grounds drawer (rev.00)
6.2 Water reserve (rev.00)
6.3 Motorized tank (rev.00)
6.4 Prima water (rev.00)
6.5 SBS valve (rev.00)
6.6 Solenoid pilot (rev.00)
7. Component assembly / disassembly (rev.00)
7.1 Top cover (rev.00)
7.2 Right and left-side cover (rev.00)
7.3 Electronics (rev.00)
7.4 Gearmotor (rev.00)
7.5 Pump (rev.00)
7.6 Heater and solenoid pilot unit (rev.00)
7.7 Oetiker clamp assembly and disassembly (rev.00)
7.8 Coffee grinder (rev.00)
7.9 Grinder adjustment/assembly and disassembly (rev.00)
7.10 Grinder adjustment during servicing (rev.00)
7.11 Motorized drip tray (rev.00)
8. Service schedule (rev.00)
8.1 Routine maintenance Check list (rev.00)
9. Exploded drawing (rev.00)
TALEA Contents
REV00 - August 06 1/1
SECTION 1
INTRODUCTION
REV.00
TALEA Section 01
REV00 - August 06
1.1 Documentation required
The following technical documentation is required for repairs:
Instruction booklet for specific model.
Technical documentation for specific model (diagrams, exploded drawings).
1.2 Tools and equipment required
As well as the standard equipment, the tools listed below are required.
1 special screwdriver with Torx T10 tip.
1 digital thermometer with full 200°C scale.
This must be suitable for measuring in liquids and on surfaces.
1 set of pliers for Oetiker clamps.
1 pincer.
1 CC -A - Vdc tester.
1.3 Safety warnings
Before starting operations on the machine, consult the relative instruction booklet.
Observe all current standards related to the repair of domestic appliances.
Always disconnect the power plug from the mains before carrying out repairs. Simply turning
off the main switch is not sufficient to prevent electrical discharge.
This domestic appliance is rated with insulation class I.
On completion of repairs, the insulation and dielectric rigidity tests must be performed.
1/2
TALEA Section 01
REV00 - August 06

Ideas with Passion
1.4 Platinum range
- Touch Screen
- S B S
- Cup warmer
- Motorized tank
- Milk adapter
- Rapid Steam
- Pre-ground option
- 24x2 display
- Ring selector
- S B S
- Cup warmer
- Motorized tank
- Milk adapter
- Rapid Steam
- Pre-ground option
- 10x2 display
- Ring selector
- S B S
- Milk adapter
- Rapid Steam
- Pre-ground option
- Height adjustment ringnut
- S B S
- Milk adapter
- Rapid Steam
VISION
SWING UP
SWING
VOGUE
TALEA Section 01
REV00 - August 06
2/2

EVENT
- S B S
- Rapid Steam
TALEA - ODEA Cap. 01
REV00 - Luglio 07 3/3
SECTION 2
TECHNICAL DATA
REV.00
TALEA Section 02
REV00 - August 06

2.1 Product technical data
Power supply and output: 230 V~, 50/60 Hz, 1300 W.
Temperature control: 1 (NTC) variable resistor sensor – transmits the value
to the electronic board.
Safety system: 2 x 175°C manual reset thermostats.
Coffee heat exchanger output:
Stainless steel
1300 W – to dispense coffee, hot water and steam.
Motorized tank only on
Platinum Vision e Swing Up 24V stepper motor.
Water level and drip
tray sensor:
Capacitive sensor
Gearmotor: 33VC with 2 directions of rotation.
Cup warmer plate:
Solo Platinum Vision e Swing Up Activated via MENU display.
PTC Type.
Pump: Ulka reciprocating piston type with thermal cutout at
100°C,
48 W, 230V, 50 Hz, Type EX5 approx. 13-15 bars.
Pressure relief valve: Opening at approx. 18-20 bars.
Water filter: In tank.
Coffee grinder: DC motor with ceramic plate
grinders.
Solenoid pilot: 15 VA.
Coffee dose control: Hall sensor – Pulse control. Dose adjustment can
be set from approx. 7 to 10.5 g.
Amps: During heating phase- approx. 5.6 A.
Dimensions: l x h x d in mm: 310/390/440
Weight: 10 kg (average).
Water tank capacity: 1.7 l.
Coffee container capacity: 250g coffee granules.
Coffee grounds drawer capacity: 14
Heatex changer capacity: Approx. 10 cc.
Water circuit filling time: Approx. 15 sec on first filling cycle.
Heating time: Approx. 45 sec.
Dispensed drink temperature: Approx. 73°C - 83°C
Grinding time: Approx. 8-10 sec.
1/4
TALEA Section 02
REV00 - August 06

on 02
REV00 - August 06
4/4
Internal components
Pump
Static
eliminator
Turbine
Heater
Coffee grinder
Power
board
CPU
Card
Motorized tank
stepper motor
Solenoid pilot
Ideas with Passion
SECTION 3
BRIEF
INSTRUCTIONS
REV.00
TALEA Section 03
REV00 - August 06

Ideas with Passion
3.1 Client and programming menu
Platinum Vision
Press “go to menu”
Show text 8:30 a Go to
diagnostics
Main menu
Beverage
settings
Maintenance
settings
Machine
settings
Clock
Next Go
back
The programming menu will open.
Detailed
beverage programming
Machine function
programming
Exit
Next
page
After setting each of the following menus, press:
- “Go back” to be returned to the previous screen and save any new
settings.
- “Previous settings” to reset previous values.
- “Go back to menu” to be returned to the main menu and save new
settings.
Machine settings
Language &
display
Cup warmer
Water
settings
Go
back
Go back to
menu
Machine settings menu.
- Language & display = to set menu language and display contrast.
- Water settings = to set some water functions.
- Cup warmer = to set cut warmer functions.
To set current
time
Beverage settings
Espresso Coffee
Long coffee
Go
back
Go back
to menu
Beverage settings menu
To set general parameters for the dispense of beverages containing cof-
fee, press the “beverage settings” key in the main menu.
Coffee settings
Pre-brewing
normal
Go
back
Go back to
menu
Temperature
medium
Aroma
normal
Water quantity
240 / 500
The following can be set for each beverage selected:
Pre-brewing
of coffee
The temperature of the
dispensed coffee.
The amount of coffee to be
ground and use of
pre-ground coffee.
The amount of water to be
used in dispensed coffee.
Clock settings
Time Stand-by
Go
back
Go back to
menu
Clock menu
To set the current time and timer (for
standby), press the “clock settings”
key on the main menu.
To set current
time.
To set stand-by param-
eters after coffee is
dispensed.
1/3
TALEA Section 03
REV00 - August 06

Ideas with Passion
2/3
TALEA Section 03
REV00 - August 06
Platinum Swing Up
MENU
Strong aroma
Espresso coffee 08:33
To open program-
ming menu.
To select milk-based
beverage.
Confirm key.
Hot water key.
Use the touch-ring to select the
type of beverage you want.
To select coffee
aroma.
Beverage settings
To set beverage preparation parameters: press the MENU key and use the touch-ring to select “beverage settings”.
MENU
1 Beverage settings
Exit the
programming page.
Reset default (factory) set-
tings.
Function depends on the cur-
rent programming level.
To save new settings.
Rotate the touch-ring to vary the
following settings:
- The amount of coffee dispensed
(1 square = approx. 15 ml).
- The amount of water added
(1 square = approx. 15 ml).
- Coffee temperature.
- Pre-brewing of coffee.
To select coffee
aroma.
At this point, you can:
Machine settings
To set general machine settings, press the MENU key, select “machine settings” then use the touch-ring to select:
2.1 Language
Italian
2.2 Cup warmer
Disabled
2.3 Beeps
Enabled
2.4 Filter alarm.
Enabled
2.5 Rinse
Enabled
2.6 Water hardness
1
2.7 Clock
To set menu language. To set cup warmer function. To enable beep warnings.
To set machine function with
“Aqua Prima” filter. To set water
hardness.
To set internal clock.
MENU
2 Machine settings
To exit at any time from
“Machine settings”
without saving any changes made,
press the MENU key.
To set circuit rinsing.

Ideas with Passion
3.2 Maintenance and cleaning
3/3
TALEA Section 03
REV00 - August
STEPS
A Empty coffee grounds drawer. As instructed.
B Empty drip tray. As necessary.
C Clean water tank. Once a week.
D Clean the coffee granule container. As necessary.
E Clean casing. As necessary
F Clean and grease the brew group. Monthly or every
500 coffees.
H Descaling. As instructed.
J Clean drip tray. Weekly.
K Clean coffee circuit. Weekly.
Descaling.
Hardness Water hardness Descaling frequency *
1 Soft water (up to 7ºdH) Approx. every 3 months/120 litres
2 Medium water (7º-14ºdH) Approx. every 2 months / 90 litres
3 Hard water (15º-21ºdH) Approx. every 6 weeks / 60 litres
4 Very hard water (over 21ºdH) Approx. every 4 weeks / 30 litres
* Without Prima water filter
Ideas with Passion
SECTION 4
DIAGRAMS
REV.00
TALEA Section 04
REV00 - August 06

Ideas with Passion
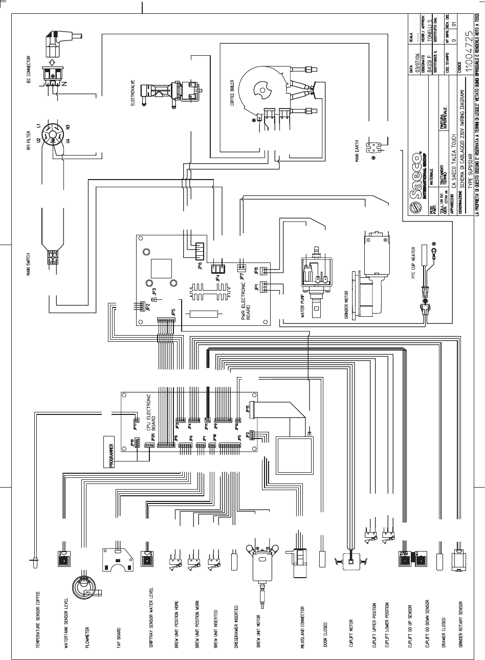
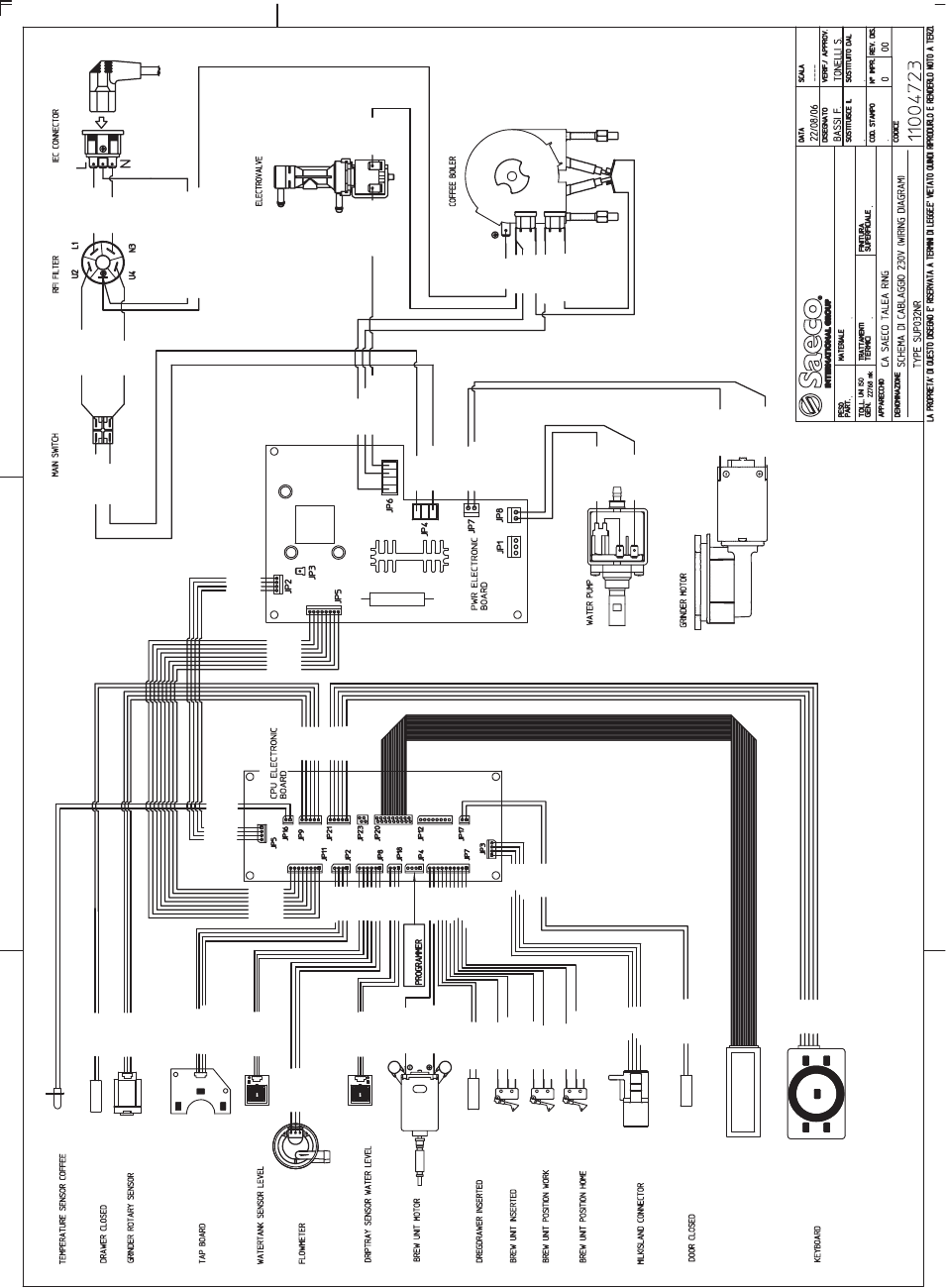
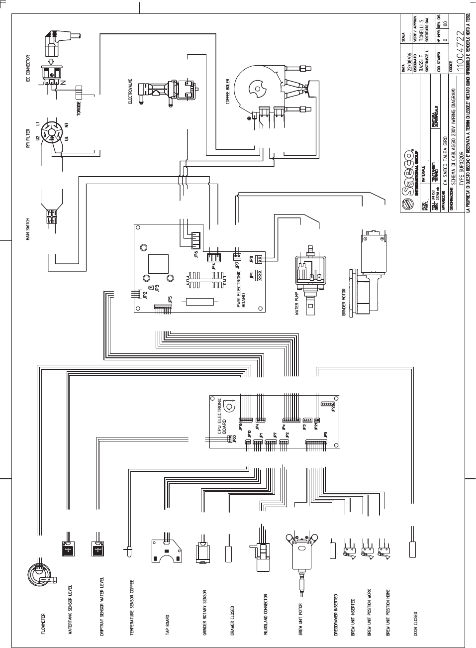
4.1 Wiring diagram
Platinum Vision
1/5
TALEA Section 04
REV00 - August 06
BLACK
BLACK
BLACK
BLACK
BLACK
WHITE
BLACK
BLACK
BLACK
BLACK
BLACK
BLACK
BLACK
BLACK
BLACK
BLACK
BLACK
BLACK
YELLOW
RED
RED
GREEN
WHITE
WHITE
BLUE
BLACK
GREEN
RED
FLAT-CABLE
BLACK
BLACK
BLACK
BLACK
BLACK
BLACK
BLACK
BLACK
BLACK
BLACK
BLACK
BLACK
YELLOW
BLACK
RED
BLACK
GREEN
BLACK
BLACK
BLACK
BLACK
WHITE
WHITE
BLACK
RED
GREEN
BLUE
DISPLAY
RED
RED
Y-G
Y-G
Y-G
Y-G
Y-G
BLACK
BLACK
BLACK
BLACK
BLACK
BLACK
BLACK
BLACK
BLACK
BLACK
BLACK
BLACK
BLACK
BLACK
BLACK
BLACK
BLACK
BLACK
BLACK
BLACK
BLACK
BLACK
BLACK
BLACK
BLACK
BLACK
BLACK
FLAT-CABLE
BLACK
YELLOW
RED
WHITE
BLUE
RED
BLACK
BLACK
BLACK
BLACK
BLACK
BLACK
YELLOW
BLUE
BLUE
WHITE
YELLOW
BLACK
WHITE
BLUE
BLUE
BLACK
BLUE
YELLOW BLUE
BLUE
BLUE
BLUE
BLACK
BLACK
Y-G
YELLOW-GREEN
YELLOW-GREEN

Ideas with Passion
Platinum Swing UP
2/5
TALEA Section 04
REV00 - August 06
GREEN
FLAT-CABLE
BLACK
BLACK
BLACK
BLACK
BLACK
YELLOW
WHITE
RED
GREEN
BLACK
RED
GREEN
BLUE
BLACK
BLACK
DISPLAY
WHITE
RED
RED
BLACK
BLACK
BLACK
BLACK
BLACK
BLACK
BLACK
BLACK
BLACK
BLACK
FLAT-CABLE
BLACK
BLACK
YELLOW
RED
WHITE
BLUE
RED
BLACK
BLACK
BLACK
BLUE
BLUE
BLACK
BLUE
YELLOW-GREEN
YELLOW-GREEN
YELLOW BLUE
Y-G
BLUE
BLUE
BLUE
BLACK
BLACK
Y-G
Y-G
Y-G
BLACK
BLACK
BLACK
BLACK
BLACK
BLACK
YELLOW
BLUE
BLUE
WHITE
YELLOW
BLACK
WHITE
BLACK
BLACK
BLACK
BLACK
BLACK
BLACK
BLACK
BLACK
BLACK
BLACK
BLACK
BLACK
BLUE
BLACK
GREEN
RED
WHITE
RED
YELLOW
BLACK
BLACK
BLACK
BLACK
BLACK
BLACK
BLACK
BLACK
BLACK
BLACK
BLACK
WHITE
BLACK
BLACK
BLACK
BLACK
BLACK
BLACK
WHITE
RED
BLACK
BLACK
BLACK
BLACK
BLACK
BLACK
BLACK
BLACK
BLACK
BLACK
BLACK
BLACK
BLACK
BLACK
BLACK
BLACK
BLACK
BLACK
BLACK
BLACK
BLACK
BLACK

Ideas with Passion
Platinum Swing
3/5
TALEA Section 04
REV00 - August 06
DIPLAY
BLACK
BLACK
WHITE
BLACK
BLACK
BLACK
BLACK
BLACK
BLACK
BLACK
WHITE
BLACK
BLACK
BLACK
GREEN
BLACK
RED
YELLOW
BLACK
BLACK
BLUE
BLACK
GREEN
RED
BLACK
BLACK
BLACK
BLACK
BLACK
BLACK
BLACK
BLACK
BLACK
BLACK
BLACK
BLACK
BLACK
BLACK
BLACK
BLACK
BLACK
BLACK
BLACK
BLACK
BLACK
BLACK
BLACK
BLACK
BLACK
WHITE
BLACK
BLACK
BLACK
BLACK
BLACK
YELLOW
WHITE
RED
BLACK
GREEN
BLACK
RED
GREEN
BLUE
BLACK
BLACK
BLACK
BLACK
BLACK
BLACK
RED
RED
BLACK
BLACK
BLACK
BLACK
BLACK
BLACK
BLACK
BLACK
BLACK
BLACK
BLACK
BLACK
BLUE
BLUE
BLACK
BLUE
YELLOW-GREEN
YELLOW-GREEN
YELLOW BLUE
Y-G
BLUE
BLUE
BLUE
BLACK
BLACK
BLACK
BLACK
BLACK
BLACK
YELLOW
BLUE
BLUE
WHITE
YELLOW
BLACK
WHITE
BLACK
BLACK
BLACK
BLACK
BLACK
BLACK
BLACK
BLACK
BLACK
BLACK
BLACK
BLACK

Platinum Vogue
4/5
TALEA Section 04
REV00 - August 06
BLACK
BLACK
BLACK
BLACK
WHITE
BLUE
BLACK
GREEN
RED
BLACK
WHITE
GREEN
RED
BLACK
YELLOW
BLACK
BLACK
BLACK
YELLOW
RED
WHITE
BLACK
RED
BLACK
WHITE
GREEN
BLUE
BLACK
BLACK
GREEN
BLACK
BLACK
BLACK
BLACK
BLUE
WHITE
YELLOW
BLACK
BLACK
BLUE
BLUE
YELLOW-GREEN
Y-G
BLACK
BLACK
BLACK
BLACK
BLACK
BLACK
BLACK
BLACK
BLACK
BLACK
RED
RED
BLACK
BLACK
BLACK
BLACK
BLACK
BLACK
BLACK
BLACK
BLACK
BLACK
BLACK
BLACK
BLACK
BLACK
BLACK
BLACK
BLACK
BLACK
BLACK
BLACK
BLACK
BLACK
BLACK
BLACK
BLACK
BLACK
BLACK
BLACK
BLACK
BLACK
BLACK
BLACK
BLACK
BLACK
BLACK
BLACK
BLACK
BLACK
BLACK
BLACK
BLUE
YELLOW-GREEN
BLACK
BLUE
BLACK
YELLOW
YELLOW
BLACK
BLACK
WHITE
BLUE
BLUE
BLUE
BLUE
BLACK
BLACK

Ideas with Passion
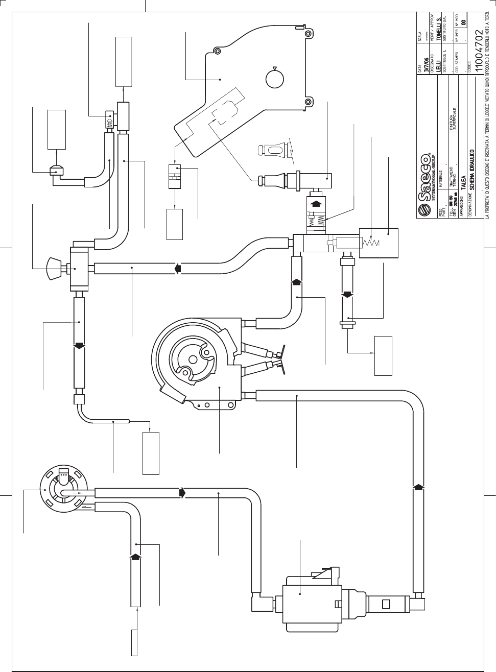
4.2 Platinum water circuit
5/5
TALEA Section 04
REV00 - August 06
Turbine
Steam tube
Silicon tube
TANK
Silicon tube
Pump
Silicon tube
Reinforced silicon hose
Reinforced silicon hose
Reinforced silicon hose
Reinforced silicon hose
Reinforced silicon hose
STEAM/WATER
DISPENSE
1300W heater
WATER DRAINED
TO DRIP TRAY
Water drain connector
Water/steam valve Water drain connector
WATER DRAINED
TO TANK
COFFEE
DISPENSE
SBS valve
Connector with 3 bar relief valve
MILK ISLAND STEAM
DISPENSE
Brew unit
Brew unit pin
Coffee dispense valve (3-5 bars)
Drain valve
Relief valve (16-19 bars)

Ideas with Passion
4
23
1
5.1 Test functions
Platinum Vision
In the first three seconds after the
appliance is switched on, you can
enter test mode by pressing the keys
in the sequence shown on the left.
1/17
TALEA Section 05
REV00 - August 06
On entering test mode, the screen
shown in the screenshot opens.
Press the next key to move on to
subsequent levels.
t.0
Software version Next
CPU_V01.04.09
** *
t.1 - Brewing unit Next
bu_current (mA) = 3
bu_home = OFF
bu_work = ON
bu_present = ON
bu_dregdrawer = ON
bu_door = ON
bu go
home
bu go
work
bu go
stop
Level T1 – brew group
At this level, brew group gearmotor and associated microswitches function is tested.
- bu_current (mA) - indicates current absorbed by gearmotor.
- bu_home - indicates state of brew group home position microswitch.
- bu_work - indicates state of brew group work position microswitch.
- bu_present - indicates state of brew group presence microswitch.
- bu_dregdraver - indicates state of coffee grounds drawer presence microswitch.
- bu_door - indicates state of side door closed microswitch.
- By pressing “bu go home” once, the gearmotor moves the brew group to the home position.
- By pressing “bu go work” once, the gearmotor moves the brew group to the work position.
- By pressing “bu stop” once, the gearmotor stops the brew group.
t.2 - Heating unit Next
boiler_temp (C°) =79.8
Cup
heater
Boiler *
Level T2 – heating unit
At this level, you can check heater function and the associated ntc sensor.
- boiler_temp (C°) - indicates the temperature of the water heater.
- Pressing “cup heater” once will turn the cup warmer on.
- Pressing “boiler” once will turn the heater on.
Level T3 – hydraulic circuit
At this level, you can test pump, solenoid valve, drip tray/water tank level, milk island and water/steam valve status sensor
function.
t.3
Hydraulic circuit Next
flow_meter (p/s) = 0
driptray_sens = OFF
waterlevel_sens = ON
knob_milk = OFF
knob_water&steam = ON
knob_closed = OFF
milk island present = OFF
caraffe present = OFF
valve pump
water
*
- flow_meters (p/s) - indicates revolutions per second of the hall sensor in the turbine.
- driptray_sens - indicates the state of the capacitive sensor reading the water level in the
drip tray.
- waterlevel_sens - indicates the state of the capacitive sensor reading the water level in the
water tank.
- knob_milk - indicates the state of the water/steam/milk-island knob in the milk position.
- knob_water&steam - indicates the state of the water/steam/milk-island knob in the water/
steam position.
- knob_closed - indicates the state of the water/steam/milk-island knob in the closed posi-
tion.

Ideas with Passion
2/17
TALEA Section 05
REV00 - August 06
t.4 - Grinder unit Next
pulses_counter = 0
delay_time (msec) = 0
bean_door = ON
bean_alarm = OFF
grinder *bean
test
Level T4 – Grinder unit
At this level, you can test coffee grinder function.
- pulse_counter - indicates the number of grinding pulses the grinder performs.
- delay_time (msec) - indicates revolutions per second of the hall sensor in the coffee
grinder.
- bean_door - indicates the state of the coffee bean container lid magnetic sensor.
- bean_alarm - indicates the no coffee beans left alarm during last grinding.
- Holding and pressing “grinder” starts the coffee grinder for at least 200 grinding pulses.
- Pressing “bean test” once starts the coffee grinder to check the no coffee bean alarm.
t.5 - Cup lift Next
upper_switch = OFF
lower_switch = OFF
key_up = OFF
key_down = OFF
cup_lift
up
cup_lift
down *
Level T5 – Cup lift
At this level, you can check cup-lift function.
- upper_switch - indicates the state of the moving tray up position microswitch in the up
position of the moving tray.
- upper_switch - indicates the state of the moving tray lower position microswitch in the
lower position of the moving tray.
- key_up - indicates the state of the capacitive sensor that raises the moving tray.
- key_up - indicates the state of the capacitive sensor that lowers the moving tray.
- Holding and pressing “cup_lift” moves the cup lift up to the uppermost position.
- Holding and pressing “cup_down” moves the cup lift up to the lowermost position.
Level T6 – Grinder dose
At this level, you can test and modify the amount of coffee that is ground.
t.6 - Grinder dose Next
Mild dose = 63
Medium dose = 70
Strong dose = 77
Mild Medium Strong
Value
up
Value
down
Value
test
- Mild dose - indicates the number of grinding pulses to set for a mild coffee.
- Medium dose - indicates the number of grinding pulses to set for a medium-strength cof-
fee.
- Strong dose - indicates the number of grinding pulses to set for a strong coffee.
- Pressing “value up” increases the number of grinding pulses for a medium-strength coffee in
steps of 5.
- Pressing “value down” reduces the number of grinding pulses for a medium-strength coffee
in steps of 5.
- “Mild” and “strong” values are equal to 10% less and 10% more respectively than the aver-
age value set.
- Pressing “value test” starts grinding at the selected strength (mild, medium or strong).
- Milk island present indicates the state of the milk island present microswitch.
- Caraffe present indicates the state of the milk carafe present microswitch.
- Pressing “valve” once will excite the solenoid valve.
- Pressing “water pump” once will start the pump.
- Pressing “valve” once will activate the solenoid valve.

Level T7 – Coffee grounds drawer
At this level, you can modify the current value of the number of coffee grounds (maximum of 13).
t.7 - Dreg counter Next
Max dreg counter = 13
Current dreg counter = 9
Value
up
Value
down
*
- max dreg counter - indicates the maximum number of coffee grounds that the drip tray
can contain.
- current dreg counter - indicates the current number of coffee grounds
Level T8 – Steam out
At this level, you can drain the water circuit..
t.8 - Steam out Next
Boiler_temp (C°)
Start * *
- boiler_temp (C°) - indicates the temperature of the water heater.
Pressing start will run the procedure.
If the knob state is not in the water/steam/milk-island position, the message shows below
will appear on the display.
t.8 - Steam out Next
Boiler_temp (C°)
Open knob to water & steam
Start * *
- open knob to water & steam - indicates that the knob is not in the water/steam position.
Moving the knob to the water/steam state will start the procedure to drain the water circuit.
t.8 - Steam out Next
boiler_temp (C°) = 105.9
counter = 7.4
Start * *
- boiler_temp (C°) - indicates the temperature of the water heater.
- counter - indicates the time remaining until the end of the cycle.
When the water heater reaches 100°C, it switches off and the counter starts.
- pass - indicates that the procedure has been completed.
Press next to move on.
t.8 - Steam out Next
boiler_temp (C°) = 105.9
counter = 7.4
pass..
Start * *
3/17
T
REV00 - August 06

Ideas with Passion
4/17
TALEA Section 05
REV00 - August 06
Platinum Swing e Swing Up
MENU
AROMA
When in test mode
Switch the appliance on (double-pole switch on right side) and wait for the CA to finish initializing; then
press and hold the illustrated menu key for 2 seconds until the string “Exit” appears on the screen. Press
the capacitive keypad keys in the order shown on the left within the next two seconds.
Exit
The following string appears when you enter test mode:
*Test* M0 12345 oo:mm:ss
SWvx.xx.xx FFHz
Where:
- *Test* indicates that the C.A. is in test mode.
- M0 indicates the test level.
- 12345 indicate the keys pressed in the sequence shown in figure 1.
- oo:mm:ss indicates the hours and minutes of the CPU clock.
- SWvx.xx.xx indicates the SW version installed in the CPU card microcontroller.
- FFHz indicates actual supply voltage frequency.
To move from one test level to another, use the touch-ring around the coffee key, turning it clockwise to move to the next level
and anticlockwise to go back a level.
*Test* MO oo:mm:ss
DLv:1.01.10.FT 50HZ
STEAM
WATER
COFFEE
MENU
Level M1
The state of the microswitch is shown at this level; the following string is shown on the second line:
Inputs 123456789ABCDEFG
Where:
1 Brew group presence microswitch excited.
2 Brew group work position microswitch excited.
3 Brew group home position microswitch excited.
4 Turbine sensor excited.
5 Tank water level capacitive sensor excited.
6 Side door closed microswitch excited.
7 Coffee grounds drawer presence microswitch excited.
8 Coffee bean container sensor excited.
9 Coffee grinder direction of rotation sensor excited.
A Drip tray level capacitive sensor excited.
B Water/steam knob in milk-island position.
C Water/steam knob in water/steam position.
D Milk-island presence microswitch excited.
E Milk carafe presence microswitch excited.
F Cup-lift-down microswitch excited (only on Ring Plus).
F Cup-lift-up microswitch excited (only on Ring Plus).
H Water/steam knob in closed position.
Numbers 6 and 7 are not displayed if the coffee grounds drawer is removed.
4
2
3
1
Ideas with Passion
Level M2
Gearmotor function is tested at this level. To move the gearmotor, the coffee grounds drawer and side door microswitches must
be excited. The status of the microswitches listed below is shown at the right of the top line on the display:
1 Brew group presence microswitch excited.
2 Brew group work position microswitch excited.
3 Brew group home position microswitch excited.
6 Side door closed microswitch excited.
7 Coffee grounds drawer presence microswitch excited.
Gearmotor status after the aroma key and capacitive keypad menu have been pressed is shown on the second line on the
display:
- Aroma key - the gearmotor brings the group to the home position.
- Menu key - the gearmotor brings the group to the work position.
Power absorbed (mA) by the gearmotor during movement is shown on the right of the second line on the display.
Level M3
Coffee grinder, pump, cup warmer (Ring Plus only) and solenoid valve function are tested at this level. The above are primed by
pressing the following keys:
- Steam key: coffee grinder.
- Water key: pump.
- Aroma key: varies grinding aroma.
- Menu key: solenoid valve.
- Coffee key: coffee grinder pulses.
COFFEE GRINDER TEST:
Coffee bean container sensor must be excited.
When the appropriate key is pressed, the following string appears on the second line of the display:
- Grinder ON 8 GG %%
Where:
- 8 indicates that the coffee bean container sensor has been excited.
- GG indicates the number of rotations performed by the coffee grinder.
- %% indicates the ratio between coffee grinder revolutions at 100% and 50% supply.
To set medium aroma pulses, press the coffee key then use the touch-ring to choose aroma pulses. After this, press the coffee
key to save the number of impulses selected. Press the steam key to restore default settings.
By pressing the aroma key, you can vary grinding aroma. The value of the selected aroma is shown on the bottom left of the
display, classified as follows:
1 - mild aroma.
2 - medium aroma.
3 - strong aroma.
PUMP TEST:
By pressing the appropriate key, the following string appears on the display:
- Flowmeter (Imp/s) GG
Where:
- GG indicates the number of revolutions performed by the turbine.
SOLENOID VALVE TEST:
By pressing the menu key, the following string appears on the second line of the display:
- Ev Brew On
5/17
TALEA Section 05
REV00 - August 06
Ideas with Passion
Level M4
At this level you can check water heater, relative ntc sensor and cup warmer function.
- When you press the steam key, the ambient temperature (tt.t) is shown on the second line of the display in degrees centi-
grade.
-
When you press the water key, the state of the ntc sensor (open or short), on the water heater
(open or short), or the water heater temperature in degrees centigrade are shown on the second line of the display.
- Pressing the aroma key switches on the water heater (pressing the water key shows the rising temperature) and the string
Heater ON appears on the second line of the display.
- When you press the menu key, the cup warmer is switched on and the string
Cup Heater (Ring Plus only) appears on the second line of the display.
Steamout
Open the knob in the water/steam position to prepare for steamout (draining water heater). Press the coffee key to start, the
water heater will be brought to 120°, at which time the machine emits a sequence of beeps.
WARNING: At the end of this procedure, the machine will automatically switch to English.
Level M5 (Cup lift position) on Ring Plus only.
At this level, you can check cup-lift function.
- Press the aroma key to move the cup-lift down to its lowermost position.
- Press the menu key to raise the cup-lift to its uppermost position.
Level M6 (LCD contrast)
You can change display contrast at this level.
- Press the coffee key to edit display contrast (the percentage value starts blinking).
- You can use the touch-ring to change this value: turn clockwise to increase it, and anticlockwise to decrease it.
- Press the coffee key again to save the value selected.
Level M7 (LCD backlight)
You can change display brightness at this level.
- Press the coffee key to change display brightness
(the percentage value starts blinking).
- You can use the touch-ring to change this value: turn clockwise to increase it, and anticlockwise to decrease it.
- Press the coffee key again to save the value selected.
Level M9
- Exit.
Press the coffee key to exit test mode and fully restart the appliance.
Level M8 (Self-test)
The machine automatically tests its main functions in the self-test. The brew group must be present and the doors
closed.
On completion of this procedure (which lasts approx. 10 seconds), the outcome will appear on the display.
Pass!! and 2 consecutive beeps if it was successful.
If an error was encountered, 10 beeps will be emitted and a message appears on the display.
6/17
TALEA Section 05
REV00 - August 06

Platinum Vogue
Coffee key
Press once to select a coffee.
Press twice to select a double coffee.
Stops coffee from being dispensed when pressed during dispensing.
Water/steam key
To select either water or steam.
Press and hold for 6 seconds to “reset” descaling alarm.
When off, indicates that the machine is ready to release steam.
When on, indicates that the machine is ready to dispense water.
Aroma key
To select either a mild coffee, a medium coffee or a strong coffee.
Middle button
To select length of coffee required.
7/17
TALEA Section 05
REV00 - August 06

Ideas with Passion
Messages/Alarms
Temperature ready LED Fixed on. Indicates “Coffee ready” or “Steam ready”.
Temperature ready LED Slow blinking. The correct temperature has not been reached.
Water/steam LED Off The appliance is in steam mode.
Water/steam LED Fixed on. The appliance is in water mode.
Aroma LED Fixed on. To set aroma.
General alarms LED Fixed on. Fill water tank.
Empty drip tray.
Out of coffee (*)
General alarms LED Slow blinking. Door open.
Brew group missing.
Drip tray missing.
Coffee container cover missing.
Milk island or carafe missing.
General alarms LED Fast blinking. Prime circuit.
Coffee grounds drawer
LED
Fixed on. Indicates that grounds drawer needs emptying.
Descaling LED
(60 litres)
Slow blinking. Indicates that descaling (manual) is required.
Coffee grounds drawer
and descaling LEDs
Blinking alternately. Max. brew group torque exceeded.
Brew group timeout or microswitch error.
Coffee grinder blocked.
OUT OF SERVICE
Temperature ready LED
Descaling LED
General alarms LED
Coffee grounds drawer
LED
Light up one after the
other anticlockwise.
Indicates that the appliance is running a “rinse
cycle”.
(*) Removing and replacing the coffee bean container will reset the “out of coffee” alarm.
Test mode
To open Test Mode, press and turn the appliance on at the same time (Power On). Entering Test Mode is indicated by the
rapid flashing of LEDs (lighting up repeatedly ANTICLOCKWISE one after the other), continuing until
is released.
8/17
TALEA Section 05
REV00 - August 06

Ideas with Passion
POSITION
POTENTIOMETER
ACTION CHECK
Press
Solenoid pilot
Press
Coffee grinder
Press
Set aroma.
(default: 90-100-110 pulses).
Valve open.
lights up and stays on.
Brew group missing microswitch
blinks slowly.
Drawer missing microswitch
blinks slowly.
Door open microswitch.
blinks slowly.
Coffee container cover microswitch
blinks slowly.
Carafe present microswitch
(with valve closed). lights up and stays on.
Turbine sensor
(during pump function) blinks (turb. freq.)
Water tank sensor
lights up and stays on.
Coffee grounds drawer
lights up and stays on.
POSITION
POTENTIOMETER
ACTION CHECK
Press
Coffee heater.
Press
Unit down.
Press
Set aroma.
(default: 90-100-110 pulses).
Unit down microswitch.
+ Steam key pressed. blinks quickly.
Valve open.
lights up and stays on.
Brew group missing microswitch
blinks slowly.
Drawer missing microswitch
blinks slowly.
Door open microswitch.
blinks slowly.
Coffee container cover microswitch
blinks slowly.
Carafe present microswitch
(with valve closed). lights up and stays on.
Turbine sensor
(during pump function) blinks (turb. freq.)
Water tank sensor
lights up and stays on.
Coffee grounds drawer
lights up and stays on.
9/17
TALEA Section 05
REV00 - August 06

Ideas with Passion
POSITION
POTENTIOMETER
ACTION CHECK
Press
Pump
Press
Unit up.
Press
Set aroma.
(default: 90-100-110 pulses).
Unit microswitch up.
+ Steam key pressed. blinks quickly.
Valve open.
lights up and stays on.
Brew group missing microswitch
blinks slowly.
Drawer missing microswitch
blinks slowly.
Door open microswitch.
blinks slowly.
Coffee container cover microswitch
blinks slowly.
Carafe present microswitch
(with valve closed). lights up and stays on.
Turbine sensor
(during pump function) blinks (turb. freq.)
Water tank sensor
lights up and stays on.
Coffee grounds drawer
lights up and stays on.
Special functions mode
The “Special Functions” mode allows you to:
1) Activate the steamout procedure.
2) Identify which microswitch is responsible for the “General Alarms” LED lighting up.
To enter Special Functions Mode, press and switch on the appliance (Power On) at the same time. Entering Special
Functions Mode is indicated by the rapid flashing of LEDs (lighting up repeatedly CLOCKWISE one
after the other), continuing until is released.
10/17
TALEA Section 05
REV00 - August 06

Ideas with Passion
POSITION
POTENTIOMETER
ACTION CHECK
Open valve and
press
Steamout procedure.
While the procedure is underway (for a total of 30 seconds), the following
LEDs light up alternately one after the other in a clockwise direction
Press light up and each time the key is pressed, the number of
pulses for AVERAGE AROMA is reduced by 5 pulses to a minimum of 60
pulses.
Brew group missing
microswitch lights up and stays on.
Drawer missing
microswitch lights up and stays on.
Door open
microswitch. lights up and stays on.
Coffee container
cover microswitch lights up and stays on.
POSITION
POTENTIOMETER
ACTION CHECK
Press No action!
Press No action!
Brew group missing
microswitch lights up and stays on.
Drawer missing
microswitch lights up and stays on.
Door open
microswitch. lights up and stays on.
Coffee container
cover microswitch lights up and stays on.
POSITION
POTENTIOMETER
ACTION CHECK
Press No action!
Press light up and each time the key is pressed, the number of
pulses for AVERAGE AROMA is increased by 5 pulses up to a maximum of
150 pulses.
Brew group missing
microswitch lights up and stays on.
Drawer missing
microswitch lights up and stays on.
Door open
microswitch. lights up and stays on.
Coffee container
cover microswitch lights up and stays on.
11/17
TALEA Section 05
REV00 - August 06

Ideas with Passion
ON
12 3
ON
12 3
DIP SWITCH
CONFIGURATION
PLATINUM EVENT
CONFIGURATION
PLATINUM VOGUE
AROMA PULSES
MILD STRENGTH MEDIUM STRENGTH STRONG STRENGTH
54 60 66
59 65 71
63 70 77
68 75 82
72 80 88
77 85 93
81 90 99
86 95 104
90 100 110
95 105 115
99 110 121
104 115 126
108 120 132
113 125 137
117 130 143
122 135 148
126 140 154
131 145 159
135 150 165
DEFAULT DATA
12/17
TALEA Section 05
REV00 - August 06

Ideas with Passion
4
2
3
1When in diagnostics mode
Switch the appliance on (double-pole switch on right side) and wait for the CA to finish initializing; then
press and hold the menu key for 2 seconds until the string “Exit” appears on the screen. Press the capaci-
tive keypad keys in the order shown on the left within the next two seconds.
5.2 Diagnostics function
Platinum Swin up
MENU
AROMA
Exit
STEAM
WATER
COFFEE
MENU
To move from one test level to another, use the touch-ring around the coffee key, turning it clockwise to move to the next level
and anticlockwise to go back a level.
Press the coffee key to open the sub-menus.
Press the coffee again to confirm any changes.
Press the menu key to exit sub-menus.
Level M1 : Product Counters
The following counters are shown at this level:
1.1 Total Products
1.2 Total number of espressos.
1.3 Total ml of espresso
1.4 Total number of coffees.
1.5 Total ml of coffee.
1.6 Total number of long coffees.
1.7 Total ml of long coffee.
1.8 Total number of waters.
1.9 Total ml of water.
Level M2 : Total Counters
The following counters are shown at this level:
2.1 Water S.L.Descale water since last descaling.
2.2 Water S. 1 Descale water since last descaling.
2.3 Water S. 2 Descale water since second last descaling.
2.4 Water S. 3 Descale water since third last descaling.
2.5 Water Since Prod. water used since production.
2.6 Descaling N° total number of times appliance descaled.
2.7 B.U. Cleanings N° times group cleaned.
2.8 Water Filters N° filters used.
2.9 E2prom writes N°
13/17
TALEA Section 05
REV00 - August 06

Ideas with Passion
Level M3 : Error Log
3.1 Errors List
The following are shown at this level:
-) The last 20 errors involving the CA
-) The date the error occurred.
The error map is shown below:
3.2 Clear all?
pressing YES will delete all errors at level 3.1.
Code Brief description Description
COFFEE GRINDER ERRORS
01
Coffee grinder blocked. The coffee grinder won’t turn: there may be something obstructing
the grinders or beverage signal has not been read correctly by the Hall
probe in the coffee grinder.
BREW GROUP ERRORS
03
TORQUE_FAULT_FWD Maximum force exceeded in forward movement to dispense position
(second attempt).
TIMEOUT_FWD Maximum time exceeded to reach dispense position.
TIMEOUT_FWD_DOWN Maximum time exceeded to clear home position microswitch.
HOME_WHILE_WORKING Home position microswitch activated while moving to work position.
04
TORQUE_FAULT_RWD Maximum force exceeded returning to home position.
TIMEOUT_RWD Maximum time exceeded returning to rest position.
WORK_WHILE_HOMING Work position microswitch activated while moving to home position.
16 HOME_AND_WORK_PRESSED Both the work and home microswitches are activated at the same time.
WATER CIRCUIT ERRORS
05
Water circuit blocked. This can happen for a variety of reasons ...(trips when water not flow-
ing in turbine).
TEMPERATURE CONTROL ERRORS
10 SENSOR1_SHORT Coffee heater sensor shorted.
11 SENSOR1_OPEN Coffee heater sensor in open circuit.
14 TEMPERATURE_BO_TOO_HIGH Coffee heater temperature too high.
15
TEMPERATURE_BO_OUT_CONTROL Coffee heater temperature out of control (not responding to stimuli:
e.g. heater on but temperature not rising).
GENERAL ERRORS
19 No zero crossing. No zero crossing on card, could be caused by power card.
14/17
TALEA Section 05
REV00 - August 06
Ideas with Passion
Level M5 : System Settings
System parameter values are shown at this level:
5.1 SW Version
5.2 Boot Version
5.3 Aroma Setup (imp.) Number of pulses set for medium aroma.
5.4 Temp. Standby From 50° to 80°C.
5.5 Cup. temp.
5.6 Standby temp. Standby time can be varied in 15 minute intervals.
5.7 Flowrate (L/h) Water flowrate.
5.8 Language
5.9 Water Hardness
5.10 Lcd Backlight Display brightness.
5.11 Lcd contrast Display contrast.
5.12 Grounds Limit Stop coffee grounds.
5.13 Grounds Left Coffee grounds counter.
5.14 Grounds Warning Empty coffee grounds.
5.15 W.Filter C. Date Date Aqua Prima filter was installed.
5.16 Service Date (to be added after servicing).
5.17 Production Date
Level M4 : Products Settings
The parameters for each different beverage are shown at this level; these parameters can be modified by opening each item
using the coffee key and selecting with the touch-ring.
4.1 Espresso Settings:
4.1.1 Product Qty. (imp.) Number of water pulses.
4.1.2 Aroma Displays coffee grinder pulses in 60-150 pulse range.
0: pre-ground (0 pulses); 1: mild (- 10% medium); 2: medium; 3: strong (+10% medium).
4.1.3 Prebrewing Prebrewing 1: enabled; 0: disabled; 2: long.
4.1.4 Temperature Shows temperature in °C. Low (-3°C average), average, high (+3°C average).
4.2 Coffee Settings:
4.2.1 Product Qty. (imp.) Number of water pulses.
4.2.2 Aroma 0: pre-ground; 1: mild; 2: medium; 3: strong.
4.2.3 Prebrewing 1: enabled; 0: disabled; 2: long.
4.2.4 Temperature in °C
4.3 Long Coffee Settings:
4.3.1 Product Qty. (imp.) Number of water pulses.
4.3.2 Aroma 0: pre-ground; 1: mild; 2: medium; 3: strong.
4.3.3 Prebrewing 1: enabled; 0: disabled; 2: long.
4.3.4 Temperature in °C
15/17
TALEA Section 05
REV00 - August 06

Ideas with Passion
5.3 Error messages for service personnel
16/17
PRIMEA Section 05
REV00 - August 06
Code Applicable models:
Brief description Description
01 All models Coffee grinder 1 blocked. The coffee grinder is blocked (grinders blocked or sensor not reading
properly).
03 All models Brew group blocked in work position. Microswitch not released in up position after 3”, torque error trying to
move down, descent time out exceeded.
04 All models Brew group blocked in home position. Microswitch not released in down position after 3”, torque error trying to
move up, ascent time out exceeded.
05 All models Water circuit blocked. No water in turbine.
10-11 All models Various sensor errors. Water heater sensors shorted or in open circuit.
14-15 All models Various temperature errors. Heater temperatures out of control.
16 All models Both microswitches activated on brew group. The work and home microswitches have both been activated.
17 All models Memory error. Impossible to read or write to e2prom.
18 All models Clock error. Memory defect or impossible to set.
19 All models No zero crossing. No zero crossing on card, could be caused by power card.
20 All models Cup lift error
.The two stroke end position microswitches are activated at the same
time.
On models in the new Platinum ranges, errors recorded can be viewed on the display (during diagnosis) or on a PC (with programmer). The fol-
lowing are saved:
A) The last 20 errors to be recorded.
B) Total number of errors (not all models).
• Since production (total).
• Since last service (partial).
• Current.

Ideas with Passion
5.4 Problems, causes, remedies
HELP MESSAGES DISPLAYED HOW TO RESET MESSAGE
Turn the appliance off and on to solve the problem. Switch off and after 30 sec. turn on the appliance to
restore normal operating conditions.
Call the Service Center. Problem requiring assistance of Service Center.
Insert drip tray. Insert drip tray.
Close coffee granule container cover. Close the coffee granule container to enable delivery
of any beverage.
Insert ground coffee. This message guides the user when this type of cof-
fee has been selected during personalised beverage
programming.
Insert brew group. Insert brew groupin seat.
Insert coffee grounds drawer. Insert coffee grounds drawer.
Empty coffee grounds drawer. Remove coffee grounds drawer and empty.
N.B: The coffee grounds drawer must only be emptied
when the appliance is switched on. The drawer must
be removed for at least 5 seconds. If the drawer is
emptied when the appliance is switched off the mes-
sage is not reset.
Close side door Close service door
.
Fill water tank. Fill tank.
Empty drip tray below brew group. Empty drip tray.
Insert milk container. Insert container in milk compartment.
Prime circuit. Start filling water circuit automatically. The appliance
will automatically try to fill the circuit 5 times; if it
fails, contact the Service Centre.
The descaling cycle did not run correctly. Repeat the operation as described in the relative
chapter in the instruction booklet.
Replace Aqua Prima filter. This message is only displayed if the filter control is
enabled (see instruction booklet).
Replace the filterif:
1) 60 litres of water have been dispensed.
2) 90 days have elapsed since installation.
3) 20 days have elapsed since the coffee maker was
last used.
The cleaning cycle did not run correctly. Repeat the operation as described in the relative
chapter in the instruction booklet.
Insert cappuccinatore. Insert cappuccinatore in milk compartment.
Rinse milk container. Clean container after use.
Descale appliance. Run descaling cycle
Standby. Press “ start”.
17/17
PRIMEA Section 05
REV00 - August 06
SECTION 6
OPERATING
LOGIC
REV.00
TALEA Section 06
REV00 - August 06

6.1 Reset coffee grounds drawer.
The “empty coffee grounds drawer” message is signalled by a “coffee” beverages counter
controlled by the appliance electronics.
The counter is cleared “empty coffee grounds drawer” reset message:
1. After 13 coffees, if the grounds drawer is removed for more than 5 seconds.
2. Each time the grounds drawer is removed for more than 5 seconds when an “empty
coffee grounds drawer” alarm has been generated (it is assumed that the grounds
drawer has been emptied).
N.B:
If the 12th coffee is actually a “double coffee”, the “empty coffee grounds drawer” alarm will be
generated at the 14th coffee. As a result, the counter for the “empty coffee grounds drawer” in
this case would be reset at the 14th coffee.
6.2 Water reserve
Platinum models have a fixed reserve (turbine pulses) to ensure the selected beverage can be fully
(partially or totally) dispensed each time the capacitive sensor registers the presence of water
in the water tank. Otherwise, the appliance displays the “fill water tank” message and will not
dispense the beverage.
The beverage will be dispensed in full or in part depending on whether the remaining reserve is
enough to cover the programmed length of the selected beverage.
On selection, a message requests that the water tank is filled.
Example:
e.g: sensor registers presence of water (+10cc).
Hypothesis 1) A 60cc beverage is selected, 50cc is taken from the reserve, the beverage is
dispensed in full, and the “fill water tank” message appears.
Hypothesis 2) A 110cc beverage is selected, 90cc is taken from the reserve, the product is
dispensed in part (100cc), and the “fill water tank” message appears.
Hypothesis 3) A double 110cc coffee is selected; the first is dispensed in part (100cc),
the fill tank message appears, then the second one is dispensed in full (110cc).
Hypothesis 4) Double 40cc coffees are selected; the appliance dispenses both in full.
10 cc
Starting water level
Capacitive sensor
actual 90 cc level
not configurable
via SW
1/6
TALEA Section 06
REV00 - August 06

Ideas with Passion
6.3 Motorized tray
2/6
The movement of the motorized tray is mechanical by means of a stepper motor (1) in 24V
DC, controlled by two capacitive pushbuttons (2) located at the front of the tray.
The two microswitches (3) are for the limit switch, and operation can be checked in test mode
(see section 5.1).
3
1
2
3
3
2
3
TALEA Section 06
REV00 - August 06

Ideas with Passion
3/6
6.4 Aqua Prima
TALEA Section 06
REV00 - August 06
Operating logic with “AQUA PRIMA” filter.
When use of the “aqua prima” filter is selected on the user menu or via the control panel, the
system water count logic is as follows:
If the “aqua prima” function is enabled the electronics perform a pulse count of the turbine,
recording one pulse every 2 revolutions.
If the “aqua prima” function is disabled, the electronics perform a pulse count of the turbine,
recording one pulse every revolution.
The graph in the figure below illustrates this function:
360°
1 rev
360°
1 rev
360°
1 rev
360°
1 rev
Turbine revs
= 1 pulse
Aqua Prima
on
Aqua Prima
off

Ideas with Passion
6.5 SBS Valve
4/6
TALEA Section 06
REV00 - August 06
Beverage dispensing
The SBS brewing system valve (see Fig. 2) controllable via the knob, enables variation (increas-
ing or decreasing according to the position of the knob) of the water flow rate for brewing.
This adjusts the coffee brewing time (extraction time) and consequently the intensity of taste,
keeping the cream quality constant.
Function
With the SBS valve in the open position, coffee is accumulated in the membrane valve due to a
low back-pressure of the SBS valve. Consequently the membrane valve needle remains in the
maximum open position, due to resistance of the spring. Coffee exits quickly (see fig. 3).
With the SBS valve in the closed position, coffee is accumulated on the membrane of the valve
with a consequent increase in pressure in the valve. The spring yields to the back-pressure and
the needle then reduces the coffee passage (see Fig. 4).
Fig.4
Fig.1 Fig.2
Fig.3

Ideas with Passion
5/6
TALEA Section 06
REV00 - August 06
SBS valve operation check
To ensure correct operation of the valve SBS a long coffee should be made, and during
preparation of the latter, check the difference in dispensing speed between the maximum and
minimum positions.
The difference in dispensing speed is approx. 2.5 times greater (and therefore VERY
obvious!!).
Knob MAX
position
Knob MED
position
Knob MIN
position
-> Rapid coffee delivery
-> Good coffee brew -> Good coffee brew -> Maximum coffee brew
-> Medium counter-pressure
-> Medium coffee delivery
-> Medium-high counter-pressure
-> Slow coffee delivery
-> High counter-pressure
CAFFÈ CREME ESPRESSO RISTRETTO
SBS
SBS SBS
(Light coffee) (Medium-strong coffee) (Strong coffee)

Ideas with Passion
6/6
TALEA Section 06
REV00 - August 06
6.6 Solenoid pilot
Brew
group
drain valve
Drain
Brew group valve
(3 - 5 bars)
Needle
Solenoid pilot function:
1. Brew group drain:
before the group is lowered, the solenoid pilot opens briefly creating a depression
that in turn opens the valve in the opposite direction from dispensing, allowing any
water left in the group to be drained and keeping the pad dry.
2. Coffee ready after steam:
when a coffee or water are selected, the solenoid pilot opens the drain valve
to lower pressure in the heater.
3. Prime heater:
after a period in standby or when the appliance has not been used for an extended period
(1st coffee), the pump loads briefly during grinding to get rid of any water between the
heater pin and heater, and to pre-heat the elements.
4. Fill circuit: the solenoid pilot discharges and recharges automatically. The discharge occurs via the drain
pipe and not via the valve.
5. Relief valve: the solenoid pilot also serves as a relief valve (not present on pump), opening in the event
of pressure in excess of 16-19 bars.
6. Lower pressure: pressure is lowered by the circuit being discharged for 10 seconds after water or steam
have been dispensed (see variables A and B).
A) Configuration with dual-sensor valve card (water/steam position sensor + Milk Island posi-
tion sensor):
After water has been dispensed - > the solenoid pilot opens to the discharge side as soon as the sensor is
disengaged.
Immediately after steam has been dispensed - > the solenoid pilot opens to the discharge side as soon as
the sensor is disengaged.
Water dispensed after steam has been dispensed -> the solenoid pilot opens to the discharge side as soon
as the sensor is disengaged.
- After each beverage has been dispensed -> the solenoid pilot opens to the discharge side.
-
Each time the appliance is switched on and the temperature is reached -> the solenoid pilot opens to the
discharge side.
- When the temperature is reached -> the solenoid pilot opens to the discharge side.
B) Configuration with three-sensor valve card (water/steam sensor + closed position sensor +
milk island position sensor):
In addition to the functions described in configuration A, the following also occur:
Each time the closed position central sensor is disengaged -> always open the solenoid pilot towards the
discharge side.
Turbine
Steam tube
Silicon tube
TANK
Silicon tube
Pump
Silicon tube
Reinforced silicon hose
Reinforced silicon hose
Reinforced silicon hose
Reinforced silicon hose
Reinforced silicon hose
STEAM/WATER
DISPENSE
1300W heater
WATER DRAINED
TO DRIP TRAY
Water drain connector
Water/steam valve Water drain connector
WATER DRAINED
TO TANK
COFFEE
DISPENSE
SBS valve
Connector with 3 bar relief valve
MILK ISLAND STEAM
DISPENSE
Brew unit
Brew unit pin
Coffee dispense valve (3-5 bars)
Drain valve
Relief valve (16-19 bars)

Ideas with Passion
6.7 Milk Island
Electrical connec-
tion to appliance.
Water pipe connected to
appliance for steam inlet.
Button to
attach/release
Milk Island
from appliance.
Steam
outfeed
Carafe
present
LED
Anchor pin
between Milk Island
and appliance.
Unscrew bolts
indicated to
dissassemble.
2
1
3
4
5
6
7
8
9
Cappucinatore cover.
Cappucinatore valve cover.
Vernay valve.
Cappucinatore valve
cover insert.
Cappucinatore body.
Carafe handle.
Carafe milk suction pipe.
Carafe steamout pipe.
Top part carafe.
2
1
3
4
5
6
7
8
9
Ideas with Passion
SECTION 7
COMPONENT
ASSEMBLY
AND DISASSEMBLY
REV.00
TALEA Section 07
REV00 - August 06

Remove the coffee top container ,
unscrew the three screws pointed
out and lift the upper cover.
Disconnet the cups warmer
( where included ), the ground
wire cable and the coffee top
container sensor.
In order to dismantle the distributor completely, extract the regulation stick and, following the
screws sequence, dismantle the different parts.

Unscrew the four screws which block the frontal panel, so that it can move.
Unnhook the anterior riser, by unblocking firstly the two lower hooks and then the upper ones ( see
photo ), paying attention to not break the riser’s hooks. After having removed the riser, it is possible
to remove the frontal panel.

Ideas with Passion
Loosen the screw as shown.
7.2 Right and left side casing
Split the two sides of the casing (see Fig..1).
Press from the bottom (see Fig.2).
Release and take it off from the side and at the bottom
(see Fig. 3), pulling towards you at the same time (see Fig. 4).
2/11
TALEA Section 07
REV00 - August 06
1
4
2
3
To remove the right
side, loosen the
screws as indicated.
To remove the left
side, loosen the
screws as indicated.
To take the left-side off, release the small
clamp and pull out the wire mesh pipe
connecting the steam pipe to the valve,
removing the metal band as shown.

Ideas with Passion
3/11
TALEA Section 07
REV00 - August 06
7.3 Electronics
CPU card
Fig.1 Loosen the screws as indicated and turn the front piece upwards to get to the card.
Fig.2 Take off the small clamp.
Fig.3 Disconnect all connectors and loosen the screws as indicated.
3
2
1
Power board
Remove the small clamps, disconnect all connectors and loosen the screws indicated.

4/11
TALEA Section 07
REV00 - August 06
7.4 Gearmotor
Remove the safety guard (A)
by loosening the screws as
indicated.
Loosen the four screws indicated
and remove the heater valve asm.
When refitting it, be careful with
the two oil-rings shown in the
smaller picture.
Disassemble the pro-
tection plate (B) by
loosening the screws as
indicated.
The following are located inside the compartment
protected by the guard:
- Electric motor (A) with gears (B) and (C) for
transmission and timing of the brew group.
- The drip tray present reed switch
sensor (D).
- Brew group present microswitch (E).
- Microswitch (F) brew group at Home posi-
tion.
- Microswitch (G) brew group at dispensing
position.
Withdraw the gear (C) that meshes with the motor
transmission shaft.
Withdraw the large gear (B).
Pull out the motor (A) complete with transmission
shaft (H).
A
B
A
B
E
C
D
F
G
Insert the gear (B), taking care
that the arrow stamped on the
element is within the opening that
contains pin (P).
P
B
Install the motor and transmission shaft,
inserting the guides (L) in the relative seat.
L

Ideas with Passion
5/11
TALEA Section 07
REV00 - August 06
7.5 Pump
Take the pump out from the rub-
ber support guides.
Withdraw the faston connec-
tors as indicated.
2
1
Pull out the adapter.
Take off the oetiker
clamp as indicated and
pull out the reinforced
flexible hose.

Ideas with Passion
6/11
TALEA Section 07
REV00 - August 06
7.6 Heater and solenoid pilot unit
Loosen the screws as indi-
cated.
A
B
C
Take off the oetiker clamp A,
pull out the reinforced flex-
ible hose, loosen screw B and
withdraw the drain pipe C
from the solenoid pilot.
Loosen the screws on the
relief valve assembly.
A
Unhook the teeth anchor-
ing to the body and lift the
heater and solenoid pilot.
Heater
Solenoid pilot.

Ideas with Passion
7. 7 OETIKER clamp assembly and disassembly
Heater clamps
Figure (1) shows the assembly position of the clamp on the heater connector.
HEATER
SOLENOID PILOT
Figure (2) shows the assembly position of the clamp on the plastic solenoid pilot connectors.
Solenoid pilot
Use suitable pliers to tighten the clamp.
Ensure correct tightening (A) and position-
ing as shown in illustrations (1) / (2).
1
2
A
To remove the clamp, use a pincer as shown in (B)
B
TALEA Section 07
REV00 - August 06
7/11

Ideas with Passion
7.8 Coffee grinder
8/11
TALEA Section 07
REV00 - August 06
Loosen the screws on the cover
and lift it off, being careful to
withdraw damper A.
A
Unclamp and remove the con-
nector inserted in the card.
When refitting the motor assem-
bly, be careful to reinsert the
spring.

9/11
TALEA Section 07
REV00 - August 06
To remove the upper grinder support, use a wrench, turning it clockwise to release the
grinder support from the bayonet coupling.
On the lower burr, keep the increment pin as
indicated locked in position and proceed as
shown in the figure above.
When refitting the upper grinder sup-
port, take care to reposition the mark as
shown in the picture.
To remove the upper burr, rotate
anti-clockwise until it detaches from
the bayonet coupling.
7.9 Coffee grinder setting, assembly and disassembly

Ideas with Passion
10/11
7.10 Grinder adjustment during servicing
To vary the grinding setting,
tighten or loosen with wrench “A”
supplied.
(+) = Coarse grinding
( - ) = Fine grinding.
WARNING:
- Grinding must be adjusted with the motor in movement.
- Adjust the grinding level by one step at a time.
- After setting grinding, run two grinding cycles and check the resulting gran-
ules and dose.
- Repeat if further adjustment is required.
TALEA Section 07
REV00 - August 06
+
-
A
To adjust the coffee grinder (in addition to user-permitted adjustments of “C” with the grinding
adjustment tool “A”), remove the coffee granule container and turn adjustment insert “B” to
widen or tighten grinding. This insert can be repositioned to move interval “C”.
Be very careful not to separate the grinders from their supports.
C
B

Ideas with Passion
7.11 Motorized drip tray
Loosen the screws as indicated.
Pull the motorized tray towards you.
11/11
TALEA Section 07
REV00 - August 06
Loosen the two screws to release
the electric motor with worm gear
To withdraw the stop (A) use pliers to grip the tabs
securing the lifting system to the base and pull out-
wards. Withdraw the electric motor with worm gear
from above.
Disassembling the motorized tank stepper motor
Ideas with Passion
SECTION 8
SERVICE
SCHEDULE
REV.00
TALEA Section 08
REV00 - August 06

Ideas with Passion
S= Replacement
R= Service
P= Cleaning
D= Descaling
C= Inspection
*= Number of beverages dispensed
Parts Task Reason Item
Service
5,000*
10,000*
Casing, tanks, containers, power
cable. CCCDirty, damaged. See documentation (exp. drawing).
Water coffee andè milk lines.
GACO DIM 14 seals SSSWear
Water filter SSSDirty, hygiene.
Silicon tube C D D Dirty, scale, leaks. See documentation (exp. drawing).
Turbine C D D Dirty, scale, leaks. See documentation (exp. drawing).
Heater C D D Dirty, scale, leaks. See documentation (exp. drawing).
Multi-valve C D D Dirty, scale, leaks. See documentation (exp. drawing).
Heater pin o-ring SSSDirty, scale, leaks.
Brew group PPPDirty, hygiene. See documentation (exp. drawing).
Cappuccinatore PPPDirty, hygiene. See documentation (exp. drawing).
Coffee grinder
Grinders
Check grinding and dose.
P
C
P
C
P
C
Dirty, hygiene.
Grain size and dose See documentation (exp. drawing).
Brew group
Cleaning C R R Dirty, hygiene.
Lubrication C R R Dirty, hygiene.
O-ring C S S Wear See documentation (exp. drawing).
Full service CCCWear
Othertasks
Descale C D D Then check condition of
parts.
Temperature check CCCClient information
Explanation of fault CCCClient information
Safety check C C C Always
Packing C C S Check, always. Use new packaging if necessary.
8.1 Routine maintenance check list
TALEA Section 08
REV00 - August 06
1/1