Gainspan GS2100MIP Ultra-Low Power Wi-Fi Module User Manual
Gainspan Corporation Ultra-Low Power Wi-Fi Module
Gainspan >
Users Manual

Release 0.10, 04/08/2014
Copyright © 2014 GainSpan. All rights reserved.
Preliminary
Confidential
GS2100M Low Power WiFi Module
Data Sheet
GS2100M-DS-001212
GainSpan®
802.11b/g/n Low Power WiFi®
Series Modules

FCC Communications
Commission (FCC)
Interference Statement
This equipment has been tested and found to comply with the limits for a Class B digital
device, pursuant to Part 15 of the FCC Rules. These limits are designed to provide
reasonable protection against harmful interference in a residential installation. This
equipment generates uses and can radiate frequency energy and, if not installed and used
in accordance with the instructions may cause harmful interference to radio communications.
However, there is no guarantee that interference will not occur in a particular installation. If
this equipment does cause harmful interference to radio or television reception, which can be
determined by turning the equipment off and on, the user is encouraged to try to correct the
interference by one of the following measures:
• Reorient or relocate the receiving antenna
• Increase the separation between the equipment and receiver
• Connect the equipment into an outlet on a circuit different from that to which
the receiver is connected
• Consult the dealer or an experienced radio/TV technician for help
FCC Caution: To assure continued compliance, (example - use only shielded interface
cables when connecting to computer or peripheral devices). Any changes or modifications
not expressly approved by the party responsible for compliance could void the user’s
authority to operate this equipment.
This device complies with Part 15 of the FCC Rules. Operation is subject to the following two
conditions: (1) This device may not cause harmful interference, and (2) this device must
accept any interference received, including interference that may cause undesired operation.
FCC & IC Radiation
Exposure Statement
This equipment complies with FCC & IC radiation exposure limits set forth for an uncontrolled
environment. This equipment should be installed and operated with minimum distance 20cm
between the radiator & your body.
This transmitter must not be co-located or operating in conjunction with any other antenna or
transmitter must not be co-located or operating in conjunction with any other antenna or
transmitter. This device intended only for OEM integrators under the following conditions:
1. The antenna must be installed such that 20cm is maintained between the antenna and
users, and
2. The transmitter module may not be co-located with any other transmitter or antenna. As
long as 2 conditions above are met, further transmitter test will not be required.
However, the OEM integrator is still responsible for testing their end-product for any
additional compliance requirements required with this module installed (for example,
digital device emissions, PC peripheral requirements, etc.).
IMPORTANT NOTE: In the event that these conditions cannot be met (for example certain
laptop configurations or co-location with another transmitter), then the FCC & IC
authorizations are no longer considered valid and the FCC & IC IDs cannot be used on the
final product. In these circumstances, the OEM integrator will be responsible for re-evaluating
the end product (including the transmitter) and obtaining separate FCC & IC authorizations.
End Product Labeling: This transmitter module is authorized only for use in device
where the antenna may be installed such that 20cm may be maintained between the
antenna and users (for example access points, routers, wireless ADSL modems, and
similar equipment). the final product must be labeled in a visible area with the
corresponding FCC ID number.

IC Certification - Canada The labeling requirements for Industry Canada are similar to those of the FCC. A visible label
on the outside of the final product must display the IC labeling. The user is responsible for
the end product to comply with IC ICES-003 (Unintentional radiators).
English
This device complies with Industry Canada license-exempt RSS standard(s). Operation is
subject to the following two conditions:
1. This device may not cause harmful interference
2. This device must accept any interference received, including received, including
interference that may cause undesired operation of the device.
French
Cet appareil est conforme à Industrie Canada une licence standard RSS exonérés (s). Son
fonctionnement est soumis aux deux conditions suivantes:
1. Cet appareil ne doit pas provoquer d'interférences
2. Cet appareil doit accepter toute interférence reçue, y compris les interférences pouvant
provoquer un fonctionnement indésirable de l'appareil.
Manual Information That Must be Included
The user’s manual for end users must include the following information in a prominent
location.
IMPORTANT NOTE: To comply with FCC & IC RF exposure compliance requirements, the
antenna used for this transmitter must be installed to provide a separation distance of at least
20cm from all persons and must not be co-located or operating in conjunction with any other
antenna or transmitter.
Additional Notations: GainSpan modules have been built or under development for near
body exposure applications. The 20cm statement is a standard note because absorption rate
testing (commonly knowns as SAR or Specific absorption rate) is not modularly transferable
for FCC/IC. Thus, if a radio is being used against the body, the end user is still responsible
to test for regulatory near body exposure testing (for USA, please refer to the following):
• FCC Part 1.1037
• FCC Part 2.1091 Mobile Devices
• FCC Part 2.1093 Portable Devices
• FCC Part 15.247 (b) (4)

Copyright Statement This GainSpan manual is owned by GainSpan or its licensors and protected by U.S. and
international copyright laws, conventions, and treaties. Your right to use this manual is
subject to limitations and restrictions imposed by applicable licenses and copyright laws.
Unauthorized reproduction, modification, distribution, display or other use of this manual may
result in criminal and civil penalties.
GainSpan assumes no liability whatsoever, and disclaims any express or implied warranty,
relating to sale and/or use of GainSpan products including liability or warranties relating to
fitness for a particular purpose, merchantability, or infringement of any patent, copyright or
other intellectual property right. GainSpan products are not authorized for use as critical
components in medical, lifesaving, or life-sustaining applications
GainSpan may make changes to specifications and product descriptions at any time, without
notice.
Trademark GainSpan is a registered trademark of GainSpan Corporation. All rights reserved. Other
names and brands may be claimed as the property of others.
Contact Information In an effort to improve the quality of this document, please notify GainSpan Technical
Assistance at 1.408.627.6500 in North America or +91 80 42526503 outside North America.
Web and Email Contact www.gainspan.com
info@gainspan.com

GS2100M-DS-001212, Release 0.10 Confidential Preliminary 5
Table of Contents
Chapter 1 GS2100M Overview ........................................................................................................ 17
1.1 Product Overview ..................................................................................................................17
1.2 GS2100M Module Product Features .....................................................................................17
Chapter 2 GS2100M Architecture .................................................................................................... 21
2.1 Architecture Description ........................................................................................................21
2.1.1 Wireless LAN and System Control Subsystem ............................................................23
2.1.2 On-board Antenna / RF Port / Radio ............................................................................23
2.1.2.1 802.11 MAC .........................................................................................................23
2.1.2.2 802.11 PHY .........................................................................................................24
2.1.2.3 RF/Analog ............................................................................................................24
2.1.3 Network Services Subsystem ......................................................................................25
2.1.3.1 APP CPU .............................................................................................................25
2.1.3.2 Crypto Engine ......................................................................................................25
2.1.4 Memory Subsystem .....................................................................................................25
2.1.4.1 SRAM ..................................................................................................................25
2.1.4.2 ROM ....................................................................................................................26
2.1.4.3 OTP ROM ............................................................................................................26
2.1.4.4 Flash Interface .....................................................................................................26
2.1.5 Clocks ..........................................................................................................................26
2.1.6 Real Time Clock (RTC) Overview ................................................................................27
2.1.6.1 RTC Main Features .............................................................................................27
2.1.6.2 Real Time Clock Counter .....................................................................................28
2.1.6.3 RTC I/O ................................................................................................................28
2.1.7 GS2100M Peripherals ..................................................................................................28
2.1.7.1 SDIO Interface .....................................................................................................28
2.1.7.2 SPI Interface ........................................................................................................29
2.1.7.3 UART Interface ....................................................................................................29
2.1.7.4 I2C Interface ........................................................................................................29
2.1.7.5 GPIO ....................................................................................................................30
2.1.7.6 Sigma Delta ADC .................................................................................................30
2.1.7.7 PWM ....................................................................................................................30
2.1.8 System States ..............................................................................................................31
2.1.9 Power Supply ...............................................................................................................32
Chapter 3 Pin-out and Signal Description ........................................................................................ 33
3.1 GS2100Mxx Device Pin-out ..................................................................................................33
3.1.1 GS2100Mxx Module Pins Description ..........................................................................34
3.1.2 GS2100M Pin MUX Function .......................................................................................37
3.1.3 GS2100M Program and Code Restore Options ...........................................................39
Chapter 4 Electrical Characteristics ................................................................................................. 41
4.1 Absolute Maximum Ratings ...................................................................................................41
4.2 Operating Conditions .............................................................................................................42
4.3 I/O DC Specifications ............................................................................................................43
4.3.1 I/O Digital Specifications (Tri-State) Pin Types 4mA, 12mA, and 16mA ......................43
4.3.1.1 I/O Digital Specifications for VDDIO=3.0V to 3.6V ..............................................43
4.3.2 RTC I/O Specifications .................................................................................................44
4.4 Power Consumption (Estimate) .............................................................................................44

GS2100M Low Power WiFi Module Data Sheet
6 Confidential Preliminary GS2100M-DS-001212, Release 0.10
4.5 802.11 Radio Parameters (Estimate) ....................................................................................45
4.6 Sigma Delta ADC Parameters ...............................................................................................46
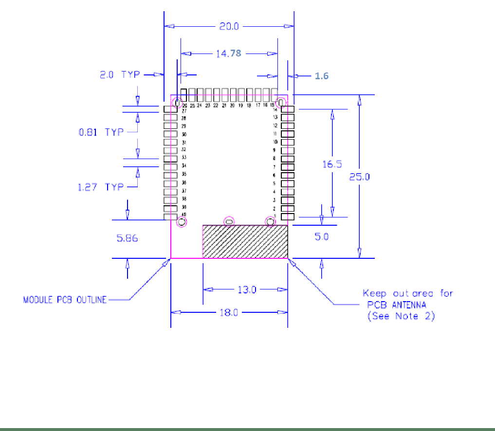
Chapter 5 Package and Layout Guidelines ..................................................................................... 49
5.1 GS2100Mxx Recommended PCB Footprint and Dimensions ...............................................49
5.1.1 Surface Mount Assembly .............................................................................................51

GS2100M-DS-001212, Release 0.10 Confidential Preliminary 7
About This Manual
This manual describes the GS2100M Low Power module hardware specification.
Refer to the following sections:
• Revision History, page 7
• Audience, page 8
• Standards, page 8
• Documentation Conventions, page 8
• Documentation, page 12
• Contacting GainSpan Technical Support, page 13
• Returning Products to GainSpan, page 14
• Accessing the GainSpan Portal, page 15
• Ordering Information, page 15
Revision History
This version of the GainSpan GS2100M Low Power WiFi Data Sheet contains the
following new information listed in Table 1, page 7.
Table 1 Revision History
Version Date Remarks
0.6 May 2013 Initial Release
0.7 January 2014
Updated SDIO interface clock frequency (see
1.2 GS2100M Module Product Features,
page 17).
Updated Power Consumption Estimates and
802.11 Radio Parameter Estimates (see
4.4 Power Consumption (Estimate), page 44
and 4.5 802.11 Radio Parameters (Estimate),
page 45).
0.8 February 2014
Added Notation to describe the GPIO37 when
using SPI interface. See 3.1.1 GS2100Mxx
Module Pins Description, page 34.

GS2100M Low Power WiFi Module Data Sheet
8 Confidential Preliminary GS2100M-DS-001212, Release 0.10
Audience
This manual is designed to help system designers build low power, cost effective, flexible
platforms to add WiFi connectivity for embedded device applications using the GainSpan
GS2100M based module.
Standards
The standards that are supported by the GainSpan GS module series are:
– IEEE 802.11 b/g/n
Documentation Conventions
This manual uses the following text and syntax conventions:
– Special text fonts represent particular commands, keywords, variables, or window
sessions
– Color text indicates cross-reference hyper links to supplemental information
– Command notation indicates commands, subcommands, or command elements
Table 2, page 8, describes the text conventions used in this manual for software procedures
that are explained using the AT command line interface.
0.9 March 2014 Added Regulator Notations in About this
Manual.
0.10 April 2014
Added Surface Mount Assembly Reflow
Profile Information. See 5.1.1 Surface Mount
Assembly, page 51.
Table 1 Revision History (Continued)
Version Date Remarks
Table 2 Document Text Conventions
Convention Type Description
command syntax
monospaced font
This monospaced font represents command strings entered on a
command line and sample source code.
AT XXXX
Proportional font
description
Gives specific details about a parameter.
<Data> DATA

GS2100M Low Power WiFi Module Data Sheet
GS2100M-DS-001212, Release 0.10 Confidential Preliminary 9
UPPERCASE
Variable parameter
Indicates user input. Enter a value according to the descriptions that
follow. Each uppercased token expands into one or more other token.
lowercase
Keyword parameter
Indicates keywords. Enter values exactly as shown in the command
description.
[ ]
Square brackets
Enclose optional parameters. Choose none; or select one or more an
unlimited number of times each. Do not enter brackets as part of any
command.
[parm1|parm2|parm3]
?
Question mark
Used with the square brackets to limit the immediately following token
to one occurrence.
<ESC>
Escape sequence
Each escape sequence <ESC> starts with the ASCII character 27 (0x1B).
This is equivalent to the Escape key.
<ESC>C
<CR>
Carriage return Each command is terminated by a carriage return.
<LF>
Line feed Each command is terminated by a line feed.
<CR> <LF>
Carriage return
Line feed
Each response is started with a carriage return and line feed with some
exceptions.
< >
Angle brackets
Enclose a numeric range, endpoints inclusive. Do not enter angle
brackets as part of any command.
<SSID>
=
Equal sign
Separates the variable from explanatory text. Is entered as part of the
command.
PROCESSID = <CID>
.
dot (period)
Allows the repetition of the element that immediately follows it multiple
times. Do not enter as part of the command.
.AA:NN can be expanded to 1:01 1:02 1:03.
A.B.C.D
IP address
IPv4-style address.
10.0.11.123
Table 2 Document Text Conventions (Continued)
Convention Type Description

GS2100M Low Power WiFi Module Data Sheet
10 Confidential Preliminary GS2100M-DS-001212, Release 0.10
X:X::X:X
IPv6 IP address
IPv6-style address.
3ffe:506::1
Where the : : represents all 0x for those address components not
explicitly given.
LINE
End-to-line input token
Indicates user input of any string, including spaces. No other parameters
may be entered after input for this token.
string of words
WORD
Single token
Indicates user input of any contiguous string (excluding spaces).
singlewordnospaces
Table 2 Document Text Conventions (Continued)
Convention Type Description

GS2100M Low Power WiFi Module Data Sheet
GS2100M-DS-001212, Release 0.10 Confidential Preliminary 11
Table 3, page 11, describes the symbol conventions used in this manual for notification and
important instructions.
Table 3 Symbol Conventions
Icon Type Description
Note
Provides helpful suggestions needed in understanding
a feature or references to material not available in the
manual.
Alert Alerts you of potential damage to a program, device,
or system or the loss of data or service.
Caution Cautions you about a situation that could result in
minor or moderate bodily injury if not avoided.
Warning Warns you of a potential situation that could result in
death or serious bodily injury if not avoided.
Electro-Static Discharge
(ESD)
Notifies you to take proper grounding precautions
before handling a product.

GS2100M Low Power WiFi Module Data Sheet
12 Confidential Preliminary GS2100M-DS-001212, Release 0.10
Documentation
The GainSpan documentation suite listed in Table 4, page 12 includes the part number,
documentation name, and a description of the document. The documents are available from
the GainSpan Portal. Refer to Accessing the GainSpan Portal, page 15 for details.
Table 4 Documentation List
Part Number Document Title Description
GS2K-QS-001205 GainSpan GS2000 Based Module Kit
Quick Start Guide
Provides an easy to follow guide on
how to unpack and setup GainSpan
GS2000 based module kit for the
GS2011M and GS2100M modules.
GS2K-EVB-FP-UG-001206 GainSpan GS2000 Based Module
Programming User Guide
Provides users steps to program the
on-board Flash on the GainSpan
GS2000 based modules using DOS or
Graphical User Interface utility
provided by GainSpan. The user guide
uses the evaluation boards as a
reference example board.
GS-S2W-APP-PRG-RG-001208
GainSpan Serial-to-WiFi Adapter
Application Programmer Reference
Guide
Provides a complete listing of AT serial
commands, including configuration
examples for initiating, maintaining,
and evaluating GainSpan WiFi series
modules.
GS2K-EVB-HW-UG-001210
GainSpan GS2000 Based Module
Evaluation Board Hardware User
Guide.
Provides instructions on how to setup
and use the GS2000 based module
evaluation board along with component
description, jumper settings, board
specifications, and pinouts.
GS2011M-DS-001211 GainSpan GS2011M Low Power
WiFi Module Data Sheet
Provides information to help WiFi
system designers to build systems using
GainSpan GS2011M module and
develop wireless applications.
GS2100M-DS-001212 GainSpan GS2100M Low Power
WiFi Module Data Sheet
Provides information to help WiFi
system designers to build systems using
GainSpan GS2100M module and
develop wireless applications.
GS2011MxxS-DS-001214 GainSpan GS2011MxxS Low Power
WiFi Module Data Sheet
Provides information to help WiFi
system designers to build systems using
GainSpan GS2011MxxS module and
develop wireless applications.

GS2100M Low Power WiFi Module Data Sheet
GS2100M-DS-001212, Release 0.10 Confidential Preliminary 13
Documentation Feedback
We encourage you to provide feedback, comments, and suggestions so that we can improve
the documentation. You can send your comments by logging into GainSpan Support Portal.
If you are using e-mail, be sure to include the following information with your comments:
– Document name
– URL or page number
– Hardware release version (if applicable)
– Software release version (if applicable)
Contacting GainSpan Technical Support
Use the information listed in Table 5, page 13, to contact the GainSpan Technical Support.
For more Technical Support information or assistance, perform the following steps:
1. Point your browser to http://www.gainspan.com.
2. Click Contact, and click Request Support.
3. Log in using your customer Email and Password.
4. Select the Location and click Contact.
5. Select Support Question tab.
6. Select Add New Question.
7. Enter your technical support question, product information, and a brief description.
The following information is displayed:
• Telephone number contact information by region
• Links to customer profile, dashboard, and account information
• Links to product technical documentation
• Links to PDFs of support policies
Table 5 GainSpan Technical Support Contact Information
North America 1 (408) 627-6500 - techsupport@gainspan.com
Outside North America
Europe: EUsupport@gainspan.com
China: Chinasupport@gainspan.com
Asia: Asiasupport@gainspan.com
Postal Address
GainSpan Corporation
3590 North First Street
Suite 300
San Jose, CA 95134 U.S.A.

GS2100M Low Power WiFi Module Data Sheet
14 Confidential Preliminary GS2100M-DS-001212, Release 0.10
Returning Products to GainSpan
If a problem cannot be resolved by GainSpan technical support, a Return Material
Authorization (RMA) is issued. This number is used to track the returned material at the
factory and to return repaired or new components to the customer as needed.
For more information about return and repair policies, see the customer support web page
at: https://www.gainspan.com/secure/login.
To return a hardware component:
1. Determine the part number and serial number of the component.
2. Obtain an RMA number from Sales/Distributor Representative.
3. Provide the following information in an e-mail or during the telephone call:
– Part number and serial number of component
– You name, organization name, telephone number, and fax number
– Description of the failure
4. The support representative validates your request and issues an RMA number for
return of the components.
5. Pack the component for shipment.
Guidelines for Packing Components for Shipment
To pack an ship individual components:
– When you return components, make sure they are adequately protected with
packing materials and packed so that the pieces are prevented from moving
around inside the carton.
– Use the original shipping materials if they are available.
– Place individual components in electrostatic bags.
– Write the RMA number on the exterior of the box to ensure proper tracking.
NOTE: Do not return any components to GainSpan Corporation unless you have
first obtained an RMA number. GainSpan reserves the right to refuse shipments
that do not have an RMA. Refused shipments will be returned to the customer by
collect freight.
CAUTION! Do not stack any of the components.

GS2100M Low Power WiFi Module Data Sheet
GS2100M-DS-001212, Release 0.10 Confidential Preliminary 15
Accessing the GainSpan Portal
To find the latest version of GainSpan documentation supporting the GainSpan product
release you are interested in, you can search the GainSpan Portal website by performing the
following steps:
1. Go to the GainSpan Support Portal website.
2. Log in using your customer Email and Password.
3. Click the Actions tab to buy, evaluate, or download GainSpan products.
4. Click on the Documents tab to search, download, and print GainSpan product
documentation.
5. Click the Software tab to search and download the latest software versions.
6. Click the Account History tab to view customer account history.
7. Click the Legal Documents tab to view GainSpan Non-Disclosure Agreement
(NDA).
8. Click Download on the Item Browser section to open or save the document.
Ordering Information
To order GainSpan’s GS2100Mxx low power module contact a GainSpan Sales/Distributor
Representative. Table 6, page 15 lists the GainSpan device information.
NOTE: You must first contact GainSpan to set up an account, and obtain a
customer user name and password before you can access the GainSpan Portal.
Table 6 GS2100Mxx Ordering Information
Device Description Ordering Number Revision
Low power module with on-board antenna GS2100MIP
Low power module with external antenna GS2100MIE
NOTE: Modules ship with test code ONLY. Designers must first program the
modules with a released firmware version. Designers should bring out GPIO31
pin (option to pull this pin to VDDIO during reset or power-on) and UART0 or SPI0
pins to enable programming of firmware into the module. For details refer to the
Programming the GainSpan Modules document.

GS2100M Low Power WiFi Module Data Sheet
16 Confidential Preliminary GS2100M-DS-001212, Release 0.10
- This page intentionally left blank -

GS2100M-DS-001212, Release 0.10 Confidential Preliminary 17
Chapter 1 GS2100M Overview
This chapter describes the GainSpan® GS2100M low power module hardware specification
overview.
• Product Overview, page 17
• GS2100M Module Product Features, page 17
1.1 Product Overview
The GS2100M based modules provide cost effective, low power, and flexible platform to
add Wi-Fi® connectivity for embedded devices for a variety of applications, such as
wireless sensors and thermostats. It uses the GS2000 SoC, which combines ARM® Cortex
M3-based processors with a 802.11b/g/n Radio, MAC, security, & PHY functions, RTC
and SRAM, up to 2 MB FLASH, and on-board and off module certified antenna options.
The module provides a WiFi and regulatory certified IEEE 802.11b/g/n radio with
concurrent network processing services for variety of applications, while leverage existing
802.11 wireless network infrastructures.
1.2 GS2100M Module Product Features
• Family of modules with different antenna and output power options:
• GS2100MIx 18mm (0.71in) x 25 mm (0.98in) x 2.5mm (0.098in) 40-pin PCB
Surface Mount Package. Two SKU’s are:
– GS2100MIP (on-board PCB antenna)
– GS2100MIE (external antenna)
• The two SKUs are pin to pin compatible
• Simple API for embedded markets covering a large range of applications
• Fully compliant with IEEE 802.11b/g/n and regulatory domains:
– 802.11n: 1x1 single stream, 20 MHz channels, 400/800ns GI,
MCS0 – 7
– Data rates of 7.2, 14.4, 21.7, 28.9, 43.3, 57.8, 65.0, 72.2 Mbps
– 802.11g: OFDM modulation for data rates of 6, 9, 12, 18, 24, 36, 48 and 54
Mb/s.
– 802.11b: CCK modulation rates of 5.5 and 11 Mbps; DSSS modulation for
data rate of 1 and 2 Mbps.

GS2100M Overview GS2100M Low Power WiFi Module Data Sheet
GS2100M Module Product Features
18 Confidential Preliminary GS2100M-DS-001212, Release 0.10
• WiFi Solution:
– Wi-Fi security (802.11i)
– WPA™ - Enterprise, Personal
– WPA2™ - Enterprise, Personal
– Vendor EAP Type(s)
– EAP-TTLS/MSCHAPv2, PEAPv0/EAP-MSCHAPv2,
PEAPv1/EAP-GTC, EAP-FAST, EAP-TLS
• Hardware-accelerated high-throughput AES and RC4 encryption/decryption
engines for WEP, WPA/WPA2 (AES-CCMP and TKIP).
• Additional dedicated encryption HW engine to support higher layer encryption
such as IPSEC (IPv4 and IPv6), SSL/TLS, HTTPs, PKI, digital certificates, RNG,
etc.
• Dual ARM Cortex M3 Processor Platform:
•1
st Cortex M3 processor (WLAN CPU) for WLAN software
– Implements 802.11 b/g/n WLAN protocol services
– 320 KB dedicated SRAM
– 512 KB dedicated ROM
•2
nd Cortex M3 processor (APP CPU) for networking software
– Implements networking protocol stacks and user application software
– 384 KB dedicated SRAM
– 512 KB dedicated ROM
• 64KB shared dual ported SRAM for inter-processor communications
• 320KB assignable (under SW control) SRAM
• Support processor clock frequencies for both CPU of up to 120MHz
• Based on Advanced Microprocessor Bus Architecture (AMBA) system
– AMBA Multilayer High-Speed Bus (AHB)
– AMBA Peripheral Bus (APB)
• On-module flash controller:
– Manages read/write/program/erase operations to the 2 MB flash memory
device on the module
– Supports higher performance QUAD SPI protocol operations
– Active power management

GS2100M Low Power WiFi Module Data Sheet GS2100M Overview
GS2100M Module Product Features
GS2100M-DS-001212, Release 0.10 Confidential Preliminary 19
• Interfaces:
• SDIO:
– Compliant to SDIO v2.0 specification
– Interface clock frequency up to 40 MHz
– Data transfer modes: 4-bit, 1-bit SDIO, SPI
– Device mode only
• SPI:
– One (1) general-purpose SPI interfaces (each configurable independently as
master or slave)
– The SPI pins are muxed with other functions such as GPIO
– Supports clock rates of up to 30 MHz (master mode) and up to 10 MHz (slave
mode)
– Protocols supported include: Motorola SPI, TI Synchronous Serial Protocol
(SSP) and National Semiconductor Microwire
– Supports SPI mode 0 thru 3 (software configurable)
• UART:
– Two (2) multi-purpose UART interfaces operating in full-duplex mode
– 16450/16550 compatible
– Optional support for flow control using RTS/CTS signaling for high data
transfer rates
– Standard baud rate from 9600 bps up to 921.6K baud (additional support
for higher non-standard rates using baud rates up to 7.5 MHz)
• GPIOs:
– Up to 16 configurable general purpose I/O
• Single 3.3V supply option
• Three (3) PWM output
•I
2C master/slave interface
• Three (3) 16-bit Sigma Delta ADC channels, for sensors and measurements
• One (1) RTC I/O that can be configured as:
– Alarm input to asynchronously awaken the chip
– Support control outputs for sensors
• Embedded RTC (Real Time Clock) can run directly from battery
NOTE: Tested with current test platform up to 33 MHz.

GS2100M Overview GS2100M Low Power WiFi Module Data Sheet
GS2100M Module Product Features
20 Confidential Preliminary GS2100M-DS-001212, Release 0.10
• Power supply monitoring capability
• Low-power mode operations:
– Standby, Sleep, and Deep Sleep
• FCC/IC/ETSI/TELEC/WiFi Certification (TBD)

GS2100M-DS-001212, Release 0.10 Confidential Preliminary 21
Chapter 2 GS2100M Architecture
This chapter describes the GainSpan® GS2100M Low Power module architecture.
• Architecture Description, page 21
2.1 Architecture Description
The GainSpan GS2100M module (see Figure 1, page 22) is based on a highly integrated
GS2000 ultra low power WiFi System-on-Chip (SoC) that contains the following:
• The GS2000 SoC contains two ARM Cortex M3 CPUs, a compatible 802.11
radio, security, on-chip memory, and variety of peripherals in a single package.
– One ARM core is dedicated to Networking Subsystems, and the other
dedicated to Wireless LAN Subsystems.
– The module carries an 802.11/g/n radio with on-board 32KHz & 40MHz
crystal circuitries, RF, and on-board antenna or external antenna options.
• On module 2 Mega Byte FLASH device that contains the user embedded
applications and data such as web pages.
• Variety of interfaces are available such as two UART blocks using only two data
lines per port with optional hardware flow controls, two SPI blocks (one SDIO is
shared function with one for the SPI interfaces), I2C with Master or slave
operation, JTAG port, low-power 12-bit ADC capable of running at up to 2M
samples/Sec., GPIO’s, and LED Drivers/GPIO with 16mA capabilities.
• GS2100Mxx has a VRTC pin that is generally connected to always available
power source such as battery or line power. This provides power to the Real Time
Clock (RTC) block on the SoC. The module also has VIN_3V3 power supply
input to provide the logic signal level for the I/O pins.

GS2100M Architecture GS2100M Low Power WiFi Module Data Sheet
Architecture Description
22 Confidential Preliminary GS2100M-DS-001212, Release 0.10
Figure 1 GS2100M Block Diagram

GS2100M Low Power WiFi Module Data Sheet GS2100M Architecture
Architecture Description
GS2100M-DS-001212, Release 0.10 Confidential Preliminary 23
2.1.1 Wireless LAN and System Control Subsystem
The WLAN CPU subsystem consists of the WLAN CPU, its ROM, RAM, 802.11 b/g/n
MAC/PHY, and peripherals. This CPU is intended primarily to implement the 802.11 MAC
protocols. The CPU system has GPIO, Timer, and Watchdog for general use. A UART is
provided as a debug interface. A SPI interface is provided for specific application needs.
The WLAN CPU can access the RTC registers through an asynchronous AHB bridge.
WLAN CPU has only Flash read access to the on-board flash memory. The WLAN
subsystem interacts with the App subsystem through a set of mailboxes and shared
dual–port memories.
The CPUs provide debug access through a JTAG/serial port. For GS2100 module, the
complete JTAG port is brought out for both CPUs. The CPUs also include code and data
trace and watch point logic to assist in-system debugging of SW.
The WLAN subsystem includes an integrated power amplifier, and provides management
capabilities for an optional external power amplifier. In addition, it contains hardware
support for AES-CCMP encryption (for WPA2) and RC4 encryption (for WEP & WPA
TKIP) encryption/decryption.
2.1.2 On-board Antenna / RF Port / Radio
The GS2100Mxx modules have fully integrated RF frequency synthesizer, reference clock,
low power PA, and a high power PA (GS2100MIE) for extended range applications. Both
TX and RX chain in the module incorporate internal power control loops. The GS2100Mxx
modules also incorporate an on-board antenna option plus a variety of regulatory certified
antenna options for various application needs.
2.1.2.1 802.11 MAC
The 802.11 MAC implements all time critical functionality of the 802.11b/g/n protocols. It
works in conjunction with the MAC SW running on the CPU to implement the complete
MAC functionality. It interfaces with the PHY to initiate transmit/receive and CCA. The
PHY registers are programmed indirectly through the MAC block. The MAC interfaces to
the system bus and uses DMA to fetch transmit packet data and save receive packet data.
The MAC SW exchanges packet data with the HW though packet descriptors and pointers.
Key Features
• Compliant to IEEE 802.11 (2012)
• Compliant to IEEE 802.11b/g/n (11n – 2009)
• Long and short preamble generation on frame-by-frame basis for 11b frames
• Transmit rate adaptation
• Transmit power control
• Frame aggregation (AMPDU, AMSDU)
• Block ACK (Immediate, Compressed)

GS2100M Architecture GS2100M Low Power WiFi Module Data Sheet
Architecture Description
24 Confidential Preliminary GS2100M-DS-001212, Release 0.10
• RTS/CTS, CTS-to-self frame sequences and SIFS
• Client and AP modes support
• Encryption support including: AES-CCMP, legacy WPA-TKIP, legacy WEP
ciphers and key management
• WiFi Protected Setup 2.0 (WPS2.0) including both PIN and push button options
• 802.11e based QoS (including WMM, WMM-PS)
• WiFi Direct with concurrent mode, including Device/Service Discovery, Group
Formation/Invitation, Client Power Save, WPS-PIN/Push Button
2.1.2.2 802.11 PHY
The 802.11 PHY implements all the standard required functionality and GainSpan specific
functionality for 802.11b/g/n protocols. It also implements the Radar detection
functionality to support 802.11h. The PHY implements the complete baseband Tx and Rx
pipeline. It interfaces with the MAC to perform transmit and receive operations. It
interfaces directly to the ADC and DAC. The PHY implements the Transmit power control,
receive Automatic Gain Control and other RF control signals to enable transmit and
receive. The PHY also computes the CCA for MAC use.
Key Features
• Compliant to 2.4GHz IEEE 802.11b/g/n (11n – 2009)
• Support 802.11g/n OFDM with BPSK, QPSK, 16-QAM and 64-QAM; 802.11b
with BPSK, QPSK and CCK
• Support for following data rates:
– 802.11n (20MHz): MCS0 - 7; 7.2, 14.4, 21.7, 28.9, 43.3, 57.8, 65.0, 72.2
Mbps
– 802.11g: 6, 9, 12, 18, 24, 36, 48, 54 Mbps
– 802.11b: 1, 2, 5.5, 11 Mbps
• Support Full (800ns) & Half (400ns) Guard Interval (GI) modes (SGI and LGI)
• Support Space time block coding (STBC) for receive direction
• Complete front-end radio integration including PA, LNA and RF Switch
• Support for external PA, LNA and control of external RF Switch (GS2100MIE
only)
2.1.2.3 RF/Analog
The RF/Analog is a single RF transceiver for IEEE 802.11b/g/n (WLAN). The RF Interface
block provides the access to the RF and analog control and status to the CPU. This block is
accessible only from the WLAN CPU. It implements registers to write static control words.
It provides read only register interface to read static status. It generates the dynamic control

GS2100M Low Power WiFi Module Data Sheet GS2100M Architecture
Architecture Description
GS2100M-DS-001212, Release 0.10 Confidential Preliminary 25
signals required for TX and RX based on the PHY signals. The AGC look up table to map
the gain to RF gain control word is implemented in this block.
2.1.3 Network Services Subsystem
2.1.3.1 APP CPU
The Network services subsystem consists of an APP CPU which is based on an ARM
CORTEX M3 core. It incorporates an AHB interface and a JTAG debug interface. The
network RTOS, network stack, and customer application code run on this CPU.
2.1.3.2 Crypto Engine
The Network services subsystem contains a separate hardware crypto engine that provides
a flexible framework for accelerating the cryptographic functions for packet processing
protocols. The crypto engine has the raw generic interface for cipher and hash/MAC
functions such as AES, DES, SHA, and RC4. It also includes two optional engines to
provide further offload; the PKA and RNG modules. These provide additional methods for
public key acceleration functions and random number generation. The engine includes a
DMA engine that allows the engine to perform cryptographic operation on data packets in
the system memory without any CPU intervention.
2.1.4 Memory Subsystem
The GS2100M module contains several memory blocks.
2.1.4.1 SRAM
The system memory is built with single port and dual port memories. Most of the memory
consists of single port memory. A 64KB dual port memory is used for exchange of data
between the two CPU domains. All the memories are connected to the system bus matrix
in each CPU subsystem. All masters can access any of the memory within the subsystem.
The APP subsystem has 384KB of dedicated SRAM for program and data use.
The WLAN subsystem has 320KB of dedicated SRAM for program and data use.
These memories are divided into banks of 64KB each. The bank structure allows different
masters to access different banks simultaneously through the bus matrix without incurring
any stall. Code from the external Flash is loaded into the SRAM for execution by each
CPU.
In addition, a static shared SRAM is provided. This consists of five 64KB memory blocks.
At any time, any of these memory blocks can be assigned to one of the CPU subsystem.
These should be set up by the APP CPU SW at initialization time. The assignment is not
intended to change during operation and there is no HW interlock to avoid switching in the
middle of a memory transaction. The assignment to the WLAN CPU should be done
starting from the highest block number going down to lowest block number. This result in

GS2100M Architecture GS2100M Low Power WiFi Module Data Sheet
Architecture Description
26 Confidential Preliminary GS2100M-DS-001212, Release 0.10
the shared memory appearing as a single bank for each CPU subsystem, independent of the
number of blocks assigned. The shared memory is mapped such that the SRAM space is
continuous from the dedicated SRAM to shared SRAM.
A 64KB dual port memory is used for exchange of data between the two CPU domains.
Each CPU subsystem can read or write to this memory using an independent memory port.
SW must manage the memory access to avoid simultaneous write to the same memory
location. The dual port memory appears as a single bank to each CPU subsystem.
2.1.4.2 ROM
ROM is provided in each CPU subsystem to provide the boot code and other functional
code that are not expected to change regularly. Each CPU has 512KB of ROM.
2.1.4.3 OTP ROM
The GS2000 device includes a 64Kbit OTP ROM used for storing MAC ID and other
information such as security keys etc. The App and WLAN subsystem each contain
32Kbits (4Kbytes) of OTP memory.
2.1.4.4 Flash Interface
The GS2000 SoC has only internal ROM and RAM for code storage. There is no embedded
Flash memory on the SoC. Any ROM patch code and new application code must reside in
the on-module Flash device of the GS2100M module. Flash access from the two CPUs are
independent. The App CPU is considered the system Master and the code running on this
CPU is required to initialize the overall chip and common interfaces. WLAN CPU access
to the Flash is restricted to read DMA. Any write to the Flash from the WLAN CPU must
be done through the App CPU. The operational parameters of the DMA accesses are set by
the App CPU at system startup. The Flash code is transferred to internal RAM before
execution.
2.1.5 Clocks
The GS2100M includes four basic clock sources:
– Low power 32KHz clock (see 2.1.6 Real Time Clock (RTC) Overview, page 27)
– 40MHz Xtal Oscillator
– PLL to generate the internal 120MHz (CPU) and 80MHz (PHY) clocks from the
40MHz Xtal.
– High speed RC oscillator 80MHz
Intermediate modes of operation, in which high speed clocks are active but some modules
are inactive, are obtained by gating the clock signal to different subsystems. The clock
control blocks within the device are responsible for generation, selection and gating of the
clocked used in the module to reduce power consumption in various power states.

GS2100M Low Power WiFi Module Data Sheet GS2100M Architecture
Architecture Description
GS2100M-DS-001212, Release 0.10 Confidential Preliminary 27
2.1.6 Real Time Clock (RTC) Overview
To provide global time (and date) to the system, the GS2100Mxx module is equipped with
a low-power Real Time Clock (RTC). The RTC is the always on block that manages the
Standby state. This block is powered from a supply pin (VRTC) separate from the digital
core and may be powered directly from a battery. The RTC implementation supports a
voltage range of 1.6v to 3.6v.
2.1.6.1 RTC Main Features
• One 48-bit primary RTC counter as the primary reference for all timing events and
standby awake management
• 1 programmable IO pins with specific default behavior. These pins are in the RTC
IO domain.
– Alarm inputs to wake up the GS2100M module from its sleep states
(deep-sleep/standby)
• Startup control counters with HW and SW override registers
• Power-on-reset control with brown-out detector
• RTC registers to hold RTC and wakeup control bits while the core domain is off
• 1Kbyte latch based memory (1.6-3.6v capable)
• 16KB of SRAM memory, divided into 4 equal blocks (1.2v capable)
• uLDO to supply the SRAM memory
• RTC logic is 1.6-3.6v capable
• 32 KHz RC oscillator
• 32768Hz crystal oscillator
• APB interface for CPU access
• Interrupts to CPU
The RTC contains a low-power 32.768KHz RC oscillator which provides fast startup at
first application of RTC power. It also supports an optional 32.768KHz crystal oscillator
which can be substituted for the RC oscillator under software control. In normal operation
the RTC is always powered up.
The standby programmable counter is 48-bits and provides up to 272 years worth of
standby duration. For the RTC_IO pin, the programmable embedded counter (32-bit) is
provided to enable periodic wake-up of the remainder of the external system, and provide
a 1.5 days max period. The RTC_IO pin can be configured as input (ALARM) or output
(WAKE UP) pin.
The RTC includes a Power-On Reset (POR) circuit, to eliminate the need for an external
component. The RTC contains low-leakage non-volatile (battery-powered) RAM, to
enable storage of data that needs to be preserved. It also includes a brown-out detector that
can be disabled by SW.

GS2100M Architecture GS2100M Low Power WiFi Module Data Sheet
Architecture Description
28 Confidential Preliminary GS2100M-DS-001212, Release 0.10
2.1.6.2 Real Time Clock Counter
The Real Time Counter features:
– 48-bit length (with absolute duration of 272 years).
– Low-power design.
This counter is automatically reset by power-on-reset.
This counter wraps around (returns to “all-0” once it has reached the highest possible
“all-1” value).
2.1.6.3 RTC I/O
There are three (3) RTC I/O (0, 1,2) that can be used to control external devices, such as
sensors or wake up the module based on external events or devices.
2.1.7 GS2100M Peripherals
2.1.7.1 SDIO Interface
The SDIO interface is a full / high speed SDIO device controller. The Controller supports
SPI, 1-bit SD and 4-bit SD bus mode. The SDIO block has an AHB interface, which allows
the CPU to configure the operational registers residing inside the AHB Slave core. The CIS
and CSA area is located inside the internal memory of CPU subsystem. The SDIO Registers
(CCCR and FBR) are programmed by both the SD Host (through the SD Bus) and CPU
(through the AHB bus) via Operational registers. The SDIO block implements the AHB
master to initiate transfers to and from the system memory autonomously.
During the normal initialization and interrogation of the card by the SD Host, the card will
identify itself as an SDIO device. The SD Host software will obtain the card information in
a tuple (linked list) format and determine if that card’s I/O function(s) are acceptable to
activate. If the Card is acceptable, it will be allowed to power up fully and start the I/O
function(s) built into it.
The SDIO interface implements Function 1 in addition to the default Function 0. All
application data transfers are done through the Function 1.
The primary features of this interface are
• Meets SDIO card specification version 2.0.
• Conforms to AHB specification.
• Host clock rate variable between 0 and 40 MHz
• All SD bus modes supported including SPI, 1 and 4 bit SD.
• Allows card to interrupt host in SPI, 1 and 4 bit SD modes.
NOTE: Tested with current test platform up to 33 MHz.

GS2100M Low Power WiFi Module Data Sheet GS2100M Architecture
Architecture Description
GS2100M-DS-001212, Release 0.10 Confidential Preliminary 29
• Read and Writes using 4 parallel data lines
• Cyclic Redundancy Check CRC7 for command and CRC16 for data
integrity-CRC checking optional in SPI mode
• Programmable through a standard AHB Slave interface
• Writing of the I/O reset bit in CCCR register generates an active low reset output
synchronized to AHB Clock domain.
• Card responds to Direct read/write (IO52) and Extended read/write (IO53)
transactions.
• Supports Read wait Control operation.
• Supports Suspend/Resume operation.
2.1.7.2 SPI Interface
The SPI interface is a master slave interface that enables synchronous serial
communications with slave or master peripherals having one of the following: Motorola
SPI-compatible interface, TI synchronous serial interface or National Semiconductor
Microwire interface. In both master and slave configuration, the block performs
parallel-to-serial conversion on data written to an internal 16-bit wide, 8-deep transmit
FIFO and serial to parallel conversion on received data, buffering it in a similar 16-wide, 8
deep FIFO. It can generate interrupts to the CPU to request servicing transmit and receive
FIFOs and indicate FIFO status and overrun/underrun. The clock bit rate is SW
programmable. In master mode, the SPI block in GS2000 can perform up to 30 MHz and
in slave mode up to 10 MHz serial clock. The interface type, data size and interrupt masks
are programmable. It supports DMA working in conjunction with the uDMA engine.
2.1.7.3 UART Interface
The UART interface implements the standard UART protocol. It is 16450/16550
compatible. It has separate 32 deep transmit and receive FIFOs to reduce CPU interrupts.
The interface supports standard asynchronous communication protocol using start, stop and
parity bits. These are added and removed automatically by the interface logic. The data size,
parity and number of stop bits are programmable. It supports HW based flow control
through CTS/RTS signaling. A fractional baud rate generator allows accurate setting of the
communication baud rate. It supports DMA working in conjunction with the uDMA
engine.
2.1.7.4 I2C Interface
The I2C interface block implements the standard based two wire serial I2C protocol. The
interface can support both master and slave modes. It supports multiple masters, high speed
transfer (up to 3.4MHz), 7 or 10 bit slave addressing scheme, random and current address
transfer. It also supports clock stretching to interface with slower devices. It can generate
interrupts to the CPU to indicate specific events such as FIFO full/empty, block complete,
no ack error, and arbitration failure.

GS2100M Architecture GS2100M Low Power WiFi Module Data Sheet
Architecture Description
30 Confidential Preliminary GS2100M-DS-001212, Release 0.10
2.1.7.5 GPIO
The GPIO block provides programmable inputs and outputs that can be controlled from the
CPU SW through an APB interface. Any number of inputs can be configured as an interrupt
source. The interrupts can be generated based on the level or the transition of a pin. At reset,
all GPIO lines defaults to inputs. Each pin can be configured as input or output from SW
control.
2.1.7.6 Sigma Delta ADC
The ADC and DAC are 16-bit sigma-delta converters. There are 3 channels, each having a
differential pair for a total of six input pins. The sample rate can be 32KHz to 80KHz. The
sigma delta converter ratio is 250. The ADC is a 2 channel converter. Each channel can
have an optional pre-amplifier stage. There are 4 gain levels in the pre-amp stage. The delay
between the two channels of the ADC can be adjusted under SW control. The digital
interface for the ADCs and the DAC are 2’s complement.
2.1.7.7 PWM
The PWM consists of three identical PWM function blocks. The PWM function blocks can
be used in two modes of operations:
• Independent PWM function blocks providing output signal with programmable
frequency and duty cycle
• Synchronized PWM function blocks with programmable phase delay between
each PWM output
The PWM has the following features:
• 32 bit AMBA APB interface to access control, and status information
• Three identical PWM function blocks
• Each PWM block can be enabled independently
• All three PWM blocks can be started synchronously or chained with
programmable delay
• Programmable 6 bit prescaler for the input clock (see 2.1.5 Clocks, page 26)
• Programmable frequency and duty cycle using 16 bit resolution in terms of clock
cycles for ON and OFF interval time
• Combined interrupt line with independent masking of interrupts

GS2100M Low Power WiFi Module Data Sheet GS2100M Architecture
Architecture Description
GS2100M-DS-001212, Release 0.10 Confidential Preliminary 31
2.1.8 System States
The system states of the GS2100Mxx system are as follows:
Power OFF: No power source connected to the system.
Standby: In the standby state, the GS2100M is in its lowest power state. In this state
power is on to the VRTC and VIN_3V3 input. The RTC portion of the GS2000 chip is
powered from the VRTC pin.
In standby state, the 32.768KHz oscillator is running and RTC RAM retains the state
(how many banks retain their state is SW configurable). SRAM, CPUs and I/Os are
powered off using the internal switches within the device thus reducing overall power
consumption.
Exit from standby occurs when a pre-specified wakeup time occurs, or when the
RTC_IO configured as alarm inputs sees the programmed polarity of signal edge.
System Configuration: When a power-up is requested, the system transitions from the
Standby state to the System Configuration state. In this state, the APP CPU is released
from reset by the RTC. The WLAN CPU remains in the reset state during System
Configuration. The APP CPU then executes the required system configurations,
releases the WLAN CPU from reset, and transitions to the Power-ON state.
The System Configuration state is also entered on transition from the Power-ON state
to the Standby state, to complete necessary preparations before shutting off the power
to the core system.
Power-ON: This is the active state where all system components can be running. The
Power-ON state has various sub-states, in which unused parts of the system can be in
sleep mode, reducing power consumption. Sleep states are implemented by gating the
clock signal off for a specific system component. Additionally, unneeded clock sources
can be turned off. For example, receiving data over a slave SPI interface could be done
with only the 80MHz RC oscillator active, and the 40MHz crystal and PLL turned off.
Sleep: In the Sleep state, the 40MHz crystal and the 80MHz RC oscillator remains
running, but it is gated off to one or both CPUs. Each CPU can independently control
its own entry into Sleep state. Any enabled interrupt will cause the interrupted CPU to
exit from Sleep state, and this will occur within a few clock cycles.
Deep Sleep: Deep sleep is entered only when both CPUs agree that the wakeup latency
is OK. In Deep Sleep mode, the 40MHz crystal oscillator and 80MHz RC oscillator are
turned off to save power, but all power supplies remain turned on. Thus all registers,
memory, and I/O pins retain their state. Any enabled interrupt will cause an exit from
Deep Sleep state.
EXT_RTC_RESET_n pin: This is an input pin for resetting the entire module,
including the RTC section of the device. This pin should not be left floating. An
external 10K pull up resistor to VRTC is recommended.
NOTE: During first battery plug, i.e., when power is applied the first time to the
RTC power rail (VRTC), the power detection circuit in the RTC also causes a
wakeup request.

GS2100M Architecture GS2100M Low Power WiFi Module Data Sheet
Architecture Description
32 Confidential Preliminary GS2100M-DS-001212, Release 0.10
2.1.9 Power Supply
This section shows various application power supply connections. Figure 2, page 32 shows
the GS2100Mxx power supply connection.
Figure 2 GS2100Mxx Always ON Power Supply Connection
Notes:
1. Always ON connection connects VRTC and VIN_3V3 together to a 3.3V power supply.

GS2100M-DS-001212, Release 0.10 Confidential Preliminary 33
Chapter 3 Pin-out and Signal Description
This chapter describes the GainSpan® GS2100M Low Power module architecture.
• GS2100Mxx Device Pin-out, page 33
3.1 GS2100Mxx Device Pin-out
Figure 3, page 33 shows the GS2100Mxx device pin-out diagram.
Figure 3 GS2100Mxx Device Pin-out Diagram (Module Top View)

Pin-out and Signal Description GS2100M Low Power WiFi Module Data Sheet
GS2100Mxx Device Pin-out
34 Confidential Preliminary GS2100M-DS-001212, Release 0.10
3.1.1 GS2100Mxx Module Pins Description
Table 7, page 34 describes the GS2100Mxx module pin signal description.
Table 7 GS2100Mxx Module Pin Signal Description
Pins Name Voltage
Domain
Internal Bias after
Hardware Reset
Drive
Strength
(mA)
Signal State Description
1 GND 0V Not Applicable Analog port Ground
2 ADC_SD_0p VIN_3V3 Not Applicable Analog port Sigma Delta ADC
differential positive input 0
3 ADC_SD_0n VIN_3V3 Not Applicable Analog port Sigma Delta ADC
differential negative input 0
4 ADC_SD_1p VIN_3V3 Not Applicable Analog port Sigma Delta ADC
differential positive input 1
5 ADC_SD_1n VIN_3V3 Not Applicable Analog port Sigma Delta ADC
differential negative input 1
6 ADC_SD_2p VIN_3V3 Not Applicable Analog port Sigma Delta ADC
differential positive input 2
7 ADC_SD_2n VIN_3V3 Not Applicable Analog port Sigma Delta ADC
differential negative input 2
8NC Not Connected
9NC Not Connected
10 VRTC VRTC Not Applicable Analog port Embedded Real Time Clock
Power Supply
11 EXT_RTC_RESET_n VRTC None Digital Input Device Reset Input
12 RTC_IO_2
(see Note 2) VRTC None 1 RTC Digital
Input/Output
Embedded Real Time Clock
Input/Output 2
13 VPP
(see Note 7) VPP Not Applicable Analog port Programming Voltage for
OTP Memory
14 GND 0V Not Applicable 4 Analog port Ground
15 VIN_3V3 VIN_3V3 Not Applicable Analog port Single Supply Port
16 GPIO10/PWM0 VIN_3V3 Pull-down 4 Digital
Input/Output
GPIO/Pulse Width
Modulator 0
17 GPIO9/I2C_CLK
(see Note 5) VIN_3V3 Pull-down 12 Digital
Input/Output
GPIO/Inter-Integrated
Circuit Clock
18 GPIO8/I2C_DATA
(see Note 5) VIN_3V3 Pull-down 12 Digital
Input/Output
GPIO/Inter-Integrated
Circuit Data
19 GPIO32/SDIO_DAT2/
UART1_TX VIN_3V3 Pull-down 4 Digital
Input/Output
GPIO/SDIO_DATA Bit
2/UART1 Transmitter
Output

GS2100M Low Power WiFi Module Data Sheet Pin-out and Signal Description
GS2100Mxx Device Pin-out
GS2100M-DS-001212, Release 0.10 Confidential Preliminary 35
20 GPIO33/SDIO_DAT3/
SPI0_CS_n_0 VIN_3V3 Pull-up 4 Digital
Input/Output
GPIO/SDIO Data Bit
3/SPI0 Chip Select Input 0
from the HOST (Active
Low)
21 GPIO34/SDIO_CMD/
SPI0_DIN VIN_3V3 Pull-down 4 Digital
Input/Output
GPIO/SDIO Command
Input/SPI0 Receive Data
Input
22 GPIO35/SDIO_CLK/
SPI0_CLK VIN_3V3 Pull-down 4 Digital
Input/Output
GPIO/SDIO Clock/SPI0
Clock Input from the HOST
23 GPIO36/SDIO_DAT0/
SPI0_DOUT VIN_3V3 Pull-down 4 Digital
Input/Output
GPIO/SDIO Data Bit
0/SPI0 Transmit Data
Output to the HOST
24
GPIO37/
SDIO_DAT1_INT
(see Note 8)
VIN_3V3 Pull-down 4 Digital
Input/Output
GPIO/4-bit SDIO DATA Bit
1/SDIO SPI Mode Interrupt
25 NC Not Connected
26 NC Not Connected
27 GPIO1/UART0_TX VIN_3V3 Pull-down 4 Digital
Input/Output
GPIO/UART0 Transmitter
Output. This pin is used for
Code Restore.
28 GPIO25/UART0_RTS
(see Note 6) VIN_3V3 Pull-down 12 Digital
Input/Output
GPIO/UART0 Request to
Send Output. This pin is
used for Program Select.
29 GPIO0/UART0_RX VIN_3V3 Pull-down 4 Digital Input
Output
GPIO/UART0 Receive
Input
30 GPIO24/UART0_CTS
(see Note 6) VIN_3V3 Pull-down 12 Digital
Input/Output
GPIO/UART0 Clear to
Send Input
31 GPIO31/PWM2
(see Note 4) VIN_3V3 Pull-down 16 Digital
Input/Output
GPIO/Pulse Width
Modulation Output 2.
This pin is used for Program
Mode.
32 GPIO30/PWM1 VIN_3V3 Pull-down 16 Digital
Input/Output
GPIO/Pulse Width
Modulation Output 1
33 NC Not Connected
34 GPIO28/I2C_DATA
(see Note 5) VIN_3V3 Pull-down 12 Digital
Input/Output
GPIO/Inter-Integrated
Circuit Data
35 JTAG_TCK VIN_3V3 Pull-up Digital Input JTAG Test Clock
36 JTAG_TDO VIN_3V3 Not Applicable Digital Output JTAG Test Data Out
Table 7 GS2100Mxx Module Pin Signal Description (Continued)
Pins Name Voltage
Domain
Internal Bias after
Hardware Reset
Drive
Strength
(mA)
Signal State Description

Pin-out and Signal Description GS2100M Low Power WiFi Module Data Sheet
GS2100Mxx Device Pin-out
36 Confidential Preliminary GS2100M-DS-001212, Release 0.10
Notes:
1. Recommend 10K external pull up resistor to VRTC.
2. Should not be left floating. Connect 1M pull-down resistor if unused.
3. Pins with drive strength 4, 12, and 16 have one pull resistor (either up or down,
not both), which is enabled at reset.
4. This pin enables programming of the module. If GPIO31/PWM2 is high
during reset or power on, then the GS2100M will wait for Flash download via
UART0 or SPI0 interface. Route this pin on the base board so it can be pulled up
to VIN_3V3 for programming the module.
5. If I2C interface is used, provide 2K Ohm pull-ups, to VIN_3V3, for pins 25
and 26 (I2C_CLK and I2C_DATA).
6. CTS and RTS signals indicate it is clear to send or ready to send when they are
LOW. If signals are high, indicates device is not ready.
7. This pin is generally reserved for GainSpan use, but if a design requires to
OTP during production, then design must take into account connection to this
pin. Otherwise, it should be left as a No Connect.
8. In the Serial-to-WiFi firmware when using SPI interface this pin is the host
wake-up signal or the Ready to Send signal.
a. GPIO37 - when using SPI interface this pin is the host wake-up signal or
the Ready to Send signal.
37 JTAG_TDI VIN_3V3 Pull-up Digital Input JTAG Test Data In
38 JTAG_TMS VIN_3V3 Pull-up Digital Input JTAG Test Mode Select
39 JTAG_TRST_n VIN_3V3 Pull-down Digital Input JTAG Test Mode Rest
(Active Low)
40 GND 0V Not Applicable Analog Port Ground
Table 7 GS2100Mxx Module Pin Signal Description (Continued)
Pins Name Voltage
Domain
Internal Bias after
Hardware Reset
Drive
Strength
(mA)
Signal State Description

GS2100M Low Power WiFi Module Data Sheet Pin-out and Signal Description
GS2100Mxx Device Pin-out
GS2100M-DS-001212, Release 0.10 Confidential Preliminary 37
3.1.2 GS2100M Pin MUX Function
The GS2100M pins have multiple functions that can be selected using mux function by
software. Table 8, page 37 shows the various MUX functions for each pin. Each pin can be
independently configured. Table below shows the various mux functions for each pin. All
I/O pins are GPIO inputs at reset. For pins that are inputs to functional blocks only one pin
may be assigned to any input function. For example, UART1_RX may be assigned to
GPIO9 but not to both GPIO9 and GPIO37.
Table 8 GS2100M Pin MUX Description
Alternate Functions Available
Pin# Pin Name Internal
Pull
Resistor
mA Mux3 Mux4 Mux5 Mux7 Comments
1 GND
2 adc_sd_0p
3 adc_sd_0n
4 adc_sd_1p
5 adc_sd_1n
6 adc_sd_2p
7 adc_sd_2n
8NC
9NC
10 VRTC
11 ext_rtc_reset_n pull-up (u)
12 rtc_io_2 u/d 1 Alarm or wake
up pin
13 VPP Programming
voltage for OTP
memory
14 GND
15 VIN_3V3
16 gpio10/pwm0 pull-down (d) 4 pwm0 reserved reserved clk_rtc
17 gpio9/i2c_clk d 12 i2c_clk uart1_rx reserved i2s_lrclk
18 gpio8/i2c_data d 12 i2c_data uart1_tx reserved reserved
19 gpio32/sdio_dat2/uart1_tx d 4 sdio_data2 wuart_tx uart1_tx spi1_cs_n_12
20 gpio33/sdio_dat3/spi0_cs_n_0 u 4 sdio_data3 reserved uart1_rts spi0_cs_n_0
21 gpio34/sdio_cmd/spi0_din d 4 sdio_cmd reserved usart1_cts spi0_din
22 gpio35/sdio_clk/spi0_clk d 4 sdio_clk reserved i2c_clk spi0_clk Note: only 4mA
for i2C
23 gpio36/sdio_dat0_dout d 4 sdio_data0 reserved i2c_data spi0_dout
24 gpio37/sdio_dat1_int d 4 sdio_data1 wuart_rx uart1_rx spi0_cs_n_10
25 NC
26 NC
27 gpio1/uart0_tx d 4 uart0_tx wuart_tx pwm1 spi1_dout

Pin-out and Signal Description GS2100M Low Power WiFi Module Data Sheet
GS2100Mxx Device Pin-out
38 Confidential Preliminary GS2100M-DS-001212, Release 0.10
28 gpio25/uart0_rts d 12 uart0_rts wuart_rts reserved spi_1_clk
29 gpio0_uart0_rx d 4 uart0_rx wuart_rx pwm2 spi1_din
30 gpio24/uart0_cts d 12 uart0_cts wuart_cts reserved spi1_cs_n_0
31 gpio31/pwm2 d 16 pwm2 spi1_dout uart1_tx wuart_tx
32 gpio30/pwm1 d 16 pwm1 spi1_din uart1_rx wuart_rx
33 NC
34 gpio28/i2c_data d 12 i2c_data spi1_clk clk_hs_rc spi1_cs_n_21
35 jtag_tck
36 jtag_tdo
37 jtag_tdi
38 jtag_tms
39 jtag_trst_n
40 GND
Table 8 GS2100M Pin MUX Description (Continued)
Alternate Functions Available
Pin# Pin Name Internal
Pull
Resistor
mA Mux3 Mux4 Mux5 Mux7 Comments

GS2100M Low Power WiFi Module Data Sheet Pin-out and Signal Description
GS2100Mxx Device Pin-out
GS2100M-DS-001212, Release 0.10 Confidential Preliminary 39
3.1.3 GS2100M Program and Code Restore Options
Table 9, page 39 describes the options available for device program mode and code restore
capabilities. The respective GPIO pins are sampled at reset by device and depending on the
values seen on these pins goes into the appropriate mode. Code for the GS2100M resides
on the internal flash of the module and up to two back-up copies could be stored in flash.
If a software designer wants to restore the execution code to one of the backup copy, it can
be accomplished by asserting the appropriate GPIO pins as shown in the table below during
power up or reset.
Table 9 GS2100M Pin Program and Code Restore
Program Mode
(GPIO 31)
Program Select
(GPIO 25)
Code Restore
(GPIO 1)
Description
0 X 0 Normal boot
0 0 1 Factory Code Restore
0 1 1 Previous Code Restore
10 X
Program Mode for code load using
UART 0 interface @115.2Kbaud or
using SPI0 on SDIO pins (Default Mode
if you don’t pull the Program Select pin
high)
11 X
Program Mode for code load using
UART 0 interface @921.6Kbaud or
using SDIO interface.
Note: This option is targeted for a future
revision.

Pin-out and Signal Description GS2100M Low Power WiFi Module Data Sheet
GS2100Mxx Device Pin-out
40 Confidential Preliminary GS2100M-DS-001212, Release 0.10
- This page intentionally left blank -

GS2100M-DS-001212, Release 0.10 Confidential Preliminary 41
Chapter 4 Electrical Characteristics
This chapter describes the GainSpan® GS2100M electrical characteristics.
• Absolute Maximum Ratings, page 41
• Operating Conditions, page 42
• I/O DC Specifications, page 43
• Power Consumption (Estimate), page 44
• 802.11 Radio Parameters (Estimate), page 45
• Sigma Delta ADC Parameters, page 46
4.1 Absolute Maximum Ratings
Conditions beyond those cited in Table 10, page 41 may cause permanent damage to the
GS2100Mxx, and must be avoided. Sustained operation, beyond the normal operating
conditions, may affect the long term reliability of the module.
Note:
1. Reference domain voltage is the Voltage Domain per section GS2100Mxx
Module Pins Description. For limitations on state voltage ranges, please consult
section on GS2100Mxx Module Pins Description.
Table 10 Absolute Maximum Ratings
Parameter Symbol Minimum Typical Maximum Unit
Storage Temperature TST -55 +125 oC
RTC Power Supply VRTC -0.5 4.0 V
Single Supply Port VIN_3V3 0.5 3.3 4.0 V
OTP Supply VPP TBD V
Signal Pin Voltage1VI -0.3 Voltage Domain + 0.3 V

Electrical Characteristics GS2100M Low Power WiFi Module Data Sheet
Operating Conditions
42 Confidential Preliminary GS2100M-DS-001212, Release 0.10
4.2 Operating Conditions
Table 11, page 42 lists the operating conditions of the GS2100Mxx module.
Notes:
1. Reference domain voltage is the Voltage Domain per section GS2100Mxx
Module Pins Description.
2. The VPP pin should be left floating when not doing OTP programming
operations.
Table 11 Operating Conditions
Parameter Symbol Minimum Typical Maximum Unit
Extended
Temperature Range TA-40 +85 oC
RTC Power Supply VRTC 1.6 3.3 3.6 V
Single Supply Port
GS2100MIx VIN_3V3 3.0 3.3 3.6 V
Signal Pin Voltage1VI 0 Voltage Domain V
VPP2VPP 5.5 5.75 6.0 V

GS2100M Low Power WiFi Module Data Sheet Electrical Characteristics
I/O DC Specifications
GS2100M-DS-001212, Release 0.10 Confidential Preliminary 43
4.3 I/O DC Specifications
4.3.1 I/O Digital Specifications (Tri-State) Pin Types 4mA, 12mA, and 16mA
The specifications for these I/O’s are given over 3 different voltage ranges: 3.0V to 3.6V,
2.25V to 2.75V, and 1.7V to 1.98V.
4.3.1.1 I/O Digital Specifications for VDDIO=3.0V to 3.6V
Table 12, page 43 lists the parameters for I/O digital specification for VDDIO 3.0V to 3.6V
for Pin Types 4mA, 12mA, and 16mA.
Table 12 I/O Digital Parameters for VDDIO=3.0V to 3.6V
Parameter Symbol Minimum Typical Maximum Unit Note
I/O Supply Voltage VIN_3V3 3.0 3.3 3.6 V
Input Low Voltage VIL -0.3 0.8 V
Input High Voltage VIH 2.0 VIN_3V3 V
Schmitt trigger Low to
High threshold point VT+ 1.62 1.75 1.91 V
Schmitt trigger High to
Low threshold point VT- 1.16 1.29 1.45 V
Input Leakage Current IL10 μAPull up/down
disabled
Tri-State Output
Leakage Current IOZ 10 μAPull up/down
disabled
Pull-Up Resistor Ru34K 51K 81K Ω
Pull-Down Resistor Rd35K 51K 88K Ω
Output Low Voltage VOL 0.4 V
Output High Voltage VOH 2.4 V
Low Level Output
Current @ VOL max IOL
4.9
15.1
20.2
7.5
22.9
30.6
10.0
30.4
40.6
mA
Pin Type 4mA
Pint Type 12mA
Pint Type 16mA
High Level Output
Current @ VOH min IOH
7.0
20.9
27.8
14.0
42.0
56.0
24.2
72.3
96.3
mA
Pin Type 4mA
Pin Type 12mA
Pin Type 16mA
Output rise time 10%
to 90% load, 30pF tTRLH
3.18
1.83
1.52
4.26
2.43
2.01
6.00
3.51
2.92
ns
Pin Type 4mA
Pint Type 12mA
Pin Type 16mA
Output fall time 90% to
10% load, 30pF tTFHL
3.88
1.88
1.56
4.99
2.51
2.10
7.16
3.63
3.05
ns
Pin Type 4mA
Pin Type 12mA
Pin Type 16mA

Electrical Characteristics GS2100M Low Power WiFi Module Data Sheet
Power Consumption (Estimate)
44 Confidential Preliminary GS2100M-DS-001212, Release 0.10
4.3.2 RTC I/O Specifications
Table 13, page 44 lists the RTC I/O parameters.
*RTC I/O’s are software selectable as 1mA or 4mA drive strength.
4.4 Power Consumption (Estimate)
Table 14, page 44 lists the power consumption estimates for the GS2100Mxx. Typical
conditions are: VIN_3V3=VRTC=3.3V Temp=25oC.
Note:
1. To be optimized and updated with production version.
Table 13 RTC I/O Parameters
Parameter Symbol Minimum Typical Maximum Unit Note
Supply Voltage 1.6 3.6 V
Input Low
Voltage VIL 0.3*VDD V
Input High
Voltage VIH 0l7*VDD V
Input Leakage
Current IL0.1 μA
Pullup Current IPU 1μA
Pulldown
Current IPU 1μA
Output Low
Voltage VOL 0.4 V IL=1mA or
4mA*
Output High
Voltage VOHJ VDD-0.4 V IL=1mA or
4mA*
Table 14 Power Consumption in Different States
System State Current (Typical)1
Standby (VIN_3V3 ON) 50 μA
Deep Sleep (2 banks of SRAM enabled) TBD
WLAN Continuous Transmit (1 Mbps, 15 dBm) 220 mA
WLAN Continuous Receive (1 Mbps, -93 dBm sensitivity) 100 mA
IEEE 802.11 PS-Poll, DTIM = 1 (only WLAN enabled) TBD
IEEE 802.11 PS-Poll, DTIM=3 (only WLAN enabled) TBD

GS2100M Low Power WiFi Module Data Sheet Electrical Characteristics
802.11 Radio Parameters (Estimate)
GS2100M-DS-001212, Release 0.10 Confidential Preliminary 45
4.5 802.11 Radio Parameters (Estimate)
Table 15, page 45 lists the 802.11 Radio parameters (estimate). Test conditions are:
VIN_3V3=VRTC=3.3V Temp=25oC.
Table 15 802.11 Radio Parameters
Parameter Minimum Typical Maximum Unit Notes
RF Frequency Range 2412 2497 MHz
Radio bit rate 1 HT20
MCS7 Mbps
Transmit/Receive Specification for GS2100M
Output power
(average)
15
12
8
dBm
11b, 1Mbps, BPSK/DSSS
11n, MCS 0 (6.5 Mbps), BPSK/OFDM
11n, MCS 7 (72 Mbps),
64-QAM/OFDM
Spectrum Mask dBr Meets 802.11 requirement for selected
data rates
Receive Sensitivity at
antenna port
-93
-74
-71
dBm
11b, 1, Mbps, BPSK/DSSS
11g, 54 Mbps, 64-QAM/OFDM
11n, MCS 7 (72 Mbps),
64-QAM/OFDM

Electrical Characteristics GS2100M Low Power WiFi Module Data Sheet
Sigma Delta ADC Parameters
46 Confidential Preliminary GS2100M-DS-001212, Release 0.10
4.6 Sigma Delta ADC Parameters
Table 16, page 46 lists the Sigma Delta ADC parameters. Test conditions are:
VIN_3V3=VRTC=3.3V Temp=25oC.
Table 16 ADC Parameters
Parameter Minimum Typical Maximum Unit Notes
D/A DC Performance (see Note 1)
Resolution - 16 - Bits
Integral Non-Linearity
(INL) --
+2 LSB
Differential
Non-Linearity (DNL) --
+1 LSB
Full Scale 2.4 0 V see Note 2
Output common-mode
level VIN_3V3/2
Gain Error - - +5 % see Note 2
Offset - - +20 mV
D/A Dynamic Performance
Data Rate 32 - 80 KHz
Clock Frequency 8 - 20 MHz see Note 3
Signal to Noise Ratio
(SNR) 80 86 - dB see Note 4
Total Harmonic
Distortions (THD) - -70 dB
Output load 10 KΩ
Output load 30 pF
Preamplifier Performance
Gain Range 6 24 dB see Note 5
Gain Error +0.5 dB
Output Level 2.0 V
Input common-mode
level VIN_3V3/2
Input impedance
(differential)
Gain=6dB
Gain=12dB
Gain=18dB
Gain=24dB
80
40
20
10
KΩ
Signal to Noise Ratio
(SNR) 80 86 dB see Note 4

GS2100M Low Power WiFi Module Data Sheet Electrical Characteristics
Sigma Delta ADC Parameters
GS2100M-DS-001212, Release 0.10 Confidential Preliminary 47
Notes:
1. The D/A output is fully differential. The Analog power supply is 3.3V +/-
10%.
2. Full scale (FS) can be trimmed in the reference generator. The gain error
specified is on top of the reference level error.
3. The master clock frequency is always 250 times higher than data clock rate.
4. Assumes a -1 dB full scale input and corrected for full scale. Fin can be from 0
to 10KHz. The SNR is met for all master clock frequencies.
Total Harmonic
Distortion (THD) -70 dB
A/D DC Performance
Resolution 16 Bits
Integral Non-Linearity
Error (INL) +2 LSB
Differential
Non-Linearity Error
(DNL)
+1 LSB
Full Scale 2.0 V
Input common-mode
level VIN_3V3/2
Gain Error +3 %
Offset +10 LSB
A/D Dynamic Performance
Data Rate 32 80 KHz
Clock Frequency 8 20 MHz see Note 3
Signal-to-Noise Ratio
(SNR) 80 84 dB see Note 4
Total Harmonic
Distortion (THD) -70 dB see Note 4
Input Resistance 100 KΩ
Table 16 ADC Parameters (Continued)
Parameter Minimum Typical Maximum Unit Notes

Electrical Characteristics GS2100M Low Power WiFi Module Data Sheet
Sigma Delta ADC Parameters
48 Confidential Preliminary GS2100M-DS-001212, Release 0.10
- This page intentionally left blank -

GS2100M-DS-001212, Release 0.10 Confidential Preliminary 49
Chapter 5 Package and Layout Guidelines
This chapter describes the GainSpan® GS2100M package and layout guidelines.
• GS2100Mxx Recommended PCB Footprint and Dimensions, page 49
5.1 GS2100Mxx Recommended PCB Footprint and Dimensions
Figure 4, page 49 shows the GS2100MIx Module PCB Footprint. Figure 5, page 50 shows
the GS2100MIx Module Dimensions.
Figure 4 GS2100MIx Module Recommended PCB Footprint (in inches)

Package and Layout Guidelines GS2100M Low Power WiFi Module Data Sheet
GS2100Mxx Recommended PCB Footprint and Dimensions
50 Confidential Preliminary GS2100M-DS-001212, Release 0.10
Figure 5 GS2100MIx Module Dimensions (in inches)
Notes:
1. All Dimensions are in millimeters (mm). Tolerances are as specified.
2. Absolutely no metal trace or ground layer underneath this area. If using PCB
antenna, it is recommended to have only air under this area. Hang antenna over
edge of base board or cut notch in base board.
3. It is recommended not to run circuit traces underneath the module especially
near these holes. The RF shield mounting holes are grounded. If traces must be
routed under the GS2100Mxx, it is recommended that extra thick solder mask (5
mils) be used to prevent shorting. High speed signals should be kept as far as
possible from the antenna and RF areas of the GS2100Mxx.
In additional to the guidelines, note the following suggestions:
1. External Bypass capacitors for all module supplies should be as close as
possible to the module pins.
2. Never place the antenna very close to metallic objects.
3. External monopole antennas need a reasonable ground plane area for antenna
efficiency.
4. Do not use a metallic or metalized plastic for the end product enclosure when
using on-board antenna.
5. If the module is enclosed in a plastic case, have reasonable clearance from
plastic case to on-board antenna.

GS2100M Low Power WiFi Module Data Sheet Package and Layout Guidelines
GS2100Mxx Recommended PCB Footprint and
GS2100M-DS-001212, Release 0.10 Confidential Preliminary 51
5.1.1 Surface Mount Assembly
The reflow profile is shown in Figure 6, page 51. The recommended reflow parameters are
summarized in Table 17, page 51.
Figure 6 Reflow Temperature Profile
Note:
1. Perform adequate test in advance as the reflow temperature profile will vary
according to the conditions of the parts and boards, and the specifications of the
reflow furnace.
2. Max number of reflow supported are two.
3. Be careful about rapid temperature rise in preheat zone as it may cause
excessive slumping of the solder paste.
4. If the preheat is insufficient, rather large solder balls tend to be generated.
Conversely, if performed excessively, fine balls and large balls will generate in
clusters at a time.
Table 17 Recommended Reflow Parameters
PreHeat
Temperature Ramp up rate for (A)21.5~3.5 oC/s
Pre-heat time (B)380 to 130 seconds
Pre-heat ending temperature (C)4
Heating5
Peak Temperature range (D) 240 to 250 oC
Melting time that is the time over 220 oC (E) 50 to 75 seconds
Cool Down Ramp (F) >2 oC/s

Package and Layout Guidelines GS2100M Low Power WiFi Module Data Sheet
GS2100Mxx Recommended PCB Footprint and Dimensions
52 Confidential Preliminary GS2100M-DS-001212, Release 0.10
5. If the temperature is too low, non-melting tends to be caused in the area with
large heat capacity after reflow.
6. Be careful about sudden rise in temperature as it may worsen the slump of
solder paste.
7. Be careful about slow cooling as it may cause the positional shift of parts and
decline in joining at times.
8. A no clean flux should be used during SMT process.
Note: The modules are shipped in sealed trays with the following conditions (see
Figure 7, page 52).
Figure 7 Module Moisture Conditions