Galil Dmc 1700 Users Manual 1800_Cur
DMC-1800 to the manual f2a021da-f370-4003-abdd-d2e11afaf66c
2015-02-09
: Galil Galil-Dmc-1700-Users-Manual-559064 galil-dmc-1700-users-manual-559064 galil pdf
Open the PDF directly: View PDF
.
Page Count: 253 [warning: Documents this large are best viewed by clicking the View PDF Link!]
- USER MANUAL
- Contents
- Chapter 1 Overview
- Chapter 2 Getting Started
- The DMC-17x0 and DMC-18x0 Motion Controllers
- Elements You Need
- Installing the DMC-1700/1800
- Step 1. Determine Overall Motor Configuration
- Step 2. Install Jumpers on the DMC-1700/1800
- Step 3. Install the Communications Software
- Step 4. Install the DMC-1700/1800 in the PC
- Step 5. Establishing Communication between the Galil controller and the host PC
- Step 6. Determine the Axes to be Used for Sinusoidal Commutation
- Step 7. Make Connections to Amplifier and Encoder.
- Step 8a. Connect Standard Servo Motors
- Step 8b. Connect Sinusoidal Commutation Motors
- Step 8C. Connect Step Motors
- Step 9. Tune the Servo System
- Design Examples
- Example 1 - System Set-up
- Example 2 - Profiled Move
- Example 3 - Multiple Axes
- Example 4 - Independent Moves
- Example 5 - Position Interrogation
- Example 6 - Absolute Position
- Example 7 - Velocity Control
- Example 8 - Operation Under Torque Limit
- Example 9 - Interrogation
- Example 10 - Operation in the Buffer Mode
- Example 11 - Using the On-Board Editor
- Example 12 - Motion Programs with Loops
- Example 13 - Motion Programs with Trippoints
- Example 14 - Control Variables
- Example 15 - Linear Interpolation
- Example 16 - Circular Interpolation
- Chapter 3 Connecting Hardware
- Chapter 4 - Software Tools and Communications
- Introduction
- Galil SmartTERM
- Communication Settings for ISA and PCI
- Windows Servo Design Kit (WSDK)
- Creating Custom Software Interfaces
- DOS, Linux, and QNX tools
- Controller Event Interrupts and User Interrupts
- Hardware Level Communications for ISA and PCI
- Communications with the DMC-1700
- Communication with DMC-1700
- Read Procedure-To receive data from the DMC-1700, read the control register at address N+1 and check bit 5. If bit 5 is zero, the DMC-1700 has data to be read in the READ register at address N. Bit 5 must be checked for every character read.
- Write Procedure-To send data to the DMC-1700, read the control register at address N+1 and check bit 6. If bit 6 is zero, the DMC-1700 FIFO buffer is not full and 1 character may be written to the register at address N. If bit 6 is one, the buffer is full and no additional data should be written. Bit 6 of N+1 must be checked before every character is written to address N.
- Clearing FIFO Buffer-Clearing the FIFO is useful for emergency resets or Abort. For example, to reset the controller, clear the FIFO, then send the RS command to the controller. All data on the FIFO, including data from the DMC-1700, will then be cleared.
- Polling FIFO Mode Read Procedure:
- Communication with DMC-1800
- DMA / Secondary FIFO / DPRAM Memory Map
- Chapter 5 Command Basics
- Chapter 6 Programming Motion
- Overview
- Independent Axis Positioning
- Independent Jogging
- Position Tracking
- Linear Interpolation Mode
- Vector Mode: Linear and Circular Interpolation Motion
- Electronic Gearing
- Ramped Gearing
- Electronic Cam
- Contour Mode
- Stepper Motor Operation
- Stepper Position Maintenance Mode (SPM)
- Dual Loop (Auxiliary Encoder)
- Motion Smoothing
- Homing
- High Speed Position Capture (The Latch Function)
- Fast Update Rate Mode
- Chapter 7 Application Programming
- Overview
- Using the DMC-1700/1800 Editor to Enter Programs
- Program Format
- Executing Programs - Multitasking
- Debugging Programs
- Program Flow Commands
- Event Triggers & Trippoints
- Event Trigger Examples:
- Event Trigger - Multiple Move Sequence
- Event Trigger - Set Output after Distance
- Event Trigger - Repetitive Position Trigger
- Event Trigger - Start Motion on Input
- Event Trigger - Set output when At speed
- Event Trigger - Change Speed along Vector Path
- Event Trigger - Multiple Move with Wait
- Define Output Waveform Using AT
- Conditional Jumps
- Using If, Else, and Endif Commands
- Subroutines
- Stack Manipulation
- Auto-Start Routine
- Automatic Subroutines for Monitoring Conditions
- Mathematical and Functional Expressions
- Variables
- Operands
- Arrays
- Input of Data (Numeric and String)
- Output of Data (Numeric and String)
- Hardware I/O
- Example Applications
- Chapter 8 Hardware & Software Protection
- Chapter 9 Troubleshooting
- Chapter 10 Theory of Operation
- Appendices
- Electrical Specifications
- Performance Specifications
- Connectors for DMC-1700/1800 Main Board
- Pin-Out Description for DMC-1700/1800
- Setting Addresses for the DMC-1700
- Accessories and Options
- PC/AT Interrupts and Their Vectors
- ICM-1900 Interconnect Module
- ICM-1900 Drawing
- AMP-19X0 Mating Power Amplifiers
- ICM-2900 Interconnect Module
- Opto-Isolated Outputs ICM-1900 / ICM-2900 (-Opto option)
- 64 Extended I/O of the DMC-17x8/1700/1800 Controller
- IOM-1964 Opto-Isolation Module for Extended I/O Controllers
- Coordinated Motion - Mathematical Analysis
- DMC-1700/DMC-1000 Comparison
- List of Other Publications
- Training Seminars
- Contacting Us
- WARRANTY
- Index

USER MANUAL
DMC-1700/1800
Manual Rev. 1.2m
By Galil Motion Control, Inc.
Galil Motion Control, Inc.
3750 Atherton Road
Rocklin, California 95765
Phone: (916) 626-0101
Fax: (916) 626-0102
Internet Address: support@galilmc.com
URL: www.galilmc.com
Rev Date: 6/06

Using This Manual
This user manual provides information for proper operation of the DMC-1700 or DMC-1800
controller. The appendix to this manual contains information regarding the accessories to these
controllers. A separate supplemental manual, the Command Reference, contains a description of the
commands available for use with the controller.
Your motion controller has been designed to work with both servo and stepper type motors.
Installation and system setup will vary depending upon whether the controller will be used with
stepper motors or servo motors. To make finding the appropriate instructions faster and easier, icons
will be next to any information that applies exclusively to one type of system. Otherwise, assume that
the instructions apply to all types of systems. The icon legend is shown below.
Attention: Pertains to servo motor use.
Attention: Pertains to stepper motor use.
1X80 Attention: Pertains to controllers with more than 4 axes.
Please note that many examples are written for the DMC-1740 and DMC-1840 four-axes controller or
the DMC-1780 and DMC-1880 eight axes controller. Users of the DMC-1730/1830 3-axis controller,
DMC-1720/1820 2-axes controller, or DMC-1710/1810 1-axis controller should note that the DMC-
1730/1830 uses the axes denoted as XYZ, the DMC-1720/1820 uses the axes denoted as XY, and the
DMC-1710/1810 uses the X-axis only.
Examples for the DMC-1780/1880 denote the axes as A,B,C,D,E,F,G,H. Users of the DMC-
1750/1850 5-axes controller, DMC-1760/1860 6-axes controller, or DMC-1770/1870 7-axes controller
should note that the DMC-1750/1850 denotes the axes as A,B,C,D and E, the DMC-1760/1860 denotes
the axes as A,B,C,D,E and F, and the DMC-1770/1870 denotes the axes as A,B,C,D,E,F and G. The
axes A,B,C,D may be used interchangeably with X,Y,Z,W for any of the DMC1700 or DMC-1800
regardless of the number of axes.
This manual was written for the DMC-1700 firmware revision 1.1 and later and all DMC-1800
firmware revisions. For a DMC-1700 controller with firmware previous to revision 1.1, please consult
the original manual for your hardware.
17X8 Attention: Pertains to a DMC-1700 1 thru 4-axes controllers with an additional 64 I/O points.
WARNING: Machinery in motion can be dangerous! It is the responsibility of the user to design
effective error handling and safety protection as part of the machine. Galil shall not be liable or
responsible for any incidental or consequential damages.

DMC-1700/1800 Contents • i
Contents
Contents i
Chapter 1 Overview 1
Introduction ...............................................................................................................................1
Overview of Motor Types..........................................................................................................2
Standard Servo Motor with +/- 10 Volt Command Signal ..........................................2
Brushless Servo Motor with Sinusoidal Commutation................................................ 2
Stepper Motor with Step and Direction Signals ..........................................................2
DMC-1700/1800 Functional Elements ......................................................................................2
Microcomputer Section ............................................................................................... 3
Motor Interface............................................................................................................ 3
Communication ...........................................................................................................3
General I/O..................................................................................................................3
System Elements .........................................................................................................4
Motor...........................................................................................................................4
Amplifier (Driver) .......................................................................................................4
Encoder........................................................................................................................4
Watch Dog Timer........................................................................................................5
Chapter 2 Getting Started 7
The DMC-17x0 and DMC-18x0 Motion Controllers ................................................................7
Elements You Need ................................................................................................................... 9
Installing the DMC-1700/1800................................................................................................10
Step 1. Determine Overall Motor Configuration.......................................................10
Step 2. Install Jumpers on the DMC-1700/1800........................................................11
Step 3. Install the Communications Software............................................................13
Step 4. Install the DMC-1700/1800 in the PC...........................................................14
Step 5. Establishing Communication between the Galil controller and the host PC .14
Step 6. Determine the Axes to be Used for Sinusoidal Commutation.......................24
Step 7. Make Connections to Amplifier and Encoder. ..............................................25
Step 8a. Connect Standard Servo Motors..................................................................27
Step 8b. Connect Sinusoidal Commutation Motors...................................................31
Step 8C. Connect Step Motors .................................................................................. 33
Step 9. Tune the Servo System..................................................................................34
Design Examples .....................................................................................................................35
Example 1 - System Set-up ....................................................................................... 35
Example 2 - Profiled Move .......................................................................................35
Example 3 - Multiple Axes........................................................................................36
Example 4 - Independent Moves............................................................................... 36
Example 5 - Position Interrogation............................................................................ 36

ii • Contents DMC-1700/1800
Example 6 - Absolute Position ..................................................................................37
Example 7 - Velocity Control....................................................................................37
Example 8 - Operation Under Torque Limit .............................................................37
Example 9 - Interrogation.......................................................................................... 38
Example 10 - Operation in the Buffer Mode ............................................................. 38
Example 11 - Using the On-Board Editor ................................................................. 38
Example 12 - Motion Programs with Loops..............................................................39
Example 13 - Motion Programs with Trippoints.......................................................39
Example 14 - Control Variables ................................................................................39
Example 15 - Linear Interpolation.............................................................................40
Example 16 - Circular Interpolation.......................................................................... 40
Chapter 3 Connecting Hardware 43
Overview .................................................................................................................................43
Using Optoisolated Inputs .......................................................................................................43
Limit Switch Input.....................................................................................................43
Home Switch Input.................................................................................................... 44
Abort Input ................................................................................................................44
Uncommitted Digital Inputs ...................................................................................... 45
Wiring the Optoisolated Inputs................................................................................................45
Using an Isolated Power Supply................................................................................46
Bypassing the Opto-Isolation: ...................................................................................47
Analog Inputs ..........................................................................................................................47
Amplifier Interface ..................................................................................................................47
TTL Inputs............................................................................................................................... 48
TTL Outputs ............................................................................................................................48
Chapter 4 - Software Tools and Communications 51
Introduction .............................................................................................................................51
Galil SmartTERM.................................................................................................................... 53
Communication Settings for ISA and PCI...............................................................................57
Windows Servo Design Kit (WSDK)...................................................................................... 61
Creating Custom Software Interfaces ......................................................................................62
DOS, Linux, and QNX tools....................................................................................................65
Controller Event Interrupts and User Interrupts ......................................................................65
Hardware Level Communications for ISA and PCI ................................................................ 67
Communications with the DMC-1700.......................................................................67
Communication with DMC-1700............................................................................... 68
Communication with DMC-1800............................................................................... 71
DMA / Secondary FIFO / DPRAM Memory Map ..................................................................73
Explanation of Status Information and Axis Switch Information..............................76
Chapter 5 Command Basics 79
Introduction .............................................................................................................................79
Command Syntax - ASCII.......................................................................................................79
Coordinated Motion with more than 1 axis ...............................................................80
Command Syntax - Binary ......................................................................................................80
Binary Command Format .......................................................................................... 81
Binary command table...............................................................................................82
Controller Response to DATA ................................................................................................83
Interrogating the Controller .....................................................................................................83
Interrogation Commands........................................................................................... 83
Summary of Interrogation Commands ...................................................................... 83
Interrogating Current Commanded Values................................................................84

DMC-1700/1800 Contents • iii
Operands....................................................................................................................84
Command Summary..................................................................................................84
Chapter 6 Programming Motion 85
Overview .................................................................................................................................85
Independent Axis Positioning.................................................................................................. 87
Command Summary - Independent Axis ..................................................................87
Operand Summary - Independent Axis .....................................................................87
Independent Jogging................................................................................................................89
Command Summary - Jogging..................................................................................89
Operand Summary - Independent Axis .....................................................................90
Position Tracking.....................................................................................................................90
Example - Motion 2:.................................................................................................. 92
Example Motion 4 ..................................................................................................... 93
Trip Points ................................................................................................................. 94
Command Summary – Position Tracking Mode .......................................................95
Linear Interpolation Mode.......................................................................................................95
Specifying Linear Segments......................................................................................95
Command Summary - Linear Interpolation...............................................................97
Operand Summary - Linear Interpolation..................................................................97
Example - Linear Move............................................................................................. 98
Example - Multiple Moves........................................................................................99
Vector Mode: Linear and Circular Interpolation Motion.......................................................100
Specifying the Coordinate Plane ............................................................................. 100
Specifying Vector Segments ...................................................................................100
Additional commands.............................................................................................. 101
Command Summary - Coordinated Motion Sequence ............................................ 103
Operand Summary - Coordinated Motion Sequence............................................... 103
Electronic Gearing .................................................................................................................104
Ramped Gearing .................................................................................................................... 105
Example – Electronic Gearing Over a Specified Interval........................................ 106
Command Summary - Electronic Gearing ..............................................................107
Example - Simple Master Slave ..............................................................................107
Example - Electronic Gearing ................................................................................. 107
Example - Gantry Mode .......................................................................................... 107
Example - Synchronize two conveyor belts with trapezoidal velocity correction... 108
Electronic Cam ......................................................................................................................108
Command Summary - Electronic CAM ..................................................................111
Operand Summary - Electronic CAM ..................................................................... 112
Example - Electronic CAM..................................................................................... 112
Contour Mode........................................................................................................................ 113
Specifying Contour Segments ................................................................................. 113
Additional Commands.............................................................................................114
Command Summary - Contour Mode .....................................................................115
Stepper Motor Operation .......................................................................................................119
Specifying Stepper Motor Operation.......................................................................119
Using an Encoder with Stepper Motors................................................................... 120
Command Summary - Stepper Motor Operation..................................................... 120
Operand Summary - Stepper Motor Operation........................................................120
Stepper Position Maintenance Mode (SPM).......................................................................... 121
Error Limit............................................................................................................... 121
Correction................................................................................................................122
Dual Loop (Auxiliary Encoder).............................................................................................125
Backlash Compensation ..........................................................................................126
Motion Smoothing................................................................................................................. 127

iv • Contents DMC-1700/1800
Using the IT and VT Commands:............................................................................127
Using the KS Command (Step Motor Smoothing):................................................. 128
Homing ..................................................................................................................................129
Stage 1:.................................................................................................................... 129
Stage 2:.................................................................................................................... 129
Stage 3:.................................................................................................................... 129
Command Summary - Homing Operation............................................................... 132
Operand Summary - Homing Operation..................................................................132
High Speed Position Capture (The Latch Function).............................................................. 132
Fast Update Rate Mode .........................................................................................................133
Chapter 7 Application Programming 135
Overview ...............................................................................................................................135
Using the DMC-1700/1800 Editor to Enter Programs........................................................... 135
Edit Mode Commands............................................................................................. 136
Program Format..................................................................................................................... 136
Using Labels in Programs .......................................................................................136
Special Labels..........................................................................................................137
Commenting Programs............................................................................................ 137
Executing Programs - Multitasking .......................................................................................138
Debugging Programs .............................................................................................................139
Program Flow Commands ..................................................................................................... 140
Event Triggers & Trippoints....................................................................................141
Event Trigger Examples:......................................................................................... 143
Conditional Jumps................................................................................................... 145
Using If, Else, and Endif Commands ...................................................................... 147
Subroutines.............................................................................................................. 149
Stack Manipulation..................................................................................................149
Auto-Start Routine ..................................................................................................149
Automatic Subroutines for Monitoring Conditions................................................. 149
Mathematical and Functional Expressions ............................................................................153
Mathematical Operators ..........................................................................................153
Bit-Wise Operators..................................................................................................153
Functions ................................................................................................................. 154
Variables................................................................................................................................ 155
Programmable Variables .........................................................................................155
Operands................................................................................................................................156
Special Operands (Keywords)................................................................................. 157
Arrays ....................................................................................................................................157
Defining Arrays....................................................................................................... 157
Assignment of Array Entries ...................................................................................158
Automatic Data Capture into Arrays....................................................................... 159
Deallocating Array Space........................................................................................ 160
Input of Data (Numeric and String)....................................................................................... 160
Input of Data............................................................................................................ 160
Output of Data (Numeric and String) ....................................................................................161
Sending Messages ................................................................................................... 161
Displaying Variables and Arrays............................................................................. 163
Interrogation Commands......................................................................................... 163
Formatting Variables and Array Elements .............................................................. 165
Converting to User Units......................................................................................... 165
Hardware I/O .........................................................................................................................166
Digital Outputs ........................................................................................................166
Digital Inputs........................................................................................................... 167
Input Interrupt Function ..........................................................................................167

DMC-1700/1800 Contents • v
Analog Inputs .......................................................................................................... 168
Example Applications............................................................................................................169
Wire Cutter.............................................................................................................. 169
X-Y Table Controller ..............................................................................................170
Speed Control by Joystick....................................................................................... 172
Position Control by Joystick.................................................................................... 174
Backlash Compensation by Sampled Dual-Loop ....................................................174
Chapter 8 Hardware & Software Protection 177
Introduction ...........................................................................................................................177
Hardware Protection .............................................................................................................. 177
Output Protection Lines........................................................................................... 177
Input Protection Lines .............................................................................................177
Software Protection ...............................................................................................................178
Programmable Position Limits ................................................................................178
Off-On-Error ...........................................................................................................179
Automatic Error Routine ......................................................................................... 179
Limit Switch Routine .............................................................................................. 179
Chapter 9 Troubleshooting 181
Overview ...............................................................................................................................181
Installation ............................................................................................................................. 181
Communication......................................................................................................................182
Stability.................................................................................................................................. 182
Operation ...............................................................................................................................183
Chapter 10 Theory of Operation 185
Overview ...............................................................................................................................185
Operation of Closed-Loop Systems.......................................................................................187
System Modeling................................................................................................................... 188
Motor-Amplifier......................................................................................................189
Encoder....................................................................................................................191
DAC ........................................................................................................................192
Digital Filter ............................................................................................................192
ZOH.........................................................................................................................193
System Analysis.....................................................................................................................193
System Design and Compensation.........................................................................................195
The Analytical Method............................................................................................195
Appendices 199
Electrical Specifications ........................................................................................................199
Servo Control ..........................................................................................................199
Stepper Control........................................................................................................ 199
Input/Output ............................................................................................................199
Power....................................................................................................................... 200
Performance Specifications ...................................................................................................200
Connectors for DMC-1700/1800 Main Board ....................................................................... 201
Pin-Out Description for DMC-1700/1800 ............................................................................. 203
Setting Addresses for the DMC-1700.................................................................................... 206
Standard Addresses ................................................................................................. 206
Plug and Play Addresses .........................................................................................209
Accessories and Options........................................................................................................210
PC/AT Interrupts and Their Vectors...................................................................................... 211

vi • Contents DMC-1700/1800
ICM-1900 Interconnect Module ............................................................................................ 211
ICM-1900 Drawing ...............................................................................................................215
AMP-19X0 Mating Power Amplifiers................................................................................... 215
ICM-2900 Interconnect Module ............................................................................................ 216
Opto-Isolated Outputs ICM-1900 / ICM-2900 (-Opto option) ..............................................219
Standard Opto-isolation and High Current Opto-isolation:..................................... 219
64 Extended I/O of the DMC-17x8/1700/1800 Controller.................................................... 219
Configuring the I/O of the DMC-17x8 (and DMC-1750 to DMC-1780 & DMC-
1810 to 1880, with DB-14064)................................................................................ 219
Configuring the 64 Extended I/O of the DMC-1750 to 1780 and 1850 to 1880 using
the DB-14064 ..........................................................................................................221
Connector Description:............................................................................................ 221
IOM-1964 Opto-Isolation Module for Extended I/O Controllers.......................................... 224
Description: .............................................................................................................224
Overview .................................................................................................................225
Configuring Hardware Banks..................................................................................226
Digital Inputs........................................................................................................... 227
High Power Digital Outputs .................................................................................... 229
Standard Digital Outputs .........................................................................................230
Electrical Specifications ..........................................................................................231
Relevant DMC Commands...................................................................................... 232
Screw Terminal Listing ........................................................................................... 232
Coordinated Motion - Mathematical Analysis.......................................................................234
DMC-1700/DMC-1000 Comparison.....................................................................................237
List of Other Publications......................................................................................................238
Training Seminars.................................................................................................................. 239
Contacting Us ........................................................................................................................240
WARRANTY ........................................................................................................................240
Index 241

DMC-1700/1800 Chapter 1 Overview • 1
Chapter 1 Overview
Introduction
The DMC-1700 series motion control cards install directly into the ISA bus while the DMC-1800 series motion
controllers install directly into a PCI slot. These controller series offers many enhanced features including high-
speed communications, non-volatile program memory, faster encoder speeds, and improved cabling for EMI
reduction.
The DMC-1700/1800 provides two channels for high speed communication. Both controllers use a high speed main
FIFO for sending and receiving commands. Additionally, the DMC-1700 provides a DMA channel which places a
data record directly into PC memory or a secondary polling FIFO for instant access to controller status and
parameters. The DMC-1800 provides either Dual Port RAM (DPRAM) or a secondary polling FIFO for instant
access to controller status and parameters. The controllers allow for high-speed servo control up to 12 million
encoder counts/sec and step motor control up to 3 million steps per second. Sample rates as low as 62.5μsec per
axis are available.
A 4 meg Flash EEPROM provides non-volatile memory for storing application programs, parameters, arrays, and
firmware. New firmware revisions are easily upgraded in the field without removing the controller from the PC.
The DMC-1700 is available with up to eight axes on a single ISA card. The DMC-1710, 1720, 1730, 1740 one thru
four axes controllers are on a single 10.25” x 4.8” card and the DMC-1750, 1760, 1770, 1780 five thru eight axes
controllers are on a single 13.25” x 4.8” card.
The DMC-1800 is available from one to eight axes on a single PCI card. The DMC-1810, 1820, 1830, 1840,
covering from one to four axes, are on a single 8.2” x 4.2” card and the DMC-1850, 1860, 1870, 1880 five thru eight
axes controllers are on a single 12.28” x 4.2” card.
Designed to solve complex motion problems, the DMC-1700/1800 can be used for applications involving jogging,
point-to-point positioning, vector positioning, electronic gearing, multiple move sequences and contouring. The
controller eliminates jerk by programmable acceleration and deceleration with profile smoothing. For smooth
following of complex contours, the DMC-1700/1800 provides continuous vector feed of an infinite number of linear
and arc segments. The controller also features electronic gearing with multiple master axes as well as gantry mode
operation.
For synchronization with outside events, the DMC-1700 and DMC-1800 provide uncommitted I/O, including 8
digital inputs (24 inputs for DMC-1750 thru DMC-1780 and DMC-1850 thru DMC-1880), 8 digital outputs (16
outputs for DMC-1750 thru DMC-1780 and DMC-1850 thru DMC-1880), and 8 analog inputs for interface to
joysticks, sensors, and pressure transducers. The DMC-1718, 1728, 1738, and 1748 controllers are also available
for an additional 64 I/O. Dedicated optoisolated inputs are provided on all DMC-1700/1800 controllers for forward
and reverse limits, abort, home, and definable input interrupts. The DMC-1800 has plug and play capabilities to ease
the setup process. Commands can be sent in either Binary or ASCII. Additional software is available to autotune,
view trajectories on a PC screen, translate CAD.DXF files into motion, and create powerful, application-specific
operator interfaces with Visual Basic. Drivers for WIN98SE, ME, NT4.0, 2000 and XP are available.

2 • Chapter 1 Overview DMC-1700/1800
Overview of Motor Types
The DMC-1700/1800 can provide the following types of motor control:
1. Standard servo motors with +/- 10 volt command signals
2. Brushless servo motors with sinusoidal commutation
3. Step motors with step and direction signals
4. Other actuators such as hydraulics - For more information, contact Galil.
The user can configure each axis for any combination of motor types, providing maximum flexibility.
Standard Servo Motor with +/- 10 Volt Command Signal
The DMC-1700/1800 achieves superior precision through use of a 16-bit motor command output DAC and a
sophisticated PID filter that features velocity and acceleration feedforward, an extra pole filter, and integration
limits.
The controller is configured by the factory for standard servo motor operation. In this configuration, the controller
provides an analog signal (+/- 10Volt) to connect to a servo amplifier. This connection is described in Chapter 2.
Brushless Servo Motor with Sinusoidal Commutation
The DMC-1700/1800 can provide sinusoidal commutation for brushless motors (BLM). In this configuration, the
controller generates two sinusoidal signals for connection with amplifiers specifically designed for this purpose.
Note: The task of generating sinusoidal commutation may be accomplished in the brushless motor amplifier. If the
amplifier generates the sinusoidal commutation signals, only a single command signal is required and the controller
should be configured for a standard servo motor (described above).
Sinusoidal commutation in the controller can be used with linear and rotary BLMs. However, the motor velocity
should be limited such that a magnetic cycle lasts at least 6 milliseconds*. For faster motors, please contact the
factory.
To simplify the wiring, the controller provides a one-time, automatic set-up procedure. The parameters determined
by this procedure can then be saved in non-volatile memory to be used whenever the system is powered on.
The DMC-1700/1800 can control BLMs equipped with or without Hall sensors. If hall sensors are available, once
the controller has been setup, the controller will automatically estimates the commutation phase upon reset. This
allows the motor to function immediately upon power up. The hall effect sensors also provides a method for setting
the precise commutation phase. Chapter 2 describes the proper connection and procedure for using sinusoidal
commutation of brushless motors.
* 6 Milliseconds per magnetic cycle assumes a servo update of 1 msec (default rate).
Stepper Motor with Step and Direction Signals
The DMC-1700/1800 can control stepper motors. In this mode, the controller provides two signals to connect to the
stepper motor: Step and Direction. For stepper motor operation, the controller does not require an encoder and
operates the stepper motor in an open loop fashion. Chapter 2 describes the proper connection and procedure for
using stepper motors.
DMC-1700/1800 Functional Elements
The DMC-1700/1800 circuitry can be divided into the following functional groups as shown in Figure 1.1 and
discussed below.

DMC-1700/1800 Chapter 1 Overview • 3
WATCHDOG TIMER
68331
MICROCOMPUTER
WITH
4 Meg RAM
4 Meg FLASH EEPROM
HIGH-SPEED
MOTOR/ENCODER
INTERFACE
FOR
X,Y,Z,W, etc.
I/O INTERFACE
DMA/DPRAM
2ND FIFO
Primary
FIFOS
ISA/PCI BUS
8 UNCOMMITTED
ANALOG INPUTS
HIGH-SPEED LATCH FOR EACH AXIS
8 PROGRAMMABLE,
OPTOISOLATED
INPUTS
8 PROGRAMMABLE
OUTPUTS
ISOLATED LIMITS AND
HOME INPUTS
MAIN ENCODERS
AUXILIARY ENCODERS
+/- 10 VOLT OUTPUT FOR
SERVO MOTORS
PULSE/DIRECTION OUTPUT
FOR STEP MOTORS
HIGH SPEED ENCODER
COMPARE OUTPUT
Interrupts
Figure 1.1 - DMC-1700/1800 Functional Elements
Microcomputer Section
The main processing unit of the controller is a specialized 32-bit Motorola 68331 Series Microcomputer with 512K
byte RAM and 512K byte Flash EEPROM. The RAM provides memory for variables, array elements, and
application programs. The flash EEPROM provides non-volatile storage of variables, programs, and arrays. The
Flash also contains the firmware of the controller, which is field upgradeable.
Motor Interface
Galil’s GL-1800 custom, sub-micron gate array performs quadrature decoding of each encoder at up to 12 MHz.
For standard servo operation, the controller generates a +/-10 Volt analog signal (16 Bit DAC). For sinusoidal
commutation operation, the controller uses 2 DACs to generate 2 +/-10Volt analog signals. For stepper motor
operation the controller generates a step and direction signal.
Communication
The communication interface with the host PC contains a primary and secondary communication channel. The
primary channel uses a bi-directional FIFO and includes PC interrupt handling circuitry. The secondary channel can
be set as DMA or DPRAM where data is placed in PC memory or as a Polling FIFO where data is placed into the
controller’s FIFO buffer. The DMA is available on the DMC-1700 and, DPRAM is only available on the DMC-
1800 (1810-1840 Rev H and greater, DMC-1850-1880 Rev E and greater), whereas the Polling FIFO is available on
both the DMC-1700 and DMC-1800.
General I/O
The controller provides interface circuitry for 8 bi-directional, optoisolated inputs, 8 TTL outputs, and 8 analog
inputs with 12-Bit ADC (16-bit optional). The general inputs can also be used for triggering a high-speed positional
latch for each axis.
Each axis on the controller has 2 encoders, the main encoder and an auxiliary encoder. Each unused auxiliary
encoder provides 2 additional inputs available for general use (except when configured for stepper motor operation).

4 • Chapter 1 Overview DMC-1700/1800
17X8 The DMC-1718, 1728, 1738, 1748 controllers have 64 additional general I/O points. The user can
configure these I/O points as inputs or outputs in blocks of 8.
1X80 The DMC-1750 through DMC-1780 and DMC-1850 through DMC-1880 controllers provide interface
circuitry for 16 optoisolated inputs, 8 TTL inputs, 16 TTL outputs, and 8 analog inputs with 12-bit
ADC (16-bit optional).
System Elements
As shown in Fig. 1.2, the DMC-1700/1800 is part of a motion control system which includes amplifiers, motors, and
encoders. These elements are described below.
Computer DMC-1700/1800
Controller Driver
Power Supply
Encoder Motor
Figure 1.2 - Elements of Servo systems
Motor
A motor converts current into torque, which produces motion. Each axis of motion requires a motor sized properly
to move the load at the required speed and acceleration. (Galil’s “Motion Component Selector” software can help
you with motor sizing). Download at www.galilmc.com/support/download, select “MCS”.
The motor may be a step or servo motor and can be brush-type or brushless, rotary or linear. For step motors, the
controller can operate full-step, half-step, or microstep drives. An encoder is not required when step motors are
used.
Amplifier (Driver)
For each axis, the power amplifier converts a +/-10 Volt signal from the controller into current to drive the motor.
For stepper motors, the amplifier converts step and direction signals into current. The amplifier should be sized
properly to meet the power requirements of the motor. For brushless motors, an amplifier that provides electronic
commutation is required or the controller must be configured to provide sinusoidal commutation. The amplifiers
may be either pulse-width-modulated (PWM) or linear. They may also be configured for operation with or without
a tachometer. For current amplifiers, the amplifier gain should be set such that a 10 Volt command generates the
maximum required current. For example, if the motor peak current is 10A, the amplifier gain should be 1 A/V. For
velocity mode amplifiers, 10 Volts should run the motor at the maximum speed.
Encoder
An encoder translates motion into electrical pulses which are fed back into the controller. The DMC-1700/1800
accepts feedback from either a rotary or linear encoder. Typical encoders provide two channels in quadrature,
known as CHA and CHB. This type of encoder is known as a quadrature encoder. Quadrature encoders may be

DMC-1700/1800 Chapter 1 Overview • 5
either single-ended (CHA and CHB) or differential (CHA, CHA-, CHB, CHB-). The controller decodes either type
into quadrature states or four times the number of cycles. Encoders may also have a third channel (or index) for
synchronization.
The DMC-1700/1800 can also interface to encoders with pulse and direction signals. Refer to the “CE” command in
the command reference for details.
There is no limit on encoder line density; however, the input frequency to the controller must not exceed 3,000,000
full encoder cycles/second (12,000,000 quadrature counts/sec). For example, if the encoder line density is 10,000
cycles per inch, the maximum speed is 300 inches/second. If higher encoder frequency is required, please consult
the factory.
The standard encoder voltage level is TTL (0-5v), however, voltage levels up to 12 Volts are acceptable. (If using
differential signals, 12 Volts can be input directly to the DMC-1700/1800. Single-ended 12 Volt signals require a
bias voltage input to the complementary inputs).
The DMC-1700/1800 can accept analog feedback (+/-10v) instead of an encoder for any axis. For more information
see the command AF in the command reference.
To interface with other types of position sensors such as absolute encoders, Galil can customize the controller and
command set. Please contact Galil to talk to one of our applications engineers about your particular system
requirements.
Watch Dog Timer
The DMC-1700/1800 provides an internal watchdog timer which checks for proper microprocessor operation. The
timer toggles the Amplifier Enable Output (AEN), which can be used to switch the amplifiers off in the event of a
serious controller failure. The AEN output is normally high. During power-up and if the microprocessor ceases to
function properly, the AEN output will go low. The error light for each axis will also turn on at this stage. A reset
is required to restore the controller to normal operation. Consult the factory for a Return Materials Authorization
(RMA) Number if your DMC-1700/1800 is damaged.

6 • Chapter 1 Overview DMC-1700/1800
THIS PAGE LEFT BLANK INTENTIONALLY

DMC-1700/1800 Chapter 2 Getting Started • 7
Chapter 2 Getting Started
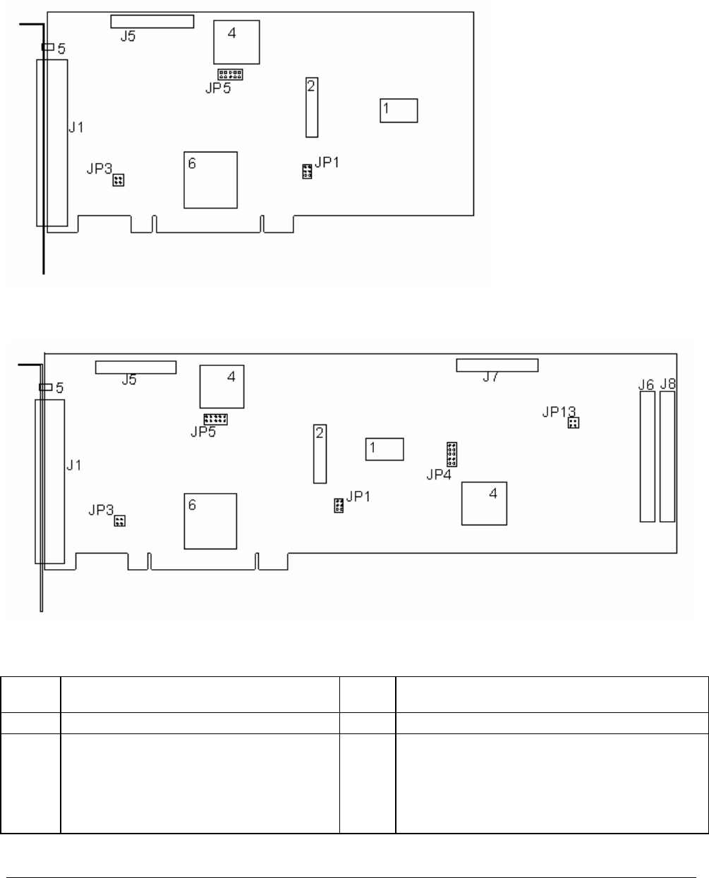
The DMC-17x0 and DMC-18x0 Motion Controllers
1
4
J5
2
3
JP8
JP5
JP4
JP9
JP3
5
JP1 J1
Figure 2-1 - Outline of the DMC-1710 through DMC-1740
4
J6
J8 21
J5
3JP1 JP8
JP9 JP6 JP5
4
JP35
J1
J7
JP4
Figure 2-2 - Outline of the DMC-1750 through DMC-1780

8 • Chapter 2 Getting Started DMC-1700/1800
Figure 2-3 - Outline of the DMC-1810 through DMC-1840
Figure 2-4 - Outline of the DMC-1850 through DMC-1880
1 Flash EEPROM J8
50-pin header connector corresponding to pins 1
through 50 of connector for axes 5-8
2 RAM JP1 Master Reset & UPGRD jumpers
3 Motorola 68331 microprocessor JP3
INCOM & LSCOM jumpers. Used for bypassing opto-
isolation for the limit, home, and abort switches and the
digital inputs IN1 - IN8. See section “Bypassing Opto-
Isolation”, Chap3.
DMC-1850/1880 – 1 thru 4 axis only

DMC-1700/1800 Chapter 2 Getting Started • 9
4 Galil GL-1800 custom gate array JP4 Jumpers used for configuring stepper motor operation
on axes 5-8 (DMC-1750/1780 and DMC-1850/1880
only).
Jumpers used to select DMA channel 0 or 1 (DMC-
1710/1740 only).
5 Error LED JP5
Jumpers used for configuring stepper motor operation
on axes 1-4.
6 Xilinx for PCI bus communications JP6 Jumpers used to select DMA channel 0 or 1 (DMC-
1780 only).
J1 100-pin high density connector for axes 1-4.
(Part number Amp #2-178238-9)
JP8 Address jumpers A2 – A8
J5 26-pin header connector for the auxiliary encoder
cable. (Axes 1-4)
JP9 IRQ jumper.
J6 / J8 Two 50-pin headers connecting corresponding
signals for axes 5-8
JP13 INCOM & LSCOM jumpers. Used for bypassing opto-
isolation for the limit, home, and abort switches and the
digital inputs IN9 – IN16. See section “Bypassing
Opto-Isolation”, Chap3. (DMC-1850/1880 only)
J7 26-pin header connector for the auxiliary encoder
cable. (Axes 5-8)
Note: Above layouts are for the most current controller revisions. For older revision boards, please
refer to Appendix.
Elements You Need
Before you start, you must get all the necessary system elements. These include:
1a. DMC-1710/1810, 1720/1820, 1730/1830, or DMC-1740/1840 Motion Controller, (1)
100-pin cable, and (1) ICM-1900 interconnect module.
or
1b. DMC-1750/1850, 1760/1860, 1770/1870 or DMC-1780/1880, (2) 100-pin cables and (2)
ICM-1900s. CB 50-100 connector board and included two 50-pin ribbon cables which
converts the two 50-pin ribbon cables into a single 100-pin connector.
or
1c. DMC-1718, 1728, 1738, 1748, (1) 100-pin cables and (1) ICM-1900s. Connection to the
extended I/O can be made through the IOM-1964 opto-isolation module. Using the IOM-
1964 requires (1) IOM-1964, (1) CB-50-100 and (1) 100 pin cable.
2. Servo motors with Optical Encoder (one per axis) or step motors.
3. Power Amplifiers.
4. Power Supply for Amplifiers.
5. PC (Personal Computer - ISA bus or PCI bus).
6. Galil SmartTerm (from CD ROM or download at www.galilmc.com)
7. WSDK is optional but recommended for first time users.
The motors may be servo (brush type or brushless) or steppers. The amplifiers should be suitable for the motor and
may be linear or pulse-width-modulated. An amplifier may have current feedback, voltage feedback or velocity
feedback.

10 • Chapter 2 Getting Started DMC-1700/1800
For servo motors in current mode, the amplifiers should accept an analog signal in the +/-10 Volt range
as a command. The amplifier gain should be set such that a +10V command will generate the
maximum required current. For example, if the motor peak current is 10A, the amplifier gain should
be 1 A/V. For velocity mode amplifiers, a command signal of 10 Volts should run the motor at the
maximum required speed. Set the velocity gain so that an input signal of 10V, runs the motor at the
maximum required speed.
For step motors, the amplifiers should accept step and direction signals. For start-up of a step motor
system refer to Step 8c “Connecting Step Motors”.
The WSDK software is highly recommended for first time users of the DMC-1700/1800. It provides step-by-step
instructions for system connection, tuning and analysis.
Installing the DMC-1700/1800
Installation of a complete, operational DMC-1700/1800 system consists of 9 steps.
Step 1. Determine overall motor configuration.
Step 2. Install Jumpers on the DMC-1700/1800.
Step 3. Install the communications software.
Step 4. Install the DMC-1700/1800 in the PC.
Step 5. Establish communications with the Galil Communication Software.
Step 6. Determine the Axes to be used for sinusoidal commutation.
Step 7. Make connections to amplifier and encoder.
Step 8a. Connect standard servo motors.
Step 8b. Connect sinusoidal commutation motors
Step 8c. Connect step motors.
Step 9. Tune the servo system
Step 1. Determine Overall Motor Configuration
Before setting up the motion control system, the user must determine the desired motor configuration. The DMC-
1700/1800 can control any combination of standard servo motors, sinusoidally commutated brushless motors, and
stepper motors. Other types of actuators, such as hydraulics can also be controlled, please consult Galil.
The following configuration information is necessary to determine the proper motor configuration:
Standard Servo Motor Operation:
The DMC-1700/1800 has been setup by the factory for standard servo motor operation providing an analog
command signal of +/- 10V. No hardware or software configuration is required for standard servo motor operation.
Sinusoidal Commutation:
Sinusoidal commutation is configured through a single software command, BA. This configuration causes the
controller to reconfigure the number of available control axes.
Each sinusoidally commutated motor requires two DAC’s. In standard servo operation, the DMC-1700/1800 has
one DAC per axis. In order to have the additional DAC for sinusoidal commutation, the controller must be
designated as having one additional axis for each sinusoidal commutation axis. For example, to control two

DMC-1700/1800 Chapter 2 Getting Started • 11
standard servo axes and one axis of sinusoidal commutation, the controller will require a total of four DAC’s and the
controller must be a DMC-1740 or DMC-1840.
Sinusoidal commutation is configured with the command, BA. For example, BAX sets the X axis to be sinusoidally
commutated. The second DAC for the sinusoidal signal will be the highest available DAC on the controller. For
example: Using a DMC-1740, the command BAX will configure the X axis to be the main sinusoidal signal and the
‘W’ axis to be the second sinusoidal signal.
The BA command also reconfigures the controller to indicate that the controller has one less axis of ‘standard’
control for each axis of sinusoidal commutation. For example, if the command BAX is given to a DMC-1740
controller, the controller will be re-configured to a DMC-1730 controller. By definition, a DMC-1730 controls 3
axes: X,Y and Z. The ‘W’ axis is no longer available since the output DAC is being used for sinusoidal
commutation.
Further instruction for sinusoidal commutation connections are discussed in Step 6.
Stepper Motor Operation:
To configure the DMC-1700/1800 for stepper motor operation, the controller requires a jumper for each stepper
motor and the command, MT, must be given. The installation of the stepper motor jumper is discussed in the
following section entitled “Installing Jumpers on the DMC-1700/1800”. Further instruction for stepper motor
connections are discussed in Step 8c.
Step 2. Install Jumpers on the DMC-1700/1800
Master Reset and Upgrade Jumpers
JP1 contains two jumpers, MRST and UPGRD. The MRST jumper is the Master Reset jumper. With
MRST connected, the controller will perform a master reset upon PC power up or upon the reset input
going low. Whenever the controller has a master reset, all programs, arrays, variables, and motion
control parameters stored in EEPROM will be ERASED.
The UPGRD jumper enables the user to unconditionally update the controller’s firmware. This jumper
is not necessary for firmware updates when the controller is operating normally, but may be necessary
in cases of corrupted EEPROM. EEPROM corruption should never occur, however, it is possible if
there is a power fault during a firmware update. If EEPROM corruption occurs, your controller may
not operate properly. In this case, install the UPGRD Jumper and use the update firmware function on
the Galil Terminal to re-load the system firmware.
Opto Isolation Jumpers
The inputs and limit switches are optoisolated. If you are not using an isolated supply, the internal
+5V supply from the PC may be used to power the optoisolators. This is done by installing jumpers on
JP3 and/or JP13.
Stepper Motor Jumpers
For each axis that will be used for stepper motor operation, the corresponding stepper mode (SM)
jumper must be connected. The stepper motor jumpers, labeled JP5 for axes X through W and JP4 for
axes E through H, are located directly beside the GL-1800 IC’s on the main board (see the diagram for
the DMC-1700/1800). The individual jumpers are labeled SMX, SMY, SMZ and SMW for axes 1
through 4 and SME, SMF, SMG and SMH for axes 5 through 8.
(Optional) DMA Jumpers
The DMA channel is only available with the DMC-1700 controller. The DMC-1700 controller allows
either DMA channel 0 or 1 to be selected. The jumper location JP4 on the DMC-1740 and JP6 on the

12 • Chapter 2 Getting Started DMC-1700/1800
DMC-1780 allows the user to select which channel will be used. The DMA channel chosen should be
reflected within the Galil software registry. 2.5 illustrates these settings.
Please note earlier controller revisions (Rev. E and earlier for DMC-1740, Rev. C and earlier for
DMC-1780) did not have hardware jumpers for DMA channel selection.
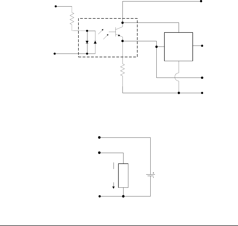
DR
Q
DAC
K
0
DR
Q
DAC
K
Setting for DMA channel 1 Setting for DMA channel 0
1 1 0
Figure 2.5 - Jumper settings for DMC-1700 DMA
(Optional) IRQ (Interrupt) Jumpers
IRQ jumpers are not necessary for communication with the Galil controllers. Rather, they are an
option that may be used for notifying the PC of events that occur on the motion controller. The
selectable IRQ jumpers are only available on the DMC-1700. The PCI drivers for the DMC-1800 will
automatically assign it an IRQ based on system availability.
On the DMC-1700, select which IRQ line will be used when the controller needs to notify the PC of an
interrupt. You will need to select an IRQ line which is open on your PC, meaning not shared with any
other device. Within the Galil Software Registry, the corresponding IRQ line should be entered into
the controller registry information.
NOTE: For Version 7 Drivers and ISA/PC-104 controllers with new firmware, a jumper MUST
be installed on one of the IRQ jumper pins in order to use Interrupt Communication (the default
method of communication). Match the IRQ jumper on the board with an IRQ Setting that
displays “No Conflicts” in the Device Manager.
If No IRQ lines are available or Interrupt Communication is not desired, the user must go to the
“Controller Registration” menu and uncheck the “Interrupt Communication” method. Stall or
Delay methods of communication will then be used. A Communication Timeout error will occur
if this is not done.
(Optional) Motor Off Jumpers
The state of the motor upon power up may be selected with the placement of a hardware jumper on the
controller. With a jumper installed at the MO location, the controller will be powered up in the ‘motor
off’ state. The SH command will need to be issued in order for the motor to be enabled. With no
jumper installed, the controller will immediately enable the motor upon power up. The MO command
will need to be issued to turn the motor off.
The MO jumper is always located on the same block of jumpers as the stepper motor jumpers (SM).
This feature is only available to newer revision controllers (Rev. F and later for DMC-1740, Rev. D
and later for DMC-1780, Rev. C and later for DMC-1840). Please consult Galil for adding this
functionality to older revision controllers.

DMC-1700/1800 Chapter 2 Getting Started • 13
Configuring the Address Jumpers on the DMC-1700
The DMC-1700 address, N, is selectable by setting the address jumpers labeled A2, A3, A4, A5, A6,
A7 and A8 where each jumper represents a digit of the binary number that is equivalent to N minus
512. Jumper A2 represents the 22 digit (the 3rd binary digit from the right), jumper A3 represents the 23
digit (the 4th binary digit from the right) and so on up to the most significant digit, which is represented
by jumper A8. The 2 least significant (rightmost) digits are not represented. A location with a jumper
placed on the board means the value of the digit represented by that jumper is 0. If the jumper is open,
the digit is 1.
Because the least significant digit represented by the Address Jumpers is the 22 digit (jumper A2), only
addresses divisible by 4 are configurable on the DMC-1700. The DMC-1700 can be configured for
any 4th address between 512 and 1024. To configure an address you must do the following:
1. Select an address, N, between 512 and 1024, divisible by 4. Example: 516
2. Subtract 512 from N. Example: 516 – 512 = 4
3. Convert the resultant number into a 9-digit binary number being sure to represent all
leading zeros. Using our example: Converting 4 to binary results in 100. As a 9-digit
binary number, this is represented by 000000100.
4. Truncate the 2 least significant (rightmost) digits. Example: 0000001.
5. Set the jumpers as described above. Again, jumper at the location is represented by a 0,
while no jumper at the location represents a 1.
To simplify this task, there is a complete list of jumper settings for the DMC-1700 found in the
appendix in the section Setting Addresses for the DMC-1700.
Step 3. Install the Communications Software
Before installing the controller in the PC, Galil communications software terminal and drivers should
be loaded. Installing the Galil software prior to installing the card will allow most operating system to
automatically install the DMC-1800 (PCI) controller into both the Windows and Galil registries.
Using Win98SE, ME, NT4.0, 2000, and XP
Install the Galil Software Products CD-ROM into your CD drive. A Galil .htm page should
automatically appear with links to the software products. Select “DMCSmartTerm” and click
“Install…” Follow the installation procedure as outlined.
Using DOS:
Using the Galil Software CD-ROM, go to the directory, D:\July2000 CD\DMCDOS\Disk1. Type
"INSTALL" at the DOS prompt and follow the directions.
Using Windows 3.x (16 bit versions):
Using the Galil Software CD ROM, go to the directory, D:\July2000 CD\DMCWIN. Select
DMCWIN16.exe and follow the directions.
Using Windows 95, 98(first edition):
Using the Galil Software CD ROM, go to the directory, D:\July2000 CD\DMCWIN. Select
DMCWIN32.exe and follow the directions.

14 • Chapter 2 Getting Started DMC-1700/1800
Note: Galil software is also available for download at: http://www.galilmc.com/support/download.html
Step 4. Install the DMC-1700/1800 in the PC
The DMC-1700 is installed directly into the ISA expansion bus. The DMC-1800 is installed directly
into the PCI expansion bus. The procedures are outlined below.
Step A. Make sure the PC is in the power-off condition.
Step B. Remove unit cover.
Step C. Remove the metal plate covering the expansion bus slot where the DMC-1700/1800
will be inserted.
Step D. Insert DMC-1700/1800 card in the expansion bus and secure with screw.
Step E. Attach 100-pin cable to your controller card. If you are using a Galil ICM-1900 or
AMP-19X0, this cable connects into the J2 connection on the interconnect module. If
you are not using a Galil interconnect module, you will need to appropriately terminate
the cable to your system components, see the appendix for cable pin outs. The auxiliary
encoder connections are accessed through the 26-pin IDC connector, J5.
1X80
If you are using a controller with more than 4 axes you will need a CB-50-100 converter board, which
brings out a second 100-pin cable to be attached to the second ICM-1900. Two 50-pin ribbon cables
attach the CB-50-100 to the DMC-1780.
DMC-1700 Install:
The DMC-1700 is addressed manually, with a default address of 1000. Earlier controller revisions
(Rev. E and earlier for DMC-1740, Rev. C and earlier for DMC-1780) had Plug-and-Play utilities,
which have been removed on the most current revisions. Please refer to the appendix if your controller
has the Plug-and-Play functionality. If an address other than 1000 is necessary for your controller,
refer to Step-2.
DMC-1800 Install:
The installation of the DMC-1800 will vary with operating systems due to how the PCI is handled
within that operating system. For Win98SE, ME, NT4.0, 2000 and XP, the OS will automatically
install the drivers. With Windows 95 or 98, upon power up your computer should recognize the DMC-
1800 as a new device and will prompt you for an “Installation Disk”. The computer will ask you to
point towards the DMC1800.INF file on your PC. This file will automatically configure the controller
for your computer’s available resources. The installation will also automatically add this information
to the Galil Registry (see Step 5 below).
Step 5. Establishing Communication between the Galil controller
and the host PC
Using Galil Software for DOS (DMC-1700 only)
To communicate with the DMC-1700, type DMCTERM at the prompt. You will need to provide
information about your controller such as controller type (DMC-1700), address, and IRQ. Once you
have established communication, the terminal display should show a colon “:”. If you do not receive a
colon, press the carriage return.
If you still do not receive a colon, the most likely cause is an address conflict in your computer. If the
default of address 1000 causes a conflict, Galil recommends the addresses of 816 and 824, since they
are likely to avoid conflict. Please refer to Step-2 Configuring the Address Jumpers on the DMC-1700
to change the address.

DMC-1700/1800 Chapter 2 Getting Started • 15
Using Galil Software for Windows 3.x, 95 and 98 First Edition (DMC-1700
only)
In order for the Windows software to communicate with a Galil controller, the controller must be
registered in the Windows Registry. To register a controller, you must specify the model of the
controller, the communication parameters, and other information. The registry is accessed through the
Galil software, such as WSDK and DTERM (DTERM is installed with DMCWIN and installed as the
icon “Galil Terminal”). From WSDK, the registry is accessed under the FILE menu. From the
DTERM program, the registry is accessed from the REGISTRY menu.
The registry window is equipped with buttons to Add, Change, or Delete a controller. Pressing any of
these buttons will bring up the Set Registry Information window.
Use the Add button to add a new entry to the Registry. You will need to supply the Galil Controller
type. The controller model number must be entered and if you are changing an existing controller, this
field will already have an entry. Pressing the down arrow to the right of this field will reveal a menu of
valid controller types. Choose the corresponding controller (DMC-1700).
The registry information for the DMC-1700 will show a default address of 1000. This information
should be changed as necessary to reflect any changes to the controllers address jumpers. Hardware
interrupts may also be set in the registry, although for initial communication these are not necessary.
The default is no interrupt. Driver information is also listed, in which Galil recommends using the
standard Galil Drivers.
The registry entry also displays timeout and delay information. These are advanced parameters that
should only be modified by advanced users (see software documentation for more information).
Once you have set the appropriate Registry information for your controller, Select OK and close the
registry window. You will now be able to communicate with the DMC-1700. Once the entry has been
selected, click on the OK button. If the software has successfully established communications with the
controller, the registry entry will be displayed at the top of the screen.
If you are not properly communicating with the controller, the program will pause for 3-15 seconds.
The top of the screen will display the message “Status: not connected with Galil motion controller” and
the following error will appear: “STOP - Unable to establish communication with the Galil controller.
A time-out occurred while waiting for a response from the Galil controller.” If this message appears,
you must click OK. In this case, there is most likely an address conflict.
If you receive this error, the most likely cause is an address conflict in your computer. If the default of
address 1000 causes a conflict, Galil recommends the addresses of 816 and 824, since they are likely to
avoid conflict. Please refer to Step-2 Configuring the Address Jumpers on the DMC-1700 to change
the address.
Once you establish communications, click on the menu for terminal and you will receive a colon
prompt. Communicating with the controller is described in later sections.
Using Galil Software for Windows 98 SE, ME, XP, and 2000
In order for the Windows software to communicate with a Galil controller, the controller must be
entered in the Windows Registry. In Windows 98 SE, 2000 and XP operating systems (OS), the
DMC-1800 is plug and play. This means that on power up the computer will automatically detect the
card and install the appropriate device driver. A ‘Found New Hardware’ dialog box may appear
during installation of the device driver. The controller will be identified by model name and entered
into the Galil Registry. Now the user can communicate to the controller using DMCSmartTERM.
Note: In order for the PC to recognize the plug and play controller as a Galil device, the Galil
software must be loaded prior to installing the card.

16 • Chapter 2 Getting Started DMC-1700/1800
DMC-1800 and DMC-1417 in the Galil Registry
Using a DMC-1700 card in a plug and play OS (Win 98 SE, 2000, ME, XP) will require adding the
controller to the system in the Windows Device Manager. In Win 98 SE and ME this feature is
accessed through the Start\Settings\Control Panel\Add New Hardware shortcut. In Win 2000 and XP
it can be accessed through My Computer\Properties\Hardware\Hardware Wizard. The procedures on
the two operating systems are nearly identical, but the dialog boxes may look a little different.
Windows 2000 Hardware Wizard
Note: All the pictures in this Hardware Wizard section are from Windows 2000 unless specified
otherwise.
1. On the first dialog, select Add/Troubleshoot

DMC-1700/1800 Chapter 2 Getting Started • 17
2. Let the Hardware Wizard try to detect a new Plug and Play device.
3. If a device is found, the Hardware Wizard will then ask if the device is on a list of found
devices. Say no and proceed to the next dialog box. In Win 2000, the next window will
display a list of devices. Select “Add a new device” from the top of the list.

18 • Chapter 2 Getting Started DMC-1700/1800
4. The Hardware Wizard prompts for Windows to search for the new device. This feature is for
devices such as modems that can be found by ‘random’ queries of all available
communication ports. Select, ‘No’ and proceed to the next dialog.
5. With DMCWIN32 or DMCTERM already installed, the following window will say, “Select
the type of hardware you want to install”. Click on the Diamond with either “Galil” or “Galil
Motion Control” written to the side of it, and the list of Galil controllers will be displayed.
Select the DMC-1700 card from the list.

DMC-1700/1800 Chapter 2 Getting Started • 19
Note: If this is the first time a 1700 card has been installed on the machine, then the Galil
diamond may not be present. If there is no Galil diamond on the Hardware Type window,
click on Other Devices instead. At that point, the list of Galil ISA and PC/104 cards will
appear.
6. With the device selected, the OS then needs to allocate any required resources.
6a. In Win 98 SE and ME the OS automatically assigns resources that are most likely
incompatible.
Automatically Assigned resources in Win 98 SE

20 • Chapter 2 Getting Started DMC-1700/1800
At this point the user must reboot and go to the Device Manager under My Computer\Properties.
Device Manager in Win 98 SE
Select the device from the list, go to the resource tab, and reassign the resources to those that match the
address and interrupt (IRQ) jumpers on the controller (see the appendix for ‘Address Settings’ and
Step 3 for installing jumpers).
Changing the Resources in Win 98 SE

DMC-1700/1800 Chapter 2 Getting Started • 21
Edit Input/Output Range in Win 98 SE
When changing the settings, the operating system will inform the user of any resource conflicts. If
there are resource conflicts, it is necessary to compare the available resources to those on the jumpers,
and select a configuration that is compatible. If all configurations have a resource conflict, then the
user will have to reconfigure or remove another card to free up some resources. This is most likely to
happen with IRQs, as they can be scarce.
Note: The “Input/Output Range” is used to assign a communication address to the controller. This
address is given in hexadecimal, which means the user should use the scientific calculator in
Start\Programs\Accessories to convert the decimal address desired into its hexadecimal equivalent.
The user can just enter a single hexidecimal number into the ‘Value:’ box and the OS will assign an
I/O range to it.
6b. In Win 2000, the procedure is the same except the user has the opportunity to set
resources/examine conflicts without rebooting first. Highlight the “Interrupt Request” and
“Input/Output Range” individually and select ‘Change Setting…’ to make the appropriate adjustments.
Similar to Windows 98, the “Input/Output Range” must be assigned as a hexadecimal number.

22 • Chapter 2 Getting Started DMC-1700/1800
7. Once the controller is properly entered into the Windows registry, it should also be present in
the Galil Registry. The address and IRQ jumpers on the controller may need to be changed depending
on the resources available in Windows (see Step 3 for setting address and IRQ jumpers). Connect to
the controller through the Terminal utility in DMCWIN32, WSDK32, or DMCTERM.
Using Galil Software for Windows NT 4
In Windows NT 4, the DMC-1800 is also plug and play. This means that on power up the computer
will automatically detect the card and install the appropriate device driver. A ‘Found New Hardware’
dialog box may appear during installation of the device driver. The controller will be identified by
model name and entered into the Galil Registry. Now the user can communicate to the controller using
DMCTERM, DMCWIN32, or WSDK32.
To use a DMC-1700 in Win NT4, add the controller using the Galil Registry dialog. To access the
registry in DMCTERM and WSDK, click on the File menu and “Register Controller”. In
DMCWIN32, select the Registry menu.

DMC-1700/1800 Chapter 2 Getting Started • 23
Once in the Galil Registry, click New Controller under Non-PnP Tools. Select the appropriate
controller from the pull down menu and adjust the timeout as seen fit. Click Next to continue.
The registry information for the DMC-1700 card will show a default address of 1000. This
information should be changed as necessary to reflect any changes to the controller’s address jumpers.
Hardware interrupts may also be set in the registry, although for initial communication these are not
necessary. The default interrupt selection is “None”.
Once the appropriate Registry information has been entered, Select OK and close the registry window.
After rebooting the computer, communication to the DMC-1700 card can be established. Reopen one
of the communication programs and select the controller from the registry list.

24 • Chapter 2 Getting Started DMC-1700/1800
If there are communication problems, the program will pause for 3-15 seconds. The top of the dialog
box will display the message “Status: not connected with Galil motion controller” and the following
error will appear: “STOP - Unable to establish communication with the Galil controller. A time-out
occurred while waiting for a response from the Galil controller.”
If this error occurs in Windows NT 4, the most likely cause is an address conflict in the computer. If
the default of address 1000 causes a conflict, Galil recommends the addresses of 816 and 824, since
they are likely to avoid conflict. Please refer to Step-2 Configuring the Address Jumpers on the DMC-
1700 to change the address. If the address jumpers are changed, the Galil registry must be modified to
reflect these changes.
Once communication is established, click on the menu for terminal and you will receive a colon
prompt. Communicating with the controller is described in later sections.
Sending Test Commands to the Terminal:
After you connect your terminal, press <carriage return> or the <enter> key on your keyboard. In
response to carriage return (CR), the controller responds with a colon “:”.
Now type
TPX (CR)
This command directs the controller to return the current position of the X-axis. The controller should
respond with a number such as
0
Step 6. Determine the Axes to be Used for Sinusoidal Commutation
Note: This step is only required when the controller will be used to control a brushless motor(s) with sinusoidal
commutation. The command, BA is used to select the axes of sinusoidal commutation. For example, BAXZ sets X
and Z as axes with sinusoidal commutation.
Notes on Configuring Sinusoidal Commutation:
The command, BA, reconfigures the controller such that it has one less axis of ‘standard’ control for each axis of
sinusoidal commutation. For example, if the command BAX is given to a DMC-1740 controller, the controller will
be re-configured to be a DMC-1730 controller. In this case the highest axis is no longer available except to be used
for the 2nd phase of the sinusoidal commutation. Note that the highest axis on a controller can never be configured
for sinusoidal commutation.
The first phase signal is the motor command signal. The second phase is derived from the highest DACX on the
controller. When more than one axis is configured for sinusoidal commutation, the highest sinusoidal commutation
axis will be assigned to the highest DAC and the lowest sinusoidal commutation axis will be assigned to the lowest
available DAC. Note the lowest axis is the X axis.
Example: Sinusoidal Commutation Configuration using a DMC-1770
BAXZ
This command causes the controller to be reconfigured as a DMC-1750 controller. The X and Z axes are configured
for sinusoidal commutation. The first phase of the X axis will be the motor command X signal. The second phase
of the X axis will be F signal. The first phase of the Z axis will be the motor command Z signal. The second phase
of the Z axis will be the motor command G signal.

DMC-1700/1800 Chapter 2 Getting Started • 25
Step 7. Make Connections to Amplifier and Encoder.
Once you have established communications between the software and the DMC-1700/1800, you are ready to
connect the rest of the motion control system. The motion control system typically consists of an ICM-1900
Interface Module, an amplifier for each axis of motion, and a motor to transform the current from the amplifier into
torque for motion. Galil also offers the AMP-19X0 series Interface Modules which are ICM-1900’s equipped with
servo amplifiers for brush type DC motors.
If you are using an ICM-1900, connect the 100-pin ribbon cable to the DMC-1700/1800 and to the connector located
on the AMP-19x0 or ICM-1900 board. The ICM-1900 provides screw terminals for access to the connections
described in the following discussion.
1X80
Motion Controllers with more than 4 axes require a second ICM-1900 or AMP-19x0 and second 100-
pin cable.
System connection procedures will depend on system components and motor types. Any combination of motor
types can be used with the DMC-1700/1800. If sinusoidal commutation is to be used, special attention must be paid
to the reconfiguration of axes.
Here are the first steps for connecting a motion control system:
Step A. Connect the motor to the amplifier with no connection to the controller. Consult the
amplifier documentation for instructions regarding proper connections. Connect and
turn-on the amplifier power supply. If the amplifiers are operating properly, the motor
should stand still even when the amplifiers are powered up.
Step B. Connect the amplifier enable signal.
Before making any connections from the amplifier to the controller, you need to verify that
the ground level of the amplifier is either floating or at the same potential as earth.
WARNING: When the amplifier ground is not isolated from the power line or when it has a different potential
than that of the computer ground, serious damage may result to the computer controller and amplifier.
If you are not sure about the potential of the ground levels, connect the two ground signals
(amplifier ground and earth) by a 10 KΩ resistor and measure the voltage across the
resistor. Only if the voltage is zero, connect the two ground signals directly.
The amplifier enable signal is used by the controller to disable the motor. This signal is
labeled AMPENX for the X axis on the ICM-1900 and should be connected to the enable
signal on the amplifier. Note that many amplifiers designate this signal as the INHIBIT
signal. Use the command, MO, to disable the motor amplifiers - check to insure that the
motor amplifiers have been disabled (often this is indicated by an LED on the amplifier).
This signal changes under the following conditions: the watchdog timer activates, the motor-
off command, MO, is given, or the OE1 command (Enable Off-On-Error) is given and
the position error exceeds the error limit. AEN can be used to disable the amplifier for
these conditions.
The standard configuration of the AEN signal is TTL active high. In other words, the
AEN signal will be high when the controller expects the amplifier to be enabled. The
polarity and the amplitude can be changed if you are using the ICM-1900 interface board.
To change the polarity from active high (5 volts = enable, zero volts = disable) to active
low (zero volts = enable, 5 volts = disable), replace the 7407 IC with a 7406. Note that
many amplifiers designate the enable input as ‘inhibit’.
To change the voltage level of the AEN signal, note the state of the resistor pack on the
ICM-1900. When Pin 1 is on the 5V mark, the output voltage is 0-5V. To change to 12
volts, pull the resistor pack and rotate it so that Pin 1 is on the 12 volt side. If you
remove the resistor pack, the output signal is an open collector, allowing the user to
connect an external supply with voltages up to 24V.
Step C. Connect the encoders

26 • Chapter 2 Getting Started DMC-1700/1800
For stepper motor operation, an encoder is optional.
For servo motor operation, if you have a preferred definition of the forward and reverse
directions, make sure that the encoder wiring is consistent with that definition.
The DMC-1700/1800 accepts single-ended or differential encoder feedback with or without
an index pulse. If you are not using the AMP-19x0 or the ICM-1900 you will need to
consult the appendix for the encoder pinouts for connection to the motion controller. The
AMP-19x0 and the ICM-1900 can accept encoder feedback from a 10-pin ribbon cable or
individual signal leads. For a 10-pin ribbon cable encoder, connect the cable to the
protected header connector labeled X ENCODER (repeat for each axis necessary). For
individual wires, simply match the leads from the encoder you are using to the encoder
feedback inputs on the interconnect board. The signal leads are labeled CHA (channel
A), CHB (channel B), and INDEX. For differential encoders, the complement signals are
labeled CHA-, CHB-, and INDEX-.
Note: When using pulse and direction encoders, the pulse signal is connected to CHA and the
direction signal is connected to CHB. The controller must be configured for pulse and
direction with the command CE. See the command summary for further information on
the command CE.
Step D. Verify proper encoder operation.
Start with the X encoder first. Once it is connected, turn the motor shaft and interrogate the
position with the instruction TPX <return>. The controller response will vary as the
motor is turned.
At this point, if TPX does not vary with encoder rotation, there are three possibilities:
1. The encoder connections are incorrect - check the wiring as necessary.
2. The encoder has failed - using an oscilloscope, observe the encoder signals. Verify
that both channels A and B have a peak magnitude between 5 and 12 volts. Note
that if only one encoder channel fails, the position reporting varies by one count
only. If the encoder failed, replace the encoder. If you cannot observe the encoder
signals, try a different encoder.
3. There is a hardware failure in the controller - connect the same encoder to a different
axis. If the problem disappears, you probably have a hardware failure. Consult the
factory for help.
Step E. Connect Hall Sensors if available.
Hall sensors are only used with sinusoidal commutation and are not necessary for proper
operation. The use of hall sensors allows the controller to automatically estimate the
commutation phase upon reset and also provides the controller the ability to set a more
precise commutation phase. Without hall sensors, the commutation phase must be
determined manually.
The hall effect sensors are connected to the digital inputs of the controller. These inputs can
be used with the general use inputs (bits 1-8), the auxiliary encoder inputs (bits 81-96), or
the extended I/O inputs of the DMC-17x8 controller (bits 17-80). Note: The general use
inputs are optoisolated and require a voltage connection at the INCOM point - for more
information regarding the digital inputs, see Chapter 3, Connecting Hardware.
Each set of sensors must use inputs that are in consecutive order. The input lines are specified
with the command, BI. For example, if the Hall sensors of the Z axis are connected to
inputs 6, 7 and 8, use the instruction:
BI ,, 6
or
BIZ = 6

DMC-1700/1800 Chapter 2 Getting Started • 27
Step 8a. Connect Standard Servo Motors
The following discussion applies to connecting the DMC-1700/1800 controller to standard servo motor
amplifiers:
The motor and the amplifier may be configured in the torque or the velocity mode. In the torque mode,
the amplifier gain should be such that a 10 Volt signal generates the maximum required current. In the
velocity mode, a command signal of 10 Volts should run the motor at the maximum required speed.
Step by step directions on servo system setup are also included on the WSDK (Windows Servo Design
Kit) software offered by Galil. See section on WSDK for more details.
Check the Polarity of the Feedback Loop
It is assumed that the motor and amplifier are connected together and that the encoder is operating correctly (Step
B). Before connecting the motor amplifiers to the controller, read the following discussion on setting Error Limits
and Torque Limits. Note that this discussion only uses the X axis as an example.
Step A. Set the Error Limit as a Safety Precaution
Usually, there is uncertainty about the correct polarity of the feedback. The wrong polarity
causes the motor to run away from the starting position. Using a terminal program, such
as DMCTERM, the following parameters can be given to avoid system damage:
Input the commands:
ER 2000 <CR> Sets error limit on the X axis to be 2000 encoder counts
OE 1 <CR> Disables X axis amplifier when excess position error exists
If the motor runs away and creates a position error of 2000 counts, the motor
amplifier will be disabled. Note: This function requires the AEN signal to be
connected from the controller to the amplifier.
Step B. Set Torque Limit as a Safety Precaution
To limit the maximum voltage signal to your amplifier, the DMC-1700/1800 controller has a
torque limit command, TL. This command sets the maximum voltage output of the
controller and can be used to avoid excessive torque or speed when initially setting up a
servo system.
When operating an amplifier in torque mode, the v
voltage output of the controller will be directly related to the torque output of the motor.
The user is responsible for determining this relationship using the documentation of the
motor and amplifier. The torque limit can be set to a value that will limit the motors
output torque.
When operating an amplifier in velocity or voltage mode, the voltage output of the
controller will be directly related to the velocity of the motor. The user is responsible for
determining this relationship using the documentation of the motor and amplifier. The
torque limit can be set to a value that will limit the speed of the motor.
For example, the following command will limit the output of the controller to 1 volt on
the X axis:
TL 1 <CR>
Note: Once the correct polarity of the feedback loop has been determined, the torque limit
should, in general, be increased to the default value of 9.99. The servo will not operate
properly if the torque limit is below the normal operating range. See description of TL in
the command reference.
Step C. Enable Off-On-Error as a safety precaution. To limit the maximum distance the
motor will move from the commanded position, enable the Off-On-Error function using

28 • Chapter 2 Getting Started DMC-1700/1800
the command , OE 1. If the motor runs away due to positive feedback or another
systematic problem the controller will disable the amplifier when the position error
exceeds the value set by the command, ER.
Step D. Disable motor with the command MO (Motor off).
Step E. Connect the Motor and issue SH
Once the parameters have been set, connect the analog motor command signal (ACMD) to the
amplifier input.
To test the polarity of the feedback, command a move with the instruction:
PR 1000 <CR> Position relative 1000 counts
BGX <CR> Begin motion on X axis
When the polarity of the feedback is wrong, the motor will attempt to run away. The
controller should disable the motor when the position error exceeds 2000 counts. If the
motor runs away, the polarity of the loop must be inverted.
Inverting the Loop Polarity
When the polarity of the feedback is incorrect, the user must invert the loop polarity and this may be accomplished
by several methods. If you are driving a brush-type DC motor, the simplest way is to invert the two motor wires
(typically red and black). For example, switch the M1 and M2 connections going from your amplifier to the motor.
When driving a brushless motor, the polarity reversal may be done with the encoder. If you are using a single-ended
encoder, interchange the signal CHA and CHB. If, on the other hand, you are using a differential encoder,
interchange only CHA+ and CHA-. The loop polarity and encoder polarity can also be affected through software
with the MT, and CE commands. For more details on the MT command or the CE command, see the Command
Reference section.
Sometimes the feedback polarity is correct (the motor does not attempt to run away) but the direction of motion is
reversed with respect to the commanded motion. If this is the case, reverse the motor leads AND the encoder
signals.
If the motor moves in the required direction but stops short of the target, it is most likely due to insufficient torque
output from the motor command signal ACMD. This can be alleviated by reducing system friction on the motors.
The instruction:
TTX (CR) Tell torque on X
reports the level of the output signal. It will show a non-zero value that is below the friction level.
Once you have established that you have closed the loop with the correct polarity, you can move on to
the compensation phase (servo system tuning) to adjust the PID filter parameters, KP, KD and KI. It is
necessary to accurately tune your servo system to ensure fidelity of position and minimize motion
oscillation as described in the next section.

DMC-1700/1800 Chapter 2 Getting Started • 29
J7
J6
J51
DC Servo Motor
Encoder
+
-
AUX encoder
input connector
DB25 female
100 pin high density connector
AMP part # 2-178238-9
LSCOM
INCOM
VCC
VCC
ICM/ AMP-1900
REV B
GALIL MOTION CONTROL
MADE IN USA
+
-
DC Power Supply
M1W
M2W
M1Z
M2Z
M1Y
M2Y
M1X
M2X X
Y
Filter
Chokes
Z
W
Reset Switch Error LED
VAMP
VAMP
GND
EARTH
GND
AUX encoder
input connector
26 pin header
Figure 2-6 - System Connections with the AMP-1900 Amplifier.
Note: this figure shows a Galil Motor and Encoder which uses a flat ribbon cable for connection to the AMP-1900 unit.

30 • Chapter 2 Getting Started DMC-1700/1800
Figure 2-7 System Connections with a separate amplifier (MSA 12-80).
This diagram shows the connections for a standard DC Servo Motor and encoder

DMC-1700/1800 Chapter 2 Getting Started • 31
Step 8b. Connect Sinusoidal Commutation Motors
When using sinusoidal commutation, the parameters for the commutation must be determined
and saved in the controllers non-volatile memory. The servo can then be tuned as
described in Step 9.
Step A. Disable the motor amplifier
Use the command, MO, to disable the motor amplifiers. For example, MOX will turn the X
axis motor off.
Step B. Connect the motor amplifier to the controller.
The sinusoidal commutation amplifier requires 2 signals, usually denoted as Phase A & Phase
B. These inputs should be connected to the two sinusoidal signals generated by the
controller. The first signal is the axis specified with the command, BA (Step 6). The
second signal is associated with the highest analog command signal available on the
controller - note that this axis was made unavailable for standard servo operation by the
command BA.
When more than one axis is configured for sinusoidal commutation, the controller will assign
the second phase to the command output which has been made available through the axes
reconfiguration. The 2nd phase of the highest sinusoidal commutation axis will be the
highest command output and the 2nd phase of the lowest sinusoidal commutation axis will
be the lowest command output.
It is not necessary to be concerned with cross-wiring the 1st and 2nd signals. If this wiring is
incorrect, the setup procedure will alert the user (Step D).
Example: Sinusoidal Commutation Configuration using a DMC-1770
BAXZ
This command causes the controller to be reconfigured as a DMC-1750 controller. The X and
Z axes are configured for sinusoidal commutation. The first phase of the X axis will be
the motor command X signal. The second phase of the X axis will be the motor
command F signal. The first phase of the Z axis will be the motor command Z signal.
The second phase of the Z axis will be the motor command G signal.
Step C. Specify the Size of the Magnetic Cycle.
Use the command, BM, to specify the size of the brushless motors magnetic cycle in encoder
counts. For example, if the X axis is a linear motor where the magnetic cycle length is 62
mm, and the encoder resolution is 1 micron, the cycle equals 62,000 counts. This can be
commanded with the command:
BM 62000
On the other hand, if the Z axis is a rotary motor with 4000 counts per revolution and 3
magnetic cycles per revolution (three pole pairs) the command is
BM,, 1333.333
Step D. Test the Polarity of the DACs and Hall Sensor Configuration.
Use the brushless motor setup command, BS, to test the polarity of the output DACs. This
command applies a certain voltage, V, to each phase for some time T, and checks to see if
the motion is in the correct direction.
The user must specify the value for V and T. For example, the command
BSX = 2,700

32 • Chapter 2 Getting Started DMC-1700/1800
will test the X axis with a voltage of 2 volts, applying it for 700 millisecond for each phase.
In response, this test indicates whether the DAC wiring is correct and will indicate an
approximate value of BM. If the wiring is correct, the approximate value for BM will
agree with the value used in the previous step.
Note: In order to properly conduct the brushless setup, the motor must be allowed to move a
minimum of one magnetic cycle in both directions.
Note: When using Galil Windows software, the timeout must be set to a minimum of 10
seconds (time-out = 10000) when executing the BS command. This allows the software
to retrieve all messages returned from the controller.
If Hall Sensors are Available:
Since the Hall sensors are connected randomly, it is very likely that they are wired in the
incorrect order. The brushless setup command indicates the correct wiring of the Hall
sensors. The hall sensor wires should be re-configured to reflect the results of this test.
The setup command also reports the position offset of the hall transition point and the zero
phase of the motor commutation. The zero transition of the Hall sensors typically occur
at 0°, 30° or 90° of the phase commutation. It is necessary to inform the controller
about the offset of the Hall sensor and this is done with the instruction, BB.
Step E. Save Brushless Motor Configuration
It is very important to save the brushless motor configuration in non-volatile memory. After
the motor wiring and setup parameters have been properly configured, the burn
command, BN, should be given.
If Hall Sensors are Not Available:
Without hall sensors, the controller will not be able to estimate the commutation phase of
the brushless motor. In this case, the controller could become unstable until the
commutation phase has been set using the BZ command (see next step). It is highly
recommended that the motor off command be given before executing the BN command.
In this case, the motor will be disabled upon power up or reset and the commutation
phase can be set before enabling the motor.
Step F. Set Zero Commutation Phase
When an axis has been defined as sinusoidally commutated, the controller must have an
estimate for commutation phase. When hall sensors are used, the controller automatically
estimates this value upon reset of the controller. If no hall sensors are used, the controller
will not be able to make this estimate and the commutation phase must be set before
enabling the motor.
If Hall Sensors are Not Available:
To initialize the commutation without Hall effect sensor use the command, BZ. This
function drives the motor to a position where the commutation phase is zero, and sets the
phase to zero.
The BZ command argument is a real number which represents the voltage to be applied
to the amplifier during the initialization. When the voltage is specified by a positive
number, the initialization process ends up in the motor off (MO) state. A negative
number causes the process to end in the Servo Here (SH) state.
Warning: This command must move the motor to find the zero commutation phase.
This movement is instantaneous and will cause the system to jerk. Larger applied
voltages will cause more severe motor jerk. The applied voltage will typically be
sufficient for proper operation of the BZ command. For systems with significant friction,

DMC-1700/1800 Chapter 2 Getting Started • 33
this voltage may need to be increased and for systems with very small motors, this value
should be decreased.
For example,
BZ -2
will drive the X axis to zero, using a 2V signal. The controller will then leave the motor
enabled. For systems that have external forces working against the motor, such as
gravity, the BZ argument must provide a torque 10x the external force. If the torque is
not sufficient, the commutation zero may not be accurate.
If Hall Sensors are Available:
The estimated value of the commutation phase is good to within 30°. This estimate can
be used to drive the motor but a more accurate estimate is needed for efficient motor
operation. There are 3 possible methods for commutation phase initialization:
Method 1. Use the BZ command as described above.
Method 2. Drive the motor close to commutation phase of zero and then use BZ command.
This method decreases the amount of system jerk by moving the motor close to zero
commutation phase before executing the BZ command. The controller makes an estimate
for the number of encoder counts between the current position and the position of zero
commutation phase. This value is stored in the operand _BZx. Using this operand the
controller can be commanded to move the motor. The BZ command is then issued as
described above. For example, to initialize the X axis motor upon power or reset, the
following commands may be given:
SHX ;Enable X axis motor
PRX=-1*(_BZX) ;Move X motor close to zero commutation phase
BGX ;Begin motion on X axis
AMX ;Wait for motion to complete on X axis
BZX=-1 ;Drive motor to commutation phase zero and leave
;motor on
Method 3. Use the command, BC. This command uses the hall transitions to determine the
commutation phase. Ideally, the hall sensor transitions will be separated by exactly 60°
and any deviation from 60° will affect the accuracy of this method. If the hall sensors are
accurate, this method is recommended. The BC command monitors the hall sensors
during a move and monitors the Hall sensors for a transition point. When that occurs, the
controller computes the commutation phase and sets it. For example, to initialize the X
axis motor upon power or reset, the following commands may be given:
SHX ;Enable X axis motor
BCX ;Enable the brushless calibration command
PRX=50000 ;Command a relative position movement on X axis
BGX ;Begin motion on X axis. When the hall sensors
detect a phase transition, the commutation phase is re-set.
Step 8C. Connect Step Motors
In Stepper Motor operation, the pulse output signal has a 50% duty cycle. Step motors operate open loop and do not
require encoder feedback. When a stepper is used, the auxiliary encoder for the corresponding axis is unavailable

34 • Chapter 2 Getting Started DMC-1700/1800
for an external connection. If an encoder is used for position feedback, connect the encoder to the main encoder
input corresponding to that axis. The commanded position of the stepper can be interrogated with RP or DE. The
encoder position can be interrogated with TP.
The frequency of the step motor pulses can be smoothed with the filter parameter, KS. The KS parameter has a
range between 0.5 and 8, where 8 implies the largest amount of smoothing. See Command Reference regarding KS.
The DMC-1700/1800 profiler commands the step motor amplifier. All DMC-1700/1800 motion commands apply
such as PR, PA, VP, CR and JG. The acceleration, deceleration, slew speed and smoothing are also used. Since
step motors run open-loop, the PID filter does not function and the position error is not generated.
To connect step motors with the DMC-1700/1800 you must follow this procedure:
Step A. Install SM jumpers
Each axis of the DMC-1700/1800 that will operate a stepper motor must have the
corresponding stepper motor jumper installed. For a discussion of SM jumpers, see
Chapter Two: Step 2. Install Jumpers on the DMC-1700/1800.
.
Step B. Connect step and direction signals from controller to motor amplifier
from the controller to respective signals on your step motor amplifier. (These signals are
labeled PULSX and DIRX for the x-axis on the ICM-1900). Consult the documentation
for your step motor amplifier.
Step C. Configure DMC-1700/1800 for motor type using MT command. You can configure
the DMC-1700/1800 for active high or active low pulses. Use the command MT 2 for
active high step motor pulses and MT -2 for active low step motor pulses. See
description of the MT command in the Command Reference.
Step 9. Tune the Servo System
Adjusting the tuning parameter is required when using servo motors (standard or sinusoidal commutation). The
system compensation provides fast and accurate response and the following presentation suggests a simple and easy
way for compensation. More advanced design methods are available with software design tools from Galil, such as
the Servo Design Kit (SDK software )
The filter has three parameters: the damping, KD; the proportional gain, KP; and the integrator, KI. The parameters
should be selected in this order.
To start, set the integrator to zero with the instruction
KI 0 (CR) Integrator gain
and set the proportional gain to a low value, such as
KP 1 (CR) Proportional gain
KD 100 (CR) Derivative gain
For more damping, you can increase KD (maximum is 4095). Increase gradually and stop after the motor vibrates.
A vibration is noticed by audible sound or by interrogation. If you send the command
TE X (CR) Tell error
a few times, and get varying responses, especially with reversing polarity, it indicates system vibration. When this
happens, simply reduce KD.
Next you need to increase the value of KP gradually (maximum allowed is 1023). You can monitor the improvement
in the response with the Tell Error instruction
KP 10 (CR) Proportion gain
TE X (CR) Tell error
As the proportional gain is increased, the error decreases.

DMC-1700/1800 Chapter 2 Getting Started • 35
Again, the system may vibrate if the gain is too high. In this case, reduce KP. Typically, KP should not be greater
than KD/4. (Only when the amplifier is configured in the current mode).
Finally, to select KI, start with zero value and increase it gradually. The integrator eliminates the position error,
resulting in improved accuracy. Therefore, the response to the instruction
TE X (CR)
becomes zero. As KI is increased, its effect is amplified and it may lead to vibrations. If this occurs, simply reduce
KI. Repeat tuning for the Y, Z and W axes.
For a more detailed description of the operation of the PID filter and/or servo system theory, see Chapter 10 -
Theory of Operation.
Design Examples
Here are a few examples for tuning and using your controller. These examples have remarks next to each command
- these remarks must not be included in the actual program.
Example 1 - System Set-up
This example assigns the system filter parameters, error limits and enables the automatic error shut-off.
Instruction Interpretation
KP10,10,10,10 Set gains for a,b,c,d (or X,Y,Z,W axes)
KP*=10 Alternate method for setting gain on all axes
KPX=10 Alternate method for setting X (or A) axis gain
KPA=10 Alternate method for setting A (or X) axis gain
KP, 20 Set Y axis gain only
1X80
When using controllers with 5 or more axes, the X,Y,Z and W axes can also be referred to as the
A,B,C,D axes.
Instruction Interpretation
OE 1,1,1,1,1,1,1,1 Enable automatic Off on Error function for all axes
ER*=1000 Set error limit for all axes to 1000 counts
KP10,10,10,10,10,10,10,10 Set gains for a,b,c,d,e,f,g,and h axes
KP*=10 Alternate method for setting gain on all axes
KPX=10 Alternate method for setting X (or A) axis gain
KPA=10 Alternate method for setting A (or X) axis gain
KP,,10 Set Z axis gain only
KPZ=10 Alternate method for setting Z axis gain
KPD=10 Alternate method for setting D axis gain
KPH=10 Alternate method for setting H axis gain
Example 2 - Profiled Move
Objective: Rotate the X axis a distance of 10,000 counts at a slew speed of 20,000 counts/sec and an acceleration
and deceleration rates of 100,000 counts/s2. In this example, the motor turns and stops:

36 • Chapter 2 Getting Started DMC-1700/1800
Instruction Interpretation
PR 10000 Distance
SP 20000 Speed
DC 100000 Deceleration
AC 100000 Acceleration
BG X Start Motion
Example 3 - Multiple Axes
Objective: Move the four axes independently.
Instruction Interpretation
PR 500,1000,600,-400 Distances of X,Y,Z,W
SP 10000,12000,20000,10000 Slew speeds of X,Y,Z,W
AC 100000,10000,100000,100000 Accelerations of X,Y,Z,W
DC 80000,40000,30000,50000 Decelerations of X,Y,Z,W
BG XZ Start X and Z motion
BG YW Start Y and W motion
Example 4 - Independent Moves
The motion parameters may be specified independently as illustrated below.
Instruction Interpretation
PR ,300,-600 Distances of Y and Z
SP ,2000 Slew speed of Y
DC ,80000 Deceleration of Y
AC, 100000 Acceleration of Y
SP ,,40000 Slew speed of Z
AC ,,100000 Acceleration of Z
DC ,,150000 Deceleration of Z
BG Z Start Z motion
BG Y Start Y motion
Example 5 - Position Interrogation
The position of the four axes may be interrogated with the instruction, TP.
Instruction Interpretation
TP Tell position all four axes
TP X Tell position - X axis only
TP Y Tell position - Y axis only
TP Z Tell position - Z axis only
TP W Tell position - W axis only
The position error, which is the difference between the commanded position and the actual position can be
interrogated with the instruction TE.

DMC-1700/1800 Chapter 2 Getting Started • 37
Instruction Interpretation
TE Tell error - all axes
TE X Tell error - X axis only
TE Y Tell error - Y axis only
TE Z Tell error - Z axis only
TE W Tell error - W axis only
Example 6 - Absolute Position
Objective: Command motion by specifying the absolute position.
Instruction Interpretation
DP 0,2000 Define the current positions of X,Y as 0 and 2000
PA 7000,4000 Sets the desired absolute positions
BG X Start X motion
BG Y Start Y motion
After both motions are complete, the X and Y axes can be command back to zero:
PA 0,0 Move to 0,0
BG XY Start both motions
Example 7 - Velocity Control
Objective: Drive the X and Y motors at specified speeds.
Instruction Interpretation
JG 10000,-20000 Set Jog Speeds and Directions
AC 100000, 40000 Set accelerations
DC 50000,50000 Set decelerations
BG XY Start motion
after a few seconds, command:
JG -40000 New X speed and Direction
TV X Returns X speed
and then
JG ,20000 New Y speed
TV Y Returns Y speed
These cause velocity changes including direction reversal. The motion can be stopped with the instruction
ST Stop
Example 8 - Operation Under Torque Limit
The magnitude of the motor command may be limited independently by the instruction TL.
Instruction Interpretation
TL 0.2 Set output limit of X axis to 0.2 volts
JG 10000 Set X speed
BG X Start X motion

38 • Chapter 2 Getting Started DMC-1700/1800
In this example, the X motor will probably not move since the output signal will not be sufficient to overcome the
friction. If the motion starts, it can be stopped easily by a touch of a finger.
Increase the torque level gradually by instructions such as
Instruction Interpretation
TL 1.0 Increase torque limit to 1 volt.
TL 9.98 Increase torque limit to maximum, 9.98 Volts.
The maximum level of 9.998 volts provides the full output torque.
Example 9 - Interrogation
The values of the parameters may be interrogated. Some examples …
Instruction Interpretation
KP ? Return gain of X axis.
KP ,,? Return gain of Z axis.
KP ?,?,?,? Return gains of all axes.
Many other parameters such as KI, KD, FA, can also be interrogated. The command reference denotes all
commands which can be interrogated.
Example 10 - Operation in the Buffer Mode
The instructions may be buffered before execution as shown below.
Instruction Interpretation
PR 600000 Distance
SP 10000 Speed
WT 10000 Wait 10000 milliseconds before reading the next instruction
BG X Start the motion
Example 11 - Using the On-Board Editor
Motion programs may be edited and stored in the controllers on-board memory. When the command, ED is given
from the Galil DOS terminal (such as DMCTERM), the controllers editor will be started.
The instruction
ED Edit mode
moves the operation to the editor mode where the program may be written and edited. The editor provides the line
number. For example, in response to the first ED command, the first line is zero.
Line # Instruction Interpretation
000 #A Define label
001 PR 700 Distance
002 SP 2000 Speed
003 BGX Start X motion
004 EN End program
To exit the editor mode, input <cntrl>Q. The program may be executed with the command.
XQ #A Start the program running

DMC-1700/1800 Chapter 2 Getting Started • 39
If the ED command is issued from the Galil Windows terminal software (such as DTERM32), the software will
open a Windows based editor. From this editor a program can be entered, edited, downloaded and uploaded to the
controller.
Example 12 - Motion Programs with Loops
Motion programs may include conditional jumps as shown below.
Instruction Interpretation
#A Label
DP 0 Define current position as zero
V1=1000 Set initial value of V1
#Loop Label for loop
PA V1 Move X motor V1 counts
BG X Start X motion
AM X After X motion is complete
WT 500 Wait 500 ms
TP X Tell position X
V1=V1+1000 Increase the value of V1
JP #Loop,V1<10001 Repeat if V1<10001
EN End
After the above program is entered, quit the Editor Mode, <cntrl>Q. To start the motion, command:
XQ #A Execute Program #A
Example 13 - Motion Programs with Trippoints
The motion programs may include trippoints as shown below.
Instruction Interpretation
#B Label
DP 0,0 Define initial positions
PR 30000,60000 Set targets
SP 5000,5000 Set speeds
BGX Start X motion
AD 4000 Wait until X moved 4000
BGY Start Y motion
AP 6000 Wait until position X=6000
SP 2000,50000 Change speeds
AP ,50000 Wait until position Y=50000
SP ,10000 Change speed of Y
EN End program
To start the program, command:
XQ #B Execute Program #B
Example 14 - Control Variables
Objective: To show how control variables may be utilized.

40 • Chapter 2 Getting Started DMC-1700/1800
Instruction Interpretation
#A;DP0 Label; Define current position as zero
PR 4000 Initial position
SP 2000 Set speed
BGX Move X
AMX Wait until move is complete
WT 500 Wait 500 ms
#B
V1 = _TPX Determine distance to zero
PR -V1/2 Command X move ½ the distance
BGX Start X motion
AMX After X moved
WT 500 Wait 500 ms
V1= Report the value of V1
JP #C, V1=0 Exit if position=0
JP #B Repeat otherwise
#C Label #C
EN End of Program
To start the program, command
XQ #A Execute Program #A
This program moves X to an initial position of 1000 and returns it to zero on increments of half the distance. Note,
_TPX is an internal variable which returns the value of the X position. Internal variables may be created by
preceding a DMC-1700/1800 instruction with an underscore, _.
Example 15 - Linear Interpolation
Objective: Move X,Y,Z motors distance of 7000,3000,6000, respectively, along linear trajectory. Namely, motors
start and stop together.
Instruction Interpretation
LM XYZ Specify linear interpolation axes
LI 7000,3000,6000 Relative distances for linear interpolation
LE Linear End
VS 6000 Vector speed
VA 20000 Vector acceleration
VD 20000 Vector deceleration
BGS Start motion
Example 16 - Circular Interpolation
Objective: Move the XY axes in circular mode to form the path shown on Fig. 2-8. Note that the vector motion
starts at a local position (0,0) which is defined at the beginning of any vector motion sequence. See application
programming for further information.
Instruction Interpretation
VM XY Select XY axes for circular interpolation
VP –4000,0 Linear segment
CR 2000,270,-180 Circular segment

DMC-1700/1800 Chapter 2 Getting Started • 41
VP 0,4000 Linear segment
CR 2000,90,-180 Circular segment
VS 1000 Vector speed
VA 50000 Vector acceleration
VD 50000 Vector deceleration
VE End vector sequence
BGS Start motion
(0,0) local zero
(0,4000)(-4000,4000)
(-4000,0)
X
Y
R=2000
Figure 2-8 Motion Path for Example 16

42 • Chapter 2 Getting Started DMC-1700/1800
THIS PAGE LEFT BLANK INTENTIONALLY

DMC-1700/1800 Chapter 3 Connecting Hardware • 43
Chapter 3 Connecting Hardware
Overview
The DMC-1700/1800 provides optoisolated digital inputs for forward limit, reverse limit, home, and abort
signals. The controller also has 8 optoisolated, uncommitted inputs (for general use) as well as 8 TTL outputs and
8 analog inputs configured for voltages between +/- 10 volts.
1X80 Controllers with 5 or more axes have 16 optoisolated uncommitted inputs, 8 TTL inputs, and 16 TTL
outputs.
17X8 The DMC-1718, 1728, 1738, and 1748 controllers have an additional 64 I/O which can be connected
to OPTO 22 racks.
This chapter describes the inputs and outputs and their proper connection.
If you plan to use the auxiliary encoder feature of the DMC-1700 or DMC-1800, you must also connect a cable-26-
25 from the 26-pin J5 Auxiliary encoder connector on the DMC-1700 or DMC-1800 to the 25-pin connector on the
AMP-19X0 or ICM-1900. This cable is not shipped unless requested when ordering. For controllers with 5 or more
axes, two cable-26-25 cables are necessary for connection to two separate interconnect modules.
Using Optoisolated Inputs
Limit Switch Input
The forward limit switch (FLSx) inhibits motion in the forward direction immediately upon activation of the switch.
The reverse limit switch (RLSx) inhibits motion in the reverse direction immediately upon activation of the switch.
If a limit switch is activated during motion, the controller will make a decelerated stop using the deceleration rate
previously set with the DC command. The motor will remain on (in a servo state) after the limit switch has been
activated and will hold motor position.
When a forward or reverse limit switch is activated, the current application program that is running will be
interrupted and the controller will automatically jump to the #LIMSWI subroutine if one exists. This is a subroutine
which the user can include in any motion control program and is useful for executing specific instructions upon
activation of a limit switch. Automatic Subroutines are discussed in Chapter 6.
After a limit switch has been activated, further motion in the direction of the limit switch will not be possible until
the logic state of the switch returns back to an inactive state. This usually involves physically opening the tripped
switch. Any attempt at further motion before the logic state has been reset will result in the following error: “022 -
Begin not possible due to limit switch” error.
The operands, _LFx and _LRx, contain the state of the forward and reverse limit switches, respectively (x represents
the axis, X,Y,Z,W etc.). The value of the operand is either a ‘0’ or ‘1’ corresponding to the logic state of the limit
switch. Using a terminal program, the state of a limit switch can be printed to the screen with the command, MG

44 • Chapter 3 Connecting Hardware DMC-1700/1800
_LFx or MG _LFx. This prints the value of the limit switch operands for the ‘x’ axis. The logic state of the limit
switches can also be interrogated with the TS command. For more details on TS see the Command Reference.
Home Switch Input
Homing inputs are designed to provide mechanical reference points for a motion control application. A transition in
the state of a Home input alerts the controller that a particular reference point has been reached by a moving part in
the motion control system. A reference point can be a point in space or an encoder index pulse.
The Home input detects any transition in the state of the switch and toggles between logic states 0 and 1 at every
transition. A transition in the logic state of the Home input will cause the controller to execute a homing routine
specified by the user.
There are three homing routines supported by the DMC-1700/1800: Find Edge (FE), Find Index (FI), and Standard
Home (HM).
The Find Edge routine is initiated by the command sequence: FEX <return>, BGX <return>. The Find Edge routine
will cause the motor to accelerate, then slew at constant speed until a transition is detected in the logic state of the
Home input. The direction of the FE motion is dependent on the state of the home switch. High level causes
forward motion. The motor will then decelerate to a stop. The acceleration rate, deceleration rate and slew speed
are specified by the user, prior to the movement, using the commands AC, DC, and SP. It is recommended that a
high deceleration value be used so the motor will decelerate rapidly after sensing the Home switch.
The Find Index routine is initiated by the command sequence: FIX <return>, BGX <return>. Find Index will cause
the motor to accelerate to the user-defined slew speed (SP) at a rate specified by the user with the AC command and
slew until the controller senses a change in the index pulse signal from low to high. The motor then decelerates to a
stop at the rate previously specified by the user with the DC command. Although Find Index is an option for
homing, it is not dependent upon a transition in the logic state of the Home input, but instead is dependent upon a
transition in the level of the index pulse signal.
The Standard Homing routine is initiated by the sequence of commands HMX <return>, BGX <return>. Standard
Homing is a combination of Find Edge and Find Index homing. Initiating the standard homing routine will cause
the motor to slew until a transition is detected in the logic state of the Home input. The motor will accelerate at the
rate specified by the command, AC, up to the slew speed. After detecting the transition in the logic state on the
Home Input, the motor will decelerate to a stop at the rate specified by the command, DC. After the motor has
decelerated to a stop, it switches direction and approaches the transition point at the speed of 256 counts/sec. When
the logic state changes again, the motor moves forward (in the direction of increasing encoder count) at the same
speed, until the controller senses the index pulse. After detection, it decelerates to a stop and defines this position as
0. The logic state of the Home input can be interrogated with the command MG _HMX. This command returns a 0
or 1 if the logic state is low or high, respectively. The state of the Home input can also be interrogated indirectly
with the TS command.
For examples and further information about Homing, see command HM, FI, FE of the Command Reference and the
section entitled ‘Homing’ in the Programming Motion Section of this manual.
Abort Input
The function of the Abort input is to immediately stop the controller upon transition of the logic state.
NOTE: The response of the abort input is significantly different from the response of an activated limit switch.
When the abort input is activated, the controller stops generating motion commands immediately, whereas the limit
switch response causes the controller to make a decelerated stop.
NOTE: The effect of an Abort input is dependent on the state of the off-on-error function for each axis. If the Off-
On-Error function is enabled for any given axis, the motor for that axis will be turned off when the abort signal is
generated. This could cause the motor to ‘coast’ to a stop since it is no longer under servo control. If the Off-On-
Error function is disabled, the motor will decelerate to a stop as fast as mechanically possible and the motor will
remain in a servo state.

DMC-1700/1800 Chapter 3 Connecting Hardware • 45
All motion programs that are currently running are terminated when a transition in the Abort input is detected. For
information on setting the Off-On-Error function, see the Command Reference, OE.
Uncommitted Digital Inputs
The DMC-1700/1800 has 8 opto-isolated inputs. These inputs can be read individually using the function @ IN[x]
where x specifies the input number (1 thru 8). These inputs are uncommitted and can allow the user to create
conditional statements related to events external to the controller. For example, the user may wish to have the x-axis
motor move 1000 counts in the positive direction when the logic state of IN1 goes high.
1X80 Controllers with more than 4 axes have 16 optoisolated inputs and 8 TTL inputs which are denoted as
Inputs 1 thru 24.
For controllers with more than 4 axes, the inputs 9-16 and the limit switch inputs for the additional
axes are accessed through the second 100-pin connector.
IN9-IN16 INCOM
FLE,RLE,HOMEE
FLF,RLF,HOMEF
FLG,RLG,HOMEG
FLH,RLH,HOMEH
LSCOM
This can be accomplished by connecting a voltage in the range of +5V to +28V into INCOM of the input circuitry
from a separate power supply.
17X8 DMC-1718, 1728, 1738, 1748 controllers have 64 additional TTL I/O. The CO commands configures
each set of 8 I/O as inputs or outputs. The DMC-17X8 use two 50 pin headers which connect directly
via ribbon cable to an OPTO 22 (24 I/O) or Grayhill Opto rack (32 I/O).
The function “@IN[n]” (where n is 1-80) can be used to check the state of the inputs 1 thru 80.
Wiring the Optoisolated Inputs
Bi-Directional Capability.
All inputs can be used as active high or low - If you are using an isolated power supply you can connect +5V to
INCOM or supply the isolated ground to INCOM. Connecting +5V to INCOM configures the inputs for active
low. Connecting ground to INCOM configures the inputs for active high.
INCOM can be located on the DMC-1700/1800 directly or on the ICM-1900 or AMP-19X0. The jumper is
labeled INCOM.
The optoisolated inputs are configured into groups. For example, the general inputs, IN1-IN8, and the
ABORT input are one group. Figure 3.1 illustrates the internal circuitry. The INCOM signal is a common
connection for all of the inputs in this group.
The optoisolated inputs are connected in the following groups
Group (Controllers with 1- 4 Axes) Group (Controllers with 5 - 8 Axes) Common
Signal
IN1-IN8, ABORT IN1-IN16, ABORT INCOM/INC*
FLX,RLX,HOMEX
FLY,RLY,HOMEY
FLZ,RLZ,HOMEZ
FLW,RLW,HOMEW
FLX,RLX,HOMEX,FLY,RLY,HOMEY
FLZ,RLZ,HOMEZ,FLW,RLW,HOMEW
FLE,RLE,HOMEE,FLF,RLF,HOMEF
FLG,RLG,HOMEG,FLH,RLH,HOMEH
LSCOM/LSC*

46 • Chapter 3 Connecting Hardware DMC-1700/1800
For the DMC-1800 there is a separate LSCOM and INCOM for IN1-IN8, home, and limit switches for axes 1-4 and
for IN9-16, home, and limit switches for axes 5-8. The jumpers are located on the DMC-1800 at JP3 and JP13,
respectively.
INCOM
IN1 IN2 IN3 IN4 IN5 IN6 IN7 IN8 ABORT
LSCOM
FLSX RLSX HOMEX FLSY RLSY HOMEY
Additional Limit
Switches(Dependent on
Number of Axes)
(XLATCH) (YLATCH) (ZLATCH) (WLATCH)
Figure 3-1. The Optoisolated Inputs.
Note: The DMC-1700 controllers with 5 or more axes have IN9 through IN16 also connected to INCOM. The
DMC-1800 controllers have a separate INCOM (labeled INC) for IN9 through IN16.
Using an Isolated Power Supply
To take full advantage of opto-isolation, an isolated power supply should be used to provide the voltage at the input
common connection. When using an isolated power supply, do not connect the ground of the isolated power to the
ground of the controller. A power supply in the voltage range between 5 to 24 Volts may be applied directly (see
Figure 3-2). For voltages greater than 24 Volts, a resistor, R, is needed in series with the input such that
1 mA < V supply/(R + 2.2KΩ) < 11 mA

DMC-1700/1800 Chapter 3 Connecting Hardware • 47
LSCOM
FLSX
External Resistor Needed for
Voltages > 24V
LSCOM
FLSX
External Resistor Needed for
Voltages > 24V
Configuration to source current at the
LSCOM terminal and sink current at
switch inputs
Configuration to sink current at the
LSCOM terminal and source current at
switch inputs
2.2K 2.2K
Figure 3-2. Connecting a single Limit or Home Switch to an Isolated Supply.
This diagram only shows the connection for the forward limit switch of the X axis.
NOTE: As stated in Chapter 2, the wiring is simplified when using the ICM-1900 or AMP-19X0 interface board.
This board accepts the signals from the ribbon cables of the DMC-1700/1800 and provides phoenix-type screw
terminals. A picture of the ICM-1900 can be seen in Chapter 2. If an ICM-1900 is not used, an equivalent breakout
board will be required to connect signals from the DMC-1700/1800.
Bypassing the Opto-Isolation:
If no isolation is needed, the internal 5 Volt supply may be used to power the switches. This can be done by
connecting a jumper between the pins LSCOM or INCOM and 5V, labeled JP3. These jumpers can be added on
either the ICM-1900 (J52) or the DMC-1700/1800. This can also be done by connecting wires between the 5V
supply and common signals using the screw terminals on the ICM-1900 or AMP-19X0.
To close the circuit, wire the desired input to any ground (GND) terminal or pin out.
Analog Inputs
The DMC-1700/1800 has eight analog inputs configured for the range between -10V and 10V. The inputs are
decoded by a 12-bit A/D decoder giving a voltage resolution of approximately .005V. A 16-bit ADC is available as
an option. The impedence of these inputs is 10 KΩ. The analog inputs are specified as AN[x] where x is a number
1 thru 8.
Amplifier Interface
The DMC-1700/1800 analog command voltage, MOCMD, ranges between +/-10V. This signal, along with GND,
provides the input to the power amplifiers. The power amplifiers must be sized to drive the motors and load. For
best performance, the amplifiers should be configured for a current mode of operation with no additional
compensation. The gain should be set such that a 10 Volt input results in the maximum required current.
The DMC-1700/1800 also provides an amplifier enable signal, AEN. This signal changes under the following
conditions: the watchdog timer activates, the motor-off command, MO, is given, or the OE1command (Enable Off-
On-Error) is given and the position error exceeds the error limit. As shown in Figure 3-3, AEN can be used to
disable the amplifier for these conditions.
The standard configuration of the AEN signal is TTL active high. In other words, the AEN signal will be high when
the controller expects the amplifier to be enabled. The polarity and the amplitude can be changed if you are using

48 • Chapter 3 Connecting Hardware DMC-1700/1800
the ICM-1900interface board. To change the polarity from active high (5 volts= enable, zero volts = disable) to
active low (zero volts = enable, 5 volts= disable), replace the 7407 IC with a 7406. Note that many amplifiers
designate the enable input as ‘inhibit’.
To change the voltage level of the AEN signal, note the state of the resistor pack on the ICM-1900. When Pin 1 is
on the 5V mark, the output voltage is 0-5V. To change to 12 volts, pull the resistor pack and rotate it so that Pin 1 is
on the 12 volt side. If you remove the resistor pack, the output signal is an open collector, allowing the user to
connect an external supply with voltages up to 24V.
100-PIN
HIGH
DENSITY
CABLE
MOCMDX
AMPENX
GND
ICM-1900/2900DMC-1700/1800
+5V+12V
SERVO MOTOR
AMPLIFIER
Analog Switch
Connection to +5V or +12V made
through Resistor pack RP1. Removing
the resistor pack allows the user to
connect their own resistor to the desired
voltage level (Up to24V). Accessed by
removing Interconnect cover.
7407 Open Collector
Buffer. The Enable
signal can be inverted
by using a 7406.
Accessed by removing
Interconnect cover.
Figure 3-3 - Connecting AEN to the motor amplifier
TTL Inputs
1X80 As previously mentioned, the DMC-1700/1800 has 8 uncommitted TTL level inputs for controllers
with 5 or more axes. These are specified as INx where x ranges from 17 thru 24 and are interrogated
using the operand @IN[x]. The reset input is also a TTL level, non-isolated signal and is used to
locally reset the DMC-1700/1800 without resetting the PC.
TTL Outputs
The DMC-1700/1800 provides eight general use outputs, an output compare and an error signal output.
The general use outputs are TTL and are accessible through the ICM-1900 as OUT1 thru OUT8. These outputs can
be turned On and Off with the commands, SB (Set Bit), CB (Clear Bit), OB (Output Bit), and OP (Output Port). For

DMC-1700/1800 Chapter 3 Connecting Hardware • 49
more information about these commands, see the Command Summary. The value of the outputs can be checked
with the operand _OP and the function @OUT[x] (see Chapter 7, Mathematical Functions and Expressions).
1X80 Controllers with 5 or more axes have an additional eight general use TTL outputs.
NOTE: For systems using the ICM-1900 interconnect module, the ICM-1900 has an option to provide optoisolation
on the outputs. In this case, the user provides a an isolated power supply (+5volts to +24volts and ground). For
more information, consult Galil.
The output compare signal is TTL and is available on the ICM-1900 as CMP. Output compare is controlled by the
position of any of the main encoders on the controller. The output can be programmed to produce an active low
pulse (1usec) based on an incremental encoder value or to activate once when an axis position has been passed. For
further information, see the command OC in the Command Reference.
The error signal output is available on the interconnect module as ERROR. This is a TTL signal which is low when
the controller has an error.
Note: When the error signal is low, the LED on the controller will be on, indicating one of the following error
conditions:
1. At least one axis has a position error greater than the error limit. The error limit is set by using the
command ER.
2. The reset line on the controller is held low or is being affected by noise.
3. There is a failure on the controller and the processor is resetting itself.
4. There is a failure with the output IC which drives the error signal.

50 • Chapter 3 Connecting Hardware DMC-1700/1800
THIS PAGE LEFT BLANK INTENTIONALLY

DMC-1700/1800 Chapter 4 - Software Tools and Communications • 51
Chapter 4 - Software Tools and
Communications
Introduction
Galil software is available for PC computers running Microsoft Windows® to communicate with DMC-1700 and DMC-
1800 controllers via ISA and PCI buses, respectively. Standard Galil communications software utilities are available for
Windows operating systems, which includes SmartTERM and WSDK. These software packages are developed to
operate under Windows 98SE, ME, NT4.0, 2000, and XP, and include all the necessary drivers to communicate with
both ISA and PCI cards. In addition, Galil offers software development tools ( CToolkit and ActiveX Toolkit) to allow
users to create their own application interfaces using programming environments such as C, C++, Visual Basic, and
LabVIEW.
Galil also offers some basic software drivers and utilities for non-Windows environments such as DOS, Linux, and
QNX. For users who prefer to develop there own drivers, details are provided in this chapter describing the ISA and PCI
communications registers used on Galil DMC-1700 and DMC-1800 controllers.
The following sections in this chapter are a brief introduction to the software tools and communication techniques used
by Galil. Figure-4.1 illustrates the software hierarchy that Galil communications software employs. At the application
level, SmartTERM and WSDK are the basic programs that the majority of users will need to communicate with the
controller, to perform basic setup, and to develop application code (.DMC programs) that is downloaded to the
controller. At the Galil API level, Galil provides software tools (ActiveX and API functions) for advanced users, who
wish to develop their own custom application programs to communicate to the controller. Custom application programs
can utilize API function calls directly to our DLL’s, or use our ActiveX COM objects. The ActiveX controls can
simplify programming and offer additional functionality over using the communication DLL’s directly. At the driver
level, we provide fundamental hardware interface information for users who desire to create their own drivers.

52 • Chapter 4 - Software Tools and Communications DMC-1700/1800
SmartTERM / WSDK
DMC32.dll
Galil ActiveX Controls (DMCShell.ocx,
DMCReg.ocx, DMCTerm.ocx, etc.)
GLWDMPCI.sys.
DMC-1800 FIFO, DPRAM, IRQ
Application
Level
Galil API Level
Driver Level
Hardware
Interface
DMCBUS32.dll
GLWDMISA.sys
DMC-1700 FIFO, DMA, IRQ
Figure 4.1 - Software Communications Hierarchy

DMC-1700/1800 Chapter 4 - Software Tools and Communications • 53
Galil SmartTERM
SmartTERM is Galil’s basic communications utility that allows the user to perform basic tasks such as sending
commands directly to the controller, editing, downloading, and executing DMC programs, uploading and downloading
arrays, and updating controller firmware. The latest version of SmartTERM can be downloaded from the Galil website at
http://www.galilmc.com/support/download.html
Figure 4.2 - Galil SmartTERM
The following SmartTERM File menu items briefly describe some basic features of the application.
Download File... Launches a file-open dialog box that selects a file (usually a DMC file) to be
downloaded to the controller. This command uses the DL command to download the
file, clearing all programs in the controller's RAM.
Upload File... Opens a file save-as dialog that creates a file for saving the DMC program that is in
the controller's RAM. This command uses the UL command to upload the file.
Send File... Launches a file-open dialog box that selects a file (usually a DMC file) to be sent to
the controller. Each line of the file is sent to the controller as a command and is
executed immediately.

54 • Chapter 4 - Software Tools and Communications DMC-1700/1800
Download Array... Opens the "Download Array" dialog box that allows an array in the controller's
RAM to be defined and populated with data. The dialog box uses the DMC32.dll 's
DMCArrayDownload function to download the array. The controller's firmware
must be recent enough to support the QD command. Array values specified in the
data file must be comma separated or CRLF deliminated.
Upload Array... Opens the "Upload Array" dialog box that allows an array in the controller's RAM to
be saved to a file on the hard disk. The dialog box uses the DMC32.dll 's
DMCArrayUpload function to upload the array. The controller's firmware must be
recent enough to support the QU command.
Convert File ASCII to Binary... Opens a dialog box that allows a file containing Galil ASCII language commands to
be converted to Galil binary commands and saves the result to the specified file
name.
Convert File Binary to ASCII... Opens a dialog box that allows a file containing Galil binary language commands to
be converted to Galil ASCII commands and saves the result to the specified file
name.
Send Binary File... Launches a file-open dialog box that selects a file (usually a DMC file) to be sent to
the controller. This file can contain binary commands. Each line of the file is sent to
the controller as a command and executed immediately.
Additionally, the Tools menu items described below provide some advanced tasks such as updating firmware,
diagnostics, accessing the registry editor, and resetting the controller.
Select Controller... Opens the "Select Controller" dialog box that displays the currently registered Galil
Motion Controllers. Selecting a controller from the list and clicking on the OK button or
double-clicking a controller will cause the application to close any current connections
to a controller and open a new connection to the selected controller. DMCTerminal only
connects to a single controller at a time. However, multiple instances of the application
can be open at once.
Disconnect from Controller Causes the currently open connection to a Galil Motion Controller to be closed.
Controller Registration... Opens the "Edit Registry" dialog box, which allows the Galil Registry entries to be
edited or new entries for non Plug-and-Play controllers to be created or deleted.
DMC Program Editor... Causes the terminal to enter "Smart Terminal with Editor" mode. This is the same as
clicking on the "Smart Terminal with Editor" mode button on the terminal window's
toolbar.
Reset Controller Offers three "reset" options. "Reset Controller" sends an RS command to the controller.
The RS command does not clear any saved variables, programs, or parameters. "Master
Reset" performs a master reset on the controller. A Master Reset does clear any saved
variables, programs, or parameters. "Clear Controller's FIFO" causes the controller's
output FIFO to be cleared of data.
Device Driver The Device Driver menu selection is available to operating systems and/or controllers
that have device drivers that can be stopped and started. This includes drivers on NT4.0
and serial and Ethernet controllers on all operating systems.
Diagnostics The "Diagnostics" menu allows diagnostics to be stopped and started. It also will load
the diagnostics output file specified in the Tools/Options menu to be loaded into the
editor window for analysis. The "Test Controller" command tests the current controller
with a series of standard communication tests.

DMC-1700/1800 Chapter 4 - Software Tools and Communications • 55
Update Firmware...
The "Update Firmware" command allows new firmware to be downloaded to the
currently connected controller. Selecting this command will cause a file-open dialog box
to open, allowing the user to specify a *.HEX file to be specified for download. The
latest firmware files can be downloaded from Galil's website.
Display Data Record
Causes the Data Record dialog box to be displayed for the currently connected
controller. The dialog automatically configures itself to display the data record for each
type of Galil Motion Controller.
Options
The Options menu command causes the Options dialog to be displayed. The Options
dialog box allows several application options to be set. These option settings are
preserved between uses.
DMC Program Editor Window
The Program Editor Window is used to create application programs (.DMC) that are downloaded to the controller. The
editor window is also useful for uploading and editing programs already residing in the controller memory. This window
has basic text editing features such as copy, cut, paste, etc. Also the editor window File function allows an application
program to be downloaded with compression (80 characters wide) This allows the user to write an application program
in the editor window that is longer than the normal line limitation (1000 lines) and download it to the controller.
Additionally, dynamic syntax help is available by activating the syntax help button (“:A->” icon) or typing CTRL-H.
DMC Data Record Display
The DMC SmartTERM utility program includes a “Data Record” display window that is useful for observing the current
status of all the major functions of the controller including axis specific data, I/O status, application program status, and
general status. The data record is available on DMC-1700 and DMC-1800 controllers through a secondary
communications channel.
When using a DMC-1700 controller, the data record data is provided by either a Secondary FIFO or a Direct Memory
Access (DMA) channel. Refer to Ch.2 Getting started for information on configuring DMA channels.
When using a DMC-1800 controller the data record data is provided by either a secondary FIFO or Dual Port RAM
(DPRAM). DPRAM is only available on DMC-1850 to 1880 RevE and DMC-1810 to 1840 RevH boards and greater.
The DPRAM is configured and enabled automatically by the Galil driver.
To display the Data Record (shown in Fig 4.3), select Display Data Record under the Tools menu of DMC
SmartTERM.

56 • Chapter 4 - Software Tools and Communications DMC-1700/1800
Figure 4.3 - Data Record Display for a DMC-1840
The Data Record display is user customizable so that all, or just parts, of the record can be displayed. To modify the
display, right click on an object to access the options. For detailed information about the features of the Galil DMC
SmartTERM including the Data Record, please consult Help Topics under the Help menu.

DMC-1700/1800 Chapter 4 - Software Tools and Communications • 57
Communication Settings for ISA and PCI
The Galil SmartTERM application installation (as well as WSDK, ActiveX, and DMCWIN32 installations) includes the
necessary drivers and .DLL files required to communicate with the Galil controller. The drivers are automatically
installed and default communications settings are applied to the device by the driver when a card is installed as per the
installation procedure outlined in Ch.2. However, some advanced settings are available to modify the communications
methods and data record access. These settings are accessed through the Galil Registry Editor after the card is properly
installed.
Galil Registry Editor
The “Edit Registry” dialog box (shown in Fig 4.4) can be accessed by selecting Controller Registration… under the
Tools menu (or by selecting the toolbar icon with the magnifying glass) within DMC SmartTERM. The Edit Registry
dialog shows the current controller models installed to the PC along with their associated I/O addresses, interrupt lines,
and controller serial numbers. The Galil Registry is part of the DMCReg.ocx ActiveX object (refer to Fig 4.4). This
ActiveX control is used to create, maintain, and modify the communication parameters, which are discussed next.
Figure 4.4 - Galil Registry Editor
Setting Communications Parameters and Methods
To access the Controller Communication Parameters dialog, highlight the desired controller in the Galil Registry Editor
accessed through SmartTERM and select the Properties command button.
The timeout property under the General Parameters tab (shown in Fig 4.5) allows the user to select the timeout period
that the Galil software waits for a response from the controller before generating an error. If the controller does not reply
to a command with the data response and a colon (or just a colon for commands that do not invoke responses), then the
Galil software API will generate the timeout error code -1 (A time-out occurred while waiting for a response from the
Galil controller). The default setting for the timeout is 5000ms, which should be sufficient for most cases.

58 • Chapter 4 - Software Tools and Communications DMC-1700/1800
Figure 4.5 - General Communications Parameters Dialog
Advanced communications settings are available under the Communications Method tab to allow
different methods of communications to be utilized (shown in Fig 4.6). The version 7 (and higher)
drivers and .DLL’s allow for three different methods of communications: Interrupt, Stall, and Delay.
Figure 4.6 - Controller Communications Method Dialog Box

DMC-1700/1800 Chapter 4 - Software Tools and Communications • 59
Interrupt Communications Method
The interrupt method overall is the most efficient of the three methods. The interrupt communications method uses a
hardware interrupt to notify the driver that a response or unsolicited data is available. This allows for greater efficiency
and response time, since the drivers do not have to “poll” the buffers for the data. Additionally, the interrupt method
allows for data record caching.
The interrupt method uses bus level interrupts (IRQ) from the controller to notify the PC that data is available. This
requires that the Controller be configured with a valid interrupt line. For DMC-1800 controllers the interrupt is
configured automatically. For DMC-1700 controllers, the interrupt is manually set with a jumper specified during the
installation procedure (see Ch.2). Firmware version 2.0m (and greater) is required for the “communications interrupt”
method to be available. For complete information on the different communications methods, select the More Info
button on the Communications parameters dialog box.
Data Record Cache Depth
With the secondary FIFO of the DMC1700 or DMC1800 selected and “interrupt communications” method enabled, the
driver will cache data records for retrieval via API function calls. This makes it possible to not 'miss' any data records,
even if the DR command has been configured to refresh the data record every two milliseconds. For example, a program
could poll at a relatively long frequency (say every 50 milliseconds), and not miss any data. The cache depth can be set
when the interrupt communication method is selected. The data record cache functions like a FIFO. Reading the data
records removes them from the cache. If the cache is full and a new data record arrives from the controller, the new data
record is placed in the cache and the oldest data record in the cache is discarded. If multiple handles to a controller are
open, the first handle to retrieve the data record(s) will possess the only copy available. When an application needs only
the most recent data record available, the cache depth should be set to 1.
Stall Thread and Delay Thread Methods
Users can also choose between "Delay" and "Stall" methods. These two methods are available for both the DMC-1700
and DMC-1800 controllers and affect how the software "waits" for a response from the controller when a command is
sent. If a controller is configured with the "Delay" method, the thread waiting for a command response gives up its time
slice, allowing other processes running on the operating system to proceed. This method can slow communication,
but results in negligible CPU utilization. The second method, the "Stall" method, uses the opposite strategy. The
thread that performs I/O with the controller maintains ownership of the CPU and polls the controller until a
response is received. This approach is essentially the same method employed in previous versions (< V7) of the
Galil communication DLLs and drivers. While the "Stall" method does not have to wait for its thread to become eligible
for execution, it does result in 100% CPU utilization while communicating with the controller.
Data Record Refresh Rate
Under the PCI or ISA Bus Parameters tab, the rate at which the data record is sent to the software drivers can be
configured. The period between refreshes can be set from 2 - 256 ms (assuming the standard TM setting of 1000 is set).
The Galil communications .DLL will use this value to send the appropriate DR command to the controller when a
communications session is opened. Additionally, for DMC-1700 users, the dialog box (shown in Fig 4.7) allows the user
to select between two Data Record Access methods: DMA or Secondary FIFO.

60 • Chapter 4 - Software Tools and Communications DMC-1700/1800
Figure 4.7 - DMC-1700 Data Record Parameters
Figure 4.8 - DMC-1800 Data Record Parameters

DMC-1700/1800 Chapter 4 - Software Tools and Communications • 61
Windows Servo Design Kit (WSDK)
The Galil Windows Servo Design Kit includes advanced tuning and diagnostic tools that allows the user to maximize the
performance of their systems, as well as aid in setup and configuration of Galil controllers. WSDK is recommended for
all first time users of Galil controllers. WSDK has an automatic servo tuning function that adjusts the PID filter
parameters for optimum performance and displays the resulting system step response. A four-channel storage scope
provides a display of the actual position, velocity, error and torque. WSDK also includes impulse, step and frequency
response tests, which are useful for analyzing system stability, bandwidth and resonances. WSDK can be purchased from
Galil via the web at http://store.yahoo.com/galilmc/wsdk32.html.
Features Include:
• Automatic tuning for optimizing controller PID filter parameters
• Provides impulse, step and frequency response tests of actual hardware
• Four-channel storage scope for displaying position, velocity, error and torque
• Displays X versus Y position for viewing actual 2-D motion path
• Terminal editor and program editor for easy communication with the controller
Figure 4.9- WSDK Main Screen

62 • Chapter 4 - Software Tools and Communications DMC-1700/1800
Creating Custom Software Interfaces
Galil provides programming tools so that users can develop their own custom software interfaces to a Galil controller.
These tools include the ActiveX Toolkit and DMCWin.
ActiveX Toolkit
Galil's ActiveX Toolkit is useful for the programmer who wants to easily create a custom operator interface to a Galil
controller. The ActiveX Toolkit includes a collection of ready-made ActiveX COM controls for use with Visual Basic,
Visual C++, Delphi, LabVIEW and other ActiveX compatible programming tools. The most common environment is
Visual Basic 6, but Visual Basic.NET, Visual C++, Wonderware, LabVIEW and HPVEE have all been tested by Galil to
work with the .OCX controls.
The ActiveX Toolkit can be purchased from Galil at http://store.yahoo.com/galilmc/actoolsoffor.html
The ActiveX toolkit can save many hours of programming time. Built-in dialog boxes are provided for quick parameter
setup, selection of color, size, location and text. The toolkit controls are easy to use and provide context sensitive help,
making it ideal for even the novice programmer.
ActiveX Toolkit Includes:
• a terminal control for sending commands and editing programs
• a polling window for displaying responses from the controller such as position and speed
• a storage scope control for plotting real time trajectories such as position versus time or X versus Y
• a send file control for sending contour data or vector DMC files
• a continuous array capture control for data collection, and for teach and playback
• a graphical display control for monitoring a 2-D motion path
• a diagnostics control for capturing current configurations
• a display control for input and output status
• a vector motion control for tool offsets and corner speed control
For more detailed information on the ActiveX Toolkit, please refer to the user manual at
http://www.galilmc.com/support/manuals/activex.pdf.
DMCWin Programmers Toolkit
DMCWin is a programmer's toolkit for C/C++ and Visual Basic users. The toolkit includes header files for the Galil
communications API, as well as source code and examples for developing Windows® programs that communicate to
Galil Controllers. The Galil communications API includes functions to send commands, download programs,
download/upload arrays, access the data record, etc. For a complete list of all the functions, refer to the DMCWin user
manual at http://www.galilmc.com/support/manuals/dmcwin.pdf.
This software package is free for download and is available at http://www.galilmc.com/support/download.html.
Galil Communications API with C/C++
When programming in C/C++, the communications API can be used as included functions or through a class library. All
Galil communications programs written in C must include the DMCCOM.H file and access the API functions through
the declared routine calls. C++ programs can use the DMCCOM.H routines or use the class library defined in
DMCWIN.H.

DMC-1700/1800 Chapter 4 - Software Tools and Communications • 63
After installing DMCWin into the default directory, the DMCCOM.H header file is located in C:\Program
Files\Galil\DMCWIN\INCLUDE. C++ programs that use the class library need the files DMCWIN.H and
DMCWIN.CPP, which contain the class definitions and implementations respectively. These can be found in the
C:\ProgramFiles\Galil\DMCWIN\CPP directory.
To link the application with the DLL’s, the DMC32.lib file must be included in the project and is located at C:\Program
Files\Galil\DMCWIN\LIB
Example: A simple console application that sends commands to the controller
To initiate communication, declare a variable of type HANDLEDMC (a long integer) and pass the address of that
variable in the DMCOpen() function. If the DMCOpen() function is successful, the variable will contain the handle to the
Galil controller, which is required for all subsequent function calls. The following simple example program written as a
Visual C console application tells the controller to move the X axis 1000 encoder counts. Remember to add DMC32.LIB
to your project prior to compiling.
#include <windows.h>
#include <dmccom.h>
long lRetCode;
HANDLEDMC hDmc;
HWND hWnd;
int main(void)
{
// Connect to controller number 1
lRetCode= DMCOpen(1, hWnd, &hDmc);
if (rc == DMCNOERROR)
{
char szBuffer[64];
// Move the X axis 1000 counts
lRetCode = DMCCommand(hDmc, "PR1000;BGX;", szBuffer,
sizeof(szBuffer));
// Disconnect from controller number 1 as the last action
lRetCode = DMCClose(hDmc);
}
return 0;
}
Galil Communications API with Visual Basic
Declare Functions
To use the Galil communications API functions, add the module file included in the
C:\ProgramFiles\Galil\DMCWIN\VB directory named DMCCOM40.BAS. This module declares the routines making
them available for the VB project. To add this file, select ‘Add Module’ from the ‘Project’ menu in VB5/6.
Sending Commands in VB
Most commands are sent to the controller with the DMCCommand() function. This function allows any Galil command
to be sent from VB to the controller. The DMCCommand() function will return the response from the controller as a
string. Before sending any commands the DMCCOpen() function must be called. This function establishes
communication with the controller and is called only once.
This example code illustrates the use of DMCOpen() and DMCCommand(). A connection is made to controller #1 in the
Galil registry upon launching the application. Then, the controller is sent the command ‘TPX’ whenever a command
button is pressed. The response is then placed in a text box. When the application is closed, the controller is
disconnected.

64 • Chapter 4 - Software Tools and Communications DMC-1700/1800
To use this example, start a new Visual Basic project, place a Text Box and a Command Button on a Form, add the
DMCCOM40.BAS module, and type the following code:
Dim m_nController As Integer
Dim m_hDmc As Long
Dim m_nRetCode As Long
Dim m_nResponseLength As Long
Dim m_sResponse As String * 256
Private Sub Command1_Click()
m_nRetCode = DMCCommand(m_hDmc, "TPX", m_sResponse, m_nResponseLength)
Text1.Text = Val(m_sResponse)
End Sub
Private Sub Form_Load()
m_nResponseLength = 256
m_nController = 1
m_nRetCode = DMCOpen(m_nController, 0, m_hDmc)
End Sub
Private Sub Form_Unload(Cancel As Integer)
m_nRetCode = DMCClose(m_hDmc)
End Sub
Where:
‘m_nController’ is the number for the controller in the Galil registry.
‘m_hDmc’ is the DMC handle used to identify the controller. It is returned by DMCOpen.
‘m_nRetCode’ is the return code for the routine.
‘m_nResponseLength’ is the response string length which must be set to the size of the response string.
‘m_sResponse’ is the string containing the controller response to the command.

DMC-1700/1800 Chapter 4 - Software Tools and Communications • 65
DOS, Linux, and QNX tools
Galil offers unsupported code examples that demonstrate communications to the controller using the following operating
systems.
DOS
DOS based utilities & Programming Libraries for Galil controllers, which includes a terminal, utilities to upload and
download programs, and source code for BASIC and C programs. Download DMCDOS at
http://www.galilmc.com/support/download.html#dos.
Linux
Galil has developed code examples for the Linux operating system. The installation includes sample drivers to establish
communication with Galil PCI and ISA controllers. The current version of the software has been tested under Redhat 6.X
O.S. All source codes for the drivers and other utilities developed for Linux are available to customers upon request.
Linux drivers are available for ISA and PCI cards under Kernel 2.2. Drivers are also available for the PCI card only for
Kernel 2.4.
For more information on downloading and installing the Linux drivers for Galil controllers, download the Linux manual
at: http://www.galilmc.com/support/manuals/lnxmanual.pdf.
QNX
Galil offers sample drivers for ISA and PCI cards for the QNX 4.24 operating system. We also offer drivers and utilities
for QNX 6.2 for PCI only. Download at http://www.galilmc.com/support/download.html#linux.
Controller Event Interrupts and User Interrupts
The DMC-1700/1800 provides a hardware interrupt line that will, when enabled, interrupt the PC. This allows the
controller to notify the host application of particular events occurring on the controller. Interrupts free the host from
having to poll for the occurrence of certain events such as motion complete or excess position error.
The DMC-1700/1800 uses only one of the PC’s interrupts; however, it is possible to interrupt on multiple conditions.
For this reason, the controller provides a status byte register that contains a byte designating each condition.
The DMC-1700/1800 provides an interrupt buffer that is 16 deep. This allows for multiple interrupt conditions to be
stored in sequence of occurrence without loss of data.
The DMC-1700/1800 provides two command forms of interrupt functionality, EI and UI. Specific interrupt conditions
can be enabled using the EI command, or explicit user defined interrupts can be sent using the UI command.
Enabling Event Interrupts (EI command)
To enable certain conditions, use the command EIm,n. Where the first field “m” represents a 16-bit
value of conditions described in the table below. For example, to enable interrupts on X and Y motion
complete and position error, set EI515 (i.e. 515=20+21+29). Once the EI command is enabled for a
specific condition, an interrupt will occur for every instance of that condition, except for the items
marked with an asterisk (*), they must be re-enabled after every occurrence.

66 • Chapter 4 - Software Tools and Communications DMC-1700/1800
Bit Number Condition
0 X motion com
p
lete
1 Y motion complete
2 Z motion complete
3 W motion complete
4 E motion complete
5 F motion complete
6 G motion complete
7 H motion complete
8 All axes motion complete
9 Excess position error*
10 Limit switch
11 Watchdog time
r
12 Reserve
d
13 Application program stoppe
d
14 Command done †
15 Inputs* (uses n for mask)
†Not available when using new version 7 drivers.
The argument “n” enables interrupts for the first 8 general inputs. To enable interrupts for the desired inputs, set bit 15 of
the “m” argument, then set the desired inputs using the 8-bit mask for the “n” argument. For example, to enable interrupt
on inputs 1-4, set EI32768,15. Note that the input interrupts must be reset for all inputs after any input has caused an
interrupt.
Bit number Input
0 Input 1
1 Input 2
2 Input 3
3 Input 4
4 Input 5
5 Input 6
6 Input 7
7 Input 8
User Interrupts (UI command)
The DMC-1700/1800 also provides 16 User Interrupts which can be sent by executing the command UIn to the DMC-
1700/1800, where n is an integer between 0 and 15. UI commands are useful in DMC programs to allow the application
program communicate with a host application.
Servicing Interrupts
When an interrupt occurs, the motion controller provides a status byte to indicate which condition has occurred.

DMC-1700/1800 Chapter 4 - Software Tools and Communications • 67
Status B
y
te
(
hex
)
Condition
00 No interrupt
D9 Watchdog timer activated
DA Command done
DB Application program done
F0 thru FF User interrupt
E1 thru E8 Input interrupt
C0 Limit switch occurred
C8 Excess position error
D8 All axis motion complete
D7 H axis motion complete
D6 G axis motion complete
D5 F axis motion complete
D4 E axis motion complete
D3 W axis motion complete
D2 Z axis motion complete
D1 Y axis motion complete
D0 X axis motion complete
The Galil drivers and communication DLL’s will service the interrupt and return the StatusByte. Any host application
that has been properly configured though a window message will then be notified. When using the DMCShell control,
the windows message will be retrieved and the StatusByte will be returned as an argument. For example, when using the
ActiveX toolkit DMCShell control with VB, the DMCShell1_DMCInterrupt() event procedure (shown below) will
execute and pass the StatusByte in the argument. When an interrupt occurs, this StatusByte can then be used in a case
structure as the key to notify the host application of a specific event or condition.
In the VB example below, the event procedure will display a message box every time the X-axis motion is complete,
assuming the command EI1 was sent to the controller. Note: the argument is returned as 208 since the status byte is
returned as an integer (i.e. D0 hex = 208 decimal).
Private Sub DMCShell1_DMCInterrupt(StatusByte As Integer)
If StatusByte = 208 Then
MsgBox "X axis complete"
End If
End Sub
Hardware Level Communications for ISA and PCI
This section of the chapter describes in detail the structures used to communicate with the DMC-1700 and
DMC-1800 controllers at the register interface level. The information in this section is intended for advanced
programmers with extensive knowledge of ISA and PCI bus operation.
Communications with the DMC-1700
The DMC-1700 controller provides dual FIFO (first in first out) buffers, where a primary read/write FIFO is used for the
main command input and response, and a secondary FIFO is used for read-only access to the data record. The primary
read and write buffers are 512 characters deep, which permits sending multiple commands at high speeds ahead of their
actual command processing by the DMC-1700.

68 • Chapter 4 - Software Tools and Communications DMC-1700/1800
The DMC-1700 provides four I/O registers beginning at the base address N, where the base address N is set with the
address jumpers as described in Ch.2. The Main Communications FIFO register occupies address N and is used for the
main communications to the controller (i.e. sending commands and getting data responses). The control register occupies
address N+1 and is used for monitoring the status of the main communications. The Secondary FIFO occupies address
N+2 and is used for accessing the data record. The Secondary control register at N+3 is used for monitoring the status of
the Secondary FIFO.
Communication with DMC-1700
Register Address Read/Write Description
Main
Communications FIFO
N Read and Write Send commands and receive responses
Main Control N+1 Read and Write For main FIFO status control
Secondary FIFO N+2 Read and Write For data record access
Secondary Control N+3 Read and Write For secondary FIFO status control
Simplified Communications Procedure
The simplest approach for communicating with the DMC-1700 is to monitor bits 5 and 6 of the control register at
address N+1. Bit 5 is for read status and bit 6 is for write status.
Control Register N+1
Status Bit Action Logic State Meaning
5 Read 0 Data to be read
5 Read 1 No data to be read
6 Read 0 Buffer not full, OK to write
6 Read 1 Buffer full. Do not write data
Read Procedure-To receive data from the DMC-1700, read the control register at address N+1 and check bit 5.
If bit 5 is zero, the DMC-1700 has data to be read in the READ register at address N. Bit 5 must be checked for every
character read.
Write Procedure-To send data to the DMC-1700, read the control register at address N+1 and check bit 6. If bit
6 is zero, the DMC-1700 FIFO buffer is not full and 1 character may be written to the register at address N. If bit 6 is
one, the buffer is full and no additional data should be written. Bit 6 of N+1 must be checked before every character is
written to address N.
Any computer language such as C, Basic, Pascal or Assembly may be used to communicate with the DMC-1700 as long
as the READ/WRITE procedure is followed as described above.
Clearing FIFO Buffer-Clearing the FIFO is useful for emergency resets or Abort. For example, to reset the
controller, clear the FIFO, then send the RS command to the controller. All data on the FIFO, including data from the
DMC-1700, will then be cleared.
The FIFO buffer may be master reset and therefore cleared, by writing the following sequence:
1. Read N+1 address
2. Write 01H to N+1 address
3. Write 80H to N+1 address
4. Write 01H to N+1 address
5. Write 80H to N+1 address
6. Read N+1 address

DMC-1700/1800 Chapter 4 - Software Tools and Communications • 69
It is a good idea to clear the FIFO pointer register before attempting this procedure. Send a no-op instruction, by
reading N+1 address, before you start. Note: Clearing the FIFO will also reset the configuration for the interrupt
mask register. Refer to “Interrupt Service for the DMC-1700” below for re-enabling the IRQ.
Interrupt Service for the DMC-1700
The hardware interrupt line (IRQ) provides a mechanism for the controller to alert the host application of certain
events. This alleviates the need to continually poll the controller for status using the main FIFO. When servicing the
interrupt, a status byte is retrieved with a specific event designator. Refer to the previous section “Controller Event
Interrupts…” in this chapter for a complete list of the events and conditions.
Before an interrupt can be received, the interrupt register on the FIFO chip (MailBox) must first be configured and
enabled. Also, a valid IRQ line must be selected (refer to Ch.2 for proper jumper settings for IRQ). Assuming a
valid IRQ line has been selected, the following procedure outlines the steps needed to configure, enable, and service
the interrupt.
1. Configure the FIFO interrupt register by writing a 2 and then a 4 to N+1. This configures the
FIFO chip for mailbox interrupt. Note: this must be done any time after clearing the FIFO,
because clearing the FIFO also clears this configuration.
2. Enable the interrupt by writing a 6 to N+1 then reading back from N+1. This effectively
clears the interrupt register and signals the firmware that the FIFO is ready for interrupts.
3. Upon interrupt, Service the interrupt by writing a 6 to N+1 then reading back from N+1. The
returned status byte from N+1 will then contain the event designator that initiated the
interrupt.
Data Record access using Secondary FIFO or DMA for the DMC-1700
The DMC-1700 controller provides either a secondary FIFO or Direct Memory Access (DMA) for accessing the
controller’s data record. The DMA channel can be selected as either channel 0 or 1 as described in Ch.2. The data record
is up to a 256 byte binary data file that contains controller information such as position, error, I/O status, etc. A complete
memory map and explanation of the data record is given at the end of this chapter.
The DRn command sets the mode (Polling FIFO or DMA) and the rate at which the data record is updated in the
controller registers. The argument “n” specifies the rate as 2n sample periods, or 2n ms (the sample period is 1ms at the
default servo rate of TM1000) and has an integer range of 0 to 8, where 0 turns the data record off. Use a negative “n”
value to set the mode for secondary FIFO, and a positive “n” for DMA access. For example:
DR-2 Sets secondary polling FIFO access at 4ms update
DR1 Sets DMA access at 2ms update
Reading the Data Record using the Polling FIFO
The polling FIFO mode puts a record into the secondary FIFO of the controller at a fixed rate (data does not go directly
into the PC memory as in the DMA mode). When retrieving the data record from the secondary FIFO, the “freeze” bit
must be set and the controller must be allowed to finish updating the last data record.
When reading the data record, the program should read each data byte at N+2 while monitoring the status byte at address
N+3. The status byte consists of 3 bits of information. Bit 0 is the ‘busy’ bit, Bit 1 is the ‘freeze’ bit and Bit 2 is the ‘not
empty’ bit. Bits 3-7 of the status byte are not used. The following is an explanation of the Secondary FIFO registers and
the three status bits:

70 • Chapter 4 - Software Tools and Communications DMC-1700/1800
Secondary FIFO Registers
Operation Register (address) Value
Read N+2 Data Byte
Read N+3 Status Byte bit 0 = busy
bit 1 = freeze
bit 2 = not empty
Write N+2 Any Value - clears freeze bit
Write N+3 Any Value - sets freeze bit
Bit 0 (Busy Bit) - A ‘1’ signifies that the controller is still sending data to the FIFO. The controller sets this bit to 0 when
it is done.
Bit 1 (Freeze Bit) - When any value is written to the register N+3, this bit will be set to ‘1’ and the controller will send
the rest of the current record then stop sending data to the FIFO. When any value is written to the register N+2, the
freeze bit will be set to ‘0’ and the controller will resume its updates to the FIFO. The record must be frozen while
reading the record so that it does not change during the read.
Bit 2 (Not Empty Bit) - When this bit is set to ‘1’ by the controller, there is data in the FIFO to be read. After the entire
record has been read, the controller changes the bit to “0”.
Polling FIFO Mode Read Procedure:
1. First, write any data to N+3 to “freeze” the data record. This sets bit 1 of N+3
2. Before the data record can be read, wait until the controller finishes updating the last data record by checking
the status of the busy bit (bit 0 of N+3) When bit 0 is 0, then the data record can be read.
3. Read a byte at address N+2. This is the data.
4. Repeat step 3 until all bytes of the data record have been read. Read each byte from N+2 while monitoring the
“Not Empty” bit (bit 2 of N+3). When Bit 2 is 0, the data record has been read completely.
5. After the entire record has been read, write any data to address N+2. This clears the freeze bit and allows the
controller to resume updating the data record with current data.
Communications with the DMC-1800
For main bi-directional communication, the DMC-1800 features a 512 character write FIFO buffer, and a 512 character
read buffer. This permits sending multiple commands at high speeds ahead of their actual processing by the DMC-1800.
The DMC-1800 also provides a secondary FIFO, for access to the data record. Additionally, the DMC-1800 provides
Dual Port RAM (DPRAM), which also allows access to the data record structure (DPRAM available on board Rev E and
greater DMC-1850 to 1880’s, and Rev H and greater DMC-1810 to 1840’s).
Note: This chapter provides an in-depth look at how the controller communicates over the PCI bus at the register
interface level. For most users, we recommend using the drivers supplied by Galil to provide the necessary tools for
communicating with the controller.
Determining the Base Address
The base address “N” is assigned its value by the BIOS and/or Operating System. The FIFO address N is referenced in
the PCI configuration space at BAR2 (offset 18H). The following PCI information (HEX) can be used to identify the
DMC-1800 controller:

DMC-1700/1800 Chapter 4 - Software Tools and Communications • 71
PCI Device Identification
DEVICE ID VENDOR ID SUBSYSTEM ID SUBSYSTEM VENDOR ID
9050H 10B5H 1800H 1079H
Read, Write, and Control Registers
The DMC-1800 provides four registers used for communication. The main communications FIFO register for sending
commands and receiving responses occupies address N. The control register used to monitor the main communications
status occupies address N+4. The reset register occupies address N+8 and is used for resetting the controller and/or main
read/write FIFO registers as well as retrieving the interrupt status byte. The secondary FIFO for accessing the data
record occupies address N+C.
Communication with DMC-1800
Register Address Read/Write Description
Main FIFO N Read / Write Send commands and receive responses
CONTROL N+4 Read / Write For FIFO status control
IRQ / RESET N+8 Read / Write For IRQ status byte and controller reset
Secondary FIFO N+C Read only For data record access
Simplified Communication Procedure
The simplest approach for communicating with the DMC-1800 is to check bits 0 and 2 of the CONTROL register at
address N+4. Bit 0 is for WRITE STATUS and bit 2 is for READ STATUS.
Read Procedure - To receive data from the DMC-1800, read the control register at address N+4 and check bit 2. If bit 2
is zero, the DMC-1800 has data to be read in the READ register at address N. Bit 2 must be checked for every character
read.
Write Procedure - To send data to the DMC-1800, read the control register at address N+4 and check bit 0. If bit 0 is
zero, the DMC-1800 FIFO buffer is not full and a character may be written to the WRITE register at address N. If bit 0
is one, the buffer is full and any additional data will be lost.
Any high-level computer language such as C, Basic, Pascal or Assembly may be used to communicate with the DMC-
1800 as long as the READ/WRITE procedure is followed as described above, so long as the base address is known.

72 • Chapter 4 - Software Tools and Communications DMC-1700/1800
FIFO Control Register at N+4
Status Bit Read/Write Meaning
7 Read Only If 1, Secondary FIFO empty
6 Read/Write IRQ enable: Write 1 to enable IRQ
Write 0 to disable IRQ
Read 1 = IRQ enabled
5 Read/Write IRQ status: Write 1 to clear IRQ
Read 1 = IRQ pending
4 Read/Write Freeze Status of Secondary FIFO:
Write 1 to freeze 2nd FIFO
Write 0 to clear freeze of 2nd FIFO
Read 1 = 2nd FIFO frozen
3 Read Only If 1, Secondary FIFO is busy updating
2 Read Only If 1, DMC to PC Buffer empty, No data to be read
1 Read Only
If 0, PC to DMC buffer not half full. Can write at least 255 bytes.
If 1, buffer is more than half full.
0 Read Only If 1, PC to DMC Buffer full, Do not write data
Half Full Flag
The Half Full flag (Bit 1 of the control register) can be used to increase the speed of writing large blocks of data to the
controller. When the half full bit is zero, the write buffer is less than half full. In this case, up to 255 bytes can be
written to the controller at address N without checking the buffer full status (bit 0 of the control register).
Reading the Data Record from the Secondary FIFO
To read the data record from the secondary FIFO, first the “freeze” bit (bit 4 of N+4) of the control register must be set,
Then wait for the controller to finish updating the data record by monitoring the “busy status bit (bit3 of N+4), when bit
3 is “0” the data record can be read. Since the Secondary FIFO at N+C is 4 bytes wide, data may be read in 1 byte, 2 byte
or 4 byte increments. Read the data at N+C until bit 7 of N+4 is 1, signifying that the FIFO is empty. After the data has
been read, un-freeze the secondary FIFO by setting bit 4 of N+4 to “0”, which allows the controller to continue to refresh
the data record at the defined rate specified by the DR command.
Enabling and Reading IRQ’s
In order to service interrupts from the IRQ line, the IRQ control register (Status Byte) must first be enabled. This is done
by setting bit 6 of the control register (N+4) equal to “1”.
When interrupted, a device driver’s interrupt service routine must verify that the interrupt originated from the DMC-
1800 controller. This is done by checking that the IRQ enable and IRQ status bits (bit 5 and 6 of N+4) are high. The
Status Byte can then be read by reading the register at N+8. The returned Status Byte indicates what event generated the
interrupt (for more information on specific interrupt events, see the EI and UI commands in the Command Reference or
the previous section “Controller Event Interrupts…” in this chapter).
Once the Status Byte has been read, the interrupt must be cleared by writing a “1” to bit-5 of N+4. Note: to preserve
values of other bits, the interrupt service routine should read N+4, set bit 5, and write this value back to N+4 to clear the
interrupt.

DMC-1700/1800 Chapter 4 - Software Tools and Communications • 73
Resetting the PC to DMC FIFO - To reset the output FIFO, write data to address N+8 where bit 2 is high and all other
bits are low.
Resetting the DMC to PC FIFO - To reset the input FIFO, write data to address N+8 where bit 1 is high and all other
bits are low.
Resetting the Controller - Resetting the FIFO is useful for emergency resets or Abort. For example, to reset the
controller, clear the FIFO, then send the RS command. If the controller is not responding, it may be necessary to provide
a hardware reset to the controller. This can be accomplished by writing data to address N+8 where bit 7 is high.
When the FIFO is reset, all FIFO configuration is lost and must be rewritten.
Reset Register at N+8
Status Bit Purpose Logic State Meaning
7 WRITE 1 Reset Controller
2 WRITE 1 Reset PC_to_DMC FIFO
1 WRITE 1 Reset DMC_to_PC FIFO
Dual Port RAM (DPRAM) access for reading the Data Record
Immediate access to any or all bytes of the data record can be accessed by reading directly from the Dual Port RAM
registers. The starting address for the dual port RAM is stored at BAR0 of the PCI configuration space. The following
memory map describes the data record registers and the associated controller information.
Note: the same procedure for “freezing” the data record (as with Secondary FIFO) should be followed to ensure that all
data of the data record is from the same sample period.
DMA / Secondary FIFO / DPRAM Memory Map
ADDR TYPE ITEM
00-01 UW sample number
02 UB general input block 0 (inputs 1-8)
03 UB general input block 1 (inputs 9-16)
04 UB general input block 2 (inputs 17-24)
05 UB general input block 3 (inputs 25-32)
06 UB general input block 4 (inputs 33-40)
07 UB general input block 5 (inputs 41-48)
08 UB general input block 6 (inputs 49-56)
09 UB general input block 7 (inputs 57-64)
10 UB general input block 8 (inputs 65-72)
11 UB general input block 9 (inputs 73-80)
12 UB general output block 0 (outputs 1-8)
13 UB general output block 1 (outputs 9-16)
14 UB general output block 2 (outputs 17-24)
15 UB general output block 3 (outputs 25-32)
16 UB general output block 4 (outputs 33-40)
17 UB general output block 5 (outputs 41-48)

74 • Chapter 4 - Software Tools and Communications DMC-1700/1800
18 UB general output block 6 (outputs 49-56)
19 UB general output block 7 (outputs 57-64)
20 UB general output block 8 (outputs 65-72)
21 UB general output block 9 (outputs 73-80)
22 UB error code
23 UB general status
24-25 UW segment count of coordinated move for S plane
26-27 UW coordinated move status for S plane
28-31 SL distance traveled in coordinated move for S plane
32-33 UW segment count of coordinated move for T plane
34-35 UW coordinated move status for T plane
36-39 SL distance traveled in coordinated move for T plane
40-41 UW x,a axis status
42 UB x,a axis switches
43 UB x,a axis stopcode
44-47 SL x,a axis reference position
48-51 SL x,a axis motor position
52-55 SL x,a axis position error
56-59 SL x,a axis auxiliary position
60-63 SL x,a axis velocity
64-65 SW x,a axis torque
66-67 SW x,a axis analog input
68-69 UW y,b axis status
70 UB y,b axis switches
71 UB y,b axis stopcode
72-75 SL y,b axis reference position
76-79 SL y,b axis motor position
80-83 SL y,b axis position error
84-87 SL y,b axis auxiliary position
88-91 SL y,b axis velocity
92-93 SW y,b axis torque
94-95 SW y,b axis analog input
96-97 UW z,c axis status
98 UB z,c axis switches
99 UB z,c axis stopcode
100-103 SL z,c axis reference position
104-107 SL z,c axis motor position
108-111 SL z,c axis position error
112-115 SL z,c axis auxiliary position
116-119 SL z,c axis velocity
120-121 SW z,c axis torque
122-123 SW z,c axis analog input
124-125 UW w,d axis status
126 UB w,d axis switches
127 UB w,d axis stop code

DMC-1700/1800 Chapter 4 - Software Tools and Communications • 75
128-131 SL w,d axis reference position
132-135 SL w,d axis motor position
136-139 SL w,d axis position error
140-143 SL w,d axis auxiliary position
144-147 SL w,d axis velocity
148-149 SW w,d axis torque
150-151 SW w,d axis analog input
152-153 UW e axis status
154 UB e axis switches
155 UB e axis stop code
156-159 SL e axis reference position
160-163 SL e axis motor position
164-167 SL e axis position error
168-171 SL e axis auxiliary position
172-175 SL e axis velocity
176-177 SW e axis torque
178-179 SW e axis analog input
180-181 UW f axis status
182 UB f axis switches
183 UB f axis stopcode
184-187 SL f axis reference position
188-191 SL f axis motor position
192-195 SL f axis position error
196-199 SL f axis auxiliary position
200-203 SL f axis velocity
204-205 SW f axis torque
206-207 SW f axis analog input
208-209 UW g axis status
210 UB g axis switches
211 UB g axis stopcode
212-215 SL g axis reference position
216-219 SL g axis motor position
220-223 SL g axis position error
224-227 SL g axis auxiliary position
228-231 SL g axis velocity
232-233 SW g axis torque
234-235 SW g axis analog input
236-237 UW h axis status
238 UB h axis switches
239 UB h axis stopcode
240-243 SL h axis reference position
244-247 SL h axis motor position
248-251 SL h axis position error
252-255 SL h axis auxiliary position
256-259 SL h axis velocity

76 • Chapter 4 - Software Tools and Communications DMC-1700/1800
260-261 SW h axis torque
262-263 SW h axis analog input
Note: UB = Unsigned Byte, UW = Unsigned Word, SW = Signed Word, SL = Signed Long Word
Explanation of Status Information and Axis Switch Information
General Status Information (1 Byte)
BIT 7 BIT 6 BIT 5 BIT 4 BIT 3 BIT 2 BIT 1 BIT 0
Program
Running
N/A N/A N/A N/A N/A Trace on Echo On
Axis Switch Information (1 Byte)
BIT 7 BIT 6 BIT 5 BIT 4 BIT 3 BIT 2 BIT 1 BIT 0
Latch
Occurred
State
of
Latch
Input
N/A N/A State of
Forward
Limit
State of
Reverse
Limit
State of
Home
Input
SM
Jumper
Installed
Axis Status Information (1 Word)
BIT 15 BIT 14 BIT 13 BIT 12 BIT 11 BIT 10 BIT 9 BIT 8
Move in
Progress
Mode of
Motion
PA or
PR
Mode of
Motion
PA only
(FE)
Find
Edge in
Progress
Home
(HM) in
Progress
1st Phase
of HM
complete
2nd Phase
of HM
complete
or FI
command
issued
Mode of
Motion
Coord.
Motion
BIT 7 BIT 6 BIT 5 BIT 4 BIT 3 BIT 2 BIT 1 BIT 0
Negative
Direction
Move
Mode of
Motion
Contour
Motion
is
slewing
Motion
is
stopping
due to
ST of
Limit
Switch
Motion
is
making
final
decel.
Latch is
armed
Off-On-
Error
enabled
Motor
Off
Coordinated Motion Status Information for S or T Plane (2 Byte)
BIT 15 BIT 14 BIT 13 BIT 12 BIT 11 BIT 10 BIT 9 BIT 8
Move in
Progress
N/A N/A N/A N/A N/A N/A N/A
BIT 7 BIT 6 BIT 5 BIT 4 BIT 3 BIT 2 BIT 1 BIT 0
N/A N/A
Motion
is
slewing
Motion
is
stopping
due to
ST or
Limit
Switch
Motion
is
making
final
decel.
N/A N/A N/A

DMC-1700/1800 Chapter 4 - Software Tools and Communications • 77
Notes Regarding Velocity, Torque and Analog Input Data
The velocity information that is returned in the data record is 64 times larger than the value returned when using
the command TV (Tell Velocity). See command reference for more information about TV.
The torque information is represented as a number in the range of +/-32544. Maximum negative torque of –
9.9982 V is represented by –32544. Maximum positive torque of 9.9982 V is represented by 32544. Torque
information is then scaled linearly as 1v=~3255.
The analog input is stored as a 16-bit value (+/-32768), which represents an analog voltage range of +/- 10V.

78 • Chapter 4 - Software Tools and Communications DMC-1700/1800
THIS PAGE LEFT BLANK INTENTIONALLY

DMC-1700/1800 Chapter 5 Command Basics • 79
Chapter 5 Command Basics
Introduction
The DMC-1700/1800 provides over 100 commands for specifying motion and machine parameters. Commands are
included to initiate action, interrogate status and configure the digital filter. These commands can be sent in ASCII
or binary.
In ASCII, the DMC-1700/1800 instruction set is BASIC-like and easy to use. Instructions consist of two uppercase
letters that correspond phonetically with the appropriate function. For example, the instruction BG begins motion,
and ST stops the motion. In binary, commands are represented by a binary code ranging from 80 to FF.
ASCII commands can be sent “live” over the bus for immediate execution by the DMC-1700/1800, or an entire
group of commands can be downloaded into the controller’s memory for execution at a later time. Combining
commands into groups for later execution is referred to as Applications Programming and is discussed in the
following chapter. Binary commands cannot be used in Applications programming.
This section describes the DMC-1700/1800 instruction set and syntax. A summary of commands as well as a
complete listing of all DMC-1700/1800 instructions is included in the Command Reference.
Command Syntax - ASCII
DMC-1700/1800 instructions are represented by two ASCII upper case characters followed by applicable
arguments. A space may be inserted between the instruction and arguments. A semicolon or <enter> is used to
terminate the instruction for processing by the DMC-1700/1800 command interpreter. Note: If you are using a
Galil terminal program, commands will not be processed until an <enter> command is given. This allows the user
to separate many commands on a single line and not begin execution until the user gives the <enter> command.
IMPORTANT: All DMC-1700 or DMC-1800 commands are sent in upper case.
For example, the command
PR 4000 <enter> Position relative
PR is the two character instruction for position relative. 4000 is the argument which represents the required position
value in counts. The <enter> terminates the instruction. For specifying data for the X,Y,Z and W axes, commas are
used to separate the axes. If no data is specified for an axis, a comma is still needed as shown in the examples
below. If no data is specified for an axis, the previous value is maintained.
To view the current values for each command, type the command followed by a ? for each axis requested.
PR 1000 Specify X only as 1000
PR ,2000 Specify Y only as 2000
PR ,,3000 Specify Z only as 3000

80 • Chapter 5 Command Basics DMC-1700/1800
PR ,,,4000 Specify W only as 4000
PR 2000, 4000,6000, 8000 Specify X Y Z and W
PR ,8000,,9000 Specify Y and W only
PR ?,?,?,? Request X,Y,Z,W values
PR ,? Request Y value only
The DMC-1700/1800 provides an alternative method for specifying data. Here data is specified individually using a
single axis specifier such as X,Y,Z or W. An equals sign is used to assign data to that axis. For example:
PRX=1000 Specify a position relative movement for the X axis of 1000
ACY=200000 Specify acceleration for the Y axis as 200000
Instead of data, some commands request action to occur on an axis or group of axes. For example, ST XY stops
motion on both the X and Y axes. Commas are not required in this case since the particular axis is specified by the
appropriate letter X Y Z or W. If no parameters follow the instruction, action will take place on all axes. Here are
some examples of syntax for requesting action:
BG X Begin X only
BG Y Begin Y only
BG XYZW Begin all axes
BG YW Begin Y and W only
BG Begin all axes
1X80 For controllers with 5 or more axes, the axes are referred to as A,B,C,D,E,F,G,H. The specifiers
X,Y,Z,W and A,B,C,D may be used interchangeably:
BG ABCDEFGH Begin all axes
BG D Begin D only
Coordinated Motion with more than 1 axis
When requesting action for coordinated motion, the letter S or T is used to specify the coordinated motion. This
allows for coordinated motion to be setup for two separate coordinate systems. Refer to the CA command in the
Command Reference for more information on specifying a coordinate system. For example:
BG S Begin coordinated sequence on S coordinate system.
BG TW Begin coordinated sequence on T coordinate system and W axis
Command Syntax - Binary
Some commands have an equivalent binary value. Binary communication mode can be executed much faster than
ASCII commands. Binary format can only be used when commands are sent from the PC and cannot be embedded
in an application program.

DMC-1700/1800 Chapter 5 Command Basics • 81
Binary Command Format
All binary commands have a 4 byte header and is followed by data fields. The 4 bytes are specified in hexadecimal
format.
Header Format:
Byte 1 specifies the command number between 80 to FF. The complete binary command number table is listed
below.
Byte 2 specifies the # of bytes in each field as 0,1,2,4 or 6 as follows:
00 No datafields (i.e. SH or BG)
01 One byte per field
02 One word (2 bytes per field)
04 One long word (4 bytes) per field
06 Galil real format (4 bytes integer and 2 bytes fraction)
Byte 3 specifies whether the command applies to a coordinated move as follows:
00 No coordinated motion movement
01 Coordinated motion movement
For example, the command STS designates motion to stop on a vector move, S coordinate system. The third byte
for the equivalent binary command would be 01.
Byte 4 specifies the axis # or data field as follows
Bit 7 = H axis or 8th data field
Bit 6 = G axis or 7th data field
Bit 5 = F axis or 6th data field
Bit 4 = E axis or 5th data field
Bit 3 = D axis or 4th data field
Bit 2 = C axis or 3rd data field
Bit 1 = B axis or 2nd data field
Bit 0 = A axis or 1st data field
Datafields Format
Datafields must be consistent with the format byte and the axes byte. For example, the command PR 1000,, -500
would be
A7 02 00 05 03 E8 FE 0C
where A7 is the command number for PR
02 specifies 2 bytes for each data field
00 S is not active for PR
05 specifies bit 0 is active for A axis and bit 2 is active for C axis (20 + 22=5)
03 E8 represents 1000
FE OC represents -500

82 • Chapter 5 Command Basics DMC-1700/1800
Example
The command ST XYZS would be
A1 00 01 07
where A1 is the command number for ST
00 specifies 0 data fields
01 specifies stop the coordinated axes S
07 specifies stop X (bit 0), Y (bit 1) and Z (bit 2) 20+21+23 =7
Binary command table
COMMAND NO. COMMAND NO. COMMAND NO.
reserved 80 reserved ab reserved d6
KP 81 reserved ac reserved d7
KI 82 reserved ad RP d8
KD 83 reserved ae TP d9
DV 84 reserved af TE da
AF 85 LM b0 TD db
KF 86 LI b1 TV dc
PL 87 VP b2 RL dd
ER 88 CR b3 TT de
IL 89 TN b4 TS df
TL 8a LE, VE b5 TI e0
MT 8b VT b6 SC e1
CE 8c VA b7 reserved e2
OE 8d VD b8 reserved e3
FL 8e VS b9 reserved e4
BL 8f VR ba TM e5
AC 90 reserved bb CN e6
DC 91 reserved bc LZ e7
SP 92 CM bd OP e8
IT 93 CD be OB e9
FA 94 DT bf SB ea
FV 95 ET c0 CB eb
GR 96 EM c1 I I ec
DP 97 EP c2 EI ed
DE 98 EG c3 AL ee
OF 99 EB c4 reserved ef
GM 9a EQ c5 reserved f0
reserved 9b EC c6 reserved f1
reserved 9c reserved c7 reserved f2
reserved 9d AM c8 reserved f3
reserved 9e MC c9 reserved f4
reserved 9f TW ca reserved f5
BG a0 MF cb reserved f6
ST a1 MR cc reserved f7
AB a2 AD cd reserved f8
HM a3 AP ce reserved f9
FE a4 AR cf reserved fa
FI a5 AS d0 reserved fb
PA a6 AI d1 reserved fc

DMC-1700/1800 Chapter 5 Command Basics • 83
PR a7 AT d2 reserved fd
JG a8 WT d3 reserved fe
MO a9 WC d4 reserved ff
SH aa reserved d5
Controller Response to DATA
The DMC-1700/1800 returns a : for valid commands.
The DMC-1700/1800 returns a ? for invalid commands.
For example, if the command BG is sent in lower case, the DMC-1700/1800 will return a ?.
:bg <enter> invalid command, lower case
? DMC-1700/1800 returns a ?
When the controller receives an invalid command the user can request the error code. The error code will specify
the reason for the invalid command response. To request the error code type the command: TC1 For example:
?TC1 <enter> Tell Code command
1 Unrecognized command Returned response
There are many reasons for receiving an invalid command response. The most common reasons are: unrecognized
command (such as typographical entry or lower case), command given at improper time (such as during motion), or
a command out of range (such as exceeding maximum speed). A complete listing of all codes is listed in the TC
command in the Command Reference section.
Interrogating the Controller
Interrogation Commands
The DMC-1700/1800 has a set of commands that directly interrogate the controller. When the command is entered,
the requested data is returned in decimal format on the next line followed by a carriage return and line feed. The
format of the returned data can be changed using the Position Format (PF), Variable Format (VF) and Leading Zeros
(LZ) command. See Chapter 7 and the Command Reference.
Summary of Interrogation Commands
RP Report Command Position
RL Report Latch
∧R ∧V Firmware Revision Information
SC Stop Code
TB Tell Status
TC Tell Error Code
TD Tell Dual Encoder
TE Tell Error
TI Tell Input
TP Tell Position
TR Trace
TS Tell Switches
TT Tell Torque
TV Tell Velocity

84 • Chapter 5 Command Basics DMC-1700/1800
For example, the following example illustrates how to display the current position of the X axis:
TP X <enter> Tell position X
0000000000 Controllers Response
TP XY <enter> Tell position X and Y
0000000000,0000000000 Controllers Response
Interrogating Current Commanded Values.
Most commands can be interrogated by using a question mark (?) as the axis specifier. Type the command followed
by a ? for each axis requested.
PR ?,?,?,? Request X,Y,Z,W values
PR ,? Request Y value only
The controller can also be interrogated with operands.
Operands
Most DMC-1700/1800 commands have corresponding operands that can be used for interrogation. Operands must
be used inside of valid DMC expressions. For example, to display the value of an operand, the user could use the
command:
MG ‘operand’ where ‘operand’ is a valid DMC operand
All of the command operands begin with the underscore character (_). For example, the value of the current
position on the X axis can be assigned to the variable ‘V’ with the command:
V=_TPX
The Command Reference denotes all commands which have an equivalent operand as “Used as an Operand”. Also,
see description of operands in Chapter 7.
Command Summary
For a complete command summary, see the Command Reference manual.

DMC-1700/1800 Chapter 6 Programming Motion • 85
Chapter 6 Programming Motion
Overview
The DMC-1700/1800 provides several modes of motion, including independent positioning and jogging,
coordinated motion, electronic cam motion, and electronic gearing. Each one of these modes is discussed in the
following sections.
The DMC-1710 or DMC-1810 are single axis controllers and use X-axis motion only. Likewise, the DMC-1720 or
DMC-1820 use X and Y, the DMC-1730 or DMC-1830 use X,Y, and Z, and the DMC-1740 or DMC-1840 use
X,Y,Z, and W. The DMC-1750 or DMC-1850 use A,B,C,D, and E. The DMC-1760 or DMC-1860 use A,B,C,D,E,
and F. The DMC-1770 or DMC-1870 use A,B,C,D,E,F, and G. The DMC-1780 and DMC-1880 use the axes
A,B,C,D,E,F,G, and H.
The example applications described below will help guide you to the appropriate mode of motion.
1X80 For controllers with 5 or more axes, the specifiers, ABCDEFGH, are used. XYZ and W may be
interchanged with ABCD.
EXAMPLE APPLICATION MODE OF MOTION COMMANDS
Absolute or relative positioning where each axis is
independent and follows prescribed velocity profile.
Independent Axis Positioning PA,PR
SP,AC,DC
Velocity control where no final endpoint is prescribed.
Motion stops on Stop command.
Independent Jogging JG
AC,DC
ST
Absolute positioning mode where absolute position targets
may be sent to the controller while the axis is in motion.
Position Tracking PA,
PT
SP
AC, DC
Motion Path described as incremental position points versus
time.
Contour Mode CM
CD
DT
WC
2,3 or 4 axis coordinated motion where path is described by
linear segments.
Linear Interpolation LM
LI, LE
VS,VR
VA,VD

86 • Chapter 6 Programming Motion DMC-1700/1800
2-D motion path consisting of arc segments and linear
segments, such as engraving or quilting.
Coordinated Motion VM
VP
CR
VS,VR
VA,VD
VE
Third axis must remain tangent to 2-D motion path, such as
knife cutting.
Coordinated motion with tangent axis specified VM
VP
CR
VS,VA,VD
TN
VE
Electronic gearing where slave axes are scaled to master axis
which can move in both directions.
Electronic Gearing GA
GD
_GP
GR
GM (if gantry)
Master/slave where slave axes must follow a master such as
conveyer speed.
Electronic Gearing GA
GD
_GP
GR
Moving along arbitrary profiles or mathematically
prescribed profiles such as sine or cosine trajectories.
Contour Mode CM
CD
DT
WC
Teaching or Record and Play Back Contour Mode with Automatic Array Capture CM
CD
DT
WC
RA
RD
RC
Backlash Correction Dual Loop DV
Following a trajectory based on a master encoder position Electronic Cam EA
EM
EP
ET
EB
EG
EQ
Smooth motion while operating in independent axis
positioning
Independent Motion Smoothing IT
Smooth motion while operating in vector or linear
interpolation positioning
Vector Smoothing VT
Smooth motion while operating with stepper motors Stepper Motor Smoothing KS
Gantry - two axes are coupled by gantry Gantry Mode GR
GM

DMC-1700/1800 Chapter 6 Programming Motion • 87
Independent Axis Positioning
In this mode, motion between the specified axes is independent, and each axis follows its own profile. The user
specifies the desired absolute position (PA) or relative position (PR), slew speed (SP), acceleration ramp (AC), and
deceleration ramp (DC), for each axis. On begin (BG), the DMC-1700/1800 profiler generates the corresponding
trapezoidal or triangular velocity profile and position trajectory. The controller determines a new command position
along the trajectory every sample period until the specified profile is complete. Motion is complete when the last
position command is sent by the DMC-1700/1800 profiler. Note: The actual motor motion may not be complete
when the profile has been completed, however, the next motion command may be specified.
The Begin (BG) command can be issued for all axes either simultaneously or independently. XYZ or W axis
specifiers are required to select the axes for motion. When no axes are specified, this causes motion to begin on all
axes.
The speed (SP) and the acceleration (AC) can be changed at any time during motion, however, the deceleration
(DC) and position (PR or PA) cannot be changed until motion is complete. Remember, motion is complete when
the profiler is finished, not when the actual motor is in position. The Stop command (ST) can be issued at any time
to decelerate the motor to a stop before it reaches its final position.
An incremental position movement (IP) may be specified during motion as long as the additional move is in the
same direction. Here, the user specifies the desired position increment, n. The new target is equal to the old target
plus the increment, n. Upon receiving the IP command, a revised profile will be generated for motion towards the
new end position. The IP command does not require a begin. Note: If the motor is not moving, the IP command is
equivalent to the PR and BG command combination.
Command Summary - Independent Axis
COMMAND DESCRIPTION
PR X,Y,Z,W Specifies relative distance
PA x,y,z,w Specifies absolute position
SP x,y,z,w Specifies slew speed
AC x,y,z,w Specifies acceleration rate
DC x,y,z,w Specifies deceleration rate
BG XYZW Starts motion
ST XYZW Stops motion before end of move
IP x,y,z,w Changes position target
IT x,y,z,w Time constant for independent motion smoothing
AM XYZW Trippoint for profiler complete
MC XYZW Trippoint for “in position”
The lower case specifiers (x,y,z,w) represent position values for each axis.
The DMC-1700/1800 also allows use of single axis specifiers such as PRY=2000
Operand Summary - Independent Axis
OPERAND DESCRIPTION
_ACx Return acceleration rate for the axis specified by ‘x’
_DCx Return deceleration rate for the axis specified by ‘x’
_SPx Returns the speed for the axis specified by ‘x’
_PAx Returns current destination if ‘x’ axis is moving, otherwise returns the current commanded
position if in a move.

88 • Chapter 6 Programming Motion DMC-1700/1800
_PRx Returns current incremental distance specified for the ‘x’ axis
Example - Absolute Position Movement
PA 10000,20000 Specify absolute X,Y position
AC 1000000,1000000 Acceleration for X,Y
DC 1000000,1000000 Deceleration for X,Y
SP 50000,30000 Speeds for X,Y
BG XY Begin motion
Example - Multiple Move Sequence
Required Motion Profiles:
X-Axis 500 counts Position
10000 count/sec Speed
500000 counts/sec2 Acceleration
Y-Axis 1000 counts Position
15000 count/sec Speed
500000 counts/sec2 Acceleration
Z-Axis 100 counts Position
5000 counts/sec Speed
500000 counts/sec Acceleration
This example will specify a relative position movement on X, Y and Z axes. The movement on each axis will be
separated by 20 msec. Fig. 6.1 shows the velocity profiles for the X,Y and Z axis.
#A Begin Program
PR 2000,500,100 Specify relative position movement of 1000, 500 and 100 counts for X,Y and Z
axes.
SP 15000,10000,5000 Specify speed of 10000, 15000, and 5000 counts / sec
AC 500000,500000,500000 Specify acceleration of 500000 counts / sec2 for all axes
DC 500000,500000,500000 Specify deceleration of 500000 counts / sec2 for all axes
BG X Begin motion on the X axis
WT 20 Wait 20 msec
BG Y Begin motion on the Y axis
WT 20 Wait 20 msec
BG Z Begin motion on Z axis
EN End Program

DMC-1700/1800 Chapter 6 Programming Motion • 89
VELOCITY
(COUNTS/SEC)
20000
10000
5000
15000
20 40 60 80
TIME (ms)
100
X axis velocity profile
Y axis velocity profile
Z axis velocity profile
0
Figure 6.1 - Velocity Profiles of XYZ
Notes on fig 6.1: The X and Y axis have a ‘trapezoidal’ velocity profile, while the Z axis has a ‘triangular’ velocity
profile. The X and Y axes accelerate to the specified speed, move at this constant speed, and then decelerate such
that the final position agrees with the command position, PR. The Z axis accelerates, but before the specified speed
is achieved, must begin deceleration such that the axis will stop at the commanded position. All 3 axes have the
same acceleration and deceleration rate, hence, the slope of the rising and falling edges of all 3 velocity profiles are
the same.
Independent Jogging
The jog mode of motion is very flexible because speed, direction and acceleration can be changed during motion.
The user specifies the jog speed (JG), acceleration (AC), and the deceleration (DC) rate for each axis. The direction
of motion is specified by the sign of the JG parameters. When the begin command is given (BG), the motor
accelerates up to speed and continues to jog at that speed until a new speed or stop (ST) command is issued. If the
jog speed is changed during motion, the controller will make a accelerated (or decelerated) change to the new speed.
An instant change to the motor position can be made with the use of the IP command. Upon receiving this
command, the controller commands the motor to a position which is equal to the specified increment plus the current
position. This command is useful when trying to synchronize the position of two motors while they are moving.
Note that the controller operates as a closed-loop position controller while in the jog mode. The DMC-1700/1800
converts the velocity profile into a position trajectory and a new position target is generated every sample period.
This method of control results in precise speed regulation with phase lock accuracy.
Command Summary - Jogging
COMMAND DESCRIPTION
AC x,y,z,w Specifies acceleration rate
BG XYZW Begins motion
DC x,y,z,w Specifies deceleration rate
IP x,y,z,w Increments position instantly
IT x,y,z,w Time constant for independent motion smoothing
JG +/-x,y,z,w Specifies jog speed and direction
ST XYZW Stops motion

90 • Chapter 6 Programming Motion DMC-1700/1800
Parameters can be set with individual axes specifiers such as JGY=2000 (set jog speed for Y axis to 2000).
Operand Summary - Independent Axis
OPERAND DESCRIPTION
_ACx Return acceleration rate for the axis specified by ‘x’
_DCx Return deceleration rate for the axis specified by ‘x’
_SPx Returns the jog speed for the axis specified by ‘x’
_TVx Returns the actual velocity of the axis specified by ‘x’ (averaged over .25 sec)
Example - Jog in X only
Jog X motor at 50000 count/s. After X motor is at its jog speed, begin jogging Z in reverse direction at 25000
count/s.
#A
AC 20000,,20000 Specify X,Z acceleration of 20000 cts / sec
DC 20000,,20000 Specify X,Z deceleration of 20000 cts / sec
JG 50000,,-25000 Specify jog speed and direction for X and Z axis
BG X Begin X motion
AS X Wait until X is at speed
BG Z Begin Z motion
EN
Example - Joystick Jogging
The jog speed can also be changed using an analog input such as a joystick. Assume that for a 10 Volt input the
speed must be 50000 counts/sec.
#JOY Label
JG0 Set in Jog Mode
BGX Begin motion
#B Label for loop
V1 =@AN[1] Read analog input
VEL=V1*50000/10 Compute speed
JG VEL Change JG speed
JP #B Loop
Position Tracking
The Galil controller may be placed in the position tracking mode to support changing the target of an absolute
position move on the fly. New targets may be given in the same direction or the opposite direction of the current
position target. The controller will then calculate a new trajectory based upon the new target and the acceleration,
deceleration, and speed parameters that have been set. The motion profile in this mode is trapezoidal. There is not a
set limit governing the rate at which the end point may be changed, however at the standard TM rate, the controller
updates the position information at the rate of 1msec. The controller generates a profiled point every other sample,
and linearly interpolates one sample between each profiled point. Some examples of applications that may use this
mode are satellite tracking, missile tracking, random pattern polishing of mirrors or lenses, or any application that
requires the ability to change the endpoint without completing the previous move.

DMC-1700/1800 Chapter 6 Programming Motion • 91
The PA command is typically used to command an axis or multiple axes to a specific absolute position. For some
applications such as tracking an object, the controller must proceed towards a target and have the ability to change
the target during the move. In a tracking application, this could occur at any time during the move or at regularly
scheduled intervals. For example if a robot was designed to follow a moving object at a specified distance and the
path of the object wasn’t known the robot would be required to constantly monitor the motion of the object that it
was following. To remain within a specified distance it would also need to constantly update the position target it is
moving towards. Galil motion controllers support this type of motion with the position tracking mode. This mode
will allow scheduled or random updates to the current position target on the fly. Based on the new target the
controller will either continue in the direction it is heading, change the direction it is moving, or decelerate to a stop.
The position tracking mode shouldn’t be confused with the contour mode. The contour mode allows the user to
generate custom profiles by updating the reference position at a specific time rate. In this mode, the position can be
updated randomly or at a fixed time rate, but the velocity profile will always be trapezoidal with the parameters
specified by AC, DC, and SP. Updating the position target at a specific rate will not allow the user to create a
custom profile.
The following example will demonstrate the possible different motions that may be commanded by the controller in
the position tracking mode. In this example, there is a host program that will generate the absolute position targets.
The absolute target is determined based on the current information the host program has gathered on the object that
it is tracking. The position tracking mode does allow for all of the axes on the controller to be in this mode, but for
the sake of discussion, it is assumed that the robot is tracking only in the X dimension.
The controller must be placed in the position tracking mode to allow on the fly absolute position changes. This is
performed with the PT command. To place the X axis in this mode, the host would issue PT1 to the controller if
both X and Y axes were desired the command would be PT 1,1. The next step is to begin issuing PA command to
the controller. The BG command isn’t required in this mode, the SP, AC, and DC commands determine the shape of
the trapezoidal velocity profile that the controller will use.
Example Motion 1: The host program determines that the first target for the controller to move to is located at 5000
encoder counts. The acceleration and deceleration should be set to 150,000 cts/sec2 and the velocity is set to 50,000
cts/sec. The command sequence to perform this is listed below.
COMMAND DESCRIPTION
PT1 Place the X axis in Position tracking mode
AC150000 Set the X axis acceleration to 150000 cts/sec2
DC150000 Set the X axis deceleration to 150000 cts/sec2
SP50000 Set the X axis speed to 50000 cts/sec
PA5000 Command the X axis to absolute position 5000 encoder counts

92 • Chapter 6 Programming Motion DMC-1700/1800
Figure 1 Position vs Time (msec) Motion 1
Example - Motion 2:
The previous step showed the plot if the motion continued all the way to 5000, however partway through the motion,
the object that was being tracked changed direction, so the host program determined that the actual target position
should be 2000 cts at that time. Figure 2 shows what the position profile would look like if the move was allowed to
complete to 2000 cts. The position was modified when the robot was at a position of 4200 cts. Note that the robot
actually travels to a distance of almost 5000 cts before it turns around. This is a function of the deceleration rate set
by the DC command. When a direction change is commanded, the controller decelerates at the rate specified by the
DC command. The controller then ramps the velocity in up to the value set with SP in the opposite direction
traveling to the new specified absolute position. In Figure 3 the velocity profile is triangular because the controller
doesn’t have sufficient time to reach the set speed of 50000 cts/sec before it is commanded to change direction.
Figure 2: Position vs. Time (msec) Motion 2

DMC-1700/1800 Chapter 6 Programming Motion • 93
Figure 3 Velocity vs Time (msec) Motion 2
Example Motion 4
In this motion, the host program commands the controller to begin motion towards position 5000, changes the target
to -2000, and then changes it again to 8000. Figure 4 shows the plot of position vs. time, Figure 5 plots velocity vs.
time, and Figure 6 demonstrates the use of motion smoothing (IT) on the velocity profile in this mode. The jerk in
the system is also affected by the values set for AC and DC.
Figure 4 Position vs. Time (msec) Motion 4

94 • Chapter 6 Programming Motion DMC-1700/1800
Figure 5 Velocity vs.Time Motion 4
Figure 6 Velocity cts/sec vs. Time (msec) with IT
Note the controller treats the point where the velocity passes through zero as the end of one move, and the beginning
of another move. IT is allowed, however it will introduce some time delay.
Trip Points
Most trip points are valid for use while in the position tracking mode. There are a few exceptions to this; the AM
and MC commands may not be used while in this mode. It is recommended that MF, MR, or AP be used, as they
involve motion in a specified direction, or the passing of a specific absolute position.

DMC-1700/1800 Chapter 6 Programming Motion • 95
Command Summary – Position Tracking Mode
COMMAND DESCRIPTION
AC n,n,n,n,n,n,n,n Acceleration settings for the specified axes
AP n,n,n,n,n,n,n,n Trip point that holds up program execution until an absolute position has been reached
DC n,n,n,n,n,n,n,n Deceleration settings for the specified axes
MF n,n,n,n,n,n,n,n Trip point to hold up program execution until n number of counts have passed in the
forward direction. Only one axis at a time may be specified.
MR n,n,n,n,n,n,n,n Trip point to hold up program execution until n number of counts have passed in the
reverse direction. Only one axis at a time may be specified.
PT n,n,n,n,n,n,n,n Command used to enter and exit the Trajectory Modification Mode
PA n,n,n,n,n,n,n,n Command Used to specify the absolute position target
SP n,n,n,n,n,n,n,n Command used to enter and exit the Trajectory Modification Mode
Linear Interpolation Mode
The DMC-1700/1800 provides a linear interpolation mode for 2 or more axes. In linear interpolation mode, motion
between the axes is coordinated to maintain the prescribed vector speed, acceleration, and deceleration along the
specified path. The motion path is described in terms of incremental distances for each axis. An unlimited number
of incremental segments may be given in a continuous move sequence, making the linear interpolation mode ideal
for following a piece-wise linear path. There is no limit to the total move length.
The LM command selects the Linear Interpolation mode and axes for interpolation. For example, LM YZ selects
only the Y and Z axes for linear interpolation.
When using the linear interpolation mode, the LM command only needs to be specified once unless the axes for
linear interpolation change.
Specifying Linear Segments
The command LI x,y,z,w or LI a,b,c,d,e,f,g,h specifies the incremental move distance for each axis. This means
motion is prescribed with respect to the current axis position. Up to 511 incremental move segments may be given
prior to the Begin Sequence (BGS) command. Once motion has begun, additional LI segments may be sent to the
controller.
The clear sequence (CS) command can be used to remove LI segments stored in the buffer prior to the start of the
motion. To stop the motion, use the instructions STS or AB. The command, ST, causes a decelerated stop. The
command, AB, causes an instantaneous stop and aborts the program, and the command AB1 aborts the motion only.
The Linear End (LE) command must be used to specify the end of a linear move sequence. This command tells the
controller to decelerate to a stop following the last LI command. If an LE command is not given, an Abort AB1
must be used to abort the motion sequence.
It is the responsibility of the user to keep enough LI segments in the DMC-1700/1800 sequence buffer to ensure
continuous motion. If the controller receives no additional LI segments and no LE command, the controller will
stop motion instantly at the last vector. There will be no controlled deceleration. LM? or _LM returns the available
spaces for LI segments that can be sent to the buffer. 511 returned means the buffer is empty and 511 LI segments
can be sent. A zero means the buffer is full and no additional segments can be sent. As long as the buffer is not full,
additional LI segments can be sent at PC bus speeds.
The instruction _CS returns the segment counter. As the segments are processed, _CS increases, starting at zero.
This function allows the host computer to determine which segment is being processed.

96 • Chapter 6 Programming Motion DMC-1700/1800
Additional Commands
The commands VS n, VA n, and VD n are used to specify the vector speed, acceleration and deceleration. The
DMC-1700/1800 computes the vector speed based on the axes specified in the LM mode. For example, LM XYZ
designates linear interpolation for the X,Y and Z axes. The vector speed for this example would be computed using
the equation:
VS
2
=XS
2
+YS
2
+ZS
2
, where XS, YS and ZS are the speed of the X,Y and Z axes.
The controller always uses the axis specifications from LM, not LI, to compute the speed.
VT is used to set the S-curve smoothing constant for coordinated moves. The command AV n is the ‘After Vector’
trippoint, which halts program execution until the vector distance of n has been reached.
An Example of Linear Interpolation Motion:
#LMOVE label
DP 0,0 Define position of X and Y axes to be 0
LMXY Define linear mode between X and Y axes.
LI 5000,0 Specify first linear segment
LI 0,5000 Specify second linear segment
LE End linear segments
VS 4000 Specify vector speed
BGS Begin motion sequence
AV 4000 Set trippoint to wait until vector distance of 4000 is reached
VS 1000 Change vector speed
AV 5000 Set trippoint to wait until vector distance of 5000 is reached
VS 4000 Change vector speed
EN Program end
In this example, the XY system is required to perform a 90° turn. In order to slow the speed around the corner, we
use the AV 4000 trippoint, which slows the speed to 1000 count/s. Once the motors reach the corner, the speed is
increased back to 4000 cts / s.
Specifying Vector Speed for Each Segment
The instruction VS has an immediate effect and, therefore, must be given at the required time. In some applications,
such as CNC, it is necessary to attach various speeds to different motion segments. This can be done by two
functions: < n and > m
For example: LI x,y,z,w < n >m
The first command, < n, is equivalent to commanding VSn at the start of the given segment and will
cause an acceleration toward the new commanded speeds, subjects to the other constraints.
The second function, > m, requires the vector speed to reach the value m at the end of the segment.
Note that the function > m may start the deceleration within the given segment or during previous
segments, as needed to meet the final speed requirement, under the given values of VA and VD.
Note, however, that the controller works with one > m command at a time. As a consequence, one
function may be masked by another. For example, if the function >100000 is followed by >5000, and
the distance for deceleration is not sufficient, the second condition will not be met. The controller will
attempt to lower the speed to 5000, but will reach that at a different point.
As an example, consider the following program.
#ALT Label for alternative program
DP 0,0 Define Position of X and Y axis to be 0
LMXY Define linear mode between X and Y axes.

DMC-1700/1800 Chapter 6 Programming Motion • 97
LI 4000,0 <4000 >1000 Specify first linear segment with a vector speed of 4000 and end speed 1000
LI 1000,1000 < 4000 >1000 Specify second linear segment with a vector speed of 4000 and end speed 1000
LI 0,5000 < 4000 >1000 Specify third linear segment with a vector speed of 4000 and end speed 1000
LE End linear segments
BGS Begin motion sequence
EN Program end
Changing Feedrate:
The command VR n allows the feedrate, VS, to be scaled between 0 and 10 with a resolution of .0001. This
command takes effect immediately and causes VS to be scaled. VR also applies when the vector speed is specified
with the ‘<’ operator. This is a useful feature for feedrate override. VR does not ratio the accelerations. For
example, VR .5 results in the specification VS 2000 to be divided in half.
Command Summary - Linear Interpolation
COMMAND DESCRIPTION
LM xyzw
LM abcdefgh
Specify axes for linear interpolation
(same) controllers with 5 or more axes
LM? Returns number of available spaces for linear segments in DMC-1700/1800 sequence
buffer. Zero means buffer full. 512 means buffer empty.
LI x,y,z,w < n
LI a,b,c,d,e,f,g,h <
n
Specify incremental distances relative to current position, and assign vector speed n.
VS n Specify vector speed
VA n Specify vector acceleration
VD n Specify vector deceleration
VR n Specify the vector speed ratio
BGS Begin Linear Sequence
CS Clear sequence
LE Linear End- Required at end of LI command sequence
LE? Returns the length of the vector (resets after 2147483647)
AMS Trippoint for After Sequence complete
AV n Trippoint for After Relative Vector distance,n
VT S curve smoothing constant for vector moves
Operand Summary - Linear Interpolation
OPERAND DESCRIPTION
_AV Return distance travelled
_CS Segment counter - returns number of the segment in the sequence, starting at zero.
_LE Returns length of vector (resets after 2147483647)
_LM Returns number of available spaces for linear segments in DMC-1700/1800 sequence
buffer. Zero means buffer full. 512 means buffer empty.
_VPm Return the absolute coordinate of the last data point along the trajectory.
(m=X,Y,Z or W or A,B,C,D,E,F,G or H)

98 • Chapter 6 Programming Motion DMC-1700/1800
To illustrate the ability to interrogate the motion status, consider the first motion segment of our example,
#LMOVE, where the X axis moves toward the point X=5000. Suppose that when X=3000, the controller is
interrogated using the command ‘MG _AV’. The returned value will be 3000. The value of _CS, _VPX and _VPY
will be zero.
Now suppose that the interrogation is repeated at the second segment when Y=2000. The value of _AV at this
point is 7000, _CS equals 1, _VPX=5000 and _VPY=0.
Example - Linear Move
Make a coordinated linear move in the ZW plane. Move to coordinates 40000,30000 counts at a vector speed of
100000 counts/sec and vector acceleration of 1000000 counts/sec2.
LM ZW Specify axes for linear interpolation
LI,,40000,30000 Specify ZW distances
LE Specify end move
VS 100000 Specify vector speed
VA 1000000 Specify vector acceleration
VD 1000000 Specify vector deceleration
BGS Begin sequence
Note that the above program specifies the vector speed, VS, and not the actual axis speeds VZ and VW. The axis
speeds are determined by the controller from:
V
S
VZ VW=+
22
The result is shown in Figure 6.2

DMC-1700/1800 Chapter 6 Programming Motion • 99
POSITION Z
0
0 40000
FEEDRATE
0 0.1 0.5 0.6
4000 36000
30000
27000
3000
VELOCITY
Z-AXIS
VELOCITY
W-AXIS
POSITION W
TIME (sec)
TIME (sec)
TIME (sec)
Figure 6.2 - Linear Interpolation
Example - Multiple Moves
This example makes a coordinated linear move in the XY plane. The Arrays VX and VY are used to store 750
incremental distances which are filled by the program #LOAD.
#LOAD Load Program
DM VX [750],VY [750] Define Array
COUNT=0 Initialize Counter

100 • Chapter 6 Programming Motion DMC-1700/1800
N=0 Initialize position increment
#LOOP LOOP
VX [COUNT]=N Fill Array VX
VY [COUNT]=N Fill Array VY
N=N+10 Increment position
COUNT=COUNT+1 Increment counter
JP #LOOP,COUNT<750 Loop if array not full
#A Label
LM XY Specify linear mode for XY
COUNT=0 Initialize array counter
#LOOP2;JP#LOOP2,_LM=0 If sequence buffer full, wait
JS#C,COUNT=500 Begin motion on 500th segment
LI VX[COUNT],VY[COUNT] Specify linear segment
COUNT=COUNT+1 Increment array counter
JP #LOOP2,COUNT<750 Repeat until array done
LE End Linear Move
AMS After Move sequence done
MG “DONE” Send Message
EN End program
#C;BGS;EN Begin Motion Subroutine
Vector Mode: Linear and Circular Interpolation Motion
The DMC-1700/1800 allows a long 2-D path consisting of linear and arc segments to be prescribed. Motion along
the path is continuous at the prescribed vector speed even at transitions between linear and circular segments. The
DMC-1700/1800 performs all the complex computations of linear and circular interpolation, freeing the host PC
from this time intensive task.
The coordinated motion mode is similar to the linear interpolation mode. Any pair of two axes may be selected for
coordinated motion consisting of linear and circular segments. In addition, a third axis can be controlled such that it
remains tangent to the motion of the selected pair of axes. Note that only one pair of axes can be specified for
coordinated motion at any given time.
The command VM m,n,p where ‘m’ and ‘n’ are the coordinated pair and p is the tangent axis (Note: the commas
which separate m,n and p are not necessary). For example, VM XWZ selects the XW axes for coordinated motion
and the Z-axis as the tangent.
Specifying the Coordinate Plane
The DMC-1700/1800 allows for 2 separate sets of coordinate axes for linear interpolation mode or vector mode.
These two sets are identified by the letters S and T.
To specify vector commands the coordinate plane must first be identified. This is done by issuing the command
CAS to identify the S plane or CAT to identify the T plane. All vector commands will be applied to the active
coordinate system until changed with the CA command.
Specifying Vector Segments
The motion segments are described by two commands; VP for linear segments and CR for circular segments. Once
a set of linear segments and/or circular segments have been specified, the sequence is ended with the command VE.
This defines a sequence of commands for coordinated motion. Immediately prior to the execution of the first
coordinated movement, the controller defines the current position to be zero for all movements in a sequence. Note:

DMC-1700/1800 Chapter 6 Programming Motion • 101
This ‘local’ definition of zero does not affect the absolute coordinate system or subsequent coordinated motion
sequences.
The command, VP x,y specifies the coordinates of the end points of the vector movement with respect to the starting
point. Non-sequential axis do not require comma delimitation. The command, CR r,q,d define a circular arc with a
radius r, starting angle of q, and a traversed angle d. The notation for q is that zero corresponds to the positive
horizontal direction, and for both q and d, the counter-clockwise (CCW) rotation is positive.
Up to 511 segments of CR or VP may be specified in a single sequence and must be ended with the command VE.
The motion can be initiated with a Begin Sequence (BGS) command. Once motion starts, additional segments may
be added.
The Clear Sequence (CS) command can be used to remove previous VP and CR commands which were stored in the
buffer prior to the start of the motion. To stop the motion, use the instructions STS or AB1. ST stops motion at the
specified deceleration. AB1 aborts the motion instantaneously.
The Vector End (VE) command must be used to specify the end of the coordinated motion. This command requires
the controller to decelerate to a stop following the last motion requirement. If a VE command is not given, an Abort
(AB1) must be used to abort the coordinated motion sequence.
It is the responsibility of the user to keep enough motion segments in the DMC-1700/1800 sequence buffer to ensure
continuous motion. If the controller receives no additional motion segments and no VE command, the controller
will stop motion instantly at the last vector. There will be no controlled deceleration. LM? or _LM returns the
available spaces for motion segments that can be sent to the buffer. 511 returned means the buffer is empty and 511
segments can be sent. A zero means the buffer is full and no additional segments can be sent. As long as the buffer
is not full, additional segments can be sent at PC bus speeds.
The operand _CS can be used to determine the value of the segment counter.
Additional commands
The commands VS n, VA n and VD n are used for specifying the vector speed, acceleration, and deceleration.
VT is the s curve smoothing constant used with coordinated motion.
Specifying Vector Speed for Each Segment:
The vector speed may be specified by the immediate command VS. It can also be attached to a motion segment
with the instructions
VP x,y < n >m
CR r,θ,δ < n >m
The first command, <n, is equivalent to commanding VSn at the start of the given segment and will cause an
acceleration toward the new commanded speeds, subjects to the other constraints.
The second function, > m, requires the vector speed to reach the value m at the end of the segment. Note that the
function > m may start the deceleration within the given segment or during previous segments, as needed to meet the
final speed requirement, under the given values of VA and VD.
Note, however, that the controller works with one > m command at a time. As a consequence, one function may be
masked by another. For example, if the function >100000 is followed by >5000, and the distance for deceleration is
not sufficient, the second condition will not be met. The controller will attempt to lower the speed to 5000, but will
reach that at a different point.
Changing Feedrate:
The command VR n allows the feedrate, VS, to be scaled between 0 and 10 with a resolution of .0001. This
command takes effect immediately and causes VS scaled. VR also applies when the vector speed is specified with
the ‘<’ operator. This is a useful feature for feedrate override. VR does not ratio the accelerations. For example,
VR .5 results in the specification VS 2000 to be divided By two

102 • Chapter 6 Programming Motion DMC-1700/1800
Compensating for Differences in Encoder Resolution:
By default, the DMC-1700/1800 uses a scale factor of 1:1 for the encoder resolution when used in vector mode. If
this is not the case, the command, ES can be used to scale the encoder counts. The ES command accepts two
arguments which represent the number of counts for the two encoders used for vector motion. The smaller ratio of
the two numbers will be multiplied by the higher resolution encoder. For more information, see ES command in the
Command Reference.
Trippoints:
The AV n command is the After Vector trippoint, which waits for the vector relative distance of n to occur before
executing the next command in a program.
Tangent Motion:
Several applications, such as cutting, require a third axis (i.e. a knife blade), to remain tangent to the coordinated
motion path. To handle these applications, the DMC-1700/1800 allows one axis to be specified as the tangent axis.
The VM command provides parameter specifications for describing the coordinated axes and the tangent axis.
VM m,n,p m,n specifies coordinated axes p specifies tangent axis such as X,Y,Z,W p=N
turns off tangent axis
Before the tangent mode can operate, it is necessary to assign an axis via the VM command and define its offset and
scale factor via the TN m,n command. m defines the scale factor in counts/degree and n defines the tangent position
that equals zero degrees in the coordinated motion plane. The operand _TN can be used to return the initial position
of the tangent axis.
Example:
Assume an XY table with the Z-axis controlling a knife. The Z-axis has a 2000 quad counts/rev encoder and has
been initialized after power-up to point the knife in the +Y direction. A 180° circular cut is desired, with a radius of
3000, center at the origin and a starting point at (3000,0). The motion is CCW, ending at (-3000,0). Note that the 0°
position in the XY plane is in the +X direction. This corresponds to the position -500 in the Z-axis, and defines the
offset. The motion has two parts. First, X,Y and Z are driven to the starting point, and later, the cut is performed.
Assume that the knife is engaged with output bit 0.
#EXAMPLE Example program
VM XYZ XY coordinate with Z as tangent
TN 2000/360,-500 2000/360 counts/degree, position -500 is 0 degrees in XY plane
CR 3000,0,180 3000 count radius, start at 0 and go to 180 CCW
VE End vector
CB0 Disengage knife
PA 3000,0,_TN Move X and Y to starting position, move Z to initial tangent position
BG XYZ Start the move to get into position
AM XYZ When the move is complete
SB0 Engage knife
WT50 Wait 50 msec for the knife to engage
BGS Do the circular cut
AMS After the coordinated move is complete
CB0 Disengage knife
MG “ALL DONE”
EN End program

DMC-1700/1800 Chapter 6 Programming Motion • 103
Command Summary - Coordinated Motion Sequence
COMMAND DESCRIPTION.
VM m,n Specifies the axes for the planar motion where m and n represent the planar axes and p is
the tangent axis.
VP m,n Return coordinate of last point, where m=X,Y,Z or W.
CR r,Θ, ±ΔΘ Specifies arc segment where r is the radius, Θ is the starting angle and ΔΘ is the travel
angle. Positive direction is CCW.
VS s,t Specify vector speed or feedrate of sequence.
VA s,t Specify vector acceleration along the sequence.
VD s,t Specify vector deceleration along the sequence.
VR s,t Specify vector speed ratio
BGST Begin motion sequence, S or T
CSST Clear sequence, S or T
AV s,t Trippoint for After Relative Vector distance.
AMST Holds execution of next command until Motion Sequence is complete.
TN m,n Tangent scale and offset.
ES m,n Ellipse scale factor.
VT s,t S curve smoothing constant for coordinated moves
LM? Return number of available spaces for linear and circular segments in DMC-1700/1800
sequence buffer. Zero means buffer is full. 512 means buffer is empty.
CAS or CAT Specifies which coordinate system is to be active (S or T)
Operand Summary - Coordinated Motion Sequence
OPERAND DESCRIPTION
_VPM The absolute coordinate of the axes at the last intersection along the sequence.
_AV Distance traveled.
_LM Number of available spaces for linear and circular segments in DMC-1700/1800 sequence
buffer. Zero means buffer is full. 512 means buffer is empty.
_CS Segment counter - Number of the segment in the sequence, starting at zero.
_VE Vector length of coordinated move sequence.
When AV is used as an operand, _AV returns the distance traveled along the sequence.
The operands _VPX and _VPY can be used to return the coordinates of the last point specified along the path.
Example:
Traverse the path shown in Fig. 6.3. Feedrate is 20000 counts/sec. Plane of motion is XY
VM XY Specify motion plane
VS 20000 Specify vector speed
VA 1000000 Specify vector acceleration
VD 1000000 Specify vector deceleration
VP -4000,0 Segment AB

104 • Chapter 6 Programming Motion DMC-1700/1800
CR 1500,270,-180 Segment BC
VP 0,3000 Segment CD
CR 1500,90,-180 Segment DA
VE End of sequence
BGS Begin Sequence
The resulting motion starts at the point A and moves toward points B, C, D, A. Suppose that we interrogate the
controller when the motion is halfway between the points A and B.
The value of _AV is 2000
The value of _CS is 0
_VPX and _VPY contain the absolute coordinate of the point A
Suppose that the interrogation is repeated at a point, halfway between the points C and D.
The value of _AV is 4000+1500π+2000=10,712
The value of _CS is 2
_VPX,_VPY contain the coordinates of the point C
C (-4000,3000)
R = 1500
B (-4000,0)
D (0,3000)
A (0,0)
Figure 6.3 - The Required Path
Electronic Gearing
This mode allows up to 8 axes to be electronically geared to some master axes. The masters may rotate in both
directions and the geared axes will follow at the specified gear ratio. The gear ratio may be different for each axis
and changed during motion.
The command GAX yzw or GA ABCDEFGH specifies the master axes. GR x,y,z,w specifies the gear ratios for the
slaves where the ratio may be a number between +/-127.9999 with a fractional resolution of .0001. There are two
modes: standard gearing and gantry mode. The gantry mode (enabled with the command GM) allows the gearing to
stay enabled even if a limit is hit or an ST command is issued. GR 0,0,0,0 turns off gearing in both modes.
The command GM x,y,z,w select the axes to be controlled under the gantry mode. The parameter 1 enables gantry
mode, and 0 disables it.
GR causes the specified axes to be geared to the actual position of the master. The master axis is
commanded with motion commands such as PR, PA or JG.
When the master axis is driven by the controller in the jog mode or an independent motion mode, it is possible to
define the master as the command position of that axis, rather than the actual position. The designation of the
commanded position master is by the letter, C. For example, GACX indicates that the gearing is the commanded
position of X.

DMC-1700/1800 Chapter 6 Programming Motion • 105
An alternative gearing method is to synchronize the slave motor to the commanded vector motion of several axes
performed by GAS. For example, if the X and Y motor form a circular motion, the Z axis may move in proportion
to the vector move. Similarly, if X,Y and Z perform a linear interpolation move, W can be geared to the vector
move.
Electronic gearing allows the geared motor to perform a second independent or coordinated move in addition to the
gearing. For example, when a geared motor follows a master at a ratio of 1:1, it may be advanced an additional
distance with PR, or JG, commands, or VP, or LI.
Ramped Gearing
In some applications, especially when the master is traveling at high speeds, it is desirable to have the gear ratio
ramp gradually to minimize large changes in velocity on the slave axis when the gearing is engaged. For example if
the master axis is already traveling at 1,000,000 cts/sec and the slave will be geared at a ratio of 1:1 when the
gearing is engaged, the slave will instantly develop following error, and command maximum current to the motor.
This can be a large shock to the system. For many applications it is acceptable to slowly ramp the engagement of
gearing over a greater time frame. Galil allows the user to specify an interval of the master axis over which the
gearing will be engaged. For example, the same master X axis in this case travels at 1,000,000 counts/sec, and the
gear ratio is 1:1, but the gearing is slowly engaged over 30,000 cts of the master axis, greatly diminishing the initial
shock to the slave axis. Figure 1 below shows the velocity vs. time profile for instantaneous gearing. Figure 2
shows the velocity vs. time profile for the gradual gearing engagement.
Figure 1 Velocity cts/sec vs. Time (msec) Instantaneous Gearing Engagement

106 • Chapter 6 Programming Motion DMC-1700/1800
Figure 2 Velocity (cts/sec) vs. Time (msec) Ramped Gearing
The slave axis for each figure is shown on the bottom portion of the figure; the master axis is shown on the top
portion. The shock to the slave axis will be significantly less in figure 2 than in figure1. The ramped gearing does
have one consequence. There isn’t a true synchronization of the two axes, until the gearing ramp is complete. The
slave will lag behind the true ratio during the ramp period. If exact position synchronization is required from the
point gearing is initiated, then the position must be commanded in addition to the gearing. The controller keeps
track of this position phase lag with the _GP operand. The following example will demonstrate how the command
is used.
Example – Electronic Gearing Over a Specified Interval
Objective Run two geared motors at speeds of 1.132 and -.045 times the speed of an external master. Because the
master is traveling at high speeds, it is desirable for the speeds to change slowly.
Solution: Use a DMC-1730 or DMC-1830 controller where the Z-axis is the master and X and Y are the geared
axes. We will implement the gearing change over 6000 counts (3 revolutions) of the master axis.
MO Z Turn Z off, for external master
GA Z, Z Specify Z as the master axis for both X and Y.
GD6000,6000 Specify ramped gearing over 6000 counts of the master axis.
GR 1.132,-.045 Specify gear ratios
Question: What is the effect of the ramped gearing?
Answer: Below, in the example titled Electronic Gearing, gearing would take effect immediately. From the start of
gearing if the master traveled 6000 counts, the slaves would travel 6792 counts and 270 counts.
Using the ramped gearing, the slave will engage gearing gradually. Since the gearing is engaged over the interval of
6000 counts of the master, the slave will only travel ~3396 counts and ~135 counts respectively. The difference

DMC-1700/1800 Chapter 6 Programming Motion • 107
between these two values is stored in the _GPn operand. If exact position synchronization is required, the IP
command is used to adjust for the difference.
Command Summary - Electronic Gearing
COMMAND DESCRIPTION
GA n Specifies master axes for gearing where:
n = X,Y,Z or W or A,B,C,D,E,F,G,H for main encoder as master
n = CX,CY,CZ, CW or CA, CB,CC,CD,CE,CF,CG,CH for commanded position.
n = DX,DY,DZ or DW or DA, DB, DC, DD, DE, DF,DG,DH for auxiliary encoders
n = S or T for gearing to coordinated motion.
GD a,b,c,d,e,f,g,h Sets the distance the master will travel for the gearing change to take full effect.
_GPn This operand keeps track of the difference between the theoretical distance traveled if
gearing changes took effect immediately, and the distance traveled since gearing
changes take effect over a specified interval.
GR a,b,c,d,e,f,g,h Sets gear ratio for slave axes. 0 disables electronic gearing for specified axis.
GM a,b,c,d,e,f,g,h X = 1 sets gantry mode, 0 disables gantry mode
MR x,y,z,w Trippoint for reverse motion past specified value. Only one field may be used.
MF x,y,z,w Trippoint for forward motion past specified value. Only one field may be used.
Example - Simple Master Slave
Master axis moves 10000 counts at slew speed of 100000 counts/sec. Y is defined as the master. X,Z,W are geared
to master at ratios of 5,-.5 and 10 respectively.
GA Y,,Y,Y Specify master axes as Y
GR 5,,-.5,10 Set gear ratios
PR ,10000 Specify Y position
SP ,100000 Specify Y speed
BGY Begin motion
Example - Electronic Gearing
Objective: Run two geared motors at speeds of 1.132 and -0.045 times the speed of an external master. The master
is driven at speeds between 0 and 1800 RPM (2000 counts/rev encoder).
Solution: Use a DMC-1730 or DMC-1830 controller, where the Z-axis is the master and X and Y are the geared
axes.
MO Z Turn Z off, for external master
GA Z, Z Specify Z as the master axis for both X and Y.
GR 1.132,-.045 Specify gear ratios
Now suppose the gear ratio of the X-axis is to change on-the-fly to 2. This can be achieved by commanding:
GR 2 Specify gear ratio for X axis to be 2
Example - Gantry Mode
In applications where both the master and the follower are controlled by the DMC-1700/1800 controller, it may be
desired to synchronize the follower with the commanded position of the master, rather than the actual position. This
eliminates the coupling between the axes which may lead to oscillations.

108 • Chapter 6 Programming Motion DMC-1700/1800
For example, assume that a gantry is driven by two axes, X,Y, on both sides. This requires the gantry mode for
strong coupling between the motors. The X-axis is the master and the Y-axis is the follower. To synchronize Y
with the commanded position of X, use the instructions:
GA, CX Specify the commanded position of X as master for Y.
GR,1 Set gear ratio for Y as 1:1
GM,1 Set gantry mode
PR 3000 Command X motion
BG X Start motion on X axis
You may also perform profiled position corrections in the electronic gearing mode. Suppose, for example, that you
need to advance the slave 10 counts. Simply command
IP ,10 Specify an incremental position movement of 10 on Y axis.
Under these conditions, this IP command is equivalent to:
PR,10 Specify position relative movement of 10 on Y axis
BGY Begin motion on Y axis
Often the correction is quite large. Such requirements are common when synchronizing cutting knives or conveyor
belts.
Example - Synchronize two conveyor belts with trapezoidal velocity
correction.
GA,X Define X as the master axis for Y.
GR,2 Set gear ratio 2:1 for Y
PR,300 Specify correction distance
SP,5000 Specify correction speed
AC,100000 Specify correction acceleration
DC,100000 Specify correction deceleration
BGY Start correction
Electronic Cam
The electronic cam is a motion control mode which enables the periodic synchronization of several axes of motion.
Up to 7 axes can be slaved to one master axis. The master axis encoder must be input through a main encoder port.
The electronic cam is a more general type of electronic gearing which allows a table-based relationship between the
axes. It allows synchronizing all the controller axes. For example, the DMC-1780 and DMC-1880 controllers may
have one master and up to seven slaves.
To illustrate the procedure of setting the cam mode, consider the cam relationship for the slave axis Y, when the
master is X. Such a graphic relationship is shown in Figure 6.8.
Step 1. Selecting the master axis
The first step in the electronic cam mode is to select the master axis. This is done with the instruction
EAp where p = X,Y,Z,W,E,F,G,H
p is the selected master axis
For the given example, since the master is x, we specify EAX
Step 2. Specify the master cycle and the change in the slave axis (es).

DMC-1700/1800 Chapter 6 Programming Motion • 109
In the electronic cam mode, the position of the master is always expressed modulo one cycle. In this example, the
position of x is always expressed in the range between 0 and 6000. Similarly, the slave position is also redefined
such that it starts at zero and ends at 1500. At the end of a cycle when the master is 6000 and the slave is 1500, the
positions of both x and y are redefined as zero. To specify the master cycle and the slave cycle change, we use the
instruction EM.
EM x,y,z,w
where x,y,z,w specify the cycle of the master and the total change of the slaves over one cycle.
The cycle of the master is limited to 8,388,607 whereas the slave change per cycle is limited to 2,147,483,647. If
the change is a negative number, the absolute value is specified. For the given example, the cycle of the master is
6000 counts and the change in the slave is 1500. Therefore, we use the instruction:
EM 6000,1500
Step 3. Specify the master interval and starting point.
Next we need to construct the ECAM table. The table is specified at uniform intervals of master positions. Up to
256 intervals are allowed. The size of the master interval and the starting point are specified by the instruction:
EP m,n
where m is the interval width in counts, and n is the starting point.
For the given example, we can specify the table by specifying the position at the master points of 0, 2000, 4000 and
6000. We can specify that by
EP 2000,0
Step 4. Specify the slave positions.
Next, we specify the slave positions with the instruction
ET[n]=x,y,z,w
where n indicates the order of the point.
The value, n, starts at zero and may go up to 256. The parameters x,y,z,w indicate the corresponding slave position.
For this example, the table may be specified by
ET[0]=,0
ET[1]=,3000
ET[2]=,2250
ET[3]=,1500
This specifies the ECAM table.
Step 5. Enable the ECAM
To enable the ECAM mode, use the command
EB n
where n=1 enables ECAM mode and n=0 disables ECAM mode.
Step 6. Engage the slave motion
To engage the slave motion, use the instruction

110 • Chapter 6 Programming Motion DMC-1700/1800
EG x,y,z,w
where x,y,z,w are the master positions at which the corresponding slaves must be engaged.
If the value of any parameter is outside the range of one cycle, the cam engages immediately. When the cam is
engaged, the slave position is redefined, modulo one cycle.
Step 7. Disengage the slave motion
To disengage the cam, use the command
EQ x,y,z,w
where x,y,z,w are the master positions at which the corresponding slave axes are disengaged.
Master X4000
2250
2000 6000
3000
1500
0
Figure 6.4: Electronic Cam Example
This disengages the slave axis at a specified master position. If the parameter is outside the master cycle, the
stopping is instantaneous.
To illustrate the complete process, consider the cam relationship described by
the equation:
Y = 0.5 * X + 100 sin (0.18*X)
where X is the master, with a cycle of 2000 counts.
The cam table can be constructed manually, point by point, or automatically by a program. The following program
includes the set-up.
The instruction EAX defines X as the master axis. The cycle of the master is
2000. Over that cycle, Y varies by 1000. This leads to the instruction EM 2000,1000.
Suppose we want to define a table with 100 segments. This implies increments of 20 counts each. If the master
points are to start at zero, the required instruction is EP 20,0.
The following routine computes the table points. As the phase equals 0.18X and X varies in increments of 20, the
phase varies by increments of 3.6°. The program then computes the values of Y according to the equation and
assigns the values to the table with the instruction ET[N] = ,Y.
INSTRUCTION INTERPRETATION
#SETUP Label

DMC-1700/1800 Chapter 6 Programming Motion • 111
EAX Select X as master
EM 2000,1000 Cam cycles
EP 20,0 Master position increments
N = 0 Index
#LOOP Loop to construct table from equation
P = N
∗
3.6 Note 3.6 = 0.18∗20
S = @SIN [P] *100 Define sine position
Y = N *10+S Define slave position
ET [N] =, Y Define table
N = N+1
JP #LOOP, N<=100 Repeat the process
EN
Now suppose that the slave axis is engaged with a start signal, input 1, but that both the engagement and
disengagement points must be done at the center of the cycle: X = 1000 and Y = 500. This implies that Y must be
driven to that point to avoid a jump.
This is done with the program:
INSTRUCTION INTERPRETATION
#RUN Label
EB1 Enable cam
PA,500 starting position
SP,5000 Y speed
BGY Move Y motor
AM After Y moved
AI1 Wait for start signal
EG,1000 Engage slave
AI - 1 Wait for stop signal
EQ,1000 Disengage slave
EN End
Command Summary - Electronic CAM
command description
EA p Specifies master axes for electronic cam where:
p = X,Y,Z or W or A,B,C,D,E,F,G,H for main encoder as master
EB n Enables the ECAM
EC n ECAM counter - sets the index into the ECAM table
EG x,y,z,w Engages ECAM
EM x,y,z,w Specifies the change in position for each axis of the CAM cycle
EP m,n Defines CAM table entry size and offset
EQ m,n Disengages ECAM at specified position
ET[n] Defines the ECAM table entries
EW Widen segment (see Application Note #2444)

112 • Chapter 6 Programming Motion DMC-1700/1800
Operand Summary - Electronic CAM
command description
_EB Contains State of ECAM
_EC Contains current ECAM index
_EGx Contains ECAM status for each axis
_EM Contains size of cycle for each axis
_EP Contains value of the ECAM table interval
_EQx Contains ECAM status for each axis
Example - Electronic CAM
The following example illustrates a cam program with a master axis, Z, and two slaves, X and Y.
INSTRUCTION INTERPRETATION
#A;V1=0 Label; Initialize variable
PA 0,0;BGXY;AMXY Go to position 0,0 on X and Y axes
EA Z Z axis as the Master for ECAM
EM 0,0,4000 Change for Z is 4000, zero for X, Y
EP400,0 ECAM interval is 400 counts with zero start
ET[0]=0,0 When master is at 0 position; 1st point.
ET[1]=40,20 2nd point in the ECAM table
ET[2]=120,60 3rd point in the ECAM table
ET[3]=240,120 4th point in the ECAM table
ET[4]=280,140 5th point in the ECAM table
ET[5]=280,140 6th point in the ECAM table
ET[6]=280,140 7th point in the ECAM table
ET[7]=240,120 8th point in the ECAM table
ET[8]=120,60 9th point in the ECAM table
ET[9]=40,20 10th point in the ECAM table
ET[10]=0,0 Starting point for next cycle
EB 1 Enable ECAM mode
JGZ=4000 Set Z to jog at 4000
EG 0,0 Engage both X and Y when Master = 0
BGZ Begin jog on Z axis
#LOOP;JP#LOOP,V1=0 Loop until the variable is set
EQ2000,2000 Disengage X and Y when Master = 2000
MF,, 2000 Wait until the Master goes to 2000
ST Z Stop the Z axis motion
EB 0 Exit the ECAM mode
EN End of the program
The above example shows how the ECAM program is structured and how the commands can be given to the
controller. The next page provides the results captured by the WSDK program. This shows how the motion will be
seen during the ECAM cycles. The first graph is for the X axis, the second graph shows the cycle on the Y axis and
the third graph shows the cycle of the Z axis.

DMC-1700/1800 Chapter 6 Programming Motion • 113
Figure 6.5 – Three Storage Scopes
Contour Mode
The DMC-1700/1800 also provides a contouring mode. This mode allows any arbitrary position curve to be
prescribed for 1 to 8 axes. This is ideal for following computer generated paths such as parabolic, spherical or user-
defined profiles. The path is not limited to straight line and arc segments and the path length may be infinite.
Specifying Contour Segments
The Contour Mode is specified with the command, CM. For example, CMXZ specifies contouring on the X and Z
axes. Any axes that are not being used in the contouring mode may be operated in other modes.
A contour is described by position increments which are described with the command, CD x,y,z,w over a time
interval, DT n. The parameter, n, specifies the time interval. The time interval is defined as 2n ms, where n is a
number between 1 and 8. The controller performs linear interpolation between the specified increments, where one
point is generated for each millisecond.
Consider, for example, the trajectory shown in Fig. 6.6. The position X may be described by the points:
Point 1 X=0 at T=0ms
Point 2 X=48 at T=4ms
Point 3 X=288 at T=12ms
Point 4 X=336 at T=28ms
The same trajectory may be represented by the increments
Increment 1 DX=48 Time=4 DT=2
Increment 2 DX=240 Time=8 DT=3
Increment 3 DX=48 Time=16 DT=4

114 • Chapter 6 Programming Motion DMC-1700/1800
When the controller receives the command to generate a trajectory along these points, it interpolates linearly
between the points. The resulting interpolated points include the position 12 at 1 msec, position 24 at 2 msec, etc.
The programmed commands to specify the above example are:
#A
CMX Specifies X axis for contour mode
DT 2 Specifies first time interval, 22 ms
CD 48;WC Specifies first position increment
DT 3 Specifies second time interval, 23 ms
CD 240;WC Specifies second position increment
DT 4 Specifies the third time interval, 24 ms
CD 48;WC Specifies the third position increment
DT0;CD0 Exits contour mode
EN
POSITION
(COUNTS)
240
96
48
192
TIME (ms)
048
12 16 20 24 28
288
336
SEGMENT 1 SEGMENT 2 SEGMENT 3
Figure 6.6 - The Required Trajectory
Additional Commands
The command, WC, is used as a trippoint “When Complete”. This allows the DMC-1700/1800 to use the next
increment only when it is finished with the previous one. Zero parameters for DT followed by zero parameters for
CD exit the contour mode.
If no new data record is found and the controller is still in the contour mode, the controller waits for new data. No
new motion commands are generated while waiting. If bad data is received, the controller responds with a ?.

DMC-1700/1800 Chapter 6 Programming Motion • 115
Command Summary - Contour Mode
COMMAND DESCRIPTION
CM XYZW Specifies which axes for contouring mode. Any non-contouring axes may be operated in
other modes.
CM
ABCDEFGH
Contour axes for DMC-1780/1880
CD x,y,z,w Specifies position increment over time interval. Range is +/-32,000. (Zero ends contour
mode, when issued following DT0.)
CD
a,b,c,d,e,f,g,h
Position increment data for DMC-1780/1880
DT n Specifies time interval 2n msec for position increment, where n is an integer between 1 and
8. Zero ends contour mode. If n does not change, it does not need to be specified with each
CD.
WC Waits for previous time interval to be complete before next data record is processed.
General Velocity Profiles
The Contour Mode is ideal for generating any arbitrary velocity profiles. The velocity profile can be specified as a
mathematical function or as a collection of points.
The design includes two parts: Generating an array with data points and running the program.
Generating an Array - An Example
Consider the velocity and position profiles shown in Fig. 6.7. The objective is to rotate a motor a distance of 6000
counts in 120 ms. The velocity profile is sinusoidal to reduce the jerk and the system vibration. If we describe the
position displacement in terms of A counts in B milliseconds, we can describe the motion in the following manner:
()
ωπ
=−
Α
ΒΒ12cos( )
Χ= −
AT
BAB
22
π
π
sin( )
Note: ω is the angular velocity; X is the position; and T is the variable, time, in milliseconds.
In the given example, A=6000 and B=120, the position and velocity profiles are:
X = 50T - (6000/2π) sin (2π T/120)
Note that the velocity, ω, in count/ms, is
ω = 50 [1 - cos 2π T/120]

116 • Chapter 6 Programming Motion DMC-1700/1800
Figure 6.7 - Velocity Profile with Sinusoidal Acceleration
The DMC-1700/1800 can compute trigonometric functions. However, the argument must be expressed in degrees.
Using our example, the equation for X is written as:
X = 50T - 955 sin 3T
A complete program to generate the contour movement in this example is given below. To generate an array, we
compute the position value at intervals of 8 ms. This is stored at the array POS. Then, the difference between the
positions is computed and is stored in the array DIF. Finally the motors are run in the contour mode.
Contour Mode Example
INSTRUCTION INTERPRETATION
#POINTS Program defines X points
DM POS[16] Allocate memory
DM DIF[15]
C=0 Set initial conditions, C is index
T=0 T is time in ms
#A
V1=50*T
V2=3*T Argument in degrees
V3=-955*@SIN[V2]+V1 Compute position
V4=@INT[V3] Integer value of V3
POS[C]=V4 Store in array POS
T=T+8
C=C+1
JP #A,C<16
#B Program to find position differences
C=0
#C
D=C+1
DIF[C]=POS[D]-POS[C] Compute the difference and store
C=C+1
JP #C,C<15

DMC-1700/1800 Chapter 6 Programming Motion • 117
EN End first program
#RUN Program to run motor
CMX Contour Mode
DT3 8 millisecond intervals
C=0
#E
CD DIF[C] Contour Distance is in DIF
WC Wait for completion
C=C+1
JP #E,C<15
DT0
CD0 Stop Contour
EN End the program
Teach (Record and Play-Back)
Several applications require teaching the machine a motion trajectory. Teaching can be accomplished using the
DMC-1700/1800 automatic array capture feature to capture position data. The captured data may then be played
back in the contour mode. The following array commands are used:
DM C[n] Dimension array
RA C[] Specify array for automatic record (up to 4 for DMC-1740 or DMC-1840)
RD _TPX Specify data for capturing (such as _TPX or _TPZ)
RC n,m Specify capture time interval where n is 2n msec, m is number of records to be
captured
RC? or _RC Returns a 1 if recording
Record and Playback Example:
#RECORD Begin Program
DM XPOS[501] Dimension array with 501 elements
RA XPOS[] Specify automatic record
RD _TPX Specify X position to be captured
MOX Turn X motor off
RC2 Begin recording; 4 msec interval
#A;JP#A,_RC=1 Continue until done recording
#COMPUTE Compute DX
DM DX[500] Dimension Array for DX
C=0 Initialize counter
#L Label
D=C+1
DELTA=XPOS[D]-
XPOS[C]
Compute the difference
DX[C]=DELTA Store difference in array
C=C+1 Increment index
JP #L,C<500 Repeat until done
#PLAYBCK Begin Playback
CMX Specify contour mode

118 • Chapter 6 Programming Motion DMC-1700/1800
DT2 Specify time increment
I=0 Initialize array counter
#B Loop counter
CD DX[I]; I=I+1;WC Specify contour data I=I+1 Increment array counter
JP #B,I<500 Loop until done
DT 0;CD0 End contour mode
EN End program
For additional information about automatic array capture, see Chapter 7, Arrays.
Virtual Axis
The DMC-1700/1800 controller has an additional virtual axis designated as the N axis. This axis has no encoder and
no DAC. However, it can be commanded by the commands:
AC, DC, JG, SP, PR, PA, BG, IT, GA, VM, VP, CR, ST, DP, RP.
The main use of the virtual axis is to serve as a virtual master in ECAM modes, and to perform an unnecessary part
of a vector mode. These applications are illustrated by the following examples.
ECAM Master Example
Suppose that the motion of the XY axes is constrained along a path that can be described by an electronic cam table.
Further assume that the ecam master is not an external encoder but has to be a controlled variable.
This can be achieved by defining the N axis as the master with the command EAN and setting the modulo of the
master with a command such as EMN= 4000. Next, the table is constructed. To move the constrained axes, simply
command the N axis in the jog mode or with the PR and PA commands.
For example,
PAN = 2000
BGN
will cause the XY axes to move to the corresponding points on the motion cycle.
Sinusoidal Motion Example
The x axis must perform a sinusoidal motion of 10 cycles with an amplitude of 1000 counts and a frequency of 20
Hz.
This can be performed by commanding the X and N axes to perform circular motion. Note that the value of VS
must be
VS=2π * R * F
where R is the radius, or amplitude and F is the frequency in Hz.
Set VA and VD to maximum values for the fastest acceleration.
INSTRUCTION INTERPRETATION
VMXN Select axes
VA 68000000 Maximum Acceleration
VD 68000000 Maximum Deceleration
VS 125664 VS for 20 Hz
CR 1000, -90, 3600 Ten cycles
VE
BGS

DMC-1700/1800 Chapter 6 Programming Motion • 119
Stepper Motor Operation
When configured for stepper motor operation, several commands are interpreted differently than from servo mode.
The following describes operation with stepper motors.
Specifying Stepper Motor Operation
In order to command stepper motor operation, the appropriate stepper mode jumpers must be installed. See chapter
2 for this installation.
Stepper motor operation is specified by the command MT. The argument for MT is as follows:
2 specifies a stepper motor with active low step output pulses
-2 specifies a stepper motor with active high step output pulses
2.5specifies a stepper motor with active low step output pulses and reversed direction
-2.5 specifies a stepper motor with active high step output pulse and reversed direction
Stepper Motor Smoothing
The command, KS, provides stepper motor smoothing. The effect of the smoothing can be thought of as a simple
Resistor-Capacitor (single pole) filter. The filter occurs after the motion profiler and has the effect of smoothing out
the spacing of pulses for a more smooth operation of the stepper motor. Use of KS is most applicable when
operating in full step or half step operation. KS will cause the step pulses to be delayed in accordance with the time
constant specified.
When operating with stepper motors, you will always have some amount of stepper motor smoothing, KS. Since
this filtering effect occurs after the profiler, the profiler may be ready for additional moves before all of the step
pulses have gone through the filter. It is important to consider this effect since steps may be lost if the controller is
commanded to generate an additional move before the previous move has been completed. See the discussion
below, Monitoring Generated Pulses vs Commanded Pulses.
The general motion smoothing command, IT, can also be used. The purpose of the command, IT, is to smooth out
the motion profile and decrease ‘jerk’ due to acceleration.
Monitoring Generated Pulses vs Commanded Pulses
For proper controller operation, it is necessary to make sure that the controller has completed generating all step
pulses before making additional moves. This is most particularly important if you are moving back and forth. For
example, when operating with servo motors, the trippoint AM (After Motion) is used to determine when the motion
profiler is complete and is prepared to execute a new motion command. However when operating in stepper mode,
the controller may still be generating step pulses when the motion profiler is complete. This is caused by the stepper
motor smoothing filter, KS. To understand this, consider the steps the controller executes to generate step pulses:
First, the controller generates a motion profile in accordance with the motion commands.
Second, the profiler generates pulses as prescribed by the motion profile. The pulses that are generated by the
motion profiler can be monitored by the command, RP (Reference Position). RP gives the absolute value of the
position as determined by the motion profiler. The command, DP, can be used to set the value of the reference
position. For example, DP 0, defines the reference position of the X axis to be zero.
Third, the output of the motion profiler is filtered by the stepper smoothing filter. This filter adds a delay in the
output of the stepper motor pulses. The amount of delay depends on the parameter which is specified by the
command, KS. As mentioned earlier, there will always be some amount of stepper motor smoothing. The default
value for KS is 2 which corresponds to a time constant of 6 sample periods.
Fourth, the output of the stepper smoothing filter is buffered and is available for input to the stepper motor driver.
The pulses which are generated by the smoothing filter can be monitored by the command, TD (Tell Dual). TD
gives the absolute value of the position as determined by actual output of the buffer. The command, DP sets the

120 • Chapter 6 Programming Motion DMC-1700/1800
value of the step count register as well as the value of the reference position. For example, DP 0, defines the
reference position of the X axis to be zero.
Motion Profiler Stepper Smoothing Filter
(Adds a Delay) Output Buffer
Step Count Register (TD)Reference Position (RP)
Output
(To Stepper Driver)
Motion Complete Trippoint
When used in stepper mode, the MC command will hold up execution of the proceeding commands until the
controller has generated the same number of steps out of the step count register as specified in the commanded
position. The MC trippoint (Motion Complete) is generally more useful than AM trippoint (After Motion) since the
step pulses can be delayed from the commanded position due to stepper motor smoothing.
Using an Encoder with Stepper Motors
An encoder may be used on a stepper motor to check the actual motor position with the commanded position. If an
encoder is used, it must be connected to the main encoder input. Note: The auxiliary encoder is not available while
operating with stepper motors. The position of the encoder can be interrogated by using the command, TP. The
position value can be defined by using the command, DE.
Note: Closed loop operation with a stepper motor is not possible.
Command Summary - Stepper Motor Operation
COMMAND DESCRIPTION
DE Define Encoder Position (When using an encoder)
DP Define Reference Position and Step Count Register
IT Motion Profile Smoothing - Independent Time Constant
KS Stepper Motor Smoothing
MT Motor Type (2,-2,2.5 or -2.5 for stepper motors)
RP Report Commanded Position
TD Report number of step pulses generated by controller
TP Tell Position of Encoder
Operand Summary - Stepper Motor Operation
OPERAND DESCRIPTION
_DEx Contains the value of the step count register for the ‘x’ axis
_DPx Contains the value of the main encoder for the ‘x’ axis
_ITx Contains the value of the Independent Time constant for the ‘x’ axis
_KSx Contains the value of the Stepper Motor Smoothing Constant for the ‘x’ axis
_MTx Contains the motor type value for the ‘x’ axis
_RPx Contains the commanded position generated by the profiler for the ‘x’ axis
_TDx Contains the value of the step count register for the ‘x’ axis
_TPx Contains the value of the main encoder for the ‘x’ axis

DMC-1700/1800 Chapter 6 Programming Motion • 121
Stepper Position Maintenance Mode (SPM)
The Galil controller can be set into the Stepper Position Maintenance (SPM) mode to handle the event
of stepper motor position error. The mode looks at position feedback from the main encoder and
compares it to the commanded step pulses. The position information is used to determine if there is
any significant difference between the commanded and the actual motor positions. If such error is
detected, it is updated into a command value for operator use. In addition, the SPM mode can be used
as a method to correct for friction at the end of a microstepping move. This capability provides closed-
loop control at the application program level. SPM mode can be used with Galil and non-Galil step
drives.
SPM mode is configured, executed, and managed with seven commands. This mode also utilizes the
#POSERR automatic subroutine allowing for automatic user-defined handling of an error event.
Internal Controller Commands (user can query):
QS Error Magnitude (pulses)
User Configurable Commands (user can query & change):
OE Profiler Off-On Error
YA Step Drive Resolution (pulses / full motor step)
YB Step Motor Resolution (full motor steps / revolution)
YC Encoder Resolution (counts / revolution)
YR Error Correction (pulses)
YS Stepper Position Maintenance enable, status
A pulse is defined by the resolution of the step drive being used. Therefore, one pulse could be a full
step, a half step or a microstep.
When a Galil controller is configured for step motor operation, the step pulse output by the controller
is internally fed back to the auxiliary encoder register. For SPM the feedback encoder on the stepper
will connect to the main encoder port. Enabling the SPM mode on a controller with YS=1 executes an
internal monitoring of the auxiliary and main encoder registers for that axis or axes. Position error is
then tracked in step pulses between these two registers (QS command).
YC
YBYATP
TDQS ××
−=
Where TD is the auxiliary encoder register(step pulses) and TP is the main encoder register(feedback
encoder). Additionally, YA defines the step drive resolution where YA = 1 for full stepping or YA = 2
for half stepping. The full range of YA is up to YA = 9999 for microstepping drives.
Error Limit
The value of QS is internally monitored to determine if it exceeds a preset limit of three full motor
steps. Once the value of QS exceeds this limit, the controller then performs the following actions:

122 • Chapter 6 Programming Motion DMC-1700/1800
1. The motion is maintained or is stopped, depending on the setting of the OE command. If OE=0
the axis stays in motion, if OE=1 the axis is stopped.
2. YS is set to 2, which causes the automatic subroutine labeled #POSERR to be executed.
Correction
A correction move can be commanded by assigning the value of QS to the YR correction move
command. The correction move is issued only after the axis has been stopped. After an error
correction move has completed and QS is less than three full motor steps, the YS error status bit is
automatically reset back to 1; indicating a cleared error.
Example: SPM Mode Setup
The following code demonstrates what is necessary to set up SPM mode for a full step drive, a half
step drive, and a 1/64th microstepping drive for an axis with a 1.8o step motor and 4000 count/rev
encoder. Note the necessary difference is with the YA command.
Full-Stepping Drive, X axis:
#SETUP
OE1; Set the profiler to stop axis upon error
KS16; Set step smoothing
MT-2; Motor type set to stepper
YA1; Step resolution of the full-step drive
YB200; Motor resolution (full steps per revolution)
YC4000; Encoder resolution (counts per revolution)
SHX; Enable axis
WT50; Allow slight settle time
YS1; Enable SPM mode
Half-Stepping Drive, X axis:
#SETUP
OE1; Set the profiler to stop axis upon error
KS16; Set step smoothing
MT-2; Motor type set to stepper
YA2; Step resolution of the half-step drive
YB200; Motor resolution (full steps per revolution)
YC4000; Encoder resolution (counts per revolution)
SHX; Enable axis
WT50; Allow slight settle time
YS1; Enable SPM mode
1/64th Step Microstepping Drive, X axis:

DMC-1700/1800 Chapter 6 Programming Motion • 123
#SETUP
OE1; Set the profiler to stop axis upon error
KS16; Set step smoothing
MT-2; Motor type set to stepper
YA64; Step resolution of the microstepping drive
YB200; Motor resolution (full steps per revolution)
YC4000; Encoder resolution (counts per revolution)
SHX; Enable axis
WT50; Allow slight settle time
YS1; Enable SPM mode
Example: Error Correction
The following code demonstrates what is necessary to set up SPM mode for the X axis, detect error,
stop the motor, correct the error, and return to the main code. The drive is a full step drive, with a 1.8o
step motor and 4000 count/rev encoder.
#SETUP
OE1; Set the profiler to stop axis upon error
KS16; Set step smoothing
MT-2,-2,-2,-2; Motor type set to stepper
YA2; Step resolution of the drive
YB200; Motor resolution (full steps per revolution)
YC4000; Encoder resolution (counts per revolution)
SHX; Enable axis
WT100; Allow slight settle time
#MOTION Perform motion
SP512; Set the speed
PR1000; Prepare mode of motion
BGX; Begin motion
#LOOP;JP#LOOP; Keep thread zero alive for #POSERR to run in
REM When error occurs, the axis will stop due to OE1. In REM #POSERR, query
the status YS and the error QS, correct, REM and return to the main code.
#POSERR; Automatic subroutine is called when YS=2
WT100; Wait helps user see the correction
spsave=_SPX; Save current speed setting
JP#RETURN,_YSX<>2; Return to thread zero if invalid error
SP64; Set slow speed setting for correction

124 • Chapter 6 Programming Motion DMC-1700/1800
MG”ERROR= “,_QSX
YRX=_QSX; Else, error is valid, use QS for correction
MCX; Wait for motion to complete
MG”CORRECTED, ERROR NOW= “,_QSX
WT100; Wait helps user see the correction
#RETURN
SPX=spsave; Return the speed to previous setting
REO; Return from #POSERR
Example: Friction Correction
The following example illustrates how the SPM mode can be useful in correcting for X axis friction
after each move when conducting a reciprocating motion. The drive is a 1/64th microstepping drive
with a 1.8o step motor and 4000 count/rev encoder.
#SETUP; Set the profiler to continue upon error
KS16; Set step smoothing
MT-2,-2,-2,-2; Motor type set to stepper
YA64; Step resolution of the microstepping drive
YB200; Motor resolution (full steps per revolution)
YC4000; Encoder resolution (counts per revolution)
SHX; Enable axis
WT50; Allow slight settle time
YS1; Enable SPM mode
#MOTION; Perform motion
SP16384; Set the speed
PR10000; Prepare mode of motion
BGX; Begin motion
MCX
JS#CORRECT; Move to correction
#MOTION2
SP16384; Set the speed
PR-10000; Prepare mode of motion
BGX; Begin motion
MCX
JS#CORRECT; Move to correction
JP#MOTION
#CORRECT; Correction code

DMC-1700/1800 Chapter 6 Programming Motion • 125
spx=_SPX
#LOOP; Save speed value
SP2048; Set a new slow correction speed
WT100; Stabilize
JP#END,@ABS[_QSX]<10; End correction if error is within defined tolerance
YRX=_QSX; Correction move
MCX
WT100; Stabilize
JP#LOOP; Keep correcting until error is within tolerance
#END; End #CORRECT subroutine, returning to code
SPX=spx
EN
Dual Loop (Auxiliary Encoder)
The DMC-1700/1800 provides an interface for a second encoder for each axis except for axes configured for stepper
motor operation and axis used in circular compare. When used, the second encoder is typically mounted on the
motor or the load, but may be mounted in any position. The most common use for the second encoder is backlash
compensation, described below.
The second encoder may be a standard quadrature type, or it may provide pulse and direction. The controller also
offers the provision for inverting the direction of the encoder rotation. The main and the auxiliary encoders are
configured with the CE command. The command form is CE x,y,z,w (or a,b,c,d,e,f,g,h for controllers with more
than 4 axes) where the parameters x,y,z,w each equal the sum of two integers m and n. m configures the main
encoder and n configures the auxiliary encoder.
Using the CE Command
m= Main Encoder n= Second Encoder
0 Normal quadrature 0 Normal quadrature
1 Pulse & direction 4 Pulse & direction
2 Reverse quadrature 8 Reversed quadrature
3 Reverse pulse & direction 12 Reversed pulse & direction
For example, to configure the main encoder for reversed quadrature, m=2, and a second encoder of pulse and
direction, n=4, the total is 6, and the command for the X axis is
CE 6
Additional Commands for the Auxiliary Encoder
The command, DE x,y,z,w, can be used to define the position of the auxiliary encoders. For example,
DE 0,500,-30,300
sets their initial values.
The positions of the auxiliary encoders may be interrogated with the command, DE?. For example
DE ?,,?
returns the value of the X and Z auxiliary encoders.
The auxiliary encoder position may be assigned to variables with the instructions

126 • Chapter 6 Programming Motion DMC-1700/1800
V1= _DEX
The command, TD XYZW, returns the current position of the auxiliary encoder.
The command, DV 1,1,1,1, configures the auxiliary encoder to be used for backlash compensation.
Backlash Compensation
There are two methods for backlash compensation using the auxiliary encoders:
1. Continuous dual loop
2. Sampled dual loop
To illustrate the problem, consider a situation in which the coupling between the motor and the load has a backlash.
To compensate for the backlash, position encoders are mounted on both the motor and the load.
The continuous dual loop combines the two feedback signals to achieve stability. This method requires careful
system tuning, and depends on the magnitude of the backlash. However, once successful, this method compensates
for the backlash continuously.
The second method, the sampled dual loop, reads the load encoder only at the end point and performs a correction.
This method is independent of the size of the backlash. However, it is effective only in point-to-point motion
systems which require position accuracy only at the endpoint.
Continuous Dual Loop - Example
Connect the load encoder to the main encoder port and connect the motor encoder to the dual encoder port. The
dual loop method splits the filter function between the two encoders. It applies the KP (proportional) and KI
(integral) terms to the position error, based on the load encoder, and applies the KD (derivative) term to the motor
encoder. This method results in a stable system.
The dual loop method is activated with the instruction DV (Dual Velocity), where
DV 1,1,1,1
activates the dual loop for the four axes and
DV 0,0,0,0
disables the dual loop.
Note that the dual loop compensation depends on the backlash magnitude, and in extreme cases will
not stabilize the loop. The proposed compensation procedure is to start with KP=0, KI=0 and to
maximize the value of KD under the condition DV1. Once KD is found, increase KP gradually to a
maximum value, and finally, increase KI, if necessary.
Sampled Dual Loop - Example
In this example, we consider a linear slide which is run by a rotary motor via a lead screw. Since the lead screw has
a backlash, it is necessary to use a linear encoder to monitor the position of the slide. For stability reasons, it is best
to use a rotary encoder on the motor.
Connect the rotary encoder to the X-axis and connect the linear encoder to the auxiliary encoder of X. Assume that
the required motion distance is one inch, and that this corresponds to 40,000 counts of the rotary encoder and 10,000
counts of the linear encoder.
The design approach is to drive the motor a distance, which corresponds to 40,000 rotary counts. Once the motion is
complete, the controller monitors the position of the linear encoder and performs position corrections.
This is done by the following program.
INSTRUCTION INTERPRETATION
#DUALOOP Label
CE 0 Configure encoder
DE0 Set initial value

DMC-1700/1800 Chapter 6 Programming Motion • 127
PR 40000 Main move
BGX Start motion
#Correct Correction loop
AMX Wait for motion completion
V1=10000-_DEX Find linear encoder error
V2=-_TEX/4+V1 Compensate for motor error
JP#END,@ABS[V2]<2 Exit if error is small
PR V2*4 Correction move
BGX Start correction
JP#CORRECT Repeat
#END
EN
Motion Smoothing
The DMC-1700/1800 controller allows the smoothing of the velocity profile to reduce the mechanical vibration of
the system.
Trapezoidal velocity profiles have acceleration rates which change abruptly from zero to maximum value. The
discontinuous acceleration results in jerk which causes vibration. The smoothing of the acceleration profile leads to
a continuous acceleration profile and reduces the mechanical shock and vibration.
Using the IT and VT Commands:
When operating with servo motors, motion smoothing can be accomplished with the IT and VT
command. These commands filter the acceleration and deceleration functions to produce a smooth
velocity profile. The resulting velocity profile, has continuous acceleration and results in reduced
mechanical vibrations.
The smoothing function is specified by the following commands:
IT x,y,z,w Independent time constant
VT n Vector time constant
The command, IT, is used for smoothing independent moves of the type JG, PR, PA and the command, VT, is used
to smooth vector moves of the type VM and LM.
The smoothing parameters, x,y,z,w and n are numbers between 0 and 1 and determine the degree of filtering. The
maximum value of 1 implies no filtering, resulting in trapezoidal velocity profiles. Smaller values of the smoothing
parameters imply heavier filtering and smoother moves.
The following example illustrates the effect of smoothing. Fig. 6.7 shows the trapezoidal velocity profile and the
modified acceleration and velocity.
Note that the smoothing process results in longer motion time.
Example - Smoothing
PR 20000 Position
AC 100000 Acceleration
DC 100000 Deceleration
SP 5000 Speed
IT .5 Filter for smoothing
BG X Begin

128 • Chapter 6 Programming Motion DMC-1700/1800
ACCELERATION
VELOCITY
VELOCITY
VELOCITY
ACCELERATION
Figure 6.7 - Trapezoidal velocity and smooth velocity profiles
Using the KS Command (Step Motor Smoothing):
When operating with step motors, motion smoothing can be accomplished with the command, KS.
The KS command smoothes the frequency of step motor pulses. Similar to the commands, IT and VT,
this produces a smooth velocity profile.
The step motor smoothing is specified by the following command:
KS x,y,z,w where x,y,z,w is an integer from 0.5 to 8 and represents the amount of smoothing
The smoothing parameters, x,y,z,w and n are numbers between 0.5 and 8 and determine the degree of filtering. The
minimum value of 0.5 implies no filtering, resulting in trapezoidal velocity profiles. Larger values of the smoothing
parameters imply heavier filtering and smoother moves.
Note that KS is valid only for step motors.
After profile smoothing No smoothing

DMC-1700/1800 Chapter 6 Programming Motion • 129
Homing
The Find Edge (FE) and Home (HM) instructions may be used to home the motor to a mechanical reference. This
reference is connected to the Home input line. The HM command initializes the motor to the encoder index pulse in
addition to the Home input. The configure command (CN) is used to define the polarity of the home input.
The Find Edge (FE) instruction is useful for initializing the motor to a home switch. The home switch is connected
to the Homing Input. When the Find Edge command and Begin is used, the motor will accelerate up to the slew
speed and slew until a transition is detected on the Homing line. The motor will then decelerate to a stop. A high
deceleration value must be input before the find edge command is issued for the motor to decelerate rapidly after
sensing the home switch. The Home (HM) command can be used to position the motor on the index pulse after the
home switch is detected. This allows for finer positioning on initialization. The HM command and BG command
causes the following sequence of events to occur.
Stage 1:
Upon begin, the motor accelerates to the slew speed specified by the JG or SP commands. The
direction of its motion is determined by the state of the homing input. If _HMX reads 1 initially,
the motor will go in the reverse direction first (direction of decreasing encoder counts). If _HMX
reads 0 initially, the motor will go in the forward direction first. CN is the command used to
define the polarity of the home input. With CN,-1 (the default value) a normally open switch will
make _HMX read 1 initially, and a normally closed switch will make _HMX read zero.
Furthermore, with CN,1 a normally open switch will make _HMX read 0 initially, and a normally
closed switch will make _HMX read 1. Therefore, the CN command will need to be configured
properly to ensure the correct direction of motion in the home sequence.
Upon detecting the home switch changing state, the motor begins decelerating to a stop.
Note: The direction of motion for the FE command also follows these rules for the state of the
home input.
Stage 2:
The motor then traverses at 256 counts/sec in the opposite direction of Stage 1 until the home
switch toggles again. If Stage 3 is in the opposite direction of Stage 2, the motor will stop
immediately at this point and change direction. If Stage 2 is in the same direction as Stage 3, the
motor will never stop, but will smoothly continue into Stage 3.
Stage 3:
The motor traverses forward at 256 counts/sec until the encoder index pulse is detected. The
motor then stops immediately.
The DMC-1700/1800 defines the home position as the position at which the index was detected
and sets the encoder reading at this point to zero.

130 • Chapter 6 Programming Motion DMC-1700/1800
The 4 different motion possibilities for the home sequence are shown in the following table.
Direction of Motion
Switch Type CN Setting Initial _HMX state Stage 1 Stage 2 Stage 3
Normally Open CN,-1 1 Reverse Forward Forward
Normally Open CN,1 0 Forward Reverse Forward
Normally Closed CN,-1 0 Forward Reverse Forward
Normally Closed CN,1 1 Reverse Forward Forward
Example: Homing
Instruction Interpretation
#HOME Label
CN,-1 Configure the polarity of the home input
AC 1000000 Acceleration Rate
DC 1000000 Deceleration Rate
SP 5000 Speed for Home Search
HM Home
BG Begin Motion
AM After Complete
MG “AT HOME” Send Message
EN End
Figure 6.8 shows the velocity profile from the homing sequence of the example program above. For this profile, the
switch is normally closed and CN,-1.

DMC-1700/1800 Chapter 6 Programming Motion • 131
_HMX=1_HMX=0
HOME
SWITCH
MOTION
BEGINS IN
FORWARD
DIRECTION
MOTION
CHANGES
DIRECTION
MOTION IN
FORWARD
DIRECTION
TOWARD
INDEX
INDEX PULSES
POSITION
POSITION
POSITION
POSITION
POSITION
VELOCITY
VELOCITY
VELOCITY
Figure 6.8 – Homing Sequence for Normally Closed Switch and CN,-1

132 • Chapter 6 Programming Motion DMC-1700/1800
Example: Find Edge
#EDGE Label
AC 2000000 Acceleration rate
DC 2000000 Deceleration rate
SP 8000 Speed
FE Find edge command
BG Begin motion
AM After complete
MG “FOUND HOME” Send message
DP 0 Define position as 0
EN End
Command Summary - Homing Operation
command description
FE XYZW Find Edge Routine. This routine monitors the Home Input
FI XYZW Find Index Routine - This routine monitors the Index Input
HM XYZW Home Routine - This routine combines FE and FI as Described Above
SC XYZW Stop Code
TS XYZW Tell Status of Switches and Inputs
Operand Summary - Homing Operation
operand Description
_HMx Contains the value of the state of the Home Input
_SCx Contains stop code
_TSx Contains status of switches and inputs
High Speed Position Capture (The Latch Function)
Often it is desirable to capture the position precisely for registration applications. The DMC-
1700/1800 provides a position latch feature. This feature allows the position of the main or auxiliary
encoders of X,Y,Z or W to be captured within 25 microseconds of an external low input signal. The
general inputs 1 through 4 and 9 thru 12 correspond to each axis.
1 through 4: 9 through 12
IN1 X-axis latch IN9 E-axis latch
IN2 Y-axis latch IN10 F-axis latch
IN3 Z-axis latch IN11 G-axis latch

DMC-1700/1800 Chapter 6 Programming Motion • 133
IN4 W-axis latch IN12 H-axis latch
Note: To insure a position capture within 25 microseconds, the input signal must be a transition from
high to low.
The DMC-1700/1800 software commands, AL and RL, are used to arm the latch and report the latched
position. The steps to use the latch are as follows:
1. Give the AL XYZW command or ABCDEFGH for DMC-1780 or DMC-1880, to arm the
latch for the main encoder and ALSXSYSZSW for the auxiliary encoders.
2. Test to see if the latch has occurred (Input goes low) by using the _AL X or Y or Z or W
command. Example, V1=_ALX returns the state of the X latch into V1. V1 is 1 if the
latch has not occurred.
3. After the latch has occurred, read the captured position with the RL XYZW command or
_RL XYZW.
Note: The latch must be re-armed after each latching event.
Example:
#Latch Latch program
JG,5000 Jog Y
BG Y Begin motion on Y axis
AL Y Arm Latch for Y axis
#Wait #Wait label for loop
JP #Wait,_ALY=1 Jump to #Wait label if latch has not occurred
Result=_RLY Set value of variable ‘Result’ equal to the report position of y axis
Result= Print result
EN End
Fast Update Rate Mode
The DMC-1700/1800 can operate with much faster servo update rates. This mode is known as ‘fast mode’ and
allows the controller to operate with the following update rates:
DMC-1710 or DMC-1810 125 usec
DMC-1720 or DMC-1820 125 usec
DMC-1730 or DMC-1830 250 usec
DMC-1740 or DMC-1840 250 usec
DMC-1750 or DMC-1850 375 usec
DMC-1760 or DMC-1860 375 usec
DMC-1770 or DMC-1870 500 usec
DMC-1780 or DMC-1880 500 usec
In order to run the DMC-1700/1800 motion controller in fast mode, the fast firmware must be uploaded. This can
be done through the Galil terminal software such as DMCTERM and WSDK. The fast firmware is included with
the original DMC-1700 or DMC-1800 utilities.
In order to set the desired update rates, use the command TM.
When the controller is operating with the fast firmware, the following functions are disabled:
Gearing mode
Ecam mode

134 • Chapter 6 Programming Motion DMC-1700/1800
Pole (PL)
Analog Feedback (AF)
Stepper Motor Operation (MT 2,-2,2.5,-2.5)
Trippoints in thread 2-8
DMA channel
Tell Velocity Interrogation Command (TV)
Aux Encoders (TD)
Dual Velocity (DV)
Peak Torque Limit (TK)
Notch Filter (NB, NF, NZ )
Second field of EI

DMC-1700/1800 Chapter 7 Application Programming • 135
Chapter 7 Application Programming
Overview
The DMC-1700/1800 provides a powerful programming language that allows users to customize the controller for
their particular application. Programs can be downloaded into the controller memory freeing the host computer for
other tasks. However, the host computer can send commands to the controller at any time, even while a program is
being executed. Only ASCII commands can be used for application programming.
In addition to standard motion commands, the DMC-1700/1800 provides commands that allow the controller to
make its own decisions. These commands include conditional jumps, event triggers, and subroutines. For example,
the command JP#LOOP, n<10 causes a jump to the label #LOOP if the variable n is less than 10.
For greater programming flexibility, the DMC-1700/1800 provides user-defined variables, arrays and arithmetic
functions. For example, with a cut-to-length operation, the length can be specified as a variable in a program which
the operator can change as necessary.
The following sections in this chapter discuss all aspects of creating applications programs. The program memory
size is 80 characters x 1000 lines.
Using the DMC-1700/1800 Editor to Enter Programs
Galil’s SmartTerminal and WSDK software provide an editor and UPLOAD and DOWNLOAD utilities.
Application programs for the DMC-1700 or DMC-1800 may also be created and edited locally using the DMC-
1700/1800.
The DMC-1700/1800 provides a line Editor for entering and modifying programs. The Edit mode is entered with
the ED instruction. (Note: The ED command can only be given when the controller is in the non-edit mode, which
is signified by a colon prompt).
In the Edit Mode, each program line is automatically numbered sequentially starting with 000. If no parameter
follows the ED command, the editor prompter will default to the last line of the last program in memory. If desired,
the user can edit a specific line number or label by specifying a line number or label following ED.
ED Puts Editor at end of last program
:ED 5 Puts Editor at line 5
:ED #BEGIN Puts Editor at label #BEGIN
Line numbers appear as 000,001,002 and so on. Program commands are entered following the line numbers.
Multiple commands may be given on a single line as long as the total number of characters doesn’t exceed 80
characters per line.

136 • Chapter 7 Application Programming DMC-1700/1800
While in the Edit Mode, the programmer has access to special instructions for saving, inserting and deleting program
lines. These special instructions are listed below:
Edit Mode Commands
<RETURN>
Typing the return key causes the current line of entered instructions to be saved. The editor will automatically
advance to the next line. Thus, hitting a series of <RETURN> will cause the editor to advance a series of lines.
Note, changes on a program line will not be saved unless a <return> is given.
<cntrl>P
The <cntrl>P command moves the editor to the previous line.
<cntrl>I
The <cntrl>I command inserts a line above the current line. For example, if the editor is at line number 2 and
<cntrl>I is applied, a new line will be inserted between lines 1 and 2. This new line will be labeled line 2. The
old line number 2 is renumbered as line 3.
<cntrl>D
The <cntrl>D command deletes the line currently being edited. For example, if the editor is at line number 2 and
<cntrl>D is applied, line 2 will be deleted. The previous line number 3 is now renumbered as line number 2.
<cntrl>Q
The <cntrl>Q quits the editor mode. In response, the DMC-1700/1800 will return a colon.
After the Edit session is over, the user may list the entered program using the LS command. If no operand follows
the LS command, the entire program will be listed. The user can start listing at a specific line or label using the
operand n. A command and new line number or label following the start listing operand specifies the location
at which listing is to stop.
Example:
Instruction Interpretation
:LS List entire program
:LS 5 Begin listing at line 5
:LS 5,9 List lines 5 thru 9
:LS #A,9 List line label #A thru line 9
:LS #A, #A +5 List line label #A and additional 5 lines
Program Format
A DMC-1700 or DMC-1800 program consists of DMC instructions combined to solve a machine control
application. Action instructions, such as starting and stopping motion, are combined with Program Flow
instructions to form the complete program. Program Flow instructions evaluate real-time conditions, such as
elapsed time or motion complete, and alter program flow accordingly.
Each DMC-1700/1800 instruction in a program must be separated by a delimiter. Valid delimiters are the semicolon
(;) or carriage return. The semicolon is used to separate multiple instructions on a single program line where the
maximum number of instructions on a line is limited by 80 characters. A carriage return enters the final command
on a program line.
Using Labels in Programs
All DMC-1700/1800 programs must begin with a label and end with an End (EN) statement. Labels start with the
pound (#) sign followed by a maximum of seven characters. The first character must be a letter; after that, numbers
are permitted. Spaces are not permitted.
The maximum number of labels which may be defined is 254.
Valid labels
#BEGIN

DMC-1700/1800 Chapter 7 Application Programming • 137
#SQUARE
#X1
#BEGIN1
Invalid labels
#1Square
#123
A Simple Example Program:
#START Beginning of the Program
PR 10000,20000 Specify relative distances on X and Y axes
BG XY Begin Motion
AM Wait for motion complete
WT 2000 Wait 2 sec
JP #START Jump to label START
EN End of Program
The above program moves X and Y 10000 and 20000 units. After the motion is complete, the motors rest for 2
seconds. The cycle repeats indefinitely until the stop command is issued.
Special Labels
The DMC-1700 and DMC-1800 have some special labels, which are used to define input interrupt subroutines, limit
switch subroutines, error handling subroutines, and command error subroutines. See section on Auto-Start Routine
The DMC-1700/1800 has a special label for automatic program execution. A program which has been saved into
the controller’s non-volatile memory can be automatically executed upon power up or reset by beginning the
program with the label #AUTO. The program must be saved into non-volatile memory using the command, BP.
Automatic Subroutines for Monitoring Conditions on page 149.
#ININT Label for Input Interrupt subroutine
#LIMSWI Label for Limit Switch subroutine
#POSERR Label for excess Position Error subroutine
#MCTIME Label for timeout on Motion Complete trip point
#CMDERR Label for incorrect command subroutine
Commenting Programs
Using the command, NO or Apostrophe (‘)
The DMC-1700/1800 provides a command, NO, for commenting programs or single apostrophe. This command
allows the user to include up to 78 characters on a single line after the NO command and can be used to include
comments from the programmer as in the following example:
#PATH
‘ 2-D CIRCULAR PATH
VMXY
‘ VECTOR MOTION ON X AND Y
VS 10000
‘ VECTOR SPEED IS 10000
VP -4000,0

138 • Chapter 7 Application Programming DMC-1700/1800
‘ BOTTOM LINE
CR 1500,270,-180
‘ HALF CIRCLE MOTION
VP 0,3000
‘ TOP LINE
CR 1500,90,-180
‘ HALF CIRCLE MOTION
VE
‘ END VECTOR SEQUENCE
BGS
‘ BEGIN SEQUENCE MOTION
EN
‘ END OF PROGRAM
Note: The NO command is an actual controller command. Therefore, inclusion of the NO commands will require
process time by the controller.
Executing Programs - Multitasking
The DMC-1700/1800 can run up to 8 independent programs simultaneously. These programs are called threads and
are numbered 0 through 7, where 0 is the main thread. Multitasking is useful for executing independent operations
such as PLC functions that occur independently of motion.
The main thread differs from the others in the following ways:
1. Only the main thread, thread 0, may use the input command, IN.
2. When input interrupts are implemented for limit switches, position errors or command errors, the subroutines
are executed as thread 0.
To begin execution of the various programs, use the following instruction:
XQ #A, n
Where n indicates the thread number. To halt the execution of any thread, use the instruction
HX n
where n is the thread number.
Note that both the XQ and HX commands can be performed by an executing program.
The example below produces a waveform on Output 1 independent of a move.
#TASK1 Task1 label
AT0 Initialize reference time
CB1 Clear Output 1
#LOOP1 Loop1 label
AT 10 Wait 10 msec from reference time
SB1 Set Output 1
AT -40 Wait 40 msec from reference time, then initialize reference
CB1 Clear Output 1
JP #LOOP1 Repeat Loop1
#TASK2 Task2 label
XQ #TASK1,1 Execute Task1
#LOOP2 Loop2 label

DMC-1700/1800 Chapter 7 Application Programming • 139
PR 1000 Define relative distance
BGX Begin motion
AMX After motion done
WT 10 Wait 10 msec
JP #LOOP2,@IN[2]=1 Repeat motion unless Input 2 is low
HX Halt all tasks
The program above is executed with the instruction XQ #TASK2,0 which designates TASK2 as the main thread (ie.
Thread 0). #TASK1 is executed within TASK2.
Debugging Programs
The DMC-1700/1800 provides commands and operands which are useful in debugging application programs.
These commands include interrogation commands to monitor program execution, determine the state of the
controller and the contents of the controllers program, array, and variable space. Operands also contain important
status information which can help to debug a program.
Trace Commands
The trace command causes the controller to send each line in a program to the host computer immediately prior to
execution. Tracing is enabled with the command, TR1. TR0 turns the trace function off. Note: When the trace
function is enabled, the line numbers as well as the command line will be displayed as each command line is
executed.
Data which is output from the controller is stored in an output FIFO buffer. The output FIFO buffer can store up to
512 characters of information. In normal operation, the controller places output into the FIFO buffer. The software
on the host computer monitors this buffer and reads information as needed. When the trace mode is enabled, the
controller will send information to the FIFO buffer at a very high rate. In general, the FIFO will become full since
the software is unable to read the information fast enough. When the FIFO becomes full, program execution will be
delayed until it is cleared. If the user wants to avoid this delay, the command CW,1 can be given. This command
causes the controller to throw away the data which can not be placed into the FIFO. In this case, the controller does
not delay program execution.
Error Code Command
When there is a program error, the DMC-1700/1800 halts the program execution at the point where the error occurs.
To display the last line number of program execution, issue the command, MG _ED.
The user can obtain information about the type of error condition that occurred by using the command, TC1. This
command reports back a number and a text message which describes the error condition. The command, TC0 or
TC, will return the error code without the text message. For more information about the command, TC, see the
Command Reference.
Stop Code Command
The status of motion for each axis can be determined by using the stop code command, SC. This can be useful when
motion on an axis has stopped unexpectedly. The command SC will return a number representing the motion status.
See the command reference for further information.
RAM Memory Interrogation Commands
For debugging the status of the program memory, array memory, or variable memory, the DMC-1700/1800 has
several useful commands. The command, DM ?, will return the number of array elements currently available. The
command, DA ?, will return the number of arrays which can be currently defined. For example, a standard DMC-
1710 or DMC-1810 will have a maximum of 8000 array elements in up to 30 arrays. If an array of 100 elements is
defined, the command DM ? will return the value 7900 and the command DA ? will return 29.
To list the contents of the variable space, use the interrogation command LV (List Variables). To list the contents of
array space, use the interrogation command, LA (List Arrays). To list the contents of the Program space, use the

140 • Chapter 7 Application Programming DMC-1700/1800
interrogation command, LS (List). To list the application program labels only, use the interrogation command, LL
(List Labels).
Operands
In general, all operands provide information which may be useful in debugging an application program. Below is a
list of operands which are particularly valuable for program debugging. To display the value of an operand, the
message command may be used. For example, since the operand, _ED contains the last line of program execution,
the command MG _ED will display this line number.
_ED contains the last line of program execution. Useful to determine where program stopped.
_DL contains the number of available labels.
_UL contains the number of available variables.
_DA contains the number of available arrays.
_DM contains the number of available array elements.
_AB contains the state of the Abort Input
_LFx contains the state of the forward limit switch for the ‘x’ axis
_LRx contains the state of the reverse limit switch for the ‘x’ axis
Debugging Example:
The following program has an error. It attempts to specify a relative movement while the X-axis is already in
motion. When the program is executed, the controller stops at line 003. The user can then query the controller
using the command, TC1. The controller responds with the corresponding explanation:
:ED Edit Mode
000 #A Program Label
001 PR1000 Position Relative 1000
002 BGX Begin
003 PR5000 Position Relative 5000
004 EN End
<cntrl> Q Quit Edit Mode
:XQ #A Execute #A
?003 PR5000 Error on Line 3
:TC1 Tell Error Code
?7 Command not valid
while running.
Command not valid while running
:ED 3 Edit Line 3
003 AMX;PR5000;BGX Add After Motion Done
<cntrl> Q Quit Edit Mode
:XQ #A Execute #A
Program Flow Commands
The DMC-1700/1800 provides instructions to control program flow. The controller program sequencer normally
executes program instructions sequentially. The program flow can be altered with the use of event triggers,
trippoints, and conditional jump statements.

DMC-1700/1800 Chapter 7 Application Programming • 141
Event Triggers & Trippoints
To function independently from the host computer, the DMC-1700/1800 can be programmed to make decisions
based on the occurrence of an event. Such events include waiting for motion to be complete, waiting for a specified
amount of time to elapse, or waiting for an input to change logic levels.
The DMC-1700/1800 provides several event triggers that cause the program sequencer to halt until the specified
event occurs. Normally, a program is automatically executed sequentially one line at a time. When an event trigger
instruction is decoded, however, the actual program sequence is halted. The program sequence does not continue
until the event trigger is “tripped”. For example, the motion complete trigger can be used to separate two move
sequences in a program. The commands for the second move sequence will not be executed until the motion is
complete on the first motion sequence. In this way, the controller can make decisions based on its own status or
external events without intervention from a host computer.

142 • Chapter 7 Application Programming DMC-1700/1800
DMC-1700 and DMC-1800 Event Triggers
Command Function
AM X Y Z W or S
(A B C D E F G H)
Halts program execution until motion is complete on
the specified axes or motion sequence(s). AM with no
parameter tests for motion complete on all axes. This
command is useful for separating motion sequences in
a program.
AD X or Y or Z or W
(A or B or C or D or E or F or G or H)
Halts program execution until position command has
reached the specified relative distance from the start of
the move. Only one axis may be specified at a time.
AR X or Y or Z or W
(A or B or C or D or E or F or G or H)
Halts program execution until after specified distance
from the last AR or AD command has elapsed. Only
one axis may be specified at a time.
AP X or Y or Z or W
(A or B or C or D or E or F or G or H)
Halts program execution until after absolute position
occurs. Only one axis may be specified at a time.
MF X or Y or Z or W
(A or B or C or D or E or F or G or H)
Halt program execution until after forward motion
reached absolute position. Only one axis may be
specified. If position is already past the point, then
MF will trip immediately. Will function on geared
axis or aux. inputs.
MR X or Y or Z or W
(A or B or C or D or E or F or G or H)
Halt program execution until after reverse motion
reached absolute position. Only one axis may be
specified. If position is already past the point, then
MR will trip immediately. Will function on geared
axis or aux. inputs.
MC X or Y or Z or W
(A or B or C or D or E or F or G or H)
Halt program execution until after the motion profile
has been completed and the encoder has entered or
passed the specified position. TW x,y,z,w sets
timeout to declare an error if not in position. If
timeout occurs, then the trippoint will clear and the
stopcode will be set to 99. An application program
will jump to label #MCTIME.
AI +/- n Halts program execution until after specified input is
at specified logic level. n specifies input line.
Positive is high logic level, negative is low level. n=1
through 8 for DMC-1X10, 1X20, 1X30, 1X40. n=1
through 24 for DMC-1X50, 1X60, 1X70, 1X80. n=1
through 80 for DMC-17X8.
AS X Y Z W S
(A B C D E F G H)
Halts program execution until specified axis has
reached its slew speed.
AT +/-n Halts program execution until n msec from reference
time. AT 0 sets reference. AT n waits n msec from
reference. AT -n waits n msec from reference and sets
new reference after elapsed time.
AV n Halts program execution until specified distance along
a coordinated path has occurred.
WT n Halts program execution until specified time in msec
has elapsed.

DMC-1700/1800 Chapter 7 Application Programming • 143
Event Trigger Examples:
Event Trigger - Multiple Move Sequence
The AM trippoint is used to separate the two PR moves. If AM is not used, the controller returns a ? for
the second PR command because a new PR cannot be given until motion is complete.
#TWOMOVE Label
PR 2000 Position Command
BGX Begin Motion
AMX Wait for Motion Complete
PR 4000 Next Position Move
BGX Begin 2nd move
EN End program
Event Trigger - Set Output after Distance
Set output bit 1 after a distance of 1000 counts from the start of the move. The accuracy of the trippoint is the speed
multiplied by the sample period.
#SETBIT Label
SP 10000 Speed is 10000
PA 20000 Specify Absolute position
BGX Begin motion
AD 1000 Wait until 1000 counts
SB1 Set output bit 1
EN End program
Event Trigger - Repetitive Position Trigger
To set the output bit every 10000 counts during a move, the AR trippoint is used as shown in the next example.
#TRIP Label
JG 50000 Specify Jog Speed
BGX;n=0 Begin Motion
#REPEAT # Repeat Loop
AR 10000 Wait 10000 counts
TPX Tell Position
SB1 Set output 1
WT50 Wait 50 msec
CB1 Clear output 1
n=n+1 Increment counter
JP #REPEAT,n<5 Repeat 5 times
STX Stop
EN End

144 • Chapter 7 Application Programming DMC-1700/1800
Event Trigger - Start Motion on Input
This example waits for input 1 to go low and then starts motion. Note: The AI command actually halts execution of
the program until the input occurs. If you do not want to halt the program sequences, you can use the Input Interrupt
function (II) or use a conditional jump on an input, such as JP #GO,@IN[1] = 1.
#INPUT Program Label
AI-1 Wait for input 1 low
PR 10000 Position command
BGX Begin motion
EN End program
Event Trigger - Set output when At speed
#ATSPEED Program Label
JG 50000 Specify jog speed
AC 10000 Acceleration rate
BGX Begin motion
ASX Wait for at slew speed 50000
SB1 Set output 1
EN End program
Event Trigger - Change Speed along Vector Path
The following program changes the feedrate or vector speed at the specified distance along the vector. The vector
distance is measured from the start of the move or from the last AV command.
#VECTOR Label
VMXY;VS 5000 Coordinated path
VP 10000,20000 Vector position
VP 20000,30000 Vector position
VE End vector
BGS Begin sequence
AV 5000 After vector distance
VS 1000 Reduce speed
EN End

DMC-1700/1800 Chapter 7 Application Programming • 145
Event Trigger - Multiple Move with Wait
This example makes multiple relative distance moves by waiting for each to be complete before executing new
moves.
#MOVES Label
PR 12000 Distance
SP 20000 Speed
AC 100000 Acceleration
BGX Start Motion
AD 10000 Wait a distance of 10,000 counts
SP 5000 New Speed
AMX Wait until motion is completed
WT 200 Wait 200 ms
PR -10000 New Position
SP 30000 New Speed
AC 150000 New Acceleration
BGX Start Motion
EN End
Define Output Waveform Using AT
The following program causes Output 1 to be high for 10 msec and low for 40 msec. The cycle repeats every 50
msec.
#OUTPUT Program label
AT0 Initialize time reference
SB1 Set Output 1
#LOOP Loop
AT 10 After 10 msec from reference,
CB1 Clear Output 1
AT -40 Wait 40 msec from reference and reset reference
SB1 Set Output 1
JP #LOOP Loop
EN
Conditional Jumps
The DMC-1700/1800 provides Conditional Jump (JP) and Conditional Jump to Subroutine (JS) instructions for
branching to a new program location based on a specified condition. The conditional jump determines if a condition
is satisfied and then branches to a new location or subroutine. Unlike event triggers, the conditional jump
instruction does not halt the program sequence. Conditional jumps are useful for testing events in real-time. They
allow the controller to make decisions without a host computer. For example, the DMC-1700 or DMC-1800 can
decide between two motion profiles based on the state of an input line.

146 • Chapter 7 Application Programming DMC-1700/1800
Command Format - JP and JS
FORMAT: DESCRIPTION
JS destination, logical condition Jump to subroutine if logical condition is satisfied
JP destination, logical condition Jump to location if logical condition is satisfied
The destination is a program line number or label where the program sequencer will jump if the specified condition
is satisfied. Note that the line number of the first line of program memory is 0. The comma designates “IF”. The
logical condition tests two operands with logical operators.
Logical operators:
OPERATOR DESCRIPTION
< less than
> greater than
= equal to
<= less than or equal to
>= greater than or equal to
<> not equal
Conditional Statements
The conditional statement is satisfied if it evaluates to any value other than zero. The conditional statement can be
any valid DMC-1700/1800 numeric operand, including variables, array elements, numeric values, functions,
keywords, and arithmetic expressions. If no conditional statement is given, the jump will always occur.
Examples:
Number V1=6
Numeric Expression V1=V7*6
@ABS[V1]>10
Array Element V1<Count[2]
Variable V1<V2
Internal Variable _TPX=0
_TVX>500
I/O V1>@AN[2]
@IN[1]=0
Multiple Conditional Statements
The DMC-1700/1800 will accept multiple conditions in a single jump statement. The conditional statements are
combined in pairs using the operands “&” and “|”. The “&” operand between any two conditions, requires that both
statements must be true for the combined statement to be true. The “|” operand between any two conditions,
requires that only one statement be true for the combined statement to be true. Note: Each condition must be placed
in paranthesis for proper evaluation by the controller. In addition, the DMC-1700/1800 executes operations from
left to right. For further information on Mathematical Expressions and the bit-wise operators ‘&’ and ‘|’, see pg 7-
153.
For example, using variables named V1, V2, V3 and V4:

DMC-1700/1800 Chapter 7 Application Programming • 147
JP #TEST, (V1<V2) & (V3<V4)
In this example, this statement will cause the program to jump to the label #TEST if V1 is less than V2 and V3 is
less than V4. To illustrate this further, consider this same example with an additional condition:
JP #TEST, ((V1<V2) & (V3<V4)) | (V5<V6)
This statement will cause the program to jump to the label #TEST under two conditions; 1. If V1 is less than V2
and V3 is less than V4. OR 2. If V5 is less than V6.
Using the JP Command:
If the condition for the JP command is satisfied, the controller branches to the specified label or line number and
continues executing commands from this point. If the condition is not satisfied, the controller continues to execute
the next commands in sequence.
Conditional Meaning
JP #Loop,COUNT<10 Jump to #Loop if the variable, COUNT, is less than 10
JS #MOVE2,@IN[1]=1 Jump to subroutine #MOVE2 if input 1 is logic level high. After the subroutine
MOVE2 is executed, the program sequencer returns to the main program location
where the subroutine was called.
JP #BLUE,@ABS[V2]>2 Jump to #BLUE if the absolute value of variable, V2, is greater than 2
JP #C,V1*V7<=V8*V2 Jump to #C if the value of V1 times V7 is less than or equal to the value of V8*V2
JP#A Jump to #A
Example Using JP command:
Move the X motor to absolute position 1000 counts and back to zero ten times. Wait 100 msec between moves.
#BEGIN Begin Program
COUNT=10 Initialize loop counter
#LOOP Begin loop
PA 1000 Position absolute 1000
BGX Begin move
AMX Wait for motion complete
WT 100 Wait 100 msec
PA 0 Position absolute 0
BGX Begin move
AMX Wait for motion complete
WT 100 Wait 100 msec
COUNT=COUNT-1 Decrement loop counter
JP #LOOP,COUNT>0 Test for 10 times thru loop
EN End Program
Using If, Else, and Endif Commands
The DMC-1700/1800 provides a structured approach to conditional statements using IF, ELSE and
ENDIF commands.
Using the IF and ENDIF Commands
An IF conditional statement is formed by the combination of an IF and ENDIF command. The IF command has as
it’s arguments one or more conditional statements. If the conditional statement(s) evaluates true, the command
interpreter will continue executing commands which follow the IF command. If the conditional statement evaluates
false, the controller will ignore commands until the associated ENDIF command is executed OR an ELSE command
occurs in the program (see discussion of ELSE command below).

148 • Chapter 7 Application Programming DMC-1700/1800
Note: An ENDIF command must always be executed for every IF command that has been executed. It is
recommended that the user not include jump commands inside IF conditional statements since this causes re-
direction of command execution. In this case, the command interpreter may not execute an ENDIF command.
Using the ELSE Command
The ELSE command is an optional part of an IF conditional statement and allows for the execution of command
only when the argument of the IF command evaluates False. The ELSE command must occur after an IF command
and has no arguments. If the argument of the IF command evaluates false, the controller will skip commands until
the ELSE command. If the argument for the IF command evaluates true, the controller will execute the commands
between the IF and ELSE command.
Nesting IF Conditional Statements
The DMC-1700/1800 allows for IF conditional statements to be included within other IF conditional statements.
This technique is known as ‘nesting’ and the DMC-1700/1800 allows up to 255 IF conditional statements to be
nested. This is a very powerful technique allowing the user to specify a variety of different cases for branching.
Command Format - IF, ELSE and ENDIF
FORMAT: DESCRIPTION
IF conditional statement(s) Execute commands proceeding IF command (up to ELSE command) if
conditional statement(s) is true, otherwise continue executing at ENDIF
command or optional ELSE command.
ELSE Optional command. Allows for commands to be executed when argument
of IF command evaluates not true. Can only be used with IF command.
ENDIF Command to end IF conditional statement. Program must have an ENDIF
command for every IF command.
Example using IF, ELSE and ENDIF:
#TEST Begin Main Program “TEST”
II,,3 Enable input interrupts on input 1 and input 2
MG “WAITING FOR INPUT 1, INPUT 2” Output message
#LOOP Label to be used for endless loop
JP #LOOP Endless loop
EN End of main program
#ININT Input Interrupt Subroutine
IF (@IN[1]=0) IF conditional statement based on input 1
IF (@IN[2]=0) 2nd IF conditional statement executed if 1st IF conditional true
MG “INPUT 1 AND INPUT 2 ARE ACTIVE” Message to be executed if 2nd IF conditional is true
ELSE ELSE command for 2nd IF conditional statement
MG “ONLY INPUT 1 IS ACTIVE Message to be executed if 2nd IF conditional is false
ENDIF End of 2nd conditional statement
ELSE ELSE command for 1st IF conditional statement
MG”ONLY INPUT 2 IS ACTIVE” Message to be executed if 1st IF conditional statement
ENDIF End of 1st conditional statement
#WAIT Label to be used for a loop
JP#WAIT,(@IN[1]=0) | (@IN[2]=0) Loop until both input 1 and input 2 are not active
RI0 End Input Interrupt Routine without restoring trippoints

DMC-1700/1800 Chapter 7 Application Programming • 149
Subroutines
A subroutine is a group of instructions beginning with a label and ending with an end command (EN). Subroutines
are called from the main program with the jump subroutine instruction JS, followed by a label or line number, and
conditional statement. Up to 8 subroutines can be nested. After the subroutine is executed, the program sequencer
returns to the program location where the subroutine was called unless the subroutine stack is manipulated as
described in the following section.
Example:
An example of a subroutine to draw a square 500 counts per side is given below. The square is drawn at vector
position 1000,1000.
#M Begin Main Program
CB1 Clear Output Bit 1 (pick up pen)
VP 1000,1000;LE;BGS Define vector position; move pen
AMS Wait for after motion trippoint
SB1 Set Output Bit 1 (put down pen)
JS #Square;CB1 Jump to square subroutine
EN End Main Program
#Square Square subroutine
V1=500;JS #L Define length of side
V1=-V1;JS #L Switch direction
EN End subroutine
#L;PR V1,V1;BGX Define X,Y; Begin X
AMX;BGY;AMY After motion on X, Begin Y
EN End subroutine
Stack Manipulation
It is possible to manipulate the subroutine stack by using the ZS command. Every time a JS instruction, interrupt or
automatic routine (such as #POSERR or #LIMSWI) is executed, the subroutine stack is incremented by 1. Normally
the stack is restored with an EN instruction. Occasionally it is desirable not to return back to the program line where
the subroutine or interrupt was called. The ZS1 command clears 1 level of the stack. This allows the program
sequencer to continue to the next line. The ZS0 command resets the stack to its initial value. For example, if a limit
occurs and the #LIMSWI routine is executed, it is often desirable to restart the program sequence instead of
returning to the location where the limit occurred. To do this, give a ZS command at the end of the #LIMSWI
routine.
Auto-Start Routine
The DMC-1700/1800 has a special label for automatic program execution. A program which has been saved into
the controller’s non-volatile memory can be automatically executed upon power up or reset by beginning the
program with the label #AUTO. The program must be saved into non-volatile memory using the command, BP.
Automatic Subroutines for Monitoring Conditions
Often it is desirable to monitor certain conditions continuously without tying up the host or DMC-1700/1800
program sequences. The controller can monitor several important conditions in the background. These conditions
include checking for the occurrence of a limit switch, a defined input, position error, or a command error.
Automatic monitoring is enabled by inserting a special, predefined label in the applications program. The pre-
defined labels are:

150 • Chapter 7 Application Programming DMC-1700/1800
SUBROUTINE DESCRIPTION
#LIMSWI Limit switch on any axis goes low
#ININT Input specified by II goes low
#POSERR Position error exceeds limit specified by ER
#MCTIME Motion Complete timeout occurred. Timeout period set by TW command
#CMDERR Bad command given
#AUTO Automatically executes on power up
#AUTOERR Automatically executes when a checksum is encountered during #AUTO
start-up. Check error condition with _RS.
bit 0 for variable checksum error
bit 1 for parameter checksum error
bit 2 for program checksum error
bit 3 for master reset error (there should be no program )
#AMPERR Error reported from Galil AMP-19xxx
For example, the #POSERR subroutine will automatically be executed when any axis exceeds its position error
limit. The commands in the #POSERR subroutine could decode which axis is in error and take the appropriate
action. In another example, the #ININT label could be used to designate an input interrupt subroutine. When the
specified input occurs, the program will be executed automatically.
NOTE: An application program must be running for automatic monitoring to function.
Example - Limit Switch:
This program prints a message upon the occurrence of a limit switch. Note, for the #LIMSWI routine to function,
the DMC-1700/1800 must be executing an applications program from memory. This can be a very simple program
that does nothing but loop on a statement, such as #LOOP;JP #LOOP;EN. Motion commands, such as JG 5000 can
still be sent from the PC even while the “dummy” applications program is being executed.
:ED Edit Mode
000 #LOOP Dummy Program
001 JP #LOOP;EN Jump to Loop
002 #LIMSWI Limit Switch Label
003 MG “LIMIT OCCURRED” Print Message
004 RE Return to main program
<control> Q Quit Edit Mode
:XQ #LOOP Execute Dummy Program
:JG 5000 Jog
:BGX Begin Motion
Now, when a forward limit switch occurs on the X axis, the #LIMSWI subroutine will be executed.
Notes regarding the #LIMSWI Routine:
1) The RE command is used to return from the #LIMSWI subroutine.
2) The #LIMSWI subroutine will be re-executed if the limit switch remains active.
The #LIMSWI routine is only executed when the motor is being commanded to move.
Example - Position Error
:ED Edit Mode
000 #LOOP Dummy Program

DMC-1700/1800 Chapter 7 Application Programming • 151
001 JP #LOOP;EN Loop
002 #POSERR Position Error Routine
003 V1=_TEX Read Position Error
004 MG “EXCESS POSITION ERROR” Print Message
005 MG “ERROR=”,V1= Print Error
006 RE Return from Error
<control> Q Quit Edit Mode
:XQ #LOOP Execute Dummy Program
:JG 100000 Jog at High Speed
:BGX Begin Motion
Example - Input Interrupt
#A Label
II1 Input Interrupt on 1
JG 30000,,,60000 Jog
BGXW Begin Motion
#LOOP;JP#LOOP;EN Loop
#ININT Input Interrupt
STXW;AM Stop Motion
#TEST;JP #TEST, @IN[1]=0 Test for Input 1 still low
JG 30000,,,6000 Restore Velocities
BGXW Begin motion
RI0 Return from interrupt routine to Main Program and do not re-enable trippoints
Example - Motion Complete Timeout
#BEGIN Begin main program
TW 1000 Set the time out to 1000 ms
PA 10000 Position Absolute command
BGX Begin motion
MCX Motion Complete trip point
EN End main program
#MCTIME Motion Complete Subroutine
MG “X fell short” Send out a message
EN End subroutine
This simple program will issue the message “X fell short” if the X axis does not reach the commanded position
within 1 second of the end of the profiled move.

152 • Chapter 7 Application Programming DMC-1700/1800
Example - Command Error
#BEGIN Begin main program
IN “ENTER SPEED”, SPEED Prompt for speed
JG SPEED;BGX; Begin motion
JP #BEGIN Repeat
EN End main program
#CMDERR Command error utility
JP#DONE,_ED<>2 Check if error on line 2
JP#DONE,_TC<>6 Check if out of range
MG “SPEED TOO HIGH” Send message
MG “TRY AGAIN” Send message
ZS1 Adjust stack
JP #BEGIN Return to main program
#DONE End program if other error
ZS0 Zero stack
EN End program
The above program prompts the operator to enter a jog speed. If the operator enters a number out of range (greater
than 8 million), the #CMDERR routine will be executed prompting the operator to enter a new number.
In multitasking applications, there is an alternate method for handling command errors from different threads.
Using the XQ command along with the special operands described below allows the controller to either skip or retry
invalid commands.
OPERAND FUNCTION
_ED1 Returns the number of the thread that generated an error
_ED2 Retry failed command (operand contains the location of the failed command)
_ED3 Skip failed command (operand contains the location of the command after the
failed command)
The operands are used with the XQ command in the following format:
XQ _ED2 (or _ED3),_ED1,1
Where the “,1” at the end of the command line indicates a restart; therefore, the existing program stack will not be
removed when the above format executes.
The following example shows an error correction routine which uses the operands.
Example - Command Error w/Multitasking
#A Begin thread 0 (continuous loop)
JP#A
EN End of thread 0
#B Begin thread 1
N=-1 Create new variable
KP N Set KP to value of N, an invalid value
TY Issue invalid command
EN End of thread 1

DMC-1700/1800 Chapter 7 Application Programming • 153
#CMDERR Begin command error subroutine
IF _TC=6 If error is out of range (KP -1)
N=1 Set N to a valid number
XQ _ED2,_ED1,1 Retry KP N command
ENDIF
IF _TC=1 If error is invalid command (TY)
XQ _ED3,_ED1,1 Skip invalid command
ENDIF
EN End of command error routine
Mathematical and Functional Expressions
Mathematical Operators
For manipulation of data, the DMC-1700/1800 provides the use of the following mathematical operators:
OPERATOR FUNCTION
+ Addition
- Subtraction
* Multiplication
/ Division
& Logical And (Bit-wise)
| Logical Or (On some computers, a solid vertical line appears as a broken line)
() Parenthesis
The numeric range for addition, subtraction and multiplication operations is +/-2,147,483,647.9999. The precision
for division is 1/65,000.
Mathematical operations are executed from left to right. Calculations within parentheses have precedence.
Examples:
SPEED = 7.5*V1/2 The variable, SPEED, is equal to 7.5 multiplied by V1 and divided by 2
COUNT = COUNT+2 The variable, COUNT, is equal to the current value plus 2.
RESULT =_TPX-(@COS[45]*40) Puts the position of X - 28.28 in RESULT. 40 * cosine of 45° is 28.28
TEMP = @IN[1]&@IN[2] TEMP is equal to 1 only if Input 1 and Input 2 are high
Bit-Wise Operators
The mathematical operators & and | are bit-wise operators. The operator, &, is a Logical And. The operator, |, is a
Logical Or. These operators allow for bit-wise operations on any valid DMC-1700/1800 numeric operand,
including variables, array elements, numeric values, functions, keywords, and arithmetic expressions. The bit-wise
operators may also be used with strings. This is useful for separating characters from an input string. When using
the input command for string input, the input variable will hold up to 6 characters. These characters are combined
into a single value which is represented as 32 bits of integer and 16 bits of fraction. Each ASCII character is
represented as one byte (8 bits), therefore the input variable can hold up to six characters. The first character of the
string will be placed in the top byte of the variable and the last character will be placed in the lowest significant byte

154 • Chapter 7 Application Programming DMC-1700/1800
of the fraction. The characters can be individually separated by using bit-wise operations as illustrated in the
following example:
#TEST Begin main program
IN “ENTER”,LEN{S6} Input character string of up to 6 characters into variable ‘LEN’
FLEN=@FRAC[LEN] Define variable ‘FLEN’ as fractional part of variable ‘LEN’
FLEN=$10000*FLEN Shift FLEN by 32 bits (IE - convert fraction, FLEN, to integer)
LEN1=(FLEN&$00FF) Mask top byte of FLEN and set this value to variable ‘LEN1’
LEN2=(FLEN&$FF00)/$100 Let variable, ‘LEN2’ = top byte of FLEN
LEN3=LEN&$000000FF Let variable, ‘LEN3’ = bottom byte of LEN
LEN4=(LEN&$0000FF00)/$100 Let variable, ‘LEN4’ = second byte of LEN
LEN5=(LEN&$00FF0000)/$10000 Let variable, ‘LEN5’ = third byte of LEN
LEN6=(LEN&$FF000000)/$1000000 Let variable, ‘LEN6’ = fourth byte of LEN
MG LEN6 {S4} Display ‘LEN6’ as string message of up to 4 chars
MG LEN5 {S4} Display ‘LEN5’ as string message of up to 4 chars
MG LEN4 {S4} Display ‘LEN4’ as string message of up to 4 chars
MG LEN3 {S4} Display ‘LEN3’ as string message of up to 4 chars
MG LEN2 {S4} Display ‘LEN2’ as string message of up to 4 chars
MG LEN1 {S4} Display ‘LEN1’ as string message of up to 4 chars
EN
This program will accept a string input of up to 6 characters, parse each character, and then display each character.
Notice also that the values used for masking are represented in hexadecimal (as denoted by the preceding ‘$’). For
more information, see section Sending Messages.
To illustrate further, if the user types in the string “TESTME” at the input prompt, the controller will respond with
the following:
T Response from command MG LEN6 {S4}
E Response from command MG LEN5 {S4}
S Response from command MG LEN4 {S4}
T Response from command MG LEN3 {S4}
M Response from command MG LEN2 {S4}
E Response from command MG LEN1 {S4}
Functions
FUNCTION DESCRIPTION
@SIN[n] Sine of n (n in degrees, with range of -32768 to 32767 and 16-bit fractional resolution)
@COS[n] Cosine of n (n in degrees, with range of -32768 to 32767 and 16-bit fractional resolution)
@TAN[n] Tangent of n (n in degrees, with range of -32768 to 32767 and 16-bit fractional resolution)
@ASIN*[n] Arc Sine of n, between -90° and +90°. Angle resolution in 1/64000 degrees.
@ACOS* [n} Arc Cosine of n, between 0 and 180°. Angle resolution in 1/64000 degrees.
@ATAN* [n] Arc Tangent of n, between -90° and +90°. Angle resolution in 1/64000 degrees
@COM[n] 1’s Complement of n
@ABS[n] Absolute value of n
@FRAC[n] Fraction portion of n

DMC-1700/1800 Chapter 7 Application Programming • 155
@INT[n] Integer portion of n
@RND[n] Round of n (Rounds up if the fractional part of n is .5 or greater)
@SQR[n] Square root of n (Accuracy is +/-.004)
@IN[n] Return digital input at general input n (where n starts at 1)
@OUT[n] Return digital output at general output n (where n starts at 1)
@AN[n] Return analog input at general analog in n (where n starts at 1)
*Note that these functions are multi-valued. An application program may be used to find the correct band.
Functions may be combined with mathematical expressions. The order of execution of mathematical
expressions is from left to right and can be over-ridden by using parentheses.
Examples:
V1=@ABS[V7] The variable, V1, is equal to the absolute value of variable V7.
V2=5*@SIN[POS] The variable, V2, is equal to five times the sine of the variable, POS.
V3=@IN[1] The variable, V3, is equal to the digital value of input 1.
V4=2*(5+@AN[5]) The variable, V4, is equal to the value of analog input 5 plus 5, then multiplied by 2.
Variables
For applications that require a parameter that is variable, the DMC-1700/1800 provides 254 variables. These
variables can be numbers or strings. A program can be written in which certain parameters, such as position or
speed, are defined as variables. The variables can later be assigned by the operator or determined by program
calculations. For example, a cut-to-length application may require that a cut length be variable.
Example:
PR POSX Assigns variable POSX to PR command
JG RPMY*70 Assigns variable RPMY multiplied by 70 to JG command.
Programmable Variables
The DMC-1700/1800 allows the user to create up to 254 variables. Each variable is defined by a name which can be
up to eight characters. The name must start with an alphabetic character, however, numbers are permitted in the rest
of the name. Spaces are not permitted. Variable names should not be the same as DMC-1700/1800 instructions.
For example, PR is not a good choice for a variable name.
Examples of valid and invalid variable names are:
Valid Variable Names
POSX
POS1
SPEEDZ
Invalid Variable Names
REALLONGNAME ; Cannot have more than 8 characters
123 ; Cannot begin variable name with a number
SPEED Z ; Cannot have spaces in the name
Assigning Values to Variables:
Assigned values can be numbers, internal variables and keywords, functions, controller parameters and strings;
The range for numeric variable values is 4 bytes of integer (231)followed by two bytes of fraction

156 • Chapter 7 Application Programming DMC-1700/1800
(+/-2,147,483,647.9999).
Numeric values can be assigned to programmable variables using the equal sign.
Any valid DMC-1700/1800 function can be used to assign a value to a variable. For example, V1=@ABS[V2] or
V2=@IN[1]. Arithmetic operations are also permitted.
To assign a string value, the string must be in quotations. String variables can contain up to six characters which
must be in quotation.
Examples:
POSX=_TPX Assigns returned value from TPX command to variable POSX.
SPEED=5.75 Assigns value 5.75 to variable SPEED
INPUT=@IN[2] Assigns logical value of input 2 to variable INPUT
V2=V1+V3*V4 Assigns the value of V1 plus V3 times V4 to the variable V2.
VAR=”CAT” Assign the string, CAT, to VAR
Assigning Variable Values to Controller Parameters
Variable values may be assigned to controller parameters such as GN or PR.
PR V1 Assign V1 to PR command
SP VS*2000 Assign VS*2000 to SP command
Displaying the value of variables at the terminal
Variables may be sent to the screen using the format, variable=. For example, V1= , returns the value of the
variable V1.
Example - Using Variables for Joystick
The example below reads the voltage of an X-Y joystick and assigns it to variables VX and VY to drive the motors
at proportional velocities, where
10 Volts = 3000 rpm = 200000 c/sec
Speed/Analog input = 200000/10 = 20000
#JOYSTIK Label
JG 0,0 Set in Jog mode
BGXY Begin Motion
#LOOP Loop
VX=@AN[1]*20000 Read joystick X
VY=@AN[2]*20000 Read joystick Y
JG VX,VY Jog at variable VX,VY
JP#LOOP Repeat
EN End
Operands
Operands allow motion or status parameters of the DMC-1700/1800 to be incorporated into
programmable variables and expressions. Most DMC commands have an equivalent operand - which are designated
by adding an underscore (_) prior to the DMC-1700/1800 command. The command reference indicates which
commands have an associated operand.
Status commands such as Tell Position return actual values, whereas action commands such as KP or SP return the
values in the DMC-1700 or DMC-1800 registers. The axis designation is required following the command.

DMC-1700/1800 Chapter 7 Application Programming • 157
Examples of Internal Variables:
POSX=_TPX Assigns value from Tell Position X to the variable POSX.
GAIN=_GNZ*2 Assigns value from GNZ multiplied by two to variable, GAIN.
JP #LOOP,_TEX>5 Jump to #LOOP if the position error of X is greater than 5
JP #ERROR,_TC=1 Jump to #ERROR if the error code equals 1.
Operands can be used in an expression and assigned to a programmable variable, but they cannot be assigned a
value. For example: _GNX=2 is invalid.
Special Operands (Keywords)
The DMC-1700/1800 provides a few additional operands which give access to internal variables that are not
accessible by standard DMC-1700/1800 commands.
KEYWORD FUNCTION
_BGn *Returns a 1 if motion on axis ‘n’ is complete, otherwise returns 0.
_BN *Returns serial # of the board.
_DA *Returns the number of arrays available
_DL *Returns the number of available labels for programming
_DM *Returns the available array memory
_HMn *Returns status of Home Switch (equals 0 or 1)
_LFn Returns status of Forward Limit switch input of axis ‘n’ (equals 0 or 1)
_LRX Returns status of Reverse Limit switch input of axis ‘n’ (equals 0 or 1)
_UL *Returns the number of available variables
TIME Free-Running Real Time Clock (off by 2.4% - Resets with power-on).
Note: TIME does not use an underscore character (_) as other keywords.
* - These keywords have corresponding commands while the keywords _LF, _LR, and TIME do not have any
associated commands. All keywords are listed in the Command Summary, Chapter 11.
Examples of Keywords:
V1=_LFX Assign V1 the logical state of the Forward Limit Switch on the X-axis
V3=TIME Assign V3 the current value of the time clock
V4=_HMW Assign V4 the logical state of the Home input on the W-axis
Arrays
For storing and collecting numerical data, the DMC-1700/1800 provides array space for 8000 elements. The arrays
are one dimensional and up to 30 different arrays may be defined. Each array element has a numeric range of 4
bytes of integer (231)followed by two bytes of fraction (+/-2,147,483,647.9999).
Arrays can be used to capture real-time data, such as position, torque and analog input values. In the contouring
mode, arrays are convenient for holding the points of a position trajectory in a record and playback application.
Defining Arrays
An array is defined with the command DM. The user must specify a name and the number of entries to be held in
the array. An array name can contain up to eight characters, starting with an uppercase alphabetic character. The
number of entries in the defined array is enclosed in [ ].
Example:

158 • Chapter 7 Application Programming DMC-1700/1800
DM POSX[7] Defines an array names POSX with seven entries
DM SPEED[100] Defines an array named speed with 100 entries
DM POSX[0] Frees array space
Assignment of Array Entries
Like variables, each array element can be assigned a value. Assigned values can be numbers or returned values
from instructions, functions and keywords.
Array elements are addressed starting at count 0. For example the first element in the POSX array (defined with the
DM command, DM POSX[7]) would be specified as POSX[0].
Values are assigned to array entries using the equal sign. Assignments are made one element at a time by specifying
the element number with the associated array name.
NOTE: Arrays must be defined using the command, DM, before assigning entry values.
Examples:
DM SPEED[10] Dimension Speed Array
SPEED[1]=7650.2 Assigns the first element of the array, SPEED the value 7650.2
SPEED[1]= Returns array element value
POSX[10]=_TPX Assigns the 10th element of the array POSX the returned value from the tell
position command.
CON[2]=@COS[POS]*2 Assigns the second element of the array CON the cosine of the variable POS
multiplied by 2.
TIMER[1]=TIME Assigns the first element of the array timer the returned value of the TIME
keyword.
Using a Variable to Address Array Elements
An array element number can also be a variable. This allows array entries to be assigned sequentially using a
counter.
For example:
#A Begin Program
COUNT=0;DM POS[10] Initialize counter and define array
#LOOP Begin loop
WT 10 Wait 10 msec
POS[COUNT]=_TPX Record position into array element
POS[COUNT]= Report position
COUNT=COUNT+1 Increment counter
JP #LOOP,COUNT<10 Loop until 10 elements have been stored
EN End Program
The above example records 10 position values at a rate of one value per 10 msec. The values are stored in an array
named POS. The variable, COUNT, is used to increment the array element counter. The above example can also be
executed with the automatic data capture feature described below.
Uploading and Downloading Arrays to On Board Memory
Arrays may be uploaded and downloaded using the QU and QD commands.
QU array[],start,end,delim
QD array[],start,end
where array is an array name such as A[].

DMC-1700/1800 Chapter 7 Application Programming • 159
Start is the first element of array (default=0)
End is the last element of array (default=last element)
Delim specifies whether the array data is seperated by a comma (delim=1) or a carriage return (delim=0).
The file is terminated using <control>Z, <control>Q, <control>D or \.
Automatic Data Capture into Arrays
The DMC-1700/1800 provides a special feature for automatic capture of data such as position, position error, inputs
or torque. This is useful for teaching motion trajectories or observing system performance. Up to eight types of
data can be captured and stored in eight arrays. The capture rate or time interval may be specified. Recording can
done as a one time event or as a circular continuous recording.
Command Summary - Automatic Data Capture
COMMAND DESCRIPTION
RA n[],m[],o[],p[] Selects up to eight arrays for data capture. The arrays must be defined with the
DM command.
RD type1,type2,type3,type4 Selects the type of data to be recorded, where type1, type2, type3, and type 4
represent the various types of data (see table below). The order of data type is
important and corresponds with the order of n,m,o,p arrays in the RA command.
RC n,m The RC command begins data collection. Sets data capture time interval where
n is an integer between 1 and 8 and designates 2n msec between data. m is
optional and specifies the number of elements to be captured. If m is not
defined, the number of elements defaults to the smallest array defined by DM.
When m is a negative number, the recording is done continuoudly in a circular
manner. _RD is the recording pointer and indicates the address of the next array
element. n=0 stops recording.
RC? Returns a 0 or 1 where, 0 denotes not recording, 1 specifies recording in progress
Data Types for Recording:
DATA TYPE DESCRIPTION
_AFn Analog input (n=X,Y,Z,W,E,F,G,H, for AN inputs 1-8)
_DEX 2nd encoder position (dual encoder)
_NOX Status bits
_OP Output
_RLX Latched position
_RPX Commanded position
_SCX Stop code
_TEX Position error
_TI Inputs
_TPX Encoder position
_TSX Switches (only bit 0-4 valid)
_TTX Torque (reports digital value +/-32544)
Note: X may be replaced by Y,Z or W for capturing data on other axes.

160 • Chapter 7 Application Programming DMC-1700/1800
Operand Summary - Automatic Data Capture
_RC Returns a 0 or 1 where, 0 denotes not recording, 1 specifies recording in progress
_RD Returns address of next array element.
Example - Recording into An Array
During a position move, store the X and Y positions and position error every 2 msec.
#RECORD Begin program
DM XPOS[300],YPOS[300] Define X,Y position arrays
DM XERR[300],YERR[300] Define X,Y error arrays
RA XPOS[],XERR[],YPOS[],YERR[] Select arrays for capture
RD _TPX,_TEX,_TPY,_TEY Select data types
PR 10000,20000 Specify move distance
RC1 Start recording now, at rate of 2 msec
BG XY Begin motion
#A;JP #A,_RC=1 Loop until done
MG “DONE” Print message
EN End program
#PLAY Play back
N=0 Initial Counter
JP# DONE,N>300 Exit if done
N= Print Counter
X POS[N]= Print X position
Y POS[N]= Print Y position
XERR[N]= Print X error
YERR[N]= Print Y error
N=N+1 Increment Counter
#DONE Done
EN End Program
Deallocating Array Space
Array space may be deallocated using the DA command followed by the array name. DA*[0] deallocates all the
arrays.
Input of Data (Numeric and String)
Input of Data
The command, IN, is used to prompt the user to input numeric or string data. Using the IN command, the user may
specify a message prompt by placing a message in quotations. When the controller executes an IN command, the
controller will wait for the input of data. The input data is assigned to the specified variable or array element.
An Example for Inputting Numeric Data
#A
IN “Enter Length”, LENX

DMC-1700/1800 Chapter 7 Application Programming • 161
EN
In this example, the message “Enter Length” is displayed on the computer screen. The controller waits for the
operator to enter a value. The operator enters the numeric value which is assigned to the variable, LENX.
Cut-to-Length Example
In this example, a length of material is to be advanced a specified distance. When the motion is complete, a cutting
head is activated to cut the material. The length is variable, and the operator is prompted to input it in inches. Motion
starts with a start button which is connected to input 1.
The load is coupled with a 2 pitch lead screw. A 2000 count/rev encoder is on the motor, resulting in a resolution of
4000 counts/inch. The program below uses the variable LEN, to length. The IN command is used to prompt the
operator to enter the length, and the entered value is assigned to the variable LEN.
#BEGIN LABEL
AC 800000 Acceleration
DC 800000 Deceleration
SP 5000 Speed
LEN=3.4 Initial length in inches
#CUT Cut routine
AI1 Wait for start signal
IN “enter Length(IN)”, LEN Prompt operator for length in inches
PR LEN *4000 Specify position in counts
BGX Begin motion to move material
AMX Wait for motion done
SB1 Set output to cut
WT100;CB1 Wait 100 msec, then turn off cutter
JP #CUT Repeat process
EN End program
Inputting String Variables
String variables with up to six characters may input using the specifier, {Sn} where n represents the number of
string characters to be input. If n is not specified, six characters will be accepted. For example, IN “Enter X,Y or
Z”, V{S} specifies a string variable to be input.
Output of Data (Numeric and String)
Numerical and string data can be ouput from the controller using several methods. The message command, MG, can
output string and numerical data. Also, the controller can be commanded to return the values of variables and
arrays, as well as other information using the interrogation commands (the interrogation commands are described in
chapter 5).
Sending Messages
Messages may be sent to the bus using the message command, MG. This command sends specified text and
numerical or string data from variables or arrays to the screen.

162 • Chapter 7 Application Programming DMC-1700/1800
Text strings are specified in quotes and variable or array data is designated by the name of the variable or array. For
example:
MG “The Final Value is”, RESULT
In addition to variables, functions and commands, responses can be used in the message command. For example:
MG “Analog input is”, @AN[1]
MG “The Gain of X is”, _GNX
Formatting Messages
String variables can be formatted using the specifier, {Sn} where n is the number of characters, 1 thru 6. For
example:
MG STR {S3}
This statement returns 3 characters of the string variable named STR.
Numeric data may be formatted using the {Fn.m} expression following the completed MG statement. {$n.m}
formats data in HEX instead of decimal. The actual numerical value will be formatted with n characters to the left of
the decimal and m characters to the right of the decimal. Leading zeros will be used to display specified format.
For example:
MG “The Final Value is”, RESULT {F5.2}
If the value of the variable RESULT is equal to 4.1, this statement returns the following:
The Final Value is 00004.10
If the value of the variable RESULT is equal to 999999.999, the above message statement returns the following:
The Final Value is 99999.99
The message command normally sends a carriage return and line feed following the statement. The carriage return
and the line feed may be suppressed by sending {N} at the end of the statement. This is useful when a text string
needs to surround a numeric value.
Example:
#A
JG 50000;BGX;ASX
MG “The Speed is”, _TVX {F5.1} {N}
MG “counts/sec”
EN
When #A is executed, the above example will appear on the screen as:
The speed is 50000 counts/sec
Using the MG Command to Configure Terminals
The MG command can be used to configure a terminal. Any ASCII character can be sent by using the format {^n}
where n is any integer between 1 and 255.
Example:

DMC-1700/1800 Chapter 7 Application Programming • 163
MG {^07} {^255}
sends the ASCII characters represented by 7 and 255 to the bus.
Summary of Message Functions:
FUNCTION DESCRIPTION
“ “ Surrounds text string
{Fn.m} Formats numeric values in decimal n digits to the right of the decimal point
and m digits to the left
{$n.m} Formats numeric values in hexadecimal
{^n} Sends ASCII character specified by integer n
{N} Suppresses carriage return/line feed
{Sn} Sends the first n characters of a string variable, where n is 1 thru 6.
Displaying Variables and Arrays
Variables and arrays may be sent to the screen using the format, variable= or array[x]=. For example, V1= ,
returns the value of V1.
Example - Printing a Variable and an Array element
#DISPLAY Label
DM POSX[7] Define Array POSX with 7 entries
PR 1000 Position Command
BGX Begin
AMX After Motion
V1=_TPX Assign Variable V1
POSX[1]=_TPX Assign the first entry
V1= Print V1
Interrogation Commands
The DMC-1700/1800 has a set of commands that directly interrogate the controller. When these command are
entered, the requested data is returned in decimal format on the next line followed by a carriage return and line feed.
The format of the returned data can be changed using the Position Format (PF), and Leading Zeros (LZ) command.
For a complete description of interrogation commands, see chapter 5.
Using the PF Command to Format Response from Interrogation
Commands
The command, PF, can change format of the values returned by theses interrogation commands:
BL ? LE ?
DE ? PA ?
DP ? PR ?
EM ? TN ?
FL ? VE ?
IP ? TE
TP
The numeric values may be formatted in decimal or hexadecimal* with a specified number of digits to the right and
left of the decimal point using the PF command.
Position Format is specified by:

164 • Chapter 7 Application Programming DMC-1700/1800
PF m.n
where m is the number of digits to the left of the decimal point (0 thru 10) and n is the number of digits to the right
of the decimal point (0 thru 4) A negative sign for m specifies hexadecimal format.
Hex values are returned preceded by a $ and in 2’s complement. Hex values should be input as signed 2’s
complement, where negative numbers have a negative sign. The default format is PF 10.0.
If the number of decimal places specified by PF is less than the actual value, a nine appears in all the decimal places.
Examples:
:DP21 Define position
:TPX Tell position
0000000021 Default format
:PF4 Change format to 4 places
:TPX Tell position
0021 New format
:PF-4 Change to hexadecimal format
:TPX Tell Position
$0015 Hexadecimal value
:PF2 Format 2 places
:TPX Tell Position
99 Returns 99 if position greater than 99
Removing Leading Zeros from Response to Interrogation Commands
The leading zeros on data returned as a response to interrogation commands can be removed by the use of the
command, LZ.
Example - Using the LZ command
LZ0 Disables the LZ function
TP Tell Position Interrogation Command
-0000000009, 0000000005, 0000000000, 0000000007
Response from Interrogation Command
(With Leading Zeros)
LZ1 Enables the LZ function
TP Tell Position Interrogation Command
-9, 5, 0, 7 Response from Interrogation Command
(Without Leading Zeros)
Local Formatting of Response of Interrogation Commands
The response of interrogation commands may be formatted locally. To format locally, use the command, {Fn.m} or
{$n.m} on the same line as the interrogation command. The symbol F specifies that the response should be returned
in decimal format and $ specifies hexadecimal. n is the number of digits to the left of the decimal, and m is the
number of digits to the right of the decimal. For example:
Examples:
TP {F2.2} Tell Position in decimal format 2.2
-05.00, 05.00, 00.00, 07.00 Response from Interrogation Command
TP {$4.2} Tell Position in hexadecimal format 4.2
FFFB.00,$0005.00,$0000.00,$0007.00 Response from Interrogation Command

DMC-1700/1800 Chapter 7 Application Programming • 165
Formatting Variables and Array Elements
The Variable Format (VF) command is used to format variables and array elements. The VF command is specified
by:
VF m.n
where m is the number of digits to the left of the decimal point (0 thru 10) and n is the number of digits to the right
of the decimal point (0 thru 4).
A negative sign for m specifies hexadecimal format. The default format for VF is VF 10.4
Hex values are returned preceded by a $ and in 2’s complement.
:V1=10 Assign V1
:V1= Return V1
0000000010.0000 Default format
:VF2.2 Change format
:V1= Return V1
10.00 New format
:VF-2.2 Specify hex format
:V1= Return V1
$0A.00 Hex value
:VF1 Change format
:V1= Return V1
9 Overflow
Local Formatting of Variables
PF and VF commands are global format commands that effect the format of all relevent returned values and
variables. Variables may also be formatted locally. To format locally, use the command, {Fn.m} or {$n.m}
following the variable name and the ‘=’ symbol. F specifies decimal and $ specifies hexadecimal. n is the number
of digits to the left of the decimal, and m is the number of digits to the right of the decimal. For example:
Examples:
:V1=10 Assign V1
:V1= Return V1
0000000010.0000 Default Format
:V1={F4.2} Specify local format
0010.00 New format
:V1={$4.2} Specify hex format
$000A.00 Hex value
:V1=”ALPHA” Assign string “ALPHA” to V1
:V1={S4} Specify string format first 4 characters
ALPH
The local format is also used with the MG* command.
Converting to User Units
Variables and arithmetic operations make it easy to input data in desired user units such as inches or RPM.
The DMC-1700/1800 position parameters such as PR, PA and VP have units of quadrature counts. Speed
parameters such as SP, JG and VS have units of counts/sec. Acceleration parameters such as AC, DC, VA and VD
have units of counts/sec2. The controller interprets time in milliseconds.

166 • Chapter 7 Application Programming DMC-1700/1800
All input parameters must be converted into these units. For example, an operator can be prompted to input a
number in revolutions. A program could be used such that the input number is converted into counts by multiplying
it by the number of counts/revolution.
Example:
#RUN Label
IN “ENTER # OF REVOLUTIONS”,N1 Prompt for revs
PR N1*2000 Convert to counts
IN “ENTER SPEED IN RPM”,S1 Prompt for RPMs
SP S1*2000/60 Convert to counts/sec
IN “ENTER ACCEL IN RAD/SEC2”,A1 Prompt for ACCEL
AC A1*2000/(2*3.14) Convert to counts/sec2
BG Begin motion
EN End program
Hardware I/O
Digital Outputs
The DMC-1700/1800 has an 8-bit uncommitted output port for controlling external events. The DMC-1750
through DMC-1780 or DMC-1850 through DMC-1880 have an additional 8 outputs. [The DMC-17X8 has an
additional 64 I/O (configured as inputs or outputs with CO command)]. Each bit on the output port may be set and
cleared with the software instructions SB (Set Bit) and CB(Clear Bit), or OB (define output bit).
For example:
INSTRUCTION FUNCTION
SB6 Sets bit 6 of output port
CB4 Clears bit 4 of output port
The Output Bit (OB) instruction is useful for setting or clearing outputs depending on the value of a variable, array,
input or expression. Any non-zero value results in a set bit.
INSTRUCTION FUNCTION
OB1, POS Set Output 1 if the variable POS is non-zero. Clear Output 1 if POS equals 0.
OB 2, @IN [1] Set Output 2 if Input 1 is high. If Input 1 is low, clear Output 2.
OB 3, (@IN [1]&@IN [2]) Set Output 3 only if Input 1 and Input 2 are high.
OB 4, COUNT [1] Set Output 4 if element 1 in the array COUNT is non-zero.
The output port can be set by specifying an 8-bit word using the instruction OP (Output Port). This instruction
allows a single command to define the state of the entire 8-bit output port, where 20 is output 1, 21 is output 2 and
so on. A 1 designates that the output is on.
For example:
INSTRUCTION FUNCTION
OP6 Sets outputs 2 and 3 of output port to high. All other bits are 0. (21 + 22 = 6)
OP0 Clears all bits of output port to zero
OP 255 Sets all bits of output port to one.
(22 + 21 + 22 + 23 + 24 + 25 + 26 + 27)
The output port is useful for setting relays or controlling external switches and events during a motion sequence.

DMC-1700/1800 Chapter 7 Application Programming • 167
Example - Turn on output after move
#OUTPUT Label
PR 2000 Position Command
BG Begin
AM After move
SB1 Set Output 1
WT 1000 Wait 1000 msec
CB1 Clear Output 1
EN End
Digital Inputs
The DMC-1700/1800 has eight digital inputs for controlling motion by local switches. The @IN[n] function returns
the logic level of the specified input 1 through 8.
1X80 For the DMC-1750 thru DMC-1780 or DMC-1850 thru DMC-1880, the @IN[n] function is valid for
inputs 1 thru 24. For the DMC-17X8, the @IN[n] function is valid for inputs 1 through 80.
For example, a Jump on Condition instruction can be used to execute a sequence if a high condition is
noted on an input 3. To halt program execution, the After Input (AI) instruction waits until the
specified input has occurred.
Example:
JP #A,@IN[1]=0 Jump to A if input 1 is low
JP #B,@IN[2]=1 Jump to B if input 2 is high
AI 7 Wait until input 7 is high
AI -6 Wait until input 6 is low
Example - Start Motion on Switch
Motor X must turn at 4000 counts/sec when the user flips a panel switch to on. When panel switch is turned to off
position, motor X must stop turning.
Solution: Connect panel switch to input 1 of DMC-1700/1800. High on input 1 means switch is in on position.
INSTRUCTION FUNCTION
#S;JG 4000 Set speed
AI 1;BGX Begin after input 1 goes high
AI -1;STX Stop after input 1 goes low
AMX;JP #S After motion, repeat
EN;
Input Interrupt Function
The DMC-1700/1800 provides an input interrupt function which causes the program to automatically execute the
instructions following the #ININT label. This function is enabled using the II m,n,o command. The m specifies the
beginning input and n specifies the final input in the range. The parameter o is an interrupt mask. If m and n are
unused, o contains a number with the mask. A 1 designates that input to be enabled for an interrupt, where 20 is bit
1, 21 is bit 2 and so on. For example, II,,5 enables inputs 1 and 3 (20 + 22 = 5).
A low input on any of the specified inputs will cause automatic execution of the #ININT subroutine. The Return
from Interrupt (RI) command is used to return from this subroutine to the place in the program where the interrupt

168 • Chapter 7 Application Programming DMC-1700/1800
had occurred. If it is desired to return to somewhere else in the program after the execution of the #ININT
subroutine, the Zero Stack (ZS) command is used followed by unconditional jump statements.
IMPORTANT: Use the RI instruction (not EN) to return from the #ININT subroutine.
Examples - Input Interrupt
#A Label #A
II 1 Enable input 1 for interrupt function
JG 30000,-20000 Set speeds on X and Y axes
BG XY Begin motion on X and Y axes
#B Label #B
TP XY Report X and Y axes positions
WT 1000 Wait 1000 milliseconds
JP #B Jump to #B
EN End of program
#ININT Interrupt subroutine
MG “Interrupt has occurred” Displays the message
ST XY Stops motion on X and Y axes
#LOOP;JP #LOOP,@IN[1]=0 Loop until Interrupt cleared
JG 15000,10000 Specify new speeds
WT 300 Wait 300 milliseconds
BG XY Begin motion on X and Y axes
RI Return from Interrupt subroutine
Analog Inputs
The DMC-1700/1800 provides eight analog inputs. The value of these inputs in volts may be read using the
@AN[n] function where n is the analog input 1 through 8. The resolution of the Analog-to-Digital conversion is 12
bits (16-bit ADC is available as an option). Analog inputs are useful for reading special sensors such as
temperature, tension or pressure.
The following examples show programs which cause the motor to follow an analog signal. The first example is a
point-to-point move. The second example shows a continuous move.
Example - Position Follower (Point-to-Point)
Objective - The motor must follow an analog signal. When the analog signal varies by 10V, motor must move
10000 counts.
Method: Read the analog input and command X to move to that point.
INSTRUCTION INTERPRETATION
#Points Label
SP 7000 Speed
AC 80000;DC 80000 Acceleration
#Loop
VAR=@AN[1]*1000 Read and analog input, compute position
PA VAR Command position
BGX Start motion
AMX After completion

DMC-1700/1800 Chapter 7 Application Programming • 169
JP #Loop Repeat
EN End
Example - Position Follower (Continuous Move)
Method: Read the analog input, compute the commanded position and the position error. Command the motor to
run at a speed in proportions to the position error.
INSTRUCTION INTERPRETATION
#Cont Label
AC 80000;DC 80000 Acceleration rate
JG 0 Start job mode
BGX Start motion
#Loop
VAR=@AN[1]*1000 Compute desired position
VER=VAR-_TPX Find position error
VEL=VER*20 Compute velocity
JG VEL Change velocity
JP #Loop Change velocity
EN End
Example Applications
Wire Cutter
An operator activates a start switch. This causes a motor to advance the wire a distance of 10”. When the motion
stops, the controller generates an output signal which activates the cutter. Allowing 100 ms for the cutting
completes the cycle.
Suppose that the motor drives the wire by a roller with a 2” diameter. Also assume that the encoder resolution is
1000 lines per revolution. Since the circumference of the roller equals 2π inches, and it corresponds to 4000
quadrature, one inch of travel equals:
4000/2π = 637 count/inch
This implies that a distance of 10 inches equals 6370 counts, and a slew speed of 5 inches per second, for example,
equals 3185 count/sec.
The input signal may be applied to I1, for example, and the output signal is chosen as output 1. The motor velocity
profile and the related input and output signals are shown in Fig. 7.1.
The program starts at a state that we define as #A. Here the controller waits for the input pulse on I1. As soon as
the pulse is given, the controller starts the forward motion.
Upon completion of the forward move, the controller outputs a pulse for 20 ms and then waits an additional 80 ms
before returning to #A for a new cycle.
INSTRUCTION FUNCTION
#A Label

170 • Chapter 7 Application Programming DMC-1700/1800
AI1 Wait for input 1
PR 6370 Distance
SP 3185 Speed
BGX Start Motion
AMX After motion is complete
SB1 Set output bit 1
WT 20 Wait 20 ms
CB1 Clear output bit 1
WT 80 Wait 80 ms
JP #A Repeat the process
START PULSE I1
MOTOR VELOCITY
OUTPUT PULSE
TIME INTERVALS
move
output
wait ready move
Figure 7.1 - Motor Velocity and the Associated Input/Output signals
X-Y Table Controller
An X-Y-Z system must cut the pattern shown in Fig. 7.2. The X-Y table moves the plate while the Z-axis raises and
lowers the cutting tool.
The solid curves in Fig. 7.2 indicate sections where cutting takes place. Those must be performed at a feedrate of 1
inch per second. The dashed line corresponds to non-cutting moves and should be performed at 5 inch per second.
The acceleration rate is 0.1 g.
The motion starts at point A, with the Z-axis raised. An X-Y motion to point B is followed by lowering the Z-axis
and performing a cut along the circle. Once the circular motion is completed, the Z-axis is raised and the motion
continues to point C, etc.
Assume that all of the 3 axes are driven by lead screws with 10 turns-per-inch pitch. Also assume encoder
resolution of 1000 lines per revolution. This results in the relationship:
1 inch = 40,000 counts
and the speeds of
1 in/sec = 40,000 count/sec

DMC-1700/1800 Chapter 7 Application Programming • 171
5 in/sec = 200,000 count/sec
an acceleration rate of 0.1g equals
0.1g = 38.6 in/s2 = 1,544,000 count/s2
Note that the circular path has a radius of 2” or 80000 counts, and the motion starts at the angle of 270° and
traverses 360° in the CW (negative direction). Such a path is specified with the instruction
CR 80000,270,-360
Further assume that the Z must move 2” at a linear speed of 2” per second. The required motion is performed by the
following instructions:
INSTRUCTION FUNCTION
#A Label
VM XY Circular interpolation for XY
VP 160000,160000 Positions
VE End Vector Motion
VS 200000 Vector Speed
VA 1544000 Vector Acceleration
BGS Start Motion
AMS When motion is complete
PR,,-80000 Move Z down
SP,,80000 Z speed
BGZ Start Z motion
AMZ Wait for completion of Z motion
CR 80000,270,-360 Circle
VE
VS 40000 Feedrate
BGS Start circular move
AMS Wait for completion
PR,,80000 Move Z up
BGZ Start Z move
AMZ Wait for Z completion
PR -21600 Move X
SP 20000 Speed X
BGX Start X
AMX Wait for X completion
PR,,-80000 Lower Z
BGZ
AMZ
CR 80000,270,-360 Z second circle move
VE
VS 40000
BGS
AMS
PR,,80000 Raise Z

172 • Chapter 7 Application Programming DMC-1700/1800
BGZ
AMZ
VP -37600,-16000 Return XY to start
VE
VS 200000
BGS
AMS
EN
R=2
BC
A
0 4 9.3
4
Y
X
Figure 7.2 - Motor Velocity and the Associated Input/Output signals
Speed Control by Joystick
The speed of a motor is controlled by a joystick. The joystick produces a signal in the range between -10V and
+10V. The objective is to drive the motor at a speed proportional to the input voltage.
Assume that a full voltage of 10 Volts must produce a motor speed of 3000 rpm with an encoder resolution of 1000
lines or 4000 count/rev. This speed equals:
3000 rpm = 50 rev/sec = 200000 count/sec
The program reads the input voltage periodically and assigns its value to the variable VIN. To get a speed of
200,000 ct/sec for 10 volts, we select the speed as

DMC-1700/1800 Chapter 7 Application Programming • 173
Speed = 20000 x VIN

174 • Chapter 7 Application Programming DMC-1700/1800
The corresponding velocity for the motor is assigned to the VEL variable.
Instruction
#A
JG0
BGX
#B
VIN=@AN[1]
VEL=VIN*20000
JG VEL
JP #B
EN
Position Control by Joystick
This system requires the position of the motor to be proportional to the joystick angle. Furthermore, the ratio
between the two positions must be programmable. For example, if the control ratio is 5:1, it implies that when the
joystick voltage is 5 Volts, corresponding to 1028 counts, the required motor position must be 5120 counts. The
variable V3 changes the position ratio.
INSTRUCTION FUNCTION
#A Label
V3=5 Initial position ratio
DP0 Define the starting position
JG0 Set motor in jog mode as zero
BGX Start
#B
VIN=@AN[1] Read analog input
V2=V1*V3 Compute the desired position
V4=V2-_TPX-_TEX Find the following error
V5=V4*20 Compute a proportional speed
JG V5 Change the speed
JP #B Repeat the process
EN End
Backlash Compensation by Sampled Dual-Loop
The continuous dual loop, enabled by the DV1 function is an effective way to compensate for backlash. In some
cases, however, when the backlash magnitude is large, it may be difficult to stabilize the system. In those cases, it
may be easier to use the sampled dual loop method described below.
This design example addresses the basic problems of backlash in motion control systems. The objective is to control
the position of a linear slide precisely. The slide is to be controlled by a rotary motor, which is coupled to the slide
by a leadscrew. Such a leadscrew has a backlash of 4 micron, and the required position accuracy is for 0.5 micron.
The basic dilemma is where to mount the sensor. If you use a rotary sensor, you get a 4 micron backlash error. On
the other hand, if you use a linear encoder, the backlash in the feedback loop will cause oscillations due to
instability.
An alternative approach is the dual-loop, where we use two sensors, rotary and linear. The rotary sensor assures
stability (because the position loop is closed before the backlash) whereas the linear sensor provides accurate load
position information. The operation principle is to drive the motor to a given rotary position near the final point.

DMC-1700/1800 Chapter 7 Application Programming • 175
Once there, the load position is read to find the position error and the controller commands the motor to move to a
new rotary position which eliminates the position error.
Since the required accuracy is 0.5 micron, the resolution of the linear sensor should preferably be twice finer. A
linear sensor with a resolution of 0.25 micron allows a position error of +/-2 counts.
The dual-loop approach requires the resolution of the rotary sensor to be equal or better than that of the linear
system. Assuming that the pitch of the lead screw is 2.5mm (approximately 10 turns per inch), a rotary encoder of
2500 lines per turn or 10,000 count per revolution results in a rotary resolution of 0.25 micron. This results in equal
resolution on both linear and rotary sensors.
To illustrate the control method, assume that the rotary encoder is used as a feedback for the X-axis, and that the
linear sensor is read and stored in the variable LINPOS. Further assume that at the start, both the position of X and
the value of LINPOS are equal to zero. Now assume that the objective is to move the linear load to the position of
1000.
The first step is to command the X motor to move to the rotary position of 1000. Once it arrives we check the
position of the load. If, for example, the load position is 980 counts, it implies that a correction of 20 counts must be
made. However, when the X-axis is commanded to be at the position of 1000, suppose that the actual position is
only 995, implying that X has a position error of 5 counts, which will be eliminated once the motor settles. This
implies that the correction needs to be only 15 counts, since 5 counts out of the 20 would be corrected by the X-axis.
Accordingly, the motion correction should be:
Correction = Load Position Error - Rotary Position Error
The correction can be performed a few times until the error drops below +/-2 counts. Often, this is performed in one
correction cycle.
Example motion program:
INSTRUCTION FUNCTION
#A Label
DP0 Define starting positions as zero
LINPOS=0
PR 1000 Required distance
BGX Start motion
#B
AMX Wait for completion
WT 50 Wait 50 msec
LINPOS = _DEX Read linear position
ERR=1000-LINPOS-_TEX Find the correction
JP #C,@ABS[ERR]<2 Exit if error is small
PR ERR Command correction
BGX
JP #B Repeat the process
#C
EN

176 • Chapter 7 Application Programming DMC-1700/1800
THIS PAGE LEFT BLANK INTENTIONALLY

DMC-1700/1800 Chapter 8 Hardware & Software Protection • 177
Chapter 8 Hardware & Software
Protection
Introduction
The DMC-1700/1800 provides several hardware and software features to check for error conditions and to inhibit
the motor on error. These features help protect the various system components from damage.
WARNING: Machinery in motion can be dangerous! It is the responsibility of the user to design effective error
handling and safety protection as part of the machine. Since the DMC-1700/1800 is an integral part of the machine,
the engineer should design his overall system with protection against a possible component failure on the DMC-
1700/1800. Galil shall not be liable or responsible for any incidental or consequential damages.
Hardware Protection
The DMC-1700/1800 includes hardware input and output protection lines for various error and mechanical limit
conditions. These include:
Output Protection Lines
Amp Enable - This signal goes low when the motor off command is given, when the position error exceeds the
value specified by the Error Limit (ER) command, or when off-on-error condition is enabled (OE1) and the abort
command is given. Each axis amplifier has separate amplifier enable lines. This signal also goes low when the
watch-dog timer is activated, or upon reset. Note: The standard configuration of the AEN signal is TTL active low.
Both the polarity and the amplitude can be changed if you are using the ICM-1900 interface board. To make these
changes, see section entitled ‘Amplifier Interface’ pg 3-47.
Error Output - The error output is a TTL signal which indicates an error condition in the controller. This signal is
available on the interconnect module as ERROR. When the error signal is low, this indicates one of the following
error conditions:
1. At least one axis has a position error greater than the error limit. The error limit is set by using the
command ER.
2. The reset line on the controller is held low or is being affected by noise.
3. There is a failure on the controller and the processor is resetting itself.
4. There is a failure with the output IC which drives the error signal.
Input Protection Lines
General Abort - A low input stops commanded motion instantly without a controlled deceleration. For any axis in
which the Off-On-Error function is enabled, the amplifiers will be disabled. This could cause the motor to ‘coast’ to

178 • Chapter 8 Hardware & Software Protection DMC-1700/1800
a stop. If the Off-On-Error function is not enabled, the motor will instantaneously stop and servo at the current
position. The Off-On-Error function is further discussed in this chapter.
Selective Abort - The controller can be configured to provide an individual abort for each axis. Activation of the
selective abort signal will act the same as the Abort Input but only on the specific axis. To configure the controller
for selective abort, issue the command CN,,,1. This configures the inputs 5,6,7,8,13,14,15,16 to act as selective
aborts for axes A,B,C,D,E,F,G,H respectively.
Forward Limit Switch - Low input inhibits motion in forward direction. If the motor is moving in the forward
direction when the limit switch is activated, the motion will decelerate and stop. In addition, if the motor is moving
in the forward direction, the controller will automatically jump to the limit switch subroutine, #LIMSWI (if such a
routine has been written by the user). The CN command can be used to change the polarity of the limit switches.
Reverse Limit Switch - Low input inhibits motion in reverse direction. If the motor is moving in the reverse
direction when the limit switch is activated, the motion will decelerate and stop. In addition, if the motor is moving
in the reverse direction, the controller will automatically jump to the limit switch subroutine, #LIMSWI (if such a
routine has been written by the user). The CN command can be used to change the polarity of the limit switches.
Software Protection
The DMC-1700/1800 provides a programmable error limit. The error limit can be set for any number between 1 and
32767 using the ER n command. The default value for ER is 16384.
Example:
ER 200,300,400,500 Set X-axis error limit for 200, Y-axis error limit to 300, Z-axis error limit to 400
counts, W-axis error limit to 500 counts
ER,1,,10 Set Y-axis error limit to 1 count, set W-axis error limit to 10 counts.
The units of the error limit are quadrature counts. The error is the difference between the command position and
actual encoder position. If the absolute value of the error exceeds the value specified by ER, the controller will
generate several signals to warn the host system of the error condition. These signals include:
Signal or Function State if Error Occurs
# POSERR Jumps to automatic excess position error subroutine
Error Light Turns on
OE Function Shuts motor off if OE1
AEN Output Line Goes low
The Jump on Condition statement is useful for branching on a given error within a program. The position error of
X,Y,Z and W can be monitored during execution using the TE command.
Programmable Position Limits
The DMC-1700/1800 provides programmable forward and reverse position limits. These are set by the BL and FL
software commands. Once a position limit is specified, the DMC-1700/1800 will not accept position commands
beyond the limit. Motion beyond the limit is also prevented.
Example:
DP0,0,0 Define Position
BL -2000,-4000,-8000 Set Reverse position limit
FL 2000,4000,8000 Set Forward position limit
JG 2000,2000,2000 Jog
BG XYZ Begin
(motion stops at forward limits)

DMC-1700/1800 Chapter 8 Hardware & Software Protection • 179
Off-On-Error
The DMC-1700/1800 controller has a built in function which can turn off the motors under certain error conditions.
This function is know as ‘Off-On-Error”. To activate the OE function for each axis, specify 1 for X,Y,Z and W
axis. To disable this function, specify 0 for the axes. When this function is enabled, the specified motor will be
disabled under the following 3 conditions:
1. The position error for the specified axis exceeds the limit set with the command, ER
2. The abort command is given
3. The abort input is activated with a low signal.
Note: If the motors are disabled while they are moving, they may ‘coast’ to a stop because they are no longer under
servo control.
To re-enable the system, use the Reset (RS) or Servo Here (SH) command.
Examples:
OE 1,1,1,1 Enable off-on-error for X,Y,Z and W
OE 0,1,0,1 Enable off-on-error for Y and W axes and disable off-on-error for W and Z axes
Automatic Error Routine
The #POSERR label causes the statements following to be automatically executed if error on any axis exceeds the
error limit specified by ER. The error routine must be closed with the RE command. The RE command returns
from the error subroutine to the main program.
NOTE: The Error Subroutine will be entered again unless the error condition is gone.
Example:
#A;JP #A;EN “Dummy” program
#POSERR Start error routine on error
MG “error” Send message
SB 1 Fire relay
STX Stop motor
AMX After motor stops
SHX Servo motor here to clear error
RE Return to main program
NOTE: An applications program must be executing for the #POSERR routine to function.
Limit Switch Routine
The DMC-1700/1800 provides forward and reverse limit switches which inhibit motion in the respective direction.
There is also a special label for automatic execution of a limit switch subroutine. The #LIMSWI label specifies the
start of the limit switch subroutine. This label causes the statements following to be automatically executed if any
limit switch is activated and that axis motor is moving in that direction. The RE command ends the subroutine.
The state of the forward and reverse limit switches may also be tested during the jump-on-condition statement. The
_LR condition specifies the reverse limit and _LF specifies the forward limit. X,Y,Z, or W following LR or LF
specifies the axis. The CN command can be used to configure the polarity of the limit switches.
Limit Switch Example:
#A;JP #A;EN Dummy Program
#LIMSWI Limit Switch Utility
V1=_LFX Check if forward limit
V2=_LRX Check if reverse limit

180 • Chapter 8 Hardware & Software Protection DMC-1700/1800
JP#LF,V1=0 Jump to #LF if forward
JP#LR,V2=0 Jump to #LR if reverse
JP#END Jump to end
#LF #LF
MG “FORWARD LIMIT” Send message
STX;AMX Stop motion
PR-1000;BGX;AMX Move in reverse
JP#END End
#LR #LR
MG “REVERSE LIMIT” Send message
STX;AMX Stop motion
PR1000;BGX;AMX Move forward
#END End
RE Return to main program
NOTE: An applications program must be executing for #LIMSWI to function.

DMC-1700/1800 Chapter 9 Troubleshooting • 181
Chapter 9 Troubleshooting
Overview
The following discussion may help you get your system to work.
Potential problems have been divided into groups as follows:
1. Installation
2. Communication
3. Stability and Compensation
4. Operation
The various symptoms along with the cause and the remedy are described in the following tables.
Installation
SYMPTOM DIAGNOSIS CAUSE REMEDY
Motor runs away with no
connections from
controller to amplifier
input.
Adjusting offset causes the
motor to change speed.
1. Amplifier has an
internal offset.
2. Damaged amplifier.
Adjust amplifier offset. Amplifier
offset may also be compensated by
use of the offset configuration on
the controller (see the OF
command).
Replace amplifier.
Motor is enabled even
when MO command is
given
The SH command disables
the motor
1. The amplifier
requires the -LAEN
option on the
Interconnect Module
Contact Galil
Unable to read the
auxiliary encoders.
No auxiliary encoder
inputs are working
1. Auxiliary Encoder
Cable is not connected
Connect Auxiliary Encoder cable

182 • Chapter 9 Troubleshooting DMC-1700/1800
Unable to read main or
auxiliary encoder input.
The encoder does not work
when swapped with
another encoder input.
1. Wrong encoder
connections.
2. Encoder is damaged
3. Encoder
configuration incorrect.
Check encoder wiring. For single
ended encoders (CHA and CHB
only) do not make any connections
to the CHA- and CHB- inputs.
Replace encoder
Check CE command
Unable to read main or
auxiliary encoder input.
The encoder works
correctly when swapped
with another encoder input.
1. Wrong encoder
connections.
2. Encoder
configuration incorrect.
3. Encoder input or
controller is damaged
Check encoder wiring. For single
ended encoders (CHA and CHB
only) do not make any connections
to the CHA- and CHB- inputs.
Check CE command
Contact Galil
Encoder Position Drifts Swapping cables fixes the
problem
1. Poor Connections /
intermittent cable
Review all terminal connections
and connector contacts.
Encoder Position Drifts Significant noise can be
seen on CHA and / or CHB
encoder signals
1. Noise Shield encoder cables
Avoid placing power cables near
encoder cables
Avoid Ground Loops
Use differential encoders
Use +/-12V encoders
Communication
SYMPTOM DIAGNOSIS CAUSE REMEDY
Cannot communicate with
controller.
Galil software returns error
message when
communication is
attempted.
1. Address conflict
2. IRQ address
3. Address selection
does not agree with
registry
information.
Change address jumper positions,
and change if necessary (Chap 4)
Select different IRQ
From Galil software, edit Galil
Registry
Stability
SYMPTOM DIAGNOSIS CAUSE REMEDY
Servo motor runs away
when the loop is closed.
Reversed Motor Type
corrects situation (MT -1)
1. Wrong feedback
polarity.
Reverse Motor or Encoder Wiring
(remember to set Motor Type back
to default value: MT 1)
Motor oscillates. 2. Too high gain or
too little damping.
Decrease KI and KP. Increase KD.

DMC-1700/1800 Chapter 9 Troubleshooting • 183
Operation
SYMPTOM DIAGNOSIS CAUSE REMEDY
Controller rejects
commands.
Response of controller
from TC1 diagnoses error.
1. Anything Correct problem reported by TC1
Motor Doesn’t Move Response of controller
from TC1 diagnoses error.
2. Anything Correct problem reported by SC

184 • Chapter 9 Troubleshooting DMC-1700/1800
THIS PAGE LEFT BLANK INTENTIONALLY

DMC-1700/1800 Chapter 10 Theory of Operation • 185
Chapter 10 Theory of Operation
Overview
The following discussion covers the operation of motion control systems. A typical motion control system consists
of the elements shown in Fig 10.1.
COMPUTER CONTROLLER DRIVER
MOTORENCODER
Figure 10.1 - Elements of Servo Systems
The operation of such a system can be divided into three levels, as illustrated in Fig. 10.2. The levels are:
1. Closing the Loop
2. Motion Profiling
3. Motion Programming
The first level, the closing of the loop, assures that the motor follows the commanded position. This is done by
closing the position loop using a sensor. The operation at the basic level of closing the loop involves the subjects of
modeling, analysis, and design. These subjects will be covered in the following discussions.
The motion profiling is the generation of the desired position function. This function, R(t), describes where the
motor should be at every sampling period. Note that the profiling and the closing of the loop are independent
functions. The profiling function determines where the motor should be and the closing of the loop forces the motor
to follow the commanded position
The highest level of control is the motion program. This can be stored in the host computer or in the controller.
This program describes the tasks in terms of the motors that need to be controlled, the distances and the speed.

186 • Chapter 10 Theory of Operation DMC-1700/1800
MOTION
PROGRAMMING
MOTION
PROFILING
CLOSED-LOOP
CONTROL
LEVEL
3
2
1
Figure 10.2 - Levels of Control Functions
The three levels of control may be viewed as different levels of management. The top manager, the motion program,
may specify the following instruction, for example.
PR 6000,4000
SP 20000,20000
AC 200000,00000
BG X
AD 2000
BG Y
EN
This program corresponds to the velocity profiles shown in Fig. 10.3. Note that the profiled positions show where
the motors must be at any instant of time.
Finally, it remains up to the servo system to verify that the motor follows the profiled position by closing the servo
loop.
The following section explains the operation of the servo system. First, it is explained qualitatively, and then the
explanation is repeated using analytical tools for those who are more theoretically inclined.

DMC-1700/1800 Chapter 10 Theory of Operation • 187
Y POSITION
X POSITION
Y VELOCITY
X VELOCITY
TIME
Figure 10.3 - Velocity and Position Profiles
Operation of Closed-Loop Systems
To understand the operation of a servo system, we may compare it to a familiar closed-loop operation, adjusting the
water temperature in the shower. One control objective is to keep the temperature at a comfortable level, say 90
degrees F. To achieve that, our skin serves as a temperature sensor and reports to the brain (controller). The brain
compares the actual temperature, which is called the feedback signal, with the desired level of 90 degrees F. The
difference between the two levels is called the error signal. If the feedback temperature is too low, the error is
positive, and it triggers an action which raises the water temperature until the temperature error is reduced
sufficiently.
The closing of the servo loop is very similar. Suppose that we want the motor position to be at 90 degrees. The
motor position is measured by a position sensor, often an encoder, and the position feedback is sent to the controller.
Like the brain, the controller determines the position error, which is the difference between the commanded position
of 90 degrees and the position feedback. The controller then outputs a signal that is proportional to the position
error. This signal produces a proportional current in the motor, which causes a motion until the error is reduced.
Once the error becomes small, the resulting current will be too small to overcome the friction, causing the motor to
stop.
The analogy between adjusting the water temperature and closing the position loop carries further. We have all
learned the hard way, that the hot water faucet should be turned at the “right” rate. If you turn it too slowly, the
temperature response will be slow, causing discomfort. Such a slow reaction is called overdamped response.

188 • Chapter 10 Theory of Operation DMC-1700/1800
The results may be worse if we turn the faucet too fast. The overreaction results in temperature oscillations. When
the response of the system oscillates, we say that the system is unstable. Clearly, unstable responses are bad when
we want a constant level.
What causes the oscillations? The basic cause for the instability is a combination of delayed reaction and high gain.
In the case of the temperature control, the delay is due to the water flowing in the pipes. When the human reaction
is too strong, the response becomes unstable.
Servo systems also become unstable if their gain is too high. The delay in servo systems is between the application
of the current and its effect on the position. Note that the current must be applied long enough to cause a significant
effect on the velocity, and the velocity change must last long enough to cause a position change. This delay, when
coupled with high gain, causes instability.
This motion controller includes a special filter which is designed to help the stability and accuracy. Typically, such
a filter produces, in addition to the proportional gain, damping and integrator. The combination of the three
functions is referred to as a PID filter.
The filter parameters are represented by the three constants KP, KI and KD, which correspond to the proportional,
integral and derivative term respectively.
The damping element of the filter acts as a predictor, thereby reducing the delay associated with the motor response.
The integrator function, represented by the parameter KI, improves the system accuracy. With the KI parameter, the
motor does not stop until it reaches the desired position exactly, regardless of the level of friction or opposing
torque.
The integrator also reduces the system stability. Therefore, it can be used only when the loop is stable and has a
high gain.
The output of the filter is applied to a digital-to-analog converter (DAC). The resulting output signal in the range
between +10 and -10 Volts is then applied to the amplifier and the motor.
The motor position, whether rotary or linear is measured by a sensor. The resulting signal, called position feedback,
is returned to the controller for closing the loop.
The following section describes the operation in a detailed mathematical form, including modeling, analysis and
design.
System Modeling
The elements of a servo system include the motor, driver, encoder and the controller. These elements are shown in
Fig. 10.4. The mathematical model of the various components is given below.
DIGITAL
FILTER
Σ
ZOH DAC
ENCODER
AMP MOTOR
CONTROLLER
R
C
XYVE
P
Figure 10.4 - Functional Elements of a Motion Control System

DMC-1700/1800 Chapter 10 Theory of Operation • 189
Motor-Amplifier
The motor amplifier may be configured in three modes:
1. Voltage Drive
2. Current Drive
3. Velocity Loop
The operation and modeling in the three modes is as follows:
Voltage Drive
The amplifier is a voltage source with a gain of Kv [V/V]. The transfer function relating the input voltage, V, to the
motor position, P, is
(
)
(
)
[]
PV K KSST ST
Vt m e
=++11
where
TRJK
m
t
=2 [s]
and
T
L
R
e= [s]
and the motor parameters and units are
Kt Torque constant [Nm/A]
R Armature Resistance Ω
J Combined inertia of motor and load [kg.m2]
L Armature Inductance [H]
When the motor parameters are given in English units, it is necessary to convert the quantities to MKS units. For
example, consider a motor with the parameters:
Kt = 14.16 oz - in/A = 0.1 Nm/A
R = 2
Ω
J = 0.0283 oz-in-s2 = 2.10-4 kg . m2
L = 0.004H
Then the corresponding time constants are
Tm = 0.04 sec
and
Te = 0.002 sec
Assuming that the amplifier gain is Kv = 4, the resulting transfer function is
P/V = 40/[s(0.04s+1)(0.002s+1)]
Current Drive
The current drive generates a current I, which is proportional to the input voltage, V, with a gain of Ka. The
resulting transfer function in this case is
P/V = Ka Kt / Js2
where Kt and J are as defined previously. For example, a current amplifier with Ka = 2 A/V with the motor
described by the previous example will have the transfer function:

190 • Chapter 10 Theory of Operation DMC-1700/1800
P/V = 1000/s2 [rad/V]
If the motor is a DC brushless motor, it is driven by an amplifier that performs the commutation. The combined
transfer function of motor amplifier combination is the same as that of a similar brush motor, as described by the
previous equations.
Velocity Loop
The motor driver system may include a velocity loop where the motor velocity is sensed by a tachometer and is fed
back to the amplifier. Such a system is illustrated in Fig. 10.5. Note that the transfer function between the input
voltage V and the velocity ω is:
ω /V = [Ka Kt/Js]/[1+Ka Kt Kg/Js] = 1/[Kg(sT1+1)]
where the velocity time constant, T1, equals
T1 = J/Ka Kt Kg
This leads to the transfer function
P/V = 1/[Kg s(sT1+1)]
Σ
K
a
Kt/Js
K
g
V
Figure 10.5 - Elements of velocity loops
The resulting functions derived above are illustrated by the block diagram of Fig. 10.6.

DMC-1700/1800 Chapter 10 Theory of Operation • 191
K
v
1/K
e
(ST
m
+1)(ST
e
+1)
1
S
VEWP
VOLTAGE SOURCE
K
a
K
t
JS
1
S
VIWP
CURRENT SOURCE
1
S
VWP
VELOCITY LOOP
1
K
g
(ST
1
+1)
Figure 10.6 - Mathematical model of the motor and amplifier in three operational modes
Encoder
The encoder generates N pulses per revolution. It outputs two signals, Channel A and B, which are in quadrature.
Due to the quadrature relationship between the encoder channels, the position resolution is increased to 4N
quadrature counts/rev.
The model of the encoder can be represented by a gain of
Kf = 4N/2π [count/rad]
For example, a 1000 lines/rev encoder is modeled as
Kf = 638

192 • Chapter 10 Theory of Operation DMC-1700/1800
DAC
The DAC or D-to-A converter converts a 16-bit number to an analog voltage. The input range of the numbers is
65536 and the output voltage range is +/-10V or 20V. Therefore, the effective gain of the DAC is
K= 20/65536 = 0.0003 [V/count]
Digital Filter
The digital filter has three element in series: PID, low-pass and a notch filter. The transfer function of the filter.
The transfer function of the filter elements are:
PID D(z) =
KZ A
Z
CZ
Z
()
−
+−1
Low-pass L(z) =
1
−
−
B
ZB
Notch N(z) = ))((
))((
pZpZ
zZzZ
−−
−−
The filter parameters, K, A, C and B are selected by the instructions KP, KD, KI and PL, respectively. The
relationship between the filter coefficients and the instructions are:
K = (KP + KD) ⋅4
A = KD/(KP + KD)
C = KI/2
B = PL
The PID and low-pass elements are equivalent to the continuous transfer function G(s).
G(s) = (P + sD + I/s) ∗ a/(S+a)
where,
P = 4KP
D = 4T ⋅KD
I = KI/2T
a = ⎟
⎠
⎞
⎜
⎝
⎛
B
n
T
1
1
1
where T is the sampling period, and B is the pole setting
For example, if the filter parameters of the DMC-1700 or DMC-1800 are
KP = 4
KD = 36
KI = 2
PL = 0.75
T = 0.001 s
the digital filter coefficients are
K = 160
A = 0.9
C = 1
a = 250 rad/s
and the equivalent continuous filter, G(s), is

DMC-1700/1800 Chapter 10 Theory of Operation • 193
G(s) = [16 + 0.144s + 1000/s} ∗ 250/ (s+250)
The notch filter has two complex zeros, Z and z, and two complex poles, P and p.
The effect of the notch filter is to cancel the resonance affect by placing the complex zeros on top of the
resonance poles. The notch poles, P and p, are programmable and are selected to have sufficient
damping. It is best to select the notch parameters by the frequency terms. The poles and zeros have a
frequency in Hz, selected by the command NF. The real part of the poles is set by NB and the real part of
the zeros is set by NZ.
The most simple procedure for setting the notch filter, identify the resonance frequency and set NF to the
same value. Set NB to about one half of NF and set NZ to a low value between zero and 5.
ZOH
The ZOH, or zero-order-hold, represents the effect of the sampling process, where the motor command is updated
once per sampling period. The effect of the ZOH can be modeled by the transfer function
H(s) = 1/(1+sT/2)
If the sampling period is T = 0.001, for example, H(s) becomes:
H(s) = 2000/(s+2000)
However, in most applications, H(s) may be approximated as one.
This completes the modeling of the system elements. Next, we discuss the system analysis.
System Analysis
To analyze the system, we start with a block diagram model of the system elements. The analysis procedure is
illustrated in terms of the following example.
Consider a position control system with the DMC-1700/1800 controller and the following parameters:
Kt = 0.1 Nm/A Torque constant
J = 2.10-4 kg.m2 System moment of inertia
R = 2 Ω Motor resistance
Ka = 4 Amp/Volt Current amplifier gain
KP = 12.5 Digital filter gain
KD = 245 Digital filter zero
KI = 0 No integrator
N = 500 Counts/rev Encoder line density
T = 1 ms Sample period
The transfer function of the system elements are:
Motor
M(s) = P/I = Kt/Js2 = 500/s2 [rad/A]
Amp
Ka = 4 [Amp/V]
DAC
Kd = 0.0003 [V/count]

194 • Chapter 10 Theory of Operation DMC-1700/1800
Encoder
Kf = 4N/2π = 318 [count/rad]
ZOH
2000/(s+2000)
Digital Filter
KP = 12.5, KD = 245, T = 0.001
Therefore,
D(z) = 1030 (z-0.95)/Z
Accordingly, the coefficients of the continuous filter are:
P = 50
D = 0.98
The filter equation may be written in the continuous equivalent form:
G(s) = 50 + 0.98s = .098 (s+51)
The system elements are shown in Fig. 10.7.
Σ
50+0.980s
318
V
ENCODER
500
S
2
FILTER
2000
S+2000 0.0003 4
ZOH DAC AMP MOTOR
Figure 10.7 - Mathematical model of the control system
The open loop transfer function, A(s), is the product of all the elements in the loop.
A = 390,000 (s+51)/[s2(s+2000)]
To analyze the system stability, determine the crossover frequency, ωc at which A(j ωc) equals one. This can be
done by the Bode plot of A(j ωc), as shown in Fig. 10.8.

DMC-1700/1800 Chapter 10 Theory of Operation • 195
1
4
0.1
50 200 2000 W (rad/s)
Magnitude
Figure 10.8 - Bode plot of the open loop transfer function
For the given example, the crossover frequency was computed numerically resulting in 200 rad/s.
Next, we determine the phase of A(s) at the crossover frequency.
A(j200) = 390,000 (j200+51)/[(j200)2 . (j200 + 2000)]
α = Arg[A(j200)] = tan-1(200/51)-180° -tan-1(200/2000)
α = 76° - 180° - 6° = -110°
Finally, the phase margin, PM, equals
PM = 180
°
+
α
= 70
°
As long as PM is positive, the system is stable. However, for a well damped system, PM should be between 30
degrees and 45 degrees. The phase margin of 70 degrees given above indicated overdamped response.
Next, we discuss the design of control systems.
System Design and Compensation
The closed-loop control system can be stabilized by a digital filter, which is preprogrammed in the DMC-1700/1800
controller. The filter parameters can be selected by the user for the best compensation. The following discussion
presents an analytical design method.
The Analytical Method
The analytical design method is aimed at closing the loop at a crossover frequency, ωc, with a phase margin PM.
The system parameters are assumed known. The design procedure is best illustrated by a design example.
Consider a system with the following parameters:

196 • Chapter 10 Theory of Operation DMC-1700/1800
Kt Nm/A Torque constant
J = 2.10-4 kg.m2 System moment of inertia
R = 2 Ω Motor resistance
Ka = 2 Amp/Volt Current amplifier gain
N = 1000 Counts/rev Encoder line density
The DAC of theDMC-1700/1800 outputs +/-10V for a 16-bit command of +/-32768 counts.
The design objective is to select the filter parameters in order to close a position loop with a crossover frequency of
ωc = 500 rad/s and a phase margin of 45 degrees.
The first step is to develop a mathematical model of the system, as discussed in the previous system.
Motor
M(s) = P/I = Kt/Js2 = 1000/s2
Amp
Ka = 2 [Amp/V]
DAC
Kd = 10/32768 = .0003
Encoder
Kf = 4N/2π = 636
ZOH
H(s) = 2000/(s+2000)
Compensation Filter
G(s) = P + sD
The next step is to combine all the system elements, with the exception of G(s), into one function, L(s).
L(s) = M(s) Ka Kd Kf H(s) =3.17∗106/[s2(s+2000)]
Then the open loop transfer function, A(s), is
A(s) = L(s) G(s)
Now, determine the magnitude and phase of L(s) at the frequency ωc = 500.
L(j500) = 3.17∗106/[(j500)2 (j500+2000)]
This function has a magnitude of
|L(j500)| = 0.00625
and a phase
Arg[L(j500)] = -180° - tan-1(500/2000) = -194°
G(s) is selected so that A(s) has a crossover frequency of 500 rad/s and a phase margin of 45 degrees. This requires
that
|A(j500)| = 1
Arg [A(j500)] = -135°
However, since
A(s) = L(s) G(s)

DMC-1700/1800 Chapter 10 Theory of Operation • 197
then it follows that G(s) must have magnitude of
|G(j500)| = |A(j500)/L(j500)| = 160
and a phase
arg [G(j500)] = arg [A(j500)] - arg [L(j500)] = -135° + 194° = 59°
In other words, we need to select a filter function G(s) of the form
G(s) = P + sD
so that at the frequency ωc =500, the function would have a magnitude of 160 and a phase lead of 59 degrees.
These requirements may be expressed as:
|G(j500)| = |P + (j500D)| = 160
and
arg [G(j500)] = tan-1[500D/P] = 59°
The solution of these equations leads to:
P = 160cos 59° = 82.4
500D = 160sin 59° = 137
Therefore,
D = 0.274
and
G = 82.4 + 0.2744s
The function G is equivalent to a digital filter of the form:
D(z) = 4KP + 4KD(1-z-1)
where
P = 4
∗
KP
D = 4 ∗ KD ∗ T
and
4 ∗ KD = D/T
Assuming a sampling period of T=1ms, the parameters of the digital filter are:
KP = 20.6
KD = 68.6
The DMC-1700/1800 can be programmed with the instruction:
KP 20.6
KD 68.6
In a similar manner, other filters can be programmed. The procedure is simplified by the following table, which
summarizes the relationship between the various filters.

198 • Chapter 10 Theory of Operation DMC-1700/1800
Equivalent Filter Form
DMC-1700/1800
Digital D(z) =[K(z-A/z) + Cz/(z-1)]∗ (1-B)/(Z-B)
Digital D(z) = [4 KP + 4 KD(1-z-1) + KI/2(1-z-1)] ∗(1-B)/(Z-B)
KP, KD, KI, PL K = (KP + KD) 4
A = KD/(KP+KD)
C = KI/2
B = PL
Continuous G(s) = (P + Ds + I/s) ∗ a/s+a
PID, T P = 4 KP
D = 4 T*KD
I = KI/2T
a = 1/T ln(1/PL)

DMC-1700/1800 Appendices • 199
Appendices
Electrical Specifications
Servo Control
ACMD Amplifier Command: +/-10 Volts analog signal. Resolution 16-
b
it DAC
or .0003 Volts. 3 mA maximum
A+,A-,B+,B-,IDX+,IDX- Encoder and Auxiliary TTL compatible, but can accept up to +/-12 Volts.
Quadrature phase on CHA,CHB. Can accept
single-ended (A+,B+ only) or differential (A+,A-
,B+,B-). Maximum A,B edge rate: 12 MHz.
Minimum IDX pulse width: 80 nsec.
Stepper Control
Pulse TTL (0-5 Volts) level at 50% duty cycle.
3,000,000 pulses/sec maximum frequency
Direction TTL (0-5 Volts)
Input/Output
Uncommitted Inputs, Limits, Home, Abort
Inputs:
2.2K ohm in series with optoisolator. Active high or low
requires at least 2mA to activate. Can accept up to 28
Volts without additional series resistor. Above 28 Volts
requires additional resistor.
AN[1] thru AN[8] Analog Inputs: Standard configuration is +/-10 Volt. 12-Bit Analog-to-
Digital converter. 16-bit optional.
OUT[1] thru OUT[8] Outputs: TTL.
OUT[9] thru OUT[16] TTL (for DMC-1X50 thru DMC-1X80)
IN[17] thru IN[24] TTL (for DMC-1X50 thru DMC-1X80)
Note: The part number for the 100-pin connector is #2-178238-9 from AMP.

200 • Appendices DMC-1700/1800
Power
+5V 750 mA
+12V 40 mA
-12V 40mA
Performance Specifications
Normal Fast Firmware
Minimum Servo Loop Update Time:
DMC-1710 / DMC-1810 250 μsec 125 μsec
DMC-1720 / DMC-1820 250 μsec 125 μsec
DMC-1730 / DMC-1830 375 μsec 250 μsec
DMC-1740 / DMC-1840 375 μsec 250 μsec
DMC-1750 / DMC-1850 500 μsec 375 μsec
DMC-1760 / DMC-1860 500 μsec 375 μsec
DMC-1770 / DMC-1870 625 μsec 500 μsec
DMC-1780 / DMC-1880 625 μsec 500 μsec
Position Accuracy: +/-1 quadrature count
Velocity Accuracy:
Long Term Phase-locked, better than
.005%
Short Term System dependent
Position Range: +/-2147483647 counts per
move
Velocity Range: Up to 12,000,000 counts/sec
servo;
3,000,000 pulses/sec-stepper
Velocity Resolution: 2 counts/sec
Motor Command Resolution: 16 bit or 0.0003 V
Variable Range: +/-2 billion
Variable Resolution: 1 ⋅ 10-4
Array Size: 8000 elements, 30 arrays
Program Size: 1000 lines x 80 characters

DMC-1700/1800 Appendices • 201
Connectors for DMC-1700/1800 Main Board
J1 DMC-1740/1840 (A-D AXES) MAIN; J5-DMC-1740/1840 (A-D AXES)
100-PIN HIGH DENSITY: AUXILIARY ENCODERS; 26-PIN IDC:
1 Analog Ground 51 NC 1 +5V 14 A- Aux Z
2 Ground 52 Ground 2 Ground 15 B+ Aux Z
3 +5V 53 +5V 3 A+ Aux X 16 B- Aux Z
4 Error Output 54 Limit common 4 A- Aux X 17 A+ Aux W
5 Reset 55 Home W 5 B+ Aux X 18 A- Aux W
6 Encoder-Compare Output 56 Reverse limit W 6 B- Aux X 19 B+ Aux W
7 Ground 57 Forward limit W 7 A+ Aux Y 20 B- Aux W
8 Ground 58 Home Z 8 A- Aux Y 21 Sample Clock
9 Motor command W 59 Reverse limit Z 9 B+ Aux Y 22 NC
10 Sign W / Dir W 60 Forward limit Z 10 B- Aux Y 23 NC
11 PWM W / Step W 61 Home Y 11 +5V 24 NC
12 Motor command Z 62 Reverse limit Y 12 Ground 25 NC
13 Sign Z / Dir Z 63 Forward limit Y 13 A+ Aux Z 26 NC
14 PWM Z / Step Z 64 Home X
15 Motor command Y 65 Reverse limit X
16 Sign Y/ Dir Y 66 Forward limit X
17 PWM Y/ Step Y 67 Ground
18 Motor command X 68 +5V
19 Sign X/ Dir X 69 Input common
20 PWM X / Step X 70 Latch X
21 Amp enable W 71 Latch Y
22 Amp enable Z 72 Latch Z
23 Amp enable Y 73 Latch W
24 Amp enable X 74 Input 5
25 A+ X 75 Input 6
26 A- X 76 Input 7
27 B+ X 77 Input 8
28 B- X 78 Abort
29 I+ X 79 Output 1
30 I- X 80 Output 2
31 A+ Y 81 Output 3
32 A- Y 82 Output 4
33 B+ Y 83 Output 5
34 B- Y 84 Output 6
35 I+ Y 85 Output 7
36 I- Y 86 Output 8
37 A+ Z 87 +5V
38 A- Z 88 Ground
39 B+ Z 89 Ground
40 B- Z 90 Ground

202 • Appendices DMC-1700/1800
41 I+ Z 91 Analog In 1
42 I- Z 92 Analog In 2
43 A+ W 93 Analog In 3
44 A- W 94 Analog In 4
45 B+ W 95 Analog In 5
46 B- W 96 Analog In 6
47 I+ W 97 Analog In 7
48 I- W 98 Analog In 8
49 +12V 99 -12V
50 +12V 100 -12V
Notes: X,Y,Z,W are interchangeable designations for A,B,C,D axes.
J8 DMC-1780/1880 J6 DMC-1780/1880 J7 DMC-1780/1880
(E-H AXES) MAIN; (E-H AXES) MAIN; (E-H AXES);
50 PIN IDC: 50 PIN IDC: AUXILIARY ENCODER;
26-PIN IDC:
1 NC 51 NC 1 +5V
2 Ground 52 Ground 2 Ground
3 +5V 53 +5V 3 A+ Aux E
4 Error Output 54 Limit common (2) 4 A- Aux E
5 Reset 55 Home H 5 B+ Aux E
6 Encoder-Compare Output 56 Reverse limit H 6 B- Aux E
7 Ground 57 Forward limit H 7 A+ Aux F
8 Ground 58 Home G 8 A- Aux F
9 Motor command H 59 Reverse limit G 9 B+ Aux F
10 Sign H / Dir H 60 Forward limit G 10 B- Aux F
11 PWM H / Step H 61 Home F 11 +5V
12 Motor command G 62 Reverse limit F 12 Ground
13 Sign G / Dir G 63 Forward limit F 13 A+ Aux G
14 PWM G / Step G 64 Home E 14 A- Aux G
15 Motor command F 65 Reverse limit E 15 B+ Aux G
16 Sign F/ Dir F 66 Forward limit E 16 B- Aux G
17 PWM F/ Step F 67 Ground 17 A+ Aux H
18 Motor command E 68 +5V 18 A- Aux H
19 Sign E/ Dir E 69 Input common (2) 19 B+ Aux H
20 PWM E / Step E 70 Latch E 20 B- Aux H
21 Amp enable H 71 Latch F 21 Sample Clock
22 Amp enable G 72 Latch G 22 NC
23 Amp enable F 73 Latch H 23 NC
24 Amp enable E 74 Input 13 24 NC
25 A+ E 75 Input 14 25 NC
26 A- E 76 Input 15 26 NC
27 B+ E 77 Input 16
28 B- E 78 Reserved

DMC-1700/1800 Appendices • 203
29 I+ E 79 Output 9
30 I- E 80 Output 10
31 A+ F 81 Output 11
32 A- F 82 Output 12
33 B+ F 83 Output 13
34 B- F 84 Output 14
35 I+ F 85 Output 15
36 I- F 86 Output 16
37 A+ G 87 +5V
38 A- G 88 Ground
39 B+ G 89 Ground
40 B- G 90 Ground
41 I+ G 91 Input 17
42 I- G 92 Input 18
43 A+ H 93 Input 19
44 A- H 94 Input 20
45 B+ H 95 Input 21
46 B- H 96 Input 22
47 I+ H 97 Input 23
48 I- H 98 Input 24
49 +12V 99 -12V
50 +12V 100 -12V
Pin-Out Description for DMC-1700/1800
Outputs
Analog Motor Command +/- 10 Volt range signal for driving amplifier. In servo mode, motor
command output is updated at the controller sample rate. In the motor
off mode, this output is held at the OF command level.
Amp Enable Signal to disable and enable an amplifier. Amp Enable goes low on
Abort and OE1.
PWM/STEP OUT PWM/STEP OUT is used for directly driving power bridges for DC
servo motors or for driving step motor amplifiers. For servo motors: I
f
you are using a conventional amplifier that accepts a +/-10 Volt analog
signal, this pin is not used and should be left open. The PWM output is
available in two formats: Inverter and Sign Magnitude. In the Inverter
mode, the PWM (25kHz) signal is .2% duty cycle for full negative
voltage, 50% for 0 Voltage and 99.8% for full positive voltage (25kHz
Switching Frequency). In the Sign Magnitude Mode (Jumper SM), the
PWM (50 kHz) signal is 0% for 0 Voltage, 99.6% for full voltage and
the sign of the Motor Command is available at the sign output (50kHz
Switching Frequency).

204 • Appendices DMC-1700/1800
PWM/STEP OUT For stepper motors: The STEP OUT pin produces a series of
p
ulses for
input to a step motor driver. The pulses may either be low or high.
The pulse width is 50%. Upon Reset, the output will be low if the SM
j
umper is on. If the SM jumper is not on, the output will be Tri-state.
Sign/Direction Used with PWM signal to give the sign of the motor command for
servo amplifiers or direction for step motors.
Error The signal goes low when the position error on any axis exceeds the
value specified by the error limit command, ER.
Output 1-Output 8
Output 9-Output 16
(DMC-1750 thru 1780
These 8 TTL outputs are uncommitted and may be designated by the
user to toggle relays and trigger external events. The output lines are
toggled by Set Bit, SB, and Clear Bit, CB, instructions. The OP
instruction is used to define the state of all the bits of the Output port.

DMC-1700/1800 Appendices • 205
Inputs
Encoder, A+, B+ Position feedback from incremental encoder with two channels in
quadrature, CHA and CHB. The encoder may be analog or TTL. Any
resolution encoder may be used as long as the maximum frequency
does not exceed 12,000,000 quadrature states/sec. The controller
performs quadrature decoding of the encoder signals resulting in a
resolution of quadrature counts (4 x encoder cycles). Note: Encoders
that produce outputs in the format of pulses and direction may also be
used by inputting the pulses into CHA and direction into Channel B
and using the CE command to configure this mode.
Encoder Index, I+ Once-Per-Revolution encoder pulse. Used in Homing sequence or Find
Index command to define home on an encoder index.
Encoder, A-, B-, I- Differential inputs from encoder. May be input along with CHA, CHB
for noise immunity of encoder signals. The CHA- and CHB- inputs are
optional.
Auxiliary Encoder, Aux A+,
Aux B+, Aux I+, Aux A-, Aux
B-, Aux I-
Inputs for additional encoder. Used when an encoder on both the moto
r
and the load is required. Not available on axes configured for step
motors.
Abort A low input stops commanded motion instantly without a controlled
deceleration. Also aborts motion program.
Reset A low input resets the state of the processor to its power-on condition.
The previously saved state of the controller, along with parameter
values, and saved sequences are restored.
Forward Limit Switch When active, inhibits motion in forward direction. Also causes
execution of limit switch subroutine, #LIMSWI. The polarity of the
limit switch may be set with the CN command.
Reverse Limit Switch When active, inhibits motion in reverse direction. Also causes
execution of limit switch subroutine, #LIMSWI. The polarity of the
limit switch may be set with the CN command.
Home Switch Input for Homing (HM) and Find Edge (FE) instructions. Upon BG
following HM or FE, the motor accelerates to slew speed. A transition
on this input will cause the motor to decelerate to a stop. The polarity
of the Home Switch may be set with the CN command.
Input 1 - Input 8 isolated
Input 9 - Input 16 isolated
Input 17 - Input 24 TTL
Uncommitted inputs. May be defined by the user to trigger events.
Inputs are checked with the Conditional Jump instruction and After
Input instruction or Input Interrupt. Input 1 is latch X, Input 2 is latch
Y, Input 3 is latch Z and Input 4 is latch W if the high speed position
latch function is enabled.
Latch High speed position latch to capture axis position on occurrence of
latch signal. AL command arms latch. Input 1 is latch X, Input 2 is
latch Y, Input 3 is latch Z and Input 4 is latch W. Input 9 is latch E,
input 10 is latch F, input 11 is latch G, input 12 is latch H.

206 • Appendices DMC-1700/1800
Setting Addresses for the DMC-1700
Standard Addresses
The newest versions of the DMC-1700 (DMC-1710/1740 Rev. F and later, DMC-1750/1780 Rev. D and later) have
to be addressed manually. Below is a chart that can be used to select the controller address. Note: ‘x’ denotes that
the jumper is installed.
Address HEX JPR A8 JPR A7 JPR A6 JPR A5 JPR A4 JPR A3 JPR A2
512 200 x x x x x x x
516 204 x x x x x x
520 208 x x x x x x
524 20C x x x x x
528 210 x x x x x x
532 214 x x x x x
536 218 x x x x x
540 21C x x x x
544 220 x x x x x x
548 224 x x x x x
552 228 x x x x x
556 22C x x x x
560 230 x x x x x
564 234 x x x x
568 238 x x x x
572 23C x x x
576 240 x x x x x x
580 244 x x x x x
584 248 x x x x x
588 24C x x x x
592 250 x x x x x
596 254 x x x x
600 258 x x x x
604 25C x x x
608 260 x x x x x
612 264 x x x x
616 268 x x x x
620 26C x x x
624 270 x x x x
628 274 x x x
632 278 x x x
636 27C x x
640 280 x x x x x x
644 284 x x x x x

DMC-1700/1800 Appendices • 207
Address HEX JPR A8 JPR A7 JPR A6 JPR A5 JPR A4 JPR A3 JPR A2
648 288 x x x x x
652 28C x x x x
656 290 x x x x x
660 294 x x x x
664 298 x x x x
668 29C x x x
672 2A0 x x x x x
676 2A4 x x x x
680 2A8 x x x x
684 2AC x x x
688 2B0 x x x x
692 2B4 x x x
696 2B8 x x x
700 2BC x x
704 2C0 x x x x x
708 2C4 x x x x
712 2C8 x x x x
716 2CC x x x
720 2D0 x x x x
724 2D4 x x x
728 2D8 x x x
732 2DC x x
736 2E0 x x x x
740 2E4 x x x
744 2E8 x x x
748 2EC x x
752 2F0 x x x
756 2F4 x x
760 2F8 x x
764 2FC x
768 300 x x x x x x
772 204 x x x x x
776 308 x x x x x
780 30C x x x x
784 310 x x x x x
788 314 x x x x
792 318 x x x x
796 31C x x x
800 320 x x x x x
804 324 x x x x
808 328 x x x x

208 • Appendices DMC-1700/1800
812 32C x x x
816 330 x x x x
820 334 x x x
824 338 x x x
828 33C x x
832 340 x x x x x
836 344 x x x x
840 348 x x x x
844 34C x x x
848 350 x x x x
852 354 x x x
Address HEX JPR A8 JPR A7 JPR A6 JPR A5 JPR A4 JPR A3 JPR A2
856 358 x x x
860 35C x x
864 360 x x x x
868 364 x x x
872 368 x x x
876 36C x x
880 370 x x x
884 374 x x
888 378 x x
892 37C x
896 380 x x x x x
900 384 x x x x
904 388 x x x x
908 38C x x x
912 390 x x x x
916 394 x x x
920 398 x x x
924 39C x x
928 3A0 x x x x
932 3A4 x x x
936 3A8 x x x
940 3AC x x
944 3B0 x x x
948 3B4 x x
952 3B8 x x
956 3BC x
960 3C0 x x x x
964 3C4 x x x
968 3C8 x x x
972 3CC x x

DMC-1700/1800 Appendices • 209
976 3D0 x x x
980 3D4 x x
984 3D8 x x
988 3DC x
992 3E0 x x x
996 3E4 x x
1000 3E8 x x
1004 3EC x
1008 3F0 x x
1012 3F4 x
1016 3F8 x
1020 3FC
Plug and Play Addresses
Controllers that still have the Plug and Play option (DMC-1710/1740 Rev. E and earlier, DMC-1750/1780 Rev. C
and earlier) have the option of addressing the controllers either manually or through the Plug and Play utilities.
Communications Jumpers:
For DOS, Windows 3.1 and Windows NT, install the “STD ISA” jumper, JP7. This jumper bypasses Plug-and-
Play. In this environment the jumper, JP9, is used to select the IRQ and the jumper, JP8, is used to select the
address. Address selection as described below:
Step A. Place jumper on JP7, marked “STD ISA”
Step B. If an interrupt is required, use JP9 to select the appropriate IRQ setting.
Step C. Place jumpers on JP8 for the Address selection. There are 16 addresses to choose
from. A ”0” designates a jumper in that position, a ”1” indicates the absence of a jumper.
Address 9 is always a “1”, Address 2, 6, and 7 area always a ”0”.
A8 A5 A4 A3 BASE ADDRESS COMMENTS/POSSIBLE CONFLICTS
1 1 1 1 338hex 824dec RECOMMENDED - NO JUMPERS
1 1 1 0 330hex 816dec RECOMMENDED
1 1 0 1 328hex 808dec Hard Disk (XT)
1 1 0 0 320hex 800dec Hard Disk (XT)
1 0 1 1 318hex 792dec Prototype Card
1 0 1 0 310hex 784dec Prototype Card
1 0 0 1 308hex 776dec Prototype Card
1 0 0 0 300hex 768dec Prototype Card
0 1 1 1 238hex 568dec Bus Mouse
0 1 1 0 230hex 560dec
0 1 0 1 228hex 552dec
0 1 0 0 220hex 544dec
0 0 1 1 218hex 536dec Expansion Unit (XT)
0 0 1 0 210hex 528dec Expansion Unit (XT)
0 0 0 1 208hex 520dec Game/Control
0 0 0 0 200hex 512dec Game/Control
Note: If the standard interface is used, only DMA channel 1 will be available.

210 • Appendices DMC-1700/1800
In Plug and Play Mode (Windows 95 only), no jumpers are required. The Galil Plug and Play drivers will register
the card with an open address and IRQ for communication.
Accessories and Options
DMC-1710 1- axis ISA bus motion controller
DMC-1720 2- axes ISA bus motion controller
DMC-1730 3- axes ISA bus motion controller
DMC-1740 4- axes ISA bus motion controller
DMC-1750 5- axes ISA bus motion controller
DMC-1760 6- axes ISA bus motion controller
DMC-1770 7- axes ISA bus motion controller
DMC-1780 8- axes ISA bus motion controller
DMC-1810 1- axis PCI bus motion controller
DMC-1820 2- axes PCI bus motion controller
DMC-1830 3- axes PCI bus motion controller
DMC-1840 4- axes PCI bus motion controller
DMC-1850 5- axes PCI bus motion controller
DMC-1860 6- axes PCI bus motion controller
DMC-1870 7- axes PCI bus motion controller
DMC-1880 8- axes PCI bus motion controller
DMC-1718 1- axis ISA bus controller with 64 extended I/O
DMC-1728 2- axes ISA bus controller with 64 extended I/O
DMC-1738 3- axes ISA bus controller with 64 extended I/O
DMC-1748 4- axes ISA bus controller with 64 extended I/O
Cable-100-1M 100-pin high density cable, 1 meter
Cable-100-2M 100-pin high density cable, 2 meter
Cable-100-4M 100-pin high density cable, 4 meter
CB-50-100-1700 50-pin to 100-pin converter board, includes two 50-pin ribbon
cables (for DMC-1750 thru DMC-1780)
CB-50-100-1800 50-pin to 100-pin converter board, includes two 50-pin
ribbon cables (for DMC-1850 thru DMC-1880)
CB-50-80-1700 50-pin to 80-pin converter board, includes two 50-pin
ribbon cables (for DMC-17X8 extended I/O expansion)
16-Bit ADC Increased resolution for analog inputs
ICM-1900 (-HAEN or -LAEN) Interconnect module with either High or Low Amp Enable
ICM-1900-Opto (-HAEN or -LAEN) Interconnect module with Optoisolated digital outputs (either
High or Low Amp Enable)
AMP-1910 Interconnect module with 1-axis power amplifier
AMP-1920 Interconnect module with 2-axes power amplifier
AMP-1930 Interconnect module with 3-axes power amplifier
AMP-1940 Interconnect module with 4-axes power amplifier

DMC-1700/1800 Appendices • 211
DMC-1700 Utilities Utilities for Plug & Play, COMDISK, firmware
DMC-1800 Utilities Utilities for Plug & Play, COMDISK, firmware
WSDK-16 Servo Design Kit for Windows 3.X
WSDK-32 Servo Design Kit for Windows 98SE, NT4.0, 2000 or XP
VBX Tool Kit Visual BasicTM Tool Kit (includes VBXs and OCXs)
Setup 16 Set-up software for Windows 3.X
Setup 32 Set-up software for Windows 98SE, NT4.0, 2000 or XP
CAD-to-DMC AutoCADR DXF translator
G-CODES-to-DMC G-code translator
HPGL HPGL translator
PC/AT Interrupts and Their Vectors
(These occur on the first 8259)
IRQ VECTOR USAGE
0 8 or 08h Timer chip (DON’T USE THIS!)
1 9 or 09h Keyboard (DON’T USE THIS!)
2 10 or 0ah Cascade from second 8259 (DON’T USE THIS!)
3 11 or 0bh COM2:
4 12 or 0ch COM1:
5 13 or 0dh LPT2:
6 14 or 0eh Floppy (DON’T USE THIS!)
7 15 or 0fh LPT1:
(These occur on the second 8259)
IRQ VECTOR USAGE
8 104 or 70h Real-time clock (DON’T USE THIS!)
9 105 or 71h Redirect-cascade (DON’T USE THIS!)
10 106 or 72h
11 107 or 73h
12 108 or 74h Mouse DSR
13 109 or 75h Math Co-processor exception
14 110 or 76h Fixed Disk (DON’T USE THIS!)
15 111 or 77h
ICM-1900 Interconnect Module
The ICM-1900 interconnect module provides easy connections between the DMC-1700/1800 series controllers and
other system elements, such as amplifiers, encoders, and external switches. The ICM- 1900 accepts the 100-pin
main cable and 25-pin auxiliary cable and breaks them into screw-type terminals. Each screw terminal is labeled for
quick connection of system elements. An ICM-1900 is required for each set of 4 axes. (Two required for DMC-
1750 thru DMC-1780 or DMC-1850).

212 • Appendices DMC-1700/1800
The ICM-1900 is contained in a metal enclosure. A version of the ICM-1900 is also available with servo amplifiers
(see AMP-19X0 below). The ICM-1900 can be purchased with an option to provide opto-isolation (see -OPTO
option below).
Features
• Separate DMC-1700/1800 cables into individual screw-type terminals
• Clearly identifies all terminals
• Provides jumper for connecting limit and input supplies to 5 V supply from PC
• Available with on-board servo amplifiers (see AMP-19X0)
• Can be configured for High or Low amplifier enable
Note: The part number for the 100-pin connector is #2-178238-9 from AMP
Terminal
# Label I/O Description
1 +AAX I X Auxiliary encoder A+
2 -AAX I X Auxiliary encoder A-
3 +ABX I X Auxiliary encoder B+
4 -ABX I X Auxiliary encoder B-
5 +AAY I Y Auxiliary encoder A+
6 -AAY I Y Auxiliary encoder A-
7 +ABY I Y Auxiliary encoder B+
8 -ABY I Y Auxiliary encoder B-
9 +AAZ I Z Auxiliary encoder A+
10 -AAZ I Z Auxiliary encoder A-
11 +ABZ I Z Auxiliary encoder B+
12 -ABZ I Z Auxiliary encoder B-
13 +AAW I W Auxiliary encoder A+
14 -AAW I W Auxiliary encoder A-
15 +ABW I W Auxiliary encoder B+
16 -ABW I W Auxiliary encoder B-
17 GND Signal Ground
18 +VCC + 5 Volts
19 ISO OUT
POWER
O Output Common (for use with the opto-isolated output option)
20 ERROR O Error signal
21 RESET I Reset
22 CMP O Circular Compare output
23 MOCMDW O W axis motor command to amp input (w / respect to ground)
24 SIGNW O W axis sign output for input to stepper motor amp
25 PWMW O W axis pulse output for input to stepper motor amp
26 MOCMDZ O Z axis motor command to amp input (w / respect to ground)
27 SIGNZ O Z axis sign output for input to stepper motor amp
28 PWMZ O Z axis pulse output for input to stepper motor amp
29 MOCMDY O Y axis motor command to amp input (w / respect to ground)
30 SIGNY O Y axis sign output for input to stepper motor amp
31 PWMY O Y axis pulse output for input to stepper motor amp

DMC-1700/1800 Appendices • 213
32 MOCMDX O X axis motor command to amp input (w / respect to ground)
33 SIGNX O X axis sign output for input to stepper motor amp
34 PWMX O X axis pulse output for input to stepper motor amp
35 ISO OUT
GND*
O Isolated gnd used with opto-isolation *
36 +VCC O + 5 Volts
37 AMPENW O W axis amplifier enable
38 AMPENZ O Z axis amplifier enable
39 AMPENY O Y axis amplifier enable
40 AMPENX O X axis amplifier enable
41 LSCOM I Limit Switch Common
42 HOMEW I W axis home input
43 RLSW I W axis reverse limit switch input
44 FLSW I W axis forward limit switch input
45 HOMEZ I Z axis home input
46 RLSZ I Z axis reverse limit switch input
47 FLSZ I Z axis forward limit switch input
48 HOMEY I Y axis home input
49 RLSY I Y axis reverse limit switch input
50 FLSY I Y axis forward limit switch input
51 HOMEX I X axis home input
52 RLSX I X axis reverse limit switch input
53 FLSX I X axis forward limit switch input
54 +VCC + 5 Volts
55 GND Signal Ground
56 INCOM I Input common (Common for general inputs and Abort input)
57 XLATCH I Input 1 (Used for X axis latch input)
58 YLATCH I Input 2 (Used for Y axis latch input)
59 ZLATCH I Input 3 (Used for Z axis latch input)
60 WLATCH I Input 4 (Used for W axis latch input)
61 IN5 I Input 5
62 IN6 I Input 6
63 IN7 I Input 7
64 IN8 I Input 8
65 ABORT I Abort Input
66 OUT1 O Output 1
67 OUT2 O Output 2
68 OUT3 O Output 3
69 OUT4 O Output 4
70 OUT5 O Output 5
71 OUT6 O Output 6
72 OUT7 O Output 7
73 OUT8 O Output 8
74 GND Signal Ground
75 AN1 I Analog Input 1

214 • Appendices DMC-1700/1800
76 AN2 I Analog Input 2
77 AN3 I Analog Input 3
78 AN4 I Analog Input 4
79 AN5 I Analog Input 5
80 AN6 I Analog Input 6
81 AN7 I Analog Input 7
82 AN8 I Analog Input 8
83 +MAX I X Main encoder A+
84 -MAX I X Main encoder A-
85 +MBX I X Main encoder B+
86 -MBX I X Main encoder B-
87 +INX I X Main encoder Index +
88 -INX I X Main encoder Index -
89 ANALOG
GND*
Analog Ground*
90 +VCC + 5 Volts
91 +MAY I Y Main encoder A+
92 -MAY I Y Main encoder A-
93 +MBY I Y Main encoder B+
94 -MBY I Y Main encoder B-
95 +INY I Y Main encoder Index +
96 -INY I Y Main encoder Index -
97 +MAZ I Z Main encoder A+
98 -MAZ I Z Main encoder A-
99 +MBZ I Z Main encoder B+
100 -MBZ I Z Main encoder B-
101 +INZ I Z Main encoder Index +
102 -INZ I Z Main encoder Index -
103 GND Signal Ground
104 +VCC + 5 Volts
105 +MAW I W Main encoder A+
106 -MAW I W Main encoder A-
107 +MBW I W Main encoder B+
108 -MBW I W Main encoder B-
109 +INW I W Main encoder Index +
110 -INW I W Main encoder Index -
111 +12V +12 Volts
112 -12V -12 Volts
*ISOLATED GND and ANALOG GND connections added to Rev D.
J53 provides 4 additional screw terminals for Ground Connection on Revision D.

DMC-1700/1800 Appendices • 215
ICM-1900 Drawing
11.620"
12.560"
13.500"
0.220"
0.440"
2.000"
6.880"
4.940"
Figure A.1 – ICM-1900 Dimensions
AMP-19X0 Mating Power Amplifiers
The AMP-19X0 series are mating, brush-type servo amplifiers for the DMC-1700/1800. The AMP-1910 contains 1
amplifier: the AMP-1920, 2 amplifiers; the AMP-1930, 3 amplifiers; and the AMP-1940, 4 amplifiers. Each
amplifier is rated for 7 amps continuous, 10 amps peak at up to 80 V. The gain of the AMP-19X0 is 1 amp/V. The
AMP-19X0 requires an external DC supply. The AMP-19X0 connects directly to the DMC-1700/1800, and
screwtype terminals are provided for connection to motors, encoders, and external switches.
Features
• 7 amps continuous, 10 amps peak; 20 to 80V
• Available with 1, 2, 3, or 4 amplifiers
• Connects directly to DMC-1700 or DMC-1800 series controllers
• Screw-type terminals for easy connection to motors, encoders, and switches
• Steel mounting plate with ¼” keyholes
Specifications
Minimum motor inductance: 1 mH
PWM frequency: 30 Khz
Ambient operating temperature: 0o to 70o C
Dimensions:
Weight:
Dimensions: 13.5” x 2.675” x 6.88”

216 • Appendices DMC-1700/1800
Mounting: Keyholes -- ¼” ∅
Gain: 1 amp/V
ICM-2900 Interconnect Module
The ICM-2900 interconnect module provides easy connections between the DMC-1700 or DMC-1800 series
controllers and other system elements, such as amplifiers, encoders, and external switches. The ICM- 2900 accepts
the 100-pin main cable and provides screw-type terminals for connections. Each screw terminal is labeled for quick
connection of system elements. The ICM-2900 provides access to the signals for up to 4 axes (Two required for 5
or more axes).
Block (4 PIN) Label I/O Description
1 MOCMDZ O Z axis motor command to amp input (w / respect to ground)
1 SIGNZ O Z axis sign output for input to stepper motor amp
1 PWMZ O Z axis pulse output for input to stepper motor amp
1 GND O Signal Ground
2 MOCMDW O W axis motor command to amp input (w / respect to ground)
2 SIGNW O W axis sign output for input to stepper motor amp
2 PWMW O W axis pulse output for input to stepper motor amp
2 GND O Signal Ground
3 MOCMDX O X axis motor command to amp input (w / respect to ground)
3 SIGNX O X axis sign output for input to stepper motor amp
3 PWMX O X axis pulse output for input to stepper motor amp
3 GND O Signal Ground
4 MOCMDY O Y axis motor command to amp input (w / respect to ground)
4 SIGNY O Y axis sign output for input to stepper motor amp
4 PWMY O Y axis pulse output for input to stepper motor amp
4 GND O Signal Ground
5 OUT PWR I Isolated Power In for Opto-Isolation Option
5 ERROR O Error output
5 CMP O Circular Compare Output
5 OUT GND O Isolated Ground for Opto-Isolation Option
6 AMPENW O W axis amplifier enable
6 AMPENZ O Z axis amplifier enable
6 AMPENY O Y axis amplifier enable
6 AMPENX O X axis amplifier enable
7 OUT5 O General Output 5
7 OUT6 O General Output 6
7 OUT7 O General Output 7
7 OUT8 O General Output 8
8 OUT1 O General Output 1
8 OUT2 O General Output 2
8 OUT3 O General Output 3
8 OUT4 O General Output 4
9 +5V O + 5 Volts
9 HOMEZ I Z axis home input

DMC-1700/1800 Appendices • 217
9 RLSZ I Z axis reverse limit switch input
9 FLSZ I Z axis forward limit switch input
10 LSCOM I Limit Switch Common Input
10 HOMEW I W axis home input
10 RLSW I W axis reverse limit switch input
10 FLSW I W axis forward limit switch input
11 HOMEX I X axis home input
11 RLSX I X axis reverse limit switch input
11 FLSX I X axis forward limit switch input
11 GND O Signal Ground
12 HOMEY I Y axis home input
12 RLSY I Y axis reverse limit switch input
12 FLSY I Y axis forward limit switch input
12 GND O Signal Ground
13 IN5 I Input 5
13 IN6 I Input 6
13 IN7 I Input 7
13 IN8 I Input 8
14 XLATCH I Input 1 (Used for X axis latch input)
14 YLATCH I Input 2 (Used for Y axis latch input)
14 ZLATCH I Input 3 (Used for Z axis latch input)
14 WLATCH I Input 4 (Used for W axis latch input)
15 +5V O + 5 Volts
15 +12V O +12 Volts
15 -12V O -12 Volts
15 ANA GND O Isolated Analog Ground for Use with Analog Inputs
16 INCOM I Input Common For General Use Inputs
16 ABORT I Abort Input
16 RESET I Reset Input
16 GND O Signal Ground
17 ANALOG5 I Analog Input 5
17 ANALOG6 I Analog Input 6
17 ANALOG7 I Analog Input 7
17 ANALOG8 I Analog Input 8
18 ANALOG1 I Analog Input 1
18 ANALOG2 I Analog Input 2
18 ANALOG3 I Analog Input 3
18 ANALOG4 I Analog Input 4
19 +5V O + 5Volts
19 +INX I X Main encoder Index +
19 -INX I X Main encoder Index -
19 GND O Signal Ground
20 +MAX I X Main encoder A+
20 -MAX I X Main encoder A-
20 +MBX I X Main encoder B+

218 • Appendices DMC-1700/1800
20 -MBX I X Main encoder B-
21 +5V O + 5Volts
21 +INY I Y Main encoder Index +
21 -INY I Y Main encoder Index -
21 GND O Signal Ground
22 +MAY I Y Main encoder A+
22 -MAY I Y Main encoder A-
22 +MBY I Y Main encoder B+
22 -MBY I Y Main encoder B-
23 +5V O + 5Volts
23 +INZ I Z Main encoder Index +
23 -INZ I Z Main encoder Index -
23 GND O Signal Ground
24 +MAZ I Z Main encoder A+
24 -MAZ I Z Main encoder A-
24 +MBZ I Z Main encoder B+
24 -MBZ I Z Main encoder B-
25 +5V O + 5Volts
25 +INW I W Main encoder Index +
25 -INW I W Main encoder Index -
25 GND O Signal Ground
26 +MAW I W Main encoder A+
26 -MAW I W Main encoder A-
26 +MBW I W Main encoder B+
26 -MBW I W Main encoder B-

DMC-1700/1800 Appendices • 219
Opto-Isolated Outputs ICM-1900 / ICM-2900 (-Opto option)
The ICM/AMP 1900 and ICM-2900 modules from Galil have an option for opto-isolated outputs.
Standard Opto-isolation and High Current Opto-isolation:
The Opto-isolation option on the ICM-1900 has 2 forms: ICM-1900-OPTO (standard) and ICM-1900-OPTOHC
(high current). The standard version provides outputs with 4ma drive current / output with approximately 2 usec
response time. The high current version provides 25ma drive current / output with approximately 400 usec response
time.
Figure A.2 – Opto Output Circuit
The ISO OUT POWER (OUT POWER ON ICM-2900) and ISO POWER GND (OUT GND ON ICM-2900) signals
should be connected to an isolated power supply. This power supply should be used only to power the outputs in
order to obtain isolation from the controller. The signal “OUT[x]” is one of the isolated digital outputs where X
stands for the digital output terminals.
The default configuration is for active high outputs. If active low outputs are desired, reverse RP3 in it’s socket.
This will tie RP3 to GND instead of VCC, inverting the sense of the outputs.
NOTE: If power is applied to the outputs with an isolated power supply but power is not applied to the controller,
the outputs will float high (unable to sink current). This may present a problem when using active high logic and
care should be taken. Using active low logic should avoid any problems associated with the outputs floating high.
64 Extended I/O of the DMC-17x8/1700/1800 Controller
The DMC-17x8/1700/1800 controller offers 64 extended I/O points, which can be interfaced to Grayhill and OPTO-
22 I/O mounting racks. These I/O points can be configured as inputs or outputs in 8 bit increments through
software. The I/O points are accessed through two 50-pin IDC connectors, each with 32 I/O points.
Configuring the I/O of the DMC-17x8 (and DMC-1750 to DMC-
1780 & DMC-1810 to 1880, with DB-14064)
The 64 extended I/O points of the DMC-17x8 (and 1750-1780 & 1810-1880 w/DB-14064) series controller can be
configured in blocks of 8. The extended I/O is denoted as blocks 2-9 or bits 17-80.
The command, CO, is used to configure the extended I/O as inputs or outputs. The CO command has one field:
ISO OUT POWER (ICM-1900,PIN 19)
OUT POWER (ICM-2900)
ISO POWER GND (ICM-1900,PIN 35)
OUT GND (ICM-2900)
OUT[x] (66 - 73)
ICM-1900 / ICM-2900
CONNECTIONS
RP4=10K OHMS
FROM
CONTROLLER
+5V
OUT[x] TTL
RP3
RP4 on ICM1900=10K OHMS
RP2 on ICM2900

220 • Appendices DMC-1700/1800
CO n
Where, n is a decimal value, which represents a binary number. Each bit of the binary number represents one block
of extended I/O. When set to 1, the corresponding block is configured as an output.
The least significant bit represents block 2 and the most significant bit represents block 9. The decimal value can be
calculated by the following formula. n = n2 + 2*n3 + 4*n4 + 8*n5 +16* n6 +32* n7 +64* n8 +128* n9 where nx
represents the block. If the nx value is a one, then the block of 8 I/O points is to be configured as an output. If the nx
value is a zero, then the block of 8 I/O points will be configured as an input. For example, if block 4 and 5 is to be
configured as an output, CO 12 is issued.
8-Bit I/O Block Block Binary Representation Decimal Value for Block
17-24 2
20 1
25-32 3
21 2
33-40 4
22 4
41-48 5
23 8
49-56 6
24 16
57-64 7
25 32
65-72 8
26 64
73-80 9
27 128
The simplest method for determining n:
Step 1. Determine which 8-bit I/O blocks to be configured as outputs.
Step 2. From the table, determine the decimal value for each I/O block to be set as an output.
Step 3. Add up all of the values determined in step 2. This is the value to be used for n.
For example, if blocks 2 and 3 are to be outputs, then n is 3 and the command, CO3, should be issued. Note: This
calculation is identical to the formula: n = n2 + 2*n3 + 4*n4 + 8*n5 +16* n6 +32* n7 +64* n8 +128* n9 where nx
represents the block.
Saving the State of the Outputs in Non-Volatile Memory
The configuration of the extended I/O and the state of the outputs can be stored in the EEPROM with the BN
command. If no value has been set, the default of CO 0 is used (all blocks are inputs).
Accessing extended I/O
When configured as an output, each I/O point may be defined with the SBn and CBn commands (where n=1 through
8 and 17 through 80). Outputs may also be defined with the conditional command, OBn (where n=1 through 8 and
17 through 80).
The command, OP, may also be used to set output bits, specified as blocks of data. The OP command accepts 5
parameters. The first parameter sets the values of the main output port of the controller (Outputs 1-8, block 0). The
additional parameters set the value of the extended I/O as outlined:
OP m,a,b,c,d
where m is the decimal representation of the bits 1-8 (values from 0 to 255) and a,b,c,d represent the extended I/O in
consecutive groups of 16 bits. (values from 0 to 65535). Arguments which are given for I/O points which are
configured as inputs will be ignored. The following table describes the arguments used to set the state of outputs.

DMC-1700/1800 Appendices • 221
Argument Blocks Bits Description
m 0 1-8 General Outputs
a 2,3 17-32 Extended I/O
b 4,5 33-48 Extended I/O
c 6,7 49-64 Extended I/O
d 8,9 65-80 Extended I/O
For example, if block 8 is configured as an output, the following command may be issued:
OP 7,,,,7
This command will set bits 1,2,3 (block 0) and bits 65,66,67 (block 8) to 1. Bits 4 through 8 and bits 68 through 80
will be set to 0. All other bits are unaffected.
When accessing I/O blocks configured as inputs, use the TIn command. The argument ‘n’ refers to the block to be
read (n=0,2,3,4,5,6,7,8 or 9). The value returned will be a decimal representation of the corresponding bits.
Individual bits can be queried using the @IN[n] function (where n=1 through 8 or 17 through 80). If the following
command is issued;
MG @IN[17]
the controller will return the state of the least significant bit of block 2 (assuming block 2 is configured as an input).
Configuring the 64 Extended I/O of the DMC-1750 to 1780 and 1850
to 1880 using the DB-14064
The 5 to 8 axis versions of the DMC-1700/1800 are equipped with 24 inputs and 16 outputs (an increase from 8
inputs and 8 outputs on 1 to 4 axis models). Since the numbering system for accessing the extended I/O ranges from
17 to 80, there will be an overlap of inputs from 17 to 24. When configuring the I/O, note that the first bank of
extended I/O (17-24) will only be accessible as outputs. Configuring the first block (17-24) as inputs renders them as
“no connection” inputs, since these inputs are already accessible through the general I/O on the main board.
The procedure for configuring and accessing the extended I/O on the 5-8 axis versions is then similarly done as
described in the previous section. Except, when using the OP command, the argument “m” is a decimal number
from 0 to 65535, which refers to the first 16 general I/O.
Connector Description:
The DMC-17x8 controller (and DB-14064) has two 50 Pin IDC header connectors. The connectors are compatible
with I/O mounting racks such as Grayhill 70GRCM32-HL and OPTO-22 G4PB24.
Note for interfacing to OPTO-22 G4PB24: When using the OPTO-22 G4PB24 I/O mounting rack, the user will
only have access to 48 of the 64 I/O points available on the controller. Block 5 and Block 9 must be configured as
inputs and will be grounded by the I/O rack.
J6 50-PIN IDC
Pin Signal Block
Bit @IN[n],
@OUT[n] Bit
No
1. I/O 4 40 7
3. I/O 4 39 6
5 I/O 4 38 5
7. I/O 4 37 4
9. I/O 4 36 3
11. I/O 4 35 2
13. I/O 4 34 1

222 • Appendices DMC-1700/1800
15. I/O 4 33 0
17. I/O 3 32 7
19. I/O 3 31 6
21. I/O 3 30 5
23. I/O 3 29 4
25. I/O 3 28 3
27. I/O 3 27 2
29. I/O 3 26 1
31. I/O 3 25 0
33. I/O 2 24 7
35. I/O 2 23 6
37. I/O 2 22 5
39. I/O 2 21 4
41. I/O 2 20 3
43. I/O 2 19 2
45. I/O 2 18 1
47. I/O 2 17 0
49. +5V - - -
2. I/O 5 41 0
4. I/O 5 42 1
6. I/O 5 43 2
8. I/O 5 44 3
10. I/O 5 45 4
12. I/O 5 46 5
14. I/O 5 47 6
16. I/O 5 48 7
18. GND - - -
20. GND - - -
22. GND - - -
24. GND - - -
26. GND - - -
28. GND - - -
30. GND - - -
32. GND - - -
34. GND - - -
36. GND - - -
38. GND - - -
40. GND - - -
42. GND - - -
44. GND - - -
46. GND - - -
48. GND - - -
50. GND - - -

DMC-1700/1800 Appendices • 223
J8 50-PIN IDC
Pin Signal Block
Bit @IN[n],
@OUT[n] Bit
No
1. I/O 8 72 7
3. I/O 8 71 6
5 I/O 8 70 5
7. I/O 8 69 4
9. I/O 8 68 3
11. I/O 8 67 2
13. I/O 8 66 1
15. I/O 8 65 0
17. I/O 7 64 7
19. I/O 7 63 6
21. I/O 7 62 5
23. I/O 7 61 4
25. I/O 7 60 3
27. I/O 7 59 2
29. I/O 7 58 1
31. I/O 7 57 0
33. I/O 6 56 7
35. I/O 6 55 6
37. I/O 6 54 5
39. I/O 6 53 4
41. I/O 6 52 3
43. I/O 6 51 2
45. I/O 6 50 1
47. I/O 6 49 0
49. +5V - - -
2. I/O 9 73 0
4. I/O 9 74 1
6. I/O 9 75 2
8. I/O 9 76 3
10. I/O 9 77 4
12. I/O 9 78 5
14. I/O 9 79 6
16. I/O 9 80 7
18. GND - - -
20. GND - - -
22. GND - - -
24. GND - - -
26. GND - - -
28. GND - - -
30. GND - - -

224 • Appendices DMC-1700/1800
32. GND - - -
34. GND - - -
36. GND - - -
38. GND - - -
40. GND - - -
42. GND - - -
44. GND - - -
46. GND - - -
48. GND - - -
50. GND - - -
IOM-1964 Opto-Isolation Module for Extended I/O
Controllers
Description:
• Provides 64 optically isolated inputs and outputs, each rated for 2mA at up to 28 VDC
• Configurable as inputs or outputs in groups of eight bits
• Provides 16 high power outputs capable of up to 500mA each
• Connects to controller via 80 pin shielded cable
• All I/O points conveniently labeled
• Each of the 64 I/O points has status LED
• Dimensions 6.8” x 11.4”
• Works with extended I/O controllers

DMC-1700/1800 Appendices • 225
0 1 32 5 764
J5
80 pin high
density connector
Banks 0 and 1
provide high
power output
capability.
Banks 2-7 are
standard banks.
Screw Terminals
High Current
Buffer chips (16)
IOM-1964
REV A
GALIL MOTION CONTROL
MADE IN USA
FOR INPUTS:
UX3
UX4
RPX4
FOR OUTPUTS:
UX1
UX2
RPX2
RPX3
Figure A.3 – IOM-1964 Layout
Overview
The IOM-1964 is an input/output module that connects to the DMC-17x8 motion controller and DB-
14064 extended I/O daughter board cards from Galil, providing optically isolated buffers for the
extended inputs and outputs of the controller. The IOM-1964 also provides 16 high power outputs
capable of 500mA of current per output point. The IOM-1964 splits the 64 I/O points into eight banks
of eight I/O points each, corresponding to the eight banks of extended I/O on the controller. Each
bank is individually configured as an input or output bank by inserting the appropriate integrated
circuits and resistor packs. The hardware configuration of the IOM-1964 must match the software
configuration of the controller card.
All DMC-1700 series controllers have general purpose I/O connections. On a DMC-1710/1810, -
1720/1820, -1730/1830, and -1740/1840 the standard uncommitted I/O consists of: eight optically
isolated digital inputs, eight TTL digital outputs, and eight analog inputs.
The DMC-17x8 and DB-14064, however, have an additional 64 digital input/output points than the 16
described above for a total of 80 input/output points. The 64 I/O points are attached via two 50 pin
ribbon cable header connectors. A CB-50-80 adapter card is used to connect the two 50 pin ribbon
cables to an 80 pin high density connector. An 80 pin shielded cable connects from the 80 pin
connector of the CB-50-80 board to the 80 pin high density connector J5 on the IOM-1964.
NOTE: Instead of the 80-pin connector at J5, on Rev. A of the IOM-1964, a 100-pin connector called
J1 was used. Rev. A is used with a CB-50-100 adapter instead of a CB-50-80.

226 • Appendices DMC-1700/1800
WARNING! Make sure that you do not connect the 100 pin cable from the IOM-1964 Rev. A to the
J1 motion I/O connector of the controller. Note the Error LED on the controller bracket to identify the
motion I/O connector.
Error LED
DMC-17x8
End bracket
100 pin high density connector J1
used for motion I/O
CB-50-80
End bracket
80 pin high density connector
used for extended I/O
Figure A.4 – CB-50-80 and CB-50-100 Bracket Layout
Configuring Hardware Banks
The extended I/O on the DMC-17x8 and DB-14064 is configured using the CO command. The banks
of buffers on the IOM-1964 are configured to match by inserting the appropriate IC’s and resistor
packs. The layout of each of the I/O banks is identical.
For example, here is the layout of bank 0:

DMC-1700/1800 Appendices • 227
Bank 0
IN
OUT
RP02 OUT
RP04 IN
RP03 OUT
U03 U04
U01 U02
D0
RP01
OUT
C6
17
18
19
20
21
22
23
24
Input Buffer IC's
Output Buffer IC's
Indicator LED's
Resistor Pack for
LED's
Resistor Pack for
outputs
Resistor Pack for
inputs
Resistor Pack for
outputs
Figure A.5 – IOM-1964 Chip Configuration Layout
All of the banks have the same configuration pattern as diagrammed above. For example, all banks
have Ux1 and Ux2 output optical isolator IC sockets, labeled in bank 0 as U01 and U02, in bank 1 as
U11 and U12, and so on. Each bank is configured as inputs or outputs by inserting optical isolator
IC’s and resistor packs in the appropriate sockets. A group of eight LED’s indicates the status of each
I/O point. The numbers above the Bank 0 label indicate the number of the I/O point corresponding to
the LED above it.
Digital Inputs
Configuring a bank for inputs requires that the Ux3 and Ux4 sockets be populated with NEC2505
optical isolation integrated circuits. The IOM-1964 is shipped with a default configuration of banks 2-
7 configured as inputs. The output IC sockets Ux1 and Ux2 must be empty. The input IC’s are labeled
Ux3 and Ux4. For example, in bank 0 the IC’s are U03 and U04, bank 1 input IC’s are labeled U13
and U14, and so on. Also, the resistor pack RPx4 must be inserted into the bank to finish the input
configuration.

228 • Appendices DMC-1700/1800
Input Circuit
1/4 NEC2505
To DMC-1748* I/O
DMC-1748* GND
1/8 RPx4
I/OC
n
I/O
n
x = bank number 0-7
n = input number 17-80
Connections to this optically isolated input circuit are done in a sinking or sourcing configuration,
referring to the direction of current. Some example circuits are shown below:
Sinking Sourcing
+5V
GND +5V
GNDI/OC
n
I/OC
n
I/O
n
I/O
n
Current Current
Figure A.7 – Input Sinking and Sourcing Diagram
There is one I/OC connection for each bank of eight inputs. Whether the input is connected as sinking
or sourcing, when the switch is open no current flows and the digital input function @IN[n] returns 1.
This is because of an internal pull up resistor on the DMC-17x8/DB-14064*. When the switch is
closed in either circuit, current flows. This pulls the input on the DMC-17x8/DB-14064 to ground, and
the digital input function @IN[n] returns 0. Note that the external +5V in the circuits above is for
example only. The inputs are optically isolated and can accept a range of input voltages from 4 to 28
VDC.
Active outputs are connected to the optically isolated inputs in a similar fashion with respect to current.
An NPN output is connected in a sinking configuration, and a PNP output is connected in the sourcing
configuration.
Sinking Sourcing
+5V
PNP
output
GND
I/OC
n
I/OC
n
I/O
n
I/O
n
Current
NPN
output
Current
Figure A.8 – Output Sinking and Sourcing Diagram
Whether connected in a sinking or sourcing circuit, only two connections are needed in each case.
When the NPN output is 5 volts, then no current flows and the input reads 1. When the NPN output
goes to 0 volts, then it sinks current and the input reads 0. The PNP output works in a similar fashion,
but the voltages are reversed i.e. 5 volts on the PNP output sources current into the digital input and the
input reads 0. As before, the 5 volt is an example, the I/OC can accept between 4-28 volts DC.
Figure A.6 – Opto Input Circuit

DMC-1700/1800 Appendices • 229
Note that the current through the digital input should be kept below 3 mA in order to minimize the
power dissipated in the resistor pack. This will help prevent circuit failures. The resistor pack RPx4 is
standard 1.5k ohm which is suitable for power supply voltages up to 5.5 VDC. However, use of 24
VDC for example would require a higher resistance such as a 10k ohm resistor pack.
*The 1-4 axis models of the DMC-17x8 all work with the IOM-1964, all have identical extended I/O
features.
High Power Digital Outputs
The first two banks on the IOM-1964, banks 0 and 1, have high current output drive capability. The
IOM-1964 is shipped with banks 0 and 1 configured as outputs. Each output can drive up to 500mA of
continuous current. Configuring a bank of I/O as outputs is done by inserting the optical isolator
NEC2505 IC’s into the Ux1 and Ux2 sockets. The digital input IC’s Ux3 and Ux4 are removed. The
resistor packs RPx2 and RPx3 are inserted, and the input resistor pack RPx4 is removed.
Each bank of eight outputs shares one I/OC connection, which is connected to a DC power supply
between 4 and 28 VDC. A 10k ohm resistor pack should be used for RPx3. Here is a circuit diagram:
1/4 NEC2505
1/8 RPx3
To DMC-1748 +5V
DMC-1748 I/O
I/O
n
I/OC
n
VCC
IN
GND
OUT
IR6210
OUTC
n
PWROUT
n
1/8 RPx2
Figure A.9 – High Current Output Circuit
The load is connected between the power output and output common. The I/O connection is for test
purposes, and would not normally be connected. An external power supply is connected to the I/OC
and OUTC terminals, which isolates the circuitry of the DMC-1748 controller/DB-14064 daughter
board from the output circuit.
PWROUT
n
OUTC
n
Current
L
o
a
d
External
Isolated
Power
Supply
I/OC
n
V
ISO
GND
ISO
Figure A.10 – Typical Load Connection

230 • Appendices DMC-1700/1800
The power outputs must be connected in a driving configuration as shown on the previous page. Here
are the voltage outputs to expect after the Clear Bit and Set Bit commands are given:
Output Command Result
CBn Vpwr = Viso
SBn Vpwr = GNDiso
Standard Digital Outputs
The I/O banks 2-7 can be configured as optically isolated digital outputs, however these banks do not
have the high power capacity as in banks 0-1. In order to configure a bank as outputs, the optical
isolator chips Ux1 and Ux2 are inserted, and the digital input isolator chips Ux3 and Ux4 are removed.
The resistor packs RPx2 and RPx3 are inserted, and the input resistor pack RPx4 is removed.
Each bank of eight outputs shares one I/OC connection, which is connected to a DC power supply
between 4 and 28 VDC. The resistor pack RPx3 is optional, used either as a pull up resistor from the
output transistor’s collector to the external supply connected to I/OC or the RPx3 is removed resulting
in an open collector output. Here is a schematic of the digital output circuit:
Internal Pullup
1/4 NEC2505
1/8 RPx3
To DMC-1748 +5V
DMC-1748 I/O
I/O
n
I/OC
n
OUTC
n
1/8 RPx2
Figure A.11 – Output Circuit Diagram
The resistor pack RPx3 limits the amount of current available to source, as well as affecting the low
level voltage at the I/O output. The maximum sink current is 2mA regardless of RPx3 or I/OC voltage,
determined by the NEC2505 optical isolator IC. The maximum source current is determined by
dividing the external power supply voltage by the resistor value of RPx3.
The high level voltage at the I/O output is equal to the external supply voltage at I/OC. However,
when the output transistor is on and conducting current, the low level output voltage is determined by
three factors. The external supply voltage, the resistor pack RPx3 value, and the current sinking limit
of the NEC2505 all determine the low level voltage. The sink current available from the NEC2505 is
between 0 and 2mA. Therefore, the maximum voltage drop across RPx3 is calculated by multiplying
the 2mA maximum current times the resistor value of RPx3. For example, if a 10k ohm resistor pack
is used for RPx3, then the maximum voltage drop is 20 volts. The digital output will never drop below
the voltage at OUTC, however. Therefore, a 10k ohm resistor pack will result in a low level voltage of
.7 to 1.0 volts at the I/O output for an external supply voltage between 4 and 21 VDC. If a supply
voltage greater than 21 VDC is used, a higher value resistor pack will be required.

DMC-1700/1800 Appendices • 231
Output Command Result
CBn Vout = GNDiso
SBn Vout = Viso
The resistor pack RPx3 is removed to provide open collector outputs. The same calculations for
maximum source current and low level voltage applies as in the above circuit. The maximum sink
current is determined by the NEC2505, and is approximately 2mA.
Open Collector
1/4 NEC2505
To DMC-1748 +5V
DMC-1748 I/O
I/O
n
OUTC
n
1/8 RPx2
Figure A.12 – Output Circuit Diagram (Open Collector)
Electrical Specifications
• I/O points, configurable as inputs or outputs in groups of 8
Digital Inputs
• Maximum voltage: 28 VDC
• Minimum input voltage: 4 VDC
• Maximum input current: 3 mA
High Power Digital Outputs
• Maximum external power supply voltage: 28 VDC
• Minimum external power supply voltage: 4 VDC
• Maximum source current, per output: 500mA
• Maximum sink current: sinking circuit inoperative
Standard Digital Outputs
• Maximum external power supply voltage: 28 VDC
• Minimum external power supply voltage: 4 VDC
• Maximum source current: limited by pull up resistor value
• Maximum sink current: 2mA

232 • Appendices DMC-1700/1800
Relevant DMC Commands
CO n
Configures the 64 bits of extended I/O in 8 banks of 8 bits each.
n = n2 + 2*n3 + 4*n4 + 8*n5 + 16*n6 + 32*n7 + 64*n8 + 128*n9
where nx is a 1 or 0, 1 for outputs and 0 for inputs. The x is the bank number
OP
m,n,o,p,q
m = 8 standard digital outputs
n = extended I/O banks 0 & 1, outputs 17-32
o = extended I/O banks 2 & 3, outputs 33-48
p = extended I/O banks 4 & 5, outputs 49-64
q = extended I/O banks 6 & 7, outputs 65-80
SB n Sets the output bit to a logic 1, n is the number of the output from 1 to 80.
CB n Clears the output bit to a logic 0, n is the number of the output from 1 to 80.
OB n,m Sets the state of an output as 0 or 1, also able to use logical conditions.
TI n Returns the state of 8 digital inputs as binary converted to decimal, n is the bank number +2.
_TI n Operand (internal variable) that holds the same value as that returned by TI n.
@IN[n] Function that returns state of individual input bit, n is number of the input from 1 to 80.
Screw Terminal Listing
Rev A+B boards (orange) and Rev C boards (black) have the pinouts listed below
REV A+B
TERMINAL # REV C
TERMINAL # LABEL DESCRIPTION BANK
1 GND Ground N/A
2 2 5V 5V DC out N/A
3 1 GND Ground N/A
4 4 5V 5V DC out N/A
5 3 I/O80 I/O bit 80 7
6 6 I/O79 I/O bit 79 7
7 5 I/O78 I/O bit 78 7
8 8 I/O77 I/O bit 77 7
9 7 I/O76 I/O bit 76 7
10 10 I/O75 I/O bit 75 7
11 9 I/O74 I/O bit 74 7
12 12 I/O73 I/O bit 73 7
13 11 OUTC73-80 Out common for I/O 73-80 7
14 14 I/OC73-80 I/O common for I/O 73-80 7
15 13 I/O72 I/O bit 72 6
16 16 I/O71 I/O bit 71 6
17 15 I/O70 I/O bit 70 6
18 18 I/O69 I/O bit 69 6
19 17 I/O68 I/O bit 68 6
20 20 I/O67 I/O bit 67 6
21 19 I/O66 I/O bit 66 6
22 22 I/O65 I/O bit 65 6
23 21 OUTC65-72 Out common for I/O 65-72 6
24 24 I/OC65-72 I/O common for I/O 65-72 6

DMC-1700/1800 Appendices • 233
25 23 I/O64 I/O bit 64 5
26 26 I/O63 I/O bit 63 5
27 25 I/O62 I/O bit 62 5
28 28 I/O61 I/O bit 61 5
29 27 I/O60 I/O bit 60 5
30 30 I/O59 I/O bit 59 5
31 29 I/O58 I/O bit 58 5
32 32 I/O57 I/O bit 57 5
33 31 OUTC57-64 Out common for I/O 57-64 5
34 34 I/OC57-64 I/O common for I/O 57-64 5
35 33 I/O56 I/O bit 56 4
36 36 I/O55 I/O bit 55 4
37 35 I/O54 I/O bit 54 4
38 38 I/O53 I/O bit 53 4
39 37 I/O52 I/O bit 52 4
40 40 I/O51 I/O bit 51 4
41 39 I/O50 I/O bit 50 4
42 42 I/O49 I/O bit 49 4
43 41 OUTC49-56 Out common for I/O 49-56 4
44 44 I/OC49-56 I/O common for I/O 49-56 4
45 43 I/O48 I/O bit 48 3
46 46 I/O47 I/O bit 47 3
47 45 I/O46 I/O bit 46 3
48 48 I/O45 I/O bit 45 3
49 47 I/O44 I/O bit 44 3
50 50 I/O43 I/O bit 43 3
51 49 I/O42 I/O bit 42 3
52 52 I/O41 I/O bit 41 3
53 51 OUTC41-48 Out common for I/O 41-48 3
54 54 I/OC41-48 I/O common for I/O 41-48 3
55 53 I/O40 I/O bit 40 2
56 56 I/O39 I/O bit 39 2
57 55 I/O38 I/O bit 38 2
58 58 I/O37 I/O bit 37 2
59 57 I/O36 I/O bit 36 2
60 60 I/O35 I/O bit 35 2
61 59 I/O34 I/O bit 34 2
62 62 I/O33 I/O bit 33 2
63 61 OUTC33-40 Out common for I/O 33-40 2
64 64 I/OC33-40 I/O common for I/O 33-40 2
65 63 I/O32 I/O bit 32 1
66 66 I/O31 I/O bit 31 1
67 65 I/O30 I/O bit 30 1
68 68 I/O29 I/O bit 29 1
69 67 I/O28 I/O bit 28 1

234 • Appendices DMC-1700/1800
70 70 I/O27 I/O bit 27 1
71 69 I/O26 I/O bit 26 1
72 72 I/O25 I/O bit 25 1
73 71 OUTC25-32 Out common for I/O 25-32 1
74 74 I/OC25-32 I/O common for I/O 25-32 1
75 73 OUTC25-32 Out common for I/O 25-32 1
76 76 I/OC25-32 I/O common for I/O 25-32 1
77 75 PWROUT32 Power output 32 1
78 78 PWROUT31 Power output 31 1
79 77 PWROUT30 Power output 30 1
80 80 PWROUT29 Power output 29 1
81 79 PWROUT28 Power output 28 1
82 82 PWROUT27 Power output 27 1
83 81 PWROUT26 Power output 26 1
84 84 PWROUT25 Power output 25 1
85 83 I/O24 I/O bit 24 0
86 86 I/O23 I/O bit 23 0
87 85 I/O22 I/O bit 22 0
88 88 I/O21 I/O bit 21 0
89 87 I/O20 I/O bit 20 0
90 90 I/O19 I/O bit 19 0
91 89 I/O18 I/O bit 18 0
92 92 I/O17 I/O bit 17 0
93 91 OUTC17-24 Out common for I/O 17-24 0
94 94 I/OC17-24 I/O common for I/O 17-24 0
95 93 OUTC17-24 Out common for I/O 17-24 0
96 96 I/OC17-24 I/O common for I/O 17-24 0
97 95 PWROUT24 Power output 24 0
98 98 PWROUT23 Power output 23 0
99 97 PWROUT22 Power output 22 0
100 100 PWROUT21 Power output 21 0
101 99 PWROUT20 Power output 20 0
102 102 PWROUT19 Power output 19 0
103 101 PWROUT18 Power output 18 0
104 104 PWROUT17 Power output 17 0
103 GND Ground
Coordinated Motion - Mathematical Analysis
The terms of coordinated motion are best explained in terms of the vector motion. The vector velocity, Vs, which is
also known as the feed rate, is the vector sum of the velocities along the X and Y axes, Vx and Vy.
Vs Vx Vy=+
22

DMC-1700/1800 Appendices • 235
The vector distance is the integral of Vs, or the total distance traveled along the path. To illustrate this further,
suppose that a string was placed along the path in the X-Y plane. The length of that string represents the distance
traveled by the vector motion.
The vector velocity is specified independently of the path to allow continuous motion. The path is specified as a
collection of segments. For the purpose of specifying the path, define a special X-Y coordinate system whose origin
is the starting point of the sequence. Each linear segment is specified by the X-Y coordinate of the final point
expressed in units of resolution, and each circular arc is defined by the arc radius, the starting angle, and the angular
width of the arc. The zero angle corresponds to the positive direction of the X-axis and the CCW direction of
rotation is positive. Angles are expressed in degrees, and the resolution is 1/256th of a degree. For example, the path
shown in Fig. A.13 is specified by the instructions:
VP 0,10000
CR 10000, 180, -90
VP 20000, 20000
10000 20000
20000
10000
Y
CD
B
A
X
Figure A.13 - X-Y Motion Path
The first line describes the straight line vector segment between points A and B. The next segment is a circular arc,
which starts at an angle of 180° and traverses -90°. Finally, the third line describes the linear segment between
points C and D. Note that the total length of the motion consists of the segments:
A-B Linear 10000 units
B-C Circular R
Δ
θ
π
2
360 = 15708
C-D Linear 10000

236 • Appendices DMC-1700/1800
Total 35708 counts
In general, the length of each linear segment is
L
Xk
Y
k
k=+
22
Where Xk and Yk are the changes in X and Y positions along the linear segment. The length of the circular arc is
LRkkk=ΔΘ2 360
π
The total travel distance is given by
DLk
k
n
=
=
∑
1
The velocity profile may be specified independently in terms of the vector velocity and acceleration.
For example, the velocity profile corresponding to the path of Fig. 12.2 may be specified in terms of the vector
speed and acceleration.
VS 100000
VA 2000000
The resulting vector velocity is shown in Fig. A.14.
0.05 0.357
10000
Velocity
time (s)
0.407T
a
T
a
T
s
Figure A.14 - Vector Velocity Profile
The acceleration time, Ta, is given by
TVS
VA sa== =
100000
2000000 005.
The slew time, Ts, is given by
The total motion time, Tt, is given by
TD
V
S
Tsta=+=0 407.
T D
VS T s
s a
= − = − =
35708
100000 0 05 0 307..

DMC-1700/1800 Appendices • 237
The velocities along the X and Y axes are such that the direction of motion follows the specified path, yet the vector
velocity fits the vector speed and acceleration requirements.
For example, the velocities along the X and Y axes for the path shown in Fig. A.13 are given in Fig. A.15.
Fig. A.15a shows the vector velocity. It also indicates the position point along the path starting at A and ending at
D. Between the points A and B, the motion is along the Y axis. Therefore,
Vy = Vs
and
Vx = 0
Between the points B and C, the velocities vary gradually and finally, between the points C and D, the motion is in
the X direction.
A
B
D
(a)
(b)
(c)
time
C
Figure A.15 - Vector and Axes Velocities
DMC-1700/DMC-1000 Comparison
BENEFIT DMC-1700 DMC-1000
Higher Speed communication Frees
host
Two communication channels-FIFO and
DMA
Only one channel- FIFO
Instant access to parameters – real time
data processing & recording
DMA-Direct Memory Access No DMA channel
Easy to install – self-configuring Plug and Play No Plug and Play

238 • Appendices DMC-1700/1800
Programs don’t have to be downloaded
from PC but can be stored on controller
Non-Volatile Program Storage No storage for programs
Can capture and save array data Variable storage No storage for variables
Parameters can be stored Array storage No storage for arrays
Firmware can be upgraded in field
without removing controller from PC
Flash memory for firmware EPROM for firmware which
must be installed on controller
Faster servo operation – good for very
high resolution sensors
12 MHz encoder speed for servos 8 MHz
Faster stepper operation 3 MHz stepper rate 2 MHz
Higher servo bandwidth 62 μsec/axis sample time 125 μsec/axis
Expanded memory lets you store more
programs
1000 lines X 80 character program
memory
500 line X 40 character
Expanded variables 254 symbolic variables 126 variables
Expanded arrays for more storage—
great for data capture
8000 array elements in 30 arrays 1600 elements in 14 arrays
Higher resolution for analog inputs 8 analog inputs with 16-bit ADC option 7 inputs with 12-bit ADC only
Better for EMI reduction 100-pin high density connector 60-pin IDC, 26-pin IDC, 20-pin
IDC (x2)
For precise registration applications Output Position Compare Available only as a special
More flexible gearing Multiple masters allowed in gearing
mode
One master for gearing
Flexible- Binary mode is higher speed Binary and ASCII communication
modes
ASCII only
List of Other Publications
“Step by Step Design of Motion Control Systems”
by Dr. Jacob Tal
“Motion Control Applications”
by Dr. Jacob Tal
“Motion Control by Microprocessors”
by Dr. Jacob Tal

DMC-1700/1800 Appendices • 239
Training Seminars
Galil, a leader in motion control with over 250,000 controllers working worldwide, has a proud reputation for
anticipating and setting the trends in motion control. Galil understands your need to keep abreast with these trends
in order to remain resourceful and competitive. Through a series of seminars and workshops held over the past 15
years, Galil has actively shared their market insights in a no-nonsense way for a world of engineers on the move. In
fact, over 10,000 engineers have attended Galil seminars. The tradition continues with three different seminars,
each designed for your particular skillset-from beginner to the most advanced.
MOTION CONTROL MADE EASY
WHO SHOULD ATTEND
Those who need a basic introduction or refresher on how to successfully implement servo motion control systems.
TIME: 4 hours (8:30 am-12:30pm)
ADVANCED MOTION CONTROL
WHO SHOULD ATTEND
Those who consider themselves a “servo specialist” and require an in-depth knowledge of motion control systems to
ensure outstanding controller performance. Also, prior completion of “Motion Control Made Easy” or equivalent is
required. Analysis and design tools as well as several design examples will be provided.
TIME: 8 hours (8-5pm)
PRODUCT WORKSHOP
WHO SHOULD ATTEND
Current users of Galil motion controllers. Conducted at Galil’s headquarters in Rocklin, CA, students will gain
detailed understanding about connecting systems elements, system tuning and motion programming. This is a
“hands-on” seminar and students can test their application on actual hardware and review it with Galil
specialists.
TIME: Two days (8:30-5pm)

240 • Appendices DMC-1700/1800
Contacting Us
Galil Motion Control
3750 Atherton Road
Rocklin, California 95765
Phone: 916-626-0101
Fax: 916-626-0102
Internet address: support@galilmc.com
URL: www.galilmc.com
FTP: www.galilmc.com/ftp
WARRANTY
All products manufactured by Galil Motion Control are warranted against defects in materials and workmanship.
The warranty period for controller boards is 1 year. The warranty period for all other products is 180 days.
In the event of any defects in materials or workmanship, Galil Motion Control will, at its sole option, repair or
replace the defective product covered by this warranty without charge. To obtain warranty service, the defective
product must be returned within 30 days of the expiration of the applicable warranty period to Galil Motion Control,
properly packaged and with transportation and insurance prepaid. We will reship at our expense only to destinations
in the United States.
Any defect in materials or workmanship determined by Galil Motion Control to be attributable to customer
alteration, modification, negligence or misuse is not covered by this warranty.
EXCEPT AS SET FORTH ABOVE, GALIL MOTION CONTROL WILL MAKE NO WARRANTIES EITHER
EXPRESSED OR IMPLIED, WITH RESPECT TO SUCH PRODUCTS, AND SHALL NOT BE LIABLE OR
RESPONSIBLE FOR ANY INCIDENTAL OR CONSEQUENTIAL DAMAGES.
COPYRIGHT (3-97)
The software code contained in this Galil product is protected by copyright and must not be reproduced or
disassembled in any form without prior written consent of Galil Motion Control, Inc.

DMC-1700/1800 Index • 241
Index
A
Abort 43–44, 68, 73, 95, 101, 177, 179, 199,
203–5
Off-On-Error 25, 44, 47, 177, 179
Stop Motion 95, 101, 151, 180
Absolute Position 87–88, 142–43, 147
Absolute Value 109, 147, 155, 178
Acceleration 144–45, 161, 165, 168–71, 236–
37
Accessories 210
Address 158–60, 182, 211, 240
Almost Full Flags 68, 72
AMP-1100 29
Ampflier Gain 4
Amplifier Enable 47, 177
Amplifier Gain 189, 193, 196
Analog Input 3, 43, 47, 90, 155–56, 157, 162,
168–69, 174, 199
Analysis
SDK 135
Arithmetic Functions 135, 146, 153, 165
Arm Latch 133
Array 3, 86, 99, 115–17, 135, 139, 146, 153,
157–65, 166, 200
Automatic Subroutine 137, 149
CMDERR 137, 150, 152
LIMSWI 43, 137, 149–50, 178–79
MCTIME 137, 142, 150, 151
POSERR 137, 149–51, 178–79
Auxiliary Encoder 43, 107, 119–26, 119–26,
119–26, 205, 212, 214, 217, 218
Dual Encoder 83, 126, 159
B
Backlash 86, 125–26, 174
Backlash Compensation
Dual Loop 86, 119–26, 119–26, 119–26, 174
Begin Motion 137–39, 143–44, 150–51, 156,
160–61, 166, 168
Binary 1, 79, 82
Bit-Wise 146, 153
Burn
EEPROM 3
Bypassing Optoisolation 47
C
Capture Data
Record 86, 114, 117, 157, 160
Circle 170–71
Circular Interpolation 100–103, 105, 159,
170–71
Clear Bit 166
Clear Sequence 95, 97, 101, 103
Clock 157
CMDERR 137, 150, 152
Code 150, 157, 159–61, 169–70, 172–75
Command
Syntax 79–80
Command Summary 84, 87, 89, 97, 103, 157,
159
Commanded Position 87–89, 104–7, 151, 159,
169, 185–87
Communication 3, 79

242 • Index DMC-1700/1800
Almost Full Flag 68, 72
FIFO 3, 68, 70, 68
Compensation
Backlash 86, 125–26, 174
Conditional jump 45, 135, 140, 144–47, 168
Configuration
Jumper 47, 182
Contour Mode 85–86, 113–17
Control Filter
Damping 188
Gain 157, 162
Integrator 188
Proportional Gain 188
Coordinated Motion 80, 85, 100–103
Circular 100–103, 105, 159, 170–71
Contour Mode 85–86, 113–17
Ecam 109, 112
Electronic Cam 85–86, 108, 110
Electronic Gearing 85–86, 104–8
Gearing 85–86, 104–8
Linear Interpolation 85, 90–97, 99, 105, 113
Cosine 86, 153–55, 158
Cycle Time
Clock 157
D
DAC 188, 192–93, 196
Damping 188
Data Capture 158–60
Data Output
Set Bit 166
Debugging 139
Deceleration 161
Differential Encoder 26, 28
Digital Filter 79, 192–93, 195–97
Digital Input 43, 45, 155, 167
Digital Output 155, 166
Clear Bit 166
Dip Switch
Address 158–60, 211, 240
DMA 3, 69
Download 79, 135, 158
Dual Encoder 83, 126, 159
Backlash 86, 125–26, 174
Dual Loop 86, 119–26, 119–26, 119–26, 174
Dual Loop 86, 119–26, 119–26, 119–26, 174
Backlash 86, 125–26, 174
E
Ecam 109, 112
Electronic Cam 85–86, 108, 110
Edit Mode 135–36, 140, 150
Editor 135–36
EEPROM 3
Electronic Cam 85–86, 108, 110
Electronic Gearing 85–86, 104–8
Ellipse Scale 103
Enable
Amplifer Enable 47, 177
Encoder
Auxiliary Encoder 43, 107, 119–26, 119–26, 119–26,
205, 212, 214, 217, 218
Differential 26, 28
Dual Encoder 83, 126, 159
Index Pulse 26, 44
Quadrature 4, 125, 165, 169, 178, 191
Error Code 150, 157, 159–61, 169–70, 172–75
Error Handling 43, 137, 149–50, 178–79
Error Limit 25, 27, 47, 150, 177–79
Off-On-Error 25, 44, 47, 177, 179
Example
Wire Cutter 169
F
Feedrate 97, 101, 103, 144, 170–71
FIFO 3, 68, 70, 68
Filter Parameter
Damping 188
Gain 157, 162
Integrator 188
PID 28, 188, 198
Proportional Gain 188
Stability 126, 174, 181–82, 188, 194
Find Edge 44
Flags
Almost full 68, 72
Formatting 162, 163–65
Frequency 5, 128, 194–96
Function 44, 79, 95, 115–16, 126–27, 132,
135, 138–42, 144, 146, 150, 153–58, 162–
63, 166–69, 171, 174–75
Functions
Arithmetic 135, 146, 153, 165
G
Gain 157, 162

DMC-1700/1800 Index • 243
Proportional 188
Gear Ratio 104–7
Gearing 85–86, 104–8
H
Halt 96, 138–42, 144–45, 167
Abort 43–44, 68, 73, 95, 101, 177, 179, 199, 203–5
Off-On-Error 25, 44, 47, 177, 179
Stop Motion 95, 101, 151, 180
Hardware 43, 65, 166, 177
Address 158–60, 182, 211, 240
Amplifier Enable 47, 177
Clear Bit 166
Jumper 47, 182
Output of Data 161
Set Bit 166
TTL 5, 43, 47, 177
Home Input 44, 157
Home Inputs 129
Homing 44
Find Edge 44
I
I/O
Amplifier Enable 47, 177
Analog Input 90
Clear Bit 166
Digital Input 43, 45, 155, 167
Digital Output 155, 166
Home Input 44, 157
Output of Data 161
Set Bit 166
TTL 5, 43, 47, 177
ICM-1100 25, 47, 48, 177
Independent Motion
Jog 89–90, 104, 112, 133, 143–44, 150–52, 156, 174,
178
Index Pulse 26, 44
ININT 137, 150–51, 167–68
Input
Analog 90
Input Interrupt 67, 137, 144, 150–51, 167–68
ININT 137, 150–51, 167–68
Input of Data 160
Inputs
Analog 3, 43, 47, 155–56, 157, 162, 168–69, 174, 199
Installation 181
Integrator 188
Interconnect Module
ICM-1100 25, 47, 48, 177
Interface
Terminal 79
Internal Variable 146, 155, 157
Interrogation 83–84, 98, 104, 161, 163
Interrupt 65, 137–38, 144, 149–51, 167–68
Invert 125
J
Jog 89–90, 104, 112, 133, 143–44, 150–52,
156, 174, 178
Joystick 90, 156, 172–74
Jumper 47, 182
K
Keyword 146, 153, 155, 157–58
TIME 157–58
L
Label 47, 90–96, 100, 110–12, 117, 126, 133,
135–40, 142–51, 156–57, 161, 163, 166–69,
171, 174–75, 179
LIMSWI 178–79
POSERR 178–79
Special Label 137, 179
Latch 83, 132
Arm Latch 133
Data Capture 158–60
Position Capture 132
Record 86, 114, 117, 157, 160
Teach 117
Limit
Torque Limit 27
Limit Switch 43–44, 66–67, 137–38, 149–50,
157, 178–79
LIMSWI 43, 137, 149–50, 178–79
Linear Interpolation 85, 90–97, 99, 105, 113
Clear Sequence 95, 97, 101, 103
Logical Operator 146
M
Masking
Bit-Wise 146, 153
Math Function
Absolute Value 109, 147, 155, 178
Bit-Wise 146, 153
Cosine 86, 153–55, 158
Logical Operator 146
Sine 86, 111, 155

244 • Index DMC-1700/1800
Mathematical Expression 146, 153, 155
MCTIME 137, 142, 150, 151
Memory 79, 116, 135, 139, 146, 150, 157, 158
Array 3, 86, 99, 115–17, 135, 139, 146, 153, 157–65,
166, 200
Download 79, 135, 158
Upload 135
Message 100, 139, 150–51, 154, 160–62, 168,
179–80
Modelling 185, 188–89, 193
Motion Complete
MCTIME 137, 142, 150, 151
Motion Smoothing 86, 127, 128
S-Curve 96, 127
Motor Command 28, 193
Moving
Acceleration 144–45, 161, 165, 168–71, 236–37
Begin Motion 137–39, 143–44, 150–51, 156, 160–61,
166, 168
Circular 100–103, 105, 159, 170–71
Home Inputs 129
Multitasking 138
Halt 96, 138–42, 144–45, 167
O
OE
Off-On-Error 177, 179
Off-On-Error 25, 44, 47, 177, 179
Operand
Internal Variable 146, 155, 157
Operators
Bit-Wise 146, 153
Optoisolation 43, 45–46
Home Input 44, 157
Output
Amplifier Enable 47, 177
ICM-1100 25, 47
Motor Command 28, 193
Output of Data 161
Clear Bit 166
Set Bit 166
P
PID 28, 188, 198
Play Back 86, 160
Plug and Play 210
POSERR 137, 149–51, 178–79
Position Error 27, 65–67, 137, 149–51, 157, 159, 169,
175
Position Capture 132
Latch 83, 132
Teach 117
Position Error 25, 27, 47, 65–67, 126, 137,
149–51, 157, 159, 169, 175, 177–79, 187
POSERR 137, 149–51
Position Follow 168–69
Position Limit 178
Program Flow 136, 140
Interrupt 65, 137–38, 144, 149–51, 167–68
Stack 149, 152, 168
Programmable 155–57, 166, 174, 178
EEPROM 3
Programming
Halt 96, 138–42, 144–45, 167
Proportional Gain 188
Protection
Error Limit 25, 27, 47, 150, 177–79
Torque Limit 27
PWM 4
Q
Quadrature 4, 125, 165, 169, 178, 191
Quit
Abort 43–44, 68, 73, 95, 101, 177, 179, 199, 203–5
Stop Motion 95, 101, 151, 180
R
Record 86, 114, 117, 157, 160
Latch 83, 132
Position Capture 132
Teach 117
Register 156
Reset 43, 48, 68, 73, 145, 177, 179
S
SB
Set Bit 166
Scaling
Ellipse Scale 103
S-Curve 96, 127
Motion Smoothing 86, 127, 128
SDK 135
Selecting Address 158–60, 182, 211, 240
Servo Design Kit
SDK 135
Set Bit 166
Sine 86, 111, 155

DMC-1700/1800 Index • 245
Single-Ended 5, 26, 28
Slew 87, 107, 142, 144, 169
Smoothing 86, 96, 97, 101, 103, 127–28
Software
SDK 135
Terminal 79
Special Label 137, 179
Specification 96–97, 101
Stability 126, 174, 181–82, 188, 194
Stack 149, 152, 168
Zero Stack 152, 168
Status 68, 79, 83, 98, 139–41, 156, 159
Interrogation 83–84, 98, 104, 161, 163
Stop Code 83, 159
Tell Code 83
Step Motor 128
KS, Smoothing 86, 96, 97, 101, 103, 127–28
Stepper Position Maintenance 121
Stop
Abort 43–44, 68, 73, 95, 101, 177, 179, 199, 203–5
Stop Code 83, 150, 157, 159–61, 159, 169–70,
172–75
Stop Motion 95, 101, 151, 180
Subroutine 43, 100, 137, 145–51, 167–68,
178–79
Automatic Subroutine 137, 149
Synchronization 5, 108
Syntax 79–80
T
Tangent 86, 100, 102–3
Teach 117
Data Capture 158–60
Latch 83, 132
Play-Back 86, 160
Position Capture 132
Record 86, 114, 117, 157, 160
Tell Code 83
Tell Error 83
Position Error 27, 65–67, 137, 149–51, 157, 159, 169,
175
Tell Position 83
Tell Torque 83
Terminal 43, 47, 79, 135, 156, 162
Theory 185
Damping 188
Digital Filter 79, 192–93, 195–97
Modelling 185, 188–89, 193
PID 28, 188, 198
Stability 126, 174, 181–82, 188, 194
Time
Clock 157
TIME 157–58
Time Interval 113–14, 117, 159
Timeout 15, 137, 142, 150, 151
MCTIME 137, 142, 150, 151
Torque Limit 27
Trigger 135, 140, 143–45, 187
Trippoint 87, 96–97, 102–3, 114, 142–43,
148, 149
Troubleshooting 181
TTL 5, 43, 47, 177
Tuning
SDK 135
Stability 126, 174, 181–82, 188, 194
U
Upload 135
User Unit 165
V
Variable
Internal 146, 155, 157
Vector Acceleration 97–98, 103, 171
Vector Deceleration 97–98, 103
Vector Mode
Circle 170–71
Circular Interpolation 100–103, 105, 159, 170–71
Clear Sequence 95, 97, 101, 103
Ellipse Scale 103
Feedrate 97, 101, 103, 144, 170–71
Tangent 86, 100, 102–3
Vector Speed 95–101, 103, 144, 171
W
Wire Cutter 169
Z
Zero Stack 152, 168