Garmin Canada 1823 LOW POWER TRANSMITTER (2400-2483.5 MHz) User Manual UserMan 1823
DynaStream Innovations Inc. LOW POWER TRANSMITTER (2400-2483.5 MHz) UserMan 1823
Users Manual

D00001445 Rev 0.7
C7 RF Transceiver Module
FEATURES
78 selectable RF channels (2403 to 2480 MHz)
20mm x 20mm drop-in module with F antenna
Ultra low power operation
Simple sync/async serial interface
Programmable output power up to +4 dBm
Excellent receiver sensitivity -86 dBm
1 Mbps RF data rate, GFSK modulation
Up to 8 ANT channels
Broadcast, acknowledged, or burst data transmissions
Built-in ANT-FS (file share) with AES-128 encryption
ANT channel combined message rate up to 200Hz (8byte
data payload)
Minimum message rate per ANT channel 0.5Hz
Burst transfer rate up to 20Kbps (true data throughput)
Up to 3 public, managed and/or private network keys
High resolution proximity pairing and RSSI reading
2 V to 3.6V supply voltage range
-40°C to +85°C operating temperature
Pin compatible with ANT AP2, AT3 and AP1 modules
Radio regulatory approval for major markets (pending)
RoHS compliant
(Picture is to be updated)
APPLICATIONS
Network controllers and data hubs.
Complex sensors in health and fitness
FAMILY MEMBERS
ANTC782M5IB – 8 ANT channels; Molex
Connector
ANTC782M4IB – 8 channels, surface mount
ANT NETWORK CONFIGURATIONS
112
211
310
4 9
5 8
6 7
M
PEER
TO
PEER
STAR
PRACTICAL MESH
SHARED
BI-DIRECTIONAL
8 7 6
9
10
11
12
13
14 15 16
5
4
3
2
1
SCANNING MODE
ANT-FS
(Secure Authenticated)
112
211
310
4 9
?8
6 7
M
AD-HOC
AUTO
SHARED
112
211
310
4 9
5 8
6 7
M
SHARED
UNI-DIRECTIONAL
n
Bidirectional
Acknowledged
BROADCAST
SHARED CLUSTER
Sensor
Hub
Relay

Page 2 of 20 ANT C7 RF Transceiver Module
thisisant.com
Table of Contents
1.ANT C7 Module .......................................................................................................................................... 5
1.1Module version ............................................................................................................................ 5
1.2Interface ..................................................................................................................................... 6
1.3Application MCU connection .......................................................................................................... 7
1.3.1Async Mode ................................................................................................................... 7
1.3.2Byte Sync Mode ............................................................................................................. 8
1.3.3Bit Sync Mode ................................................................................................................ 9
1.3.4External Memory Connection ........................................................................................ 10
1.4Mounting Guideline .................................................................................................................... 10
1.5Reflow Guideline ........................................................................................................................ 10
1.6Pick-n-Place ............................................................................................................................... 10
2.Regulatory Approval (In process. Not completed) ................................................................................ 11
2.1United States ............................................................................................................................. 11
2.2Industry Canada Compliance ...................................................................................................... 11
2.3CE Declaration of Conformity ...................................................................................................... 12
2.4Australia & New Zealand ............................................................................................................ 12
3.Electrical Specifications .......................................................................................................................... 13
3.1Absolute Maximum Ratings (1) ..................................................................................................... 13
3.2Recommended Operating Conditions ........................................................................................... 13
3.3ELECTRICAL CHARACTERISTICS ................................................................................................. 13
3.4RF Characteristics ...................................................................................................................... 13
3.5APPLICATION SPECIFIC POWER USAGE ...................................................................................... 15
3.6Calculating the Average Current Consumption and Battery Life ...................................................... 16
4.Mechanical Drawings ............................................................................................................................. 18
5.Technical Support ................................................................................................................................... 20
5.1Public Technical References ........................................................................................................ 20
5.2ANT Forum ................................................................................................................................ 20
5.3ANT Social Networks .................................................................................................................. 20

ANT C7 RF Transceiver Module Page 3 of 20
thisisant.com
Notices and Restricted Use Information
Information contained in this document is provided only for your ("Customer" or “you”) convenience and may be
superseded by updates. It is your responsibility to ensure that your application meets with your specifications.
Dynastream Innovations Inc. ("DYNASTREAM") makes no representations or warranties of any kind whether
express or implied, written or oral, statutory or otherwise, related to the information, including but not limited to
its condition, quality, performance, merchantability or fitness for purpose. DYNASTREAM disclaims all liability
arising from this information and its use.
DYNASTEAM does not assume any responsibility for the use of the described ANT RF module (“the Module(s)”).
Dynastream makes no representation with respect to the adequacy of the module in low-power wireless data
communications applications or systems. Any Products using the Module must be designed so that a loss of
communications due to radio interference or otherwise will not endanger either people or property, and will not
cause the loss of valuable data. DYNASTREAM assumes no liability for the performance of products which are
designed or created using the Modules.
The Modules are not designed, intended, or authorized for use as components in systems intended for surgical
implant into the body, or other applications intended to support or sustain life, or for any other application in
which the failure of the Module could create a situation where personal injury or death may occur. If you use the
Modules for such unintended and unauthorized applications, you do so at your own risk and you shall indemnify
and hold DYNASTREAM and its officers, employees, subsidiaries, affiliates, and distributors harmless against all
claims, costs, damages, and expenses, and reasonable attorney fees arising out of, directly or indirectly, any claim
of personal injury or death associated with such unintended or unauthorized use, even if such claim alleges that
DYNASTREAM was negligent regarding the design or manufacture of the Product.
The information disclosed herein is the exclusive property of DYNASTREAM, and is not to be reproduced and/or
distributed without the written consent of DYNASTREAM. No part of this publication may be reproduced or
transmitted in any form or by any means including electronic storage, reproduction, execution or transmission
without the prior written consent of DYNASTREAM. The recipient of this document by its retention and use agrees
to respect the security status of the information contained herein.
DYNASTREAM believes the information contained herein is correct and accurate at the time of its release.
However, the information contained in this document is subject to change without notice and should not be
construed as a commitment by DYNASTREAM unless such commitment is expressly given in a covering document.
©2011 Dynastream Innovations Inc. All Rights Reserved. ANT is a registered trade mark of Dynastream
Innovations Inc.

Page 4 of 20 ANT C7 RF Transceiver Module
thisisant.com
ANT™ Overview
ANT™ is a practical wireless sensor network protocol running on 2.4 GHz ISM band. Designed for ultra low power,
ease of use, efficiency and scalability, ANT easily handles peer-to-peer, star, tree and practical mesh topologies.
ANT provides reliable data communications, flexible and adaptive network operation and cross-talk immunity.
ANT’s protocol stack is extremely compact, requiring minimal microcontroller resources and considerably reducing
system costs.
ANT provides carefree handling of the Physical, Network, and Transport OSI layers. In addition, it incorporates key
low-level security features that form the foundation for user-defined, sophisticated, network-security
implementations. ANT ensures adequate user control while considerably lightening computational burden in
providing a simple yet effective wireless networking solution.
ANT supports public, managed and private network architectures with 232 uniquely addressable devices possible,
ensuring that each device can be uniquely identified from each other in the same network.
ANT is proven with an installed base of over four million nodes in ultra low power sensor network applications in
sport, fitness, home and industrial automation. The ANT solutions are available in chips, chipsets and modules to
suit a wide variety of application needs.
The complete description of ANT message protocol is found in the document “ANT Message Protocol and Usage”.
The serial interface details are provided in the document “Interfacing with ANT General Purpose Chipsets and
Modules”. Both documents are available on www.thisisant.com.
ANT+ and ANT+ Alliance
ANT+ is the open application layer on the top of the ANT stack. It standardizes communications and facilitates
interoperability between a wide array of personal sports, wellness and lifestyle monitoring devices. ANT+ defines
device profiles that specify access, data formats, and channel parameters.
The ANT+ Alliance is comprised of companies who have adopted the ANT+ promise of interoperability. The
Alliance ensures standardized communication through optimized brand value and partnerships with other top tier
companies and products.
Application / Presentation
Layers
Higher Level Security
Network / Transport &
Low Level Security
Data Link Layer
Physical Layer }Implemented
by ANT
}User Defined

ANT C7 RF Transceiver Module Page 5 of 20
thisisant.com
1. ANT C7 Module
The ANT C7 module is a drop-in module using CC2571, an ANT network processor from Texas Instruments. The
chip is able to support up to 8 independent ANT channels and for the first time offers the following features
embedded:
ANT File Share (ANT-FS)
AES-128 data encryption
Maximum +4dBm transmission power
High resolution RSSI reading
An F PCB antenna being integrated on the small-sized 20mm by 20mm board, the module has been certified to
comply with radio regulation or standards covering global markets include North America, Europe, Australia and
New Zealand.
The ANT C7 module eases the burden for application and system developers from extensive RF design and
regulatory compliance testing, allowing quicker time to market. The module is ideal to build control or hub nodes
of a wireless sensor network.
Incorporated in C782MxIB module product family are several new generation ANT core stack enhancements:
Background scanning
Continuous scanning mode
High density node support
Improved channel search
Channel ID management
Improved transmission power control
Frequency agility
Proximity acquisition
C782MxIB module is good for chip evaluation of both CC2570 and CC2571 from Texas Instruments.
C7 modules are currently available in the following varieties.
Module ANT chip
Used Description Packaging Option
ANTC782M4IB CC2571 Surface mountable, 8 ANT channels,
20x20mm, industrial temperature range
Tray: 20 modules on a tray
Reel: 500 modules taped on a 13” reel
ANTC782M5IB CC2571 With Molex connector, 8 ANT channels,
20x20mm, industrial temperature range
Tray: 20 modules on a tray
1.1 Module version
C782MxIB module revision is identified by the last character as highlighted of a 6 character tracking code on the
product sticker.

Page 6 of 20 ANT C7 RF Transceiver Module
thisisant.com
1.2 Interface
The module may be connected to the user’s host controller using the 17 pin-out assignment (surface mount) style
or the 20-pin Molex header connection style provided below:
Surface
Mount Pin Molex
Header Pin Pin Name Async Mode Sync Mode Description
1 6 TEST
TEST (Tie to
GND)
TEST (Tie
to GND) Tie to Ground
2 10 RST RST RST Reset the device
3 1 Power supply source
4 19 GND GND GND Power supply ground
5 8 NC NC NC No connection
6 17 SUSPEND
/SRDY SUSPEND SRDY Async -> Suspend control
Sync -> Serial port ready
7 15 SLEEP/ MRDY SLEEP MRDY Async -> Sleep mode enable
Sync -> Message ready indication
8 13 NC NC NC No connection
9 11 PORTSEL PORTSEL
(Tie to GND)
PORTSEL
(Tie to )
Asynchronous or synchronous port
select
10 7 BR2/SCLK
BR2 SCLK Async -> Baud rate selection
Sync -> Clock output signal
11 4 TXD0/SOUT TXD0 SOUT Async -> transmit data signal
Sync -> Data output
12
3
RXD0/SIN RXD0 SIN Async -> Receive data signal
Sync -> Data input
13 5 BR1/SFLOW BR1 SFLOW
Async -> Baud rate selection
Sync -> Bit or byte flow control
select
14 9 BR3 BR3 Tie to GND Async -> Baud rate selection
Sync - > Not used, tie to ground
15 14 RESERVERD2 Tie to GND Tie to GND Reserved Pin, Tie to ground
16 12 RESERVERD1 Tie to GND Tie to GND Reserved Pin, Tie to ground
17 2 RTS/SEN RTS SEN Async -> Request to send
Sync -> Serial enable signal
16,18,20 NC NC NC No connection
The baud rate of the asynchronous communication is controlled by the speed select signals BR1, BR2 and BR3.
Please refer to the table below.
BR3 BR2 BR1 Baud Rate
0 0 0 4800
1 0 1 9600
0 1 0 19200
0 0 1 38400
0 1 1 50000
1 1 1 57600

ANT C7 RF Transceiver Module Page 7 of 20
thisisant.com
1.3 Application MCU connection
Please refer to “Interfacing with ANT General Purpose Chipsets and Modules” and “CC2571 Datasheet”. The
following sample designs show the proper electrical connectivity of an ANT C7 module to an application
microcontroller, using TI MSP430F1232 as example.
1.3.1
Async Mode
Notes:
Module RXD and TXD connected directly to hardware USART of microcontroller.
Switches on baud rate selection pins (BR1, BR2 and BR3) are for ease of use only. They can
be connected directly to the logic level of interest.
RTS can be connected to an interrupt pin for convenience in some applications. (Interrupt
pins located on Port 1&2 on the MSP430F1232)

Page 8 of 20 ANT C7 RF Transceiver Module
thisisant.com
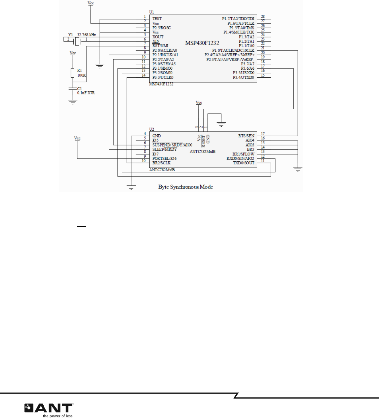
1.3.2
Byte Sync Mode
Notes:
Module SOUT, SIN, and SCLK connected directly to hardware USART of microcontroller.
SEN needs to be on an interrupt capable I/O pin on the microcontroller. (Interrupt pins
located on Port 1&2 on the MSP430F1232)

ANT C7 RF Transceiver Module Page 9 of 20
thisisant.com
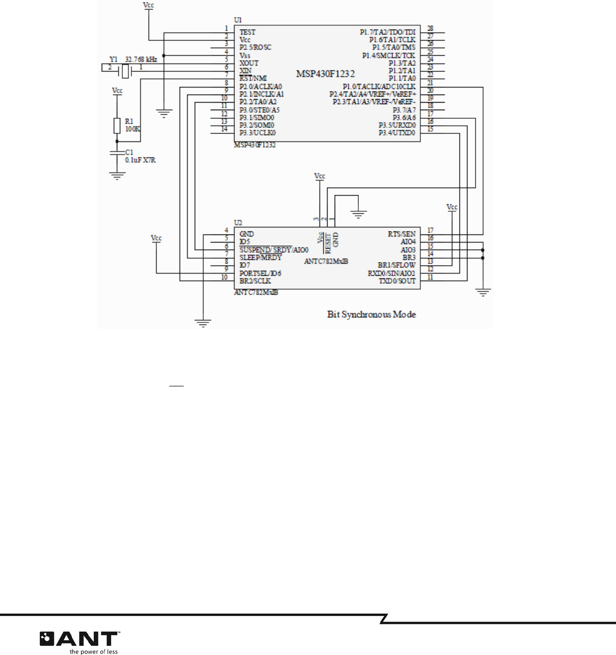
1.3.3
Bit Sync Mode
Notes:
All interface signals are connected directly to I/O pins on the microcontroller.
SCLK and SEN need to be on an interrupt capable I/O pin on the microcontroller. (Interrupt
pins located on Port 1&2 on the MSP430F1232)

Page 10 of 20 ANT C7 RF Transceiver Module
thisisant.com
1.3.4
External Memory Connection
The ANTC782 has ANT-FS Client functionality embedded directly on the module This includes the over the air ANT-
FS protocol extension and the required file system utilities to manage stored data in non-volatile storage. This
allows the user to connect an EEPROM directly to the ANTC782 module. Raw files can be sent and managed by
the ANTC782 and downloaded over ANT-FS as desired. The diagram below depicts how to connect an external
EEPROM to the ANTC782. The connection is SPI. Please note that only EEPROM (not flash) is support.
The file system and ANT-FS protocol are managed by using an extended version of the ANT/Host serial protocol.
For complete details on how to use this protocol please consult the ANT document “FS_ANTFS Serial Message”.
The extended Host/ANT interface uses a 2 byte message id to identify FS and ANT-FS specific messages. The
packet structure is detailed below.
1.4 Mounting Guideline
Refer to the recommended footprint drawing in section 4. (the drawing is to be added)
To connect to M5IB type of the C7 module, the mating socket is Molex 52991-0208.
1.5 Reflow Guideline
ANTC7M4IB module is rated at moisture sensitive level 3 (MSL=3). To handle and Use these modules, please
follow the standard IPC/JEDEC J-STD-033B.1, “Handling, Packing, Shipping and Use of Moisture/Reflow Sensitive
Surface Mount Devices”.
To reflow, it is recommended that the peak solder joint/pad temperatures NOT exceeding 240ºC. If possible, pre-
heat the assembly within the oven profile for ~30 seconds at ~150 ºC. Follow the solder paste manufacturer’s
recommendations, especially regarding temperature ramp rate and the time above liquidus.
1.6 Pick-n-Place
ANTC7M4IB module has the package option of 500 modules on a JEDEC standard 13” reel to facilitate machine
pick and place. Please refer to section 4 for tape and reel dimensions (the drawing is to be added).

ANT C7 RF Transceiver Module Page 11 of 20
thisisant.com
2. Regulatory Approval (In process. Not completed)
The ANT C7 module has received regulatory approvals in the United States (FCC), Canada (IC), Europe (ETSI),
Australia and New Zealand. Such approvals allow the user to place the module inside a finished product and, in
usual case, not require regulatory testing for an intentional radiator, provided no changes or modifications are
made to the module circuitry. This does not preclude the possibility that some other form of authorization or
testing may be required for the finished product. Changes or modifications could void the user’s authority to
operate the equipment. The end user must comply with all of the instructions provided by the Grantee, which
indicate installation and/or operating conditions necessary for compliance.
2.1 United States
The ANT C7 module has been tested and found to comply with the limits for a Class B digital device, pursuant to
Part 15 of the FCC Rules. These limits are designed to provide reasonable protection against harmful interference
in a residential installation. This equipment generates, uses, and can radiate radio frequency energy and, if not
installed and used in accordance with the instructions, may cause harmful interference to radio communications.
However, there is no guarantee that interference will not occur in a particular installation. If this equipment does
cause harmful interference to radio or television reception, which can be determined by turning the equipment off
and on, the user is encouraged to try to correct the interference by one of the following measures:
- Reorient or relocate the receiving antenna.
- Increase the separation between the equipment and receiver.
- Connect the equipment into an outlet on a circuit different from that to which the receiver is connected.
- Consult the dealer or an experienced radio/TV technician for help.
The C7 module complies with Part 15 of the FCC Rules. Operation is subject to the following two conditions: (1)
This device may not cause harmful interference, and (2) this device must accept any interference received,
including interference that may cause undesired operation..
The C7 module does not contain any user-serviceable parts. Unauthorized repairs or modifications could result in
permanent damage to the equipment, and void your warranty and your authority to operate this device under Part
15 regulations.
The C7 module is labelled with its own FCC ID, O6R1823 (note: First Character is the letter O, not the # 0.) If the
FCC ID is not visible when the module is installed inside another device, then the outside of the device into which
the module is installed must also display a label referring to the enclosed module. This exterior label can use
wording such as the following: “Contains Transmitter Module FCC ID: O6R1823” or “Contains FCC ID: O6R1823”.
Any similar wording that expresses the same meaning may be used.
2.2 Industry Canada Compliance
This device complies with Industry Canada licence-exempt RSS standard(s). Operation is subject to the following
two conditions: (1) this device may not cause interference, and (2) this device must accept any interference,
including interference that may cause undesired operation of the device.
(Le présent appareil est conforme aux CNR d'Industrie Canada applicables aux appareils radio exempts de licence.
L'exploitation est autorisée aux deux conditions suivantes : (1) l'appareil ne doit pas produire de brouillage, et (2)
l'utilisateur de l'appareil doit accepter tout brouillage radioélectrique subi, même si le brouillage est susceptible
d'en compromettre le fonctionnement.)
To comply with Industry Canada regulations, it is required that product containing the C7 module display a label
referring to the enclosed module. This exterior label can use wording similar to the following: “Contains IC:
3797A-1823”

Page 12 of 20 ANT C7 RF Transceiver Module
thisisant.com
This information shall be affixed in such a manner as not to be removable except by destruction or defacement.
The size of the lettering shall be legible without the aid of magnification but is not required to be larger than 8-
point font size. If the device is too small to meet this condition, the information can be included in the user manual
upon agreement with Industry Canada.
2.3 CE Declaration of Conformity
The C7 module is declared to be in conformance with the essential requirements and other relevant provisions of
Directive 73/23/EEC and 1999/5/EC, as a low-powered unlicensed transmitter:
EN 60950-1:2006 Safety of Information Technology Equipment
EN 300 440-2 v1.1.1 Electromagnetic compatibility and Radio spectrum Matters (ERM); Short
range devices
2.4 Australia & New Zealand
The C7 module has been tested and found to comply with AS/NZS 4268:2003, Radio equipment and systems –
Short range devices. The ACMA/MED supplier code number is N20233

ANT C7 RF Transceiver Module Page 13 of 20
thisisant.com
3. Electrical Specifications
3.1 Absolute Maximum Ratings (1)
PARAMETER TEST CONDITIONS Min Max Unit
Supply voltage All supply pins must have the same voltage -0.3 3.9 V
Voltage on any digital pin -0.3 VDD+0.3, ≤ 3.9 V
Input RF level 10 dBm
Storage temperature
range
-40 85 °C
ESD
All pads, according to human-body model,
JEDEC STD 22, method A114
2 kV
According to charged-device model, JEDEC
STD 22, method C101
500 V
(1) Stresses beyond those listed under Absolute Maximum Ratings may cause permanent damage to the device.
These are stress ratings only and functional operation of the device at these or any other conditions beyond those
indicated under Recommended Operating Conditions is not implied. Exposure to absolute-maximum-rated
conditions for extended periods may affect device reliability.
3.2 Recommended Operating Conditions
Over operating free-air temperature range (unless otherwise noted)
PARAMETER Min Max Unit
Operating ambient temperature range, TA-40 +85 °C
Operating supply voltage 2.0 3.6 V
3.3 ELECTRICAL CHARACTERISTICS
Measured with TA = 25°C and VCC = 3 V
PARAMETER TEST CONDITIONS Min Typ Max Unit
I – Current consumption
Peak RX current consumption 23.7 mA
Peak TX current consumption, -6 dBm output power 25.9 mA
Peak TX current consumption, 0 dBm output power 28.8 mA
Peak TX current consumption, +4 dBm output power 34.3 mA
Power-down current, 32 kHz oscillator active 1.0 µA
Power-down current, 32 kHz oscillator disabled 0.5 µA
3.4 RF Characteristics
Measured with TA = 25°C and VCC = 3 V
PARAMETER TEST CONDITIONS Min Typ Max Unit
RF frequency range Programmable in 1 MHz steps 2400 2495 MHz
Data rate and modulation format 1 Mbps, GFSK, 160 kHz deviation

Page 14 of 20 ANT C7 RF Transceiver Module
thisisant.com
ReceiveSection
1 Mbps, GFSK, 160-kHz deviation. Measured TA = 25°C, VCC= 3 V, and fC = 2440 MHz, unless otherwise noted.
PARAMETER TEST CONDITIONS Min Typ Max Unit
Receiver sensitivity 0.1% PER -86 dBm
Saturation 10 dBm
Co-channel rejection -9 dB
Adjacent-channel rejection ± 2 MHz 23 dB
Alternate-channel rejection ± 4 MHz 39 dB
Frequency error tolerance (1) Including both initial tolerance and drift -150 150 kHz
Symbol rate error tolerance (2) -50 +50 ppm
Spurious emission. Only
largest spurious emission
stated within each band.
Conducted measurement with a 50 Ω single-ended
load.
-70 dBm
(1) Difference between center frequency of the received RF signal and local oscillator frequency.
(2) Difference between incoming symbol rate and the internally generated symbol rate
TransmitSection
Measured with TA = 25°C, VCC = 3 V, and FC = 2440 MHz unless otherwise noted.
PARAMETER TEST CONDITIONS Min Typ Max Unit
Output power,
maximum setting Conducted measurement delivered to a single-ended 50 Ω
load through a balun using maximum recommended output
power setting.
4 dBm
Output power,
minimum setting Conducted measurement delivered to a single-ended 50 Ω
load through a balun using minimum recommended output
power setting.
-21 dBm
Programmable
output power range Delivered to a single-ended 50 Ω load through a balun. 25 dB
Spurious emissions,
conducted Conducted measurement with a 50-Ω single-ended load.
Complies with EN 300 328, EN 300 440 class 2, FCC CFR47,
Part 15 and ARIB STD-T-66. (1)
-45 DBm
Average EIRP,
Maximum setting
Radiated measurement with the module mated with ANTUIF(1)
board in an anechoic chamber at 2403 MHz.
-3.5 dBm
(1) ANT USB Interface board is provided in the ANTC7EK1 development kit

ANT C7 RF Transceiver Module Page 15 of 20
thisisant.com
3.5 APPLICATION SPECIFIC POWER USAGE
StateSpecificAverageCurrent
The table below lists the average current consumed while ANT is in specific states where a channel is not actively
transmitting or receiving message.
Measured with TA = 25°C and VCC = 3 V
Symbol Description Value Units
Idle No active channels and no serial communication 0.91 µA
Suspend SUSPEND activated in asynchronous serial mode 0.91 µA
Search Active search on open channel 3.8 mA
The table below lists the average current
per message
as a function of the serial interface and message type. The
message types are:
AverageCurrentperMessage
All current values in µA. Measured with TA = 25°C and VCC = 3 V. Output power set at 0dBm
Average
Current Per
Message
Transmit
Broadcast(1) Receive
Broadcast(2) Transmit
Acknowledged(3) Receive
Acknowledged(4) Transmit-only
Broadcast(5)
ISync_Byte 49 31 70 42 27
ISync_Bit 130 94 146 107 127
IAsync_57600 55 34 73 44 37
IAsync_50000 57 38 81 51 39
IAsync_38400 59 41 84 54 44
IAsync_19200 75 55 95 64 66
IAsync_9600 116 84 134 97 107
IAsync_4800 119 141 222 149 189
(1)Transmit Broadcast – Broadcast message transmitted over bi-directional master channel
(2)Receive Broadcast – Broadcast message received by slave channel
(3)Transmit Acknowledged – Acknowledged message transmitted over bi-directional master channel
(4)Receive Acknowledged – Acknowledged message received by slave channel
(5)Transmit-only Broadcast – Broadcast message transmitted by tx-only master channel

Page 16 of 20 ANT C7 RF Transceiver Module
thisisant.com
While these current values include the contribution of the radio
and
the serial interface they do not include the
base (idle) current. To calculate the average current consumption of for a specific message rate please see the
sample calculation below.
AverageBurstCurrent
For practical purposes power consumption in burst mode is reported as an average current when bursting at a
specific bit rate and using a specific serial interface. Please note that the bit rate of the burst is a function of the
serial communication. The table below lists the continuous average current consumption while bursting.
Measured with TA = 25°C and VCC = 3 V. Output power set at 0dBm
Symbol Description Average
Current Units
Iburst_20kbps_byte Continuous bursting at 20kbps in byte synch mode 9.0 mA
Iburst_7.5kbps_bit Continuous bursting at 7.5kbps in bit synch mode 8.2 mA
Iburst_20kbps_57600_async Continuous bursting at 20kbps in 57600 baud async
mode 8.7 mA
Iburst_20kbps_50000_async Continuous bursting at 20kbps in 50000 baud async
mode 8.4 mA
Iburst_13.8kbps_38400_async Continuous bursting at 13.8kbps in 38400 baud async
mode 7.9 mA
Iburst_8.4kbps_19200_async Continuous bursting at 8.4kbps in 19200 baud async
mode 7.0 mA
3.6 Calculating the Average Current Consumption and Battery Life
The average current for a particular application will be a function of the message period, type and serial interface.
By using the values listed in the tables above, the average current can be calculated using the following formula:
IAVE = (IMSG X RMSG) + IIDLE
where:
IAVE – Average current consumption.
IMSG – Current per message
IIDLE – Base or idle current
For example, given an ANT node that transmits broadcast data over a bi-directional channel at 0.5Hz using a byte
synchronous serial interface, the continuous average current can be calculated as follows:
IAVE = (49 X 0.5) + 0.91 = 25.41µA
To calculate the expected battery life of a system, the battery capacity and usage model must also be considered.
The following formula can be used (please note that this considers the current consumed by the ANT part of the
system only):
TBAT CBAT · TOperation Cycle
TActive· IAveTIdle·IIdle

ANT C7 RF Transceiver Module Page 17 of 20
thisisant.com
where:
TBAT – Expected battery life of the system
CBAT – Battery capacity
TOperation_Cycle – Operation cycle over which usage is calculated
TActive – Active time in transmit mode
IAve – Average current consumption in active mode
TIdle – Time in non-active mode (off)
IIdle – Average current in idle mode
For example, for a system using a CR2032 coin cell batter transmitting at 0.5Hz broadcast for 1 hour per day, the
battery life of the system can be calculated as follows:
TBAT 220mAh· 24h
1h· 25.41μA23h·0.91μA 12.7 years
Please note that the above example assumes that 100% of the battery capacity can be dedicated to the ANT
portion of the system.
An online power consumption estimator is provided at http://www.thisisant.com/calculator

Page 18 of 20 ANT C7 RF Transceiver Module
thisisant.com
4. Mechanical Drawings

ANT C7 RF Transceiver Module Page 19 of 20
thisisant.com

Page 20 of 20 ANT C7 RF Transceiver Module
thisisant.com
5. Technical Support
The C7 module takes the reference design of CC2571 from Texas Instruments. Users can seek technical support,
esp. about hardware, from Texas Instruments, www.ti.com. Users can also seek application support from
Dynastream Innovations, www.thisisant.com.
5.1 Public Technical References
Documents:
1. CC2570/CC2571 Datasheet, Texas Instruments
2. ANT Message Protocol and Usage, Dynastream Innovations
3. Integrated ANT-FS Interface Control Document
4. Interfacing with ANT General Purpose Chipsets and Modules, Dynastream Innovations
The above documents are available at www.thisisant.com or www.ti.com.
5.2 ANT Forum
Users are encouraged to participate in the ANT Forum for any engineering discussions. The Forum is moderated
by the application engineering team of Dynastream Innovations. The ANT Forum is free to use and can be
accessed at www.thisisant.com/antforum.
5.3 ANT Social Networks
ANT is on the following social networks,
YouTube: http://www.youtube.com/user/ANTAlliance
Twitter: http://twitter.com/ANTPlus
LinkedIn: http://www.linkedin.com/groups?gid=1379137