Ge Appliances Pxrq15F Users Manual 49 50198
PXRQ15F Dispatcher?RequestType=PDF&Name=49-50198
PXRQ15F to the manual 17a11c80-7926-4f74-9c62-e096820fbe0d
2015-01-23
: Ge-Appliances Ge-Appliances-Pxrq15F-Users-Manual-258569 ge-appliances-pxrq15f-users-manual-258569 ge-appliances pdf
Open the PDF directly: View PDF
.
Page Count: 84
- English
- La section Française
- La sección en Español

ge.com
Reverse Osmosis
101019-A 215C1174P003 49-50198 01-06 JR
Filtration System
PXRQ15F
PNRQ15FBL
Owner’s Manual
and Installation
Safety Instructions
Safety Instructions . . . . . . . . . . . . . .2
Specification Guidelines . . . . . . . . .3
Operating Instructions
About the RO System . . . . . . . . .4, 5
Installation Instructions
Tools and Materials Required . . . . .6
Before Beginning Installation . . .6, 7
Mounting System Installation . . . . .8
Feed Water Supply . . . . . . . . . . .9–12
Faucet Assembly . . . . . . . . . . . .13, 14
Battery Installation . . . . . . . . . . . .14
Filtration Drain Connection . .15, 16
Storage Tank and Startup . . . . . . .17
Care and Cleaning
Prefilter, Postfilter and
RO Cartridge Replacement . . . . . .18
Sanitization . . . . . . . . . . . . . . . . . .19
Water Test Kit . . . . . . . . . . . . . . . .20
Troubleshooting Tips . . . . . .21, 22
Consumer Support
Consumer Support . . . . .Back Cover
Parts List/Catalog . . . . . . . . . .24, 25
Warranty . . . . . . . . . . . . . . . . . . . .26
Manuel d’utilisation
et d’installation
Manual del propietario
y instalación
La section française commence à la page 27
Osmose Inversée
Système de Filtration
La sección en español empieza en la página 55
Ósmosis Inversa
Sistema de Filtración
Tested and Certified by NSF International to
NSF/ANSI Standard 58. For the reduction of the
claims specified, see the Performance Data Sheet.
Essayé et certifié par NSF International
conformément aux normes 58 NSF/ANSI. Pour
la réduction des caractéristiques indiquées,
consultez la feuille de données de rendement.
Probado y certificado por NSF International por
cumplir con el estándar 58. Para la reducción de
reclamos especificados, ver la hoja de datos de
desempeño.
Write the model and serial
numbers here:
Model # __________________
Serial # __________________
You can find them on the bracket.

IMPORTANT SAFETY INFORMATION.
READ ALL INSTRUCTIONS BEFORE USING.
■Check with your state and local public works
department for plumbing and sanitation codes.
You must follow these guidelines as you install the
Reverse Osmosis system. Using a qualified installer
is recommended.
■If house water pressure is over the maximum
(120 pounds per square inch), install a pressure
reducing valve in the water supply line to the
Reverse Osmosis system.
■
Be sure the water supply conforms with the
Specification Guidelines. If the water supply conditions
are unknown, contact your municipal water company
or your local health department for a list of
contaminants in your area and a list of laboratories
certified by your state to analyze drinking water.
WARNING: Before using the Reverse Osmosis
system for the first time, the system must be
purged. The Reverse Osmosis cartridge contains
a food grade preservative that must be purged
from the system. The preservative will give product
water an unpleasant taste and odor.
WARNING: Do not use with water that is
microbiologically unsafe or of unknown quality
without adequate disinfection before or after the
system. Systems certified for cyst reduction may
be used on disinfected water that may contain
filterable cysts.
This system has been tested for the treatment of
water containing pentavalent arsenic (also known
as As(V), As(+5) or arsenate) at concentrations
of 0.050 mg/L or less. This system reduces
pentavalent arsenic, but may not remove other
forms of arsenic. This system is to be used on water
supplies containing a detectable free chlorine
residual or on water supplies that have been
demonstrated to contain only pentavalent arsenic.
Treatment with chloramine (combined chlorine)
is not sufficient to ensure complete conversion of
trivalent arsenic to pentavalent arsenic. Please see
the Arsenic Facts section of the Performance Data
Sheet for further information.
This reverse osmosis system contains a replaceable
component critical to efficiency of the system.
Replacement of the reverse osmosis component
should be with one of identical specifications, as
defined by the manufacturer, to assure the same
efficiency and contaminant reduction performance.
SAVE THESE INSTRUCTIONS
READ AND FOLLOW THIS SAFETY INFORMATION CAREFULLY.
■Install or store where it will not be exposed to
temperatures below freezing or exposed to any type
of weather. Water freezing in the system will
damage it. Do not attempt to treat water over 100°F.
■Do not install on HOT WATER. The temperature
of the water supply to the Reverse Osmosis system
must be between the minimum of 40°F and the
maximum of 100°F. See the Specification Guidelines.
■Extended non-use of the Reverse Osmosis system.
If the system has not been used for one week or
more, open the RO water faucet and allow the
system to drain. Close the RO water faucet and
allow the system to regenerate the water supply.
■Recommended installation is under the sink.
However, the unit can be installed in a remote
location, up to 20 feet away from the sink.
• However, additional materials will be required.
See parts list to obtain additional materials
from GE.
• Locating the tank on a basement floor, with the
faucet at a first floor sink may result in some loss
of flow rate and capacity (approximately 20%).
Installing a second tank will improve this
performance. An RVKIT can be used.
■If Reverse Osmosis system is connected to a
refrigerator icemaker, a special icemaker
connection kit is required (RVKIT). Do not use
copper tubing for the connection between the
Reverse Osmosis system and the refrigerator.
WARNING: Discard all unused parts and packaging
material after installation. Small parts remaining after
the installation could be a choke hazard.
■
Sanitize upon installation of the Reverse Osmosis
system and after servicing inner parts, including
replacement of prefilter, postfilter and Reverse
Osmosis cartridge. It is important to have clean
hands while handling inner parts of the system.
See the Sanitizing the Reverse Osmosis System section.
■
This Reverse Osmosis system contains a replaceable
treatment component critical for effective
reduction of total dissolved solids. This product
water shall be tested periodically to verify that the
system is performing satisfactorily. See the About
the Water Test Kit section.
BE SURE TO FOLLOW ALL APPLICABLE STATE
AND LOCAL CODES.
WARNING! For your safety, the information in this manual must be followed to minimize the risk of
property damage or personal injury.
SAFETY PRECAUTIONS
PROPER INSTALLATION AND MAINTENANCE
This Reverse Osmosis system must be properly installed and located in accordance with the
Installation
Instructions before it is used.
Consumer Support Troubleshooting Tips Operating Instructions Safety InstructionsInstallation Instructions
2

Consumer SupportTroubleshooting Tips
Operating Instructions
Safety Instructions Installation Instructions
Specification guidelines. ge.com
The system makes a good supply of drinking water each day.
How much it will make depends primarily on these things…
Product – height 11 ″width 10.5 ″depth 4 ″
Incoming Water pH
WATER SOFTENER RECOMMENDED
INCOMING WATER HARDNESS (GPG)
60
50
40
30
2010
8
6
7
7.5
6.5
Water Softener
not required
Maximum iron, manganese, hydrogen sulfide (ppm) . . . . . . . . . . . . . . . . . . . . . .<0.1
Chlorine in water supply . . . . . . . . . . . . . . . . . . . . . . . . . . . . . . . . . . . . . . . . . . . . .2.0 ppm Maximum Allowableb
Feed water pH limits (pH) . . . . . . . . . . . . . . . . . . . . . . . . . . . . . . . . . . . . . . . . . . . .4–10
Storage tank capacity—gallons . . . . . . . . . . . . . . . . . . . . . . . . . . . . . . . . . . . . . . .4c
Automatic shutoff control . . . . . . . . . . . . . . . . . . . . . . . . . . . . . . . . . . . . . . . . . . . .yes
Prefilter and postfilter . . . . . . . . . . . . . . . . . . . . . . . . . . . . . . . . . . . . . . . . . . . . . . .(FQROPF) Carbon Block
Reverse Osmosis membrane . . . . . . . . . . . . . . . . . . . . . . . . . . . . . . . . . . . . . . . . .(FQROMF) Thin Film Polyamide
Storage Tank Dimension (inches) . . . . . . . . . . . . . . . . . . . . . . . . . . . . . . . . . . . . . .height 15” diameter 11”
System Body Dimension (inches) . . . . . . . . . . . . . . . . . . . . . . . . . . . . . . . . . . . . . .height 11” width 10.5” depth 4”
Feed water pressure limits—pounds per square inch (psi) . . . . . . . . . . . . . . . . . . . . . .40–120a
Feed water temperature limits—minimum/maximum degrees F . . . . . . . . . . . . . . . . .40–100
Maximum Total Dissolved Solids (TDS)—parts per million (ppm) . . . . . . . . . . . . . . . .2000
Maximum water hardness @ 6.9 pH recommended to optimize membrane
life—grains per gallon (gpg) . . . . . . . . . . . . . . . . . . . . . . . . . . . . . . . . . . . . . . . . . . . . . . . . .10
For water with hardness greater than 10 grains (at 6.9 pH), the use of a
softener is recommended. Failure to install a water softener will reduce
the life of the Reverse Osmosis membrane. See chart for additional
information on the possible need for a water softener.
a. If house water pressure is over 120 psi, install a pressure reducing valve in the water supply line. If house water pressure
is under 40 psi, install a Reverse Osmosis booster pump (contact your local plumbing supply company).
b. Removed (maximum of 2.0 ppm) by the Reverse Osmosis prefilter. REGULAR MAINTENANCE IS REQUIRED. Chlorine will
destroy the Reverse Osmosis membrane.
c. Theoretical tank capacity. When tested according to NSF/ANSI Standard 58 at 50 psig inlet pressure, tank capacity is
2.3 gallons.
3

4
About the reverse osmosis system.
How the Reverse Osmosis System Works
Description of the Reverse Osmosis System
Reverse Osmosis reduces Total Dissolved Solids (TDS) and organic matter from water by diffusing it through a special
membrane. The membrane separates minerals and impurities from the water and they are flushed to the drain. For the
reduction of the claims specified, see Performance Data Sheet. High quality product water goes directly to the drinking
water faucet or to the storage tank. The system makes a good supply of drinking water each day. How much it makes
depends on the feed water supply pressure, temperature and quality.
The prefilter and postfilter are replaceable cartridges. The carbon prefilter reduces chlorine while also filtering sediments.
The postfilter reduces any other undesirable tastes and odors before you use the water.
The system includes an electronic faucet assembly with a prefilter and postfilter change reminder. When six months have
passed, a flashing blue light will remind you to change the two filters.
Troubleshooting TipsConsumer Support Troubleshooting Tips Installation Instructions Safety InstructionsOperating Instructions
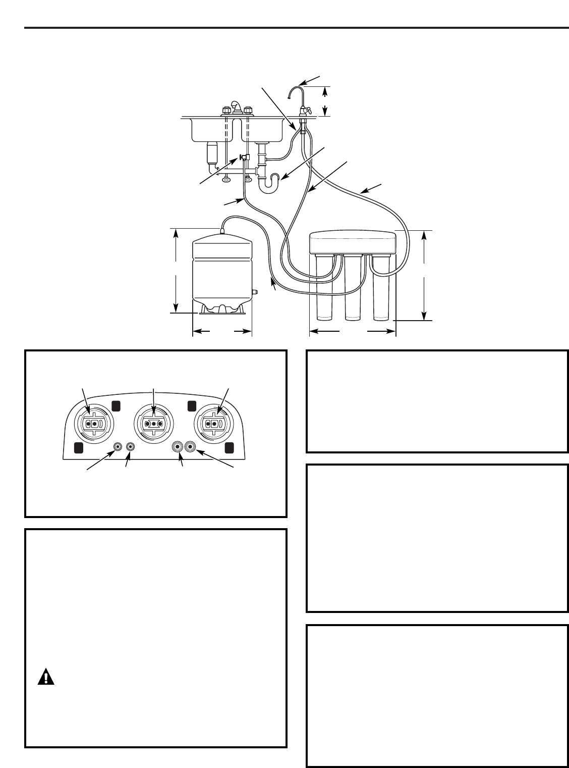
Prefilter—Water from the cold supply pipe is directed to the
prefilter cartridge. The prefilter is a replaceable sediment
cartridge containing activated carbon. The prefilter reduces
chlorine in the feed water because CHLORINE DESTROYS THE
REVERSE OSMOSIS MEMBRANE. Filtered, clean, chlorine-
reduced water flows from the prefilter to the Reverse
Osmosis cartridge.
Reverse Osmosis Cartridge—The middle cartridge includes a
tightly wound, special membrane. Water is forced through the
cartridge where the membrane reduces the dissolved solids and
organic matter. High quality product water exits the Reverse
Osmosis cartridge and goes to the storage tank. Reject water,
with the dissolved solids and organic matter, leaves the cartridge
and is discharged to the drain through 1⁄4″tubing.
Postfilter—After leaving the storage area, but before going
to the system faucet, product water goes to the postfilter
cartridge. The postfilter is also a replaceable sediment cartridge
that contains activated carbon. Any remaining tastes, odors or
sediments are reduced from product water by the postfilter.
Clean, high quality drinking water flows through the tubing
and to the system faucet.
Storage Tank—The storage area holds up to 2-1/2 gallons
of product water. A diaphragm inside the tank keeps water
pressurized, when the tank is full, for fast flow to the faucet
when drinking water is needed.
4
3
2
1

5
ge.com
Check Valve—The check valve prevents a backward flow of product water from the storage tank. A backward flow could
cause the Reverse Osmosis membrane to rupture.
Automatic Shutoff Assembly—To conserve water, the drinking water system has an automatic shutoff. When the storage tank
has filled to capacity and the drinking water faucet is closed, pressure closes the shutoff. Water flow to the Reverse Osmosis
housing is shut off until drinking water is used again, and pressure drops in the Reverse Osmosis system.
Flow Control—The flow control regulates the flow of water through the Reverse Osmosis cartridge at the required rate to
produce high quality water. The control is located in the 1/4″drain line exiting off the manifold.
Faucet and Electronics—The countertop faucet dispenses filtered drinking water when opened. It has a hand-operated
lever, with variable flow adjustment. You can keep the faucet open by removing your hand from the lever once water is
flowing.
To comply with plumbing codes, an air gap is built into the faucet drain water connection.
8
7
6
5
Consumer SupportTroubleshooting Tips
Operating Instructions
Safety Instructions Installation Instructions
The electronic faucet provides a six month timer to remind you when it is time to replace your prefilter and postfilter.
Replace the filters when the blue light begins to flash in order to protect the RO membrane and keep the system
functioning properly.

Installation
Reverse Osmosis Filtration System
Instructions
Models PXRQ15F and PNRQ15FBL
Questions? Call 800.GE.CARES (800.432.2737) or Visit our Website at: ge.com
BEFORE BEGINNING INSTALLATION
Read these instructions completely
and carefully.
•IMPORTANT —Save these
instructions for local inspector’s use.
•IMPORTANT —Observe all
governing codes and ordinances.
•Note to Installer – Be sure to leave these
instructions with the Consumer.
•Note to Consumer – Keep these
instructions for future reference.
•Proper installation is the responsibility
of the installer.
•Product failure due to improper installation
is not covered under the Warranty.
•A shutoff valve must be available or added
near the installation point.
TOOLS AND MATERIALS
REQUIRED FOR INSTALLATION
•Electric drill and 1-1/4″Drill Bit (type as
required) if mounting is needed for faucet
•Two (2) Adjustable Wrenches
•1/16″Drill Bit (optional for pilot holes)
•Tape Measure
•Phillips and Flat Blade Screwdrivers
•Utility Knife
•If your main water line is a rigid pipe,
you will require a compression fitting
and possibly other plumbing hardware
to complete the installation.
CAUTION: To avoid damaging the
sink, consult a qualified plumber or installer
for drilling procedures. Special drill bits may
be needed for porcelain or stainless steel.
CONTENTS INCLUDED
WITH PRODUCT
•Reverse Osmosis Assembly and Tubing
•Product Literature (Owner’s Manual and
Installation Instructions)
•Performance Data Sheet
•Feed Water Adapter and Supply Valve
•Faucet Assembly with Electronic Base
Monitor and Tubing
•Storage Tank
•Drain Line Adapter
6
WARNING: Read entire manual. Failure to follow all guides and rules could cause
personal injury or property damage.
•Check with your state and/or local public works department for plumbing codes. You must
follow their guides as you install the Water Filtration system.
NOTE: Failure to comply with these installation instructions will void the product warranty, and
the installer will be responsible for any service, repair or damages caused thereby.

Installation Instructions
Things to Check Before Beginning Installation
FEED WATER
The water supply to the undercounter Reverse
Osmosis system must have the qualities listed
in the specifications. Municipal water supplies
most often will have these qualities. Well
water may need conditioning—have the water
tested by a water analysis laboratory and get
their recommendations for treatment.
CAUTION: For water with a
hardness greater than 10 grains (at 6.9 pH),
the use of a softener is recommended. Failure
to install a softener will reduce the life of the
Reverse Osmosis cartridge.
FILTRATION DRAIN CONNECTION
A suitable drain point and air gap (check your
state and/or local codes) are needed for reject
water from the Reverse Osmosis membrane
cartridge.
BASEMENT INSTALLATION
If installing in a basement, leave enough
tubing in place during installation to be able
to move unit to floor for ease at servicing and
making filter/membrane changes. Additional
tubing and fittings required.
NOTE: See parts list on page 25 for optional
parts that may be required for a basement
installation.
RO FAUCET
The RO product water faucet installs on the
sink or on the countertop next to the sink.
Often, it is installed in an existing sink spray
attachment hole or a hole may be drilled.
Space is required underneath for tubing to
and from the faucet, and for securing the
faucet in place. All faucet connections are
done on or above the sink or countertop.
Sink
p-trap
Hot Cold
Disposer
1/4″drain
tube (black)
3/8″outlet tube (blue banded)
1/4″inlet tube
(yellow banded)
Reverse osmosis system
3/8″storage
tank tube
(red banded)
11″dia. 10-1/2″
15″
11″
7″
3/8″drain tube (black)
RO product water faucet mounted through sink or countertop
Feed water adapter
Prefilter PostfilterMembrane
1/4″yellow
banded inlet
from supply
valve
1/4″black
tube to
faucet
3/8″red
banded tube
to storage
tank
3/8″blue
banded
tube to
faucet
7
TUBING/FILTER DETAIL

Installation Instructions
REVERSE OSMOSIS ASSEMBLY
MOUNTING SYSTEM
INSTALLATION
Choose a location under the sink to mount
the system. Location should be easily
accessible, with adequate clearance between
the bottom of the filter cartridges and the
floor or bottom of the cabinet for removal
of filter cartridges. Allow enough space on
either side of the system for the tubing
connections.
1. Remove the prefilter and postfilter
cartridges.
2. Remove the assembly cover by unlocking
the four tabs on the cover from the system.
3. Use a flat-head screwdriver to work from
left to right from the underside of the
system.
4. Use the icons on the bottom of the
system for screwdriver positioning.
5. Hold the Reverse Osmosis assembly up to
the wall surface where you wish to install
it. Mark location for screws. There should
be a minimum of 17 inches from the
marks to the bottom of the cabinet floor.
CAUTION: Do not get dirt or
debris inside the assembly area. Use only to
mark mounting hole locations.
6. Install screws to the wall, leaving a 3/16-
inch clearance between the head of the
screw and wall (drill pilot holes if needed).
7. Hang the Reverse Osmosis assembly on
the screws. Tighten or loosen the screws
as desired until the system is secure on
the wall.
8. To install the
cover, line up
the front
tabs on the
cover with the
openings
in the system.
9. Snap the cover
in place; the
tabs will flex,
allowing the
cover to snap
in place.
10. Remove the
membrane
cartridge.
Screw locations
17 inches
7 inches
Screws
Screw
3/16″
Wall
Screwdriver positioning
ScrewdriverSystem opening
Tab
Prefilter Postfilter
To removeTo remove
To remove
Membrane
8

Installation Instructions
FEED WATER SUPPLY
A. PREFERRED INSTALLATION
Utilizing existing kitchen sink water supply
valve (A) and removable faucet tubing (B).
1. Refer to illustration below to complete
assembly depending on supply valve
size (A).
2. Close the cold water supply valve (A)
under the sink.
3. Unscrew the flexible tubing line (B) from
the supply valve (A) that connects to the
COLD water riser.
NOTE: For rigid pipe, see C. Optional
Installation on page 10.
Note Adapter (C) orientation:
3/8-inch installation—Rounded end of adapter
(C) connects to supply valve (A).
1/2-inch installation—Rounded end of adapter
(C) connects to coupling (D), then to existing
faucet tubing (B).
Check and comply with local plumbing codes as you plan, then install a cold feed water supply fitting.
4. Assemble adapter (C) and coupling (D)
as shown in illustration at left, per your
configuration. Ensure that the gasket (G)
is in place before final assembly. Start
installation by hand, then finish tightening
with adjustable wrench. Be careful not
to overtighten or cross thread as damage
to threads may occur.
5. Hand tighten assembled adapter (C)
onto supply valve (A) for the proper size
installation. Be sure gasket (G) is in place
before final assembly. Start installation
by hand, then finish tightening with an
adjustable wrench. Be careful not to
overtighten or cross thread as damage
to threads may occur.
6. Reconnect faucet tubing line (B) to top
of adapter (C).
NOTE: If inlet valve (F) is to be removed
for installation, refer to E. Removal and
Reinstallation of Inlet Valve on page 11.
7. Cut wire ties on tubing coils, using care
not to damage tubes or parts if using a
utility knife.
8. Remove the 1/2″nut (I) and ferrule (H)
from end of inlet valve. Using the yellow
banded tubing provided, place the nut (I)
and ferrule (H) onto the tubing and install
onto inlet valve (F) as shown at left.
Tighten with adjustable wrench. Be
careful not to overtighten or cross thread
as damage to threads may occur.
NOTE: Inspect the ends of the tubing prior
to installation to be sure there are no
imperfections and that the end of the tubing
is cut square. It may be necessary to cut
the tubing again.
9
For 3/8″Plumbing For 1/2″Plumbing
(B) Faucet
tubing line (not
included)
(D)
Coupling
(C)
Adapter
(F) Inlet valve
(A) Cold water
supply valve
(not included)
(B) Faucet
tubing line
(not included)
(A) Cold water
supply valve
(not included)
(D)
Coupling
(C)
Adapter
(G) Gasket
(G)
Gasket
(H)
Ferrule
(F) Inlet valve
(I) Nut
(G) Gasket

Installation Instructions
FEED WATER SUPPLY (cont.)
B. OPTIONAL HOME INSTALLATION
Where codes permit (Requires additional parts)
*For 1/2″OD or larger metal tubing only.
NOTE: Codes in the state of Massachusetts
require installation by a licensed plumber and
do not permit the use of the saddle valve. For
installation, use plumbing code 248-CMR of the
Commonwealth of Massachusetts.
Saddle valve is available through GE Parts
and Services at 1.800.626.2002, part number
WS15X10023. Self piercing saddle valves are
not recommended.
1. Turn off the cold water supply and attach
saddle valve as required by product
selection. (Be sure to follow manufacturers’
Installation Instructions).
DANGER: Many homes are
electrically grounded through the plumbing.
To protect yourself from serious injury or
fatal shock, use a battery-powered hand drill
only to make the hole. DO NOT USE AN
ELECTRIC DRILL.
2. Close the water supply valve by turning
the handle clockwise.
3. Open the main water supply valve and
several house faucets to purge air from
the system. Close faucets when water
runs smoothly.
Snug valve into bracket
(DO NOT OVERTIGHTEN)
Some threads
should be visible
Rubber gasket
Optional water supply connection (using saddle valve)*
Pre-drill
1/4″hole Seal—make sure
the seal is in place
Clamp X
Nut (2)—not
required if holes
in clamp are
threaded
Valve
Handle
Tubing adapter
Washer
Compression
nut
Clamp Z
Use to connect the tubing
*For 1/2 ″OD or larger metal tubing only.
C. OPTIONAL RIGID PIPE
INSTALLATION
For installation with rigid pipe between supply
valve and sink faucet.
Option 1
1. Remove pipe from supply valve and sink
faucet.
2. Obtain flexible pipe sized to your
plumbing.
3. Install flexible pipe.
4. GO back to A. Preferred Installation
section, step 4.
Option 2
1. Obtain compression fittings to fit rigid
pipe.
2. Obtain any other fittings required to
connect compression fittings to adapter.
NOTE: Adapter has 1/2-inch and 3/8-inch
internal and external threads.
3. Remove pipe from supply valve.
4. Cut pipe to fit length of assembled fittings
and adapter.
5. Install compression fitting to pipe.
6. GO back to A. Preferred Installation
section, step 4.
NOTE: Above described materials are not
included with the product.
10

Installation Instructions
D. OPTIONAL REMOTE LOCATION
INSTALLATION
(requires additional part)
1. Turn off the cold water supply.
2. Complying with plumbing codes, install a
fitting on the cold water pipe to adapt 1/4″
OD tubing. A typical connection is shown
in illustration below. Make sure a water
supply valve is used.
3. If the RO unit is to be installed more than
6 feet from the valve, replace the yellow
banded inlet tubing with a longer length
of GE 1/4″tubing. A 33 foot length of 1/4″
tubing is available through GE Parts and
Services at 1.800.626.2002, part number
WS07X10018. DO NOT SUBSTITUTE
TUBING OF UNKNOWN QUALITY.
4. If the RO unit is to be installed more than
6 feet from the faucet, replace the blue
banded outlet tubing with a longer length
of GE 3/8″tubing. A 33 foot length is
available through GE Parts and Services at
1.800.626.2002, part number WS07X10019.
See Faucet Installation on page 13 for more
details. DO NOT SUBSTITUTE TUBING OF
UNKNOWN QUALITY.
If you are using copper tubing, DO NOT
connect it directly onto the RO unit. Purchase a
connector and use a short length of the yellow
banded tubing provided to make final connection
to RO. Do not use copper tubing to attach to
icemaker or faucet.
Insert (not included)
Cold
water
pipe 1/4″(yellow banded)
tubing to inlet
Ferrule
Water supply valve
To RO
Preferred water supply connection
(using compression fitting)
E. REMOVAL AND RE-INSTALLATION
OF INLET VALVE (required only if
inlet valve needs to be removed to
complete Step 5 on page 13)
1. Remove inlet valve (F) from adapter (C)
using adjustable wrench on valve body.
See illustration below for detail. DO NOT
USE WRENCH ON HEX NUT END OF
VALVE AS LEAK MAY OCCUR.
2. Remove all sealing tape from inlet valve
(F) and adapter (C) threads.
3. Hand tighten assembled adapter (C)
onto supply valve (A) for the proper size
installation. Be sure the gaskets (G), as
shown on page 13, are in place before
final assembly. Finish tightening with
adjustable wrench. Be careful not to
overtighten or cross thread as damage
to threads may occur.
4. Using white thread sealing tape provided,
apply approximately 9 wraps of tape
around the large threads on inlet valve (F)
in a clockwise direction, as shown below.
5. Hand tighten inlet valve (F) into the adapter
(C), then finish tightening with adjustable
wrench. DO NOT USE WRENCH ON HEX
NUT END OF VALVE AS LEAK MAY OCCUR.
11
(C)
Adapter
(F) Inlet valve

Installation Instructions
INSTALLING THE TUBING TO TANK
AND FAUCET
1. Measure 3/4″from the end of each
remaining piece of tubing (faucet end and
inlet end) and mark with a pencil. (Check
for roundness, smoothness, cuts, nicks,
flat spots and sharp edges).
2. Push the tubing firmly into each fitting on
the manifold until the line is flush with the
fitting collar. (If the tubing is removed, re-
cut the end, measure, mark and re-insert).
Tubing must be fully inserted to avoid
leaks. To remove tubing: depress and hold
red or blue collet; pull tubing out to remove.
3. Pull out slightly on tubing to ensure a
good seal.
3/4″
(19 mm)
INCORRECT
34"
Engagement
3/4″
(3/8″tubing)
Red or Blue Collet
(DO NOT REMOVE)
Insertion line
Insert tubing
FLOW RESTRICTOR
REPLACEMENT PROCEDURE (cont.)
1. Remove drain line tubing by pushing up
on the drain line collet with one hand (1)
and removing the drain line with the
other hand (2).
2. Once the drain line has been removed
from the system base, grasp the end of
the flow restrictor and pull it straight out
from the tube*. If the restrictor is difficult
to remove by hand, a pair of pliers may
be used to grip the end of the restrictor
to aid in removal from the tubing.
*In some instances, the restrictor may slide out of the
drain tubing as it is removed from the drain line port.
If, after removing the drain line as described in step 1,
the restrictor is no longer in the end of the tubing,
check the drain line port. Remove the restrictor from
the port and proceed to step 3.
3. Take new restrictor and slide it back into the
drain tubing. Insert the restrictor by hand
only. Do not use pliers to insert. Make sure
to insert restrictor all the way into the
tubing. Failure to do so could result in
improper operation of the RO system.
4. Reinsert drain line tubing in system base.
Tug lightly on the tubing to ensure that
the collet is engaged and has a proper
grip on the tubing.
FEED WATER SUPPLY (cont.)
FLOW RESTRICTOR
REPLACEMENT PROCEDURE
Each time the Reverse Osmosis cartridge is
changed, you will need to replace the flow
restrictor in the drain line as well.
Be sure to wash your hands before handling
inner parts of the system.
12
1
2

Installation Instructions
FAUCET ASSEMBLY
FAUCET MOUNTING INSTALLATION
Be sure there is room underneath the sink to
make the needed connections. Select one of
the following locations to install the faucet:
•In an existing sink spray attachment or soap
dispenser hole.
•In a hole to be drilled in the sink top.
•In a hole to be drilled in the countertop,
next to the sink.
NOTE: Be sure the faucet base will fit flat
against the surface at the selected location
so the gasket will seal.
1. If drilling is needed, make a 1-1/4″dia.
hole. Be sure to use the proper procedure
for drilling porcelain or stainless steel.
Special drill bits may be needed. Consult
a qualified plumber for proper procedure.
2. Remove the faucet, thin o-ring (D), faucet
base (E), bottom base gasket (F), lock
washer (G), hex nut (H) and mounting
bracket (I) from the packaging.
3. Feed the 3/8″blue banded, 1/4″black tube
(attached to the Reverse Osmosis System)
and the 3/8″black tube (included in
separate packaging) up through the
mounting hole in the sink or countertop.
This step may require two people to
assemble. See page 14 for Optional
One Person Faucet Tubing Installation.
4. Feed the two black tubes up through the
gasket (F), faucet base (E) and O-ring (D).
NOTE: For ease of service and maintenance,
keep tubing lengths long enough so removal
of the Reverse Osmosis system from under
the sink is possible.
5. Push the 1/4″black and 3/8″black tubing
onto their respective fittings on the body (B).
NOTE: To ease insertion, submerge tubing ends
into hot water for a few minutes to soften.
6. Seat the base (E) and body (B) together.
Make sure the O-ring and gasket are
in place when the base meets the body.
The faucet handle will be at the 3 o’clock
position with respect to the base.
7. Slide the lock washer onto the threaded
stem of the body (B), then thread the hex
nut (H) onto the stem. Screw about halfway up.
NOTE: If installing faucet on a stainless steel
sink, slide on installation spacer (M) before the
lock washer.
8. Screw the blue tipped tubing adapter (K)
onto the threaded stem of the body (B).
9. Push the blue banded tubing into the
adapter. It should go in about 3/4″. Pull on
it to make sure it is installed correctly.
10. Feed the tubing and stem back down
through the 1-1/4″hole.
11. Lower the faucet assembly into place
in the mounting hole and orient to final
position. Place the mounting bracket (I)
above the lock washer (G) around the
faucet stem. While holding the mounting
bracket in place, securely tighten the
hex nut. This step may require two people.
Mounting
bracket (I)
Base (E)
Hex nut (H)
Handle
Spout
Gasket (F)
Tubing adapter (K)
Lock washer (G)
O-ring (D)
Cap
ASSEMBLED 3/8″barb
fitting
3/8″(black)
drain tubing
1/4″(black)
drain tubing
1/4″barb fitting
Tubing adapter (K)
3/8″(blue banded)
outlet tubing
Hex Nut (H)
Lock washer (G)
Installation spacer (M)
(as needed)
Body (B)
From ROFrom ROTo drain
13

Installation Instructions
FAUCET ASSEMBLY (cont.)
BATTERY INSTALLATION
1. Use a small flat blade screwdriver or coin
to remove the battery tray (A) at the side
of the faucet base.
2. Install one CR2032, 3 volt battery (B)
+ side down into the battery tray (A).
3. Slide tray into faucet base (C) until the
battery tray (A) edge is flush with the side
of the base.
4. The blue light (D) will flash 5 times,
indicating a proper installation and system
reset. If you want to reinitiate the start-up
sequence, remove the battery for 45–60
seconds; the electronics need to fully
discharge. Then put the battery back in.
5. The light is normally off. After 6 months
of use, the light will flash again every
30 seconds, indicating the proper time
to replace the filter cartridge.
NOTE: The blue light may stop blinking if
allowed to blink for an extended period of
time. To ensure proper operation, the battery
should be replaced with every filter change.
OPTIONAL ONE PERSON
FAUCET TUBING INSTALLATION
1. From under the sink, gather the 1/4″drain
line (black), 3/8″drain line (black) and 3/8″
outlet tube (blue banded) in one hand with
the drain tubes the same length and the
outlet tube offset approximately 6 inches.
2. Wrap a rubber band around all 3 tubes.
3. Insert a typical No. 2 pencil through the
rubber band location.
4. Rotate the pencil down until it is in line
with the tubing and push up through the
mounting hole. Release the grip on the
pencil and the tubes will remain in
position for easier faucet connection.
+
–
(B) Battery
(C) Faucet base (A) Battery
tray
(D) Blue light
14

Installation Instructions
FILTRATION DRAIN CONNECTION
PREFERRED INSTALLATION:
OPTION A—BASEMENT ACCESS
INSTALLATION
Route the drain line DIRECTLY from the Reverse
Osmosis system to a standpipe in the basement,
bypassing the air gap provided in the faucet. The
air gap installation is left to the discretion of the
installer. The drain line may also be routed to a
floor drain or washtub, provided that the air gap
is maintained. Special air gap fittings are available
to connect the drain line to the top of the standpipe.
Check and comply with local plumbing codes as you plan.
CAUTION: The options detailed below are the ONLY approved installation
configurations. Do not use any drain saddle device.
NOTE: Failure to follow these Installation Instructions will void the warranty, and the installer will
be responsible for any service, repair or damages caused thereby.
15
Drain line from the Reverse Osmosis system
1″
1″minimum air gap
must be maintained
PREFERRED INSTALLATION:
OPTION B—DRY-VENTED P-TRAP
INSTALLATION
Install a separate dry-vented p-trap under the
sink to be used exclusively for the Reserve
Osmosis drain line. A dry-vented p-trap is a
p-trap that has its own vent/stack. Attach the
drain line adapter to the p-trap and secure it
with the slip joint nut and washer as shown.
The drain line MUST be routed through the air
gap provided in the RO water faucet.
Reverse
Osmosis
drain line
Optional disposer

Installation Instructions
FILTRATION DRAIN CONNECTION (cont.)
PREFERRED INSTALLATION:
OPTION C—WET-VENTED P-TRAP
INSTALLATION
Install a p-trap under the sink to be used
exclusively for the Reverse Osmosis drain line.
A wet-vented p-trap is a p-trap that shares a
common vent/stack. Attach the drain line adapter
to the p-trap and secure it with the slip joint nut
and washer as shown. The drain line MUST be
routed through the air gap provided in the RO
water faucet. Locate the Reverse Osmosis p-trap
as high as possible (minimum of 4″above
horizontal).
1″
SECONDARY INSTALLATION:
OPTION D—DRAIN LINE ADAPTER
INSTALLATION
CAUTION: Using Option D
may result in clogging under adverse
conditions and requires periodic
inspection/cleaning by the user.
DO NOT INSTALL THE DRAIN LINE
DOWNSTREAM OF A DISPOSER OR IN A
HORIZONTAL PIPE. Install the drain line adapter
under the sink as shown (parts included). The
baffle tee shown must be installed to prevent a
clog in the Reverse Osmosis drain line. Route the
drain line from the air gap to the drain line
adapter, ensuring that there are no dips, loops or
low spots in the line. The drain line adapter
should be aligned vertically so that the hose
connection points upward (the hose connection
should never be allowed to drop below 45° from
this vertical position). This installation MAY result
in a slight drain noise in the sink drain when the
Reverse Osmosis system is regenerating. If this
happens, simply place the sink drain stoppers
in the strainer to suppress it.
Reverse
Osmosis
drain line
Optional disposer
Reverse
Osmosis
drain line
4″minimum
Drain line
adapter
Maximum 45°
Baffle tee
(mandatory)
Optional
disposer
From
second sink
or disposer
45°
From faucet air gap
Drain line
adapter
Drain line connection should
be 180° opposite existing
horizontal pipe/baffle-tee as
shown in diagram
Drain line adapter
Proper drain line adapter orientation.
16

Installation Instructions
STORAGE TANK AND STARTUP
STORAGE TANK INSTALLATION
1. Remove the protective cap from the top
of the tank.
2. Apply 2–3 wraps
of thread tape,
in a clockwise
direction, to the
tank threads.
3. Install the push-to-connect fittings on the
threaded fitting on the tank as shown.
4. Push the 3/8″red banded tubing from the
Reverse Osmosis System into the fitting
on the storage tank.
SYSTEM STARTUP PROCEDURE
CAUTION: If installing the unit in
new construction, ensure that house plumbing
is flushed thoroughly before opening the water
supply valve.
1. Check that all tubing connections are
secure.
2. Turn on the Feed Water Supply Valve.
3. Check all connection points for leaks.
4. Follow the Sanitization procedures on
page 19.
5. After sanitization is complete, reinstall
prefilter, postfilter and Reverse Osmosis
cartridges.
6. Membrane contains a food grade
preservative. Allow the system to fill the
tank, then drain it completely four times
before using the water from the system.
7. Recheck all water connection points a few
days later to check for small leaks.
Storage
tank
Thread
tape
17

Troubleshooting TipsConsumer Support Troubleshooting Tips Installation Instructions Safety InstructionsOperating Instructions
Care and cleaning of the reverse osmosis system.
Prefilter, Postfilter and Reverse Osmosis Membrane Cartridge Replacement Procedure
When the blue light in the faucet base flashes,
it is time to replace the prefilter and postfilter.
This will occur every 6 months.
Be sure to wash your hands before handling
inner parts of the system.
1. Turn OFF the icemaker (if attached to
the system).
2. Turn off water supply to the system.
3. Turn ON faucet to drain tank (may take several
minutes). Turn OFF faucet when tank is empty.
4. Remove the prefilter, postfilter and Reverse
Osmosis cartridge by rotating to the left about
1/3 turn.
5. Follow Sanitizing the Reverse Osmosis System
procedure found on page 19.
6. Remove foil on top of new replacement
cartridges. Install new cartridges into the
manifold by turning to the right about 1/3 turn
until the alignment marks line up and the
cartridges stop. DO NOT OVERTIGHTEN. The
cartridges will rise up as they are turned.
NOTE: The prefilter and postfilter are identical.
You may install either filter in the prefilter or
postfilter position. The reverse osmosis cartridge
is installed in the center position.
7. Turn ON water supply to fill the system
(may take up to four hours). Check for leaks.
8. Remove the battery tray and replace the
battery, positive “+” side down, to reset timer
and monitor function in faucet base (see Battery
Installation for proper procedure).
9. If only the prefilter and postfilter are replaced,
turn the faucet ON and empty the filled storage
tank. If the membrane cartridge is replaced, fill
and empty the storage tank a total of four times.
(This will remove the food grade preservatives
contained in new membranes. This preservative
will give product water an unpleasant taste
and odor.)
10. Once the storage tank is full, turn on the
icemaker.
NOTE: System should be sanitized when replacing
the prefilter and postfilter cartridge or the Reverse
Osmosis cartridge. Follow the Sanitizing the Reverse
Osmosis System procedure on page 19.
18
ON
OFF
To remove
Reverse
Osmosis
Prefilter Postfilter

ge.com
Sanitizing the Reverse Osmosis System
Sanitize upon installation of the Reverse Osmosis
system and after servicing inner parts, including
replacement of prefilter, postfilter and the
membrane cartridge.
Be sure to wash your hands before handling
inner parts of the system.
CAUTION: Before sanitizing, be sure to
remove all cartridges. Chlorine will destroy the
Reverse Osmosis membrane cartridge.
1. Follow steps 1 through 4 under Prefilter,
Postfilter and Reverse Osmosis Membrane Cartridge
Replacement Procedure.
2. Fill the empty canister labeled “Sanitization
Canister” with water to within 1 inch of the
upper opening. Add 1 oz. (2 Tbsp.) ordinary
household bleach. Install canister into the
prefilter canister position by turning to the right
about 1/3 turn until the alignment marks line
up and the canister stops.
3. Install the two additional “sanitiziation canisters”
into the membrane canister and postfilter
openings in the manifold by turning to the right
about 1/3 turn until the alignment marks line
up and the canister stops.
4. Turn ON water supply. Turn ON faucet until
water begins to flow from the faucet, then turn
faucet OFF. Allow system to fill for 10 minutes.
5. Turn faucet ON and allow water to flow for 20
minutes, or until bleach odor is gone. Turn OFF
water supply again. Turn ON faucet to drain
the system.
6. Once the system is drained, turn the faucet OFF
and remove the canisters by turning to the left
about 1/3 turn. Keep these in a safe place until
needed the next time.
19
Sanitization
canisters
Prefilter
position
Consumer SupportTroubleshooting Tips
Operating InstructionsSafety Instructions Installation Instructions

Operating Instructions Safety InstructionsInstallation Instructions
Troubleshooting TipsConsumer Support
Care and cleaning of the reverse osmosis system.
To obtain replacement filters, call toll-free GE Appliance Parts at 800.626.2002 (U.S.),
800.663.6060 (Canada–English), 800.361.3869 (Canada–French), or visit the store where
you purchased your reverse osmosis system.
CAUTION: Before servicing the Reverse Osmosis system, close the water supply/saddle valve
and open the RO water faucet. Allow the system to drain.
Prefilter/Postfilter Cartridge Replacement FQROPF Carbon Block
Reverse Osmosis Cartridge Replacement FQROMF Thin Film Polyamide
The Water Test Kit
To obtain an independent laboratory water test kit, please call Legend Technical Services at
1.800.826.8553 ext. 47 and leave your contact details. They will contact you to find out what water
tests you are interested in, and inform you of the cost of the testing. You will then receive a kit that
will include all necessary tests to properly indicate the performance level of your system. Product
water should be tested a minimum of every six months.
NOTE: When the TDS reduction of the system falls below 75%, it is time to replace the reverse
osmosis cartridge in addition to the prefilter and postfilter.
20

Problem Possible Causes What To Do
Water has air bubbles Air in system after installation. •Will go away after it runs for a while.
and is cloudy
Indicator light on faucet Batteries installed incorrectly •Observe orientation on page 14 and install correctly.
base not working or expended. Replace batteries if old.
Blue light does not •Normal operation.
illuminate until 6 months.
Batteries are dead. •Use new CR2032, 3-volt battery.
Chlorine taste and/or The ppm of chlorine in your
•If the water supply contains more than 2.0 ppm of chlorine,
odor in the Reverse water supply exceeds maximum additional filtering of the water supply to the Reverse
Osmosis product water limits and has destroyed the Osmosis is needed. Correct this condition before doing
Reverse Osmosis membrane. maintenance on the Reverse Osmosis system.
The prefilter is no longer •Replace the Reverse Osmosis membrane cartridge,
removing chlorine from flow control, screen, prefilter, postfilter and batteries
the water supply. in the electronics box.
Other taste and/or odor High quality product water •This is normal.
may have a different taste
than what you’re used to.
Low water usage. •Completely drain system and allow to refill.
Contamination in product •Use sanitizing procedures.
water storage.
Prefilter and postfilter
•Replace the prefilter and postfilter.
need to be changed.
•Sanitize system.
Water leaking from Drain side of faucet air gap •Inspect and eliminate restriction or plug. It is important
faucet air gap hole (3/8″tubing) plugged, that there are no dips, loops or low spots in the drain line
restricted or incorrectly from the faucet air gap to the drain pipe. Refer to
connected to the drain. Installation Instructions for proper drain connection.
If drain line adapter was used as the drain point,
periodic inspection/cleaning is recommended.
System makes product This is normal. •Water flow rate will be lower than your regular faucet.
water slowly •It takes 3–4 hours to fill the tank.
Water supply to the Reverse •Increase water pressure, precondition the water, etc.,
Osmosis system not within as needed to conform before doing maintenance on
specifications. the Reverse Osmosis system.
Prefilter cartridge plugged •Replace the prefilter.
If rate does not increase,
replace
with sediments.
the
postfilter, Reverse Osmosis membrane cartridge,
flow control and batteries in the faucet base.
Reverse Osmosis membrane •Replace Reverse Osmosis membrane cartridge, flow
plugged with sediments.
control and battery in the faucet base.
Before you call for service… ge.com
Troubleshooting Tips
Save time and money! Review the charts on the following
pages first and you may not need to call for service.
Consumer SupportTroubleshooting Tips
Operating InstructionsSafety Instructions Installation Instructions
21

Operating Instructions Safety InstructionsInstallation Instructions
Troubleshooting TipsConsumer Support
Problem Possible Causes What To Do
No Water Water supply valve •Turn water supply valve on. See diagram on page 11.
not turned on.
After filter change, •It takes 3–4 hours for RO system to provide enough
tank is empty. water to fill the tank.
Leaks at fittings Improperly installed. •Reinstall. See Installation Instructions.
Sounds you may hear Sink drain, drain water •This is normal.
from system. •Drain line can be installed to an alternative drain,
such as a basement drain. See pages 15 and 16
for alternative drain configurations.
Faucet air gap—drain water •Install a pressure regulator in the house water supply
flowing through the faucet system to reduce the pressure below 90 psi.
air gap. This may be associated •An alternative flow restrictor for high pressure
with high pressure water supply, installations is available from GE (see item #31 on the
generally 90 psi or greater. parts list, page 25). Contact GE Parts and ask for Flow
Restrictor, High Pressure, Part Number WS15X10049.
Troubleshooting Tips
22
Before you call for service…

23
Notes. ge.com
Consumer Support
Operating InstructionsSafety Instructions Installation Instructions Troubleshooting Tips

OPTIONAL FLOW
RESTRICTOR - HIGH
PRESSURE INSTALLATION
Parts list.
24
PXRQ15F, PNRQ15FBL
OPTIONAL PARTS FOR
REMOTE INSTALLATION

25
Parts catalog. ge.com
QUANTITY
P
N
PR
XQ
R1
Q5
1F
5B
REF. NO. GE PART NO. PART DESCRIPTION F L
0001 WS19X10017 MANIFOLD ASSEMBLY 1 1
0002 WS19X10018 HOOD 1 1
0003 FQROPF PRE AND POSTFILTER SET 1 1
0004 FQROMF RO CARTRIDGE 1 1
0005 WS03X10047 O-RING KIT (4 LG, 6 SM) 1 1
0006 WS03X10048 FLOW METER CAP & O-RING 1 1
0007 WS15X10050 SHUT-OFF VALVE ASSEMBLY 1 1
0008 WS10X10030 SHUT-OFF COVER & CHECK
BALL ASSEMBLY 1 1
0009 WS02X10034 SCREWS, SET OF 7 1 1
0011 WS32X10021 WATER STORAGE TANK 1 1
0014 WS07X10018 TUBING, 1/4″DIA. X 33′—WHITE 1 1
0015 WS07X10019 TUBING, 3/8″DIA. X 33′—WHITE 1 1
0016 WS15X10037 FAUCET, CHROME, LONG REACH 1 –
WS15X10042 FAUCET, CHROME, HIGH ARC – 1
0017 WS10X10028 FAUCET BASE, CHROME 1 1
0019 WS18X10009 FEED WATER ADAPTER KIT 1 1
0020 WS02X10031 WASHER & NUT—FAUCET 1 1
0021 WS35X10041 SANITIZATION KIT 1 1
0022 WS15X10041 FLOW RESTRICTOR 1 1
0023 WS22X10055 TANK CONNECTOR, 3/8″TUBE 1 1
0024 WS22X10054 FAUCET FITTING, 3/8″TUBE 1 1
0027 WS22X10052 COLLET, 1/4″ (SET OF 2) 1 1
0028 WS22X10053 COLLET, 3/8″(SET OF 2) 1 1
0029 WS18X10006 DRAIN LINE ADAPTER 1 1
0030 WS02X10030 SPACER, FAUCET MOUNT 1 1
0031 WS15X10049 FLOW RESTRICTOR, HIGH PRESSURE – –
0999 49-50198 OWNER’S MANUAL &
INSTALLATION INSTRUCTIONS 1 1

Operating Instructions Safety InstructionsInstallation Instructions
Troubleshooting TipsConsumer Support
GE Reverse Osmosis System Warranty.
26
For The Period Of: GE Will Replace:
One Year Any part of the Reverse Osmosis Filtration System which fails due to a defect in materials or
From the date of the workmanship. During this limited one-year warranty, GE will also provide, free of charge, all labor
original purchase and related service to replace the defective part.
All warranty service provided by our SmartWater™Authorized
Servicer Network. To schedule service on-line, 24 hours a day,
contact us at ge.com, or call toll-free 800.GE.CARES (U.S.), or
866.777.7627 (Canada). Please have serial number and model
number available when calling for service.
■Service trips to your home to teach you how to use the
product.
■Improper installation, delivery or maintenance.
■Failure of the product if it is abused, misused, used for
other than the intended purpose or used commercially.
■Use of this product where water is microbiologically
unsafe or of unknown quality, without adequate
disinfection. Systems certified for cyst reduction may be
used on disinfected water that may contain filterable cysts.
■Filter cartridges, membrane cartridges and batteries
after 30 days from date of purchase.
■Damage to the product caused by accident, fire, floods
or acts of God.
■Incidental or consequential damage caused by possible
defects with this appliance.
What GE Will Not Cover:
Staple your receipt here.
Proof of the original purchase
date is needed to obtain service
under the warranty.
This warranty is extended to the original purchaser and any succeeding owner for products purchased for home use
within the USA. If the product is located in an area where service by a GE Authorized Servicer is not available, you may
be responsible for a trip charge or you may be required to bring the product to an Authorized GE Service location for
service. In Alaska, the warranty excludes the cost of shipping or service calls to your home.
Some states do not allow the exclusion or limitation of incidental or consequential damages. This warranty gives
you specific legal rights, and you may also have other rights which vary from state to state. To know what your
legal rights are, consult your local or state consumer affairs office or your state’s Attorney General.
Warrantor: General Electric Company. Louisville, KY 40225
EXCLUSION OF IMPLIED WARRANTIES—Your sole and exclusive remedy is product repair as provided in this
Limited Warranty. Any implied warranties, including the implied warranties of merchantability or fitness for a
particular purpose, are limited to one year or the shortest period allowed by law.

27
Mesures de sécurité
Mesures de sécurité . . . . . . . . . . . . . . . . . .28
Guide des spécifications . . . . . . . . . . . . . .29
Fonctionnement
Au sujet du système de filtration par
osmose inversée . . . . . . . . . . . . . . . . . .30, 31
Instructions d’installation
Alimentation d’eau . . . . . . . . . . . . . . .35–38
Avant de commencer l’installation . . .32, 33
Installation de la pile . . . . . . . . . . . . . . . . .40
Installation du robinet . . . . . . . . . . . . .39, 40
Installation du système de montage . . . . .34
Outillage et matériel requis . . . . . . . . . . . .32
Raccordements à la conduite
de vidange . . . . . . . . . . . . . . . . . . . . .41, 42
Réservoir de stockage et démarrage . . . . .43
Entretien et nettoyage
Aseptisation . . . . . . . . . . . . . . . . . . . . . . .45
Remplacement des cartouches
pré-filtre, post-filtre et osmose inversée . . . . .44
Trousse pour le test d’eau . . . . . . . . . . . . .46
Conseils de dépannage . . . . . . . . . . .47, 48
Soutien au consommateur
Garantie . . . . . . . . . . . . . . . . . . . . . . . . . . .53
Liste des pièces/catalogue . . . . . . . . . .50, 51
Soutien au consommateur . . . . . . . . . . . .54
La section Française.
Transcrivez les numéros de modèle et de série ici :
# de modèle ______________________________
# de série ________________________________
Vous les trouverez sur le support du corps
de filtre.
Soutien au
consommateur
Conseils de dépannage
FonctionnementMesures de sécurité Installation

Soutien au
consommateur Conseils de dépannage Fonctionnement Mesures de sécuritéInstallation
28
MESURES DE SÉCURITÉ IMPORTANTES.
LISEZ D’ABORD TOUTES LES INSTRUCTIONS.
■Vérifiez avec les travaux publics locaux ou de votre état quels
sont les codes régissant la plomberie et les aménagements
sanitaires. Vous devrez vous y conformer lors de l’installation
du système du système de filtration par osmose inversée. Il est
recommandé de faire appel à un installateur qualifié.
■Si la pression de l’eau arrivant à l’habitation dépasse la valeur
maximale de 120 livres/po2, montez un détendeur dans la
conduite d’arrivée de l’eau au système de filtration.
■Assurez-vous que l’eau est conforme au Guide des spécifications.
Si les conditions de l’eau ne sont pas connues, contactez votre
compagnie municipale de fourniture d’eau ou votre service de
santé local pour obtenir une liste des agents de contamination
de votre région et une liste des laboratoires homologués par
votre état pour l’analyse de l’eau de table.
AVERTISSEMENT : Avant la première utilisation du
système de filtration, celui-ci doit être purgé. La cartouche du
système de filtration par osmose inversée contient un préservatif
pour aliments qui doit être purgé du système. Ce préservatif
donne à l’eau un goût et une odeur désagréables.
AVERTISSEMENT : N’utilisez pas l’appareil avec
de l’eau qui n’est pas sûre microbiologiquement ou de qualité
inconnue sans qu’elle n’ait été désinfectée avant de o après que
le système. Les appareils homologués pour la réduction des
spores peuvent être utilisés pour le filtrage de l’eau qui a été
désinfectée pouvant contenir des spores filtrables.
Ce système à été testé pour le traitement de l’eau contenant de
l’arsenic pentavalent (aussi appelé As(V), As(+5) ou arséniate) à
une concentration de 0,050 mg/L ou moins. Ce système réduit
l’arsenic pentavalent, mais peut ne pas retirer d’autres formes
d’arsenic. Ce système doit être utilisé dans les alimentations en
eau contenant du chlore libre résiduel détectable ou dans les
alimentations en eau qui se sont avérées contenir seulement
de l’arsenic pentavalent. Le traitement à la chloramine (chlore
combiné) n’est pas suffisant pour assurer la conversion
complète de l’arsenic trivalent en arsenic pentavalent. Veuillez
lire la section Faits sur l’arsenic de la fiche technique de
performance pour des renseignements supplémentaires.
Ce système d’osmose inversée contient un élément remplaçable
essentiel à l’efficience du système. L’élément d’osmose inversée
ne peut être remplacé que par un élément ayant les mêmes
caractéristiques, telles que définies par le fabricant, pour
assurer la même efficience et le même rendement en
matière de réduction des contaminants.
CONSERVEZ CES INSTRUCTIONS
VEUILLEZ LIRE ET SUIVRE ATTENTIVEMENT
CES MESURES DE SÉCURITÉ.
■Installez l’appareil ou entreposez-le de telle façon qu’il ne
soit pas exposé à des températures inférieures au point de
congélation ou non à l’abri de tout type de conditions
météorologique. Il sera endommagé par l’eau qui se congèle.
N’essayez pas de traiter de l’eau dont la température est
supérieure à 100 degrés F.
■Ne branchez pas l’appareil sur une CONDUITE D’EAU
BOUILLANTE. La température de l’eau arrivant au système doit
se trouver entre 40°F au minimum et 100°F au maximum.
Voyez le Guide des spécifications.
■Période prolongée de non-utilisation du système de filtration.
Si le système n’a pas été utilisé au cours d’une période d’une
semaine ou plus, ouvrez le robinet d’eau RO pour permettre
la vidange de celui-ci. Fermez le robinet pour permettez au
système de régénérer l’alimentation en eau.
■L’installation recommandée est sous l’évier. Toutefois, l’unité
peut être installée dans un lieu éloigné, jusqu’à une distance
de 6 m (20 pi) de l’évier.
• Cependant, des matériaux supplémentaires seront nécessaires.
Consultez la liste de pièces pour commander les matériaux
supplémentaires chez GE.
• Si vous placez le réservoir sur un plancher de sous-sol, avec le
robinet à l’évier du premier étage, vous pouvez obtenir une
réduction du taux de débit et de la capacité (d’environ 20 %).
Vous améliorerez ce rendement en installant un deuxième
réservoir. Vous pouvez utiliser le RVKIT.
■Si le système de filtration par osmose inversée est raccordé
à la machine à glaçons du réfrigérateur, un kit spécial pour
la connexion de la machine à glaçons est nécessaire (RVKIT).
N’utilisez pas de tubes en cuivre pour la connexion entre le
système de filtration par osmose inversée et le réfrigérateur.
AVERTISSEMENT : Débarrassez-vous de tous les
composants non-utilisés ainsi que de l’emballage après
l’installation. Les petites pièces qui restent après l’installation
peuvent constituer un danger d’étouffement si ingérées.
■Désinfectez les éléments au cours de l’installation et après
l’entretien des composants internes. Ceci inclut le remplacement
de l’élément de pré-filtrage, l’élément du post-filtrage et de
la cartouche de l’appareil. Il est important que les mains soient
propres lors de la manipulation des éléments internes du
système. Voyez la section Désinfection du système de filtration
par osmose inversée.
■Ce système d’osmose inversée contient un élément de
traitement remplaçable essentiel pour réduire efficacement
les solides totaux dissous. Vous devez tester périodiquement
ce produit dans l’eau pour vous assurer que le système
fonctionne bien. Consultez la section Trousse de test d’eau.
ASSUREZ-VOUS QUE VOUS SUIVEZ TOUTS
DE VOS CODES D’ÉTAT ET LOCAUX.
AVERTISSEMENT! Pour votre sécurité, suivez les instructions fournies dans le présent
manuel afin de minimiser les risques de dommages au matériel ou de
blessures corporelles.
PRÉCAUTIONS DE SÉCURITÉ
INSTALLATION ET ENTRETIEN DU SYSTÈME
Avant son utilisation, le système de filtration doit être correctement installé et positionné
conformément aux instructions d’installation.

Soutien au
consommateur
Conseils de dépannage
Fonctionnement
Mesures de sécurité Installation
29
Guide des spécifications. www.electromenagersge.ca
Le système prépare chaque jour une bonne quantité d’eau potable.
Cette quantité dépend principalement des facteurs suivants…
Produit – hauteur 11po (28 cm) largeur 10,5po (26,7 cm)
profondeur 4po (10 cm)
ADOUCISSEUR D’EAU RECOMMANDÉ
DURETÉ DE L’EAU D’ALIMENTATION (GPG)
60
50
40
30
2010
8
6
7
7,5
6,5
Adoucisseur d’eau
non requis
pH de l’eau d’alimentation
Maximum de fer, de manganèse, d’hydrogène sulfuré (ppm) . . . . .<0,1
Chlore dans l’approvisionnement d’eau . . . . . . . . . . . . . . . . . . . . . .2,0 ppm maximum permissibleb
Limites de pH de l’eau d’alimentation (pH) . . . . . . . . . . . . . . . . . . . .4–10
Capacité du réservoir—gallons (litres) . . . . . . . . . . . . . . . . . . . . . . .4 gal (15,1 l)c
Contrôle automatique d’arrêt . . . . . . . . . . . . . . . . . . . . . . . . . . . . . . .oui
Pré-filtre et post-filtre . . . . . . . . . . . . . . . . . . . . . . . . . . . . . . . . . . . .(FQROPF) bloc de carbone
Membrane d’osmose inversée . . . . . . . . . . . . . . . . . . . . . . . . . . . . .(FQROMF) pellicule fine de polyamide
Dimensions du réservoir . . . . . . . . . . . . . . . . . . . . . . . . . . . . . . . . . . .hauteur 15 po (38 cm) diamètre 11 po (28 cm)
Dimensions du corps . . . . . . . . . . . . . . . . . . . . . . . . . . . . . . . . . . . . .hauteur 11 po (28 cm) largeur 10,5 po (26,7 cm)
profondeur 4 po (10 cm)
Limites de pression de l’eau d’alimentation—livres par pouce carré (psi) . . . . . . . . . . . .40–120a
Limites de température de l’eau d’alimentation—minimum/maximum en degrés F . . . .40–100
Maximum de solides dissous totaux (TDS)—parts par million (ppm) . . . . . . . . . . . . . . . . .2000
Maximum de dureté d’eau @ pH 6,9 recommandé pour optimiser
la durée de vie de la membrane—grains par gallon (gpg) . . . . . . . . . . . . . . . . . . . . . . . . . . .10
Pour une dureté d’eau supérieure à 10 grains (à un pH de 6,9), nous
recommandons d’utiliser un adoucisseur. Si vous n’installez pas un
adoucisseur d’eau, vous réduirez la durée de vie de la membrane
d’osmose inversée. Consultez le tableau pour de plus amples
informations sur le besoin possible d’un adoucisseur d’eau.
a. Si la pression d’eau de la maison est supérieure à 120 psi, installez un robinet de réduction de pression sur le tuyau
d’approvisionnement d’eau. Si la pression de l’eau de la maison est inférieure à 40 psi, installez une pompe de
refoulement d’osmose inversée (appelez votre fournisseur local de produits de plomberie).
b. Enlevé (maximum de 2,0 ppm) par le filtre d’osmose inversée. ENTRETIEN RÉGULIER REQUIS. Le chlore détruira
la membrane d’osmose inversée.
c. Capacité théorique du réservoir. Quand il est essayé conformément à la norme 58 NSF/ANSI à 50 psig de pression
d’approvisionnement d’eau, la capacité du réservoir est égale à 2,3 gallons (8,7 l).

30
Au sujet du système de filtration par osmose inversée.
Ce que ce système accomplit
Description du système de filtration par osmose inversée
Le système de filtration par osmose inversée réduit les matières solides totalement dissoutes (TDS) ainsi que
les matières organiques de l’eau par diffusion au travers d’une membrane spéciale. Cette membrane sépare les matières
minérales et les impuretés de l’eau, lesquelles sont évacuées dans le tuyau de vidange. Pour la réduction des prétentions
indiquées, consultez la feuilles de données de rendement. L’eau de haute qualité produite est acheminée directement
au robinet d’alimentation en eau potable ou au réservoir. L’appareil produit une bonne quantité d’eau potable
quotidiennement. La quantité d’eau produite est fonction de la pression d’eau d’alimentation, de sa température
et de sa qualité.
Les pré-filtre et post-filtre au charbon sont des cartouches remplaçables. Le pré-filtre élimine le chlore et filtre les
sédiments. Le post-filtre élimine les goûts et les odeurs indésirables avant l’utilisation de l’eau.
Ces systèmes comprennent un ensemble de robinet électronique avec rappel de changement de pré-filtre et de post-filtre.
Tous les six mois, une lumière clignotante bleue vous rappelle qu’il faut changer les deux filtres.
Pré-filtre—L’eau en provenance de la conduite d’eau froide
est dirigée dans la cartouche du pré-filtre. Le pré-filtre est une
cartouche de récupération des sédiments remplaçable qui
contient du charbon actif. Il réduit la quantité de chlore de
l’eau, lequel DÉTRUIT LA MEMBRANE DU SYSTÈME. L’eau
propre, filtrée et à teneur de chlore réduite s’écoule du
pré-filtre vers la cartouche du système.
Cartouche du système de filtration par osmose inversée—
La cartouche du milieu comprend une membrane étroitement
sertie. L’eau est forcée au travers de la cartouche où la
membrane réduit les matières solides dissoutes et les matières
organiques. L’eau traitée de haute qualité sort du logement du
système et se dirige vers le réservoir. L’eau rejetée contenant les
matières solides dissoutes et les déchets organiques quitte le
logement puis est déchargée à l’orifice de vidange au passant
par la conduite de 1/4 po.
Post-filtre—Après avoir quitté le réservoir mais avant d’être
acheminée au robinet du système, l’eau produite s’écoule vers
le post-filtre se trouvant dans le corps de filtre. Le post-filtre est
aussi une cartouche de filtration des sédiments remplaçable
contenant du charbon actif. Tout reliquat de goûts, d’odeur
ou de sédiments sont éliminés de l’eau par le post-filtre. L’eau
potable propre de haute qualité s’écoule par la conduite vers le
robinet du système.
Réservoir—Le réservoir contient jusqu’à 2,5 gallons (9,5 l)
d’eau traitée. À l’intérieur, un diaphragme maintient l’eau sous
pression lorsque le réservoir est plein de façon à assurer une
débit rapide vers le robinet lorsque l’on désire avoir de l’eau
potable.
4
3
2
1
Soutien au
consommateur Conseils de dépannage Fonctionnement Mesures de sécuritéInstallation

31
www.electromenagersge.ca
Clapet anti-retour—Le clapet empêche le refoulement de l’eau traitée en provenance du réservoir. Un tel refoulement
pourrait entraîner la rupture de la membrane du système.
Robinet d’arrêt automatique—Dans le but de conserver l’eau, le système de production d’eau potable comporte un robinet
d’arrêt automatique. Lorsque le réservoir est plein et que le robinet d’alimentation en eau potable est fermé, la pression
ferme l’appareil. Le débit d’eau vers le logement du système de filtration par osmose inversée est interrompu jusqu’à ce
que l’eau potable soit à nouveau utilisée et que la pression chute dans le système.
Régulation de débit—Le régulateur de débit contrôle le débit de l’eau au travers de la cartouche du système
de filtration pour obtenir la valeur requise nécessaire à la production d’eau de haute qualité. Il est situé sur
le tuyau de vidange de 1/4 po sortant du distributeur.
Robinet et électronique—Le robinet du comptoir fait couler de l’eau potable filtrée quand on l’ouvre. Il a un levier
manuel de réglage de débits variables. Le robinet reste ouvert quand on ôte sa main du levier, dès que l’eau a
commencé à couler. Conformément aux codes de plomberie, un écart anti-retour est construit dans le raccord
de renvoi du robinet.
8
7
6
5
Le robinet électronique comporte une minuterie de six mois pour vous rappeler que vous devez remplacer votre
pré-filtre et votre post-filtre. Remplacez les filtres quand la lumière bleue commence à clignoter, pour protéger
la membrane d’osmose inversée et préserver le bon fonctionnement du système.
Soutien au
consommateur
Conseils de dépannage
Fonctionnement
Mesures de sécurité Installation

Instructions
Système de filtration osmose inversée
d’installation
Modèles PXRQ15F et PNRQ15FBL
Si vous avez des questions, appelez le 1.800.361.3400 ou visitez notre site Web à l’adresse :
www.electromenagersge.ca
AVANT DE COMMENCER
L’INSTALLATION
Veuillez lire toutes les directives attentivement.
•IMPORTANT —Conservez ces
instructions pour l’inspecteur local.
•IMPORTANT —Respectez toutes
les ordonnances et les codes locaux.
•Avis à l’installateur – Assurez-vous de
laisser ces instructions au consommateur.
•Avis au consommateur – Conservez ces
instructions pour référence future.
•L’installateur est responsable de bien
installer.
•Toute panne du produit due à une
mauvaise installation n’est pas couverte par
la garantie.
•Un robinet d’arrêt doit être disponible ou
ajouté à côté du point d’installation.
OUTILLAGE ET MATÉRIEL REQUIS
POUR L’INSTALLATION
•Perceuse et mèche de perceuse de 1-1/4 po
(du type nécessaire) si le montage est
requis pour le robinet
•Deux (2) clefs réglables
•Mèche de perceuse de 1/16 po (en option
pour les trous de guidage)
•Ruban-mètre
•Tournevis normaux et Phillips
•Couteau
•Si votre canalisation principale d’eau est un
tuyau rigide, vous avez besoin d’une bague de
compression et peut-être d’autres éléments de
plomberie pour terminer l’installation.
ATTENTION : Pour éviter
d’endommager l’évier, consultez un plombier ou
un installateur qualifié avant de percer les trous.
Vous avez peut-être besoin de mèches de perceuse
spéciales pour la porcelaine ou l’acier inoxydable.
LISTE DES COMPOSANTS DE L’APPAREIL
•Ensemble de filtration par osmose inversée et conduite
•Imprimés concernant l’appareil (manuel d’utilisation et d’installation)
•Feuillet de données relatives à la performance
•Adaptateur d’alimentation d’eau et robinet d’alimentation
•Ensemble de robinet avec moniteur électronique de base et tuyau
•Réservoir
•Adaptateur de la conduite de vidange
AVERTISSEMENT : Lisez en totalité ce manuel. Si vous ne suivez pas toutes ses
règles et ses directives, vous pouvez provoquer des blessures corporelles ou des dommages matériels.
•Vérifiez les codes de plomberie auprès des services de travaux publics de votre État/province et/ou
de votre collectivité. Vous devez suivre leurs directives pour installer le système de filtration des eaux.
NOTE : Si vous ne vous conformez pas à ces instructions d’installation, vous annulez la garantie du produit,
et l’installateur devient responsable de tout service, réparation ou dommage occasionné par le système.
32

Instructions d’installation
Points à vérifier avant de commencer l’installation
EAU D’ALIMENTATION
L’eau alimentant le système de filtration par
osmose inversée monté sous le comptoir doit
présenter des qualités répertoriées dans les
spécifications. Dans la plupart des cas, l’eau
fournie par les municipalités répond à ces
spécifications. L’eau de puits peut requérir un
traitement—faites-la tester par un laboratoire
d’analyses et suivez leurs recommandations
pour traitement.
ATTENTION : Lorsque la dureté
de l’eau est supérieure à 10 grains (à un pH
de 6,9), il est recommandé d’utiliser un
adoucisseur. Si un adoucisseur n’est pas
utilisé, la durée de vie de la cartouche du
système de filtration sera réduite.
RACCORD DU SYSTÈME DE
FILTRAGE À LA VIDANGE
L’eau évacuée provenant de la membrane
du système de filtration nécessite un point
de vidange approprié et un espace d’air
(vérifiez vos codes locaux).
INSTALLATION DANS UN SOUS-SOL
Si l’installation est effectuée dans un sous-sol,
ménagez une longueur de conduite suffisante
au cours de l’installation afin de faciliter
l’entretien et d’assurer le remplacement des
filtres/membrane. Conduite et raccords
supplémentaires sont nécessaires.
NOTE : Consultez la liste de pièces à la page
51 pour des pièces en option qui peuvent être
nécessaires pour une installation au sous-sol.
ROBINET RO
Le robinet d’eau produite RO est monté sur l’évier ou
sur le comptoir à proximité de l’évier. Souvent, il est
monté dans l’orifice de l’arrosoir existant ou vous
pouvez percer un trou. Il est nécessaire de disposer
d’un espace suffisant sous l’évier ou le comptoir
pour la conduite reliée au robinet ou en provenance
de celui-ci et pour le montage du robinet. Tous les
raccordements de robinet sont effectués sur ou au
dessus de l’évier ou du comptoir.
Collecteur-p
de l’évier
Chaude Froide
Évacuateur Tuyau de vidange
de 1/4 po (noir)
Tuyau de sortie de 3/8 po (rayé de bleu)
Tuyau d’entrée de
1/4 po (rayé de jaune) Système de
osmose inversée
Tuyau du
réservoir de
stockage de
3/8 po (rayé
de rouge)
Dia. de
11 po
(28 cm)
10-1/2 po
(26,7 cm)
15 po (38 cm) 11 po (28 cm)
7 po (17,8 cm)
Tuyau de vidange de 3/8 po (noir)
Robinet d’eau produite RO passant au travers de l’évier ou le comptoir
Adaptateur d’alimentation
Pré-filtre Post-filtreMembrane
Tuyau d’entrée de
1/4 po (rayé de jaune)
partant du robinet
d’alimentation
Tuyau de
1/4 po (noir)
allant au
robinet
Tuyau de 3/8 po
(rayé de rouge)
allant au réservoir
de stockage
Tuyau de
3/8 po (rayé
de bleu) allant
au robinet
33
DÉTAIL DES TUYAUX/DU FILTRE

Instructions d’installation
ENSEMBLE D’OSMOSE INVERSÉE
INSTALLATION DU SYSTÈME
DE MONTAGE
Choisissez un emplacement sous l’évier pour
monter le système. Cet emplacement doit être
facilement accessible, avec suffisamment
d’espace libre entre le bas des cartouches
de filtre et le plancher d’armoire ou le bas de
l’armoire pour pouvoir enlever les cartouches de
filtre. Laissez suffisamment d’espace de chaque
côté du système pour les raccords de tuyaux.
1. Enlevez les cartouches de pré-filtre et
de post-filtre.
2. Enlevez le couvercle de l’ensemble en
déverrouillant les quatre taquets situés
sur le couvercle du système.
3. Utilisez un tournevis à tête plate pour aller
de gauche à droite à l’envers du système.
4. Utilisez les icônes placées en bas du
système pour bien placer votre tournevis.
5. Tenez l’ensemble d’osmose inversée vers
le haut le long de la surface du mur là où
vous voulez l’installer. Marquez l’emplacement
des vis. Il devrait y avoir au minimum 17 po
(43 cm) de distance entre ces marques et
le bas du plancher d’armoire.
ATTENTION : Ne mettez pas de
poussière ou de saletés dans l’endroit où vous
allez placer l’ensemble. Ne faites que marquer
l’emplacement des trous de montage.
6. Vissez les vis dans le mur, en laissant un espace
de 3/16 po libre entre la tête de vis et le mur
(percez des trous de guidage si nécessaire).
7. Accrochez l’ensemble d’osmose inversée sur
les vis. Serrez ou desserrez les vis le cas échéant
pour bien accrocher le système au mur.
8. Pour installer
le couvercle,
alignez les
taquets situés
à l’avant du
couvercle aux
ouvertures du
système.
9. Faites claquer le couvercle
en place; les taquets se
replient, en permettant
au couvercle de bien
tenir en place.
10. Enlevez la cartouche
de membrane.
Emplacement des vis
17 po (43 cm)
7 po (17,8 cm)
Vis
Vis
3/16 po
(0,5 cm)
Mur
Emplacement du tournevis
Tournevis
Ouverture
du système
Taquet
Pré-filtre Post-filtre
Pour enleverPour enlever
Pour
enlever
Membrane
34

Instructions d’installation
ALIMENTATION D’EAU
A. INSTALLATION PRÉFÉRENTIELLE
Utilisez le robinet d’alimentation existant de votre
évier (A) et le tuyau amovible de robinet (B).
1. Consultez l’illustration ci-dessous pour
terminer l’assemblage en fonction de la
taille de votre robinet d’alimentation (A).
2. Fermez le robinet d’alimentation d’eau
froide (A) sous l’évier.
3. Dévissez le tuyau flexible (B) du robinet
d’alimentation (A) qui est branché au
tuyau ascendant d’eau froide.
NOTE : Pour un tuyau rigide, consultez
C. Installation optionnelle, à la page 36.
Notez l’orientation de l’adaptateur (C) :
Installation 3/8 po—L’adaptateur à extrémité ronde
(C) se branche au robinet d’alimentation (A).
Installation 1/2 po—L’adaptateur à extrémité
ronde (C) se branche au raccord (D), puis au
tuyau existant de robinet (B).
Vérifiez et conformez-vous aux codes de plomberie lors de la planification puis installez un raccord
d’alimentation d’eau froide.
4. Assemblez l’adaptateur (C) et le raccord (D)
comme l’indique l’illustration de gauche,
conformément aux caractéristiques de votre
installation. Veillez à ce que le joint (G) soit
en place avant l’assemblage final.
Commencez l’installation à la main, puis
finissez de serrer à la clé anglaise. Prenez
bien soin de ne pas trop serrer ou de ne
pas fausser le filetage, car vous pouvez
l’endommager.
5. Serrez à la main l’adaptateur assemblé (C)
dans le robinet d’alimentation (A)
conformément aux caractéristiques de votre
installation. Assurez-vous que le joint (G)
soit en place avant l’assemblage final.
Commencez l’installation à la main, puis
finissez de serrer à la clé anglaise. Prenez
bien soin de ne pas trop serrer ou de ne
pas fausser le filetage, car vous pouvez
l’endommager.
6. Rebranchez le tuyau du robinet (B) au
sommet de l’adaptateur (C).
NOTE : Si vous devez enlever le robinet
d’entrée (F) pour votre installation, consultez
E. Enlèvement et réinstallation du robinet
d’entrée, à la page 37.
7. Coupez les liens métalliques des rouleaux
de tuyaux, en prenant soin de ne pas
endommager les tuyaux ou les pièces si
vous utilisez un couteau tout usage.
8. Enlevez l’écrou de 1/2 po (I) et la bague (H)
de l’extrémité du robinet d’entrée. Utilisant
le tuyau (rayé jaune) fourni, placez l’écrou (I)
et la bague (H) sur le tuyau et installez dans
le robinet d’entrée (F) comme l’indique la
figure de gauche. Serrez à la clé anglaise.
Prenez bien soin de ne pas trop serrer ou de
ne pas fausser le filetage, car vous pouvez
l’endommager.
NOTE : Inspectez les extrémités du tuyau avant
l’installation pour vous assurer qu’il n’y ait pas
d’imperfection et que l’extrémité du tuyau soit
bien coupée à angle droit. Vous aurez peut-être
besoin de recouper le tuyau.
35
Pour la plomberie
de 3/8 po Pour la plomberie
de 1/2 po
(B) Tuyau de
robinet (non
compris)
(D)
Raccord
(C)
Adaptateur
(F) Robinet d’entrée
(A) Robinet
d’alimentqation
d’eau froide
(non compris)
(B) Tuyau de
robinet (non
compris)
(A) Robinet
d’alimentation
d’eau froide
(non compris)
(D)
Raccord
(C)
Adaptateur
(G) Joint
(G)
Joint
(H)
Bague
(I) Écrou
(G) Joint

Instructions d’installation
ALIMENTATION D’EAU (suite)
B. INSTALLATION OPTIONNELLE
EFFECTUÉE DANS UN DOMICILE
Lorsque les codes l’autorisent (Des pièces
supplémentaires sont nécessaires)
*Pour OD de 1/2 po ou tube métallique de plus
grandes dimensions.
NOTE : Les codes de l’état du Massachusetts
exigent que l’installation soit effectuée par
un plombier certifié et ne permettent pas
l’utilisation de soupapes à étrier. Pour
l’installation, utilisez le code 248-CMR du
Commonwealth du Massachusetts.
Une soupape à étrier est disponible auprès
du service de piéces détachées GE en
composant le 1.800.626.2002, numéro de
référence WS15X10023. Les soupapes à étrier
auto-perçants ne sont pas recommandés.
1. Fermez l’alimentation d’eau froide et
montez la soupape à étrier comme l’exige
le produit de votre choix. (Assurez-vous
de suivre les instructions d’installation du
fabricant).
DANGER : Beaucoup de maisons
sont raccordées à la terre par l’intermédiaire
de la plomberie. Pour vous mettre à l’abri de
blessures graves ou de choc électrique fatal,
utilisez une perceuse alimentée par batterie
pour faire le trou. N’UTILISEZ PAS DE
PERCEUSE ÉLECTRIQUE.
2. Fermez le robinet d’alimentation d’eau en
tournant la poignée dans le sens horaire.
3. Ouvrez le robinet principal d’alimentation
et plusieurs autres robinets de l’habitation
afin de purger l’air du système. Fermez
les robinets une fois que l’écoulement
d’eau est régulier.
Montez la soupape dans
le support (NE SERREZ
PAS EXCESSIVEMENT)
Plusieurs
filets doivent
être visibles
Joint en caoutchouc
C. INSTALLATION OPTIONNELLE
AVEC TUYAU RIGIDE
Pour installer avec un tuyau rigide entre le
robinet d’entrée et le robinet de l’évier.
Option 1
1. Enlevez le tuyau du robinet d’alimentation
et le robinet de l’évier.
2. Obtenez un tuyau flexible correspondant
à la taille de votre plomberie.
3. Installez le tuyau flexible.
4. Retournez à la section A. Installation
préférentielle, étape 4.
Option 2
1. Obtenez des bagues de compression
qui conviennent au tuyau rigide.
2. Obtenez toute autre bague nécessaire pour
brancher les bagues de compression à
l’adaptateur.
NOTE : L’adaptateur a un filetage intérieur de
1/2 po et un filetage extérieur de 3/8 po.
3. Enlevez le tuyau du robinet d’alimentation.
4. Coupez le tuyau afin que sa longueur
corresponde à celle des bagues assemblées
et à l’adaptateur.
5. Installez la bague de compression sur le tuyau.
6. Retournez à la section A. Installation
préférentielle, étape 4.
NOTE : Les pièces indiquées ci-dessus
n’accompagnent pas le produit.
36
B. INSTALLATION OPTIONNELLE
EFFECTUÉE DANS UN DOMICILE
(suite)
Raccordement optionnel à la source d’alimentation
d’eau (avec utilisation de la soupape à étrier)*
Trou de 1/4 po
pré-percé
Joint—assurez-vous
que le joint est en place
Bride X
Écrou (2)—non
nécessaire si les
trous de la bride
sont filetés
Soupape
à étrier
Poignée
Adaptateur
de la conduite
Rondelle
Écrou de
compression
Bride Z
Utilisez pour raccorder
la conduite
*Pour OD de 1/2 po ou tube métallique de plus
grandes dimensions.

Instructions d’installation
D. INSTALLATION À DISTANCE
OPTIONNELLE (des pièces
supplémentaires sont nécessaires)
1. Fermez l’alimentation d’eau froide.
2. Installez un raccord sur la conduite d’eau froide
pour adaptation à une conduite de diamètre
extérieur de 1/4 po, conformément aux codes de
plomberie. Une connexion typique est montrée
dans l’illustration ci-dessous. Vérifiez qu’un
robinet d’alimentation d’eau est utilisé.
3. Si l’équipement de filtration à osmose
inversée doit être installé à plus de 1,8 m (6 pi)
du robinet, remplacez le tuyau d’entrée (rayé
jaune) par une conduite GE de 1/4 po plus long.
Une conduite de 1/4 po de 10 m (33 pi) est
disponible auprès du service de pièces détachées
GE au 1.800.626.2002, numéro de référence
WS07X10018. NE SUBSTITUEZ PAS DE
CONDUITE DE QUALITÉ INCONNUE.
4. Si l’équipement de filtration à osmose inversée
doit être installé à plus de 1,8 m (6 pi) du robinet,
remplacez le tuyau de sortie (rayé bleu) par une
conduite GE de 3/8 po plus long. Une conduite de
10 m (33 pi) est disponible auprès du service de
pièces détachées GE au 1.800.626.2002, numéro
de référence WS07X10019. Voir Installation du
robinet, page 39 pour plus de détails. NE
SUBSTITUEZ PAS DE CONDUITE DE QUALITÉ
INCONNUE.
Si vous utilisez des tubes de cuivre, NE les branchez
PAS directement sur l’équipement de filtration par
osmose inversée. Achetez un connecteur et utilisez
une conduite jaune plus court fourni pour faire la
connexion finale à l’équipement de filtration par
osmose inversée. N’utilisez pas de tube de cuivre
pour brancher à machine à glaçons ou au robinet.
Insert (non inclus)
Tuyau
d’eau
froide Tuyau de 1/4 po
(rayé jaune) à l’entrée
Bague
Robinet d’alimentation
d’eau
Vers
l’appareil RO
Branchement préférentiel à
l’alimentation d’eau (utilisant une
bague de compression)
E. ENLÈVEMENT ET RÉINSTALLATION
DU ROBINET D’ENTRÉE (nécessaire
uniquement si vous devez enlever le
robinet d’entrée pour terminer l’étape 5
à la page 39)
1. Enlevez le robinet d’entrée (F) de l’adaptateur
(C) en utilisant une clé anglaise sur le corps du
robinet. Consultez l’illustration ci-dessous pour
de plus amples détails. N’UTILISEZ JAMAIS
LA CLÉ SUR L’ÉCROU HEXAGONAL SITUÉ À
L’EXTRÉMITÉ DU ROBINET, CAR VOUS
POUVEZ PROVOQUER UNE FUITE.
2. Enlevez tout le chatterton d’étanchéité
des filetages du robinet d’entrée (F) et de
l’adaptateur (C).
3. Serrez à la main l’adaptateur assemblé (C) dans
le robinet d’alimentation (A) pour votre bonne
taille d’installation. Assurez-vous que les joints
(G) soient en place avant l’assemblage final,
conformément à l’illustration de la page 39.
Serrez à la clé anglaise. Prenez bien soin de ne
pas trop serrer ou de ne pas fausser le filetage,
car vous pouvez l’endommager.
4. Utilisez le chatterton
d’étanchéité fourni, en
tournant le chatterton
environ 9 fois autour du
gros filetage sur le robinet
d’entrée (F), dans le sens
des aiguilles d’une montre,
comme l’indique la figure à
droite.
5. Serrez à la main le robinet d’entrée (F) dans
l’adaptateur (C), puis finissez de serrer à la clé
anglaise. N’UTILISEZ JAMAIS LA CLÉ SUR
L’ÉCROU HEXAGONAL SITUÉ À L’EXTRÉMITÉ
DU ROBINET, CAR VOUS POUVEZ PROVOQUER
UNE FUITE.
37
(C)
Adaptateur
(F) Robinet d’entrée

Instructions d’installation
ALIMENTATION D’EAU (suite)
INSTALLATION DU TUYAU AU
RÉSERVOIR ET AU ROBINET
1. Mesurez 3/4 po (19 mm) à partir de chaque
extrémité de tuyau restante (extrémité du
tuyau et extrémité du robinet) et marquez
avec un crayon (vérifiez que le tuyau soit
bien rond, lisse, qu’il n’ait pas de coupure,
d’arête vive ou de point faible, et que la
coupure soit bien perpendiculaire).
2. Poussez fermement le tuyau dans chaque
raccord du collecteur jusqu’à ce que le
tuyau soit aligné au col du manchon (si le
tuyau est enlevé, recoupez son extrémité,
mesurez, marquez et réinsérez). Vous
devez bien insérer le tuyau pour éviter
toute fuite. Pour enlever le tuyau, appuyez
sur la virole rouge ou bleue et tenez
appuyé. Tirez sur le tuyau pour l’enlever.
3. Tirez légèrement sur le tuyau pour vous
assurer qu’il est bien scellé.
3/4 po
(19 mm)
INCORRECT
34"
Engagement
3/4 po
(19 mm)
(Tuyau de 3/8 po)
Virole rouge ou bleue
(NE PAS ENLEVER)
Ligne d’insertion
Insérez le tuyau
PROCÉDURE DE REMPLACEMENT
DU RÉDUCTEUR DE DÉBIT
Chaque fois que vous changez la cartouche
d’osmose inversée, vous devez également
changer le réducteur de débit dans le tuyau
de vidange.
Assurez-vous de bien vous laver les mains
avant de toucher les pièces internes du système.
PROCÉDURE DE REMPLACEMENT
DU RÉDUCTEUR DE DÉBIT (suite)
1. Enlevez le tuyau de vidange en poussant
vers le haut la virole du tuyau de vidange
(1) avec une main tout en enlevant le
tuyau de vidange (2) avec l’autre main.
2. Après avoir enlevé le tuyau de vidange de
la base du système, saisissez l’extrémité
du réducteur de débit et tirez le réducteur
droit vers vous pour le faire sortir du
tuyau*. Si le réducteur est difficile à enlever
à la main, utilisez des pinces pour saisir
l’extrémité du réducteur, pour l’enlever
plus facilement du tuyau.
*Dans certains cas, le réducteur peut sortir en glissant
du tuyau de vidange quand vous l’enlevez du col du
tuyau de vidange. Si, après avoir enlevé le tuyau de
vidange conformément à l’étape 1, le réducteur n’est
plus à l’extrémité du tuyau, vérifiez le col du tuyau de
vidange. Enlevez le réducteur du col et passez à l’étape 3.
3. Prenez un nouveau réducteur et mettez-le
en place en le faisant glisser dans le tuyau
de vidange. Faites-le pénétrer à la main.
N’utilisez jamais de pinces pour le remettre
en place. Assurez-vous de faire entrer
complètement le réducteur dans le tuyau.
Si vous ne le faites pas, vous risquez
d’obtenir un mauvais fonctionnement
du système d’osmose inversée.
4. Refaites entrer le tuyau de vidange dans
la base du système. Tirez un peu sur le
tuyau pour vous assurer que la virole est
bien engagée et tient bien au tuyau.
1
2
38

Instructions d’installation
INSTALLATION DU ROBINET
MONTAGE DE ROBINET
Assurez-vous que vous disposez d’un espace suffisant sous
l’évier pour faire les raccordements. Choisissez l’un des
endroits suivants pour l’installation du robinet :
•Dans un trou d’évier existant pour tuyau de pulvérisation
d’eau ou distributeur de savon liquide.
•Dans un trou à percer dans le dessus de l’évier.
•Dans un trou à percer dans le comptoir, à côté de l’évier.
NOTE : Assurez-vous que la base du robinet s’adaptera sur
la surface de la position sélectionnée pour assurer une
bonne jonction du joint du robinet et de la surface.
1. Si un perçage est nécessaire, faites un trou de 1-1/4 po
de diamètre. Assurez-vous que vous suivez la bonne
procédure pour le perçage de la porcelaine ou de l’acier
inoxydable. Vous pouvez avoir besoin de mèches
spéciales de perceuse. Consultez un plombier qualifié
pour trouver la bonne procédure.
2. Enlevez le robinet, le joint torique (D), la base de
robinet (E), le joint d’étanchéité du bas de la base (F),
la rondelle frein (G), l’écrou hexagonal (H) et le disque
de montage (I) de l’emballage.
3. Faites passer le tuyau de 3/8 po (rayé bleu), le tuyau
de 1/4 po (noir) (attaché au système d’osmose inversée)
et le tuyau de 3/8 po (noir) (compris dans l’emballage)
par le trou de montage de l’évier ou du comptoir.
Cette étape peut nécessiter deux personnes pour
l’assemblage. Consultez la section Installation
optionnelle du tuyau de robinet par une personne
à la page 40.
4. Acheminez les deux conduites noires vers le haut au
travers du joint d’étanchéité (F), de la base du
robinet
(E) et du joint torique (D).
NOTE : Pour faciliter les opérations d’entretien,
maintenez la conduite suffisamment long de telle
façon que le retrait du système de filtration par osmose
inversée situé sous le comptoir demeure possible.
5. Poussez la conduite noire de 1/4 et 3/8 po sur leur
raccord cannelé respectif sur le corps (B).
NOTE : Pour faciliter l’insertion, trempez les extrémités des
tuyaux dans de l’eau chaude pendant quelques minutes
pour les assouplir.
6. Positionnez la base (E) et le corps (B) ensemble.
Assurez-vous que le joint torique et le joint d’étanchéité
sont en place à la jonction de la base et du corps. La
poignée du robinet sera positionnée à 3 heures par
rapport à la base.
7. Glissez la rondelle frein sur la tige filetée du robinet (B),
puis vissez l’écrou hexagonal (H) sur la tige. Vissez sur
la moitié de la longueur environ vers le haut.
NOTE : Si vous utilisez le robinet sur un évier en acier
inoxydable, faites glisser une bague d’installation (M) avant
la rondelle frein.
8. Vissez l’adaptateur de tuyau à l’extrémité bleue (K) de
l’arrière filetée du corps (B).
9. Poussez le tuyau (rayé bleu) dans l’adaptateur. Il
doit pénétrer d’environ 3/4 po (2 cm). Tirez dessus pour
vous assurer qu’il tient bien.
10. Passez la conduite et la tige vers le bas au travers
du trou de 1-1/4 po (3 cm).
11. Abaissez l’ensemble de robinet en place dans le trou
de montage et orientez-le en position finale. Placez le
disque de montage (I) au-dessus de la rondelle frein (G)
autour de l’arrière du robinet. En tenant le disque de
montage en place, serrez fort l’écrou hexagonal.
Cette étape peut nécessiter deux personnes.
Disque de
montage (I)
Base (E)
Écrou
hexagonal (H)
Poignée
Bec
Joint
d’étanchéité (F)
Adaptateur de la conduite (K)
Rondelle frein (G)
Joint
torique (D)
Capuchon
ASSEMBLÉ
Raccord cannelé
de 3/8 po
Tuyau de
vidange de 3/8
po (noir)
Tuyau de vidange
de 1/4 po (noir)
Raccord cannelé
de 1/4 po
Adaptateur de la
conduite (K)
Tuyau de sortie de
3/8 po (rayé bleu)
Écrou hexagonal (H)
Rondelle frein (G)
Bague d’installation (M)
(le cas échéant)
Corps du
robinet (B)
De l’appareil OIDe l’appareil
OI
Vers l’égout
39

Instructions d’installation
INSTALLATION DU ROBINET (suite)
INSTALLATION DE LA PILE
1. Utilisez un petit tournevis à tête plate ou une
pièce de monnaie pour enlever le tiroir à pile
(A) du côté de la base de robinet.
2. Installez une pile CR2032 de 3 volts (B),
le côté positif (+) vers le bas, dans le tiroir
à pile (A).
3. Faites glisser le tiroir à pile dans la base de
robinet (C) jusqu’à ce que le rebord du tiroir
à pile (A) soit aligné au côté de la base.
4. La lumière bleue (D) clignote cinq fois,
indiquant ainsi une bonne installation et une
remise à zéro du système. Si vous voulez
recommencer la procédure de démarrage
du système, enlevez la pile pendant 45 à 60
secondes. Le système électronique doit se
décharger entièrement. Remettez ensuite
la pile en place.
5. La lumière est normalement éteinte. Après
6 mois d’utilisation, la lumière se remet à
clignoter toutes les 30 secondes, indiquant
ainsi qu’il est temps de remplacer le filtre.
NOTE : La lumière bleue peut s’arrêter de
clignoter si on la laisse clignoter pendant
longtemps. Pour assurer un bon fonctionnement,
vous devez changer la pile chaque fois que vous
changez le filtre.
INSTALLATION OPTIONNELLE DU
TUYAU DE ROBINET PAR UNE
PERSONNE
1. En partant sous l’évier, réunissez le tuyau
de vidange de 1/4 (noir), le tuyau de vidange
de 3/8 po (noir) et le tuyau de sortie de 3/8
po (rayé bleu) dans une main, avec les
tuyaux de drainage se terminant à la même
longueur et le tuyau de sortie dépassant
d’environ 6 pouces.
2. Entourez les trois tuyaux d’une bande
élastique.
3. Insérez un crayon ordinaire No 2 dans
la bande élastique.
4. Faites tourner le crayon jusqu’à ce qu’il soit
aligné aux tuyaux et poussez vers le haut
par le trou de montage. Relâchez votre prise
sur le crayon. Les tuyaux demeurent en
position pour un branchement plus facile
du robinet.
+
–
(B) Pile
(C) Base
du robinet (A) Tiroir
à pile
(D) Lumière
bleue
40

Instructions d’installation
RACCORDEMENTS À LA CONDUITE DE VIDANGE
INSTALLATION PRÉFÉRENTIELLE :
OPTION A – INSTALLATION
DU SYSTÈME AU SOUS-SOL
Acheminez DIRECTEMENT la conduite de
vidange du système de filtration par osmose
inversée à un évent du sous-sol, en dérivant
l’espace d’air ménagé dans le robinet.
L’installation de l’écart anti-retour est laissée
à la discrétion de l’installateur. Il est aussi
possible de diriger la conduite de vidange sur
un orifice d’évacuation du sol ou encore dans
une baignoire sous réserve que l’espace d’air
du sous-sol est respecté. Des raccords
spéciaux pour l’espace d’air sont disponibles
pour le raccordement de la conduite à l’évent.
Vérifiez et conformez-vous aux codes de plomberie lors de la planification.
MISE EN GARDE : Les options décrites ci-dessous représentent UNIQUEMENT
les configurations d’installation homologuées. N’utilisez pas de systèmes comportant
des soupapes à étrier.
NOTE : Si vous ne vous conformez pas à ces instructions d’installation, vous annulez la garantie
du produit, et l’installateur devient responsable de tout service, réparation ou dommage
occasionné par le système.
41
Conduite de vidange du système de
filtration par osmose
1 po
Il faut conserver un
écart anti-retour d’au
moins 1 po (2,5 cm)
INSTALLATION PRÉFÉRENTIELLE :
OPTION B – INSTALLATION D’UN
SIPHON P À VENTILATION
TRADITIONNELLE
Installez sous l’évier un siphon P à ventilation
traditionnelle, qui sera utilisé uniquement
pour le tuyau de vidange d’osmose inversée.
Un siphon P à ventilation traditionnelle est un
siphon P qui a sa propre ventilation. Attachez
l’adaptateur de tuyau de vidange au siphon P,
et serrez-le avec l’écrou coulissant et la
rondelle comme l’indique la figure. Le tuyau
de vidange DOIT passer par l’espace d’air
fourni par le robinet d’eau d’osmose inversée.
Tuyau de
vidange
d’osmose
inversée
Évacuateur en option

Instructions d’installation
RACCORDEMENTS À LA CONDUITE DE VIDANGE (suite)
INSTALLATION PRÉFÉRENTIELLE :
OPTION C – INSTALLATION D’UN
SIPHON P À VENTILATION INTERNE
Installez sous l’évier un siphon P à ventilation interne,
qui sera utilisé uniquement pour le tuyau de vidange
d’osmose inversée. Un siphon P à ventilation interne
est un siphon P qui partage une ventilation
commune. Attachez l’adaptateur de tuyau de vidange
au siphon P, et serrez-le avec l’écrou coulissant et la
rondelle comme l’indique la figure. Le tuyau de
vidange DOIT passer par l’espace d’air fourni par le
robinet d’eau d’osmose inversée. Placez le siphon P
d’osmose inversée aussi haut que possible (au moins
4 po [10 cm] au-dessus de l’horizontale).
1 po
(2,5 cm)
INSTALLATION SECONDAIRE :
OPTION D – INSTALLATION D’UN
ADAPTATEUR DE TUYAU DE VIDANGE
ATTENTION : Si vous utilisez l’option
D, vous risquez de boucher la tuyauterie en cas
de mauvaises conditions. L’utilisateur doit
l’inspecter et la nettoyer périodiquement.
N’INSTALLEZ PAS LE TUYAU DE VIDANGE EN
AVAL D’UN ÉVACUATEUR OU SUR UN TUYAU
HORIZONTAL. Installez l’adaptateur de tuyau de
vidange sous l’évier comme l’indique la figure (pièces
comprises). Vous devez installer la chicane en T
indiquée pour empêcher que le tuyau de vidange
d’osmose inversée se bouche. Amenez le tuyau de
vidange de l’écart anti-retour à l’adaptateur de tuyau
de vidange, en vous assurant qu’il n’y ait pas d’angle
d’inclinaison, de boucle ou de point bas dans le
tuyau. Vous devez aligner verticalement l’adaptateur
de tuyau de vidange de manière à ce que le
branchement de tuyau soit orienté vers le haut (le
branchement de tuyau ne doit jamais baisser de
moins de 45° par rapport à sa position verticale).
Cette installation peut occasionner un petit bruit de
vidange quand le système d’osmose inversée se
recharge. Si cela se produit, placez simplement les
bouchons de vidange d’évier pour arrêter le bruit
.
Tuyau de
vidange
d’osmose
inversée
Évacuateur en option
Tuyau de
vidange
d’osmose
inversée
Au moins 4 po (10 cm)
Adaptateur de
tuyau à vidange
Maximum 45°
Chicane en T
(obligatoire)
Évacuateur
en option
Depuis le
deuxième
évier ou
l’évacuateur
45°
De l’écart anti-retour
du robinet
Adaptateur de
tuyau à vidange
Le branchement du tuyau de
vidange doit être 180° opposé
à la chicane en T ou au tuyau
existant comme l’indique la
figure
Adaptateur de
tuyau à vidange
Bonne orientation de l’adaptateur de tuyau de vidange
42

Instructions d’installation
RÉSERVOIR DE STOCKAGE ET DÉMARRAGE DU SYSTÈME
43
INSTALLATION DU RÉSERVOIR
DE STOCKAGE
1. Enlevez le capuchon protecteur du haut
du réservoir.
2. Enroulez 2 ou 3
tours de chatterton
d’étanchéité, dans
le sens des aiguilles
d’une montre,
autour du filetage
du réservoir.
3. Installez le raccordement
poussoir sur le
raccordement fileté
du réservoir comme
l’indique la figure.
4. Poussez le tuyau de
3/8 po (rayé rouge)
du système d’osmose
inversée dans le
raccordement du
réservoir de stockage.
PROCÉDURE DE MISE EN MARCHE
DU SYSTÈME
ATTENTION : Si vous installez
votre système dans une construction neuve,
assurez-vous de bien purger la plomberie de
la maison avant d’ouvrir le robinet
d’approvisionnement d’eau.
1. Vérifiez que tous les raccords de tuyaux
soient bien mis.
2. Ouvrez le robinet d’approvisionnement d’eau.
3. Vérifiez qu’il n’y ait pas de fuite aux points de
raccordement.
4. Suivez les procédures d’aseptisation
à la page 45.
5. Après avoir terminé l’aseptisation, remettez
le pré-filtre, le post-filtre et les cartouches
d’osmose inversée.
6. La membrane contient un agent de
préservation comestible. Laissez le système
remplir le réservoir, videz-le ensuite
complètement quatre fois avant d’utiliser
l’eau du système.
7. Vérifiez à nouveau tous les points de raccords
quelques jours plus tard, afin de vous assurer
qu’il n’y ait pas de petites fuites.
Réservoir
de stockage
Chatterton
d’étanchéité

Conseils de dépannage
Soutien au
consommateur Installation Mesures de sécuritéFonctionnement
Entretien et nettoyage du système de filtration
par osmose inversée.
Procédure de remplacement du pré-filtre, du post-filtre et de la cartouche de membrane
d’osmose inversée.
Quand la lumière bleue de la base du robinet
clignote, il est temps de remplacer le pré-filtre
et le post-filtre. Cela se produit tous les 6 mois.
Assurez-vous de vous laver les mains avant de
manipuler les pièces intérieures du système.
1. Mettez la machine à glaçons en position OFF
(arrêt) (si elle est attachée au système).
2. Coupez l’alimentation en eau du système.
3. Ouvrez le robinet pour vider le réservoir (cela
peut rendre plusieurs minutes). Fermez le
robinet quand le réservoir est vide.
4. Enlevez le pré-filtre, le post-filtre et la cartouche
d’osmose inversée en les faisant tourner vers la
gauche environ 1/3 de tour.
5. Suivez les procédures de la section Aseptisation
du système d’osmose inversée à la page 45.
6. Enlevez l’opercule au sommet des nouvelles
cartouches de remplacement. Installez les
nouvelles cartouches dans le collecteur en
tournant vers la droite environ 1/3 de tour,
jusqu’à ce que les marques d’alignement soient
alignées et les cartouches s’arrêtent. NE SERREZ
PAS TROP. Les cartouches se soulèvent quand
elles sont tournées.
NOTE : Le pré-filtre et le post-filtre sont
identiques. Vous pouvez installer l’un ou l’autre
indifféremment. La cartouche d’osmose inversée
est installée au centre.
7. Ouvrez l’approvisionnement d’eau pour remplir
le système (cela peut prendre jusqu’à quatre
heures). Vérifiez qu’il n’y a pas de fuite.
8. Enlevez le tiroir à pile et remettez la pile, le côté
positif « + » vers le bas, pour remettre en marche
la minuterie et la fonction de surveillance dans
la base du robinet (voir la bonne procédure
dans la section Installation de la pile).
9. Si vous ne remplacez que le pré-filtre et le post-
filtre, ouvrez le robinet et videz le réservoir de
stockage plein. Si vous remplacez la cartouche
de membrane, remplissez et videz le réservoir
de stockage quatre fois au total. (Cela enlèvera
les agents de préservation comestibles contenus
dans les nouvelles membranes. Cet agent de
préservation donne à l’eau du produit un
goût et une odeur désagréables.
10. Quand le réservoir de stockage est plein, mettez
en marche la machine à glaçons.
NOTE : Vous devez aseptiser le système quand vous
remplacez la cartouche de pré-filtre et la cartouche
de post-filtre ou la cartouche d’osmose inversée.
Suivez les procédures de la section Aseptisation du
système d’osmose inversée, à la page 45.
44
ON (marche)
OFF (arrêt)
Pour enlevez
Osmose
inversée
Pré-filtre
Post-filtre

www.electromenagersge.ca
Aseptisation du système d’osmose inversée
Aseptisez l’installation du système d’osmose
inversée après avoir entretenu, réparé ou changé
des pièces intérieures, en particulier après avoir
remplacé le pré-filtre, le post-filtre et la
cartouche de membrane.
Assurez-vous de vous laver les mains avant de
manipuler les pièces intérieures du système.
ATTENTION : Avant d’aseptiser,
assurez-vous d’enlever toutes les cartouches.
Le chlore détruit la cartouche de membrane
d’osmose inversée.
1. Suivez les étapes 1 à 4 de la section Procédure
de remplacement du pré-filtre, du post-filtre et
de la cartouche de membrane d’osmose inversée.
2. Emplissez d’eau la cartouche vide appelée
« cartouche d’aseptisation », avec l’eau qui arrive
à moins d’1 pouce de l’ouverture supérieure.
Ajoutez 1 once (2 cuillers à soupe) d’eau de Javel
ménagère ordinaire. Installez la cartouche en
position de cartouche de pré-filtre en tournant
vers la droite environ 1/3 de tour jusqu’à ce
que les marques d’alignement s’alignent et
la cartouche s’arrête.
3. Installez les deux « cartouches d’aseptisation »
additionnelles dans les ouvertures de la
cartouche de membrane et du post-filtre
du collecteur en les tournant vers la droite
environ 1/3 de tour jusqu’à ce que les
lignes d’alignement soient alignées et
la cartouche s’arrête.
4. Ouvrez l’alimentation d’eau. Ouvrez le robinet
jusqu’à ce que l’eau commence à couler du
robinet, puis fermez le robinet. Laissez le système
se remplir pendant 10 minutes.
5. Ouvrez le robinet et laissez l’eau couler
20 minutes, ou jusqu’à ce que l’odeur
de Javel disparaisse. Fermez à nouveau
l’approvisionnement d’eau. Ouvrez le
robinet pour purger le système.
6. Quand le système est purgé, fermez le robinet
et enlevez les cartouches en les tournant vers la
gauche environ 1/3 de tour. Conservez-les dans
un endroit sûr jusqu’à ce que vous en ayez
besoin à nouveau.
45
Cartouches
d’aseptisation
Position de
pré-filtre
Soutien au
consommateur
Conseils de dépannage
FonctionnementMesures de sécurité Installation

Entretien et nettoyage du système de filtration
par osmose inversée.
Pour obtenir des filtres de rechange, appelez le numéro d’appel sans frais du service de pièces d’appareil GE au
800.626.2002 (États-Unis), 800.663.6060 (Canada–Anglais), 800.361.3869 (Canada–Français), ou visitez le magasin
dans lequel vous avez acheté le système de filtration par osmose inversée.
MISE EN GARDE : Avant d’effectuer l’entretien du système de filtration, fermez
le robinet d’alimentation / soupape à étrier et ouvrez le robinet d’eau OI. Permettez au système
de se vider.
Cartouche de rechange du pré-filtre/post-filtre FQROPF Bloc de charbon
Cartouche de rechange du système de filtration FQROMF Pellicule mince en polyamide
Trousse de test d’eau
Pour obtenir une trousse de test d’eau d’un laboratoire indépendant, veuillez appeler Legend
Technical Services au 1.800.826.8553 poste 47 et laissez les informations pour vous contacter. Ils
vous contacteront pour vous demander d’identifier les tests d’eau qui vous intéressent, et pour vous
informer du coût du test. Vous recevrez ensuite une trousse qui comprendra tous les tests nécessaires
pour indiquer correctement le niveau de performance de votre système. L’eau produite doit être
testée au minimum tous les six mois.
NOTE : Quand la réduction de solides totaux dissous du système baisse en dessous de 75 %, il est
temps de remplacer la cartouche d’osmose inversée en plus du pré-filtre et du post-filtre.
46
Conseils de dépannage
Soutien au
consommateur Installation Mesures de sécuritéFonctionnement

47
Problème Causes possibles Correctifs
L’eau est trouble et Il y a de l’air dans les conduites •Ce phénomène disparaît après que l’eau a coulé
contient des bulles après l’installation. pendant un certain temps.
La lumière indicatrice Les piles ne sont pas bien mises •Trouvez la bonne orientation à la page 40 et placez bien
située sur la base du ou sont usées. les piles. Remplacez les piles si elles sont usées.
robinet ne fonctionne pas
La lumière bleue ne s’allume pas •Fonctionnement normal.
avant 6 mois.
Les piles sont mortes. •Utilisez la pile neuve CR2032, de 3 volts.
L’eau du système de La concentration en ppm de •Si l’eau alimentant le système contient une
filtration goûte le chlore chlore dans votre eau dépasse concentration de plus de 2,0 ppm de chlore, il est
ou présente des odeurs les limites maximales et a détruit nécessaire d’assurer un filtrage complémentaire de cette
de chlore la membrane du système. eau. Corrigez cette situation avant toute opération
d’entretien du système.
Le pré-filtre n’élimine plus le •Remplacez la membrane, cartouche, régulateur de débit,
chlore de l’eau. tamis, pré-filtre, post-filtre du système de filtration et les
piles dans la boîte électronique.
Il y a d’autres odeurs L’eau de haute qualité produite •Ceci est normal.
ou goût de chlore peut avoir un goût différent de
celui auquel vous êtes habitué.
Utilisation basse de l’eau. •Videz complètement le système et le remplir à nouveau.
Contamination dans le réservoir •Utilisez les procédures de désinfection.
d’eau traitée.
Le pré-filtre ou post-filtre •Remplacez le pré-filtre et le post-filtre.
doivent être remplacés. •Désinfectez le système.
Avant d’appeler un réparateur... www.electromenagersge.ca
Conseils de dépannage
Économisez du temps et de l’argent! Repassez en revue le
tableau et il est possible que vous n’ayez pas à appeler pour
obtenir du service.
Soutien au
consommateur
FonctionnementMesures de sécurité Installation Conseils de dépannage

Fonctionnement Mesures de sécuritéInstallation
Conseils de dépannage
Soutien au
consommateur
48
Problème Causes possibles Correctifs
L’eau fuit de l’orifice Le côté vidange de l’espace d’air •Inspectez et éliminez la cause du colmatage. Il est
d’espace d’air du robinet du robinet (conduite de 3/8 po) important que la conduite de vidange soit rectiligne
est colmaté, l’écoulement est entre l’espace d’air du robinet et la conduite de vidange.
limité ou la conduite n’a pas été Réferez-vous à la section Raccordement à la conduite de
correctement raccordé au vidange pour vous assurer d’un bon raccord de la
point de vidange. conduite. Si vous avez utilisé un adaptateur pour la
conduite au point de vidange, il est recommandé
d’effectuer une inspection périodique/nettoyage.
Le système produit de Ceci est normal. •Le débit d’eau sera inférieur à celui de votre robinet
l’eau lentement habituel.
•Il faut de 3 à 4 heures pour fournir suffisamment d’eau
pour remplir le réservoir.
L’eau alimentant le système de •Augmentez la pression de l’eau ou pré-conditionnez
filtration ne répond pas aux l’eau, etc. selon le cas afin que vous soyez conforme
spécifications définies. aux spécifications avant d’effectuer les opérations
d’entretien du système.
La cartouche du pré-filtre est •Remplacez le pré-filtre. Si le débit n’augmente pas,
colmatée par des sédiments. remplacez le post-filtre, la cartouche du système,
le régulateur de débit et les piles dans la base
du robinet.
La cartouche du système est •Remplacez la cartouche du système, le régulateur
colmatée par des sédiments. de débit et la pile dans la base du robinet.
Pas d’eau Le robinet d’alimentation d’eau •Ouvrez le robinet d’alimentation d’eau. Consultez
n’est pas ouvert. le diagramme à la page 37.
Après un changement de filtre, •Il faut de 3 à 4 heures au système d’osmose inversée
le réservoir est vide. pour fournir suffisamment d’eau pour remplir
le réservoir.
Fuites aux raccords Mauvaise installation. •Réinstallez. Consultez les instructions d’installation.
Sons que vous pouvez Vidange de l’évier, vidange •C’est normal.
entendre de l’eau du système. •Vous pouvez poser un tuyau de vidange à une autre
vidange, comme une vidange de cave. Consultez les
pages 41 et 42 pour d’autres configurations de vidange.
Écart anti-retour du robinet— •Installez un régulateur de pression dans le système
vidange de l’eau au travers de d’approvisionnement d’eau pour réduire la pression
l’écart anti-retour du robinet. de l’eau en dessous de 90 psi.
Cela peut résulter d’un •Un autre réducteur de débit pour les installations
approvisionnement d’eau à pression élevée est vendu par GE (article 31 sur
à pression élevée, en général la liste des pièces à la page 51. Appelez les pièces GE
de 90 psi ou plus. et demandez un réducteur de débit, haut débit, pièce
numéro WS15X10049.
Avant d’appeler un réparateur...
Conseils de dépannage

49
Notes. www.electromenagersge.ca
Soutien au
consommateur
FonctionnementMesures de sécurité Installation Conseils de dépannage

Réducteur de débit
pour installations à pression
élevée
Liste de pièces.
50
PXRQ15F, PNRQ15FBL
PIÈCES EN OPTION
POUR UNE INSTALLATION
À DISTANCE

QUANTITÉ
P
N
PR
XQ
R1
Q5
1F
5B
N° DE RÉF N° DE PIÈCE DESCRIPTION DES PIÈCES FL
0001 WS19X10017 ENSEMBLE DE COLLECTEUR 1 1
0002 WS19X10018 CAPUCHON 1 1
0003 FQROPF ENSEMBLE PRÉ-FILTRE ET POST-FILTRE 1 1
0004 FQROMF CARTOUCHE D’OSMOSE INVERSÉE 1 1
0005 WS03X10047 JEU DE JOINTS TORIQUES (4 GRANDS, 6 PETITS) 1 1
0006 WS03X10048 CAPUCHON D’INDICATEUR DE DÉBIT
ET JOINT TORIQUE 1 1
0007 WS15X10050 ENSEMBLE DE ROBINET D’ARRÊT 1 1
0008 WS10X10030 ENSEMBLE DE COUVERCLE D’ARRÊT ET DE BALLE
DE VÉRIFICATION 1 1
0009 WS02X10034 VIS, ENSEMBLE DE 7 1 1
0011 WS32X10021 RÉSERVOIR DE STOCKAGE D’EAU 1 1
0014 WS07X10018 TUYAU, DIAMÈTRE DE 1/4 PO X 33 PIEDS—BLANC 1 1
0015 WS07X10019 TUYAU, DIAMÈTRE DE 3/8 PO X 33 PIEDS—BLANC 1 1
0016 WS15X10037 ROBINET, CHROME, LONGUE PORTÉE 1 –
WS15X10042 ROBINET, CHROME, OGIVAL – 1
0017 WS10X10028 BASE DE ROBINET, CHROME 1 1
0019 WS18X10009 TROUSSE D’ADAPTATEUR D’ALIMENTATION D’EAU 1 1
0020 WS02X10031 RONDELLE ET ÉCROU—ROBINET 1 1
0021 WS35X10041 TROUSSE D’ASEPTISATION 1 1
0022 WS15X10041 RÉDUCTEUR DE DÉBIT 1 1
0023 WS22X10055 RACCORD DE RÉSERVOIR, TUYAU DE 3/8 PO 1 1
0024 WS22X10054 RACCORD DE ROBINET, TUYAU DE 3/8 PO 1 1
0027 WS22X10052 VIROLE, 1/4 PO (ENSEMBLE DE 2) 1 1
0028 WS22X10053 VIROLE, 3/8 PO (ENSEMBLE DE 2) 1 1
0029 WS18X10006 ADAPTATEUR DE TUYAU DE VIDANGE 1 1
0030 WS02X10030 BAGUE DE MONTAGE DU ROBINET 1 1
0031 WS15X10049 RÉDUCTEUR DE DÉBIT, HAUT DÉBIT – –
0999 49-50198 MANUEL D’UTILISATION ET D’INSTALLATION 1 1
Catalogue des pièces. www.electromenagersge.ca
51

Fonctionnement Mesures de sécuritéInstallation
Conseils de dépannage
Soutien au
consommateur
52
Notes.

53
Soutien au
consommateur
Conseils de dépannage
FonctionnementMesures de sécurité Installation
Garantie du système de filtration par osmose inversée de GE.
Pour la période de : GE remplacera :
Un an Tout composant du système de filtration qui cessera de fonctionner à la suite d’un défaut matériel
À partir de la date ou de fabrication. Au cours de cette garantie limitée de une année, GE assurera sans frais les
d’achat original travaux et le service connexe nécessaires pour remplacer la pièce défectueuse.
Tout service couvert par la garantie sera assuré par un réseau
de réparateurs GE SmartWater™accrédité. Pour obtenir du service
en ligne 24 heures par jour, veuillez nous contacter sur le site
www.electromenagersge.ca, ou appelez sans frais au 800.GE.CARES
(États-Unis) ou 866.777.7627 (Canada). Veuillez fournir le numéro de
série et le numéro de modèle lorsque vous appelez pour obtenir le
service.
■Les déplacements de service à domicile pour vous
enseigner comment utiliser le produit.
■L’installation, la livraison ou l’entretien incorrects.
■Le non-fonctionnement du produit si celui-ci a été
malmené, mal utilisé, utilisé dans un but autre que
celui pour lequel il a été conçu ou utilisé pour une
exploitation commerciale.
■L’utilisation de ce produit lorsque l’eau est
microbiologiquement douteuse ou de qualité inconnue,
sans désinfection adéquate. Les systèmes homologués
pour la réduction de bactéries peuvent être utilisés avec
de l’eau désinfectée pouvant contenir des bactéries
filtrables.
■Les cartouches de filtre, les cartouches de membrane
et les piles après trente jours à partir de la date d’achat.
■Les dommages causés par accident au produit,
les incendies, inondations ou actes de Dieu.
■Les dommages fortuits ou indirects à la propriété
personnelle résultant de défauts possibles de cet
appareil.
Ce qui n’est pas couvert :
Agrafez le reçu d’achat ici.
Pour obtenir le service sous
garantie, vous devrez fournir la
preuve de l’achat original.
Cette garantie s’étend à l’acheteur initial et à tout propriétaire ultérieur pour les appareils achetés pour un usage au Canada ou
aux Etats-Unis. Si le produit est installé dans une région où ne se trouve aucun réparateur autorisé GE, vous devrez peut-être assumer
les frais de transport ou apporter expédier le produit à un centre de service autorisé GE. En Alaska, cette garantie exclut le coût
d’expédition ou les appels de service à votre site.
Certains États ou provinces n’autorisent pas l’exclusion ou la restriction des dommages directs ou indirects. La présente garantie vous
donne des droits juridiques particuliers, mais vous pouvez avoir d’autres droits qui varient d’un État ou d’une province à l’autre. Pour
connaître vos droits, appelez le bureau de la protection du consommateur de votre localité, de votre État ou de votre province ou le
procureur général de votre État.
Garant : General Electric Company. Louisville, KY 40225
EXCLUSION DE GARANTIES IMPLICITES – Votre seul et unique recours est la réparation du produit selon les
dispositions de cette Garantie limitée. Toutes les garanties implicites, incluant les garanties de commercialité
et d’adéquation à un usage spécifique, sont limitées à une année ou à la période la plus courte autorisée par
la législation.

Soutien au consommateur.
Site Web appareils électroménagers GE www.electromenagersge.ca
Vous avez une question ou vous avez besoin d’aide pour votre appareil électroménager? Contactez-nous
par Internet au site www.electromenagersge.ca 24 heures par jour, tous les jours de l’année.
Service de réparations 1.800.361.3400
Service de réparations GE est tout près de vous.
Pour faire réparer votre électroménager GE, il suffit de nous téléphoner.
Studio de conception réaliste
Sur demande, GE peut fournir une brochure sur l’aménagement d’une cuisine pour les personnes
à mobilité réduite.
Écrivez: Directeur, Relations avec les consommateurs, Camco, Inc.
Bureau 310, 1 Factory Lane
Moncton, N.B. E1C 9M3
Prolongation de garantie www.electromenagersge.ca
Achetez un contrat d’entretien GE avant que votre garantie n’expire et bénéficiez d’un rabais substantiel.
Ainsi le service après-vente GE sera toujours là après expiration de la garantie.
Visitez notre site Web ou appelez-nous au 1.800.461.3636.
Pièces et accessoires
Ceux qui désirent réparer eux-mêmes leurs électroménagers peuvent recevoir pièces et accessoires
directement à la maison (cartes VISA, MasterCard et Discover acceptées).
Les directives stipulées dans le présent manuel peuvent être effectuées par n’importe quel utilisateur. Les autres
réparations doivent généralement être effectuées par un technicien qualifié. Soyez prudent, car une réparation
inadéquate peut affecter le fonctionnement sécuritaire de l’appareil.
Vous trouverez dans les pages jaunes de votre annuaire le numéro du Centre de service Camco le plus
proche. Autrement, appelez-nous au 1.888.261.3055.
Contactez-nous
Si vous n’êtes pas satisfait du service après-vente dont vous avez bénéficié :
Premièrement, communiquez avec les gens qui ont réparé votre appareil.
Ensuite, si vous n’êtes toujours pas satisfait envoyez tous les détails—numéro de téléphone compris—au
Directeur, Relations avec les consommateurs, Camco, Inc.
Bureau 310, 1 Factory Lane
Moncton, N.B. E1C 9M3
Inscrivez votre appareil électroménager www.electromenagersge.ca
Inscrivez votre appareil électroménager en direct, aussitôt que possible. Cela améliorera nos
communications et notre service après-vente. Vous pouvez également nous envoyer par la poste
le formulaire d’inscription joint à votre documentation.
54

55
La sección en Español.
Información de seguridad
Información de seguridad. . . . . . . . . . . . . 56
Pautas sobre las especificaciones. . . . . . . . 57
Instrucciones de operación
Sobre el sistema
de Ósmosis Inversa . . . . . . . . . . . . . . .58, 59
Instrucciones de instalación
Antes de empezar la instalación . . . . .60, 61
Conexión del drenaje de filtración . . .69, 70
Ensambladura del grifo . . . . . . . . . . .67, 68
Herramientas y materiales requeridos . . .60
Instalación de la batería . . . . . . . . . . . . . .68
Instalación de la ensambladura
del sistema de Ósmosis Inversa . . . . . . . . . .62
Suministro de agua de alimentación . . .63–66
Tanque de almacenamiento y arranque . . .71
Cuidado y limpieza
Desinfección . . . . . . . . . . . . . . . . . . . . . . .73
Kit de prueba del agua . . . . . . . . . . . . . . .74
Reemplazo del pre-filtro, post-filtro y
cartucho del sistema de Ósmosis Inversa . . .72
Consejos para la solución de fallas . . .75, 76
Soporte al consumidor
Garantía . . . . . . . . . . . . . . . . . . . . . . . . . . .82
Lista de partes/Catálogo . . . . . . . . . . .78, 79
Soporte al consumidor . . . . . . . . . . . . . . .83
Anote aquí los números de modelo de serie:
Modelo No. __________________________
Serie No. ____________________________
Los podrá encontrar en el soporte del
sumidero.
Soporte al consumidorSolucionar problemas
Operación
Seguridad Instalación

56
Soporte al consumidor Solucionar problemas Operación SeguridadInstalación
INFORMACIÓN DE SEGURIDAD IMPORTANTE.
LEA TODAS LAS INSTRUCCIONES ANTES DE USAR.
■
Consulte con su departamento local de obras públicas para
los códigos de plomería y desinfección. Deberá seguir estas
pautas a medida que instala el sistema de Ósmosis Inversa.
Se recomienda contratar a un instalador calificado.
■
Si la presión de agua de la casa está por encima del máximo
(125 libras por pulgada cuadrada), instale una válvula reductora
de presión en la línea de suministro de agua hacia el sistema
de Ósmosis Inversa.
■
Asegúrese de que el suministro de agua se adapte a las Pautas
sobre las especificaciones. Si las condiciones del suministro de
agua son desconocidas, contacte a su compañía de suministro
de agua o a su departamento local de salud para obtener una
lista de contaminantes en su área y de laboratorios certificados
por el estado para analizar el agua de consumo.
ADVERTENCIA:
Antes de usar el sistema de
Ósmosis Inversa por primera vez, se deberá purgar el sistema.
El cartucho del sistema de Ósmosis Inversa contiene un
preservativo de alimentos que debe purgarse del sistema.
El preservativo le dará al agua un sabor y olor desagradables.
ADVERTENCIA
: No use con agua que sea
microbiológicamente insegura o de calidad desconocida sin
una desinfección adecuada antes o después del sistema. Se
podrán usar sistemas certificados para la reducción de quistes
en agua desinfectada que pueda contener quistes filtrables.
Este sistema se ha sometido a prueba para el tratamiento de
agua que contiene arsénico pentavalente (también conocido
como As(V), As(+5) o arsenato) en concentraciones de 0,050
mg/L o inferiores. Este sistema reduce el arsénico pentavalente,
pero es posible que no elimine otras formas de arsénico. Este
sistema es para uso en suministros de agua que contienen un
residuo libre de cloro detectable o en suministros de agua que
han demostrado contener únicamente arsénico pentavalente.
El tratamiento con cloramina (cloro combinado) no es
suficiente para garantizar una conversión completa de arsénico
trivalente a arsénico pentavalente. Sírvase consultar la sección
Información sobre el arsénico en la hoja de datos del
desempeño para mayor información.
Este sistema de ósmosis inversa contiene un componente
reemplazable que es crucial para la eficiencia del sistema. El
componente de ósmosis inversa se debe reemplazar por uno
de especificaciones idénticas, según lo define el fabricante, para
garantizar la misma eficiencia, y el desempeño de reducción de
contaminantes.
ADVERTENCIA! Para su seguridad, se deberá seguir la información de este manual para
minimizar el riesgo de daños a la propiedad o lesiones personales.
PRECAUCIONES DE SEGURIDAD
CONSERVE ESTAS INSTRUCCIONES
LEA Y SIGA CUIDADOSAMENTE ESTA INFORMACIÓN DE SEGURIDAD.
■
Instale o almacene donde no esté expuesto a temperaturas por
debajo del punto de congelamiento o expuesto a cualquier tipo
de clima. El congelamiento del agua en el sistema podrá
estropearlo. No intente tratar el agua por encima de 100°F.
■No instale en AGUA CALIENTE.La temperatura del suministro
de agua hacia el sistema de Ósmosis Inversa deberá estar entre
40°F mínimo y 100°F máximo.
■Período prolongado sin uso del sistema de Ósmosis Inversa. Si el
sistema no es usado por una semana o más, abra el grifo de
agua del sistema, permita que el sistema se drene. Cierre el
grifo y permita que el sistema regenere el suministro de agua.
■La instalación recomendada es debajo del lavaplatos. Sin
embargo, la unidad se puede instalar en una ubicación remota,
hasta 20 pies de distancia del lavaplatos.
• Sin embargo, serán necesarios materiales adicionales.
Consulte la lista de partes para obtener materiales adicionales
de GE.
• Localizar el tanque en el piso de un sótano, con el grifo de
un lavaplatos de primer piso podría resultar en cierta pérdida
del flujo y capacidad (aproximadamente 20%). Instalar un
segundo tanque mejorará este desempeño. Se puede usar
un RVKIT.
■Si el sistema de Ósmosis Inversa está conectado a la máquina
de hielos de un refrigerador, se requiere de un kit para la
conexión a la máquina de hielos (RV KIT). No utilice tubos
de cobre para la conexión entre el sistema de Ósmosis
Inversa y el refrigerador.
ADVERTENCIA:
Deseche todas las partes no usadas y
el material de empaque después de la instalación. Las partes
pequeñas que sobren después de la instalación podrían
presentar un riesgo de asfixia.
■Desinfecte después de instalar el sistema de Ósmosis
Inversa y después de dar servicio a las partes interiores,
incluyendo la reposición del pre-filtro, post-filtro y cartucho
del sistema de Ósmosis Inversa. Es importante tener las
manos limpias al manipular las partes internas del sistema.
Consulte la sección Desinfección del sistema de Ósmosis
Inversa.
■Este sistema de Osmosis Inversa contiene un componente
reemplazable crucial para la reducción eficaz de sólidos
totales disueltos. El agua producida se debe revisar
periódicamente para verificar el desempeño satisfactorio
del sistema. Consulte la sección Acerca del kit de prueba
del agua.
ASEGÚRESE QUE SEGUIR TODOS DE LOS CÓDIGOS
DEL ESTADO Y LOCAL.
INSTALACIÓN Y MANTENIMIENTO ADECUADOS
Este sistema de Ósmosis Inversa debe ser instalado correctamente y ubicado según las Instrucciones de
instalación antes de su uso.

57
Soporte al consumidorSolucionar problemas
Operación
Seguridad Instalación
Pautas sobre las especificaciones. ge.com
El sistema produce un suministro adecuado de agua potable cada día.
La cantidad que produzca dependerá principalmente de los siguientes aspectos…
Producto – altura 11″ancho 10,5″profundidad 4″
DESCALCIFICADOR DE AGUA RECOMENDADO
DUREZA DEL AGUA ENTRANTE (GRANOS POR GALÓN)
60
50
40
30
2010
8
6
7
7,5
6,5
No se requiere de
descalcificador de agua
pH del agua entrante
Máximo hierro, manganeso, sulfuro de hidrógeno (ppm) . . . . . . . . . .<0,1
Cloro en el suministro de agua . . . . . . . . . . . . . . . . . . . . . . . . . . . . . . . .2,0 ppm máximo, permitidob
Límites del pH del agua de alimentación . . . . . . . . . . . . . . . . . . . . . . . .4–10
Capacidad del tanque de almacenamiento—galones . . . . . . . . . . . . .4c
Control de apagado automático . . . . . . . . . . . . . . . . . . . . . . . . . . . . . . .sí
Prefiltro y postfiltro . . . . . . . . . . . . . . . . . . . . . . . . . . . . . . . . . . . . . . . . .(FQROPF) bloque de carbón
Membrana de Ósmosis Inversa . . . . . . . . . . . . . . . . . . . . . . . . . . . . . . .(FQROMF) poliamida de película delgada
Dimensiones del tanque de almacenamiento (pulgadas) . . . . . . . . . .altura 15” diámetro 11”
Dimensiones del cuerpo del sistema (pulgadas) . . . . . . . . . . . . . . . . .altura 11” ancho 10,5” profundidad 4”
Límites de presión del agua de alimentación—libras por pulgada cuadrada (psi) . . . . .40–120a
Límites de la temperatura del agua de alimentación—mínimo/máximo grados F . . . . . .40–100
Máximo de sólidos totales disueltos (TDS)—partes por millón (ppm) . . . . . . . . . . . . . . . .2000
Dureza máxima del agua a 6,9 pH recomendado para optimizar
la duración de la membrana—granos por galón (gpg) . . . . . . . . . . . . . . . . . . . . . . . . . . . . . .10
Para agua con dureza superior a 10 granos (a 6,9 pH), se recomienda
el uso de un descalcificador. No instalar un descalcificador de agua
reducirá la duración de la membrana de Ósmosis Inversa. Consulte
la gráfica para información adicional sobre la posibilidad de necesitar
un descalcificador de agua.
a. Si la presión del agua de la casa es superior a 120 psi, instale una válvula reductora de presión en la tubería de suministro
del agua. Si la presión del agua de la casa es inferior a 40 psi, instale una bomba impulsora de Ósmosis Inversa (contáctese
con la compañía local de suministros de plomería).
b. Retirado (máximo de 2,0 ppm) por el prefiltro de Ósmosis Inversa. SE REQUIERE MANTENIMIENTO REGULAR. El cloro
destruirá la membrana de Ósmosis Inversa.
c. Capacidad teórica del tanque. Cuando se prueba de acuerdo con el estándar NSF/ANSI 58 a una presión de entrada
de 50 psig, la capacidad del tanque es 2,3 galones.

58
Sobre el sistema de Ósmosis Inversa.
¿Qué hace el sistema de Ósmosis Inversa?
Descripción del sistema de Ósmosis Inversa
El sistema de Ósmosis Inversa reduce los Sólidos totales disueltos (TDS—Total Dissolved Solids) y la materia orgánica
del agua al dispersarla a través de una membrana especial. La membrana separa los minerales e impurezas del agua y los
expulsa hacia el desagüe. Consulte la Hoja de datos de desempeño para la reducción de afirmaciones especificadas. El
agua producida de alta calidad va directamente hacia el grifo de agua para consumo o hacia el tanque de almacenamiento.
El sistema produce un buen suministro de agua para consumo cada día. La cantidad que produzca depende de la presión,
temperatura y calidad del suministro de agua.
El pre-filtro y post-filtro son cartuchos reemplazables. El pre-filtro reduce el cloro al mismo tiempo que filtra los
sedimentos. El post-filtro reduce cualquier otro sabor u olor no deseados antes de usar el agua.
El sistema incluye una ensambladura de grifo electrónico con un recordatorio de cambio de pre-filtro y post-filtro. Cuando
hayan transcurrido 6 meses, una luz azul intermitente le recordará cambiar los dos filtros.
Pre-filtro—El agua de la tubería de suministro de agua fría
llega al cartucho del pre-filtro. El pre-filtro es un cartucho
de sedimentos reemplazable que contiene carbono activado.
El pre-filtro reduce el cloro en el agua de alimentación ya que
el CLORO DESTRUYE LA MEMBRANA DEL SISTEMA DE ÓSMOSIS
INVERSA. El agua filtrada, limpia, con cloro reducido fluye
desde el pre-filtro hacia el cartucho del sistema de Ósmosis
Inversa.
Cartucho del sistema Ósmosis Inversa—El cartucho central
incluye una membrana especial fuertemente envuelta. El agua
penetra a través del cartucho donde la membrana retira los
sólidos disueltos y la materia orgánica. El agua producida de
alta calidad sale de la caja del sistema de Ósmosis Inversa y se
dirige hacia el tanque de almacenamiento. El agua rechazada,
con los sólidos disueltos y la materia orgánica, sale de la caja
y se descarga en el drenaje a través de un tubo de 1/4″.
Post-filtro—Después de salir del área de almacenamiento, pero
antes de ir hacia el grifo del sistema, el agua producida va hacia
el post-filtro. El post-filtro es también un cartucho de sedimento
que puede ser reemplazado que contiene carbono activado.
Cualquier sabor, olor o sedimentos restantes son retirados del
agua producida por el post-filtro. Agua limpia, de alta calidad,
lista para tomar fluye a través del tubo hacia el grifo del sistema.
Tanque de almacenamiento—El área de almacenamiento
tiene capacidad hasta de 2,5 galones de agua producida. Un
diafragma al interior del tanque mantiene el agua presurizada,
cuando el tanque está lleno, para un rápido flujo hacia el grifo
cuando se necesite consumir agua.
4
3
2
1
Soporte al consumidor Solucionar problemas Operación SeguridadInstalación

59
ge.com
Válvula de revisión—La válvula de revisión evita un flujo inverso del agua producida desde el tanque de
almacenamiento. Un flujo inverso podría causar que la membrana del sistema de Ósmosis Inversa se rompiera.
Válvula de apagado automático—Para conservar el agua, el sistema de agua de consumo tiene un apagado automático.
Cuando el tanque de almacenamiento ha llenado su capacidad y el grifo de agua de consumo está cerrado, la presión
cierra el apagado automático. El flujo de agua hacia la caja del sistema de Ósmosis Inversa se apaga hasta que el agua
de consumo se use nuevamente y la presión caiga en el sistema de Ósmosis Inversa.
Control del flujo—El control del flujo regula el flujo de agua a través del cartucho del sistema de Ósmosis Inversa
al ritmo requerido para producir agua de alta calidad. El control está ubicado en la tubería de drenaje de 1/4″
saliendo del múltiple.
Grifos y electrónicos—El grifo de la encimera dispensa agua potable filtrada cuando se abre. Tiene una palanca
operada con las manos, con un ajuste de flujo variable. Usted puede mantener el grifo abierto removiendo sus manos
de la palanca una vez el agua comience a fluir. Para cumplir con los códigos de plomería, se construye una tolerancia
o huelgo de aire en la conexión de agua del drenaje del grifo.
8
7
6
5
El grifo electrónico incluye un temporizador de 6 meses para recordarle cuando es el momento de reemplazar
el pre-filtro y el post-filtro. Reemplace los filtros cuando la luz azul se torne intermitente con el fin de proteger
la membrana y mantener el sistema funcionando correctamente.
Soporte al consumidorSolucionar problemas
Operación
Seguridad Instalación

Instrucciones
Sistema de filtración de Ósmosis Inversa
de instalación
Modelos PXRQ15F y PNRQ15FBL
Si tiene preguntas, llame al 1.800.GE.CARES (800.432.2737) o bien visite nuestra página Web:
ge.com
ANTES DE EMPEZAR LA INSTALACIÓN
Lea estas instrucciones completa y
cuidadosamente.
•IMPORTANTE —Guarde estas
instrucciones para uso del inspector local.
•IMPORTANTE —Observe todos
los códigos y ordenanzas vigentes.
•Nota al instalador – Asegúrese de dejar
estas instrucciones al consumidor.
•Nota al consumidor – Conserve estas
instrucciones para consultas posteriores.
•La instalación apropiada es la
responsabilidad del instalador.
•Las averías del producto causadas por una
instalación inadecuada no están cubiertas
por la garantía.
•Debe existir una válvula de cierre
disponible o se debe agregar una cerca
al punto de instalación.
HERRAMIENTAS Y MATERIALES
REQUERIDOS PARA LA INSTALACIÓN
•Taladro y broca de 1-1/4″para taladro (tipo
según el requerido) si se necesita montar el grifo
•Dos (2) llaves abiertas ajustables
•Broca de 1/16″
•Cinta de medir
•Destornillador Phillips y recto
•Cuchillo
•Si la tubería principal del agua es rígida,
necesitará un accesorio de compresión y
posiblemente otros equipos de plomería para
completar la instalación.
PRECAUCIÓN: Para evitar daños
al lavaplatos, consulte con un plomero o
instalador calificado para los procedimientos de
perforación. Podría necesitar brocas especiales
para porcelana o acero inoxidable.
CONTENIDOS INCLUIDOS
CON EL PRODUCTO
•Ensamblaje del sistema de Ósmosis Inversa y tubería
•Literatura sobre el producto (manual del propietario e instalación) y hoja de datos funcionamiento
•Bolsa de partes de la entrada del suministro de agua
•Adaptador de agua de alimentación y válvula de suministro
•Ensambladura del grifo con monitor electrónico de base y tubos
•Tanque de almacenamiento
•Adaptador de la tubería de drenaje
ADVERTENCIA: Lea este manual en su totalidad. No seguir todas las pautas y
normas podría causar lesiones personales o daños a la propiedad.
•Consulte con la autoridad de obras públicas estatal/local para los códigos de plomería. Deberá
seguir estas pautas para instalar el sistema de filtración de agua.
NOTA: No cumplir con estas instrucciones de instalación invalidará la garantía del producto, y el
instalador será responsable por cualquier servicio, reparación o daños causados.
60

Instrucciones de instalación
Cosas a revisar antes de empezar la instalación
AGUA DE ALIMENTACIÓN
El suministro de agua hacia el sistema de
Ósmosis Inversa debajo del mostrador debe
tener las condiciones enumeradas en las
especificaciones. Los suministros de agua
locales con frecuencia tendrán estas
condiciones. El agua de pozos puede necesitar
acondicionamiento—haga que el agua sea
analizada por un laboratorio y obtenga sus
recomendaciones para tratamiento.
PRECAUCIÓN: Para aguas
con una dureza mayor a 10 granos (a 6,9 pH),
se recomienda el uso de un descalcificador.
No instalar un descalcificador reducirá la vida
del cartucho del sistema de Ósmosis Inversa.
CONEXIÓN DEL DRENAJE
DE FILTRACIÓN
Un punto de drenaje adecuado y un vacío de aire
(consulte los códigos locales) serán necesarios
para el agua rechazada del cartucho de la
membrana del sistema de Ósmosis Inversa.
INSTALACIÓN EN SÓTANO
Si se va a instalar en un sótano, deje suficiente
tubería en su lugar durante la instalación para poder
mover la unidad hacia el piso para mayor facilidad
en el servicio y hacer cambios al filtro/membrana.
Tubería y accesorios adicionales se necesitarán.
NOTA: Consulte el catálogo de partes en
la página 79 que podrían ser necesarias
para una instalación en el sótano.
GRIFO DEL SISTEMA DE OI
El grifo del agua producida por el sistema de
Ósmosis Inversa se instala en el lavaplatos o en
la parte superior del mostrador al lado del
lavaplatos. Con frecuencia se instala en un orificio
existente en el lavaplatos. Se requiere espacio en
la parte de abajo para la tubería hacia y desde el
grifo, y para asegurar el grifo en su lugar. Todos
los conexiones del grifo se instalan sobre o por
encima del lavaplatos o mostrador.
Trampa P del lavaplatos
Caliente Fría
Triturador
Tubería de drenaje de 1/4″(negra)
Tubería de salida de 3/8″(con banda azul)
Tubería de entrada de 1/4″
(con banda amarilla) Sistema de
Ósmosis Inversa
Tubería del
tanque de
almacenamiento
de 3/8″
(con banda
roja)
11″diá. 10-1/2″
15″11″
7″
Tubería de drenaje de 3/8″(negra)
Grifo de agua producida por el sistema de Ósmosis Inversa
montado en el lavaplatos o en el mostrador
Adaptador del agua
de alimentación
Pre-filtro Post-filtroMembrana
Entrada con
banda amarilla de
1/4″proveniente
de la válvula de
suministro
Tubería negra
de 1/4″hacia
el grifo
Tubería con
banda roja de 3/8″
hacia el tanque de
almacenamiento
Tubería con
banda azul
de 3/8″hacia
el grifo
61
DETALLE DE LOS TUBOS/FILTRO

Instrucciones de instalación
ENSAMBLADURA DEL SISTEMA DE ÓSMOSIS INVERSA
INSTALACIÓN DEL SISTEMA
DE MONTAJE
Elija una ubicación debajo del lavaplatos para
instalar el sistema. La ubicación debe ser de fácil
acceso, con el espacio necesario entre el fondo
de los cartuchos de filtro y el piso o el fondo del
gabinete para retirar los cartuchos del filtro. Deje
suficiente espacio en ambos lados del sistema
para las conexiones de los tubos.
1. Retire los cartuchos de pre-filtro y post-filtro.
2. Retire la tapa de la ensambladura
desenganchando las 4 pestañas en la tapa
que la unen al sistema.
3. Use un destornillador de cabeza plana para
trabajar de izquierda a derecha desde la
parte inferior lateral del sistema.
4. Use los símbolos en la parte inferior
del sistema para encontrar la posición
del destornillador.
5. Sostenga la ensambladura del sistema de
Ósmosis Inversa en la superficie de la pared
en donde lo quiera a instalar. Marque la
ubicación de los tornillos. Debe haber un
espacio mínimo de 17″entre las marcas
y el fondo del piso del gabinete.
PRECAUCIÓN: No permita que
la suciedad entre al área de la ensambladura.
Use sólo para marcar la ubicación de los
orificios de montaje.
6. Instale los tornillos hacia la pared, dejando
un espacio de 3/16″entre la cabeza del
tornillo y la pared (perfore orificios pilotos
si son necesarios)
7. Cuelgue la ensambladura del sistema de
Ósmosis Inversa en los tornillos. Apriete o
afloje los tornillos según lo desee hasta que
el sistema esté firme en la pared.
8. Para instalar
la tapa, alinee
las pestañas
delanteras
de la tapa con
las aberturas
en el sistema.
9. Encaje la tapa en su
lugar; las pestañas
se flexionarán
permitiendo que
la tapa encaje
correctamente.
10. Retire el cartucho
de membrana.
Ubicación de los tornillos
17″
7″
Tornillos
Tornillo
3/16″
Pared
Posición del destornillador
Destornillador
Abertura
del sistema
Pestaña
Pre-filtro Post-filtro
Para retirarPara retirar
Para
retirar
Membrana
62

Instrucciones de instalación
SUMINISTRO DE AGUA DE ALIMENTACIÓN
A. INSTALACIÓN PREFERIDA
Utilizando la válvula existente de suministro de
agua del lavaplatos de la cocina (A) y la tubería
desmontable del grifo (B).
1. Consulte la ilustración a continuación para
la ensambladura completa dependiendo
del tamaño de la válvula de suministro (A).
2. Cierre la válvula de suministro de agua fría
(A) debajo del tanque.
3. Destornille la tubería flexible (B) de la
válvula de suministro (A) que se conecta
con la tubería de subida del agua FRÍA.
NOTA: Para tubería rígida, consulte
C. Instalación opcional en la página 64.
Note la orientación del adaptador (C):
Instalación de 3/8″—El extremo redondeado
del adaptador (C) se conecta con la válvula
de suministro (A).
Instalación de 1/2″—El extremo redondeado
del adaptador (C) se conecta al acoplamiento
(D), luego a la tubería existente del grifo (B).
Revise y cumpla con los códigos locales de plomería al planear, luego instale un accesorio de suministro
de agua de alimentación fría.
4. Ensamble el adaptador (C) y el acoplamiento
(D) como se muestra en la ilustración de la
izquierda, según su configuración. Verifique
que el empaque (G) esté en su lugar antes
de la ensambladura final. Empiece la
instalación a mano, luego termine de
apretar con una llave ajustable. Tenga
cuidado de no apretar en exceso o cruzar
las roscas ya que se podrían dañar.
5. Apriete a mano el adaptador ensamblado
(C) en la válvula de suministro (A) para la
instalación del tamaño correcto. Cerciórese
de que el empaque (G) esté en su lugar
antes de la ensambladura final. Empiece
la instalación a mano, luego termine de
apretar con una llave ajustable. Tenga
cuidado de no apretar en exceso o cruzar
las roscas ya que se podrían dañar.
6. Vuelva a conectar la tubería del grifo (B), en
la parte superior del adaptador (C).
NOTA: Si es necesario retirar la válvula
de entrada (F) para la instalación, consulte
la sección E. Cómo retirar y volver a instalar
la válvula de entrada en la pagina 65.
7. Corte las ataduras en los rollos de tubería
con cuidado de no dañar los tubos o las
partes si utiliza un cuchillo.
8. Retire la tuerca de 1/2″(I) y la férula (H)
del extremo de la válvula de entrada.
Usando la tubería de banda amarilla que se
suministra, coloque la tuerca (I) y la férula
(H) en la tubería e instale en la válvula de
entrada (F) como se muestra a la izquierda.
Apriete con la llave ajustable. Tenga cuidado
de no apretar en exceso o cruzar las roscas
ya que se podrían dañar.
NOTA: Inspeccione los extremos de las tuberías
antes de la instalación para verificar que no
haya imperfecciones y que el extremo de la
tubería se corte recto. Podría ser necesario
cortar la tubería nuevamente.
63
Para plomería de 3/8″Para plomería de 1/2″
(B) Tubería del grifo
(no incluida)
(D)
Acoplamiento
(C)
Adaptador
(F) Válvula de entrada
(A) Válvula de
suministro de
agua fría (no incluida)
(B) Tubería
del grifo
(no incluida)
(A) Válvula de
suministro de
agua fría (no incluida)
(D)
Acoplamiento
(C)
Adaptador
(G) Empaque
(G)
Empaque
(H)
Férula
(F) Válvula
de entrada
(I) Tuerca
(G) Empaque

Instrucciones de instalación
SUMINISTRO DE AGUA DE ALIMENTACIÓN (cont.)
B. INSTALACIÓN CASERA OPCIONAL
Donde los códigos lo permitan
(Partes adicionales necesitarán)
*Para tubería metal de 1/2″DE o más largo
únicamente.
NOTA: Los códigos en el estado de
Massachusetts requieren la instalación por
parte de un plomero certificado y no permiten
el uso de la válvula de montura. Para la
instalación, use el código de plomería 248-CMR
de Massachusetts.
La válvula de montura está disponible a través
de Partes y Servicios de GE en el 1.800.626.2002,
número de parte WS15X10023. No se recomiendan
las válvulas de monturas de auto perforación.
1. Apague el suministro de agua fría y anexe
la válvula de montura según sea necesario
de acuerdo con la selección del producto.
(Cerciórese de seguir las instrucciones
de instalación del fabricante).
PELIGRO: Muchas casas se
conectan electrónicamente a tierra a través
de la plomería. Para protegerse de lesiones
serias o de choques fatales, use únicamente un
taladro manual operado con baterías para abrir
el orificio. NO USE UN TALADRO ELÉCTRICO.
2. Cierre la válvula de suministro de agua
girando la manija en el sentido del reloj.
3. Abra la válvula principal de suministro
del agua y varios grifos de la casa para
purgar aire del sistema. Cierre los grifos
cuando el agua corra suavemente.
C. INSTALACIÓN OPCIONAL
DE TUBERÍA RÍGIDA
Para instalación con tubería rígida entre la
válvula de suministro y el grifo del lavaplatos.
Opción 1
1. Retire el tubo de la válvula de suministro
y del grifo de lavaplatos.
2. Obtenga un tubo flexible de acuerdo
con el tamaño de la tubería.
3. Instale el tubo flexible.
4. Regrese al paso 4, A. Instalación preferida.
Opción 2
1. Obtenga accesorios de compresión que
se ajusten a la tubería rígida.
2. Obtenga cualquier otro accesorio necesario
para conectar los accesorios de compresión
al adaptador.
NOTA: El adaptador tiene roscas internas y
externas de 1/2″y 3/8″.
3. Retire el tubo de la válvula de suministro.
4. Corte el tubo para que se ajuste a
la longitud de los accesorios ensamblados
y al adaptador.
5. Instale el accesorio de compresión en el tubo.
6. Regrese al paso 4, A. Instalación preferida.
NOTA: Los materiales que se describen
anteriormente no vienen incluidos con
el producto.
64
B. INSTALACIÓN CASERA OPCIONAL
(cont.)
Conexión opcional del suministro de agua (usando
válvula de montura)*
Orificio de 1/4″
previamente abierto
Sello—asegúrese que
el sello está en su lugar
Grapa X
Tuercas (2), no
se requieren si
los orificios en
la grapa tienen
filetes Válvula de
montura
Manija
Adaptador
de la tubería
Arandela
Tuerca de
compresión
Grapa Z
Use para conectar la tubería
*Para tubería metal de 1/2″DE o más largo únicamente.
Acomode la válvula en
el soporte. (NO APRIETE
DEMASIADO)
Deberán verse
algunos filetes
Empaque de caucho

Instrucciones de instalación
D. INSTALACIÓN EN UNA
UBICACIÓN REMOTA
(requiere partes adicionales)
1. Cierre el suministro de agua fría.
2. En cumplimento con los códigos de
plomería, instale un accesorio en el tubo de
agua fría para adaptar una tubería de 1/4″
DE. En la ilustración abajo se muestra una
conexión típica. Verifique que se utiliza una
válvula de suministro de agua.
3. Si la unidad de Ósmosis Inversa se va
a instalar a más de 6 pies de la válvula,
reemplace la tubería con banda amarilla con
tubería GE de mayor longitud de 1/4″. Puede
adquirir una longitud de 33 pies de tubería
de 1/4″a través de Partes y Servicios de GE
en el 1.800.626.2002, número de parte
WS07X10018. NO REEMPLACE CON
TUBERÍA DE CALIDAD DESCONOCIDA.
4. Si la unidad de Ósmosis Inversa se va a
instalar a más de 6 pies del grifo, reemplace
la tubería con banda azul con tubería GE de
mayor longitud de 3/8″. Puede adquirir una
longitud de 33 pies de tubería de 3/8″a
través de Partes y Servicios de GE en el
1.800.626.2002, número de parte
WS07X10019. Consulte la sección
Instalación del grifo en la página 67 para
mayores detalles. NO REEMPLACE CON
TUBERÍA DE CALIDAD DESCONOCIDA.
Si está utilizando tubería de cobre, NO los
conecte directamente en la unidad de Ósmosis
Inversa. Adquiera un conector y utilice una
longitud corta de la tubería con banda amarilla
que se suministra para hacer la conexión final
hacia el sistema de Ósmosis Inversa. No utilice
tubería de cobre para conectar a la máquina de
hielos o al grifo.
Inserto (no incluido)
Tubo de
agua fría Tubería de 1/4″
(de banda amarilla)
hacia la entrada
Férula
Válvula de suministro
de agua
Hacia el
sistema
OI
Conexión preferida del suministro
de agua (usando accesorios de
compresión)
E. CÓMO RETIRAR Y VOLVER A
INSTALAR LA VÁLVULA DE
ENTRADA (se requiere únicamente si la
válvula de entrada se debe retirar para
completar el paso 5 en la página 67)
1. Retire la válvula de entrada (F) del adaptador
(C) usando una llave ajustable en el cuerpo
de la válvula. Vea los detalles en la siguiente
ilustración. NO USE UNA LLAVE EN EL
EXTREMO DE LA TUERCA HEXAGONAL DE
LA VÁLVULA YA QUE PODRÍA OCASIONAR
FUGAS.
2. Retire toda la cinta sellante de la válvula de
entrada (F) y roscas del adaptador (C).
3. Apriete a mano el adaptador (C)
ensamblado en la válvula de suministro (A)
para la instalación del tamaño correcto.
Verifique que los empaques (G), como se
muestra en la página 67, estén en su lugar
antes de la ensambladura final. Termine
de apretar con una llave ajustable. Tenga
cuidado de no apretar en exceso o cruzar
las roscas ya que se podrían dañar.
4. Con una cinta sellante
blanca de rosca que se
incluye, aplique
aproximadamente nueve
vueltas de cinta alrededor
de las roscas grandes en la
válvula de entrada (F) en
la dirección del reloj, como
se muestra.
5. Apriete a mano la válvula de entrada (F) en
el adaptador (C), luego termine de apretar
con una llave ajustable. NO USE UNA
LLAVE EN EL EXTREMO DE LA TUERCA
HEXAGONAL DE LA VÁLVULA YA QUE
PODRÍA OCASIONAR FUGAS.
65
(C) Adaptador
(F) Válvula de entrada

Instrucciones de instalación
SUMINISTRO DE AGUA DE ALIMENTACIÓN (cont.)
CÓMO INSTALAR LA TUBERÍA
AL TANQUE Y AL GRIFO
1. Mida 3/4″a partir del extremo de cada
pedazo de tubería restante (el extremo del
grifo y el extremo de entrada) y marque
con un lápiz. (Inspeccione y cerciórese de
que la superficie está redonda, suave, y
que no hay cortes, pinchaduras, rebabas
cortantes y puntos planos).
2. Empuje la tubería con firmeza hacia cada
accesorio en el colector hasta que la línea
esté al ras con el collarín de ajuste. (Si la
tubería se remueve, corte el extremo otra
vez, midiendo, marcando y reinsertando).
La tubería debe estar totalmente insertada
para evitar fugas. Para remover la tubería:
depresione y sostenga depresionado el
collar rojo o azul; tire del tubo para remover.
3. Tire de la tubería hacia afuera ligeramente
para asegurarse de que existe un buen
sello.
3/4″
(19 mm)
INCORRECTO
34"
Inserción
de 3/4″
(tubería de 3/8″)
Collar rojo o azul
(NO REMOVER)
Línea de inserción
Inserción de la tubería
PROCEDIMIENTO DE REEMPLAZO
DEL ESTRANGULADOR DE FLUJO
Cada vez que el cartucho de Osmosis
Inversa se cambia, usted necesitará reemplazar
el estrangulador de flujo en la tubería
de drenaje también.
Asegúrese de lavarse las manos antes
de manejar partes internas del sistema.
PROCEDIMIENTO DE REEMPLAZO DEL
ESTRANGULADOR DE FLUJO (cont.)
1. Remueva la tubería de drenaje
empujando en el collar de la tubería de
drenaje con una mano (1) y removiendo
la tubería de drenaje con la otra mano (2).
2. Una vez la tubería de drenaje se haya
removido de la base del sistema, agarre
el extremo del estrangulador de flujo y tire
de él directamente hacia afuera a partir
de la tubería*. Si el estrangulador es difícil
de remover a mano, es posible que usted
necesite pinzas para agarrar el extremo
del estrangulador y auxiliarse en extraerlo.
*En algunos casos, el estrangulador podría deslizarse
hacia afuera de la tubería de drenaje conforme se
remueve del portal de la tubería de drenaje. Si, después
de remover la tubería de drenaje como se describe en el
Paso 1, el estrangulador ya no está en el extremo de la
tubería, inspeccione el portal de la tubería de drenaje.
Remueva el estrangulador del portal y proceda al Paso 3.
3. Tome el estrangulador nuevo y deslícelo
de regreso en la tubería de drenaje.
Inserte el estrangulador usando sus manos
solamente. No use pinzas para insertarlo.
Asegúrese de insertar el estrangulador
hasta el máximo. No hacerlo podría resultar
en una operación inapropiada del sistema OI.
4. Reinstale la tubería de drenaje en la base
del sistema. Tire ligeramente de la tubería
para asegurarse de que el collar está
ajustado y que existe un agarre apropiado
en la tubería.
1
2
66

Instrucciones de instalación
ENSAMBLADURA DEL GRIFO
INSTALACIÓN DE MONTAJE DEL GRIFO
Asegúrese de que haya espacio debajo del lavaplatos
para hacer las conexiones necesarias. Seleccione uno
de los siguientes lugares para instalar el grifo:
•En un accesorio existente para rociar, en el
lavaplatos u orificio para dispensar jabón.
•En un orificio a perforarse en la parte superior
del lavaplatos.
•En un orificio a perforarse en el mostrador,
al lado del lavaplatos.
NOTA: Asegúrese de que la base del grifo
quede plana contra la superficie en la ubicación
seleccionada de manera que el empaque selle.
1. Si es necesario, perfore para hacer un orificio
de 1-1/4″de diámetro. Cerciórese de seguir
el procedimiento correcto para perforar
porcelana o acero inoxidable. Podrían ser
necesarias brocas especiales. Consulte con un
plomero calificado el procedimiento correcto.
2. Retire de la envoltura el grifo, el aro tórico
delgado (D), la base del grifo (E), el empaque
(F) de la base del fondo, la arandela (G) de
bloqueo, la tuerca hexagonal (H) y el soporte
de montaje (I).
3. Alimente la tubería de banda azul de 3/8″y
negra de 1/4″(unido al sistema de Ósmosis
Inversa) y la tubería negra de 3/8″(incluido
en un empaque separado) a través del orificio
de montaje en el lavaplatos o mostrador. Este
paso podría necesitar de dos personas para
armar. Consulte la página 68 para Instalación
opcional de la tubería del grifo por una sola persona.
4. Introduzca los dos tuberías negras a través del
empaque (F), la base del grifo (E) y el anillo tórico (D).
NOTA: Para facilidad de servicio y mantenimiento,
mantenga la tubería de longitud suficiente de
manera que remover el sistema de Ósmosis
Inversa sea posible desde abajo del lavaplatos.
5. Empuje la tubería negra de 1/4″y 3/8″en sus
respectivos accesorios serrados en el cuerpo (B).
NOTA: Para facilitar la inserción, sumerja los
extremos de la tubería en agua caliente por
unos cuantos minutos para que se suavice.
6. Acomode la base (E) y el cuerpo (B) juntos.
Cerciórese de que el anillo tórico y el
empaque estén en su lugar cuando la base
se encuentre con el cuerpo. La manija del
grifo estará en la posición de las 3 en el reloj
con respecto a la base.
7. Deslice la arandela de bloqueo en el vástago
roscado del cuerpo (B), luego enrosque la
tuerca hexagonal (H) en el vástago. Atornille
hasta la mitad.
NOTA: Si está instalando el grifo en un lavaplatos
de acero inoxidable, deslice un espaciador de
instalación (M) antes de la arandela de bloqueo.
8. Atornille el adaptador de tubería de punta
azul (K) en el vástago enroscado del cuerpo (B).
9. Empuje la tubería de banda azul en el
adaptador. Debe entrar alrededor de 3/4″. Hale
para verificar si está instalado correctamente.
10. Introduzca la tubería y el vástago de nuevo
por el orificio de 1-1/4″.
11. Baje la ensambladura del grifo a su lugar en el
orificio de instalación y oriente hacia la posición
final. Coloque el soporte de montaje (I) encima
de la arandela de bloque (G) alrededor del
vástago del grifo. Mientras sostiene el soporte
de montaje en su lugar apriete firmemente la
tuerca hexagonal. Podrían ser necesarias dos
personas para este paso.
Soporte de
montaje (I) Base (E)
Tuerca hexagonal (H)
Manija
Pico
Empaque (F)
Adaptador de la tubería (K)
Arandela de bloqueo (G)
Anillo tórico (D)
Tapa
ENSAMBLADO Accesorio
serrado de 3/8″
Tubería
de drenaje
de 3/8″ (negra)
Tubería
de drenaje
de 1/4″ (negra)
Accesorio
serrado de 1/4″
Adaptador de
la tubería (K)
Tubería de salida
de 3/8″ (banda azul)
Tuerca hexagonal (H)
Arandela bloqueo (G)
Espaciador de
instalación (M)
(según sea necesario)
Cuerpo (B)
Del sistema de OIHacia el desagüe
67

Instrucciones de instalación
ENSAMBLADURA DEL GRIFO (cont.)
INSTALACIÓN DE LA BATERÍA
1. Use un destornillador pequeño de pala
plana o moneda para retirar la bandeja
de la batería (A) al lado de la base del grifo.
2. Instale una batería (B) de 3 voltios CR2032,
con el lado positivo hacia la parte inferior
de la bandeja de la batería (A).
3. Deslice la bandeja en la base del grifo (C)
hasta que el borde de la bandeja de la batería
(A) esté nivelada con el costado de la base.
4. La luz azul (D) se encenderá de forma
intermitente 5 veces indicando una
instalación correcta y la re-inicialización
del sistema. Si desea reiniciar la secuencia
arranque, retire la batería por 45–60
segundos; el sistema electrónico necesita
descargarse completamente. Luego coloque
nuevamente la batería.
5. La luz está normalmente apagada. Después
de 6 meses de uso, la luz se encenderá
nuevamente cada 30 segundos indicando el
momento de reemplazar el cartucho del filtro.
NOTA: La luz azul podría dejar de iluminarse
intermitentemente si se le deja por un período
prolongado de tiempo. Para garantizar una
operación correcta, la batería se debe reemplazar
con cada cambio de filtro.
INSTALACIÓN OPCIONAL DE
LA TUBERÍA DEL GRIFO POR
UNA SOLA PERSONA
1. Desde la parte inferior del lavaplatos, reúna
la tubería de drenaje (negra) de 1/4″, la
tubería de drenaje (negra) de 3/8″y la tubería
de salida (con banda azul) de 3/8″en una
mano con las tuberías de drenaje de la
misma longitud y la tubería de salida corrida
aproximadamente 6″.
2. Envuelva un caucho o hule alrededor de los
tres tuberías.
3. Inserte un lápiz No. 2 a través del caucho
o hule.
4. Rote el lápiz hacia abajo hasta que esté en línea
con la tubería y empuje hacia arriba a través
del orificio de montaje.
Libere la presión sobre
el lápiz y los tubos
permanecerán en
posición para una más
fácil conexión del grifo.
68
+
–
(B) Batería
(C) Base
del grifo (A) Bandeja
de la batería
(D) Luz azul

Instrucciones de instalación
CONEXIÓN DEL DRENAJE DE FILTRACIÓN
INSTALACIÓN PREFERIDA:
OPCIÓN A—INSTALACIÓN
DE ACCESO AL SÓTANO
Enrute la tubería de drenaje (negro, 1/4″)
DIRECTAMENTE desde el sistema de Ósmosis
Inversa hacia una torre depósito en el sótano,
pasando el vacío de aire provisto en el grifo. La
instalación del vacío del aire se deja a discreción
del instalador. El tubo de drenaje puede también
ser enrutado en el sótano hacia un drenaje del
piso o tina de lavar, siempre y cuando el vacío
de aire en el sótano se mantenga. Existen
accesorios especiales de vacío del aire para
conectar el tubo de drenaje a la parte superior
de la torre depósito.
Revise y cumpla con todos los códigos estatales y locales de plomería.
PRECAUCIÓN: Las opciones detalladas a continuación son las ÚNICAS configuraciones
aprobadas para instalación. No use ningún dispositivo de montura de drenaje.
NOTA: No cumplir con estas instrucciones de instalación invalidará la garantía del producto,
y el instalador será responsable por cualquier servicio, reparación o daños causados.
69
Tubería de drenaje del sistema de Ósmosis Inversa
1″
Se debe mantener un
espacio de aire mínimo
de 1″
INSTALACIÓN PREFERIDA:
OPCIÓN B—INSTALACIÓN DE
VENTILACIÓN SECA Y TRAMPA EN P
Instale una trampa en P con ventilación seca
debajo del lavaplatos para usar exclusivamente
en la tubería de drenaje del sistema de Ósmosis
Inversa. Una trampa en P con ventilación seca
es una que tiene su propia ventilación/ conducto
vertical. Una el adaptador de la tubería de
drenaje a la trampa en P y asegúrelo con la
tuerca y arandela como se muestra. La tubería
de drenaje se DEBE dirigir a través del vacío
de aire dispuesto en el grifo de agua del sistema
de Ósmosis Inversa.
Tubería de
drenaje del
sistema
Ósmosis
Inversa
Triturador opcional

Instrucciones de instalación
CONEXIÓN DEL DRENAJE DE FILTRACIÓN (cont.)
INSTALACIÓN PREFERIDA:
OPCIÓN C—INSTALACIÓN DE
VENTILACIÓN HÚMEDA Y TRAMPA
EN P
Instale una trampa en P debajo del lavaplatos
para usar exclusivamente en la tubería de
drenaje del sistema de Ósmosis Inversa. Una
trampa en P con ventilación húmeda es una que
comparte una ventilación común. Una el
adaptador de la tubería de drenaje a la trampa
en P y asegúrelo con la tuerca y arandela como
se muestra. La tubería de drenaje se DEBE dirigir
a través del vacío de aire dispuesto en el grifo
de agua del sistema de Ósmosis Inversa.
Localice la trampa en P del sistema de Ósmosis
Inversa lo más alto posible (mínimo 4″por
encima de forma horizontal).
1″
INSTALACIÓN SECUNDARIA:
OPCIÓN D—INSTALACIÓN DEL
ADAPTADOR DE LA TUBERÍA
DE DRENAJE (cont.)
Instale el adaptador de la tubería de drenaje
debajo del lavaplatos como se muestra (partes
incluidas). Se debe instalar una T de reparto
como se exhibe para evitar una obstrucción en la
tubería de drenaje del sistema de Ósmosis
Inversa. Dirija la tubería de drenaje desde el
vacío de aire hacia el adaptador de la tubería de
drenaje, asegurándose de que no haya caídas,
vueltas o puntos bajos en la tubería. El
adaptador de la tubería de drenaje se debe
alinear verticalmente de manera que los puntos
de conexión de la manguera estén hacia arriba
(la conexión de la manguera nunca debe caer
por debajo de los 45 grados de esta posición
vertical). Esta instalación PODRÍA resultar en un
ruido ligero del drenaje en el lavaplatos cuando
el sistema de Ósmosis inversa esté regenerando.
Si esto ocurre, simplemente coloque la tapa de
drenaje del lavaplatos en el sumidero para
eliminarlo.
Tubería
de drenaje
del sistema
OI
Triturador opcional
Tubería de
drenaje del
sistema
Ósmosis
Inversa
Mínimo de 4″
Adaptador de la
tubería de drenaje
Máximo 45°
T de reparto
(necesario)
Triturador
opcional
Desde el
segundo
lavaplatos
o triturador
45°
Desde el vacío de aire
del grifo
Adaptador
de la tubería
de drenaje
La conexión de la tubería de drenaje debe
quedar 180° opuesta a la tubería existente
horizontal/T de reparto como se muestra
Adaptador de la tubería
de drenaje
Orientación correcta del adaptador de la tubería de drenaje
70
INSTALACIÓN SECUNDARIA:
OPCIÓN D—INSTALACIÓN DEL
ADAPTADOR DE LA TUBERÍA
DE DRENAJE
PRECAUCIÓN: El uso de la
opción D podría resultar en una obstrucción
bajo condiciones adversas y requiere
inspección/limpieza por parte del usuario.
NO INSTALE LA TUBERÍA DE DRENAJE EN
FORMA DESCENDENTE A PARTIR DEL
TRITURADOR O EN UNA TUBERÍA HORIZONTAL.

Instrucciones de instalación
TANQUE DE ALMACENAMIENTO Y ARRANQUE
71
INSTALACIÓN DEL TANQUE
DE ALMACENAMIENTO
1. Retire la tapa protectora del tanque.
2. Aplique 2–3 vueltas
de cinta, en dirección
del reloj, a las roscas
del tanque.
3. Instale los accesorios
de presión para conectar
en el accesorio enroscado
del tanque como se
muestra.
4. Empuje la tubería de
banda roja de 3/8″desde
el sistema de Ósmosis
Inversa hacia el
accesorio en el tanque
de almacenamiento.
PROCEDIMIENTO PARA
EL ARRANQUE DEL SISTEMA
PRECAUCIÓN: Si se está
instalando la unidad en una construcción
nueva, verifique que la plomería de la casa
se purgue completamente antes de abrir la
válvula de suministro.
1. Verifique que todas las conexiones
de la tubería estén seguras.
2. Encienda la válvula de suministro del agua
de alimentación.
3. Verifique todos los puntos de conexión
en busca de fugas.
4. Siga los procedimientos de desinfección
de la página 73.
5. Después de completar la desinfección,
vuelva a instalar el pre-filtro, post-filtro
y cartuchos de Ósmosis Inversa.
6. La membrana contiene un preservativo
de grado de alimentos. Permita que
el sistema llene el tanque, luego drénelo
completamente 4 veces antes de usar
el agua del sistema.
7. Vuelva a revisar todos los puntos de
conexión de agua unos días después
en busca de fugas pequeñas.
Tanque de
almacenamiento
Cinta
de rosca

Soporte al consumidor Solucionar problemas Operación SeguridadInstalación
Cuidado y limpieza del sistema de Ósmosis Inversa.
Procedimiento de reemplazo del pre-filtro, post-filtro y cartucho de membrana del sistema
de Ósmosis Inversa
Cuando la luz azul en la base del grifo está
intermitente, es el momento de reemplazar el pre-
filtro y post-filtro. Esto ocurrirá cada seis meses.
Cerciórese de lavarse las manos antes de manipular
partes interiores del sistema.
1. Apague la máquina de hielo (si está unida al sistema).
2. Apague el suministro de agua hacia el sistema.
3. Encienda el grifo hacia el tanque de drenaje
(podría tomarse varios minutos). Cierre el grifo
cuando el tanque esté vacío.
4. Retire el pre-filtro, post-filtro y el cartucho
de Ósmosis Inversa rotando hacia la izquierda
aproximadamente un tercio de giro.
5. Siga el procedimiento de Cómo desinfectar
el sistema de Ósmosis Inversa en la página 73.
6. Retire el aluminio que viene encima de los
nuevos cartuchos de reemplazo. Instale los
nuevos cartuchos en el colector girando hacia
la derecha aproximadamente un tercio de giro
hasta que las marcas de alineación queden
alineadas y los cartuchos paren. NO APRIETE EN
EXCESO. Los cartuchos se levantarán a medida
que giran.
NOTA: El prefiltro y posfiltro son idénticos. Usted
puede instalar cualquier filtro en la posición de
filtro o posfiltro. El cartucho de osmosis inversa
se instala en la posición central.
7. Encienda el suministro de agua para llenar
el sistema (puede tomar hasta 4 horas). Revise
en busca de fugas.
8. Retire la bandeja de la batería y reemplace la
batería, con el lado positivo “+” hacia la parte
inferior, para re-inicializar el temporizador y
monitorear la función en la base del grifo
(consulte la sección Instalación de la batería
para el procedimiento correcto).
9. Si únicamente el pre-filtro y el post-filtro se
reemplazan, abra el grifo y desocupe el tanque
de almacenamiento. Si el cartucho de
membrana se reemplaza, llene y desocupe el
tanque de almacenamiento un total de 4 veces.
(Esto eliminará los preservativos de grado de
alimentos contenidos en las nuevas membranas.
Este preservativo le dará al agua un sabor y olor
desagradables).
10. Una vez que el tanque de almacenamiento esté
lleno, encienda la máquina de hielos.
NOTA: El sistema debe desinfectarse cuando se
reemplace el cartucho de pre-filtro y post-filtro o el
cartucho de Ósmosis Inversa. Siga el procedimiento
Cómo desinfectar el sistema de Ósmosis Inversa en la
página 73.
72
ENCENDIDO
APAGADO
Para retirar
Ósmosis
Inversa
Pre-
filtro
Post-
filtro

ge.com
Cómo desinfectar el sistema de Ósmosis Inversa
Desinfecte el sistema en el momento de instalación
del sistema de Ósmosis Inversa y después de realizar
servicio a las partes internas, incluyendo el reemplazo
del pre-filtro, post-filtro y el cartucho de membrana.
Cerciórese de lavarse las manos antes de manipular
las partes internas del sistema.
PRECAUCIÓN: Antes de la
desinfección, verifique que retiró todos los
cartuchos. El cloro destruirá el cartucho de
membrana de Ósmosis Inversa.
1. Siga los pasos del 1 al 4 en la sección Procedimiento
de reemplazo del pre-filtro, post-filtro y cartucho de
membrana del sistema de Ósmosis Inversa.
2. Llene el cartucho vacío marcado como “cartucho
de desinfección” con agua hasta quedar a una
pulgada de la abertura superior. Agregue una
onza (2 cucharadas) de blanqueador casero
común. Instale el cartucho en la posición del
cartucho de pre-filtro girando hacia la derecha
un tercio de giro aproximadamente, hasta que
las marcas de alineación queden alineadas y
el cartucho pare.
3. Instale los 2 cartuchos de desinfección adicionales
en las aberturas en el colector para el cartucho
de membrana y de post-filtro girando hacia
la derecha un tercio de giro aproximadamente,
hasta que las marcas de alineación queden
alineadas y el cartucho pare.
4. Abra la válvula de agua. Abra el grifo hasta que
el agua empiece a fluir, luego cierre el grifo. Deje
que el sistema se llene por 10 minutos.
5. Abra el grifo y deje que el agua fluya por
20 minutos o hasta que el olor a blanqueador
desaparezca. Cierre el suministro de agua
nuevamente. Abra el grifo para drenar
el sistema.
6. Una vez que el sistema se drene, cierre el grifo y
retire los cartuchos girando hacia la izquierda un
tercio de giro aproximadamente. Guárdelos en
lugar seguro hasta que los necesite nuevamente.
73
Cartuchos de
desinfección
Posición
de pre-filtro
Soporte al consumidorSolucionar problemas
Operación
Seguridad Instalación

Soporte al consumidor Solucionar problemas Operación SeguridadInstalación
Cuidado y limpieza del sistema de Ósmosis Inversa.
74
Para obtener filtros de repuesto, llame sin costo a Repuestos de electrodoméstricos de GE
al 800.626.2002 (EE.UU.), 800.663.6060 (Canadá–inglés), 800.361.3869 (Canadá–francés), o visite
la tienda donde adquirió el sistema de Ósmosis Inversa.
PRECAUCIÓN: Antes de poner en servicio el sistema de Ósmosis Inversa, cierre el
suministro de agua/válvula de montura y abra el grifo de agua del sistema de Ósmosis Inversa. Permita
que el sistema se drene.
Repuesto de cartucho pre-filtro/post-filtro FQROPF Bloque de carbono
Repuesto de cartucho del sistema de Ósmosis Inversa FQROMF Poliamida de película delgada
Kit de prueba del agua
Para obtener un kit de prueba del agua de un laboratorio independiente, llame a Legend Technical
Services al 1.800.826.8553 ext. 47 y deje sus datos para contactarlo. Ellos le contactarán para
averiguar qué pruebas de agua le interesan, y le informarán sobre el costo de las pruebas. Luego
recibirá un kit que incluye todas las pruebas necesarias para indicar correctamente el nivel de
desempeño de su sistema. El agua del producto se debe someter a prueba como mínimo cada
seis meses.
NOTA: Cuando la reducción de los sólidos totales disueltos (TDS) del sistema caiga por debajo del
75%, es el momento de reemplazar el cartucho de Ósmosis Inversa además del pre-filtro y post-filtro.

75
Problema Posible causas Qué hacer
El agua tiene burbujas Aire en el sistema después de •Desaparecerá después de que el agua corra por
de aire y está turbia la instalación. un tiempo.
La luz indicadora Las baterías se instalaron •Observe la orientación en la página 68 para instalación
de la base del grifo incorrectamente o son expendida. correcta. Reemplace las baterías si son viejas.
no funciona
La luz azul no ilumina hasta •Operación normal.
los seis meses.
Las baterías están agotadas. •Use batería nueva CR2032, de 3 voltios.
Sabor y/u olor a cloro El nivel de ppm de cloro en su
•Si el suministro de agua contiene más de 2,0 ppm de
en el agua producida suministro de agua supera los
cloro, se necesita filtración adicional del suministro de
por el sistema de límites máximos y ha destruido agua hacia el sistema de Ósmosis Inversa. Corrija esta
Ósmosis Inversa la membrana del sistema de condición antes de hacer mantenimiento al sistema
Ósmosis Inversa. de Ósmosis Inversa.
El pre-filtro ya no está retirando •Reemplace el cartucho de la membrana, control
el cloro del suministro de agua. del flujo, rejilla, pre-filtro, post-filtro y baterías
en la caja electrónica del sistema de Ósmosis Inversa.
Otro sabor y/u olor Agua producida de alta calidad •Esto es normal.
puede tener un sabor diferente
al que está acostumbrado.
Bajo uso de agua. •Drene completamente el sistema y permita que se
vuelva a llenar.
Contaminación en almacenamiento
•
Siga los procedimientos de desinfección.
del agua producida.
El pre-filtro, post-filtro y/o el
•Reponga el pre-filtro y post-filtro.
cartucho deben ser cambiados.
•Desinfecte el sistema.
Antes de llamar a solicitar servicio… ge.com
Consejos para la solución de fallas
¡Ahorre tiempo y dinero! Revise las tablas en las siguientes páginas
primero y quizás no necesite llamar a solicitar un servicio.
Soporte al consumidorSolucionar problemas
Operación
Seguridad Instalación

Consejos para la solución de fallas
Soporte al consumidor Solucionar problemas Operación SeguridadInstalación
76
Problema Posible causas Qué hacer
Agua goteando del El lado de drenaje del vacío de •Inspeccione y elimine obstrucciones o bloqueos.
orificio del vacío de aire del grifo (tubería de 3/8″) Es importante que no haya hundimientos, vueltas o
aire del grifo está obstruido, restringido o caídas en la tubería de drenaje desde el vacío de aire
incorrectamente conectado del grifo hacia la tubería de drenaje. Consulte las
hacia el punto de drenaje. Instrucciones de instalación para una
conexión
apropiada del drenaje. Si el adaptador de la tubería
de drenaje se usó como el punto de drenaje,
se recomienda una inspección/limpieza periódica.
El sistema produce el Esto es normal. •El ritmo de flujo del agua será inferior que el de su
agua muy lentamente llave normal.
•Para llenar el tanque necesitará 3–4 horas.
El suministro de agua hacia el •Aumente la presión del agua, preacondicione el agua,
sistema Ósmosis Inversa no está etc., según sea necesario para adaptarse antes de
dentro de las especificaciones. hacer mantenimiento el sistema de Ósmosis Inversa.
El cartucho de pre-filtro está •Reemplace el pre-filtro y post-filtro. Si el ritmo no
obstruido con sedimentos. aumenta, reemplace el cartucho del sistema de
Ósmosis Inversa, control del flujo y las baterías
en la base del grifo.
El cartucho del sistema de •Reemplace el cartucho del sistema de Ósmosis Inversa,
Ósmosis Inversa está obstruido control del flujo y la batería en la base del grifo.
con sedimentos.
No hay agua La válvula de suministro •Abra la válvula de suministro de agua. Consulte
de agua no está abierta. el diagrama en la página 65.
Después del cambio de filtro, •Se necesitan entre 3 y 4 horas para que el sistema
el tanque está vacío. de Ósmosis Inversa suministre suficiente agua para
llenar el tanque.
Fugas en los accesorios Instalados incorrectamente. •Vuelva a instalar. Consulte las instrucciones de instalación.
Sonidos que usted podría Drenaje del lavamanos, •Esto es normal.
escuchar agua de drenaje del sistema. •La tubería de drenaje se puede instalar en un drenaje
alternativo, como en un drenaje de sótano. Consulte
las páginas 69 y 70 para configuraciones de drenaje
alternativos.
Vacío de aire en el grifo— •Instale un regulador de presión en su sistema
el agua de drenaje fluye a través de suministro de agua de la casa para reducir la presión
del vacío de aire en el grifo. por debajo de 90 psi.
Este podría estar asociado con •GE tiene un estrangulador de flujo para presión de agua
la presión alta del suministro alta (Consulte el artículo #31 en la lista de partes,
de agua, generalmente a 90 página 79). Póngase en contacto con el Departamento
psi o mayor. de Partes de GE y pida un Estrangulador de flujo, de
presión alta, Número de parte WS15X10049.
Antes de llamar a solicitar servicio…

77
Notas. ge.com
Soporte al consumidorSolucionar problemas
Operación
Seguridad Instalación

Estrangulador de
flujo (opcional), para
instalaciones de presión alta
Lista de partes.
78
PXRQ15F, PNRQ15FBL
PARTES OPCIONALES
PARA INSTALACIÓN REMOTA

Catálogo de partes. ge.com
CANTIDAD
P
N
PR
XQ
R1
Q5
1F
5B
NO. REF. PARTE NO. DESCRIPCIÓN DE LA PARTE F L
0001 WS19X10017 ENSAMBLADURA DEL COLECTOR 1 1
0002 WS19X10018 TAPA 1 1
0003 FQROPF JUEGO DE PRE- Y POST-FILTRO 1 1
0004 FQROMF CARTUCHO DE ÓSMOSIS INVERSA 1 1
0005 WS03X10047 KIT DE ARO TÓRICO (4 GRANDES, 6 PEQUEÑOS) 1 1
0006 WS03X10048 TAPA DEL MEDIDOR DEL FLUJO Y ARO TÓRICO 1 1
0007 WS15X10050 ENSAMBLADURA DE LA VÁLVULA DE CIERRE 1 1
0008 WS10X10030 TAPA DE CIERRE Y ENSAMBLADURA DE LA BOLA
DE RETENCIÓN 1 1
0009 WS02X10034 TORNILLOS, JUEGO DE 7 1 1
0011 WS32X10021 TANQUE DE ALMACENAMIENTO DE AGUA 1 1
0014 WS07X10018 TUBERÍA, 1/4″DIA. X 33′—BLANCO 1 1
0015 WS07X10019 TUBERÍA, 3/8″DIA. X 33′—BLANCO 1 1
0016 WS15X10037 GRIFO, CROMO, LARGO ALCANCE 1 –
WS15X10042 GRIFO, CROMO, ARCO ALTO – 1
0017 WS10X10028 BASE DEL GRIFO, CROMO 1 1
0019 WS18X10009 KIT ADAPTADOR DEL AGUA DE ALIMENTACIÓN 1 1
0020 WS02X10031 ARANDELA Y TUERCA—GRIFO 1 1
0021 WS35X10041 KIT DE DESINFECCIÓN 1 1
0022 WS15X10041 LIMITADOR DEL FLUJO 1 1
0023 WS22X10055 CONECTOR DEL TANQUE, TUBERÍA DE 3/8″11
0024 WS22X10054 ACCESORIO DEL GRIFO, TUBERÍA DE 3/8″11
0027 WS22X10052 BOQUILLA, 1/4″ (JUEGO DE 2) 1 1
0028 WS22X10053 BOQUILLA, 3/8″(JUEGO DE 2) 1 1
0029 WS18X10006 ADAPTADOR DEL TUBERÍA DE DRENAJE 1 1
0030 WS02X10030 ESPACIADOR, MONTADO EN EL GRIFO 1 1
0031 WS15X10049 ESTRANGULADOR DE FLUJO, DE PRESIÓN ALTA – –
0999 49-50198 MANUAL DEL PROPIETARIO Y INSTALACIÓN 1 1
79

80
Notas.
Soporte al consumidor Solucionar problemas Operación SeguridadInstalación

81
Notas.
Soporte al consumidorSolucionar problemas
Operación
Seguridad Instalación

82
Garantía del Sistema Ósmosis Inversa.
Por el período de: GE repondrá:
Un año Cualquier parte del Sistema de Filtración de Ósmosis Inversa cuya falla se deba a
A partir de la fecha un defecto material o de mano de obra. Durante esta garantía limitada de un año, GE
de compra original también ofrecerá sin costo, toda la mano de obra y servicio relacionado para reemplazar
las partes defectuosas.
■Visitas de servicio hasta su casa para enseñarle cómo
usar el producto.
■Instalación, entrega o mantenimiento incorrectos.
■Falla del producto si es abusado, mal utilizado, usado
con un fin diferente al propósito pretendido o usado
para fines comerciales.
■Uso de este producto donde el agua sea
microbiológicamente insegura o de calidad desconocida,
sin una desinfección adecuada. Los sistemas certificados
para la reducción de quistes pueden ser usados en agua
desinfectada que puede contener quistes filtrables.
■Cartuchos del filtro, cartuchos de la membrana y las
baterías después de treinta días a partir de la fecha de
la compra.
■Daño al producto causado por accidente, incendio,
inundación o actos de Dios.
■Daños incidentales o consecuentes causados por posibles
defectos con este aparato.
Qué no cubrirá GE:
Todo servicio de garantía será proporcionado por un Proveedor
de Servicio GE SmartWater™autorizado. Para concertar una
cita en línea, visítenos 24 horas al día a ge.com, o llámenos
gratuitamente al 800.GE.CARES (U.S.) o al 866.777.7627 (Canadá).
Cuando llame para solicitar servicio, por favor tenga a mano el
número de serie y el número de modelo.
Grape aquí su recibo.
Se requiere facilitar prueba de
la fecha de compra original para
obtener un servicio bajo
la garantía.
Soporte al consumidor Solucionar problemas Operación SeguridadInstalación
Esta garantía se extiende al comprador original y cualquier comprador posterior de productos comprados para uso
residencial dentro de Estados Unidos. Si el producto está situado en un área que no dispone de servicio por parte
de un proveedor de servicio autorizado de GE, podría tener que hacerse cargo de los costes de envío o bien podría
solicitársele que lleve el producto a una centro de servicio de GE autorizado para realizar la reparación. En Alaska,
la garantía excluye el costo de envío o las visitas de servicio a su casa.
Algunos estados no permiten la exclusión o las limitaciones de daños incidentales o consecuenciales. Esta garantía
da derechos legales específicos, y usted podría tener otros derechos que variarán de estado a estado. Para saber cuáles
son sus derechos legales, consulte a la oficina de asuntos del consumidor local o la oficina del Attorney General en
su localidad.
Garante: General Electric Company. Louisville, KY 40225
EXCLUSIÓN DE GARANTÍAS IMPLÍCITAS—Su único y exclusivo derecho es la reparación del producto, tal y
como se indica en esta Garantía limitada. Cualquier garantía implícita, incluyendo las garantías implícitas de
comerciabilidad o adecuación para un fin determinado, están limitadas a un año o el período de tiempo más
breve permitido por la ley.

83
Soporte al consumidor.
Página Web de GE Appliances ge.com
¿Tiene alguna pregunta sobre su electrodoméstico? ¡Pruebe la página Web de GE Appliances 24 horas al
día, cualquier día del año! Para mayor conveniencia y servicio más rápido, ya puede descargar los Manuales
de los Propietarios, pedir piezas o incluso hacer una cita en línea para que vengan a realizar una
reparación. También puede “Ask Our Team of Experts ™ ” (Preguntar a nuestro equipo de expertos) sobre
cualquier cuestión y mucho más...
Solicite una reparación ge.com
El servicio de expertos GE está a tan sólo un paso de su puerta. ¡Entre en línea y solicite su reparación
cuando le venga bien 24 horas al día cualquier día del año! O llame al 800.GE.CARES (800.432.2737)
durante horas normales de oficina.
Real Life Design Studio (Estudio de diseño para la vida real)
ge.com
GE apoya el concepto de Diseño Universal—productos, servicios y ambientes que pueden usar gente de
todas las edades, tamaños y capacidades. Reconocemos la necesidad de diseñar para una gran gama de
habilidades y dificultades físicas y mentales. Para más detalles cobre las aplicaciones de GE Diseño Universal,
incluyendo ideas de diseño para la cocina para personas con discapacidades, mire nuestra página Web hoy
mismo. Para personas con dificultades auditivas, favor de llamar al 800.TDD.GEAC (800.833.4322).
Garantías ampliadas ge.com
Compre una garantía ampliada y obtenga detalles sobre descuentos especiales disponibles mientras su
garantía está aún activa. Puede comprarla en línea en cualquier momento, o llamar al (800.626.2224)
durante horas normales de oficina. GE Consumer Home Services estará aún ahí cuando su garantía termine.
Piezas y accesorios ge.com
Aquellos individuos con la calificación necesaria para reparar sus propios electrodomésticos pueden
pedir que se les manden las piezas o accesorios directamente a sus hogares (aceptamos las tarjetas
VISA, MasterCard y Discover). Haga su pedido en línea hoy, 24 horas cada día o llamar por teléfono
al 800.626.2002 durante horas normales de oficina.
Las instrucciones descritas en este manual cubren los procedimientos a seguir por cualquier usuario. Cualquier
otra reparación debería, por regla general, referirse a personal calificado autorizado. Debe ejercerse precaución
ya que las reparaciones incorrectas pueden causar condiciones de funcionamiento inseguras.
Póngase en contacto con nosotros ge.com
Si no está satisfecho con el servicio que recibe de GE, póngase en contacto con nosotros en nuestra página
Web indicando todos los detalles así como su número de teléfono o escríbanos a:
General Manager, Customer Relations
GE Appliances, Appliance Park
Louisville, KY 40225
Registre su electrodoméstico ge.com
¡Registre su nuevo electrodoméstico en línea—cuando usted prefiera! El registrar su producto a tiempo le
proporcionará, si surgiera la necesidad, una mejor comunicación y un servicio más rápido bajo los términos
de su garantía. También puede enviar su tarjeta de registro pre-impresa que se incluye en el material de
embalaje o recorte y use el formulario de este Manual del Propietario.

Consumer Support.
GE Appliances Website In the U.S.: ge.com
Have a question or need assistance with your appliance? Try the GE Appliances Website 24 hours a day,
any day of the year! For greater convenience and faster service, you can now download Owner’s Manuals,
order parts, catalogs, or even schedule service on-line. You can also “Ask Our Team of Experts™” your questions,
and so much more... In Canada: www.geappliances.ca
Schedule Service In the U.S.: ge.com
Expert GE repair service is only one step away from your door. Get on-line and schedule your service at your
convenience 24 hours any day of the year! Or call 800.GE.CARES (800.432.2737) during normal business hours.
In Canada, call 1.800.361.3400
Real Life Design Studio In the U.S.: ge.com
GE supports the Universal Design concept—products, services and environments that can be used by people of all
ages, sizes and capabilities. We recognize the need to design for a wide range of physical and mental abilities and
impairments. For details of GE’s Universal Design applications, including kitchen design ideas for people with
disabilities, check out our Website today. For the hearing impaired, please call 800.TDD.GEAC (800.833.4322).
In Canada, contact: Manager, Consumer Relations, Camco, Inc.
Suite 310, 1 Factory Lane
Moncton, N.B. E1C 9M3
Extended Warranties In the U.S.: ge.com
Purchase a GE extended warranty and learn about special discounts that are available while your warranty is still
in effect. You can purchase it on-line anytime, or call 800.626.2224 during normal business hours. GE Consumer
Home Services will still be there after your warranty expires. In Canada, call 1.888.261.2133
Parts and Accessories In the U.S.: ge.com
Individuals qualified to service their own appliances can have parts or accessories sent directly to their homes
(VISA, MasterCard and Discover cards are accepted). Order on-line today, 24 hours every day or by phone at
800.626.2002 during normal business hours.
Instructions contained in this manual cover procedures to be performed by any user. Other servicing generally should be
referred to qualified service personnel. Caution must be exercised, since improper servicing may cause unsafe operation.
Customers in Canada should consult the yellow pages for the nearest Camco service center, or call 1.888.261.3055.
Contact Us In the U.S.: ge.com
If you are not satisfied with the service you receive from GE, contact us on our Website with all the details
including your phone number, or write to: General Manager, Customer Relations
GE Appliances, Appliance Park
Louisville, KY 40225
In Canada: www.geappliances.ca, or write to: Director, Consumer Relations, Camco, Inc.
Suite 310, 1 Factory Lane
Moncton, N.B. E1C 9M3
Register Your Appliance In the U.S.: ge.com
Register your new appliance on-line—at your convenience! Timely product registration will allow for enhanced
communication and prompt service under the terms of your warranty, should the need arise. You may also mail in
the pre-printed registration card included in the packing material, or detach and use the form in this Owner’s
Manual. In Canada: www.geappliances.ca
Printed in China