Gemalto M2M PH8-P GSM/GPRS/UMTS/HSPA Module User Manual hio

Gemalto M2M GmbH GSM/GPRS/UMTS/HSPA Module hio

Contents

User Manual

PH8/PH8-PVersion: 02.000DocId: PH8_PH8-P_HD_v02.000 Hardware Interface Overview
GENERAL NOTE THE USE OF THE PRODUCT INCLUDING THE SOFTWARE AND DOCUMENTATION (THE "PROD-UCT") IS SUBJECT TO THE RELEASE NOTE PROVIDED TOGETHER WITH PRODUCT. IN ANYEVENT THE PROVISIONS OF THE RELEASE NOTE SHALL PREVAIL. THIS DOCUMENT CON-TAINS INFORMATION ON CINTERION PRODUCTS. THE SPECIFICATIONS IN THIS DOCUMENTARE SUBJECT TO CHANGE AT CINTERION'S DISCRETION. CINTERION WIRELESS MODULESGMBH GRANTS A NON-EXCLUSIVE RIGHT TO USE THE PRODUCT. THE RECIPIENT SHALL NOTTRANSFER, COPY, MODIFY, TRANSLATE, REVERSE ENGINEER, CREATE DERIVATIVE WORKS;DISASSEMBLE OR DECOMPILE THE PRODUCT OR OTHERWISE USE THE PRODUCT EXCEPTAS SPECIFICALLY AUTHORIZED. THE PRODUCT AND THIS DOCUMENT ARE PROVIDED ON AN"AS IS" BASIS ONLY AND MAY CONTAIN DEFICIENCIES OR INADEQUACIES. TO THE MAXIMUMEXTENT PERMITTED BY APPLICABLE LAW, CINTERION WIRELESS MODULES GMBH DIS-CLAIMS ALL WARRANTIES AND LIABILITIES. THE RECIPIENT UNDERTAKES FOR AN UNLIMITEDPERIOD OF TIME TO OBSERVE SECRECY REGARDING ANY INFORMATION AND DATA PRO-VIDED TO HIM IN THE CONTEXT OF THE DELIVERY OF THE PRODUCT. THIS GENERAL NOTESHALL BE GOVERNED AND CONSTRUED ACCORDING TO GERMAN LAW.CopyrightTransmittal, reproduction, dissemination and/or editing of this document as well as utilization of its con-tents and communication thereof to others without express authorization are prohibited. Offenders willbe held liable for payment of damages. All rights created by patent grant or registration of a utility modelor design patent are reserved. Copyright © 2011, Cinterion Wireless Modules GmbH Trademark NoticeMicrosoft and Windows are either registered trademarks or trademarks of Microsoft Corporation in theUnited States and/or other countries. All other registered trademarks or trademarks mentioned in thisdocument are property of their respective owners.PH8_PH8-P_HD_v02.000 Page 2 of 46 2011-10-21Confidential / ReleasedPH8/PH8-P Hardware Interface Overview2Document Name: PH8/PH8-P Hardware Interface Overview Version: 02.000Date: 2011-10-21DocId: PH8_PH8-P_HD_v02.000Status Confidential / Released
PH8/PH8-P Hardware Interface Overview Contents46PH8_PH8-P_HD_v02.000 Page 3 of 46 2011-10-21Confidential / ReleasedContents1 Introduction ................................................................................................................. 61.1 Related Documents ........................................................................................... 61.2 Terms and Abbreviations ................................................................................... 61.3 Regulatory and Type Approval Information ....................................................... 91.3.1 Directives and Standards...................................................................... 91.3.2 SAR requirements specific to portable mobiles .................................. 121.3.3 SELV Requirements ........................................................................... 131.3.4 Safety Precautions.............................................................................. 132 Product Concept ....................................................................................................... 152.1 Key Features at a Glance ................................................................................ 152.2 PH8/PH8-P System Overview ......................................................................... 183 Application Interface................................................................................................. 193.1 Operating Modes ............................................................................................. 203.2 Power Supply................................................................................................... 213.3 USB Interface................................................................................................... 223.4 Serial Interface ASC0 ...................................................................................... 233.5 UICC/SIM/USIM Interface................................................................................ 253.6 Analog Audio Interface..................................................................................... 273.7 Digital Audio Interface...................................................................................... 274 GPS Receiver............................................................................................................. 285 Antenna Interfaces.................................................................................................... 295.1 GSM/UMTS Antenna Interface ........................................................................ 295.1.1 Antenna Installation ............................................................................ 295.1.2 Antenna Connector ............................................................................. 305.2 GPS Antenna Interface .................................................................................... 346 Mechanics.................................................................................................................. 356.1 Mechanical Dimensions of PH8/PH8-P ........................................................... 356.2 Mounting PH8/PH8-P to the Application Platform............................................ 376.3 Board-to-Board Application Connector ............................................................ 377 Sample Application................................................................................................... 418 Reference Approval .................................................................................................. 438.1 Reference Equipment for Type Approval......................................................... 438.2 Compliance with FCC and IC Rules and Regulations ..................................... 449 Appendix.................................................................................................................... 459.1 List of Parts and Accessories........................................................................... 45
PH8/PH8-P Hardware Interface Overview Tab le s46PH8_PH8-P_HD_v02.000 Page 4 of 46 2011-10-21Confidential / ReleasedTablesTable 1: Directives .........................................................................................................  9Table 2: Standards of North American type approval ....................................................  9Table 3: Standards of European type approval..............................................................  9Table 4: Requirements of quality .................................................................................  10Table 5: Standards of the Ministry of Information Industry of the People’s Republic of China............................................................................  10Table 6: Toxic or hazardous substances or elements with defined concentration limits...............................................................................................................  11Table 7: Overview of operating modes ........................................................................  20Table 8: DCE-DTE wiring of ASC0 ..............................................................................  24Table 9: Signals of the SIM interface (board-to-board connector) ...............................  25Table 10: Return loss in the active band........................................................................  29Table 11: Product specifications of PH8/PH8-P antenna connectors............................  30Table 12: Material and finish of PH8/PH8-P antenna connectors and recommended plugs ..............................................................................................................  31Table 13: Ordering information for Hirose U.FL Series..................................................  33Table 14: Technical specifications of Molex board-to-board connector.........................  38Table 15: List of parts and accessories..........................................................................  45Table 16: Molex sales contacts (subject to change) ......................................................  46Table 17: Hirose sales contacts (subject to change) .....................................................  46
PH8/PH8-P Hardware Interface Overview Figures46PH8_PH8-P_HD_v02.000 Page 5 of 46 2011-10-21Confidential / ReleasedFiguresFigure 1: PH8/PH8-P system overview.........................................................................  18Figure 2: USB circuit .....................................................................................................  22Figure 3: Serial interface ASC0.....................................................................................  23Figure 4: UICC/SIM/USIM interface ..............................................................................  26Figure 5: Mechanical dimensions of PH8/PH8-P antenna connectors..........................  30Figure 6: U.FL-R-SMT connector with U.FL-LP-040 plug .............................................  31Figure 7: U.FL-R-SMT connector with U.FL-LP-066 plug .............................................  31Figure 8: Specifications of U.FL-LP-(V)-040(01) plug ...................................................  32Figure 9: PH8/PH8-P – top and bottom view ................................................................  35Figure 10: Dimensions of PH8/PH8-P (all dimensions in mm)........................................  36Figure 11: Mating board-to-board connector 53748-0808 on application .......................  38Figure 12: Molex board-to-board connector 52991-0808 on PH8/PH8-P .......................  39Figure 13: Mating board-to-board connector 53748-0808 on application .......................  40Figure 14: PH8/PH8-P sample application......................................................................  42Figure 15: Reference equipment for type approval.........................................................  43
PH8/PH8-P Hardware Interface Overview1 Introduction14PH8_PH8-P_HD_v02.000 Page 6 of 46 2011-10-21Confidential / Released1 IntroductionThe document1 describes the hardware of the PH8/PH8-P module, designed to connect to a cellular device application and the air interface. It helps you quickly retrieve interface specifica-tions, electrical and mechanical details and information on the requirements to be considered for integrating further components.1.1 Related Documents[1] PH8/PH8-P AT Command Set[2] PH8/PH8-P Release Notes[3] DSB75 Support Box - Evaluation Kit for Cinterion Wireless Modules1.2 Terms and Abbreviations1. The document is effective only if listed in the appropriate Release Notes as part of the technicaldocumentation delivered with your Cinterion Wireless Modules product.Abbreviation DescriptionAGPS Assisted GPSANSI American National Standards InstituteAMR Adaptive MultirateARP Antenna Reference PointB2B Board-to-board connectorBB BasebandBEP Bit Error ProbabilityBTS Base Transceiver StationCB or CBM Cell Broadcast MessageCE Conformité Européene (European Conformity)CS Coding SchemeCS Circuit SwitchedCSD Circuit Switched DataCTM Cellular Text ModemDAC Digital-to-Analog ConverterDCS Digital Cellular SystemDL DownloadDRX Discontinuous ReceptionDSB Development Support Board
PH8/PH8-P Hardware Interface Overview1.2 Terms and Abbreviations14PH8_PH8-P_HD_v02.000 Page 7 of 46 2011-10-21Confidential / ReleasedDSP Digital Signal ProcessorDTMF Dual Tone Multi FrequencyDTX Discontinuous TransmissionEDGE Enhanced Data rates for GSM EvolutionEFR Enhanced Full RateEGSM Extended GSMEMC Electromagnetic CompatibilityERP Effective Radiated PowerESD Electrostatic DischargeETS European Telecommunication StandardETSI European Telecommunications Standards InstituteFCC Federal Communications Commission (U.S.)FDD Frequency Division DuplexFDMA Frequency Division Multiple AccessFR Full RateGPRS General Packet Radio ServiceGPS Global Positioning SystemGSM Global Standard for Mobile CommunicationsHiZ High ImpedanceHSDPA High Speed Downlink Packet AccessHR Half RateI/O Input/OutputIF Intermediate FrequencyIMEI International Mobile Equipment IdentityISO International Standards OrganizationITU International Telecommunications Unionkbps kbits per secondLED Light Emitting DiodeMbps Mbits per secondMCS Modulation and Coding SchemeMO Mobile OriginatedMS Mobile Station, also referred to as TEMT Mobile TerminatedNMEA National Marine Electronics AssociationNTC Negative Temperature CoefficientPBCCH Packet Switched Broadcast Control ChannelAbbreviation Description
PH8/PH8-P Hardware Interface Overview1.2 Terms and Abbreviations14PH8_PH8-P_HD_v02.000 Page 8 of 46 2011-10-21Confidential / ReleasedPCB Printed Circuit BoardPCL Power Control LevelPCM Pulse Code ModulationPCS Personal Communication System, also referred to as GSM 1900PDU Protocol Data UnitPS Packet SwitchedPSK Phase Shift KeyingQAM Quadrature Amplitude ModulationR&TTE Radio and Telecommunication Terminal EquipmentRF Radio FrequencyROPR Radio Output Power ReductionRTC Real Time ClockRx Receive DirectionSAR Specific Absorption RateSELV Safety Extra Low VoltageSIM Subscriber Identification ModuleSLIC Subscriber Line Interface Circuit SMPL Sudden Momentary Power LossSMS Short Message ServiceSNR Signal-to-Noise RatioSRAM Static Random Access MemorySRB Signalling Radio BearerSUPL Secure User Plane LocationTDMA Time Division Multiple AccessTE Terminal EquipmentTPC Transmit Power ControlTS Technical SpecificationTTFF Time To First FixTx Transmit DirectionUL UploadUMTS Universal Mobile Telecommunications SystemURC Unsolicited Result CodeUSB Universal Serial BusUICC USIM Integrated Circuit CardUSIM UMTS Subscriber Identification ModuleWCDMA Wideband Code Division Multiple AccessAbbreviation Description
PH8/PH8-P Hardware Interface Overview1.3 Regulatory and Type Approval Information14PH8_PH8-P_HD_v02.000 Page 9 of 46 2011-10-21Confidential / Released1.3 Regulatory and Type Approval Information1.3.1 Directives and StandardsPH8/PH8-P has been designed to comply with the directives and standards listed below.It is the responsibility of the application manufacturer to ensure compliance of the final product with all provisions of the applicable directives and standards as well as with the technical spec-ifications provided in the "PH8/PH8-P Hardware Interface Description".11. Manufacturers of applications which can be used in the US shall ensure that their applications have aPTCRB approval. For this purpose they can refer to the PTCRB approval of the respective module. Table 1:  Directives99/05/EC Directive of the European Parliament and of the council of 9 March 1999 on radio equipment and telecommunications terminal equipment and the mutual recognition of their conformity (in short referred to as R&TTE Direc-tive 1999/5/EC).The product is labeled with the CE conformity mark   2002/95/EC  Directive of the European Parliament and of the Council of 27 January 2003 on the restriction of the use of certain haz-ardous substances in electrical and electronic equipment (RoHS)Table 2:  Standards of North American type approvalCFR Title 47 Code of Federal Regulations, Part 22, Part 24 and Part 27; US Equipment Authorization FCCOET Bulletin 65(Edition 97-01)Evaluating Compliance with FCC Guidelines for Human Exposure to Radio-frequency Electromagnetic FieldsUL 60 950-1 Product Safety Certification (Safety requirements) NAPRD.03 V5.8 Overview of PCS Type certification review board Mobile Equipment Type Certification and IMEI controlPCS Type Certification Review board (PTCRB)RSS132, RSS133, RSS139Canadian StandardTable 3:  Standards of European type approval3GPP TS 51.010-1 Digital cellular telecommunications system (Release 7); Mobile Station (MS) conformance specification;ETSI EN 301 511 V9.0.2 Global System for Mobile communications (GSM); Harmonized standard for mobile stations in the GSM 900 and DCS 1800 bands covering essential requirements under article 3.2 of the R&TTE directive (1999/5/EC)GCF-CC V3.43.1  Global Certification Forum - Certification CriteriaETSI EN 301 489-01 V1.8.1Electromagnetic Compatibility and Radio spectrum Matters (ERM); Electro-magnetic Compatibility (EMC) standard for radio equipment and services; Part 1: Common Technical Requirements
PH8/PH8-P Hardware Interface Overview1.3 Regulatory and Type Approval Information14PH8_PH8-P_HD_v02.000 Page 10 of 46 2011-10-21Confidential / ReleasedETSI EN 301 489-03 V1.4.1Electromagnetic Compatibility and Radio spectrum Matters (ERM); Electro-magnetic Compatibility (EMC) standard for radio equipment and services; Part 3: Specific conditions for Short-Range Devices (SRD) operating on fre-quencies between 9 kHz and 40 GHz ETSI EN 301 489-07 V1.3.1Electromagnetic Compatibility and Radio spectrum Matters (ERM); Electro-magnetic Compatibility (EMC) standard for radio equipment and services; Part 7: Specific conditions for mobile and portable radio and ancillary equip-ment of digital cellular radio telecommunications systems (GSM and DCS)ETSI EN 301 489-24 V1.4.1Electromagnetic Compatibility and Radio spectrum Matters (ERM); Electro-magnetic Compatibility (EMC) standard for radio equipment and services; Part 24: Specific conditions for IMT-2000 CDMA Direct Spread (UTRA) for Mobile and portable (UE) radio and ancillary equipmentEN 301 908-01 V3.2.1 Electromagnetic compatibility and Radio spectrum Matters (ERM); Base Stations (BS) and User Equipment (UE) for IMT-2000 Third Generation cel-lular networks; Part 1: Harmonized EN for IMT-2000, introduction and com-mon requirements of article 3.2 of the R&TTE DirectiveEN 301 908-02 V3.2.1 Electromagnetic compatibility and Radio spectrum Matters (ERM); Base Stations (BS) and User Equipment (UE) for IMT-2000 Third Generation cel-lular networks; Part 2: Harmonized EN for IMT-2000, CDMA Direct Spread (UTRA FDD) (UE) covering essential requirements of article 3.2 of the R&TTE DirectiveEN 300 440-02 V1.3.1  Electromagnetic compatibility and Radio spectrum Matters (ERM); Short range devices; Radio equipment to be used in the 1 GHz to 40 GHz fre-quency range; Part 2: Harmonized EN covering essential requirements of article 3.2 of the R&TTE Directive EN 62311:2008 Assessment of electronic and electrical equipment related to human expo-sure restrictions for electromagnetic fields (0 Hz - 300 GHz)IEC/EN 60950-1:2006 Safety of information technology equipmentTable 4:  Requirements of qualityIEC 60068 Environmental testingDIN EN 60529 IP codesTable 5:  Standards of the Ministry of Information Industry of the People’s Republic of ChinaSJ/T 11363-2006  “Requirements for Concentration Limits for Certain Hazardous Substances in Electronic Information Products” (2006-06).SJ/T 11364-2006 “Marking for Control of Pollution Caused by Electronic Information Products” (2006-06).According to the “Chinese Administration on the Control of Pollution caused by Electronic Information Products” (ACPEIP) the EPUP, i.e., Environmental Protection Use Period, of this product is 20 years as per the symbol shown here, unless otherwise marked. The EPUP is valid only as long as the product is operated within the operating limits described in the Cinterion Hardware Interface Description.Please see Table 6 for an overview of toxic or hazardous substances or ele-ments that might be contained in product parts in concentrations above the limits defined by SJ/T 11363-2006. Table 3:  Standards of European type approval
PH8/PH8-P Hardware Interface Overview1.3 Regulatory and Type Approval Information14PH8_PH8-P_HD_v02.000 Page 11 of 46 2011-10-21Confidential / ReleasedTable 6:  Toxic or hazardous substances or elements with defined concentration limits
PH8/PH8-P Hardware Interface Overview1.3 Regulatory and Type Approval Information14PH8_PH8-P_HD_v02.000 Page 12 of 46 2011-10-21Confidential / Released1.3.2 SAR requirements specific to portable mobilesMobile phones, PDAs or other portable transmitters and receivers incorporating a GSM module must be in accordance with the guidelines for human exposure to radio frequency energy. This requires the Specific Absorption Rate (SAR) of portable PH8/PH8-P based applications to be evaluated and approved for compliance with national and/or international regulations. Since the SAR value varies significantly with the individual product design manufacturers are advised to submit their product for approval if designed for portable use. For European and US-markets the relevant directives are mentioned below. It is the responsibility of the manufacturer of the final product to verify whether or not further standards, recommendations or directives are in force outside these areas. Products intended for sale on US marketsES 59005/ANSI C95.1 Considerations for evaluation of human exposure to electromagneticfields (EMFs) from mobile telecommunication equipment (MTE) in thefrequency range 30MHz - 6GHz Products intended for sale on European marketsEN 50360 Product standard to demonstrate the compliance of mobile phones withthe basic restrictions related to human exposure to electromagneticfields (300MHz - 3GHz)IMPORTANT:Manufacturers of portable applications based on PH8/PH8-P modules are required to have their final product certified and apply for their own FCC Grant and Industry Canada Certificate related to the specific portable mobile.
PH8/PH8-P Hardware Interface Overview1.3 Regulatory and Type Approval Information14PH8_PH8-P_HD_v02.000 Page 13 of 46 2011-10-21Confidential / Released1.3.3 SELV RequirementsThe power supply connected to the PH8/PH8-P module shall be in compliance with the SELV requirements defined in EN 60950-1.1.3.4 Safety PrecautionsThe following safety precautions must be observed during all phases of the operation, usage, service or repair of any cellular terminal or mobile incorporating PH8/PH8-P. Manufacturers of the cellular terminal are advised to convey the following safety information to users and oper-ating personnel and to incorporate these guidelines into all manuals supplied with the product. Failure to comply with these precautions violates safety standards of design, manufacture and intended use of the product. Cinterion Wireless Modules assumes no liability for customer’s failure to comply with these precautions.When in a hospital or other health care facility, observe the restrictions on the use of mobiles. Switch the cellular terminal or mobile off, if instructed to do so by the guide-lines posted in sensitive areas. Medical equipment may be sensitive to RF energy.The operation of cardiac pacemakers, other implanted medical equipment and hearing aids can be affected by interference from cellular terminals or mobiles placed close to the device. If in doubt about potential danger, contact the physician or the manufac-turer of the device to verify that the equipment is properly shielded. Pacemaker patients are advised to keep their hand-held mobile away from the pacemaker, while it is on. Switch off the cellular terminal or mobile before boarding an aircraft. Make sure it can-not be switched on inadvertently. The operation of wireless appliances in an aircraft is forbidden to prevent interference with communications systems. Failure to observe these instructions may lead to the suspension or denial of cellular services to the offender, legal action, or both.Do not operate the cellular terminal or mobile in the presence of flammable gases or fumes. Switch off the cellular terminal when you are near petrol stations, fuel depots, chemical plants or where blasting operations are in progress. Operation of any electri-cal equipment in potentially explosive atmospheres can constitute a safety hazard.Your cellular terminal or mobile receives and transmits radio frequency energy while switched on. Remember that interference can occur if it is used close to TV sets, radios, computers or inadequately shielded equipment. Follow any special regulations and always switch off the cellular terminal or mobile wherever forbidden, or when you suspect that it may cause interference or danger.Road safety comes first! Do not use a hand-held cellular terminal or mobile when driv-ing a vehicle, unless it is securely mounted in a holder for speakerphone operation. Before making a call with a hand-held terminal or mobile, park the vehicle. Speakerphones must be installed by qualified personnel. Faulty installation or opera-tion can constitute a safety hazard.
PH8/PH8-P Hardware Interface Overview1.3 Regulatory and Type Approval Information14PH8_PH8-P_HD_v02.000 Page 14 of 46 2011-10-21Confidential / ReleasedIMPORTANT!Cellular terminals or mobiles operate using radio signals and cellular networks. Because of this, connection cannot be guaranteed at all times under all conditions. Therefore, you should never rely solely upon any wireless device for essential com-munications, for example emergency calls. Remember, in order to make or receive calls, the cellular terminal or mobile must be switched on and in a service area with adequate cellular signal strength.Some networks do not allow for emergency calls if certain network services or phone features are in use (e.g. lock functions, fixed dialing etc.). You may need to deactivate those features before you can make an emergency call.Some networks require that a valid SIM card be properly inserted in the cellular termi-nal or mobile.Bear in mind that exposure to excessive levels of noise can cause physical damage to users! With regard to acoustic shock, the cellular application must be designed to avoid unintentional increase of amplification, e.g. for a highly sensitive earpiece. A pro-tection circuit should be implemented in the cellular application.
PH8/PH8-P Hardware Interface Overview2 Product Concept18PH8_PH8-P_HD_v02.000 Page 15 of 46 2011-10-21Confidential / Released2 Product Concept2.1 Key Features at a GlanceFeature ImplementationGeneralFrequency bands GSM/GPRS/EDGE: Quad band, 850/900/1800/1900MHzUMTS/HSPA+: PH8: Five band, 800/850/AWS1/1900/2100MHzPH8-P: Five band, 800/850/9002/1900/2100MHzGSM class Small MSOutput power (according to Release 99)Class 4 (+33dBm ±2dB) for EGSM850Class 4 (+33dBm ±2dB) for EGSM900Class 1 (+30dBm ±2dB) for GSM1800Class 1 (+30dBm ±2dB) for GSM1900Class E2 (+27dBm ± 3dB) for GSM 850 8-PSKClass E2 (+27dBm ± 3dB) for GSM 900 8-PSKClass E2 (+26dBm +3 /-4dB) for GSM 1800 8-PSKClass E2 (+26dBm +3 /-4dB) for GSM 1900 8-PSKClass 3 (+24dBm +1/-3dB) for UMTS 2100, WCDMA FDD BdIClass 3 (+24dBm +1/-3dB) for UMTS 1900,WCDMA FDD BdIIClass 3 (+24dBm +1/-3dB) for UMTS AWS, WCDMA FDD BdIV1Class 3 (+24dBm +1/-3dB) for UMTS 900, WCDMA FDD BdVIII2Class 3 (+24dBm +1/-3dB) for UMTS 850, WCDMA FDD BdVClass 3 (+24dBm +1/-3dB) for UMTS 800, WCDMA FDD BdVIPower supply 3.3V < VBATT+ < 4.2VOperating temperature (board temperature)Normal operation: -30°C to +85°CRestricted operation: -40°C to +95°CPhysical Dimensions: 33.9mm x 50mm x 3.1mmWeight: approx. 9.5gRoHS All hardware components fully compliant with EU RoHS DirectiveHSPA features3GPP Release 6, 7 DL 14.4Mbps, UL 5.7MbpsUE CAT. 1-12 supportedCompressed mode (CM) supported according to 3GPP TS25.212UMTS features3GPP Release 4 PS data rate – 384 kbps DL / 384 kbps ULCS data rate – 64 kbps DL / 64 kbps UL
PH8/PH8-P Hardware Interface Overview2.1 Key Features at a Glance18PH8_PH8-P_HD_v02.000 Page 16 of 46 2011-10-21Confidential / ReleasedGSM / GPRS / EGPRS featuresData transfer GPRS:• Multislot Class 12• Full PBCCH support• Mobile Station Class B• Coding Scheme 1 – 4EGPRS:• Multislot Class 12• EDGE E2 power class for 8 PSK• Downlink coding schemes – CS 1-4, MCS 1-9• Uplink coding schemes – CS 1-4, MCS 1-9• SRB loopback and test mode B• 8-bit, 11-bit RACH• PBCCH support• 1 phase/2 phase access procedures• Link adaptation and IR• NACC, extended UL TBF• Mobile Station Class BCSD:• V.110, RLP, non-transparent• 14.4kbps• USSDSMS Point-to-point MT and MOCell broadcastText and PDU modeGPS FeaturesProtocol NMEAModes Standalone GPSAssisted GPS - Control plane - E911- User plane - gpsOneXTRA™General Power saving modesPower supply for active GPS antenna supportedSoftwareAT commands Hayes, 3GPP TS 27.007 and 27.005, and proprietary Cinterion Wireless Modules commandsSIM Application Toolkit SAT Release 99Audio Audio speech codecsGSM: AMR, EFR, FR, HR3GPP: AMRSpeakerphone operation, echo cancellation, noise suppression, 9 ringing tones, TTY supportFirmware update Generic update from host application over ASC0 or USB InterfacesModule interface 80-pin board-to-board connectorAntenna 50Ohms. Main GSM/UMTS antenna, UMTS diversity antenna, GPS antenna (active/passive) Feature Implementation
PH8/PH8-P Hardware Interface Overview2.1 Key Features at a Glance18PH8_PH8-P_HD_v02.000 Page 17 of 46 2011-10-21Confidential / ReleasedUSB USB 2.0 High Speed (480Mbit/s) device interface, Full Speed (12Mbit/s) compliantSerial interface ASC0:• 8-wire modem interface with status and control lines, unbalanced,asynchronous• Adjustable baud rates from 9,600bps up to 921,600bps• Supports RTS0/CTS0 hardware flow control• Multiplex ability according to GSM 07.10 Multiplexer ProtocolUICC interface Supported chip cards: UICC/SIM/USIM 3V, 1.8VStatus Signal line to indicate network connectivity stateAudio 1 analog interface with microphone feeding1 digital interface: PCM or I2SPower on/off, ResetPower on/off Switch-on by hardware signal IGTSwitch-off by AT command (AT^SMSO)Automatic switch-off in case of critical temperature or voltage conditionsReset Orderly shutdown and reset by AT commandEmergency-off Emergency-off by hardware signal EMERG_OFF if IGT is not activeSpecial FeaturesPhonebook SIM and phoneTTY/CTM support Integrated CTM modemAntenna SAIC (Single Antenna Interference Cancellation) / DARP (Downlink Advanced Receiver Performance)Rx diversity (receiver type 3i - 16-QAM)3Evaluation kitDSB75  DSB75 Evaluation Board designed to test and type approve Cinterion Wireless Modules and provide a sample configuration for application engineering. A special adapter is required to connect the module to the DSB75.1. AWS UMTS/HSPA+ band IV supported by PH8 only.2. 900MHz UMTS/HSPA+ band VIII supported by PH8-P only. Band VIII however, is not supported by the UMTS Rx diversity antenna.3. UMTS Rx diversity antenna does not support UMTS/HSPA+ band VIII. Feature Implementation
PH8/PH8-P Hardware Interface Overview2.2 PH8/PH8-P System Overview18PH8_PH8-P_HD_v02.000 Page 18 of 46 2011-10-21Confidential / Released2.2 PH8/PH8-P System OverviewFigure 1:  PH8/PH8-P system overviewUSB SerialASC0 UICC AnalogaudioPowersupply RTC IGT,Emergency OffNet state/statusSIMcardHost applicationOn/OffModuleApplicationorGSM/UMTS antennaPower for application (VEXT)Power indication(PWR_IND)Modem interfaceDigitalaudioPCM or I2S codecGSM/UMTSGPSGPS antennaUMTS diversity antenna
PH8/PH8-P Hardware Interface Overview3 Application Interface28PH8_PH8-P_HD_v02.000 Page 19 of 46 2011-10-21Confidential / Released3 Application InterfacePH8/PH8-P is equipped with an 80-pin board-to-board connector that connects to the external application. The host interface incorporates several sub-interfaces described in the following sections:• Operating modes - see Section 3.1• Power supply  - see Section 3.2• Serial interface USB - see Section 3.3• Serial interface ASC0 - Section 3.4• UICC/SIM/USIM interface - see Section 3.5• Analog audio interface - see Section 3.6• Digital audio interface (PCM or I2S) - see Section 3.7
PH8/PH8-P Hardware Interface Overview3.1 Operating Modes28PH8_PH8-P_HD_v02.000 Page 20 of 46 2011-10-21Confidential / Released3.1 Operating ModesThe table below briefly summarizes the various operating modes referred to in the following chapters.Table 7:  Overview of operating modesMode FunctionNormal operationGSM / GPRS / UMTS / HSPA SLEEPPower saving set automatically when no call is in progress and the USB connection is suspended by host or not present and no active commu-nication via ASC0. GSM / GPRS / UMTS / HSPA IDLEPower saving disabled (see [1]: AT^SCFG "MEopMode/PwrSave",<PwrSaveMode>) or an USB connection not suspended, but no call in progress.GSM TALK/GSM DATAConnection between two subscribers is in progress. Power consump-tion depends on the GSM network coverage and several connection settings (e.g. DTX off/on, FR/EFR/HR, hopping sequences and antenna connection). The following applies when power is to be mea-sured in TALK_GSM mode: DTX off, FR and no frequency hopping.GPRS DATA GPRS data transfer in progress. Power consumption depends on net-work settings (e.g. power control level), uplink / downlink data rates and GPRS configuration (e.g. used multislot settings).EGPRS DATA EGPRS data transfer in progress. Power consumption depends on net-work settings (e.g. power control level), uplink / downlink data rates and EGPRS configuration (e.g. used multislot settings).UMTS TALK/UMTS DATAUMTS data transfer in progress. Power consumption depends on net-work settings (e.g. TPC Pattern) and data transfer rate.HSPA DATA HSPA data transfer in progress. Power consumption depends on net-work settings (e.g. TPC Pattern) and data transfer rate.Power DownNormal shutdown after sending the AT^SMSO command. Only a voltage regulator is active for powering the RTC. Software is not active. Interfaces are not accessible. Operating volt-age (connected to BATT+) remains applied.Airplane modeAirplane mode shuts down the radio part of the module, causes the module to log off from the GSM/GPRS network and disables all AT commands whose execution requires a radio connection.Airplane mode can be controlled by AT command (see [1]).
PH8/PH8-P Hardware Interface Overview3.2 Power Supply28PH8_PH8-P_HD_v02.000 Page 21 of 46 2011-10-21Confidential / Released3.2 Power SupplyPH8/PH8-P needs to be connected to a power supply at the board-to-board connector - 5 lines each BATT+ and GND. The power supply of PH8/PH8-P has to be a single voltage source at BATT+. It must be able to provide the peak current during the uplink transmission. All key functions for supplying power to the device are handled by the power management IC. It provides the following features:• Stabilizes the supply voltages for the baseband using switching regulators and low drop lin-ear voltage regulators.• Switches the module's power voltages for the power-up and -down procedures.• Delivers, across the VEXT line, a regulated voltage for an external application. This voltageis not available in Power-down mode and can be reduced via AT command to save power.• SIM switch to provide SIM power supply.
PH8/PH8-P Hardware Interface Overview3.3 USB Interface28PH8_PH8-P_HD_v02.000 Page 22 of 46 2011-10-21Confidential / Released3.3 USB InterfacePH8/PH8-P supports a USB 2.0 High Speed (480Mbit/s) device interface that is Full Speed (12Mbit/s) compliant. The USB interface is primarily intended for use as command and data interface and for downloading firmware. The USB host is responsible for supplying the VUSB_IN line. This line is for voltage detection only. The USB part (driver and transceiver) is supplied by means of BATT+. This is because PH8/PH8-P is designed as a self-powered device compliant with the “Universal Serial Bus Specification Revision 2.0”1.Figure 2:  USB circuitTo properly connect the module's USB interface to the host a USB 2.0 compatible connector is required. Furthermore, the USB modem driver distributed with PH8/PH8-P needs to be in-stalled.While the USB connection is active, the module will not change into SLEEP Mode. To enable switching into SLEEP mode the USB host must bring its USB interface into Suspend state (see “Universal Serial Bus Specification Revision 2.0“1 for a description of the Suspend state). On incoming calls PH8/PH8-P will then generate a remote wake up request to resume the USB connection (active low). If configured for SDPORT=6, i.e., if using a CDC ACM compatible USB driver on the host system, a selective suspend on the USB host may not be supported and the module may therefore not be able to change into SLEEP mode.As an alternative to the regular USB remote wakeup mechanism it is possible to employ the RING0 or WAKEUP line to wake up the host application. The benefit is that the RING0 or WAKEUP lines can wake up the host application in case of incoming calls or other events sig-nalized by URCs while the USB interface is suspended or shut down. 1. The specification is ready for download on http://www.usb.org/developers/docs/VBUSDPDNVREG (3V075)BATT+USB_DP2)lin. reg.GNDModuleDetection only VUSB_INUSB part1)RING0Host wakeup1) All  serial and pull-up resistors for data lines are implemented.USB_DN2)2) If the USB interface is operated in High Speed mode (480MHz), it is recommended to take special care routing the data lines USB_DP and USB_DN. Application layout should in this case implement a differential impedance of 90Ohm for proper signal integrity.WAKEUPB2B
PH8/PH8-P Hardware Interface Overview3.4 Serial Interface ASC028PH8_PH8-P_HD_v02.000 Page 23 of 46 2011-10-21Confidential / Released3.4 Serial Interface ASC0PH8/PH8-P offers an 8-wire unbalanced, asynchronous modem interface ASC0 conforming to ITU-T V.24 protocol DCE signalling. The electrical characteristics do not comply with ITU-T V.28. The significant levels are 0V (for low data bit or active state) and 1.8V (for high data bit or inactive state). PH8/PH8-P is designed for use as a DCE. Based on the conventions for DCE-DTE connections it communicates with the customer application (DTE) using the following signals:• Port TXD @ application sends data to the module’s TXD0 signal line• Port RXD @ application receives data from the module’s RXD0 signal lineFigure 3:  Serial interface ASC0Features:• Includes the data lines TXD0 and RXD0, the status lines RTS0 and CTS0 and, in addition,the modem control lines DTR0, DSR0, DCD0 and RING0.• ASC0 is designed for controlling GSM/UMTS voice calls, transferring data and for control-ling the module with AT commands.• Full multiplexing capability allows the interface to be partitioned into virtual channels.• The RING0 signal serves to indicate incoming calls and other types of URCs (UnsolicitedResult Code). It can also be used to send pulses to the host application, for example towake up the application from power saving state. See [1] for details on how to configure theRING0 line by AT^SCFG.• Configured for 8 data bits, no parity and 1 stop bit. • ASC0 can be operated at fixed bit rates from 9600bps up to 921600bps.• Supports RTS0/CTS0 hardware flow control.• Wake up from SLEEP mode by RTS0 activation (high to low transition). Note. If the ASC0 serial interface is the application’s only interface, it is suggested to connect test points on the USB signal lines as a potential tracing possibility.
PH8/PH8-P Hardware Interface Overview3.4 Serial Interface ASC028PH8_PH8-P_HD_v02.000 Page 24 of 46 2011-10-21Confidential / ReleasedTable 8:  DCE-DTE wiring of ASC0V.24 circuit DCE DTELine function Signal direction Line function Signal direction103 TXD0 Input TXD Output104 RXD0 Output RXD Input105 RTS0 Input RTS Output106 CTS0 Output CTS Input108/2 DTR0 Input DTR Output107 DSR0 Output DSR Input109 DCD0 Output DCD Input125 RING0 Output RING Input
PH8/PH8-P Hardware Interface Overview3.5 UICC/SIM/USIM Interface28PH8_PH8-P_HD_v02.000 Page 25 of 46 2011-10-21Confidential / Released3.5 UICC/SIM/USIM InterfacePH8/PH8-P has an integrated UICC/SIM/USIM interface compatible with the 3GPP 31.102 and ETSI 102 221. This is wired to the host interface in order to be connected to an external SIM card holder. Six pins on the board-to-board connector are reserved for the SIM interface. The UICC/SIM/USIM interface supports 3V and 1.8V SIM cards. The CCIN signal serves to detect whether a tray (with SIM card) is present in the card holder. Using the CCIN signal is mandatory for compliance with the GSM 11.11 recommendation if the mechanical design of the host application allows the user to remove the SIM card during oper-ation. To take advantage of this feature, an appropriate SIM card detect switch is required on the card holder. For example, this is true for the model supplied by Molex, which has been test-ed to operate with PH8/PH8-P and is part of the Cinterion reference equipment submitted for type approval. See Chapter 9 for Molex ordering numbers.Note: No guarantee can be given, nor any liability accepted, if loss of data is encountered after removing the SIM card during operation. Also, no guarantee can be given for properly initializ-ing any SIM card that the user inserts after having removed the SIM card during operation. In this case, the application must restart PH8/PH8-P.Table 9:  Signals of the SIM interface (board-to-board connector)Signal DescriptionCCGND Separate ground connection for SIM card to improve EMC.Be sure to use this ground line for the SIM interface rather than any other ground line or plane on the module.CCCLK Chipcard clockCCVCC SIM supply voltage.CCIO Serial data line, input and output.CCRST Chipcard resetCCIN Input on the baseband processor for detecting a SIM card tray in the holder. If the SIM is removed during operation the SIM interface is shut down immediately to prevent destruc-tion of the SIM. The CCIN signal is active low.The CCIN signal is mandatory for applications that allow the user to remove the SIM card during operation. The CCIN signal is solely intended for use with a SIM card. It must not be used for any other purposes. Failure to comply with this requirement may invalidate the type approval of PH8/PH8-P.
PH8/PH8-P Hardware Interface Overview3.5 UICC/SIM/USIM Interface28PH8_PH8-P_HD_v02.000 Page 26 of 46 2011-10-21Confidential / ReleasedFigure 4:  UICC/SIM/USIM interfaceThe total cable length between the board-to-board connector pins on PH8/PH8-P and the pads of the external SIM card holder must not exceed 100mm in order to meet the specifications of 3GPP TS 51.010-1 and to satisfy the requirements of EMC compliance.To avoid possible cross-talk from the CCCLK signal to the CCIO signal be careful that both lines are not placed closely next to each other. A useful approach is using the CCGND line to shield the CCIO line from the CCCLK line.Moduleopen: Card removedclosed: Card insertedCCRSTCCVCCCCIOCCCLKCCINSIM /UICC1n220nBoard-to-board connectorCCGND
PH8/PH8-P Hardware Interface Overview3.6 Analog Audio Interface28PH8_PH8-P_HD_v02.000 Page 27 of 46 2011-10-21Confidential / Released3.6 Analog Audio InterfacePH8/PH8-P has an analog audio interface with a balanced analog microphone input and a bal-anced analog earpiece output. A supply voltage and an analog ground connection are provided at dedicated lines.PH8/PH8-P offers eight audio modes which can be selected with the AT^SNFS command. The electrical characteristics of the voiceband part vary with the audio mode. For example, sending and receiving amplification, sidetone paths, noise suppression etc. depend on the selected mode and can in parts be altered with AT commands (except for mode 1).When shipped from factory, all audio parameters of PH8/PH8-P are set to audio mode 1. This is the default configuration optimised for the Votronic HH-SI-30.3/V1.1/0 handset and used for type approving the Cinterion Wireless Modules reference configuration. Audio mode 1 has fix parameters which cannot be modified. To adjust the settings of the Votronic handset simply change to another audio mode.3.7 Digital Audio InterfacePH8/PH8-P supports a digital audio interface that can be employed either as pulse code mod-ulation or as inter IC sound interface. Operation of these interface variants is mutually exclu-sive.
PH8/PH8-P Hardware Interface Overview4 GPS Receiver28PH8_PH8-P_HD_v02.000 Page 28 of 46 2011-10-21Confidential / Released4 GPS ReceiverPH8/PH8-P integrates a GPS receiver that offers the full performance of GPS technology. The GPS receiver is able to continuously track all satellites in view, thus providing accurate satellite position data. The integrated GPS receiver supports the NMEA protocol via USB or ASC0 interface. NMEA is a combined electrical and data specification for communication between various (marine) electronic devices including GPS receivers. It has been defined and controlled by the US-based National Marine Electronics Association. For more information on the NMEA Standard please refer to http://www.nmea.org.Depending on the receiver’s knowledge of last position, current time and ephemeris data, the receiver’s startup time (i.e., TTFF = Time-To-First-Fix) may vary: If the receiver has no knowl-edge of its last position or time, a startup takes considerably longer than if the receiver has still knowledge of its last position, time and almanac or has still access to valid ephimeris data and the precise time. By default, the GPS receiver is switched off. It has to be switched on and configured using AT commands. For more information on how to control the GPS interface via the AT command AT^SGPSC see [1].
PH8/PH8-P Hardware Interface Overview5 Antenna Interfaces34PH8_PH8-P_HD_v02.000 Page 29 of 46 2011-10-21Confidential / Released5 Antenna Interfaces5.1 GSM/UMTS Antenna InterfaceThe PH8/PH8-P GSM/UMTS antenna interface comprises a main GSM/UMTS antenna as well as an optional UMTS Rx diversity antenna to improve signal reliability and quality1. The inter-face has an impedance of 50Ω. PH8/PH8-P is capable of sustaining a total mismatch at the antenna interface without any damage, even when transmitting at maximum RF power.The external antenna must be matched properly to achieve best performance regarding radi-ated power, DC-power consumption, modulation accuracy and harmonic suppression. Match-ing networks are not included on the PH8/PH8-P PCB and should be placed in the host application, if the antenna does not have an impendance of 50Ω.Regarding the return loss PH8/PH8-P provides the following values in the active band:The connection of the antenna or other equipment must be decoupled from DC voltage. This is necessary because the antenna connector is DC coupled to ground via an inductor for ESD protection.5.1.1 Antenna InstallationThe U.FL antenna connector from Hirose/Molex of the main GSM/UMTS antenna has been chosen as antenna reference point (ARP) for the Cinterion Wireless Modules reference equip-ment submitted to type approve PH8/PH8-P. See Section 5.1.2 for details. All RF data specified throughout this manual is related to the ARP. The positions of the module’s antenna connectors can be seen in Figure 9.1. By delivery default the optional UMTS Rx diversity antenna is configured as available for the module. Toavoid negative side effects and performance degradation it is recommended to disable the diversity an-tenna path if - the host application does not support a diversity antenna- the host application includes a diversity antenna - but a 3G network simulator is used for developmentand performance tests.Please refer to [1] for details on how to configure antenna settings. Table 10:  Return loss in the active bandState of module Return loss of module Recommended return loss of applicationReceive > 8dB > 12dBTransmit not applicable  > 12dBIdle < 5dB not applicable
PH8/PH8-P Hardware Interface Overview5.1 GSM/UMTS Antenna Interface34PH8_PH8-P_HD_v02.000 Page 30 of 46 2011-10-21Confidential / Released5.1.2 Antenna Connector PH8/PH8-P uses either an ultra-miniature SMT antenna connector from Hirose Ltd: U.FL-R-SMT, or the Molex 07341201 U.FL antenna connector. Both connectors have identical me-chanical dimensions (see Figure 5). Minor differences in product specifications are mentioned in Table 11. The position of the antenna connectors on the PH8/PH8-P board can be seen in Figure 9. Figure 5:  Mechanical dimensions of PH8/PH8-P antenna connectors Table 11:  Product specifications of PH8/PH8-P antenna connectorsItem Specification ConditionsRatingsNominal impedance 50Operating temp:-40°C to + 90°COperating humidity: max. 90%Rated frequency DC to 3GHzMechanical characteristicsRepetitive operation Contact resistance:Center 25m Outside 15m30 cycles of insertion and disen-gagementVibration No momentary disconnections of 1µs.No damage, cracks and looseness of parts.Frequency of 10 to 100Hz, single amplitude of 1.5mm, acceleration of 59m/s2, for 5 cycles in the direc-tion of each of the 3 axesShock No momentary disconnections of 1µs.No damage, cracks and looseness of parts.Acceleration of 735m/s2, 11ms duration for 6 cycles in the direc-tion of each of the 3 axesEnvironmental characteristicsHumidity resistance No damage, cracks and looseness of parts.Insulation resistance: 100M min. at high humidity500M min. when dryExposure to 40°C, humidity of 95% for a total of 96 hoursTemperature cycle No damage, cracks and looseness of parts.Contact resistance:Center 25m Outside 15mTemperature: +40°C  5 to 35°C  +90°C  5 to 35°CTime: 30min  within 5min  30min within 5minSalt spray test No excessive corrosion 48 hours continuous exposure to 5% salt water
PH8/PH8-P Hardware Interface Overview5.1 GSM/UMTS Antenna Interface34PH8_PH8-P_HD_v02.000 Page 31 of 46 2011-10-21Confidential / ReleasedMating plugs and cables can be chosen from the Hirose U.FL Series or from other antenna equipment manufacturers like Molex or IMS. Examples from the Hirose U.FL Series are shown below and listed in Table 13. For latest product information please contact your respective an-tenna equipment manufacturer. Figure 6:  U.FL-R-SMT connector with U.FL-LP-040 plugFigure 7:  U.FL-R-SMT connector with U.FL-LP-066 plugTable 12:  Material and finish of PH8/PH8-P antenna connectors and recommended plugsPart Material FinishShell Phosphor bronze Hirose: Silver platingMolex: Gold platingMale center contact  Brass Gold platingFemale center contact  Phosphor bronze Gold platingInsulator Receptacle: LCP Hirose: Beige, Molex: Ivory
PH8/PH8-P Hardware Interface Overview5.1 GSM/UMTS Antenna Interface34PH8_PH8-P_HD_v02.000 Page 32 of 46 2011-10-21Confidential / ReleasedIn addition to the connectors illustrated above, the U.FL-LP-(V)-040(01) version is offered as an extremely space saving solution. This plug is intended for use with extra fine cable (up to Ø0.81mm) and minimizes the mating height to 2mm. See Figure 8 which shows the Hirose data sheet.Figure 8:  Specifications of U.FL-LP-(V)-040(01) plug
PH8/PH8-P Hardware Interface Overview5.1 GSM/UMTS Antenna Interface34PH8_PH8-P_HD_v02.000 Page 33 of 46 2011-10-21Confidential / ReleasedTable 13:  Ordering information for Hirose U.FL SeriesItem Part number  HRS numberConnector on PH8/PH8-P U.FL-R-SMT  CL331-0471-0-10Right-angle plug shell for Ø 0.81mm cableU.FL-LP-040 CL331-0451-2Right-angle plug for Ø 0.81mm cableU.FL-LP(V)-040 (01) CL331-053-8-01Right-angle plug for Ø  1.13mm cableU.FL-LP-068 CL331-0452-5Right-angle plug for Ø  1.32mm cableU.FL-LP-066 CL331-0452-5Extraction jig E.FL-LP-N CL331-04441-9
PH8/PH8-P Hardware Interface Overview5.2 GPS Antenna Interface34PH8_PH8-P_HD_v02.000 Page 34 of 46 2011-10-21Confidential / Released5.2 GPS Antenna InterfaceIn addition to the RF antenna interface PH8/PH8-P also has a GPS antenna interface. See Section 6.1 to find out where the GPS antenna connector is located. The GPS antenna instal-lation and connector are the same as for the RF antenna interface (see Section 5.1.1 and Sec-tion 5.1.2). It is possible to connect active or passive GPS antennas. In either case they must have 50 Ohm impedance. The simultaneous operation of GSM and GPS has been implemented. Active 3V GPS antennas can be supplied via the GPS antenna interface, if the supply voltage is switched on. This is done by AT command: AT^SGPSC="Power/Antenna" to configure the use of an active GPS antenna and AT^SGPSC="Engine" to start the GPS receiver (for com-mand details see [1]). The available current is limited to prevent short circuits.
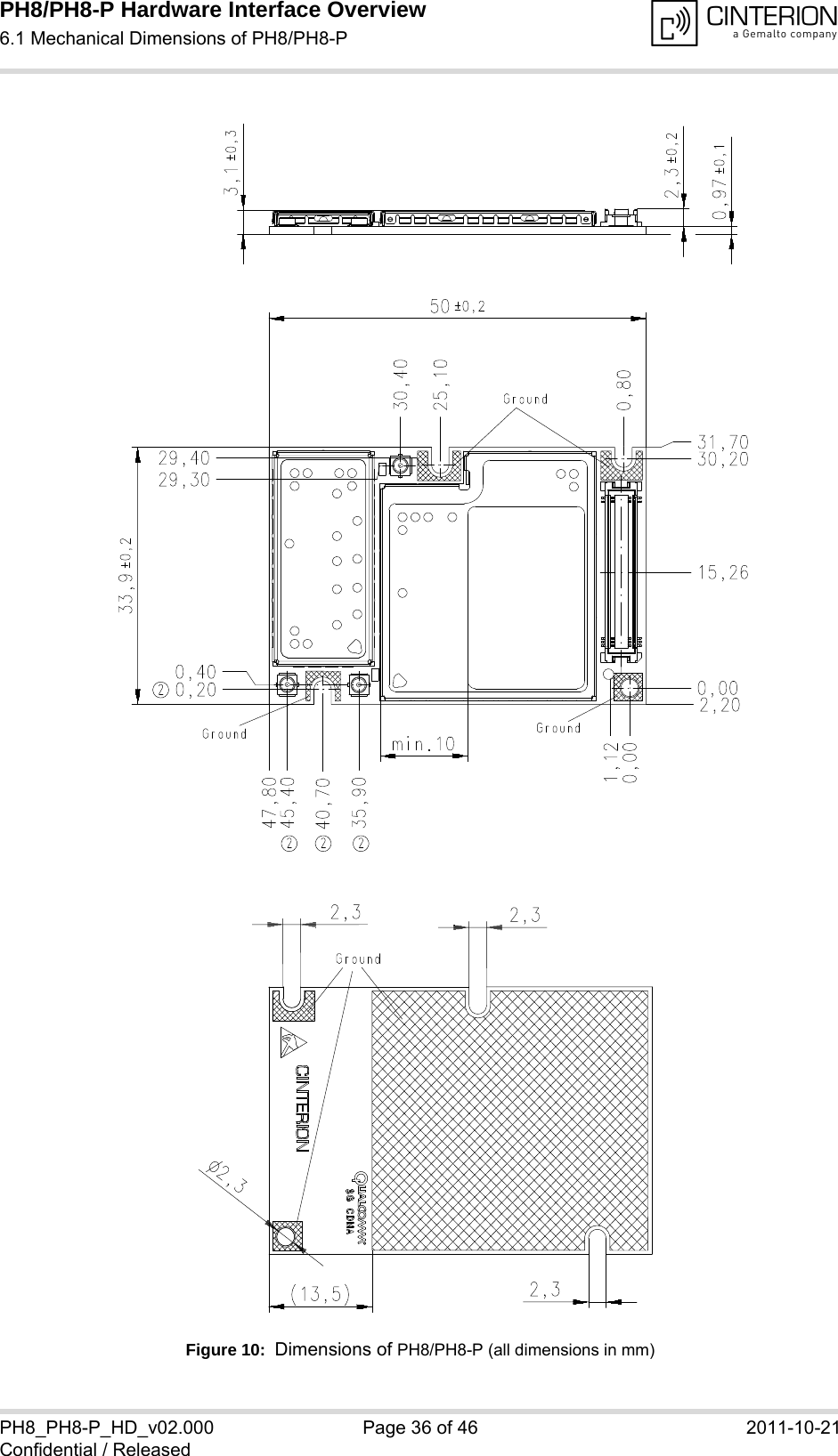
PH8/PH8-P Hardware Interface Overview6 Mechanics40PH8_PH8-P_HD_v02.000 Page 35 of 46 2011-10-21Confidential / Released6 Mechanics6.1 Mechanical Dimensions of PH8/PH8-PFigure 9 shows the top view of PH8/PH8-P and provides an overview of the board's mechanical dimensions. For further details see Figure 10. Length: 50.00mmWidth: 33.90mmHeight: 3.10mmFigure 9:  PH8/PH8-P – top and bottom viewGSM/UMTS antennaGPS antennaUMTS diversity antennaPin 1 Pin 80Pin 41Pin 40Top viewBottom viewApplication interface(board-to-board connector)
PH8/PH8-P Hardware Interface Overview6.1 Mechanical Dimensions of PH8/PH8-P40PH8_PH8-P_HD_v02.000 Page 36 of 46 2011-10-21Confidential / ReleasedFigure 10:  Dimensions of PH8/PH8-P (all dimensions in mm)
PH8/PH8-P Hardware Interface Overview6.2 Mounting PH8/PH8-P to the Application Platform40PH8_PH8-P_HD_v02.000 Page 37 of 46 2011-10-21Confidential / Released6.2 Mounting PH8/PH8-P to the Application PlatformThere are many ways to properly install PH8/PH8-P in the host device. An efficient approach is to mount the PH8/PH8-P PCB to a frame, plate, rack or chassis. Fasteners can be M2 screws plus suitable washers, circuit board spacers, or customized screws, clamps, or brackets. In addition, the board-to-board connection can also be utilized to achieve better support. For proper grounding it is strongly recommended to use large ground plane on the bottom of board in addition to the five GND pins of the board-to-board connector. The ground plane may also be used to attach cooling elements, e.g. a heat sink or thermally conductive tape.To prevent mechanical damage, be careful not to force, bend or twist the module. Be sure it is positioned flat against the host device. 6.3 Board-to-Board Application ConnectorThis section provides the specifications of the 80-pin board-to-board connector used to connect PH8/PH8-P to the external application.Connector mounted on the PH8/PH8-P module:Type: 52991-0808 SlimStack Receptacle 80 pins, 0.50mm pitch, for stacking heights of3.0 or 4.0mm, see Figure 12 for details.Supplier: Molex, http//www.molex.com
PH8/PH8-P Hardware Interface Overview6.3 Board-to-Board Application Connector40PH8_PH8-P_HD_v02.000 Page 38 of 46 2011-10-21Confidential / ReleasedMating connector types for the customer's application offered by Molex:Figure 11:  Mating board-to-board connector 53748-0808 on application• 53748-0808 SlimStack Plug, 3mm stacking height, see Figure 13 for details.• 53916-0808 SlimStack Plug, 4mm stacking heightNote: There is no inverse polarity protection for the board-to-board connector. It is therefore very important that the board-to-board connector is connected correctly to the host application, i.e., pin1 must be connected to pin1, pin2 to pin 2, etc. Pin locations are shown in Figure 9.Table 14:  Technical specifications of Molex board-to-board connectorParameter Specification (80-pin B2B connector)ElectricalNumber of Contacts 80Contact spacing 0.5mm (.020")Voltage 50VRated current 0.5A max per contactContact resistance 50m max per contactInsulation resistance > 100MDielectric Withstanding Voltage 500V AC (for 1 minute)PhysicalInsulator material (housing) White glass-filled LCP plastic, flammability UL 94V 0Contact material Plating: Gold over nickelInsertion force 1st < 74.4NInsertion force 30th < 65.6NWithdrawal force 1st > 10.8NMaximum connection cycles 30 (@ 70m max per contact)
PH8/PH8-P Hardware Interface Overview6.3 Board-to-Board Application Connector40PH8_PH8-P_HD_v02.000 Page 39 of 46 2011-10-21Confidential / ReleasedFigure 12:  Molex board-to-board connector 52991-0808 on PH8/PH8-P
PH8/PH8-P Hardware Interface Overview6.3 Board-to-Board Application Connector40PH8_PH8-P_HD_v02.000 Page 40 of 46 2011-10-21Confidential / ReleasedFigure 13:  Mating board-to-board connector 53748-0808 on application
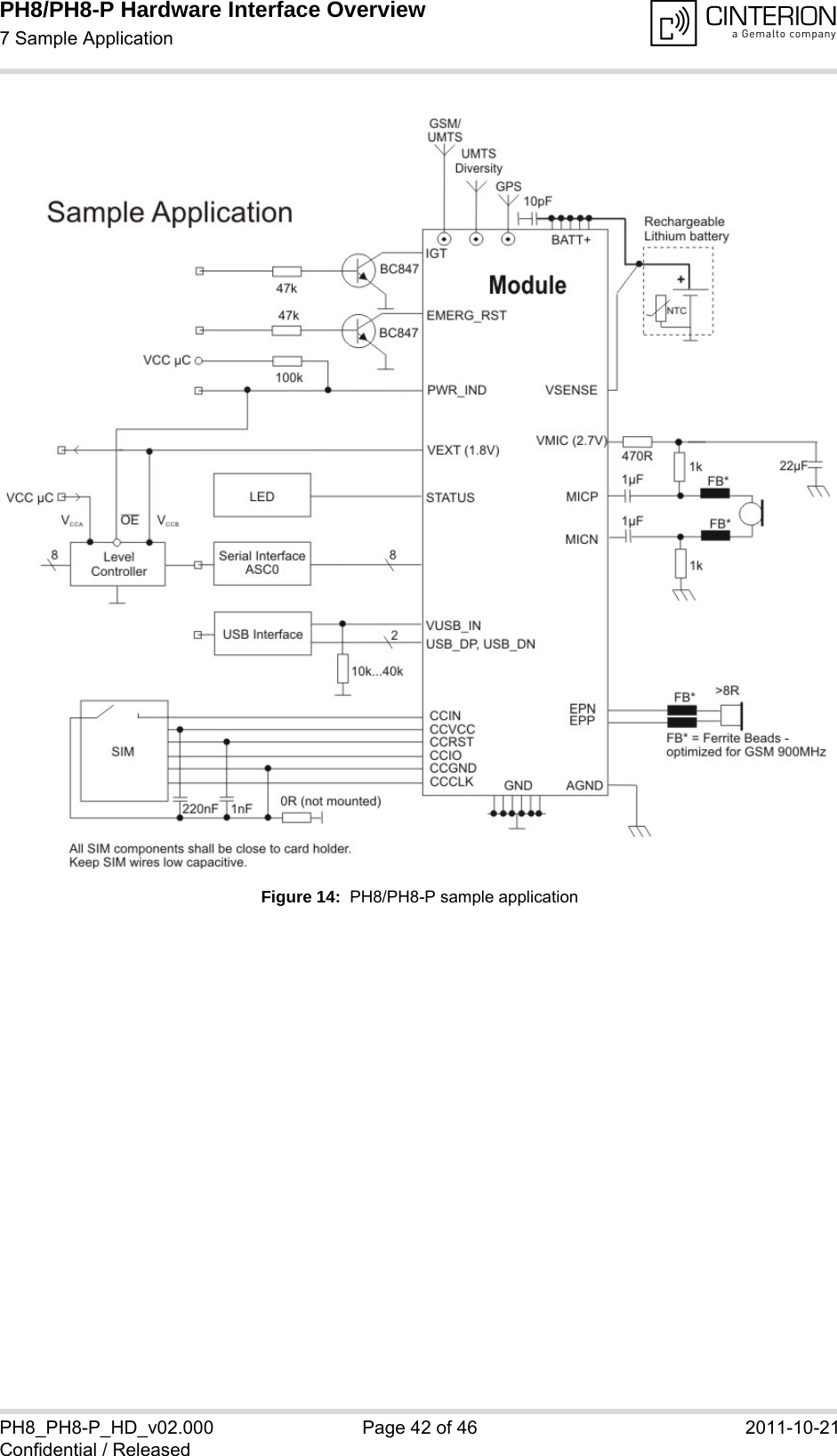
PH8/PH8-P Hardware Interface Overview7 Sample Application42PH8_PH8-P_HD_v02.000 Page 41 of 46 2011-10-21Confidential / Released7 Sample ApplicationFigure 14 shows a typical example of how to integrate an PH8/PH8-P module with an applica-tion. The audio interface demonstrates the balanced connection of microphone and earpiece. This solution is particularly well suited for internal transducers.The PWR_IND line is an open collector that needs an external pull-up resistor which connects to the voltage supply VCC µC of the microcontroller. Low state of the open collector pulls the PWR_IND signal low and indicates that the PH8/PH8-P module is active, high level notifies the Power-down mode. If the module is in Power-down mode avoid current flowing from any other source into the mod-ule circuit, for example reverse current from high state external control lines. Therefore, the controlling application must be designed to prevent reverse flow. If an external level controller is required, this can be done by using for example a 5V I/O tolerant buffer/driver like a "74AVC4T245" with OE (Output Enable) controlled by PWR_IND.The EMC measures are best practice recommendations. In fact, an adequate EMC strategy for an individual application is very much determined by the overall layout and, especially, the po-sition of components. Disclaimer:No warranty, either stated or implied, is provided on the sample schematic diagram shown in Figure 14 and the information detailed in this section. As functionality and compliance with na-tional regulations depend to a great amount on the used electronic components and the indi-vidual application layout manufacturers are required to ensure adequate design and operating safeguards for their products using PH8/PH8-P modules.
PH8/PH8-P Hardware Interface Overview7 Sample Application42PH8_PH8-P_HD_v02.000 Page 42 of 46 2011-10-21Confidential / ReleasedFigure 14:  PH8/PH8-P sample application
PH8/PH8-P Hardware Interface Overview8 Reference Approval44PH8_PH8-P_HD_v02.000 Page 43 of 46 2011-10-21Confidential / Released8 Reference Approval8.1 Reference Equipment for Type ApprovalThe Cinterion Wireless Modules reference setup submitted to type approve PH8/PH8-P is shown in the following figure1. The module is connected to the DSB75 via a special adapter and either mounted directly onto the adapter or connected using a flex cable:Figure 15:  Reference equipment for type approval1. For RF performance tests a mini-SMT/U.FL to SMA adapter with attached 6dB coaxial attenuator is cho-sen to connect the module directly to the GSM/UMTS/GPS test equipment instead of employing the SMAantenna connectors on the PH8/PH8-P-DSB75 adapter as shown in Figure 15. The following productsare recommended: Hirose SMA-Jack/U.FL-Plug conversion adapter HRMJ-U.FLP(40)(for details see see http://www.hirose-connectors.com/ or http://www.farnell.com/Aeroflex Weinschel Fixed Coaxial Attenuator Model 3T/4T (for details see http://www.aeroflex.com/ams/weinschel/pdfiles/wmod3&4T.pdf)
PH8/PH8-P Hardware Interface Overview8.2 Compliance with FCC and IC Rules and Regulations44PH8_PH8-P_HD_v02.000 Page 44 of 46 2011-10-21Confidential / Released8.2 Compliance with FCC and IC Rules and Regulations The Equipment Authorization Certification for the Cinterion Wireless Modules reference appli-cation described in Section 8.1 will be registered under the following identifiers:•PH8:FCC Identifier QIPPH8Industry Canada Certification Number: 7830A-PH8Granted to Cinterion Wireless Modules GmbH •PH8-P:FCC Identifier QIPPH8-PIndustry Canada Certification Number: 7830A-PH8PGranted to Cinterion Wireless Modules GmbH Manufacturers of mobile or fixed devices incorporating PH8/PH8-P modules are authorized to use the FCC Grants and Industry Canada Certificates of the PH8/PH8-P modules for their own final products according to the conditions referenced in these documents. In this case, the FCC label of the module shall be visible from the outside, or the host device shall bear a second label stating "Contains FCC ID QIPPH8" resp. "Contains FCC ID QIPPH8-P", and accordingly “Con-tains IC 7830A-PH8“ resp. “Contains IC 7830A-PH8P“. The integration is limited to fixed or mo-bile categorised host devices, where a separation distance between the antenna and any person of min. 20cm can be assured during normal operating conditions. For mobile and fixed operation configurations the antenna gain, including cable loss, must not exceed the limits that are stated on the FCC Grant.IMPORTANT:Manufacturers of portable applications incorporating PH8/PH8-P modules are required to have their final product certified and apply for their own FCC Grant and Industry Canada Certificate related to the specific portable mobile. This is mandatory to meet the SAR requirements for por-table mobiles.Changes or modifications not expressly approved by the party responsible for compliance could void the user's authority to operate the equipment.Note: This equipment has been tested and found to comply with the limits for a Class B digital device, pursuant to part 15 of the FCC Rules. These limits are designed to provide reasonable protection against harmful interference in a residential installation. This equipment generates, uses and can radiate radio frequency energy and, if not installed and used in accordance with the instructions, may cause harmful interference to radio communications. However, there is no guarantee that interference will not occur in a particular installation. If this equipment does cause harmful interference to radio or television reception, which can be determined by turning the equipment off and on, the user is encouraged to try to correct the interference by one or more of the following measures: • Reorient or relocate the receiving antenna. • Increase the separation between the equipment and receiver. • Connect the equipment into an outlet on a circuit different from that to which the receiver is connected. • Consult the dealer or an experienced radio/TV technician for help.
PH8/PH8-P Hardware Interface Overview9 Appendix46PH8_PH8-P_HD_v02.000 Page 45 of 46 2011-10-21Confidential / Released9 Appendix9.1 List of Parts and AccessoriesTable 15:  List of parts and accessoriesDescription Supplier Ordering informationPH8 Cinterion Standard module Cinterion Wireless Modules IMEI:Ordering number: L30960-N1900-A200Customer IMEI:Ordering number: L30960-N1905-A200PH8-P Cinterion Standard module Cinterion Wireless Modules IMEI:Ordering number: L30960-N1910-A200Customer IMEI:Ordering number: L30960-N1915-A200DSB75 Support Box Cinterion Ordering number: L36880-N8811-A100DSB75 adapter for mounting the PH8/PH8-P evaluation moduleCinterion Ordering number: L30960-N1802-A100Votronic Handset VOTRONIC Votronic HH-SI-30.3/V1.1/0VOTRONIC Entwicklungs- und Produktionsgesellschaft für elek-tronische Geräte mbHSaarbrücker Str. 866386 St. IngbertGermanyPhone:  +49-(0)6 89 4 / 92 55-0Fax:  +49-(0)6 89 4 / 92 55-88Email:  contact@votronic.comSIM card holder incl. push button ejector and slide-in trayMolex Ordering numbers:  91228 91236Sales contacts are listed in Table 16.Board-to-board connector Molex Sales contacts are listed in Table 16.U.FL antenna connector Hirose or Molex Sales contacts are listed in Table 16 and Table 17.
PH8/PH8-P Hardware Interface Overview9.1 List of Parts and Accessories46PH8_PH8-P_HD_v02.000 Page 46 of 46 2011-10-21Confidential / ReleasedTable 16:  Molex sales contacts (subject to change)MolexFor further information please click:http://www.molex.comMolex Deutschland GmbHFelix-Wankel-Str. 114078 Heilbronn-BiberachGermanyPhone: +49-7066-9555 0Fax: +49-7066-9555 29Email:  mxgermany@molex.comAmerican HeadquartersLisle, Illinois 60532U.S.A.Phone: +1-800-78MOLEXFax: +1-630-969-1352Molex China DistributorsBeijing, Room 1319, Tower B, COFCO PlazaNo. 8, Jian Guo Men Nei Street, 100005BeijingP.R. ChinaPhone:  +86-10-6526-9628 Phone:  +86-10-6526-9728 Phone:  +86-10-6526-9731 Fax:  +86-10-6526-9730Molex Singapore Pte. Ltd.Jurong, SingaporePhone:  +65-268-6868Fax: +65-265-6044Molex Japan Co. Ltd.Yamato, Kanagawa, Japan Phone:  +81-462-65-2324Fax: +81-462-65-2366Table 17:  Hirose sales contacts (subject to change)Hirose Ltd.For further information please click: http://www.hirose.comHirose Electric (U.S.A.) Inc2688 Westhills CourtSimi Valley, CA 93065U.S.A.Phone:  +1-805-522-7958Fax: +1-805-522-3217Hirose Electric GmbHHerzog-Carl-Strasse 473760 OstfildernGermany Phone: +49-711-456002-1Fax: +49-711-456002-299Email: info@hirose.deHirose Electric UK, LtdCrownhill Business Centre22 Vincent Avenue, CrownhillMilton Keynes, MK8 OABGreat BritainPhone:  +44-1908-305400Fax: +44-1908-305401Hirose Electric Co., Ltd.5-23, Osaki 5 Chome, Shinagawa-KuTokyo 141JapanPhone:  +81-03-3491-9741Fax: +81-03-3493-2933Hirose Electric Co., Ltd. European BrancheFirst class Building 4FBeechavenue 461119PV Schiphol-RijkNetherlandsPhone:  +31-20-6557-460Fax: +31-20-6557-469

Navigation menu