Gemalto M2M PLS8-V LTE Module User Manual hid pls8 x v

Gemalto M2M GmbH LTE Module hid pls8 x v

User Manual

 M2M.GEMALTO.COMCinterion® PLS8-X/PLS8-VHardware Interface OverviewVersion: 03.009DocId: PLS8-X_PLS8-V_HIO_v03.009
GENERAL NOTE THE USE OF THE PRODUCT INCLUDING THE SOFTWARE AND DOCUMENTATION (THE "PROD-UCT") IS SUBJECT TO THE RELEASE NOTE PROVIDED TOGETHER WITH PRODUCT. IN ANYEVENT THE PROVISIONS OF THE RELEASE NOTE SHALL PREVAIL. THIS DOCUMENT CONTAINSINFORMATION ON GEMALTO M2M PRODUCTS. THE SPECIFICATIONS IN THIS DOCUMENT ARESUBJECT TO CHANGE AT GEMALTO M2M'S DISCRETION. GEMALTO M2M GMBH GRANTS A NON-EXCLUSIVE RIGHT TO USE THE PRODUCT. THE RECIPIENT SHALL NOT TRANSFER, COPY,MODIFY, TRANSLATE, REVERSE ENGINEER, CREATE DERIVATIVE WORKS; DISASSEMBLE ORDECOMPILE THE PRODUCT OR OTHERWISE USE THE PRODUCT EXCEPT AS SPECIFICALLYAUTHORIZED. THE PRODUCT AND THIS DOCUMENT ARE PROVIDED ON AN "AS IS" BASIS ONLYAND MAY CONTAIN DEFICIENCIES OR INADEQUACIES. TO THE MAXIMUM EXTENT PERMITTEDBY APPLICABLE LAW, GEMALTO M2M GMBH DISCLAIMS ALL WARRANTIES AND LIABILITIES.THE RECIPIENT UNDERTAKES FOR AN UNLIMITED PERIOD OF TIME TO OBSERVE SECRECYREGARDING ANY INFORMATION AND DATA PROVIDED TO HIM IN THE CONTEXT OF THE DELIV-ERY OF THE PRODUCT. THIS GENERAL NOTE SHALL BE GOVERNED AND CONSTRUEDACCORDING TO GERMAN LAW.CopyrightTransmittal, reproduction, dissemination and/or editing of this document as well as utilization of its con-tents and communication thereof to others without express authorization are prohibited. Offenders will beheld liable for payment of damages. All rights created by patent grant or registration of a utility model ordesign patent are reserved. Copyright © 2015, Gemalto M2M GmbH, a Gemalto CompanyTrademark NoticeGemalto, the Gemalto logo, are trademarks and service marks of Gemalto and are registered in certaincountries. Microsoft and Windows are either registered trademarks or trademarks of Microsoft Corpora-tion in the United States and/or other countries. All other registered trademarks or trademarks mentionedin this document are property of their respective owners.PLS8-X_PLS8-V_HIO_v03.009 2015-08-04Confidential / PreliminaryCinterion® PLS8-X/PLS8-V Hardware Interface Overview2Page 2 of 40Document Name: Cinterion® PLS8-X/PLS8-V Hardware Interface Overview Version: 03.009Date: 2015-08-04DocId: 03.009Status Confidential / Preliminary
Cinterion® PLS8-X/PLS8-V Hardware Interface Overview Contents40PLS8-X_PLS8-V_HIO_v03.009 2015-08-04Confidential / PreliminaryPage 3 of 40Contents0 Document History ....................................................................................................... 61 Introduction ................................................................................................................. 71.1 Supported Products ........................................................................................... 71.2 Related Documents ........................................................................................... 71.3 Terms and Abbreviations................................................................................... 71.4 Regulatory and Type Approval Information ..................................................... 101.4.1 Directives and Standards.................................................................... 101.4.2 SAR requirements specific to portable mobiles .................................. 121.4.3 SELV Requirements ........................................................................... 131.4.4 Safety Precautions.............................................................................. 132 Product Concept ....................................................................................................... 142.1 Key Features at a Glance ................................................................................ 142.2 PLS8-X/PLS8-V System Overview .................................................................. 173 Application Interface................................................................................................. 183.1 Operating Modes ............................................................................................. 193.2 Power Supply................................................................................................... 203.3 USB Interface................................................................................................... 213.4 Serial Interface ASC0 ...................................................................................... 223.5 UICC/SIM/USIM Interface................................................................................ 233.6 Digital Audio Interface...................................................................................... 253.7 Analog-to-Digital Converter (ADC)................................................................... 253.8 GPIO Interface................................................................................................. 254 GNSS Receiver.......................................................................................................... 265 Antenna Interfaces.................................................................................................... 275.1 GSM/UMTS/LTE Antenna Interface................................................................. 275.1.1 Antenna Installation ............................................................................ 285.2 GNSS Antenna Interface ................................................................................. 296 Mechanics.................................................................................................................. 316.1 Mechanical Dimensions of PLS8-X/PLS8-V .................................................... 317 Sample Application................................................................................................... 338 Reference Approval .................................................................................................. 358.1 Reference Equipment for Type Approval......................................................... 358.2 Compliance with FCC and IC Rules and Regulations ..................................... 369 Appendix.................................................................................................................... 389.1 List of Parts and Accessories........................................................................... 38
Cinterion® PLS8-X/PLS8-V Hardware Interface Overview Tables40PLS8-X_PLS8-V_HIO_v03.009 2015-08-04Confidential / PreliminaryPage 4 of 40TablesTable 1: Directives .......................................................................................................  10Table 2: Standards of North American type approval ..................................................  10Table 3: Requirements of quality .................................................................................  10Table 4: Standards of the Ministry of Information Industry of the People’s Republic of China............................................................................  11Table 5: Toxic or hazardous substances or elements with defined concentration limits...............................................................................................................  11Table 6: Overview of operating modes ........................................................................  19Table 7: Signals of the SIM interface (SMT application interface) ...............................  23Table 8: Return loss in the active band........................................................................  27Table 9: Antenna gain limits for FCC and IC................................................................  36Table 10: List of parts and accessories..........................................................................  38Table 11: Molex sales contacts (subject to change) ......................................................  39Table 12: Hirose sales contacts (subject to change) .....................................................  39
Cinterion® PLS8-X/PLS8-V Hardware Interface Overview Figures40PLS8-X_PLS8-V_HIO_v03.009 2015-08-04Confidential / PreliminaryPage 5 of 40FiguresFigure 1: PLS8-X/PLS8-V system overview..................................................................  17Figure 2: Decoupling capacitor(s) for BATT+................................................................  20Figure 3: USB circuit .....................................................................................................  21Figure 4: Serial interface ASC0.....................................................................................  22Figure 5: First UICC/SIM/USIM interface ......................................................................  24Figure 6: Second UICC/SIM/USIM interface.................................................................  24Figure 7: Supply voltage for active GNSS antenna.......................................................  29Figure 8: ESD protection for passive GNSS antenna ...................................................  30Figure 9: PLS8-X/PLS8-V – top and bottom view .........................................................  31Figure 10: Dimensions of PLS8-X/PLS8-V (all dimensions in mm).................................  32Figure 11: PLS8-X/PLS8-V sample application...............................................................  34Figure 12: Reference equipment for type approval.........................................................  35
Cinterion® PLS8-X/PLS8-V Hardware Interface Overview0 Document History6PLS8-X_PLS8-V_HIO_v03.009 2015-08-04Confidential / PreliminaryPage 6 of 400 Document HistoryPreceding document: "Cinterion® PLS8-X/PLS8-V Hardware Interface Overview" v02.510New document: "Cinterion® PLS8-X/PLS8-V Hardware Interface Overview" v03.009New document: "Cinterion® PLS8-X/PLS8-V Hardware Interface Overview" v02.510Chapter What is new1.4 Removed ECE-R 10 directive from Table 1.Updated NAPRD version in Table 2.5.2 Revised ratings for VGNSS in Figure 7.8.2 Revised maximum antenna gain limits - added Table 9.Chapter What is new-- Initial document setup.
Cinterion® PLS8-X/PLS8-V Hardware Interface Overview1 Introduction13PLS8-X_PLS8-V_HIO_v03.009 2015-08-04Confidential / PreliminaryPage 7 of 401 IntroductionThe document1 describes the hardware of the two Cinterion® modules variants PLS8-V and PLS8-X, designed to connect to a cellular device application and the air interface. It helps you quickly retrieve interface specifications, electrical and mechanical details and information on the requirements to be considered for integrating further components.The product variants differ in their radio access technology support: • PLS8-X is available for operation in LTE, UMTS and GSM radio networks - for supportedfrequency bands please refer to Section 2.1. Connected to this, the module has two sepa-rate firmware images on board that can be activated based on the used (U)SIM card.Employing the module’s two (U)SIM interfaces, it is thus possible to switch between firm-ware images on the fly - making PLS8-X a multi carrier/provider module.• PLS8-V in contrast is available for operation in LTE radio networks only - for supported fre-quency bands please refer to Section 2.1. It has only a single firmware image on board thatcan be activated by (U)SIM card - making it a single carrier/provider module. If not otherwise mentioned, this document applies to both product variants. Where necessary a note is made to differentiate between the variants.1.1 Supported ProductsThis document applies to the following Gemalto M2M products:•Cinterion® PLS8-V module•Cinterion® PLS8-X module1.2 Related Documents[1] AT Command Set for your Gemalto M2M product[2] Release Notes for your Gemalto M2M product[3] Application Note 48: SMT Module Integration[4] Universal Serial Bus Specification Revision 2.0, April 27, 20001.3 Terms and Abbreviations1. The document is effective only if listed in the appropriate Release Notes as part of the technicaldocumentation delivered with your Gemalto M2M product.Abbreviation DescriptionANSI American National Standards InstituteARP Antenna Reference PointCE Conformité Européene (European Conformity)CS Coding SchemeCS Circuit SwitchedCSD Circuit Switched Data
Cinterion® PLS8-X/PLS8-V Hardware Interface Overview1.3 Terms and Abbreviations13PLS8-X_PLS8-V_HIO_v03.009 2015-08-04Confidential / PreliminaryPage 8 of 40DCS Digital Cellular SystemDL Downloaddnu Do not useDRX Discontinuous ReceptionDSB Development Support BoardDTX Discontinuous TransmissionEDGE Enhanced Data rates for GSM EvolutionEGSM Extended GSMEMC Electromagnetic CompatibilityESD Electrostatic DischargeETS European Telecommunication StandardETSI European Telecommunications Standards InstituteFCC Federal Communications Commission (U.S.)FDD Frequency Division DuplexGPRS General Packet Radio ServiceGSM Global Standard for Mobile CommunicationsHiZ High ImpedanceHSDPA High Speed Downlink Packet AccessI/O Input/OutputIMEI International Mobile Equipment IdentityISO International Standards OrganizationITU International Telecommunications Unionkbps kbits per secondLED Light Emitting DiodeLGA Land Grid ArrayLTE Long term evolutionMBB Moisture barrier bagMbps Mbits per secondMCS Modulation and Coding SchemeMIMO Multiple Input Multiple OutputMLCC Multi Layer Ceramic CapacitorMO Mobile OriginatedMS Mobile Station, also referred to as TEMSL Moisture Sensitivity LevelMT Mobile Terminatednc Not connectedAbbreviation Description
Cinterion® PLS8-X/PLS8-V Hardware Interface Overview1.3 Terms and Abbreviations13PLS8-X_PLS8-V_HIO_v03.009 2015-08-04Confidential / PreliminaryPage 9 of 40NTC Negative Temperature CoefficientPCB Printed Circuit BoardPCL Power Control LevelPCS Personal Communication System, also referred to as GSM 1900PD Pull Down resistorPDU Protocol Data UnitPS Packet SwitchedPSK Phase Shift KeyingPU Pull Up resistorQAM Quadrature Amplitude ModulationR&TTE Radio and Telecommunication Terminal EquipmentRF Radio Frequencyrfu Reserved for future useROPR Radio Output Power ReductionRTC Real Time ClockRx Receive DirectionSAR Specific Absorption RateSELV Safety Extra Low VoltageSIM Subscriber Identification ModuleSMD Surface Mount DeviceSMS Short Message ServiceSMT Surface Mount TechnologySRAM Static Random Access MemorySRB Signalling Radio BearerTE Terminal EquipmentTPC Transmit Power ControlTS Technical SpecificationTx Transmit DirectionUL UploadUMTS Universal Mobile Telecommunications SystemURC Unsolicited Result CodeUSB Universal Serial BusUICC USIM Integrated Circuit CardUSIM UMTS Subscriber Identification ModuleWCDMA Wideband Code Division Multiple AccessAbbreviation Description
Cinterion® PLS8-X/PLS8-V Hardware Interface Overview1.4 Regulatory and Type Approval Information13PLS8-X_PLS8-V_HIO_v03.009 2015-08-04Confidential / PreliminaryPage 10 of 401.4 Regulatory and Type Approval Information1.4.1 Directives and StandardsPLS8-X/PLS8-V has been designed to comply with the directives and standards listed below.It is the responsibility of the application manufacturer to ensure compliance of the final product with all provisions of the applicable directives and standards as well as with the technical spec-ifications provided in the "PLS8-X/PLS8-V Hardware Interface Description".11. Manufacturers of applications which can be used in the US shall ensure that their applications have aPTCRB approval. For this purpose they can refer to the PTCRB approval of the respective module.Table 1:  Directives2002/95/EC (RoHS 1)2011/65/EC (RoHS 2) Directive of the European Parliament and of the Council of 27 January 2003 (and revised on 8 June 2011) on the restriction of the use of certain hazardous substances in electrical and electronic equipment (RoHS)Table 2:  Standards of North American type approvalCFR Title 47 Code of Federal Regulations, Part 22, Part 24 and Part 27; US Equipment Authorization FCCOET Bulletin 65(Edition 97-01) Evaluating Compliance with FCC Guidelines for Human Exposure to Radio-frequency Electromagnetic FieldsUL 60 950-1 Product Safety Certification (Safety requirements) NAPRD.03 V5.23 Overview of PCS Type certification review board Mobile Equipment Type Certification and IMEI controlPCS Type Certification Review board (PTCRB)RSS132, RSS133, RSS139 Canadian StandardTable 3:  Requirements of qualityIEC 60068 Environmental testingDIN EN 60529 IP codes
Cinterion® PLS8-X/PLS8-V Hardware Interface Overview1.4 Regulatory and Type Approval Information13PLS8-X_PLS8-V_HIO_v03.009 2015-08-04Confidential / PreliminaryPage 11 of 40Table 5:  Toxic or hazardous substances or elements with defined concentration limitsTable 4:  Standards of the Ministry of Information Industry of the People’s Republic of ChinaSJ/T 11363-2006  “Requirements for Concentration Limits for Certain Hazardous Substances in Electronic Information Products” (2006-06).SJ/T 11364-2006 “Marking for Control of Pollution Caused by Electronic Information Products” (2006-06).According to the “Chinese Administration on the Control of Pollution caused by Electronic Information Products” (ACPEIP) the EPUP, i.e., Environmental Protection Use Period, of this product is 20 years as per the symbol shown here, unless otherwise marked. The EPUP is valid only as long as the product is operated within the operating limits described in the Hardware Interface Description.Please see Table 5 for an overview of toxic or hazardous substances or ele-ments that might be contained in product parts in concentrations above the limits defined by SJ/T 11363-2006.
Cinterion® PLS8-X/PLS8-V Hardware Interface Overview1.4 Regulatory and Type Approval Information13PLS8-X_PLS8-V_HIO_v03.009 2015-08-04Confidential / PreliminaryPage 12 of 401.4.2 SAR requirements specific to portable mobilesMobile phones, PDAs or other portable transmitters and receivers incorporating a GSM module must be in accordance with the guidelines for human exposure to radio frequency energy. This requires the Specific Absorption Rate (SAR) of portable PLS8-X/PLS8-V based applications to be evaluated and approved for compliance with national and/or international regulations. Since the SAR value varies significantly with the individual product design manufacturers are advised to submit their product for approval if designed for portable use. For US markets the relevant directives are mentioned below. It is the responsibility of the manufacturer of the final product to verify whether or not further standards, recommendations or directives are in force outside these areas. Products intended for sale on US marketsES 59005/ANSI C95.1 Considerations for evaluation of human exposure to electromagneticfields (EMFs) from mobile telecommunication equipment (MTE) in thefrequency range 30MHz - 6GHz IMPORTANT:Manufacturers of portable applications based on PLS8-X/PLS8-V modules are required to have their final product certified and apply for their own FCC Grant and Industry Canada Cer-tificate related to the specific portable mobile.
Cinterion® PLS8-X/PLS8-V Hardware Interface Overview1.4 Regulatory and Type Approval Information13PLS8-X_PLS8-V_HIO_v03.009 2015-08-04Confidential / PreliminaryPage 13 of 401.4.3 SELV RequirementsThe power supply connected to the PLS8-X/PLS8-V module shall be in compliance with the SELV requirements defined in EN 60950-1.1.4.4 Safety PrecautionsThe following safety precautions must be observed during all phases of the operation, usage, service or repair of any cellular terminal or mobile incorporating PLS8-X/PLS8-V. Manufactur-ers of the cellular terminal are advised to convey the following safety information to users and operating personnel and to incorporate these guidelines into all manuals supplied with the product. Failure to comply with these precautions violates safety standards of design, manu-facture and intended use of the product. Gemalto M2M assumes no liability for customer’s fail-ure to comply with these precautions.When in a hospital or other health care facility, observe the restrictions on the use of mobiles. Switch the cellular terminal or mobile off, if instructed to do so by the guide-lines posted in sensitive areas. Medical equipment may be sensitive to RF energy.The operation of cardiac pacemakers, other implanted medical equipment and hearing aids can be affected by interference from cellular terminals or mobiles placed close to the device. If in doubt about potential danger, contact the physician or the manufac-turer of the device to verify that the equipment is properly shielded. Pacemaker patients are advised to keep their hand-held mobile away from the pacemaker, while it is on. Switch off the cellular terminal or mobile before boarding an aircraft. Make sure it can-not be switched on inadvertently. The operation of wireless appliances in an aircraft is forbidden to prevent interference with communications systems. Failure to observe these instructions may lead to the suspension or denial of cellular services to the offender, legal action, or both.Do not operate the cellular terminal or mobile in the presence of flammable gases or fumes. Switch off the cellular terminal when you are near petrol stations, fuel depots, chemical plants or where blasting operations are in progress. Operation of any electri-cal equipment in potentially explosive atmospheres can constitute a safety hazard.Your cellular terminal or mobile receives and transmits radio frequency energy while switched on. Remember that interference can occur if it is used close to TV sets, radios, computers or inadequately shielded equipment. Follow any special regulations and always switch off the cellular terminal or mobile wherever forbidden, or when you suspect that it may cause interference or danger.IMPORTANT!Cellular terminals or mobiles operate using radio signals and cellular networks. Because of this, connection cannot be guaranteed at all times under all conditions. Therefore, you should never rely solely upon any wireless device for essential com-munications, for example emergency calls. Remember, in order to make or receive calls, the cellular terminal or mobile must be switched on and in a service area with adequate cellular signal strength.Some networks do not allow for emergency calls if certain network services or phone features are in use (e.g. lock functions, fixed dialing etc.). You may need to deactivate those features before you can make an emergency call.Some networks require that a valid SIM card be properly inserted in the cellular termi-nal or mobile.
Cinterion® PLS8-X/PLS8-V Hardware Interface Overview2 Product Concept17PLS8-X_PLS8-V_HIO_v03.009 2015-08-04Confidential / PreliminaryPage 14 of 402 Product Concept2.1 Key Features at a GlanceFeature ImplementationGeneralFrequency bands PLS8-X:GSM/GPRS/EDGE: Quad band, 850/900/1800/1900MHzUMTS/HSPA+: Triple band, 850 (BdV) / AWS (BdIV) / 1900MHz (BdII)LTE: Five band, 700 (Bd13) / 700 (Bd17) / 850 (Bd5) / AWS (Bd4) / 1900MHz (Bd2)PLS8-V:LTE: Triple band, 700 (Bd13) / AWS (Bd4) / 1900MHz (Bd2)GSM class Small MSOutput power (according to Release 99) Class 4 (+33dBm ±2dB) for EGSM850Class 4 (+33dBm ±2dB) for EGSM900Class 1 (+30dBm ±2dB) for GSM1800Class 1 (+30dBm ±2dB) for GSM1900Class E2 (+27dBm ± 3dB) for GSM 850 8-PSKClass E2 (+27dBm ± 3dB) for GSM 900 8-PSKClass E2 (+26dBm +3 /-4dB) for GSM 1800 8-PSKClass E2 (+26dBm +3 /-4dB) for GSM 1900 8-PSKClass 3 (+24dBm +1/-3dB) for UMTS 1900,WCDMA FDD BdIIClass 3 (+24dBm +1/-3dB) for UMTS AWS, WCDMA FDD BdIVClass 3 (+24dBm +1/-3dB) for UMTS 850, WCDMA FDD BdVOutput power (according to Release 8) Class 3 (+23dBm +-2dB) for LTE 1900, LTE FDD Bd2Class 3 (+23dBm +-2dB) for LTE AWS, LTE FDD Bd4Class 3 (+23dBm +-2dB) for LTE 850, LTE FDD Bd5Class 3 (+23dBm +-2dB) for LTE 700, LTE FDD Bd13Class 3 (+23dBm +-2dB) for LTE 700, LTE FDD Bd17Power supply 3.3V < VBATT+ < 4.2VOperating temperature (board temperature) Normal operation: -30°C to +85°CExtended operation: -40°C to +95°CPhysical Dimensions: 33mm x 29mm x 2.95mmWeight: approx. 4.5gRoHS All hardware components fully compliant with EU RoHS DirectiveLTE features3GPP Release 9 UE CAT 3 supportedDL 100Mbps, UL 50Mbps2x2 MIMO in DL directionHSPA features3GPP Release 8 UE CAT. 14, 24DC-HSPA+ – DL 42MbpsHSUPA – UL 5.76Mbps Compressed mode (CM) supported according to 3GPP TS25.212
Cinterion® PLS8-X/PLS8-V Hardware Interface Overview2.1 Key Features at a Glance17PLS8-X_PLS8-V_HIO_v03.009 2015-08-04Confidential / PreliminaryPage 15 of 40UMTS features3GPP Release 8 PS data rate – 384 kbps DL / 384 kbps ULGSM / GPRS / EGPRS featuresData transfer GPRS:• Multislot Class 12• Mobile Station Class B• Coding Scheme 1 – 4EGPRS:• Multislot Class 12• EDGE E2 power class for 8 PSK• Downlink coding schemes – CS 1-4, MCS 1-9• Uplink coding schemes – CS 1-4, MCS 1-9• SRB loopback and test mode B• 8-bit, 11-bit RACH• 1 phase/2 phase access procedures• Link adaptation and IR• NACC, extended UL TBF• Mobile Station Class BSMS Point-to-point MT and MOCell broadcastText and PDU modeSoftwareAT commands Hayes, 3GPP TS 27.007 and 27.005, and proprietary Gemalto M2M com-mandsFirmware update Generic update from host application over USB and ASC0GNSS FeaturesProtocol NMEAModes Standalone GNSSAssisted GNSS- Control plane - E911- User plane - gpsOneXTRA™General Power saving modesPower supply for active antennaInterfacesModule interface Surface mount device with solderable connection pads (SMT application interface).Land grid array (LGA) technology ensures high solder joint reliability and provides the possibility to use an optional module mounting socket.For more information on how to integrate SMT modules see also [3]. This application note comprises chapters on module mounting and application layout issues as well as on additional SMT application development equipment.Antenna 50. GSM/UMTS/LTE main antenna, UMTS/LTE Diversity/MIMO antenna, (active/passive) GNSS antennaUSB USB 2.0 High Speed (480Mbit/s) device interfaceFeature Implementation
Cinterion® PLS8-X/PLS8-V Hardware Interface Overview2.1 Key Features at a Glance17PLS8-X_PLS8-V_HIO_v03.009 2015-08-04Confidential / PreliminaryPage 16 of 40Serial interface ASC0:• 8-wire modem interface with status and control lines, unbalanced,asynchronous• Adjustable baud rate of 115,200bps to 921,600bps• Supports RTS0/CTS0 hardware flow controlUICC interface 2 UICC interfaces (switchable)Supported chip cards: UICC/SIM/USIM 3V, 1.8VAudio 1 digital interface (PCM or I2S)Status Signal line to indicate network connectivity stateRING0 Signal line to indicate incoming calls and other types of URCsPower on/off, ResetPower on/off Switch-on by hardware signal IGTSwitch-off by AT command (AT^SMSO) or IGTAutomatic switch-off in case of critical temperature or voltage conditionsReset Orderly shutdown and reset by AT commandEmergency-off Emergency-off by hardware signal EMERG_OFF if IGT is not activeSpecial FeaturesAntenna SAIC (Single Antenna Interference Cancellation) / DARP (Downlink Advanced Receiver Performance)Rx Diversity (receiver type 3i - 64-QAM) / MIMOGPIO 10 I/O pins of the application interface programmable as GPIO.GPIO6 can be configured as low current indicator (LCI).Programming is done via AT commands.ADC inputs Analog-to-Digital Converter with three unbalanced analog inputs.Evaluation kitEvaluation module PLS8-X/PLS8-V module soldered onto a dedicated PCB that can be con-nected to an adapter in order to be mounted onto the DSB75.DSB75  DSB75 Development Support Board designed to test and type approve Gemalto M2M modules and provide a sample configuration for applica-tion engineering. A special adapter is required to connect the PLS8-X/PLS8-V evaluation module to the DSB75.Feature Implementation
Cinterion® PLS8-X/PLS8-V Hardware Interface Overview2.2 PLS8-X/PLS8-V System Overview17PLS8-X_PLS8-V_HIO_v03.009 2015-08-04Confidential / PreliminaryPage 17 of 402.2 PLS8-X/PLS8-V System OverviewFigure 1:  PLS8-X/PLS8-V system overviewUSB Serial ASC0 UICC Powersupply IGT,Emergency OffSIMcardHost application On/OffModuleApplicationGSM/UMTS/LTE Antenna diversityPower for application (VEXT)Power indication(PWR_IND)Modem interfaceDigital audioPCM or I2S codecGSM/UMTS/LTE12GNSSGNSS antennaGPIOPower supplyGNSS active antenna supply, current limiterADC Net state/statusSIMcardRTCor
Cinterion® PLS8-X/PLS8-V Hardware Interface Overview3 Application Interface26PLS8-X_PLS8-V_HIO_v03.009 2015-08-04Confidential / PreliminaryPage 18 of 403 Application InterfacePLS8-X/PLS8-V is equipped with an SMT application interface (LGA pads) that connects to the external application. The host interface incorporates several sub-interfaces described in the fol-lowing sections:• Operating modes - see Section 3.1• Power supply - see Section 3.2• Serial interface USB - see Section 3.3• Serial interface ASC0 - Section 3.4• UICC/SIM/USIM interface - see Section 3.5• Digital audio interface - see Section 3.6• ADC interface - Section 3.7• GPIO interface - Section 3.8
Cinterion® PLS8-X/PLS8-V Hardware Interface Overview3.1 Operating Modes26PLS8-X_PLS8-V_HIO_v03.009 2015-08-04Confidential / PreliminaryPage 19 of 403.1 Operating ModesThe table below briefly summarizes the various operating modes referred to in the following chapters.Table 6:  Overview of operating modesMode FunctionNormal operation GSM / GPRS / UMTS / HSPA /LTE SLEEPPower saving set automatically when no call is in progress and the USB connection is detached and no active communication via ASC0. Also, the GNSS active antenna mode has to be turned off or set to "auto".GSM / GPRS / UMTS / HSPA / LTE IDLEPower saving disabled or an USB connection active, but no data trans-fer in progress.GPRS DATA GPRS data transfer in progress. Power consumption depends on net-work settings (e.g. power control level), uplink / downlink data rates and GPRS configuration (e.g. used multislot settings).EGPRS DATA EGPRS data transfer in progress. Power consumption depends on net-work settings (e.g. power control level), uplink / downlink data rates and EGPRS configuration (e.g. used multislot settings).UMTS DATA UMTS data transfer in progress. Power consumption depends on net-work settings (e.g. TPC Pattern) and data transfer rate.HSPA DATA HSPA data transfer in progress. Power consumption depends on net-work settings (e.g. TPC Pattern) and data transfer rate.LTE DATA LTE data transfer in progress. Power consumption depends on network settings (e.g. TPC Pattern) and data transfer rate.Power Down Normal shutdown after sending the AT^SMSO command. Only a voltage regulator is active for powering the RTC. Software is not active. Interfaces are not accessible. Operating volt-age (connected to BATT+) remains applied.Airplane mode Airplane mode shuts down the radio part of the module, causes the module to log off from the GSM/GPRS network and disables all AT commands whose execution requires a radio connection.Airplane mode can be controlled by AT command (see [1]).
Cinterion® PLS8-X/PLS8-V Hardware Interface Overview3.2 Power Supply26PLS8-X_PLS8-V_HIO_v03.009 2015-08-04Confidential / PreliminaryPage 20 of 403.2 Power SupplyPLS8-X/PLS8-V needs to be connected to a power supply at the SMT application interface - 4 lines BATT+, and GND. There are two separate voltage domains for BATT+:• BATT+_RF with 2 lines for the RF power amplifier supply • BATT+ with 2 lines for the general power management. The main power supply from an external application has to be a single voltage source and has to be expanded to two sub paths (star structure). Each voltage domain must be decoupled by application with low ESR capacitors (> 47µF MLCC @ BATT+; > 4x47µF MLCC @ BATT+_RF) as close as possible to LGA pads. Figure 2 shows a sample circuit for decoupling capacitors for BATT+.Figure 2:  Decoupling capacitor(s) for BATT+The power supply of PLS8-X/PLS8-V must be able to provide the peak current during the uplink transmission. All key functions for supplying power to the device are handled by the power management IC. It provides the following features:• Stabilizes the supply voltages for the baseband using switching regulators and low drop lin-ear voltage regulators.• Switches the module's power voltages for the power-up and -down procedures.• Delivers, across the VEXT line, a regulated voltage for an external application.• LDO to provide SIM power supply.BATT+22Decoupling capacitorse.g. 47µF X5R MLCC4xGNDBATT+BATT+_RFModuleSMT interface 1x
Cinterion® PLS8-X/PLS8-V Hardware Interface Overview3.3 USB Interface26PLS8-X_PLS8-V_HIO_v03.009 2015-08-04Confidential / PreliminaryPage 21 of 403.3 USB InterfacePLS8-X/PLS8-V supports a USB 2.0 High Speed (480Mbps) device interface. The USB inter-face is primarily intended for use as command and data interface and for downloading firm-ware. The USB host is responsible for supplying the VUSB_IN line. This line is for voltage detection only. The USB part (driver and transceiver) is supplied by means of BATT+. This is because PLS8-X/PLS8-V is designed as a self-powered device compliant with the “Universal Serial Bus Specification Revision 2.0”1.Figure 3:  USB circuitTo properly connect the module's USB interface to the external application, a USB 2.0 compat-ible connector and cable or hardware design is required. Furthermore, the USB modem driver distributed with PLS8-X/PLS8-V needs to be installed.1. The specification is ready for download on http://www.usb.org/developers/docs/DPDNVREG (3V075)BATT+USB_DP3)lin. reg. GNDModuleDetection only VUSB_IN2)USB part1)1) All  serial (including RS) and pull-up resistors for data lines are implemented.USB_DN3)3) If the USB interface is operated in High Speed mode  (480MHz), it is recommended to take special care routing the data lines USB_DP and USB_DN. Application layout should in this case implement a differential impedance of 90 ohms for proper signal integrity.RSRSVBUS 1µF2) Since VUSB_IN is used for detection only it is recommended not to add any further blocking capacitors on the VUSB_IN line.Host wakeup RING0SMT
Cinterion® PLS8-X/PLS8-V Hardware Interface Overview3.4 Serial Interface ASC026PLS8-X_PLS8-V_HIO_v03.009 2015-08-04Confidential / PreliminaryPage 22 of 403.4 Serial Interface ASC0PLS8-X/PLS8-V offers an 8-wire unbalanced, asynchronous modem interface ASC0 conform-ing to ITU-T V.24 protocol DCE signalling. The electrical characteristics do not comply with ITU-T V.28. The significant levels are 0V (for low data bit or active state) and 1.8V (for high data bit or inactive state). PLS8-X/PLS8-V is designed for use as a DCE. Based on the conventions for DCE-DTE con-nections it communicates with the customer application (DTE) using the following signals:• Port TXD @ application sends data to the module’s TXD0 signal line• Port RXD @ application receives data from the module’s RXD0 signal lineFigure 4:  Serial interface ASC0Features:• Includes the data lines TXD0 and RXD0, the status lines RTS0 and CTS0 and, in addition,the modem control lines DTR0, DSR0, DCD0 and RING0.• The RING0 signal serves to indicate incoming calls and other types of URCs (UnsolicitedResult Code). It can also be used to send pulses to the host application, for example towake up the application from power saving state. See [1] for details on how to configure theRING0 line by AT^SCFG.• Configured for 8 data bits, no parity and 1 stop bit. • ASC0 can be operated at fixed bit rates from 115,200bps up to 921,600bps.• Supports RTS0/CTS0 hardware flow control.• Wake up from SLEEP mode by RTS0 activation.Note: If the ASC0 serial interface is the application’s only interface, it is suggested to connect test points on the USB signal lines as a potential tracing possibility.
Cinterion® PLS8-X/PLS8-V Hardware Interface Overview3.5 UICC/SIM/USIM Interface26PLS8-X_PLS8-V_HIO_v03.009 2015-08-04Confidential / PreliminaryPage 23 of 403.5 UICC/SIM/USIM InterfacePLS8-X/PLS8-V has two UICC/SIM/USIM interfaces compatible with the 3GPP 31.102 and ETSI 102 221. These are wired to the host interface in order to be connected to an external SIM card holder. Five pads on the SMT application interface are reserved for each of the two SIM interfaces. The UICC/SIM/USIM interfaces support 3V and 1.8V SIM cards. The CCINx signal serves to detect whether a tray (with SIM card) is present in the card holder. Using the CCINx signal is mandatory for compliance with the GSM 11.11 recommendation if the mechanical design of the host application allows the user to remove the SIM card during operation. To take advantage of this feature, an appropriate SIM card detect switch is required on the card holder. For example, this is true for the model supplied by Molex, which has been tested to operate with PLS8-X/PLS8-V and is part of the Gemalto M2M reference equipment submitted for type approval. See Chapter 9 for Molex ordering numbers.Note: No guarantee can be given, nor any liability accepted, if loss of data is encountered after removing the SIM card during operation. Also, no guarantee can be given for properly initializ-ing any SIM card that the user inserts after having removed the SIM card during operation. In this case, the application must restart PLS8-X/PLS8-V.Table 7:  Signals of the SIM interface (SMT application interface)Signal DescriptionGND Ground connection for SIM interfaces. Optionally a separate SIM ground line using e.g., pad N11 may be used to improve EMC.CCCLK1CCCLK2 Chipcard clock lines for 1st and 2nd SIM interface.CCVCC1CCVCC2 SIM supply voltage lines for 1st and 2nd SIM interface.CCIO1CCIO2 Serial data lines for 1st and 2nd SIM interface, input and output.CCRS1CCRS2 Chipcard reset lines for 1st and 2nd SIM interfaceCCIN1CCIN2 Input on the baseband processor for detecting a SIM card tray in the holder. If the SIM is removed during operation the SIM interface is shut down immediately to prevent destruc-tion of the SIM. The CCINx signal is active low.The CCINx signal is mandatory for applications that allow the user to remove the SIM card during operation. The CCINx signal is solely intended for use with a SIM card. It must not be used for any other purposes. Failure to comply with this requirement may invalidate the type approval of PLS8-X/PLS8-V.
Cinterion® PLS8-X/PLS8-V Hardware Interface Overview3.5 UICC/SIM/USIM Interface26PLS8-X_PLS8-V_HIO_v03.009 2015-08-04Confidential / PreliminaryPage 24 of 40Figure 5:  First UICC/SIM/USIM interfaceThe total cable length between the SMT application interface pads on PLS8-X/PLS8-V and the pads of the external SIM card holder must not exceed 100mm in order to meet the specifica-tions of 3GPP TS 51.010-1 and to satisfy the requirements of EMC compliance.To avoid possible cross-talk from the CCCLKx signal to the CCIOx signal be careful that both lines are not placed closely next to each other. A useful approach is using the GND line to shield the CCIOx line from the CCCLKx line.Note: Figure 5 shows how to connect a SIM card holder to the first SIM interface. With the sec-ond SIM interface some internally integrated components on the SIM circuit will have to be ex-ternally integrated as shown for the second SIM interface in Figure 6.Figure 6:  Second UICC/SIM/USIM interfaceModuleopen: Card removedclosed: Card insertedCCRST1CCVCC1CCIO1CCCLK1CCIN1SIM /UICC1n220nSMT application interfaceGNDModuleOpen: Card removedClosed: Card insertedCCRST2CCVCC2CCIO2CCCLK2CCIN2SIM /UICC1nF220nFSMT application interfaceGNDVEXT100pF22k2k210k
Cinterion® PLS8-X/PLS8-V Hardware Interface Overview3.6 Digital Audio Interface26PLS8-X_PLS8-V_HIO_v03.009 2015-08-04Confidential / PreliminaryPage 25 of 403.6 Digital Audio InterfacePLS8-X/PLS8-V supports a digital audio interface that can be employed either as pulse code modulation interface or as inter IC sound interface. Operation of these interface variants is mu-tually exclusive, and can be configured by AT command (see [1]). Default setting is pulse code modulation.Note: As PLS8-X/PLS8-V is a data only module, the module’s digital audio interface supports local tones only and is otherwise reserved for future use.3.7 Analog-to-Digital Converter (ADC)PLS8-X/PLS8-V provides three unbalanced ADC input lines: ADC1_IN, ADC2_IN and ADC3_IN. They can be used to measure three independent, externally connected DC voltages in the range of 0.3V to 3.075V.  3.8 GPIO InterfacePLS8-X/PLS8-V has 10 GPIOs for external hardware devices. Each GPIO can be configured for use as input or output. All settings are AT command controlled.
Cinterion® PLS8-X/PLS8-V Hardware Interface Overview4 GNSS Receiver26PLS8-X_PLS8-V_HIO_v03.009 2015-08-04Confidential / PreliminaryPage 26 of 404 GNSS ReceiverPLS8-X/PLS8-V integrates a GNSS receiver that offers the full performance of GPS/GLONASS technology. The GNSS receiver is able to continuously track all satellites in view, thus providing accurate satellite position data.The integrated GNSS receiver supports the NMEA protocol via USB or ASC0 interface. NMEA is a combined electrical and data specification for communication between various (marine) electronic devices including GNSS receivers. It has been defined and controlled by the US based National Marine Electronics Association. For more information on the NMEA Standard please refer to http://www.nmea.org.Depending on the receiver’s knowledge of last position, current time and ephemeris data, the receiver’s startup time (i.e., TTFF = Time-To-First-Fix) may vary: If the receiver has no knowl-edge of its last position or time, a startup takes considerably longer than if the receiver has stillknowledge of its last position, time and almanac or has still access to valid ephimeris data andthe precise time.By default, the GNSS receiver is switched off. It has to be switched on and configured using ATcommands. For more information on how to control the GNSS interface via the AT commands see [1].
Cinterion® PLS8-X/PLS8-V Hardware Interface Overview5 Antenna Interfaces30PLS8-X_PLS8-V_HIO_v03.009 2015-08-04Confidential / PreliminaryPage 27 of 405 Antenna Interfaces5.1 GSM/UMTS/LTE Antenna InterfaceThe PLS8-X/PLS8-V GSM/UMTS/LTE antenna interface comprises a GSM/UMTS/LTE  main antenna as well as a UMTS/LTE Rx diversity/MIMO antenna to improve signal reliability and quality1. The interface has an impedance of 50. PLS8-X/PLS8-V is capable of sustaining a total mismatch at the antenna interface without any damage, even when transmitting at maxi-mum RF power.The external antennas must be matched properly to achieve best performance regarding radi-ated power, modulation accuracy and harmonic suppression. Matching networks are not in-cluded on the PLS8-X/PLS8-V PCB and should be placed in the host application, if the antenna does not have an impedance of 50.Regarding the return loss PLS8-X/PLS8-V provides the following values in the active band:1. By delivery default the UMTS/LTE Rx diversity/MIMO antenna is configured as available for the modulesince its usage is mandatory for LTE. Please refer to [1] for details on how to configure antenna settings. Table 8:  Return loss in the active bandState of module Return loss of module Recommended return loss of applicationReceive > 8dB > 12dBTransmit not applicable  > 12dBIdle < 5dB not applicable
Cinterion® PLS8-X/PLS8-V Hardware Interface Overview5.1 GSM/UMTS/LTE Antenna Interface30PLS8-X_PLS8-V_HIO_v03.009 2015-08-04Confidential / PreliminaryPage 28 of 405.1.1 Antenna InstallationThe antenna is connected by soldering the antenna pads (ANT_MAIN; ANT_DRX_MIMO) andtheir neighboring ground pads directly to the application’s PCB.The distance between the antenna pads and their neighboring GND pads has been optimizedfor best possible impedance. To prevent mismatch, special attention should be paid to thesepads on the application’ PCB.The wiring of the antenna connection, starting from the antenna pad to the application’s anten-na should result in a 50 line impedance. Line width and distance to the GND plane need tobe optimized with regard to the PCB’s layer stack. To prevent receiver desensitization due to interferences generated by fast transients like highspeed clocks on the external application PCB, it is recommended to realize the antenna con-nection line using embedded Stripline rather than Micro-Stripline technology. For type approval purposes, the use of a 50 coaxial antenna connector (U.FL-R-SMT) mightbe necessary. In this case the U.FL-R-SMT connector should be placed as close as possibleto PLS8-X/PLS8-V‘s antenna pad.
Cinterion® PLS8-X/PLS8-V Hardware Interface Overview5.2 GNSS Antenna Interface30PLS8-X_PLS8-V_HIO_v03.009 2015-08-04Confidential / PreliminaryPage 29 of 405.2 GNSS Antenna InterfaceIn addition to the RF antenna interface PLS8-X/PLS8-V also has a GNSS antenna interface. The GNSS pad itself is the same as for the RF antenna interface (see Section 5.1.1).It is possible to connect active or passive GNSS antennas. In either case they must have 50 impedance. The simultaneous operation of GSM and GNSS is implemented. PLS8-X/PLS8-V provides the supply voltage VGNSS for the GNSS active antenna (3.05V). It has to be enabled by software when the GNSS receiver becomes active, otherwise VGNSS should be off (power saving). VGNSS is not short circuit protected. This will have to be provided for by an external application. The DC voltage should be fed back via ANT_GNSS_DC for cou-pling into the GNSS antenna path. Figure 7 shows the flexibility in realizing the power supply for an active GNSS antenna by giving two sample circuits realizing the supply voltage for an active GNSS antenna - one with short circuit protection and one with an external LDO employed.Figure 7:  Supply voltage for active GNSS antennaShort circuit protection(Imax=50mA)VGNSSANT_GNSSActive GNSS antenna10nH100nFTo GNSS receiverModuleSMT interfaceANT_GNSS_DCtyp 3.05V max. 50mANot short circuit protected!1uF(Optional)ESDprotection10kSupply with short circuit protectionLDOVGNSSANT_GNSSActive GNSS antenna10nH100nFTo GNSS receiverModuleSMT interfaceANT_GNSS_DC1uF(Optional)ESDprotection10kEnableExternal voltageSupply with external LDO employed
Cinterion® PLS8-X/PLS8-V Hardware Interface Overview5.2 GNSS Antenna Interface30PLS8-X_PLS8-V_HIO_v03.009 2015-08-04Confidential / PreliminaryPage 30 of 40Figure 8 shows sample circuits realizing ESD protection for a passive GNSS antenna.Figure 8:  ESD protection for passive GNSS antennaVGNSSANT_GNSSPassive GNSS antenna10nH100nFTo GNSS receiverModuleSMT interfaceANT_GNSS_DC (Optional)ESDprotection0RNot used
Cinterion® PLS8-X/PLS8-V Hardware Interface Overview6 Mechanics32PLS8-X_PLS8-V_HIO_v03.009 2015-08-04Confidential / PreliminaryPage 31 of 406 Mechanics6.1 Mechanical Dimensions of PLS8-X/PLS8-VFigure 9 shows a 3D view1 of PLS8-X/PLS8-V and provides an overview of the board's me-chanical dimensions. For further details see Figure 10. Length: 33mmWidth: 29mmHeight: 2.95mmFigure 9:  PLS8-X/PLS8-V – top and bottom view1. The coloring of the 3D view does not reflect the module’s real color.Top viewBottom view
Cinterion® PLS8-X/PLS8-V Hardware Interface Overview6.1 Mechanical Dimensions of PLS8-X/PLS8-V32PLS8-X_PLS8-V_HIO_v03.009 2015-08-04Confidential / PreliminaryPage 32 of 40Figure 10:  Dimensions of PLS8-X/PLS8-V (all dimensions in mm)Internal use; Not to be soldered
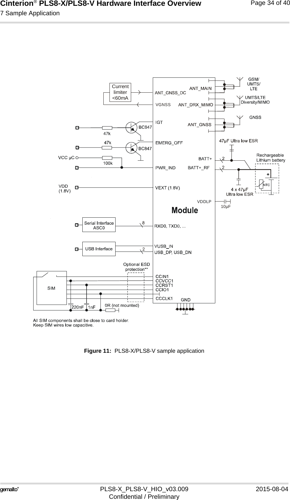
Cinterion® PLS8-X/PLS8-V Hardware Interface Overview7 Sample Application34PLS8-X_PLS8-V_HIO_v03.009 2015-08-04Confidential / PreliminaryPage 33 of 407 Sample ApplicationFigure 11 shows a typical example of how to integrate an PLS8-X/PLS8-V module with an ap-plication. The PWR_IND line is an open collector that needs an external pull-up resistor which connects to the voltage supply VCC µC of the microcontroller. Low state of the open collector pulls the PWR_IND signal low and indicates that the PLS8-X/PLS8-V module is active, high level notifies the Power Down mode. If the module is in Power Down mode avoid current flowing from any other source into the mod-ule circuit, for example reverse current from high state external control lines. Therefore, the controlling application must be designed to prevent reverse flow.While developing SMT applications it is strongly recommended to provide test pointsfor certain signals, i.e., lines to and from the module - for debug and/or test purposes.The SMT application should allow for an easy access to these signals. For details onhow to implement test points see [3].The EMC measures are best practice recommendations. In fact, an adequate EMC strategy for an individual application is very much determined by the overall layout and, especially, the po-sition of components. Some LGA pads are connected to clocks or high speed data streams that might interfere with the module’s antenna. The RF receiver would then be blocked at certain frequencies (self in-terference). The external application’s PCB tracks connected to these pads should therefore be well shielded or kept away from the antenna. This applies especially to the USB and UICC/SIM interfaces.Disclaimer:No warranty, either stated or implied, is provided on the sample schematic diagram shown in Figure 11 and the information detailed in this section. As functionality and compliance with na-tional regulations depend to a great amount on the used electronic components and the indi-vidual application layout manufacturers are required to ensure adequate design and operating safeguards for their products using PLS8-X/PLS8-V modules.
Cinterion® PLS8-X/PLS8-V Hardware Interface Overview7 Sample Application34PLS8-X_PLS8-V_HIO_v03.009 2015-08-04Confidential / PreliminaryPage 34 of 40Figure 11:  PLS8-X/PLS8-V sample applicationPLS8x Currentlimiter<60mAVGNSSVDDLP10µF
Cinterion® PLS8-X/PLS8-V Hardware Interface Overview8 Reference Approval37PLS8-X_PLS8-V_HIO_v03.009 2015-08-04Confidential / PreliminaryPage 35 of 408 Reference Approval8.1 Reference Equipment for Type ApprovalThe Gemalto M2M reference setup submitted to type approve PLS8-X/PLS8-V is shown in Fig-ure 12. The module (i.e., the evaluation module) is connected to the DSB75 by means of a flex cable and a special DSB75 adapter. The GSM/UMTS/LTE test equipment is connected via edge mount SMA connectors soldered to the module’s antenna pads.For ESD tests and evaluation purposes, it is also possible connect the module to the GSM/UMTS/LTE test equipment through an SMA-to-Hirose-U.FL antenna cable and the SMA anten-na connectors of the DSB75 adapter. A further option is to mount the evaluation module directly onto the DSB75 adapter’s 80-pin board-to-board connector and to connect the test equipment as shown below.Figure 12:  Reference equipment for type approvalDSB75Standard80 polig FlexPCGSM/UMTS/LTEtest equipmentGSM/UMTS/LTEUSBcablePowersupplyPowerGNDUSBANT3ANT2ANT1AudioUranusAudioDSB75 adapterSIM cardholderEvaluationmoduleEdge mount SMA connectorsmanually soldered to antenna padsDetail:SMA to Hirose U.FL cableUMTS/LTE Rx Diversity/MIMOEvaluationmoduleGNSStest equipmentCOM1(ASC0)Audio test equipmentVotronichandsetIf using analog audio
Cinterion® PLS8-X/PLS8-V Hardware Interface Overview8.2 Compliance with FCC and IC Rules and Regulations37PLS8-X_PLS8-V_HIO_v03.009 2015-08-04Confidential / PreliminaryPage 36 of 408.2 Compliance with FCC and IC Rules and Regulations The Equipment Authorization Certification for the Gemalto M2M modules reference application described in Section 8.1 will be registered under the following identifiers:•PLS8-X:FCC Identifier QIPPLS8-XIndustry Canada Certification Number: 7830A-PLS8XGranted to Gemalto M2M GmbH•PLS8-V:FCC Identifier QIPPLS8-VIndustry Canada Certification Number: 7830A-PLS8VGranted to Gemalto M2M GmbHManufacturers of mobile or fixed devices incorporating PLS8-X/PLS8-V modules are autho-rized to use the FCC Grants and Industry Canada Certificates of the PLS8-X/PLS8-V modules for their own final products according to the conditions referenced in these documents. In this case, the FCC label of the module shall be visible from the outside, or the host device shall bear a second label stating "Contains FCC ID: QIPPLS8-X" or "Contains FCC ID: QIPPLS8-V" and accordingly “Contains IC: 7830A-PLS8X“ or “Contains IC: 7830A-PLS8V“. The integration is limited to fixed or mobile categorised host devices, where a separation distance between the antenna and any person of min. 20cm can be assured during normal operating conditions. For mobile and fixed operation configurations the antenna gain, including cable loss, must not exceed the limits listed in the following Table 9 for FCC and IC.IMPORTANT:Manufacturers of portable applications incorporating PLS8-X/PLS8-V modules are required to have their final product certified and apply for their own FCC Grant and Industry Canada Cer-tificate related to the specific portable mobile. This is mandatory to meet the SAR requirements for portable mobiles (see Section 1.4 for detail).Changes or modifications not expressly approved by the party responsible for compliance could void the user's authority to operate the equipment.Table 9:  Antenna gain limits for FCC and ICOperating bandaa. Please note that the listed frequency bands apply as follows:PLS8-X: LTE: Bd 2, 4, 5, 13 and 17; WCDMA Bd II, IV and V; GSM 850/1900MHzPLS8-V: LTE: Bd 2, 4 and 13FCC limit IC limit UnitMaximum gain in lower operating bands with f< 1GHz (GSM850, WCDMA BdV, LTE Bd5 / Bd13 / Bd17 3.25 0.16 dBiMaximum gain in higher operating bands with f=1700MHz (WCDMA BdIV, LTE Bd4) 5.5 5.5 dBiMaximum gain in higher operating bands with f=1900MHz (GSM1900, WCDMA BdII, LTE Band 2) 2.51 2.51 dBi
Cinterion® PLS8-X/PLS8-V Hardware Interface Overview8.2 Compliance with FCC and IC Rules and Regulations37PLS8-X_PLS8-V_HIO_v03.009 2015-08-04Confidential / PreliminaryPage 37 of 40Note: This equipment has been tested and found to comply with the limits for a Class B digital device, pursuant to part 15 of the FCC Rules and with Industry Canada licence-exempt RSS standard(s). These limits are designed to provide reasonable protection against harmful inter-ference in a residential installation. This equipment generates, uses and can radiate radio fre-quency energy and, if not installed and used in accordance with the instructions, may cause harmful interference to radio communications. However, there is no guarantee that interference will not occur in a particular installation. If this equipment does cause harmful interference to radio or television reception, which can be determined by turning the equipment off and on, the user is encouraged to try to correct the interference by one or more of the following measures: • Reorient or relocate the receiving antenna. • Increase the separation between the equipment and receiver. • Connect the equipment into an outlet on a circuit different from that to which the receiver is connected. • Consult the dealer or an experienced radio/TV technician for help.This Class B digital apparatus complies with Canadian ICES-003.If Canadian approval is requested for devices incorporating PLS8-X/PLS8-V modules the above note will have to be provided in the English and French language in the final user docu-mentation. Manufacturers/OEM Integrators must ensure that the final user documentation does not contain any information on how to install or remove the module from the final product.
Cinterion® PLS8-X/PLS8-V Hardware Interface Overview9 Appendix39PLS8-X_PLS8-V_HIO_v03.009 2015-08-04Confidential / PreliminaryPage 38 of 409 Appendix9.1 List of Parts and AccessoriesTable 10:  List of parts and accessoriesDescription Supplier Ordering informationPLS8-X Gemalto M2M Standard moduleGemalto M2M IMEI:Packaging unit (ordering) number: L30960-N3460-A300Module label number: S30960-S3460-A300-1Customer IMEI module:Packaging unit (ordering) number: L30960-N3465-A300Module label number: S30960-S3465-A300-1PLS8-X Evaluation Module Gemalto M2M Packaging unit (ordering) number: L30960-N3461-A300Module label number: S30960-S3461-A300PLS8-V Gemalto M2M Standard moduleGemalto M2M IMEI:Packaging unit (ordering) number: L30960-N3470-A300Module label number: S30960-S3470-A300-1PLS8-V Evaluation Module Gemalto M2M Packaging unit (ordering) number: L30960-N3471-A300Module label number: S30960-S3471-A300DSB75 Support Box Gemalto M2M Ordering number: L36880-N8811-A100DSB75 adapter for mount-ing the evaluation module Gemalto M2M Ordering number: L30960-N2301-A100Votronic handset for approval purposes Votronic / Gemalto M2M Gemalto M2M ordering number: L36880-N8301-A107Votronic ordering number: HH-SI-30.3/V1.1/0Votronic Entwicklungs- und Produktionsgesellschaft für elek-tronische Geräte mbHSaarbrücker Str. 866386 St. IngbertGermanyPhone:  +49-(0)6 89 4 / 92 55-0Fax:  +49-(0)6 89 4 / 92 55-88Email:  contact@votronic.comSIM card holder incl. push button ejector and slide-in trayMolex Ordering numbers:  91228 91236Sales contacts are listed in Table 11.U.FL antenna connector Hirose or Molex Sales contacts are listed in Table 11 and Table 12.
Cinterion® PLS8-X/PLS8-V Hardware Interface Overview9.1 List of Parts and Accessories39PLS8-X_PLS8-V_HIO_v03.009 2015-08-04Confidential / PreliminaryPage 39 of 40Table 11:  Molex sales contacts (subject to change)MolexFor further information please click:http://www.molex.comMolex Deutschland GmbHOtto-Hahn-Str. 1b69190 WalldorfGermanyPhone: +49-6227-3091-0Fax: +49-6227-3091-8100Email:  mxgermany@molex.comAmerican HeadquartersLisle, Illinois 60532U.S.A.Phone: +1-800-78MOLEXFax: +1-630-969-1352Molex China DistributorsBeijing, Room 1311, Tower B, COFCO PlazaNo. 8, Jian Guo Men Nei Street, 100005BeijingP.R. ChinaPhone:  +86-10-6526-9628 Fax:  +86-10-6526-9730Molex Singapore Pte. Ltd.110, International RoadJurong Town, Singapore 629174Phone:  +65-6-268-6868Fax: +65-6-265-6044Molex Japan Co. Ltd.1-5-4 Fukami-Higashi,Yamato-City,Kanagawa, 242-8585 JapanPhone:  +81-46-265-2325Fax: +81-46-265-2365Table 12:  Hirose sales contacts (subject to change)Hirose Ltd.For further information please click: http://www.hirose.comHirose Electric (U.S.A.) Inc2688 Westhills CourtSimi Valley, CA 93065U.S.A.Phone:  +1-805-522-7958Fax: +1-805-522-3217Hirose Electric Europe B.V.German Branch:Herzog-Carl-Strasse 473760 OstfildernGermany Phone: +49-711-456002-1Fax: +49-711-456002-299Email: info@hirose.deHirose Electric Europe B.V.UK Branch:First Floor, St. Andrews House,Caldecotte Lake Business Park,Milton Keynes MK7 8LEGreat BritainPhone:  +44-1908-369060Fax: +44-1908-369078Hirose Electric Co., Ltd.5-23, Osaki 5 Chome, Shinagawa-KuTokyo 141JapanPhone:  +81-03-3491-9741Fax: +81-03-3493-2933Hirose Electric Europe B.V. Hogehillweg 81101 CC Amsterdam Z-ONetherlandsPhone:  +31-20-6557-460Fax: +31-20-6557-469
40 M2M.GEMALTO.COMAbout GemaltoGemalto (Euronext NL0000400653 GTO) is the world leader in digital security with 2014 annualrevenues of €2.5 billion and blue-chip customers in over 180 countries. Our 14,000 employees operate out of 99 offices, 34 personalization and data centers, and 24 research and software development centers located in 46 countries. We are at the heart of the rapidly evolving digital society. Billions of people worldwide increasinglywant the freedom to communicate, travel, shop, bank, entertain and work - anytime, everywhere - in ways that are enjoyable and safe. Gemalto delivers on their expanding needs for personalmobile services, payment security, authenticated cloud access, identity and privacy protection,eHealthcare and eGovernment efficiency, convenient ticketing and dependable machine-to-machine (M2M) applications.Gemalto develops secure embedded software and secure products which we design and personalize. Our platforms and services manage these secure products, the confidential data they contain and the trusted end-user services they enable. Our innovations enable our clients to offertrusted and convenient digital services to billions of individuals.Gemalto thrives with the growing number of people using its solutions to interact with the digitaland wireless world.For more information please visitm2m.gemalto.com, www.facebook.com/gemalto, or Follow@gemaltom2m on twitter.Gemalto M2M GmbHSt.-Martin-Str. 6081541 MunichGermany© Gemalto 2015. All rights reserved. Gemalto, the Gemalto logo, are trademarks and service marks of Gemalto and are registered in certain countries. April 2013

Navigation menu