Generac Power Systems 005240 005280 005241 005281 005242 005282 005243 005244 005283 005284 Users Manual
005240, 005280, 005241, 005281, 005242, 005282, 005243, 005244, 005283, 005284 to the manual fd482595-9e97-455f-8234-b16f276237c0
2015-02-09
: Generac-Power-Systems Generac-Power-Systems-005240-005280-005241-005281-005242-005282-005243-005244-005283-005284-Users-Manual-559864 generac-power-systems-005240-005280-005241-005281-005242-005282-005243-005244-005283-005284-users-manual-559864 generac-power-systems pdf
Open the PDF directly: View PDF
.
Page Count: 1

Installation and
Owner’s Manual
7, 10, 13 and 16kW Air-cooled,
Automatic Standby Generators
Models: 005240, 005280 (6 kW NG, 7 kW LP)
005241, 005281 (9 kW NG, 10 kW LP)
005242, 005282 (13 kW NG, 13 kW LP)
005243, 005244, (15 kW NG, 16 kW LP)
005283, 005284
DANGER
DEADLY EXHAUST FUMES. OUTDOOR INSTALLATION ONLY!
Not intended for use as Primary Power in place of utility or in
life-support applications.
L
I
S
T
E
D
CU
S

INTRODUCTION
Thank you for purchasing this model of the Guardian
product line by Generac Power Systems Inc. This
model is a compact, high performance, air-cooled,
engine-driven generator designed to automatically
supply electrical power to operate critical loads dur-
ing a utility power failure.
This unit is factory installed in an all-weather, metal
enclosure that is intended exclusively for outdoor
installation. This generator will operate using either
vapor withdrawn liquid propane (LP) or natural gas
(NG).
READ THIS MANUAL THOROUGHLY
If any portion of this manual is not understood, contact
the nearest Authorized Dealer for starting, operating
and servicing procedures.
Throughout this publication, and on tags and decals
affixed to the generator, DANGER, WARNING,
CAUTION and NOTE blocks are used to alert person-
nel to special instructions about a particular opera-
tion that may be hazardous if performed incorrectly
or carelessly. Observe them carefully. Their defini-
tions are as follows:
DANGER
After this heading, read instructions that, if not
strictly complied with, will result in serious person-
al injury, including death, in addition to property
damage.
After this heading, read instructions that, if not
strictly complied with, may result in serious person-
al injury or property damage.
After this heading, read instructions that, if not
strictly complied with, could result in damage to
equipment and/or property.
NOTE:
After this heading, read explanatory statements
that require special emphasis.
These safety warnings cannot eliminate the haz-
ards that they indicate. Common sense and strict
compliance with the special instructions while
performing the service are essential to preventing
accidents.
Four commonly used safety symbols accompany the
DANGER, WARNING and CAUTION blocks. The type
of information each indicates follows:
This symbol points out important safety infor-
mation that, if not followed, could endanger
personal safety and/or property of others.
This symbol points out potential explosion haz-
ard.
This symbol points out potential fire hazard.
This symbol points out potential electrical shock
hazard.
The operator is responsible for proper and safe use
of the equipment. The manufacturer strongly recom-
mends that the operator read this Owner's Manual
and thoroughly understand all instructions before
using this equipment. The manufacturer also strong-
ly recommends instructing other users to properly
start and operate the unit. This prepares them if they
need to operate the equipment in an emergency.
CONTENTS
This manual contains pertinent owner’s information,
including warranty, electrical diagrams, exploded
views and lists of repair parts, for these different
models:
05240 & 05280 – 6 kW NG, 7 kW LP, single-cylin-
der GH-410 Engine
05241 & 05281 – 9.0 kW NG, 10 kW LP, V-twin
GT-530 Engine
05242 & 05282 – 13 kW NG, 13 kW LP, V-twin GT-
990 Engine
05243, 05244, 05283 & 05284 – 15 kW NG, 16 kW
LP, V-twin GT-990 Engine
OPERATION AND MAINTENANCE
It is the operator's responsibility to perform all safety
checks, to make sure that all maintenance for safe
operation is performed promptly, and to have the
equipment checked periodically by an Authorized
Dealer. Normal maintenance service and replacement
of parts are the responsibility of the owner/operator
and, as such, are not considered defects in materials
or workmanship within the terms of the warranty.
Individual operating habits and usage contribute to
the need for maintenance service.
Proper maintenance and care of the generator ensures
a minimum number of problems and keep operating
expenses at a minimum. See an Authorized Dealer
for service aids and accessories.
HOW TO OBTAIN SERVICE
When the generator requires servicing or repairs,
contact an Authorized Dealer for assistance. Service
technicians are factory-trained and are capable of
handling all service needs.
When contacting an Authorized Dealer about parts
and service, always supply the complete model num-
ber and serial number of the unit as given on its data
decal, which is located on the generator. See section
"The Generator" for decal location.
Model No. ____________ Serial No. ______________
•
•
•
•
AUTHORIZED
DEALER LOCATION
To locate the nearest AUTHORIZED
DEALER, please call this number:
1-800-333-1322
DEALER LOCATION INFORMATION
CAN BE OBTAINED AT THIS NUMBER or visit
www.guardiangenerators.com.

Table of Contents
Air-cooled Generators
1
Introduction ........................Inside Front Cover
Read This Manual Thoroughly ........................ IFC
Contents .......................................................... IFC
Operation and Maintenance ............................ IFC
How to Obtain Service ..................................... IFC
Authorized Dealer Locator Number ................... IFC
Safety Rules ........................................................2
Standards Index .................................................. 3
Section 1 – General Information ...................4
1.1 Unpacking/Inspection .................................... 4
1.2 Protection Systems ........................................ 4
1.3 NEC Requirement for Arc Fault Circuit
Interruption Breaker for Bedrooms .............. 4
1.4 The Generator ...............................................5
1.5 Specifications ................................................ 6
1.6 System Set LED ............................................ 7
1.7 Fuel Requirements and Recommendations ... 7
1.8 Fuel Consumption ......................................... 7
1.9 Reconfiguring the Fuel System ......................8
1.10 Location ........................................................ 9
1.11 Battery Requirements .................................. 10
1.12 Battery Installation ...................................... 10
1.13 The Battery ................................................. 11
Section 2 – Post Installation Start-up
and Adjustments .......................12
2.1 Before Initial Startup...................................12
2.2 Check Transfer Switch Operation ............... 12
2.3 Electrical Checks ........................................13
2.4 Generator Tests Under Load ....................... 13
2.5 Checking Automatic Operation ....................14
2.6 Adjusting the Fuel Regulator -
7kW (Natural Gas Only) ...............................14
2.7 Engine Governor Adjustment ......................15
2.8 Voltage Regulator Adjustment ......................15
Section 3 – Operation ....................................16
3.1 Using the AUTO/OFF/MANUAL Switch ........16
3.2 Automatic Transfer Operation ..................... 16
3.3 Sequence of Automatic Operation ............... 17
3.4 Manual Transfer Operation ......................... 17
3.5 Setting the Exercise Timer .......................... 18
3.6 Protection Systems ...................................... 18
Section 4 – Maintenance .............................. 20
4.1 Fuses ........................................................... 20
4.2 Checking the Engine Oil Level ..................... 20
4.3 Changing the Engine Oil .............................. 21
4.4 Changing the Engine Air Cleaner .................21
4.5 Spark Plug(s) ..............................................22
4.6 Battery Maintenance ....................................23
4.7 Adjusting GH-410/GT-530/990
Valve Clearance ............................................23
4.8 Cooling System ...........................................24
4.9 Attention After Submersion ......................... 24
4.10 Corrosion Protection ...................................25
4.11 Out of Service Procedure ............................. 25
4.12 Service Schedule .........................................26
Section 5 – Troubleshooting .........................27
5.1 Troubleshooting Guide ................................ 27
Section 6 – Notes ........................................... 28
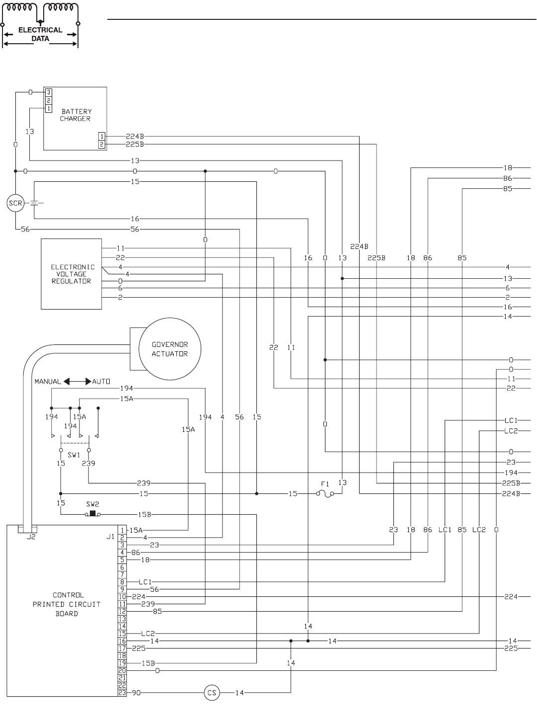
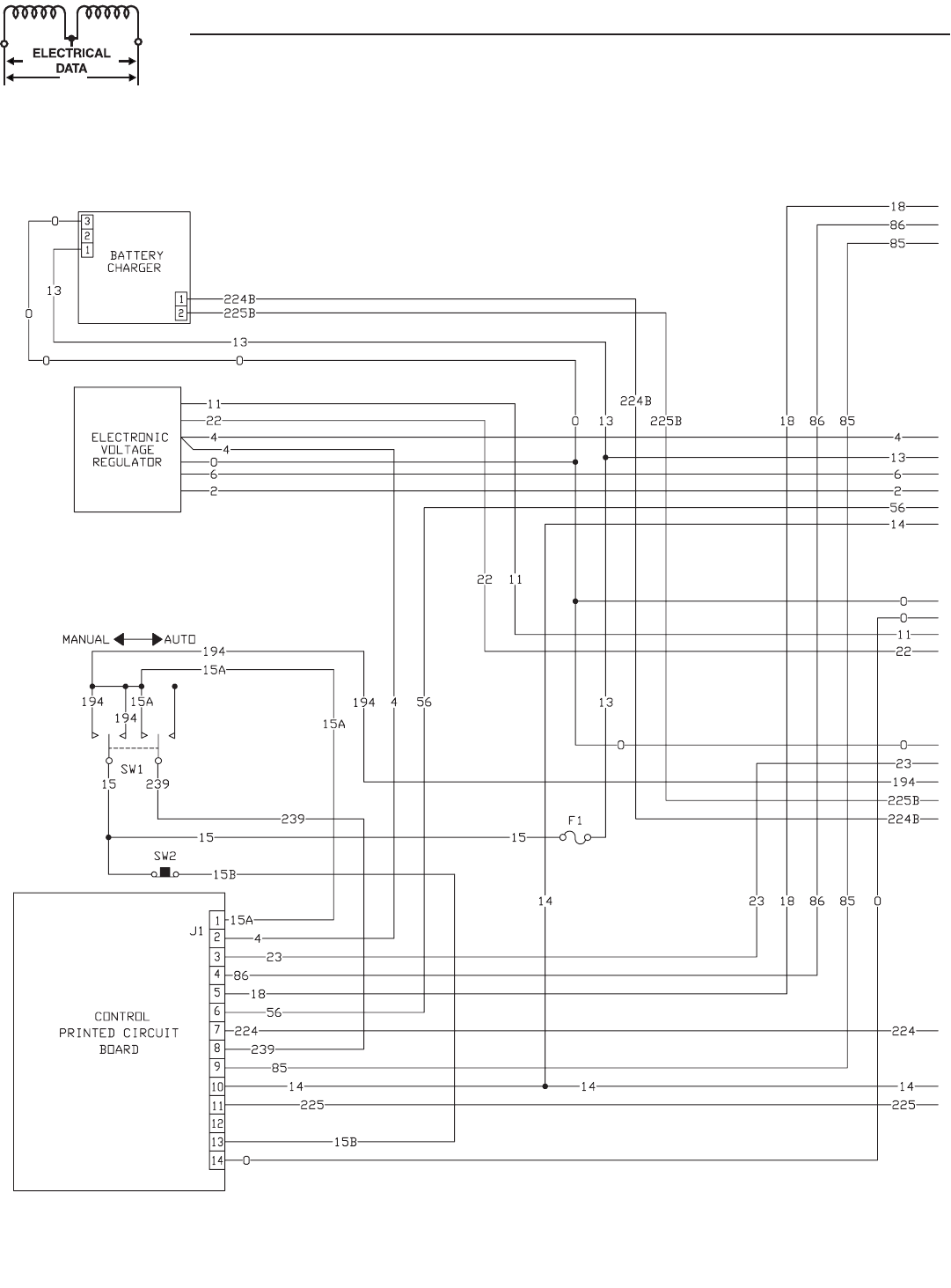
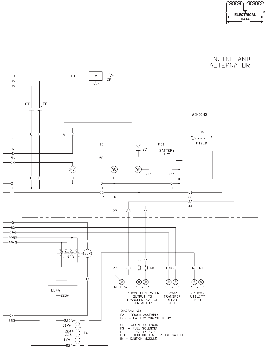
Section 7 – Electrical Data ........................... 29
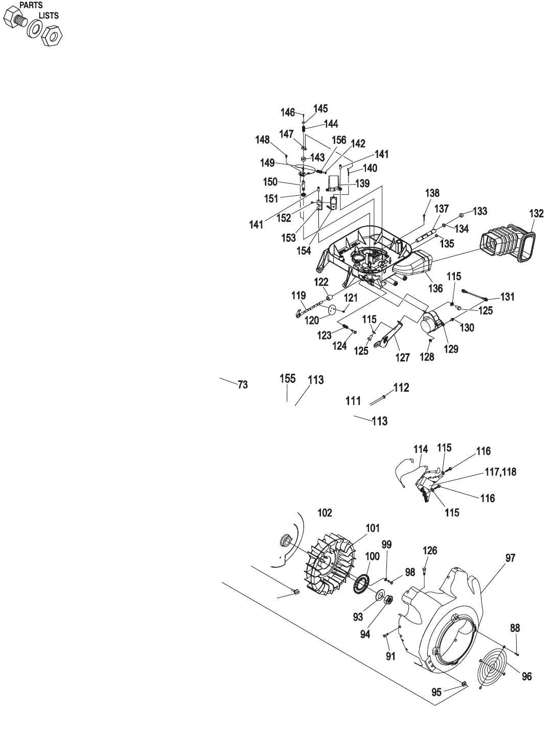
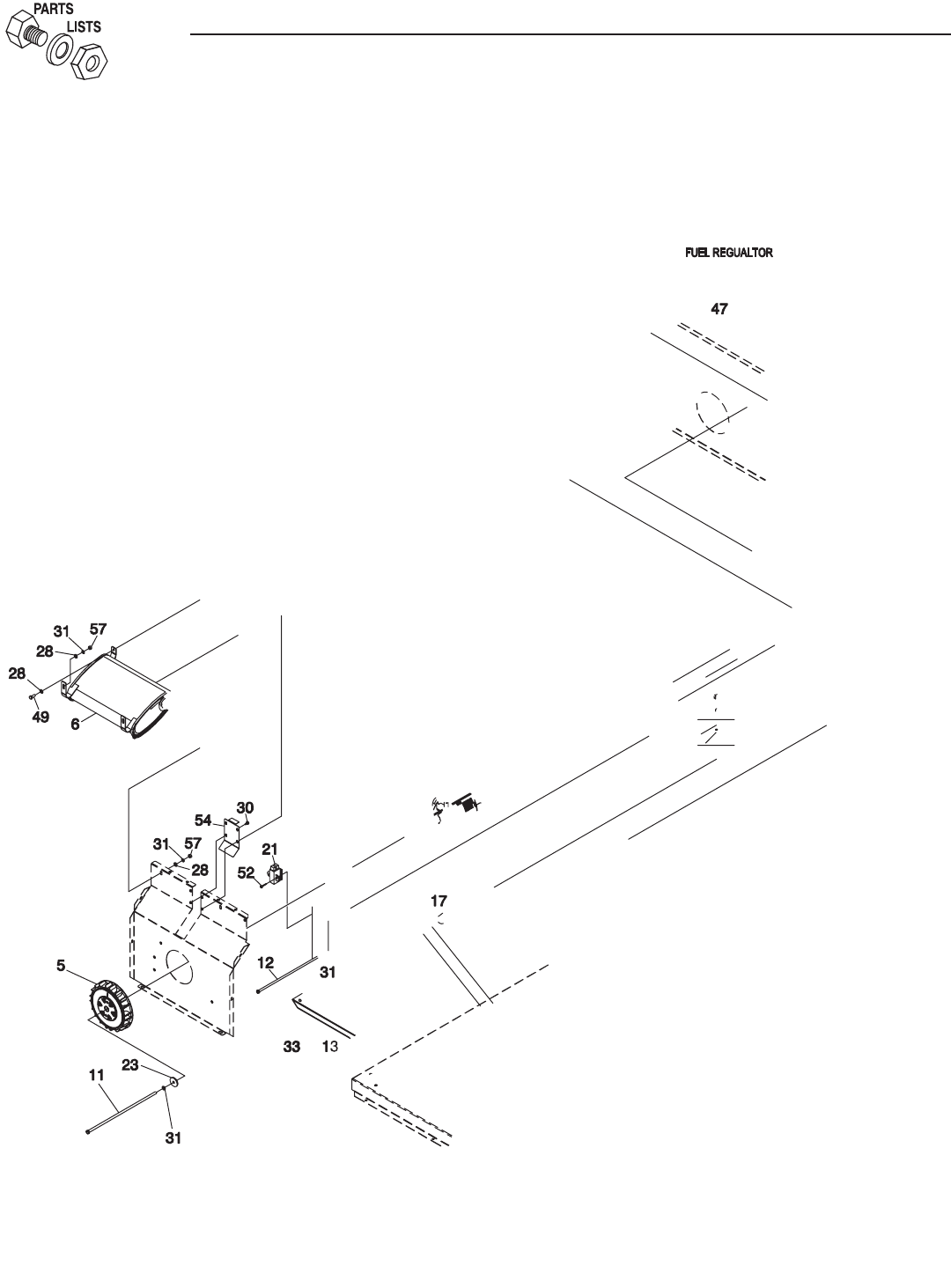
Section 8 – Exploded Views and
Parts Lists ................................... 40
Section 9 – Mounting Dimensions ............. 66
Section 10 – Warranty ................................... 68

2
Study these SAFETY RULES carefully before install-
ing, operating or servicing this equipment. Become
familiar with this Owner’s Manual and with the
unit. The generator can operate safely, efficiently and
reliably only if it is properly installed, operated and
maintained. Many accidents are caused by failing to
follow simple and fundamental rules or precautions.
The manufacturer cannot anticipate every possible
circumstance that might involve a hazard. The warn-
ings in this manual, and on tags and decals affixed
to the unit are, therefore, not all-inclusive. If using
a procedure, work method or operating technique
the manufacturer does not specifically recommend,
ensure that it is safe for others. Also make sure the
procedure, work method or operating technique uti-
lized does not render the generator unsafe.
DANGER
Despite the safe design of this generator,
operating this equipment imprudently, neglecting
its maintenance or being careless can cause
possible injury or death. Permit only responsible
and capable persons to operate or maintain this
equipment.
Potentially lethal voltages are generated by
these machines. Ensure all steps are taken to
render the machine safe before attempting to
work on the generator.
Parts of the generator are rotating and/or hot
during operation. Exercise care near running
generators.
GENERAL HAZARDS
For safety reasons, the manufacturer recommends
that the installation, initial start-up and main-
tenance of this equipment is carried out by an
Authorized Dealer.
The engine exhaust fumes contain carbon monox-
ide, which can be DEADLY. This dangerous gas, if
breathed in sufficient concentrations, can cause
unconsciousness or even death. This exhaust
system must be installed properly, in strict com-
pliance with applicable codes and standards.
Following installation, do nothing that might ren-
der the system unsafe or in noncompliance with
such codes and standards.
Keep hands, feet, clothing, etc., away from drive
belts, fans, and other moving or hot parts. Never
remove any drive belt or fan guard while the unit
is operating.
Adequate, unobstructed flow of cooling and venti-
lating air is critical to correct generator operation.
Do not alter the installation or permit even partial
blockage of ventilation provisions, as this can seri-
ously affect safe operation of the generator. The
generator MUST be installed outdoors.
When working on this equipment, remain alert
at all times. Never work on the equipment when
physically or mentally fatigued.
Inspect the generator regularly, and contact the
nearest Authorized Dealer for parts needing repair
or replacement.
Before performing any maintenance on the gen-
erator, disconnect its battery cables to prevent
accidental start up. Disconnect the cable from the
battery post indicated by a NEGATIVE, NEG or
(–) first, then remove the POSITIVE, POS or (+)
cable. When reconnecting the cables, connect the
POSITIVE cable first, the NEGATIVE cable last.
Never use the generator or any of its parts as a
step. Stepping on the unit can stress and break
parts, and may result in dangerous operating con-
ditions from leaking exhaust gases, fuel leakage,
oil leakage, etc.
•
•
•
•
•
•
•
•
IMPORTANT SAFETY INSTRUCTIONS
Air-cooled Generators
SAVE THESE INSTRUCTIONS – The manufacturer suggests that these rules for safe operation
be copied and posted near the unit’s installation site. Safety should be stressed to all opera-
tors and potential operators of this equipment.
The engine exhaust from this product
contains chemicals known to the state
of California to cause cancer, birth
defects or other reproductive harm.
•
WARNING:•
This product contains or emits chemicals
known to the state of California to cause
cancer, birth defects or other reproductive harm.
•
WARNING:•

3
ELECTRICAL HAZARDS
All generators covered by this manual produce
dangerous electrical voltages and can cause fatal
electrical shock. Utility power delivers extremely
high and dangerous voltages to the transfer switch
as does the standby generator when it is in opera-
tion. Avoid contact with bare wires, terminals,
connections, etc., while the unit is running. Ensure
all appropriate covers, guards and barriers are in
place, secured and/or locked before operating the
generator. If work must be done around an oper-
ating unit, stand on an insulated, dry surface to
reduce shock hazard.
Do not handle any kind of electrical device while
standing in water, while barefoot, or while hands or
feet are wet. DANGEROUS ELECTRICAL SHOCK
MAY RESULT.
The National Electrical Code (NEC) requires the
frame and external electrically conductive parts of
the generator to be connected to an approved earth
ground. Local electrical codes also may require
proper grounding of the generator electrical system.
After installing this home standby electrical sys-
tem, the generator may crank and start at any
time without warning. When this occurs, load cir-
cuits are transferred to the STANDBY (generator)
power source. To prevent possible injury if such a
start and transfer occur, always set the generator’s
AUTO/OFF/MANUAL switch to its OFF position
before working on equipment and remove the 15A
fuse from the generator control panel.
In case of accident caused by electric shock, imme-
diately shut down the source of electrical power. If
this is not possible, attempt to free the victim from
the live conductor. AVOID DIRECT CONTACT WITH
THE VICTIM. Use a nonconducting implement,
such as a dry rope or board, to free the victim from
the live conductor. If the victim is unconscious,
apply first aid and get immediate medical help.
Never wear jewelry when working on this equip-
ment. Jewelry can conduct electricity resulting in
electric shock, or may get caught in moving com-
ponents causing injury.
FIRE HAZARDS
For fire safety, the generator must be installed and
maintained properly. Installation must always
comply with applicable codes, standards, laws
and regulations. Adhere strictly to local, state
and national electrical and building codes. Comply
with regulations the Occupational Safety and
Health Administration (OSHA) has established.
Also, ensure that the generator is installed in
accordance with the manufacturer’s instructions
and recommendations. Following proper installa-
tion, do nothing that might alter a safe installation
and render the unit in noncompliance with the
aforementioned codes, standards, laws and regu-
lations.
•
•
•
•
•
•
•
Keep a fire extinguisher near the generator at all
times. Extinguishers rated “ABC” by the National
Fire Protection Association are appropriate for
use on the standby electric system. Keep the extin-
guisher properly charged and be familiar with its
use. Consult the local fire department with any
questions pertaining to fire extinguishers.
EXPLOSION HAZARDS
Do not smoke around the generator. Wipe up any
fuel or oil spills immediately. Ensure that no com-
bustible materials are left in the generator com-
partment, or on or near the generator, as FIRE or
EXPLOSION may result. Keep the area surround-
ing the generator clean and free from debris.
Gaseous fluids such as natural gas and liquid pro-
pane (LP) gas are extremely EXPLOSIVE. Install
the fuel supply system according to applicable
fuel-gas codes. Before placing the home standby
electric system into service, fuel system lines must
be properly purged and leak tested according to
applicable code. After installation, inspect the fuel
system periodically for leaks. No leakage is permit-
ted.
STANDARDS INDEX
In the absence of pertinent standards, codes, regu-
lations and laws, the published information listed
below may be used as installation guide for this
equipment.
1. NFPA No. 37, STATIONARY COMBUSTION
ENGINES AND GAS TURBINES, available from
the National Fire Protection Association, 470
Atlantic Avenue, Boston, MA 02210.
2. NFPA No. 76A, ESSENTIAL ELECTRICAL
SYSTEMS FOR HEALTH CARE FACILITIES,
available same as Item 1.
3. NFPA No. 54, NATIONAL FUEL GAS CODE,
available same as Item 1.
4. NFPA No. 58, AMERICAN NATIONAL STANDARD
FOR STORAGE AND HANDLING OF LIQUEFIED
PETROLEUM GAS, available same as Item 1.
5. NFPA No. 70, NFPA HANDBOOK OF NATIONAL
ELECTRIC CODE, available same as Item 1.
6. Article X, NATIONAL BUILDING CODE, available
from the American Insurance Association, 85
John Street, New York, N.Y. 10038.
7. AGRICULTURAL WIRING HANDBOOK, avail-
able from the Food and Energy Council, 909
University Avenue, Columbia, MO 65201.
8. ASAE EP-3634, INSTALLATION AND
MAINTENANCE OF FARM STANDBY ELECTRICAL
SYSTEMS, available from the American Society
of Agricultural Engineers, 2950 Niles Road, St.
Joseph, MI 49085.
9. NFPA No. 30, FLAMMABLE AND COMBUSTIBLE
LIQUIDS CODE, available same as Item 1.
•
•
•
IMPORTANT SAFETY INSTRUCTIONS
Air-cooled Generators

DANGER
Only qualified electricians or contractors should
attempt such installations, which must comply
strictly with applicable codes, standards and regu-
lations.
1.1 UNPACKING/INSPECTION
After unpacking, carefully inspect the contents for
damage.
This standby generator set is ready for installa-
tion with a factory supplied and pre-mounted base
pad and has a weather protective enclosure that is
intended for outdoor installation only.
This UL listed standby generator set is packaged
with an automatic transfer switch with built in
load center. The combination transfer switch and
load center is pre-wired with a two foot and 30 foot
conduit. Circuit breakers for emergency circuit
connections are included (if equipped).
This UL listed, 2-pole switch is rated at 100 AC
amperes at 250 volts maximum. This transfer
switch is for indoor use only (if equipped).
If this generator is used to power electrical load
circuits normally powered by a utility power
source, it is required by code to install a transfer
switch. The transfer switch must effectively isolate
the electrical system from the utility distribution
system when the generator is operating (NEC 700,
701 & 702). Failure to isolate an electrical system
by such means will result in damage to the gen-
erator and also may result in injury or death to
utility power workers due to backfeed of electrical
energy.
If any loss or damage is noted at time of delivery, have
the person(s) making the delivery note all damage
on the freight bill or affix their signature under the
consignor's memo of loss or damage.
If a loss or damage is noted after delivery, separate
the damaged materials and contact the carrier for
claim procedures.
“Concealed damage” is understood to mean damage
to the contents of a package that is not in evidence at
the time of delivery, but is discovered later.
1.2 PROTECTION SYSTEMS
Unlike an automobile engine, the generator may have
to run for long periods of time with no operator pres-
ent to monitor engine conditions. For that reason, the
engine is equipped with the following systems that
protect it against potentially damaging conditions:
1. Low Oil Pressure Sensor 4. Overspeed
2. High Temperature Sensor 5. RPM Sensor
3. Overcrank 6. Low Battery
•
•
•
There are LED readouts on the control panel to notify
personnel that one of these faults has occurred.
There is also a System Set LED that is lit when all
of the conditions described in section "System Set
LED" are true. (See the "Protection Systems" section
for details.)
1.3 NEC REQUIREMENT FOR ARC
FAULT CIRCUIT INTERRUPTION
BREAKER FOR BEDROOMS
In 2001, the National Electric Code (NEC) intro-
duced a requirement for new construction. This new
requirement indicates the need for Arc Fault Circuit
Interrupters to be used to protect the complete
branch circuit that feeds a dwelling bedroom. The
actual NEC requirement is indicated below.
1.3.1 SECTION 210.12 ARC FAULT CIRCUIT
INTERRUPTER PROTECTION
1. Definition: An arc fault circuit interrupter is a
device intended to provide protection from the
effects of arc faults by recognizing characteristics
unique to arcing and by functioning to de-ener-
gize the circuit when an arc fault is detected.
2. Dwelling Unit Bedrooms: All branch circuits that
supply 125 volt, single-phase, 15 and 20 ampere
outlets installed in dwelling unit bedrooms shall
be protected by an arc fault circuit interrupter
listed to provide protection of the entire branch
circuit.
Section 210.12 requires that AFCI protection be
provided on branch circuits that supply outlets
(receptacle, lighting, etc.) in dwelling bedrooms. The
requirement is limited to 15 and 20 ampere, 125
volt circuits. There is no prohibition against provid-
ing AFCI protection on other circuits or in locations
other than bedrooms. Because circuits are often
shared between a bedroom and other areas such as
closets and hallways, providing AFCI protection on
the complete circuit would comply with 210.12.
If during the installation of the home standby system
the decision is made to provide back up power to a
bedroom branch circuit, then the circuit breaker in
the transfer switch should be replaced with an Arc
Fault Circuit Interrupter.
It is most important that breakers only be switched
like for like. For instance, if replacing a 15A breaker,
it MUST be replaced with a 15A AFCI breaker.
Likewise, a 20A breaker MUST be replaced with a
20A AFCI.
These AFCI breakers are available at the nearest
hardware store.
Siemens Item # Description
Q115AF 15A Single Pole AFCI
Q120AF 20A Single Pole AFCI
Section 1 — General Information
Air-cooled Generators
4

Section 1 — General Information
Air-cooled Generators
5
1.4 THE GENERATOR

6
Section 1 — General Information
Air-cooled Generators
1.5 SPECIFICATIONS
1.5.1 GENERATOR
Model 05240 & 05280 05241 & 05281 05242 & 05282 05243 & 05244
05283 & 05284
Rated Max. Continuous 6,000 NG/7,000 LP 9,000 NG/10,000 LP 13,000 NG/13,000 LP 15,000 NG/16,000 LP
Power Capacity (Watts*)
Rated Voltage 120/240 120/240 120/240 120/240
Rated Max. Continuous
Load Current (Amps)
120 Volts** 50.0 NG/58.3 LP 75.0 NG/83.3 LP 108.3 NG/108.3 LP 125 NG/133.3 LP
240 Volts 25.0 NG/29.2 LP 37.5 NG/41.7 LP 54.1 NG/54.1 LP 62.5 NG/66.6 LP
Main Line Circuit Breaker 30 Amp 45 Amp 55 Amp 65 Amp
Circuits***
50A, 240V - - - 1
40A, 240V - - 1 1
30A, 240V 1 1 1 -
20A, 240V - 1 - 1
20A, 120V 1 3 3 5
15A, 120V 5 3 5 5
Phase 1 1 1 1
Number of Rotor Poles 2 2 2 2
Rated AC Frequency 60 Hz 60 Hz 60 Hz 60 Hz
Power Factor 1 1 1 1
Recommended Air Filter Part # 0C8127 Part # 0E9581 Part # 0C8127 Part # 0C8127
Battery Requirement Group 26 Group 26 Group 26 Group 26
12 Volts and 12 Volts and 12 Volts and 12 Volts and
350 Cold-cranking 525 Cold-cranking 525 Cold-cranking 525 Cold-cranking
Amperes Minimum Amperes Minimum Amperes Minimum Amperes Minimum
Battery Warming Blanket 0F6148DSRV
Weight (Unit Only) 336 Pounds 375 Pounds 425.5 Pounds 445 & 414 Pounds
Enclosure Steel/Aluminum
Normal Operating Range -20°F (-28.8°C) to 104°F (40°C)
* Maximum wattage and current are subject to and limited by such factors as fuel Btu content, ambient temperature, altitude, engine power and condition, etc. Maximum power
decreases about 3.5 percent for each 1,000 feet above sea level; and also will decrease about 1 percent for each 6° C (10° F) above 16° C (60° F) ambient temperature.
** Load current values shown for 120 volts are maximum TOTAL values for two separate circuits. The maximum current in each circuit must not exceed the value stated for 240
volts.
*** Circuits to be moved must be protected by same size breaker. For example, a 15 amp circuit in main panel must be a 15 amp circuit in transfer switch.
1.5.2 ENGINE
Model 05240 & 05280 05241 & 05281 05242 & 05282 05243 & 05244
05283 & 05284
Type of Engine GH-410 GT-530 GT-990 GT-990
Number of Cylinders 1 2 2 2
Rated Horsepower 14.5 @ 3,600 rpm 18 @ 3,600 rpm 30 @ 3,600 rpm 30 @ 3,600 rpm
Displacement 410cc 530cc 992cc 992cc
Cylinder Block Aluminum w/Cast Aluminum w/Cast Aluminum w/Cast Aluminum w/Cast
Iron Sleeve Iron Sleeve Iron Sleeve Iron Sleeve
Valve Arrangement Overhead Valves Overhead Valves Overhead Valves Overhead Valves
Ignition System Solid-state w/Magneto Solid-state w/Magneto Solid-state w/Magneto Solid-state w/Magneto
Recommended Spark Plug RC14YC BPR6HS RC14YC RC14YC
Spark Plug Gap 0.76 mm (0.030 inch) 0.76 mm (0.030 inch) 1.02 mm (0.040 inch) 1.02 mm (0.040 inch)
Compression Ratio 8.6:1 9.5:1 9.5:1 9.5:1
Starter 12 Vdc 12 Vdc 12 Vdc 12 Vdc
Oil Capacity Including Filter Approx. 1.5 Qts Approx. 1.7 Qts Approx. 1.7 Qts Approx. 1.7 Qts
Recommended Oil Filter Part # 070185F Part # 070185F Part # 070185F Part # 070185F
Recommended Air Filter Part # 0C8127 Part # 0E9581 Part # 0C8127 Part # 0C8127
Operating RPM 3,600 3,600 3,600 3,600

7
1.6 SYSTEM SET LED
The “System Set” LED is lit when all of the following
conditions are true:
1. The AUTO/OFF/MANUAL switch is set to the
AUTO position.
2. The utility voltage being supplied to the unit is
being sensed by the PCB. If the utility sense volt-
age is not connected to the unit or if it is below
approximately 150-160 volts AC, then the system
set light will flash rapidly. This indicates that if
the AUTO/OFF/ MANUAL switch is placed in the
Auto position, the generator will start.
3. No alarms are present, for example, low oil pres-
sure, high temperature, etc.
1.7 FUEL REQUIREMENTS
AND RECOMMENDATIONS
With LP gas, use only the vapor withdrawal sys-
tem. This type of system uses the vapors formed
above the liquid fuel in the storage tank.
The engine has been fitted with a fuel carburetion
system that meets the specifications of the 1997
California Air Resources Board for tamper-proof dual
fuel systems. The unit will run on natural gas or LP
gas, but it has been factory set to run on natural gas.
Should the primary fuel need to be changed to LP
gas, the fuel system needs to be reconfigured. See the
Reconfiguring the Fuel System section for instruc-
tions on reconfiguration of the fuel system.
Recommended fuels should have a Btu content of at
least 1,000 Btus per cubic foot for natural gas; or at
least 2,520 Btus per cubic foot for LP gas. Ask the
fuel supplier for the Btu content of the fuel.
Required fuel pressure for natural gas is 5 inches
to 7 inches water column (0.18 to 0.25 psi); and
for liquid propane, 10 inches to 12 inches of water
column (0.36 to 0.43 psi).
NOTE:
All pipe sizing, construction and layout must com-
ply with NFPA 54 for natural gas applications and
NFPA 58 for liquid propane applications. Once the
generator is installed, verify that the fuel pressure
NEVER drops below four (4) inches water column
for natural gas or 10 inches water column for liq-
uid propane.
Prior to installation of the generator, the installer
should consult local fuel suppliers or the fire mar-
shall to check codes and regulations for proper
installation. Local codes will mandate correct routing
of gaseous fuel line piping around gardens, shrubs
and other landscaping to prevent any damage.
Special considerations should be given when install-
ing the unit where local conditions include flooding,
tornados, hurricanes, earthquakes and unstable
ground for the flexibility and strength of piping and
their connections.
Use an approved pipe sealant or joint compound on
all threaded fitting.
All installed gaseous fuel piping must be purged and
leak tested prior to initial start-up in accordance with
local codes, standards and regulations.
1.8 FUEL CONSUMPTION
*Natural gas is in cubic feet per hour.
**LP is in gallons per hour/cubic feet per hour.
*** Values given are approximate.
1.8.1 BTU FLOW REQUIREMENTS -
NATURAL GAS
BTU flow required for each unit based on 1000 BTU
per cubic foot.
6kW — 119,000 BTU/Hour
9kW — 156,000 BTU/Hour
13kW — 220,000 BTU/Hour
15kW — 245,000 BTU/Hour
DANGER
Gaseous fuels such as natural gas and liquid
propane (LP) gas are highly explosive. Even the
slightest spark can ignite such fuels and cause
an explosion. No leakage of fuel is permitted.
Natural gas, which is lighter than air, tends to
collect in high areas. LP gas is heavier than air
and tends to settle in low areas.
NOTE:
A minimum of one approved manual shut-off valve
must be installed in the gaseous fuel supply line.
The valve must be easily accessible. Local codes
determine the proper location.
•
•
•
•
Section 1 — General Information
Air-cooled Generators
Unit Nat. Gas (*) LP Vapor (**)
1/2 Load Full Load 1/2 Load Full Load
6/7 kW 66 119 0.82/30 1.47/54
9/10 kW 102 156 1.25/46 1.93/70
13/13 kW 156 220 1.55/57 2.18/80
15/16 kW 173 245 1.59/59 2.51/92

1.9 RECONFIGURING THE
FUEL SYSTEM
1.9.1 7 KW, 410CC ENGINE
To reconfigure the fuel system from NG to LP, follow
these steps (Figure 1.4):
NOTE:
The primary regulator for the propane supply is
NOT INCLUDED with the generator. A fuel pres-
sure of 10 to 12 inches of water column (0.36 to
0.43 psi) to the fuel inlet of the generator MUST
BE SUPPLIED.
1. Turn off the main gas supply (if connected).
2. Open the roof and remove the door.
3. Remove the battery (if installed).
4. Disconnect wire #0 and wire #14 from the gas
solenoid on top of the demand regulator.
5. Remove the carburetor fuel hose from the outlet
port of the demand regulator.
6. Remove the demand regulator by removing the
fastener that retains the regulator mounting
bracket.
7. Remove the square headed steel pipe plug from
outlet port #1 and the brass hose barb fitting
from outlet port #2.
8. Refit the brass hose barb fitting to outlet port #1
and the square headed steel pipe plug to outlet
port #2.
Figure 1.4 – Demand Regulator
NG FUEL SYSTEM LP FUEL SYSTEM
FUEL HOSE
BRASS HOSE
FITTING
BRASS HOSE
FITTING
FUEL JET
OUTLET
PORT
FUEL HOSE
ADJUSTMENT
SCREW
HOSE & PLUG
SWITCHED SIDES
PIPE
PLUG
STATIC
PRESSURE
TAP
RUNNING
PRESSURE
TAP
NOTE:
Use an approved pipe sealant or joint compound
on all threaded fittings to reduce the possibility
of leakage.
9. Reverse procedure steps 1-6 to reinstall demand
regulator.
10. Take the plastic plug supplied in the poly-bag
with the generator and press it into the 3/4” hole
on the bottom of the air cleaner base (Figure
4.6).
11. Reverse the procedure to convert back to natural
gas.
12. Check for gas leakage at the pipe plug, hose con-
nection and fittings.
1.9.2 10, 13 AND 16KW, V-TWIN ENGINES
To reconfigure the fuel system from NG to LP, follow
these steps:
NOTE:
The primary regulator for the propane supply is
NOT INCLUDED with the generator. A fuel pres-
sure of 10 to 12 inches of water column (0.36 to
0.43 psi) to the fuel inlet of the generator MUST
BE SUPPLIED.
1. Open the roof.
2. For 10kW units: Loosen clamp and slide back
the air inlet hose.
• Slide fuel selector on carburetor out towards the
back of the enclosure (Figures 1.5 and 1.6).
• Return the inlet hose and tighten clamp secure-
ly.
For 13 and 16kW units: remove the air cleaner
cover.
• Slide the selector lever out towards the back of
the enclosure (Figures 1.7 and 1.8).
• Return the air cleaner cover and tighten the two
thumb screws.
3. Close the roof.
4. Reverse the procedure to convert back to natural
gas.
Section 1 — General Information
Air-cooled Generators
8

9
Figure 1.5 - 10kW, GT-530 (Inlet Hose Slid Back)
Figure 1.6 - 10kW, GT-530 (Inlet Hose Slid Back)
Figure 1.7 - 13/16kW, GT-990 (Airbox Cover
Removed)
Figure 1.8 - 13/16kW, GT-990 (Airbox Cover
Removed)
1.10 LOCATION
1.10.1 GENERATOR
Install the generator set, in its protective enclosure,
outdoors, where adequate cooling and ventilating air
is always available (Figure 1.9). Consider these fac-
tors:
The installation of the generator must comply
strictly with NFPA 37, NFPA 54, NFPA 58, and
NFPA 70 standards.
Install the unit where air inlet and outlet open-
ings will not become obstructed by leaves, grass,
snow, etc.. If prevailing winds will cause blowing
or drifting, consider using a windbreak to protect
the unit.
Install the generator on high ground where water
levels will not rise and endanger it.
Allow sufficient room on all sides of the generator
for maintenance and servicing. This unit must be
installed in accordance with current applicable
NFPA 37 and NFPA 70 standards; as well as any
other federal, state and local codes for minimum
distances from other structures. DO NOT install
under wooden decks or structures.
Install the unit where rain gutter down spouts,
roof fun-off, landscape irrigation, water sprinklers
or sump pump discharge does not flood the unit
or spray the enclosure, including any air inlet or
outlet openings.
Install the unit where services will not be affected
or obstructed, including concealed, underground
or covered services such as electrical, fuel, phone,
air conditioning or irrigation.
Where strong prevailing winds blow from one
direction, face the generator air inlet openings to
the prevailing winds.
•
•
•
•
•
•
•
Section 1 — General Information
Air-cooled Generators
Fuel Selection
Lever - "In"
Position for
Natural Gas
Fuel
Fuel Selection
Lever - "Out"
Position for
Liquid Propane
(Vapor) Fuel
Fuel Selection Lever - "In" Position for Natural Gas Fuel
Fuel Selection Lever - "Out" Position for Liquid Propane
(Vapor) Fuel

10
Install the generator as close as possible to the fuel
supply, to reduce the length of piping.
Install the generator as close as possible to the
transfer switch. REMEMBER THAT LAWS OR
CODES MAY REGULATE THE DISTANCE AND
LOCATION.
The genset must be installed on a level surface.
The base frame must be level within two (2) inches
all around.
The generator is typically placed on pea gravel or
crushed stone. Check local codes if a concrete slab
is required. If a concrete base slab is required, all
federal, state and local codes should be followed.
Special attention should be given to the concrete
base slab which should exceed the length and
width of the generator by a minimum of six (6)
inches (0.152 meters) on all sides.
Figure 1.9 – Generator Clearances
The engine exhaust fumes contain carbon mon-
oxide, which can be DEADLY. This dangerous
gas, if breathed in sufficient concentrations,
can cause unconsciousness or even death. This
exhaust system must be installed properly, in
strict compliance with applicable codes and stan-
dards. Following installation, do nothing that
might render the system unsafe or in noncompli-
ance with such codes and standards.
• Operate the generator outdoors ONLY.
• Keep exhaust gases from entering a confined area
through windows, doors, ventilation or other
openings (Figure 1.9).
1.10.2 TRANSFER SWITCH
1.10.2.1 7, 10, 13, and 16 kW Units (if equipped)
The transfer switch shipped with this generator is
enclosed in a NEMA 1 enclosure. This type of enclo-
sure is intended for indoor use only. Follow these
rules:
•
•
•
•
Install the transfer switch indoors on a firm, sturdy
supporting structure.
To prevent switch distortion, level the switch if
necessary. This can be done by placing washers
between the switch enclosure and mounting sur-
face.
Never install the switch where water or any corro-
sive substance might drip onto the enclosure.
Protect the switch at all times against excessive
moisture, dust, dirt, lint, construction grit and
corrosive vapors.
If the AUTO/OFF/MANUAL switch is not set to its
OFF position, the generator can crank and start
as soon as the battery cables are connected. If
the utility power supply is not turned off, spark-
ing can occur at the battery posts and cause an
explosion.
1.11 BATTERY REQUIREMENTS
See the Specifications section for correct battery size
and rating.
1.12 BATTERY INSTALLATION
Fill the battery with the proper electrolyte fluid if
necessary and have the battery fully charged before
installing it.
Before installing and connecting the battery, complete
the following steps:
1. Set the generator's AUTO/OFF/MANUAL switch to
OFF.
2. Turn off utility power supply to the transfer
switch.
3. Remove the 15A fuse from the generator control
panel.
Battery cables were factory connected at the genera-
tor (Figure 1.10). Connect cables to battery posts as
follows:
4. Connect the red battery cable (from starter con-
tactor) to the battery post indicated by a positive,
POS or (+).
5. Connect the black battery cable (from frame
ground) to the battery post indicated by a nega-
tive, NEG or (—).
NOTE:
Dielectric grease should be used on battery posts
to aid in the prevention of corrosion.
NOTE:
Damage will result if battery connections are made
in reverse.
•
•
•
•
Section 1 — General Information
Air-cooled Generators

11
Figure 1.10 – Battery Cable Connections
NOTE:
In areas where temperatures regularly fall below
10° F (-12° C) it is recommended that a pad type
battery heater be installed to aid in cold climate
starting (see Specifications).
NOTE:
The generator is equipped with a battery trickle
charger that is active when the unit is set up for
automatic operation. With the battery installed
and utility power source voltage available to the
transfer switch, the battery receives a trickle
charge while the engine is not running, to prevent
self-discharge. The trickle charger is designed to
help extend the life of the battery by maintain-
ing the battery when the unit is not running. The
trickle charge feature cannot be used to recharge
a discharged battery.
1.13 THE BATTERY
DANGER
Do not dispose of the battery in a fire. The
battery is capable of exploding.
A battery presents a risk of electrical shock
and high short circuit current. The following pre-
cautions are to be observed when working on
batteries:
• Remove the 15A fuse from the generator control
panel.
• Remove watches, rings or other metal objects;
• Use tools with insulated handles;
• Wear rubber gloves and boots;
• Do not lay tools or metal parts on top of the
battery; and
• Disconnect charging source prior to connecting or
disconnecting battery terminals.
Do not open or mutilate the battery. Released
electrolyte has been known to be harmful to the
skin and eyes, and to be toxic.
The electrolyte is a dilute sulfuric acid that is
harmful to the skin and eyes. It is electrically
conductive and corrosive.
The following procedures are to be observed:
• Wear full eye protection and protective clothing;
• Where electrolyte contacts the skin, wash it off
immediately with water;
• Where electrolyte contacts the eyes, flush thor-
oughly and immediately with water and seek
medical attention; and
• Spilled electrolyte is to be washed down with an
acid neutralizing agent. A common practice is to
use a solution of 1 pound (500 grams) bicarbonate
of soda to 1 gallon (4 liters) of water. The bicar-
bonate of soda solution is to be added until the
evidence of reaction (foaming) has ceased. The
resulting liquid is to be flushed with water and the
area dried.
Lead-acid batteries present a risk of fire because
they generate hydrogen gas. The following
procedures are to be followed:
• DO NOT SMOKE when near the battery;
• DO NOT cause flame or spark in battery area; and
• Discharge static electricity from body before touch-
ing the battery by first touching a grounded metal
surface.
Be sure the AUTO/OFF/MANUAL switch is set to
the OFF position before connecting the battery
cables. If the switch is set to AUTO or MANUAL,
the generator can crank and start as soon as the
battery cables are connected.
Be sure the utility power supply is turned off
and the 15A fuse is removed from the generator
control panel, or sparking may occur at the bat-
tery posts as the cables are attached and cause
an explosion.
Servicing of the battery is to be performed or super-
vised by personnel knowledgeable of batteries and
the required precautions. Keep unauthorized person-
nel away from batteries.
See the Specifications section for the correct size
and rating when replacing the battery. When using a
maintenance-free battery, it is not necessary to check
the specific gravity or electrolyte level. Have these
procedures performed at the intervals specified in
the “Service Schedule.” A negative ground system is
used. Battery connections are shown on the wiring
diagrams. Make sure the battery is correctly connect-
ed and terminals are tight. Observe battery polarity
when connecting the battery to the generator set.
Section 1 — General Information
Air-cooled Generators

12
2.1 BEFORE INITIAL START-UP
NOTE:
These units have been run and tested at the fac-
tory prior to being shipped and do not require any
type of break-in.
Before starting, complete the following:
1. Set the generator’s main circuit breaker to its
OFF (or OPEN) position.
2. Set the generator's AUTO/OFF/MANUAL switch to
the OFF position.
3. Turn OFF all breakers on the load center of the
transfer box (T1 and T2).
4. Turn OFF all loads connected to the transfer
switch terminals T1 and T2.
5. Check the engine crankcase oil level and, if neces-
sary, fill to the dipstick FULL mark with the rec-
ommended oil. Do not fill above the FULL mark.
6. Check the fuel supply. Gaseous fuel lines must
have been properly purged and leak tested in
accordance with applicable fuel-gas codes. All
fuel shutoff valves in the fuel supply lines must
be open.
During initial start up, after installation, it is normal
for the generator to exceed the normal number of
start attempts and experience an “over crank” fault.
This is due to accumulated air in the fuel system dur-
ing shipment.
To reduce or eliminate this problem on initial start
up, remove the air filter cover and partially cover the
fuel mixer inlet while the engine is cranking (Figures
2.1 and 2.2). This will cause an abnormal vacuum
in the system and purge the air from the system.
Once fuel reaches the engine, it will begin to run.
Remove the blockage from the mixer inlet as soon
as the engine begins to fire. The unit should then be
run several minutes to insure that all air is removed
from the fuel system. Once the engine is running, this
procedure is not required as long as the fuel supply
to the generator is not interrupted. This procedure
will only be required if the generator becomes discon-
nected from the fuel system for whatever reason.
NOTE:
This procedure applies to 13kW and 16kW units
only and should be performed by trained person-
nel.
Never operate the engine with the oil level
below the “Add” mark on the dipstick. Doing
this could damage the engine.
Figure 2.1 – Remove Air Filter Cover
Figure 2.2 – Restrict Air Flow During
Inital Start Up
2.2 CHECK TRANSFER SWITCH
OPERATION
Refer to the "Manual Transfer Operation" section, of
the owner’s manual for procedures.
DANGER
Do not attempt manual transfer switch opera-
tion until all power voltage supplies to the
transfer switch have been positively turned off.
Failure to turn off all power voltage supplies
will result in extremely hazardous and possibly
fatal electrical shock.
Section 2 — Post Installation Start-up and Adjustments
Air-cooled Generators

13
Section 2 — Post Installation Start-up and Adjustments
Air-cooled Generators
2.3 ELECTRICAL CHECKS
Complete electrical checks as follows:
1. Set the generator's main circuit breaker to its
OFF (or OPEN) position.
2. Set the generator's AUTO/OFF/MANUAL switch to
the OFF position.
3. Turn OFF all breakers on the load center of the
transfer box (T1 and T2).
4. Turn on the utility power supply to the transfer
switch using the means provided (such as a utility
main line circuit breaker).
DANGER
The transfer switch is now electrically “hot.”
Contact with “hot” parts will result in extremely
hazardous and possibly fatal electrical shock.
Proceed with caution.
5. Use an accurate AC voltmeter to check utility
power source voltage across transfer switch ter-
minals N1 and N2. Nominal line-to-line voltage
should be 240 volts AC.
6. Check utility power source voltage across termi-
nals N1 and the transfer switch neutral lug; then
across terminal N2 and neutral. Nominal line-to-
neutral voltage should be 120 volts AC.
7. When certain that utility supply voltage is compat-
ible with transfer switch and load circuit ratings,
turn OFF the utility power supply to the transfer
switch.
8. On the generator panel, set the AUTO/OFF/
MANUAL switch to MANUAL. The engine should
crank and start.
9. Let the engine warm up for about five minutes to
allow internal temperatures to stabilize. Then, set
the generator’s main circuit breaker to its ON (or
CLOSED) position.
DANGER
Proceed with caution! Generator power voltage
is now supplied to the transfer switch. Contact
with live transfer switch parts will result in dan-
gerous and possibly fatal electrical shock.
10. Connect an accurate AC voltmeter and a frequen-
cy meter across transfer switch terminal lugs E1
and E2. 7kW voltage should be 242-252 volts at
a frequency of 61-63 Hertz. 10, 13, and 16kW
voltage should be 247-249 volts at a frequency of
57.5-59.5 Hertz.
11. Connect the AC voltmeter test leads across ter-
minal lugs E1 and neutral; then across E2 and
neutral. In both cases, voltage reading should be
121-126 volts AC (7kW), and 125-126 volts AC
(10, 13 and 16kW).
12. Set the generator’s main circuit breaker to its
OFF (or OPEN) position. Let the engine run at no-
load for a few minutes to stabilize internal engine
generator temperatures.
13. Set the generator's AUTO/OFF/MANUAL switch to
OFF. The engine should shut down.
NOTE:
It is important not to proceed until certain that
generator AC voltage and frequency are correct
and within the stated limits. Generally, if both AC
frequency and voltage are high or low, the engine
governor requires adjustment* (*GH410 only). If
frequency is correct, but voltage is high or low, the
generator’s voltage regulator requires adjustment.
2.4 GENERATOR TESTS UNDER LOAD
To test the generator set with electrical loads applied,
proceed as follows:
1. Set generator’s main circuit breaker to its OFF
(or OPEN) position.
2. Turn OFF all breakers on the load center of the
transfer box (T1 and T2).
3. Set the generator's AUTO/OFF/MANUAL switch to
OFF.
4. Turn OFF the utility power supply to the transfer
switch, using the means provided (such as a util-
ity main line circuit breaker).
Do not attempt manual transfer switch opera-
tion until all power voltage supplies to the
transfer switch have been positively turned off.
Failure to turn off all power voltage supplies
will result in extremely hazardous and possibly
fatal electrical shock.
5. Manually set the transfer switch to the STANDBY
position, i.e., load terminals connected to the
generator's E1/E2 terminals. The transfer switch
operating lever should be down.
6. Set the generator's AUTO/OFF/MANUAL switch
to MANUAL. The engine should crank and start
immediately.
7. Let the engine stabilize and warm up for a few
minutes.
8. Set the generator’s main circuit breaker to its ON
(or closed) position. Loads are now powered by
the standby generator.
9. Turn ON the load center of the transfer switch
(T1 and T2).
10. Connect an accurate AC voltmeter and a frequen-
cy meter across terminal lugs E1 and E2.
• 7kW voltage should be greater than 230 volts and
frequency should be greater than 58 Hz.

14
• 10, 13 & 16kW voltage should be greater than
240 volts and frequency should be greater than
60 Hz.
11. Let the generator run at full rated load for 20-30
minutes. Listen for unusual noises, vibration or
other indications of abnormal operation. Check
for oil leaks, evidence of overheating, etc.
12. When testing under load is complete, turn OFF
electrical loads.
13. Set the generator's main circuit breaker to its
OFF (or OPEN) position.
14. Let the engine run at no-load for a few minutes.
15. Set the AUTO/OFF/MANUAL switch to OFF. The
engine should shut down.
2.5 CHECKING AUTOMATIC
OPERATION
To check the system for proper automatic operation,
proceed as follows:
1. Set generator’s main circuit breaker to its OFF
(or OPEN) position.
2. Check that the AUTO/OFF/MANUAL switch is set
to OFF.
3. Turn OFF the utility power supply to the transfer
switch, using means provided (such as a utility
main line circuit breaker).
4. Manually set the transfer switch to the UTILITY
position, i.e., load terminals connected to the util-
ity power source side.
5. Turn ON the utility power supply to the transfer
switch, using the means provided (such as a util-
ity main line circuit breaker).
6. Set the generator's main circuit breaker to its ON
(or CLOSED)) position.
7. Set the AUTO/OFF/MANUAL switch to AUTO. The
system is now ready for automatic operation.
8. Turn OFF the utility power supply to the transfer
switch.
With the AUTO/OFF/MANUAL switch at AUTO, the
engine should crank and start when the utility source
power is turned OFF after a 10 second delay. After
starting, the transfer switch should connect load cir-
cuits to the standby side after a 15 second delay. Let
the system go through its entire automatic sequence
of operation.
With the generator running and loads powered by
generator AC output, turn ON the utility power supply
to the transfer switch. The following should occur:
After about 15 seconds, the switch should transfer
loads back to the utility power source.
About one minute after retransfer, the engine
should shut down.
•
•
2.6 ADJUSTING THE FUEL REGULATOR
- 7KW (NATURAL GAS ONLY)
NOTE:
All V-twin engine units DO NOT require a fuel reg-
ulator adjustment due to the fuel system design.
Although the generator has been factory set to pro-
vide maximum power, it may be necessary in some
areas to adjust this setting. If experiencing engine
problems at high or full load conditions, follow these
steps. It will require a frequency meter to perform
this procedure.
1. Turn off utility power to the main distribution
panel in the house. This can be done by switching
the service main breaker to the off or open posi-
tion.
2. Allow the generator to start. Before loading the
generator, confirm that the No Load Frequency,
with the roof open and door off, is set to 63-63.5
Hz. Transfer load to emergency circuits.
3. Turn on appliances, lights, pumps, etc., that are
on the emergency circuits in an attempt to fully
load the generator. Be cautious not to overload
the generator. Use the following chart as a guide:
4. When 3/4 load has been achieved. Connect a fre-
quency meter to the output lugs of the generator’s
main line circuit breaker.
5. The fuel regulator is fitted with one adjustment
screw. While watching the frequency meter, slowly
turn the adjustment screw clockwise or counter-
clockwise until the highest frequency is read on
the meter. Only limited adjustment is available
because of the set pin. Under no circumstances
should any of the pins be removed (Figure 2.3).
Figure 2.3 — 7kW Fuel Regulator
410cc Engine
Adjustment
Screw
(One Side
Only)
Set
Pin
ngine
Unit 120 Volts 240 Volts
7 kW 50.0 amps 25.0 amps
Section 2 — Post Installation Start-up and Adjustments
Air-cooled Generators

15
6. When the highest frequency is reached maximum
power has been set. From this point turn the
adjustment screw 1/4 turn counterclockwise. The
regulator is now set.
7. Turn utility power to the main distribution panel
back on. This can be done by switching the ser-
vice main breaker to the on or closed position.
Allow the generator to shut down.
Do not make any unnecessary adjustments.
Factory settings are correct for most applica-
tions. However, when making adjustments, be
careful to avoid overspeeding the engine.
If this procedure or the test equipment is not avail-
able, locate the nearest Dealer and they can perform
the adjustments.
NOTE:
A service fee may be charged for this adjustment.
2.7 ENGINE GOVERNOR ADJUSTMENT
If both AC frequency and voltage are correspondingly
high or low, adjust the engine governor as follows:
2.7.1 7 KW UNITS
The engine must be OFF to perform steps 1 and
2.
1. Loosen the governor clamp bolt (Figure 2.4).
Figure 2.4 — Engine Governor Adjustment
Single Cylinder Engines
GOVERNOR
SHAFT
PRIMARY
ADJUST
SCREW
GOVERNOR
CLAMP
BOLT
SECONDARY
ADJUST SCREW
2. Hold the governor lever at its wide open throttle
position (clockwise), and rotate the governor
shaft clockwise as far as it will go. Then, tighten
the governor lever clamp bolt to 70 inch-pounds
(8 N-m).
3. Start the generator; let it stabilize and warm up
at no-load.
4. Connect a frequency meter across the generators
AC output leads.
5. Turn the primary adjust screw to obtain a fre-
quency reading of 61.5 Hertz. Turn the secondary
adjust screw to obtain a frequency of 62.5 Hz.
6. When frequency is correct at no load, check the
AC voltage reading. If voltage is incorrect, the volt-
age regulator may require adjustment (See the
Voltage Regulator Adjustment section).
2.7.2 13 KW AND 16 KW UNITS
NOTE:
All V-twin units DO NOT require an engine gover-
nor adjustment due to their design.
2.7.3 ADDITIONAL CORROSION
PROTECTION
Periodically spray all engine linkage parts and brack-
ets with corrosion inhibiting spray such as WD-40 or
a comparable product.
2.8 VOLTAGE REGULATOR
ADJUSTMENT
2.8.1 7KW UNITS
With the frequency between 62-63 Hertz at no-load,
slowly turn the slotted potentiometer (Figure 2.5)
until line voltage reads 248-252 volts.
2.8.2 10, 13, AND 16KW UNITS
With the frequency between 58-59 Hertz at no-load,
slowly turn the slotted potentiometer (Figure 2.3)
until line voltage reads 247-249 volts.
NOTE:
The access panel on top of the control panel must
be removed to adjust the voltage regulator.
NOTE:
The voltage regulator is housed above the gen-
erator's control panel. The regulator maintains a
voltage in direct proportion to frequency at a 2-to-
1 ratio. For example, at 62 Hertz, line-to-neutral
voltage will be 124 volts.
Section 2 — Post Installation Start-up and Adjustments
Air-cooled Generators

16
Figure 2.5 – Voltage Adjustment Potentiometer
Tur n t o
adjust voltage.
3.1 USING THE AUTO/OFF/MANUAL
SWITCH (FIGURE 3.1)
3.1.1 “AUTO” POSITION
Selecting this switch position activates fully automatic
system operation. It also allows the unit to automati-
cally start and exercise the engine every seven days
with the setting of the exercise timer (see the Setting
the Exercise Timer section).
3.1.2 “OFF” POSITION
This switch position shuts down the engine. This
position also prevents automatic operation.
Figure 3.1 – Generator Control Panel
OFF
EXERCISE
SYSTEM FUSE
15A
ASSY: 0F8418/0F8419
SET
TIME
AUTO. MAN.
NO UTILITY SENSE
5 FLASHING RED LEDS=
EXERCISER NOT SET
FLASHING GREEN LED=
SYSTEM SET
NO RPM SENSE IF FLASHING
OVER SPEED
CONTROL AND INFORMATION CENTER
LOW BATTERY
LOW OIL
HIGH TEMP
OVER CRANK
3.1.3 “MANUAL” POSITION
Set the switch to MANUAL to crank and start the
engine. Transfer to standby power will not occur
unless there is a utility failure.
With the switch set to AUTO, the engine may
crank and start at any time without warning.
Such automatic starting normally occurs when
utility power source voltage drops below a pre-
set level or during the normal exercise cycle. To
prevent possible injury that might be caused
by such sudden starts, always set the switch to
OFF and remove the fuses before working on or
around the generator or transfer switch. Then,
place a “DO NOT OPERATE” tag on the genera-
tor panel and on the transfer switch.
3.1.4 CHOKE OPERATION
1. 990 engines have an electric choke in the air box
that is automatically controlled by the electronic
control board.
2. 530 engines have an electric choke on the divider
panel air inlet hose that is automatically con-
trolled by the electronic control board.
3. 410 engines do not have a choke.
3.2 AUTOMATIC TRANSFER
OPERATION
To select automatic operation, do the following:
1. Make sure the transfer switch main contacts are
set to their UTILITY position, i.e., loads con-
nected to the utility power source (Figure 3.2).
2. Be sure that normal UTILITY power source volt-
age is available to transfer switch terminal lugs
N1 and N2 (Refer to the Electrical Data section).
3. Set the generator’s AUTO/OFF/MANUAL switch to
AUTO.
4. Set the generator’s main circuit breaker to its ON
(or CLOSED) position.
With the preceding steps complete, the generator will
start automatically when utility source voltage drops
below a preset level. After the unit starts, loads are
transferred to the standby power source. Refer to the
Sequence of Automatic Operation section.
Section 3 — Operation
Air-cooled Generators

17
Section 3 — Operation
Air-cooled Generators
3.3 SEQUENCE OF AUTOMATIC
OPERATION
The generator’s control panel houses a control logic
circuit board. This board constantly monitors util-
ity power source voltage. Should that voltage drop
below a preset level, circuit board action will signal
the engine to crank and start. After the engine starts,
the circuit board signals the transfer switch to acti-
vate and connect load circuits to the standby power
supply (load terminal lugs T1/T2 connect to terminal
lugs E1/E2). Refer to the Electrical Data section.
The generator must run at 50 Hz or greater for the
transfer output to be activated. Once activated, it will
remain active even if the frequency dips below 50
Hz.
Upon restoration of utility source voltage above a
preset level, generator circuit board action signals the
transfer switch to transfer loads back to that power
supply. After retransfer, the engine is signalled to shut
down.
The actual sequence of operation is controlled by
sensors and timers on a control logic circuit board,
as follows:
A. Utility Voltage Dropout Sensor
• This sensor monitors utility source voltage.
• If utility source voltage drops below about 65
percent of the nominal supply voltage, the sensor
energizes a 10 second timer.
• Once the timer has expired, the engine will crank
and start if utility is still low.
B. Engine Warm-up Time Delay
• This mechanism lets the engine warm up for
about five (5) seconds before the load is trans-
ferred to the standby source.
C. Standby Voltage Sensor
• This sensor monitors generator AC output volt-
age. When the voltage has reached 50 percent of
the nominal rated voltage, transfer to standby
can occur.
D. Utility Voltage Pickup Sensor
• This sensor monitors utility power supply volt-
age. When that voltage is restored above 75 per-
cent of the nominal source voltage, a retransfer
time delay starts timing.
E. Retransfer Time Delay
• This timer runs for about 15 seconds.
• At end of a 15-second delay, circuit board action
de-energizes transfer relay in the transfer switch
if utility is still present.
• Retransfer to utility power source then occurs.
F. Engine Cool-down Timer
• When the load is transferred back to utility power
source, the engine cool-down timer starts tim-
ing.
• The timer will run for about one minute, and the
generator will then shut down.
3.4 MANUAL TRANSFER OPERATION
3.4.1 TRANSFER TO GENERATOR
POWER SOURCE
To start the generator and activate the transfer switch
manually, proceed as follows:
1. Set the generator’s AUTO/OFF/MANUAL switch to
OFF.
2. Set the generator’s main circuit breaker to its
OFF (or OPEN) position.
3. Turn OFF the utility power supply to the transfer
switch using the means provided (such as a utility
main line circuit breaker).
DANGER
Do not attempt to activate the transfer switch
manually until all power voltage supplies to the
switch have been positively turned off. Failure
to turn off all power voltage supplies may result
in extremely hazardous and possibly fatal elec-
trical shock.
4. Use the manual transfer handle inside the trans-
fer switch to move the main contacts to their
STANDBY position, i.e., loads connected to the
standby power source (Figure 3.2).
5. To crank and start the engine, set the AUTO/OFF/
MANUAL switch to MANUAL.
6. Let the engine stabilize and warm up for a few
minutes.
7. Set the generator’s main circuit breaker to its ON
(or CLOSED) position. The standby power source
now powers the loads.
Figure 3.2 – Manual Transfer Switch Operation

18
3.4.2 TRANSFER BACK TO UTILITY POWER
SOURCE
When utility power has been restored, transfer back
to that source and shut down the generator. This can
be accomplished as follows:
1. Set the generator’s main circuit breaker to its
OFF (or OPEN) position.
2. Let the engine run for a minute or two at no-load
to stabilize the internal temperatures.
3. Set the generator’s AUTO/OFF/MANUAL switch to
its OFF (or OPEN) position. The engine should
shut down.
4. Check that utility power supply to the transfer
switch is turned OFF.
DANGER
Do not attempt to activate the transfer switch
manually until all power voltage supplies
to the switch have been positively turned off.
Failure to turn off all power voltage supplies
may result in extremely hazardous and possibly
fatal electrical shock.
5. Use the manual transfer handle inside the trans-
fer switch to move the main contacts back to their
UTILITY position, i.e., loads connected to the util-
ity power source (Figure 3.2).
6. Turn ON the utility power supply to the transfer
switch using the means provided.
7. Set the system to automatic operation as outlined
in Automatic Transfer Operation section.
3.5 SETTING THE EXERCISE TIMER
This generator is equipped with an exercise timer.
Once it is set, the generator will start and exercise
once every seven days, on the day of the week and at
the time of day the following sequence is completed.
During this exercise period, the unit runs for approx-
imately 12 minutes and then shuts down. Transfer of
loads to the generator output does not occur during
the exercise cycle unless utility power is lost.
A switch on the control panel (see Figure 3.1) per-
mits selection of the day and time for the system to
exercise. At the chosen time, perform the following
sequence to select the desired day and time of day
the system will exercise. Remember seasonal time
changes affect the exercise time settings.
1. Verify that the AUTO/OFF/MANUAL switch is set
to AUTO.
2. Press and hold the "Set Exercise Time" switch for
several seconds, then release. All the red LED's
will flash for approximately 10 seconds and then
stop.
3. Once the red LED's stop flashing, the generator
will start and run for approximately 12 minutes
and then shut down. The exerciser is now set to
run at this time of day each week.
Example: If the "Set Exercise Time" switch is
pressed on Saturday afternoon at 2:00 p.m., the
generator will start and exercise for approximate-
ly 12 minutes every Saturday at 2:00 p.m..
NOTE:
The exerciser will only work in the AUTO mode
and will not work unless this procedure is per-
formed. The exerciser will need to be reset every
time the 12-volt battery is disconnected and then
reconnected, and when the 15A fuse is removed.
The 16kW unit has a low speed exercise option. Dip
switch 1 on the control board is factory set to OFF.
This allows the engine to run at a slower speed dur-
ing weekly exercise periods for quieter operation. If
this Dip switch is set to ON, the generator will exer-
cise at it's normal speed.
This DIP switch position is only read at board power
up. If the DIP switch position is changed, power to
the board must be cycled for the micro controller to
recognize the new DIP switch position.
Low speed exercise will be handled as follows:
1. The standard start sequence will be initiated.
2. The unit will run at 2,400 RPM.
3. If utility is lost during exercise, the controller will
do the following:
• Wait 10 seconds for utility to return.
• If utility returns within 10 seconds, continue to
exercise at 2,400 RPM.
• If utility is still lost after 10 seconds, run the
engine up to 3600 RPM and transfer the load.
At this time the controller will exit the exercise
routine and assume full automatic operation.
3.6 PROTECTION SYSTEMS
3.6.1 LOW OIL PRESSURE SWITCH
This switch (Figure 3.3) has normally closed con-
tacts that are held open by engine oil pressure dur-
ing cranking and operating. Should oil pressure
drop below the 8 psi range, switch contacts close,
and the engine shuts down. The unit should not be
restarted until oil is added. The AUTO/OFF/MANUAL
switch must then be turned to OFF and then back to
AUTO.
Section 3 — Operation
Air-cooled Generators

19
3.6.2 HIGH TEMPERATURE SWITCH
This switch’s contacts (Figure 3.3) close if the tem-
perature should exceed approximately 144º C (293º
F), initiating an engine shutdown. The generator will
automatically restart and the LED on the generator
control panel will reset once the temperature has
returned to a safe operating level.
Figure 3.3 – Low Oil Pressure and
High Temperature Switches

20
4.1 FUSES
The 15-amp fuse on the generator panel protects the
DC control circuit against overload (Figure 4.1). This
fuse is wired in series with the battery output lead
to the panel. If this fuse element has melted open,
the engine will not be able to crank or start. Replace
this fuse using only an identical 15-amp replacement
fuse. To replace the fuse, push the fuse holder cap
down and rotate it counterclockwise. Whenever the
fuse is removed or replaced, the exercise timer needs
to be reset.
Figure 4.1 – Generator Control Panel
OFF
EXERCISE
SYSTEM FUSE
15A
ASSY: 0F8418/0F8419
SET
TIME
AUTO. MAN.
NO UTILITY SENSE
5 FLASHING RED LEDS=
EXERCISER NOT SET
FLASHING GREEN LED=
SYSTEM SET
NO RPM SENSE IF FLASHING
OVER SPEED
CONTROL AND INFORMATION CENTER
LOW BATTERY
LOW OIL
HIGH TEMP
OVER CRANK
4.2 CHECKING THE ENGINE
OIL LEVEL
For oil capacities, see the Specifications section.
For engine oil recommendations, see the Engine Oil
Recommendations section. To check the engine oil
level, proceed as follows (Figures 4.2, 4.3 and 4.4):
1. Move the AUTO/OFF/ MANUAL switch to the OFF
position.
2. Remove the dipstick and wipe it dry with a clean
cloth.
3. Completely insert the dipstick; then, remove it
again. The oil level should be at the dipstick “Full”
mark. If necessary, add oil to the “Full” mark
only. DO NOT FILL ABOVE THE “FULL” MARK.
Never operate the engine with the oil level
below the “Add” mark on the dipstick. Doing
this could damage the engine.
4. Install the dipstick.
5. Reset the AUTO/OFF/MANUAL switch to its origi-
nal position.
Figure 4.2 — Oil Dipstick and Fill, 7kW
Oil Dipstick and Fill
Figure 4.3 — Oil Dipstick and Fill, 10kW

21
4.3 CHANGING THE ENGINE OIL
4.3.1 OIL CHANGE INTERVALS
See the "Service Schedule" section.
4.3.2 ENGINE OIL RECOMMENDATIONS
All oil should meet minimum American Petroleum
Institute (API) Service Class SJ, SL or better. Use
no special additives. Select the oil's viscosity grade
according to the expected operating temperature.
Any attempt to crank or start the engine before
it has been properly serviced with the recom-
mended oil may result in an engine failure.
10W-30
10W-30
SAE 30
SAE 30
Synthetic 5W-30
Synthetic 5W-30
4.3.3 OIL & OIL FILTER CHANGE PROCEDURE
To change the oil, proceed as follows:
1. Start the engine by moving the AUTO/OFF/
MANUAL switch to MANUAL and run until it
is thoroughly warmed up. Then shut OFF the
engine by moving the switch to the OFF position.
2. Immediately after the engine shuts OFF, pull the
oil drain hose (Figure 4.5) free of its retaining
clip. Remove the cap from the hose and drain the
oil into a suitable container.
3. After the oil has drained, replace the cap onto the
end of the oil drain hose. Retain the hose in the
clip.
Change the engine oil filter as follows:
1. With the oil drained, remove the old oil filter by
turning it counterclockwise.
2. Apply a light coating of clean engine oil to the gas-
ket of the new filter. See the Specifications section
for recommended filter.
3. Screw the new filter on by hand until its gasket
lightly contacts the oil filter adapter. Then, tighten
the filter an additional 3/4 to one turn (Figure
4.4).
Figure 4.5 – Oil Drain Hose and Filter
Oil Filter
Oil
Drain
Hose
Low Oil Switch High Temp Switch
L
o
o
s
e
n
4. Refill with the proper recommended oil (see the
Engine Oil Recommendations section). See the
Specifications section for oil capacities.
5. Start the engine, run for one (1) minute, and
check for leaks.
6. Shutdown and recheck oil level, add as needed.
DO NOT OVER FILL.
7. Reset the AUTO/OFF/MANUAL switch to the
AUTO position.
4.4 CHANGING THE ENGINE
AIR CLEANER
4.4.1 7, 13, AND 16KW GENERATORS
See Figures 1.1 and 1.2, for the location of the air
cleaner. Use the following procedures (Figure 4.6,
7kW; Figure 4.8, 13/16kW):
1. Lift the roof and remove the door.
2. Turn the two screws counterclockwise to loosen.
3. Remove the cover and air filter.
4. Wipe away dust or debris from inside of the air
box and around edges.
5. Install the new air cleaner into the air box.
6. Install the cover. Turn the two cover screws clock-
wise to tighten.
See the Service Schedule section for air cleaner main-
tenance. See the Specifications section for air filter
replacement part number.
Section 4 — Maintenance
Air-cooled Generators

22
Figure 4.6 — 7 kW, Engine Air Cleaner Location

4.6 BATTERY MAINTENANCE
The battery should be inspected per the "Service
Schedule" section. The following procedure should be
followed for inspection:
1. Inspect the battery posts and cables for tightness
and corrosion. Tighten and clean as necessary.
2. Check the battery fluid level of unsealed batteries
and, if necessary, fill with Distilled Water Only. Do
not use tap water in batteries.
3. Have the state of charge and condition checked.
This should be done with an automotive-type bat-
tery hydrometer.
DANGER
Do not dispose of the battery in a fire. The
battery is capable of exploding.
A battery presents a risk of electrical shock
and high short circuit current. The following pre-
cautions are to be observed when working on
batteries:
• Remove the 15A fuse from the generator control
panel.
• Remove watches, rings or other metal objects;
• Use tools with insulated handles;
• Wear rubber gloves and boots;
• Do not lay tools or metal parts on top of the
battery; and
• Disconnect charging source prior to connecting or
disconnecting battery terminals.

24
To adjust valve clearance (if necessary):
Make sure the engine is at 60° to 80° F.
Make sure that the spark plug wire is removed
from the spark plug and out of the way.
Remove the four screws attaching the valve cover
with a #2 or #3 Phillips screwdriver.
Loosen the rocker jam nut. Use an 10mm allen
wrench to turn the pivot ball stud while checking
clearance between the rocker arm and the valve
stem with a feeler gauge. Correct clearance is
0.002-0.004 inch (0.05-0.1 mm).
Figure 4.10 - Valve Clearance Adjustment
Jam Nut
Pivot Ball
Stud
Rocker
Arm
Valve
Stem
NOTE:
Hold the rocker arm jam nut in place as the pivot
ball stud is turned.
When valve clearance is correct, hold the pivot ball
stud in place with the allen wrench and tighten the
rocker arm jam nut. Tighten the jam nut to 174
in/lbs. torque. After tightening the jam nut, recheck
valve clearance to make sure it did not change.
Install new valve cover gasket.
Re-attach the valve cover.
NOTE:
Start all four screws before tightening or it will not
be possible to get all the screws in place. Make
sure the valve cover gasket is in place.
Install spark plugs.
Re-attach the spark plug wire to the spark plug.
On the GT-530 and GT-990, repeat the process for
the other cylinder.
•
•
•
•
•
•
•
•
•
4.8 COOLING SYSTEM
Air inlet and outlet openings in the generator com-
partment must be open and unobstructed for con-
tinued proper operation. This includes such obstruc-
tions as high grass, weeds, brush, leaves and snow.
Without sufficient cooling and ventilating air flow, the
engine/generator quickly overheats, which causes it
to quickly shut down. (See Figure 4.11 for vent loca-
tions.)
Make sure the doors and roof are in place dur-
ing operation as running the generator with them
removed can effect cooling air movement.
Figure 4.11 – Cooling Vent Locations

25
Section 4 — Maintenance
Air-cooled Generators
25
4.10 CORROSION PROTECTION
Periodically wash and wax the enclosure using auto-
motive type products. Frequent washing is recom-
mended in salt water/coastal areas. Spray engine
linkages with a light oil such as WD-40.
4.11 OUT OF SERVICE PROCEDURE
4.11.1 REMOVAL FROM SERVICE
If the generator cannot be exercised every seven days,
and will be out of service longer than 90 days, pre-
pare the generator for storage as follows:
1. Start the engine and let it warm up.
2. Close the fuel shutoff valve in the fuel supply line
and allow the unit to shut down.
3. Once the unit has shut down, it will signal a low
oil fault.
4. Set the generator’s main circuit breaker to its
OFF (or OPEN) position.
5. Set the AUTO/OFF/MANUAL switch to OFF and
turn off the utility power to the transfer switch.
Remove the 15A fuse from the generator control
panel. Disconnect the battery cables as outlined
in “General Hazards”.
6. While the engine is still warm from running,
drain the oil completely. Refill the crankcase with
oil. See ”Engine Oil Recommendations".
7. Attach a tag to the engine indicating the viscosity
and classification of the oil in the crankcase.
8. Remove the spark plug(s) and spray fogging
agent into the spark plug(s) threaded openings.
Reinstall and tighten the spark plug(s).
9. Remove the battery and store it in a cool, dry
room on a wooden board. Never store the battery
on any concrete or earthen floor.
10. Clean and wipe the entire generator.
4.11.2 RETURN TO SERVICE
To return the unit to service after storage, proceed
as follows:
1. Verify that utility power is turned off and that the
AUTO/OFF/MANUAL switch is set to OFF.
2. Check the tag on the engine for oil viscosity and
classification. Verify that the correct recommend-
ed oil is used in the engine (see the Engine Oil
Recommendations section). If necessary, drain
and refill with the proper oil.
3. Check the state of the battery. Fill all cells of
unsealed batteries to the proper level with dis-
tilled water. DO NOT USE TAP WATER IN THE
BATTERY. Recharge the battery to 100 percent
state of charge, or, if defective, replace the battery.
See “Specifications,” for type and size.
4. Clean and wipe the entire generator.
5. Make sure the 15A fuse is removed from the
generator control panel. Reconnect the battery.
Observe battery polarity. Damage may occur if the
battery is connected incorrectly.
6. Open the fuel shutoff valve.
7. Insert the 15A fuse into the generator control
panel. Start the unit by moving the AUTO/OFF/
MANUAL switch to MANUAL. Allow the unit to
warm up thoroughly.
8. Stop the unit by setting the AUTO/OFF/MANUAL
switch to OFF.
9. Turn on the utility power to the transfer switch.
10. Set the AUTO/OFF/MANUAL switch to AUTO.
11. The generator is now ready for service.
NOTE:
If the battery was dead or disconnected, the exer-
cise timer must be reset.

26
Section 4 — Maintenance
Air-cooled Generators
26
4.12 SERVICE SCHEDULE
ATTENTION: It is recommended that all service work
be performed by the nearest Dealer.
SYSTEM/COMPONENT PROCEDURE FREQUENCY
X = Action Inspect Change Clean W = Weekly
R = Replace as Necessary M = Monthly
* = Notify Dealer Y = Yearly
if Repair is Needed.
FUEL
Fuel lines and connections* X M
LUBRICATION
Oil level X M
Oil X Every 200 hours**, or 24
hours of continuous use,
or 2Y
Oil filter X Every 200 hours**, or 24
hours of continuous use,
or 2Y
COOLING
Enclosure louvers X X W
BATTERY
Remove corrosion, X X M
ensure dryness
Clean and tighten X X M
battery terminals
Check charge state X R EVERY 6 M
Electrolyte level X R EVERY 6 M
(unsealed batteries only)*
ENGINE AND MOUNTING
Air cleaner X R 2Y or 200 hours
Spark plug(s) X R 2Y or 200 hours
GENERAL CONDITION
Vibration, Noise, Leakage, X M
Temperature*
COMPLETE TUNE-UP* TO BE COMPLETED BY 2Y or 200 hours
A DEALER
* Contact the nearest dealer for assistance if necessary.
** Change oil and fi lter after fi rst eight (8) hours of operation and then every 200 hours thereafter, or 2 years, which-
ever occurs fi rst. Change sooner when operating under a heavy load or in a dusty or dirty environment or in high
ambient temperatures.

*Contact the nearest Authorized Dealer for assistance.
5.1 TROUBLESHOOTING GUIDE
Problem Cause Correction
The engine will not crank. 1. Fuse blown. 1. Correct short circuit condition,
replace 15A fuse in generator
control panel.
2. Loose, corroded or defective 2. Tighten, clean or replace
battery cables. as necessary.
3. Defective starter contactor. (7 kW) 3. *
4. Defective starter motor. 4. *
5. Dead Battery. 5. Charge or replace battery.
The engine cranks but 1. Out of fuel. 1. Replenish fuel/Turn on fuel valve.
will not start. 2. Defective fuel solenoid (FS). 2. *
3. Open #14 wire from 3. *
engine control board.
4. Defective spark plug(s). 4. Clean, re-gap or replace plug(s).
5. Valve lash out of adjustment. 5. Reset valve lash.
6. Choke not operating. 6. Verify choke plate moves freely.
The engine starts hard 1. Air cleaner plugged 1. Check, replace air cleaner.
and runs rough. or damaged.
2. Defective spark plug(s). 2. Clean, re-gap or replace plug(s).
3. Fuel regulator not set. 3. Set Fuel Regulator.
4. Fuel pressure incorrect. 4. Confirm fuel pressure to regulator
is 10-12” water column (0.36-0.43
psi) for LP, and 5-7” water column
(0.18-0.25 psi) for natural gas.
5. Fuel selector in wrong position. 5. Move selector to correct position.
6. Choke remains closed. 6. Verify choke plate moves freely.
The AUTO/OFF/MANUAL switch 1. Defective switch. 1. *
is set to OFF, but the engine 2. AUTO/OFF/MANUAL switch 2. *
continues to run. wired incorrectly.
3. Defective control board. 3. *
There is no AC output from 1. Main line circuit breaker is in 1. Reset circuit breaker
the generator. the OFF (or OPEN) position. to ON (or CLOSED).
2. Generator internal failure. 2. *
There is no transfer to 1. Defective transfer switch coil. 1. *
standby after utility 2. Defective transfer relay. 2. *
source failure. 3. Transfer relay circuit open. 3. *
4. Defective control logic board. 4. *
Unit consumes large 1. Engine over filled with oil. 1. Adjust oil to proper level.
amounts of oil. 2. Engine breather defective. 2. *
3. Improper type or viscosity of oil. 3. See "Engine Oil Recommendations".
4. Damaged gasket, seal or hose. 4. Check for oil leaks.
27
Section 5 — Troubleshooting
Air-cooled Generators

28
Section 6 — Notes
Air-cooled Generators

29

30
Section 7 — Electrical Data
Air-cooled Generators
Wiring Diagram – 10, 13 & 16kW, V-Twin – Drawing No. 0F7822-A

31
Section 7 — Electrical Data
Air-cooled Generators
Wiring Diagram – 10, 13 & 16kW, V-Twin – Drawing No. 0F7822-A

32
Section 7 — Electrical Data
Air-cooled Generators
Electrical Schematic – 10, 13 & 16kW, V-Twin – Drawing No. 0F7823-A

33
Section 7 — Electrical Data
Air-cooled Generators
Electrical Schematic – 10, 13 & 16kW, V-Twin – Drawing No. 0F7823-A

34
Section 7 — Electrical Data
Air-cooled Generators
Wiring Diagram – 7kW, Single Cylinder – Drawing No. 0F7820-A

35
Section 7 — Electrical Data
Air-cooled Generators
Wiring Diagram – 7kW, Single Cylinder – Drawing No. 0F7820-A

36
Section 7 — Electrical Data
Air-cooled Generators
Electrical Schematic – 7kW, Single Cylinder – Drawing No. 0F7821-A

37
Section 7 — Electrical Data
Air-cooled Generators
Electrical Schematic – 7kW, Single Cylinder – Drawing No. 0F7821-A


39

40
Section 8 — Exploded Views and Parts Lists
Air-cooled Generators
Enclosure – Drawing No. 0F9431-D
SHEET METAL PAINT/MATERIAL CODE LEGEND
The following exploded views contain part numbers of various sheet metal components. Only the base part number is listed. When ordering sheet metal, the correct
color and material information must be included as a suffi x at the end of the part number as shown below.
Material Color Example: Desc. Part No. Material Color Order As"
S = Steel N = Tan Roof 0F6522 S = Steel N = Tan 0F6522SN
A = Aluminum G = Gray Door 0F6555 A = Aluminum G = Gray 0F6555AG
B = Black Divider 0F6558 S = Steel B = Black 0F6558SB

41
ITEM PART NO. QTY. DESCRIPTION
1 0F9653 1 PAD, 24 X 48” WITH MOUNTING HOLES
2 045771 4 NUT HEX M8-1.25
3 022129 4 WASHER LOCK 5/16
022129 5 WASHER LOCK 5/16 (7KW)
4 022145 8 WASHER FLAT 5/16
5 043107 4 SCREW HHC M8-1.25 X 25
6 090388 15 SCREW TAPTITE M6-1.0 X 12
7 0D3700 24 NUT, LOCKING FLANGE M6-1.0
0D3700* 14 NUT, LOCKING FLANGE M6-1.0
022097* 10 WASHER LOCK M6-1/4
022473* 10 WASHER FLAT 1/4-M6 ZINC
049813* 10 NUT HEX M6 X 1.0
8 0D4662 14 SCREW HHTR 5/16-18 X 3/4" (7KW)
0D4662 13 SCREW HHTR 5/16-18 X 3/4"
9 0F8871 1 SCROLL, FAN (7KW, 10KW)
0F8080 1 SCROLL, FAN
10 0F8246 1 PANEL, ALTERNATOR DIVIDER (7KW)
0F8915 1 PANEL, ALTERNATOR DIVIDER (10KW)
0F6558 1 PANEL, ALTERNATOR DIVIDER
11 092120 4 NUT LOCK TRIC M6 X 1.0
12 0F7825 1 FOAM, MUFFLER BOX FRONT
13 0F7824 1 FOAM, MUFFLER BOX END
14 0F6549 1 ENCLOSURE, EXHAUST SIDE
15 0F7824A 1 FOAM, MUFFLER BOX END
16 0D1840 2 BRACKET, BOTTOM SUPPORT
17 047411 6 SCREW HHC M6-1.0 X 16 G8.8 (7KW)
047411 8 SCREW HHC M6-1.0 X 16 G8.8
18 0F0710 12 RIVET POP 0.125” X 0.337”
19 0A2115 4 WASHER NYLON M6-1/4”
20 0C6735 2 SUPPORT, ROOF FOLDING
21 0D2979D 2 CLOTH HARDWARE 266.7mm X 387.4mm
22 0D7176 34 WASHER, SELF LOCKING
23 0F7827 2 FOAM, EXHAUST ENCLOSURE COVER
24 0F6570 1 COVER, BACK EXHAUST ENCLOSURE
25 0F6571 1 COVER, FRONT EXHAUST ENCLOSURE
26 0D2979B 1 CLOTH, HARDWARE 266.7mm X 146mm
27 0D2979C 1 CLOTH, HARDWARE 543mm X 146mm
28 022097 4 WASHER LOCK M6-1/4 (7KW)
022097 3 WASHER LOCK M6-1/4
29 022473 2 WASHER FLAT M6-1/4
30 0F7826 1 FOAM, MUFFLER BOX BACK
31 0F0165A 1 HINGE TYPE B WITH STUDS, SOCKET
32 0F6550 1 ENCLOSURE, SIDE & BACK
33 0F0164A 1 HINGE TYPE A WITH STUDS, SOCKET
34 0E1330A 1 GROMMET, 38.1 CROSS SLIT WITH HOLE
35 021267A 2 PLUG PLASTIC 1.5 BLIND GROMMET
36 0E5968 11 GASKET, EXTRUDED TRIM
37 0F0165 1 HINGE TYPE B WITH STUDS, PIN
38 0F0164 1 HINGE TYPE A WITH STUDS, PIN
40 0A8475 1 L/WASH SPECIAL #10
41 0G0400 1 WIRE ASSEMBLY, GROUND
42 0F6552 1 ENCLOSURE, ROOF
43 0F9379 1 FOAM, ROOF ENCLOSURE
44 0D1839 2 BRACKET, TOP SUPPORT
45 0F8210 1 REGULATOR ASSEMBLY (7KW)
0F8209 1 REGULATOR ASSEMBLY (10KW)
0F9078 1 REGUALTOR ASSEMBLY
46 0F5458 4 SCREW PLASTITE HI-LOW #10 X 3/8
ITEM PART NO. QTY. DESCRIPTION
47 0F5438 1 HARNESS, ENGINE (7KW)
0F5434 1 HARNESS ENG V-T HSB
48 0F8263 1 PANEL, ENGINE DIVIDER (7KW)
0F7886 1 PANEL, ENGINE DIVIDER (10KW)
0F7885 1 PANEL, ENGINE DIVIDER
49 023484H 1 BUSHING SNAP SB-1500-18
50 0D3058A 1 FOAM, FRONT INTAKE BAFFLE (7KW)
0E4245 1 FOAM, FRONT INTAKE BAFFLE
51 0D3058C 1 FOAM, BACK INTAKE BAFFLE (7KW)
52 0D1605A 1 BAFFLE, INTAKE (7KW)
0F7798 1 BAFFLE, INTAKE
53 0F8380 1 FOAM, TOP INTAKE BAFFLE
54 0D3472 1 GROMMET OVAL 31.75 X 50.8
55 0C8285 1 BRACKET, BATTERY SUPPORT
56 0D3167 1 GASKET, BATTERY SUPPORT BRACKET
57 0E1330 1 GROMMET, 38.1 DIA. CROSS SLIT
58 043116 3 SCREW HHC, M6-1.0 X 12 G8.8(7KW)
043116 1 SCREW HHC M6-1.0 X 12 G8.8
59 086729 1 CONTACTOR, STARTER (7KW)
60 0F8039 1 MOUNTING CLIP
61 022127 1 NUT HEX 1/4-20 (7KW)
62 0388040AJ0 1 CABLE, #6 RED BATTERY 38.5”
63 0F8847 1 GASKET, FRONT DIVIDER
0F8434 1 GASKET, FRONT DIVIDER (10KW)
64 0F9968 1 FUEL LINE, 1/2” OUTDOOR (NOT SHOWN)
65 0C2937 1 BRACKET, BATTERY HOLD DOWN (7KW)
66 049813 1 NUT HEX M6-1.0 G8
67 0A1658 1 LOCK WASHER SPECIAL 1/4
68 0G0617 1 EXTERNAL CONNECTION BOX
69 092079 1 SCREW TAPTITE M6-1.0 X 25 BP
70 055414 1 LUG SLDLSS #2-#8 X 17/64 CU
71 0F8234 1 ASSEMBLY, ENCLOSURE BASE (7KW)
0F7711 1 ASSEMBLY, ENCLOSURE BASE
72 0F8257 1 FOAM, FRONT ENCLOSURE
73 0C3906 2 SELF-ALIGN SCREW M6 HH
74 0F6555 1 ENCLOSURE, FRONT
75 0F8555 1 GASKET, DOOR SEAL
76 0D3037 1 LATCH, QUARTER TURN LOCKING
77 0D3037A 1 LATCH, QUARTER TURN NON-LOCKING
78 0F9143 2 PAWL, DOOR
79 0F8261 1 FOAM, BACK ENCLOSURE
80 0F5440 1 HARNESS GENERATOR TO EXTERNAL
CONNECTION BOX (7KW)
0F9328 1 HARNESS GENERATOR TO EXTERNAL
CONNECTION BOX (10KW)
0F5478 1 HARNESS GENERATOR TO EXTERNAL
CONNECTION BOX
81 051713 2 WASHER FLAT M5
82 022152 5 WASHER LOCK #10
83 036937 2 SCREW PPHM#10-32 X 1
84 022158 5 NUT HEX #10-32
85 0C8911 1 POWER BLOCK
86 026850 1 WASHER SHAKEPROOF EXT 1/4 STEEL
89 0G3540 1 WASHER FLAT .125ID X .375OD
90 0G3539 1 RIVET POP .122 X 0.465 STEEL
*ITEM 7 FOR MODELS WITH ALUMINUM ENCLOSURE
Section 8 — Exploded Views and Parts Lists
Air-cooled Generators
Enclosure – Drawing No. 0F9431-D

42

43
ITEM PART NO. QTY. DESCRIPTION
1 0E7886A 1 CIRCUIT BREAKER 30A X 2P 240V (7KW)
0E7886D 1 CIRCUIT BREAKER 45A X 2P 240V
(10KW)
0E7886K 1 CIRCUIT BREAKER 55A X 2P 240V
(13KW)
0E7886J 1 CIRCUIT BREAKER 65A X 2P 240V
(16KW)
0E7886L 1 CIRCUIT BREAKER 80A X 2P 240V
(18KW)
2 0A1801 1 ASSEMBLY, BATTERY CHARGER ENGINE
3 0F9719 1 ASSEMBLY, POTTED REGULATOR
4 0C2174 1 RELAY, 12V 25A SPST (NON 7KW)
5 075210A 1 BLOCK TERMINAL 1 POSITION
7 0F8992 1 ASSEMBLY, HOME STANDBY
CONTROLLER
0F1504 1 ASSEMBLY, HOME STANDBY
CONTROLLER (7KW)
0G5715 1 ASSEMBLY, HOME STANDBY
CONTROLLER (18KW)
8 032300 1 HOLDER, FUSE
9 022676 1 FUSE, 15 AMP X AGC15
10 0E4494 1 SWITCH, ROCKER DPDT ON-OFF-ON
11 0E7890 1 CIRCUIT BREAKER MOUNTING BRACKET
12 023484E 1 SNAP BUSHING
13 075476 4 SCREW PPHM M4-0.7 x 16mm
14 043182 2 M3 LOCK WASHER (NON 7KW)
15 0E6480 6 NUT HEX LOCK M4-0.7 NYLON INSERT
16 0D4804A CURRENT TRANSFORMER, IDLE
CONTROL (NON 7KW)
0D4804A 2 CURRENT TRANSFORMER, IDLE
CONTROL (18KW)
17 0C1085 12 SCREW PPHM M3-0.5 x 8mm
0C1085 8 SCREW PPHM M3-0.5 x 8mm (7KW)
18 058000H 2 M3-0.5 TRIC NUT (NON 7KW)
19 023897 2 WASHER FLAT #10
20 0F8040 1 CONTROL, PANEL BOTTOM
0F9282 1 CONTROL, PANEL BOTTOM (7KW)
21 075235 4 SCREW HHC M5-0.8 x 30mm
22 0E3928 1 SWITCH, SPST
23 0D9784 4 NUT HEX LOCK M3-0.5 NYLON INSERT
0D9784 2 NUT HEX LOCK M3-0.5 NYLON INSERT
(7KW)
ITEM PART NO. QTY. DESCRIPTION
24 0D8502 1 NEUTRAL BLOCK
25 031879 4 WASHER FLAT #4
031879 2 WASHER FLAT #4 (7KW)
26 0F5433 1 HARNESS, CONTROL PANEL WIRE (NOT
SHOWN)
0F5437 1 HARNESS, CONTROL PANEL WIRE (NOT
SHOWN) (7KW)
27 074908 4 SCREW HHTT, M5-0.8 x 10 BP
28 049813 4 NUT HEX M6-1.0
29 082025 6 NUT HEX LOCK M5-0.8 NYLON INSERT
30 0G0627 1 XFMR 240/16V 1VA&56VA W/PTC
31 022507 2 SCREW HHC 1/4”-20 x 1/2”
32 022097 4 WASHER LOCK M6-1/4”
33 046689 1 TERMINAL STRIP 4 POSITION
34 063617 1 RELAY PANEL 12VDC DPDT 10A 240VAC
35 075475 2 SCREW PPHM M4-0.7 x 10mm
36 043180 2 WASHER FLAT M4
37 0F8041 1 COVER, CONTROL PANEL COMPONENT
0F9283 1 COVER, CONTROL PANEL COMPONENT
(7KW)
38 045770 2 SCREW HHC M5-0.8 x10mm
39 0E7866 1 COVER, CONTROL PANEL
0E7867 1 COVER, CONTROL PANEL (7KW)
40 0D3700 8 NUT FLANGE M6-1.0 NYLOK
022097* 8 WASHER LOCK M6-1/4
022473* 8 WASHER FLAT 1/4-M6
049813* 8 NUT HEX M6 X 1.0
41 0G0400 1 WIRE ASSEMBLY, GROUND
43 0A1658 2 WASHER LOCK SPECIAL 1/4”
44 022473 6 WASHER FLAT 1/4”-M6
45 0E3969 2 SCREW PPH M3-0.5 X 30mm (18KW)
46 0G5454 2 SPACER (18KW)
47 0G5449A 1 JUMPER WIRE, RED (18KW, NOT
SHOWN)
48 0G5449B 1 JUMPER WIRE, BLACK (18KW, NOT
SHOWN)
49 0D5303 2 WASHER FLAT .25” ID X 1"OD ZINC
50 0G6131 2 SCREW HHC M6-1.0 x 30mm
*ITEM 40 FOR MODELS WITH ALUMINUM ENCLOSURE
Section 8 — Exploded Views and Parts Lists
Air-cooled Generators
Control Panel – Drawing No. 0F9695-F

44

45
ITEM PART NO. QTY. DESCRIPTION
1 0F8278 1 BOX LOAD CENTER
2 0D4800 1 COVER, 8 CIRCUIT LOAD CENTER
0F5211 1 COVER, 10 CIRCUIT LOAD CENTER
0D3092 1 COVER, 12 CIRCUIT LOAD CENTER
0F8312 1 COVER, 16 CIRCUIT LOAD CENTER
3 0C2237 1 TRANSFER SWITCH HOME STANDBY
100A 2P 250V
3A 077220 1 COIL UTILITY
3B 077220A 1 COIL STANDBY
3C 082574 1 INSULATOR-SIDEWALL (NOT SHOWN)
3D 084464 1 LIMIT SWITCH OPERATION (NOT
SHOWN)
4 074908 6 SCREW HHTT M5-0.8 X 10
5 024912 1 SCREW HHTT 1/4-20 X 5/8
6 0A1658 1 LOCK WASHER, SPECIAL-1/4”
7 063617 1 RELAY PANEL 12VDC DPDT 10A@240VAC
8 0E7889A 1 8 CIRCUIT LOAD CENTER
0E7889 1 12 CIRCUIT LOAD CENTER (ALSO USED
FOR 10 CIRCUIT)
0F9213 1 16 CIRCUIT LOAD CENTER
9 0A1495 4 SCREW HHTT M4-0.7 X 10
10 0A1661 2 RIVET POP .156” X .675”
11 022473 1 WASHER FLAT 1/4-M6 ZINC
12 081108 1 PLUG PLASTIC
13 0D4684 1 HARNESS ADAPTER PLATE
0D4684A 1 8 CIRCUIT HARNESS ADAPTER PLATE
14 0F8279 1 SUBPLATE, LOAD CENTER
15 0F4790 10.5” U-CHANNEL
16 022152 6 WASHER LOCK #10
17 064526 2 SCREW HWHS #6-25 X 3/8”
18 0E6155 1 ARM EXTENDER PIN
19 063378 4 HOLDER CABLE TIE
20 0G0979 1 HARNESS, 8 CIRCUIT LOAD CENTER TO
MAIN PANEL
0G0980 1 HARNESS, 10 CIRCUIT LOAD CENTER
TO MAIN PANEL
0G0981 1 HARNESS, 12 CIRCUIT LOAD CENTER
TO MAIN PANEL
0G0982 1 HARNESS, 16 CIRCUIT LOAD CENTER
TO MAIN PANEL
ITEM PART NO. QTY. DESCRIPTION
21 074138 2 LUG QUICK DISCONNECT NI-S 10X45
DEG BRASS / TIN
22 036933 6 SCREW PPHM #10-32 X 3/8”
23 077033 6 LUG SLDLSS 1/0-#14X9/16 AL/CU
24 048850 1 BLOCK TERMINAL 20A 5 X 6 X 1100V
25 028739 4 TIE WRAP 3.9" X .10"
26 0A2110 4 SCREW SWAGE 1/4-20 X 1/2" ZINC
27 0D3191 1 COVER, RELAY & TERMINAL BLOCK
28 0D3088 1 WIRE HARNESS, LOAD CENTER (NOT
SHOWN)
29 073591 2 FUSE HOLDER
30 073590A 2 FUSE 5A
31 040213B 4 SUPPORT SNAP-IN 1-3/8"
8 10 12 16 CIR.
32 0E7888 A/R CIR BRK 20A 2P 1 1
33 0E7888A A/R CIR BRK 30A 2P 1 1 1
34 0E7888B A/R CIR BRK 15A 1P 5 3 5 5
35 0E7888C A/R CIR BRK 20A 1P 1 3 3 5
36 0E7888D A/R CIR BRK 40A 2P 1 1
37 0E7888E A/R CIR BRK 50A 2P 1
38 0D3320 1 COVER - HARNESS ENTRY
39 0F5439 1 HARNESS, 8 CIRCUIT LOAD CENTER TO
EXT CONN BOX
0F9327 1 HARNESS, 10 CIRCUIT LOAD CENTER
TO EXT CONN BOX
0F6720 1 HARNESS, 12 CIRCUIT LOAD CENTER
TO EXT CONN BOX
0F6720 1 HARNESS, 16 CIRCUIT LOAD CENTER
TO EXT CONN BOX
40 074908 2 SCREW HHTT M5-0.8 X 10 (8 CIRCUIT)
066849 2 SCREW HHTT M5-0.8 X 16 (10, 12, 16
CIRCUIT)
41 0A7215 4 SCREW SW 1/4"-20 X 5/8” WITH WASHER
42 0E6193 1 BRACKET, ARM EXTENDER
Section 8 — Exploded Views and Parts Lists
Air-cooled Generators
Transfer Switch Assembly – Drawing No. 0F9774-C

46

47
ITEM PART NO. QTY. DESCRIPTION
1 0C5729 1 ASSY, CRANKCASE WITH SLEEVE
2 0E9843A 1 SEAL, 38 I.D. CRANKSHAFT GREEN
3 0G0919 5 SCREW, HHFCS M6-1.0 X 12 G8.8
4 0C5372 1 ASSEMBLY, BREATHER
5 0C3005 1 GASKET, BREATHER COVER
6 0E3372B 1 SEPARATOR, OIL BREATHER
7 0D8067A 1 ASSEMBLY, HEAD #1 G&S
8 071983 4 RETAINER, PISTON PIN 20
9 0C2981F 1 ROCKER, COVER NO OIL FILL
11 0G2751 2 PISTON, FLAT TOP DIA 90 COATED
12 0G2565 2 RING SET, PISTON DIA 90
13 0E1466 2 PIN PISTON
14 0D4041 1 ASSEMBLY, CAMSHAFT & GEAR
15 0C2977 1 GASKET, CRANK CASE
16 0C5943 1 SEAL, OIL PASSAGE
17 0E3791E 1 ASSY, CRANKSHAFT GTH-990 DIRECT
DRIVE
18 0E3223 2 ASSEMBLY, CONNECTING ROD
19 0D2157 2 SCREW SHC M6-1.0 X 50 G8.8
20 0E6098 1 SCREEN, OIL PICKUP
21 0D4123B 1 ASSEMBLY, OIL PUMP W/O O-RING
22 0E8152 1 O-RING .49 ID X .07 THICK
23 0C3011 2 COVER, OIL RELIEF
24 0C3009 2 SPRING, OIL RELIEF
25 0C3010 2 BALL, 1/2D OIL RELIEF
26 093873 2 WASHER, LOCK RIB M6
27 0F5458 1 SCREW, PLASTITE HI-LOW #10
28 0C3027 1 O-RING, 3/8” X 1/2”
29 0C5998 1 CLAMP, OIL TUBE
31 0F2664C 1 ASSEMBLY, DIPSTICK WITH HANDLE
32 0C5305 1 TUBE, DIPSTICK
33 0D6147 5 SCREW HHFC M6-1.0 X 10mm
ITEM PART NO. QTY. DESCRIPTION
34 043790A 1 BARBED ELBOW 90 3/8NPT X 3/8 VS
35 0E9842A 1 SEAL, 42 I.D. CRANKSHAFT GREEN
36 0F8054 1 GEARCOVER / ADAPTOR GTH-990
37 0C3006 10 SCREW, HHFC M10-1.5 X 55
38 080318 8 SCREW HHFC M6-1.0 X 25
39 093064 1 ASSEMBLY, OIL FILL CAP
40 0G1839 2 LIFT HOOK GT990/760
41 0D2723D 1 ROCKER, COVER WITH OIL FILL
42 0C2979 2 GASKET, VALVE COVER
43 086515 8 KEEPER, VALVE SPRING
44 0D2274 4 RETAINER, VALVE SPRING
45 0D3867 4 SPRING, VALVE
46 078672 2 SEAL, VALVE STEM D7
47 0C5371 4 WASHER, VALVE SPRING
48 072694 4 STUD, ROCKER ARM PIVOT
49 0D5313 4 ROCKER ARM
50 0D3998 4 NUT HEX M8-1.0 G8 YEL CHR
51 0D6024 2 PLATE, PUSH ROD GUIDE
52 0C2976 12 SCREW HHFC M8-1.25 X 65
53 086516 2 VALVE, EXHAUST
54 0C2229 2 VALVE, INTAKE
55 083897 4 TAPPET, SOLID
56 0D8067B 1 ASSEMBLY, HEAD #2 G&S
57 0D9853D 4 PUSHROD, 147
58 0C2978 2 GASKET, HEAD
59 0D4010 1 KIT GASKET
60 0D4012 1 KIT BREATHER ASSEMBLY
61 0D8675A 1 KIT HEAD ASSEMBLY CYLINDER 1
62 0D8675B 1 KIT HEAD ASSEMBLY CYLINDER 2
63 0D4015 1 KIT OIL RELIEF
64 078699C 2 SLEEVE DOWEL PIN 14 DIA.
65 078699B 4 SLEEVE DOWEL PIN 12 DIA.
Section 8 — Exploded Views and Parts Lists
Air-cooled Generators
13 & 16kW, GT-990 Engine – Drawing No. 0G3071-J - Part 1

48

49
ITEM PART NO. QTY. DESCRIPTION
64 022145 1 WASHER FLAT M8 – 5/16
65 0C5136A 2 KNOB, AIR CLEANER
66 0C3024 1 COVER, AIRBOX NG/LP
67 0C3040 1 PRE-CLEANER,
68 0C8127 1 ELEMENT, AIR CLEANER
69 0F9255 1 ASSEMBLY, MIXER/AIRBOX 990
70 0E9582 4 SCREW SHLDR(8MM) M6-1.0 X 21
71 0D4417 4 WASHER,RUBBER 1/4" X 1/8" THICK
72 0E7585A 2 SPARKPLUG, RCY14 GAP: 0.040”
73 0E6043 2 SCREW TAPTITE M5 – 0.8 X 8
74 0D1142A 1 WRAPPER, LOWER CYLINDER 2
75 0C3025 1 SWITCH, OIL PRESS
76 0G0290 1 HOSE, 3/8” ID X 6-1/2”LG SAE J30R9
77 070185F 1 OIL FILTER, 90mm w/LOGO
78 0D3083 1 ASSY, OIL DRAIN HOSE
79 0F2094 2 SCREW M3 – 0.5 X 6 SEMS
80 094090 1 SWITCH, THERMAL 293F
81 035461 2 BARBED STRAIGHT 1/4NPT X 3/8
82 0G3662 5 CLAMP, HOSE OETIKER STEPLESS
17mm
83 0G0286 1 HOSE, 3/8” I.D. X 6”LG SAE J30R9
84 0E9506 1 COOLER, OIL
85 0C9764 4 SCREW PLASTITE 1/4-15 X 3/4
86 0C3043 2 GASKET, MANIFOLD / PORT
87 0C7694A 1 MANIFOLD CYLINDER 2
88 045756 4 SCREW, HHTT M6-1 x 10 LONG
89 082025 1 NUT, HEX LOCK M5-0.8 ZINC
90 0G3730 4 SCREW SHC M8 – 1.25 X 20 SEMS
91 090388 13 SCREW TAPTITE M6–1X12 CLEAR ZINC
92 0E4997 1 ASSY,GROUND WIRE CONNECTOR
93 0C3033 1 WASHER, 25MM I.D.
94 0C3034 1 NUT, HEX M24
95 0C9763 4 NUT, GROMMET 1/4 PLUG
96 0D1131 1 GUARD, FAN
97 0F1169K 1 HOUSING, BLOWER NG COOLER
98 051754 2 SCREW HHC M8 – 1.25 X 12 G8.8
99 0A5992 2 WASHER SHAKEPROOF INT M8 SS
100 0C3032 1 PLATE, FAN
101 0C3031 1 FAN, NYLON
102 0C3725B 1 FLYWHEEL ASSEMBLY
103 0G4928A 1 PLATE, BACKING WITH OIL COOLER
ZINC
104 0C7693A 1 MANIFOLD CYLINDER 1
105 0C3041A 2 SLEEVE, RUBBER
106 082774 1 KEY, WOODRUFF 4 X 19D
107 0C3036A 1 HOSE BREATHER
108 0C3019 1 WRAPPER, LOWER CYLINDER 1
109 0C3018 1 WRAPPER, UPPER CYLINDER 1
ITEM PART NO. QTY. DESCRIPTION
110 0D1143 1 WRAPPER, UPPER CYLINDER 2
111 0E9323 1 STARTER MOTOR HEAR REDUCED 1KW
112 061906 2 SCREW HHC M8 – 1.25 X 85 G8.8
113 022129 3 WASHER LOCK M8 – 5/16
114 0F1177 1 ASSEMBLY, GROUND WIRE
115 022097 2 WASHER LOCK M6 – 1/4
116 0G3110 4 SCREW TAPTITE M6 – 1.0 X 20 ZINC
117 0G3224A 1 ASSY, IGN COIL W/DIODE, CYLINDER 1
118 0G3224B 1 ASSY, IGN COIL W/DIODE, CYLINDER 2
119 0E9568 1 ASSY, THROTTLE SHAFT
120 0E9565 2 THROTTLE VALVE
121 074027 4 SCREW PPHM M3 – 0.5 X 5
122 0C3044 1 COVER, DUST, MIX/AIRBOX
123 0C4756 1 SPRING, IDLE ADJUST
124 075477 1 SCREW PPHM M5 – 0.58 X 20
125 043116 2 SCREW HHC M6 – 1.0 X 12
126 0E1644 1 SCREW BHSC M6-1.0 X 12 SS
127 0E9572 1 BRACKET, STEPPER MOTOR
128 0D9784 1 NUT HEX LOCK M3 – 0.5 NYLON INSERT
129 0E5108 1 ASSY, CONTROLLER
130 0D6342 1 BALL STUD, 10MM
131 0E9570 1 ASSY, THROTTLE ROD
132 0E9577 1 BELLOWS, INTAKE
133 0E5846 1 EXPANSION PLUG
134 0E9419 3 #10 O-RING
135 0C4760 1 PLUG, MANIFOLD
136 0F9253 1 ASSY, AIR BOX BASE
137 0E9553 1 PIN, FUEL SELECTOR
138 0E9554 1 PIN, FUEL SEL STOP
139 0E9348 1 SOLENOID COVER
140 0E9599 1 LINKAGE, CHOKE
141 0E9595 4 SCREW PPPH HI-LO #6 X 1/2
142 090987 1 SCREW PHTT M3 – 0.5 X 8
143 0E9403 1 RETAINER, CHOKE RETURN SPRING
144 0E9571 1 SPRING, CHOKE RETURN
145 0E9380 1 WASHER, BELLEVILLE SPRING
146 0A6345 1 SCREW PPHM M2 – 0.4 X 8
147 0E9598 1 CHOKE ARM
148 0E9593 1 SCREW SHOULDER M3 – 0.5 X 6
149 0E9564 1 VALVE, CHOKE
150 0E9575 1 SHAFT, CHOKE
151 0E9357 1 SEAL, GOVERNOR ARM
152 0A7094 2 SCREW PHM #4 – 40 X 1/4
153 0E9574 1 BRACKET, SOLENOID
154 0F9273 1 SOLENOID, 6VDC
155 0F5467 1 NUT HEX M8 – 1.25 YELLOW ZINC
156 0E9557 1 SPRING, CHOKE VALVE ADJUST
157 0E1644 1 SCREW, BHSC M6-1.0 x 12
Section 8 — Exploded Views and Parts Lists
Air-cooled Generators
13 & 16kW, GT-990 Engine – Drawing No. 0G3071-J - Part 2

50

51
Section 8 — Exploded Views and Parts Lists
Air-cooled Generators
10kW, GT-530 Engine – Drawing No. 0F9429-N - Part 1
ITEM PART NO. QTY. DESCRIPTION
1 0E9428B 1 CRANKCASE
2 0E3812 2 SEAL D 35 X 48.2
3 0C8566 2 SCREW HHFC M6 – 1.0 X 20
4 0E9367A 1 ASSY, BREATHER
5 0E9366 1 GASKET BREATHER ASSY
6 0E9304 1 CYLINDER HEAD 1
7 0E9334C 1 COVER, ROCKER PLAIN
8 076390 4 PISTON PIN RETAINER RING
9 076389 2 PISTON PIN
10 088057 2 PISTON
11 088411 2 PISTON RING SET
12 0E9322A 2 ASSY CONNECTING ROD
13 0E9407A 1 ASSY, CAM & GEAR
14 0E9350 1 GASKET CRANKCASE
15 0E9318E 1 ASSY CRANKSHAFT W/PLUG
16 043116 3 SCREW HHC M6 – 1.0 X 12
17 093873 3 WASHER LOCK M6 RIBBED
18 0G0272 1 ASSY GEROTOR
19 0E9482 1 SPRING OIL PRESSURE RELIEF
20 0A5776 1 BALL 11/32 DIA PRESSURE RELIEF
21 0C5315A 1 GEROTOR OUTER 9MM THICK
22 0C5314A 1 GEROTOR INNER 9MM THICK
23 0E9473 1 GEAR COVER
24 073144 9 SCREW HHFC M8 – 1.25 X 45
25 0C3027 2 O-RING 3/8 X 1/2
26 0E9358 1 SCREEN OIL PICK-UP
27 093064 1 ASSY, OIL FILL CAP
28 0E9334A 1 COVER, ROCKER, W/ FILL
29 0E9352 2 GASKET, VALVE COVER
30 0C3592 8 KEEPER, VALVE SPRING
31 0C3733 4 VALVE RETAINER
32 0C4390 4 SPRING VALVE
33 088156 2 SEAL, VALVE STEM
34 084186 4 WASHER, VALVE SPRING
35 0E9368 2 SPARKPLUG
36 077168 12 SCREW HHC M8 – 1.25 X 56
37 0E9305 1 CYLINDER HEAD 2
38 0C3590 2 VALVE EXHAUST
39 0E9351 2 GASKET CYLINDER HEAD
40 0C3591 2 VALVE INTAKE
41 083235 4 TAPPET, SOLID
42 0E9455E 4 PUSHROD, ALUMINUM
43 0E9353A 2 PLATE, PUSH ROD GUIDE
44 076307 4 NUT JAM (ROCKER ARM)
45 077160 4 ROCKER ARM
46 077161 4 STUD ROCKER ARM PIVOT
47 0G0273 1 GASKET KIT
48 0G0274 1 BREATHER KIT
49 0G0275 1 KIT HEAD ASSY CYLINDER #1
50 0G0276 1 KIT HEAD ASSEMBLY CYLINDER #2
51 0E9502 1 SEPERATOR, OIL, GT530
52 080318 12 SCREW HHFC M6 – 1.0 X 25
53 0E3372C 1 SEPARATOR, OIL BREATHER GT530
54 078699B 6 SLEEVE DOWEL PIN 12 DIA.
55 0C5943 1 SEAL, OIL PASSAGE
56 043790 1 BARBED EL 90 3/8 NPT X 3/8

52

53
Section 8 — Exploded Views and Parts Lists
Air-cooled Generators
10kW, GT-530 Engine – Drawing No. 0F9429-N - Part 2
ITEM PART NO. QTY. DESCRIPTION
58 022097 3 WASHER LOCK M6-1/4
59 0E9561 1 INTAKE ADAPTER
60 0E9472 1 GASKET, AIRBOX TO CARB/MIXER
61 0E9471 1 GASKET, MANIFOLD TO CARB/MIXER
62 078643B 4 BOLT, CARB MOUNT M6 – 1.0 X 85
63 0D9784 1 NUT HEX LOCK M3 – 0.5
64 0E9584 1 ASSY, CONTROLLER
65 0D6342 1 BALL STUD, 10 MM
66 0E9587 1 ASSY, THROTTLE ROD
67 0C9997 1 GUARD, FAN
68 0E9319 2 GASKET INTAKE
69 0E9597 1 BREATHER HOSE
70 040976 4 SCREW SHC M8 – 1.25 X 20 G12.9
71 022129 2 WASHER LOCK M8 – 5/16
72 061906 2 SCREW HHC M8 – 1.25 X 85
73 0E9323 1 STARTER MOTOR
74 0E9507 6 SCREW HHFC M8 – 1.25 X 14
75 0E9362 2 LIFTING HOOK
76 0E9337 1 WRAPPER OUTER CYLINDER 1
77 0E9339 1 WRAPPER INNER CYLINDER 1
78 0G3378 1 TUBE, DIPSTICK GTH 530
79 0F2664H 1 ASSY, DIPSTICK /TEXT
80 0E9336F 1 BLOWER HOUSING
81 0D6147 6 SCREW HHFC M6-1.0 X 10 G8.8
82 0E5139 3 SCREW HHFC M6-1.0 X 8 G8.8
83 0E9432 1 WRAPPER INNER CYLINDER 2
84 0E9338 1 WRAPPER OUTER CYLINDER 2
85 0E9370 1 GASKET, OIL FILTER ADAPTER
86 0E9505A 1 ASSY, DIRECT OIL COOLER ADAPTER
87 0F5458 2 SCREW PLASTITE HI-LOW #10X3/8
88 045757 3 SCREW HHC M6 – 1.0 X 25
89 070185B 1 OIL FILTER
ITEM PART NO. QTY. DESCRIPTION
90 094090 1 THERMAL SWITCH
91 0F2094 2 SCREW PPHM M3-0.5 X 6 SEMS
92 0G4403 1 ASSY OIL DRAIN HOSE
93 0D9235 1 OIL PRESSURE SWITCH HOBBS 5PSI
94 082774 1 KEY, WOODRUFF 4 X 19D
95 0F1177 1 ASSY, GROUNDING WIRE
96 0G3251A 1 ASSY IGNITION COIL CYLINDER 1
0G3251B 1 ASSY IGNITION COIL CYLINDER 2
97 026850 4 WASHER SHAKEPROOF EXT 1/4
98 0E9443 1 ASSY, MIXER DUAL FUEL
99 0G3662 4 CLAMP, HOSE OETIKER STEPLESS
17mm
100 0G0286 1 HOSE 3/8”ID X 6” SAE J30R9
101 0G0479 1 HOSE 3/8”ID X 7.25 SAE J30R9
102 0G4985 1 BACKING PLATE, GT-530 ZINC
103 0E9525C 1 ASSY, FLYWHEEL & RING GEAR
104 0E9486 1 FAN, FLYWHEEL, 20 FIN, 218.8 OD
105 0A5992 2 WASHER LOCK INT M8
106 051754 2 SCREW HHC M8 – 1.25 X 12
107 067890 1 NUT HEX M20 – 1.5
108 067198N 1 WASHER BELV – 20 X 2.2
109 0C3032 1 PLATE, FAN
110 0E4997 1 ASSY, GROUND WIRE CONNECTOR
111 0E9406 1 OIL COOLER
112 0G1705 13 SCREW HHFC M6 – 1.0 X 14
113 0E9450 1 CENTER BAFFLE
114 0E9376 1 INTAKE MANIFOLD
115 0E9550 1 FRONT COVER
116 028916 1 ELBOW - 1/8” NPT
117 0C8563 2 SCREW, HHFC M6-1.0 x 12
118 0G0919 4 SCREW, HHFCS M6-1 x 12 CLEAR ZINC

54

55
ITEM PART NO. QTY. DESCRIPTION
1 0E3221 1 ASSEMBLY, CONNECTING ROD
2 0E1466 1 PIN, PISTON D20
3 021533 1 SET, PISTON RING 90MM
4 0E2985 1 PISTON, HC
5 071983 2 RETAINER, PISTON PIN 20
6 0E8440 1 ASSEMBLY, CRANKSHAFT GH410 SMALL TAPER
7 0A7628 1 ARM, GOVERNOR RC45
8 078658 1 PIN, “R” GOVERNOR ARM
9 078659 2 WASHER, GOVERNOR ARM THRUST
10 088261E 1 CRANKCASE, SUBASSEMBLY WITH PLUGS GH410
11 0E3812 2 SEAL, 35 I.D. CRANKSHAFT
12 0E6519 1 ASSEMBLY, GOVERNOR GEAR
13 078645 1 C-RING, GOVERNOR GEAR RETAINER
14 0A7811 1 SPOOL, GOVERNOR- MACHINE
15 0G3358 1 ASSEMBLY, CAMSHAFT & GEAR 410HSB
16 076701 1 GASKET , CRANKCASE
17 021713B 1 GASKET, HEAD 410
18 078691 1 COVER, OIL PRESSURE RELIEF
19 0A5771 1 SPRING, OIL RELIEF 360
20 0A5776 1 BALL, DIA 11/32 PRESSURE RELIEF
21 076361 1 WASHER, THRUST GOVERNOR GEAR
22 0A8898D 1 ASSEMBLY, COVER, GEAR TOP CHECK / FILL
23 0D2274 2 RETAINER, VALVE SPRING
24 0C4391 2 VALVE SPRING LF
25 086025 1 SET,GEROTOR 12 THK
26 0E3341 1 BALANCER
27 021714 1 ASSEMBLY,CYLINDER HEAD SEATS & GUIDES
28 086516 1 VALVE, EXHAUST
29 086517 1 VALVE, INTAKE
30 0D9853B 2 PUSH ROD 174.9
31 083897 2 TAPPET
32 077158 1 ASSEMBLY, SCREEN OIL PICK-UP
33 0C3150 1 GASKET, ROCKER COVER 410
34 072694 2 STUD, D20 PIVOT BALL
35 083907 2 ROCKER ARM
36 0D3998 2 NUT, JAM (ROCKER ARM)
37 078694 1 PLATE, PUSH ROD GUIDE
38 021742 4 SCREW, HHFL M10-1.5 X 105
39 0D6094 1 ASSEMBLY, ROCKER COVER BREATHER
40 076329 1 PLUG, OIL FILL PLASTIC
41 0E0057 1 O-RING 17.8 I.D. x 2.4
42 0D4788 1 PLUG, STANDARD PIPE 3/8 STEEL SQUARE HEAD
43 074908 1 SCREW, TAPTITE M5-0.8 X 10 BP
44 086515 4 KEEPER, VALVE SPRING
45 078606 4 SCREW & LOCKWASHER M6-1 X 12
46 0A1442 8 SCREW, HHFC M8-1.25 X 42
47 078672 1 SEAL, VALVE STEM D7
48 089673 2 WASHER, VALVE SPRING
49 0B2104 1 WASHER, LARGE SPRING
50 078699C 2 DOWEL, SEAMED SLEEVE
51 0A7627 1 SHAFT, GOVERNOR RC55
52 043790A 1 BARBED ELBOW 90 3/8NPT X 3/8 LOCKTITE
53
54 078699B 2 DOWEL, SLEEVE SEAMED 12 DIA.
Section 8 — Exploded Views and Parts Lists
Air-cooled Generators
7kW, GN-410 Engine – Drawing No. 0F9428-D - Part 1

56

57
ITEM PART NO. QTY. DESCRIPTION
1 0C1069 5 SCREW, TAPTITE M6-1.0X8 YELLOW CHROME
2 0D2922 1 HOUSING, BLOWER
3 0F8426 1 TUBE, DIPSTICK
4 0C9997 1 GUARD, FAN
5 088434 1 WRAPPER, BOTTOM
6 045756 11 SCREW, TAPTITE M6-1X10 YELLOW CHROME
7 0C4176A 1 WRAPPER, TOP
8 0D9004A 1 ASSY, STARTER
9 059985 2 SCREW, SHC M8-1.25 X 45 G12.9
10 022129 3 WASHER, LOCK M8-5/16
11 0C2458A 1 BACKPLATE, L/F D/F
12 083512 1 SCREW, TAPTITE M8-1.25 X 16 BP
13 0D1401A 1 BREATHER TUBE
14 091039 1 GASKET, INTAKE ADAPTER
15 0C9619 1 ASSEMBLY, PLASTIC CARB
16 049811 2 WASHER, FLAT M6
17 022097 4 WASHER, LOCK M6-1/4
18 040945 2 SCREW, SHC M6-1.0 X 20 G12.9
19 086999 1 GASKET,OIL FILTR ADAPTER
20 0D5667A 1 ADAPTER, OIL FILTER
21 049821 2 SCREW, SHC M8-1.25 X 30 G12.9
22 099236 1 SWITCH, OIL 8.0 PSI
23 070185B 1 OIL FILTER
24 082774 1 KEY, WOODRFF 4 X 19D
25 091222E 1 FLYWHEEL WITH RING GEAR 32DEG.
26 067198N 1 WASHER,BELV-20 X 2.2
27 067890 1 NUT, HEX - FLYWHEEL
28 0E7585 1 SPARKPLUG
29 072734 1 ASSEMBLY,GOVERNOR LEVER 12 HP
30 072735 1 ROD,GOVERNOR CONTROL.
31 0C3978 1 SPRING, ANTI-LASH
32 0C6040 1 ASSEMBLY, WIRE
33 0D9760 1 ASSEMBLY, IGNITION COIL
34 0G3111 2 SCREW, TAPTITE M6-1.0 X 25 ZINC
35 0F3800 1 SPRING GOVERNOR
36 083502 1 BOLT, GOVERNOR ADJUST M5
37 082025 1 NUT HEX LOCK M5-0.8 NYINS ZINC
38 0G4403 1 ASSY OIL DRAIN HOSE
39 0E7887C 1 ASSEMBLY, CAP & DIPSTICK
40 090072 1 O-RING 9/16 X 3/4 X 3/32
41 094090 1 SWITCH, THERMAL 293F
42 022145 1 WASHER FLAT 5/16 - M8
43 0F2094 2 SCREW, M3-0.5 X 6 SEMS
44 0C4373 1 SPACER ENDFRAME
45 022717B 1 GOMMET
46 0F3865 1 SPRING SECONDARY
47 0F3855 1 BRACKET SECONDARY GOVERNOR SPRING
48 039253 1 SCREW HHC M8-1.25 x 20
49 0D3751 1 SPRING, IDLE RETURNING
50 0F3921 1 BARREL GOVERNOR ADJUSTMENT
51 0C8493 1 SCREW SHC M5-0.8 x 30
52 0D8758 1 ENGINE LIFT HOOK
Section 8 — Exploded Views and Parts Lists
Air-cooled Generators
7kW, GN-410 Engine – Drawing No. 0F9428-D - Part 2

58

59
Section 8 — Exploded Views and Parts Lists
Air-cooled Generators
7kW, GN-410 Engine – Drawing No. 0F9422-C
ITEM PART NO. QTY. DESCRIPTION
1 0F8186 1 ADAPTOR, ENGINE
2 0F5540H 1 STATOR
3 0C9934H 1 ROTOR
4 0F7774A 1 CARRIER, REAR BEARING
5 0C8096 1 FAN, 8” CURVED BLADE
6 0F6591 1 MUFFLER
7 0F8078 1 TAIL PIPE, MUFFLER
9 056482 1 BEARING
10 0C3168 3 5/16 SPECIAL L/WASH
11 056147 1 BOLT ROTOR HHCS 5/16”-24 X 13-1/2” G5
12 0D1847 4 BOLT STATOR IHHCS M8-1.25 x 305mm
13 0C7038C 1 BRACKET, ALTERNATOR MOUNTING
14 0F9445 1 DUCT, ALTERNATOR AIR
15 0F9497 1 GASKET, ALTERNATOR AIR DUCT
16 0C7038B 1 BRACKET, ENGINE MOUNTING
17 0C7758 4 RUBBER MOUNT
18 0388050AE0 1 CABLE, #6 40” BLACK BATTERY
19 0C2417A 1 EARTH STRAP 3/8X 3/8
20 0F6528 1 EXHAUST FLEX
21 066386 1 ASSEMBLY BRUSH HOLDER
22 029451 1.8 FT TAPE ELEC UL FOAM 1/8 X 1/2
23 049451 1 WASHER FLAT .406ID X 1.62OD
24 022237 4 WASHER LOCK 3/8
25 022511 4 BOLT HHC 3/8-16 X 1-1/4 G5
26 022131 4 WASHER FLAT 3/8
27 039287 4 SCREW HHC M8-1.25 X 45 G8.8
28 022145 18 WASHER FLAT 5/16
29 049820 4 NUT LOCK HEX M8-1.25 NYL INSRT
30 090388 8 SCREW TAP M6-1.0X12
31 022129 17 WASHER LOCK M8-5/16
32 022259 8 NUT HEX 5/16-18
33 059637 2 SCREW TAPTITE 3/8-16X 3/4”
34 048031K 3 BAND, HOSE CLAMP 35.05 DIA.
35 0C9592 1 BELLOWS
36 048031M 2 HOSE CLAMP 3/4"
37 040976 2 SCREW SHC M8-1.25 X 20 G12.9
38 0G0414 1 PLATE “HOT”
39 0D5823 3 U-BOLT 5/16”-18 X 1.62” W/ SADDLE
40 090239 1 GASKET, EXHAUST
41 0C6989 1 STINGER, ENGINE AIR IN
42 0D1214 1 BASE, AIR CLEANER
43 0C8127 1 ELEMENT, AIR CLEANER
44 0C3024 1 COVER, AIR CLEANER NG/LP
45 0D2273 1 TUBE, 1.25"O.D. x 20Ga. x 12.125" LONG
46 055934N 1 CLAMP VINYL 1.31 X .281 Z
47 0F7065 1.25 FT HOSE LP 1/2" I.D.
48 0C5136A 2 KNOB, AIR CLEANER
49 039253 2 SCREW HHC M8-1.25 X 20 G8.8
50 022473 4 WASHER FLAT 1/4
52 066849 2 SCREW HHTT M5-0.8 X 16
53 0F6551 1 FLEX COVER
54 0F8079 1 BRACKET MUFFLER ACCESS
55 0F0710 2 RIVET POP 0.125” X 0.337”
56 0F8256 1 EXHAUST MANIFOLD
57 045771 4 NUT HEX M8-1.25 NY INS
58 0G0676 2 SCREW THTT M6-1.0 X 10
59 074906 4 SCREW HHTT M6-1.0 X 20

60

61
Section 8 — Exploded Views and Parts Lists
Air-cooled Generators
10, 13, and 16kW, V-twin Generators – Drawing No. 0G4392-A
ITEM PART NO. QTY. DESCRIPTION
1 040976 4 SCREW SHC M8-1.25 X 20mm
2 0F6694 1 STATOR (16KW)
0F5538 1 STATOR (13KW)
0F7548 1 STATOR (10KW)
3 0F9795 1 ROTOR (16KW)
0F5539 1 ROTOR (13KW)
0F7549 1 ROTOR (10KW)
4 0F7774 1 CARRIER, REAR BEARING
5 0E9579 1 FAN, 12” CURVED BLADE
0F8998 1 FAN, 12” CURVED BLADE (10KW)
6 0F6591 1 MUFFLER
7 0F8078 1 TAIL PIPE, MUFFLER
8 099502 2 CLAMP HOSE #24 B1.06-2.00 (10KW)
9 056482 1 BEARING
10 0C3168 3 5/16 SPECIAL LOCK WASHER
11 0D1838 1 BOLT, IHHCS 3/8”-24 X 15.50”
12 0D1846 4 BOLT, IHHCS M8-1.25 X 345mm
13 0C7038 1 BRACKET, ALTERNATOR MOUNTING
14 0F9396 1 DUCT, ALTERNATOR AIR
15 0D2559 1 GASKET, ALTERNATOR AIR DUCT
16 0C7038A 1 BRACKET, ENGINE MOUNTING
0F4179 1 PLATE, MOUNTING ENG 530HSB
17 0C7758 4 RUBBER MOUNT
18 0388050AD0 1 CABLE, #6 48” BLACK BATTERY
19 0C2417A 1 EARTH STRAP 3/8 X 3/8
20 0F6528 1 EXHAUST FLEX
21 066386 1 ASSEMBLY BRUSH HOLDER
22 029451 2.6 FT TAPE ELEC UL FOAM 1/8 X 1/2
23 049451 1 WASHER FLAT .406ID X 1.62OD
24 022237 1 WASHER LOCK 3/8
25 035685 1 CLAMP HOSE #28 1.32-2.25 (10KW)
26 0E9549 1 HOSE, INTAKE GTH530 HSB (10KW)
27 051731 4 SCREW HHC M8-1.25 X 50
28 022145 18 WASHER FLAT 5/16 ZINC
29 049820 4 NUT LOCK HEX M8-1.25 NYL INSERT
30 0G0676 2 SCREW THTT M6-1.0 X 10
ITEM PART NO. QTY. DESCRIPTION
31 022129 18 WASHER LOCK M8-5/16
32 022259 8 NUT LOCK HEX 5/16-18
33 059637 2 SCREW TAPTITE 3/8-16 X ¾
34 0E9591 1 SPRING-CHOKE RETURN (10KW)
35 0F7065 3 FT HOSE RES ½ LP GAS
36 048031M 4 HOSE CLAMP ¾” I.D.
37 0E9589 1 CHOKE HSG (10KW)
38 0G0414 1 PLATE, “HOT”
39 0D5823 3 U-BOLT 5/16”-18 X 1.62” WITH SADDLE
40 0E9369 2 GASKET, EXHAUST PORT (10KW)
0C4138 2 GASKET, EXHAUST PORT
41 040173 2 CLAMP HOSE #5.5 0.62”-0.62” (10KW)
42 074995 1.44 FT HOSE ¼ ID LPG 350PSI UL21 (10KW)
43 066849 2 SCREW HHTT M5-0.8 X 16
44 0F7799 1 EXHAUST MANIFOLD
0F8115 1 EXHAUST MANIFOLD (10KW)
45 0G30430GS0R 1 FLEX COVER
0G30440GS0R 1 FLEX COVER (10KW)
46 0E9595 2 SCREW PPPH HI-LO #6/1/2 W/ #5HD
(10KW)
47 090388 7 SCREW TAPTITE M6-1.0 X 12
48 045771 4 NUT HEX M8-1.25
49 039253 2 SCREW HHC M8-1.25 X 20
50 0F0710 2 RIVET POP 0.125” X 0.337”
51 0F8079 1 BRACKET MUFFLER ACCESS
52 0F9273 1 SOLENOID, 6 VOLTS DC (10KW)
53 0E9592 2 SCREW PPHM $4-40 X 3/8 SEMS (10KW)
54 0E9588 1 LINKAGE, CHOKE (10KW)
55 077091 1 COTTER PIN (10KW)
56 0E9581 1 AIR CLEANER GTH530 HSB (10KW)
57 0E9594 3 SCREW PPPH HI-LO #14-15 X ½ (10KW)
58 0E9590 1 ASSEMBLY, CHOKE SHAFT (10KW)
59 0E9542 1 VALVE, CHOKE (10KW)
60 0D1683 2 SCREW PFHM M3-0.5 X 5 (10KW)
61 077075 1 BOOT, CHOKE SOLENOID (10KW)

62

63
ITEM PART NO. QTY. DESCRIPTION
1 0D5694 1 CASTING, TWIN REGULATOR HOUSING (7KW)
0F9285 1 CASTING, TWIN REGULATOR HOUSING
2 0F5022 1 SOLENOID COIL, 12VDC
3 0C4647 1 GASKET , SOLENOID
4 0D4166 1 PLUNGER, LP REGULATOR ASSEMBLY
5 0F8822 1 REGULATOR BRACKET
6 022145 2 WASHER FLAT 5/16-M8
7 022129 2 WASHER LOCK 5/16-M8
8 0F4795 4 SCREW PPHM SEMS M4-0.7 X 10
9 0C5760P 1 FUEL JET GASEOUS REGULATOR (7KW)
10 0C6606 1 BARBED STRAIGHT ½ NPT x ½ (7KW)
0C6606 2 BARBED STRAIGHT ½ NPT x ½
11 097934 1 O-RING (7KW)
12 0C4645 1 ADJUSTER SCREW, TWIN REGULATOR (7KW)
13 0C5761 2 LEVER, REGULATOR
14 0C5968 2 SUPPORT, INLET SEAL
15 0C6066 2 SEAL, INLET
16 0C5759 2 PIN, PIVOT ARM
17 0C5764A 2 SPRING, REGULATOR (7KW)
0C5764 2 SPRING, REGULATOR
18 070728 4 SCREW, PFHMS M3-0.5 x 5
19 0C6069 2 GASKET, DIAPHRAGM
20 0C5762 2 COVER, TWIN REGULATOR (7KW)
0F9189 2 COVER, TWIN REGULATOR
21 045764 16 SCREW, TAPTITE M4X8 BP
22 0C6731 2 RIVET, POP .118 X .125
23 0C6067 2 SUPPORT, DIAPHRAGM
24 0C4706 2 DIAPHRAGM, TWIN REGULATOR
25 0C6068 2 CAP, DIAPHRAGM SUPPORT
26 0C4643A 2 INLET, TWIN REGULATOR 11.11 DIA.
27 072683 2 PLUG STD PIPE 1/8 SOCKET HEAD (7KW)
072683 1 PLUG STD PIPE 1/8 SOCKET HEAD
28 0A4032 1 PIN, LIMITED ADJUSTMENT (7KW)
29 0D3308 4 WASHER, FLAT M3 X 10mm O.D.
30 024310 1 PLUG, STANDARD PIPE 1/2” STEEL SQUARE HEAD (7KW)
31 0D3973 1 PLUG, EXPANSION 16mm (7KW)
32 042907 2 SCREW HHC M8-1.25 X 16
33 028414A 1 BARBED STRAIGHT 1/8”NPT X ¼” (10KW)
34 035483 1 NIPPLE PIPE 1/8” NPT X 1-1/2” (10KW)
35 0G0247 1 SOLENOID, LP/NG DC12V (10KW)
36 0F9773B 1 SOLENOID WIRE, #0 (10KW)
37 0F9773A 1 SOLENOID WIRE, #14 (10KW)
Section 8 — Exploded Views and Parts Lists
Air-cooled Generators
7 & 10kW, GN-410/GT-530 Regulator – Drawing No. 0F9425-B

64

65
ITEM PART NO. QTY. DESCRIPTION
1 0F9285 1 CASTING, TWIN REGULATOR HOUSING
2 0F5022 1 SOLENOID COIL, 12VDC
3 0C4647 2 GASKET , SOLENOID
4 0D4166 1 PLUNGER, LP REGULATOR ASSEMBLY
5 0F8096 1 BRKT REGULATOR MOUNTING 990
6 022145 4 WASHER FLAT 5/16-M8
7 022129 4 WASHER LOCK 5/16-M8
8 0F4795 8 SCREW PPHM SEMS M4-0.7 X 10
9 045771 2 NUT HEX M8-1.25
10 0C6606 2 BARBED STRAIGHT ½ NPT x ½
11 042907 2 SCREW HHC M8-1.25 X 16
12 026915A 1 NIPPLE CLOSE ¾ X 1.375 WITH VIBRA SEAL
13 0C5761 2 LEVER, REGULATOR
14 0C5968 2 SUPPORT, INLET SEAL
15 0C6066 2 SEAL, INLET
16 0C5759 2 PIN, PIVOT ARM
17 0C5764 2 SPRING, REGULATOR
18 070728 4 SCREW, PFHMS M3-0.5 x 5
19 0C6069 2 GASKET, DIAPHRAGM
20 0F9189 2 COVER, TWIN REGULATOR
21 045764 16 SCREW, TAPTITE M4X8 BP
22 0C6731 2 RIVET, POP .118 X .125
23 0C6067 2 SUPPORT, DIAPHRAGM
24 0C4706 2 DIAPHRAGM, TWIN REGULATOR
25 0C6068 2 CAP, DIAPHRAGM SUPPORT
26 0C4643A 2 INLET, TWIN REGULATOR 11.11 DIA.
27 072683 3 PLUG STD PIPE 1/8 SOCKET HEAD
28 049226 4 WASHER, LOCK, M5
29 0D3308 4 WASHER, FLAT M3 X 10mm O.D.
30 051713 4 WASHER, FLAT, M5
31 0F8979 1 SOLENOID COVER PLATE
32 051716 4 NUT HEX M5-0.8
33 0E9533 1 SOLENOID ADAPTER
34 0E9534 1 ASSY, FUEL SYSTEM PLENUM
35 0E9535 1 PLENUM GASKET
Section 8 — Exploded Views and Parts Lists
Air-cooled Generators
13 & 16kW, GT-990 Regulator – Drawing No. 0F9426-A



68
CALIFORNIA EMISSION CONTROL WARRANTY STATEMENT
YOUR WARRANTY RIGHTS AND OBLIGATIONS
The California Air Resources Board (CARB) and Generac Power Systems, Inc. (Generac) are pleased to explain the Emission
Control System Warranty on your new engine.* In California, new utility, and lawn and garden equipment engines must be
designed, built and equipped to meet the state’s stringent anti-smog standards. Generac will warrant the emission control
system on your engine for the periods of time listed below provided there has been no abuse, neglect, unapproved modifica-
tion or improper maintenance of your engine.
Your emission control system may include parts such as the carburetor, ignition system and exhaust system. Generac will
repair your engine at no cost to you for diagnosis, replacement parts and labor, should a warrantable condition occur.
MANUFACTURER’S EMISSION CONTROL SYSTEM WARRANTY COVERAGE:
Emissions control systems on 1995 and later model year engines are warranted for two years as hereinafter noted. If, dur-
ing such warranty period, any emission-related component or system on your engine is found to be defective in materials or
workmanship, repairs or replacement will be performed by a Generac Authorized Warranty Service Facility.
PURCHASER’S/OWNER’S WARRANTY RESPONSIBILITIES:
As the engine purchaser/owner, you are responsible for the completion of all required maintenance as listed in your factory
supplied Owner’s Manual. For warranty purposes, Generac recommends that you retain all receipts covering maintenance
on your engine. However, Generac cannot deny warranty solely due to the lack of receipts or for your failure to ensure the
completion of all scheduled maintenance.
As the engine purchaser/owner, you should, however, be aware that Generac may deny any and/or all warranty coverage or
responsibility if your engine, or a part/component thereof, has failed due to abuse, neglect , improper maintenance or unap-
proved modifications, or the use of counterfeit and/or “grey market” parts not made, supplied or approved by Generac.
You are responsible for contacting a Generac Authorized Warranty Service Facility as soon as a problem occurs. The
warranty repairs should be completed in a reasonable amount of time, not to exceed 30 days.
Warranty service can be arranged by contacting either your selling dealer or a Generac Authorized Warranty Service Facility.
To locate the Generac Authorized Warranty Service Facility nearest you, call our toll-free number:
1-800-333-1322
IMPORTANT NOTE: This warranty statement explains your rights and obligations under the Emission Control System
Warranty (ECS Warranty), which is provided to you by Generac pursuant to California law. See also the “Generac Limited
Warranties for Generac Power Systems, Inc.,” which is enclosed herewith on a separate sheet, also provided to you by
Generac. The ECS Warranty applies only to the emission control system of your new engine. If there is any conflict in
terms between the ECS Warranty and the Generac Warranty, the ECS Warranty shall apply except in circumstances where
the Generac Warranty may provide a longer warranty period. Both the ECS Warranty and the Generac Warranty describe
important rights and obligations with respect to your new engine.
Warranty service can be performed only by a Generac Authorized Warranty Service Facility. When requesting warranty ser-
vice, evidence must be presented showing the date of the sale to the original purchaser/owner.
If you have any questions regarding your warranty rights and responsibilities, you should contact Generac at one of
the following addresses:
For Air-cooled Product ... For Liquid-cooled Product ...
ATTENTION WARRANTY DEPARTMENT ATTENTION WARRANTY DEPARTMENT
GENERAC POWER SYSTEMS, INC. GENERAC POWER SYSTEMS, INC.
P.O. BOX 297 211 MURPHY DRIVE
WHITEWATER, WI 53190 EAGLE, WI 53119
Part 1
Section 10 – Warranty
Air-cooled Generators
NOTE: This Emission Control Warranty Statement pertains to this product only IF the generator size is 15 kW or below.

69

Part No. 0F9421 Revision L (08/14/07) Printed in U.S.A.
Section 10 – Warranty
Air-cooled Generators
GENERAC POWER SYSTEMS "TWO YEAR" LIMITED WARRANTY FOR GUARDIAN®
"PREPACKAGED EMERGENCY AUTOMATIC STANDBY GENERATORS"
For a period of two years from the date of original sale, Generac Power Systems, Inc. (Generac) warrants that its Guardian generator will
be free from defects in material and workmanship for the items and period set forth below. Generac will, at its option, repair or replace
any part which, upon examination, inspection and testing by Generac or a Guardian Authorized Warranty Service Dealer, is found to
be defective. Any equipment that the purchaser/owner claims to be defective must be examined by the nearest Guardian Authorized
Warranty Service Dealer. All transportation costs under the warranty, including return to the factory, are to be borne and prepaid by
the purchaser/owner. This warranty applies only to Generac Guardian prepackaged emergency automatic standby generators sold and
rated for use in "Standby" applications.
WARRANTY SCHEDULE
YEARS ONE and TWO - 100% (one hundred percent) transferable coverage on Labor and Part(s) listed (proof of purchase and main-
tenance is required):
Engine - All Components
Alternator - All Components
Transfer System - All Components
Steel enclosures are warranted against rusting for the first year of ownership only. Damage caused after receipt of generator is the
responsibility of the owner and is not covered by this warranty. Nicks, scrapes, dents or scratches to the painted enclosure should be
repaired promptly by the owner.
All warranty expense allowances are subject to the conditions defined in Guardian's Warranty Policies, Procedures and Flat Rate
Manual.
THIS WARRANTY SHALL NOT APPLY TO THE FOLLOWING:
• Guardian generators that utilize non-Guardian/Generac replacement parts.
• Guardian generators utilizing non-Guardian/Generac automatic transfer switches.
• Repairs or diagnostics performed by individuals other than Guardian/Generac authorized dealers not authorized in writing by Generac Power
Systems.
• Any Guardian generators used as rental or trailer mounted applications.
• Damage to generator system (including transfer switch) caused by improper installation or costs necessary to correct installation.
• Units used for prime power in place of existing utility power where utility power is present or in place of utility power where utility power service does
not normally exist.
• Costs of normal maintenance, adjustments, installation and start-up.
• Steel enclosures that are rusting due to the improper installation, location in a harsh or saltwater environment or scratched where integrity of paint
applied is compromised.
• Failures caused by any contaminated fuels, oils, coolants or lack of proper fluid amounts.
• Failures due, but not limited, to normal wear and tear, accident, misuse, abuse, negligence or improper installation. As with all mechanical devices, the
Generac engines need periodic part(s) service and replacement to perform well. This warranty will not cover repair when normal use has exhausted
the life of a part(s) or engine.
• Failures caused by any external cause or act of God, such as collision, theft, vandalism, riot or wars, nuclear holocaust, fire, freezing, lightning, earth-
quake, windstorm, hail, volcanic eruption, water or flood, tornado or hurricane.
• Damage related to rodent and/or insect infestation.
• Products that are modified or altered in a manner not authorized by Generac in writing.
• Any incidental, consequential or indirect damages caused by defects in materials or workmanship, or any delay in repair or replacement of the defec-
tive part(s).
• Failure due to misapplication.
• Telephone, cellular phone, facsimile, internet access or other communication expenses.
• Living or travel expenses of person(s) performing service, except as specifically included within the terms of a specific unit warranty period.
• Expenses related to "customer instruction" or troubleshooting where no manufacturing defect is found.
• Rental equipment used while warranty repairs are being performed.
• Costs incurred for equipment used for removal and/or reinstallation of generator, (i.e.; cranes, hoists, lifts, etc.)
• Overnight freight costs for replacement part(s).
• Overtime labor.
• Starting batteries, fuses, light bulbs and engine fluids.
THIS WARRANTY IS IN PLACE OF ALL OTHER WARRANTIES, EXPRESSED OR IMPLIED. SPECIFICALLY, GENERAC MAKES
NO OTHER WARRANTIES AS TO THE MERCHANTABILITY OR FITNESS FOR A PARTICULAR PURPOSE. Some states do not
allow limitations on how long an implied warranty lasts, so the above limitation may not apply to you.
GENERAC'S ONLY LIABILITY SHALL BE THE REPAIR OR REPLACEMENT OF PART(S) AS STATED ABOVE. IN NO EVENT
SHALL GENERAC BE LIABLE FOR ANY INCIDENTAL OR CONSEQUENTIAL DAMAGES, EVEN IF SUCH DAMAGES ARE A
DIRECT RESULT OF GENERAC'S NEGLIGENCE. Some states do not allow the exclusion or limitation of incidental or consequential
damages, so the above limitation may not apply to you.
This warranty gives you specific legal rights. You also have other rights from state to state.
GENERAC® POWER SYSTEMS, INC.
P.O. BOX 297 • WHITEWATER, WI 53190 Revision (09/01/06)