Generac Power Systems Guardian Rv 004700 00 Users Manual 0D8351revR
004700-00 to the manual afc584b1-1db2-45a6-8c50-d8102997aa77
2015-02-09
: Generac-Power-Systems Generac-Power-Systems-Guardian-Rv-004700-00-Users-Manual-559955 generac-power-systems-guardian-rv-004700-00-users-manual-559955 generac-power-systems pdf
Open the PDF directly: View PDF
.
Page Count: 52

Owner’s Manual and
Installation Instructions
Air-cooled Recreational
Vehicle Generators
• Model: 004700-0
QUIETPACT 40G
This manual should remain with the unit.

INTRODUCTION
Thank you for purchasing this model of the
QUIETPACT product line by Generac Power Systems
Inc. This model is designed and manufactured to
supply electrical power for recreational vehicles.
READ THIS MANUAL THOROUGHLY
If any portion of this manual is not understood, con-
tact the nearest Authorized Service Dealer for starting,
operating and servicing procedures.
Throughout this publication, and on tags and
decals affixed to the generator, DANGER, WARNING,
CAUTION and NOTE blocks are used to alert person-
nel to special instructions about a particular opera-
tion that may be hazardous if performed incorrectly
or carelessly. Observe them carefully. Their defini-
tions are as follows:
DANGER
After this heading, read instructions that, if not
strictly complied with, will result in personal injury
or property damage.
After this heading, ead instructions that, if not
strictly complied with, may result in personal injury
or property damage.
After this heading, read instructions that, if not
strictly complied with, could result in damage to
equipment and/or property.
NOTE:
After this heading, read explanatory statements
that require special emphasis.
These safety warnings cannot eliminate the hazards
that they indicate. Common sense and strict compli-
ance with the special instructions while performing
the service are essential to preventing accidents.
Four commonly used safety symbols accompany the
DANGER, WARNING and CAUTION blocks. The type
of information each indicates follows:
This symbol points out important safety informa-
tion that, if not followed, could endanger person-
al safety and/or property of others.
This symbol points out potential explosion hazard.
This symbol points out potential fire hazard.
This symbol points out potential electrical shock
hazard.
The operator (driver) is responsible for proper and
safe use of the vehicle and its equipment, and the
safety of all vehicle occupants. We strongly recom-
mend that the operator read this manual and thor-
oughly understand all instructions before using this
equipment. We also strongly recommend instructing
other occupants in the vehicle to properly start and
operate the generator. This prepares them if they need
to operate the equipment in an emergency.
CONTENTS
This manual contains pertinent owner’s information,
including warranty, electrical diagrams, exploded
views and lists of repair parts for generator model
numbers 004700-0. In addition, the latter portion of
this manual contains information necessary for the
proper installation of these generators.
OPERATION AND MAINTENANCE
It is the operator's responsibility to perform all safety
checks, to make sure that all maintenance for safe
operation is performed promptly, and to have the
equipment checked periodically by an Authorized
Service Dealer. Normal maintenance service and
replacement of parts are the responsibility of the
owner/operator and, as such, are not considered
defects in materials or workmanship within the
terms of the warranty. Individual operating habits
and usage contribute to the need for maintenance
service.
Proper maintenance and care of the generator ensures
a minimum number of problems and keep operating
expenses at a minimum. See an Authorized Service
Dealer for service aids and accessories.
HOW TO OBTAIN SERVICE
When the generator requires servicing or repairs,
simply contact an Authorized Service Dealer for
assistance. Service technicians are factory-trained
and are capable of handling all service needs.
When contacting an Authorized Service Dealer or the
factory about parts and service, always supply the
complete model number and serial number of the
unit as given on its data label, which is located on the
generator.
Model No. ____________ Serial No. ______________
AUTHORIZED SERVICE
DEALER LOCATION
To locate the nearest AUTHORIZED SERVICE
DEALER, please call this number:
1-800-333-1322
or locate us on the web at:
www.generac.com

Table of Contents
Recreational Vehicle Generator
1
Part I – Owner’s Manual
Introduction ...................................... Inside Front Cover
Read This Manual Thoroughly ................................IFC
Contents .................................................................IFC
Operation and Maintenance ....................................IFC
How to Obtain Service ............................................IFC
Authorized Service Dealer Locator Number .............. IFC
Safety Rules ...................................................................... 2
Section 1 – General Information ................................. 4
1.1 Generator Identification ...................................... 4
1.2 Generator Applicability ....................................... 5
1.3 Safety..... .............................................................. 5
1.4 Generator AC Connection System ....................... 5
1.5 Specifications ...................................................... 5
Section 2 – Operation .................................................... 7
2.1 Generator Control Panel ....................................... 7
2.2 Optional Remote Start/Stop Panel ........................ 7
2.3 Automatic Choke .................................................. 7
2.4 Before Starting the Engine ................................... 7
2.5 Starting the Generator ......................................... 8
2.6 Stopping the Generator ........................................ 9
2.7 Applying Loads to Generator ................................ 9
2.8 Do Not Overload the Generator ............................ 9
2.9 Protection Systems ............................................... 9
2.10 Additional Information ....................................... 10
Section 3 – Maintenance .............................................. 11
3.1 Checking the Engine Oil Level ............................ 11
3.2 Changing the Engine Oil and/or Oil Filter .......... 11
3.3 Maintaining the Engine Air Cleaner .................... 12
3.4 Clean Air Intake ................................................. 13
3.5 Checking the Engine Spark Plug ........................ 13
3.6 Fuel Filter ........................................................... 13
3.7 Spark Arrestor Service ....................................... 13
3.8 Cleaning the Generator ...................................... 14
3.9 Battery Maintenance ........................................... 14
3.10 Major Service Manual ......................................... 15
3.11 Exercising the Generator .................................... 15
3.12 Out of Service Procedure .................................... 15
3.13 Adjusting Valve Clearance................................... 15
3.14 RV Generator Service Interval ............................ 16
Part II – Installation Instructions
Safety Rules .................................................................... 18
Section 1 – General Information ............................... 20
1.1 Purpose and Scope of the Manual ..................... 20
1.2 Safety...... ........................................................... 20
1.3 Standards Booklets ........................................... 20
1.4 Equipment Description ..................................... 20
1.5 Generator Engine Operating Speed ................... 20
1.6 Generator AC Connection System ..................... 20
Section 2 – Installation ................................................ 22
2.1 Location and Support ....................................... 22
2.2 Generator Compartments ................................. 23
2.3 Cooling and Ventilating Air ................................ 26
2.4 Gasoline Fuel System ........................................ 26
2.5 Exhaust System................................................. 27
2.6 Electrical Connections ....................................... 28
2.7 Battery Installation... ......................................... 31
2.8 Optional Accessories ......................................... 31
Section 3 – Post-installation Start-up
Adjustments .............................................. 32
3.1 Post Installation Tests ....................................... 32
3.2 Before Initial Start-up ........................................ 32
3.3 Initial Start ........................................................ 32
3.4 Testing Under Load ........................................... 32
3.5 Installation Checklist ......................................... 33
Appendix 1 – Notes ...................................................... 34
Appendix 2 – Troubleshooting ................................... 35
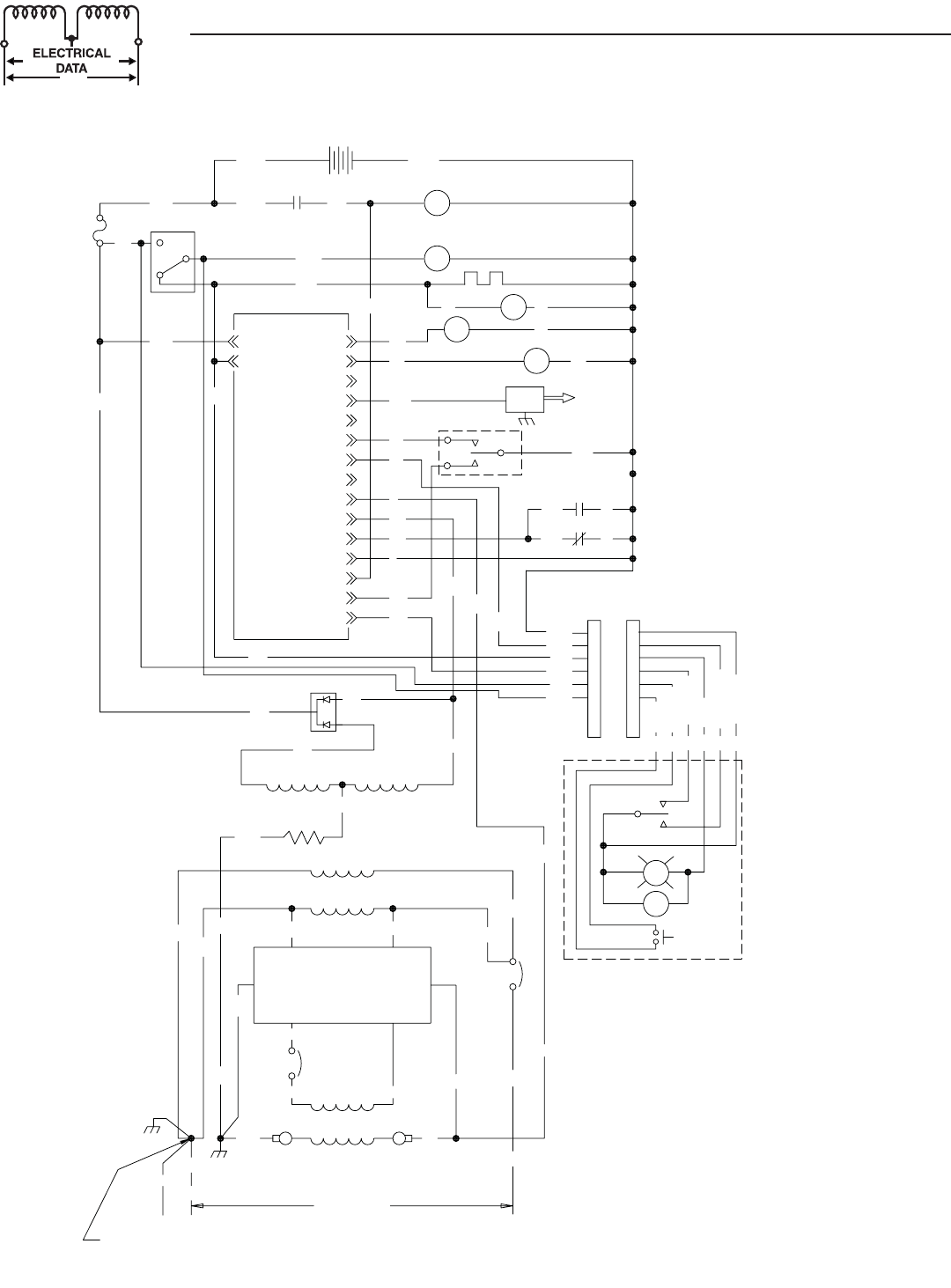
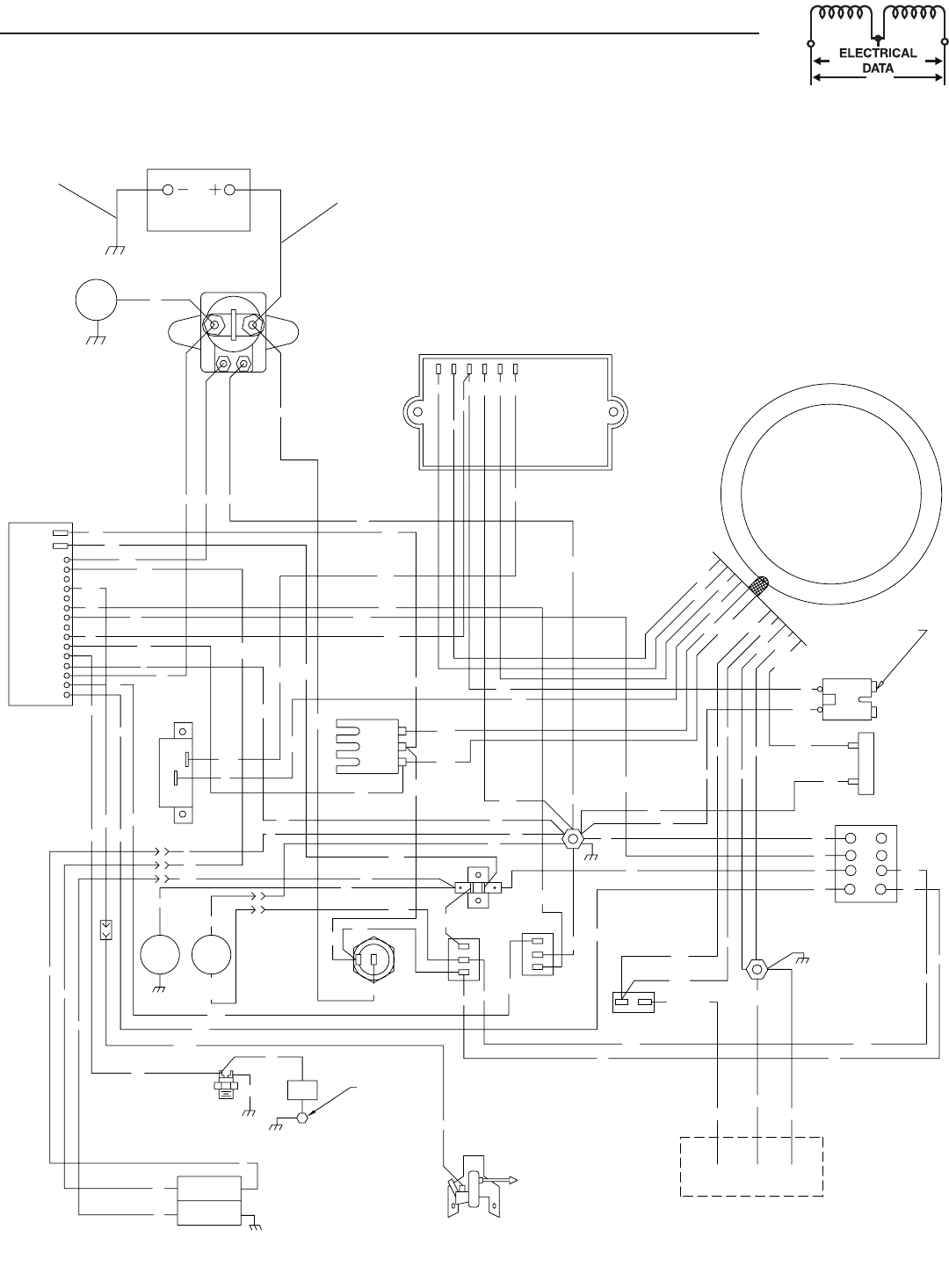
Appendix 3 – Electrical Data ...................................... 36
Appendix 4 – Exploded Views and Parts Lists ....... 38
Appendix 5 – Warranty ................................................48

2
Study these SAFETY RULES carefully before install-
ing, operating or servicing this equipment. Become
familiar with this manual and with the unit. The gen-
erator can operate safely, efficiently and reliably only
if it is properly installed, operated and maintained.
Many accidents are caused by failing to follow simple
and fundamental rules or precautions.
The manufacturer cannot anticipate every possible
circumstance that might involve a hazard. The warn-
ings in this manual, and on tags and decals affixed
to the unit, are, therefore, not all-inclusive. If using
a procedure, work method or operating technique
the manufacturer does not specifically recommend,
ensure that it is safe for others. Also make sure the
procedure, work method or operating technique uti-
lized does not render the generator unsafe.
DANGER
Despite the safe design of this generator,
operating this equipment imprudently, neglecting
its maintenance or being careless can cause
possible injury or death. Permit only responsible
and capable persons to operate or maintain this
equipment.
Potentially lethal voltages are generated by
these machines. Ensure all steps are taken to
render the machine safe before attempting to
work on the generator.
Parts of the generator are rotating and/or hot
during operation. Exercise care near running
generators.
GENERAL HAZARDS
• For safety reasons, the manufacturer recommends
that the installation, initial start-up and main-
tenance of this equipment is carried out by an
Authorized Service Dealer.
• The generator engine releases DEADLY carbon
monoxide gas through its exhaust system. This
dangerous gas, if breathed in sufficient concentra-
tions, can cause unconsciousness or even death.
Never operate the generator set with the vehicle
inside any garage or other enclosed area. DO NOT
OPERATE THE GENERATOR IF THE EXHAUST
SYSTEM IS LEAKING OR HAS BEEN DAMAGED.
SYMPTOMS OF CARBON MONOXIDE POISONING
ARE (a) inability to think coherently, (b) nausea,
(c) vomiting, (d) twitching muscles, (e) throbbing
temples, (f) dizziness, (g) headaches, (h) weak-
ness, and (i) sleepiness. IF EXPERIENCING ANY
OF THESE SYMPTOMS, MOVE INTO FRESH AIR
IMMEDIATELY. IF SYMPTOMS PERSIST, GET
MEDICAL HELP. Shut down the generator and
do not operate it until it has been inspected and
repaired.
• Never sleep in the vehicle while the genset is run-
ning unless the vehicle has a working carbon
monoxide detector. The exhaust system must be
installed in accordance with the genset installation
manual. Make sure there is ample fresh air when
operating the genset in a confined area.
• The engine exhaust fumes contain carbon monox-
ide, which can be DEADLY. This dangerous gas, if
breathed in sufficient concentrations, can cause
unconsciousness or even death. This exhaust
system must be installed properly, in strict com-
pliance with applicable codes and standards.
Following installation, do nothing that might ren-
der the system unsafe or in noncompliance with
such codes and standards. The generator com-
partment must be completely vapor sealed from
the vehicle interior. There must be no possibility of
exhaust fumes entering the vehicle interior. Never
operate this equipment with a leaking or defective
exhaust system.
• Keep hands, feet, clothing, etc., away from drive
belts, fans, and other moving or hot parts. Never
remove any drive belt or fan guard while the unit
is operating.
• Adequate, unobstructed flow of cooling and ven-
tilating air is critical to correct generator opera-
tion and is required to expel toxic fumes and fuel
vapors from the generator compartment. Without
sufficient cooling airflow, the engine/generator
quickly overheats, which causes serious damage
to the generator. Do not alter the installation or
permit even partial blockage of ventilation provi-
sions, as this can seriously affect safe operation of
the generator.
Safety Rules
Recreational Vehicle Generator
SAVE THESE INSTRUCTIONS – The manufacturer suggests that these rules for safe
operation be copied and posted in potential hazard areas of the recreational vehicle.
Safety should be stressed to all operators and potential operators of this equipment.
The engine exhaust from this product
contains chemicals known to the state
of California to cause cancer, birth
defects or other reproductive harm.
WARNING:
This product contains or emits chemicals
known to the state of California to cause
cancer, birth defects or other reproductive harm.
WARNING:

3
• When working on this equipment, remain alert
at all times. Never work on the equipment when
physically or mentally fatigued.
• Inspect the generator regularly, and contact the
nearest Authorized Service Dealer immediately for
parts needing repair or replacement.
• Before performing any maintenance on the gen-
erator, disconnect its battery cables to prevent
accidental start up. Disconnect the cable from the
battery post indicated by a NEGATIVE, NEG or (–)
first. Reconnect that cable last.
• Never use the generator or any of its parts as a
step. Stepping on the unit can stress and break
parts, and may result in dangerous operating con-
ditions from leaking exhaust gases, fuel leakage,
oil leakage, etc.
ELECTRICAL HAZARDS
• The generator covered by this manual produces
dangerous electrical voltages and can cause fatal
electrical shock. Avoid contact with bare wires, ter-
minals, connections, etc., while the unit is running.
Ensure all appropriate covers, guards and barriers
are in place before operating the generator. If work
must be done around an operating unit, stand on
an insulated, dry surface to reduce shock hazard.
• Do not handle any kind of electrical device while
standing in water, while barefoot, or while hands or
feet are wet. DANGEROUS ELECTRICAL SHOCK
MAY RESULT.
• During installation onto the vehicle, have the
generator properly grounded (bonded) either by
solid mounting to the vehicle frame or chassis,
or by means of an approved bonding conductor.
DO NOT disconnect the bonding conductor, if so
equipped. DO NOT reconnect the bonding conduc-
tor to any generator part that might be removed or
disassembled during routine maintenance. If the
grounding conductor must be replaced, use only a
flexible conductor that is of No. 8 American Wire
Gauge (AWG) copper wire minimum.
• In case of accident caused by electric shock, imme-
diately shut down the source of electrical power.
If this is not possible, attempt to free the victim
from the live conductor. AVOID DIRECT CONTACT
WITH THE VICTIM. Use a nonconducting imple-
ment, such as a rope or board, to free the victim
from the live conductor. If the victim is uncon-
scious, apply first aid and get immediate medical
help.
• Never wear jewelry when working on this equip-
ment. Jewelry can conduct electricity resulting in
electric shock, or may get caught in moving com-
ponents causing injury.
FIRE HAZARDS
• For fire safety, the generator must be installed
and maintained properly. Installation always must
comply with applicable codes, standards, laws
and regulations. Adhere strictly to local, state and
national electrical and building codes. Comply
with regulations the Occupational Safety and
Health Administration (OSHA) has established.
Also, ensure that the generator is installed in
accordance with the manufacturer’s instructions
and recommendations. Following proper installa-
tion, do nothing that might alter a safe installation
and render the unit in noncompliance with the
aforementioned codes, standards, laws and regula-
tions.
• Keep a fire extinguisher in the vehicle at all times.
Extinguishers rated “ABC” by the National Fire
Protection Association are appropriate for use on
the recreational vehicle generator electrical sys-
tem. Keep the extinguisher properly charged and
be familiar with its use. If there are any questions
pertaining to fire extinguishers, consult the local fire
department.
EXPLOSION HAZARDS
• Do not smoke around the generator. Wipe up any
fuel or oil spills immediately. Ensure that no com-
bustible materials are left in the generator com-
partment, or on or near the generator, as FIRE or
EXPLOSION may result. Keep the area surround-
ing the generator clean and free from debris.
• Gasoline is extremely FLAMMABLE and its vapors
are EXPLOSIVE. Do not permit smoking, open
flame, sparks or any source of heat in the vicinity
while handling gasoline. Comply with all laws gov-
erning the storage and handling of gasoline.
Safety Rules
Recreational Vehicle Generator

4
1. Generator Air Intake
2. Engine Start/Stop Switch
3. Fuse
4. Optional Remote Panel Receptacle (Side View)
5. Generator AC Output Leads (Side View)
6. Fuel Primer Switch
7. Circuit Breaker
8. Starter Contactor
9. Fuel Inlet
10. Fuel Pump (Behind Access Panel)
11. Fuel Filter (Side View)
12. Oil Filter
13. Oil Drain Cap
14. Oil Dipstick
15. Air Filter (Behind Access Panel)
16. Oil Fill
17. Spark Plug
Section 1 – General Information
Recreational Vehicle Generator
Please record the following information from the generator DATA DECAL or information decal.
1. Model Number _____________________ 2. Serial Number __________________
3. kW Rating _________________________ 4. Rated Voltage __________________
RAC OHVI INDUSTRIAL ENGINE
I
t
r
e
,
e
w
a
D
W
AC
TM
RV SERVICE LOCATOR:
1.800.333.1322
PACT 40G
*
SER V ICE A C CES S PA NEL
OIL LEVEL: CHECK DAILY
AIR FILTER: CLEAN PREFILTER
EVERY 100 HOURS.
REPLACE ELEMENT
EVERY 250 HOURS.
OIL & OIL FILTER:
CHANGE EVERY 100
(IF NECESSARY)
EVERY 500 HOURS.
HOURS. REPLACE PLUGS
PLUGS EVERY 100
INSPECT & CLEANSPARK PLUGS:
REPLACEMENT INFORMATION
*
PERFORM MORE OFTEN IN DUSTY CONDITIONS
AIR FILTER LOCATED BEHIND PANEL.
MAINTENANCE SCHEDULE
AIR FILTER P/N: 0D3262
070185OIL FILTER P/N:
SPARK PLUG P/N: 072347
OIL CAPACITY WITH FILTER:
0.8L/0.84QT
TEMPERATURE SAE VISCOSITY
32˚F AND HIGHER
10˚F TO 100˚F
0˚F TO 80˚F
-20˚F TO 50˚F 5W-30
10W-30
15W-40
30
WHEN SERVICE OR PARTS ARE NEEDED IN
THE USA OR CANADA, CONTACT THE GENERAC
SERVICE LOCATOR AT 1-800-333-1322.
HOURS. (OR ANNUALLY)
PREFILTER P/N: 0D4511
FUEL FILTER P/N: 0D7515
FUEL FILTER: CHANGE EVERY 400
HOURS. (OR ANNUALLY)
*
*
PRIME
FUEL
STOP
START 30A
C.B.
15 A
FUSE
CONTROL CENTER
1
2
3
7
6
10/15
17
8
14,16
13 12
4
5
9/11
1.1 GENERATOR IDENTIFICATION
Model: 004700-0

5
Section 1 – General Information
Recreational Vehicle Generator
1.2 GENERATOR APPLICABILITY
These generators have been designed and manufac-
tured for supplying electrical power for recreational
vehicles. Do not modify the generator or use it for
any application other than for what it was designed. If
there are any questions pertaining to its application,
contact an Authorized Service Dealer. Do not use the
unit until advised by a competent authority.
DANGER
For fire safety, the generator must have been
properly installed in compliance with ANSI
119.2-1975/NFPA 501C-1974, “Standard for
Recreational Vehicles, Part III – Installation of
Electrical Systems.” The generator also must
have been installed in strict compliance with the
manufacturer’s detailed installation instructions.
After installation, do nothing that might render
the unit in noncompliance with such codes, stan-
dards and instructions.
Use this generator to supply electrical power for
operating 120-volt, single-phase, 60 Hertz, AC electri-
cal loads. These loads can require up to 3,600 watts
(3.6 kW) of power, but cannot exceed 30 AC amperes
of current at 120 volts.
Do not overload the generator. Some installa-
tions may require that electrical loads be alter-
nated to avoid overloading. Applying excessively
high electrical loads may damage the generator
and may shorten its life. Add up the rated watts
of all electrical lighting, appliance, tool and
motor loads the generator will power at one
time. This total should not be greater than the
wattage capacity of the generator. If an electri-
cal device nameplate gives only volts and amps,
multiply volts times amps to obtain watts (volts
x amps = watts). Some electric motors require
more watts of power (or amps of current) for
starting than for continuous operation.
1.3 SAFETY
Before attempting to use the generator set, care-
fully read the “Safety Rules” section of this manual.
Comply strictly with these rules to prevent accidents
and damage to equipment and/or property. We sug-
gest copying and posting the “Safety Rules” in poten-
tial hazard areas of the vehicle. Stress safety to all
operators and potential operators of this equipment.
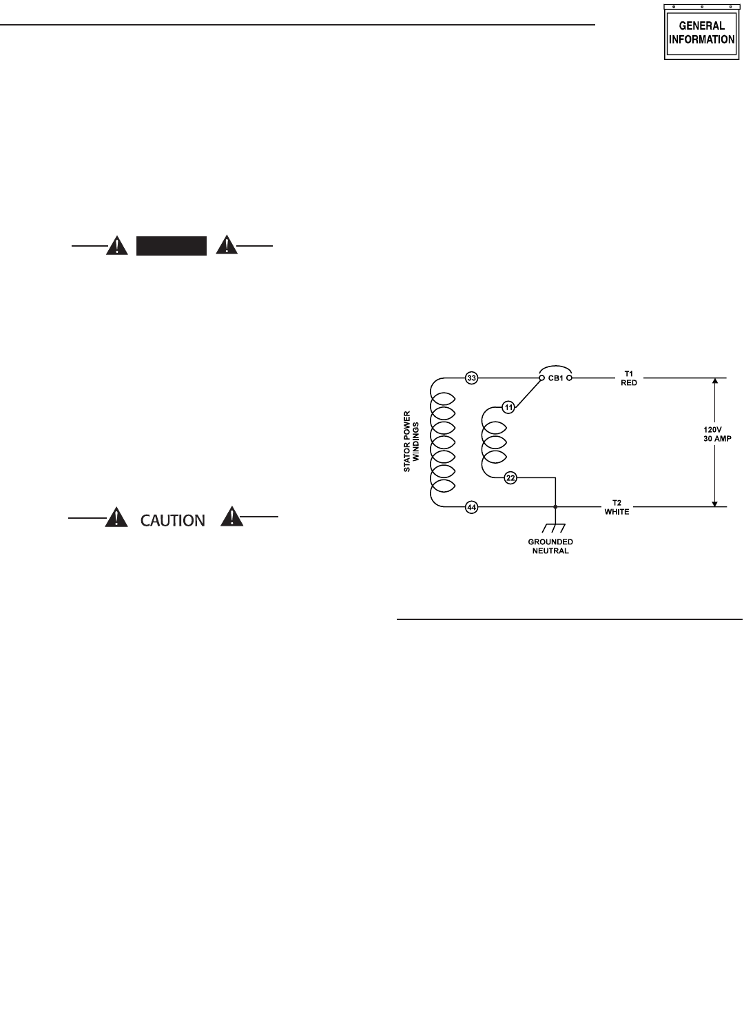
1.4 GENERATOR AC
CONNECTION SYSTEM
This generator set is equipped with dual stator AC
power windings. These two-stator windings sup-
ply electrical power to customer electrical loads by
means of a two-wire connection system. Note, how-
ever, that the neutral is bonded to the frame of the
engine-generator.
The generator may have been installed so that it pow-
ers 120-volt AC loads (Figure 1.1). It can be wired to
connect 120-volt AC electrical loads. This procedure
should be done by an Authorized Service Dealer or
other qualified installer.
Figure 1.1 – Connections for 120 Volts Only
1.5 SPECIFICATIONS
1.5.1 FUEL REQUIREMENTS
This generator is equipped with a gasoline fuel sys-
tem. Depending on the installation, the generator may
have either a separate fuel tank, or it may “share” the
vehicle engine’s fuel tank.
NOTE:
Some installations using a “shared” fuel tank may
have a generator fuel pickup tube that is shorter
than the vehicle engine’s pickup tube. Such an
arrangement causes the generator engine to “run
out of gas” while adequate fuel for the vehicle
remains in the tank.
To reduce lead and carbon deposits use high qual-
ity UNLEADED gasoline with the generator. Leaded
REGULAR grade gasoline is an acceptable substitute.
NOTE:
Using unleaded gasoline contributes to longer
engine valve life by reducing lead and carbon
deposits.

6
Section 1 – General Information
Recreational Vehicle Generator
The manufacturer does not recommend using
any gasoline containing alcohol (such as “gaso-
hol”). If using any gasoline containing alcohol, it
must not contain more than 10 percent ethanol,
and it must be removed from the generator dur-
ing storage. Do NOT use any gasoline
containing methanol. If using gasoline with alco-
hol, inspect more frequently for fuel leaks and
other abnormalities.
1.5.2 FUEL CONSUMPTION
Fuel consumption is in gal/hr.
1.5.3 ENGINE OIL REQUIREMENTS
Use only high quality detergent oil rated with American
Petroleum Institute (API) Service Classification SF,
SG or SH. The recommended oil weights include the
following:
• During summer months: SAE 30. An acceptable
substitute is SAE 10W-30.
• During winter months: SAE 5W-30. DO NOT USE
SAE 10-W40.
Crankcase and oil filter capacity is approximately
800 mL or .84 U.S. quarts. Do NOT use special addi-
tives. See Sections 3.1 and 3.2 for oil level check and
fill procedures.
1.5.4 ENGINE
Type of Engine ................................... GN-220, Single-cylinder
Cooling Method ........................................................Air-cooled
Rated Horsepower .......................................7.8 @ 4,200 rpm
Displacement .................................................................. 220cc
Cylinder Block ......................... Aluminum w/Cast Iron Sleeve
Type of Governor .............................Mechanical, Fixed Speed
Air Cleaner ........................ Paper Element w/Foam Precleaner
Starter ....................................................... 12-volt DC Electric
Ignition System ..................... Solid-state w/Flywheel Magneto
Recommended Spark Plug
Champion ................................................................ RC14YC
AC .................................................................................. R45S
Fram Autolite .....................................................................65
Spark Plug Gap ....................................... 0.030 inch (76 mm)
Recommended Minimum Battery .............. 400 Cold-cranking
Amperes
1.5.5 GENERATOR
Rated Maximum Continuous
AC Output (Gasoline) ...........................3,600 Watts (3.6 kW)
Rated Voltage ....................................................... 120 Volts AC
Rated Maximum Continuous
AC Current (Gasoline) ....................................... 30 Amperes
Phase .............................................................................. Single
Rotor RPM .......................................................................3,600
Number of Rotor Poles...........................................................2
Engine RPM .....................................................................3,600
Rated AC Frequency ....................................................... 60 Hz
Battery Charge Voltage ..........................................14 Volts DC
Battery Charge Current ................................ 2 Amperes (max)
Gasoline weight .....................................................170 Pounds
Length .................................................... 749.8 mm (29.52 in.)
Width .....................................................483.1 mm (19.02 in.)
Height .................................................... 342.2 mm (13.47 in.)
1.5.6 EMISSIONS COMPLIANCE PERIOD
For non-handheld engines the Emissions Compliance
Period referred to on the Emissions Compliance
Label indicates the number of operating hours for
which the engine has been shown to meet Federal
emission requirements.
• For engines less than 225 cc displacement, Category
C=125 hours, B=250 hours, and A=500 hours.
• For engines of 225 cc or more, Category C=250
hours, B=500 hours, and A=1000 hours.
Model No Load 1/2 Load Full Load
004700-0 0.24 0.35 0.55

7
Section 2 – Operation
Recreational Vehicle Generator
2.1 GENERATOR CONTROL PANEL
The following features are mounted on the generator
control panel (Figure 2.1):
Figure 2.1 – Generator Control Panel
PRIME
FUEL
STOP
START 30A
C.B.
FUS E
CONTROL CENTER
7. 5 A
2.1.1 FUEL PRIMER
Before starting a cold engine (if it has not been
started in more than two weeks), press this switch
for approximately 10 to 15 seconds to bring fuel
from the tank to the carburetor. This rocker type
switch springs back into its original position when
released.
2.1.2 START/STOP SWITCH
To crank and start the engine, hold this switch in the
START position. Release the switch when the engine
starts. To stop an operating engine, press and hold
the switch in the STOP position until the engine shuts
off. The switch center position is the RUN position.
2.1.3 FUSE
The fuse protects the engine’s DC control circuit
against electrical overload. If the fuse element has
melted open due to overloading, the engine cannot
be cranked. If the fuse must be replaced, use only an
identical replacement.
2.1.4 MAIN BREAKER
The main breaker protects the generator’s AC output
circuit against overload and provides a method of
turning OFF the generator’s 120-volt AC output to the
vehicle circuits. This generator has 30-amp breaker.
2.2 OPTIONAL REMOTE
START/STOP PANEL
A remote mounted Start/Stop Panel is available that
allows starting and stopping the generator engine
conveniently from inside the vehicle.
Order part number 0F0429 or 0F0430, a remote
panel that includes a Start/Stop switch, a generator
run lamp, a fuel prime switch, and an hourmeter.
The hourmeter provides a continuous indication of
engine/generator operating time. Use the hourmeter
for checking off periodic maintenance requirements
on the unit.
2.3 AUTOMATIC CHOKE
The engine is equipped with an automatic choke that
consists of two main components: a choke solenoid
and prechoke.
2.3.1 CHOKE SOLENOID
During engine cranking (Start/Stop switch at START),
a solid-state choke module signals the choke sole-
noid to activate and cycle (choke on/choke off) until
the engine starts. The choke solenoid thus opens
and closes the carburetor choke valve only when the
engine is cranking. When the engine starts, the choke
stops cycling.
2.3.2 PRECHOKE
The choke system also has a temperature-sensitive
metal strip that adjusts choke valve angle according
to ambient temperatures (i.e., in cold ambient tem-
peratures, choke valve closes more). Once the engine
starts, an element heats the temperature-sensitive
strip to a normal operating condition, opening the
choke valve. This may take about three minutes in
cooler weather.
2.4 BEFORE STARTING THE ENGINE
NOTE:
Instructions and information in this manual
assume the generator has been properly installed,
connected, serviced, tested and adjusted by a
qualified installation technician or installation
contractor.
2.4.1 INSTALLATION
Generator installation must have been properly com-
pleted so it complies with all applicable codes, stan-
dards and regulations and with the manufacturer's
recommendations.

8
Section 2 – Operation
Recreational Vehicle Generator
2.4.2 ENGINE LUBRICATION
Have the engine crankcase properly serviced with the
recommended oil before starting. Refer to Section
1.5.4, and Sections 3.1 and 3.2 for oil servicing proce-
dures and recommendations.
Any attempt to crank or start the engine before
it has been properly serviced with the recom-
mended oil may result in an engine failure.
2.4.3 FUEL SUPPLY
The engine must have an adequate supply of proper
fuel to operate. Before starting it, check that suffi-
cient fuel is available.
NOTE:
Depending on the installation, the generator may
have either a separate fuel tank, or it may “share”
the vehicle engine’s fuel tank.
2.4.4 COOLING AND VENTILATING AIR
Air inlet and outlet openings in the generator com-
partment must be open and unobstructed for con-
tinued proper operation. Without sufficient cooling
and ventilating airflow, the engine/generator quickly
overheats, which causes it to shut down and may
damage the generator.
2.4.5 ENGINE EXHAUST GAS
Before starting the generator engine, be sure there is
no way for exhaust gases to enter the vehicle interior
and endanger people or animals. Close windows,
doors and other openings in the vehicle that, if open,
might permit exhaust gases to enter the vehicle.
DANGER
The generator engine releases DEADLY carbon
monoxide gas through its exhaust system. This
dangerous gas, if breathed in sufficient con-
centrations, can cause unconsciousness or even
death. Never operate the generator set with
the vehicle inside any garage or other enclosed
area. DO NOT OPERATE THE GENERATOR IF THE
EXHAUST SYSTEM IS LEAKING OR HAS BEEN
DAMAGED. SYMPTOMS OF CARBON MONOXIDE
POISONING ARE (a) inability to think coher-
ently, (b) nausea, (c) vomiting, (d) twitching
muscles, (e) throbbing temples, (f) dizziness,
(g) headaches, (h) weakness, and (i) sleepiness.
IF EXPERIENCING ANY OF THESE SYMPTOMS,
MOVE INTO FRESH AIR IMMEDIATELY. IF
SYMPTOMS PERSIST, GET MEDICAL HELP. Shut
down the generator and do not operate it until
it has been inspected and repaired.
DANGER
Never sleep in the vehicle while the genset is
running unless the vehicle has a working carbon
monoxide detector. The exhaust system must be
installed in accordance with the genset installa-
tion manual. Make sure there is ample fresh air
when operating the genset in a confined area.
2.5 STARTING THE GENERATOR
NOTE:
Read the vehicle manufacturer’s instructions.
The owner/operator should become familiar with
the vehicle in which this generator is installed.
Differences exist between vehicles. For example,
some vehicles may use a transfer switch to isolate
dockside power from the generator, while other
vehicles may use an isolating receptacle. Some
vehicles may be equipped with a DC converter,
which allows the generator to power certain DC
lighting and other DC loads.
To start the generator from either the generator con-
trol panel or from the optional remote panel, proceed
as follows:
1. Turn OFF electrical loads using the means pro-
vided in the vehicle (such as a main line circuit
breaker or transfer switch).
NOTE:
If starting from the generator control panel, turn
OFF loads by setting the generator’s main circuit
breaker to the OFF (or open) position. If starting
from a remote panel, turn OFF loads using the
means provided in the vehicle (such as a main
circuit breaker). Electrical load circuits will be
turned ON after the generator has started, stabi-
lized and warmed up.
2. If the engine has not been started in more than
two weeks, press the Fuel Pump Primer switch
and hold it for about 10 to 15 seconds to prime
the fuel system. However, if the engine is warm,
skip Step 2.
3. Hold the engine Start/Stop switch in the START
position to crank the engine. Release the switch
when the engine starts.
If the engine does not start after it has been
cranking for 15 seconds, release the Start/Stop
switch, wait one minute and try again. Holding
the switch for longer than 15 seconds can dam-
age the starter motor.
4. Let the engine run at no-load for a few minutes to
stabilize and warm up.
5. Turn ON electrical loads using the means pro-
vided (such as a main circuit breaker or transfer
switch).

9
Section 2 – Operation
Recreational Vehicle Generator
2.6 STOPPING THE GENERATOR
1. Turn OFF all electrical loads using the means
provided (such as a main circuit breaker or
transfer switch).
2. Let generator run at no-load for a few minutes, to
stabilize internal engine generator temperatures.
3. Place the Start/Stop switch in its STOP position.
2.7 APPLYING LOADS TO GENERATOR
When applying electrical loads to the generator,
observe these guidelines:
• Before applying electrical loads, let the generator
stabilize and warm up for a minute or two.
• DO NOT overload the generator.
2.7.1 LETTING THE ENGINE STABILIZE
The generator supplies correct rated voltage only at
the proper governed speed. Some electrical appli-
ances may be extremely sensitive to voltage. Incorrect
voltages can damage such appliances.
If electrical loads are applied at reduced operating
speeds, such loads imposed on the engine when suf-
ficient power is not available may shorten engine life.
Never turn ON electrical loads until after the generator
engine has started and stabilized at no-load.
2.8 DO NOT OVERLOAD THE
GENERATOR
Read the rated wattage/amperage capacity of the gen-
erator on the generator data label (see Section 1.1).
Applying electrical loads in excess of the unit’s rated
capacity will cause the engine/generator to automati-
cally shut down.
To avoid overloading, add up the wattage of all con-
nected electrical lighting, appliance, tool and motor
loads. This total should not be greater than the
generator’s rated wattage capacity.
• Most lighting, appliance, tool and motor loads
indicate their required watts on their nameplate or
data plate. For light bulbs, simply note the wattage
rating of the bulb.
• If a load does not show its rated wattage, multiply
that load’s rated VOLTS times AMPS to obtain
WATTS.
• Induction type motors (such as those that run the
vehicle’s furnace fan, refrigerator, air conditioner,
etc.) need about 2-1/2 time more watts of power for
starting than for running (for a few seconds during
motor starting). Be sure to allow for this when con-
necting electrical loads to the generator. First, fig-
ure the watts needed to start electric motors in the
system. To that figure, add the running wattages of
other items that will be operated by the generator.
• Do not apply heavy electrical loads for the first two
or three hours of operation.
2.9 PROTECTION SYSTEMS
2.9.1 LOW OIL PRESSURE SWITCH
This switch (Figure 2.2) has normally closed (N.C.)
contacts that are held open by engine oil pressure dur-
ing cranking and operating. Should oil pressure drop
below a preset level, switch contacts close, and the
engine automatically shuts down. The unit should not
be restarted until oil is added.
2.9.2 HIGH TEMPERATURE SWITCH
This switch (Figure 2.2), which has normally open
(N.O.) contacts, is mounted near the oil filter. The
contacts close if the temperature should exceed
approximately 284º F (140º C), initiating an engine
shutdown.
Figure 2.2 – Low Oil Pressure and
High Temperature Switches
High Temperature Switch
Low Oil Pressure
Switch

10
Section 2 – Operation
Recreational Vehicle Generator
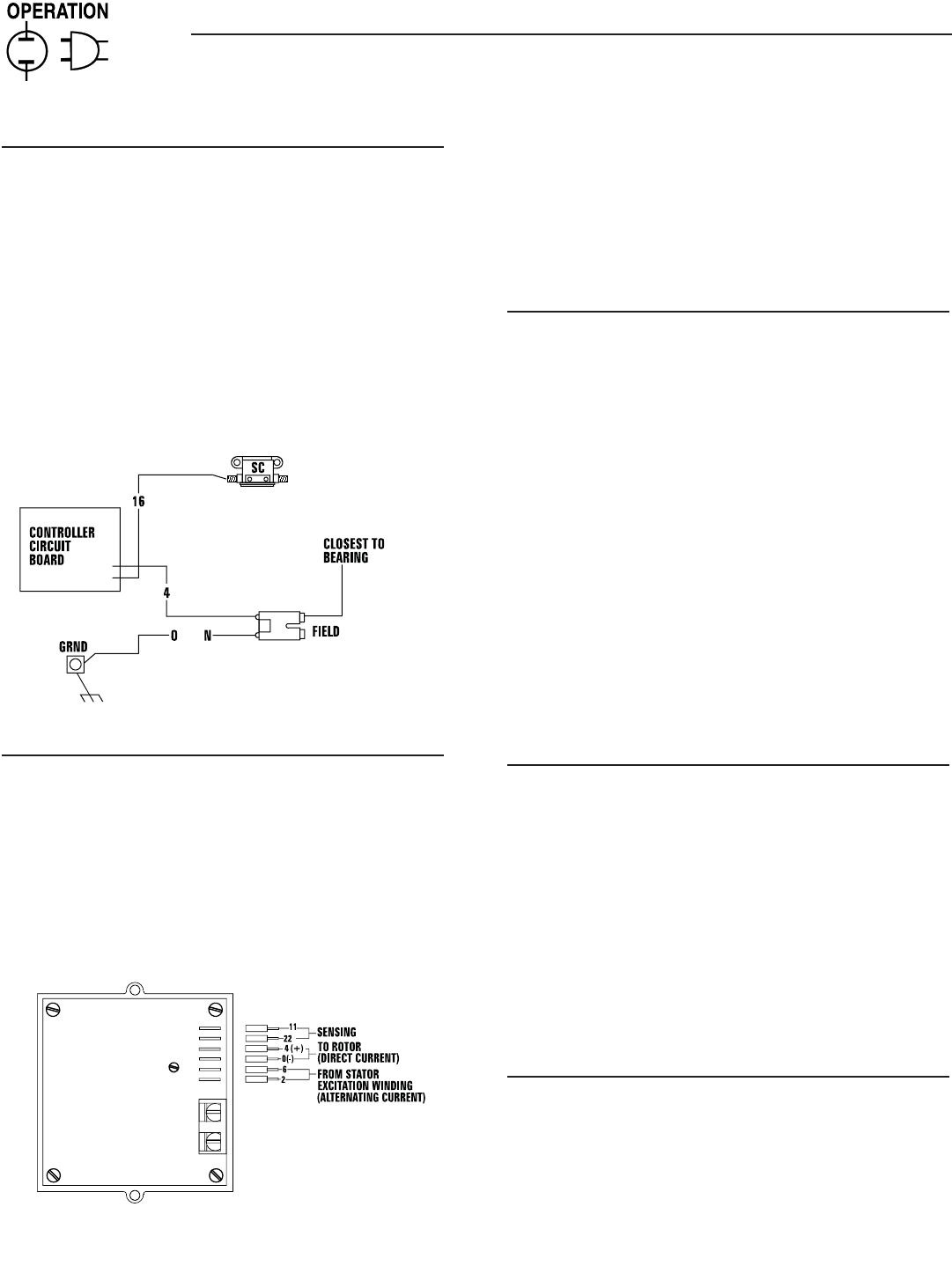
2.9.3 FIELD BOOST
The Controller Circuit Board houses a field boost
diode and resistor that are not part of the automatic
choke circuit. These two components are part of
a “field boost” circuit (Figure 2.3). During engine
cranking only, a positive DC (battery) voltage is
delivered through the diode, resistor, brushes and
slip rings, to the generator rotor. Application of this
voltage to the rotor “flashes the field” whenever it is
started. Flashing of the field each time the generator
starts makes sure that a sufficiently strong magnetic
field is available to produce “pickup” voltage in the
stator windings.
Figure 2.3 – Field Boost Circuit
2.9.4 OVERVOLTAGE PROTECTION
A solid-state voltage regulator (Figure 2.4) controls
the generator’s AC output voltage. This regulator sup-
plies an excitation current to the rotor. By regulating
the rotor’s excitation current, the strength of its mag-
netic field is regulated and, in turn, the voltage deliv-
ered to connected electrical loads is controlled. When
the AC frequency is 60 Hertz, voltage is regulated at
120 volts (voltage-to-frequency ratio is 2-to-1).
Figure 2.4 – Solid State Voltage Regulator
The voltage regulator also incorporates a “voltage
surge protection circuit.” This circuit prevents trou-
blesome surges in the generator AC output voltage.
Voltage surge is a common cause of damage to elec-
tronic equipment.
2.10 ADDITIONAL INFORMATION
2.10.1 25-HOUR BREAK-IN PERIOD
The first 25 hours of operation is the break-in period
for the generator. Properly breaking in the genera-
tor is essential to minimize fuel consumption and
provide maximum engine performance. During this
25-hour break-in period, follow this procedure:
• Run the unit at varying electrical loads to help seat
the engine piston rings properly.
• Check the engine oil level frequently. Add oil if
needed. It is normal for the generator engine to
consume more oil than is normal until the piston
rings have properly seated.
• For the 75-hour operation following the break-in
period, avoid light electrical loads. Load the gen-
erator at 50 percent (or more) of its rated watt-
age capacity. Repeated light loads during these 75
hours can cause improper seating of engine piston
rings, resulting in blowby and high oil consump-
tion.
• After operating the unit for 25 hours, complete the
tasks recommended under Section 2.10.2.
2.10.2 25-HOUR CHECK-UP
After the 25-hour break-in period, contact an
Authorized Service Dealer for the following main-
tenance. The vehicle owner is responsible for any
charges:
• Change the engine crankcase oil and oil filter.
• Check the oil level.
• Inspect the cooling and ventilation openings.
• Check the engine carburetor adjustments.
• Check the engine ignition system.
• Inspect the entire electrical system.
• Inspect the engine exhaust system.
2.10.3 ATTENTION REQUIRED
AFTER SUBMERSION
If the recreational vehicle generator has been sub-
merged in water, it MUST NOT be started and oper-
ated. Following any submersion in water, have an
Authorized Service Dealer thoroughly clean and dry
the generator.

11
Section 3 – Maintenance
Recreational Vehicle Generator
2.10.4 OPERATION IN HIGH GRASS
OR BRUSH
Never operate the generator while the vehicle is
parked over high grass, weeds, brush, leaves or any
other combustible substance. Such materials can
ignite and burn from the heat of the exhaust system.
The generator exhaust system becomes extremely
hot during operation and remains hot for a long time
after it has shut down.
2.10.5 EFFECTS OF MOISTURE AND DIRT
Keep the generator set as clean and dry as possible.
Protect the unit against excessive dust, dirt, corrosive
vapors, road splash, etc. Permitting dirt and mois-
ture to accumulate on generator windings will have
an adverse effect on the insulation resistance of those
windings.
When moisture is allowed to remain in contact with
windings, some of the moisture will be retained in
voids and cracks in the insulation. This causes a
reduced insulation resistance and will eventually
cause problems. Dirt will make the problem worse,
since dirt tends to hold moisture in contact with
windings. Salt (as from sea air) also will worsen the
problem since it tends to absorb moisture from the
air. Salt and moisture, when combined, form a good
electrical conductor.
3.1 CHECKING THE ENGINE OIL
LEVEL
For oil capacities and requirements, see “Engine
Oil Requirements,” Section 1.5.4. Check the engine
crankcase oil level at least every eight hours of opera-
tion, or before each use. To check the engine oil level,
proceed as follows (see Figure 3.1):
1. Be sure the generator is as level as possible.
2. Remove the dipstick and wipe it dry with a clean,
lint-free cloth.
3. Install and tighten the dipstick cap; then, remove
it again. The oil level should be at the dipstick
“Full” mark.
4. If necessary, remove the oil fill cap on the rocker
cover and slowly add oil until it reaches the dip-
stick “Full” mark. DO NOT FILL ABOVE THE
“FULL” MARK.
Never operate the engine with the oil level
below the “Add” mark on the dipstick. Doing
this could damage the engine.
5. Install and tighten the oil fill cap and the dipstick
before operating the engine.
3.2 CHANGING THE ENGINE OIL
AND/OR OIL FILTER
• Change the engine oil after the first 25 hours of
operation (after the 25-hour break-in period, see
Section 2.10.1). Thereafter, change the oil every
100 operating hours. Change the oil more fre-
quently if operating consistently under heavy load
or at high ambient temperatures.
GENERAC OHVI INDUSTRIAL ENGINE
I
t
r
e
,
e
h
i
t
w
a
n
c
.
-
s
m
,
I
e
W
POWERED
W
y
s
S
r
o
P
w
e
A
C
N
R
E
G
E
OHVI
t
GENERAC
TM
RV SERVICE LOCATOR:
1.800.333.1322
QUIETPACT 40G
*
SER V ICE AC CES S PA NEL
OIL LEVEL: CHECK DAILY
AIR FILTER: CLEAN PREFILTER
EVERY 100 HOURS.
REPLACE ELEMENT
EVERY 250 HOURS.
OIL & OIL FILTER:
CHANGE EVERY 100
(IF NECESSARY)
EVERY 500 HOURS.
HOURS. REPLACE PLUGS
PLUGS EVERY 100
INSPECT & CLEANSPARK PLUGS:
REPLACEMENT INFORMATION
*
PERFORM MORE OFTEN IN DUSTY CONDITIONS
AIR FILTER LOCATED BEHIND PANEL.
MAINTENANCE SCHEDULE
AIR FILTER P/N: 0D3262
070185OIL FILTER P/N:
SPARK PLUG P/N: 072347
OIL CAPACITY WITH FILTER:
0.8L/0.84QT
TEMPERATURE SAE VISCOSITY
32˚F AND HIGHER
10˚F TO 100˚F
0˚F TO 80˚F
-20˚F TO 50˚F 5W-30
10W-30
15W-40
30
WHEN SERVICE OR PARTS ARE NEEDED IN
THE USA OR CANADA, CONTACT THE GENERAC
SERVICE LOCATOR AT 1-800-333-1322.
HOURS. (OR ANNUALLY)
PREFILTER P/N: 0D4511
FUEL FILTER P/N: 0D7515
FUEL FILTER: CHANGE EVERY 400
HOURS. (OR ANNUALLY)
*
*
PRIME
FUEL
STOP
START 30A
C.B.
A
FUSE
CONTROL CENTER
7.5
T
o
R
e
m
o
v
e
Oil Dipstick/Oil Fill Oil Drain Oil Filter
Figure 3.1 – Oil Maintenance Features

12
Section 3 – Maintenance
Recreational Vehicle Generator
• Change the engine oil filter after the first 25 hours
of operation, and every 100 operating hours there-
after.
To change the oil and/or oil filter, proceed as follows
(see Figure 3.1):
1. Run the engine until it is thoroughly warmed up
(at least five minutes) then shut OFF the engine.
2. Immediately after the engine shuts OFF, pull the
oil drain cover free of the base. Remove the plug
from the tube with a 5/16” allen wrench and drain
the oil into a suitable container. Loosening the oil
fill cap will allow the crankcase to drain faster.
3. After the oil has drained, replace the plug onto the
end of the oil drain tube. Retain the cover in the
base.
4. With the oil drained, remove the old oil filter by
turning it counterclockwise. Place a towel under-
neath to catch excess oil.
5. Apply a light coating of clean engine oil to the gas-
ket of the new filter. Fill the filter until saturated
with clean oil.
6. Screw the new filter on by hand until its gasket
lightly contacts the oil filter adapter. Then, tighten
the filter an additional 3/4 to one turn.
7. Remove the dipstick and wipe it dry with a clean,
lint-free cloth. This will be used later to check the
oil level.
8. Remove the oil fill cap on the oil fill tube and
slowly add the proper type and amount of recom-
mended oil (see Section 1.5.4). Periodically use
the dipstick to check the oil level and continue to
fill the crankcase until the oil reaches the dipstick
“Full” mark. DO NOT FILL ABOVE THE “FULL”
MARK.
9. Install and tighten the oil fill cap and the dipstick
before operating the engine.
10. Start the engine and check for leaks.
NOTE:
Check the oil level and fill to the “FULL” mark
after checking for leaks. The filter will retain some
oil.
3.3 MAINTAINING THE ENGINE
AIR CLEANER
3.3.1 CLEANING THE FOAM PRECLEANER
Clean and re-oil the foam precleaner every three
months or every 25 hours of operation, whichever
occurs first. Service the foam precleaner more fre-
quently if operating the generator in extremely dusty
or dirty conditions. Use the following procedure
(Figure 3.2):
1. Turn the two screws counterclockwise to loosen.
2. Remove the cover, foam precleaner and paper filter.
3. Remove the foam precleaner from the cover.
4. Wash the foam precleaner in liquid detergent and
water.
5. Wrap the foam precleaner in a clean cloth and
gently squeeze it dry.
6. Saturate the foam precleaner in clean engine
oil. Gently squeeze it in a clean cloth to remove
excess oil and to distribute oil (DO NOT TWIST).
7. Install the foam precleaner into the cover, fol-
lowed by the paper filter.
8. Install the cover, foam precleaner and paper filter.
9. Tighten the two screws to retain the filter in place.
Figure 3.2 – Engine Air Cleaner
3.3.2 CLEANING OR REPLACING
THE PAPER FILTER
Once each year or every 100 hours of operation
(whichever comes first), clean or replace the paper
filter. The new replacement filter must be flame
retardant. Service the paper filter more frequently if
operating the generator in extremely dusty or dirty
conditions. Use the following procedure (Figure 3.2):
1. Follow steps 1-3 in Section 3.3.1; service the
foam precleaner if necessary.
2. Remove the paper filter.
3. Clean the air filter by tapping it gently on a solid
surface. If the filter is too dirty, replace it with a
new one. Dispose of the old filter properly.
4. Clean the air cleaner cover then reassemble fol-
lowing steps 7-9 in Section 3.3.1.

Section 3 – Maintenance
Recreational Vehicle Generator
3.4 CLEAN AIR INTAKE
Clean all foreign material from the air intake (Figure
3.3) at least once every 100 hours of operation. Clean
more often if necessary.
Inspect the area around the generator exhaust muf-
fler periodically and remove all grass, leaves, dirt,
etc., from this area.
Figure 3.3 – Cleaning Air Intake
USTC
USTC
3.5 CHECKING THE ENGINE
SPARK PLUG
Clean the spark plug and reset the spark plug gap
every 100 hours of operation.
1. Clean the area around the base of the spark plug
to keep dirt and debris out of the engine. Remove
the spark plug and check the condition. Replace
the spark plug if worn or if reuse is question-
able.
2. Clean spark plug by scraping or washing using a
wire brush and commercial solvent. Do not blast
the spark plug to clean.
3. Check the spark plug gap using a wire feeler
gauge. Adjust the gap to 0.030 inch (0.76 mm)
by carefully bending the ground electrode (Figure
3.4).
Figure 3.4 – Setting the Spark Plug Gap
Sparking can occur if the wire terminal does not
fit firmly on the spark plug terminal end. If nec-
essary, re-form the wire terminal to obtain a
tight fit.
3.6 FUEL FILTER
Remove and replace the fuel filter (Figure 3.5) once
each year or every 400 hours of operation, whichever
comes first. Fuel filter is removed with a 15/16” deep
well socket.
Figure 3.5 – Fuel Filter
NEG
FUEL
POS
3.7 CLEAN SPARK ARRESTOR
The engine exhaust muffler has a spark arrestor
screen. Inspect and clean the screen every 50 hours
of operation or once each year, whichever comes
first.
NOTE:
If using the generator on any forest-covered,
brush-covered or grass-covered unimproved land,
it must equipped with a spark arrestor. The spark
arrestor must be maintained in good condition by
the owner/operator.
Clean and inspect the spark arrestor as follows:
• Remove the screen retaining bracket by removing
the screw.
• Slide the spark arrestor screen out from the tail
pipe.
• Inspect screen and replace if torn, perforated or
otherwise damaged. DO NOT USE a defective
screen. If screen is not damaged, clean it with com-
mercial solvent.
• Replace the screen and the retaining bracket.
Figure 3.6 - Spark Arrestor
RETAINING
SCREW P/N 056892
SPARK ARRRESTOR
SCREEN P/N 089680
TAILPIPE
P/N 0E0683
13

14
3.8 CLEANING THE GENERATOR
Keep the generator set as clean and dry as possible.
Protect the unit against excessive dust, dirt, corrosive
vapors, road splash, etc. Permitting dirt and mois-
ture to accumulate on generator windings will have
an adverse effect on the insulation resistance of those
windings.
When moisture is allowed to remain in contact with
windings, some of the moisture will be retained in
voids and cracks in the insulation. This causes a
reduced insulation resistance and will eventually
cause problems. Dirt will make the problem worse,
since dirt tends to hold moisture in contact with
windings. Salt (as from sea air) also will worsen the
problem since it tends to absorb moisture from the
air. Salt and moisture, when combined, form a good
electrical conductor which can be damaging to the
generator windings.
Do NOT use a forceful spray of water to clean
the generator. Water will enter the generator
interior and cause problems, and may also con-
taminate the generator fuel system.
3.9 BATTERY MAINTENANCE
All lead-acid batteries will discharge when not in
use. The generator battery should be inspected as
follows:
3.9.1 WEEKLY
• Inspect the battery posts and cables for tightness
and corrosion. Tighten and clean as necessary.
• Check the battery fluid level of unsealed batteries
and, if necessary, fill with Distilled Water Only. Do
not use tap water in batteries.
3.9.2 EVERY SIX MONTHS
• Have the state of charge and condition checked.
This should be done with an automotive-type bat-
tery hydrometer.
NOTE:
Servicing of the battery is to be performed or
supervised by personnel knowledgeable of batter-
ies and the required precautions. Keep unauthor-
ized personnel away from batteries.
Damage will result if the battery connections are
made in reverse.
DANGER
Do not dispose of the battery in a fire. The
battery is capable of exploding. Storage batter-
ies give off explosive hydrogen gas. This gas can
form an explosive mixture around the battery
for several hours after charging. The slightest
spark can ignite the gas and cause an explo-
sion. Such an explosion can shatter the battery
and cause blindness or other injury. Any area
that houses a storage battery must be properly
ventilated. Do not allow smoking, open flame,
sparks, or any spark producing tools or equip-
ment near the battery. Discharge static electric-
ity from body before touching the battery by
first touching a grounded metal surface.
A battery presents a risk of electrical shock
and high short circuit current. The following pre-
cautions are to be observed when working on
batteries:
• Remove watches, rings or other metal objects;
• Use tools with insulated handles;
• Wear rubber gloves and boots;
• Do not lay tools or metal parts on top of the
battery;
• Disconnect any charging source prior to connecting
or disconnecting battery terminals; and
• Do not use any jumper cables or booster battery to
crank and start the generator engine. If any battery
has discharged, remove it for recharging.
Do not open or mutilate the battery. Released
electrolyte has been known to be harmful to the
skin and eyes, and to be toxic.
The electrolyte is a dilute sulfuric acid that is
harmful to the skin and eyes. It is electrically
conductive and corrosive. The following
procedures are to be observed:
• Wear full eye protection and protective clothing;
• Where electrolyte contacts the skin, wash it off
immediately with water;
• Where electrolyte contacts the eyes, flush
thoroughly and immediately with water and seek
medical attention; and
• Spilled electrolyte is to be washed down with an
acid neutralizing agent. A common practice is to
use a solution of 1 pound (500 grams) bicarbonate
of soda to 1 gallon (4 liters) or water. The bicar-
bonate of soda solution is to be added until the
evidence of reaction (foaming) has ceased. The
resulting liquid is to be flushed with water and the
area dried.
Section 3 – Maintenance
Recreational Vehicle Generator

15
3.10 MAJOR SERVICE MANUAL
To obtain a service manual for the generator, contact
the nearest Authorized Service Dealer. Make sure to
identify the MODEL NUMBER and SERIES.
3.11 EXERCISING THE GENERATOR
The manufacturer recommends that the generator be
started and operated at least once every seven days.
Let the unit run for at least 30 minutes to “exercise”
the engine.
3.12 OUT OF SERVICE PROCEDURE
3.12.1 REMOVAL FROM SERVICE
If the generator cannot be exercised every seven days,
and it is to be out of service longer than 30 days, pre-
pare the generator for storage as follows:
1. Start the engine and let it warm up.
2. Close the fuel shutoff valve in the fuel supply line
and allow the unit to shut down.
Note:
Using a fuel additive such as STA-BIL fuel stabi-
lizer, or an equivalent, will prevent gum deposits
from forming in the engine’s fuel system.
3. While the engine is still warm from running, drain
the oil completely. Refill the crankcase with SAE
10W-30 oil having API classification “For Service
SF.”
4. Attach a tag to the engine indicating the viscosity
and classification of the oil in the crankcase.
5. Remove the spark plug and pour two or three
tablespoons of clean, fresh engine oil into the
spark plug threaded openings. Reinstall and
tighten the spark plug.
6. Remove the battery and store it in a cool, dry
room on a wooden board. Never store the battery
on any concrete or earthen floor.
7. Clean and wipe the entire generator.
3.12.2 RETURN TO SERVICE
To return the unit to service after storage, proceed
as follows:
1. Check the tag on the engine for oil viscosity and
classification. Verify that the correct recommend-
ed oil is used in the engine (see Section 1.5.4). If
necessary, drain and refill with the proper oil.
2. Check the state of the battery. Fill all cells of
unsealed batteries to the proper level with dis-
tilled water. DO NOT USE TAP WATER IN THE
BATTERY. Recharge the battery to 100 percent
state of charge, or, if defective, replace the battery.
3. Clean and wipe the entire generator.
4. Reconnect the battery. Observe battery polarity.
Damage may occur if the battery is connected
incorrectly.
5. Turn OFF all electrical loads. Add fuel if neces-
sary and then start the engine.
6. Allow the unit to run for several minutes to warm
up.
7. Apply electrical loads to at least 50 percent of the
unit’s rated wattage capacity.
8. When the engine is thoroughly warmed up, shut
it down.
9. The generator is now ready for service.
3.13 ADJUSTING VALVE CLEARANCE
After the first 50 hours of operation, adjust the valve
clearance in the engine.
When adjusting valve clearance, the engine should be
at room temperature and the piston should be at Top
Dead Center (TDC) of its compression stroke (both
valves closed). Correct clearance is 0.001-0.003 inch
(0.03-0.07mm). Adjust valve clearance as follows:
1. Loosen the rocker arm jam nut. Use an allen
wrench to turn the pivot ball stud while checking
clearance between the rocker arm and the valve
stem with a feeler gauge (Figure 3.7).
Figure 3.7 — Adjusting Valve Clearance
Section 3 – Maintenance
Recreational Vehicle Generator

16
2. When valve clearance is correct, hold the pivot
ball stud with the allen wrench and tighten the
rocker arm jam nut with a crows foot. Tighten
the jam nut to 65-85 inch-pounds torque. After
tightening the jam nut, recheck valve clearance to
make sure it did not change (Figure 3.8).
Figure 3.8 — Tightening Jam Nut
3.14 RV GENERATOR SERVICE
INTERVAL
50 Hours ................................ Clean Spark Arrestor
100 Hours ...........................Change Engine Oil/filter
100 Hours .................................. Clean Air Pre-filter
100 Hours ................................ Inspect Spark Plugs
250 Hours ............ Replace Paper Air Filter Element
400 Hours ...................................Replace Fuel Filter
500 Hours ................................Replace Spark Plugs
1st 50 Hours-then
every 500 Hrs. .......................... Adjust Valve Lash
Section 3 – Maintenance
Recreational Vehicle Generator

PART II –
INSTALLATION
INSTRUCTIONS
DANGER
ONLY QUALIFIED ELECTRICIANS OR CONTRACTORS
SHOULD ATTEMPT INSTALLATION!!

18
NOTICE TO INSTALLER
These Installation Instructions have been published
by the manufacturer to aid in the installation of the
products described in this manual. The manufac-
turer assumes that installation personnel are familiar
with the procedures for installing such products, or
similar products manufactured. The manufacturer
also assumes that personnel have been trained in
the recommended installation procedures for these
products and that such training includes (a) use of
common hand tools, (b) use of special tools, and (c)
use of any tools and/or equipment from other sup-
pliers.
The manufacturer cannot possibly know of and
advise the recreational vehicle trade of all conceiv-
able methods, procedures or techniques by which to
perform an installation. Nor can we anticipate every
possible hazard that might result from each installa-
tion method, procedure or technique. The manufac-
turer has not undertaken any such wide evaluation.
Therefore, people who use a method, procedure or
technique that the manufacturer does not specifically
recommend must first completely satisfy themselves
that their safety, the safety of the vehicle's occupants
and the product's safety is not endangered by the
method, procedure or technique selected.
Information, illustrations, specifications, etc., con-
tained in these Installation Instructions are based on
the latest information available at the time of publica-
tion. Every effort has been expended to be sure that
such data is both accurate and current. However, the
manufacturer reserves the right to change, alter or
otherwise improve this product at any time without
prior notice.
DANGER
Despite the safe design of this generator,
operating this equipment imprudently, neglecting
its maintenance or being careless can cause
possible injury or death. Permit only responsible
and capable persons to operate or maintain this
equipment.
Potentially lethal voltages are generated by
these machines. Ensure all steps are taken to
render the machine safe before attempting to
work on the generator.
Parts of the generator are rotating and/or hot
during operation. Exercise care near running
generators.
GENERAL HAZARDS
• For safety reasons, the manufacturer recommends
that the installation, initial start-up and main-
tenance of this equipment is carried out by an
Authorized Service Dealer.
• The engine exhaust fumes contain carbon monox-
ide, which can be DEADLY. This dangerous gas, if
breathed in sufficient concentrations, can cause
unconsciousness or even death. This exhaust
system must be installed properly, in strict com-
pliance with applicable codes and standards.
Following installation, do nothing that might ren-
der the system unsafe or in noncompliance with
such codes and standards. The generator com-
partment must be completely vapor sealed from
the vehicle interior. There must be no possibility of
exhaust fumes entering the vehicle interior. Never
operate this equipment with a leaking or defective
exhaust system.
• Keep hands, feet, clothing, etc., away from drive
belts, fans, and other moving or hot parts. Never
remove any drive belt or fan guard while the unit
is operating.
• Adequate, unobstructed flow of cooling and ven-
tilating air is critical to correct generator opera-
tion and is required to expel toxic fumes and fuel
vapors from the generator compartment. Without
sufficient cooling airflow, the engine/generator
quickly overheats, which causes serious damage
to the generator. Do not alter the installation or
permit even partial blockage of ventilation provi-
sions, as this can seriously affect safe operation of
the generator.
• When working on this equipment, remain alert
at all times. Never work on the equipment when
physically or mentally fatigued.
• Before performing any maintenance on the gen-
erator, disconnect its battery cables to prevent
accidental start up. Disconnect the cable from the
battery post indicated by a NEGATIVE, NEG or (–)
first. Reconnect that cable last.
• Never use the generator or any of its parts as a
step. Stepping on the unit can stress and break
parts, and may result in dangerous operating con-
ditions from leaking exhaust gases, fuel leakage,
oil leakage, etc.
• Never insert any tool or other object through open-
ings in the generator interior, even if the unit is not
running. Serious injury or damage to the equip-
ment may occur.
Safety Rules
Recreational Vehicle Generator
DANGER: For fire safety, installation of a generator into a recreational vehicle must comply
strictly with article 551, NFPA 70; ANSI C1-1975; AND, ANSI A119.2-1975/NFPA 501C “Standard
for Recreational Vehicles” (Part 3, “Installation of Electrical Systems”). In addition, installation
must comply with the manufacturer’s instructions and recommendations.

19
ELECTRICAL HAZARDS
• The generator covered by this manual produces
dangerous electrical voltages and can cause fatal
electrical shock. Avoid contact with bare wires, ter-
minals, connections, etc., while the unit is running.
Ensure all appropriate covers, guards and barriers
are in place before operating the generator. If work
must be done around an operating unit, stand on
an insulated, dry surface to reduce shock hazard.
• Do not handle any kind of electrical device while
standing in water, while barefoot, or while hands or
feet are wet. DANGEROUS ELECTRICAL SHOCK
MAY RESULT.
• During installation onto the vehicle, properly
ground (bond) the generator either by solid mount-
ing to the vehicle frame or chassis, or by means of
an approved bonding conductor. DO NOT connect
the bonding conductor to any generator part that
might be removed or disassembled during routine
maintenance. If the grounding conductor must be
replaced, use only a flexible conductor that is of
No. 8 American Wire Gauge (AWG) copper wire
minimum.
• If the vehicle electrical circuits can be powered by
any other source of electricity (such as a “dockside”
power receptacle), there must be no possibility of
connecting the different power sources to the vehi-
cle circuits at the same time. The dockside (utility)
power source must be positively isolated from the
vehicle circuits whenever the generator is operat-
ing. Failure to isolate the vehicle circuits from
the dockside power supply when the generator is
running may result in damage to the generator or
serious injury or death to dockside (utility) power
workers due to backfeed of electrical energy.
• In case of accident caused by electric shock, imme-
diately shut down the source of electrical power.
If this is not possible, attempt to free the victim
from the live conductor. AVOID DIRECT CONTACT
WITH THE VICTIM. Use a nonconducting imple-
ment, such as a rope or board, to free the victim
from the live conductor. If the victim is uncon-
scious, apply first aid and get immediate medical
help.
• Never wear jewelry when working on this equip-
ment. Jewelry can conduct electricity resulting in
electric shock, or may get caught in moving com-
ponents causing injury.
FIRE HAZARDS
• For fire safety, the generator must be installed
and maintained properly. Installation always must
comply with applicable codes, standards, laws
and regulations. Adhere strictly to local, state and
national electrical and building codes. Comply
with regulations the Occupational Safety and
Health Administration (OSHA) has established.
Also, ensure that the generator is installed in
accordance with the manufacturer’s instructions
and recommendations. Following proper installa-
tion, do nothing that might alter a safe installation
and render the unit in noncompliance with the
aforementioned codes, standards, laws and regula-
tions.
• Keep a fire extinguisher in the vehicle at all times.
Extinguishers rated “ABC” by the National Fire
Protection Association are appropriate for use on
the recreational vehicle generator electrical sys-
tem. Keep the extinguisher properly charged and
be familiar with its use. If there are any questions
pertaining to fire extinguishers, consult the local fire
department.
EXPLOSION HAZARDS
• Do not smoke around the generator. Wipe up any
fuel or oil spills immediately. Ensure that no com-
bustible materials are left in the generator com-
partment, or on or near the generator, as FIRE or
EXPLOSION may result. Keep the area surround-
ing the generator clean and free from debris.
• Gasoline is extremely FLAMMABLE and its vapors
are EXPLOSIVE. Do not permit smoking, open
flame, sparks or any source of heat in the vicinity
while handling gasoline. Comply with all laws gov-
erning the storage and handling of gasoline.
• Fuel lines must be properly installed and fastened,
and free of leaks. There must be no possibility of
gasoline vapors entering the vehicle interior.
• It is required to install an approved, flexible, non-
conductive fuel line between the generator fuel con-
nection point and rigid fuel lines.
Safety Rules
Recreational Vehicle Generator

20
1.1 PURPOSE AND SCOPE
OF THE MANUAL
These Installation Instructions have been prepared
especially for the purpose of familiarizing installers
and owners of the applicable equipment with the
product's installation requirements. Give serious
consideration to all information and instructions in
the manual, both for safety and for continued reliable
operation of the equipment.
Because of the different recreational vehicle mod-
els and the variations between the models, it would
be extremely difficult, if not impractical, to provide
detailed instructions for every possible installation.
For that reason, instructions and illustrations in this
manual are general in nature. Illustrations are not
intended to serve as detailed installation blueprints.
The installation should comply strictly with all appli-
cable codes, standards and regulations pertaining
to the installation and use of this product. If any
portion of this manual appears to be in conflict with
such codes, standards or regulations, the applicable
codes, standards or regulations must take prece-
dence over the manual.
1.2 SAFETY
Before handling, installing, operating or servicing this
equipment, carefully read the “Notice to Installer”
and “Safety Rules”. Comply with all safety rules to
prevent death, personal injury or damage to equip-
ment and/or property. Stress safety to all installers,
operators and service technicians who work on this
equipment.
1.3 STANDARDS BOOKLETS
Installation, use and servicing of this equipment
should comply strictly with published standards, as
well as the manufacturer's recommendations. The
following standards booklets (latest revision) are
available from the sources indicated:
1. NFPA Standard 501C, “Standard for Recreational
Vehicles,” available from the National Fire
Protection Association, Batterymarch Park,
Quincy, MA 02269.
2. NFPA 70, “NFPA Handbook of the National
Electric Code,” available same as Item 1.
3. ANSI C1-1975 and ANSI 119.2-1975, available
from the American National Standards Institute,
1430 Broadway, New York, NY 10018.
4. ANSI A119.2/NFPA 501C, available from the
Recreational Vehicle Association, 1896 Preston
White Drive, Reston, VA 22090.
5. California Administrative Code, Title 25, available
from the State of California, Documents Section,
P.O. Box 1015, North Highlands, CA 95660.
6. CSA Electrical Bulletin 946, available from the
Canadian Standards Association, Housing and
Constructions Materials Section, 178 Rexdale
Boulevard, Rexdale, Ontario, Canada, M9W 1R3.
1.4 EQUIPMENT DESCRIPTION
Instructions and information in this section pertain
to air-cooled generators. This generator is designed
specifically for installing in recreational vehicles. This
generator operates 120-volts, single-phase, 60-Hertz,
AC electrical loads that require 30.0 amps.
1.5 GENERATOR ENGINE
OPERATING SPEED
The generator’s revolving field (rotor) is driven by a
single-cylinder, four-cycle engine. The generator sup-
plies 120 volts AC at 60 Hertz when the rotor is oper-
ating at 3,600 rpm.
1.6 GENERATOR AC
CONNECTION SYSTEM
The generator is equipped with dual stator power
windings as shown in Figure 1.1.
Figure 1.1 – 120-volt Single Voltage Connection
BLACK
• The AC connection system on air-cooled genera-
tors uses a GROUNDED neutral.
• A separate green ground wire is connected to the
recreational vehicle’s junction box.
NOTE:
Do NOT connect loads in excess of circuit breaker
ratings.
Section 1 – General Information
Recreational Vehicle Generator

21
Figure 1.2 – Major Features and Dimensions (Drawing No. 0D8716-G)
Section 1 – General Information
Recreational Vehicle Generator
REF.
749.8
[ 29 1/2"]
342.2
[ 13 1/2"]
REF.
483.1
[ 19"]
HOT AIR
EXHAUST
TAIL PIPE
EXIT
OIL DRAIN
AIR
INTAKE
AC OUTPUT
HARNESS
REMOTE PANEL
CONNECTOR
BATTERY
CONNECTIONS
FUEL FILTER
48.1
[ 1 7/8"] 222.7
[ 8 3/4"]
300.7
[ 11 13/16"]
369.7
[ 14 9/16"]
688.3
[ 27 1/8"]
29
[ 1 1/8"]
55.5
[ 2 3/16"]
376.5
[ 14 13/16"]
5/16"-18 WELDNUTS
(6 PLACES)
82.5
[ 3 1/4"]
343.4
[ 13 1/2"]
423.2
[ 16 11/16"]
717.7
[ 28 1/4"]
50.8
[2"]
118
[ 4 5/8"]
223.5
[ 8 13/16"]
60
[ 2 3/8"]
210
[ 8 1/4"]
176.6
[ 6 15/16"]
83.5
[ 3 5/16"]
429.5
[ 16 15/16"]
414.5
[ 16 5/16"]
360.5
[ 14 3/16"]
63.5
[ 2 1/2"]
416
[ 16 3/8"]
170
[ 6 11/16"]
79
[ 3 1/8"]
101
[ 4"]
TYP.
6.7
[ 1/4"]
736.4
[ 29"]
476.4
[ 18 3/4"]
36.5 [ 1 7/16"]
VIEW FROM TOP
NOTE: ALL AIR INTAKES AND EXHAUST OUTLETS MUST BE
KEPT CLEAR OF ANY OBSTRUCTIONS. ALL OPEN AREA
IS REQUIRED FOR COOLING.
FRONT DOOR ACCESS FOR
ALL REQUIRED MAINTENANCE

22
2.1 LOCATION AND SUPPORT
2.1.1 GENERATOR LOCATION
The most desirable location for the generator set is
between the vehicle's main frame members. However,
this is seldom possible. Most units must be installed
on the side of the vehicle and are difficult to rein-
force.
Many recreational vehicles have been factory equipped
with an area for the generator set. Some vehicles may
even have a generator compartment provided by the
vehicle manufacturer.
Plan the generator location based on the following:
• The generator set must be installed on a frame-
work that is part of the recreational vehicle, as
outlined in Section 2.1.2.
• The location must provide an access opening
that is large enough to permit generator removal
(unless the generator is to be removed from under-
neath the supporting framework).
• The location must provide easy access to frequent-
ly serviced components, such as filters, oil drains,
spark plugs and other common maintenance
parts.
• The location must provide sufficient room to allow
minimum clearances as outlined in Section 2.2. If
sound insulation is to be used on the compartment
walls and ceiling, the minimum recommended
applies to the space between the generator and
such insulation.
• The location must provide adequate cooling and
ventilating airflow for the generator without a great
deal of work and expense.
• If mounting the generator in an enclosed compart-
ment, the base of the generator must rest flat on
the floor without any gaps.
• When using a suspended mounting system, ensure
the base of the generator is flush with the sur-
rounding bodywork. If the unit is mounted higher
in the structure, heated air may recirculate into the
generator causing it to overheat.
2.1.2 GENERATOR SUPPORT
The generator must be securely attached to a metal
framework that has been made part of the vehicle
frame structure by bolting or welding. The metal
framework on which the generator will rest and
which will restrain the generator set should consist
of at least two horizontal beams. These beams should
consist of (a) 1-1/2-inch square, 11-gauge steel tub-
ing OR (b) 1-1/2-inch, 11-gauge angle iron. A typical
supporting frame with horizontal support tubing, is
shown in Figure 2.1.
The generator can be installed so that it sits on top
of the horizontal support tubing if the vehicle design
permits. Another method is to suspend the genera-
tor below the horizontal support tubing by means of
suitable, structurally sound metal framework. The
following general rules apply:
• Vehicle construction MUST be capable of support-
ing the weight of the generator.
• Whether the generator is mounted above the hori-
zontal support tubing or suspended below the tub-
ing, the supporting frame used must be structur-
ally sound.
• If the generator cannot be bolted directly to the
supporting frame or support tubing, consider
using additional tubing, angle brackets or other
supports to give the supporting frame sufficient
strength.
Figure 2.1 – Typical Horizontal Support Frame
2.1.3 SUSPENDED MOUNTING
If the generator will be suspended below the hori-
zontal support tubing, the suspension method used
with the vehicle frame members must (a) be able to
support the weight of the generator AND (b) provide
sufficient restraint for the generator. One typical sus-
pended mounting system is shown in Figure 2.2. The
location of a suspended mounting system must be
carefully planned, keeping the following general rules
in mind:
• Protect the generator against road splash and
debris. Baffles or splash guards may be required to
protect certain areas of the generator. To make sure
the generator is adequately protected, road test the
installation through mud, water and slush.
Figure 2.2 – Typical Suspended Mounting System
GENERATOR
SUPPORT FRAME
(MODEL 004718-0)
GENERATOR MOUNTING
HOLES FOR 5/16" - 18
BOLTS (6 PLACES)
Section 2 – Installation
Recreational Vehicle Generator

23
• The installer must make certain that the selected
location will permit adequate cooling and ventilat-
ing airflow to be supplied.
2.1.4 GENERATOR RESTRAINT
Use four 5/16"-18 hardened steel bolts (Grade 5) to
fasten the generator to the supporting frame or the
support tubing. These bolts must pass through (a)
the generator mounting base, (b) the compartment
floor (if a compartment is used) and (c) the support-
ing framework (Figure 2.3). All bolts must be long
enough so that when tight, at least three threads are
visible past the retaining lock nuts. Refer to Section
2.2 for the location of the generator mounting holes.
Figure 2.3 – Typical Generator Restraint
2.2 GENERATOR COMPARTMENTS
Whether the generator set is being installed inside a
compartment specifically manufactured to house a
generator or inside a compartment that the installer
constructs, the compartment must meet certain spec-
ifications as outlined in the following sections:
2.2.1 COMPARTMENT SIZE
Plan the compartment size carefully. Provide a mini-
mum clearance of 1/2 inch (13 mm) on the front and
top, 1/2 inch (25 mm) on the sides, and 1/2 inch (13
mm) from the back for air circulation AFTER the
compartment has been lined with metal and sound
insulation (Figure 2.4).
Figure 2.4 – Clearances
1" Clearance
in Back
1/2" Clearance on Top
1" Each Side
1/2"
in Front
Insulation
Plywood
Compartment
18" Clearance Recommended
Below (Minimum 12")
NOTE:
Refer to “Figure 1.2 – Major Features and
Dimensions”.
2.2.2 COMPARTMENT CONSTRUCTION
• The generator compartment should be either con-
structed of, or lined with, 26-gauge galvanized
steel.
NOTE:
Aluminum is NOT an acceptable alternative to
galvanized steel due to aluminum’s low melting
point.
• If the compartment is lined with galvanized steel,
it may be constructed of any material. The manu-
facturer recommends that the compartment be
constructed of 1/2-inch thick plywood (not strand-
board), with the floor made of a double thickness
of 1/2-inch plywood with the grain of the wood at
cross section for added strength (Figure 2.5).
Figure 2.5 – Typical Compartment Construction
• If constructing a compartment, line the exterior
(underside) of the compartment floor with 26-
gauge galvanized steel.
• All seams, splices and joints of the compartment
walls (unless vapor tight by design) should be
caulked to prevent poisonous, flammable or explo-
sive vapors from entering the vehicle interior.
NOTE:
Caulking must be done so that the caulking mate-
rial will stay in place permanently. Pressing such
materials as putty tape onto joints and seams is
NOT acceptable. A high quality silicone rubber base
sealant is recommended.
Section 2 – Installation
Recreational Vehicle Generator

24
• Holes and openings made in the compartment
walls to allow for the passage of electrical conduit,
conductors, hoses, cables, etc., into the vehicle liv-
ing area must be sealed vapor tight with silicone
rubber base sealant.
• If flexible metal conduit is used, it must be sealed
internally at the end where it terminates inside the
compartment’s electrical junction box.
NOTE:
Flexible metal conduit, due to its unique construc-
tion, is NOT vapor tight along its entire length.
• Seams and joints of the galvanized steel (whether
used as a liner or for the compartment itself) must
be lapped and mechanically secured. Such seams
may be manufactured, welded, bolted, riveted or
screwed. Manufactured lock seams are shown in
Figure 2.6. Installer constructed compartments
typically utilize a standard lap joint.
Figure 2.6 – Types of Lock Seams
• After the compartment has been metal lined and
vapor sealed, line the compartment interior walls
and ceiling with an approved, nonflammable sound
insulating material. See Section 2.2.3.
DANGER
Do not install any flammable material directly
above or around the compartment. Heat, trans-
ferred through the compartment structure, may
be sufficient to ignite, char or discolor seat cush-
ions, fiberboard and other flammable materials.
Use approved nonflammable insulating materi-
als in high temperature areas.
2.2.3 SOUND INSULATING MATERIALS
Once installers have determined that a compartment
is properly constructed and metal lined, they can add
acoustical material. This may include additional seal-
ant or insulating material, to reflect noise away from
the vehicle interior.
Sound insulating materials should be of a nonflam-
mable type. One excellent insulating material is a 1-
inch (25 mm) thick fiberglass having a 2-pound den-
sity. When fiberglass is used, its coated side should
face toward the compartment interior.
DANGER
Do not install sound insulation or any absorbent
material on the compartment floor interior. Such
materials will become soaked with combustible
or explosive vapors and
liquids and will become a fire hazard.
Using a combination of sound insulating materials
can often reduce noise more effectively than a single
material. For example, a sheet of lead or visco-elastic
material, along with a layer of other acoustical mate-
rial, is more effective than when a single material is
used.
2.2.4 ACOUSTICS
For additional noise abatement, the installer may
wish to consider the following:
• Using special sound insulating materials.
• Construction of a special noise abatement com-
partment.
NOTE:
Any method used to reduce noise must not
adversely affect the flow of cooling and ventilating
air into or out of the compartment.
In addition to the effective use of sound insulating
materials, construction of a special noise abatement
compartment might be considered to reduce noise
levels. Such a compartment might be constructed as
follows (Figure 2.7):
• Use 5/8-inch thick or 3/4-inch thick plywood in the
compartment.
• Construct the compartment floor of a double thick-
ness of 5/8-inch or 3/4-inch plywood.
• Line the compartment interior walls and floor, as
well as the underside of the floor, with 26-gauge
galvanized steel.
• Vapor seal all compartment seams and joints.
• Over the galvanized steel lining, install a combi-
nation of acoustical materials as mentioned in
Section 2.2.3.
DANGER
To prevent fire or explosion, do not install any
insulation or other absorbent materials on the
interior or underside of the compartment floor.
• Seal all compartment door edges to prevent noise
leakage around the door perimeter.
Section 2 – Installation
Recreational Vehicle Generator

25
• Line the compartment door interior (except for air
openings) with suitable, fireproof sound insulation
(such as 1-inch (25 mm) thick fiberglass with a 2-
pound density).
Figure 2.7 – Typical Noise Abatement
2.2.5 COMPARTMENT FLOOR CUTOUTS
Provide openings in the generator compartment for
the following items (Figure 1.2):
• Engine exhaust and cooling air outlets
• Generator cooling air inlet
• Four holes for passage of generator mounting
bolts. See Section 2.1.4.
DANGER
Fuel lines and exhaust piping must not pen-
etrate into the vehicle living area.
Section 2 – Installation
Recreational Vehicle Generator
Figure 2.8 – Compartment Floor Cutout (Drawing 0D8716-G)
REF. R
E
HOT AIR
EXHAUST
TAIL PIPE
EXIT
OIL DRAIN
AIR
INTAKE
48.1
[ 1 7/8"] 222.7
[ 8 3/4"]
300.7
[ 11 13/16"]
369.7
[ 14 9/16"]
688.3
[ 27 1/8"]
29
[ 1 1/8"]
55.5
[ 2 3/16"]
376.5
[ 14 13/16"]
5/16"-18 WELDNUTS
(6 PLACES)
82.5
[ 3 1/4"]
343.4
[ 13 1/2"]
423.2
[ 16 11/16"]
717.7
[ 28 1/4"]
50.8
[2"]
118
[ 4 5/8"]
223.5
[ 8 13/16"]
60
[ 2 3/8"]
210
[ 8 1/4"]
176.6
[ 6 15/16"]
83.5
[ 3 5/16"]
429.5
[ 16 15/16"]
414.5
[ 16 5/16"]
360.5
[ 14 3/16"]
63.5
[ 2 1/2"]
416
[ 16 3/8"]
170
[ 6 11/16"]
79
[ 3 1/8"]
101
[ 4"]
TYP.
6.7
[ 1/4"]
736.4
[ 29"]
476.4
[ 18 3/4"]
36.5 [ 1 7/16"]
VIEW FROM TOP
NOTE: ALL AIR
KEPT CLE
A
IS REQUIR
E
All measurements are in millimeters, 25.4 mm = 1”.

26
2.3 COOLING AND VENTILATING AIR
It is absolutely essential that an adequate flow of
air for cooling, ventilating and engine combustion
be supplied to the generator set. Without sufficient
airflow, the engine/generator quickly overheats. Such
overheating can cause serious operating difficulties
and also may cause fire and personal injury. The
installer must make sure that sufficient air is avail-
able to the generator for cooling, ventilating and
combustion. The installer also must provide for a
path for exhausting the cooling air to the exterior of a
compartment, if so equipped.
DANGER
Never use discharged cooling air for heating or
permit such air to enter the vehicle interior. This
air contains deadly carbon monoxide gas and
other poisonous, flammable or explosive gases.
2.3.1 GENERATOR AIRFLOW
Engine operation drives cooling fans for the two-stage
cooling air system. A pressure fan draws cooling air
into the bottom right side of the generator (Figure 2.9).
This airflow cools the engine/generator and electronic
components. The second part of the cooling system, a
suction fan, draws air that is heated from a hot engine
into a collector compartment at the left side of the unit.
This heated air (although cooler than exhaust muffler)
is then deflected out the bottom toward the ground.
Figure 2.9 – Airflow Through Engine/Generator
2.3.2 TESTING THE INSTALLATION
The manufacturer recommends testing the installa-
tion to be sure adequate cooling airflow is available to
the unit before placing the unit into service. If the unit
shows signs of overheating, enlarge the air openings.
Never place a unit into service until absolutely certain
that cooling and ventilation is adequate.
NOTE:
Test the installation, especially if bringing in air
from below the generator set.
2.4 GASOLINE FUEL SYSTEM
The installation of a gasoline fuel system (Figure
2.10) for a recreational vehicle generator set must
comply with applicable codes, standards and regula-
tions. The entire fuel system must be completely free
of leaks. There must be no possibility of gasoline
vapors entering the vehicle interior.
Figure 2.10 – Generator Fuel System
GENERAC OHVI INDUSTRIAL ENGINE
I
t
r
e
,
e
h
i
t
w
a
n
c
.
-
s
m
,
I
e
W
POWERED
W
y
s
S
r
o
P
w
e
A
C
N
R
E
G
E
OHVI
t
GENERAC
TM
RV SERVICE LOCATOR:
1.800.333.1322
QUIETPACT 40G
*
SERVICE ACCESS PANEL
OIL LEVEL: CHECK DAILY
AIR FILTER: CLEAN PREFILTER
EVERY 100 HOURS.
REPLACE ELEMENT
EVERY 250 HOURS.
OIL & OIL FILTER:
CHANGE EVERY 100
(IF NECESSARY)
EVERY 500 HOURS.
HOURS. REPLACE PLUGS
PLUGS EVERY 100
INSPECT & CLEANSPARK PLUGS:
REPLACEMENT INFORMATION
*
PERFORM MORE OFTEN IN DUSTY CONDITIONS
AIR FILTER LOCATED BEHIND PANEL.
MAINTENANCE SCHEDULE
AIR FILTER P/N: 0D3262
070185OIL FILTER P/N:
SPARK PLUG P/N: 072347
OIL CAPACITY WITH FILTER:
0.8L/0.84QT
TEMPERATURE SAE VISCOSITY
32˚F AND HIGHER
10˚F TO 100˚F
0˚F TO 80˚F
-20˚F TO 50˚F 5W-30
10W-30
15W-40
30
WHEN SERVICE OR PARTS ARE NEEDED IN
THE USA OR CANADA, CONTACT THE GENERAC
SERVICE LOCATOR AT 1-800-333-1322.
HOURS. (OR ANNUALLY)
PREFILTER P/N: 0D4511
FUEL FILTER P/N: 0D7515
FUEL FILTER: CHANGE EVERY 400
HOURS. (OR ANNUALLY)
*
*
PRIME
FUEL
STOP
START 30A
C.B.
A
FUSE
CONTROL CENTER
7.5
T
o
R
e
m
o
v
e
Fuel Pump & Fuel Filter
(Behind Access Panel & Air Filter)
DANGER
Gasoline is highly flammable, and its vapors are
explosive. Comply with all codes, standards and
regulations pertaining to gasoline fuel systems
used in recreational vehicle generators. Properly
install and maintain the fuel system and keep it
entirely free of leaks. Gasoline vapors must not
enter the vehicle interior.
Factory installed generator fuel system components
include (a) fuel filter, (b) 12-volt DC electric pump,
(c) engine carburetor, and (d) interconnecting lines
and fittings. Connect a fuel supply line to the fuel
filter inlet. Use a flexible length of approved fuel hose
between the fuel filter inlet connection and rigid fuel
lines.
Section 2 – Installation
Recreational Vehicle Generator

27
2.4.1 FUEL TANK
Either the generator must share the vehicle engine's
fuel tank, or install a separate fuel tank for the
generator set. All fuel tanks installed on the vehicle
must be constructed, installed and restrained so they
comply with applicable codes, standards and regula-
tions.
If the generator is to share the vehicle engine's tank,
separate fuel pickup tubes are required for the engine
and the generator. The manufacturer recommends
that the fuel pickup tube be 2 to 3 inches (51 to 76
mm) shorter than the vehicle engine's pickup tube.
This prevents the generator from depleting the entire
fuel supply during prolonged generator operating
periods.
Do NOT tee the generator fuel supply line
into the vehicle engine fuel supply line. If this
is done, the generator will be starved of fuel
when both engines are operating at the same
time. Also, while the vehicle engine is not run-
ning, generator operation may drain the vehicle
engine supply line, making it difficult to start
the vehicle engine.
2.4.2 GENERATOR FUEL SUPPLY LINE
2.4.2.1 Rigid Fuel Lines
Those lines used to supply fuel from a tank to the
generator must comply with applicable codes, stan-
dards and regulations. The following general rules
apply to rigid fuel lines:
• Rigid lines should be of annealed, seamless, drawn
aluminum or steel.
• Lines and fittings must comply with SAE J512F,
“Standard Automotive Fittings,” or with ANSI
B126.26 (latest edition).
• Route the fuel line so that at least 2 inches (51 mm)
of clearance is maintained between the line and
any exhaust system parts.
• Do not attach electrical wiring to fuel lines. Route
the wiring so it cannot come into contact with any
fuel line.
• Route fuel lines so if they leak, fuel does not drip
onto any electrical or exhaust system parts.
• Use nonferrous metal straps without sharp edges
to secure fuel lines.
2.4.2.2 Flexible Fuel Line
Use an approved flexible length of fuel hose between
the generator fuel inlet connection and rigid fuel
lines. This prevents breaking of the line caused by
vibration, shifting, settling or movement. The follow-
ing rules apply:
• The flexible hose must comply with SAE J30B,
“Standard for Fuel and Oil Hose.” It must be
approved for use with gasoline.
• The hose should be at least 6 inches (152 mm)
longer than is needed to prevent the hose from
rupturing if the generator shifts or settles.
2.5 EXHAUST SYSTEM
The generator exhaust system must be safely and
properly installed. Only approved mufflers and other
exhaust system parts must be used. A properly
installed exhaust system must be vapor tight, quiet
and completely safe.
DANGER
The generator engine gives off DEADLY carbon
monoxide gas through its exhaust system. This
dangerous gas, if breathed in sufficient con-
centrations, can cause unconsciousness or even
death. Never operate the generator set with
the vehicle inside any garage or other enclosed
area. DO NOT OPERATE THE GENERATOR IF THE
EXHAUST SYSTEM IS LEAKING OR HAS BEEN
DAMAGED. SYMPTOMS OF CARBON MONOXIDE
POISONING ARE (a) inability to think coher-
ently; (b) vomiting; (c) twitching muscles; (d)
throbbing temples; (e) dizziness; (f) headaches;
(g) weakness; and (h) sleepiness. IF FEELING
ANY OF THESE SYMPTOMS, MOVE INTO FRESH
AIR IMMEDIATELY. IF SYMPTOMS PERSIST, GET
MEDICAL HELP. Do not operate the generator
until its exhaust system has been inspected and
properly repaired.
Never tee the generator engine exhaust pipe
into the vehicle engine exhaust piping. This
causes excessive back pressure on the generator
engine. Also, water from one engine can dam-
age the other engine.
Section 2 – Installation
Recreational Vehicle Generator

28
2.5.1 SPARK ARRESTOR
This spark arrestor assembly meets code and stan-
dard requirements of the U.S. Forest Service. Use
only mufflers and parts approved by the manufactur-
er. Any person(s) installing an unapproved muffler, or
an unapproved exhaust system part, or modifying an
exhaust system in any way that might cause a hazard,
is liable for any damage, injury or warranty expense
that might be caused by such unapproved installation
or modification.
Failure to provide and maintain a spark arrestor may
be in violation of the law. If this generator is used on
any forest covered, brush covered or grass covered
unimproved land, provide a spark arrestor. The vehi-
cle owner or operator must maintain this device in
good condition. In the state of California, the preced-
ing is required by law (Section 4442 of the California
Public Resources Code). Other states may have simi-
lar laws. Federal laws apply on federal lands.
When installing/replacing the tailpipe or spark arres-
tor components, verify that the tailpipe has a hole
to securely fasten the spark arrestor components
(see Figures 2.11 and 2.12). Use only manufacturer
supplied hardware. Substitution of parts may cause
damage to the screen or a loose fit to the tailpipe.
Figure 2.11 - Spark Arrestor
RETAINING
SCREW P/N 056892
SPARK ARRRESTOR
SCREEN P/N 089680
TAILPIPE
P/N 0E0683
Figure 2.12 — Spark Arrestor Installation
40
[
1.58"
]
5.5
[
7/32"
]
DRIL
L
B
O
TT
O
M
S
IDE
O
NL
Y
27.4
[
1.08"
]
I.D
.
2.5.2 EXHAUST SYSTEM SAFETY
• Maintain a clearance of at least 3 inches (76 mm)
between exhaust system parts and any combus-
tible material (such as wood, felt, cotton, organic
fibers or other like material). If the 3-inch (76 mm)
clearance cannont be maintained, locate, insulate
or shield the exhaust part(s) so that the tempera-
ture of any combustible material is not raised
more than 117° F (65° C) above the ambient air
temperature.
• Extend the exhaust system at least 1 inch (25 mm)
past the outer edge of the vehicle. Do not terminate
the exhaust system under the vehicle.
• Terminate the exhaust tailpipe such that exhaust
gases will not be drawn back into the generator
compartment and recirculated.
• If there is any possibility of the tailpipe or muffler
being damaged, protect these damage-prone areas
by means of a protective device (such as a skid
bar).
• Install the generator exhaust system according to
safe automotive practices.
• Use enough exhaust system hangers to prevent any
part of the system from being dislocated.
• Use exhaust system parts recommended by the
manufacturer. Using unapproved exhaust mufflers
and exhaust system parts is the responsibility of
the person(s) installing such unauthorized parts.
• Do not terminate the exhaust system under any
opening, window or vent that can be opened or is
not permanently sealed from the vehicle interior.
• Exhaust piping must be large enough to prevent
excessive back pressure on the generator engine.
• Never tee the generator engine exhaust pipe into
the vehicle engine exhaust piping. This causes
excessive back pressure on the generator engine.
Also, water from one engine can damage the other
engine.
• Plan exhaust system installation carefully. Comply
with all applicable codes, standards and regula-
tions.
2.6 ELECTRICAL CONNECTIONS
Be sure to read Section 1.6.
The following general rules apply to electrical connec-
tions in a recreational vehicle:
• Qualified electricians who are familiar with appli-
cable codes, standards and regulations should
install electrical wiring.
• The wiring should comply with codes, standards
and regulations. The National Electrical Code
(NFPA 70), and state and local codes apply.
• Switches and circuit breakers should be of a type
approved for use in recreational vehicles and must
be mounted and installed to prevent damage from
road shock.
Section 2 – Installation
Recreational Vehicle Generator

29
• Wiring must be of adequate size, have approved
insulative qualities and be properly supported.
• Conduit and wire openings into the generator com-
partment (if used) must be vapor-sealed to prevent
entry of flammable, explosive or poisonous gases
into the vehicle.
2.6.1 ELECTRICAL JUNCTION BOX
Install an approved, square electrical junction box
with a blank cover on the interior or exterior wall
of the area planned for installation of the generator
(NOT on the generator). Route the generator's AC
output leads into this junction box through approved
flexible conduit. This is the point of first termination
for generator AC output leads.
2.6.2 WIRING
• Wiring should be of stranded copper to reduce the
chance that vibration may cause breakage.
• Wire gauge size should be large enough to handle at
least 115 percent of the installed generator's rated
maximum current.
• Neutral conductors must be the same size as other
leg wires.
• Route power supply conductors from generator AC
output leads (white), (black) and the green ground
wire through approved flexible conduit to the elec-
trical junction box on the compartment wall.
If flexible metal conduit is used between the gen-
erator and the compartment junction box, the con-
duit end that terminates the compartment junction
box must be vapor-sealed. Flexible metal conduit
is NOT vapor tight along its entire length.
• From the junction box, route power supply wires
through approved conduit to either (a) double-pole,
double-throw transfer switch, or (b) approved iso-
lation receptacle. Connecting to a transfer switch
or isolation receptacle must prevent vehicle electri-
cal circuits from being connected to two different
power supplies at the same time (such as genera-
tor and dockside power).
• Conductors must be rated 221° F (105° C) or must
be of a larger conductor size.
2.6.3 GENERATOR AC CONNECTIONS
Generator AC output leads (BLACK) “hot” and
(WHITE) grounded neutral come out of the generator
as shown in Figure 2.13. There is also a green lead
that connects to ground in the junction box of the
recreational vehicle.
Figure 2.13 – Generator AC Output Leads
483.1
AC OUTPUT
HARNESS
REMOTE PANEL
CONNECTOR
BATTERY
CONNECTIONS
FUEL FILTER
I
t
r
e
,
e
h
i
t
w
a
n
c
.
-
s
m
,
I
e
W
W
y
s
S
r
o
P
w
e
A
C
N
R
E
G
E
t
TM
Leads BLACK to WHITE are protected against over-
load by a 30-amp circuit breaker (CB1). Use this
line-to-neutral connection separately to operate 120-
volt, single-phase, 60 Hertz, AC loads requiring up to
3,600 watts (3.6 kW) of power.
Do NOT connect electrical loads in excess of any
circuit breaker rating or problems will develop
with circuit breaker tripping, which causes a loss
of AC output. Also, do NOT exceed the gener-
ator's rated wattage capacity. Add the watts
or amperes of all lighting, appliance, tool and
motor loads the generator will operate at one
time. This total should be less than the unit's
rated wattage/amperage capacity.
2.6.4 CONDUIT
Route the connections between the generator and the
junction box through approved, flexible conduit. The
following general rules apply:
• Cut wiring to the required length and allow extra
wire for junction box connections.
• Carefully prepare conduit ends to prevent sharp
edges from cutting through wiring insulation.
• Route conduit so it does not interfere with genera-
tor movement.
• If using metallic conduit, vapor seal the end of the
conduit where it enters the junction box. Do this
because flexible metallic conduit is not vaporproof
along its entire length.
Section 2 – Installation
Recreational Vehicle Generator

30
2.6.5 ISOLATING DIFFERENT POWER
SOURCES
Connections from the junction box must terminate in
a double-pole, double-throw transfer switch (Figure
2.14). An alternate method for isolating different
power sources is by using an isolating receptacle
(Figure 2.15). Whichever method is used, be certain
that both power sources are NOT connected at the
same time.
2.6.6 POWER SUPPLY CORD
The power supply cord must comply with all appli-
cable codes, standards and regulations. It must be
large enough to handle the full amperage to which it
will be subjected.
Section 2 – Installation
Recreational Vehicle Generator
GENERAC
OHVI
POWERED
GENERAC OHVI INDUSTRIAL ENGINE
QUIETPACT 40G
RV SERVICE LOCATOR:
1.800.333.1322
G
E
N
E
R
A
C
P
o
w
e
r
S
y
s
t
e
m
s
,
I
n
c
-
W
h
i
t
e
w
a
t
e
r
,
W
I
®
®
Figure 2.14 – Transfer Switch Isolation Method
Figure 2.15 – Installation With Isolation Receptacle
GENERAC
OHVI
POWERED
GENERAC OHVI INDUSTRIAL ENGINE
QUIETPACT 40G
RV SERVICE LOCATOR:
1.800.333.1322
G
E
N
E
R
A
C
P
o
w
e
r
S
y
s
t
e
m
s
,
I
n
c
-
W
h
i
t
e
w
a
t
e
r
,
W
I
®
®

31
2.6.7 GROUND FAULT CIRCUIT
INTERRUPTERS
The National Electrical Code (NFPA 70, 551-7)
requires that ground fault circuit interrupters (GFCIs)
be installed on all external and some internal electri-
cal receptacles. Contact the dealer for recommenda-
tions.
2.7 BATTERY INSTALLATION
2.7.1 RECOMMENDED BATTERY
Install a battery that meets the following require-
ments:
• The battery must be a 12-volt, automotive type
storage battery.
• For prevailing ambient temperatures above 32°
F (0° C), use a battery rated 70 amp-hours and
capable of delivering 400 cold-cranking amperes.
• For prevailing ambient temperatures below 32°
F (0° C), use a battery rated 95 amp-hours and
capable of delivering 400 cold-cranking amperes.
NOTE:
If the battery is to be used to power other vehicle
accessories, as well as start the generator, a bat-
tery with a larger capacity may be needed.
2.7.2 BATTERY CABLES
Using battery cables that are too long or too small in
diameter may cause a drop in voltage, which causes
starting problems. For the best cold weather starting,
the voltage drop between battery terminals and the
generator connection point should not exceed 0.12
volts per 100 amperes of cranking current.
These generators are rated at about 100 DC amperes
of cranking current.
Select battery cables based on (a) cable length and
(b) prevailing ambient temperatures. Generally, the
longer the cable and the colder the weather, the larger
the cable size must be, as shown in the chart.
* For warm weather, use No. 2 cable up to 20 feet.
2.7.3 BATTERY CABLE CONNECTIONS
1. Connect the battery cable from the battery post or
terminal indicated by a POSITIVE, POS or (+) to
the lug on the starter contactor (Figure 2.16).
NOTE:
Check to be sure the battery cable boot for the
starter cable has been installed.
2. Connect the battery cable from the battery post
indicated by a NEGATIVE, NEG or (-) to the
frame ground connection (Figure 2.16).
3. Connect cables so the connectors are clean and
tight.
Figure 2.16 – Connecting Battery Cables
NEG
FUEL
POS
2.7.4 BATTERY COMPARTMENT
Install the generator battery in its own, vented com-
partment. Place the battery compartment away from
any source of heat, sparks or flame.
Provide ventilation openings in the battery compart-
ment. The minimum size of openings should be 2
square inches at the top of the compartment. Mount
the battery on a strong, rigid supporting structure,
where leaks and spills of battery fluid will not cause
damage.
2.8 OPTIONAL ACCESSORIES
A plug-in receptacle (Figure 2.17) is provided on
the generator set. Use this receptacle to connect an
optional remote-mounted start/stop panel to the
generator. Installation of such a panel will permit
starting and stopping the generator engine from any
convenient location inside the vehicle.
Figure 2.17 – Remote Panel Plug-in Receptacle
12.00"
14
0
17
1
5
1
8
14A
1
3
2
5
4
6
0
14
17
1
8
14A
1
5
1
5
17
14A
1
8
14
0
N
o.
WIRE
WIRE
CO
L
OR
RED
YELL
OW
O
RAN
GE
WHITE
BL
UE
BR
O
W
N
12.0
(
305
)
LENGTH
(
mm
)
12.0
(
305
)
12.0
(
305
)
12.0
(
305
)
12.0
(
305
)
12.0
(
305
)
FUNCTION
GROUND
ENGINE RUN SIGNAL
12 VDC
START
STOP
PRIME
P
/
N:
0
D
9099
-
B
Section 2 – Installation
Recreational Vehicle Generator
CABLE LENGTH
in Feet (Meters) CABLE SIZE
0 to 10 (0 to 3) 2*
11 to 15 (3.4 to 4.5) 0
16 to 20 (4.5 to 6) 000

32
2.8.1 REMOTE START/STOP PANEL
A remote mounted Start/Stop panel (Figure 2.18) is
available that allows the user to start and stop the
generator engine conveniently from inside the vehicle.
The remote panel includes a Start/Stop switch, hour-
meter, generator run lamp, a fuel prime switch, and
a wire harness. The hourmeter should be used in
conjunction with the maintenance operations found
in Part I of this manual.
Figure 2.18 – Optional Remote Panel
PRIME
F
U
E
L
S
T
OP
R
UN
3.1 POST INSTALLATION TESTS
The air-cooled generator set was factory tested and
adjusted. It should not be required to adjust the unit
any further except under special circumstances.
Do not make any unnecessary adjustments.
Factory settings are correct for most applica-
tions. When making adjustments, however, be
careful to avoid overspeeding the engine.
3.2 BEFORE INITIAL START-UP
Before starting, complete the following:
1. Check the engine crankcase oil level and, if nec-
essary, fill to the dipstick “FULL” mark (cross-
hatched area) with the recommended oil. Do not
fill above the FULL mark.
2. Check the fuel supply. Gas fuel lines must have
been properly purged and leak tested in accor-
dance with applicable fuel codes. All fuel shutoff
valves in the fuel supply lines must be open.
DANGER
If a liquid propane (LP) gas fuel system has been
installed, it must be properly tested for leaks
before operating the system in compliance with
ANSI A119.2/NFPA 501C. No leakage is permit-
ted. Be sure that no gasoline fuel vapors enter
the vehicle interior.
3.3 INITIAL START
When absolutely certain that the unit has been prop-
erly installed and prepared for use, start the engine
as follows:
1. Turn off all electrical loads. Do this by setting the
generator’s main circuit breakers to their “OFF”
(or open) position.
2. Refer to Part I, Section 2.5, “Starting the
Generator”, for cranking and starting instruc-
tions. The engine may require more cranking
for initial starting since the fuel lines have to be
primed (use of the primer switch will shorten this
time).
3. Let the engine warm up for about five minutes to
allow internal temperatures to stabilize.
4. Carefully inspect the engine/generator for fuel, oil
and exhaust system leaks. Before proceeding to the
next step, correct any leakage immediately.
5. When all tests and adjustments at no-load are
completed, apply electrical loads and check for
proper operation under load. See Section 3.4.
Run the unit at least 30 minutes with loads
applied.
6. Turn off all electrical loads by setting the gener-
ator’s main circuit breakers to their “OFF” (or
open) position.
7. Let the unit run at no-load for a few minutes to
stabilize internal engine/generator temperatures.
Then, shut down the engine.
NOTE:
The generator set was thoroughly tested and
adjusted at the factory before shipping. No addi-
tional adjustment should be necessary. Only quali-
fied service technicians who have been trained
should perform adjustments outlined in this
manual.
3.4 TESTING UNDER LOAD
Apply electrical loads equal to about 75 to 100 per-
cent of the unit's rated wattage/amperage capacity.
Let the unit run at least 30 minutes with load applied.
During this part of the test, check that the unit is not
running excessively hot and that adequate cooling
airflow is available. Do not allow the unit to overheat
during prolonged operation.
NOTE:
The generator engine is equipped with a high tem-
perature switch. The switch has normally closed
(N.C.) contacts. When the engine temperature is
too high, switch contacts close, and the engine
shuts down automatically.
THE MANUFACTURER RECOMMENDS THAT THE
GENERATOR BE TESTED FOR ADEQUATE COOL-
ING.
Section 3 – Post-Installation Start-up Adjustments
Recreational Vehicle Generator

33
Section 3 – Post-installation Start-up Adjustments
Recreational Vehicle Generator
3.5 INSTALLATION CHECKLIST
LOCATION AND SUPPORT
❑ Generator is properly located.
❑ Generator is properly supported.
❑ Generator is properly restrained.
GENERATOR COMPARTMENT
❑ Compartment construction is proper.
❑ Holes/Openings are vapor-sealed.
❑ Compartment size is correct.
❑ Compartment is vapor-sealed.
❑ Sound insulation is correct.
❑ Floor cutouts are properly completed.
COOLING AND VENTILATING AIR
❑ Airflow is adequate.
❑ Air inlet opening is correct.
❑ Compensate for restrictions.
❑ Check that installation has been tested.
GASOLINE FUEL SYSTEM
❑ Fuel tank complies with all applicable codes.
❑ Fuel system is properly installed and checked
for leaks.
OPTIONAL LP GAS FUEL SYSTEM
❑ Fuel system is properly installed and checked
for leaks.
❑ Pressure at regulator inlet is correct.
❑ Rated flow of primary regulator is correct.
❑ All parts are properly installed.
❑ Fuel system is properly tested/adjusted.
EXHAUST SYSTEM
❑ Exhaust system complies with all applicable
codes.
❑ Exhaust system is properly and safely installed.
ELECTRICAL CONNECTIONS
❑ Connections comply with local code requirements
and all National Electrical Codes.
❑ Junction box is properly installed.
❑ Wiring meets all standards.
❑ All connections are correct.
❑ Conduit is properly installed and sealed.
❑ Generator is properly bonded to the vehicle.
BATTERY INSTALLATION
❑ Recommended battery is installed.
❑ Recommended cables are installed.
❑ Cables are clean and tight.
❑ Cables are connected properly.
❑ Proper ventilation is provided.
❑ Terminals are coated with anti-corrosion grease,
and terminal covers are positioned.
OPTIONAL ACCESSORIES
❑ Check that remote start/stop panels (if used) are
installed properly.
❑ Check that hourmeter kit (if used) is installed
properly.
❑ Check that any other options and accessories (if
used) are installed properly.
POST INSTALLATION TESTS
❑ Check that all tests are completed properly.
DATE OF INSTALLATION ____________________________________________________
NAME OF INSTALLER _______________________________________________________
SIGNATURE OF INSTALLER _________________________________________________

34
Appendix 1 – Notes
Recreational Vehicle Generator

35
Appendix 2 – Troubleshooting
Recreational Vehicle Generator
TROUBLESHOOTING GUIDE
Problem Cause Correction
The engine will not crank. 1. Fuse blown 1. Replace fuse.
2. Loose, corroded or defective 2. Tighten, clean or replace
battery cables as necessary.
3. Defective engine Start/Stop 3. Replace Start/Stop switch.
switch
4. Defective starter contactor 4. Replace contactor.
5. Defective starter motor 5. Replace starter motor.
6. Low or defective battery 6. Charge or replace battery.
The engine cranks but 1. Out of fuel 1. Replenish fuel.
will not start. 2. Defective fuel pump 2. Replace fuel pump.
3. Open #14 wire from 3. Check connections and.
engine control board insulation of #14 wires.
4. Flooded engine 4. Wait 5-10 minutes before trying.
5. Defective spark plug(s) 5. Clean, re-gap or replace plug(s).
6. Fuel line shut-off closed 6. Open fuel line shut-off.
7. Plugged fuel filter 7. Clean or replace fuel filter.
The engine starts hard 1. Air cleaner 1. Check, clean or replace air cleaner.
and runs rough. plugged or damaged
2. Defective spark plug(s) 2. Clean, re-gap or replace plug(s).
The engine starts, but shuts 1. Engine oil level low 1. Check oil and add oil as needed.
down when the Start/Stop 2. Defective low oil 2. Replace pressure switch.
switch is released. pressure switch
3. Defective high temperature 3. Replace temperature switch.
switch
4. Defective engine control board 4. Replace control board.
5. Overheated engine 5. Check that the airflow
openings are adequate.
The Start/Stop switch is 1. Defective Start/Stop switch 1. Replace switch.
set to Stop, but the engine 2. Open/Disconnected #18 wire 2. Reconnect or close wire.
continues to run. between Start/Stop switch
and engine control board
3. Open/Disconnected #0 wire 3. Reconnect or close wire.
between Start/Stop switch
and engine control board
4. Defective engine control board 4. Replace control board.
There is no AC output from 1. Main line circuit breaker open 1. Reset circuit breaker
the generator. to ON (or closed).
2. Fault with vehicle circuit 2. Reset and replace if necessary.
breaker and/or fuses
3. Transfer switch set to NORMAL 3. Set switch to GENERATOR.
4. Start switch not held long 4. Stop, then restart the engine
enough to flash the field (Hold Start switch for at least
2 seconds).
5. Generator internal failure 5. Contact aN Authorized Service
Dealer.

RED
BLUE
ORANGE
BROWN
77
YELLOW
WHITE
15
BATTERY CHARGE WINDING
NEUTRAL CONNECTION
GREEN
BY CUSTOMER
WHITE
T2
FIELD
120V 30A
44
0F
0N
0K
22P
DPE WINDING
2
CB3
6
ELECTRONIC
REGULATOR
VOLTAGE
2A
0N
0N
R1
POWER WINDING
22S 11S
77
55
BLACK
FUEL
PRIME
11P
4
4
T1
4
CB1
REMOTE PANEL
(OPTIONAL)
33
4
66
START
HM
L1
1
STOP
8
A41
8
514
18
0
17
BLK
14
4J1-9
J1-15
BCR
14
66
18
J1-11
J1-10
J1-13
J1-12
J1-14 18
0
85
66
J2
J3
15 14
SW2
15
J1-5
J1-4
J1-8
J1-7
J1-6 17
17
18A
J1-2
J1-1
J1-3
PCB
90
56
16
RED
RED
13
15
F1
16
14A
SC
BATTERY
HTO
CONNECTOR
4
17
14
4
1A
5
18
1
0I
17
66
85
85
33
6
5
4
6
5
4
1
2
1
2
PA N E L
REMOTE
LOP
0
0
SP
0B
(START)
(STOP)
SW1
IM
SC
14
CH
CS 0
0
0
FS
FP
SM
HTO - SWITCH, HIGH TEMP. OIL (CLOSES ON HIGH TEMP.)
L1 - LIGHT, RUN (OPTIONAL)
LOP - SWITCH, LOW OIL PRESSURE
SW2 - SWITCH FUEL PRIMER
TC - TERMINAL, CONN. 4-TAB
SP - SPARK PLUG
SM - STARTER MOTOR
PCB - ENGINE CONTROLLER
IM - IGNITION MAGNETO
SW1 - SWITCH, START/STOP
SC - STARTER CONTACTOR
R1 - RESISTOR, 1 OHM 25W
(CLOSES ON LOW PRESSURE)
HM - METER, HOUR (OPTIONAL)
FP - FUEL PUMP-OR-LPG SHUT OFF VALVE
CB1 - CIRCUIT BREAKER, 30A
BCR - BATTERY CHARGE RECTIFIER
GT - TERMINAL, GROUND 4-TAB
CB3 - CIRCUIT BREAKER, 2.5A
FS - FUEL SOLENOID (GASOLINE ONLY)
CS - CHOKE SOLENOID
F1 - FUSE, 7.5A
CH - CHOKE HEATER (GASOLINE ONLY)
LEGEND
36
Appendix 3 — Electrical Data
Recreational Vehicle Generator
Electrical Schematic and Wiring Diagram – Drawing No. 0D8063-D

37
Appendix 3 — Electrical Data
Recreational Vehicle Generator
Electrical Schematic and Wiring Diagram – Drawing No. 0D8063-D
0
CONN. 2
PIN#
0
90
14
14
CH
18A
90
85
LOP
CS
0
18
RED
18
85
17
18A
85
PCB
J1-7
J1-9
J1-12
J1-11
J1-10
J1-8
J1-15
J1-14
J1-13
J1-2
J1-5
J1-4
J1-3
J1-1
J2
J1-6
J3
18
1
FS
14
2
3
18
18A
18 CONN. 1
PIN#
0
0
FP
90
14
2
1
2A
2
17
18
4
16
CB3
66
0
56
14
15
90
0
90
16 56
IM1
18A
HTO
SP1
85
13 14A
15
18
15
66
77
14
15
14
15
0
0
2
14
14A
14
F1
66
BCR
15
14
2A
13
17
4
15
2A
17
0
15
SW1
SW2
TC
0K
0
0
0
0B
17
18
GT
0
0I
4
2
0
11S
13
0K
4
22S
4
2A
62A
REGULATOR
VOLTAGE
ELECTRONIC
14A
15
14A
14A
0F
44
14
0F
17
11P
22P
77
22S
11S
33
66
RED
22P
11P
44
55
6
2
R1
CONNECTOR
17
14
18
REMOTE
PA N E L
3
4
7
5
6
0I
55
0N
1
28
14A
15
15
CLOSEST TO BEARING
4
FIELD
S TAT O R
SM
BATTERY
12V
SC
16
BLACK
NEUTRAL CONNECTION
BY CUSTOMER
BLACK
33
CB1
11P
GT
AC CONNECTION
CUSTOMER
WHITE
T1
GREEN
GREEN
WHITE
T2
11P
0SCREW
FILTER MTG
SUPPLIED BY
CUSTOMER
SUPPLIED BY
CUSTOMER
33
0F
0N

38
23
46
42
55
37
17
2
54
34
32 31
33
55
50
55
16
40
56
TO CARB
12
57
21
13
43
15
21
52
41
3
48
9
21
21
27
28
55
58
36
21
35
42
41
21
18
1
53
21
51
39
23
22
6
10
47
8
24
22
20
15
21
11
14
44
25
49
721
24
26
41
21
38
59
45 5
4
30
19
Appendix 4 — Exploded Views and Parts Lists
Recreational Vehicle Generator
Enclosure – Drawing No. 0D8352-G

39
ITEM PART NO. QTY. DESCRIPTION
1 0D6822 1 TRAY, ENCLOSURE
2 0D6942 1 PANEL, ENCLOSURE SIDE
3 0D6939 1 PANEL, REAR DIVIDER
4 0D6943 1 PANEL, ENCLOSURE ROOF
5 0D6941 1 PANEL, ENCLOSURE BACK
6 0D6940 1 PANEL, FRONT DIVIDER
7 0D6945 1 COMPARTMENT, AIR INTAKE
8 0D6944 1 PANEL, ENCLOSURE DOOR
9 0D8254 1 SHIELD, MUFFLER
10 0C5644 2 SLIDE LATCH, FLUSH
11 0D7513 1 PUMP, FUEL
12 087769 1 FILTER, FUEL
13 0D7613 1 FUEL LINE, FILTER TO PUMP
14 0D7614 1 FUEL LINE, PUMP TO CARB
15 048031C 2 CLAMP HOSE BAND ¼”
16 047411 2 SCREW HHC M6-1.0 X 16
17 022473 2 WASHER FLAT ¼”
18 023484S 1 BUSHING, 1.09” SNAP
19 022097 2 WASHER LOCK M6-1/4”
20 086729 1 CONTACTOR, STARTER
21 0D3700 24 NUT FLANGE M6-1.0 NYLOK
22 022129 2 WASHER LOCK M8-5/16”
23 022259 2 NUT HEX 5/16”-18
24 075763A 2 BOOT BATTERY CABLE
25 0D7293 1 PANEL AIR BOX COVER
26 064113 1 SCREW, M6-1.00 X 20MM WING
27 0C7561 1 BOLT CARR 3/8”-16 X 1”
28 0A4456 1 3/8” SPECIAL L/WASHER
30 049813 2 NUT HEX M6 X 1.0
31 022237 1 WASHER LOCK 3/8”
32 022131 2 WASHER FLAT 3/8-M10”
ITEM PART NO. QTY. DESCRIPTION
33 0C5443 1 BLOCK, TERMINAL BATTERY POST
34 0C7423 1 STUD 3/8”-16 X 2”-1/4” BRASS
35 029451 2.1’ TAPE FOAM 1/8” X ½”
36 074908 4 SCREW HHTT M5-0.8 X 10
37 0D8717 1 CUSTOMER CONNECTION HARNESS
38 0D9020 1 FOAM, AIR OUT COMPARTMENT SIDE
39 0742600144 1 CABLE, STARTER
40 0E0724 1 ASSEMBLY OIL DRAIN
41 0A7215 18 SCREW SW ¼”-20 X 5/8” WITH NYLON
WASHER
42 0742600143 1 CABLE, BATTERY CONNECTION
43 0D8595 1 MOUNT, FUEL FILTER SUPPORT
44 0D8627 2 FOAM, AIR INTAKE COMPARTMENT
45 0D8628 1 FOAM, ROOF AIR OUT COMPARTMENT
46 0D8628A 1 FOAM, BACK COMPARTMENT
47 0D8691 1 FOAM, DOOR PANEL
48 0D7176 4 WASHER SELF LOCKING 1"
49 0A2115 1 WASHER NYLON .250”
50 0D9282 1 HARDWARE CLOTH COMPARTMENT
AIR OUT
51 023484E 1 BUSHING, 0.50” SNAP
52 0F9176 8.5” HOSE, 1/4” ID
53 0E0014 1 BOX, MUFFLER TAIL PIPE
54 0E0017 1 GASKET, MUFFLER TAIL PIPE BOX
55 0C7968 4 NUT HEX JAM 3/8”-16 BRASS
56 0E0393 1 ASSEMBLY, CAP & DIPSTICK
57 0D8981 1 FILTER GASKET
58 029451A 8.75’ FOAM TAPE 1/16” X ½”
59 0D8628B 1 FOAM, FRONT AIR OUT
COMPARTMENT
Appendix 4 — Exploded Views and Parts Lists
Recreational Vehicle Generator
Enclosure – Drawing No. 0D8352-G

40
Appendix 4 — Exploded Views and Parts Lists
Recreational Vehicle Generator
Generator – Drawing No. 0D8353-H
22
18
2
1
2
5
3
24
25
4
7
8
9
24
38
28
18
3
7
18
23
2
2
1
2
21
15
2
18
21
2
18
2
8
10
35
26
27
11
2
12
2
13
23
36
39
2
17
18
18
16
14
29
1
0
34
30
3
2
42
3
1
29
33

41
Appendix 4 — Exploded Views and Parts Lists
Recreational Vehicle Generator
Generator – Drawing No. 0D8353-H
ITEM PART NO. QTY. DESCRIPTION
1 050322 1 SCREW IHHC 5/16"-24 X 9-3/4"
2 022129 22 WASHER LOCK M8-5/16"
3 049451 1 WASHER FLAT .406" I.D. X 1.62" O.D.
4 0C8096A 1 FAN, 8" CURVE BLADE, 16.5MM I.D.
5 0D8120 4 SCREW IHHC M8-1.25 X 260MM
6 066849 2 SCREW HHTT M5-0.8 X 16
7 066386 1 ASSEMBLY, BRUSH HOLDER
8 0D4217 1 CARRIER, REAR BEARING
9 073159 1 BEARING
10 0D4484H 1 ROTOR
11 0D4430H 1 STATOR
12 0D4216 1 ADAPTOR, ENGINE
13 048614 4 SCREW HHC 5/16"-24 X 3/4"
14 0D2588A 1 GASKET, FRONT DIVIDER
15 022131 4 WASHER FLAT 3/8"-M10
16 027028 4 NUT LOCK HEX 5/16"-18 NYLON INSERT
17 0D6832 1 BRACKET, ENGINE MOUNTING
18 022145 18 WASHER FLAT 5/16"
19 030231 3 SCREW HHC 5/16"-18 X 1-1/2"
20 0C3168 1 5/16" SPECIAL LOCK WASHER
21 022259 10 NUT HEX 5/16"-18
22 0C8565 2 SCREW SHC M8-1.25 X 18MM
23 0D8048 4 VIBRATION MOUNT
24 083512 6 SCREW HHTT M8-1.2 X 16MM
25 0D6831 1 BRACKET, ALTERNATOR MOUNTING
26 029451 2.14' TAPE ELEC. UL FOAM 1/8" X 1/2"
27 0D6918 1 DUCT, ALTERNATOR AIR
28 0D2558 1 GASKET, ALTERNATOR DUCT
29 087680 2 NUT WING M6-1.0
30 0D7530 1 STUD, M6-1.0 OFFSET
31 0D9723 1 ELEMENT, AIR FILTER
32 0D4511 1 PRECLEANER, AIR
33 0D8451 1 WASHER FLAT .281" I.D. X 1.50" O.D.
34 022097 1 WASHER LOCK M6-1/4"
35 0D7440 1 MUFFLER
36 090388 2 SCREW HHTT M6-1.0 X 12MM
37 0D7441 2 BOLT CARR 5/16"-18 X 2"
38 081105 2 NUT FLANG 5/16"-18 LOCK
39 089476 1 GASKET, EXHAUST
41 022531 1 SCREW HHC 5/16"-18 X 1-3/4"
42 0D8981 1 FILTER GASKET RV

42
1
0
11
12
1
3
31
1
5
1
21
2
0
2
4
17
1
8
17
3
5
6
5
4
3
14
2
8
22
1
9
7
25
27
24
2
3
9
1
6
2
3
2
6
17
5
30
35
8
37
36
2
9
39
38
Appendix 4 — Exploded Views and Parts Lists
Recreational Vehicle Generator
Control Panel – Drawing No. 0D8354-E

43
Appendix 4 — Exploded Views and Parts Lists
Recreational Vehicle Generator
Control Panel – Drawing No. 0D8354-E
ITEM PART NO. QTY. DESCRIPTION
1 0830490 1 REGULATOR VOLTAGE
2 075210A 1 TERMINAL BLOCK
3 092234 1 CONTROLLER P.C.B.
4 065795 1 BATTERY CHARGER RECTIFIER
5 023484F 1 BUSHING SNAP 1"
6 023484R 1 BUSHING SNAP 1-1/4"
7 075234 1 RESISTOR, 1 OHM 25W
8 057159 1 CIRCUIT BREAKER 2.0 AMP (60HZ)
054502 1 CIRCUIT BREAKER 3.0 AMP (50HZ)
9 087798 1 SWITCH S.P.D.T.
10 092113 1 SWITCH S.P.D.T. ON-MOM-ON
11 032300 1 HOLDER FUSE
12 0A9611 1 FUSE 7.5A
13 090145 1 CIRCUIT BREAKER, 30 X 1 (60HZ)
0E2314 1 CIRCUIT BREAKER, 15A 2 POLE (50HZ)
14 0A1658 2 LOCK WASHER SPECIAL
15 075235 2 SCREW HHC M5-0.8 X 30MM
16 047411 2 SCREW HHC M6-1.0 X 16MM
17 049226 5 WASHER LOCK M5
18 051716 1 NUT HEX M5-0.8
19 075476 2 SCREW PPHM M4-0.7 X 16MM
20 022264 2 WASHER LOCK #8-M4
21 051715 4 NUT HEX M4-0.7
22 0A2053 1 SCREW HHC M6-1.0 X 65MM
23 022473 5 WASHER FLAT 1/4"
24 022097 4 WASHER LOCK M6-1/4"
25 049813 4 NUT HEX M6-1.0
26 055440 2 SCREW HHC M5-0.8 X 25MM
27 049815 1 SCREW HHC M5-0.8 X 16MM
28 038750 2 SCREW HHC M6-1.0 X 30MM
29 051714 2 NUT, HEX M3-0.5
30 0D8794 1 PANEL CONTROL
31 025105 2 SCREW RHM #6-32 X 1/4" SIMS
32 028739 2 TIE WRAP UL 4" (NOT SHOWN)
33 0D8308 1 DECAL (NOT SHOWN)
34 0D8418 1 HARNESS (NOT SHOWN)
35 023484S 1 BUSHING, SNAP 1.09"
36 043182 2 WASHER LOCK M3
37 031879 2 WASHER FLAT M3
38 0D6575D 1 DEUTSCH, MOUNTING CLIP
39 0A9973 1 RIVET POP 0.125" LARGE FLANGE

44
Appendix 4 — Exploded Views and Parts Lists
Recreational Vehicle Generator
GN-220 H/SH Engine – Drawing No. 0D8355-S Part 1
44
55
38
43
42
41
39
9
60
62
59
61
37
63 56
57
58
9
33
9
40 2020
54
53
52
9
45
21
23
22
14
19
34
29
32
25
24
26 27
31
8
13 15
15
6
35
30 36
28
4
5
10
11
12
7
9
3
1
16
17
16
2

45
Appendix 4 — Exploded Views and Parts Lists
Recreational Vehicle Generator
GN-220 H/SH Engine – Drawing No. 0D8355-S Part 1
ITEM PART NO. QTY. DESCRIPTION
1 0D8433 1 GUARD, FAN
2 0C1069 10 SCREW, HHTT M6-1.0 X 8mm
3 090695F 1 BLOWER HOUSING
4 081810 1 NUT, HEX M16-1.5
5 083312 1 WASHER, M16 CONICAL
6 0D8400 1 ASSEMBLY CHOKE SOLENOID BRACKET
7 0C8917A 1 FLYWHEEL, WITH RING GEAR
8 0C8798A 1 BACKPLATE, ELECTRIC START
9 045756 9 SCREW HHTT M6-1.0 X 10mm
10 082774 1 KEY, WOODRUFF 4 x 19D
11 022129 2 5/16”-M8 LOCK WASHER
12 081990 2 SCREW SHC M8-1.25 X 40mm
13 0D9004A 1 ASSY, STARTER
14 0E7585 1 SPARK PLUG, CHAMPION RC14YC
15 022097 2 LOCKWASHER, ¼”- M6
16 082981 2 TAPTITE, M6-1.0 x 30mm
17 081675 1 ASSEMBLY, IGNITION COIL
19 0D7666A 1 BREATHER TUBE
20 090051 1 GASKET, MANIFOLD/ HEAD
21 080316 2 SCREW HHFC M6-1.0 X 30mm
22 090948 1 INTAKE MANIFOLD
23 078631 1 GASKET CARBURETOR/MANIFOLD
24 0D8332 1 CARBURETOR
25 091846 1 GASKET, CARB/ ADAPTOR
26 0D7558 1 ADAPTOR, CARB
27 078643 2 BOLT, CARB MOUNT M6-1.0 x 75mm
28 0D8372 1 GASKET, CARB TO AIRBOX
29 0C2756 1 ASSEMBLY, GOVERNOR LEVER
30 0D7458 1 ROD, GOVERNOR
31 0C3979 1 SPRING, ANTI LASH
32 085953 1 WASHER, CARB WEAR
33 0D8739 1 ASSEMBLY BRACKET GOVERNOR ADJUST
34 0D8398 1 ROD, CHOKE LINKAGE
35 091638A 1 SPRING, GOVERNOR
36 083512 1 SCREW HHTT M8-1.2 x 16mm
37 082025 1 NUT, M5-0.8 LOCK
38 092984 1 TOP WRAPPER
39 094820 1 PLUG, EXPANSION
40 089739 1 LOWER WRAPPER
41 091848 1 GASKET, OIL PSI PAD
42 0D8778 1 ADAPTER, OIL FILTER
43 0D8803 2 SCREW SHC M6-1.0 X 22mm
44 0A8584 1 SWITCH, OIL- 10 PSI
45 070185B 1 FILTER, OIL
52 075281 1 SWITCH, THERMAL 284F
53 043182 2 WASHER LOCK M3
54 0C4739 2 SCREW PPHM M3-0.5 X 6mm
55 0D9689 1 ELBOW 90D STREET 1/8NPT
56 0A7095 2 RHMS #4-40 X 5/16” SEMS
57 077091 1 COTTER PIN
58 0D8397 1 ROD, CHOKE CONTROL
59 077075 1 BOOT CHOKE SOLENOID PLASTIC
60 0C2824 2 SCREW TAP-R #10-32 X 9/16”
61 0A7094 2 RHMS #4-40 X 1/4” SEMS
62 0D8590 1 ASSEMBLY, BI-METAL/HEATER
63 0D8591 1 SOLENOID, CHOKE

46
Appendix 4 — Exploded Views and Parts Lists
Recreational Vehicle Generator
GN-220 H/SH Engine – Drawing No. 0D8355-S Part 2
20
36
50
43
42
45
44
46
25
26
48
24
22
23
31
30 32
17
28
13
4
29
38
37
40
39 21
51
15
35
16
5
33
41
49
34 27
14
19
18
1
35
8
1
52
7
2
6
47
11
13
7
3
10
10
12 9

47
Appendix 4 — Exploded Views and Parts Lists
Recreational Vehicle Generator
GN-220 H/SH Engine – Drawing No. 0D8355-S Part 2
ITEM PART NO. QTY. DESCRIPTION
N/A 0E8804 1 LONG BLOCK ASSEMBLY
1 078621 1 CONNECTING ROD ASSEMBLY
2 076389 1 PISTON PIN
3 088411 1 PISTON RING SET
4 0A8897B 1 GEAR COVER ASSEMBLY
5 077168 5 M8 x 56mm HEAD BOLT
6 088057 1 PISTON
7 076390 2 PIN RETAINER RING
8 0E8540A 1 TAPERED CRANKSHAFT ASSEMBLY
9 078658 1 GOVERNOR “R” PIN
10 0F0967 2 WASHER FLAT 1/4, .015 THK
11 089213E 1 CRANKCASE ASSEMBLY
12 0A7637 1 GOVERNOR ARM
13 0E3811 2 OIL SEAL
14 0D1303 1 GOVERNOR GEAR ASSEMBLY
15 078645 1 GOVERNOR GEAR C-RING
16 0A7811 1 GOVERNOR SPOOL
17 072683A 1 1/8” NPT PIPE PLUG
18 0A9878 1 CAMSHAFT ASSEMBLY
19 089096 1 CRANKCASE GASKET
20 088156 1 VALVE STEM SEAL
21 0A8822 1 CYLINDER HEAD GASKET
22 078691 1 OIL PRESSURE RELIEF COVER
23 0A5772 1 OIL PRESSURE SPRING
24 0A5776 1 11/32” BALL
25 074908 1 M5 FORM SCREW
26 078606 4 M6-1.0 x 12mm SCREW
27 076361 1 GOVERNOR GEAR THRUST WASHER
28 0D2414 6 SCREW, HHFC M8-1.25 X 35mm
29 099922 1 SPRING WASHER
30 0C3733 2 VALVE RETAINER
31 0C4390 2 VALVE SPRING
32 084186 2 VALVE SPRING WEAR WASHER
33 083192 1 GEROTER SET
34 0E0057 1 “O” RING
35 078699B 4 SLEEVE, SEAM DWL
36 021705B 1 CYLINDER HEAD ASSEMBLY
37 0C3590 1 EXHAUST VALVE
38 0C3591 1 INTAKE VALVE
39 0D9853A 2 PUSH ROD
40 083235 2 TAPPET
41 080336 1 OIL PICK-UP ASSEMBLY
42 0C8754 1 ROCKER COVER GASKET
43 077161 2 PIVOT BALL STUD
44 077160 2 GN- 191/220 ROCKER ARM
45 076307 2 ROCKER ARM JAM NUT
46 088403 1 PUSH ROD GUIDE PLATE
47 026073A 1 1/4” NPT PIPE PLUG
48 0D1411A 1 ROCKER COVER ASSEMBLY
49 076329 1 PLASTIC OIL FILL PLUG
50 0C3592 4 VALVE SPRING KEEPER
51 049340A 1 BARBED ELBOW 90 1/4” NPT X 3/8”
52 045761A 1 STUD M8-1.25 / 10mm X 30mm

48
CALIFORNIA AND FEDERAL EMISSION CONTROL WARRANTY STATEMENT
YOUR WARRANTY RIGHTS AND OBLIGATIONS
The California Air Resources Board (CARB) and the United States Environmental Protection Agency (EPA), together with
Generac Power Systems, Inc. (Generac), are pleased to explain the Emission Control System Warranty on your new engine.*
New utility, and lawn and garden equipment engines must be designed, built and equipped to meet stringent anti-smog
standards for the state of California and the federal government. Generac will warrant the emission control system on your
engine for the periods of time listed below provided there has been no abuse, neglect, unapproved modification or improper
maintenance of your engine.
Your emission control system may include parts such as the carburetor, ignition and exhaust systems. Generac will repair
your engine at no cost to you for diagnosis, replacement parts and labor, should a warrantable condition occur.
MANUFACTURER’S EMISSION CONTROL SYSTEM WARRANTY COVERAGE:
Emissions control systems on 1997 and later model year engines are warranted for two years as hereinafter noted. If, dur-
ing such warranty period, any emission-related component or system on your engine is found to be defective in materials or
workmanship, repairs or replacement will be performed by a Generac Authorized Warranty Service Facility.
PURCHASER’S/OWNER’S WARRANTY RESPONSIBILITIES:
As the engine purchaser/owner, you are responsible for the completion of all required maintenance as listed in your factory
supplied Owner’s Manual. For warranty purposes, Generac recommends that you retain all receipts covering maintenance
on your engine. However, Generac cannot deny warranty solely because of the lack of receipts or for your failure to ensure
the completion of all scheduled maintenance.
As the engine purchaser/owner, you should, however, be aware that Generac may deny any and/or all warranty coverage or
responsibility if your engine, or a part/component thereof, has failed due to abuse, neglect, improper maintenance or unap-
proved modifications, or the use of counterfeit and/or ‘grey market’ parts not made, supplied or approved by Generac.
You are responsible for presenting your engine to a Generac Authorized Warranty Service Facility as soon as a problem
occurs. The warranty repairs should be completed in a reasonable amount of time, not to exceed 30 days.
Warranty service can be arranged by contacting either your selling dealer or a Generac Authorized Warranty Service Facility.
To locate the Generac Authorized Warranty Service Facility nearest you, call our toll-free number:
1-800-333-1322
IMPORTANT NOTE: This warranty statement explains your rights and obligations under the Emission Control System
Warranty (ECS Warranty), which is provided to you by Generac pursuant to California and federal law. See also the “Generac
Limited Warranties for Generac Power Systems, Inc.,” which is enclosed herewith on a separate sheet, also provided to you
by Generac. The ECS Warranty applies only to the emission control system of your new engine. If there is any conflict in
terms between the ECS Warranty and the Generac Warranty, the ECS Warranty shall apply except in circumstances where
the Generac Warranty may provide a longer warranty period. Both the ECS Warranty and the Generac Warranty describe
important rights and obligations with respect to your new engine.
Warranty service can be performed only by a Generac Authorized Warranty Service Facility. When requesting warranty ser-
vice, evidence must be presented showing the date of the sale to the original purchaser/owner. The purchaser/owner shall
be responsible for any expenses or other charges incurred for service calls and/or transportation of the product to/from the
inspection or repair facilities. The purchaser/owner also shall be responsible for any and/or all damages or losses incurred
while the engine is being transported/shipped for inspection or warranty repairs.
If you have any questions regarding your warranty rights and responsibilities, you should contact Generac at the fol-
lowing address:
ATTENTION WARRANTY DEPARTMENT
GENERAC POWER SYSTEMS, INC.
P.O. BOX 297
WHITEWATER, WI 53190
Part 1
Appendix 5 – Warranty
Recreational Vehicle Generator

49
EMISSION CONTROL SYSTEM WARRANTY
Emission Control System Warranty (ECS Warranty) for 1997 and later model year engines:
(a) Applicability: This warranty shall apply to 1997 and later model year engines. The ECS Warranty Period shall begin on
the date the new engine or equipment is purchased by/delivered to its original, end-use purchaser/owner and shall continue
for 24 consecutive months thereafter.
(b) General Emissions Warranty Coverage: Generac warrants to the original, end-use purchaser/owner of the new engine or
equipment, and to each subsequent purchaser/owner, that each of its engines is ...
(1) Designed, built and equipped so as to conform with all applicable regulations adopted by the EPA and CARB pursuant
to their respective authority, and
(2) Free from defects in materials and workmanship which, at any time during the ECS Warranty Period, may cause a
warranted emissions-related part to fail to be identical in all material respects to the part as described in the engine
manufacturer’s application for certification.
(c) The ECS Warranty only pertains to emissions-related parts on your engine, as follows:
(1) Any warranted, emissions-related parts that are not scheduled for replacement as required maintenance in the Owner’s
Manual shall be warranted for the ECS Warranty Period. If any such part fails during the ECS Warranty Period, it shall
be repaired or replaced by Generac according to Subsection (4) below. Any such part repaired or replaced under the ECS
Warranty shall be warranted for the remainder of the ECS Warranty Period.
(2) Any warranted, emissions-related part that is scheduled only for regular inspection as specified in the Owner’s Manual
shall be warranted for the ECS Warranty Period. A statement in such written instructions to the effect of “repair or replace
as necessary” shall not reduce the ECS Warranty Period. Any such part repaired or replaced under the ECS Warranty
shall be warranted for the remainder of the ECS Warranty Period.
(3) Any warranted, emissions-related part that is scheduled for replacement as required maintenance in the Owner’s
Manual shall be warranted for the period of time prior to the first scheduled replacement point for that part. If the part
fails prior to the first scheduled replacement, the part shall be repaired or replaced by Generac according to Subsection
(4) below. Any such emissions-related part repaired or replaced under the ECS Warranty shall be warranted for the
remainder of the ECS Warranty Period prior to the first scheduled replacement point for such emissions-related part.
(4) Repair or replacement of any warranted, emissions-related part under this ECS Warranty shall be performed at no
charge to the owner at a Generac Authorized Warranty Service Facility.
(5) When the engine is inspected by a Generac Authorized Warranty Service Facility, the owner shall not be held responsible
for diagnostic costs if the repair is deemed warrantable.
(6) Generac shall be liable for damages to other original engine components or approved modifications proximately caused
by a failure under warranty of any emission-related part covered by the ECS Warranty.
(7) Throughout the ECS Warranty Period, Generac shall maintain a supply of warranted emission-related parts sufficient
to meet the expected demand for such emission-related parts.
(8) Any Generac authorized and approved emission-related replacement part may be used in the performance of any ECS
Warranty maintenance or repairs and will be provided without charge to the purchaser/owner. Such use shall not reduce
Generac’s ECS Warranty obligations.
(9) Unapproved, add-on, modified, counterfeit and/or ‘grey market’ parts may not be used to modify or repair a Generac
engine. Such use voids this ECS Warranty and shall be sufficient grounds for disallowing an ECS Warranty claim.
Generac shall not be held liable hereunder for failures of any warranted parts of a Generac engine caused by the use of
such an unapproved, add-on, modified, counterfeit and/or ‘grey market’ part.
EMISSION RELATED PARTS INCLUDE THE FOLLOWING:
*Generac engine types covered by this warranty statement include the following:
1) Utility
2) Lawn and Garden Equipment
3) Recreational Vehicle (RV) Generator
4) Industrial Mobile (IM) Generator
Part 2
Appendix 5 – Warranty
Recreational Vehicle Generator
1) Fuel Metering System:
1.1) Gasoline carburetor assembly and its
internal components (if so equipped).
a) Fuel filter (if so equipped)
b) Carburetor gaskets
c) Fuel pump (if so equipped)
1.2) LPG carburetion assembly and its
internal components (if so equipped).
a) Fuel controller (if so equipped)
b) Mixer and its gaskets (if so equipped)
c) Carburetor and its gaskets (if so equipped)
d) Primary gas regulator (if so equipped)
e) LP liquid vaporizer (if so equipped)
2) Air Induction System including:
a) Intake pipe/manifold
b) Air cleaner
3) Ignition System including:
a) Spark plug
b) Ignition module
4) Catalytic Muffler Assembly (if so equipped) including:
a) Muffler gasket
b) Exhaust manifold
5) Crankcase Breather Assembly including:
a) Breather connection tube

Part No. 0D8351 Revision R (02/22/06) Printed in U.S.A.
Appendix 5 – Warranty
Recreational Vehicle Generator
GENERAC POWER SYSTEMS’ THREE-YEAR LIMITED WARRANTY
FOR GUARDIAN RECREATIONAL VEHICLE GENERATORS
NOTE: ALL UNITS MUST BE INSTALLED BY GENERAC POWER SYSTEMS AUTHORIZED SERVICE FACILITIES. For a period
of 3 (three) years of operation from the date of original sale, Generac Power Systems, Inc. (Generac) will, at its option, repair or
replace any part which, upon examination, inspection and testing by Generac or a Generac Authorized Warranty Service Facility, is
found to be defective under normal use and service, in accordance with the warranty schedule set forth below. Any equipment that
the purchaser/owner claims to be defective must be returned to and examined by the nearest Generac Authorized Warranty Service
Facility. All transportation costs under the warranty, including return to the factory, are to be borne and prepaid by the purchaser/owner.
This warranty applies only to Generac generators sold and rated for “Recreational Vehicle” (RV) applications, as Generac has defined
Recreational Vehicle generator applications. The factory recommends exercising the unit one half-hour every month.
WARRANTY SCHEDULE – COMMERCIAL APPLICATIONS
YEAR ONE – 100% (one hundred percent) coverage on part(s), labor, removal and reinstallation listed:
• Engine – All components
• Alternator – All components
WARRANTY SCHEDULE – CONSUMER/PERSONAL APPLICATIONS
YEARS ONE AND TWO – 100% (one hundred percent) coverage on part(s), labor, removal and reinstallation listed:
• Engine – All components
• Alternator – All components
YEAR THREE – 100% (one hundred percent) only on selected part(s) and labor listed [Any labor and part(s) not listed, and removal
and reinstallation are the owner’s responsibility]:
• Rotor, Stator, Computer Control Board (part numbers 0A6060 and 0A3369) and inverter, (if applicable with regard to the generator)
Cylinder Block, Cylinder Head, Crankshaft, Piston(s), Valve, Valve Lifter(s), Intake and Exhaust Manifolds
Generac RV generators manufactured prior to December 31, 1997, DO NOT have a transferable warranty. Generac RV generators
manufactured after January 1, 1998, have a transferable warranty to the second owner ONLY for the remainder of the three-year
limited warranty. Proof-of-purchase is required and must be presented to a Generac Authorized Warranty Service Facility prior to the
performance of any warranty service.
All warranty expense allowances are subject to the conditions defined in Guardian’s Warranty Policies and Procedures Guide.
THIS WARRANTY SHALL NOT APPLY TO THE FOLLOWING:
• Generac Guardian generators that utilize non-Generac replacement parts.
• Costs of normal maintenance, adjustments, installation and start-up.
• Repairs or diagnostics performed by individuals other than Guardian/Generac authorized dealers not authorized in writing by
Generac Power Systems.
• Failures caused by any contaminated fuels, oils, coolants or lack of proper fluid amounts.
• Failures due, but not limited, to normal wear and tear, accident, misuse, abuse, negligence or improper installation. As with all
mechanical devices, the Generac engines need periodic part(s) service and replacement to perform well. This warranty will not
cover repair when normal use has exhausted the life of a part(s) or engine.
• Failures caused by any external cause or act of God, such as collision, theft, vandalism, riot or wars, nuclear holocaust, fire,
freezing, lightning, earthquake, windstorm, hail, volcanic eruption, water or flood, tornado or hurricane.
• Damage related to rodent and/or insect infestation.
• Products that are modified or altered in a manner not authorized by Generac in writing.
• Any incidental, consequential or indirect damages caused by defects in materials or workmanship, or any delay in repair or
replacement of the defective part(s).
• Failure due to misapplication.
• Telephone, cellular phone, facsimile, internet access or other communication expenses.
• Living or travel expenses of person(s) performing service, except as specifically included within the terms of a specific unit warranty
period.
• Expenses related to "customer instruction" or troubleshooting where no manufacturing defect is found.
• Rental equipment used while warranty repairs are being performed.
• Overnight freight costs for replacement part(s).
• Overtime labor.
• Starting batteries, fuses, light bulbs and engine fluids.
THIS WARRANTY IS IN PLACE OF ALL OTHER WARRANTIES, EXPRESSED OR IMPLIED. SPECIFICALLY, GENERAC MAKES NO
OTHER WARRANTIES AS TO THE MERCHANTABILITY OR FITNESS FOR A PARTICULAR PURPOSE. Some states do not allow
limitations on how long an implied warranty lasts, so the above limitation may not apply to you.
GENERAC'S ONLY LIABILITY SHALL BE THE REPAIR OR REPLACEMENT OF PART(S) AS STATED ABOVE. IN NO EVENT SHALL
GENERAC BE LIABLE FOR ANY INCIDENTAL OR CONSEQUENTIAL DAMAGES, EVEN IF SUCH DAMAGES ARE A DIRECT
RESULT OF GENERAC'S NEGLIGENCE. Some states do not allow the exclusion or limitation of incidental or consequential damages,
so the above limitation may not apply to you.
This warranty gives you specific legal rights. You also have other rights from state to state.
GENERAC® POWER SYSTEMS, INC.
P.O. BOX 297 • WHITEWATER, WI 53190
Revision 02.05