Generac Power Systems Liquid Cooled Prepackaged Standby Generators 004721 0 004722 004723 004724 004725 1 0E1151RevM
004721-0, 004722-0, 004723-0, 004724-0, 004725-0, 004725-1, 004725-2, 004725-3, 004726-0 to the manual a79844cc-4c63-4c92-beef-bd7bf28dcced
2015-02-09
: Generac-Power-Systems Generac-Power-Systems-Liquid-Cooled-Prepackaged-Standby-Generators-004721-0-004722-0-004723-0-004724-0-004725-0-004725-1-004725- generac-power-systems-liquid-cooled-prepackaged-standby-generators-004721-0-004722-0-004723-0-004724-0-004725-0-004725-1-004725-2-004725-3-004726-0-users-manual-559958 generac-power-systems pdf
Open the PDF directly: View PDF
.
Page Count: 52

Owner’s Manual
ONLY QUALIFIED ELECTRICIANS OR CONTRACTORS SHOULD ATTEMPT
INSTALLATION!!
DEADLY EXHAUST FUMES. OUTDOOR INSTALLATION ONLY!
This manual should remain with the unit.
Not intended for use in critical life support applications.
!
!
Liquid-cooled, Prepackaged
Standby Generators
Model Numbers
004721-0, 004722-0,
004723-0, 004724-0,
004725-0, 004725-1,
004725-2, 004725-3,
004726-0

Generac®Power Systems, Inc.
INTRODUCTION
Thank you for purchasing this model of the standby
generator set product line by Generac Power Systems.
Every effort was expended to make sure that the
information and instructions in this manual are both
accurate and current at the time the manual was writ-
ten. However, the manufacturer reserves the right to
change, alter or otherwise improve this product(s) at
any time without prior notice.
READ THIS MANUAL THOROUGHLY
If any portion of this manual is not understood, con-
tact the nearest Generac Authorized Service Dealer
for starting, operating and servicing procedures.
Throughout this publication, and on tags and
decals affixed to the generator, DANGER, WARNING,
CAUTION and NOTE blocks are used to alert person-
nel to special instructions about a particular service or
operation that may be hazardous if performed incor-
rectly or carelessly. Observe them carefully. Their defi-
nitions are as follows:
After this heading, read instructions that, if not
strictly complied with, will result in personal injury
or property damage.
After this heading, read instructions that, if not
strictly complied with, may result in personal injury
or property damage.
After this heading, read instructions that, if not
strictly complied with, could result in damage to
equipment and/or property.
NOTE:
After this heading, read explanatory statements
that require special emphasis.
These safety warnings cannot eliminate the hazards
that they indicate. Common sense and strict compli-
ance with the special instructions while performing the
service are essential to preventing accidents.
Four commonly used safety symbols accompany the
DANGER, WARNING and CAUTION blocks. The type
of information each indicates is as follows:
This symbol points out important safety informa-
tion that, if not followed, could endanger personal
safety and/or property of others.
This symbol points out potential explosion hazard.
This symbol points out potential fire hazard.
This symbol points out potential electrical shock
hazard.
The operator is responsible for proper and safe use
of the equipment. Generac strongly recommends that
the operator read this Owner's Manual and thor-
oughly understand all instructions before using this
equipment. Generac also strongly recommends
instructing other users to properly start and operate
the unit. This prepares them if they need to operate
the equipment in an emergency.
OPERATION AND MAINTENANCE
It is the operator's responsibility to perform all safety
checks, to make sure that all maintenance for safe
operation is performed promptly, and to have the
equipment checked periodically by a Generac
Authorized Service Dealer. Normal maintenance serv-
ice and replacement of parts are the responsibility of
the owner/operator and, as such, are not considered
defects in materials or workmanship within the terms
of the warranty. Individual operating habits and usage
contribute to the need for maintenance service.
Proper maintenance and care of the generator ensure
a minimum number of problems and keep operating
expenses at a minimum. See a Generac Authorized
Service Dealer for service aids and accessories.
Operating instructions presented in this manual
assume that the standby electric system has been
installed by a Generac Authorized Service Dealer or
other competent, qualified contractor. Installation of
this equipment is not a “do-it-yourself” project.
HOW TO OBTAIN SERVICE
When the generator requires servicing or repairs,
contact a Generac Authorized Service Dealer for
assistance. Service technicians are factory-trained
and are capable of handling all of servicing needs.
When contacting a Generac Authorized Service
Dealer about parts and service, always supply the
complete model number of the unit as given on the
front cover of this manual or on the DATA LABEL
affixed to the unit.
!
DANGER
AUTHORIZED SERVICE
DEALER LOCATION
To locate the nearest GENERAC AUTHORIZED
SERVICE DEALER, please call this number:
1-800-333-1322
OR
Locate us on the web at:
www.generac.com

Table of Contents
Guardian Liquid-cooled 15 kW, 20 kW and 25 kW Generators
Generac®Power Systems, Inc. 1
INTRODUCTION ..................................IFC
SAFETY RULES ......................................2
Section 1 — GENERAL
INFORMATION..................4
1.1 Generator ......................................................4
1.2 Transfer Switch ............................................4
1.3 Automatic System Operation ........................4
1.4 Generator AC Connection Systems................4
1.5 Main Circuit Breaker ....................................4
1.6 Generator Fuel System ..................................4
1.7 Engine Protective Devices ..............................5
1.8 Unpacking ....................................................6
1.9 Lifting the Generator ....................................6
1.10 Specifications ................................................7
1.11 Fuel Consumption ........................................7
1.12 Reconfiguring the Fuel System ......................7
1.13 Torque Specifications ....................................8
1.14 Engine Oil Recommendations ......................8
1.15 Coolant Recommendations............................8
1.16 Before Installation ........................................8
Section 2 — INSTALLATION ................8
2.1 Standby Generator Installation ....................8
2.2 Generator Location ......................................9
2.3 Generator Mounting and Support ................9
2.4 Basic Standby Electric System ......................9
2.5 Emergency Circuit Isolation Method ..........10
2.6 Total Circuit Isolation Method ....................10
2.7 Grounding the Generator ............................10
2.8 Generator AC Neutral Connections ............10
2.9 Transfer Switch Start Signal Connections ..10
2.10 Battery Installation ......................................11
2.11 Preparation Before Start-Up ........................11
Section 3 — OPERATION....................12
3.1 Using a Standard “GTS” Transfer Switch....12
3.2 Control Console Components......................13
3.3 Manual Transfer and Startup......................13
3.4 Automatic Operation ..................................13
3.5 Weekly Exercise Cycle..................................13
3.6 Engine Heater..............................................14
Section 4 — MAINTENANCE ..............14
4.1 Maintenance Performed by Authorized
Service Facilities ..........................................14
4.2 Cooling System............................................15
4.3 Overload Protection for Engine DC
Electrical System ........................................15
4.4 Checking Fluid Levels ................................15
4.5 Maintenance Owner/Operator
Can Perform ................................................16
4.6 Miscellaneous Maintenance ........................17
4.7 Scheduled Maintenance ..............................19
Section 5 — TROUBLESHOOTING......22
5.1 Troubleshooting Points................................22
Section 6 — NOTES............................23
Section 7 — INSTALLATION
DIAGRAM ......................25
Section 8 — ELECTRICAL DATA ........26
Section 9 — EXPLODED VIEWS AND
PARTS LISTS ................30
Section 10 — WARRANTY .................48

2 Generac®Power Systems, Inc.
Study these SAFETY RULES carefully before installing,
operating or servicing this equipment. Become familiar
with this Owner’s Manual and with the unit. The genera-
tor can operate safely, efficiently and reliably only if it is
properly installed, operated and maintained. Many acci-
dents are caused by failing to follow simple and funda-
mental rules or precautions.
Generac cannot possibly anticipate every possible
cirumstance that might involve a hazard. The warn-
ings in this manual, and on tags and decals affixed to
the unit are, therefore, not all-inclusive. If using a pro-
cedure, work method or operating technique that
Generac does not specifically recommend, satisfy your-
self that it is safe for others. Also make sure the proce-
dure, work method or operating technique chosen does
not render the generator unsafe.
Despite the safe design of this generator,
operating this equipment imprudently, neglecting
its maintenance or being careless can cause
possible injury or death. Permit only responsible
and capable persons to install, operate or main-
tain this equipment.
Potentially lethal voltages are generated by these
machines. Ensure all steps are taken to render the
machine safe before attempting to work on the
generator.
Parts of the generator are rotating and/or hot
during operation. Exercise care near running gen-
erators.
GENERAL HAZARDS
• For safety reasons, Generac recommends that this
equipment be installed, serviced and repaired by a
Generac Authorized Service Dealer or other compe-
tent, qualified electrician or installation technician
who is familiar with applicable codes, standards and
regulations. The operator also must comply with all
such codes, standards and regulations.
• Installation, operation, servicing and repair of this
(and related) equipment must always comply with
applicable codes, standards, laws and regulations.
Adhere strictly to local, state and national electrical
and building codes. Comply with regulations the
Occupational Safety and Health Administration
(OSHA) has established. Also, ensure that the gener-
ator is installed, operated and serviced in accordance
with the manufacturer’s instructions and recommen-
dations. Following installation, do nothing that might
render the unit unsafe or in noncompliance with the
aforementioned codes, standards, laws and regula-
tions.
• The engine exhaust fumes contain carbon monoxide
gas, which can be DEADLY. This dangerous gas, if
breathed in sufficient concentrations, can cause
unconsciousness or even death. For that reason, ade-
quate ventilation must be provided. Exhaust gases
must be piped safely away from any building or
enclosure that houses the generator to an area where
people, animals, etc., will not be harmed. This
exhaust system must be installed properly, in strict
compliance with applicable codes and standards.
• Keep hands, feet, clothing, etc., away from drive belts,
fans, and other moving or hot parts. Never remove
any drive belt or fan guard while the unit is operating.
• Adequate, unobstructed flow of cooling and ventilat-
ing air is critical to prevent buildup of explosive gases
and to ensure correct generator operation. Do not
alter the installation or permit even partial blockage
of ventilation provisions, as this can seriously affect
safe operation of the generator.
• Keep the area around the generator clean and unclut-
tered. Remove any materials that could become haz-
ardous.
• When working on this equipment, remain alert at all
times. Never work on the equipment when physically
or mentally fatigued.
!
!
!
!
DANGER
IMPORTANT SAFETY INSTRUCTIONS
Guardian Liquid-cooled 15 kW, 20 kW and 25 kW Generators
SAVE THESE INSTRUCTIONS – The manufacturer suggests that these rules for safe
operation be copied and posted in potential hazard areas. Safety should be stressed to all
operators, potential operators, and service and repair technicians for this equipment.
!
!
SAVE THESE INSTRUCTIONS – This manual contains important instructions that should be
followed during installation and maintenance of the generator and batteries.
!
!
The engine exhaust from this product
contains chemicals known to the state
of California to cause cancer, birth
defects or other reproductive harm.
WARNING:
!!
This product contains or emits chemicals
known to the state of California to cause
cancer, birth defects or other reproductive harm.
WARNING:
!!

Generac®Power Systems, Inc. 3
• Inspect the generator regularly, and promptly repair
or replace all worn, damaged or defective parts using
only factory-approved parts.
• Before performing any maintenance on the generator,
disconnect its battery cables to prevent accidental
start-up. Disconnect the cable from the battery post
indicated by a NEGATIVE, NEG or (–) first.
Reconnect that cable last.
• Never use the generator or any of its parts as a step.
Stepping on the unit can stress and break parts, and
may result in dangerous operating conditions from
leaking exhaust gases, fuel leakage, oil leakage, etc.
ELECTRICAL HAZARDS
• All generators covered by this manual produce dan-
gerous electrical voltages and can cause fatal electrical
shock. Utility power delivers extremely high and dan-
gerous voltages to the transfer switch as well as the
standby generator. Avoid contact with bare wires, ter-
minals, connections, etc., on the generator as well as
the transfer switch, if applicable. Ensure all appropri-
ate covers, guards and barriers are in place before
operating the generator. If work must be done around
an operating unit, stand on an insulated, dry surface
to reduce shock hazard.
• Do not handle any kind of electrical device while
standing in water, while barefoot, or while hands or
feet are wet. DANGEROUS ELECTRICAL SHOCK
MAY RESULT.
• If people must stand on metal or concrete while
installing, operating, servicing, adjusting or repairing
this equipment, place insulative mats over a dry
wooden platform. Work on the equipment only while
standing on such insulative mats.
• The National Electrical Code (NEC), Article 250
requires the frame and external electrically conduc-
tive parts of the generator to be connected to an
approved earth ground and/or grounding rods. This
grounding will help prevent dangerous electrical
shock that might be caused by a ground fault condi-
tion in the generator set or by static electricity. Never
disconnect the ground wire.
• Wire gauge sizes of electrical wiring, cables and cord
sets must be adequate to handle the maximum elec-
trical current (ampacity) to which they will be sub-
jected.
• Before installing or servicing this (and related) equip-
ment, make sure that all power voltage supplies are
positively turned off at their source. Failure to do so
will result in hazardous and possibly fatal electrical
shock.
• Connecting this unit to an electrical system normally
supplied by an electric utility shall be by means of a
transfer switch so as to isolate the generator electric
system from the electric utility distribution system
when the generator is operating. Failure to isolate the
two electric system power sources from each other by
such means will result in damage to the generator
and may also result in injury or death to utility power
workers due to backfeed of electrical energy.
• Generators installed with an automatic transfer
switch will crank and start automatically when nor-
mal (utility) source voltage is removed or is below an
acceptable preset level. To prevent such automatic
start-up and possible injury to personnel, disable the
generator’s automatic start circuit (battery cables,
etc.) before working on or around the unit. Then,
place a “Do Not Operate” tag on the generator control
panel and on the transfer switch.
• In case of accident caused by electric shock, immedi-
ately shut down the source of electrical power. If this
is not possible, attempt to free the victim from the
live conductor. AVOID DIRECT CONTACT WITH
THE VICTIM. Use a nonconducting implement, such
as a dry rope or board, to free the victim from the live
conductor. If the victim is unconscious, apply first aid
and get immediate medical help.
• Never wear jewelry when working on this equipment.
Jewelry can conduct electricity resulting in electric
shock, or may get caught in moving components
causing injury.
FIRE HAZARDS
• Keep a fire extinguisher near the generator at all
times. Do NOT use any carbon tetra-chloride type
extinguisher. Its fumes are toxic, and the liquid can
deteriorate wiring insulation. Keep the extinguisher
properly charged and be familiar with its use.
Consult the local fire department for any questions
pertaining to fire extinguishers.
EXPLOSION HAZARDS
• Properly ventilate any room or building housing the
generator to prevent build-up of explosive gas.
• Do not smoke around the generator. Wipe up any fuel
or oil spills immediately. Ensure that no combustible
materials are left in the generator compartment, or
on or near the generator, as FIRE or EXPLOSION
may result. Keep the area surrounding the generator
clean and free from debris.
• Generac generator sets may operate using one of sev-
eral types of fuels. All fuel types are potentially FLAM-
MABLE and/or EXPLOSIVE and should be handled
with care. Comply with all laws regulating the storage
and handling of fuels. Inspect the unit’s fuel system
frequently and correct any leaks immediately. Fuel
supply lines must be properly installed, purged and
leak tested according to applicable fuel-gas codes
before placing this equipment into service.
• Diesel fuels are highly FLAMMABLE. Gaseous fluids
such as natural gas and liquid propane (LP) gas are
extremely EXPLOSIVE. Natural gas is lighter than air,
and LP gas is heavier than air. Install leak detectors
accordingly.
IMPORTANT SAFETY INSTRUCTIONS
Guardian Liquid-cooled 15 kW, 20 kW and 25 kW Generators

4 Generac®Power Systems, Inc.
1.1 GENERATOR
This equipment is a liquid-cooled, engine-driven gen-
erator set. The generator is designed to supply elec-
trical power that operates critical electrical loads
during utility power failure. The unit has been facto-
ry-installed in a weather resistant, all metal enclosure
and is intended for outdoor installation only. Use this
generator as a source of electrical power for the oper-
ation of 120 and/or 240 volts, single phase loads.
These models are available. They are rated as follows:
Models 0047210 and 0047220: Provides 15,000
watts (15 kW) of single phase power.
Models 0047230 and 0047240: Provides 20,000
watts (20 kW) of single phase power.
Models 0047250, 0047251, 0047252, 0047253,
and 0047260: Provides 25,000 watts (25 kW) of sin-
gle phase power.
If this generator is used to power electrical
load circuits normally powered by a utility
power source, it is required by code to install
a transfer switch. The transfer switch must
effectively isolate the electric system from the
utility distribution system when the generator
is operating (NEC 701). Failure to isolate an
electrical system by such means results in
damage to the generator and may also result
in injury or even death to utility power work-
ers due to backfeed of electrical energy.
1.2 TRANSFER SWITCH
This generator system may include a matched auto-
matic transfer switch which is intended to be used in
conjunction with the Guardian generator. It is sup-
plied in either a NEMA 1 enclosure (15 kW model
004721, 20 kW models 004723) or a NEMA 3R
enclosure (25 kW models 004725). The NEMA 1
enclosure is intended for indoor use only. The NEMA
3R enclosure is weather proof and can be used
indoors or outdoors. Follow these rules:
• Install the transfer switch on a firm, sturdy sup-
porting structure.
• To prevent switch distortion, level the switch if nec-
essary. This can be done by placing washers
between the switch enclosure and the mounting
surface.
• Never install the switch where water or any corro-
sive substance might drip onto the enclosure.
• Protect the switch at all times against excessive
moisture, dust, dirt, lint, construction grit and cor-
rosive vapors.
• Failure to utilize a Generac/Guardian transfer
switch with this generator will void the warranty.
1.3 AUTOMATIC SYSTEM OPERATION
When this generator, along with its transfer switch, has
been installed and interconnected, a circuit board in
the generator panel constantly monitors utility power
source voltage. Should that voltage drop below a pre-
set value, and remain at such a low state for a preset
amount of time, the generator cranks and starts. After
the generator starts, the transfer switch transfers load
circuits so the generator can power them.
When utility source voltage has been restored, the
switch re-transfers back to the utility source voltage
and the generator then shuts down.
Please reference the transfer switch manual for spe-
cific information.
1.4 GENERATOR AC CONNECTION
SYSTEMS
The generator was shipped from the factory with its
stator AC output leads connected in a single-phase,
three-wire generator AC connection system (Figure
1.1). The stator assembly in this system consists of a
pair of stationary windings, with two leads brought
out of each winding. Each single winding can supply
120 volts AC, 60 Hertz. When the two windings are
connected in series, a 240 volts, 60 Hertz AC output
results. Typically the two “hot” leads in the circuit are
Wires No. 11 and 44. The “Neutral” leads are the
junction of Wires 22 and 33.
Figure 1.1 - Generator AC Connection System
1.5 MAIN CIRCUIT BREAKER
The generator’s main circuit breaker is included with
the unit as shipped from the factory. The breaker for
each unit is described in Figure 1.2 at the top of page
5.
1.6 GENERATOR FUEL SYSTEM
The generator has been factory tested and adjusted
using a natural gas fuel system. If propane (LP
requirements) gas is preferred, contact an authorized
service dealer. Refer to Secion 1.12.
!
Section 1 - General Information
Guardian Liquid-cooled 15 kW, 20 kW and 25 kW Generators

Generac®Power Systems, Inc. 5
Recommended fuels should have a Btu content of at
least 1,000 Btus per cubic foot for natural gas and at
least 2,520 Btus per cubic foot for LP gas. Ask the
fuel supplier for the Btu content of the fuel being
used.
Fuel pressure for a natural gas set up should be five
inches to 14 inches of water column (0.18 to 0.5
psi) at all load ranges.
Fuel pressure for an LP vapor set up should be 11
inches to 14 inches of water column (0.4 to 0.5
psi) at all load ranges.
NOTE:
A seperate gas line and regulator may be needed
to assure proper gas pressure to the generator.
Improper gas pressure can cause hard starting and
affect engine durability.
Gaseous fuels such as natural and LP
(propane) gas are highly explosive. Even the
slightest spark can ignite such fuels and cause
an explosion. No leakage of fuel is permitted.
Natural gas, which is lighter than air, tends to
collect in high areas. LP gas is heavier than air
and tends to settle in low areas.
1.7 ENGINE PROTECTIVE DEVICES
The engine has several safety switches which cause
the engine to automatically shut down under the fol-
lowing conditions: low oil pressure, high coolant tem-
perature, engine overspeed, low coolant level or over-
crank (Figure 1.3).
Figure 1.3 - Engine Protective Devices
1.7.1 LOW OIL PRESSURE SWITCH
This switch is normally-closed (N.C.), but is held
open by engine oil pressure during engine running.
Should operating oil pressure drop below about 8-10
psi (55-68 kPa), the switch contacts close and the
engine shuts down automatically (Figure 1.4).
Figure 1.4 - Low Oil Pressure Switch
1.7.2 HIGH COOLANT TEMPERATURE SWITCH
This normally open (N.O.), thermostatic switch has
sensing tip which is immersed in captive coolant.
Should coolant temperature exceed about 230°F
(110°C), the switch contacts close, which causes the
engine to shut down automatically (Figure 1.5).
Figure 1.5- High Coolant Temperature Switch
1.7.3 LOW COOLANT LEVEL SWITCH
Should engine coolant level drop below the level of
the high coolant temperature switch, it is possible for
the engine to overheat without automatic shutdown.
To prevent such overheating without automatic shut
down, the engine has a low coolant level sensor. If the
engine coolant drops too low, the engine automatical-
ly shuts down (Figure 1.6 on page 6).
!
Section 1 - General Information
Guardian Liquid-cooled 15 kW, 20 kW and 25 kW Generators
Model Rating Phase Actual Current C/B Rating* % over rating Circuit Breaker
004721/004722 15,000 1 62.5 70 112% 70A BQ2
004723/004724 20,000 1 83.3 90 108% 90A BQ2
004725/004726 25,000 1 104.2 125 120% 125A BQ2
* Amp Rating of CB structured under model.
Figure 1.2 - Main Circuit Breaker

6 Generac®Power Systems, Inc.
Figure 1.6 - Low Coolant Level Sensor
1.7.4 OVERSPEED SHUTDOWN
The Pre-pack circuit board on liquid cooled units
receives AC frequency (rpm) signals directly from the
stator AC power windings, via sensing leads S15 and
S16. Should AC frequency exceed about 72 Hz, cir-
cuit board action will automatically shutdown the
engine (Figure 1.7).
*Rated power of generator is subject to and limit-
ed by such factors as ambient temperature, alti-
tude, engine condition, and other factors. Engine
power will decrease about 3.5% for each 1000 feet
above sea level and will decrease an additional 1%
for each 10°F above 60°F. Maximum output power
of the generator is limited by maximum engine
power.
Figure 1.7 - Control Module Assembly
Circuit Board
1.7.5 PCB OPERATION LED’S
• LED 1 is RED. The LED is on when utility sensing
is NOT available to the circuit board. This LED will
function only when the Auto/Off/Manual switch is
set in the Auto position.
• LED 2 is YELLOW. This LED is on when the circuit
board battery charger is on. This LED will cycle on
and off with the battery charger, 4.85 hours on the
4.85 hours off.
• LED 3 is GREEN. This LED will flash when the cir-
cuit board has load voltage available to it. This
LED will function when voltage is available across
T1 and T2.
1.7.6 OVERCRANK SHUTDOWN
After 90 seconds of crank-rest cycles, this function
ends cranking if the engine fails to start in that
90-second span.
1.7.6 DC FUSE
This clearly labeled fuse is located on the front panel
of the control system. It protects the panel wiring and
components from damaging overload. Always
remove this fuse before commencing work on the
generator. The unit will not start or crank if the fuse
is blown. Replace the fuse with one of the same size,
type, and rating. Generac normally uses an AGC fuse
rated at 15 amps (part number 022676).
1.8 UNPACKING
1.8.1 UNPACKING PRECAUTIONS
Handle shipping cartons and crates with care. Use
care to avoid damage from dropping, bumping, colli-
sion, etc. Store and unpack cartons with the proper
side up, as noted on the shipping carton.
1.8.2 INSPECTION
After unpacking, carefully inspect the generator for
any damage that may have occurred during ship-
ment. If loss or damage is noted at the time of deliv-
ery, have the person(s) making delivery note all dam-
age on the freight bill or affix their signature under
the consignor’s memo of loss or damage.
1.9 LIFTING THE GENERATOR
When lifting or hoisting equipment is used,
be careful not to touch overhead power lines.
The generators weight of more than 900
pounds requires proper tools, equipment, and
qualified personnel to be used in all phases of
handling and unpacking.
!
A
E
17
1
2002 GENERAC POWER SYSTEMS
,
ASSY #076009
A
CU
T R
83
F
O
R
50
H
Z
PRE-PA
C
KA
G
ED
S
TANDB
Y
U1
U
1
2
U2
U
1
4
U
1
3
U3
U5
U8
U
1
5
U
1
0
U
1
6
U
1
7
U9
U4
U7
C
R2
C
R
3
C
R1
2
C
R1
3
C
R1
4
C
R1
5
CR16
C
R2
0
C
R2
1
C
R2
4
C
R3
0
C
R3
2
C
R3
6
C
R2
9
C
R
1
C
R
7
C
R1
7
C
R3
3
C
R3
4
C
R3
5
C
R1
8
C
R
8
C
R1
9
C
2
3
C
2
4
C1
C3
C
1
9
C
2
0
C
2
1
C
1
3
C2
R12
R
6
6
R
1
6
R
8
1
R1
R2
R3
R4
R5
R6
R7
R
8
R9
R1
0
R11
R
1
3
R
1
7
R
1
8
R
2
2
R
2
3
R
2
4
R
2
5
R
2
6
R
2
7
R
2
9
R
3
0
R
3
1
R
3
2
R
3
3
R
3
5
R
3
6
R
3
7
R
3
8
R
3
9
R
4
0
R
4
1
R
4
2
R
4
3
R
4
4
R
4
6
R
4
7
R
5
0
R
5
1
R
5
2
R
5
3
R
56
R
5
7
R
5
9
R
60
R
6
1
R
6
2
R
6
3
R
6
5
R
6
7
R
68
R
6
9
R
7
0
R
7
1
R
7
2
R
7
4
R
7
5
R
7
6
R77
R
R
7
8
K1
K2
S
W
1
R
1
4
R
2
0
R
1
5
R
2
1
R
1
9
C
R
37
J2
M
M2
M
3
M4
M5
M1M1
Q
1
3
U6
Q7
K
3
C
R3
8
C
R4
0
C
2
5
K4
R
8
2
R
55
Q9
Q1
Q3
Q5
Q4
Q6
Q
1
1
Q
1
2
Q2
M8
M1M1
MM
M1M1M1M1
C5
C
C4
C8
C
R4
1
U
1
8
U
1
9
R
8
3
U
2
0
C14
C
1
5
C
1
6
C7
C
1
0
C9
C11
C
1
C
1
7
C
1
8
C
1
2
C
2
2
BR1
J1
M
9
M1
0
R
5
4
M14
M1
5
LED1
LED2
LED
3
Q
1
4
Q
1
6
R
4
8
R
8
4
R
8
5
R
8
6
R
8
7
R
8
8
Q
1
5
Section 1 — General Information
Guardian Liquid-cooled 15 kW, 20 kW and 25 kW Generators

1.10 SPECIFICATIONS
1.10.1 GENERATOR SPECIFICATIONS
1.10.2 ENGINE SPECIFICATIONS
Make ..............................................................................Mitsubishi
Displacement ..............................................92 inches3(1.5 liters)
Cylinder Arrangement......................................................4, in-line
Valve Arrangement................................................Overhead Cam
Firing Order........................................................................1-3-4-2
Number of Main Bearings............................................................5
Compression Ratio ..............................................................9 to 1
No. of Teeth on Flywheel ........................................................104
Ignition Timing
at 1800 rpm ..................................................35 degrees BTDC
at 3600 rpm ..................................................43 degrees BTDC
Spark Plug Gap ..................................................0.020-0.025 inch
Recommended Spark Plugs
Champion ....................................................................RN11YC4
Oil Pressure....................................................................30-50 psi
Crankcase Oil Capacity........................3.0 U.S. quarts (2.8 liters)
Recommended Engine Oil........................................SAE 15W-40
Type of Cooling System ..................Pressurized, closed recovery
Cooling Fan ..............................................................Pusher Type
Cooling System Capacity ......................2 U.S. gallons (7.6 liters)
Recommended Coolant ............................Use a 50-50 mixture of
ethylene glycol base.
1.11 FUEL CONSUMPTION
25 kW Models
Using Natural Gas ........................................441 cu. ft. per hour
Using LP Gas ..............................175 cubic ft.(4.8 gal.) per hour
20 kW Models
Using Natural Gas ........................................359 cu. ft. per hour
Using LP Gas ............................143 cubic ft. (4.0 gal.) per hour
15 kW Models
Using Natural Gas ........................................277 cu. ft. per hour
Using LP Gas ..............................110 cubic ft.(3.1 gal.) per hour
NOTE:
Fuel consumption is given at rated maximum con-
tinuous power output when using natural gas
rated at 1000 Btu per cubic foot and LP gas rated
2520 Btu per cubic foot. Actual fuel consumption
obtained may vary depending on such variables as
applied load, ambient temperature, engine condi-
tions and other environmental factors.
Fuel pressure for a natural gas set up should be five
inches to 14 inches of water column (0.18 to 0.5
psi) at all load ranges.
Fuel pressure for an LP vapor set up should be 11
inches to 14 inches of water column (0.4 to 0.5
psi) at all load ranges.
1.12 RECONFIGURING THE FUEL
SYSTEM
NOTE:
All models are configured for natural gas from the
factory.
To reconfigure the fuel system from NG to LP, follow
these steps:
1. Turn the main gas supply off.
2. Remove the carburetor fuel hose from the outlet
port (Port 1) of the demand regulator (Figure
1.8).
3. Remove the brass hose fitting from the outlet port
(Port 1) of the demand regulator.
4. Remove pipe plug from Port 2.
5. Install brass hose fitting into Port 2.
6. Install pipe plug into Port 1.
7. Connect carburetor gas hose to brass fitting.
8. Tighten all clamps and plugs.
9. Make sure fuel supply is of the proper pressure
and type for configuration.
10. Reverse the procedure to convert back to natural
gas.
Figure 1.8 — Reconfigure the Fuel System
NG FUEL SYSTEM LP FUEL SYSTEM
Port 1 Port 2
FUEL HOSE
BRASS HOSE
FITTING
HOUSING
PORTS
OUT
PORT 2
PLUG
FUEL HOSE
BRASS HOSE
FITTING
HOUSING
PORTS
PLUG
OUT
PORT 1
Section 1 — General Information
Guardian Liquid-cooled 15 kW, 20 kW and 25 kW Generators
Generac®Power Systems, Inc. 7
Single-Phase
Model 004725 004723 004721
004726 004724 004722
Rated Max. Cont. 25 20 15
AC Power Output (kW)
Rated voltage (volts) 120/240
No. of Rotor Poles 2 4
Driven Speed of Rotor 3600 3600 1800
Rotor Excitation System Direct excited brush type
Type of Stator 4 Wire
Rotor/Stator Insulation Class F

8 Generac®Power Systems, Inc.
NOTE:
Port 1 is for NG only and Port 2 is for LP vapor
only. No provision for simultaneous fuels has been
made.
Serious injury or damage may occur if not con-
figured properly. Please consult an authorized
Generac Service Dealer with any questions.
1.13 TORQUE SPECIFICATIONS
Cylinder Head ............................................15 (+ 90° + 90°) ft.lb.
Intake Manifold ................................................................13 ft.lb.
Exhaust Manifold..............................................................13 ft.lb.
1.14 ENGINE OIL RECOMMENDATIONS
The unit has been filled with 15W-40 engine oil at the
factory. Use a high-quality detergent oil classified “For
Service CC, SD, SE, SF.” Detergent oils keep the engine
cleaner and reduce carbon deposits. Use oil having the
following SAE viscosity rating, based on the ambient
temperature range anticipated before the next oil
change:
Any attempt to crank or start the engine before
it has been properly serviced with the recom-
mended oil may result in an engine failure.
1.15 COOLANT RECOMMENDATIONS
Use a mixture of half low silicate ethylene glycol base
anti-freeze and deionized water. Cooling system
capacity is about 8 U.S. quarts (7.6 liters). Use only
deionized water and only low silicate anti-freeze. If
desired, add a high quality rust inhibitor to the rec-
ommended coolant mixture. When adding coolant,
always add the recommended 50-50 mixture.
Do not use any chromate base rust inhibitor
with ethylene glycol base anti-freeze or chromi-
umhydroxide (“green slime”) forms and will
cause overheating. Engines that have been
operated with a chromate base rust inhibitor
must be chemically cleaned before adding eth-
ylene glycol base anti-freeze. Using any high
silicate anti-freeze boosters or additives will
also cause overheating. Generac Power Systems
also recommends that any soluble oil inhibitor
is NOT used for this equipment.
1.16 BEFORE INSTALLATION
Before installing this equipment, check the ratings of
both the generator and the transfer switch. Read
“Emergency Isolation Method” and “Total Circuit
Isolation Method” in Sections 2.5 and 2.6.
The generator’s rated wattage/amperage capacity
must be adequate to handle all electrical loads that
the unit will power. The critical (essential) loads may
need to be grouped together and wired into a sepa-
rate “emergency” distribution panel.
This generator can be installed in conjunction with a
standard Generac “GTS” type transfer switch, if
desired.
The standard transfer switch has no sensing or con-
trolling circuit boards. Instead, the generator control
console houses a “Printed Circuit Board Assembly”,
which controls all phases of operation, including
engine start up and load transfer.
2.1 STANDBY GENERATOR
INSTALLATION
Connecting this generator to an electrical sys-
tem normally supplied by an electric utility
shall be by means of a transfer switch, so as
to isolate the electric system from the utility
distribution system when the generator is
operating. Failure to isolate the electric sys-
tem by these means will result in damage to
the generator and may also result in injury or
death to utility workers due to backfeed of
electrical energy.
If an open bottom is used, the engine-genera-
tor is to be installed over non-combustible
materials and should be located such that com-
bustible materials are not capable of accumu-
lating under the generator set.
Only qualified, competent installation contractors or
electricians thoroughly familiar with applicable
codes, standards and regulations should install this
standby electric power system. The installation must
comply strictly with all codes, standards and regula-
tions pertaining to the installation.
This genset must be installed on a level surface. The
base frame must be level within 1/2 inch all around.
After the system has been installed, do nothing
that might render the installation in noncompli-
ance with such codes, standards and regula-
tions.
!
DANGER
!
!
!
DANGER
Section 2 — Installation
Guardian Liquid-cooled 15 kW, 20 kW and 25 kW Generators
Temperature Oil Grade (Recommended)
Above 80° F (27° C) SAE 30W or 15W-40
32° to 80° F (-1° to 27° C) SAE 20W-20 or 15W-40
Below 32° F (0° C) SAE 10W or 15W-40

Generac®Power Systems, Inc. 9
2.1.1 NFPA STANDARDS
The following published standards booklets pertain-
ing to standby electric systems are available form the
National Fire Protection Association (NFPA),
Batterymarch Park, Quincy, MA 02269:
• NFPA No. 37, STATIONARY COMBUSTION
ENGINES AND GAS TURBINES.
• NFPA No. 76A, ESSENTIAL ELECTRICAL SYS-
TEMS FOR HEALTH CARE FACILITIES.
• NFPA No. 220, STANDARD TYPES OF BUILDING
CONSTRUCTION
• NFPA No. 68, GUIDE FOR EXPLOSION VENTING
• NFPA No. 70, NATIONAL ELECTRICAL CODE.
• NFPA No. 30, FLAMMABLE AND COMBUSTIBLE
LIQUIDS CODE.
• NFPA No. 10, INSTALLATION, MAINTENANCE AND
USE OF PORTABLE FIRE EXTINGUISHERS.
2.1.2 OTHER PUBLISHED STANDARDS
In addition to NFPA standards, the following infor-
mation pertaining to the installation and use of
standby electric systems is available:
• Article X, NATIONAL BUILDING CODE, available
from the American Insurance Association, 85 John
Street, New York, N.Y. 10038.
• AGRICULTURAL WIRING HANDBOOK, obtainable
from the Food and Energy Council, 909 University
Avenue, Columbia, MO, 65201.
• ASAE EP-364.2, INSTALLATION AND MAINTE-
NANCE OF FARM STANDBY ELECTRIC POWER,
available from the American Society of Agricultural
Engineers, 2950 Niles Road, St. Joseph, MI 49085.
• A52.1, AMERICAN NATIONAL STANDARD FOR
CHIMNEYS, FIREPLACES AND VENTING SYS-
TEMS, available from the American National
Standard Institute, 1430 Broadway, New York, N.Y.
10018.
2.2 GENERATOR LOCATION
Install the generator set, in its protective enclosure
outdoors, where adequate cooling and ventilating air
always is available. Consider these factors:
• Install the unit where air inlet and outlet openings
will not become obstructed by leaves, grass, snow,
etc. If prevailing winds will cause blowing or drift-
ing, consider using a windbreak to protect the unit.
• Install the generator on high ground where water
levels will not rise and endanger it.
• Allow sufficient room on all sides of the generator
for maintenance and servicing. A good rule is to
allow five feet of space on all sides.
• Where strong prevailing winds blow from one
direction, face the generator air inlet openings into
the prevailing winds.
• Install the generator as close as possible to the
transfer switch. This reduces the length of wiring
and conduit.
• Install the generator as close as possible to the fuel
supply, to reduce the length of piping. HOWEVER,
REMEMBER THAT LAWS OR CODES MAY REG-
ULATE THE DISTANCE.
2.3 GENERATOR MOUNTING AND
SUPPORT
Retain the generator compartment to a concrete slab
with 1/4-inch masonry type anchor bolts. Be sure the
bolts are long enough to retain the compartment. The
slab should be at least six inches thick and should
extend beyond the enclosure to a distance of at least
three inches on all sides. See Section 7, Installation
Diagram.
2.4 BASIC STANDBY ELECTRIC
SYSTEM
Figure 2.1 shows a schematic diagram of a basic
standby electric system. Both the UTILITY power
supply and the STANDBY (generator) output are con-
nected to an approved transfer switch. The transfer
switch is required by electrical code and serves the
following functions:
• Permits the LOAD circuits to be connected to only
one power supply at a time.
• Prevents electrical backfeed between the generator
and the UTILITY power circuits.
Notice that both the STANDBY and the UTILITY
power supplies to the transfer switch are protected
against overload by a main line circuit breaker.
Figure 2.1 – Basic Standby Electric System
NOTE:
Generac recommends the use of a Generac Power
Systems “GTS” type transfer switch in conjunc-
tion with this generator.
Section 2 — Installation
Guardian Liquid-cooled 15 kW, 20 kW and 25 kW Generators

10 Generac®Power Systems, Inc.
2.5 EMERGENCY CIRCUIT ISOLATION
METHOD
This prevents overloading the generator by keeping
electrical loads below the wattage/amperage capacity
of the generator. If the generator is powering only crit-
ical loads, within the wattage/amperage capacity, dur-
ing utility power outages, consider using the emer-
gency circuit isolation method.
Critical electrical loads are grouped together and
wired into a separate “Emergency Distribution
Panel.” Load circuits powered by that panel are with-
in the wattage/amperage capacity of the generator set.
When this method is used, it is difficult to overload
the generator. The transfer switch must meet the fol-
lowing requirements:
• It must have an ampere rating equal to, or greater
than, the total amperage rating of the emergency
distribution panel circuit.
• Have it installed between the building’s main dis-
tribution panel and the emergency distribution
panel.
2.6 TOTAL CIRCUIT ISOLATION
METHOD
When a generator capable of powering all electrical
loads in the circuit is to be installed, use the “Total
Circuit Isolation Method.” It is possible for the gener-
ator to be overloaded when this isolation method is
employed. The following apply to the transfer switch
in this type of system.
• Ampere rating of the transfer switch must be equal
to, or greater than, the ampere rating of the normal
incoming utility service.
• The transfer switch is installed between the utility
service entrance and the building distribution
panel.
2.7 GROUNDING THE GENERATOR
The National Electrical Code requires the frame and
external electrically conductive parts of this equip-
ment to be properly connected to an approved earth
ground and/or grounding rods. For that purpose, a
GROUND LUG (Figure 2.2) is provided on the gener-
ator mounting base. Consult a qualified electrician
for grounding requirements in the area. Grounding
procedures must meet local regulations.
Do not connect the ground wire to any pipe
that carries a flammable or explosive substance
– FIRE or an EXPLOSION may result.
Proper grounding helps protect personnel against
electrical shock in the event of a ground fault condi-
tion in the generator or in connected electrical
devices. In addition, grounding helps dissipate static
electricity that often builds up in ungrounded
devices.
Figure 2.2 – Generator Grounding Lug (typical)
2.8 GENERATOR AC NEUTRAL
CONNECTIONS
Generac Power Systems uses an UNGROUNDED AC
neutral. Grounding is recommended only at the main
service entrance. If the neutral wire is grounded and
one of the phase loads becomes grounded, the exces-
sive current opens the load circuit breaker or col-
lapses the generator field. The actual result depends
on the electrical characteristics of the particular
installed generator.
2.9 TRANSFER SWITCH START SIGNAL
CONNECTIONS
If the generator is to be installed with an automatic
transfer switch, such as an engineered Generac GTS-
type switch, it is necessary to connect the two-wire
start control system.
Connect the two-wire start signal from the automatic
transfer switch to the automatic start connection,
which is located in the right hand corner inside the
control panel. Match wires 178 and 183 in the trans-
fer switch to 178 and 183 on the terminal strip in the
control panel. The conductors for the two-wire start
circuit must be in their own conduit.
DANGER
Section 2 — Installation
Guardian Liquid-cooled 15 kW, 20 kW and 25 kW Generators

Generac®Power Systems, Inc. 11
2.10 BATTERY INSTALLATION
Standby generators installed with automatic
transfer switches will crank and start automati-
cally when NORMAL (UTILITY) source voltage is
removed or is below an acceptable preset level.
To prevent such automatic start-up and possible
injury to personnel, do not connect battery
cables until the NORMAL source voltage at the
transfer switch is correct and the system is
ready to be put into operation.
Storage batteries give off explosive hydrogen
gas. This gas can form an explosive mixture
around the battery for several hours after
charging. The slightest spark can ignite the gas
and cause an explosion. Such an explosion can
shatter the battery and cause blindness or
other injury. Any area that houses a storage
battery must be properly ventilated. Do not
allow smoking, open flame, sparks or any spark
producing tools or equipment near the battery.
Battery electrolyte fluid is an extremely caustic
sulfuric acid solution that can cause severe
burns. Do not permit fluid to contact eyes, skin,
clothing, painted surfaces, etc. Wear protective
goggles, protective clothing and gloves when
handling a battery. If the fluid is spilled, flush
the affected area immediately with clear water.
Do not dispose of the battery in a fire. The bat-
tery is capable of exploding.
Do not open or mutilate the battery. Released
electrolyte can be toxic and harmful to the skin
and eyes.
The battery represents a risk of high short cir-
cuit current. When working on the battery,
always remove watches, rings or other metal
objects, and only use tools that have insulated
handles.
2.10.1 VENTED BATTERIES
The electrolyte is a dilute sulfuric acid that is
harmful to the skin and eyes. It is electrically
conductive and corrosive. The following proce-
dures are to be observed:
• Wear full eye protection and protective clothing,
• Where electrolyte contacts the skin, wash it off
immediately with water,
• Where electrolyte contacts the eyes, flush thor-
oughly and immediately with water and seek med-
ical attention, and
• Spilled electrolyte is to be washed down with an
acid-neutralizing agent. A common practice is to
use a solution of one pound (500 grams) bicarbon-
ate of soda to one gallon (4 liters) of water. The
bicarbonate of soda solution is to be added until
the evidence of reaction (foaming) has ceased. The
resulting liquid is to be flushed with water and the
area dried.
Lead acid batteries present a risk of fire
because they generate hydrogen gas. The fol-
lowing procedure are to be followed:
• DO NOT SMOKE when near batteries,
• DO NOT cause flame or spark in battery area, and
• Discharge static electricity from body before touch-
ing batteries by first touching a grounded metal
surface.
Servicing of batteries is to be performed or super-
vised by personnel knowledgeable of batteries and
the required precautions. Keep unauthorized person-
nel away from batteries.
The recommended battery is Group 26, 12V negative
ground, 525 CCA/75 AH minimum. All batteries must
be at 100 percent state-of-charge before they are
installed on the generator.
When using maintenance-free batteries, it is not nec-
essary to check the specific gravity or electrolyte level.
Have these procedures performed at the intervals
specified in Section 4, “Maintenance.” A negative
ground system is used. Battery connections are
shown on the wiring diagrams. Make sure all batter-
ies are correctly connected and terminals are tight.
Observe battery polarity when connecting batteries
to the generator set.
NOTE:
Damage will result if the battery connections are
made in reverse.
2.11 PREPARATION BEFORE START-UP
The instructions in this section assume that the
standby generator has been properly installed, serv-
iced, tested, adjusted and otherwise prepared for use
by a competent, qualified installation contractor. Be
sure to read the “Safety Rules” on Pages 2 and 3, as
well as all other safety information in this manual,
before attempting to operate this (and related) equip-
ment.
2.11.1 PRIOR TO INITIAL START-UP
Prior to initially starting the generator, it must
be properly prepared for use. Any attempt to
crank or start the engine before it has been
properly serviced with the recommended types
and quantities of engine fluids (oil, coolant,
fuel, etc.) may result in an engine failure.
!
!
!
!
!
DANGER
Section 2 — Installation
Guardian Liquid-cooled 15 kW, 20 kW and 25 kW Generators

12 Generac®Power Systems, Inc.
Before starting the generator for the first time, the
installer must complete the following procedures. For
follow-up maintenance information and/or service
intervals, please refer to Section 4, “Maintenance.”
2.11.2 TRANSFER SWITCH
If this generator is used to supply power to any elec-
trical system normally powered by an electric utility,
the National Electrical Code requires that a transfer
switch be installed. The transfer switch prevents elec-
trical backfeed between two different electrical sys-
tems. (For additional information, see the applicable
transfer switch manual for this unit.) The transfer
switch, as well as the generator and other standby
components, must be properly located and mounted
in strict compliance with applicable codes, standards
and regulations.
2.11.3 FUEL SYSTEM
Make sure the fuel supply system to the generator (a)
delivers the correct fuel at the correct pressure and
(b) is properly purged and leak tested according to
code. No fuel leakage is permitted. See
“Specifications” (Section 1.10) for more information.
2.11.4 GENERATOR SET LUBRICATION
Check the engine crankcase oil level before operating
and add oil to the proper level – the dipstick “FULL”
mark. Never operate the engine with the oil level
below the dipstick “ADD” mark. See “Specifications”
(Section 1.10) and “Engine Oil Recommendations”
(Section 1.14).
NOTE:
This engine is shipped from the manufacturer
with 15W-40 oil. This oil should be changed after
30 hours of operation.
2.11.5 ENGINE COOLANT
Have the engine cooling system properly filled with
the recommended coolant mixture. Check the system
for leaks and other problems. See “Specifications”
(Section 1.10) and “Coolant” (Section 1.15).
2.11.6 BELT TENSION
Check the engine fan belt tension and condition prior
to placing the unit into service and at recommended
intervals. Belt tension is correct when a force of
approximately 22 pounds (10 kg), applied midway
between pulleys, deflects the belt about 3/8- to 5/8-
inch (10 to 16 mm).
2.11.7 ELECTRICAL SYSTEM
Make sure the generator is properly connected to an
approved earth ground and/or ground rod.
Make sure the generator battery is fully charged,
properly installed and interconnected, and ready for
use.
Check to ensure that there are no loose electrical con-
nections. Restrain any loose wires to keep them clear
of any moving generator set components.
3.1 USING A STANDARD “GTS”
TRANSFER SWITCH
When required, the pre-packaged standby generator
can be installed with a Generac “GTS” type engi-
neered automatic transfer switch.
When a GTS type transfer switch is used, it controls
automatic operation and automatic transfer as fol-
lows:
• Solid state circuits in the transfer switch monitor
utility power source voltage.
• When utility source voltage drops below a pre-set
level, transfer switch action closes the circuit. The
engine then cranks and starts as controlled by the
pre-packaged generator’s Control Module circuit
board.
• After the engine starts and when the generator AC
output voltage and frequency have reached a
pre-set value, transfer switch circuits signal the
transfer switch main contacts to actuate to the
“Standby” power source side. Generator AC output
then powers load circuits.
• When the utility power source voltage is restored
above a pre-set level, transfer switch solid state
circuits signal the switch main contacts to move
back to their utility power source side.
• Following re-transfer back to the utility power
source side, transfer switch circuit board action
opens the circuit. Engine then shuts down.
NOTE:
If the generator is installed in conjunction with a
GTS type transfer switch, refer to the applicable
transfer switch manual for exact operating param-
eters and timing sequences.
Section 3 — Operation
Guardian Liquid-cooled 15 kW, 20 kW and 25 kW Generators

Generac®Power Systems, Inc. 13
3.2 CONTROL CONSOLE
COMPONENTS
The components of a liquid-cooled generator control
console (Figure 3.1) are as follows:
Figure 3.1 - Liquid-Cooled Generator Panel
3.2.1 HOURMETER
Indicates time the engine-generator has operated, in
hours and tenths of hours. Use the hourmeter along
with the periodic maintenance schedule for the gen-
erator set.
3.2.2 AUTO/OFF/MANUAL SWITCH
Use this three-position switch as follows:
• Set the switch to AUTO for fully automatic opera-
tion. See “Automatic Operation”, Section 3.4.
• Set switch to MANUAL position to crank and start
the generator engine.
• Set switch to OFF position to shut down an oper-
ating engine. With OFF selected, operation will not
be possible.
With switch set to AUTO, engine can crank
and start suddenly without warning. Such
automatic start up normally occurs when utili-
ty source voltage drops below a pre-set level.
To prevent possible injury that might be
caused by such sudden starts, set
AUTO/OFF/MANUAL switch to OFF before
working on or around the unit. Then, place a
"DO NOT OPERATE" tag on control console.
3.2.3 FAULT INDICATOR LAMP
The lamp goes ON when one or more of the following
engine faults occurs and when engine shuts down.
• Low oil pressure • Overcrank
• High coolant temperature • Overspeed
• Low coolant level
3.2.4 15 AMP FUSE
The fuse protects the control console’s DC control
circuit against electrical overload. If the fuse has
melted open because of an overload, engine cranking
and startup cannot occur. If replacement of the fuse
is necessary, use only an identical 15-amp fuse. (Type
AGC, part number 022676).
3.2.5 7.5 AMP INLINE FUSE
This inline fuse is connected in the 15A line that runs
between the AUTO/OFF/MANUAL switch and position
10 of the 76009A PCB. This fuse protects the start,
fuel, field boost, and transfer outputs from the PCB
and will open if there is excessive current draw on
any one of these outputs.
NOTE:
This fuse will not remove the positive (+) battery
input power from the PCB when it opens. This
means the exercise timer will not be reset. If this
fuse does open, carefully check the wiring to the
start, fuel, field boost and transfer outputs before
replacing the fuse.
3.2.6 SET EXERCISE TIME SWITCH
This switch allows for programming the generator to
start and exercise automatically. See “Weekly
Exercise Cycle” (Section 3.5).
3.3 MANUAL TRANSFER AND
START-UP
To transfer electrical loads to the STANDBY (GEN-
ERATOR) power source side and start the engine
manually, refer to the Owner’s Manual of the particu-
lar transfer switch.
3.4 AUTOMATIC OPERATION
To set the system for fully automatic operation, pro-
ceed as follows:
• Check that load circuits are connected to the
utility power supply.
• Set the AUTO/OFF/MANUAL switch to its AUTO
position.
• Set the generator main circuit breaker to its ON or
CLOSED position.
3.5 WEEKLY EXERCISE CYCLE
The generator will start and exercise once every seven
days. During this weekly exercise, the unit runs for
about 20 minutes and shuts down. Transfer of loads
to generator output does not occur during the exer-
cise.
To select day and time for exercising, proceed as
follows:
!
DANGER
AUTO
MANUAL
OFF
FUSE
15-A
AGC
FAULT
INDICATOR
SET
EXERCISE
TIME
ON
HOUR METER
Section 3 - Operation
Guardian Liquid-cooled 15 kW, 20 kW and 25 kW Generators

14 Generac®Power Systems, Inc.
• Set the AUTO/OFF/MANUAL switch to OFF.
• Set generator main circuit breaker to OFF or
OPEN.
• Locate the rocker switch on the control panel iden-
tified with the words “Set Exercise Time” (Figure
3.2).
• Push “Set Exercise Time” switch to ON position for
20 to 30 seconds and then release. Switch will
spring back into its original position when
released.
• Wait 30 seconds before setting the AUTO/OFF/
MANUAL switch to AUTO position.
If the AUTO/OFF/MANUAL switch is switched
too soon, the engine may start. If engine does
start, it will shut down automatically in about
two (2) minutes.
• Set the generator main circuit breaker to its ON or
CLOSED position.
• Generator is now programmed to start and exer-
cise every seven days thereafter, on day and time of
day the switch was actuated.
• Place a sign on the generator control panel and the
transfer switch, indicating the day and time the
generator will be exercising.
NOTE:
If battery terminals are disconnected, the exercise
timer needs to be reset for correct automatic exer-
cise operation.
Figure 3.2 - “Set Exercise” Switch
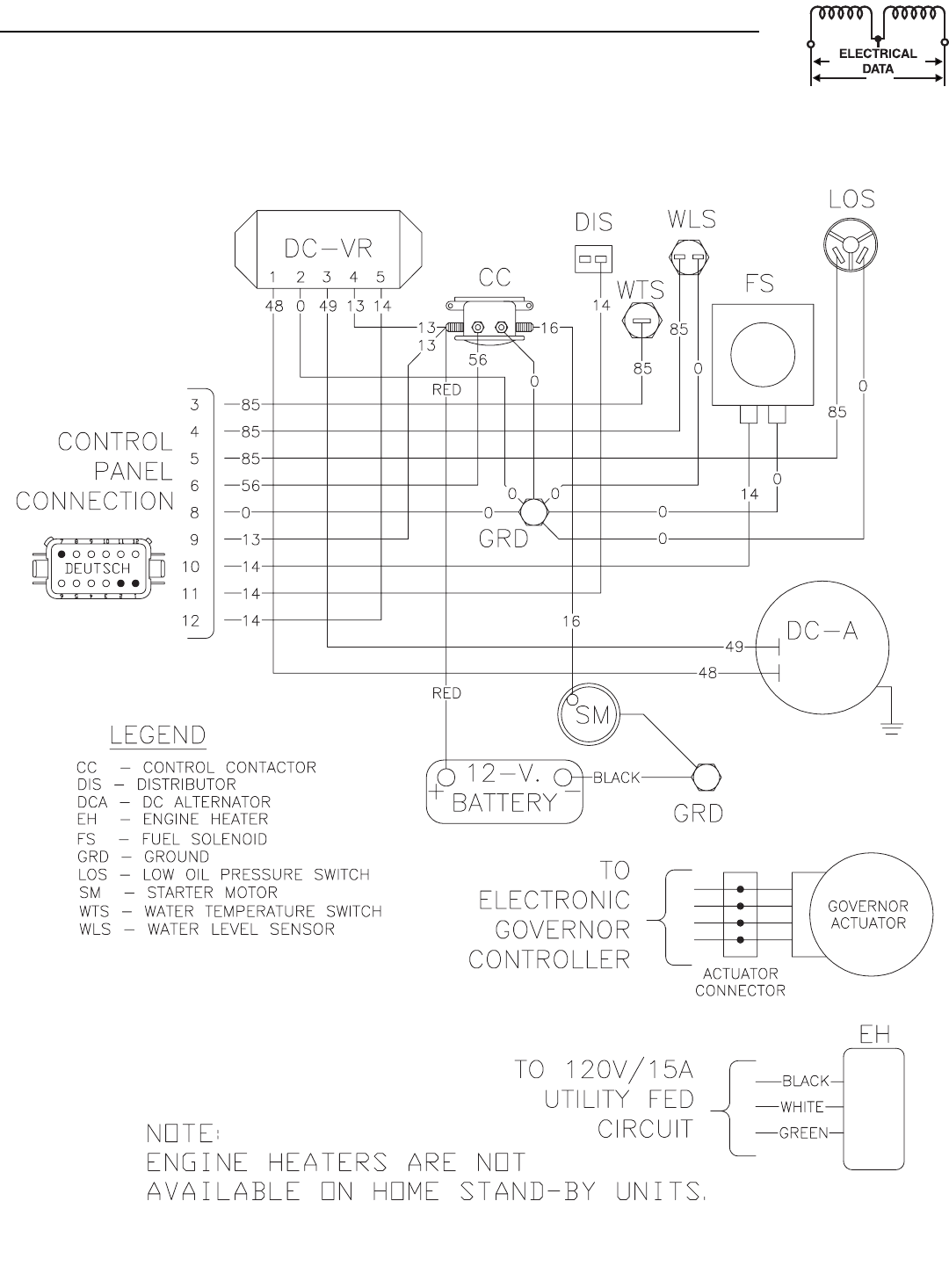
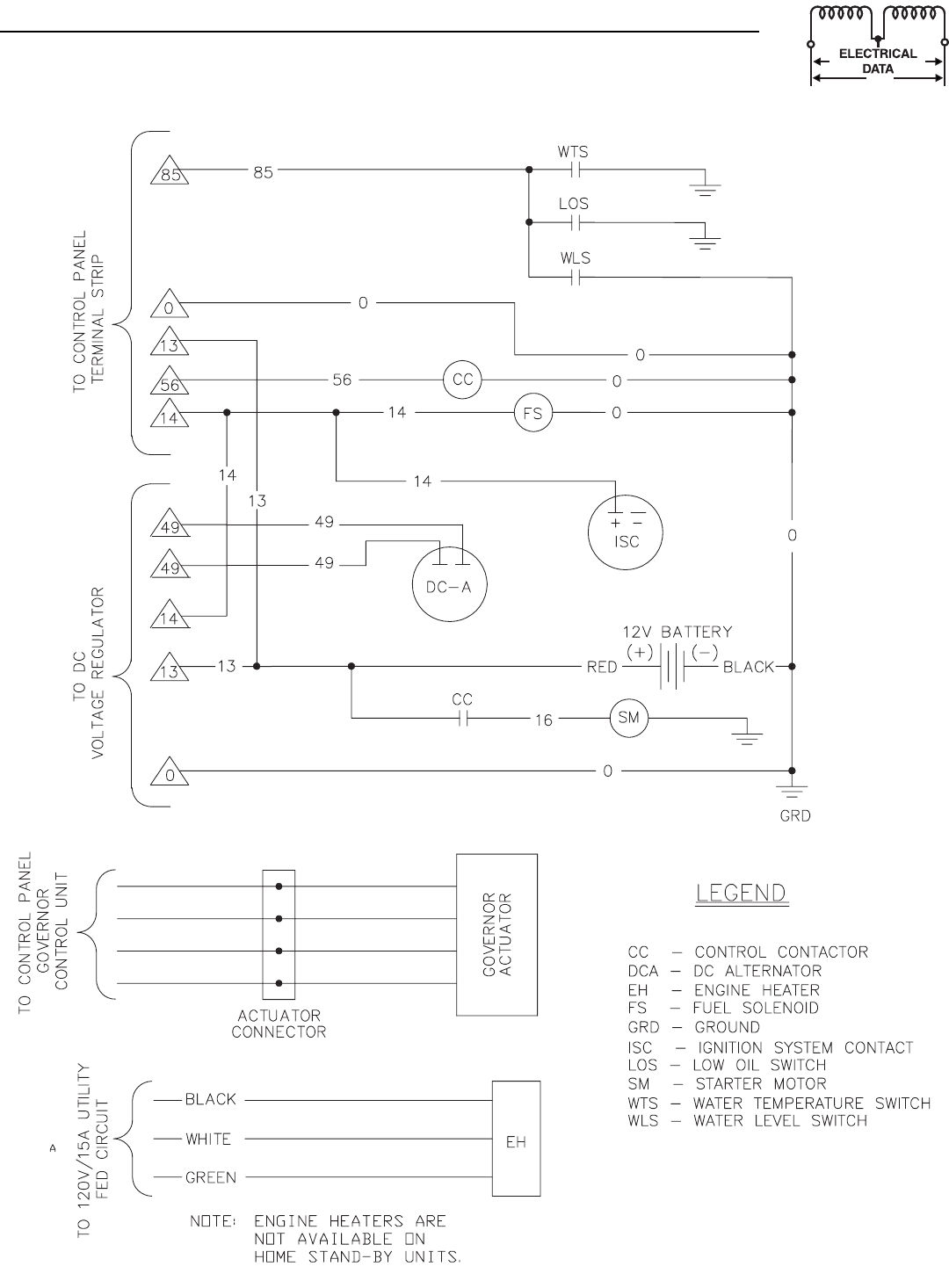
3.6 ENGINE HEATER
This standby generator comes equipped with a block
heater (Figure 3.3), similar to the block heaters used
in automotive applications. The block heater is wired
to a grounded plug.
Figure 3.3 - Engine Block Heater
Refer to applicable wiring diagram(s) and electrical
schematic(s) at back of manual for wiring connec-
tions. Customer supplies a 120V 15A Utility fed cir-
cuit for the block heater.
4.1 MAINTENANCE PERFORMED BY
AUTHORIZED SERVICE FACILITIES
A. EVERY THREE MONTHS
1.Check battery state of charge and condition.
2.Inspect and test fuel system.
3.Check transfer switch.
4.Inspect exhaust system.
5.Check engine ignition system.
6.Check fan belts.
B. ONCE EVERY SIX MONTHS
1.Test Engine Safety Devices (low oil pressure, low
coolant level, high coolant temperature).
C. ONCE ANNUALLY
1.Test engine governor. Adjust or repair, if needed.
2.Clean, inspect generator.
3.Flush cooling system.
D. FIRST 100 OPERATING HOURS
1.Change engine oil and oil filter. (After initial
change, service engine oil and filter at 150 oper-
ating hours or six months, whichever comes
first.)
2.Retorque cylinder head. (See Torque Specs,
Section 1.13.)
3.Retorque intake and exhaust manifold. (See
Torque Specs, Section 1.13.)
!
Section 4 — Maintenance
Guardian Liquid-cooled 15 kW, 20 kW and 25 kW Generators

Generac®Power Systems, Inc. 15
E. EVERY 500 OPERATING HOURS
1.Service air cleaner.
2.Check starter.
3.Check engine DC alternator.
F. EVERY 800 OPERATING HOURS
1.Retorque cylinder head. (See Torque Specs,
Section 1.13.)
2.Retorque intake and exhaust manifold. (See
Torque Specs, Section 1.13.)
3.Check engine compression.
4.Check valve clearance.
4.2 COOLING SYSTEM
Air intake and outlet openings in the generator com-
partment must be open and unobstructed for contin-
ued proper operation. This includes such obstruc-
tions as high grass, weeds, brush, leaves and snow.
Without sufficient cooling and ventilating air flow, the
engine/generator quickly overheats, which causes it
to shut down. (See Section 7 for installation drawings
and vent locations.)
The exhaust system parts from this product get
extremely hot and remains hot after shutdown.
High grass, weeds, brush, leaves, etc. must
remain clear of the exhaust. Such materials may
ignite and burn from the heat of the exhaust
system.
4.3 OVERLOAD PROTECTION FOR
ENGINE DC ELECTRICAL SYSTEM
Engine cranking, start up and running are controlled
by a solid state Engine Controller circuit board.
Battery voltage is delivered to that circuit board via a
15 amp fuse. These overcurrent protection devices
will open if the circuit is overloaded.
If a circuit breaker opens or a fuse element
melts, find the cause of the overload before
resetting the circuit breaker or replacing the
fuse.
4.4 CHECKING FLUID LEVELS
4.4.1 CHECK ENGINE OIL
Check engine crankcase oil level (Figure 4.1) at least
every 20 hours of operation, or prior to use.
• Remove oil dipstick and wipe dry with a clean,
lint-free cloth.
• Install oil dipstick, then remove again.
• Oil should be between FULL and ADD marks.
• If oil level is below the dipstick ADD mark, remove
oil fill cap. Add the recommended oil to bring oil
level up to the FULL mark. DO NOT FILL ABOVE
THE “FULL” MARK. See Section 1.14 for recom-
mended oils.
Figure 4.1 - Oil Dipstick and Oil Fill Cap
4.4.2 BATTERY FLUID
Check battery electrolyte fluid at least once weekly.
Fluid should cover separators in all battery cells. If
fluid level is low, add distilled water to cover tops of
separators. DO NOT USE TAP WATER IN BATTERY.
4.4.3 ENGINE COOLANT
Check coolant level in coolant recovery bottle. See
Specifications, Section 1.10.
• Add recommended coolant mixture as necessary.
• Periodically remove radiator pressure cap to make
sure the coolant recovery system is functioning
properly. Coolant should be at bottom of radiator
filler neck. If coolant level is low, inspect gasket in
radiator pressure cap. Replace cap, if necessary.
To have pressure cap tested, contact an authorized
Generac Service Dealer. Inspect cooling system
and coolant recovery system for leaks.
OIL DIPSTIC
K
!
Section 4 — Maintenance
Guardian Liquid-cooled 15 kW, 20 kW and 25 kW Generators

16 Generac®Power Systems, Inc.
4.5 MAINTENANCE OWNER/
OPERATOR CAN PERFORM
4.5.1 CHECK ENGINE OIL LEVEL
Refer to “Checking Fluid Levels” in Section 4.4.
4.5.2 CHECK BATTERY
• Check battery fluid level each week as outlined
under “Check Fluid Levels”.
• Check battery cables for condition, tightness, cor-
rosion or damage. Clean, tighten or replace as
necessary.
4.5.3 EXERCISE SYSTEM
Start the generator engine at least once every seven
days and let it run at least 20 minutes. See Section
3.5, “Weekly Exercise Cycle”.
4.5.4 INSPECT COOLING SYSTEM
• Inspect engine cooling system at least once each
month.
• Check hoses for damage, deterioration, leaks, etc.
Correct any discrepancies found.
• Check hose clamps for tightness.
4.5.5 CHECK ENGINE COOLANT LEVEL
See “Checking Fluid Levels” in Section 4.4.
4.5.6 PERFORM VISUAL INSPECTION
Complete a thorough visual inspection of the entire
engine-generator monthly. Look for obvious damage,
loose, missing or corroded nuts, bolts and other fas-
teners. Look for fuel, oil or coolant leaks.
4.5.7 INSPECT EXHAUST SYSTEM
Inspect the exhaust system at least once every three
months. Check all exhaust system pipes, mufflers,
clamps, etc. for condition, tightness, leaks, security,
damage.
4.5.8 CHECK FAN BELT
• Inspect fan belts every three months. Replace any
damaged, deteriorated, worn or otherwise defec-
tive belt.
• Check fan belt tension. Thumb pressure, exerted
midway between pulleys, should deflect about 3/8
to 3/4 inch. Adjust belt tension as required.
4.5.9 INSPECT ENGINE GOVERNOR
Visually inspect electronic governor.
DANGER: Do not attempt to adjust the gover-
nor. Only qualified service facilities should
adjust the governor. Excessively high operat-
ing speeds are dangerous and increase the
risk of personal injury. Low speeds impose a
heavy load on the engine when adequate
engine power is not available and may short-
en engine life. Correct rated frequency and
voltage are supplied only at the proper gov-
erned speed. Some connected electrical load
devices may be damaged by incorrect fre-
quency and/or voltage. Only qualified service
technicians should adjust the governed speed.
4.5.10 CHANGING ENGINE OIL
Refer to maintenance performed by authorized serv-
ice facilities for engine oil and filter change frequen-
cies.
Drain the oil while the engine is still warm from run-
ning. This means warm up the engine, shut it down
and drain immediately as follows:
1. Remove OIL DRAIN HOSE from its retaining clip.
2. Loosen and remove OIL DRAIN HOSE CAP.
Drain oil completely into suitable container.
3. When all oil has drained, install and tighten OIL
DRAIN HOSE CAP, and re-install into its retaining
clip.
4. Turn OIL FILTER (Figure 4.2) counterclockwise
and remove. Dispose of old filter.
Figure 4.2 - Oil Filter
5. Apply light coating of new engine oil to seal of new
oil filter. Install FILTER and tighten by hand only.
DO NOT OVERTIGHTEN.
6. Remove OIL FILL CAP. Add recommended oil (see
SPECIFICATIONS). DO NOT FILL ABOVE THE
DIPSTICK “FULL” MARK. Crankcase oil capacity
is 4.0 U.S. quarts (3.8 liters).
OIL FILTER
!
DANGER
Section 4 — Maintenance
Guardian Liquid-cooled 15 kW, 20 kW and 25 kW Generators

Generac®Power Systems, Inc. 17
After refilling the crankcase with oil, always
check oil level on dipstick. NEVER OPERATE
ENGINE WITH OIL BELOW THE DIPSTICK
“ADD” MARK.
7. Start engine and check for oil leaks.
4.5.11 CHANGING THE ENGINE AIR CLEANER
To replace the engine air cleaner, (part number
059402), simply remove the air cleaner cover and
replace the air filter making sure it is positioned
properly before reattaching the cover (Figure 4.3).
Figure 4.3 – Engine Air Cleaner
See the “Scheduled Maintenance,” Section 4.7, for air
cleaner maintenance.
4.5.12 SPARK PLUGS
Reset the spark plug gap or replace the spark plugs
as necessary. See Section 4.7.
1. Clean the area around the base of the spark plugs
to keep dirt and debris out of the engine. Clean by
scraping or washing using a wire brush and com-
mercial solvent. Do not blast the spark plugs to
clean.
2. Remove the spark plugs and check the condition.
Replace the spark plugs if worn or if reuse is
questionable. See the “Scheduled Maintenance,”
Section 4.7, for recommended inspection.
3. Check the spark plug gap using a wire feeler
gauge. Adjust the gap to 0.5-0.6 mm (0.020-0.025
inch) by carefully bending the ground electrode
(Figure 4.4).
Figure 4.4 – Setting the Spark Plug Gap
4.5.13 COOLANT CHANGE
Every year, have Authorized Service Facility drain,
flush and refill the cooling system. See SPECIFICA-
TIONS (Section 1.10) for cooling system recommen-
dations.
4.6 MISCELLANEOUS MAINTENANCE
4.6.1 CLEANING THE GENERATOR
Keep the generator as clean and as dry as possible.
Dirt and moisture that accumulates on internal gen-
erator windings have an adverse effect on insulation
resistance.
Periodically clean generator exterior surfaces. A soft
brush may be used to loosen caked on dirt. Use a
vacuum system or dry, low pressure air to remove
any accumulations of dirt. The generator is housed
inside an all-weather enclosure, clean the enclosure
with a soft, damp cloth or sponge and water. Apply a
coat of automotive type wax once a year to help pre-
vent corrosion.
Once each year, have the generator cleaned and
inspected by an Authorized Service Dealer. That deal-
er will use dry, low pressure air to clean internal
windings. Parts inside the control console should be
cleaned and inspected at this time as well.
Finally, have the insulation resistance of stator and
rotor windings checked. If insulation resistances are
excessively low, the generator may require drying.
Air Cleaner
(Doors Removed for Clarity)
!
Section 4 — Maintenance
Guardian Liquid-cooled 15 kW, 20 kW and 25 kW Generators
SET PLUG GAP AT 0.5-0.6 mm
(0.020-0.025 inch)

18 Generac®Power Systems, Inc.
4.6.2 BATTERY
All lead-acid storage batteries discharge when not in
use. Refer to specific instructions and warnings that
accompany the battery. If such information is not
available, observe the following precautions when
handling a battery:
• DO NOT use jumper cables and a booster battery
to crank or start the generator engine.
• DO NOT recharge a weak battery while it is
installed in the generator. Remove battery from
generator and recharge in a well-ventilated area,
away from fuel vapors, sparks, heat or flames.
• Battery electrolyte fluid is an extremely caustic
sulfuric solution that can cause severe burns. DO
NOT permit fluid to contact eyes, skin, clothing,
painted surfaces, wiring insulation, etc. If any bat-
tery fluid is spilled, flush the affected area with
clear water immediately.
• Always wear safety glasses, rubber apron and
gloves when handling a battery.
• Batteries give off explosive hydrogen gas while
charging. The gas can form an explosive mixture
around the battery for several hours after charging.
Any spark, heat or flames can ignite the gas and
cause an explosion which can shatter the battery,
causing blindness or other serious injury.
4.6.3 BATTERY MAINTENANCE
The battery should be inspected per the “Scheduled
Maintenance,” Section 4.7. The following procedure
should be followed for inspection:
1. Inspect the battery posts and cables for tightness
and corrosion. Tighten and clean as necessary.
2. Check the battery fluid level of unsealed batteries
and, if necessary, fill with DISTILLED WATER
ONLY. DO NOT USE TAP WATER IN BATTERIES.
3. Have the state of charge and condition checked.
This should be done with an automotive-type bat-
tery hydrometer.
Storage batteries give off explosive hydrogen
gas. This gas can form an explosive mixture
around the battery for several hours after
charging. The slightest spark can ignite the gas
and cause an explosion. Such an explosion can
shatter the battery and cause blindness or
other injury. Any area that houses a storage
battery must be properly ventilated. Do not
allow smoking, open flame, sparks or any spark
producing tools or equipment near the battery.
Battery electrolyte fluid is an extremely caustic
sulfuric acid solution that can cause severe
burns. Do not permit fluid to contact eyes, skin,
clothing, painted surfaces, etc. Wear protective
goggles, protective clothing and gloves when
handling a battery. If the fluid is spilled, flush
the affected area immediately with clear water.
Do not use any jumper cables or booster bat-
tery to crank and start the generator engine. If
the battery has completely discharged, remove
it from the generator for recharging.
Be sure the AUTO/OFF/MANUAL switch is set to
the OFF position before connecting the battery
cables. If the switch is set to AUTO or MANUAL,
the generator can crank and start as soon as
the battery cables are connected.
Be sure the utility power supply is turned off,
or sparking may occur at the battery posts as
the cables are attached and cause an explosion.
4.6.4 BATTERY REPLACEMENT
When replacing batteries, use the same number and
the type of battery that follows:
NOTE:
The BCI number should be located directly
on the battery.
!
!
!
DANGER
Section 4 — Maintenance
Guardian Liquid-cooled 15 kW, 20 kW and 25 kW Generators
BCI Group No. CCA
26/26R 525 @ 0 deg. F
PERIODIC REPLACEMENT PARTS
Part Name Generac’s Part Number
Oil Filter # 0A45310244
Radiator Cap # 046627
Air Cleaner # 059402
Spark Plug # 0A45310275

Generac®Power Systems, Inc. 19
Section 4 — Maintenance
Guardian Liquid-cooled 15 kW, 20 kW and 25 kW Generators
4.7 SCHEDULED MAINTENANCE
The following is a recommended maintenance schedule for Generac Guardian small standby and residential gen-
erator sets. The established intervals in the schedule are the maximum recommended when the unit is used in an
average service application. They will need to be decreased (performed more frequently) if the unit is used in a
severe application. Use the unit hour meter or calendar time, whichever occurs first, from the previous mainte-
nance interval to determine the next required maintenance interval.
Service Maintenance Interval Information:
The various service maintenance intervals are designated by interval numbers as follows:
1An early inspection of the generator set to insure it is ready to operate when required and to identify any poten-
tial problem areas.
Performed monthly or following each 10 hours of operation of the unit and requires approximately .5 man-
hours per unit to complete.
This inspection may be performed by the end user providing the following safety steps are taken to prevent
the engine from starting automatically without warning:
To prevent injury, perform the following steps in the order indicated before starting any maintenance:
• Disable the generator set from starting and/or connecting to the load by setting the control panel
AUTO-OFF-MANUAL switch to the OFF position.
• Remove the control panel fuse.
• Turn off utility supply to engine water heater.
• Turn off the battery charger by turning off utility supply to the transfer switch.
• Remove the negative battery cable.
The battery charger must be turned off BEFORE removing the battery cable to prevent an over current condi-
tion from burning out sensitive control panel components and circuits.
Following all maintenance, reverse these steps to insure the unit is returned to standby setup for normal
operation when required.
2A break-in service inspection of the generator set to insure it is ready to operate and carry the load when
required, and to identify any potential problem areas.
Performed ONLY ONCE following the first three months or the first 30 hours of operation after purchase of
the unit and requires approximately 2.5 man-hours per unit to complete.
This inspection contains some maintenance tasks which require special tools, equipment, and/or knowledge
to accomplish and should be performed only by an authorized Generac Service Dealer.
3An operational inspection of the generator set to insure it is ready to operate and carry the load when required,
and to identify any potential problem areas.
Performed semi-annually or following each 50 hours of operation of the unit and requires approximately 1.5
man-hours per unit to complete.
This inspection contains some maintenance tasks which require special tools, equipment, and/or knowledge
to accomplish and should be performed only by an authorized Generac Service Dealer.
4A mid-level inspection of the generator set to insure it is ready to operate and carry the load when required, and
to identify any potential problem areas.
Performed annually or following each 100 hours of operation of the unit and requires approximately 4.0
man-hours per unit to complete.
This inspection contains some maintenance tasks which require special tools, equipment, and/or knowledge
to accomplish and should be performed only by an authorized Generac Service Dealer.

20 Generac®Power Systems, Inc.
Section 4 — Maintenance
Guardian Liquid-cooled 15 kW, 20 kW and 25 kW Generators
Maintenance Level 1 Level 2 Level 3 Level 4
Tasks Recom- Task Required Task Required Task Task
mended Comp. to be done Comp. to be done Comp. Required Comp.
to be done (Date- 3 months/ (Date- Semi- (Date- to be done (Date-
monthly/ Initials) Break-in Initials) annually/ Initials) Annually/ Initials)
10 hrs. 30 hrs. 50 hrs. 100 hrs.
1. Disable the unit from
operating per the first page
warning.
2. Check the engine oil level.
Adjust as necessary.
3. Check the engine coolant
level. Adjust as necessary.
4. Check the engine coolant
thermal protection level.
Correct as necessary.
5. Check the natural gas
delivery system on gas
engine driven units.
Tighten connections as
necessary.
6. Check the air inlets and
outlets for debris. Clean as
necessary.
7. Check the battery
electrolyte level if
accessible. Adjust as
necessary.
8. Check the battery posts,
cables, and charger for
loose connections,
corrosion, and proper
operation. Correct as
necessary.
9. Check the unit wiring for
loose connections,
corrosion, and damage.
Correct as necessary.
10. Check the engine
accessory drive belts for
wear, weather cracking,
and damage. Replace as
necessary.
11. Visually inspect the unit
looking for leaks, wear or
damage, loose connections
or components, and
corrosion. Correct as
necessary.
12. Test the engine and
transfer switch safety
devices. Correct and/or
adjust as necessary.

Generac®Power Systems, Inc. 21
Section 4 — Maintenance
Guardian Liquid-cooled 15 kW, 20 kW and 25 kW Generators
Maintenance Level 1 Level 2 Level 3 Level 4
Tasks Recom- Task Required Task Required Task Task
mended Comp. to be done Comp. to be done Comp. Required Comp.
to be done (Date- 3 months/ (Date- Semi- (Date- to be done (Date-
monthly/ Initials) Break-in Initials) annually/ Initials) Annually/ Initials)
10 hrs. 30 hrs. 50 hrs. 100 hrs.
13. Initiate an automatic start
and transfer of the unit to
site load and exercise it for
at least 1 hour looking for
leaks, loose connections
or components, and
abnormal operating
conditions. Correct as
necessary.
14. Start and exercise the unit
at full rated load (use a
load bank if the site load is
not enough) for at least 2
hours looking for leaks,
loose connections or
components, and abnormal
operating conditions.
Correct as necessary.
15. Change the engine oil.
16. Replace the engine oil
filter(s).
17. Replace the engine air
filter(s).
18. Check the engine spark
plugs on gas engine driven
units. Clean and re-gap or
replace as necessary.
19. Perform a 5 minute no-load
operational run of the unit
looking for any post service
problems.
20. Return the unit to standby
setup for operation when
required.

22 Generac®Power Systems, Inc.
Section 5 — Troubleshooting
Guardian Liquid-cooled 15 kW, 20 kW and 25 kW Generators
5.1 TROUBLESHOOTING POINTS
PROBLEM CAUSE CORRECTION
Engine won’t crank. 1. 15 amp fuse blown. 1. Replace fuse.
2. Loose or corroded or defective 2. Tighten, clean or replace
battery cables. battery cables as necessary.
3. Defective starter contactor. 3. Replace contactor.
4. Defective starter motor. 4. Replace starter motor.
5. Dead or Defective Battery. 5. Remove, change or replace battery.
Engine cranks but won't start 1. Out of fuel. 1. Replenish fuel.
2. Fuel solenoid (FS) is defective 2. Replace solenoid.
3. Open Wire #14 from Engine Control 3. Reconnect wire.
circuit board.
4. Spark plugs defective. 4. Clean, regap or replace plugs.
Engine starts hard, runs rough. 1. Flame arrestor (air cleaner) plugged or 1. Clean or replace as needed.
damaged.
2. Plugged fuel line. 2. Unclog fuel line.
3. Defective spark plugs. 3. Clean, regap or replace plugs.
Engine starts then shuts down. 1. Engine oil level is low. 1. Check oil and add oil as needed.
2. Engine is overheated. 2. Check cooling system for leaks.
3. Defective Low Oil Pressure Switch 3. Replace switch.
4. Defective Coolant Temperature Switch 4. Replace switch.
5. Defective Control Module circuit board. 5. Replace board.
6. Coolant Level is Low. 6. Repair leak - Add coolant.
7. Defective Low Coolant Level Switch 7. Replace Switch.
AUTO/OFF/MANUAL Switch at OFF, 1. Defective AUTO/OFF/MANUAL switch 1. Replace switch.
engine continues to run 2. Open/disconnected wire #15A between 2. Reconnect/close wire.
AUTO/OFF/MANUAL switch and Control
Module circuit board.
3. Defective Control Module circuit board 3. Replace board.
No AC output from generator. 1. Check main line circuit breaker. 1. Reset to ON or CLOSED.
2. Check circuit breaker & fuses. 2. Reset and replace, if necessary.
3. Transfer switch set to NORMAL position 3. Set to GENERATOR position.
4. Generator internal failure. 4. Contact an Authorized Generac
facility.
5. Thermal circuit breaker open. 5. Auto-reset - Wait five min. and
attempt restart.

Generac®Power Systems, Inc. 23
Section 6 — Notes
Guardian Liquid-cooled 15 kW, 20 kW and 25 kW Generators

24 Generac®Power Systems, Inc.
Section 6 — Notes
Guardian Liquid-cooled 15 kW, 20 kW and 25 kW Generators

Generac®Power Systems, Inc. 25
Section 7 - Installation Diagram
Guardian Liquid-cooled 15 kW, 20 kW and 25 kW Generators
Drawing No. 0E1533-A

NB
S
ET EXER
C
I
S
E
S
WIT
CH
TERMINAL
S
TRIP 7 P
OS.
V
O
LTA
G
E RE
GU
LAT
OR
VR
T
S3
-
-
S
W
2
-
FL
-
SU
PRE
SS
I
O
N A
SS
EMBL
Y
NE
U
TRAL BL
OCK
FA
U
LT LI
G
H
T
H
OU
R METE
R
F
US
E 1
5
AMP
S
FIELD BREAKER
LED
G
EN
D
F
T
S1
FL
T
S2
S
W
2
F1
C
B
2
P
CB
C
B
1
T
S1
A
S
ALTERNAT
O
R
S
TAT
OR
-
C
APA
C
IT
OR
TR1
C
A
P
GCU
A
S
1
2
4
X
1
1
4
1
11
44
2
2
33
2
6
22
33
11
44
6
22
2
6
-
+
0
0
13
14
14
TRAN
S
FER
S
WIT
C
H
CO
NNE
C
TI
ON
8
4
2
6
4
3
2
3
4
6
7
8
9
1
0
12
1
3
1
5
1
6
17
1
8
5
1
2
4
3
1
3
1
5
1
5
0
14
17
6
T1
T2
1
5C
17
8
2
3
85
4
S
1
5
S
1
6
22
9
17
6
4
2
2
9
56
1
62
S
1
6
E1 T
O
E2 24
0.
E1 T
O
00
12
0
V
.
E2 T
O
00
OU
TP
U
T
CO
NNE
C
TI
ON
12
0/
24
0
V. 1- PHA
SE
E1
E2
C
L
OS
E
S
T T
O
BEARIN
G
BR
US
H H
O
LDE
R
M
OU
NTIN
G
SC
RE
W
23
1
7
8
183
1
83
1
83
F
O
SW
2
3
1
94
T2
1
5C
1
5
22
5A
9
4
BL
UE
BL
UE
RED
BLA
CK
BLA
CK
BR
O
W
N
YELL
OW
T
O
GO
VERN
OR
17
8
85
56
0
1
85
85
22
5
(
BLUE
)
(
RED
)
(
BLACK
)
(
BLACK
)
1
5C
0
1
62
4
S
1
6
A
C
T
U
AT
OR
S
1
5
S
1
5
S
1
6
S
1
6
S
1
6
22
9
22
9
22
9
T2
T1
8
5
85
56
56
14
17
8
17
8
1
5E
2
39
2
39
1
5C
1
5
1
5
S
1
5
S
1
6
4
4
4
4
1
5A
15E
22
5A
22
5A
4
4
4
4
4
1
83
1
83
17
8
17
8
56
85
8
5
0
0
0
1
3
1
3
14
1
4
14
1
3
1
3
0
0
0
BL
UE
BL
UE
BL
UE
BL
UE
14
14
14
14
14
0
0
0
RED
RED
BLA
CK
B
LA
C
K
YELL
OW
BL
UE
BL
UE
14
4
150
BLA
CK
BL
UE
26 Generac®Power Systems, Inc.
Section 8 - Electrical Data
Guardian Liquid-cooled 15 kW, 20 kW and 25 kW Generators
Wiring Diagram — Control Panel —Drawing No. 0E0345

Generac®Power Systems, Inc. 27
Section 8 - Electrical Data
Guardian Liquid-cooled 15 kW, 20 kW and 25 kW Generators
Wiring Diagram — 1.5L Engine — Drawing No. 0E0343-B

28 Generac®Power Systems, Inc.
Section 8 - Electrical Data
Guardian Liquid-cooled 15 kW, 20 kW and 25 kW Generators
Wiring Diagram — 1.5L Guardian — Drawing No. 0E1525
FL
3
4
1
5
6
1
13
2
5
7
D
11
9
B
A
17
16
10
12
E
4
3
15
14
GCU
S
W1
S
W2
A
LTERNATE TR1
2
2
5
N2
N1A
(
BLUE
)
(
RED
)
A
A
B
(
BLACK
)
(
BLACK
)
+
-
14
S
A
VR
S
H
O
WN IN
O
FF P
OS
ITI
O
N
PC
B
2 WIRE
S
TART
TS
2
TR1
FO
R
S
TANDARD
G
ENERA
C
TRAN
S
FER
S
WIT
C
H
CO
NNE
C
TI
O
N
HM
1
4
AR
5
2
6
C
B2
16
2
2
16
2
S
1
5
4
6
6
5
DPE
RED
4
0
0
4
85
56
14
13
2
2
9
85
56
14
13
2
2
9
S
1
6
1
4
0
85
14
2
2
9
239
1
7
8
239
1
7
8
15
E
15C
1
7
6
19
4
23
2
2
5
A
S
1
6
S
1
5
T1
T2
RED
13
14
0
15
A
15
A
15C
1
7
6
19
4
23
B
L
U
E
RED
T2
T1
0
0
13
15
13
15C
15C
0
15A
15
1
7
6
14
T1
T2
N1
N2
23
19
4
11
2
2
33
44
C
B1
0
S
1
6
S
1
5
E
1
00
E
2
C
USTOMER CONNECTIO
N
1
2
0/
24
0
V 1-PHA
S
E
T
RAN
S
FER
S
WIT
C
H
CO
NNE
C
TI
O
N T
S3
EC
A
R - ALTERNAT
O
R R
O
T
O
R
AS
- ALTERNAT
O
R
S
TAT
O
R
C
B1
,
2 - CIRCUIT BREAKERS
D
PE - EX
C
ITATI
O
N WINDIN
G
F
- F
US
E 1
5
AMP
S
GCU
-
GO
VERN
O
R
CO
NTR
O
L
U
NIT
PC
B -
C
IR
CU
IT B
O
ARD
CO
NTR
O
LLER
T
S1
,
2
,
3 - TERMINAL BOARDS
V
R - V
O
LTA
G
E RE
GU
LAT
O
R
LE
G
END
AS
F
S
A -
SU
PRE
SS
I
O
N A
SS
EMBLY
T
R1 -TRANSFORMER
,
UTILITY SENSING
183
1
7
8
183
P
REPA
C
KA
G
E
N
.
C
.
15
15C
B
L
U
E
2
2
5
A
S
W1 - A
U
T
O/O
FF
/
MAN
U
AL
S
WIT
C
H
S
W2 -
S
ET EXER
C
I
S
E
S
WIT
C
H
B
LA
C
K
B
LA
C
K
Y
ELL
O
W
US
E BL
U
E WIRE F
O
R 24
0
V L-L
S
Y
S
TEM
S
YELL
O
W WIRE F
O
R 2
08
V L-L
S
Y
S
TEM
S
I
N
SU
LATE
U
N
US
ED WIRE
0
RED
B
LA
C
K
RED
BLA
CK
BL
UE
BL
UE
H
M - H
OU
RMETER
C
AP
C
AP -
C
APA
C
IT
O
R
F
1 - F
US
E 7.
5
AMP
S
IN LIN
E
F1
EC
- EN
G
INE
CO
NNE
C
TI
O
N
F
L - LI
G
HT FA
U
LT INDI
C
AT
O
R
TS
1-14
EC
-
9
EC
-1
0
EC
-11
EC
-12
EC
-7
EC
-
8
EC
-
6
EC
-
3
EC
-
5
EC
-4
RED
BLA
CK
O
RAN
G
E
Y
ELL
O
W
B
R
O
WN
B
LA
C
K
GO
V
TO
AC
T
U
AT
O
R

Generac®Power Systems, Inc. 29
Section 8 - Electrical Data
Guardian Liquid-cooled 15 kW, 20 kW and 25 kW Generators
Electrical Schematic — 1.5L — Drawing No. 0A7182-C

ITEM PART NO. QTY. DESCRIPTION
1 098290 1 ASM MOTOR STEPPER
2 098941A 1 HOUSING GOVERNOR CONNECTOR
3 098958A REF CONNECTOR INTERFACE ASSEMBLY
4 098942A 1 COVER CONNECTOR HOUSING
5 098225 2 SCREW FHM #2 X 5/8 SELF TAP
6 043146 3 SCREW HHC M6-1.0 X 10 G8.8
7 022097 5 WASHER LOCK M6-1/4
8 084543A 1 SCREW PHM M3-0.5 X 12MM
9 098783 1 LEVER STEPPER MOTOR
10 037398 2 NUT LOCK HEX #10-32 NYL INS
11 0E1326 1 ASSY. CARBURETOR LINKAGE ROD
12 0A7106 1 BRACKET STEPPER MOTOR
13 074031 AR LIQUID NEOPRENE
14 029333A 10 TIE WRAP 7.4"X.19" BLK UL
15 022507 2 SCREW HHC 1/4-20 X 1/2 G5
16 022473 2 WASHER FLAT 1/4 ZINC
17 064526 1 SCREW TAP HWH #6-25 X 3/8 ZINC
18 0E1694 1 SPRING,ANTI LASH
ITEM
(
13
)
NEOPREN
E
S
E
CU
RE WIRE HARNE
SS
WITH TIE WRAP A
S
S
H
O
WN
.
C
ARB
U
RET
O
R AR
M
(
REF.
)
11
TO
"
A"
17
6
7
9
1
0
1
0
5
4
INTAKE MANIF
O
L
D
(
REF.
)
6
12
7
"
A"
2
3
1
1
6
7
1
5
CO
ATIN
G
WIRE HARNE
SS
14
30 Generac®Power Systems, Inc.
Section 9 - Exploded Views and Parts
Guardian Liquid-cooled 15 kW, 20 kW and 25 kW Generators
Governor Assembly — Drawing No. 0E1331-B

ITEM PART NO. QTY. DESCRIPTION
1 0D8656 1 BASE MOUNTING 1.5L STNRD & ACSTC
2 027482 2 WASHER SHAKEPROOF EXT 5/16 STL
3 070936 2 DAMPENER VIBRATION
4 070936C 2 VIB. ISO. 70-75 DURO
5 039253 8 SCREW HHC M8-1.25 X 20 G8.8
6 022145 12 WASHER FLAT 5/16 ZINC
7 022129 16 WASHER LOCK M8-5/16
8 045771 4 NUT HEX M8-1.25 G8 YEL CHR
9 071956 4 WASHER FLAT M8
10 051730 4 SCREW HHC M8-1.25 X 60 G8.8
11 021991 1 EARTH STRAP
13 0D9335 2 PANEL SUPPORT
14 0D9336 2 PANEL BRACKET
15 0C2454 16 SCREW TH-FRM M6-1 X 16 N WA Z/JS
16 047411 1 SCREW HHC M6-1.0 X 16 G8.8
17 022097 1 WASHER LOCK M6-1/4
18 022473 1 WASHER FLAT 1/4-M6 ZINC
19 055414 1 LUG SLDLSS #2-#8 X 17/64 CU
20 049813 5 NUT HEX M6 X 1.0 G8 YEL CHR
21 026850 1 WASHER SHAKEPROOF EXT 1/4 STL
22 0A1694 2 1-1/2" BUTTON PLUG
8
1
3
1
5
1
5
9
17
1
0
2
0
14
4
22
3
1
0
20
5
1
6
7
18
7
6
9
6
1
22
1
5
7
11
6
2
6
5
Section 9 - Exploded Views and Parts
Guardian Liquid-cooled 15 kW, 20 kW and 25 kW Generators
Mounting Base — Drawing No. 0E0768-B
Generac®Power Systems, Inc. 31

32 Generac®Power Systems, Inc.
N
U
T
S
ITEM #2
6.
US
E L
OC
TITE
ON
PANEL F
O
R A
CC
E
SS
CO
VER
C
ABL
E
WELD
S
T
U
D
U
NDER R
OOF
17
GROUND WIRE
.
FA
S
TENER T
O
S
E
CU
R
E
US
E D
OO
R LAT
CH
N
O
TE
:
11
2
5
24
7
4
9
24
2
2
5
8
5
11
1
0
5
N
O
TE
:
2
6
6
1
0
4
1
8
1
9
1
8
1
0
1
5
"
Y"
1
6
2
6
14
1
3
17
2
6
11
1
1
17
1
5
1
21
31
30
24
3
2
0
2
3
2
2
11
28
2
21
11
2
9
Section 9 - Exploded Views and Parts
Guardian Liquid-cooled 15 kW and 20 kW Generators
Standard Compartment — Drawing No. 0E0771-F

ITEM PART NO. QTY. DESCRIPTION
1 0D8666 1 ROOF ACSTC&STND CMPRTMNT 1.5L
2 0D8664C 1 DUCT CENTER 1.5L
3 0D8657 1 SUPPORT RADIATOR 1.5L MITSU
4 0D8660 2 BRACE SIDE 1.5L MITSU
5 0A7568 2 DOORWELDMENT 1.5EPS
6 0D8659 1 CORNER POST REAR RH SIDE 1.5L
7 0D8662 1 DOOR REAR COMPARTMENT 1.5L
8 0D8661 1 BRACE REAR 1.5L MITSU
9 0D8658 1 CORNER POST REAR LH SIDE 1.5L
10 067042 2 LATCH & CAM
11 0C2454 40 SCREW TH-FRM M6-1 X 16 N WA Z/JS
12 033530 3 SCREW PHM #10-32 X 5/8 ZINC
13 051716 3 NUT HEX M5-0.8 G8 YEL CHR
14 022152 3 WASHER LOCK #10
15 0912970064 3 ASSEMBLY BASE-DOOR GROUND WIRE
16 023762 3 WASHER SHAKEPROOF EXT #10 STL
17 0912970063 3 GRD WIRE ASS'Y 99HSB
18 022264 6 WASHER LOCK #8-M4
19 067035 6 SCREW PPHM #8-32 X 5/16
20 022127 1 NUT HEX 1/4-20 STEEL
21 0C2634A 1 ASSEMBLY COVER ACCESS
22 022473 1 WASHER FLAT 1/4 ZINC
23 022097 1 WASHER LOCK M6-1/4
24 0D2023 3 GASKET CLIP-ON SELF GRIPPING
25 0F3390 1 LATCH AND CAM
26 037337 6 NUT HEX JAM 3/8-24 SS
27 0D2023 21 GASKET CLIP-ON SELF GRIPPING
28 0D8664A 1 DUCT LH SIDE 1.5L
29 0D8664B 1 DUCT RH SIDE 1.5L
30 * 0F1563 1 O-RING 5.737 X 5.943
31 * 0C2634 1 COVER ACCESS GEN 2000
* I/N'S 30 & 31 PART OF I/N 21.
Section 9 - Exploded Views and Parts
Guardian Liquid-cooled 15 kW and 20 kW Generators
Standard Compartment — Drawing No. 0E0771-F
Generac®Power Systems, Inc. 33

34 Generac®Power Systems, Inc.
T
YPI
C
AL
O
F FR
O
NT D
UC
T & R
OOF
P
ANEL.
S
E
CU
RE A
S
S
H
O
WN.
F
O
R A
CC
E
SS
CO
VER
C
ABLE
WELD STUD UNDER ROOF
US
E D
OO
R LAT
C
H
NO
TE:
24
36
4
3
38
42
7
9
8
4
19
39
33
6
22
11
12
5
34
3
11
5
40
25
42
1
1
26
4
35
3
10
11
"Y"
10
"Y
"
13
14
15
1
7
18
1
15
17
3
4
29
3
1
21
50
49
11
10
3
22
24
23
11
2
8
48
4
30
27
2
21
NU
T #
03
7
33
7.
US
E L
OC
TITE
O
N
17
NO
TE:
S
TATE
S
F
O
AM I
S
O
N NEAR
S
IDE
S
TATE
S
F
O
AM I
S
O
N FAR
S
IDE
11
47
20
Section 9 - Exploded Views and Parts
Guardian Liquid-cooled 25 kW Generators
Acoustic Compartment — Drawing No. 0E0772-H

Generac®Power Systems, Inc. 35
ITEM PART NO. QTY. DESCRIPTION
1 0D8666 1 ROOF ACSTC & STND CMPRTMNT 1.5L
2 0D8664C 1 DUCT CENTER 1.5L
3 0D8657 1 SUPPORT RADIATOR 1.5L MITSU
4 0D8660 2 BRACE SIDE 1.5L MITSU
5 0A7568 2 DOOR WELDMENT 1.5 EPS
6 0D8659 1 CORNER POST REAR RH SIDE 1.5L
7 0D8662 1 DOOR REAR COMPARTMENT 1.5L
8 0D8661 1 BRACE REAR 1.5L MITSU
9 0D8658 1 CORNER POST REAR LH SIDE 1.5L
10 067042 2 LATCH & CAM
11 0C2454 40 SCREW TH-FRM M6-1 X 16 N WA Z/JS
12 033530 3 SCREW PHM #10-32 X 5/8 ZINC
13 051716 3 NUT HEX M5-0.8 G8 YEL CHR
14 022152 3 WASHER LOCK #10
15 0912970064 3 ASSEMBLY BASE-DOOR GROUND WIRE
16 023762 3 WASHER SHAKEPROOF EXT #10 STL
17 0912970063 3 GRD WIRE ASS'Y 99HSB
18 022264 6 WASHER LOCK #8-M4
19 067035 6 SCREW PPHM #8-32 X 5/16
20 078115 13 WASHER SELF LOCKING DOME
21 0C2634A 1 ASSEMBLY COVER ACCESS
22 022473 9 WASHER FLAT 1/4 ZINC
23 022097 9 WASHER LOCK M6-1/4
24 022127 9 NUT HEX 1/4-20 STEEL
25 0D8663 2 BAFFLE CNTRL PNL 1.5L ACOUSTIC
26 0D8665 2 BAFFLE DOOR 1.5L ACOUSTIC UNIT
27 0E0072D 1 ACSTC INSLTN 1.5L DUCT RH PNL
28 0E0072B 1 ACSTC INSLTN 1.5L DUCT LH PNL
29 0E0072Q 2 ACSTC INSLTN 1.5L RAD SUPPORT
30 0E0072C 1 ACSTC INSLTN 1.5L DUCT FNT PNL
31 0E0072A 1 ACSTC INSLTN 1.5L ROOF PANEL
32 0E0072M 2 ACSTC INSLTN 1.5L SIDE DR PNL
33 0E0072P 2 ACSTC INSLTN 1.5L SIDE DR PNL
34 0E0072L 2 ACSTC INSLTN 1.5L SIDE BRC PNL
35 0E0072N 2 ACSTC INSLTN 1.5L DR BAFFLE PL
36 0E0072G 2 ACSTC INSLTN 1.5L RR CRNR TOP
37 0E0072J 2 ACSTC INSLTN 1.5L RR CRNR BOTT
38 0E0072F 1 ACSTC INSLTN 1.5L REAR DR PNL
39 0E0072E 1 ACSTC INSLTN 1.5L REAR BRC PNL
40 0E0072K 2 ACSTC INSLTN 1.5L BAFFLE PANEL
41 0E0072H 2 ACSTC INSLTN 1.5L CNTRL SUPPT
42 0D2023 3 GASKET CLIP-ON SELF GRIPPING
43 0F3390 1 LATCH AND CAM
45 037337 6 NUT HEX JAM 3/8-24 SS
46 0D8664A 1 DUCT LH SIDE 1.5L
47 0D8664B 1 DUCT RH SIDE 1.5L
48 0E0072R 2 INSUL ACO 1.5L DUCT FRNT PNL
49 * 0F1563 1 O-RING 5.737 X 5.943
50 * 0C2634 1 COVER ACCESS GEN 2000
* I/N'S 49 & 50 PART OF I/N 21.
Section 9 - Exploded Views and Parts
Guardian Liquid-cooled 25 kW Generators
Acoustic Compartment — Drawing No. 0E0772-H

36 Generac®Power Systems, Inc.
Section 9 - Exploded Views and Parts
Guardian Liquid-cooled 15 kW, 20 kW and 25 kW Generators
Control Panel — Drawing No. 0E0778-G
A
22
28
5
1
26
29
T
O 'A'
26
25
10
27
33
9
3
1
53
5
2
55
5
4
58
8
6
7
5
3
1
50
3
4
49
12
28
42
3
40
39
38
41
11
2
30
5
7
17
16
18
28
28
'A
'
2
1
56
14
38
13
40
24
23
39
41
1
40
28
35
2
0
44
46
45
47
39
15
36
3
2
3
2
3
7
48
41
4
43

Generac®Power Systems, Inc. 37
ITEM PART NO. QTY. DESCRIPTION
1 0D9322 1 PANEL BACK & BOTTOM GUARDIAN
2 0D9332 1 PANEL LH SIDE GUARDIAN & SPRN
3 0D9325A 1 PANEL FRONT CONTROL GUARDIAN
W/ SILKSC
4 0D9330 1 PANEL RH SIDE C-PANEL SML BRK
5 0C1457 1 HOURMETER
6 064009 1 LIGHT 12VDC .02A LED RED PILOT
7 032300 1 HOLDER FUSE
8 022676 1 FUSE 15A X AGC15
9 0E4494 1 SWITCH ROC DPDT ON-OFF-ON
10 082573 1 SWITCH ROCKER DPST 125V SPD
11 083048 1 ASSEMBLY REGULATOR POTTED
12 083264 1 TFMR ASM CMA 240/12V
13 076009A 1 PP LOGIC ASM 50/60HZ
14 * 0E0331 1 HARNESS CONTROL PANEL PP
GUARDIAN
15 056739 1 RELAY SOLENOID 12VDC PNL MNT
16 049350 1 CIRCT BRK 4 X 1 ETA 46-500-P
17 047822 1 BLOCK TERM 20A 7 X 6 X 1100V
18 048766 1 BLOCK TERM 20A 2 X 6 X 1100V
19 057335 1 BLOCK TERM 20A 20 X 6 X 1100V
20 098647 1 ASSY L.C. ELECT GOV
21 0E1454 1 DECAL CUST. CONNT. PRE-PACK1.5L
22 0E1459 1 DECAL TERMINAL STRIP PRE-PACK
23 072566 4 NUT SPACER.250 PCB
24 080882 4 SCREW PPH TAPPING #6 X 5/8 SS
25 0A8955 2 SCREW PHM M6-1.0 X 20MM
26 022097 3 WASHER LOCK M6-1/4
27 022473 2 WASHER FLAT 1/4-M6 ZINC
28 0C2212 10 SCREW PHTT M4-0.7 X 16 ZYC
29 023762 2 WASHER SHAKEPROOF EXT #10
STL
ITEM PART NO. QTY. DESCRIPTION
30 0C2267 14 SCREW HHTT M5-0.8 X 12 BP
31 023897 15 WASHER FLAT #10 ZINC
32 0C2454 4 SCREW TH-FRM M6-1X16 N WA Z/JS
33 054199 1 DECAL HIGH VOLTAGE
34 081988 1 DECAL EXERCISE INFO
35 0E2514 1 STRAIGHT WIRE CONNECTOR 1 1/2"
36 0A1354A 1 REGULATOR - DC ALT
37 074908 4 SCREW HHTT M5-0.8 X 10 BP
38 020911 4 SCREW PPHM M5-0.8 X 30 ZINC
39 051713 5 WASHER FLAT M5
40 049226 5 WASHER LOCK M5
41 051716 5 NUT HEX M5-0.8 G8 YEL CHR
42 036261 4 RIVET POP .125 X .129-.133/#30
43 0D9334 1 PANEL, TOP
44 061979 1 BUS BAR
45 022237 1 WASHER LOCK 3/8
46 022241 1 NUT HEX 3/8-16 STEEL
47 057073 1 JUNCTION BLOCK 3/8-16
48 055440 1 SCREW HHC M5-0.8 X 25 G8.8
49 0D8671 1 HINGE CONTINUOUS 1.5L CNTL PNL
50 0912970080 1 WIRE ASSEMBLY
51 049813 1 NUT HEX M6 X 1.0 G8 YEL CHR
52 033121 1 SCREW HHC #10-32 X 1/2
53 026850 1 WASHER SHAKEPROOF EXT 1/4
STL
54 022158 1 NUT HEX #10-32 STEEL
55 022152 1 WASHER LOCK #10
56 0A3968 1 CAPACITOR FILTER ASY
57 0C2323 2 SCREW PHTT #6-32 X 5/8 ZYC
58 0E3783 1 DECAL WARNING REMOVE FUSE
* NOT SHOWN
Section 9 - Exploded Views and Parts
Guardian Liquid-cooled 15 kW, 20 kW and 25 kW Generators
Control Panel — Drawing No. 0E0778-G

W
ATERP
U
MP
HARDWARE
72
3
7
6
13
9
10
11
2
8
7
12
24
30
1
15
16
5
4
43
24
1
38
40
3
42
41
30
24
24
23
11
10
1
11
19
1
7
11
26
18
20
17
21
22
0
28
20
21
25
23
24
46
5
7
33
11
1
4
9
24
10
11
10
14
TO
24
44
35
3
4
36
45
14
71
46
10
11
12
48
47
70
24
43
74
5
1
55
66
69
73
56
59
5
2
5
4
58
65
6
4
63
2
6
2
60
7
3
2
Section 9 - Exploded Views and Parts
Guardian Liquid-cooled 15 kW, 20 kW and 25 kW Generators
Engine — Drawing No. 0E1228-H
38 Generac®Power Systems, Inc.

ITEM PART NO. QTY. DESCRIPTION
1 0A4531 1 ENGINE-1.5L
2 022473 6 WASHER FLAT 1/4 ZINC
4 0A45310258 1 GASKET-EXHAUST MANIFOLD
5 0A4355 1 MANIFOLD-EXHAUST
6 0E2632 1 HEAT SHIELD EXH 1.5L
7 022097 8 WASHER LOCK M6-1/4
8 022507 2 SCREW HHC 1/4-20 X 1/2 G5
9 052212 2 SCREW HHC M10-1.25 X 25 G8.8
10 046526 4 WASHER-LOCK-M10
11 022131 20 WASHER FLAT 3/8 ZINC
12 0C2499 2 STAMPING ENG FOOT
13 055993 1 SPACER .41 X .75 X .12 STL/ZNC
14 045772 1 NUT HEX M10-1.5 G8 YEL CHR
15 023586 2 SCREW SHC 5/16-18 X 2 G8.8 NZ
16 020692 1 STARTER-12V
17 0A7005 2 SPACER .56 X 1 X .37 ST/ZNC
18 052243 1 SCREW HHC M10-1.5 X 60 G8.8
19 0A4772 1 ENGINE PLATE
20 070901 2 SLEEVE DOWEL BLHSG
21 051735 3 SCREW HHC M10-1.5 X 70 G8.8
22 056768 3 SCREW HHC M10-1.5 X 90 G8.8
23 022145 12 WASHER FLAT 5/16 ZINC
24 022129 19 WASHER LOCK M8-5/16
25 022259 2 NUT HEX 5/16-18 STEEL
26 052213 11 SCREW HHC M10-1.25 X 20 G8.8
27 047411 2 SCREW HHC M6-1.0 X 16 G8.8
28 052830 1 SCREW HHC M10-1.25 X 45 G8.8
30 045771 12 NUT HEX M8-1.25 G8 YEL CHR
31 058306 5 SCREW SHC M8-1.25 X 25 G12.9
32 030795 2 SCREW HHC 5/16-18 X 1 G5
33 0A2711A 1 ADAPTER-THERMOSTAT
34 048665 1 GASKET THERMOSTAT
35 075885 1 THERMOSTAT 195 DEG
36 0A45310257 1 GASKET INLET MANIFOLD
37 0E1100 1 MANIFOLD INTAKE MACHINED
38 0E0561 1 ASSY WATER LEVEL SENSOR C/E
PL
39 0A6751 1 SW-TMP 245 DEG 3/8 NPT
40 034339 1 BARBED EL 90 3/8 NPT X 5/8
41 026925 1 PLUG STD PIPE 3/8 STEEL SQ HD
42 061012 1 PLUG STD PIPE 1/8 SCKT HD
43 039253 5 SCREW HHC M8-1.25 X 20 G8.8
ITEM PART NO. QTY. DESCRIPTION
44 0A5110 1 PIPE WATER-INLET
45 0A7006 1 O-RING 1-1/16 X 1-5/16 X 1/8
46 025507 2 WASHER SHAKEPROOF EXT 7/16
STL
47 022500B 2 SPACER .41 X .75 X .25 ST/ZNC
48 0A8584 1 SWITCH OIL PRESSURE
49 036277 1 ELBOW 90D STREET 1/8
50 042574 1 ADAPTOR 1/8 NPTF TO 1/8-28
51 026073A 1 PLUG STD PIPE 1/4 STEEL SQ HD
52 0A6701 1 SCREW HHC M10-1.5 X 110 G8.8
53 039414 1 SCREW HHC M8-1.25 X 35 G8.8
54 0A5568 1 SCREW HHC M12-1.25 X 55 G8.8
55 051769 1 WASHER LOCK M12
56 0A4804 1 PULLEY-CRANKSHAFT (1800 RPM)
BUILT PRIOR TO 11/20/02
0A4804A 1 PULLEY-CRANKSHAFT (1800 RPM)
BUILT AFTER 11/20/02
0A4800 1 PULLEY-CRANKSHAFT (3600 RPM)
BUILT PRIOR TO 11/20/02
0A4800A 1 PULLEY-CRANKSHAFT (3600 RPM)
BUILT AFTER 11/20/02
57 0A5839 1 BRACKET - ALT SUPPRT
58 0A1354B 1 DC ALTERNATOR-12V
59 0A4839 1 ARM ADJUST ALTERNATOR
60 055816 4 SCREW HHC M6-1.0 X 70 G8.8
62 0E1936 1 FAN COOLING 15"
63 0A2628 1 PULLEY - FAN 95 DIA
64 0A5275 1 V-BELT 3/8 X 32-1/8 1.5L
0A5586 1 V-BELT 3/8 X 28.9 1.5L
65 0A4814 1 SPACER PULLEY
66 0A45310244 1 FILTER OIL
67 0C1852 1 ADAPTER DRAIN OIL
68 0912970066 1 GROUND WIRE (STARTER)
69 070928 1 CLAMP HOSE - OIL DRAIN
70 069860C 1 HOSE ASM.-OIL DRAIN
71 069811 1 CAP HEX 1/4NPT BRASS
72 058443 2 CLAMP VINYL .5 X .406 Z
73 0F3856 1 GUARD CRANKSHAFT 1.5L
74 * 055934C 1 CLAMP VINYL .5 X .406 Z
* CLAMP FOR WIRING HARNESS (NOT SHOWN)
Section 9 - Exploded Views and Parts
Guardian Liquid-cooled 15 kW, 20 kW and 25 kW Generators
Engine — Drawing No. 0E1228-H
Generac®Power Systems, Inc. 39

14
11
17
28
(
BOTTOM ONLY
)
"A
"
28
22
9
30
3
2
29
10
2
21
1
3
2
3
35
18
14
12
33
17
34
4
TO
WATER INLE
T
(
MIDWAY UP ENGINE BLOCK
)
14
TUBE (ON BLOCK)
TO
THERM
OS
TAT
3
1
10
23
26
8
20
WATER INLET
8
19
8
8
6
ADAPTER
12
24
7
16
7
7
15
13
TO
EN
G
INE BYPA
SS
33
3
4
11
12
Section 9 - Exploded Views and Parts
Guardian Liquid-cooled 15 kW, 20 kW and 25 kW Generators
Radiator — Drawing No. 0E0769-J
40 Generac®Power Systems, Inc.

ITEM PART NO. QTY. DESCRIPTION
1 0D8657 1 SUPPORT RADIATOR 1.5L MITSU
2 0A5734 1 RADIATOR 1.5L
3 0A6237 1 VENTURI 1.5L MODINE
4 * 0A6238 1 GUARD FAN 1.5L MODINE
5 084918 1 HEATER ENGINE 0500W 120V
6 051520N 1 TUBING 5/8 ID X 12
7 048031C 4 CLAMP HOSE BAND 1/4
8 099502 4 CLAMP HOSE #24 B1.06 - 2.00
9 083709 1 CLAMP WIRE HOSE .573 - .551
10 052250 2 TAPE FOAM 1 X 1 (12" LG)
11 047411 4 SCREW HHC M6-1.0 X 16 G8.8
12 022097 8 WASHER LOCK M6-1/4
13 049813 2 NUT HEX M6 X 1.0 G8 YEL CHR
14 022473 9 WASHER FLAT 1/4 ZINC
15 084427 1 BRACKET HEATER
16 051520Z 1 TUBING 5/8 ID X 18"LG
17 * 058443 6 SCREW CRIMPTITE 1/4-20 X 5/8
18 056892 4 SCREW CRIMPTITE 10-24 X 3/8
19 0A6284 1 HOSE - LOWER RADIATR
20 0A6258 1 HOSE - UPPER RADIATR
21 029032 1 HOSE 9/32 ID (36" LG)
22 031669 4 BOLT CARR 1/4-20 X 1-3/4 JS500
23 060035 4 SPACER .41 X .75 X .87 ST/ZNC
24 022127 4 NUT HEX 1/4-20 STEEL
26 046627 1 CAP RADIATOR
27 0C7649 1 CLAMP HOSE .38-.87
28 0C2454 4 SCREW TH-FRM M6-1 X 16 N WA Z/JS
29 076749 1 TANK COOLANT RECOVERY
30 0E0726 1 BRACKET WATER BOTTLE 1.5L MIT
31 035461 1 BARBED STR 1/4 NPT X 3/8
32 0A7275 3 FOAM 1.5 X 1 ADH BAK
33 0A2111 2 SCREW SWAGE 10-32 X 5/16 Z/YC
34 065852 2 SPRING CLIP HOLDER .37-.62
35 047290A 1 ASSY. RAD. DRAIN HOSE
* FAN GUARD KIT 0E3596 (NOT USED WITH LEVEL ONE GUARDING)
Section 9 - Exploded Views and Parts
Guardian Liquid-cooled 15 kW, 20 kW and 25 kW Generators
Radiator — Drawing No. 0E0769-J
Generac®Power Systems, Inc. 41

42 Generac®Power Systems, Inc.
4
3
L.P. VAP
OR
P
O
R
T
"
OU
T 2
"
9
1
3
4
0
41
11
10
"
D"
1
5
4
5
21
24
2
5
30
28
33
2
0
1
9
14
"
C"
12
17
1
6
31
32
6
6
39
2
6
38
1
41
4
0
37
34
36
35
22
"
C"
1
3
8
1
8
27
2
42
6
7
23
(
NATURAL GAS
)
"
OU
T 1
"
11
P
O
R
T
2
9
"
D"
Section 9 - Exploded Views and Parts
Guardian Liquid-cooled 15 kW, 20 kW and 25 kW Generators
Fuel System — Drawing No. 0E0774-F

Generac®Power Systems, Inc. 43
ITEM PART NO. QTY. DESCRIPTION
1 * --------- 1 WELDMENT MOUNTING BASE
2 075580 1 FLANGE FUEL INLET
3 0E1006 1 ASSY REGULATOR 1.5L N.G.OR LPV
4 039253 2 SCREW HHC M8-1.25 X 20 G8.8
5 022145 2 WASHER FLAT 5/16 ZINC
6 022129 6 WASHER LOCK M8-5/16
7 045771 2 NUT HEX M8-1.25 G8 YEL CHR
8 0A7040 1 BRACKET-RAD HOSE
9 032552 1 BARBED EL 90 5/16 X 1/8 NPT
10 029032 1 HOSE 9/32 ID 11"
11 0E1056 1 FUEL HOSE ASSM. NAT.GAS/L.P.V.
12 029032 1 HOSE 9/32 ID 7.5"
13 0A5547 1 COVER AIR CLEANER
14 048031C 4 CLAMP HOSE BAND 1/4
15 0D1509 1 DECAL INLET PRESSURE
16 ** 0E0591 1 ADAPTER,CARB.TO AIR CLNR
17 059402 1 FILTER ELEMENT
18 037561 1 NUT WING 1/4-20 NYLK
19 0E1028 1 CARBURETOR ASSY. 1.5L
20 059401 1 CARBURETOR GASKET
21 ** 091526 4 SCREW PPHM M5-0.8 X 12 ZNC
22 ** 049226 4 WASHER LOCK M5
23 026307 1 ELBOW 90D STREET 3/4
24 062522 1 STUD TH 1/4-20 X 3 G2 ZNC FULL
25 022127 1 NUT HEX 1/4-20 STEEL
26 022259 2 NUT HEX 5/16-18 STEEL
27 050279 1 DECAL FUEL INLET NG
28 0A6125 2 STUD 5/16-18 X 1.25 F THR
29 0D8492T 1 DECAL EMISSION CTRL 1.5 NG 2005 (10-15KW NATURAL GAS)
30 ** 0E1104 1 GASKET AIR CLEANER ADAPTER
31 ** 0E0668 1 O-RING 2-028 1.38 X 1.50 X .06
32 ** 0E0590 1 VENTURI 18MM
33 ** 0C5133 1 O-RING 29.82 X 2.62
34 ** 0E0665 1 SCREW THROTTLE PIN STOP
35 ** 0E1108 1 THROTTLE ARM REWORK
36 ** 033138 1 SCREW HHM #10-32 X 5/8
37 ** 022152 1 WASHER LOCK #10
38 ** 0E0645 1 LEVER THROTTLE STOP
39 ** 063463A 1 BARBED STR 3/8NPT X 1/2 W/VS
40 0E1558 1 HOSE LPG & NAT GAS 1/2 ID (23"LG)
41 057823 2 CLAMP HOSE #10 .56 - 1.06
42 0E1111 1 PLATE, GAS REGULATOR MOUNTING
43 042907 2 SCREW HHC M8-1.25 X 16 G8.8
44 0C2454 2 SCREW TH-FRM M6-1 X 16 N WA Z/JS
* SHOWN IN OTHER VIEW
** INCLUDED IN ITEM 19 (CARBURETOR ASY. )
Section 9 - Exploded Views and Parts
Guardian Liquid-cooled 15 kW, 20 kW and 25 kW Generators
Fuel System — Drawing No. 0E0774-F

44 Generac®Power Systems, Inc.
8
36
13
3
12
5
9
15
14
17
T
o Blow
e
r
H
ousin
g
3
2
23
24
35
1
21
28
7
22
1
29
16
30
18
6
19
20
3
1
21
4
T
o En
g
ine
C
rankshaft
26
Section 9 - Exploded Views and Parts
Guardian Liquid-cooled 15 kW, 20 kW and 25 kW Generators
Alternator — Drawing No. 0A9348-G

Generac®Power Systems, Inc. 45
ITEM PART NO. QTY. DESCRIPTION
1 098671 1 ASSY ROTOR 10KW
098681 1 ASSY ROTOR 15KW
098675 1 ASSY ROTOR 20KW
098936 1 ASSY ROTOR 25KW
2 0A5336A 1 HOUSING BLOWER
3 0A1659 1 SCREEN AIR OUTLET
4 071912 4 SCREW PPHM M5-0.8 X 8 SS
5 049226 4 WASHER LOCK M5
6 051713 4 WASHER FLAT M5
7 022129 4 WASHER LOCK M8-5/16
8 098672 1 ASSY STATOR 10KW A
098673 1 ASSY STATOR 10KW D
098674 1 ASSY STATOR 10KW GJK
098682 1 ASSY STATOR 15KW 1PH A
098683 1 ASSY STATOR 15KW 3PH D
098684 1 ASSY STATOR 15KW 1PH GJK
098676 1 ASSY STATOR 20KW 1PH A
098677 1 ASSY STATOR 20KW 1PH D
098678 1 ASSY STATOR 20KW 1PH GJK
097620 1 ASSY STATOR 25KW 1PH A
098937 1 ASSY STATOR 25KW 1PH D
097621 1 ASSY STATOR 25KW 3PH D
9 0A5382 1 BEARING CARRIER REAR
10 075591 1 ASSY HOLDER BRUSH
11 075476 4 SCREW PPHM M4-0.7 X 16
12 0A5601A 1 COVER REAR BEARING
13 075554B 4 BOLT STATOR X 16" LG
14 0A9375 4 SCREW RHM #10-24 X 2
15 022152 4 WASHER LOCK #10
16 097146 1 FAN & RING GEAR ASSEM.
17 042558 1 KEY SQ 3/8 X 1 STEEL
18 0A5061 1 SPACER-FLEX PLATE
19 0A4989 1 PLATE FLEX
20 053557 1 SCREW HHC M12-1.75 X 40 G8.8
21 051769 6 WASHER LOCK M12
22 049541 4 SCREW HHC M10-1.5 X 35 G8.8
23 046526 4 WASHER LOCK M10
24 045772 4 NUT HEX M10-1.5 G8 YEL CHR
26 * 087599 1 PLUG PLASTIC 3/8 NPT
27 077043E 1 FLEX CONDUIT 1" BLACK (NOT SHOWN)
28 022131 4 WASHER FLAT 3/8-M10 ZINC
29 072578 1 SPACER ROTOR SHAFT
30 0A7043 5 SCREW HHC M12-1.25 X 25 G8.8
31 049808 5 WASHER FLAT M12
32 058589 1 DECAL WARN ENG START
33 023365 4 WASHER SHAKEPROOF INT #8
35 0A8830 4 WASHER FLAT .34 ID X .75 OD
36 072080 1 DECAL DANGER STANBY UNITS
* USED ON PRE-PACKAGED UNITS ONLY
Section 9 - Exploded Views and Parts
Guardian Liquid-cooled 15 kW, 20 kW and 25 kW Generators
Alternator — Drawing No. 0A9348-G

ITEM PART NO. QTY. DESCRIPTION
1 077483 REF BATT 12VDC 75-AH 26 (NOT INCLUDED)
2 038804D 1 CABLE BATT RED #4 X 20.00
3 038805B 1 CABLE BATT BLK #4 X 23.00
4 0742600131 1 ASSY,WIRE#16 RED 1.6
5 022131 1 WASHER FLAT 3/8 ZINC
6 046526 1 WASHER LOCK M10
7 052213 1 SCREW HHC M10-1.25 X 20 G8.8
8 075763 3 BOOT, BATTERY CABLE
9 0D8668 1 BRACKET, BATTERY HOLD DOWN 1.5
13 050331A 1 BATTERY POST COVER (RED+)
14 050331 1 BATTERY POSTCOVER (BLACK-)
15 0C2454 2 SCREW TH-FRM M6-1X16 N WA Z/JS
16 025507 1 WASHER SHAKEPROOF EXT 7/16 STL
17 027482 2 WASHER SHAKEPROOF EXT 5/16 STL
1
5
SO
LEN
O
I
D
8
1
3
1
2
S
TARTE
R
14
8
8
T
O
EN
G
IN
E
BL
OCK
5
6
7
9
1
6
3
4
46 Generac®Power Systems, Inc.
Section 9 - Exploded Views and Parts
Guardian Liquid-cooled 15 kW, 20 kW and 25 kW Generators
Battery — Drawing No. 0E0770-B

Generac®Power Systems, Inc. 47
ITEM PART NO. QTY. DESCRIPTION
1 0A4355 1 MANIFOLD EXHAUST 1.5L
2 0E2844 1 NIPPLE TOE 1.5NPTX5.5 BLK IRON
3 036434 3 BOLT U 5/16-18 X 2.09
036449 3 SADDLE 2 INCH
4 0E0109 1 PIPE,EXHAUST 1.5L STNDRD&ACSTC
5 0C1318 1 FLEX PIPE EXHAUST
6 0D8657 1 SUPPORT, RADIATOR 1.5L MITSU
7 0E0170 1 BLANKET, EXHAUST 1.5L MITSU
8 0D9437 1 MUFFLER,1.5L ACOUSTIC&STANDARD
9 060366 2 STRAP MUFFLER 6" DIA
10 039253 4 SCREW HHC M8-1.25 X 20 G8.8
11 022145 4 WASHER FLAT 5/16 ZINC
12 022129 4 WASHER LOCK M8-5/16
13 045771 4 NUT HEX M8-1.25 G8 YEL CHR
14 0A8974 1 CAP RAIN 2"
15 027837 2 SCREW RHM 1/4-20 X 2-1/4
3
9
14
5
4
2
1
0
8
1
5
3
9
6
1
3
12
3
7
Section 9 - Exploded Views and Parts
Guardian Liquid-cooled 15 kW, 20 kW and 25 kW Generators
Muffler — Drawing No. 0E0773-A

48 Generac®Power Systems, Inc.
CALIFORNIA EMISSION CONTROL WARRANTY STATEMENT
YOUR WARRANTY RIGHTS AND OBLIGATIONS
The California Air Resources Board (CARB) and Generac Power Systems, Inc. (Generac) are pleased to explain the Emission
Control System Warranty on your new engine.*In California, new utility, and lawn and garden equipment engines must be
designed, built and equipped to meet the state’s stringent anti-smog standards. Generac will warrant the emission control
system on your engine for the periods of time listed below provided there has been no abuse, neglect, unapproved modifi-
cation or improper maintenance of your engine.
Your emission control system may include parts such as the carburetor, ignition system and exhaust system. Generac will
repair your engine at no cost to you for diagnosis, replacement parts and labor, should a warrantable condition occur.
MANUFACTURER’S EMISSION CONTROL SYSTEM WARRANTY COVERAGE:
Emissions control systems on 1995 and later model year engines are warranted for two years as hereinafter noted. If, dur-
ing such warranty period, any emission-related component or system on your engine is found to be defective in materials or
workmanship, repairs or replacement will be performed by a Generac Authorized Warranty Service Facility.
PURCHASER’S/OWNER’S WARRANTY RESPONSIBILITIES:
As the engine purchaser/owner, you are responsible for the completion of all required maintenance as listed in your factory
supplied Owner’s Manual. For warranty purposes, Generac recommends that you retain all receipts covering maintenance
on your engine. However, Generac cannot deny warranty solely due to the lack of receipts or for your failure to ensure the
completion of all scheduled maintenance.
As the engine purchaser/owner, you should, however, be aware that Generac may deny any and/or all warranty coverage or
responsibility if your engine, or a part/component thereof, has failed due to abuse, neglect , improper maintenance or unap-
proved modifications, or the use of counterfeit and/or “grey market” parts not made, supplied or approved by Generac.
You are responsible for presenting your engine to a Generac Authorized Warranty Service Facility as soon as a prob-
lem occurs. The warranty repairs should be completed in a reasonable amount of time, not to exceed 30 days.
Warranty service can be arranged by contacting either your selling dealer or a Generac Authorized Warranty Service Facility.
To locate the Generac Authorized Warranty Service Facility nearest you, call our toll-free number:
1-800-333-1322
IMPORTANT NOTE: This warranty statement explains your rights and obligations under the Emission Control System
Warranty (ECS Warranty), which is provided to you by Generac pursuant to California law. See also the “Generac Limited
Warranties for Generac Power Systems, Inc.,” which is enclosed herewith on a separate sheet, also provided to you by
Generac. The ECS Warranty applies only to the emission control system of your new engine. If there is any conflict in terms
between the ECS Warranty and the Generac Warranty, the ECS Warranty shall apply except in circumstances where the
Generac Warranty may provide a longer warranty period. Both the ECS Warranty and the Generac Warranty describe impor-
tant rights and obligations with respect to your new engine.
Warranty service can be performed only by a Generac Authorized Warranty Service Facility. When requesting warranty serv-
ice, evidence must be presented showing the date of the sale to the original purchaser/owner.
If you have any questions regarding your warranty rights and responsibilities, you should contact Generac at the fol-
lowing address:
ATTENTION WARRANTY DEPARTMENT
GENERAC POWER SYSTEMS, INC.
P.O. BOX 297
WHITEWATER, WI 53190
Part 1
Section 10 – Warranty
Guardian Liquid-cooled 15 kW, 20 kW and 25 kW Generators

Generac®Power Systems, Inc. 49
EMISSION CONTROL SYSTEM WARRANTY
Emission Control System Warranty (ECS Warranty) for 1995 and later model year engines:
(a) Applicability: This warranty shall apply to 1995 and later model year engines. The ECS Warranty Period shall begin on
the date the new engine or equipment is purchased by/delivered to its original, end-use purchaser/owner and shall con-
tinue for 24 consecutive months thereafter.
(b) General Emissions Warranty Coverage: Generac warrants to the original, end-use purchaser/owner of the new engine or
equipment and to each subsequent purchaser/owner that each of its engines is ...
(1) Designed, built and equipped so as to conform with all applicable regulations adopted by the CARB pursuant to its
authority, and
(2) Free from defects in materials and workmanship which, at any time during the ECS Warranty Period, may cause a war-
ranted emissions-related part to fail to be identical in all material respects to the part as described in the engine man-
ufacturer’s application for certification.
(c) The ECS Warranty only pertains to emissions-related parts on your engine, as follows:
(1) Any warranted, emissions-related parts that are not scheduled for replacement as required maintenance in the Owner’s
Manual shall be warranted for the ECS Warranty Period. If any such part fails during the ECS Warranty Period, it shall
be repaired or replaced by Generac according to Subsection (4) below. Any such part repaired or replaced under the
ECS Warranty shall be warranted for the remainder of the ECS Warranty Period.
(2) Any warranted, emissions-related part that is scheduled only for regular inspection as specified in the Owner’s Manual
shall be warranted for the ECS Warranty Period. A statement in such written instructions to the effect of “repair or
replace as necessary” shall not reduce the ECS Warranty Period. Any such part repaired or replaced under the ECS
Warranty shall be warranted for the remainder of the ECS Warranty Period.
(3) Any warranted, emissions-related part that is scheduled for replacement as required maintenance in the Owner’s
Manual shall be warranted for the period of time prior to the first scheduled replacement point for that part. If the part
fails prior to the first scheduled replacement, the part shall be repaired or replaced by Generac according to Subsection
(4) below. Any such emissions-related part repaired or replaced under the ECS Warranty shall be warranted for the
remainder of the ECS Warranty Period prior to the first scheduled replacement point for such emissions-related part.
(4) Repair or replacement of any warranted, emissions-related part under this ECS Warranty shall be performed at no
charge to the owner at a Generac Authorized Warranty Service Facility.
(5) When the engine is inspected by a Generac Authorized Warranty Service Facility, the owner shall not be held responsi-
ble for diagnostic costs if the repair is deemed warrantable.
(6) Generac shall be liable for damages to other original engine components or approved modifications proximately caused
by a failure under warranty of any emission-related part covered by the ECS Warranty.
(7) Throughout the ECS Warranty Period, Generac shall maintain a supply of warranted emission-related parts sufficient
to meet the expected demand for such emission-related parts.
(8) Any Generac authorized and approved emission-related replacement part may be used in the performance of any ECS
Warranty maintenance or repairs and will be provided without charge to the owner. Such use shall not reduce Generac
ECS Warranty obligations.
(9) Unapproved, add-on, modified, counterfeit and/or “grey market” parts may not be used to modify or repair a Generac
engine. Such use voids this ECS Warranty and shall be sufficient grounds for disallowing an ECS Warranty claim.
Generac shall not be held liable hereunder for failures of any warranted parts of a Generac engine caused by the use of
such an unapproved, add-on, modified, counterfeit and/or “grey market” part.
EMISSION RELATED PARTS INCLUDE THE FOLLOWING:
*Generac engine types covered by this warranty statement include the following:
1) Prepackaged Standby Generator
2) Auxiliary Power Unit (APU) Generator
3) Standby Generator
Part 2
Section 10 – Warranty
Guardian Liquid-cooled 15 kW, 20 kW and 25 kW Generators
1) Fuel Metering System:
1.2) LPG/Natural Gas carburetion assembly and its internal
components.
a) Fuel controller (if so equipped)
b) Mixer and its gaskets (if so equipped)
c) Carburetor and its gaskets (if so equipped)
d) Primary gas regulator (if so equipped)
e) LP liquid vaporizer (if so equipped)
2) Air Induction System including:
a) Intake pipe/manifold
b) Air cleaner
3) Ignition System including:
a) Spark plug
b) Ignition module
4) Catalytic Muffler Assembly (if so equipped) including:
a) Muffler gasket
b) Exhaust manifold
5) Crankcase Breather Assembly including:
a) Breather connection tube

Part No. 0E1151 Revision M (03/22/05) Printed in U.S.A.
Section 10 – Warranty
Guardian Liquid-cooled 15 kW, 20 kW and 25 kW Generators
GENERAC POWER SYSTEMS "TWO YEAR" LIMITED WARRANTY FOR GUARDIAN®
"PREPACKAGED EMERGENCY AUTOMATIC STANDBY GENERATORS"
For a period of two years from the date of original sale, Generac Power Systems, Inc. (Generac) warrants that its Guardian generator
will be free from defects in material and workmanship for the items and period set forth below. Generac will, at its option, repair or replace
any part which, upon examination, inspection and testing by Generac or a Guardian Authorized Warranty Service Dealer, is found to be
defective. Any equipment that the purchaser/owner claims to be defective must be examined by the nearest Guardian Authorized
Warranty Service Dealer. All transportation costs under the warranty, including return to the factory, are to be borne and prepaid by the
purchaser/owner. This warranty applies only to Generac Guardian prepackaged emergency automatic standby generators sold and
rated for use in "Standby" applications. WARRANTY SCHEDULE
YEARS ONE and TWO - 100% (one hundred percent) transferable coverage on Labor and Part(s) listed (proof of purchase and main-
tenance is required):
Engine - All Components
Alternator - All Components
Transfer System - All Components
Steel enclosures are warranted against rusting for the first year of ownership only. Damage caused after receipt of generator is the
responsibility of the owner and is not covered by this warranty. Nicks, scrapes, dents or scratches to the painted enclosure should be
repaired promptly by the owner.
All warranty expense allowances are subject to the conditions defined in Guardian's Warranty Policies, Procedures and Flat Rate
Manual. THIS WARRANTY SHALL NOT APPLY TO THE FOLLOWING:
• Guardian generators that utilize non-Guardian/Generac replacement parts.
• Guardian generators utilizing non-Guardian/Generac automatic transfer switches.
• Repairs or diagnostics performed by individuals other than Guardian/Generac authorized dealers not authorized in writing by
Generac Power Systems.
• Any Guardian generators used as rental or trailer mounted applications.
• Units used for prime power in place of existing utility power where utility power is present or in place of utility power where utility
power service does not normally exist.
• Costs of normal maintenance, adjustments, installation and start-up.
• Steel enclosures that are rusting due to the improper installation, location in a harsh or saltwater environment or scratched where
integrity of paint applied is compromised.
• Failures caused by any contaminated fuels, oils, coolants or lack of proper fluid amounts.
• Failures due, but not limited, to normal wear and tear, accident, misuse, abuse, negligence or improper installation. As with all
mechanical devices, the Generac engines need periodic part(s) service and replacement to perform well. This warranty will not
cover repair when normal use has exhausted the life of a part(s) or engine.
• Failures caused by any external cause or act of God, such as collision, theft, vandalism, riot or wars, nuclear holocaust, fire,
freezing, lightning, earthquake, windstorm, hail, volcanic eruption, water or flood, tornado or hurricane.
• Damage related to rodent and/or insect infestation.
• Products that are modified or altered in a manner not authorized by Generac in writing.
• Any incidental, consequential or indirect damages caused by defects in materials or workmanship, or any delay in repair or
replacement of the defective part(s).
• Failure due to misapplication.
• Telephone, cellular phone, facsimile, internet access or other communication expenses.
• Living or travel expenses of person(s) performing service, except as specifically included within the terms of a specific unit warranty
period.
• Expenses related to "customer instruction" or troubleshooting where no manufacturing defect is found.
• Rental equipment used while warranty repairs are being performed.
• Costs incurred for equipment used for removal and/or reinstallation of generator, (i.e.; cranes, hoists, lifts, etc.)
• Overnight freight costs for replacement part(s).
• Overtime labor.
• Starting batteries, fuses, light bulbs and engine fluids.
THIS WARRANTY IS IN PLACE OF ALL OTHER WARRANTIES, EXPRESSED OR IMPLIED. SPECIFICALLY, GENERAC MAKES
NO OTHER WARRANTIES AS TO THE MERCHANTABILITY OR FITNESS FOR A PARTICULAR PURPOSE. Some states do not
allow limitations on how long an implied warranty lasts, so the above limitation may not apply to you.
GENERAC'S ONLY LIABILITY SHALL BE THE REPAIR OR REPLACEMENT OF PART(S) AS STATED ABOVE. IN NO EVENT
SHALL GENERAC BE LIABLE FOR ANY INCIDENTAL OR CONSEQUENTIAL DAMAGES, EVEN IF SUCH DAMAGES ARE A
DIRECT RESULT OF GENERAC'S NEGLIGENCE. Some states do not allow the exclusion or limitation of incidental or consequential
damages, so the above limitation may not apply to you.
This warranty gives you specific legal rights. You also have other rights from state to state.
GENERAC®POWER SYSTEMS, INC.
P.O. BOX 297 •WHITEWATER, WI 53190 Revision (02/01/05)