Generac Air Cooled Home Generator 5501 Owners Manual 2008 Guardian
5501 to the manual e2b1f719-36a0-4c92-9283-2ea1c0bb655c
2015-01-05
: Generac Generac-Air-Cooled-Home-Generator-5501-Owners-Manual-166160 generac-air-cooled-home-generator-5501-owners-manual-166160 generac pdf
Open the PDF directly: View PDF
.
Page Count: 14

Owner’s Manual
8, 10, 12, 14, 16, 17 & 20kW Air-cooled,
Automatic Standby Generators
DANGER
DEADLY EXHAUST FUMES. OUTDOOR INSTALLATION ONLY!
Not intended for use as Primary Power in place of utility
or in life-support applications.
L
I
S
T
E
D
CU
S
DO NOT LIFT UNIT BY ROOF!


1 022097 3 WASHER LOCK M6-1/4
2 0G6131 3 SCREW HHC M6-1.0 X 30 C8.8
3 043182 1 WASHER LOCK M3
4 049226 4 WASHER LOCK M5
5 049811 3 WASHER FLAT M6
6 049813 3 NUT HEX M6 X 1.0 G8 YEL CHR
7 051713 4 WASHER FLAT M5 (8kw)
051713 2 WASHER FLAT M5 (10kw, 14kw, 17kw, & 20kw)
8 052777 1 WASHER FLAT M3
9 066482 4 SCREW HHC M5-0.8 X 10 SEMS
10 082121C 1 CLIP-J VINYL COAT .625 ID (10kw, 14kw, 17kw, & 20kw)
11 090388 3 SCREW HHTT M6-1.0 X 12 ZINC (8kw)
090388 2 SCREW HHTT M6-1.0 X 12 ZINC (10kw)
0C1069 2 SCREW HHTT M6-1.0 X 8 ZINC (14kw, 17kw, & 20kw)
12 0G9002 2 SCREW PPHM M3-0.5 X 12 SEMS (8kw)
0G9002 4 SCREW PPHM M3-0.5 X 12 SEMS (10kw, 14kw, 17kw, & 20kw)
13 091526 4 SCREW PPHM M5-0.8 X 12 ZNC
14 0C2174 1 RELAY 12V 25A SPST (10kw, 14kw, 17kw, & 20kw)
15 0E3969 1 SCREW PPHM M3-0.5 X 30
16 0G7820 1 BRKT CTRL PNL BACK 8KW
0G7652 1 BRKT CTRL PNL BACK 10/14/17/20KW
17 0G7801 1 BASE CONTROL BOX 2008 HSB
18 0G7802 1 DECAL CUSTOMER CONN HSB
19 0G7901 1 ASSY CTRL PNL 2008 AC HSB (8kw)
0G7806 1 ASSY CTRL PANEL 2008 AC HSB (10kw, 14kw, 17kw, & 20kw)
20 0G7871 1 BLOCK TERM 4POS 15A
21 0D7393R 1 TERM BLOCK 2P UL 12-20AWG
22 0G7837 1 HARNESS, C/PNL 08 S-CYL HSB (NOT SHOWN) (8kw)
0G7835 1 HARNESS, C/PNL 08 VT HSB (NOT SHOWN) (10, 14, 17, & 20kw)
23 0G7464 1 ASSY CONTROL BOX (17kw, & 20kw)
0G7464A 1 ASSY CONTROL BOX (10kw, & 14kw)
24 0G7445 1 EYE HASP CNTRL PANEL (10kw, 14kw, 17kw, & 20kw)
25 0G7819 2 PLUG PLASTIC DOME 7/16" (10kw, 14kw, 17kw, & 20kw)
26 0E4261 1 OUTLET, 15A GFCI DUPLEX WHITE (17kw, & 20kw)
27 0G7537 1 CB BRACKET CONTROL BOX (10kw, 14kw, 17kw, & 20kw)
28 0G7621 3 SCREW HH HI-LO M4 X 10MM (17kw, & 20kw)
0G7621 1 SCREW HH HI-LO M4 X 10MM (10kw, & 14kw)
29 0G7717 2 SCREW REDUCED HH HI-LO M6X10MM (10kw, 14kw, 17kw, & 20kw)
30 0G7714 1 ASSY PCB TRIP LED DISPLAY (17kw, & 20kw)
0G7714A 1 ASSY, DUAL LED DISPLAY (10kw, & 14kw)
31 045770 2 SCREW HHC M5-0.8 X 10 C8.8 (8kw)
32 082025 2 NUT HEX LOCK M5-0.8 NYINS ZINC (8kw)
33 0E7890 1 BRKT CB MTG BACK (8kw)
34 0G7568 1 CB 0015A 1P 120V S BQ1 LB (17kw, & 20kw)
35 0E7886B 1 CB 0035A 2P 240V S BQ2 LB (8kw)
36 0E7886D 1 CB 0045A 2P 240V S BQ2 LB (10kw)
0E7886F 1 CB 0060A 2P 240V S BQ2 LB (14kw)
0E7886J 1 CB 0065A 2P 240V S BQ2 LB (17kw)
0E7886H 1 CB 0100A 2P 240V S BQ2 LB (20kw)
37 0D7393S 2 CAP LOCKOUT
38 0D7178T REF FUSE, ATO TYPE 7.5AMP (BROWN)
39 023484F 1 SNAP BUSHING


1 049820 4 NUT LOCK HEX M8-1.25 NYLON INSERT
2 022145 9 WASHER FLAT M8-5/16
3 090239 1 GASKET, EXHAUST (8KW)
0E9369 2 GASKET, EXHAUST (10KW)
0C4138 2 GASKET, EXHAUST
4 0G7236 1 MANIFOLD, EXHAUST (8KW)
0F8115 1 MANIFOLD, EXHAUST (10KW)
0F7799 1 MANIFOLD, EXHAUST
5 040976 2 SCREW SHC M8-1.25 X 20 (8KW)
040976 4 SCREW SHC M8-1.25 X 20
6 0G7080 1 ENGINE ADAPTOR CASTING (8KW & 10KW)
7 0G7030C 1 STATOR (8KW)
0G7031C 1 STATOR (10KW)
0G7324C 1 STATOR (12KW & 14KW)
0G7325C 1 STATOR (16KW & 17KW)
0G7326C 1 STATOR (20KW)
8 0G7035C 1 ROTOR (8KW)
0G7036C 1 ROTOR (10KW)
0G7321C 1 ROTOR (12KW & 14KW)
0G7322C 1 ROTOR (16KW & 17KW)
0G7323C 1 ROTOR (20KW)
9 056482 1 BEARING
10 045756 2 SCREW HHTT M6-1.0 X 10
11 0G7255 1 ALTERNATOR AIR IN DUCT (8KW & 10KW)
0G7256 1 ALTERNATOR AIR IN DUCT
12 0G7257 1 ALTERNATOR AIR IN BELLOWS
13 0G7081 1 BEARING CARRIER (8KW & 10KW)
0F7774 1 BEARING CARRIER
14 066386 1
ASSEMBLY BRUSH HOLDER
15 066849 2 SCREW HHTT M5-0.8 X 16 (12KW – 20KW)
16 0G7360 4 BOLT, IHHCS M8-1.25 X 300 (8KW & 10KW)
0D1846 4 BOLT, IHHCS M8-1.25 X 345 (12KW - 17KW)
0D3549 4 BOLT, IHHCS M8-1.25 X 400
17 0D5823 3 U-BOLT 5/16” X 1.62” WITH SADDLE
18 0G7283 1 FLEX PIPE (8KW & 10KW)
0F6528 1 FLEX PIPE (12KW - 17KW)
19 0C5453 4 SCREW HHTT M8-1.2 X 12
20 090388 4 SCREW TAPTITE M6-1.0 X 12
090388 5 SCREW TAPTITE M6-1.0 X 12 (8KW & 10KW)
21 0G7336 1 MUFFLER
22 0G7566 1 FLEX COVER (8KW & 10KW)
0G7586 1 FLEX COVER
23 0G7454 1 TAIL PIPE
24 0C8096 1 FAN, CURVED BLADE (8KW)
0F8998 1 FAN CURVED BLADE (10KW)
0E9579 1 FAN CURVED BLADE
25 049451 1 WASHER FLAT .406 ID X 1.62 OD
26 029092 1 BOLT IHHC 5/16-24 X 11.25” (8KW)
0G7365 1 BOLT IHHC 3/8-24 X 12.50” (10KW)
0D1838 1 BOLT IHHC 38-24 X 15.50” (12KW - 17KW)
0G7408 1 BOLT IHHC 3/8-24 X 17.50”
27 059637 2 SCREW TAPTITE 3/8-16 X 3/4”
28 0G6629A 1 BRACKET, ALTERNATOR MOUNTING
(8KW & 10KW)
0G6629B 1 BRACKET, ALTERNATOR MOUNTING
(12KW - 17KW)
0G6629C 1 BRACKET, ALTERNATOR MOUNTING
29 022129 10 WASHER LOCK M8-5/16 (8KW)
022129 11 WASHER LOCK M8-5/16
30 022259 4 NUT LOCK HEX 5/16-18
31 039287 4 SCREW HHC M8-1.25 X 45 (8KW)
051731 4 SCREW HHC M8-1.25 X 50
32 0C3168 3 5/16 SPECIAL LOCK WASHER
33 0C2417A 1 EARTH STRAP 3/8 X 3/8
34 0G7237A 1 BRACKET ENGINE MOUNTING (8KW)
0G7237B 1 BRACKET ENGINE MOUNTING (10KW)
0G7237C 1 BRACKET ENGINE MOUNTING
35 0388050AD0 1 CABLE, #6 30” BLACK BATTERY
36 0C7758 4 RUBBER MOUNT
37 083512 1 SCREW HHTT M8-1.25 X 16
38 0C9764 3 SCREW PLASTITE 1/4-15 X 3/4” (8KW ONLY)
39 0G6625 1 AIR IN SNORKEL (8KW ONLY)
40 048031K 2
BAND HOSE CLAMP n35.05 (8KW ONLY)
41 0G3332 1 AIR FILTER (8KW ONLY)
42 0G3490 1 AIR BOX (8KW ONLY)
43 022131 4 WASHER FLAT 3/8 (8KW & 10KW)
44 022237 4 WASHER LOCK 3/8 (8KW)
022237 5 WASHER LOCK 3/8 (10KW)
022237 1 WASHER LOCK 3/8
45 022511 4 BOLT HHC 3/8-16 X 1.25” (8KW & 10KW)
46 048031M 2 HOSE CLAMP 3/4” ID (8KW)
048031M 4 HOSE CLAMP 3/4” ID
47 0F7065 1.5FT HOSE RES 1/2 LP GAS (8KW)
0F7065 3FT HOSE RES 1/2 LP GAS
48 040173 2 CLAMP HOSE #5.5 0.62”-0.62” (10KW ONLY)
49 074995 1.5 FT HOSE 1/2 ID LPG 350PSI UL21 (10KW ONLY)
50 099502 2 CLAMP HOSE #24 B1.06-2.00 (10KW ONLY)
51 0E9549 1 HOSE, INTAKE (10KW ONLY)
52 0E9589 1 CHOKE HOUSING (10KW ONLY)
53 0E9595 2 SCREW PPPH HI-LO #6/1/2 W/ #5HD
(10KW ONLY)
54 077075 1 BOOT, CHOKE SOLENOID (10KW ONLY)
55 077091 1 COTTER PIN (10KW ONLY)
56 0F9273 1 SOLENOID, 6 VOLTS DC (10KW ONLY)
57 0E9591 1 SPRING-CHOKE RETURN (10KW ONLY)
58 0E9588 1 LINKAGE, CHOKE (10KW ONLY)
59 0E9590 1 ASSEMBLY, CHOKE SHAFT (10KW ONLY)
60 0E9542 1 VALVE, CHOKE (10KW ONLY)
61 0D1683 2 SCREW PFHM M3-0.5 X (10KW ONLY)
62 0E9592 2 SCREW PPHM #4-40 X 3/8 SEMS (10KW ONLY)
63 0E9594 3 SCREW PPPH HI-LO #14-15 X 1/2 (10KW ONLY)
64 035685 1 CLAMP HOSE #28 1.32-2.25
65 0E9581 1 AIR CLEANER (10KW ONLY)
66 029451 2.6 FT TAPE ELEC UL FOAM 1/8 X 1/2
67 0F7065 1.25 FT HOSE LP 1/2” LP (8KW ONLY)
68 048031M 2 HOSE CLAMP 3/4”
69 082025 2 NUT HEX LOCK M5-0.8 NYINS (12KW – 20KW)
70 075235 2 SCREW HHC M5-0.8 X 30 (12KW – 20KW)
71 0F9719 1 HOUSING REGULATOR (12KW – 20KW)
72 0G7909 1 CLAMP STL/VNL 2.5 X .281 (8KW & 10KW)
73 0G5958A 1 CAPACITOR 59UF (8KW)
0G5958B 1 CAPACITOR 78UF (10KW)
74 0G2387 1 PLUG, GEAR COVER (12KW – 20KW)
75 0G4750 1 PLUG, GEAR COVER ADAPTOR-SMALL
(12KW – 20KW)
76 0G7857 1 FOAM, EXHAUST DIVIDER (12KW-17KW)


1 0G7 8 90 1 GA SK ET, D OOR S EA L
2 S EE SHEE T 3
3 0G7779 1 FOAM, FRONT PANEL ENCLOSURE
4 S EE SHEE T 3
5 0C8566 18 SCREW HHFC M6-1.0 X 20 (8KW, 10KW)
0C8566 19 SCREW HHFC M6-1.0 X 20
6 0G6 6 17 1 P ANEL, ENGINE DIV IDER (8 KW)
0G6 6 20 1 P ANEL, ENGINE DIV IDER (1 0KW)
0G6 6 15 1 P ANEL, ENGINE DIV IDER
7 0G7 2 40 1 BA FFL E, INTA KE ( 8KW, 10 K W)
0G8 2 87 1 BA FFL E, INTAKE
8 S EE SHEE T 3
9 0D3 47 2 1 GR OMM ET OVA L 3 1.75 X 5 0.8 (8KW)
0D3472 2 GROMMET OVAL 31.75 X 50.8
10 0F8039 1 MOUNTING CLIP
11 086729 1 CONTACTOR, STARTER (8KW)
12 0388040AJ0 1 CABLE, #6 RED BATTERY 38.5”
13 022097 2 WASHER, LOCK M6-1/4” (8KW)
022097 1 WASHER, LOCK M6-1/4”
14 022127 1 NUT HEX 1/4-20 (8KW ONLY)
15 043116 2 SCREW HHC, M6-1.0 X 12 (8KW)
16 0E1330 1
GROMMET, n38.1 CRO SS SLIT
1 7 0G7 8 80 1 GA SK ET, ENGINE DIV IDER (8 KW )
0F8434 1 GASKET, ENGINE DIV IDER (10KW)
0F8847 1 GASKET, ENGINE DIV IDER
1 8 0G7 225 17 P AN EL C LI P, M 6 -1.0 0
19 0G7622B 1 REGULATOR ASSEMBLY (8KW)
0G7622A 1 REGULATOR ASSEMBLY (10KW)
0G7 5 81 1
PRESSURE STABILZER REGULATOR ASSEMB LY
20 055414 1 LUG SLDLSS #2-#8 X 17/64 CU
21 0A1658 1 LOCK WASHER, SPECIAL 1/4
22 0G7225A 4 PANEL CLIP, 5/16-18
23 0G7339 4 BOLT, ENCLOSURE BASE TO MOUNTING PAD
24 0G7786A 4 BUSHING
2 5 0G6 610 1 E NCLOSU R E, BASE
26 0G7843 1 FOAM, FRONT EXHAUST SHIELD
0G7849 1 FOAM, FRONT EXHAUST SHIELD (20KW)
2 7 0G 6 6 23 1 FR ON T E XH AU S T S HI EL D
0G7 4 21 1 F RON T E XH AU S T S HI EL D (2 0K W)
2 8 0G7 9 10 1 S CROLL, FAN (8KW, 1 0K W)
0G7 0 91 1 S CROLL, FAN
29 0G6618 1 PANEL, EXHAUST DIVIDER (8KW)
0G6621 1 PANEL, EXHAUST DIVIDER (10KW)
0G6616 1 PANEL, EXHAUST DIVIDER (14KW, 17KW)
0G6809 1 PANEL, EXHAUST DIVIDER
30 0G7775 1 FOAM, EXHAUST END PANEL
31 0G7775A 2 FOAM, EXHAUST END PANEL SIDES
32 S EE SHEE T 3
33 0G7124A 1 HINGE ASSEMBLY – LEFT SIDE
34 0G7842 1 FOAM, BACK EXHAUST COMPARTMENT
35 0G6614 1 ENCLOSURE, BACK PANEL
36 051787 3 SCREW HHC M4-0.7 X 16
37 043180 6 WASHER FLAT M4
3 8 0G5 9 00 1 C OVE R PLA TE , RF MON IT OR
3 9 0G 5 8 62 1 GA SK ET , R F C OVE R P L ATE
40 0E6480 3 NUT HEX LOCK M4-0.7 NY INS
4 1 0E 1330 A 1
GROMMET, n38.1 CROSS SLIT WITH HOLE
42 0G7774A 2 1.00” THICK FOAM, ENCLOSURE ROOF
43 SEE SHEET 3
44 SEE SHEET 3
45 0G7768 2 BUMPER
46 0G7124 1 HINGE ASSEMBLY – RIGHT SIDE
47 0D3700 11 NUT, LOCKING FLANGE M6-1.00
48 SEE SHEET 3
49 SEE SHEET 3
50 0G7650 1 BRACKET, CONTROL PNL FRONT (8KW,10KW)
0G7651 1 BRACKET, CONTROL PNL FRONT
51 SEE SHEET 3
52 0G6612B 1 ENCLOSURE END PANEL (8KW)
0G6612 1 ENCLOSURE END PANEL
53 0G7258 2 SCREEN
54 0G7252 2 U-CLIP, M6-1.00
55 0G1705 2 SCREW HHFC M6-1.0 X 14
56 0G7829 1 FOAM, ENCLOSURE BACK PANEL
57 0E5968 11 GASKET, EXTRUDED TRIM
58 0G6812 1 COVER, FRONT TOP EXHAUST
59 0G7778 1 FOAM, FRONT TOP EXHAUST COVER
60 0G6811 1 COVER, BACK TOP EXHAUST
61 0G7776 1 FOAM, BACK TOP EXHAUST COVER
62 0G6619 1 MOUNTING PAD
63 SEE SHEET 3
64 0G8166 12 WASHER, SELF LOCKING
65 0G7774 1 1.75” THICK FOAM, ENCLOSURE ROOF
66 0G8152 1 HARNESS GENERATOR TO EXTERNAL
CONNECTION BOX (8KW)
0G8153 1 HARNESS GENERATOR TO EXTERNAL
CONNECTION BOX (10KW)
0G8154 1 HARNESS GENERATOR TO EXTERNAL
CONNECTION BOX
67 051713 2 WASHER FLAT M5
68 022152 5 WASHER LOCK #10
69 036937 2 SCREW PPHM#10-32 X 1
70 022158 5 NUT HEX #10-32
71 0C8911 1 POWER BLOCK
72 026850 1 WASHER SHAKEPROOF EXT 1/4 STEEL
73 049813 1 NUT HEX M6-1.0
74 0G0617 1 EXTERNAL CONNECTION BOX
75 0G8160 1 BADGE HOLDER
76 0G7253 1 LOUVER, SNAP IN
77 0G7653A 1 CONTROL PANEL FACIA (8KW)
0G7653B 1 CONTROL PANEL FACIA (10KW)
0G7653C 1 CONTROL PANEL FACIA
78 0742600179 1 WIRE ASSY, STARTER CONTROL TO STARTER
MOTOR (8KW ONLY)
79 0G8131 1 PLUG 6.35 BLACK
80 0G8361A 1 GASKET, EXHAUST DIVIDER (8KW, 10KW)
0G8361B 1 GASKET, EXHAUST DIVIDER (14KW, 17KW)
0G8361C 1 GASKET, EXHAUST DIVIDER (20KW)
81 0G4933A 5 SCREW SWT 1/4-20 X 5/8
82 022447 1 1/4 SHAKEPROOF WASHER
83 SEE SHEET 3
84 SEE SHEET 3
85 047411 1 SCREW HHC, M6-1.0 X 16

2 0G6613 1 ENCLOSURE, FRONT PANEL
4 0G7486 1 STRIKER PLATE
8 090388 27 SCREW TAPTITE M6-1.0 X 12
32 0G6612A 1 ENCLOSURE, EXHAUST SIDE PANEL
43 0G8223 1 ENCLOSURE ROOF ASSY, GALVANEAL TAN
0G8682 1 ENCLOSURE ROOF ASSY, GALVANEAL GRAY
0G8683 1 ENCLOSURE ROOF ASSY, ALUMINUM GRAY
44 0G7487 1 LATCH ASSEMBLY
48 0G6624 1 1/4 LATCH ASSEMBLY
49 0G6626 1 LATCH PAWL
51 075414 2 PIVET POP .1875 X .44
63 0G7827 2 BALL PLUNGER
2 0G9377 1 ENCLOSURE, FRONT PANEL
4 REMOVED
8 090388 23 SCREW TAPTITE M6-1.0 X 12
32 0G6612C 1 ENCLOSURE, EXHAUST SIDE PANEL
43 0G9412 1 ENCLOSURE ROOF ASSY, GAVANEAL TAN
0G9413 1 ENCLOSURE ROOF ASSY, GAVANEAL GRAY
0G9414 1 ENCLOSURE ROOF ASSY, ALUMINUM GRAY
44 REMOVED
48 0G6624 2 1/4 LATCH ASSEMBLY
49 0G6626 2 LATCH PAWL
51 0G9894 2 RIVET POP 5 X 8F NYLON
63 REMOVED
83 0G9386 2 THREADED SPACER M6-1.0
84 052857 2 NUT TOP LOCK FLANGE M6-1.0

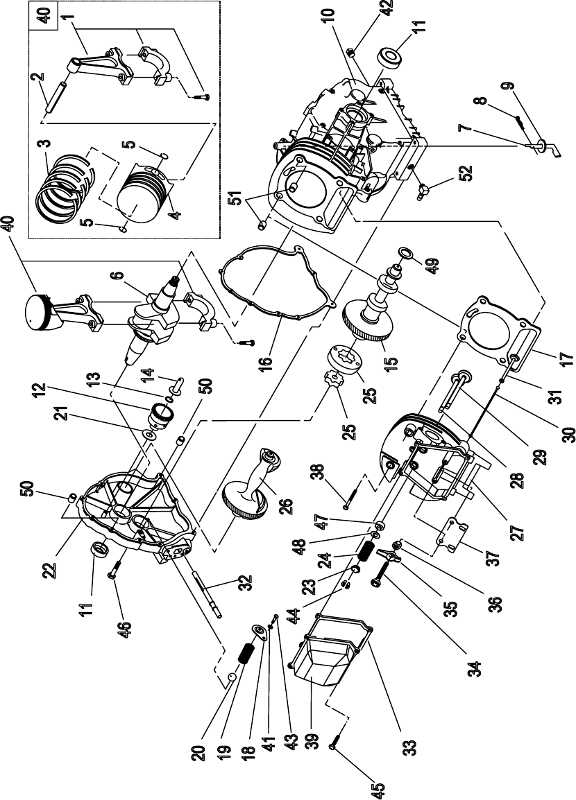
1 0E3221 1 ASSEMBLY, CONNECTING ROD
2 0E1466 1 PIN, PISTON DIA 20
3 0G2565 1 RING SET, PISTON DIA 90
4 0G2751 1 PISTON, FLAT TOP DIA 90 COATED
5 071983 2 RETAINER, PISTON PIN
6 0E8440 1 ASSEMBLY, CRANKSHAFT
7 0A7628 1 ARM, GOVERNOR RC45
8 078658 1 PIN, “R” GOVERNOR ARM
9 078659 2 WASHER, GOVERNOR ARM THRUST
10 0F8446C 1 CRANKCASE, MACHINED GH-410
11 0E3812 2 SEAL, 35 I.D. CRANKSHAFT
12 0E6519 1 ASSEMBLY, GOVERNOR GEAR
13 078645 1 C-RING, GOVERNOR GEAR RETAINER
14 0A7811 1 SPOOL, GOVERNOR-MACHINED
15 0G3358 1 ASSEMBLY, CAMSHAFT & GEAR 410HSB
16 076701 1 GASKET, CRANKCASE
17 021713B 1 GASKET, HEAD 410
18 078691 1 COVER, OIL PRESSURE RELIEF
19 0A5771 1 SPRING, OIL RELIEF 360
20 0A5776 1 BALL, DIA 11/32 PRESSURE LF
21 076361 1 WASHER, THRUST GOVERNOR GEAR
22 0G4233C 1 ASSY GEAR COVER GH410 TOP CHK ONLY
23 0D2274 2 RETAINER, VALVE SPRING
24 0C4391 2 SPRING, VALVE L-71.7N
25 086025 1 SET, GEROTOR 12 THICK
26 0E3341 1 BALANCER, MACHINED
27 0G8392 1 ASSEMBLY, CYLINDER HEAD
28 086516 1 VALVE, EXHAUST
29 086517 1 VALVE, INTAKE
30 0D9853B 2 PUSH, ROD
31 083897 2 TAPPET
32 077158 1 ASSEMBLY, OIL PICK-UP SCREEN
33 0C3150 1 GASKET, ROCKER COVER 410
34 072694 2 STUD, D20 PIVOT BALL
35 083907 2 ARM, SOLID ROCKER
36 0D3998 2 NUT, HEX M8-1.0 G8 YELLOW CHROME
37 078694 1 PLATE, PUSH ROD GUIDE
38 021742 4 SCREW, HHFL M10-1.5 X 105
39 0D6094 1 ASSEMBLY, ROCKER COVER BREATHER
40 0G4194 1 ASSY, PISTON HC GH410 COATED (I/N’S:1-5)
41 0G5792 1 WASHER LOCK M5 RIBBED
42 0D4788 1 PLUG, STD PIPE 3/8 STEEL SQ HEAD
43 045770 1 SCREW, HHC M5-0.8 X 10 G8.8
44 086515 4 KEEPER, VALVE SPRING
45 078606 4 SCREW, SHC M6-1.0 X 12 W/LOCK WASHER
46 0A1442 8 SCREW, HHFC M8-1.25 X 42
47 078672 1 SEAL, VALVE STEM D7
48 089673 2 WASHER, VALVE SPRING
49 0B2104 1 WASHER, LARGE SPRING
50 078699B 2 SLEEVE, DOWEL PIN 12mm DIA.
51 078699C 2 SLEEVE, DOWEL PIN 14mm DIA.
52 043790A 1 BARBED EL 90 3/8NPT X 3/8 VS


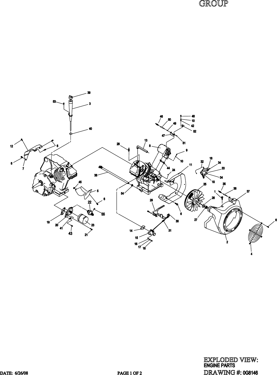
1 0C1069 5 SCREW, TAPTITE M6-1.0X8 YELLOW CHROME
2 0D2922 1 HOUSING, BLOWER
3 0G1220 1 TUBE 410GH OIL FILL/CHECK
4 0C9997 1 GUARD, FAN
5 088434 1 WRAPPER, BOTTOM
6 045756 11 SCREW, TAPTITE M6-1X10 YELLOW CHROME
7 0C4176A 1 WRAPPER, TOP
8 0D9004A 1 ASSY, STARTER
9 059985 2 SCREW, SHC M8-1.25 X 45 G12.9
10 022129 3 WASHER, LOCK M8-5/16
11 0C2458A 1 BACKPLATE, L/F D/F
12 0G7967 1 SCREW, HHTT 5/16”-18 X ½” SEMI-GIMLET
13 0G7734 1 BREATHER HOSE
14 091039 1 GASKET, INTAKE ADAPTER
15 0C9619 1 ASSEMBLY, PLASTIC CARB
16 049811 2 WASHER, FLAT M6
17 022097 4 WASHER, LOCK M6-1/4
18 040945 2 SCREW, SHC M6-1.0 X 20 G12.9
19 086999 1 GASKET,OIL FILTR ADAPTER
20 0D5667A 1 ADAPTER, OIL FILTER
21 049821 2 SCREW, SHC M8-1.25 X 30 G12.9
22 0D9235 1 SWITCH, OIL 5 PSI
23 070185E 1 OIL FILTER
24 082774 1 KEY, WOODRFF 4 X 19D
25 091222C 1 FLYWHEEL WITH RING GEAR 27 DEGREE
26 067198N 1 WASHER,BELV-20 X 2.2
27 067890 1 NUT, HEX - FLYWHEEL
28 0E7585 1 SPARKPLUG
29 072734 1 ASSEMBLY,GOVERNOR LEVER 12 HP
30 072735 1 ROD,GOVERNOR CONTROL.
31 0C3978 1 SPRING, ANTI-LASH
32 0C6040 1 ASSEMBLY, WIRE
33 0G9241 1 ASSEMBLY, IGNITION COIL ADVANCE W/DIODE
34 0G3111 2 SCREW, TAPTITE M6-1.0 X 25 ZINC
35 0F3800 1 SPRING GOVERNOR
36 083502 1 BOLT, GOVERNOR ADJUST M5
37 082025 1 NUT HEX LOCK M5-0.8 NYINS ZINC
38 0G4403 1 ASSY OIL DRAIN HOSE
39 0C8434D 1 DIPSTICK, GTH410
40 090072 1 O-RING 9/16 X 3/4 X 3/32
41 094090 1 SWITCH, THERMAL 293F
42 022145 1 WASHER FLAT 5/16 - M8
43 0F2094 2 SCREW, M3-0.5 X 6 SEMS
44 0C4373 1 SPACER ENDFRAME
45 022717B 1 GOMMET
46 0F3865 1 SPRING SECONDARY
47 0F3855 1 BRACKET SECONDARY GOVERNOR SPRING
48 039253 1 SCREW HHC M8-1.25 x 20
49 0D3751 1 SPRING, IDLE RETURNING
50 0F3921 1 BARREL GOVERNOR ADJUSTMENT
51 0C8493 1 SCREW SHC M5-0.8 x 30
52 0D8758 1 ENGINE LIFT HOOK
53 0D6147 1 SCREW HHFCS M6-1.0X10 G8.8
54 0G3662 1 CLAMP,HOSE OETIKER STEPLESS 17
55 036916 2 SCREW, PPHM #8-32 X 1/4


1 0G80700ST14 1 GTS LOAD CENTER ENCLOSURE GRAY
2 0G81010ST14 1 COVER 8 POS GTS LOAD CTR GRAY
0G81020ST14 1 COVER 10 POS.GTS LOAD CTR GRAY
0G81030ST14 1 COVER 12 POS.GTS LOAD CTR GRAY
0G81040ST14 1 COVER 14 POS.GTS LOAD CTR GRAY
0G81060ST14 1 COVER 16 POS.GTS LOAD CTR GRAY
3 0C2237 1 TRANSFER SWITCH HOME STANDBY 100A 2P 250V
3A 077220 1 COIL UTILITY
3B 077220A 1 COIL STANDBY
4 074908 4 SCREW HHTT M5-0.8 X 10
5 024912 1 SCREW TAPTITE 1/4-20 X 5/8
6 0A1658 1 LOCK WASHER, SPECIAL-1/4”
7 063617 1 RELAY PANEL 12VDC DPDT 10A@240VAC
8 0E7889A 1 8CIR L/CNTR 125A/240V
0E7889 1 12CIR L/CENTR 125A/240V (ALSO USED FOR 10 CIRCUIT)
0F9213 1 16CIR L/CENTR 125A/240V (ALSO USED FOR 14 CIRCUIT)
9 0A1495 4 SCREW HHTT M4-0.7 X 10
10 0A1661 2 RIVET POP .156” X .675”
11 - - -
12 081108 1 PLUG PLASTIC
13 0G8095AST14 1 HARNESS ADAPTER PLATE GRAY
14 0G81300ST14 1 SUBPLATE GTS LOAD CENTER GRAY
15 0F4790 2.63” U-CHANNEL
16 - - -
17 022717A 1 GROMMET 3/8 X 1/16 X 1/4
18 0E6155 1 ARM EXTENDER PIN
19 0G8233A 4 CABLE TIE SELF MOUNTING 4.3LG
20 0G8138 1 HARN GTS-MAIN PNL 8CIR W/NEUT
0G8139 1 HARN GTS-MAIN PNL 10CIR W/NEUT
0G8140 1 HARN GTS-MAIN PNL 12CIR W/NEUT
0G7955 1 HARN GTS-MAIN PNL 14CIR W/NEUT
0G8141 1 HARN GTS-MAIN PNL 16CIR W/NEUT
21 074138 3 LUG QUICK DISCONNECT NI-S 10X45 DEG BRASS / TIN
22 0H0090A 6 SCREW PPHM #10-32X5/16 SEMS SC
23 077033 6 LUG SLDLSS 1/0-#14X9/16 AL/CU
24 0D4698 1 BLOCK TERM 20A 6 X 3 X 1100V
- - - -
26 0A7215 10 SCREW SW 1/4"-20 X 5/8” WITH WASHER
- - - -
27 066849 2 SCREW HHTT M5-0.8 X 16 (8, 10, 12, 14, 16 CIRCUIT)
28 0G7954A 1 HARNESS LOAD CTR INT.CONN 8-16 (NOT SHOWN)
0G7954B 1 HARNESS LOAD CTR INT.CONN T1 (NOT SHOWN)
0G7954C 1 HARNESS LOAD CTR INT.CONN T2 (NOT SHOWN)
29 0D2572 1 FUSEBLOCK 30A 600V 3POS W/SQ
30 073590A 3 FUSE 5A
31 0G8487 1 BATTERY CHARGER ASSY
8 10 12 14 16 CIRCUIT
32 0E7888 A/R CIRCUIT BREAKER 20A 2P 1 1 1
33 0E7888A A/R CIRCUIT BREAKER 30A 2P 1 1 1
34 0E7888B A/R CIRCUIT BREAKER 15A 1P 5 3 5 4 5
35 0E7888C A/R CIRCUIT BREAKER 20A 1P 1 3 3 4 5
36 0E7888D A/R CIRCUIT BREAKER 40A 2P 1 1 1
37 0E7888E A/R CIRCUIT BREAKER 50A 2P 1 1
38 0G80860ST14 1 HARNESS ENTRY COVER GRAY
39 0G7951 1 HARN GTS-EXT CONN BOX 8KW
0G7952 1 HARN GTS-EXT CONN BOX 10KW
0G7953 1 HARN GTS-EXT CONN BOX 14/17KW