Giant Water Pump Lp121Ht Users Manual 8_5x11
2015-02-09
: Giant Giant-Giant-Water-Pump-Lp121Ht-Users-Manual-560300 giant-giant-water-pump-lp121ht-users-manual-560300 giant pdf
Open the PDF directly: View PDF
.
Page Count: 8

Contents:
Installation Instructions: page 2
Pump Specifications: page 3
Exploded View: page 4
Parts List / Kits: page 5
Torque Specifications: page 5
Operating Instructions: page 6
Repair Instructions: pages 7
Dimensions: back page
Warranty Information: back page
Triplex Ceramic
Plunger Pump
Operating Instructions/
Repair and Service
Manual
Model
LP121HT
Updated 3/98

INSTALLATION INSTRUCTIONS
IMPORTANT OPERATING CONDITIONS
Failure to comply with any of these conditions invalidates the warranty.
1. Prior to initial operation, add oil to the
crankcase so that oil level is between the two
lines on the oil dipstick. DO NOT OVERFILL.
Use SAE 90 Industrial Gear Oil.
Crankcase oil should be changed after the
first 50 hours of operation, then at regular
intervals of 500 hours or less depending on
operating conditions.
Installation of the Giant Industries, Inc.,
pump is not a complicated procedure, but
there are some basic steps common to all
pumps. The following information is to be
considered as a general outline for installa-
tion. If you have unique requirements, please
contact Giant Industries, Inc. or your local
distributor for assistance.
1. The pump should be installed flat on a base
to a maximum of a 15 degree angle of inclina-
tion to ensure optimum lubrication.
2. The inlet to the pump should be sized for the
flow rate of the pump with no unnecessary
restrictions that can cause cavitation. Teflon
tape should be used to seal all joints. If pumps
are to be operated at temperatures in excess of
2210 F, it is important to insure a positive head
to the pump to prevent cavitation. See Page 6
3. The discharge plumbing from the pump
should be properly sized to the flow rate to
prevent line pressure loss to the work area. It is
essential to provide a safety bypass valve
between the pump and the work area to protect
the pump from pressure spikes in the event of a
blockage or the use of a shut-off gun.
Finally, remember that high pressure operation in a pump system has many advantages. But, if it is used
carelessly and without regard to its potential hazard, it can cause serious injury.
4. Use of a dampener is necessary to minimize
pulsation at drive elements, plumbing, connec-
tions, and other system areas. The use of a
dampener with Giant Industries, Inc. pumps is
optional, although recommended by Giant
Industries, Inc. to further reduce system pulsa-
tion. Dampeners can also reduce the severity of
pressure spikes that occur in systems using a
shut-off gun. A dampener must be positioned
downstream from the unloader.
5. Crankshaft rotation on Giant Industries, Inc.
pumps should be made in the direction desig-
nated by the arrows on the pump crankcase.
Reverse rotation may be safely achieved by
following a few guidelines available upon
request from Giant Industries, Inc. Required
horsepower for system operation can be ob-
tained from the chart on page 3.
6. Before beginning operation of your pumping
system, remember: Check that the crankcase
and seal areas have been properly lubricated per
recommended schedules. Do not run the pump
dry for extended periods of time. Cavitation
will result in severe damage. Always remember
to check that all plumbing valves are open and
that pumped media can flow freely to the inlet of
the pump.
2. Pump operation must not exceed rated
pressure, volume, or RPM. A pressure relief
device must be installed in the discharge of the
system.
3. Acids, alkalines, or abrasive fluids cannot be
pumped unless approval in writing is obtained
before operation from Giant Industries, Inc.
4. Run the pump dry approximately 10 seconds
to drain the water before exposure to freezing
temperatures.
2

Volume ........................................................................................................ Up to 17.6 GPM
Discharge Pressure ..................................................................................... Up to 1200 PSI
Inlet Pressure .............................................................................................. Up to 90 PSI
Speed .......................................................................................................... Up to 570 RPM
Plunger Diameter ........................................................................................ 36 mm
Stroke .......................................................................................................... 40 mm
Crankcase Oil Capacity .............................................................................. 116 fl.oz.
Temperature of Pumped Fluids .................................................................. Up to 221 oF
Inlet Port ..................................................................................................... 1" BSP
Discharge Port ............................................................................................ 1-1/4" BSP
Crankshaft Mounting .................................................................................. Either Side
Shaft Rotation ................................................................................ Top of Pulley Towards Fluid End
Weight......................................................................................................... 110 lbs.
Crankshaft Diameter ................................................................................... 35 mm
LP121HT PULLEY SELECTION AND HORSEPOWER
REQUIREMENTS
RPM GPM 300 PSI 600 PSI 900 PSI 1200 PSI
200 6.2 1.3 2.6 3.8 5.1
300 9.3 1.9 3.8 5.8 7.7
400 12.4 2.6 5.1 7.7 10.2
500 15.5 3.2 6.4 9.6 12.8
570 17.6 3.7 7.3 11.0 14.6
PULLEY INFORMATION
Pulley selection and pump speed are based on a 1725
RPM motor and "B" section belts. When selecting
desired GPM, allow for a ±5% tolerance on pumps
output due to variations in pulleys, belts and motors
among manufacturers.
1. Select GPM required, then select appropriate
motor and pump pulley from the same line.
2. The desired pressure is achieved by selecting the
correct nozzle size that corresponds with the pump
GPM.
HORSEPOWER INFORMATION
Horsepower ratings shown are the power require-
ments for the pump. Gas engine power outputs
must be approximately twice the pump power
requirements shown above.
We recommend that a 1.1 service factor be specified
when selecting an electric motor as the power source.
To compute specific pump horsepower requirements,
use the following formula:
(GPM X PSI)/1450 = HP
Specifications
LP121HT Pump
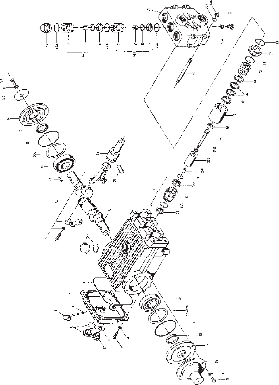
3EXPLODED VIEW - LP121HT

EXPLODED VIEW - LP121HT PUMP
4PARTS LIST - LP121HT PUMPItem Part Description Qty.
1 07759 Crankcase 1

PARTS LIST - LP121HT PUMP
Item Part Description Qty.
1 07759 Crankcase 1
2 13000 Oil Filler Plug Assy. 1
4 06085 Crankcase Cover 1
5 07104 O-Ring 1
6 07186 Oil Sight Glass Assy. 1
8 06086 Oil Dipstick Assy. 1
9 01009 O-Ring 1
10 01010 Screw 4
11 01011 Spring Washer 12
12 07109 Oil Drain Plug 1
13 07182 Gasket 1
14 07111 Bearing Cover 2
15 07112 Crankshaft Seal 2
16 07113 O-Ring 2
17 07114 Hex Screw 8
20 07116 Taper Roller Bearing 2
20A 07117 Shim 1-3
20B 13001 Shim 1-3
21 07118 Shaft Protector 1
22 07119 Crankshaft 1
23 07120 Key 1
24 07121 Connecting Rod Assy. 3
25 07123 Crosshead Plunger
Base Assy. 3
28 07124 Crosshead Pin 3
29A 07125 Sleeve 3
29B 07736 Plunger Pipe 3
29C 07131 Plunger Bolt 3
29D 07755 Copper Gasket 3
Item Part Description Qty.
30 13233 Flinger 3
31 06120 Seal Retainer, Complete
(#31A, 32, 32A, & 33) 3
31A 06118 Oil Seal 3
32 06116 Oil Seal Retainer 3
32A 06119 O-Ring 3
33 06117 Backup Seal 3
35 07135 Seal Sleeve 3
36 13291 Leakage Seal 3
37 07139 Seal Case 3
38 07140 O-Ring 6
39 07142 Pressure Ring 3
40 13199 V-Sleeve 6
41 07146 Support Ring 3
42 07147 Tension Spring 3
43 13018 Valve Casing 1
44A 07150 O-Ring 9
46A 07064 Valve Seat 6
46B 07063 Valve Plate 6
46C 07062 Valve Spring 6
46D 07066 Spring Retainer 6
48 07156 Plug 3
49 07157 Stud Bolt 8
49A 07158 Nut 8
49B 07159 Washer 8
50 07423 Plug 1
50A 07161 Gasket 1
52 13020 Disc for Crankshaft 1
53 13021 Hexagon Screw 1
Plunger Packing Kit #09310
Qty. Part No. Description
3 13291 Leakage Seal
6 07140 O-Ring
6 13199 V-Sleeve
LP121HT PUMP REPAIR KITS
Valve Assembly Kit #09196
Qty. Part No. Description
1 07064 Valve Seat
1 07063 Valve Plate
1 07062 Valve Spring
Position Item# Description Torque Amount
24 07121 Connecting Rod Screws 310 in.-lbs.
29C 07131 Plunger Bolt 33 ft.-lbs.
48 07156 Valve Plug 107 ft.-lbs.
49A 07158 Nut, Stud Bolt 59 ft.-lbs.
5
LP121HT PUMP TORQUE SPECIFICATIONS

Supplementary Plant Lay-Out Instructions - LP121HT PUMP
Pressure in Inlet Side
The stipulated NPSHR is the minimum required pressure above the vapor pressure of the
medium and is never to fall short of this figure. Temperature and vapor pressure of the
medium, the geodetical height of the location, the flow rate and the loss of friction in the
suction line, must all be taken into consideration. It may be necessary to install a booster
pump (centrifugal) in the suction line.
Pulsation
Due to its construction, the plunger pump creates pulsation in the inlet and discharge lines.
In particular, inlet pulsation must be dampened in order to prevent resonance in the suction
line which in turn causes cavitation. Therefore, the pump is never to be connected by a
rigid pipe. Rather, use a flexible hose, which is not reinforced by steel, that is 1.5 to 2
times wider than the inlet port. If a booster pump is used, the hose is to be attached
between the booster pump and the high pressure pump.
If several pumps are used, each pump must have its own inlet line. If this cannot be done,
an inlet air chamber or inlet flow stabilizer must be installed in front of each pump. The
bladder in the stabilizer is to be pre-tensioned on location.
Depending on the layout of the plant, a pressure accumulator may be necessary on the
discharge side. The pressure accumulator must be installed right behind the discharge
outlet of the high pressure pump. Only use one pressure accumulator (in the discharge
line) at a time in order to avoid irritation which could be caused by different pretension
levels in the accumulators.
Gas-tension in both the inlet flow stabilizer and the pressure accumulator are to be
checked regularly.
6
REPAIR INSTRUCTION - LP121HT PUMP
To Check Valves
Loosen valve plugs (48). Either with needle nose pliers or with a M12 screw, which can be
threaded into the hole of the spring retainer (46D), take out discharge and inlet valve
assemblies. Press onto the valve plate (46B) and twist to take apart the valve assembly.
Check and replace worn parts. Tighten the plug to 107 ft.-lbs.
To Check Seals and Plungers
Loosen the eight nuts (49A) and take off the valve casing (43). Remove the seals (40) on
the valve casing. Take seal sleeve (35) out of the guides in the crankcase (1) and remove
the leakage seals (36).
Check plunger pipes (29B) for damage and remove any dirt. When replacing plunger
pipes, use new copper rings (29D). Apply loctite on threads of plunger bolts (29C) and
tighten to 33 ft.-lbs.
Check seals and replace as necessary.
Place new v-sleeves (40) along with support rings (41) in the valve casing (43). Place
seals (36) and pressure rings (39) in seal sleeve (35). Install the complete unit in the valve
casing. Finally, fit in the complete pump head assembly carefully over the plunger pipes
and evenly tighten nuts to 59 ft.-lbs.
To Dismantle Gear End
After removing the valve casing (1) and plunger pipes (29B), drain the oil. Take off
crankcase cover (4) and bearing cover (14). Loosen connecting rod screws (24) and push
the connecting rod/plunger base assembly forward (as far as possible) into the crosshead
guides. Caution: Connecting rods are marked for identification. Do not twist
connecting rod halves. Connecting rods are to be reinstalled in the same position
on the crankshaft journals. Turning the crankshaft (22) slightly, hit it out carefully to the
side with a rubber hammer. Caution: Do not bend the connecting rod shanks. Check
crankshaft and connecting rod surfaces, shaft seals (15) and taper roller bearings
(20).
To Reassemble
Using a soft tool, press in the outer bearing ring until the outer edge is aligned with the
outer edge of the bearing hole. Take off bearing cover (14) together with shaft seal (15)
and o-ring (16). Fit crankshaft (22) through bearing hole on the opposite side. Press in
outer bearing and tension it inwards with the bearing cover (keeping the shaft in a vertical
position and turning slowly so that the taper rollers of the bearings touch the edge of the
outer bearing ring). Adjust axial bearing clearance to at least 0.1mm and a maximum of
0.15mm by placing fitting discs (20A and 20B) under the bearing cover. Caution: After
assembly, the crankshaft (22) should turn easily with very little clearance. Tighten
connecting rod screws (24) to 310 in.-lbs.
NOTE: Contact Giant Industries for Service School Information. Phone: (419)-531-4600

GIANT INDUSTRIES LIMITED WARRANTY
Giant Industries, Inc. pumps and accessories are warranted by the manufacturer to be free from
defects in workmanship and material as follows:
1. For portable pressure washers and car wash applications, the discharge manifolds will
never fail, period. If they ever fail, we will replace them free of charge. Our other pump
parts, used in portable pressure washers and in car wash applications, are warranted
for five years from the date of shipment for all pumps used in NON-SALINE, clean
water applications.
2. One (1) year from the date of shipment for all other Giant industrial and consumer
pumps.
3. Six (6) months from the date of shipment for all rebuilt pumps.
4. Ninety (90) days from the date of shipment for all Giant accessories.
This warranty is limited to repair or replacement of pumps and accessories of which the manufacturers
evaluation shows were defective at the time of shipment by the manufacturer. The following items
are NOT covered or will void the warranty:
1. Defects caused by negligence or fault of the buyer or third party.
2. Normal wear and tear to standard wear parts.
3. Use of repair parts other than those manufactured or authorized by Giant.
4. Improper use of the product as a component part.
5. Changes or modifications made by the customer or third party.
6. The operation of pumps and or accessories exceeding the specifications set forth
in the Operations Manuals provided by Giant Industries, Inc.
Liability under this warranty is on all non-wear parts and limited to the replacement or repair of those
products returned freight prepaid to Giant Industries which are deemed to be defective due to
workmanship or failure of material. A Returned Goods Authorization (R.G.A.) number and completed
warranty evaluation form is required prior to the return to Giant Industries of all products under
warranty consideration. Call (419)-531-4600 or fax (419)-531-6836 to obtain an R.G.A. number.
Repair or replacement of defective products as provided is the sole and exclusive remedy provided
hereunder and the MANUFACTURER SHALL NOT BE LIABLE FOR FURTHER LOSS, DAMAGES,
OR EXPENSES, INCLUDING INCIDENTAL AND CONSEQUENTIAL DAMAGES DIRECTLY OR
INDIRECTLY ARISING FROM THE SALE OR USE OF THIS PRODUCT.
THE LIMITED WARRANTY SET FORTH HEREIN IS IN LIEU OF ALL OTHER WARRANTIES OR
REPRESENTATION, EXPRESS OR IMPLIED, INCLUDING WITHOUT LIMITATION ANY WAR-
RANTIES OR MERCHANTABILITY OR FITNESS FOR A PARTICULAR PURPOSE AND ALL SUCH
WARRANTIES ARE HEREBY DISCLAIMED AND EXCLUDED BY THE MANUFACTURER.
GIANT INDUSTRIES, INC., 900 N. Westwood Avenue, P.O. Box 3187, Toledo, OH 43607
PHONE: (419) 531-4600, FAX: (419) 531-6836, www.giantpumps.com
Ó Copyright 1998 Giant Industries, Inc.