Gigabyte Ga 8I915Md Gv Users Manual 12ME 8I915MDS 1003R
GA-8I915MD-GV to the manual 135ce622-c567-5c64-e573-aafeffdbdd35
2015-01-25
: Gigabyte Gigabyte-Ga-8I915Md-Gv-Users-Manual-220701 gigabyte-ga-8i915md-gv-users-manual-220701 gigabyte pdf
Open the PDF directly: View PDF .
Page Count: 80
GA-8I915MD-G/
GA-8I915MD-GV
Intel® Pentium® 4 LGA775 Processor Motherboard
User's Manual
Rev. 1003
12ME-8I915MDS-1003R

Motherboard
GA-8I915MD-G
Sept. 1, 2005
Sept. 1, 2005
Motherboard
GA-8I915MD-G

Motherboard
GA-8I915MD-GV
Sept. 1, 2005
Sept. 1, 2005
Motherboard
GA-8I915MD-GV
Copyright
© 2006 GIGA-BYTE TECHNOLOGY CO., LTD. All rights reserved.
The trademarks mentioned in the manual are legally registered to their respective companies.
Notice
The written content provided with this product is the property of Gigabyte.
No part of this manual may be reproduced, copied, translated, or transmitted in any form or by any
means without Gigabyte's prior written permission. Specifications and features are subject to
change without prior notice.
Product Manual Classification
In order to assist in the use of this product, Gigabyte has categorized the user manual in the
following:
For detailed product information and specifications, please carefully read the
"Product User Manual".
For detailed information related to Gigabyte's unique features, please go to "Technology
Guide" section on Gigabyte's website to read or download the information you need.
For more product details, please click onto Gigabyte's website at www.gigabyte.com.tw

- 5 -
Table of Contents
GA-8I915MD-G / GA-8I915MD-GV Motherboard Layout ............................................... 7
Block Diagram (GA-8I915MD-G) ................................................................................... 8
Block Diagram (GA-8I915MD-GV) ................................................................................. 9
Chapter 1 Hardware Installation ....................................................................................11
1-1 Considerations Prior to Installation ................................................................... 11
1-2 Feature Summary .......................................................................................... 12
1-3 Installation of the CPU and Heatsink .............................................................. 14
1-3-1 Installation of the CPU ......................................................................................... 14
1-3-2 Installation of the Heatsink .................................................................................. 15
1-4 Installation of Memory .................................................................................... 16
1-5 Installation of Expansion Cards ...................................................................... 18
1-5-1 Graphics Card Support List * ............................................................................. 18
1-6 I/O Back Panel Introduction ........................................................................... 20
1-7 Connectors Introduction .................................................................................. 21
Chapter 2 BIOS Setup ................................................................................................ 31
The Main Menu (For example: BIOS Ver. : GA-8I915MD-G F3a) ........................... 32
2-1 Standard CMOS Features ............................................................................. 34
2-2 Advanced BIOS Features .............................................................................. 36
2-3 Integrated Peripherals ..................................................................................... 38
2-4 Power Management Setup ............................................................................. 40
2-5 PnP/PCI Configurations ................................................................................. 41
2-6 PC Health Status ........................................................................................... 42
2-7 Frequency/Voltage Control ............................................................................. 44
2-8 Load Fail-Safe Defaults ................................................................................... 45
2-9 Load Optimized Defaults ................................................................................. 45
2-10 Set Supervisor/User Password ..................................................................... 46
2-11 Save & Exit Setup ......................................................................................... 47
2-12 Exit Without Saving ....................................................................................... 47
"*" Only for GA-8I915MD-GV.

- 6 -
Chapter 3 Drivers Installation ...................................................................................... 49
3-1 Install Chipset Drivers .................................................................................... 49
3-2 Software Applications ..................................................................................... 50
3-3 Driver CD Information .................................................................................... 50
3-4 Hardware Information ..................................................................................... 51
3-5 Contact Us ..................................................................................................... 51
Chapter 4 Appendix ................................................................................................... 53
4-1 Unique Software Utilities ................................................................................ 53
4-1-1 EasyTune 5 Introduction ..................................................................................... 54
4-1-2 Xpress Recovery2 Introduction ......................................................................... 55
4-1-3 Flash BIOS Method Introduction ........................................................................ 57
4-1-4 2 / 4 / 6 Channel Audio Function Introduction ................................................. 66
4-2 Troubleshooting ............................................................................................... 72

- 7 -
GA-8I915MD-G / GA-8I915MD-GV Motherboard Layout
Only for GA-8I915MD-G. Only for GA-8I915MD-GV.
KB_MS
ATX_12V
CPU_FAN
LGA775
AUDIO
Intel 915G /
Intel 915GV
SPDIF_IO
CODEC
VGA
LPT
USB
LAN
USB
Intel ICH6
F_PANEL
BIOS
PCI1
PCI2
RTL8110S /
RTL8100C
F_AUDIO
F_USB2
F_USB1
SATA0
BAT
ATX
IDE1
FDD
CLR_CMOS
SYS_FAN
PWR_LED
CD_IN
GA-8I915MD-G or GA-8I915MD-GV
COMB
DDRII1
DDRII2
PCI3
COMA
SATA1
AUX_IN
SUR_CEN
PCIE_16
CI
IT8712

- 8 -
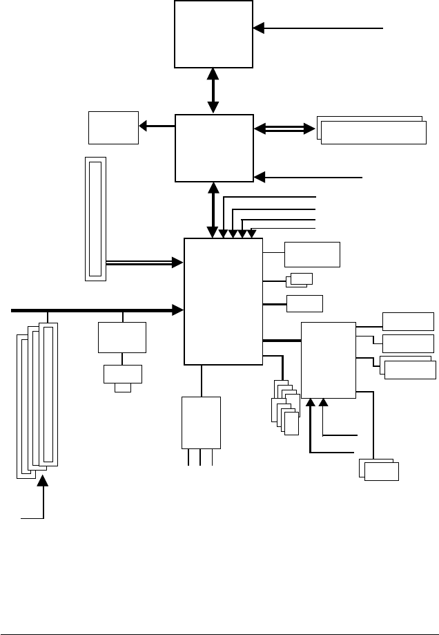
Block Diagram (GA-8I915MD-G)
(Note) To use a DDRII 600 memory module on the motherboard, you must install an 800MHz FSB
processor and overclock in BIOS.
LGA775
Processor
CPUCLK+/-(200/133MHz)
PCI Express x16
33MHz
Host
Interface
Intel
915G
MCH
MCHCLK (200/133MHz)
66MHz
48MHz
COM Ports
Floppy
PS/2 KB/Mouse
24MHz
33MHz
IT8712
2 Serial ATA
ATA33/66/100
IDE1 Channel
Intel
ICH6
14.318MHz
BIOS
8 USB
Ports
PCICLK
(33MHz)
3 PCI
PCI Bus
LPT Port
PCI-ECLK
(100MHz)
RJ45
RTL8110S
DDRII 600(Note)/533/400MHz DIMM
Dual Channel Memory
Line-Out
MIC
CODEC
Line-In
VGA

- 9 -
Block Diagram (GA-8I915MD-GV)
(Note) To use a DDRII 600 memory module on the motherboard, you must install an 800MHz FSB
processor and overclock in BIOS.
LGA775
Processor
CPUCLK+/-(200/133MHz)
PCI Express x4
33MHz
Host
Interface
Intel
915GV
MCH
MCHCLK (200/133MHz)
66MHz
48MHz
COM Ports
Floppy
PS/2 KB/Mouse
24MHz
33MHz
IT8712
2 Serial ATA
ATA33/66/100
IDE1 Channel
Intel
ICH6
14.318MHz
BIOS
8 USB
Ports
PCICLK
(33MHz)
3 PCI
PCI Bus
LPT Port
PCI-ECLK
(100MHz)
RJ45
RTL8100C
DDRII 600(Note)533/400MHz DIMM
Dual Channel Memory
Line-Out
MIC
CODEC
Line-In
VGA

- 10 -

Hardware Installation- 11 -
English
1-1 Considerations Prior to Installation
Preparing Your Computer
The motherboard contains numerous delicate electronic circuits and components which can
become damaged as a result of electrostatic discharge (ESD). Thus, prior to installation, please
follow the instructions below:
1. Please turn off the computer and unplug its power cord.
2. When handling the motherboard, avoid touching any metal leads or connectors.
3. It is best to wear an electrostatic discharge (ESD) cuff when handling electronic components
(CPU, RAM).
4. Prior to installing the electronic components, please have these items on top of an antistatic pad or
within a electrostatic shielding container.
5. Please verify that the power supply is switched off before unplugging the power supply connector
from the motherboard.
Installation Notices
1. Prior to installation, please do not remove the stickers on the motherboard. These stickers are required
for warranty validation.
2. Prior to the installation of the motherboard or any hardware, please first carefully read the information
in the provided manual.
3. Before using the product, please verify that all cables and power connectors are connected.
4. To prevent damage to the motherboard, please do not allow screws to come in contact with the
motherboard circuit or its components.
5. Please make sure there are no leftover screws or metal components placed on the motherboard or
within the computer casing.
6. Please do not place the computer system on an uneven surface.
7. Turning on the computer power during the installation process can lead to damage to system
components as well as physical harm to the user.
8. If you are uncertain about any installation steps or have a problem related to the use of the product,
please consult a certified computer technician.
Instances of Non-Warranty
1. Damage due to natural disaster, accident or human cause.
2. Damage as a result of violating the conditions recommended in the user manual.
3. Damage due to improper installation.
4. Damage due to use of uncertified components.
5. Damage due to use exceeding the permitted parameters.
6. Product determined to be an unofficial Gigabyte product.
Chapter 1 Hardware Installation

GA-8I915MD-G/GA-8I915MD-GV Motherboard - 12 -
English
Motherboard GA-8I915MD-G or GA-8I915MD-GV
CPU Supports the latest Intel® Pentium® 4 LGA775 CPU
Supports 800/533MHz FSB
L2 cache varies with CPU
Chipset Northbridge: Intel®915G / 915GV Express Chipset
Southbridge: Intel® ICH6
Supported on the Win 2000/XP operating systems
Memory 2 DDR II DIMM memory slots (supports up to 2GB memory)
Supports 1.8V DDR II DIMM
Supports dual channel DDR II 600(Note 1)533/400 DIMM
Slots 1 PCI Express x 16 slot(Note 2)
3 PCI slots
IDE Connections 1 IDE connection (UDMA 33/ATA 66/ATA 100), allows connection of
2 IDE devices
Supported on the Win 2000/XP operating systems
FDD Connections 1 FDD connection, allows connection of 2 FDD devices
Onboard SATA 2 Serial ATA ports
Supported on the Win 2000/XP operating systems
Peripherals 1 parallel port supporting Normal/EPP/ECP mode
1 VGA port, 1 COMA port, onboard COMB connection
8 USB 2.0/1.1 ports (rear x 4, front x 4 via cable)
1 front audio connector
1 PS/2 keyboard port
1 PS/2 mouse port
Onboard VGA Built-in Intel® 915G / 915GV Express Chipset
Onboard LAN Onboard RTL8110S chip (10/100/1000Mbit)
Onboard RTL8100C chip (10/100Mbit)
1 RJ 45 port
Supported on the Win 2000/XP operating systems
Onboard Audio Realtek ALC655 CODEC
Supports Line In ; Line Out ; MIC In
Supports 2 / 4 / 6 channel audio
SPDIF In/Out connection
CD In connection
AUX In connection
I/O Control IT8712
1-2 Feature Summary
Only for GA-8I915MD-G. Only for GA-8I915MD-GV.
(Note 1) To use a DDRII 600 memory module on the motherboard, you must install an 800MHz FSB
processor and overclock in BIOS.
(Note 2) The GA-8I915MD-GV supports up to PCI Express x 4 mode (please refer to the VGA cards
support list on page 18~19). The GA-8I915MD-G supports up to PCI Express x16 mode.

Hardware Installation- 13 -
English
Hardware Monitor System voltage detection
CPU temperature detection
CPU / System fan speed detection
CPU warning temperature
CPU / System fan failure warning
CPU smart fan control
BIOS Use of licensed AWARD BIOS
Supports Q-Flash
Additional Features Supports @BIOS
Supports EasyTune 5 (only supports Hardware Monitor function)(Note 3)
Form Factor Micro ATX form factor; 24.4cm x 21.5cm
(Note 3) EasyTune functions may vary depending on different motherboards.

GA-8I915MD-G/GA-8I915MD-GV Motherboard - 14 -
English
1-3 Installation of the CPU and Heatsink
Before installing the CPU, please comply with the following conditions:
1. Please make sure that the motherboard supports the CPU.
2. Please take note of the one indented corner of the CPU. If you install the CPU in the wrong
direction, the CPU will not insert properly. If this occurs, please change the insert direction
of the CPU.
3. Please add an even layer of heat sink paste between the CPU and heatsink.
4. Please make sure the heatsink is installed on the CPU prior to system use, otherwise
overheating and permanent damage of the CPU may occur.
5. Please set the CPU host frequency in accordance with the processor specifications. It is not
recommended that the system bus frequency be set beyond hardware specifications since it
does not meet the required standards for the peripherals. If you wish to set the frequency
beyond the proper specifications, please do so according to your hardware specifications
including the CPU, graphics card, memory, hard drive, etc.
HT functionality requirement content :
Enabling the functionality of Hyper-Threading Technology for your computer system requires all
of the following platform components:
- CPU: An Intel® Pentium 4 Processor with HT Technology
- Chipset: An Intel® Chipset that supports HT Technology
- BIOS: A BIOS that supports HT Technology and has it enabled
- OS: An operation system that has optimizations for HT Technology
1-3-1 Installation of the CPU
Fig. 1
Gently lift the metal
lever located on the
CPU socket to the
upright position.
Metal Lever Fig. 2
Remove the plastic
covering on the CPU
socket.
Fig. 3
Notice the small gold
colored triangle located
on the edge of the CPU
socket. Align the
indented corner of the
Fig. 4
Once the CPU is
properly inserted,
please replace the
load plate and
push the metal lever
back into its original
position.
CPU with the triangle and gently insert the CPU into
position. (Grasping the CPU firmly between your
thumb and forefinger, carefully place it into the socket
in a straight and downwards motion. Avoid twisting or
bending motions that might cause damage to the CPU
during installation.)

Hardware Installation- 15 -
English
1-3-2 Installation of the Heatsink
The heatsink may adhere to the CPU as a result of hardening of the heatsink paste.To prevent
such an occurrence, it is suggested that either thermal tape rather than heat sink paste be used for
heat dissipation or using extreme care when removing the heatsink.
Fig. 6
Finally, please attach the power connector of the
heatsink to the CPU fan header located on the
motherboard.
Fig. 3
Place the heatsink atop the CPU and make sure
the push pins aim to the pin hole on the
motherboard.Pressing down the push pins
diagonally.
Fig. 4
Please make sure the Male and Female push pin are
joined closely. (for detailed installation instructions,
please refer to the heatsink installation section of the
user manual)
Fig. 5
Please check the back of motherboard after
installing. If the push pin is inserted as the picture,
the installation is complete.
Fig.1
Please apply an even layer of heatsink paste on
the surface of the installed CPU.
Fig. 2
(Turning the push pin along the direction of arrow is
to remove the heatsink, on the contrary, is to install.)
Please note the direction of arrow sign on the male
push pin doesn't face inwards before installation. (This
instruction is only for Intel boxed fan)
Male Push Pin
Female Push Pin
The top of Female Push Pin

GA-8I915MD-G/GA-8I915MD-GV Motherboard - 16 -
English
The motherboard supports DDR II memory modules, whereby BIOS will automatically detect memory
capacity and specifications. Memory modules are designed so that they can be inserted only in one direction.
The memory capacity used can differ with each slot.
Before installing the memory modules, please comply with the following conditions:
1. Please make sure that the memory used is supported by the motherboard. It is recommended that
memory of similar capacity, specifications and brand be used.
2. Before installing or removing memory modules, please make sure that the computer power is switched
off to prevent hardware damage.
3. Memory modules have a foolproof insertion design. A memory module can be installed in only one
direction. If you are unable to insert the module, please switch the direction.
1-4 Installation of Memory
Notch
DDR II
Fig.1
The DIMM socket has a notch, so the DIMM memory module
can only fit in one direction. Insert the DIMM memory module
vertically into the DIMM socket. Then push it down.
Fig.2
Close the plastic clip at both edges of the DIMM sockets to
lock the DIMM module.
Reverse the installation steps when you wish to remove the
DIMM module.

Hardware Installation- 17 -
English
Dual Channel Memory Configuration
The GA-8I915MD-G/GA-8I915MD-GV supports the Dual Channel Technology.
After operating the Dual Channel Technology, the bandwidth of Memory Bus
will add double.
The GA-8I915MD-G/GA-8I915MD-GV includes 2 DIMM sockets.
If you want to operate the Dual Channel Technology, please note the following explanations
due to the limitation of Intel chipset specifications.
1. Dual Channel mode will not be enabled if only one DDR II memory module is installed.
2. To enable Dual Channel mode, please insert two DDR II memory modules (it is recom-
mended to use memory modules of identical brand, size, chips, and speed) into DDRII1
and DDRII memory sockets.

GA-8I915MD-G/GA-8I915MD-GV Motherboard - 18 -
English
1-5 Installation of Expansion Cards
You can install your expansion card by following the steps outlined below:
1. Read the related expansion card's instruction document before install the expansion card into the
computer.
2. Remove your computer's chassis cover, screws and slot bracket from the computer.
3. Press the expansion card firmly into expansion slot in motherboard.
4. Be sure the metal contacts on the card are indeed seated in the slot.
5. Replace the screw to secure the slot bracket of the expansion card.
6. Replace your computer's chassis cover.
7. Power on the computer, if necessary, setup BIOS utility of expansion card from BIOS.
8. Install related driver from the operating system.
Installing a PCI Express x 16 expansion card:
Please align the VGA card to the onboard
PCI Express x 16 slot and press firmly down
on the slot. Make sure your VGA card is
locked by the latch at the end of the PCI
Express x 16 slot. When you try uninstall
the VGA card, please press the latch as the
picture to the left shows to release the card.
(The items below are all supported under the Windows XP operating system. When using an
add-on graphics card, please first delete the onboard graphics driver before installing the driver
for the add-on graphics card.)
1-5-1 Graphics Card Support List *
Graphics Chip Maker Model Name
Nvidia Gigabyte GV-NX53128D
Gigabyte GV-NX57128D
Gigabyte GV-NX59128D
Gigabyte GV-NX62128D
Gigabyte GV-NX66256D
Gigabyte GV-NX66T128VP
To be continued...
Figure 1-1. PCI Express x16 Cards
"*" Only for GA-8I915MD-GV.

Hardware Installation- 19 -
English
Figure 1-2. PCI Express x16 Cards
Graphics Chip Maker Model Name
Nvidia Gigabyte GV-NX66T128D
Gigabyte GV-NX68T256DH
Gigabyte GV-NX55128DP
Gigabyte GV-NX68U256D
Gigabyte GV-NX62TC256D
ASUS EN6600/TD/128
ATi Gigabyte GV-RX30S128D
Gigabyte GV-RX60P128D
Gigabyte GV-RX60X128V
Gigabyte GV-RX70128D
Gigabyte GV-RX70P128D
Gigabyte GV-RX80T256V
Gigabyte GV-RX80L256V
Gigabyte GV-RX80256D
ASUS AX800XT
ASUS AX700PRO
MSI RX600 XT-TD128

GA-8I915MD-G/GA-8I915MD-GV Motherboard - 20 -
English
1-6 I/O Back Panel Introduction
PS/2 Keyboard and PS/2 Mouse Connector
To install a PS/2 port keyboard and mouse, plug the mouse to the upper port (green) and the keyboard
to the lower port (purple).
Parallel Port
The parallel port allows connection of a printer, scanner and other peripheral devices.
COMA (Serial Port)
Connects to serial-based mouse or data processing devices.
VGA Port
Monitor can be connected to VGA port.
USB port
Before you connect your device(s) into USB connector(s), please make sure your device(s) such
as USB keyboard, mouse, scanner, zip, speaker...etc. have a standard USB interface. Also make
sure your OS supports USB controller. If your OS does not support USB controller, please contact
OS vendor for possible patch or driver upgrade. For more information please contact your OS or
device(s) vendors.
LAN Port
The LAN port provides Internet connection.
Line In
Devices like CD-ROM, walkman etc. can be connected to Line In jack.
Line Out
Connect the stereo speakers or earphone to this connector.
MIC In
Microphone can be connected to MIC In jack.
You can use audio software to configure 2-/4-/6-channel audio functioning.

Hardware Installation- 21 -
English
1-7 Connectors Introduction
1) ATX_12V
2) ATX (Power Connector)
3) CPU_FAN
4) SYS_FAN
5) FDD
6) IDE1
7) SATA0 / SATA1
8) F_AUDIO
9) PWR_LED
10) F_PANEL
11) CD_IN
12) AUX_IN
13) SPDIF_IO
14) SUR_CEN
15) F_USB1/F_USB2
16) COMB
17) CI
18) CLR_CMOS
19) BAT
5
2
15
11
4
13
1813
10
716 19
6
9
814
12
17

GA-8I915MD-G/GA-8I915MD-GV Motherboard - 22 -
English
1/2) ATX_12V/ATX (Power Connector)
With the use of the power connector, the power supply can supply enough stable power to all the
components on the motherboard. Before connecting the power connector, please make sure that all
components and devices are properly installed. Align the power connector with its proper location on
the motherboard and connect tightly.
The ATX_12V power connector mainly supplies power to the CPU. If the ATX_12V power
connector is not connected, the system will not start.
Caution!
Please use a power supply that is able to handle the system voltage requirements. It is
recommended that a power supply that can withstand high power consumption be used (300W or
greater). If a power supply is used that does not provide the required power, the result can lead to an
unstable system or a system that is unable to start.
If you use a 24-pin ATX power supply, please remove the small cover on the power connector
on the motherboard before plugging in the power cord ; Otherwise, please do not remove it.
Pin No. Definition
1 GND
2 GND
3 +12V
4 +12V
113
24
12
13
2
4
Pin No. Definition
13 3.3V
14 -12V
15 GND
16 PS_ON(soft On/Off)
17 GND
18 GND
19 GND
20 -5V
21 +5V
22 +5V
23 +5V (Only for 24-pin ATX)
24 GND(Only for 24-pin ATX)
Pin No. Definition
1 3.3V
2 3.3V
3 GND
4 +5V
5 GND
6 +5V
7 GND
8 Power Good
9 5V SB(stand by +5V)
10 +12V
11 +12V(Only for 24-pin ATX)
12 3.3V(Only for 24-pin ATX)

Hardware Installation- 23 -
English
3/4) CPU_FAN / SYS_FAN (Cooler Fan Power Connector)
The cooler fan power connector supplies a +12V power voltage via a 3-pin/4-pin (only for CPU_FAN)
power connector and possesses a foolproof connection design.
Most coolers are designed with color-coded power connector wires. A red power connector wire
indicates a positive connection and requires a +12V power voltage. The black connector wire is
the ground wire (GND).
Please remember to connect the power to the cooler to prevent system overheating and failure.
Caution!
Please remember to connect the power to the CPU fan to prevent CPU overheating and failure.
Pin No. Definition
1 GND
2 +12V
3 Sense
4 Speed Control
(Only for CPU_FAN)
5) FDD (Floppy Connector)
The FDD connector is used to connect the FDD cable while the other end of the cable connects to the
FDD drive. The types of FDD drives supported are: 360KB, 720KB, 1.2MB, 1.44MB and 2.88MB.
Please connect the red power connector wire to the pin1 position.
1
2
33
34
1
1
CPU_FAN
SYS_FAN

GA-8I915MD-G/GA-8I915MD-GV Motherboard - 24 -
English
6) IDE1 (IDE Connector)
An IDE device connects to the computer via an IDE connector. One IDE connector can connect to one
IDE cable, and the single IDE cable can then connect to two IDE devices (hard drive or optical drive).
If you wish to connect two IDE devices, please set the jumper on one IDE device as Master and the
other as Slave (for information on settings, please refer to the instructions located on the IDE device).
1
2
3940
7) SATA0/SATA1 (SATA Connector)
SATA can provide up to 150MB/s transfer rate. Please refer to the BIOS setting for the Serial ATA
and install the proper driver in order to work properly.
Pin No. Definition
1 GND
2 TXP
3 TXN
4 GND
5 RXN
6 RXP
7 GND
17

Hardware Installation- 25 -
English
8) F_AUDIO (Front Audio Panel Connector)
If you want to use Front Audio connector, you must remove 5-6, 9-10 Jumper.
In order to utilize the front audio header, your chassis must have front audio connector. Also please
make sure the pin assigment on the cable is the same as the pin assigment on the MB header. To
find out if the chassis you are buying support front audio connector, please contact your dealer.
Please note, you can have the alternative of using front audio connector or of using rear audio
connector to play sound.
Pin No. Definition
1 MIC
2 GND
3 MIC_BIAS
4 Power
5 Front Audio (R)
6 Rear Audio (R)/ Return R
7NC
8 No Pin
9 Front Audio (L)
10 Rear Audio (L)/ Return L
1
2
9
10
9) PWR_LED (Optional)
PWR_LED is connect with the system power indicator to indicate whether the system is on/off. It will
blink when the system enters suspend mode.
1
Pin No. Definition
1 MPD+
2 MPD-
3 MPD-

GA-8I915MD-G/GA-8I915MD-GV Motherboard - 26 -
English
10) F_PANEL (Front Panel Jumper)
Please connect the power LED, PC speaker, reset switch and power switch etc of your chassis front
panel to the F_PANEL connector according to the pin assignment below.
12
19
20
HD-
HD+
RES+
RES-
NC
SPEAK-
MSG-
MSG+
PW-
PW+
SPEAK+
Message LED/
Power/
Sleep LED
Power Switch
Speaker Connector
IDE Hard Disk
Active LED
Reset Switch
HD (IDE Hard Disk Active LED) (Blue) Pin 1: LED anode(+)
Pin 2: LED cathode(-)
SPEAK (Speaker Connector) (Amber) Pin 1: Power
Pin 2- Pin 3: NC
Pin 4: Data(-)
RES (Reset Switch) (Green) Open: Normal
Close: Reset Hardware System
PW (Power Switch) (Red) Open: Normal
Close: Power On/Off
MSG(Message LED/Power/Sleep LED) Pin 1: LED anode(+)
(Yellow) Pin 2: LED cathode(-)
NC ( Purple) NC
11) CD_IN (CD IN)
Connect CD-ROM or DVD-ROM audio out to the connector.
Pin No. Definition
1 CD-L
2 GND
3 GND
4 CD-R
1

Hardware Installation- 27 -
English
1
12) AUX_IN (AUX In Connector)
Connect other device (such as PCI TV Tunner audio out) to the connector.
Pin No. Definition
1 AUX-L
2 GND
3 GND
4 AUX-R
1
62
5
13) SPDIF_IO (SPDIF In/Out)
The SPDIF output is capable of providing digital audio to external speakers or compressed AC3
data to an external Dolby Digital Decoder. Use this feature only when your stereo system has
digital input function. Use SPDIF IN feature only when your device has digital output function.
Be careful with the polarity of the SPDIF_IO connector. Check the pin assignment carefully while
you connect the SPDIF cable, incorrect connection between the cable and connector will make the
device unable to work or even damage it. For optional SPDIF cable, please contact your local
dealer.
Pin No. Definition
1 Power
2 No Pin
3 SPDIF
4 SPDIFI
5 GND
6 GND

GA-8I915MD-G/GA-8I915MD-GV Motherboard - 28 -
English
14) SUR_CEN
Please contact your nearest dealer for optional SUR_CEN cable.
Pin No. Definition
1 SUR OUTL
2 SUR OUTR
3 GND
4 No Pin
5 CENTER_OUT
6 BASS_OUT
1
6
5
2
15) F1_USB / F2_USB (Front USB Connectors)
Be careful with the polarity of the front USB connector. Check the pin assignment carefully while
you connect the front USB cable, incorrect connection between the cable and connector will make
the device unable to work or even damage it. For optional front USB cable, please contact your
local dealer.
9
210
1
Pin No. Definition
1 Power
2 Power
3 USB DX-
4 USB Dy-
5 USB DX+
6 USB Dy+
7 GND
8 GND
9 No Pin
10 NC

Hardware Installation- 29 -
English
16) COMB (COMB Connector)
Be careful with the polarity of the COMB connector. Check the pin assignments while you connect
the COMB cable. Please contact your nearest dealer for optional COMB cable.
10
9
2
1
Pin No. Definition
1 NDCDB-
2 NSINB
3 NSOUTB
4 NDTRB-
5GND
6 NDSRB-
7 NRTSB-
8 NCTSB-
9 NRIB-
10 No Pin
17) CI (Chassis Intrusion, Case Open)
This 2-pin connector allows your system to detect if the chassis cover is removed. You can check
the "Case Opened" status in BIOS Setup.
1
Pin No. Definition
1 Signal
2 GND

GA-8I915MD-G/GA-8I915MD-GV Motherboard - 30 -
English
18) CLR_CMOS (Clear CMOS)
You may clear the CMOS data to its default values by this jumper. To clear CMOS, temporarily
short 1-2 pin. Default doesn't include the "Shunter" to prevent from improper use this jumper.
Open: Normal
Short: Clear CMOS
1
1
19) BAT(Battery)
Danger of explosion if battery is incorrectly replaced.
Replace only with the same or equivalent type
recommended by the manufacturer.
Dispose of used batteries according to the manufacturer's
instructions.
If you want to erase CMOS...
1. Turn OFF the computer and unplug the power cord.
2. Take out the battery gently and put it aside for about 10
minutes (Or you can use a metal object to connect the
positive and negative pins in the battery holder to make
them short for one minute).
3. Re-install the battery.
4. Plug the power cord and turn ON the computer.

BIOS Setup- 31 -
English
BIOS (Basic Input and Output System) includes a CMOS SETUP utility which allows user to configure
required settings or to activate certain system features.
The CMOS SETUP saves the configuration in the CMOS SRAM of the motherboard.
When the power is turned off, the battery on the motherboard supplies the necessary power to the CMOS
SRAM.
When the power is turned on, pushing the <Del> button during the BIOS POST (Power-On Self Test) will
take you to the CMOS SETUP screen. You can enter the BIOS setup screen by pressing "Ctrl + F1".
When setting up BIOS for the first time, it is recommended that you save the current BIOS to a disk in the
event that BIOS needs to be reset to its original settings. If you wish to upgrade to a new BIOS, either
GIGABYTE's Q-Flash or @BIOS utility can be used.
Q-Flash allows the user to quickly and easily update or backup BIOS without entering the operating system.
@BIOS is a Windows-based utility that does not require users to boot to DOS before upgrading BIOS but
directly download and update BIOS from the Internet.
Main Menu
The on-line description of the highlighted setup function is displayed at the bottom of the screen.
Status Page Setup Menu / Option Page Setup Menu
Press F1 to pop up a small help window that describes the appropriate keys to use and the possible selec-
tions for the highlighted item. To exit the Help Window press <Esc>.
Chapter 2 BIOS Setup
CONTROL KEYS
<> < > < > < > Move to select item
<Enter> Select Item
<Esc> Main Menu - Quit and not save changes into CMOS Status Page Setup Menu
and Option Page Setup Menu - Exit current page and return to Main Menu
<Page Up> Increase the numeric value or make changes
<Page Down> Decrease the numeric value or make changes
<F1> General help, only for Status Page Setup Menu and Option Page Setup Menu
<F2> Item Help
<F5> Restore the previous CMOS value from CMOS, only for Option Page Setup
Menu
<F6> Load the fail-safe default CMOS value from BIOS default table
<F7> Load the Optimized Defaults
<F8> Q-Flash utility
<F9> System Information
<F10> Save all the CMOS changes, only for Main Menu
Because BIOS flashing is potentially risky, please do it with caution and avoid inadequate
operation that may result in system malfunction.

GA-8I915MD-G/GA-8I915MD-GV Motherboard - 32 -
English
Standard CMOS Features
This setup page includes all the items in standard compatible BIOS.
Advanced BIOS Features
This setup page includes all the items of Award special enhanced features.
Integrated Peripherals
This setup page includes all onboard peripherals.
Power Management Setup
This setup page includes all the items of Green function features.
PnP/PCI Configuration
This setup page includes all the configurations of PCI & PnP ISA resources.
PC Health Status
This setup page is the System auto detect Temperature, voltage, fan, speed.
Frequency/Voltage Control
This setup page is control CPU clock and frequency ratio.
Load Fail-Safe Defaults
Fail-Safe Defaults indicates the value of the system parameters which the system would be in safe
configuration.
Load Optimized Defaults
Optimized Defaults indicates the value of the system parameters which the system would be in
best performance configuration.
If you can't find the setting you want, please press "Ctrl+F1" to search the advanced option hidden.
Please Load Optimized Defaults in the BIOS when somehow the system works not stable as usual.
This action makes the system reset to the default for stability.
CMOS Setup Utility-Copyright (C) 1984-2005 Award Software
`Standard CMOS Features
`Advanced BIOS Features
`Integrated Peripherals
`Power Management Setup
`PnP/PCI Configurations
`PC Health Status
`Frequency/Voltage Control
Load Fail-Safe Defaults
Load Optimized Defaults
Set Supervisor Password
Set User Password
Save & Exit Setup
Exit Without Saving
ESC: Quit KLJI: Select Item
F8: Q-Flash F10: Save & Exit Setup
Time, Date, Hard Disk Type...
The Main Menu (For example: BIOS Ver. : GA-8I915MD-G F3a)
Once you enter Award BIOS CMOS Setup Utility, the Main Menu (as figure below) will appear on the
screen. Use arrow keys to select among the items and press <Enter> to accept or enter the sub-menu.
The BIOS Setup menus described in this chapter are for reference only and may differ from the
exact settings for your motherboard.

BIOS Setup- 33 -
English
Set Supervisor Password
Change, set, or disable password. It allows you to limit access to the system and Setup, or just
to Setup.
Set User Password
Change, set, or disable password. It allows you to limit access to the system.
Save & Exit Setup
Save CMOS value settings to CMOS and exit setup.
Exit Without Saving
Abandon all CMOS value changes and exit setup.

GA-8I915MD-G/GA-8I915MD-GV Motherboard - 34 -
English
2-1 Standard CMOS Features
Date
The date format is <week>, <month>, <day>, <year>.
Week The week, from Sun to Sat, determined by the BIOS and is display only
Month The month, Jan. Through Dec.
Day The day, from 1 to 31 (or the maximum allowed in the month)
Year The year, from 1999 through 2098
Time
The times format in <hour> <minute> <second>. The time is calculated base on the 24-hour military-
time clock. For example, 1 p.m. is 13:00:00.
IDE Channel 0 Master, Slave
IDE HDD Auto-Detection Press "Enter" to select this option for automatic device detection.
IDE Device Setup. You can use one of three methods:
• Auto Allows BIOS to automatically detect IDE devices during POST(default)
• None Select this if no IDE devices are used and the system will skip the automatic
detection step and allow for faster system start up.
• Manual User can manually input the correct settings.
Access Mode Use this to set the access mode for the hard drive. The four options are:
CHS/LBA/Large/Auto(default:Auto)
Capacity Capacity of currently installed hard disk.
IDE Channel 2/3 Master
IDE HDD Auto-Detection Press "Enter" to select this option for automatic device detection.
Extend IDE Drive You can use one of the two methods:
• Auto Allows BIOS to automatically detect IDE devices during POST(default)
• None Select this if no IDE devices are used and the system will skip the automatic
detection step and allow for faster system start up.
Access Mode Use this to set the access mode for the hard drive. The two options are:
Large/Auto(default:Auto)
Capacity Capacity of currently installed hard disk.
CMOS Setup Utility-Copyright (C) 1984-2005 Award Software
Standard CMOS Features
Date (mm:dd:yy) Wed, Oct 27 2005
Time (hh:mm:ss) 22:31:24
`IDE Channel 0 Master [None]
`IDE Channel 0 Slave [None]
`IDE Channel 2 Master [None]
`IDE Channel 3 Master [None]
Drive A [1.44M, 3.5"]
Drive B [None]
Floppy 3 Mode Support [Disabled]
Halt On [All, But Keyboard]
Base Memory 640K
Extended Memory 511M
Total Memory 512M
KLJI: Move Enter: Select +/-/PU/PD: Value F10: Save ESC: Exit F1: General Help
F5: Previous Values F6: Fail-Safe Defaults F7: Optimized Defaults
Item Help
Menu Level`
Change the day, month,
year
<Week>
Sun. to Sat.
<Month>
Jan. to Dec.
<Day>
1 to 31 (or maximum
allowed in the month)
<Year>
1999 to 2098

BIOS Setup- 35 -
English
Hard drive information should be labeled on the outside drive casing. Enter the appropriate option
based on this information.
Cylinder Number of cylinders
Head Number of heads
Precomp Write precomp
Landing Zone Landing zone
Sector Number of sectors
If a hard disk has not been installed, select NONE and press <Enter>.
Drive A / Drive B
The category identifies the types of floppy disk drive A or drive B that has been installed in the
computer.
None No floppy drive installed.
360K, 5.25" 5.25 inch PC-type standard drive; 360K byte capacity.
1.2M, 5.25" 5.25 inch AT-type high-density drive; 1.2M byte capacity.
(3.5 inch when 3 Mode is Enabled).
720K, 3.5" 3.5 inch double-sided drive; 720K byte capacity .
1.44M, 3.5" 3.5 inch double-sided drive; 1.44M byte capacity.
2.88M, 3.5" 3.5 inch double-sided drive; 2.88M byte capacity.
Floppy 3 Mode Support (for Japan Area)
Disabled Normal Floppy Drive. (Default value)
Drive A Drive A is 3 mode Floppy Drive.
Drive B Drive B is 3 mode Floppy Drive.
Both Drive A & B are 3 mode Floppy Drives.
Halt on
The category determines whether the computer will stop if an error is detected during power up.
No Errors The system boot will not stop for any error that may be detected and you
will be prompted.
All Errors Whenever the BIOS detects a non-fatal error the system will be stopped.
All, But Keyboard The system boot will not stop for a keyboard error; it will stop for all other
errors. (Default value)
All, But Diskette The system boot will not stop for a disk error; it will stop for all other errors.
All, But Disk/Key The system boot will not stop for a keyboard or disk error; it will stop for all
other errors.
Memory
The category is display-only which is determined by POST (Power On Self Test) of the BIOS.
Base Memory
The POST of the BIOS will determine the amount of base (or conventional) memory installed in the
system.
The value of the base memory is typically 512K for systems with 512K memory installed on the
motherboard, or 640K for systems with 640K or more memory installed on the motherboard.
Extended Memory
The BIOS determines how much extended memory is present during the POST.
This is the amount of memory located above 1 MB in the CPU's memory address map.
Total Memory
This item displays the memory size that used.

GA-8I915MD-G/GA-8I915MD-GV Motherboard - 36 -
English
2-2 Advanced BIOS Features
Hard Disk Boot Priority
Select boot sequence for onboard(or add-on cards) SCSI, RAID, etc.
Use < > or < > to select a device, then press<+> to move it up, or <-> to move it down the list.
Press <ESC> to exit this menu.
First / Second / Third Boot Device
Floppy Select your boot device priority by Floppy.
LS120 Select your boot device priority by LS120.
Hard Disk Select your boot device priority by Hard Disk.
CDROM Select your boot device priority by CDROM.
ZIP Select your boot device priority by ZIP.
USB-FDD Select your boot device priority by USB-FDD.
USB-ZIP Select your boot device priority by USB-ZIP.
USB-CDROM Select your boot device priority by USB-CDROM.
USB-HDD Select your boot device priority by USB-HDD.
LAN Select your boot device priority by LAN.
Disabled Disable this function.
Password Check
Setup The system will boot but will not access to Setup page if the correct
password is not entered at the prompt. (Default value)
System The system will not boot and will not access to Setup page if the correct
password is not entered at the prompt.
" # " System will detect automatically and show up when you install the Intel® Pentium® 4
processor with HT Technology.
CMOS Setup Utility-Copyright (C) 1984-2005 Award Software
Advanced BIOS Features
`Hard Disk Boot Priority [Press Enter]
First Boot Device [Floppy]
Second Boot Device [Hard Disk]
Third Boot Device [CDROM]
Password Check [Setup]
CPU Hyper-Threading # [Enabled]
Limit CPUID Max. to 3 [Disabled]
No-Execute Memory Protect (Note) [Enabled]
CPU Enhanced Halt (C1E) (Note) [Enabled]
CPU Thermal Monitor 2(TM2) (Note) [Enabled]
CPU EIST Function (Note) [Enabled]
On-Chip Frame Buffer Size [8MB]
KLJI: Move Enter: Select +/-/PU/PD: Value F10: Save ESC: Exit F1: General Help
F5: Previous Values F6: Fail-Safe Defaults F7: Optimized Defaults
Item Help
Menu Level`
Select Hard Disk Boot
Device Priority
(Note) This item will show up when you install a processor that supports this function.

BIOS Setup- 37 -
English
CPU Hyper-Threading
Enabled Enables CPU Hyper Threading Feature. Please note that this feature is only
working for operating system with multi processors mode supported. (Default
value)
Disabled Disables CPU Hyper Threading.
Limit CPUID Max. to 3
Enabled Limit CPUID Maximum value to 3 when use older OS like NT4.
Disabled Disables CPUID Limit for windows XP.(Default value)
No-Execute Memory Protect (Note)
Enabled Enable No-Execute Memory Protect function.(Default value)
Disabled Disable No-Execute Memory Protect function.
CPU Enhanced Halt (C1E) (Note)
Enabled Enable CPU Enhanced Halt (C1E) function.(Default value)
Disabled Disable CPU Enhanced Halt (C1E) function.
CPU Thermal Monitor 2 (TM2) (Note)
Enabled Enable CPU Thermal Monitor 2 (TM2) function.(Default value)
Disabled Disable CPU Thermal Monitor 2 (TM2) function.
CPU EIST Function (Note)
Enabled Enable CPU EIST function.(Default value)
Disabled Disable CPU EIST function.
On-Chip Frame Buffer Size
1MB Set On-chip frame buffer size to 1MB.
4MB Set On-chip frame buffer size to 4MB.
8MB Set On-chip frame buffer size to 8MB. (Default value)
16MB Set On-chip frame buffer size to 16MB.
32MB Set On-chip frame buffer size to 32MB.
(Note) This item will show up when you install a processor that supports this function.

GA-8I915MD-G/GA-8I915MD-GV Motherboard - 38 -
English
2-3 Integrated Peripherals
On-Chip Primary PCI IDE
Enabled Enable onboard 1st channel IDE port. (Default value)
Disabled Disable onboard 1st channel IDE port.
On-Chip SATA Mode
Disabled Disable this function.
Auto BIOS will auto detect. (Default value)
Combined Set On-Chip SATA mode to Combined, you can use up to 4 HDDs on
the motherboard; 2 for SATA and the other for PATA.
Enhanced Set On-Chip SATA mode to Enhanced, the motherboard allows up to 6
HDDs to use; 4 SATA HDDs plus PATA HDDs.
Non-Combined Set On-Chip SATA mode to Non-Combined, SATA will be simulated to
PATA mode. Support a maximum of 4 SATA devices. PATA devices will be
ignored.
PATA IDE Set to
Ch.1 Master/Slave Set PATA IDE to Ch. 1 Master/Slave.
Ch.0 Master/Slave Set PATA IDE to Ch. 0 Master/Slave. (Default value)
SATA Port 0 Set to
This value will auto make by the setting "On-Chip SATA Mode" and "PATA IDE Set to".
If PATA IDE were set to Ch. 1 Master/Slave, this function will auto set to Ch. 0 Master/Slave.
SATA Port 1 Set to
This value will auto make by the setting "On-Chip SATA Mode" and "PATA IDE Set to".
If PATA IDE were set to Ch. 0 Master/Slave, this function will auto set to Ch. 1 Master/Slave.
USB Controller
Enabled Enable USB Controller. (Default value)
Disabled Disable USB Controller.
CMOS Setup Utility-Copyright (C) 1984-2004 Award Software
Integrated Peripherals
On-Chip Primary PCI IDE [Enabled]
On-Chip SATA Mode [Auto]
x PATA IDE Set to Ch.0 Master/Slave
SATA Port 0 Set to Ch.2 Master/Slave
SATA Port 1 Set to Ch.3 Master/Slave
USB Controller [Enabled]
USB 2.0 Controller [Enabled]
USB Keyboard Support [Disabled]
USB Mouse Support [Disabled]
AC97 Audio [Auto]
Onboard H/W LAN [Enabled]
OnBoard LAN Boot ROM [Disabled]
Onboard Serial Port 1 [3F8/IRQ4]
Onboard Serial Port 2 [2F8/IRQ3]
Onboard Parallel Port [378/IRQ7]
Parallel Port Mode [SPP]
x ECP Mode Use DMA 3
KLJI: Move Enter: Select +/-/PU/PD: Value F10: Save ESC: Exit F1: General Help
F5: Previous Values F6: Fail-Safe Defaults F7: Optimized Defaults
Item Help
Menu Level`

BIOS Setup- 39 -
English
USB 2.0 Controller
Disable this function if you are not using onboard USB 2.0 feature.
Enabled Enable USB 2.0 Controller. (Default value)
Disabled Disable USB 2.0 Controller.
USB Keyboard Support
Enabled Enable USB Keyboard Support.
Disabled Disable USB Keyboard Support. (Default value)
USB Mouse Support
Enabled Enable USB Mouse Support.
Disabled Disable USB Mouse Support. (Default value)
AC97 Audio
Auto Auto detect AC97 audio function. (Default value)
Disabled Disable AC97 audio function.
Onboard H/W LAN
Enabled Enable Onboard H/W LAN function. (Default value)
Disabled Disable this function.
OnBoard LAN Boot ROM
This function decide whether to invoke the boot ROM of the onboard LAN chip.
Enabled Enable this function.
Disabled Disable this function. (Default value)
Onboard Serial Port 1
Auto BIOS will automatically setup the port 1 address.
3F8/IRQ4 Enable onboard Serial port 1 and address is 3F8/IRQ4. (Default value)
2F8/IRQ3 Enable onboard Serial port 1 and address is 2F8/IRQ3.
3E8/IRQ4 Enable onboard Serial port 1 and address is 3E8/IRQ4.
2E8/IRQ3 Enable onboard Serial port 1 and address is 2E8/IRQ3.
Disabled Disable onboard Serial port 1.
Onboard Serial Port 2
Auto BIOS will automatically setup the port 2 address.
3F8/IRQ4 Enable onboard Serial port 2 and address is 3F8/IRQ4.
2F8/IRQ3 Enable onboard Serial port 2 and address is 2F8/IRQ3. (Default value)
3E8/IRQ4 Enable onboard Serial port 2 and address is 3E8/IRQ4.
2E8/IRQ3 Enable onboard Serial port 2 and address is 2E8/IRQ3.
Disabled Disable onboard Serial port 2.
Onboard Parallel port
Disabled Disable onboard LPT port.
378/IRQ7 Enable onboard LPT port and address is 378/IRQ7. (Default value)
278/IRQ5 Enable onboard LPT port and address is 278/IRQ5.
3BC/IRQ7 Enable onboard LPT port and address is 3BC/IRQ7.
Parallel Port Mode
SPP Using Parallel port as Standard Parallel Port. (Default value)
EPP Using Parallel port as Enhanced Parallel Port.
ECP Using Parallel port as Extended Capabilities Port.
ECP+EPP Using Parallel port as ECP & EPP mode.

GA-8I915MD-G/GA-8I915MD-GV Motherboard - 40 -
English
2-4 Power Management Setup
ACPI Suspend Type
S1(POS) Set ACPI suspend type to S1/POS(Power On Suspend). (Default value)
S3(STR) Set ACPI suspend type to S3/STR(Suspend To RAM).
Soft-Off by PWR-BTTN
Instant-Off Press power button then Power off instantly. (Default value)
Delay 4 Sec. Press power button 4 seconds to Power off. Enter suspend if button is pressed less
than 4 seconds.
PME Event Wake Up
Disabled Disable this function.
Enabled Enable PME Event Wake up. (Default value)
Power On by Ring
Disabled Disable Power on by Ring function.
Enabled Enable Power on by Ring function. (Default value)
Resume by Alarm
You can set "Resume by Alarm" item to enabled and key in Date/Time to power on system.
Disabled Disable this function. (Default value)
Enabled Enable alarm function to POWER ON system.
If Resume by Alarm is Enabled.
Date (of Month) Alarm : Everyday, 1~31
Time (hh: mm: ss) Alarm : (0~23) : (0~59) : (0~59)
Power On By Mouse
Disabled Disabled this function. (Default value)
Double Click Double click on PS/2 mouse left button to power on the system.
CMOS Setup Utility-Copyright (C) 1984-2005 Award Software
Power Management Setup
ACPI Suspend Type [S1(POS)]
Soft-Off by PWR-BTTN [Instant-Off]
PME Event Wake Up [Enabled]
Power On by Ring [Enabled]
Resume by Alarm [Disabled]
x Date (of Month) Alarm Everyday
x Time (hh:mm:ss) Alarm 0 : 0 : 0
Power On By Mouse [Disabled]
Power On By Keyboard [Disabled]
x KB Power ON Password Enter
AC BACK Function [Soft-Off]
KLJI: Move Enter: Select +/-/PU/PD: Value F10: Save ESC: Exit F1: General Help
F5: Previous Values F6: Fail-Safe Defaults F7: Optimized Defaults
Item Help
Menu Level`
[S1]
Set suspend type to
Power On Suspend under
ACPI OS
[S3]
Set suspend type to
Suspend to RAM under
ACPI OS
ECP Mode Use DMA
3 Set ECP Mode Use DMA to 3. (Default value)
1 Set ECP Mode Use DMA to 1.

BIOS Setup- 41 -
English
2-5 PnP/PCI Configurations
PCI1 IRQ Assignment
Auto Auto assign IRQ to PCI 1. (Default value)
3,4,5,7,9,10,11,12,14,15 Set IRQ 3,4,5,7,9,10,11,12,14,15 to PCI 1.
PCI2 IRQ Assignment
Auto Auto assign IRQ to PCI 2. (Default value)
3,4,5,7,9,10,11,12,14,15 Set IRQ 3,4,5,7,9,10,11,12,14,15 to PCI 2.
PCI3 IRQ Assignment
Auto Auto assign IRQ to PCI 3. (Default value)
3,4,5,7,9,10,11,12,14,15 Set IRQ 3,4,5,7,9,10,11,12,14,15 to PCI 3.
CMOS Setup Utility-Copyright (C) 1984-2005 Award Software
PnP/PCI Configurations
PCI1 IRQ Assignment [Auto]
PCI2 IRQ Assignment [Auto]
PCI3 IRQ Assignment [Auto]
KLJI: Move Enter: Select +/-/PU/PD: Value F10: Save ESC: Exit F1: General Help
F5: Previous Values F6: Fail-Safe Defaults F7: Optimized Defaults
Item Help
Menu Level`
Device(s) using this
INT:
Power On By Keyboard
Password Enter from 1 to 5 characters to set the Keyboard Power On Password.
Disabled Disabled this function. (Default value)
Keyboard 98 If your keyboard have "POWER Key" button, you can press the key to power on
the system.
KB Power ON Password
When "Power On by Keyboard" set at Password, you can set the password here.
Enter Input password (from 1 to 5 characters) and press Enter to set the Keyboard
Power On password.
AC BACK Function
Soft-Off When AC-power back to the system, the system will be in "Off" state.
(Default value)
Full-On When AC-power back to the system, the system always in "On" state.
Memory When AC-power back to the system, the system will return to the Last state
before AC-power off.

GA-8I915MD-G/GA-8I915MD-GV Motherboard - 42 -
English
2-6 PC Health Status
Reset Case Open Status
Disabled Don't reset case open status. (Default value)
Enabled Clear case open status at next boot.
Case Opened
If the case is closed, "Case Opened" will show "No". If the case has been opened, "Case Opened"
will show "Yes". If you want to reset "Case Opened" value, set "Reset Case Open Status" to
Enabled then save BIOS setup and restart your system.
Current Voltage(V) Vcore / DDR18V / +3.3V / +12V
Detect system's voltage status automatically.
Current CPU Temperature
Detect CPU temperature automatically.
Current CPU/SYSTEM FAN Speed (RPM)
Detect CPU/SYSTEM fan speed status automatically.
CPU Warning Temperature
60oC / 140oF Monitor CPU temperature at 60oC / 140oF.
70oC / 158oF Monitor CPU temperature at 70oC / 158oF.
80oC / 176oF Monitor CPU temperature at 80oC / 176oF.
90oC / 194oF Monitor CPU temperature at 90oC / 194oF.
Disabled Disable this function. (Default value)
CPU/SYSTEM FAN Fail Warning
Disabled Disable fan fail warning function. (Default value)
Enabled Enable fan fail warning function.
CMOS Setup Utility-Copyright (C) 1984-2005 Award Software
PC Health Status
Reset Case Open Status [Disabled]
Case Opened No
Vcore OK
DDR18V OK
+3.3V OK
+12V OK
Current CPU Temperature 33oC
Current CPU FAN Speed 4687 RPM
Current SYSTEM FAN Speed 0 RPM
CPU Warning Temperature [Disabled]
CPU FAN Fail Warning [Disabled]
SYSTEM FAN Fail Warning [Disabled]
CPU Smart FAN Control [Enabled]
CPU Smart FAN Mode [Auto]
KLJI: Move Enter: Select +/-/PU/PD: Value F10: Save ESC: Exit F1: General Help
F5: Previous Values F6: Fail-Safe Defaults F7: Optimized Defaults
Item Help
Menu Level`

BIOS Setup- 43 -
English
CPU Smart FAN Control (Note)
Disabled Disable this function.
Enabled When this function is enabled, CPU fan will run at different speed depending on
CPU temperature. Users can adjust the fan speed with Easy Tune based on
their requirements. (Default value)
CPU Smart FAN Mode
This option is available only when CPU Smart FAN Control is enabled.
Auto BIOS autodetects the type of CPU fan you installed and sets the optimal CPU Smart
FAN control mode for it. (Default value)
Voltage Set to Voltage when you use a CPU fan with a 3-pin fan power cable.
PWM Set to PWM when you use a CPU fan with a 4-pin fan power cable.
In fact, the Voltage option can be used for CPU fans with 3-pin or 4-pin power cables. However,
some 4-pin CPU fan power cables are not designed following Intel 4-wire fans PWM control
specifications. With such CPU fans, selecting PWM will not effectively reduce the fan speed.
(Note) Whether the CPU Smart FAN Control function is supported will depend on the CPU you install.
For more detailed information please check at the FAQ section on GIGABYTE's website.

GA-8I915MD-G/GA-8I915MD-GV Motherboard - 44 -
English
2-7 Frequency/Voltage Control
CMOS Setup Utility-Copyright (C) 1984-2005 Award Software
Frequency/Voltage Control
CPU Clock Ratio (Note) [15X]
Memory Frequency For [Auto]
Memory Frequency (Mhz) 533
KLJI: Move Enter: Select +/-/PU/PD: Value F10: Save ESC: Exit F1: General Help
F5: Previous Values F6: Fail-Safe Defaults F7: Optimized Defaults
Item Help
Menu Level`
Set CPU Ratio if CPU
Ratio is unlocked
CPU Clock Ratio(Note)
This setup option will automatically assign by CPU detection.
The option will display "Locked" and read only if the CPU ratio is not changeable.
Memory Frequency For
Wrong frequency may make system can't boot, clear CMOS to overcome wrong frequency issue.
for FSB(Front Side Bus) frequency=533MHz,
3.00 Memory Frequency = Host clock X 3.00.
4 .00 Memory Frequency = Host clock X 4.00.
Auto Set Memory frequency by DRAM SPD data. (Default value)
for FSB(Front Side Bus) frequency=800MHz,
2.00 Memory Frequency = Host clock X 2.00.
2.66 Memory Frequency = Host clock X 2.66.
Auto Set Memory frequency by DRAM SPD data. (Default value)
Memory Frequency (Mhz)
The values depend on Memory Frequency For setting.
Incorrect using these features may cause your system broken. For power end-user use only.
(Note) This item will show up when you install a processor that supports this function.

BIOS Setup- 45 -
English
2-9 Load Optimized Defaults
2-8 Load Fail-Safe Defaults
Fail-Safe defaults contain the most appropriate values of the system parameters that allow minimum
system performance.
Selecting this field loads the factory defaults for BIOS and Chipset Features which the system automati-
cally detects.
CMOS Setup Utility-Copyright (C) 1984-2005 Award Software
`Standard CMOS Features
`Advanced BIOS Features
`Integrated Peripherals
`Power Management Setup
`PnP/PCI Configurations
`PC Health Status
`Frequency/Voltage Control
Esc: Quit KLJI: Select Item
F8: Q-Flash F10: Save & Exit Setup
Load Fail-Safe Defaults
Load Fail-Safe Defaults
Load Optimized Defaults
Set Supervisor Password
Set User Password
Save & Exit Setup
Exit Without Saving
Load Fail-Safe Defaults (Y/N)? N
CMOS Setup Utility-Copyright (C) 1984-2005 Award Software
`Standard CMOS Features
`Advanced BIOS Features
`Integrated Peripherals
`Power Management Setup
`PnP/PCI Configurations
`PC Health Status
`Frequency/Voltage Control
Esc: Quit KLJI: Select Item
F8: Q-Flash F10: Save & Exit Setup
Load Optimized Defaults
Load Fail-Safe Defaults
Load Optimized Defaults
Set Supervisor Password
Set User Password
Save & Exit Setup
Exit Without Saving
Load Optimized Defaults (Y/N)? N

GA-8I915MD-G/GA-8I915MD-GV Motherboard - 46 -
English
2-10 Set Supervisor/User Password
When you select this function, the following message will appear at the center of the screen to assist
you in creating a password.
Type the password, up to eight characters, and press <Enter>. You will be asked to confirm the
password. Type the password again and press <Enter>. You may also press <Esc> to abort the
selection and not enter a password.
To disable password, just press <Enter> when you are prompted to enter password. A message
"PASSWORD DISABLED" will appear to confirm the password being disabled. Once the password is
disabled, the system will boot and you can enter Setup freely.
The BIOS Setup program allows you to specify two separate passwords:
SUPERVISOR PASSWORD and a USER PASSWORD. When disabled, anyone may access all BIOS
Setup program function. When enabled, the Supervisor password is required for entering the BIOS
Setup program and having full configuration fields, the User password is required to access only basic
items.
If you select "System" at "Password Check" in Advance BIOS Features Menu, you will be prompted
for the password every time the system is rebooted or any time you try to enter Setup Menu.
If you select "Setup" at "Password Check" in Advance BIOS Features Menu, you will be prompted only
when you try to enter Setup.
CMOS Setup Utility-Copyright (C) 1984-2005 Award Software
`Standard CMOS Features
`Advanced BIOS Features
`Integrated Peripherals
`Power Management Setup
`PnP/PCI Configurations
`PC Health Status
`Frequency/Voltage Control
Esc: Quit KLJI: Select Item
F8: Q-Flash F10: Save & Exit Setup
Change/Set/Disable Password
Load Fail-Safe Defaults
Load Optimized Defaults
Set Supervisor Password
Set User Password
Save & Exit Setup
Exit Without Saving
Enter Password:

BIOS Setup- 47 -
English
2-11 Save & Exit Setup
Type "Y" will quit the Setup Utility and save the user setup value to RTC CMOS.
Type "N" will return to Setup Utility.
2-12 Exit Without Saving
Type "Y" will quit the Setup Utility without saving to RTC CMOS.
Type "N" will return to Setup Utility.
CMOS Setup Utility-Copyright (C) 1984-2005 Award Software
`Standard CMOS Features
`Advanced BIOS Features
`Integrated Peripherals
`Power Management Setup
`PnP/PCI Configurations
`PC Health Status
`Frequency/Voltage Control
Esc: Quit KLJI: Select Item
F8: Q-Flash F10: Save & Exit Setup
Save & Exit Setup
Load Fail-Safe Defaults
Load Optimized Defaults
Set Supervisor Password
Set User Password
Save & Exit Setup
Exit Without Saving
Save to CMOS and EXIT (Y/N)? Y
CMOS Setup Utility-Copyright (C) 1984-2005 Award Software
`Standard CMOS Features
`Advanced BIOS Features
`Integrated Peripherals
`Power Management Setup
`PnP/PCI Configurations
`PC Health Status
`Frequency/Voltage Control
Esc: Quit KLJI: Select Item
F8: Q-Flash F10: Save & Exit Setup
Abandon all Data
Load Fail-Safe Defaults
Load Optimized Defaults
Set Supervisor Password
Set User Password
Save & Exit Setup
Exit Without Saving
Quit Without Saving (Y/N)? N

GA-8I915MD-G/GA-8I915MD-GV Motherboard - 48 -
English

Drivers Installation- 49 -
English
Pictures below are shown in Windows XP.
Insert the driver CD-title that came with your motherboard into your CD-ROM drive, the driver
CD-title will auto start and show the installation guide. If not, please double click the CD-ROM
device icon in "My computer", and execute the Run.exe.
Chapter 3Drivers Installation
3-1 Install Chipset Drivers
After insert the driver CD, "Xpress Install" will scan automatically the system and then list all the drivers that
recommended to install. Please pick the item that you want and press "install" followed the item; or you can
press "Xpress Install" to install all items defaulted.
Some device drivers will restart your system automatically. After restarting
your system the "Xpress Install" will continue to install other drivers.
System will reboot automatically after install the drivers, afterward you can
install others application.
For USB2.0 driver support under Windows XP operating system, please
use Windows Service Pack. After install Windows Service Pack, it will show
a question mark "?" in "Universal Serial Bus controller" under "Device
Manager". Please remove the question mark and restart the system (System
will auto-detect the right USB2.0 driver).

GA-8I915MD-G/GA-8I915MD-GV Motherboard - 50 -
English
3-2 Software Applications
This page displays all the tools that Gigabyte developed and some free software, you can choose anyone
you want and press "install" to install them.
3-3 Driver CD Information
This page lists the contents of software and drivers in this CD-title.

Drivers Installation- 51 -
English
3-4 Hardware Information
This page lists all device you have for this motherboard.
3-5 Contact Us
Please see the last page for details.

GA-8I915MD-G/GA-8I915MD-GV Motherboard - 52 -
English

Appendix- 53 -
English
Chapter 4 Appendix
4-1 Unique Software Utilities
M.I.T. (Motherboard Intelligent Tweaker)
Motherboard Intelligent Tweaker (M.I.T.) allows user to access and change BIOS feature
settings with relative speed and ease. Through GIGABYTE M.I.T. feature the user is no longer
required to switch into different modes within BIOS setup in order to change system settings
such as the CPU system bus, memory timings or to enabled Gigabyte's unique
C.I.A. 2 and M.I.B. 2 features. M.I.T.'s integration of all platform performance settings into a
single mode now gives any user the ability to control and enhance their computer system to
the desired level.
C.I.A.2 (CPU Intelligent Accelerator 2)
GIGABYTE CPU Intelligent Accelerator 2(C.I.A. 2) is designed to automatically adjust CPU
computing power to maximize system performance. When enabled, the program detects the
current CPU loading and automatically accelerates the CPU computing performance to allow
for a faster and smoother execution of programs. When the function is disabled, the CPU is
returned to its initial status.
M.I.B.2 (Memory Intelligent Booster 2)
Built on the original M.I.B., the new Memory Intelligent Booster 2 (M.I.B. 2) is designed espe-
cially to maximize memory performance and boost memory bandwidth up to 10%. With added
branded memory module information, users are able to optimize memory
performance by selecting from a recommended memory module list.
S.O.S. (System Overclock Saver)
System Overclock Saver (S.O.S.) is a unique feature that eliminates system boot-up errors
resulting from system over-enhancement by the user. With GIGABYTE's proprietary
S.O.S. feature, users no longer need to open up the PC chassis and short-circuit the "Clear
CMOS" pins or the battery on the motherboard to reset the system back to factory default
settings. Instead, S.O.S. automatically resets the overclocked system settings back to their
factory defaults to provide a more user-friendly and reliable platform for users.
Download Center
Download Center allows users to quickly download and update their BIOS as well as the latest
drivers for their system. Download Center automatically runs a system check of the user PC
and provides the user with the current system information as well as displaying a detailed list
of all new drivers with the option for download.
U-PLUS D.P.S. (Universal Plus Dual Power System)
The U-Plus Dual Power System (U-Plus DPS) is a revolutionary eight-phase power circuit built
for ultimate system protection. Designed to withstand varying current levels and changes, the
U-Plus D.P.S. provides an immensely durable and stable power circuit to the CPU for solid
system stability. These characteristics make it the ideal companion with the latest LGA775
Intel® Pentium® 4 Processor as well as future Intel® processors. As well, 4 blue LED's are
mounted on the U-Plus D.P.S. for intelligent indication of system loading.
(Not all model support these Unique Software Utilities, please check your MB features.)
C.O.M. (Corporate Online Management)
A web-based system management tool that allows system hardware information such as CPU,
memory, graphics card, etc. to be monitored and controlled via the Internet, C.O.M. allows
corporate MIS engineers to easily maintain corporate computers such as providing the most
up-to-date drivers and BIOS.(Do not use C.O.M. and @BIOS at the same time.)

GA-8I915MD-G/GA-8I915MD-GV Motherboard - 54 -
English
4-1-1 EasyTune 5 Introduction
EasyTune 5 presents the most convenient Windows based system performance enhancement and
manageability utility. Featuring several powerful yet easy to use tools such as 1) Overclocking for
enhancing system performance, 2) C.I.A. and M.I.B. for special enhancement for CPU and Memory,
3) Smart-Fan control for managing fan speed control of both CPU cooling fan and North-Bridge Chipset
cooling fan, 4) PC health for monitoring system status.(Note)
User Interface Overview
(Note) EasyTune 5 functions may vary depending on different motherboards.
Button / Display Description
1. Overclocking Enters the Overclocking setting page
2. C.I.A./C.I.A.2 and M.I.B./M.I.B.2 Enters the C.I.A./2 and M.I.B./2 setting page
3. Smart-Fan Enters the Smart-Fan setting page
4. PC Health Enters the PC Health setting page
5. GO Confirmation and Execution button
6. "Easy Mode" & "Advance Mode" Toggles between Easy and Advance Mode
7. Display screen Display panel of CPU frequency
8. Function display LEDs Shows the current functions status
9. GIGABYTE Logo Log on to GIGABYTE website
10. Help button Display EasyTuneTM 5 Help file
11. Exit or Minimize button Quit or Minimize EasyTuneTM 5 software

Appendix- 55 -
English
4-1-2 Xpress Recovery2 Introduction
Xpress Recovery2 is designed to provide quick backup and restora-
tion of hard disk data. Supporting Microsoft operating systems including
Windows XP/2000/NT/98/Me and DOS, and file systems including
FAT16, FAT32, and NTFS, Xpress Recovery2 is able to back up data
How to use the Xpress Recovery2
Initial access by booting from CD-ROM and subsequent access by pressing the F9 key:
Steps: After entering BIOS Setup, go to Advanced BIOS Feature and set to boot from CD-ROM. Save
the settings and exit the BIOS Setup. Insert the provided driver CD into your CD-ROM drive. Upon
system restart, the message which says "Boot from CD/DVD:" will appear in the bottom left corner
of the screen. Press any key to enter Xpress Recovery2.
After the steps above are completed, subsequent access to Xpress Recovery2 can be made
by simply pressing the <F9> key during system power-on.
Boot from CD/DVD:
.
.
Boot from CD/DVD:
Press any key to startup XpressRecovery2.....
<F9> Xpress Recovery2
Award Modular BIOS v6.00PG, An Energy Star Ally
Copyright (C) 1984-2005, Award Software, Inc.
Intel 915 BIOS for 8I915MD-G F4
.
.
.
.
<DEL>:BIOS Setup/Q-Flash, <F9>: Xpress Recovery2, <F12>For Boot Menu
11/07/2005-I915-6A79HG0GC-00
1. If you have already entered Xpress Recovery2 by booting from the CD-ROM, you can
enter Xpress Recovery2 by pressing the <F9> key in the future.
2. System storage capacity and the reading/writing speed of the hard disk will affect
the data backup speed.
3. It is recommended that Xpress Recovery2 be immediately installed once you com-
plete installations of OS and all required drivers as well as software.
on hard disks on PATA and SATA IDE controllers. After Xpress Recovery2 is executed from CD-ROM
for the first time, it will stay permanent in your hard disk. If you wish to run Xpress Recovery2 later, you
can simply press F9 during system bootup to enter Xpress Recovery2 without the CD-ROM.
System requirements:
1. Intel x86 platforms
2. At least 64M bytes of system memory
3. VESA-supported VGA cards

GA-8I915MD-G/GA-8I915MD-GV Motherboard - 56 -
English
1. RESTORE:
Restore the backed-up data to your hard disk.
(This button will not appear if there is no backup
file.)
2. BACKUP:
Back up data from hard disk.
3. REMOVE:
Remove previously-created backup files
to release disk space.
(This button will not appear if there is no backup
file.)
4. REBOOT:
Exit the main screen and restart the system.
The Main Screen of Xpress Recovery2
Limitations:
1. Not compatible to Xpress Recovery.
2. For the use of Xpress Recovery2, a primary partition must be reserved.
3. Xpress Recovery2 will store the backup file at the end of the hard disk, so free space available
on the hard disk for the backup file must be allocated in advance. (A minimum 4GB is recom-
mended but the actual space is dependent on the size of the data to be backed up)
4. Capable of backing up hard disks installed with Windows operating systems including DOS and
Windows XP/2000/NT/9x/Me.
5. USB hard disks are currently not supported.
6. Does not support RAID/AHCI (class code 0104/0106) hard disks.
7. Capable of backing up and restoring only the first physical hard disk.
Hard disks detection sequence is as follows:
a. PATA IDE primary channel
b. PATA IDE secondary channel
c. SATA IDE channel 1
d. SATA IDE channel 2
e. SATA IDE channel 3
f. SATA IDE channel 4
Precautions:
1. When using hard disks with more than 128G under Windows 2000, be sure to execute the
EnableBigLba.exe program from the driver CD before data backup.
2. It is normal that data backup takes longer time than data restoration.
3. Xpress Recovery2 is compliant with the GPL regulations.
4. On a few motherboards based on Nvidia chipsets, BIOS update is required for Xpress Recovery2
to correctly identify RAID and SATA IDE mode. Please contact your motherboard manufacturer.
5. Xpress Recovery2 supports only PATA hard disks and not SATA hard disks on the following
motherboards (As this is a BIOS-related issue, it can be solved by BIOS update)
GA-K8NXP-9
GA-K8N Ultra-9
GA-K8NF-9 (PCB Ver. 1.0)
GA-K8NE (PCB Ver. 1.0)
GA-K8NMF-9
GA-8N-SLI Royal
GA-8N-SLI Pro
GA-8N-SLI

Appendix- 57 -
English
Method 1 : Q-FlashTM Utility
Q-FlashTM is a BIOS flash utility embedded in Flash ROM. With this utility,
users only have to stay in the BIOS menu when they want to update
BIOS. Q-FlashTM allows users to flash BIOS without any utility in DOS or
Windows. Using Q-FlashTM indicating no more fooling around with any complicated instructions and
operating system since it is in the BIOS menu.
Please note that because updating BIOS has potential risk, please do it with caution!! We are
sorry that Gigabyte Technology Co., Ltd is not responsible for damages of system because of
incorrect manipulation of updating BIOS to avoid any claims from end-users.
Before You Begin:
Before you start updating BIOS with the Q-FlashTM utility, please follow the steps below first.
1. Download the latest BIOS for your motherboard from Gigabyte's website.
2. Extract the BIOS file downloaded and save the BIOS file (the one with model name.Fxx. For example,
8KNXPU.Fba) to a floppy disk.
3. Reboot your PC and press Del to enter BIOS menu.
The BIOS upgrading guides below are separated into two parts.
If your motherboard has dual-BIOS, please refer to Part One.
If your motherboard has single-BIOS, please refer to Part Two.
Part One:
Updating BIOS with Q-FlashTM Utility on Dual BIOS Motherboards.
Some of Gigabyte motherboards are equipped with dual BIOS. In the BIOS menu of the motherboards
supporting Q-Flash and Dual BIOS, the Q-Flash utility and Dual BIOS utility are combined in the same
screen. This section only deals with how to use Q-Flash utility.
In the following sections, we take GA-8KNXP Ultra as the example to guide you how to flash BIOS
from an older version to the latest version. For example, from Fa3 to Fba.
4-1-3 Flash BIOS Method Introduction
Intel i875P AGPset BIOS for 8KNXP Ultra Fa3
Check System Health OK , VCore = 1.5250
Main Processor : Intel Pentium(R) 4 1.6GHz (133x12)
<CPUID : 0F27 Patch ID : 0027>
Memory Testing : 131072K OK
Memory Frequency 266 MHz in Single Channel
Primary Master : FUJITSU MPE3170AT ED-03-08
Primary Slave : None
Secondary Master : CREATIVEDVD-RM DVD1242E BC101
Secondary Slave : None
Press DEL to enter SETUP / Dual BIOS / Q-Flash / F9 For
Xpress Recovery
08/07/2003-i875P-6A79BG03C-00
Award Modular BIOS v6.00PG, An Energy Star Ally
Copyright (C) 1984-2003, Award Software, Inc.
The BIOS file is Fa3
before updating

GA-8I915MD-G/GA-8I915MD-GV Motherboard - 58 -
English
Entering the Q-FlashTM utility:
CMOS Setup Utility-Copyright (C) 1984-2004 Award Software
Standard CMOS Features
Advanced BIOS Features
Integrated Peripherals
Power Management Setup
PnP/PCI Configurations
PC Health Status
MB Intelligent Tweaker(M.I.T.)
Select Language
Load Fail-Safe Defaults
Load Optimized Defaults
Set Supervisor Password
Set User Password
Save & Exit Setup
Exit Without Saving
ESC: Quit F3: Change Language
F8: Dual BIOS/Q-Flash F10: Save & Exit Setup
Time, Date, Hard Disk Type...
Step 2: Press F8 button on your keyboard and then Y button to enter the Dual BIOS/Q-Flash utility.
Step1: To use Q-Flash utility, you must press Del in the boot screen to enter BIOS menu.
Exploring the Q-FlashTM / Dual BIOS utility screen
The Q-Flash / Dual BIOS utility screen consists of the following key components.
Task menu for Dual BIOS utility:
Contains the names of eight tasks and two item showing information about the BIOS ROM type. Blocking a
task and pressing Enter key on your keyboard to enable execution of the task.
Task menu for Q-Flash utility:
Contains the names of four tasks. Blocking a task and pressing Enter key on your keyboard to enable execu-
tion of the task.
Action bar:
Contains the names of four actions needed to operate the Q-Flash/Dual BIOS utility. Pressing the buttons
mentioned on your keyboards to perform these actions.
Dual BIOS Utility
Boot From......................................... Main Bios
Main ROM Type/Size.............................SST 49LF003A 512K
Backup ROM Type/Size.........................SST 49LF003A 512K
Wide Range Protection Disable
Boot From Main Bios
Auto Recovery Enable
Halt On Error Disable
Copy Main ROM Data to Backup
Load Default Settings
Save Settings to CMOS
Q-Flash Utility
Load Main BIOS from Floppy
Load Backup BIOS from Floppy
Save Main BIOS to Floppy
Save Backup BIOS to Floppy
Enter : Run :Move ESC:Reset F10:Power Off
Task menu for
Dual BIOS
utility
Task menu for
Q-FlashTM utility
Dual BIOS utility bar
Q-FlashTM utility title
bar
Action bar

Appendix- 59 -
English
Dual BIOS Utility
Boot From......................................... Main Bios
Main ROM Type/Size.............................SST 49LF003A 512K
Backup ROM Type/Size.........................SST 49LF003A 512K
Wide Range Protection Disable
Boot From Main Bios
Auto Recovery Enable
Halt On Error Disable
Copy Main ROM Data to Backup
Load Default Settings
Save Settings to CMOS
Q-Flash Utility
Load Main BIOS from Floppy
Load Backup BIOS from Floppy
Save Main BIOS to Floppy
Save Backup BIOS to Floppy
Enter : Run :Move ESC:Reset F10:Power Off
Using the Q-FlashTM utility:
This section tells you how to update BIOS using the Q-Flash utility. As described in the "Before you begin"
section above, you must prepare a floppy disk having the BIOS file for your motherboard and insert it to your
computer. If you have already put the floppy disk into your system and have entered the Q-Flash utility,
please follow the steps below to flash BIOS.
Steps:
1. Press arrow buttons on your keyboard to move the light bar to "Load Main BIOS from Floppy" item in
the Q-Flash menu and press Enter button.
Later, you will see a box pop up showing the BIOS files you previously downloaded to the floppy disk.
If you want to save the current BIOS for backup purpose, you can begin Step 1 with "Save Main
BIOS to Floppy" item.
2. Move to the BIOS file you want to flash and press Enter.
In this example, we only download one BIOS file to the floppy disk so only one BIOS file,
8KNXPU.Fba, is listed.
Please confirm again you have the correct BIOS file for your motherboard.
1 file(s) found
8KNXPU.Fba 512K
Total size : 1.39M Free size : 911.50K
F5 : Refresh DEL : Delete
BIOS file in the floppy
disk.
Dual BIOS Utility
Boot From......................................... Main Bios
Main ROM Type/Size.............................SST 49LF003A 512K
Backup ROM Type/Size.........................SST 49LF003A 512K
Wide Range Protection Disable
Boot From Main Bios
Auto Recovery Enable
Halt On Error Disable
Copy Main ROM Data to Backup
Load Default Settings
Save Settings to CMOS
Q-Flash Utility
Load Main BIOS from Floppy
Load Backup BIOS from Floppy
Save Main BIOS to Floppy
Save Backup BIOS to Floppy
Enter : Run :Move ESC:Reset F10:Power Off
Reading BIOS file from floppy ...
>>>>>>>>>>>>>>.....................
Don't Turn Off Power or Reset System
Do not trun off power or
reset your system at this
stage!!
After pressing Enter, you'll then see the progress of reading the BIOS file from the floppy disk.
After BIOS file is read, you'll see a confirmation dialog box asking you "Are you sure to update BIOS?"

GA-8I915MD-G/GA-8I915MD-GV Motherboard - 60 -
English
3. Press Y button on your keyboard after you are sure to update BIOS.
Then it will begin to update BIOS. The progress of updating BIOS will be displayed.
Dual BIOS Utility
Boot From......................................... Main Bios
Main ROM Type/Size.............................SST 49LF003A 512K
Backup ROM Type/Size.........................SST 49LF003A 512K
Wide Range Protection Disable
Boot From Main Bios
Auto Recovery Enable
Halt On Error Disable
Copy Main ROM Data to Backup
Load Default Settings
Save Settings to CMOS
Q-Flash Utility
Load Main BIOS from Floppy
Load Backup BIOS from Floppy
Save Main BIOS to Floppy
Save Backup BIOS to Floppy
Enter : Run :Move ESC:Reset F10:Power Off
!! Copy BIOS completed - Pass !!
Please press any key to continue
Please do not take out the floppy disk when it begins flashing BIOS.
4. Press any keys to return to the Q-Flash menu when the BIOS updating procedure is completed.
You can repeat Step 1 to
4 to flash the backup
BIOS, too.
Dual BIOS Utility
Boot From......................................... Main Bios
Main ROM Type/Size.............................SST 49LF003A 512K
Backup ROM Type/Size.........................SST 49LF003A 512K
Wide Range Protection Disable
Boot From Main Bios
Auto Recovery Enable
Halt On Error Disable
Copy Main ROM Data to Backup
Load Default Settings
Save Settings to CMOS
Q-Flash Utility
Load Main BIOS from Floppy
Load Backup BIOS from Floppy
Save Main BIOS to Floppy
Save Backup BIOS to Floppy
Enter : Run :Move ESC:Reset F10:Power Off
Are you sure to RESET ?
[Enter] to continure or [Esc] to abort...
5. Press Esc and then Y button to exit the Q-Flash utility. The computer will restart automatically after
you exit Q-Flash.
After system reboots, you may find the BIOS version on your boot screen becomes the one you flashed.
Intel i875P AGPset BIOS for 8KNXP Ultra Fba
Check System Health OK , VCore = 1.5250
Main Processor : Intel Pentium(R) 4 1.6GHz (133x12)
<CPUID : 0F27 Patch ID : 0027>
Memory Testing : 131072K OK
Memory Frequency 266 MHz in Single Channel
Primary Master : FUJITSU MPE3170AT ED-03-08
Primary Slave : None
Secondary Master : CREATIVEDVD-RM DVD1242E BC101
Secondary Slave : None
Press DEL to enter SETUP / Dual BIOS / Q-Flash / F9 For Xpress Recovery
09/23/2003-i875P-6A79BG03C-00
Award Modular BIOS v6.00PG, An Energy Star Ally
Copyright (C) 1984-2003, Award Software, Inc.
The BIOS file
becomes Fab after
updating.

Appendix- 61 -
English
CMOS Setup Utility-Copyright (C) 1984-2004 Award Software
Standard CMOS Features
Advanced BIOS Features
Integrated Peripherals
Power Management Setup
PnP/PCI Configurations
PC Health Status
MB Intelligent Tweaker(M.I.T.)
ESC: Quit F3: Change Language
F8: Dual BIOS/Q-Flash F10: Save & Exit Setup
Time, Date, Hard Disk Type...
6. Press Del to enter BIOS menu after system reboots. When you are in BIOS menu, move to
Load Fail-Safe Defaults item and press Enter to load BIOS Fail-Safe Defaults. Normally the system
redetects all devices after BIOS has been upgraded. Therefore, we highly recommend reloading the
BIOS defaults after BIOS has been upgraded.
Select Language
Load Fail-Safe Defaults
Load Optimized Defaults
Set Supervisor Password
Set User Password
Save & Exit Setup
Exit Without Saving
Load Fail-Safe Defaults (Y/N)? Y
Press Y on your keyboard to load defaults.
CMOS Setup Utility-Copyright (C) 1984-2004 Award Software
Standard CMOS Features
Advanced BIOS Features
Integrated Peripherals
Power Management Setup
PnP/PCI Configurations
PC Health Status
MB Intelligent Tweaker(M.I.T.)
ESC: Quit F3: Change Language
F8: Dual BIOS/Q-Flash F10: Save & Exit Setup
Time, Date, Hard Disk Type...
7. Select Save & Exit Setup item to save the settings to CMOS and exit the BIOS menu.
System will reboot after you exit the BIOS menu. The procedure is completed.
Select Language
Load Fail-Safe Defaults
Load Optimized Defaults
Set Supervisor Password
Set User Password
Save & Exit Setup
Exit Without Saving
Save to CMOS and EXIT (Y/N)? Y
Press Y on your keyboard to save and exit.
Part Two:
Updating BIOS with Q-FlashTM Utility on Single-BIOS Motherboards.
This part guides users of single-BIOS motherboards how to update BIOS using the Q-FlashTM utility.
CMOS Setup Utility-Copyright (C) 1984-2004 Award Software
Standard CMOS Features
Advanced BIOS Features
Integrated Peripherals
Power Management Setup
PnP/PCI Configurations
PC Health Status
MB Intelligent Tweaker(M.I.T.)
Top Performance
Load Fail-Safe Defaults
Load Optimized Defaults
Set Supervisor Password
Set User Password
Save & Exit Setup
Exit Without Saving
ESC: Quit F3: Change Language
F8: Q-Flash F10: Save & Exit Setup
Time, Date, Hard Disk Type...

GA-8I915MD-G/GA-8I915MD-GV Motherboard - 62 -
English
Exploring the Q-FlashTM utility screen
The Q-FlashBIOS utility screen consists of the following key components.
Task menu for Q-Flash utility:
Contains the names of three tasks. Blocking a task and pressing Enter key on your keyboard to enable
execution of the task.
Action bar:
Contains the names of four actions needed to operate the Q-Flash utility. Pressing the buttons mentioned on
your keyboards to perform these actions.
Using the Q-FlashTM utility:
This section tells you how to update BIOS using the Q-Flash utility. As described in the "Before you begin"
section above, you must prepare a floppy disk having the BIOS file for your motherboard and insert it to your
computer. If you have already put the floppy disk into your system and have entered the Q-Flash utility,
please follow the steps below to flash BIOS.
Steps:
1. Press arrow buttons on your keyboard to move the light bar to "Update BIOS from Floppy" item in the
Q-Flash menu and press Enter button.
Later, you will see a box pop up showing the BIOS files you previously downloaded to the floppy disk.
If you want to save the current BIOS for backup purpose, you can begin Step 1 with "Save BIOS
to Floppy" item.
2. Move to the BIOS file you want to flash and press Enter.
In this example, we only download one BIOS file to the floppy disk so only one BIOS file,
8GE800.F4, is listed.
Please confirm again you have the correct BIOS file for your motherboard.
Q-Flash Utility V1.30
Flash Type/Size.................................SST 49LF003A 256K
Keep DMI Data Enable
Update BIOS from Floppy
Save BIOS to Floppy
Enter : Run :Move ESC:Reset F10:Power Off
1 file(s) found
8GE800.F4 256K
Total size : 1.39M Free size : 1.14M
F5 : Refresh DEL : Delete
BIOS file in the floppy
disk.
Q-Flash Utility V1.30
Flash Type/Size.................................SST 49LF003A 256K
Keep DMI Data Enable
Update BIOS from Floppy
Save BIOS to Floppy
Enter : Run :Move ESC:Reset F10:Power Off
Reading BIOS file from floppy ...
>>>>>>>>>>>>>>.....................
Don't Turn Off Power or Reset System
Do not trun off power or
reset your system at
this stage!!
After BIOS file is read, you'll see a confirmation dialog box asking you "Are you sure to update BIOS?"
Please do not take out the floppy disk when it begins flashing BIOS.
Q-Flash Utility V1.30
Flash Type/Size.................................SST 49LF003A 256K
Keep DMI Data Enable
Update BIOS from Floppy
Save BIOS to Floppy
Enter : Run :Move ESC:Reset F10:Power Off
Task menu for
Q-FlashTM utility
Q-FlashTM utility bar
Action bar

Appendix- 63 -
English
3. Press Y button on your keyboard after you are sure to update BIOS.
Then it will begin to update BIOS. The progress of updating BIOS will be shown at the same time.
Q-Flash Utility V1.30
Flash Type/Size.................................SST 49LF003A 256K
Keep DMI Data Enable
Update BIOS from Floppy
Save BIOS to Floppy
Enter : Run :Move ESC:Reset F10:Power Off
Updating BIOS Now
>>>>>>>>>>>>>>>>>>>.........................
Don't Turn Off Power or Reset System
Do not trun off power or
reset your system
at this stage!!
4. Press any keys to return to the Q-Flash menu when the BIOS updating procedure is completed.
Q-Flash Utility V1.30
Flash Type/Size.................................SST 49LF003A 256K
Keep DMI Data Enable
Update BIOS from Floppy
Save BIOS to Floppy
Enter : Run :Move ESC:Reset F10:Power Off
!! Copy BIOS completed - Pass !!
Please press any key to continue
5. Press Esc and then Y button to exit the Q-Flash utility. The computer will restart automatically after
you exit Q-Flash.
Q-Flash Utility V1.30
Flash Type/Size.................................SST 49LF003A 256K
Keep DMI Data Enable
Update BIOS from Floppy
Save BIOS to Floppy
Enter : Run :Move ESC:Reset F10:Power Off
Are you sure to RESET ?
[Enter] to continure or [Esc] to abort...
After system reboots, you may find the BIOS version on your boot screen becomes the one you flashed.
Intel 845GE AGPSet BIOS for 8GE800 F4
Check System Health OK
Main Processor : Intel Pentium(R) 4 1.7GHz (100x17.0)
<CPUID : 0F0A Patch ID : 0009>
Memory Testing : 122880K OK + 8192K Shared Memory
Primary Master : FUJITSU MPE3170AT ED-03-08
Primary Slave : None
Secondary Master : CREATIVEDVD-RM DVD1242E BC101
Secondary Slave : None
Press DEL to enter SETUP / Q-Flash
03/18/2003-I845GE-6A69YG01C-00
Award Modular BIOS v6.00PG, An Energy Star Ally
Copyright (C) 1984-2003, Award Software, Inc.
The BIOS file
becomes F4 after
updating
6. Press Del to enter BIOS menu after system reboots and "Load BIOS Fail-Safe Defaults". See how
to Load BIOS Fail-Safe Defaults, please kindly refer to Step 6 to 7 in Part One.
Congratulation!! You have updated BIOS successfully!!

GA-8I915MD-G/GA-8I915MD-GV Motherboard - 64 -
English
Method 2 : @BIOSTM Utility
If you do not have a DOS startup disk, we recommend that you use the
new @BIOS utility. @BIOS allows users to update their BIOS under
Windows. Just select the desired @BIOS server to download the latest
version of BIOS.
1. Methods and steps:
I. Update BIOS through Internet
a. Click "Internet Update" icon
b. Click "Update New BIOS" icon
c. Select @BIOSTM sever
d. Select the exact model name on your motherboard
e. System will automatically download and update the BIOS.
II. Update BIOS NOT through Internet:
a. Do not click "Internet Update" icon
b. Click "Update New BIOS"
c. Please select "All Files" in dialog box while opening the old file.
d. Please search for BIOS unzip file, downloading from internet or any other methods (such as:
8I915MDG.E2).
e. Complete update process following the instruction.
Fig 1. Installing the @BIOS utility Fig 2. Installation complete and run @BIOS
Fig 3. The @BIOS utility Fig 4. Select the desired @BIOS server
Select @BIOS item,
and click Install.
Click Start/ Programs/ GIGABYTE/@BIOS
Click ""Click "Update New BIOS"

Appendix- 65 -
English
III. Save BIOS
In the very beginning, there is "Save Current BIOS" icon shown in dialog box. It means to save the
current BIOS version.
IV. Check out supported motherboard and Flash ROM:
In the very beginning, there is "About this program" icon shown in dialog box. It can help you check out
which kind of motherboard and which brand of Flash ROM are supported.
2. Note:
I. In method I, if it shows two or more motherboard's model names to be selected, please make
sure your motherboard's model name again. Selecting wrong model name will cause the
system unbooted.
II. In method II, be sure that motherboard's model name in BIOS unzip file are the same as your
motherboard's. Otherwise, your system won't boot.
III. In method I, if the BIOS file you need cannot be found in @BIOSTM server, please go onto
Gigabyte's web site for downloading and updating it according to method II.
IV. Please note that any interruption during updating will cause system unbooted.
V. Do not use @BIOS and C.O.M. (Corporate Online Management) at the same time.

GA-8I915MD-G/GA-8I915MD-GV Motherboard - 66 -
English
4-1-4 2 / 4 / 6 Channel Audio Function Introduction
STEP 1:
Connect the stereo speakers or earphone to
"Line Out."
STEP 3:
On the AC97 Audio Configuration menu, click the
Speaker Configuration tab and select the
2-channel mode for stereo speaker output
check box.
2 Channel Audio Setup
We recommend that you use speakers with amplifier to get the best sound effect if the stereo output is
applied.
Line Out
STEP 2:
After installing the audio driver, you'll find a Sound
Effect icon on the lower right hand taskbar.
Click the icon to select the function.

Appendix- 67 -
English
4 Channel Analog Audio Output Mode
STEP 1:
Connect the front channels to "Line Out,"
the rear channels to "Line In."
STEP 3:
On the AC97 Audio Configuration menu, click the
Speaker Configuration tab and select the 4-chan-
nel mode for 4 speaker output check box.
Clear the Only SURROUND-KIT check box and
press OK.
When the Environment setting is None, the
sound would be performed as stereo mode
(2-channel output). Please select other settings (ex:
Living Room) for 4-channel output.
Line In
Line Out
STEP 2:
After installing the audio driver, you'll find a Sound
Effect icon on the lower right hand taskbar.
Click the icon to select the function.

GA-8I915MD-G/GA-8I915MD-GV Motherboard - 68 -
English
Use the back audio panel to connect the audio
output without any additional module.
STEP 1:
Connect the front channels to "Line Out",the rear
channels to "Line In", and the Center/Subwoofer
channels to "MIC In".
Basic 6 Channel Analog Audio Output Mode
STEP 3:
On the AC97 Audio Configuration menu, click the
Speaker Configuration tab and select the 6-chan-
nel mode for 5.1 speaker output check box.
Clear the Only SURROUND-KIT check box and
press OK.
Line Out
Line In
MIC In
When the Environment setting is None, the
sound would be performed as stereo mode
(2-channel output). Please select the other settings
for 6 channels output.
Basic 6 Channel Analog Audio Output Mode Notes:
STEP 2:
After installing the audio driver, you'll find a Sound
Effect icon on the lower right hand taskbar.
Click the icon to select the function.

Appendix- 69 -
English
STEP 1:
Secure the metal bracket of the “Surround Kit” to
the chassis back panel with a screw.
Advanced 6 Channel Analog Audio Output Mode (using Audio Combo Kit,Optional Device):
(Audio Combo Kit provides SPDIF output port : optical & coaxial and SURROUND-KIT : Rear R/L &
CEN /Subwoofer)
SURROUND-KIT access analog output to rear
channels and Center/Subwoofer channels. It is the
best solution if you need 6 channel output, Line In
and MIC at the same time. "SURROUND-KIT" is
included in the GIGABYTE unique "Audio Combo
Kit" as picture.
STEP 2:
Connect the "SURROUND-KIT" cable to the
SUR_CEN connector on the M/B.

GA-8I915MD-G/GA-8I915MD-GV Motherboard - 70 -
English
STEP 3:
Connect the front channels to back audio panel's
"Line Out", the rear channels to SURROUND-KIT's
REAR R/L, and the Center/Subwoofer channels to
SURROUND-KIT's SUB CENTER.
STEP 5:
On the AC97 Audio Configuration menu, click the
Speaker Configuration tab and select the 6-chan-
nel mode for 5.1 speaker output check box.
Select the Only SURROUND-KIT check box and
press OK.
When the Environment setting is None, the
sound would be performed as stereo mode
(2-channel output). Please select the other settings
for 6 channels output.
Basic & Advanced 6 Channel Analog Audio Output Mode Notes:
STEP 4:
After installing the audio driver, you’ll find a Sound
Effect icon on the lower right hand taskbar.
Click the icon to select the function.

Appendix- 71 -
English
SPDIF Output Device (Optional Device)
STEP 3:
Connect SPDIF to the SPDIF decoder.
Secure the metal bracket of the SPDIF Output
device to the chassis back panel with a screw.
Connect the SPDIF device cable to the SPDIF_IO
connector on the motherboard.
A "SPDIF output" device is an optional device. The
SPDIF_IO cable with rear bracket could link to the
"SPDIF_IO" connector (As picture.) For the further
linkage to decoder, rear bracket provides coaxial
cable and Fiber connecting port.
STEP 1:
STEP 2:

GA-8I915MD-G/GA-8I915MD-GV Motherboard - 72 -
English
4-2 Troubleshooting
Below is a collection of general asked questions. To check general asked questions based on a specific
motherboard model, please log on to www.gigabyte.com.tw
Question 1: I cannot see some options that were included in previous BIOS after updating BIOS. Why?
Answer: Some advanced options are hidden in new BIOS version. Please press Ctrl and F1 keys after
entering BIOS menu and you will be able to see these options.
Questions 2: Why is the light of my keyboard/optical mouse still on after computer shuts down?
Answer: In some boards, a small amount of electricity is kept on standby after computer shuts down
and that's why the light is still on.
Question 3: How do I clear CMOS?
Answer: If your board has a Clear CMOS jumper, please refer to the Clear CMOS steps in the manual.
If your board doesn't have such jumper, you can take off the on-board battery to leak voltage to clear
CMOS. Please refer to the steps below:
Steps:
1. Turn off power.
2. Disconnect the power cord from MB.
3. Take out the battery gently and put it aside for about 10 minutes (Or you can use a metal object
to connect the positive and negative pins in the battery holder to makethem short for one
minute).
4. Re-insert the battery to the battery holder.
5. Connect power cord to MB again and turn on power.
6. Press Del to enter BIOS and load Fail-Safe Defaults(or load Optimized Defaults).
7. Save changes and reboot the system.
Question 4: Why do I still get a weak sound after turning up the speaker to the maximum volume?
Answer: Please make sure the speaker you are using is equipped with an internal amplifier. If not,
please change another speaker with power/amplifier and try again later.
Question 5: Sometimes I hear different continuous beeps from computer after system boots up. What do
these beeps usually stand for?
Answer: The beep codes below may help you identify the possible computer problems. However,
they are only for reference purposes. The situations might differ from case to case.
AMI BIOS Beep Codes
*
Computer gives 1 short beep when system boots successfully.
*Except for beep code 8, these codes are always fatal.
1 beep Refresh failure
2 beeps Parity error
3 beeps Base 64K memory failure
4 beeps Timer not operational
5 beeps Processor error
6 beeps 8042 - gate A20 failure
7 beeps Processor exception interrupt error
8 beeps Display memory read/write failure
9 beeps ROM checksum error
10 beeps CMOS shutdown register read/write error
11 beeps Cache memory bad
AWARD BIOS Beep Codes
1 short: System boots successfully
2 short: CMOS setting error
1 long 1 short: DRAM or M/B error
1 long 2 short: Monitor or display card
error
1 long 3 short: Keyboard error
1 long 9 short: BIOS ROM error
Continuous long beeps: DRAM error
Continuous short beeps: Power error

Appendix- 73 -
English

GA-8I915MD-G/GA-8I915MD-GV Motherboard - 74 -
English

Appendix- 75 -
English

GA-8I915MD-G/GA-8I915MD-GV Motherboard - 76 -
English

Appendix- 77 -
English

GA-8I915MD-G/GA-8I915MD-GV Motherboard - 78 -
English

Appendix- 79 -
English
Contact Us
Taiwan (Headquarters)
GIGA-BYTE TECHNOLOGY CO., LTD.
Address: No.6, Bau Chiang Road, Hsin-Tien, Taipei 231,
Taiwan
TEL: +886-2-8912-4888
FAX: +886-2-8912-4003
Tech. Support :
http://tw.giga-byte.com/TechSupport/ServiceCenter.htm
Non-Tech. Support(Sales/Marketing) :
http://ggts.gigabyte.com.tw/nontech.asp
WEB address (English): http://www.gigabyte.com.tw
WEB address (Chinese): http://chinese.giga-byte.com
U.S.A.
G.B.T. INC.
TEL: +1-626-854-9338
FAX: +1-626-854-9339
Tech. Support :
http://tw.giga-byte.com/TechSupport/ServiceCenter.htm
Non-Tech. Support(Sales/Marketing) :
http://ggts.gigabyte.com.tw/nontech.asp
WEB address : http://www.giga-byte.com
Germany
G.B.T. TECHNOLOGY TRADING GMBH
Tech. Support :
http://tw.giga-byte.com/TechSupport/ServiceCenter.htm
Non-Tech. Support(Sales/Marketing) :
http://ggts.gigabyte.com.tw/nontech.asp
WEB address : http://www.gigabyte.de
Japan
NIPPON GIGA-BYTE CORPORATION
WEB address : http://www.gigabyte.co.jp
Singapore
GIGA-BYTE SINGAPORE PTE. LTD.
Tech. Support :
http://tw.giga-byte.com/TechSupport/ServiceCenter.htm
Non-Tech. Support(Sales/Marketing) :
http://ggts.gigabyte.com.tw/nontech.asp
WEB address: http://www.gigabyte.com.sg
U.K.
G.B.T. TECH. CO., LTD.
Tech. Support :
http://tw.giga-byte.com/TechSupport/ServiceCenter.htm
Non-Tech. Support(Sales/Marketing) :
http://ggts.gigabyte.com.tw/nontech.asp
WEB address : http://uk.giga-byte.com
The Netherlands
GIGA-BYTE TECHNOLOGY B.V.
Tech. Support :
http://tw.giga-byte.com/TechSupport/ServiceCenter.htm
Non-Tech. Support(Sales/Marketing) :
http://ggts.gigabyte.com.tw/nontech.asp
WEB address : http://www.giga-byte.nl

GA-8I915MD-G/GA-8I915MD-GV Motherboard - 80 -
English
China
NINGBO G.B.T. TECH. TRADING CO., LTD.
Tech. Support :
http://tw.giga-byte.com/TechSupport/ServiceCenter.htm
Non-Tech. Support(Sales/Marketing) :
http://ggts.gigabyte.com.tw/nontech.asp
WEB address : http://www.gigabyte.com.cn
Shanghai
TEL: +86-021-63410999
FAX: +86-021-63410100
Beijing
TEL: +86-10-62102838
FAX: +86-10-62102848
Wuhan
TEL: +86-27-87851061
FAX: +86-27-87851330
GuangZhou
TEL: +86-20-87586074
FAX: +86-20-85517843
Chengdu
TEL: +86-28-85236930
FAX: +86-28-85256822
Xian
TEL: +86-29-85531943
FAX: +86-29-85539821
Shenyang
TEL: +86-24-23960918
FAX: +86-24-23960918-809
Australia
GIGABYTE TECHNOLOGY PTY. LTD.
Tech. Support :
http://tw.giga-byte.com/TechSupport/ServiceCenter.htm
Non-Tech. Support(Sales/Marketing) :
http://ggts.gigabyte.com.tw/nontech.asp
WEB address : http://www.giga-byte.com.au
France
GIGABYTE TECHNOLOGY FRANCE S.A.R.L.
Tech. Support :
http://tw.giga-byte.com/TechSupport/ServiceCenter.htm
Non-Tech. Support(Sales/Marketing) :
http://ggts.gigabyte.com.tw/nontech.asp
WEB address : http://www.gigabyte.fr
Russia
Moscow Representative Office Of GIGA-BYTE Technology Co.,
Ltd.
Tech. Support :
http://tw.giga-byte.com/TechSupport/ServiceCenter.htm
Non-Tech. Support(Sales/Marketing) :
http://ggts.gigabyte.com.tw/nontech.asp
WEB address : http://www.gigabyte.ru
Poland
Office of GIGA-BYTE TECHNOLOGY Co., Ltd. in POLAND
Tech. Support :
http://tw.giga-byte.com/TechSupport/ServiceCenter.htm
Non-Tech. Support(Sales/Marketing) :
http://ggts.gigabyte.com.tw/nontech.asp
WEB address : http://www.gigabyte.pl
Serbia & Montenegro
Representative Office Of GIGA-BYTE Technology Co., Ltd. in
SERBIA & MONTENEGRO
Tech. Support :
http://tw.giga-byte.com/TechSupport/ServiceCenter.htm
Non-Tech. Support(Sales/Marketing) :
http://ggts.gigabyte.com.tw/nontech.asp
WEB address: http://www.gigabyte.co.yu
Czech Republic
Representative Office Of GIGA-BYTE Technology Co., Ltd. in
CZECH REPUBLIC
Tech. Support :
http://tw.giga-byte.com/TechSupport/ServiceCenter.htm
Non-Tech. Support(Sales/Marketing) :
http://ggts.gigabyte.com.tw/nontech.asp
WEB address: http://www.gigabyte.cz
Romania
Representative Office Of GIGA-BYTE Technology Co., Ltd. in
Romania
Tech. Support :
http://tw.giga-byte.com/TechSupport/ServiceCenter.htm
Non-Tech. Support(Sales/Marketing) :
http://ggts.gigabyte.com.tw/nontech.asp
WEB address: http://www.gigabyte.com.ro