Gigabyte Ga 965G Ds3 Rev 1 0 Owner S Manual 12ME 965GDS3 1001R
2014-07-05
: Gigabyte Gigabyte-Ga-965G-Ds3-Rev-1-0-Owner-S-Manual gigabyte-ga-965g-ds3-rev-1-0-owner-s-manual gigabyte pdf
Open the PDF directly: View PDF
.
Page Count: 88

GA-965G-DS3
Intel® CoreTM 2 Extreme / CoreTM 2 Duo
Intel® Pentium® Processor Extreme Edition
Intel® Pentium® D / Pentium® 4 LGA775 Processor Motherboard
User's Manual
Rev. 1001
12ME-965GDS3-1001R
* The WEEE marking on the product indicates this product must not be disposed of with user's other household waste
and must be handed over to a designated collection point for the recycling of waste electrical and electronic equipment!!
* The WEEE marking applies only in European Union's member states.

Motherboard
GA-965G-DS3
Aug. 9, 2006
Aug. 9, 2006
Motherboard
GA-965G-DS3
Copyright
© 2006 GIGA-BYTE TECHNOLOGY CO., LTD. All rights reserved.
The trademarks mentioned in the manual are legally registered to their respective companies.
Notice
The written content provided with this product is the property of Gigabyte.
No part of this manual may be reproduced, copied, translated, or transmitted in any form or by any
means without Gigabyte's prior written permission. Specifications and features are subject to
change without prior notice.
Product Manual Classification
In order to assist in the use of this product, Gigabyte has categorized the user manual in the
following:
For quick installation, please refer to the "Hardware Installation Guide" included with the
product.
For detailed product information and specifications, please carefully read the
"Product User Manual".
For detailed information related to Gigabyte's unique features, please go to "Technology
Guide" section on Gigabyte's website to read or download the information you need.
For more product details, please click onto Gigabyte's website at www.gigabyte.com.tw

- 4 -
Table of Contents
Item Checklist ................................................................................................................. 6
Optional Accessories ...................................................................................................... 6
GA-965G-DS3 Motherboard Layout .............................................................................. 7
Block Diagram ................................................................................................................ 8
Chapter 1 Hardware Installation ..................................................................................... 9
1-1 Considerations Prior to Installation .................................................................... 9
1-2 Feature Summary .......................................................................................... 10
1-3 Installation of the CPU and CPU Cooler ....................................................... 12
1-3-1 Installation of the CPU ......................................................................................... 12
1-3-2 Installation of the CPU Cooler ............................................................................ 13
1-4 Installation of Memory .................................................................................... 14
1-5 Installation of Expansion Cards ...................................................................... 16
1-6 I/O Back Panel Introduction ........................................................................... 17
1-7 Connectors Introduction .................................................................................. 18
Chapter 2 BIOS Setup ................................................................................................ 29
The Main Menu (For example: BIOS Ver. : D3) ....................................................... 30
2-1 Standard CMOS Features ............................................................................. 32
2-2 Advanced BIOS Features .............................................................................. 34
2-3 Integrated Peripherals ..................................................................................... 36
2-4 Power Management Setup ............................................................................. 39
2-5 PnP/PCI Configurations ................................................................................. 40
2-6 PC Health Status ........................................................................................... 41
2-7 MB Intelligent Tweaker(M.I.T.) ....................................................................... 43
2-8 Load Fail-Safe Defaults ................................................................................... 46
2-9 Load Optimized Defaults ................................................................................. 46
2-10 Set Supervisor/User Password ..................................................................... 47
2-11 Save & Exit Setup ......................................................................................... 48
2-12 Exit Without Saving ....................................................................................... 48

- 5 -
Chapter 3 Install Drivers ............................................................................................. 49
3-1 Install Chipset Drivers .................................................................................... 49
3-2 Software Applications ..................................................................................... 50
3-3 Driver CD Information .................................................................................... 50
3-4 Hardware Information ..................................................................................... 51
3-5 Contact Us ..................................................................................................... 51
Chapter 4 Appendix ................................................................................................... 53
4-1 Unique Software Utilities ................................................................................ 53
4-1-1 EasyTune 5 Introduction ..................................................................................... 53
4-1-2 Xpress Recovery2 Introduction ......................................................................... 54
4-1-3 Flash BIOS Method Introduction ........................................................................ 56
4-1-4 Configuring SATA Hard Drive(s) (Controller: GIGABYTE SATA2) ................ 65
4-1-5 2- / 4- / 6- / 8- Channel Audio Function Introduction ...................................... 78
4-2 Troubleshooting ............................................................................................... 83

- 6 -
Item Checklist
IDE Cable x 1 and FDD Cable x 1
SATA 3Gb/s Cable x 4
I/O Shield
* The items listed above are for reference only, and are subject to change without notice.
Optional Accessories
2 Ports USB2.0 Cable (Part Number: 12CR1-1UB030-51/R)
4 Ports USB2.0 Cable (Part Number: 12CR1-1UB030-21/R)
COM Port Cable (Part Number: 12CF1-1CM001-31/R)

- 7 -
GA-965G-DS3 Motherboard Layout
KB_MS
CPU_FAN
LGA775
ATX
GA-965G-DS3
USB
LAN
CD_IN
F_AUDIO
AUDIO
BIOS
PCIE_16
PCIE_3
F_USB1
IDE1
PCIE_1
SPDIF_I
CI
DDRII1
DDRII2
DDRII3
DDRII4
F_USB2
BATTERY
GSATAII0
F_PANEL
IT8718
SYS_FAN
SATAII0
ATX_12V
Intel® G965
Intel® ICH8
FDD
PCIE_2
SATAII1
SATAII2
SATAII3
GIGABYTE
SATA2
PCI1
PCI2
PCI3
USB
VGA
COAXIAL
OPTICAL
LPT
CODEC
Marvell
88E8053
F_USB3
GSATAII1
COMA
CLR_CMOS
PWR_LED

- 8 -
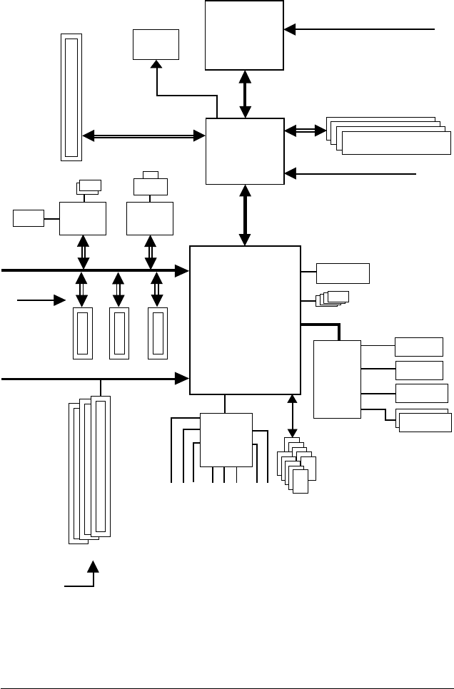
Block Diagram
(Note) To use a DDR II 800/667 memory module on the motherboard, you must install an 800/
1066MHz FSB processor.
Center/Subwoofer Speaker Out
Line-Out
MIC
CPU CLK+/-(266/200/133 MHz)
PCI Express x16
Host
Interface
GMCH CLK (266/200/133 MHz)
DDRII 800/667/533 MHz DIMM(Note)
IT8718
BIOS
Line-In
3 PCI
PCI Bus
SPDIF In
SPDIF Out
3 PCI Express x1
PCI Express Bus
10 USB
Ports
Dual Channel Memory
Floppy
PS/2 KB/Mouse
Side Speaker Out
Surround Speaker Out
PCIe CLK
(100 MHz)
4 SATA 3Gb/s
Marvell
88E8053
x1
LAN
RJ45
PCI CLK
(33 MHz)
CODEC
PCIe CLK
(100 MHz)
Intel®
G965
Intel®
ICH8
LGA775
Processor
x1
x1
x1
GIGABYTE
SATA2
x1
ATA33/66/100/133
IDE Channel
2 SATA 3Gb/s
COM Port
LPT
VGA

Hardware Installation- 9 -
English
1-1 Considerations Prior to Installation
Preparing Your Computer
The motherboard contains numerous delicate electronic circuits and components which can become
damaged as a result of electrostatic discharge (ESD). Thus, prior to installation, please follow the
instructions below:
1. Please turn off the computer and unplug its power cord.
2. When handling the motherboard, avoid touching any metal leads or connectors.
3. It is best to wear an electrostatic discharge (ESD) cuff when handling electronic components
(CPU, RAM).
4. Prior to installing the electronic components, please have these items on top of an antistatic pad or
within a electrostatic shielding container.
5. Please verify that the power supply is switched off before unplugging the power supply connector
from the motherboard.
Installation Notices
1. Prior to installation, please do not remove the stickers on the motherboard. These stickers are required
for warranty validation.
2. Prior to the installation of the motherboard or any hardware, please first carefully read the information
in the provided manual.
3. Before using the product, please verify that all cables and power connectors are connected.
4. To prevent damage to the motherboard, please do not allow screws to come in contact with the
motherboard circuit or its components.
5. Please make sure there are no leftover screws or metal components placed on the motherboard or
within the computer casing.
6. Please do not place the computer system on an uneven surface.
7. Turning on the computer power during the installation process can lead to damage to system
components as well as physical harm to the user.
8. If you are uncertain about any installation steps or have a problem related to the use of the product,
please consult a certified computer technician.
Instances of Non-Warranty
1. Damage due to natural disaster, accident or human cause.
2. Damage as a result of violating the conditions recommended in the user manual.
3. Damage due to improper installation.
4. Damage due to use of uncertified components.
5. Damage due to use exceeding the permitted parameters.
6. Product determined to be an unofficial Gigabyte product.
Chapter 1 Hardware Installation

GA-965G-DS3 Motherboard - 10 -
English
1-2 Feature Summary
CPU Supports LGA775 Intel® CoreTM 2 Extreme / CoreTM 2 Duo / Pentium® Proces-
sor Extreme Edition / Pentium® D / Pentium® 4
L2 cache varies with CPU
Front Side Bus Supports 1066/800/533 MHz FSB
Chipset Northbridge: Intel® G965 Express Chipset
Southbridge: Intel® ICH8
LAN Onboard Marvell 88E8053 phy (10/100/1000 Mbit)
Audio Onboard Realtek ALC883 chip
Supports High Definition Audio
Supports 2 / 4 / 6 / 8 channel audio
Supports SPDIF In/Out connection
Supports CD In connection
Storage ICH8 Southbrigde
- 1 FDD connector, allowing connection of 1 FDD device
- 4 SATA 3Gb/s connectors (SATAII0,1, 2, 3), allowing connection of 4
SATA 3Gb/s devices
Onboard GIGABYTE SATA2 chip
- 1 IDE connector (UDMA 33/ATA 66/ATA 100/ATA 133), allowing con-
nection of 2 IDE devices
- 2 SATA 3Gb/s connectors (GSATAII0,1), allowing connection of 2 SATA
3Gb/s devices
- Supports data striping (RAID 0), mirroring (RAID 1), and JBOD for Serial
ATA
O.S Support Microsoft Windows 2000/XP
Memory 4 DDR II DIMM memory slots (supports up to 8 GB memory)
Supports dual channel DDR II 800/667/533 unbuffered DIMMs(Note 1)
Supports 1.8V DDR II DIMMs
Expanstion Slots 1 PCI Express x16 slot
3 PCI Express x1 slots
3 PCI slots
Internal Connectors 1 24-pin ATX power connector
1 4-pin ATX 12V power connector
1 floppy connector
1 IDE connector
6 SATA 3Gb/s connectors
1 CPU fan connector
1 system fan connector
1 front panel connector
1 front audio connector
1 CD In connector
3 USB 2.0/1.1 connectors for additional 6 ports by cables
1 SPDIF In connector
1 COMA connector
1 power LED connector

Hardware Installation- 11 -
English
(Note 1) To use a DDR II 800/667 memory module on the motherboard, you must install an 800/
1066 MHz FSB processor.
(Note 2) EasyTune functions may vary depending on different motherboards.
Rear Panel I/O 1 PS/2 keyboard port
1 PS/2 mouse port
1 SPDIF Out connection (coaxial+optical)
1 parallel port
4 USB 2.0/1.1 ports
1 VGA port
1 RJ-45 port
6 audio jacks (Line In / Line Out / MIC In/Surround Speaker Out (Rear
Speaker Out)/Center/Subwoofer Speaker Out/Side Speaker Out)
I/O Control IT8718 chip
Hardware Monitor System voltage detection
CPU / System temperature detection
CPU / System fan speed detection
CPU warning temperature
CPU / System fan failure warning
CPU Smart Fan Control
BIOS 1 8 Mbit flash ROM
Use of licensed AWARD BIOS
Additional Features Supports @BIOS
Supports Download Center
Supports Q-Flash
Supports EasyTune (Note 2)
Supports Xpress Install
Supports Xpress Recovery2
Supports Xpress BIOS Rescue
Bundle Software Norton Internet Security (OEM revision)
Form Factor ATX form factor; 30.5cm x 21.0cm

GA-965G-DS3 Motherboard - 12 -
English
1-3 Installation of the CPU and CPU Cooler
Before installing the CPU, please comply with the following conditions:
1. Please make sure that the motherboard supports the CPU.
2. Please take note of the one indented corner of the CPU. If you install the CPU in the wrong
direction, the CPU will not insert properly. If this occurs, please change the insert direction
of the CPU.
3. Please add an even layer of heat paste between the CPU and CPU cooler.
4. Please make sure the CPU cooler is installed on the CPU prior to system use,
otherwise overheating and permanent damage of the CPU may occur.
5. Please set the CPU host frequency in accordance with the CPU specifications. It is not
recommended that the system bus frequency be set beyond hardware specifications
since it does not meet the required standards for the peripherals. If you wish to set
the frequency beyond the proper specifications, please do so according to your hard-
ware specifications including the CPU, graphics card, memory, hard drive, etc.
HT functionality requirement content :
Enabling the functionality of Hyper-Threading Technology for your computer system requires all
of the following platform components:
- CPU: An Intel® Pentium 4 CPU with HT Technology
- Chipset: An Intel® Chipset that supports HT Technology
- BIOS: A BIOS that supports HT Technology and has it enabled
- OS: An operation system that has optimizations for HT Technology
Fig. 1
Gently lift the metal
lever located on the
CPU socket to the
upright position.
Metal Lever Fig. 2
Remove the plastic
covering on the CPU
socket.
Fig. 3
Notice the small gold
colored triangle located
on the edge of the CPU
socket. Align the in-
dented corner of the
Fig. 4
Once the CPU is
properly inserted,
please replace the
load plate and push the
metal lever back into
its original position.
CPU with the triangle and gently insert the CPU
into position. (Grasping the CPU firmly between
your thumb and forefinger, carefully place it into
the socket in a straight and downwards motion.
Avoid twisting or bending motions that might cause
damage to the CPU during installation.)
1-3-1 Installation of the CPU

Hardware Installation- 13 -
English
1-3-2 Installation of the CPU Cooler
The CPU cooler may adhere to the CPU as a result of hardening of the heat paste.To prevent
such an occurrence, it is suggested that either thermal tape rather than heat paste be used for
heat dissipation or using extreme care when removing the CPU cooler.
Fig. 6
Finally, please attach the power connector of the
CPU cooler to the CPU fan header located on the
motherboard.
Fig. 3
Place the CPU cooler atop the CPU and make
sure the push pins aim to the pin hole on the
motherboard.Pressing down the push pins
diagonally.
Fig. 4
Please make sure the Male and Female push pin
are joined closely. (for detailed installation
instructions, please refer to the CPU cooler instal-
lation section of the user manual)
Fig. 5
Please check the back of motherboard after
installing. If the push pin is inserted as the picture,
the installation is complete.
Fig.1
Please apply an even layer of heat paste on the
surface of the installed CPU.
Fig. 2
(Turning the push pin along the direction of arrow is to
remove the CPU cooler, on the contrary, is to install.)
Please note the direction of arrow sign on the male
push pin doesn't face inwards before installation. (This
instruction is only for Intel boxed fan)
Male Push Pin
Female Push Pin
The top of Female Push Pin

GA-965G-DS3 Motherboard - 14 -
English
The motherboard supports DDR II memory modules, whereby BIOS will automatically detect memory
capacity and specifications. Memory modules are designed so that they can be inserted only in one direction.
The memory capacity used can differ with each slot.
Before installing the memory modules, please comply with the following conditions:
1. Please make sure that the memory used is supported by the motherboard. It is
recommended that memory of similar capacity, specifications and brand be used.
2. Before installing or removing memory modules, please make sure that the computer
power is switched off to prevent hardware damage.
3. Memory modules have a foolproof insertion design. A memory module can be installed
in only one direction. If you are unable to insert the module, please switch the direction.
1-4 Installation of Memory
Notch
DDR II
Fig.1
The DIMM socket has a notch, so the DIMM memory mod-
ule can only fit in one direction. Insert the DIMM memory
module vertically into the DIMM socket. Then push it down.
Fig.2
Close the plastic clip at both edges of the DIMM sockets to
lock the DIMM module.
Reverse the installation steps when you wish to remove
the DIMM module.

Hardware Installation- 15 -
English
Dual Channel Memory Configuration
The GA-965G-DS3 supports the Dual Channel Technology. After operating
the Dual Channel Technology, the bandwidth of memory bus will double.
The GA-965G-DS3 includes 4 DIMM sockets, and each Channel has two
DIMM sockets as following:
Channel 0 : DDRII1, DDRII2
Channel 1 : DDRII3, DDRII4
If you want to operate the Dual Channel Technology, please note the following explanations
due to the limitation of Intel chipset specifications.
1. Dual Channel mode will not be enabled if only one DDRII memory module is installed.
2. To enable Dual Channel mode with two or four memory modules (it is recommended to
use memory modules of identical brand, size, chips, and speed), you must install them
into DIMM sockets of the same color.
The following is a Dual Channel Memory configuration table: (DS: Double Side, SS: Single Side,
X:Empty)
2 memory modules
4 memory modules
DDR II1 DDR II2 DDR II3 DDR II4
DS/SS X DS/SS X
X DS/SS X DS/SS
DS/SS DS/SS DS/SS DS/SS
(Note) When memory modules of different size and chips are installed, a message which indicates
that memory is configured to Flex memory mode operation will appear during POST.
Intel® Flex Memory Technology offers easier upgrades by allowing different memory sizes to
be populated and remain in dual-channel mode.

GA-965G-DS3 Motherboard - 16 -
English
1-5 Installation of Expansion Cards
You can install your expansion card by following the steps outlined below:
1. Read the related expansion card's instruction document before install the expansion card into the
computer.
2. Remove your computer's chassis cover, screws and slot bracket from the computer.
3. Press the expansion card firmly into expansion slot in motherboard.
4. Be sure the metal contacts on the card are indeed seated in the slot.
5. Replace the screw to secure the slot bracket of the expansion card.
6. Replace your computer's chassis cover.
7. Power on the computer, if necessary, setup BIOS utility of expansion card from BIOS.
8. Install related driver from the operating system.
Installing a PCI Express x16 expansion card:
Please align the VGA card to the onboard
PCI Express x16 slot and press firmly
down on the slot. Make sure your VGA
card is locked by the latch at the end of
the PCI Express x16 slot. When you try
uninstall the VGA card, please gently
press the latch as the picture to the left
shows to release the card.

Hardware Installation- 17 -
English
1-6 I/O Back Panel Introduction
PS/2 Keyboard and PS/2 Mouse Connector
To install a PS/2 port keyboard and mouse, plug the mouse to the upper port (green) and the keyboard
to the lower port (purple).
LPT (Parallel Port)
The parallel port allows connection of a printer, scanner and other peripheral devices.
COAXIAL (SPDIF Out)
The SPDIF coaxial output port is capable of providing digital audio to external speakers or
compressed AC3 data to an external Dolby Digital Decoder via a coaxial cable.
OPTICAL (SPDIF Out)
The SPDIF optical output port is capable of providing digital audio to external speakers or com-
pressed AC3 data to an external Dolby Digital Decoder via an optical cable.
VGA Port
Monitor can be connected to VGA port.
USB Port
Before you connect your device(s) into USB connector(s), please make sure your device(s) such
as USB keyboard, mouse, scanner, zip, speaker...etc. have a standard USB interface.
Also make sure your OS supports USB controller. If your OS does not support USB controller,
please contact OS vendor for possible patch or driver upgrade. For more information please
contact your OS or device(s) vendors.
LAN Port
The provided Internet connection is Gigabit Ethernet, providing data transfer speeds of
10/100/1000Mbps.
Center/Subwoofer Speaker Out
The default Center/Subwoofer Speaker Out jack. Center/Subwoofer speakers can be connected to
Center/Subwoofer Speaker Out jack.
Surround Speaker Out (Rear Speaker Out)
The default Surround Speaker Out (Rear Speaker Out) jack. Rear surround speakers can be
connected to Surround Speaker Out (Rear Speaker Out) jack.
Side Speaker Out
The default Side Speaker Out jack. Surround side speakers can be connected to Side Speaker Out
jack.
Line In
The default Line In jack. Devices like CD-ROM, walkman etc. can be connected to Line In jack.

GA-965G-DS3 Motherboard - 18 -
English
Line Out (Front Speaker Out)
The default Line Out (Front Speaker Out) jack. Stereo speakers, earphone or front surround
speakers can be connected to Line Out (Front Speaker Out) jack.
MIC In
The default MIC In jack. Microphone must be connected to MIC In jack.
1-7 Connectors Introduction
In addition to the default speakers settings, the ~ audio jacks can be reconfigured to
perform different functions via the audio software. Only microphones still MUST be connected
to the default Mic In jack ( ) . Please refer to the 2-/4-/6-/8- channel audio setup steps for
detailed software configuration information.
1) ATX_12V
2) ATX (Power Connector)
3) CPU_FAN
4) SYS_FAN
5) FDD
6) IDE1
7) SATAII0/1/2/3
8) GSATAII0/1
9) PWR_LED
10) F_PANEL
11) F_AUDIO
12) CD_IN
13) SPDIF_I
14) COMA
15) F_USB1 / F_USB2 / F_USB3
16) CI
17) CLR_CMOS
18) BATTERY
31
2
8
15
5
4
613
17
12
11
16
7
910
18
14

Hardware Installation- 19 -
English
Pin No. Definition
13 3.3V
14 -12V
15 GND
16 PS_ON(soft On/Off)
17 GND
18 GND
19 GND
20 -5V
21 +5V
22 +5V
23 +5V (Only for 24-pin ATX)
24 GND(Only for 24-pin ATX)
Pin No. Definition
1 3.3V
2 3.3V
3 GND
4 +5V
5 GND
6 +5V
7 GND
8 Power Good
9 5V SB(stand by +5V)
10 +12V
11 +12V(Only for 24-pin ATX)
12 3.3V(Only for 24-pin ATX)
1/2) ATX_12V/ATX (Power Connector)
With the use of the power connector, the power supply can supply enough stable power to all
the components on the motherboard. Before connecting the power connector, please make sure
that all components and devices are properly installed. Align the power connector with its
proper location on the motherboard and connect tightly.
The ATX_12V power connector mainly supplies power to the CPU. If the ATX_12V power
connector is not connected, the system will not start.
Caution!
Please use a power supply that is able to handle the system voltage requirements. It is
recommended that a power supply that can withstand high power consumption be used (300W
or greater). If a power supply is used that does not provide the required power, the result can
lead to an unstable system or a system that is unable to start.
If you use a 24-pin ATX power supply, please remove the small cover on the power connector
on the motherboard before plugging in the power cord ; Otherwise, please do not remove it.
Pin No. Definition
1 GND
2 GND
3 +12V
4 +12V
1
3
2
4
113
24
12

GA-965G-DS3 Motherboard - 20 -
English
5) FDD (Floppy Connector)
The FDD connector is used to connect the FDD cable while the other end of the cable connects to the
FDD drive. The types of FDD drives supported are: 360KB, 720KB, 1.2MB, 1.44MB and 2.88MB.
Before attaching the FDD cable, please take note of the foolproof groove in the FDD connector.
1
2
33
34
3/4) CPU_FAN / SYS_FAN (Cooler Fan Power Connector)
The cooler fan power connector supplies a +12V power voltage via a 4-pin power connector and
possesses a foolproof connection design.
Most coolers are designed with color-coded power connector wires. A red power connector wire
indicates a positive connection and requires a +12V power voltage. The black connector wire is
the ground wire (GND).
Remember to connect the CPU/system fan cable to the CPU_FAN/SYS_FAN connector to prevent
CPU damage or system hanging caused by overheating.
SYS_FAN
1
1
CPU_FAN
Pin No. Definition
1 GND
2 +12V/Speed Control
3 Sense
4 Speed Control

Hardware Installation- 21 -
English
6) IDE1 (IDE Connector)
An IDE device connects to the computer via an IDE connector. One IDE connector can connect to
one IDE cable, and the single IDE cable can then connect to two IDE devices (hard drive or optical
drive). If you wish to connect two IDE devices, please set the jumper on one IDE device as Master
and the other as Slave (for information on settings, please refer to the instructions located on the IDE
device). Before attaching the IDE cable, please take note of the foolproof groove in the IDE connector.
7) SATAII0/1/2/3 (SATA 3Gb/s Connector, Controlled by Intel ICH8)
SATA 3Gb/s can provide up to 300MB/s transfer rate. Please refer to the BIOS setting for the Serial
ATA and install the proper driver in order to work properly.
Pin No. Definition
1 GND
2 TXP
3 TXN
4 GND
5RXN
6 RXP
7 GND
1
2
39
40
1
71
7
1
71
7
SATAII0
SATAII1
SATAII2
SATAII3

GA-965G-DS3 Motherboard - 22 -
English
8) GSATAII0/1 (SATA 3Gb/s Connector, Controlled by GIGABYTE SATA2)
SATA 3Gb/s can provide up to 300MB/s transfer rate. Please refer to the BIOS setting for the Serial
ATA and install the proper driver in order to work properly.
Pin No. Definition
1 GND
2 TXP
3 TXN
4 GND
5RXN
6 RXP
7 GND
9) PWR_LED
The PWR_LED connector is connected with the system power indicator to indicate whether the
system is on/off. It will blink when the system enters suspend mode.
Pin No. Definition
1 MPD+
2 MPD-
3 MPD-
1
71
7
GSATAII0
GSATAII1
1

Hardware Installation- 23 -
English
10) F_PANEL (Front Panel Jumper)
Please connect the power LED, PC speaker, reset switch and power switch etc. of your chassis
front panel to the F_PANEL connector according to the pin assignment below.
HD (IDE Hard Disk Active LED) Pin 1: LED anode(+)
(Blue) Pin 2: LED cathode(-)
SPEAK (Speaker Connector) Pin 1: Power
(Amber) Pin 2- Pin 3: NC
Pin 4: Data(-)
RES (Reset Switch) Open: Normal
(Green) Close: Reset Hardware System
PW (Power Switch) Open: Normal
(Red) Close: Power On/Off
MSG (Message LED/Power/Sleep LED) Pin 1: LED anode(+)
(Yellow) Pin 2: LED cathode(-)
NC ( Purple) NC
1
2
19
20
HD-
HD+
RES+
RES-
NC
IDE Hard Disk Active LED
Reset Switch
SPEAK-
MSG-
MSG+
PW-
PW+
Message LED/
Power/
Sleep LED
Speaker Connector
SPEAK+
Power
Switch

GA-965G-DS3 Motherboard - 24 -
English
11) F_AUDIO (Front Audio Connector)
This connector supports either HD (High Definition) or AC97 front panel audio module. If you wish
to use the front audio function, connect the front panel audio module to this connector. Check the pin
assignments carefully while you connect the front panel audio module. Incorrect connection
between the module and connector will make the audio device unable to work or even damage it.
For optional front panel audio module, please contact your chassis manufacturer.
By default, the audio driver is configured to support HD Audio. To connect an AC97 front panel
audio module to this connector, please refer to the instructions on Page 82 about the software
settings.
AC'97 Audio:HD Audio:
12
910
Pin No. Definition
1 MIC2_L
2 GND
3 MIC2_R
4 -ACZ_DET
5 LINE2_R
6 FSENSE1
7 FAUDIO_JD
8 No Pin
9 LINE2_L
10 FSENSE2
Pin No. Definition
1 MIC
2 GND
3 MIC Power
4NC
5 Line Out (R)
6NC
7NC
8 No Pin
9 Line Out (L)
10 NC

Hardware Installation- 25 -
English
12) CD_IN (CD IN)
Connect CD-ROM or DVD-ROM audio out to the connector.
Pin No. Definition
1 CD-L
2 GND
3 GND
4 CD-R
13) SPDIF_I (SPDIF In)
Use SPDIF IN feature only when your device has digital output function. Be careful with the polarity
of the SPDIF_I connector. Check the pin assignment carefully while you connect the SPDIF
cable, incorrect connection between the cable and connector will make the device unable to work
or even damage it. For optional SPDIF cable, please contact your local dealer.
Pin No. Definition
1 Power
2 SPDIFI
3 GND
1
1

GA-965G-DS3 Motherboard - 26 -
English
14) COMA (COMA Connector)
Be careful with the polarity of the COMA connector. Check the pin assignments while you connect
the COMA cable. Please contact your nearest dealer for optional COMA cable.
Pin No. Definition
1 NDCDA-
2 NSINA
3 NSOUTA
4 NDTRA-
5 GND
6 NDSRA-
7 NRTSA-
8 NCTSA-
9 NRIA-
10 No Pin
10
9
2
1
15) F_ USB1/F_USB2/F_USB3 (Front USB Connector)
Be careful with the polarity of the front USB connector. Check the pin assignment carefully while
you connect the front USB cable, incorrect connection between the cable and connector will make
the device unable to work or even damage it. For optional front USB cable, please contact your
local dealer.
Pin No. Definition
1 Power(5V)
2 Power(5V)
3 USB DX-
4 USB Dy-
5 USB DX+
6 USB Dy+
7 GND
8 GND
9 No Pin
10 NC
210
19

Hardware Installation- 27 -
English
16) CI (Chassis Intrusion, Case Open)
This 2-pin connector allows your system to detect if the chassis cover is removed. You can check
the "Case Opened" status in BIOS Setup.
Pin No. Definition
1 Signal
2 GND
1
Open: Normal
Short: Clear CMOS
17) CLR_CMOS (Clear CMOS)
You may clear the CMOS data to its default values by this header. To clear CMOS, temporarily
short the two pins. Default doesn't include the jumper to avoid improper use of this header.

GA-965G-DS3 Motherboard - 28 -
English
18) BATTERY
Danger of explosion if battery is incorrectly replaced.
Replace only with the same or equivalent type recommended
by the manufacturer.
Dispose of used batteries according to the manufacturer's
instructions.
If you want to erase CMOS...
1. Turn off the computer and unplug the power cord.
2. Gently take out the battery and put it aside for about one minute.
(Or you can use a metal object to connect the positive and nega-
tive pins in the battery holder to makethem short for five seconds.)
3. Re-install the battery.
4. Plug the power cord in and turn on the computer.

BIOS Setup- 29 -
English
BIOS (Basic Input and Output System) includes a CMOS SETUP utility which allows user to configure
required settings or to activate certain system features.
The CMOS SETUP saves the configuration in the CMOS SRAM of the motherboard.
When the power is turned off, the battery on the motherboard supplies the necessary power to the CMOS
SRAM.
When the power is turned on, pushing the <Del> button during the BIOS POST (Power-On Self Test) will
take you to the CMOS SETUP screen. You can enter the BIOS setup screen by pressing "Ctrl + F1".
If you wish to upgrade to a new BIOS, either Gigabyte's Q-Flash or @BIOS utility can be used.
Q-Flash allows the user to quickly and easily update or backup BIOS without entering the operating
system.
@BIOS is a Windows-based utility that does not require users to boot to DOS before upgrading BIOS but
directly download and update BIOS from the Internet.
CONTROL KEYS
<>< >< >< > Move to select item
<Enter> Select Item
<Esc> Main Menu - Quit and not save changes into CMOS Status Page Setup Menu
and Option Page Setup Menu - Exit current page and return to Main Menu
<Page Up> Increase the numeric value or make changes
<Page Down> Decrease the numeric value or make changes
<F1> General help, only for Status Page Setup Menu and Option Page Setup Menu
<F2> Item Help
<F5> Restore the previous CMOS value from CMOS, only for Option Page Setup
Menu
<F6> Load the fail-safe default CMOS value from BIOS default table
<F7> Load the Optimized Defaults
<F8> Q-Flash utility
<F9> System Information
<F10> Save all the CMOS changes, only for Main Menu
Main Menu
The on-line description of the highlighted setup function is displayed at the bottom of the screen.
Status Page Setup Menu / Option Page Setup Menu
Press F1 to pop up a small help window that describes the appropriate keys to use and the possible selec-
tions for the highlighted item. To exit the Help Window press <Esc>.
Chapter 2 BIOS Setup
Because BIOS flashing is potentially risky, please do it with caution and avoid inadequate
operation that may result in system malfunction.

GA-965G-DS3 Motherboard - 30 -
English
The Main Menu (For example: BIOS Ver. : D3)
Once you enter Award BIOS CMOS Setup Utility, the Main Menu (as figure below) will appear on the
screen. Use arrow keys to select among the items and press <Enter> to accept or enter the sub-menu.
1. If you don't find the settings you want, press "Ctrl+F1" to access advanced options.
2. Select the Load Optimized Defaults item in the BIOS Setup when somehow the system
is not stable as usual. This action makes the system reset to the default settings for
stability.
3. The BIOS Setup menus described in this chapter are for reference only and may differ from
the exact settings for your motherboard.
CMOS Setup Utility-Copyright (C) 1984-2006 Award Software
`Standard CMOS Features
`Advanced BIOS Features
`Integrated Peripherals
`Power Management Setup
`PnP/PCI Configurations
`PC Health Status
`MB Intelligent Tweaker(M.I.T.)
Load Fail-Safe Defaults
Load Optimized Defaults
Set Supervisor Password
Set User Password
Save & Exit Setup
Exit Without Saving
ESC: Quit KLJI: Select Item
F8: Q-Flash F10: Save & Exit Setup
Time, Date, Hard Disk Type...
<F12> : Boot Menu
Select boot sequence for onboard (or add-on cards) device.
Use < > or < > to select a device, then press enter to accept . Press <ESC> to exit this menu.
Boot Menu
Floppy
LS120
Hard Disk
CDROM
ZIP
USB-FDD
USB-ZIP
USB-CDROM
USB-HDD
LAN
== Select a Boot First device ==
KL:Move Enter :Accept ESC:Exit
<F12>: Boot Menu
Award Modular BIOS v6.00PG, An Energy Star Ally
Copyright (C) 1984-2006, Award Software, Inc.
Intel G965 BIOS for 965G-DS3 D3
.
.
.
.
<DEL>:BIOS Setup/Q-Flash, <F9>: Xpress Recovery2, <F12>: Boot Menu
07/10/2006-G965-ICH8-6A79LG09C-00

BIOS Setup- 31 -
English
Standard CMOS Features
This setup page includes all the items in standard compatible BIOS.
Advanced BIOS Features
This setup page includes all the items of Award special enhanced features.
Integrated Peripherals
This setup page includes all onboard peripherals.
Power Management Setup
This setup page includes all the items of Green function features.
PnP/PCI Configurations
This setup page includes all the configurations of PCI & PnP ISA resources.
PC Health Status
This setup page is the System auto detect Temperature, voltage, fan, speed.
MB Intelligent Tweaker(M.I.T.)
This setup page is control CPU clock and frequency ratio.
Load Fail-Safe Defaults
Fail-Safe Defaults indicates the value of the system parameters which the system would be in safe
configuration.
Load Optimized Defaults
Optimized Defaults indicates the value of the system parameters which the system would be in
best performance configuration.
Set Supervisor Password
Change, set, or disable password. It allows you to limit access to the system and Setup, or just to Setup.
Set User Password
Change, set, or disable password. It allows you to limit access to the system.
Save & Exit Setup
Save CMOS value settings to CMOS and exit setup.
Exit Without Saving
Abandon all CMOS value changes and exit setup.

GA-965G-DS3 Motherboard - 32 -
English
2-1 Standard CMOS Features
Date
The date format is <week>, <month>, <day>, <year>.
Week The week, from Sun to Sat, determined by the BIOS and is display only
Month The month, Jan. Through Dec.
Day The day, from 1 to 31 (or the maximum allowed in the month)
Year The year, from 1999 through 2098
Time
The times format in <hour> <minute> <second>. The time is calculated base on the 24-hour
military-time clock. For example, 1 p.m. is 13:00:00.
IDE Channel 0/1 Master
IDE HDD Auto-Detection
Press "Enter" to select this option for automatic device detection.
IDE Channel 0/1 Master IDE/SATA Device Setup. You can use one of three methods:
Auto Allows BIOS to automatically detect IDE/SATA devices during POST(default)
None Select this if no IDE/SATA devices are used and the system will skip the
automatic detection step and allow for faster system start up.
Manual User can manually input the correct settings
Access Mode Use this to set the access mode for the hard drive. The four options are:
CHS/LBA/Large/Auto(default:Auto)
IDE Channel 2/3 Master, IDE Channel 4/5 Master, Slave
IDE Auto-Detection
Press "Enter" to select this option for automatic device detection.
Extended IDE Drive. You can use one of the two methods:
Auto Allows BIOS to automatically detect IDE/SATA devices during POST(default)
None Select this if no IDE/SATA devices are used and the system will skip the
automatic detection step and allow for faster system start up.
CMOS Setup Utility-Copyright (C) 1984-2006 Award Software
Standard CMOS Features
Date (mm:dd:yy) Fri, Jul 14 2006
Time (hh:mm:ss) 18:25:04
`IDE Channel 0 Master [None]
`IDE Channel 1 Master [None]
`IDE Channel 2 Master [None]
`IDE Channel 3 Master [None]
`IDE Channel 4 Master [None]
`IDE Channel 4 Slave [None]
`IDE Channel 5 Master [None]
`IDE Channel 5 Slave [None]
Drive A [1.44M, 3.5"]
Floppy 3 Mode Support [Disabled]
Halt On [All, But Keyboard]
Base Memory 640K
Extended Memory 511M
Total Memory 512M
KLJI: Move Enter: Select +/-/PU/PD: Value F10: Save ESC: Exit F1: General Help
F5: Previous Values F6: Fail-Safe Defaults F7: Optimized Defaults
Item Help
Menu Level`
Change the day, month,
year
<Week>
Sun. to Sat.
<Month>
Jan. to Dec.
<Day>
1 to 31 (or maximum
allowed in the month)
<Year>
1999 to 2098

BIOS Setup- 33 -
English
Access Mode Use this to set the access mode for the hard drive. The two options are:
Large/Auto(default:Auto)
Capacity Capacity of currently installed hard disk.
Cylinder Number of cylinders
Head Number of heads
Precomp Write precomp
Landing Zone Landing zone
Sector Number of sectors
Drive A
The category identifies the types of floppy disk drive A that has been installed in the computer.
None No floppy drive installed
360K, 5.25" 5.25 inch PC-type standard drive; 360K byte capacity.
1.2M, 5.25" 5.25 inch AT-type high-density drive; 1.2M byte capacity
(3.5 inch when 3 Mode is Enabled).
720K, 3.5" 3.5 inch double-sided drive; 720K byte capacity
1.44M, 3.5" 3.5 inch double-sided drive; 1.44M byte capacity.
2.88M, 3.5" 3.5 inch double-sided drive; 2.88M byte capacity.
Floppy 3 Mode Support (for Japan Area)
Disabled Normal Floppy Drive. (Default value)
Drive A Drive A is 3 mode Floppy Drive.
Halt on
The category determines whether the computer will stop if an error is detected during power up.
No Errors The system boot will not stop for any error that may be detected and you
will be prompted.
All Errors Whenever the BIOS detects a non-fatal error the system will be stopped.
All, But Keyboard The system boot will not stop for a keyboard error; it will stop for all other
errors. (Default value)
All, But Diskette The system boot will not stop for a disk error; it will stop for all other errors.
All, But Disk/Key The system boot will not stop for a keyboard or disk error; it will stop for all
other errors.
Memory
The category is display-only which is determined by POST (Power On Self Test) of the BIOS.
Base Memory
The POST of the BIOS will determine the amount of base (or conventional) memory installed
in the system.
The value of the base memory is typically 512K for systems with 512K memory installed on
the motherboard, or 640K for systems with 640K or more memory installed on the motherboard.
Extended Memory
The BIOS determines how much extended memory is present during the POST.
This is the amount of memory located above 1 MB in the CPU's memory address map.
Total Memory
This item displays the memory size that used.

GA-965G-DS3 Motherboard - 34 -
English
2-2 Advanced BIOS Features
Hard Disk Boot Priority
Select boot sequence for onboard(or add-on cards) SCSI, RAID, etc.
Use < > or < > to select a device, then press<+> to move it up, or <-> to move it down the list. Press
<ESC> to exit this menu.
First / Second / Third Boot Device
Floppy Select your boot device priority by Floppy.
LS120 Select your boot device priority by LS120.
Hard Disk Select your boot device priority by Hard Disk.
CDROM Select your boot device priority by CDROM.
ZIP Select your boot device priority by ZIP.
USB-FDD Select your boot device priority by USB-FDD.
USB-ZIP Select your boot device priority by USB-ZIP.
USB-CDROM Select your boot device priority by USB-CDROM.
USB-HDD Select your boot device priority by USB-HDD.
LAN Select your boot device priority by LAN.
Disabled Disable this function.
Password Check
Setup The system will boot but will not access to Setup page if the correct
password is not entered at the prompt. (Default value)
System The system will not boot and will not access to Setup page if the correct
password is not entered at the prompt.
If you want to cancel the setting of password, please just press ENTER to make [SETUP] empty.
(Note) This item will show up when you install a processor that supports this function.
CMOS Setup Utility-Copyright (C) 1984-2006 Award Software
Advanced BIOS Features
`Hard Disk Boot Priority [Press Enter]
First Boot Device [Floppy]
Second Boot Device [Hard Disk]
Third Boot Device [CDROM]
Password Check [Setup]
CPU Hyper-Threading (Note) [Enabled]
Limit CPUID Max. to 3 (Note) [Disabled]
No-Execute Memory Protect (Note) [Enabled]
CPU Enhanced Halt (C1E)(Note) [Enabled]
CPU Thermal Monitor 2(TM2) (Note) [Enabled]
CPU EIST Function (Note) [Enabled]
Virtualization Technology(Note) [Enabled]
Init Display First [PCI]
Onboard VGA [Enable If No Ext PEG]
On-Chip Frame Buffer Size [8MB]
KLJI: Move Enter: Select +/-/PU/PD: Value F10: Save ESC: Exit F1: General Help
F5: Previous Values F6: Fail-Safe Defaults F7: Optimized Defaults
Item Help
Menu Level`
Select Hard Disk Boot
Device Priority

BIOS Setup- 35 -
English
CPU Hyper-Threading (Note)
Enabled Enable CPU Hyper Threading Feature. Please note that this feature is only
working for operating system with multi processors mode supported. (Default
value)
Disabled Disables CPU Hyper Threading.
Limit CPUID Max. to 3 (Note)
Enabled Limit CPUID Maximum value to 3 when use older OS like NT4.
Disabled Disable CPUID Limit for windows XP. (Default value)
No-Execute Memory Protect (Note)
Enabled Enable No-Execute Memory Protect function. (Default value)
Disabled Disable No-Execute Memory Protect function.
CPU Enhanced Halt (C1E) (Note)
Enabled Enable CPU Enhanced Halt (C1E) function. (Default value)
Disabled Disable CPU Enhanced Halt (C1E) function.
CPU Thermal Monitor 2 (TM2) (Note)
Enabled Enable CPU Thermal Monitor 2 (TM2) function. (Default value)
Disabled Disable CPU Thermal Monitor 2 (TM2) function.
CPU EIST Function (Note)
Enabled Enable CPU EIST function. (Default value)
Disabled Disable EIST function.
Virtualization Technology (Note)
Enabled Enable Virtualization Technology. (Default value)
Disabled Disable this function.
Init Display First
This feature allows you to select the first initiation of the monitor display from which card when you
install a PCI card and a PCI Express VGA card on the motherboard.
PEG Set Init display first to PCI Express VGA card.
PCI Set Init display first to PCI. (Default value)
Onboard Set Init Display First to onboard VGA.
Onboard VGA
Enable If No Ext PEG Output from the onboard GPU when no PCI Express VGA card is
installed. (Default value)
Always Enable Always output from the onboard GPU.
On-Chip Frame Buffer Size
8MB Set on-chip frame buffer size to 8MB. (Default value)
1MB Set on-chip frame buffer size to 1MB.
(Note) This item will show up when you install a processor which supports this function.

GA-965G-DS3 Motherboard - 36 -
English
2-3 Integrated Peripherals
SATA Port0-3 Native Mode
Enabled Set SATA Port0~3 to operate at Native IDE mode.
Disabled Set SATA Port0~3 to operate at Legacy IDE mode.(Default value)
USB Controller
Enabled Enable USB Controller. (Default value)
Disabled Disable USB Controller.
USB 2.0 Controller
Disable this function if you are not using onboard USB 2.0 feature.
Enabled Enable USB 2.0 Controller. (Default value)
Disabled Disable USB 2.0 Controller.
USB Keyboard Support
Enabled Enable USB Keyboard Support.
Disabled Disable USB Keyboard Support. (Default value)
USB Mouse Support
Enabled Enable USB Mouse Support.
Disabled Disable USB Mouse Support. (Default value)
Legacy USB storage detect
This option allows users to decide whether to detect USB storage devices, including USB flash
drives and USB hard drives during POST.
Enabled BIOS will scan all USB storage devices. (Default value)
Disabled Disable this function.
Azalia Codec
Auto Auto detect Azalia audio function. (Default value)
Disabled Disable Azalia audio function.
CMOS Setup Utility-Copyright (C) 1984-2006 Award Software
Integrated Peripherals
SATA Port0-3 Native Mode [Disabled]
USB Controller [Enabled]
USB 2.0 Controller [Enabled]
USB Keyboard Support [Disabled]
USB Mouse Support [Disabled]
Legacy USB storage detect [Enabled]
Azalia Codec [Auto]
Onboard H/W LAN [Enabled]
`SMART LAN [Press Enter]
OnBoard LAN Boot ROM [Disabled]
Onboard SATA/IDE Device [Enabled]
Onboard SATA/IDE Ctrl Mode [IDE]
Onboard Serial Port 1 [3F8/IRQ4]
Onboard Parallel Port [378/IRQ7]
Parallel Port Mode [SPP]
KLJI: Move Enter: Select +/-/PU/PD: Value F10: Save ESC: Exit F1: General Help
F5: Previous Values F6: Fail-Safe Defaults F7: Optimized Defaults
Item Help
Menu Level`

BIOS Setup- 37 -
English
Onboard H/W LAN
Enabled Enable Onboard H/W LAN function. (Default value)
Disabled Disable this function.
SMART LAN (LAN Cable Diagnostic Function)
This motherboard incorporates cable diagnostic feature designed to detect the status of the attached LAN
cable. This feature will detect cabling issue and report the approximate distance to the fault or short.
Refer to the following information for diagnosing your LAN cable:
When LAN Cable Is Functioning Normally...
1. If no cable problem is detected on the LAN cable connected to a Gigabit hub, the Status fields
of Pair 1-2, Pair 3-6, Pair 4-5, and Pair 7-8 will show Normal and the Length fields will show
N/A, as shown in the figure above.
2. If no cable problem is detected on the LAN cable connected to a 10/100 Mbps hub, the Status
fields of Pair 1-2 and Pair 3-6 will show Normal and the Length fields will show N/A.
However, because Pair 4-5 and Pair 7-8 are not used in a 10/100 Mbps environment, their
Status fields will show Short or Open, and the length shown is the approximate length of the
attached LAN cable.
When a Cable Problem Occurs...
If a cable problem occurs on a specified pair of wires, the Status field will show Short or Open
and the length shown will be the approximate distance to the fault or short.
For example, if it shows Pair1-2 Status = Short / Length = 1.6m,
it means that a fault or short might occur at about 1.6m on Pair 1-2.
When No LAN Cable Is Attached...
If no LAN cable is attached to the motherboard, the Status fields of all four pairs of wires will show
Open and the Length fields show 0.0m.
CMOS Setup Utility-Copyright (C) 1984-2006 Award Software
SMART LAN
Item Help
Menu Level`
Start detecting at Port.....
Pair1-2 Status = Normal / Length = N/A
Pair3-6 Status = Normal / Length = N/A
Pair4-5 Status = Normal / Length = N/A
Pair7-8 Status = Normal / Length = N/A
KLJI: Move Enter: Select +/-/PU/PD: Value F10: Save ESC: Exit F1: General Help
F5: Previous Values F6: Fail-Safe Defaults F7: Optimized Defaults

GA-965G-DS3 Motherboard - 38 -
English
OnBoard LAN Boot ROM
This function decide whether to invoke the boot ROM of the onboard LAN chip.
Enabled Enable this function.
Disabled Disable this function. (Default value)
Onboard SATA/IDE Device
This function allows users to enable or disable the SATA/IDE ports controlled by the GIGABYTE
SATA2 controller.
Enabled Enable this function.(Default value)
Disabled Disable this function.
OnBoard SATA/IDE Ctrl Mode
This function allows users to decide the operating mode of the SATA ports controlled by the
GIGABYTE SATA2 controller.
IDE Set the SATA channel to IDE mode.(Default value)
AHCI Set the SATA channel to AHCI mode. Advanced Host Controller Inter-
face (AHCI) is an interface specification that allows the storage driver to
enable advanced Serial ATA features such as Native Command Queu-
ing and hot plug. For more details about AHCI, please visit Intel's
website.
RAID/IDE Set the SATA channel to RAID mode and IDE channel to IDE mode.
Onboard Serial Port 1
Auto BIOS will automatically setup the port 1 address.
3F8/IRQ4 Enable onboard Serial port 1 and address is 3F8/IRQ4. (Default value)
2F8/IRQ3 Enable onboard Serial port 1 and address is 2F8/IRQ3.
3E8/IRQ4 Enable onboard Serial port 1 and address is 3E8/IRQ4.
2E8/IRQ3 Enable onboard Serial port 1 and address is 2E8/IRQ3.
Disabled Disable onboard Serial port 1.
Onboard Parallel Port
Disabled Disable onboard LPT port.
378/IRQ7 Enable onboard LPT port and address is 378/IRQ7. (Default value)
278/IRQ5 Enable onboard LPT port and address is 278/IRQ5.
3BC/IRQ7 Enable onboard LPT port and address is 3BC/IRQ7.

BIOS Setup- 39 -
English
2-4 Power Management Setup
CMOS Setup Utility-Copyright (C) 1984-2006 Award Software
Power Management Setup
ACPI Suspend Type [S1(POS)]
Soft-Off by PWR-BTTN [Instant-Off]
PME Event Wake Up [Enabled]
Power On by Ring [Enabled]
Resume by Alarm [Disabled]
x Date (of Month) Alarm Everyday
x Time (hh:mm:ss) Alarm 0 : 0 : 0
Power On By Mouse [Disabled]
Power On By Keyboard [Disabled]
x KB Power ON Password Enter
AC Back Function [Soft-Off]
KLJI: Move Enter: Select +/-/PU/PD: Value F10: Save ESC: Exit F1: General Help
F5: Previous Values F6: Fail-Safe Defaults F7: Optimized Defaults
Item Help
Menu Level`
ACPI Suspend Type
S1(POS) Set ACPI suspend type to S1/POS(Power On Suspend).(Default value)
S3(STR) Set ACPI suspend type to S3/STR(Suspend To RAM).
Soft-Off by PWR-BTTN
Instant-Off Press power button then Power off instantly. (Default value)
Delay 4 Sec. Press power button 4 sec. to Power off. Enter suspend if button is
pressed less than 4 sec.
PME Event Wake Up
This feature requires an ATX power supply that provides at least 1A on the 5VSB lead.
Disabled Disable this function.
Enabled Enable PME Event Wake up. (Default value)
Power On by Ring
Disabled Disable Power on by Ring function.
Enabled Enable Power on by Ring function. (Default value)
Resume by Alarm
You can set "Resume by Alarm" item to enabled and key in Date/time to power on system.
Disabled Disable this function. (Default value)
Enabled Enable alarm function to POWER ON system.
If Resume by Alarm is Enabled.
Date (of Month) Alarm : Everyday, 1~31
Time (hh: mm: ss) Alarm : (0~23) : (0~59) : (0~59)
Power On By Mouse
Disabled Disable this function. (Default value)
Double Click Double click on PS/2 mouse left button to power on the system.

GA-965G-DS3 Motherboard - 40 -
English
Power On By Keyboard
Disabled Disable this function. (Default value)
Password Enter from 1 to 5 characters to set the Keyboard Power On Password.
Keyboard 98 If your keyboard have "POWER Key" button, you can press the key to
power on the system.
KB Power ON Password
When "Power On by Keyboard" set at Password, you can set the password here.
Enter Input password (from 1 to 5 characters) and press Enter to set the Keyboard
Power On password.
AC Back Function
Soft-Off When AC-power back to the system, the system will be in "Off" state.
(Default value)
Full-On When AC-power back to the system, the system always in "On" state.
Memory When AC-power back to the system, the system will return to the Last state
before AC-power off.
2-5 PnP/PCI Configurations
PCI1 IRQ Assignment
Auto Auto assign IRQ to PCI 1. (Default value)
3,4,5,7,9,10,11,12,14,15 Set IRQ 3,4,5,7,9,10,11,12,14,15 to PCI 1.
PCI2 IRQ Assignment
Auto Auto assign IRQ to PCI 2. (Default value)
3,4,5,7,9,10,11,12,14,15 Set IRQ 3,4,5,7,9,10,11,12,14,15 to PCI 2.
PCI3 IRQ Assignment
Auto Auto assign IRQ to PCI 3. (Default value)
3,4,5,7,9,10,11,12,14,15 Set IRQ 3,4,5,7,9,10,11,12,14,15 to PCI 3.
CMOS Setup Utility-Copyright (C) 1984-2006 Award Software
PnP/PCI Configurations
PCI1 IRQ Assignment [Auto]
PCI2 IRQ Assignment [Auto]
PCI3 IRQ Assignment [Auto]
KLJI: Move Enter: Select +/-/PU/PD: Value F10: Save ESC: Exit F1: General Help
F5: Previous Values F6: Fail-Safe Defaults F7: Optimized Defaults
Item Help
Menu Level`

BIOS Setup- 41 -
English
2-6 PC Health Status
Reset Case Open Status
Disabled Don't reset case open status. (Default value)
Enabled Clear case open status at next boot.
Case Opened
If the case is closed, "Case Opened" will show "No".
If the case have been opened, "Case Opened" will show "Yes".
If you want to reset "Case Opened" value, set "Reset Case Open Status" to "Enabled" and save
CMOS, your computer will restart.
Current Voltage(V) Vcore/DDR18V/+3.3V/+12V
Detect system's voltage status automatically.
Current System/CPU Temperature
Detect system/CPU temperature automatically.
Current CPU/SYSTEM FAN Speed (RPM)
Detect CPU/system fan speed automatically.
CPU Warning Temperature
60oC / 140oF Monitor CPU temperature at 60oC / 140oF.
70oC / 158oF Monitor CPU temperature at 70oC / 158oF.
80oC / 176oF Monitor CPU temperature at 80oC / 176oF.
90oC / 194oF Monitor CPU temperature at 90oC / 194oF.
Disabled Disable this function. (Default value)
CPU/SYSTEM FAN Fail Warning
Disabled Disable the fan fail warning function. (Default value)
Enabled Enable the fan fail warning function.
CMOS Setup Utility-Copyright (C) 1984-2006 Award Software
PC Health Status
Reset Case Open Status [Disabled]
Case Opened No
Vcore OK
DDR18V OK
+3.3V OK
+12V OK
Current System Temperature 40oC
Current CPU Temperature 47oC
Current CPU FAN Speed 3375 RPM
Current SYSTEM FAN Speed 0 RPM
CPU Warning Temperature [Disabled]
CPU FAN Fail Warning [Disabled]
SYSTEM FAN Fail Warning [Disabled]
FAN Speed Control Method [Auto]
FAN Speed Control Mode [Auto]
KLJI: Move Enter: Select +/-/PU/PD: Value F10: Save ESC: Exit F1: General Help
F5: Previous Values F6: Fail-Safe Defaults F7: Optimized Defaults
Item Help
Menu Level`

GA-965G-DS3 Motherboard - 42 -
English
FAN Speed Control Method (Note)
Auto BIOS sets the optimal CPU fan speed automatically. (Default Value)
Intel(R) QST Control the fan speed with Intel® QST (Intel® Quiet System Technology).
Legacy CPU fan runs at different speed depending on CPU temperature.
Disable CPU fan runs at full speed.
FAN Speed Control Mode
Auto BIOS autodetects the type of CPU fan you installed and sets the optimal fan
speed control mode for it. (Default Value)
Voltage Set to Voltage when you use a CPU fan with a 3-pin fan power cable.
PWM Set to PWM when you use a CPU fan with a 4-pin fan power cable.
Note: In fact, the Voltage option can be used for CPU fans with 3-pin or 4-pin power cables.
However, some 4-pin CPU fan power cables are not designed following Intel 4-Wire fans PWM
control specifications. With such CPU fans, selecting PWM will not effectively reduce the fan
speed.
(Note) Before setting this item to Intel(R) QST, make sure at least DDRII1 or DDRII2 socket in Channel
0 is populated. A small portion of system memory will be shared when Intel® QST is enabled.

BIOS Setup- 43 -
English
2-7 MB Intelligent Tweaker(M.I.T.)
CPU Clock Ratio (Note)
This setup option will automatically assign by CPU detection.
The option will display "Locked" and read only if the CPU ratio is not changeable.
C.A.M (Note)
High Set clock ratio for frequency-locked CPU to High. (Default value)
Low Set clock ratio for frequency-locked CPU to Low.
CPU Host Clock Control
Please note that if your system is overclocked and cannot restart, please wait 20secs.
for automatic system restart or clear the CMOS setup data and perform a safe restart.
Disabled Disable CPU Host Clock Control. (Default value)
Enabled Enable CPU Host Clock Control.
CPU Host Frequency (Mhz)
100 MHz ~ 600 MHz Set CPU Host Frequency from 100 MHz to 600 MHz.
If you use a 533 MHz FSB processor, set "CPU Host Frequency" to 133 MHz.
If you use a 800 MHz FSB processor, set "CPU Host Frequency" to 200 MHz.
If you use a 1066 MHz FSB processor, set "CPU Host Frequency" to 266 MHz.
Incorrect using it may cause your system broken. For power End-User use only!
PCI Express Frequency (Mhz)
Auto Set PCI Express frequency automatically. (Default value)
90~150 Set PCI Express frequency from 90 MHz to 150 MHz.
CMOS Setup Utility-Copyright (C) 1984-2006 Award Software
MB Intelligent Tweaker(M.I.T.)
CPU Clock Ratio (Note) [25X]
C.A.M (Note) [High]
CPU Host Clock Control [Disabled]
x CPU Host Frequency (Mhz) 200
PCI Express Frequency (Mhz) Auto
C.I.A. 2 [Disabled]
System Memory Multiplier [Auto]
Memory Frequency (Mhz) 533
DIMM OverVoltage Control [Normal]
PCI-E OverVoltage Control [Normal]
FSB OverVoltage Control [Normal]
(G)MCH OverVoltage Control [Normal]
CPU Voltage Control [Normal]
Normal CPU Vcore 1.40000V
KLJI: Move Enter: Select +/-/PU/PD: Value F10: Save ESC: Exit F1: General Help
F5: Previous Values F6: Fail-Safe Defaults F7: Optimized Defaults
Item Help
Menu Level`
(Note) This item will show up when you install a processor which supports this function.
Incorrectly using these features may result in system instability or corruption.
Doing a overclock or overvoltage on CPU, chipsets and memory modules may result in
damages or shortened life expectancy to these components.
Please be aware that the M.I.T. menu items are for power users only.

GA-965G-DS3 Motherboard - 44 -
English
C.I.A.2
C.I.A.2 (CPU Intelligent Acelerator 2) is designed to detect CPU loading during software program
executing, and automatically adjust CPU computing power to maximize system performance.
Disabled Disable this function. (Default value)
Cruise Set C.I.A.2 to Cruise. (Automatically increase CPU frequency(5%,7%) by
CPU loading.
Sports Set C.I.A.2 to Sports. (Automatically increase CPU frequency(7%,9%) by
CPU loading.
Racing Set C.I.A.2 to Racing. (Automatically increase CPU frequency(9%,11%) by
CPU loading.
Turbo Set C.I.A.2 to Turbo. (Automatically increase CPU frequency(15%,17%) by
CPU loading.
Full Thrust Set C.I.A.2 to Full Thrust. (Automatically increase CPU frequency(17%, 19%)
by CPU loading.
Warning: Stability is highly dependent on system components.
System Memory Multiplier
The adjustable range will vary based on the CPU FSB. Default value: Auto (set memory
frequency by DRAM SPD data). Wrong frequency settings may cause system unable to boot.
Clear CMOS to overcome wrong frequency issue.
Memory Frequency (Mhz)
The values depend on CPU Host Frequency (Mhz) and System Memory Multiplier setting.
DIMM OverVoltage Control
Please note that by overclocking your system through the increase of the DIMM voltage, damage
to the memory may occur.
Normal Set DIMM OverVoltage Control to Normal. (Default value)
+0.1V Set DIMM OverVoltage Control to +0.1V.
+0.2V Set DIMM OverVoltage Control to +0.2V.
+0.3V Set DIMM OverVoltage Control to +0.3V.
+0.4V Set DIMM OverVoltage Control to +0.4V.
+0.5V Set DIMM OverVoltage Control to +0.5V.
+0.6V Set DIMM OverVoltage Control to +0.6V.
Incorrect using it may cause your system broken. For power End-User use only!
PCI-E OverVoltage Control
Normal Set PCI-E OverVoltage Control to Normal. (Default value)
+0.1V Set PCI-E OverVoltage Control to +0.1V.
FSB OverVoltage Control
Normal Set FSB OverVoltage Control to Normal. (Default value)
+0.1V Set FSB OverVoltage Control to +0.1V.
+0.2V Set FSB OverVoltage Control to +0.2V.
+0.3V Set FSB OverVoltage Control to +0.3V.

BIOS Setup- 45 -
English
(G) MCH OverVoltage Control
Normal Set (G) MCH OverVoltrage Control to Normal. (Default value)
+0.1V Set (G) MCH OverVoltrage Control to +0.1V.
+0.2V Set (G) MCH OverVoltrage Control to +0.2V.
+0.3V Set (G) MCH OverVoltrage Control to +0.3V.
Incorrect using it may cause your system broken. For power End-User use only!
CPU Voltage Control
Supports adjustable CPU Vcore. The adjustable range is dependent on CPUs. (Default value:
Normal)
Please note that by overclocking your system through the increase of the CPU voltage, damage
to the CPU or decrease in the CPU life expectancy may occur.
Normal CPU Vcore
Display your CPU vcore voltage.

GA-965G-DS3 Motherboard - 46 -
English
2-8 Load Fail-Safe Defaults
Fail-Safe defaults contain the most appropriate values of the system parameters that allow minimum system
performance.
2-9 Load Optimized Defaults
Selecting this field loads the factory defaults for BIOS and Chipset Features which the system automatically
detects.
CMOS Setup Utility-Copyright (C) 1984-2006 Award Software
`Standard CMOS Features
`Advanced BIOS Features
`Integrated Peripherals
`Power Management Setup
`PnP/PCI Configurations
`PC Health Status
`MB Intelligent Tweaker(M.I.T.)
ESC: Quit KLJI: Select Item
F8: Q-Flash F10: Save & Exit Setup
Load Fail-Safe Defaults
Load Fail-Safe Defaults
Load Optimized Defaults
Set Supervisor Password
Set User Password
Save & Exit Setup
Exit Without Saving
Load Fail-Safe Defaults (Y/N)? N
CMOS Setup Utility-Copyright (C) 1984-2006 Award Software
`Standard CMOS Features
`Advanced BIOS Features
`Integrated Peripherals
`Power Management Setup
`PnP/PCI Configurations
`PC Health Status
`MB Intelligent Tweaker(M.I.T.)
ESC: Quit KLJI: Select Item
F8: Q-Flash F10: Save & Exit Setup
Load Optimized Defaults
Load Fail-Safe Defaults
Load Optimized Defaults
Set Supervisor Password
Set User Password
Save & Exit Setup
Exit Without Saving
Load Optimized Defaults (Y/N)? N

BIOS Setup- 47 -
English
2-10 Set Supervisor/User Password
When you select this function, the following message will appear at the center of the screen to assist
you in creating a password.
Type the password, up to eight characters, and press <Enter>. You will be asked to confirm the
password. Type the password again and press <Enter>. You may also press <Esc> to abort the
selection and not enter a password.
To disable password, just press <Enter> when you are prompted to enter password. A message
"PASSWORD DISABLED" will appear to confirm the password being disabled. Once the password is
disabled, the system will boot and you can enter Setup freely.
The BIOS Setup program allows you to specify two separate passwords:
SUPERVISOR PASSWORD and a USER PASSWORD. When disabled, anyone may access all BIOS
Setup program function. When enabled, the Supervisor password is required for entering the BIOS
Setup program and having full configuration fields, the User password is required to access only basic
items.
If you select "System" at "Password Check" in Advance BIOS Features Menu, you will be prompted
for the password every time the system is rebooted or any time you try to enter Setup Menu.
If you select "Setup" at "Password Check" in Advance BIOS Features Menu, you will be prompted only
when you try to enter Setup.
CMOS Setup Utility-Copyright (C) 1984-2006 Award Software
`Standard CMOS Features
`Advanced BIOS Features
`Integrated Peripherals
`Power Management Setup
`PnP/PCI Configurations
`PC Health Status
`MB Intelligent Tweaker(M.I.T.)
ESC: Quit KLJI: Select Item
F8: Q-Flash F10: Save & Exit Setup
Change/Set/Disable Password
Load Fail-Safe Defaults
Load Optimized Defaults
Set Supervisor Password
Set User Password
Save & Exit Setup
Exit Without Saving
Enter Password:

GA-965G-DS3 Motherboard - 48 -
English
2-11 Save & Exit Setup
Type "Y" will quit the Setup Utility and save the user setup value to RTC CMOS.
Type "N" will return to Setup Utility.
2-12 Exit Without Saving
Type "Y" will quit the Setup Utility without saving to RTC CMOS.
Type "N" will return to Setup Utility.
CMOS Setup Utility-Copyright (C) 1984-2006 Award Software
`Standard CMOS Features
`Advanced BIOS Features
`Integrated Peripherals
`Power Management Setup
`PnP/PCI Configurations
`PC Health Status
`MB Intelligent Tweaker(M.I.T.)
ESC: Quit KLJI: Select Item
F8: Q-Flash F10: Save & Exit Setup
Save Data to CMOS
Load Fail-Safe Defaults
Load Optimized Defaults
Set Supervisor Password
Set User Password
Save & Exit Setup
Exit Without Saving
Save to CMOS and EXIT (Y/N)? Y
CMOS Setup Utility-Copyright (C) 1984-2006 Award Software
`Standard CMOS Features
`Advanced BIOS Features
`Integrated Peripherals
`Power Management Setup
`PnP/PCI Configurations
`PC Health Status
`MB Intelligent Tweaker(M.I.T.)
ESC: Quit KLJI: Select Item
F8: Q-Flash F10: Save & Exit Setup
Abandon all Data
Load Fail-Safe Defaults
Load Optimized Defaults
Set Supervisor Password
Set User Password
Save & Exit Setup
Exit Without Saving
Quit Without Saving (Y/N)? N

Install Drivers- 49 -
English
Chapter 3 Install Drivers
Pictures below are shown in Windows XP.
Insert the driver CD-title that came with your motherboard into your CD-ROM drive, the driver
CD-title will auto start and show the installation guide. If not, please double click the CD-ROM
device icon in "My computer", and execute the Run.exe.
3-1 Install Chipset Drivers
After insert the driver CD, "Xpress Install" will scan automatically the system and then list all the drivers that
recommended to install. Please pick the item that you want and press "install" followed the item; or you can
press "Xpress Install" to install all items defaulted.
Some device drivers will restart your system automatically. After restarting
your system the "Xpress Install" will continue to install other drivers.
System will reboot automatically after install the drivers, afterward you can
install others application.
For USB2.0 driver support under Windows XP operating system, please
use Windows Service Pack. After install Windows Service Pack, it will show
a question mark "?" in "Universal Serial Bus controller" under "Device
Manager". Please remove the question mark and restart the system (System
will auto-detect the right USB2.0 driver).

GA-965G-DS3 Motherboard - 50 -
English
3-2 Software Applications
This page displays all the tools that Gigabyte developed and some free software, you can choose anyone
you want and press "install" to install them.
3-3 Driver CD Information
This page lists the contents of software and drivers in this CD-title.

Install Drivers- 51 -
English
3-4 Hardware Information
This page lists all device you have for this motherboard.
3-5 Contact Us
Please see the last page for details.

GA-965G-DS3 Motherboard - 52 -
English

Appendix- 53 -
English
Chapter 4 Appendix
4-1 Unique Software Utilities
(Not all model support these Unique Software Utilities, please check your MB features.)
4-1-1 EasyTune 5 Introduction
EasyTune 5 presents the most convenient Windows based system performance enhancement and
manageability utility. Featuring several powerful yet easy to use tools such as 1) Overclocking for enhancing
system performance, 2) C.I.A. and M.I.B. for special enhancement for CPU and Memory, 3) Smart-Fan
control for managing fan speed control of both CPU cooling fan and North-Bridge Chipset cooling fan, 4) PC
health for monitoring system status.(Note)
User Interface Overview
(Note) EasyTune 5 functions may vary depending on different motherboards.
Button / Display Description
1. Overclocking Enters the Overclocking setting page
2. C.I.A./C.I.A.2 and M.I.B./M.I.B.2 Enters the C.I.A./2 and M.I.B./2 setting page
3. Smart-Fan Enters the Smart-Fan setting page
4. PC Health Enters the PC Health setting page
5. GO Confirmation and Execution button
6. "Easy Mode" & "Advance Mode" Toggles between Easy and Advance Mode
7. Display screen Display panel of CPU frequency
8. Function display LEDs Shows the current functions status
9. GIGABYTE Logo Log on to GIGABYTE website
10. Help button Display EasyTuneTM 5 Help file
11. Exit or Minimize button Quit or Minimize EasyTuneTM 5 software

GA-965G-DS3 Motherboard - 54 -
English
4-1-2 Xpress Recovery2 Introduction
Xpress Recovery2 is designed to provide quick backup and restora-
tion of hard disk data. Supporting Microsoft operating systems including
Windows XP/2000/NT/98/Me and DOS, and file systems including
FAT16, FAT32, and NTFS, Xpress Recovery2 is able to back up data
How to use the Xpress Recovery2
Initial access by booting from CD-ROM and subsequent access by pressing the F9 key:
Steps: After entering BIOS Setup, go to Advanced BIOS Feature and set to boot from CD-ROM. Save
the settings and exit the BIOS Setup. Insert the provided driver CD into your CD-ROM drive. Upon
system restart, the message which says "Boot from CD/DVD:" will appear in the bottom left corner
of the screen. Press any key to enter Xpress Recovery2.
After the steps above are completed, subsequent access to Xpress Recovery2 can be made
by simply pressing the <F9> key during system power-on.
1. If you have already entered Xpress Recovery2 by booting from the CD-ROM, you can
enter Xpress Recovery2 by pressing the <F9> key in the future.
2. System storage capacity and the reading/writing speed of the hard disk will affect
the data backup speed.
3. It is recommended that Xpress Recovery2 be immediately installed once you com-
plete installations of OS and all required drivers as well as software.
on hard disks on PATA and SATA IDE controllers. After Xpress Recovery2 is executed from CD-ROM
for the first time, it will stay permanent in your hard disk. If you wish to run Xpress Recovery2 later, you
can simply press F9 during system bootup to enter Xpress Recovery2 without the CD-ROM.
System requirements:
1. Intel x86 platforms
2. At least 64M bytes of system memory
3. VESA-supported VGA cards
Award Modular BIOS v6.00PG, An Energy Star Ally
Copyright (C) 1984-2006, Award Software, Inc.
Intel G965 BIOS for 965G-DS3 D3
.
.
.
.
<DEL>:BIOS Setup/Q-Flash, <F9>: Xpress Recovery2, <F12>: Boot Menu
07/10/2006-G965-ICH8-6A79LG09C-00
<F9> Xpress Recovery2
Boot from CD/DVD:
.
.
Boot from CD/DVD:
Press any key to startup XpressRecovery2.....

Appendix- 55 -
English
1. RESTORE:
Restore the backed-up data to your hard disk.
(This button will not appear if there is no backup
file.)
2. BACKUP:
Back up data from hard disk.
3. REMOVE:
Remove previously-created backup files
to release disk space.
(This button will not appear if there is no backup
file.)
4. REBOOT:
Exit the main screen and restart the system.
The Main Screen of Xpress Recovery2
Limitations:
1. Not compatible to Xpress Recovery.
2. For the use of Xpress Recovery2, a primary partition must be reserved.
3. Xpress Recovery2 will store the backup file at the end of the hard disk, so free space available
on the hard disk for the backup file must be allocated in advance. (A minimum 4GB is recom-
mended but the actual space is dependent on the size of the data to be backed up)
4. Capable of backing up hard disks installed with Windows operating systems including DOS and
Windows XP/2000/NT/9x/Me.
5. USB hard disks are currently not supported.
6. Does not support RAID/AHCI (class code 0104/0106) hard disks.
7. Capable of backing up and restoring only the first physical hard disk.
Hard disks detection sequence is as follows:
a. PATA IDE primary channel
b. PATA IDE secondary channel
c. SATA IDE channel 1
d. SATA IDE channel 2
e. SATA IDE channel 3
f. SATA IDE channel 4
Precautions:
1. When using hard disks with more than 128G under Windows 2000, be sure to execute the
EnableBigLba.exe program from the driver CD before data backup.
2. It is normal that data backup takes longer time than data restoration.
3. Xpress Recovery2 is compliant with the GPL regulations.
4. On a few motherboards based on Nvidia chipsets, BIOS update is required for Xpress Recovery2
to correctly identify RAID and SATA IDE mode. Please contact your motherboard manufacturer.

GA-965G-DS3 Motherboard - 56 -
English
4-1-3 Flash BIOS Method Introduction
Method 1 : Q-FlashTM Utility
Q-FlashTM is a BIOS flash utility embedded in Flash ROM. With this utility,
users only have to stay in the BIOS menu when they want to update
BIOS. Q-FlashTM allows users to flash BIOS without any utility in
DOS or Windows. Using Q-FlashTM indicates no more fooling around with any complicated instructions
and operating system since it is in the BIOS menu.
Please note that because updating BIOS has potential risk, please do it with caution!! We are
sorry that Gigabyte Technology Co., Ltd is not responsible for damages of system because of
incorrect manipulation of updating BIOS to avoid any claims from end-users.
Before You Begin:
Before you start updating BIOS with the Q-FlashTM utility, please follow the steps below first.
1. Download the latest BIOS for your motherboard from Gigabyte's website.
2. Extract the BIOS file downloaded and save the BIOS file (the one with model name.Fxx. For
example, 8KNXPU.Fba) to a floppy disk.
3. Reboot your PC and press Del to enter BIOS menu.
The BIOS upgrading guides below are separated into two parts.
If your motherboard has dual-BIOS, please refer to Part One.
If your motherboard has single-BIOS, please refer to Part Two.
Part One:
Updating BIOS with Q-FlashTM Utility on Dual BIOS Motherboards.
Some of Gigabyte motherboards are equipped with dual BIOS. In the BIOS menu of the motherboards
supporting Q-Flash and Dual BIOS, the Q-Flash utility and Dual BIOS utility are combined in the same
screen. This section only deals with how to use Q-Flash utility.
In the following sections, we take GA-8KNXP Ultra as the example to guide you how to flash BIOS
from an older version to the latest version. For example, from Fa3 to Fba.
Intel i875P AGPset BIOS for 8KNXP Ultra Fa3
Check System Health OK , VCore = 1.5250
Main Processor : Intel Pentium(R) 4 1.6GHz (133x12)
<CPUID : 0F27 Patch ID : 0027>
Memory Testing : 131072K OK
Memory Frequency 266 MHz in Single Channel
Primary Master : FUJITSU MPE3170AT ED-03-08
Primary Slave : None
Secondary Master : CREATIVEDVD-RM DVD1242E BC101
Secondary Slave : None
Press DEL to enter SETUP / Dual BIOS / Q-Flash / F9 For
Xpress Recovery
08/07/2003-i875P-6A79BG03C-00
Award Modular BIOS v6.00PG, An Energy Star Ally
Copyright (C) 1984-2003, Award Software, Inc.
The BIOS file is Fa3
before updating

Appendix- 57 -
English
Entering the Q-FlashTM utility:
CMOS Setup Utility-Copyright (C) 1984-2004 Award Software
Standard CMOS Features
Advanced BIOS Features
Integrated Peripherals
Power Management Setup
PnP/PCI Configurations
PC Health Status
MB Intelligent Tweaker(M.I.T.)
Select Language
Load Fail-Safe Defaults
Load Optimized Defaults
Set Supervisor Password
Set User Password
Save & Exit Setup
Exit Without Saving
ESC: Quit F3: Change Language
F8: Dual BIOS/Q-Flash F10: Save & Exit Setup
Time, Date, Hard Disk Type...
Step 2: Press F8 button on your keyboard and then Y button to enter the Dual BIOS/Q-Flash utility.
Step1: To use Q-Flash utility, you must press Del in the boot screen to enter BIOS menu.
Exploring the Q-FlashTM / Dual BIOS utility screen
The Q-Flash / Dual BIOS utility screen consists of the following key components.
Task menu for Dual BIOS utility:
Contains the names of eight tasks and two item showing information about the BIOS ROM type. Blocking a
task and pressing Enter key on your keyboard to enable execution of the task.
Task menu for Q-Flash utility:
Contains the names of four tasks. Blocking a task and pressing Enter key on your keyboard to enable execu-
tion of the task.
Action bar:
Contains the names of four actions needed to operate the Q-Flash/Dual BIOS utility. Pressing the buttons
mentioned on your keyboards to perform these actions.
Dual BIOS Utility
Boot From......................................... Main Bios
Main ROM Type/Size.............................SST 49LF003A 512K
Backup ROM Type/Size.........................SST 49LF003A 512K
Wide Range Protection Disable
Boot From Main Bios
Auto Recovery Enable
Halt On Error Disable
Copy Main ROM Data to Backup
Load Default Settings
Save Settings to CMOS
Q-Flash Utility
Load Main BIOS from Floppy
Load Backup BIOS from Floppy
Save Main BIOS to Floppy
Save Backup BIOS to Floppy
Enter : Run :Move ESC:Reset F10:Power Off
Task menu for
Dual BIOS
utility
Task menu for
Q-FlashTM utility
Dual BIOS utility bar
Q-FlashTM utility title
bar
Action bar

GA-965G-DS3 Motherboard - 58 -
English
Dual BIOS Utility
Boot From......................................... Main Bios
Main ROM Type/Size.............................SST 49LF003A 512K
Backup ROM Type/Size.........................SST 49LF003A 512K
Wide Range Protection Disable
Boot From Main Bios
Auto Recovery Enable
Halt On Error Disable
Copy Main ROM Data to Backup
Load Default Settings
Save Settings to CMOS
Q-Flash Utility
Load Main BIOS from Floppy
Load Backup BIOS from Floppy
Save Main BIOS to Floppy
Save Backup BIOS to Floppy
Enter : Run :Move ESC:Reset F10:Power Off
Using the Q-FlashTM utility:
This section tells you how to update BIOS using the Q-Flash utility. As described in the "Before you begin"
section above, you must prepare a floppy disk having the BIOS file for your motherboard and insert it to your
computer. If you have already put the floppy disk into your system and have entered the Q-Flash utility,
please follow the steps below to flash BIOS.
Steps:
1. Press arrow buttons on your keyboard to move the light bar to "Load Main BIOS from Floppy" item in
the Q-Flash menu and press Enter button.
Later, you will see a box pop up showing the BIOS files you previously downloaded to the floppy disk.
If you want to save the current BIOS for backup purpose, you can begin Step 1 with "Save Main
BIOS to Floppy" item.
2. Move to the BIOS file you want to flash and press Enter.
In this example, we only download one BIOS file to the floppy disk so only one BIOS file,
8KNXPU.Fba, is listed.
Please confirm again you have the correct BIOS file for your motherboard.
1 file(s) found
8KNXPU.Fba 512K
Total size : 1.39M Free size : 911.50K
F5 : Refresh DEL : Delete
BIOS file in the floppy
disk.
Dual BIOS Utility
Boot From......................................... Main Bios
Main ROM Type/Size.............................SST 49LF003A 512K
Backup ROM Type/Size.........................SST 49LF003A 512K
Wide Range Protection Disable
Boot From Main Bios
Auto Recovery Enable
Halt On Error Disable
Copy Main ROM Data to Backup
Load Default Settings
Save Settings to CMOS
Q-Flash Utility
Load Main BIOS from Floppy
Load Backup BIOS from Floppy
Save Main BIOS to Floppy
Save Backup BIOS to Floppy
Enter : Run :Move ESC:Reset F10:Power Off
Reading BIOS file from floppy ...
>>>>>>>>>>>>>>.....................
Don't Turn Off Power or Reset System
Do not turn off power or
reset your system at this
stage!!
After pressing Enter, you'll then see the progress of reading the BIOS file from the floppy disk.
After BIOS file is read, you'll see a confirmation dialog box asking you "Are you sure to update BIOS?"

Appendix- 59 -
English
3. Press Y button on your keyboard after you are sure to update BIOS.
Then it will begin to update BIOS. The progress of updating BIOS will be displayed.
Dual BIOS Utility
Boot From......................................... Main Bios
Main ROM Type/Size.............................SST 49LF003A 512K
Backup ROM Type/Size.........................SST 49LF003A 512K
Wide Range Protection Disable
Boot From Main Bios
Auto Recovery Enable
Halt On Error Disable
Copy Main ROM Data to Backup
Load Default Settings
Save Settings to CMOS
Q-Flash Utility
Load Main BIOS from Floppy
Load Backup BIOS from Floppy
Save Main BIOS to Floppy
Save Backup BIOS to Floppy
Enter : Run :Move ESC:Reset F10:Power Off
!! Copy BIOS completed - Pass !!
Please press any key to continue
Please do not take out the floppy disk when it begins flashing BIOS.
4. Press any keys to return to the Q-Flash menu when the BIOS updating procedure is completed.
You can repeat Step 1 to
4 to flash the backup
BIOS, too.
Dual BIOS Utility
Boot From......................................... Main Bios
Main ROM Type/Size.............................SST 49LF003A 512K
Backup ROM Type/Size.........................SST 49LF003A 512K
Wide Range Protection Disable
Boot From Main Bios
Auto Recovery Enable
Halt On Error Disable
Copy Main ROM Data to Backup
Load Default Settings
Save Settings to CMOS
Q-Flash Utility
Load Main BIOS from Floppy
Load Backup BIOS from Floppy
Save Main BIOS to Floppy
Save Backup BIOS to Floppy
Enter : Run :Move ESC:Reset F10:Power Off
Are you sure to RESET ?
[Enter] to continure or [Esc] to abort...
5. Press Esc and then Y button to exit the Q-Flash utility. The computer will restart automatically after
you exit Q-Flash.
After system reboots, you may find the BIOS version on your boot screen becomes the one you flashed.
Intel i875P AGPset BIOS for 8KNXP Ultra Fba
Check System Health OK , VCore = 1.5250
Main Processor : Intel Pentium(R) 4 1.6GHz (133x12)
<CPUID : 0F27 Patch ID : 0027>
Memory Testing : 131072K OK
Memory Frequency 266 MHz in Single Channel
Primary Master : FUJITSU MPE3170AT ED-03-08
Primary Slave : None
Secondary Master : CREATIVEDVD-RM DVD1242E BC101
Secondary Slave : None
Press DEL to enter SETUP / Dual BIOS / Q-Flash / F9 For
Xpress Recovery
09/23/2003-i875P-6A79BG03C-00
Award Modular BIOS v6.00PG, An Energy Star Ally
Copyright (C) 1984-2003, Award Software, Inc.
The BIOS file
becomes Fba after
updating.

GA-965G-DS3 Motherboard - 60 -
English
CMOS Setup Utility-Copyright (C) 1984-2004 Award Software
Standard CMOS Features
Advanced BIOS Features
Integrated Peripherals
Power Management Setup
PnP/PCI Configurations
PC Health Status
MB Intelligent Tweaker(M.I.T.)
ESC: Quit F3: Change Language
F8: Dual BIOS/Q-Flash F10: Save & Exit Setup
Load Optimized Defaults
6. Press Del to enter BIOS menu after system reboots. When you are in BIOS menu, move to
Load Optimized Defaults item and press Enter to load BIOS Optimized Defaults. Normally the
system redetects all devices after BIOS has been upgraded. Therefore, we highly recommend
reloading the BIOS defaults after BIOS has been upgraded.
Select Language
Load Fail-Safe Defaults
Load Optimized Defaults
Set Supervisor Password
Set User Password
Save & Exit Setup
Exit Without Saving
Load Optimized Defaults (Y/N)? Y
Press Y on your keyboard to load defaults.
CMOS Setup Utility-Copyright (C) 1984-2004 Award Software
Standard CMOS Features
Advanced BIOS Features
Integrated Peripherals
Power Management Setup
PnP/PCI Configurations
PC Health Status
MB Intelligent Tweaker(M.I.T.)
ESC: Quit F3: Change Language
F8: Dual BIOS/Q-Flash F10: Save & Exit Setup
Save Data to CMOS
7. Select Save & Exit Setup item to save the settings to CMOS and exit the BIOS menu.
System will reboot after you exit the BIOS menu. The procedure is completed.
Select Language
Load Fail-Safe Defaults
Load Optimized Defaults
Set Supervisor Password
Set User Password
Save & Exit Setup
Exit Without Saving
Save to CMOS and EXIT (Y/N)? Y
Press Y on your keyboard to save and exit.
Part Two:
Updating BIOS with Q-FlashTM Utility on Single-BIOS Motherboards.
This part guides users of single-BIOS motherboards how to update BIOS using the Q-FlashTM utility.
CMOS Setup Utility-Copyright (C) 1984-2004 Award Software
Standard CMOS Features
Advanced BIOS Features
Integrated Peripherals
Power Management Setup
PnP/PCI Configurations
PC Health Status
MB Intelligent Tweaker(M.I.T.)
Top Performance
Load Fail-Safe Defaults
Load Optimized Defaults
Set Supervisor Password
Set User Password
Save & Exit Setup
Exit Without Saving
Esc: Quit : Select Item
F8: Q-Flash F10: Save & Exit Setup
Time, Date, Hard Disk Type...

Appendix- 61 -
English
Exploring the Q-FlashTM utility screen
The Q-FlashBIOS utility screen consists of the following key components.
Task menu for Q-Flash utility:
Contains the names of three tasks. Blocking a task and pressing Enter key on your keyboard to enable
execution of the task.
Action bar:
Contains the names of four actions needed to operate the Q-Flash utility. Pressing the buttons mentioned on
your keyboards to perform these actions.
Using the Q-FlashTM utility:
This section tells you how to update BIOS using the Q-Flash utility. As described in the "Before you begin"
section above, you must prepare a floppy disk having the BIOS file for your motherboard and insert it to your
computer. If you have already put the floppy disk into your system and have entered the Q-Flash utility,
please follow the steps below to flash BIOS.
Steps:
1. Press arrow buttons on your keyboard to move the light bar to "Update BIOS from Floppy" item in the
Q-Flash menu and press Enter button.
Later, you will see a box pop up showing the BIOS files you previously downloaded to the floppy disk.
If you want to save the current BIOS for backup purpose, you can begin Step 1 with "Save BIOS
to Floppy" item.
2. Move to the BIOS file you want to flash and press Enter.
In this example, we only download one BIOS file to the floppy disk so only one BIOS file,
8GE800.F4, is listed.
Please confirm again you have the correct BIOS file for your motherboard.
Q-Flash Utility V1.30
Flash Type/Size.................................SST 49LF003A 256K
Keep DMI Data Enable
Update BIOS from Floppy
Save BIOS to Floppy
Enter : Run :Move ESC:Reset F10:Power Off
1 file(s) found
8GE800.F4 256K
Total size : 1.39M Free size : 1.14M
F5 : Refresh DEL : Delete
BIOS file in the floppy
disk.
Q-Flash Utility V1.30
Flash Type/Size.................................SST 49LF003A 256K
Keep DMI Data Enable
Update BIOS from Floppy
Save BIOS to Floppy
Enter : Run :Move ESC:Reset F10:Power Off
Reading BIOS file from floppy ...
>>>>>>>>>>>>>>.....................
Don't Turn Off Power or Reset System
Do not turn off power or
reset your system at
this stage!!
After BIOS file is read, you'll see a confirmation dialog box asking you "Are you sure to update BIOS?"
Please do not take out the floppy disk when it begins flashing BIOS.
Q-Flash Utility V1.30
Flash Type/Size.................................SST 49LF003A 256K
Keep DMI Data Enable
Update BIOS from Floppy
Save BIOS to Floppy
Enter : Run :Move ESC:Reset F10:Power Off
Task menu for
Q-FlashTM utility
Q-FlashTM utility bar
Action bar

GA-965G-DS3 Motherboard - 62 -
English
3. Press Y button on your keyboard after you are sure to update BIOS.
Then it will begin to update BIOS. The progress of updating BIOS will be shown at the same time.
Q-Flash Utility V1.30
Flash Type/Size.................................SST 49LF003A 256K
Keep DMI Data Enable
Update BIOS from Floppy
Save BIOS to Floppy
Enter : Run :Move ESC:Reset F10:Power Off
Updating BIOS Now
>>>>>>>>>>>>>>>>>>>.........................
Don't Turn Off Power or Reset System
Do not turn off power or
reset your system
at this stage!!
4. Press any keys to return to the Q-Flash menu when the BIOS updating procedure is completed.
Q-Flash Utility V1.30
Flash Type/Size.................................SST 49LF003A 256K
Keep DMI Data Enable
Update BIOS from Floppy
Save BIOS to Floppy
Enter : Run :Move ESC:Reset F10:Power Off
!! Copy BIOS completed - Pass !!
Please press any key to continue
5. Press Esc and then Y button to exit the Q-Flash utility. The computer will restart automatically after
you exit Q-Flash.
Q-Flash Utility V1.30
Flash Type/Size.................................SST 49LF003A 256K
Keep DMI Data Enable
Update BIOS from Floppy
Save BIOS to Floppy
Enter : Run :Move ESC:Reset F10:Power Off
Are you sure to RESET ?
[Enter] to continure or [Esc] to abort...
After system reboots, you may find the BIOS version on your boot screen becomes the one you flashed.
Intel 845GE AGPSet BIOS for 8GE800 F4
Check System Health OK
Main Processor : Intel Pentium(R) 4 1.7GHz (100x17.0)
<CPUID : 0F0A Patch ID : 0009>
Memory Testing : 122880K OK + 8192K Shared Memory
Primary Master : FUJITSU MPE3170AT ED-03-08
Primary Slave : None
Secondary Master : CREATIVEDVD-RM DVD1242E BC101
Secondary Slave : None
Press DEL to enter SETUP / Q-Flash
03/18/2003-I845GE-6A69YG01C-00
Award Modular BIOS v6.00PG, An Energy Star Ally
Copyright (C) 1984-2003, Award Software, Inc.
The BIOS file
becomes F4 after
updating
6. Press Del to enter BIOS menu after system reboots and "Load BIOS Optimized Defaults". See how
to Load BIOS Optimized Defaults, please kindly refer to Step 6 to 7 in Part One.
Congratulation!! You have updated BIOS successfully!!

Appendix- 63 -
English
Method 2 : @BIOSTM Utility
If you do not have a DOS startup disk, we recommend that you use the
new @BIOS utility. @BIOS allows users to update their BIOS under
Windows. Just select the desired @BIOS server to download the latest
version of BIOS.
1. Methods and steps:
I. Update BIOS through Internet
a. Click "Internet Update" icon
b. Click "Update New BIOS" icon
c. Select @BIOSTM sever
d. Select the exact model name on your motherboard
e. System will automatically download and update the BIOS.
II. Update BIOS NOT through Internet:
a. Do not click "Internet Update" icon
b. Click "Update New BIOS"
c. Please select "All Files" in dialog box while opening the old file.
d. Please search for BIOS unzip file, downloading from internet or any other methods (such
as: 965GDS3.F1).
e. Complete update process following the instruction.
Fig 2. Installation Complete and Run @BIOS
Fig 3. The @BIOS Utility Fig 4. Select the desired @BIOS server
Click Start/ Programs/ Gigabyte/ BIOS/ @BIOS
Click "3"Click "Update New BIOS"
Fig 1. Installing the @BIOS utility
Select @BIOS item than click Install

GA-965G-DS3 Motherboard - 64 -
English
III. Save BIOS
In the very beginning, there is "Save Current BIOS" icon shown in dialog box. It means to save the
current BIOS version.
IV. Check out supported motherboard and Flash ROM:
In the very beginning, there is "About this program" icon shown in dialog box. It can help you check out
which kind of motherboard and which brand of Flash ROM are supported.
2. Note:
I. In method I, if it shows two or more motherboard's model names to be selected, please make
sure your motherboard's model name again. Selecting wrong model name will cause the
system unbooted.
II. In method II, be sure that motherboard's model name in BIOS unzip file are the same as your
motherboard's. Otherwise, your system won't boot.
III. In method I, if the BIOS file you need cannot be found in @BIOSTM server, please go onto
Gigabyte's web site for downloading and updating it according to method II.
IV. Please note that any interruption during updating will cause system unbooted.
V. Do not use @BIOS and C.O.M. (Corporate Online Management) at the same time.

Appendix- 65 -
English
(Note 1) Skip this step if you do not want to create RAID array on the SATA controller.
To configure SATA hard drive(s), follow the steps below:
(1) Install SATA hard drive(s) in your system.
(2) Configure SATA controller mode and boot sequence in BIOS Setup.
(3) Configure RAID array in RAID BIOS.(Note 1)
(4) Make a floppy disk containing the SATA controller driver. (Note 2)
(5) Install the SATA controller driver during OS installation. (Note 2)
Before you begin
Please prepare:
(a) At least two SATA hard drives (to ensure optimal performance, it is recommended that you use two
hard drives with identical model and capacity). If you do not want to create RAID, you may prepare
only one hard drive.
(b) An empty formatted floppy disk.
(c) Windows XP/2000 setup disk.
(d) Driver CD for your motherboard.
(1) Installing SATA hard drive(s) in your computer
Attach one end of the SATA signal cable to the rear of the SATA hard drive and the other end to available
SATA port(s) on the motherboard. If your motherboard has more than one SATA controller, refer to the
connectors introduction section of the user's manual to identify the SATA controller for the connector. For
example, on the GA-965G-DS3 motherboard, the GSATAII0 and GSATAII1 connectors are supported by
the GIGABYTE SATA2 controller. Then connect the power connector from your power supply to the
hard drive.
4-1-4 Configuring SATA Hard Drive(s) (Controller: GIGABYTE SATA2)
(Note 2) Required when the SATA controller is set to AHCI or RAID Mode

GA-965G-DS3 Motherboard - 66 -
English
Figure 1
The BIOS Setup menus described in this section may not show the exact settings for your
motherboard. The actual BIOS Setup menu options you will see shall depend on the motherboard
you have and the BIOS version.
(2) Configuring SATA controller mode and boot sequence in BIOS Setup
Make sure to configure the SATA controller mode correctly in system BIOS Setup and set the first boot
device.
Step 1:
Turn on your computer and press Del to enter BIOS Setup during POST (Power-On Self Test). In BIOS
Setup, go to Integrated Periperals, ensure that the Onboard SATA/IDE Device is enabled. Then set
Onboard SATA/IDE Ctrl Mode to RAID/IDE before configuring RAID. If you do not want to create
RAID, set this item to IDE or AHCI, depending on your need (Figure 1).
CMOS Setup Utility-Copyright (C) 1984-2006 Award Software
Integrated Peripherals
SATA Port0-3 Native Mode [Disabled]
USB Controller [Enabled]
USB 2.0 Controller [Enabled]
USB Keyboard Support [Disabled]
USB Mouse Support [Disabled]
Legacy USB storage detect [Enabled]
Azalia Codec [Auto]
Onboard H/W LAN [Enabled]
OnBoard LAN Boot ROM [Disabled]
Onboard SATA/IDE Device [Enabled]
Onboard SATA/IDE Ctrl Mode [RAID/IDE]
Onboard Serial Port 1 [3F8/IRQ4]
Onboard Parallel Port [378/IRQ7]
Parallel Port Mode [SPP]
: Move Enter: Select +/-/PU/PD: Value F10: Save ESC: Exit F1: General Help
F5: Previous Values F6: Fail-Safe Defaults F7: Optimized Defaults
Item Help
Menu Level

Appendix- 67 -
English
Step 2:
To boot from Windows installation CD-ROM disk, set First Boot Device under the Advanced BIOS
Features menu to CDROM (Figure 2).
Step 3:
Save and exit BIOS Setup.
Figure 2
CMOS Setup Utility-Copyright (C) 1984-2006 Award Software
Advanced BIOS Features
Hard Disk Boot Priority [Press Enter]
First Boot Device [Floppy]
Second Boot Device [Hard Disk]
Third Boot Device [CDROM]
Password Check [Setup]
CPU Hyper-Threading [Enabled]
Limit CPUID Max. to 3 [Disabled]
No-Execute Memory Protect [Enabled]
CPU Enhanced Halt (C1E) [Enabled]
CPU Thermal Monitor 2(TM2) [Enabled]
CPU EIST Function [Enabled]
Virtualization Technology [Enabled]
Init Display First [PCI]
Onboard VGA [Enable If No Ext PEG]
On-Chip Frame Buffer Size [8MB]
: Move Enter: Select +/-/PU/PD: Value F10: Save ESC: Exit F1: General Help
F5: Previous Values F6: Fail-Safe Defaults F7: Optimized Defaults
Item Help
Menu Level
Select Hard Disk Boot
Device Priority

GA-965G-DS3 Motherboard - 68 -
English
(3) Configuring RAID array in RAID BIOS
Enter the RAID BIOS setup utility to configure a RAID array. Skip this step if you do not want to create
RAID.
Step 1:
After the POST memory test begins and before the operating system boot begins, look for a message
which says "Press <Ctrl-G> to enter RAID Setup Utility" (Figure 3). Press CTRL+ G to enter the
GIGABYTE RAID BIOS setup utility.
Figure 3
Figure 4
GIGA-BYTE Technology Corp. PCIE-to-SATAII/IDE RAID Controller BIOS v1.06.53
Copyright (C) 2005 GIGA-BYTE Technology. http://www.giga-byte.com
HDD0 : ST3120026AS 120 GB Non-RAID
HDD1 : ST3120026AS 120 GB Non-RAID
Press <Ctrl-G> to enter RAID Setup Utility ...
In the main screen of the GIGABYTE RAID BIOS utility (Figure 4), use the UP or DOWN ARROW key
to highlight through choices. Highlight the item that you wish to execute and press ENTER.
GIGA-BYTE Technology Corp. PCIE-to-SATAII/IDE RAID Controller BIOS V1.06.53
[ Main Menu ]
Create RAID Disk Drive
Delete RAID Disk Drive
Revert HDD to Non-RAID
Solve Mirror Conflict
Rebuild Mirror Drive
Save And Exit Setup
Exit Without Saving
[ RAID Disk Drive List ]
[TAB]-Switch Window []-Select ITEM [ENTER]-Action [ESC]-Exit
[ Hard Disk Drive List ]
Mode Name Capacity Type/Status
HDD0: ST3120026AS 120 GB Non-RAID
HDD1: ST3120026AS 120 GB Non-RAID
Note: In the main screen, you can select a hard disk in the Hard Disk Drive List block and press
ENTER. This allows you to check detailed information about the selected hard disk.

Appendix- 69 -
English
Figure 6
A. Create Array:
In the main screen, press ENTER on the Create RAID Disk Drive item. Then the RAID creation screen
appears (Figure 5).
GIGA-BYTE Technology Corp. PCIE-to-SATAII/IDE RAID Controller BIOS V1.06.53
[ Create New RAID ]
Name: GRAID
Level: 0-Stripe
Disks: Select Disk
Block: 128KB
Size: 240GB
Confirm Creation
[ RAID Disk Drive List ]
[]-Move Cursor [DEL,BS]-Delete Character [ENTER]-Next [ESC]-Abort
[ Hard Disk Drive List ]
Mode Name Available Type/Status
HDD0: ST3120026AS 120 GB Non-RAID
HDD1: ST3120026AS 120 GB Non-RAID
[ Help ]
Enter RAID Name
Enter a string between 1 to 16 characters
in length for the created RAID drive to be
identified by system BIOS or OS.
Figure 5
GIGA-BYTE Technology Corp. PCIE-to-SATAII/IDE RAID Controller BIOS V1.06.53
[ Create New RAID ]
Name: GRAID
Level: 0-Stripe
Disks: Select Disk
Block: 128KB
Size: 240GB
Confirm Creation
[ RAID Disk Drive List ]
[]-Switch RAID Level [ENTER]-Next [ESC]-Abort
[ Hard Disk Drive List ]
Mode Name Available Type/Status
HDD0: ST3120026AS 120 GB Non-RAID
HDD1: ST3120026AS 120 GB Non-RAID
[ Help ]
Select RAID Level
RAID 0 - Data striped for performance
RAID 1 - Data mirrored for redundancy
JBOD - Data concatenated for huge
temporarily disk required
In the RAID creation screen, the Create New RAID block displays all the items that need to be set for
creating an array (Figure 5). The following procedure uses RAID 0 creation as an example.
Steps:
1. Enter Array Name: Under the Name item, enter an array name with 1~16 letters (letters cannot be
special characters) and press ENTER.
2. Select RAID Mode: Under the Level item, use UP or DOWN ARROW key to select RAID 0 (Stripe),
RAID 1 (Mirror), or JBOD (Figure 6). Then press ENTER to move onto the next step.

GA-965G-DS3 Motherboard - 70 -
English
3. Assign Array Disks: After RAID mode is selected, RAID BIOS automatically assigns the two hard
disks installed as the RAID disks.
4. Set Block Size (only for RAID 0): Under the Block item, use the UP or DOWN ARROW key to
select the block size (Figure 7), ranging from 4K to 128K. Press ENTER when finished.
GIGA-BYTE Technology Corp. PCIE-to-SATAII/IDE RAID Controller BIOS V1.06.53
[ Create New RAID ]
Name: GRAID
Level: 0-Stripe
Disks: Select Disk
Block: 128KB
Size: 240GB
Confirm Creation
[ RAID Disk Drive List ]
[]-Switch RAID Block Size [ENTER]-Next [ESC]-Abort
[ Hard Disk Drive List ]
Mode Name Available Type/Status
HDD0: ST3120026AS 120 GB Non-RAID
HDD1: ST3120026AS 120 GB Non-RAID
[ Help ]
Setting Stripe Block
Select a stripe size which will be used to
divide data from/to seperate RAID members.
The following are typical values:
RAID 0-128KB
Figure 7
5. Set Array Size: Under the Size item, type the size of the array (Figure 8), and press ENTER.
GIGA-BYTE Technology Corp. PCIE-to-SATAII/IDE RAID Controller BIOS V1.06.53
[ Create New RAID ]
Name: GRAID
Level: 0-Stripe
Disks: Select Disk
Block: 128KB
Size: 240GB
Confirm Creation
[ RAID Disk Drive List ]
[]-Switch Unit [DEL,BS]-Delete Number [ENTER]-Next [ESC]-Abort
[ Hard Disk Drive List ]
Mode Name Available Type/Status
HDD0: ST3120026AS 120 GB Non-RAID
HDD1: ST3120026AS 120 GB Non-RAID
[ Help ]
Setting RAID Capacity
Enter the RAID capacity. The default value
indicates the maximum capacity determined
by the selected members. If less than the
maximum capacity is chosen, the remaining
capacity would be no used.
Figure 8

Appendix- 71 -
English
6. Confirm Creation: After all of the items are configured, the selection bar automatically jumps to the
Confirm Creation item. When prompted to confirm your selections (Figure 9), press Y to confirm
or N to abort.
Figure 9
GIGA-BYTE Technology Corp. PCIE-to-SATAII/IDE RAID Controller BIOS V1.06.53
[ Create New RAID ]
Name: GRAID
Level: 0-Stripe
Disks: Select Disk
Block: 128KB
Size: 240GB
Confirm Creation
[ RAID Disk Drive List ]
[ Hard Disk Drive List ]
Mode Name Available Type/Status
HDD0: ST3120026AS 120 GB Non-RAID
HDD1: ST3120026AS 120 GB Non-RAID
[ Help ]
CONFIRM RAID CREATION
ALL DATA ON THE SELECTED HARD DISK
WILL BE LOST WHEN EXIT WITH SAVING
Create RAID on the select HDD(Y/N)?Y
[]-Switch Unit [DEL,BS]-Delete Number [ENTER]-Next [ESC]-Abort
GIGA-BYTE Technology Corp. PCIE-to-SATAII/IDE RAID Controller BIOS V1.06.53
[ Main Menu ]
Create RAID Disk Drive
Delete RAID Disk Drive
Revert HDD to Non-RAID
Solve Mirror Conflict
Rebuild Mirror Drive
Save And Exit Setup
Exit Without Saving
[ RAID Disk Drive List ]
[TAB]-Switch Window []-Select RAID [ENTER]-Action [ESC]-Exit
[ Hard Disk Drive List ]
Mode Name Capacity Type/Status
HDD0: ST3120026AS 120 GB RAID Inside
HDD1: ST3120026AS 120 GB RAID Inside
Model Name RAID Level Capacity Status Members(HDDx)
RDD0: GRAID 0-Stripe 240 GB Normal 01
Figure 10
When finished, the new RAID array will be displayed in the RAID Disk Drive List block (Figure 10).

GA-965G-DS3 Motherboard - 72 -
English
GIGA-BYTE Technology Corp. PCIE-to-SATAII/IDE RAID Controller BIOS V1.06.53
[ Main Menu ]
Create RAID Disk Drive
Delete RAID Disk Drive
Revert HDD to Non-RAID
Solve Mirror Conflict
Rebuild Mirror Drive
Save And Exit Setup
Exit Without Saving
[ RAID Disk Drive List ]
[TAB]-Switch Window []-Select RAID [ENTER]-Detail [ESC]-Exit
[ Hard Disk Drive List ]
Mode Name Capacity Type/Status
HDD0: ST3120026AS 120 GB RAID Inside
HDD1: ST3120026AS 120 GB RAID Inside
Model Name RAID Level Capacity Status Members(HDDx)
RDD0: GRAID 0-Stripe 240 GB Normal 01
[ RAID Information ]
Name: GRAID
Level: 0-Stripe
Block: 128KB
Capacity: 81GB
Members: HDD 01
Status: Normal
Figure 11
To check more detailed information about the array, use the TAB key while in the Main Menu block to
move the selection bar to the RAID Disk Drive List block. Select the array and press ENTER.
A small window displaying the array information will appear in the center of the screen (Figure 11).
GIGA-BYTE Technology Corp. PCIE-to-SATAII/IDE RAID Controller BIOS V1.06.53
[ Main Menu ]
Create RAID Disk Drive
Delete RAID Disk Drive
Revert HDD to Non-RAID
Solve Mirror Conflict
Rebuild Mirror Drive
Save And Exit Setup
Exit Without Saving
[ RAID Disk Drive List ]
[ Hard Disk Drive List ]
Mode Name Capacity Type/Status
HDD0: ST3120026AS 120 GB RAID Inside
HDD1: ST3120026AS 120 GB RAID Inside
Model Name RAID Level Capacity Status Members(HDDx)
RDD0: GRAID 0-Stripe 240 GB Normal 01
Save to Disk & Exit (Y/N)?Y
[TAB]-Switch Window []-Select ITEM [ENTER]-Action [ESC]-Exit
Figure 12
After configuring the RAID array, select the Save And Exit Setup item in the main screen to save your
settings if you wish to exit the RAID BIOS utility, then press Y (Figure 12).

Appendix- 73 -
English
GIGA-BYTE Technology Corp. PCIE-to-SATAII/IDE RAID Controller BIOS V1.06.53
[ Main Menu ]
Create RAID Disk Drive
Delete RAID Disk Drive
Revert HDD to Non-RAID
Solve Mirror Conflict
Rebuild Mirror Drive
Save And Exit Setup
Exit Without Saving
[ RAID Disk Drive List ]
[]-Select RAID [SPACE]-Mark Delete [DEL]-Confirm [ESC]-Abort
[ Hard Disk Drive List ]
Mode Name Capacity Type/Status
HDD0: ST3120026AS 120 GB Inside
HDD1: ST3120026AS 120 GB Inside
Model Name RAID Level Capacity Status Members(HDDx)
RDD0: GRAID 0-Stripe 240 GB Normal 01
GIGA-BYTE Technology Corp. PCIE-to-SATAII/IDE RAID Controller BIOS V1.06.53
[ Main Menu ]
Create RAID Disk Drive
Delete RAID Disk Drive
Revert HDD to Non-RAID
Solve Mirror Conflict
Rebuild Mirror Drive
Save And Exit Setup
Exit Without Saving
[ RAID Disk Drive List ]
[]-Select RAID [SPACE]-Mark Delete [DEL]-Confirm [ESC]-Abort
[ Hard Disk Drive List ]
Mode Name Capacity Type/Status
HDD0: ST3120026AS 120 GB Inside
HDD1: ST3120026AS 120 GB Inside
Model Name RAID Level Capacity Status Members(HDDx)
RDD0: GRAID 0-Stripe 240 GB Normal 01
ALL DATA ON THE RAID WILL LOST!!
ARE YOU SURE TO DELETE (Y/N)? N
Figure 13
Figure 14
B. Delete Array:
To delete the array, select Delete RAID Disk Drive in the main menu and press ENTER. The selection
bar will move to the RAID Disk Drive List block. Press the SPACEBAR on the array to be deleted; a
small triangle will appear to mark the selected array (Figure 13). Press Del.
Press Y to confirm yes to the following message (Figure 14) or N to cancel.

GA-965G-DS3 Motherboard - 74 -
English
(4) Making a SATA Driver Disk (Required for AHCI and RAID Mode)
To install operating system onto a serial ATA hard disk successfully, you need to install the SATA
controller driver during OS installation. Without the driver, the hard disk may not be recognized during
the Windows setup process. First of all, copy the driver for the SATA controller from the motherboard
driver CD-ROM to a floppy disk. See the instructions below about how to copy the driver in MS-DOS
mode(Note1). Prepare a startup disk that has CD-ROM support and a blank formatted floppy disk.
Step 1: Insert the prepared startup disk and motherboard driver CD-ROM in your system. Boot from the
startup disk. Once at the A:\> prompt, change to the CD-ROM drive (example: D:\>). At the D:\>
prompt, type the following two commands. Press ENTER after each command (Figure 15):
cd bootdrv
menu
(Note 1) For users without a startup disk:
Use an alternative system and insert the GIGABYTE motherboard driver CD-ROM. From the CD-ROM
drive folder, double click the MENU.exe file in the BootDrv folder (Figure 17). A command prompt
window will open similar to that in Figure 16.
Figure 15 Figure 16
Step 2: When the controller menu (Figure 16) appears, remove the startup disk and insert the blank
formatted disk. Select the controller driver by pressing the corresponding letter from the menu.
For example, from the menu in Figure 16, press E to select (E) GIGABYTE SATA-RAID Driver 32Bit.
if you wish to install Windows XP (32-bit). Your system will then automatically zip and transfer this
driver file to the floppy disk. Press 0 to exit when finished.
Figure 17

Appendix- 75 -
English
Figure 18
Windows Setup
Press F6 if you need to install a 3rd party SCSI or RAID driver.
Figure 19
Windows Setup
S=Specify Additional Device ENTER=Continue F3=Exit
Setup could not determine the type of one or more mass storage devices
installed in your system, or you have chosen to manually specify an adapter.
Currently, Setup will load support for the following mass storage devices(s)
<none>
* To specify additional SCSI adapters, CD-ROM drives, or special
disk controllers for use with Windows, including those for
which you have a device support disk from a mass storage device
manufacturer, press S.
* If you do not have any device support disks from a mass storage
device manufacturer, or do not want to specify additional
mass storage devices for use with Windows, press ENTER.
(5) Installing SATA controller driver during OS installation (Required for AHCI
and RAID Mode)
Now that you have prepared the SATA driver disk and configured BIOS settings, you are ready to install
Windows 2000/XP onto your SATA hard drive with the SATA driver. The following is an example of
Windows XP installation.
Step 1: Restart your system to boot from the Windows 2000/XP Setup disk and press F6 as soon as
you see the "Press F6 if you need to install a 3rd party SCSI or RAID driver" message (Figure 18). After
pressing F6, there will be a few moments of some files being loaded before you see the next screen.
Step 2:
When a screen similar to that below appears, insert the floppy disk containing the SATA driver and press
S (Figure 19).

GA-965G-DS3 Motherboard - 76 -
English
Step 3:
If Setup correctly recognizes the driver in the floppy disk, a controller menu similar to Figure 20 below
will appear. Use the ARROW keys to select
GIGABYTE GBB363 RAID Controller (Windows 2K/XP/2003) and press ENTER.Then it will begin
to load the SATA driver from the floppy disk.
Figure 20
If a message appears saying one or some file(s) cannot be found, please check the floppy disk
or copy the correct SATA driver again from the motherboard driver CD.
Step 4:
When the next screen (Figure 21) appears, press ENTER to continue the SATA driver installation from
the floppy disk.
Figure 21
You have chosen to
using a device supp
Select the SCSI Ada
to return to the prev
Windows Setup
S=Specify Additional Device ENTER=Continue F3=Exit
Setup will load support for the following mass storage device(s):
GIGABYTE GBB36X Controller (Windows 2K/XP/2003)
* To specify additional SCSI adapters, CD-ROM drives, or special
disk controllers for use with Windows, including those for
which you have a device support disk from a mass storage device
manufacturer, press S.
* If you do not have any device support disks from a mass storage
device manufacturer, or do not want to specify additional
mass storage devices for use with Windows, press ENTER.
Windows Setup
ENTER=Select F3=Exit
You have chosen to configure a SCSI Adapter for use with Windows,
using a device support disk provided by an adapter manufacturer.
Select the SCSI Adapter you want from the following list, or press ESC
to return to the previous screen.
GIGABYTE GBB363 RAID Controller (Windows 2K/XP/2003)
GIGABYTE GBB363 AHCI Controller (Windows 2K/XP/2003)
GIGABYTE GBB360 RAID Controller (Windows 2K/XP/2003)
GIGABYTE GBB360 AHCI Controller (Windows 2K/XP/2003)

Appendix- 77 -
English
After the SATA controller driver installation is completed, you can proceed with the Windows 2000/XP
installation.
Figure 22
WindowsXP Professional Setup
Welcome to Setup.
This port of the Setup program prepares Microsoft(R)
Windows (R) XP to run on your computer.
To set up Windows XP now, press ENTER.
To repair a Windows XP installation using
Recovery Console, press R.
To quit Setup without installing Windows XP, press F3.
Enter= Continue R=Repair F3=Exit
(Note: Each time you add a new hard drive to a RAID array, the RAID driver will have to be installed
under Windows once for that hard drive. After that, the driver will not have to be installed.)

GA-965G-DS3 Motherboard - 78 -
English
4-1-5 2- / 4- / 6- / 8- Channel Audio Function
Introduction
STEP 1 :
After installation of the audio driver, you should find
an Audio Manager icon in your system tray (you
can also find the icon in Control Panel). Double-
click the icon to open the Audio Control Panel.
Note that if you wish to connect a microphone, you MUST connect it to the default Mic In jack
for the microphone to work correctly.
The default speaker settings for the 6 audio jacks are
as shown in the picture to the right. The jack
retasking capability supported by HD Audio allows
users to change the function for each audio jack by
the audio software provided. For example, if a
rear speaker is plugged into the center/subwoofer
speaker out jack, you can change the center/
subwoofer speaker out jack to fucntion as a rear
speaker out jack via the audio software.Please
follow the steps to install the function. (Following
pictures are in Windows XP)
HD Audio
With multiple built-in high quality digital-to-analog converters (DACs) that support audio output at up to
192 kHz/24-bit quality and multi-streaming applications, HD Audio is able to handle multiple audio
streams (in and out) simultaneously. Multi-channel audio experiences have become a reality so you
can, for instance, listen to MP3 music, have an Internet chat, make a telephone call over the Internet,
and etc. all at the same time.
Stereo Speakers Connection and Settings:
We recommend that you use the speaker with amplifier to acquire the best sound effect if the stereo
output is applied.
Line In
Line Out
(Front Speaker Out)
Mic In
Rear Speaker Out
Center/Subwoofer
Speaker Out
Side Speaker
Out

Appendix- 79 -
English
STEP 3:
After a speaker or headphone is plugged into the
rear Line Out jack, a small window will pop up and
ask you what type of equipment is connected.
Choose Headphone or Line Out depending on
the device connected and click OK. The 2-chan-
nel audio setup is completed.
4 Channel Audio Setup
STEP 1 :
After installation of the audio driver, you should find
an Audio Manager icon in your system tray (you
can also find the icon in Control Panel). Double-
click the icon to open the Audio Control Panel.
STEP 2:
In the Audio Control Panel, click the Audio I/O
tab. In the upper left list, click 4CH Speaker.
STEP 2:
In the Audio Control Panel, click the Audio I/O
tab. In the upper left list, click 2CH Speaker.

GA-965G-DS3 Motherboard - 80 -
English
6 Channel Audio Setup
STEP 1 :
After installation of the audio driver, you should find
an Audio Manager icon in your system tray (you
can also find the icon in Control Panel). Double-
click the icon to open the Audio Control Panel.
STEP 2:
In the Audio Control Panel, click the Audio I/O
tab. In the upper left list, click 6CH Speaker.
STEP 3:
After plugging in 6-channel speakers to the rear
speaker jacks, a small window will pop up and
ask you what type of equipment is connected.
Choose a device depending on the type of speaker
connected (6-channel audio consists of Front
Speaker Out (Line Out), Rear Speaker Out, and
Center/Subwoofer Speaker Out) then click OK.
The 6-channel audio setup is completed.
STEP 3:
After plugging in 4-channel speakers to the rear
speaker jacks, a small window will pop up and
ask you what type of equipment is connected.
Choose a device depending on the type of speaker
connected (4-channel audio consists of Front
Speaker Out (Line Out) and Rear Speaker Out) and
then click OK. The 4-channel audio setup is
completed.

Appendix- 81 -
English
STEP 2:
In the Audio Control Panel, click the Audio I/O
tab. In the upper left list, click 8CH Speaker.
STEP 3:
After plugging in 8-channel speakers to the rear
speaker jacks, a small window will pop up and
ask you what type of equipment is connected.
Choose a device depending on the type of speaker
connected (8-channel audio consists of Front
Speaker Out (Line Out), Rear Speaker Out, Cen-
ter/Subwoofer Speaker Out, and Side Speaker Out)
then click OK. The 8-channel audio setup is
completed.
8 Channel Audio Setup
STEP 1 :
After installation of the audio driver, you should find
an Audio Manager icon in your system tray (you
can also find the icon in Control Panel). Double-
click the icon to open the Audio Control Panel.

GA-965G-DS3 Motherboard - 82 -
English
Sound Effect Configuration:
At the Sound Effect menu, users can adjust sound
option settings as desired.
AC'97 Audio Configuration:
To enable the front panel audio connector to sup-
port AC97 Audio mode, go to the Audio Control
Panel and click the Audio I/O tab. In the ANA-
LOG area, click the Tool icon and then select the
Disable front panel jack detection check box.
This action completes the AC'97 Audio configuration.

Appendix- 83 -
English
4-2 Troubleshooting
Below is a collection of general asked questions. To check general asked questions based on a specific
motherboard model, please log on to GIGABYTE's website.
Question 1: I cannot see some options that were included in previous BIOS after updating BIOS. Why?
Answer: Some advanced options are hidden in new BIOS version. Please press Ctrl and F1 keys after
entering BIOS menu and you will be able to see these options.
Questions 2: Why is the light of my keyboard/optical mouse still on after computer shuts down?
Answer: In some boards, a small amount of electricity is kept on standby after computer shuts down and
that's why the light is still on.
Question 3: How do I clear CMOS?
Answer: If your board has a Clear CMOS jumper, please refer to the Clear CMOS steps in the manual. If your
board doesn't have such jumper, you can take off the on-board battery to leak voltage to clear CMOS.
Please refer to the steps below:
Steps:
1. Turn off power.
2. Disconnect the power cord from MB.
3. Take out the battery gently and put it aside for about 1 minute (Or you can use a metal object
to connect the positive and negative pins in the battery holder to makethem short for 5
seconds).
4. Re-insert the battery to the battery holder.
5. Connect power cord to MB again and turn on power.
6. Press Del to enter BIOS and load Fail-Safe Defaults(or load Optimized Defaults).
7. Save changes and reboot the system.
Question 4: Why do I still get a weak sound after turning up the speaker to the maximum volume?
Answer: Please make sure the speaker you are using is equipped with an internal amplifier. If not, please
change another speaker with power/amplifier and try again later.
Question 5: Sometimes I hear different continuous beeps from computer after system boots up. What do
these beeps usually stand for?
Answer: The beep codes below may help you identify the possible computer problems. However, they are
only for reference purposes. The situations might differ from case to case.
AWARD BIOS Beep Codes
1 short: System boots successfully
2 short: CMOS setting error
1 long 1 short: DRAM or M/B error
1 long 2 short: Monitor or display card error
1 long 3 short: Keyboard error
1 long 9 short: BIOS ROM error
Continuous long beeps: DRAM error
Continuous short beeps: Power error

GA-965G-DS3 Motherboard - 84 -
English

Appendix- 85 -
English

GA-965G-DS3 Motherboard - 86 -
English

Appendix- 87 -
English
Contact Us
yy
yy
yTaiwan (Headquarters)
GIGA-BYTE TECHNOLOGY CO., LTD.
Address: No.6, Bau Chiang Road, Hsin-Tien,
Taipei 231, Taiwan
TEL: +886-2-8912-4888
FAX: +886-2-8912-4003
Tech. and Non-Tech. Support (Sales/Marketing) :
http://ggts.gigabyte.com.tw
WEB address (English): http://www.gigabyte.com.tw
WEB address (Chinese): http://www.gigabyte.tw
yy
yy
yU.S.A.
G.B.T. INC.
TEL: +1-626-854-9338
FAX: +1-626-854-9339
Tech. Support:
http://rma.gigabyte-usa.com
Web address: http://www.gigabyte.us
yy
yy
yMexico
G.B.T Inc (USA)
Tel: +1-626-854-9338 x 215 (Soporte de habla hispano)
FAX: +1-626-854-9339
Correo: soporte@gigabyte-usa.com
Tech. Support:
http://rma.gigabyte-usa.com
Web address: http://www.gigabyte-latam.com
yy
yy
yJapan
NIPPON GIGA-BYTE CORPORATION
WEB address : http://www.gigabyte.co.jp
yy
yy
ySingapore
GIGA-BYTE SINGAPORE PTE. LTD.
WEB address : http://www.gigabyte.com.sg
yy
yy
yChina
NINGBO G.B.T. TECH. TRADING CO., LTD.
WEB address : http://www.gigabyte.cn
Shanghai
TEL: +86-21-63410999
FAX: +86-21-63410100
Beijing
TEL: +86-10-62102838
FAX: +86-10-62102848
Wuhan
TEL: +86-27-87851061
FAX: +86-27-87851330
GuangZhou
TEL: +86-20-87540700
FAX: +86-20-87544306 ext. 333
Chengdu
TEL: +86-28-85236930
FAX: +86-28-85256822 ext. 814
Xian
TEL: +86-29-85531943
FAX: +86-29-85539821
Shenyang
TEL: +86-24-83992901
FAX: +86-24-83992909
yy
yy
yIndia
GIGABYTE TECHNOLOGY (INDIA) LIMITED
WEB address : http://www.gigabyte.in
yy
yy
yAustralia
GIGABYTE TECHNOLOGY PTY. LTD.
WEB address : http://www.gigabyte.com.au

GA-965G-DS3 Motherboard - 88 -
English
yy
yy
yGermany
G.B.T. TECHNOLOGY TRADING GMBH
WEB address : http://www.gigabyte.de
yy
yy
yU.K.
G.B.T. TECH. CO., LTD.
WEB address : http://www.giga-byte.co.uk
yy
yy
yThe Netherlands
GIGA-BYTE TECHNOLOGY B.V.
WEB address : http://www.giga-byte.nl
yy
yy
yFrance
GIGABYTE TECHNOLOGY FRANCE
WEB address : http://www.gigabyte.fr
yy
yy
yItaly
WEB address : http://www.giga-byte.it
yy
yy
ySpain
GIGA-BYTE SPAIN
WEB address : http://www.giga-byte.es
yy
yy
yCzech Republic
Representative Office Of GIGA-BYTE Technology Co., Ltd.
in CZECH REPUBLIC
WEB address : http://www.gigabyte.cz
yy
yy
yTurkey
Representative Office Of GIGA-BYTE Technology Co., Ltd.
in TURKEY
WEB address : http://www.gigabyte.com.tr
To submit a technical or non-technical (Sales/
Marketing) question, please link to :
http://ggts.gigabyte.com.tw
Then select your language to enter the system.
yy
yy
yRussia
Moscow Representative Office Of GIGA-BYTE Technology
Co., Ltd.
WEB address : http://www.gigabyte.ru
yy
yy
yLatvia
GIGA-BYTE Latvia
WEB address : http://www.gigabyte.com.lv
yy
yy
yPoland
Office of GIGA-BYTE TECHNOLOGY Co., Ltd. in POLAND
WEB address : http://www.gigabyte.pl
yy
yy
yUkraine
WEB address : http://www.gigabyte.kiev.ua
yy
yy
yRomania
Representative Office Of GIGA-BYTE Technology Co., Ltd.
in Romania
WEB address : http://www.gigabyte.com.ro
yy
yy
ySerbia & Montenegro
Representative Office Of GIGA-BYTE Technology Co., Ltd.
in SERBIA & MONTENEGRO
WEB address : http://www.gigabyte.co.yu
yy
yy
yGIGABYTE Global Service System