Gigabyte Ga B85M Hd3 Rev 1 X Owner S Manual
2014-07-05
: Gigabyte Gigabyte-Ga-B85M-Hd3-Rev-1-X-Owner-S-Manual gigabyte-ga-b85m-hd3-rev-1-x-owner-s-manual gigabyte pdf
Open the PDF directly: View PDF
.
Page Count: 36

GA-B85M-HD3
User's Manual
Rev. 1001
12ME-B85MHD3-1001R

Motherboard
GA-B85M-HD3
Apr. 30, 2013
Apr. 30, 2013
Motherboard
GA-B85M-HD3
Copyright
© 2013 GIGA-BYTE TECHNOLOGY CO., LTD. All rights reserved.
The trademarks mentioned in this manual are legally registered to their respective owners.
Disclaimer
Information in this manual is protected by copyright laws and is the property of GIGABYTE.
Changes to the specications and features in this manual may be made by GIGABYTE without prior notice.
No part of this manual may be reproduced, copied, translated, transmitted, or published in any form or by
any means without GIGABYTE's prior written permission.
In order to assist in the use of this product, carefully read the User's Manual.
For quick set-up of the product, read the Quick Installation Guide included with the product.
For product-related information, check on our website at: http://www.gigabyte.com
Identifying Your Motherboard Revision
The revision number on your motherboard looks like this: "REV: X.X." For example, "REV: 1.0" means the
revision of the motherboard is 1.0. Check your motherboard revision before updating motherboard BIOS,
drivers, or when looking for technical information.
Example:

- 3 -
Table of Contents
GA-B85M-HD3 Motherboard Layout ...............................................................................4
GA-B85M-HD3 Motherboard Block Diagram ...................................................................5
Chapter 1 Hardware Installation .....................................................................................6
1-1 Installation Precautions .................................................................................... 6
1-2 Product Specications ...................................................................................... 7
1-3 Installing the CPU ............................................................................................ 9
1-4 Installing the Memory ..................................................................................... 10
1-5 Installing an Expansion Card ......................................................................... 10
1-6 Back Panel Connectors .................................................................................. 10
1-7 Internal Connectors ........................................................................................ 12
Chapter 2 BIOS Setup ..................................................................................................18
2-1 Startup Screen ............................................................................................... 18
2-2 M.I.T. .............................................................................................................. 19
2-3 System ........................................................................................................... 24
2-4 BIOS Features ............................................................................................... 25
2-5 Peripherals ..................................................................................................... 28
2-6 Power Management ....................................................................................... 31
2-7 Save & Exit ..................................................................................................... 32
Chapter 3 Drivers Installation ........................................................................................33
Regulatory Statements .............................................................................................. 34
Contact Us ................................................................................................................ 36

- 4 -
GA-B85M-HD3 Motherboard Layout
The box contents above are for reference only and the actual items shall depend on the product package you obtain.
The box contents are subject to change without notice.
Box Contents
5GA-B85M-HD3 motherboard
5Motherboard driver disk 5Two SATA 6Gb/s cables
5User's Manual
5Quick Installation Guide
5I/O Shield
KB_MS_USB
CPU_FAN SYS_FAN
LGA1150
ATX
GA-B85M-HD3
F_AUDIO
AUDIO
M_BIOS
DDR3_1
DDR3_2
BAT
ATX_12V_2X4
Intel® B85
R_USB30
CODEC
CLR_CMOS
B_BIOS
VGA
DVI
LPT
USB_LAN
PCIEX16
PCIEX1_1
PCIEX1_2
PCI
iTE®
Super I/O
Realtek®
GbE LAN
F_USB2 F_USB1
F_USB30
COM
HDMI
5
4
SATA3 SATA2
1 3
0 2
PCIe to PCI
Bridge
F_PANEL

- 5 -
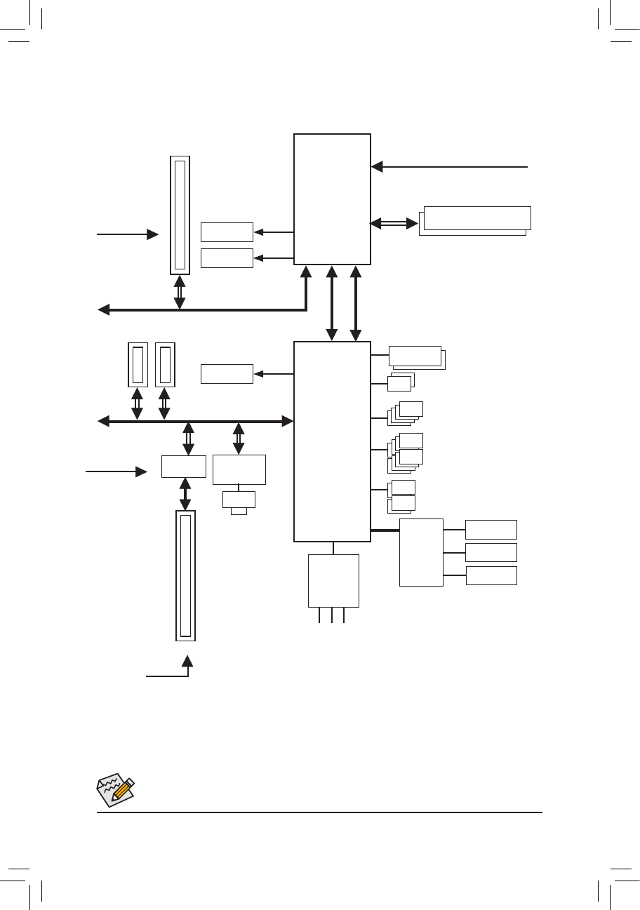
GA-B85M-HD3 Motherboard Block Diagram
For detailed product information/limitation(s), refer to "1-2 Product Specications."
iTE®
Super I/O
PS/2 KB/Mouse
LGA1150
CPU
Intel® B85
PCIe CLK
(100 MHz)
PCI Express Bus
CPU CLK+/- (100 MHz)
1 PCI Express x16
Dual BIOS
COM
LPT
8 USB 2.0/1.1
4 USB 3.0/2.0
DDR3 1600/1333 MHz
PCI Express Bus
PCIe CLK
(100 MHz)
2 PCI Express x1
4 SATA 6Gb/s
D-Sub
DVI-D
2 SATA 3Gb/s
DMI 2.0
FDI
x16
Dual Channel Memory
x1 x1
x1
LAN
RJ45
Realtek®
GbE LAN
LPC
Bus
Line Out (Front Speaker Out)
MIC (Center/Subwoofer
Speaker Out)
Line In (Rear Speaker Out)
CODEC
HDMI
1 PCI
PCI Bus
PCI CLK
(33 MHz)
PCIe to PCI
Bridge
x1

- 6 -
Chapter 1 Hardware Installation
1-1 Installation Precautions
The motherboard contains numerous delicate electronic circuits and components which can become
damaged as a result of electrostatic discharge (ESD). Prior to installation, carefully read the user's
manual and follow these procedures:
•Prior to installation, make sure the chassis is suitable for the motherboard.
•Prior to installation, do not remove or break motherboard S/N (Serial Number) sticker or
warranty sticker provided by your dealer. These stickers are required for warranty validation.
•Always remove the AC power by unplugging the power cord from the power outlet before
installing or removing the motherboard or other hardware components.
•When connecting hardware components to the internal connectors on the motherboard, make
sure they are connected tightly and securely.
•When handling the motherboard, avoid touching any metal leads or connectors.
•It is best to wear an electrostatic discharge (ESD) wrist strap when handling electronic
components such as a motherboard, CPU or memory. If you do not have an ESD wrist strap,
keep your hands dry and rst touch a metal object to eliminate static electricity.
•Prior to installing the motherboard, please have it on top of an antistatic pad or within an
electrostatic shielding container.
•Before unplugging the power supply cable from the motherboard, make sure the power supply
has been turned off.
•Before turning on the power, make sure the power supply voltage has been set according to
the local voltage standard.
•Before using the product, please verify that all cables and power connectors of your hardware
components are connected.
•To prevent damage to the motherboard, do not allow screws to come in contact with the
motherboard circuit or its components.
•Make sure there are no leftover screws or metal components placed on the motherboard or
within the computer casing.
•Do not place the computer system on an uneven surface.
•Do not place the computer system in a high-temperature environment.
•Turning on the computer power during the installation process can lead to damage to system
components as well as physical harm to the user.
•If you are uncertain about any installation steps or have a problem related to the use of the
product, please consult a certied computer technician.

- 7 -
1-2 ProductSpecications
CPU
Support for Intel® Core™ i7 processors/Intel® Core™ i5 processors/
Intel® Core™ i3 processors/Intel® Pentium® processors/
Intel® Celeron® processors in the LGA1150 package
(Go to GIGABYTE's website for the latest CPU support list.)
L3 cache varies with CPU
Chipset
Intel® B85 Express Chipset
Memory
2 x 1.5V DDR3 DIMM sockets supporting up to 16 GB of system memory
* Due to a Windows 32-bit operating system limitation, when more than 4 GB of
physical memory is installed, the actual memory size displayed will be less than
the size of the physical memory installed.
Dual channel memory architecture
Support for DDR3 1600/1333 MHz memory modules
Support for non-ECC memory modules
Support for Extreme Memory Profile (XMP) memory modules
(Go to GIGABYTE's website for the latest supported memory speeds and
memory modules.)
Onboard
Graphics
Integrated Graphics Processor:
- 1 x D-Sub port, supporting a maximum resolution of 1920x1200
- 1 x DVI-D port, supporting a maximum resolution of 1920x1200
* The DVI-D port does not support D-Sub connection by adapter.
- 1 x HDMI port, supporting a maximum resolution of 4096x2160
* Support for HDMI 1.4a version.
- Maximum shared memory of 1 GB
Audio
Realtek® ALC887 codec
High Definition Audio
2/4/5.1/7.1-channel
* To configure 7.1-channel audio, you have to use an HD front panel audio module
and enable the multi-channel audio feature through the audio driver.
LAN
Realtek® GbE LAN chip (10/100/1000 Mbit)
Expansion Slots 1 x PCI Express x16 slot, running at x16
(The PCI Express x16 slot conforms to PCI Express 3.0 standard.)
2 x PCI Express x1 slots
(The PCI Express x1 slots conform to PCI Express 2.0 standard.)
1 x PCI slot
Storage Interface
Chipset:
- 4 x SATA 6Gb/s connectors (SATA3 0/1/2/3) supporting up to 4 SATA 6Gb/s
devices
- 2 x SATA 3Gb/s connectors (SATA2 4/5) supporting up to 2 SATA 3Gb/s
devices
USB
Chipset:
- Up to 4 USB 3.0/2.0 ports (2 ports on the back panel, 2 ports available
through the internal USB header)
- Up to 8 USB 2.0/1.1 ports (4 ports on the back panel, 4 ports available
through the internal USB headers)

- 8 -
Internal
Connectors
1 x 24-pin ATX main power connector
1 x 8-pin ATX 12V power connector
4 x SATA 6Gb/s connectors
2 x SATA 3Gb/s connectors
1 x CPU fan header
1 x system fan header
1 x front panel header
1 x front panel audio header
1 x USB 3.0/2.0 header
2 x USB 2.0/1.1 headers
1 x serial port header
1 x parallel port header
1 x Clear CMOS jumper
Back Panel
Connectors
1 x PS/2 keyboard/mouse port
1 x D-Sub port
1 x DVI-D port
1 x HDMI port
2 x USB 3.0/2.0 ports
4 x USB 2.0/1.1 ports
1 x RJ-45 port
3 x audio jacks (Line In/Line Out/Microphone)
I/O Controller
iTE® I/O Controller Chip
Hardware
Monitor
System voltage detection
CPU/System temperature detection
CPU/System fan speed detection
CPU/System overheating warning
CPU/System fan fail warning
CPU/System fan speed control
* Whether the fan speed control function is supported will depend on the cooler you
install.
BIOS
2 x 64 Mbit flash
Use of licensed AMI EFI BIOS
Support for DualBIOS™
PnP 1.0a, DMI 2.0, SM BIOS 2.6, ACPI 2.0a
Unique Features
Support for Q-Flash
Support for Xpress Install
Support for APP Center
* Available applications in APP Center may differ by motherboard model. Supported
functions of each application may also differ depending on motherboard
specifications.
- @BIOS
- EasyTune
- EZ Setup
- USB Blocker
Support for ON/OFF Charge

- 9 -
Bundled
Software
Norton® Internet Security (OEM version)
Intel® Rapid Start Technology
Intel® Smart Connect Technology
Intel® Small Business Advantage
Operating
System
Support for Windows 8/7
Form Factor
Micro ATX Form Factor; 24.4cm x 17.4cm
* GIGABYTE reserves the right to make any changes to the product specifications and product-related information without
prior notice.
* Please visit the Support & Downloads\Utility page on GIGABYTE's website to check the supported operating system(s)
for the software listed in the "Unique Features" and "Bundled Software" columns.
1-3 Installing the CPU
Read the following guidelines before you begin to install the CPU:
•Make sure that the motherboard supports the CPU.
(Go to GIGABYTE's website for the latest CPU support list.)
•Always turn off the computer and unplug the power cord from the power outlet before installing the
CPU to prevent hardware damage.
•Locate the pin one of the CPU. The CPU cannot be inserted if oriented incorrectly. (Or you may
locate the notches on both sides of the CPU and alignment keys on the CPU socket.)
•Apply an even and thin layer of thermal grease on the surface of the CPU.
•Do not turn on the computer if the CPU cooler is not installed, otherwise overheating and damage
of the CPU may occur.
•Set the CPU host frequency in accordance with the CPU specications. It is not recommended
that the system bus frequency be set beyond hardware specications since it does not meet the
standard requirements for the peripherals. If you wish to set the frequency beyond the standard
specications, please do so according to your hardware specications including the CPU, graphics
card, memory, hard drive, etc.
Installing the CPU
Locate the alignment keys on the motherboard CPU socket and the notches on the CPU.
Alignment
Key
Alignment
Key
LGA1150 CPU Socket
Pin One Corner of the CPU Socket
Notch
Notch
LGA1150 CPU
Triangle Pin One Marking on the CPU
Do not remove the CPU socket cover before inserting the CPU. It may pop off from the load plate
automatically during the process of re-engaging the lever after you insert the CPU.

- 10 -
DualChannelMemoryConguration
This motherboard provides two DDR3 memory sockets and supports Dual Channel Technology. After the memory
is installed, the BIOS will automatically detect the specications and capacity of the memory. Enabling Dual
Channel memory mode will double the original memory bandwidth.
The two DDR3 memory sockets are divided into two channels and each channel has one memory socket as
following:
Channel A: DDR3_2
Channel B: DDR3_1
Due to CPU limitations, read the following guidelines before installing the memory in Dual Channel mode.
1. Dual Channel mode cannot be enabled if only one DDR3 memory module is installed.
2. When enabling Dual Channel mode with two memory modules, it is recommended that memory of
the same capacity, brand, speed, and chips be used for optimum performance.
1-5 Installing an Expansion Card
Read the following guidelines before you begin to install an expansion card:
•Make sure the motherboard supports the expansion card. Carefully read the manual that came
with your expansion card.
•Always turn off the computer and unplug the power cord from the power outlet before installing an
expansion card to prevent hardware damage.
1-6 Back Panel Connectors
USB 2.0/1.1 Port
The USB port supports the USB 2.0/1.1 specication. Use this port for USB devices such as a USB
keyboard/mouse, USB printer, USB ash drive and etc.
PS/2 Keyboard/Mouse Port
Use this port to connect a PS/2 mouse or keyboard.
D-Sub Port
The D-Sub port supports a 15-pin D-Sub connector and a maximum resolution of 1920x1200 Connect a
monitor that supports D-Sub connection to this port.
1-4 Installing the Memory
Read the following guidelines before you begin to install the memory:
•Make sure that the motherboard supports the memory. It is recommended that memory of the
same capacity, brand, speed, and chips be used.
(Go to GIGABYTE's website for the latest supported memory speeds and memory modules.)
•Always turn off the computer and unplug the power cord from the power outlet before installing the
memory to prevent hardware damage.
•Memory modules have a foolproof design. A memory module can be installed in only one direction.
If you are unable to insert the memory, switch the direction.

- 11 -
DVI-D Port (Note)
The DVI-D port conforms to the DVI-D specication and supports a maximum resolution of 1920x1200
(the actual resolutions supported depend on the monitor being used). Connect a monitor that supports
DVI-D connection to this port.
HDMI Port
The HDMI port is HDCP compliant and supports Dolby True HD and DTS HD
Master Audio formats. It also supports up to 192KHz/24bit 8-channel LPCM audio
output. You can use this port to connect your HDMI-supported monitor. The maximum supported resolution
is 4096x2160, but the actual resolutions supported are dependent on the monitor being used.
•When removing the cable connected to a back panel connector, rst remove the cable from your
device and then remove it from the motherboard.
•When removing the cable, pull it straight out from the connector. Do not rock it side to side to prevent
an electrical short inside the cable connector.
To congure 7.1-channel audio, you have to use an HD front panel audio module and enable the
multi-channel audio feature through the audio driver.
Line In Jack (Blue)
The default line in jack. Use this audio jack for line in devices such as an optical drive, walkman, etc.
Line Out Jack (Green)
The default line out jack. Use this audio jack for a headphone or 2-channel speaker. This jack can be used
to connect front speakers in a 4/5.1/7.1-channel audio conguration.
Mic In Jack (Pink)
The default Mic in jack. Microphones must be connected to this jack.
Activity LED
Connection/
Speed LED
LAN Port
Connection/Speed LED:
State Description
Orange 1 Gbps data rate
Green 100 Mbps data rate
Off 10 Mbps data rate
Activity LED:
State Description
Blinking Data transmission or receiving is occurring
Off No data transmission or receiving is occurring
(Note) The DVI-D port does not support D-Sub connection by adapter.
Triple Display Congurations for the Onboard Graphics:
Triple-display congurations are supported after you install motherboard drivers in OS. Only dual-display
congurations are supported during the BIOS Setup or POST process.
USB 3.0/2.0 Port
The USB 3.0 port supports the USB 3.0 specication and is compatible to the USB 2.0/1.1 specication.
Use this port for USB devices such as a USB keyboard/mouse, USB printer, USB ash drive and etc.
RJ-45 LAN Port
The Gigabit Ethernet LAN port provides Internet connection at up to 1 Gbps data rate. The following
describes the states of the LAN port LEDs.

- 12 -
1-7 Internal Connectors
Read the following guidelines before connecting external devices:
•First make sure your devices are compliant with the connectors you wish to connect.
•Before installing the devices, be sure to turn off the devices and your computer. Unplug the power
cord from the power outlet to prevent damage to the devices.
•After installing the device and before turning on the computer, make sure the device cable has
been securely attached to the connector on the motherboard.
1
10
8
2
1) ATX_12V_2X4
2) ATX
3) CPU_FAN
4) SYS_FAN
5) SATA3 0/1/2/3
6) SATA2 4/5
7) F_AUDIO
8) F_PANEL
9) CLR_CMOS
10) F_USB30
11) F_USB1/F_USB2
12) COM
13) LPT
14) BAT
5
913127
14
6
11
4
3

- 13 -
1/2) ATX_12V_2X4/ATX (2x4 12V Power Connector and 2x12 Main Power Connector)
With the use of the power connector, the power supply can supply enough stable power to all the components
on the motherboard. Before connecting the power connector, rst make sure the power supply is turned
off and all devices are properly installed. The power connector possesses a foolproof design. Connect the
power supply cable to the power connector in the correct orientation.
The 12V power connector mainly supplies power to the CPU. If the 12V power connector is not connected,
the computer will not start.
3/4) CPU_FAN/SYS_FAN (Fan Headers)
All fan headers on this motherboard are 4-pin. Most fan headers possess a foolproof insertion design.
When connecting a fan cable, be sure to connect it in the correct orientation (the black connector wire is
the ground wire). The speed control function requires the use of a fan with fan speed control design. For
optimum heat dissipation, it is recommended that a system fan be installed inside the chassis.
To meet expansion requirements, it is recommended that a power supply that can withstand high power consumption
be used (500W or greater). If a power supply is used that does not provide the required power, the result can
lead to an unstable or unbootable system.
ATX_12V_2X4:
Pin No. Denition Pin No. Denition
1GND (Only for 2x4-pin 12V) 5 +12V (Only for 2x4-pin 12V)
2GND (Only for 2x4-pin 12V) 6 +12V (Only for 2x4-pin 12V)
3 GND 7 +12V
4 GND 8 +12V
DEBUG
PORT
G.QBOFM
131
2412
ATX
ATX:
Pin No. Denition Pin No. Denition
1 3.3V 13 3.3V
2 3.3V 14 -12V
3 GND 15 GND
4 +5V 16 PS_ON (soft On/Off)
5 GND 17 GND
6 +5V 18 GND
7 GND 19 GND
8 Power Good 20 -5V
9 5VSB (stand by +5V) 21 +5V
10 +12V 22 +5V
11 +12V (Only for 2x12-pin
ATX)
23 +5V (Only for 2x12-pin ATX)
12 3.3V (Only for 2x12-pin
ATX)
24 GND (Only for 2x12-pin ATX)
CPU_FAN:
Pin No. Denition
1 GND
2 +12V
3 Sense
4 Speed Control
•Be sure to connect fan cables to the fan headers to prevent your CPU and system from overheating. Overheating
may result in damage to the CPU or the system may hang.
•These fan headers are not conguration jumper blocks. Do not place a jumper cap on the headers.
DEBUG
PORT
G.QBOFM
ATX_12V_2X4
5 8
1 4
CPU_FAN/SYS_FAN
DEBUG
PORT
G.QBOFM
1
SYS_FAN:
Pin No. Denition
1 GND
2 +12V /Speed Control
3 Sense
4 VCC

- 14 -
5) SATA3 0/1/2/3 (SATA 6Gb/s Connectors)
The SATA connectors conform to SATA 6Gb/s standard and are compatible with SATA 3Gb/s and SATA
1.5Gb/s standard. Each SATA connector supports a single SATA device.
Pin No. Denition
1 GND
2 TXP
3 TXN
4 GND
5 RXN
6 RXP
7 GND
SATA3
3 2
1 0
7
7
DEBUG
PORT
G.QBOFM
DEBUG
PORT
G.QBOFM
DEBUG
PORT
G.QBOFM
DEBUG
PORT
G.QBOFM
1
1
6) SATA2 4/5 (SATA 3Gb/s Connectors)
The SATA connectors conform to SATA 3Gb/s standard and are compatible with SATA 1.5Gb/s standard.
Each SATA connector supports a single SATA device.
Pin No. Denition
1 GND
2 TXP
3 TXN
4 GND
5 RXN
6 RXP
7 GND
SATA2
7
7
DEBUG
PORT
G.QBOFM
DEBUG
PORT
G.QBOFM
1
1
5 4
7) F_AUDIO (Front Panel Audio Header)
The front panel audio header supports Intel High Denition audio (HD) and AC'97 audio. You may connect
your chassis front panel audio module to this header. Make sure the wire assignments of the module
connector match the pin assignments of the motherboard header. Incorrect connection between the module
connector and the motherboard header will make the device unable to work or even damage it.
For HD Front Panel Audio: For AC'97 Front Panel Audio:
Pin No. Denition
1 MIC2_L
2 GND
3 MIC2_R
4 -ACZ_DET
5 LINE2_R
6 GND
7 FAUDIO_JD
8 No Pin
9 LINE2_L
10 GND
Pin No. Denition
1 MIC
2 GND
3 MIC Power
4 NC
5 Line Out (R)
6 NC
7 NC
8 No Pin
9 Line Out (L)
10 NC
•The front panel audio header supports HD audio by default.
•Audio signals will be present on both of the front and back panel audio connections simultaneously.
•Some chassis provide a front panel audio module that has separated connectors on each wire instead of a
single plug. For information about connecting the front panel audio module that has different wire assignments,
please contact the chassis manufacturer.
1
2
9
10

- 15 -
8) F_PANEL (Front Panel Header)
Connect the power switch, reset switch, speaker, and system status indicator on the chassis to this header
according to the pin assignments below. Note the positive and negative pins before connecting the cables.
•PW (Power Switch):
Connects to the power switch on the chassis front panel. You may
congure the way to turn off your system using the power switch
(refer to Chapter 2, "BIOS Setup," "Power Management," for more
information).
•Speaker (Speaker):
Connects to the speaker on the chassis front panel. The system
reports system startup status by issuing a beep code. One single
short beep will be heard if no problem is detected at system startup.
•PLED/PWR_LED (Power LED):
System Status LED
S0 On
S3/S4/S5 Off
Connects to the power status indicator
on the chassis front panel. The LED is on
when the system is operating. The LED is
off when the system is in S3/S4 sleep state
or powered off (S5).
The front panel design may differ by chassis. A front panel module mainly consists of power switch, reset switch,
power LED, hard drive activity LED, speaker and etc. When connecting your chassis front panel module to this
header, make sure the wire assignments and the pin assignments are matched correctly.
•HD (Hard Drive Activity LED):
Connects to the hard drive activity LED on the chassis front panel. The LED is on when the hard drive is
reading or writing data.
•RES (Reset Switch):
Connects to the reset switch on the chassis front panel. Press the reset switch to restart the computer if the
computer freezes and fails to perform a normal restart.
•CI (Chassis Intrusion Header):
Connects to the chassis intrusion switch/sensor on the chassis that can detect if the chassis cover has been
removed. This function requires a chassis with a chassis intrusion switch/sensor.
Power LED
F_USB30 F_AUDIO(H)
DB_PORT
F_PANEL(NH) F_PANEL
(H61M-D2)
ACPI_CPT
(GA-IVB)
BIOS_PH
(GA-IVB)
SMB_CPT
(GA-IVB)
CLR_CMOS
CI
DIS_ME
GP15_CPT
(GA-IVB)
XDP_CPU
XDP_PCH
(GA-IVB)
TPM
w/housing
Voltage measurement module(X58A-OC)
PCIe power connector (SATA)(X58A-OC)
DIP
123
DIP
123
DIP
123
DIP
123
1
1
1
1
BIOS Switcher (X58A-OC)
PWM Switch (X58A-OC)
M_SATA
PWM Switch (SW1)(X79-UD7)
DIP
1 2 3 4 5
Voltage measurement points(G1.Sniper 3) BIOS Switcher (SW4) PCIe Control (Z87X-UP7)
DIP
1 2 3 4
DIP
1 2 3 4
DIP
1 2 3 4
DIP
1 2 3 4
ATX_12V_2X3
F_USB3 (Front Panel)
1
2
19
20
CI-
CI+
PWR_LED+
PLED-
PW-
SPEAK+
SPEAK-
PLED+
PW+
Power LED
HD-
RES+
HD+
RES-
Hard Drive
Activity LED
Reset
Switch Chassis Intrusion
Header
Power Switch Speaker
PWR_LED-
PWR_LED-

- 16 -
11) F_USB1/2 (USB 2.0/1.1 Headers)
The headers conform to USB 2.0/1.1 specication. Each USB header can provide two USB ports via an
optional USB bracket. For purchasing the optional USB bracket, please contact the local dealer.
Pin No. Denition Pin No. Denition
1 Power (5V) 6 USB DY+
2 Power (5V) 7 GND
3 USB DX- 8 GND
4 USB DY- 9 No Pin
5 USB DX+ 10 NC
•Do not plug the IEEE 1394 bracket (2x5-pin) cable into the USB header.
•Prior to installing the USB bracket, be sure to turn off your computer and unplug the power cord from the power
outlet to prevent damage to the USB bracket.
10) F_USB30 (USB 3.0/2.0 Header)
The header conforms to USB 3.0/2.0 specication and can provide two USB ports. For purchasing the
optional 3.5" front panel that provides two USB 3.0/2.0 ports, please contact the local dealer.
Pin No. Denition Pin No. Denition
1 VBUS 11 D2+
2 SSRX1- 12 D2-
3 SSRX1+ 13 GND
4 GND 14 SSTX2+
5 SSTX1- 15 SSTX2-
6 SSTX1+ 16 GND
7 GND 17 SSRX2+
8 D1- 18 SSRX2-
9 D1+ 19 VBUS
10 NC 20 No Pin
F_USB30 F_AUDIO(H)
DB_PORT
F_PANEL(NH) F_PANEL
(H61M-D2)
ACPI_CPT
(GA-IVB)
BIOS_PH
(GA-IVB)
SMB_CPT
(GA-IVB)
CLR_CMOS
CI
DIS_ME
GP15_CPT
(GA-IVB)
XDP_CPU
XDP_PCH
(GA-IVB)
TPM
w/housing
Voltage measurement module(X58A-OC)
PCIe power connector (SATA)(X58A-OC)
DIP
123
DIP
123
DIP
123
DIP
123
1
1
1
1
BIOS Switcher (X58A-OC)
PWM Switch (X58A-OC)
M_SATA
PWM Switch (SW1)(X79-UD7)
DIP
1 2 3 4 5
Voltage measurement points(G1.Sniper 3) BIOS Switcher (SW4) PCIe Control (Z87X-UP7)
DIP
1 2 3 4
DIP
1 2 3 4
DIP
1 2 3 4
DIP
1 2 3 4
ATX_12V_2X3
F_USB3 (Front Panel)
10
11
20 1
9) CLR_CMOS (Clear CMOS Jumper)
Use this jumper to clear the BIOS conguration and reset the CMOS values to factory defaults. To clear
the CMOS values, use a metal object like a screwdriver to touch the two pins for a few seconds.
•Always turn off your computer and unplug the power cord from the power outlet before clearing the CMOS values.
•After system restart, go to BIOS Setup to load factory defaults (select Load Optimized Defaults) or manually
congure the BIOS settings (refer to Chapter 2, "BIOS Setup," for BIOS congurations).
Open: Normal
Short: Clear CMOS Values
10
9
2
1
Prior to installing the USB front panel, be sure to turn off your computer and unplug the power cord from the power
outlet to prevent damage to the USB front panel.

- 17 -
13) LPT (Parallel Port Header)
The LPT header can provide one parallel port via an optional LPT port cable. For purchasing the optional
LPT port cable, please contact the local dealer.
14) BAT (Battery)
The battery provides power to keep the values (such as BIOS congurations, date, and time information)
in the CMOS when the computer is turned off. Replace the battery when the battery voltage drops to a low
level, or the CMOS values may not be accurate or may be lost.
You may clear the CMOS values by removing the battery:
1. Turn off your computer and unplug the power cord.
2. Gently remove the battery from the battery holder and wait for one minute. (Or use a
metal object like a screwdriver to touch the positive and negative terminals of the battery
holder, making them short for 5 seconds.)
3. Replace the battery.
4. Plug in the power cord and restart your computer.
•Always turn off your computer and unplug the power cord before replacing the battery.
•Replace the battery with an equivalent one. Danger of explosion if the battery is replaced with an incorrect model.
•Contact the place of purchase or local dealer if you are not able to replace the battery by yourself or uncertain
about the battery model.
•When installing the battery, note the orientation of the positive side (+) and the negative side (-) of the battery
(the positive side should face up).
•Used batteries must be handled in accordance with local environmental regulations.
Pin No. Denition Pin No. Denition
1 STB- 14 GND
2 AFD- 15 PD6
3 PD0 16 GND
4 ERR- 17 PD7
5 PD1 18 GND
6 INIT- 19 ACK-
7 PD2 20 GND
8 SLIN- 21 BUSY
9 PD3 22 GND
10 GND 23 PE
11 PD4 24 No Pin
12 GND 25 SLCT
13 PD5 26 GND
12) COM (Serial Port Header)
The COM header can provide one serial port via an optional COM port cable. For purchasing the optional
COM port cable, please contact the local dealer.
Pin No. Denition Pin No. Denition
1 NDCD- 6 NDSR-
2 NSIN 7 NRTS-
3 NSOUT 8 NCTS-
4 NDTR- 9 NRI-
5 GND 10 No Pin
10
9
2
1
26
25
2
1
DEBUG
PORT
G.QBOFM

- 18 -
Chapter 2 BIOS Setup
•Because BIOS ashing is potentially risky, if you do not encounter problems using the current version of BIOS,
it is recommended that you not ash the BIOS. To ash the BIOS, do it with caution. Inadequate BIOS ashing
may result in system malfunction.
•It is recommended that you not alter the default settings (unless you need to) to prevent system instability or other
unexpected results. Inadequately altering the settings may result in system's failure to boot. If this occurs, try to
clear the CMOS values and reset the board to default values. (Refer to the "Load Optimized Defaults" section in
this chapter or introductions of the battery/clear CMOS jumper in Chapter 1 for how to clear the CMOS values.)
BIOS (Basic Input and Output System) records hardware parameters of the system in the CMOS on the
motherboard. Its major functions include conducting the Power-On Self-Test (POST) during system startup,
saving system parameters and loading operating system, etc. BIOS includes a BIOS Setup program that allows
the user to modify basic system conguration settings or to activate certain system features.
When the power is turned off, the battery on the motherboard supplies the necessary power to the CMOS to
keep the conguration values in the CMOS.
To access the BIOS Setup program, press the <Delete> key during the POST when the power is turned on.
To upgrade the BIOS, use either the GIGABYTE Q-Flash or @BIOS utility.
•Q-Flash allows the user to quickly and easily upgrade or back up BIOS without entering the operating system.
•@BIOS is a Windows-based utility that searches and downloads the latest version of BIOS from the Internet
and updates the BIOS.
2-1 Startup Screen
The following startup Logo screen will appear when the computer boots.
(Sample BIOS Version: D10)
•When the system is not stable as usual, select the Load Optimized Defaults item to set your system to its defaults.
•The BIOS Setup menus described in this chapter are for reference only and may differ by BIOS version.
On the main menu of the BIOS Setup program, press arrow keys to move among the items and press <Enter>
to accept or enter a sub-menu. Or you can use your mouse to select the item you want.
Function Keys

- 19 -
2-2 M.I.T.
Whether the system will work stably with the overclock/overvoltage settings you made is dependent on your overall
system congurations. Incorrectly doing overclock/overvoltage may result in damage to CPU, chipset, or memory
and reduce the useful life of these components. This page is for advanced users only and we recommend you not to
alter the default settings to prevent system instability or other unexpected results. (Inadequately altering the settings
may result in system's failure to boot. If this occurs, clear the CMOS values and reset the board to default values.)
This section provides information on the BIOS version, CPU base clock, CPU frequency, memory frequency,
total memory size, CPU temperature and Vcore.
`M.I.T. Current Status
This screen provides information on CPU/memory frequencies/parameters.
`Advanced Frequency Settings
&Performance Boost (Note)
Provides you with ve different overclocking congurations. Options are: Medium, High, Turbo, Ultra,
Extreme. (Default: Auto)
&Processor Graphics Clock
Allows you to set the onboard graphics clock. The adjustable range is from 400 MHz to 4000 MHz. (Default:
Auto)
&CPU Upgrade (Note)
Allows you to set the CPU frequency. Options may vary depending on the CPU being used. (Default: Auto)
&CPU Clock Ratio
Allows you to alter the clock ratio for the installed CPU. The adjustable range is dependent on the CPU
being installed.
&CPU Frequency
Displays the current operating CPU frequency.
(Note) This item is present only when you install a CPU that supports this feature. For more information about
Intel® CPUs' unique features, please visit Intel's website.

- 20 -
&Uncore Ratio
Allows you to set the CPU Uncore ratio. The adjustable range is dependent on the CPU being used.
&Uncore Frequency
Displays the current CPU Uncore frequency.
&Intel(R) Turbo Boost Technology (Note)
Allows you to determine whether to enable the Intel CPU Turbo Boost technology. Auto lets the BIOS
automatically congure this setting. (Default: Auto)
&Turbo Ratio (1-Core Active~4-Core Active) (Note)
Allows you to set the CPU Turbo ratios for different number of active cores. Auto sets the CPU Turbo ratios
according to the CPU specications. (Default: Auto)
&Turbo Power Limit (Watts)
Allows you to set a power limit for CPU Turbo mode. When the CPU power consumption exceeds the
specied power limit, the CPU will automatically reduce the core frequency in order to reduce the power.
Auto sets the power limit according to the CPU specications. (Default: Auto)
&Core Current Limit (Amps)
Allows you to set a current limit for CPU Turbo mode. When the CPU current exceeds the specied current
limit, the CPU will automatically reduce the core frequency in order to reduce the current. Auto sets the
power limit according to the CPU specications. (Default: Auto)
&CPU Core Enabled (Note)
Allows you to determine the number of CPU cores you want to enable. Auto lets the BIOS automatically
congure this setting. (Default: Auto)
&Hyper-Threading Technology (Note)
Allows you to determine whether to enable multi-threading technology when using an Intel CPU that supports
this function. This feature only works for operating systems that support multi-processor mode. Auto lets
the BIOS automatically congure this setting. (Default: Auto)
&CPU Enhanced Halt (C1E) (Note)
Enables or disables Intel CPU Enhanced Halt (C1E) function, a CPU power-saving function in system
halt state. When enabled, the CPU core frequency and voltage will be reduced during system halt state to
decrease power consumption. Auto lets the BIOS automatically congure this setting. (Default: Auto)
&C3/C6 State Support (Note)
Allows you to determine whether to let the CPU enter C3/C6 mode in system halt state. When enabled, the
CPU core frequency and voltage will be reduced during system halt state to decrease power consumption.
The C3/C6 state is a more enhanced power-saving state than C1. Auto lets the BIOS automatically congure
this setting. (Default: Auto)
&CPU Thermal Monitor (Note)
Enables or disables Intel CPU Thermal Monitor function, a CPU overheating protection function. When
enabled, the CPU core frequency and voltage will be reduced when the CPU is overheated. Auto lets the
BIOS automatically congure this setting. (Default: Auto)
(Note) This item is present only when you install a CPU that supports this feature. For more information about
Intel® CPUs' unique features, please visit Intel's website.
`Advanced CPU Core Features
&CPU Clock Ratio, CPU Frequency
The settings above are synchronous to those under the same items on the Advanced Frequency Settings
menu.
&K OC (Note)
Allows for increased performance by using certain CPUs. (Default: Auto)
&CPU PLL Selection
Allows you to set the CPU PLL. Auto lets the BIOS automatically congure this setting. (Default: Auto)
&Filter PLL Level
Allows you to set the Filter PLL. Auto lets the BIOS automatically congure this setting. (Default: Auto)

- 21 -
`Advanced Memory Settings
&ExtremeMemoryProle(X.M.P.)(Note 2), System Memory Multiplier, Memory
Frequency(MHz)
The settings above are synchronous to those under the same items on the Advanced Frequency Settings
menu.
&Memory Upgrade (Note 2)
Allows you to set the memory frequency. Options may vary depending on the memory being used. (Default:
Auto)
&Performance Enhance
Allows the system to operate at three different performance levels.
Normal Lets the system operate at its basic performance level.
Turbo Lets the system operate at its good performance level. (Default)
Extreme Lets the system operate at its best performance level.
&DRAM Timing Selectable
Quick and Expert allows the Channel Interleaving, Rank Interleaving, and memory timing settings below
to be congurable. Options are: Auto (default), Quick, Expert.
&ProleDDRVoltage
Displays the memory voltage as 1.50V.
&Channel Interleaving
Enables or disables memory channel interleaving. Enabled allows the system to simultaneously access
different channels of the memory to increase memory performance and stability. Auto lets the BIOS
automatically congure this setting. (Default: Auto)
&Rank Interleaving
Enables or disables memory rank interleaving. Enabled allows the system to simultaneously access different
ranks of the memory to increase memory performance and stability. Auto lets the BIOS automatically
congure this setting. (Default: Auto)
`Channel A/B Timing Settings
This sub-menu provides memory timing settings for each channel of memory. The respective timing setting
screens are congurable only when DRAM Timing Selectable is set to Quick or Expert. Note: Your system
may become unstable or fail to boot after you make changes on the memory timings. If this occurs, please reset
the board to default values by loading optimized defaults or clearing the CMOS values.
&CPU EIST Function (Note 1)
Enables or disables Enhanced Intel SpeedStep Technology (EIST). Depending on CPU loading, Intel EIST
technology can dynamically and effectively lower the CPU voltage and core frequency to decrease average power
consumption and heat production. Auto lets the BIOS automatically congure this setting. (Default: Auto)
&ExtremeMemoryProle(X.M.P.)(Note 2)
Allows the BIOS to read the SPD data on XMP memory module(s) to enhance memory performance when
enabled.
Disabled Disables this function. (Default)
Prole1 Uses Prole 1 settings.
Prole2 (Note 2) Uses Prole 2 settings.
&System Memory Multiplier
Allows you to set the system memory multiplier. Auto sets memory multiplier according to memory SPD
data. (Default: Auto)
&Memory Frequency (MHz)
The rst memory frequency value is the normal operating frequency of the memory being used; the second
is the memory frequency that is automatically adjusted according to the System Memory Multiplier settings.
(Note 1) This item is present only when you install a CPU that supports this feature. For more information about
Intel® CPUs' unique features, please visit Intel's website.
(Note 2) This item is present only when you install a CPU and a memory module that support this feature.

- 22 -
`PC Health Status
&Reset Case Open Status
Disabled Keeps or clears the record of previous chassis intrusion status. (Default)
Enabled Clears the record of previous chassis intrusion status and the Case Open eld will
show "No" at next boot.
`Advanced Voltage Settings
`CPU Core Voltage Control
This section provides CPU voltage control options.
`Chipset Voltage Control
This section provides Chipset voltage control options.
`DRAM Voltage Control
This section provides memory voltage control options.
&Case Open
Displays the detection status of the chassis intrusion detection device attached to the motherboard CI
header. If the system chassis cover is removed, this eld will show "Yes", otherwise it will show "No". To
clear the chassis intrusion status record, set Reset Case Open Status to Enabled, save the settings to
the CMOS, and then restart your system.
&CPU Vcore/CPU VRIN/DRAM Voltage/+3.3V/+5V/+12V/CPU VAXG
Displays the current system voltages.
&CPU/System Temperature
Displays current CPU/system temperature.
&CPU/System Fan Speed
Displays current CPU/system fan speeds.
&CPU/System Temperature Warning
Sets the warning threshold for CPU/system temperature. When CPU/system temperature exceeds
the threshold, BIOS will emit warning sound. Options are: Disabled (default), 60oC/140oF, 70oC/158oF,
80oC/176oF, 90oC/194oF.
&CPU/System Fan Fail Warning
Allows the system to emit warning sound if the fan is not connected or fails. Check the fan condition or fan
connection when this occurs. (Default: Disabled)
&CPU Fan Speed Control
Allows you to determine whether to enable the fan speed control function and adjust the fan speed.
Normal Allows the fan to run at different speeds according to the CPU temperature. You can adjust
the fan speed with EasyTune based on your system requirements. (Default)
Silent Allows the fan to run at slow speeds.
Manual Allows you to control the fan speed under the Slope PWM item.
Disabled Allows the fan to run at full speeds.
&Slope PWM
Allows you to control the fan speed. This item is congurable only when CPU Fan Speed Control is set
to Manual. Options are: 0.75 PWM value /oC ~ 2.50 PWM value /oC.
&System Fan Speed Control
Allows you to determine whether to enable the fan speed control function and adjust the fan speed.
Normal Allows the fan to run at different speeds according to the system temperature. You can adjust
the fan speed with EasyTune based on your system requirements. (Default)
Silent Allows the fan to run at slow speeds.
Manual Allows you to control the fan speed under the Slope PWM item.
Disabled Allows the fan to run at full speeds.

- 23 -
&Slope PWM
Allows you to control the fan speed. This item is congurable only when System Fan Speed Control is
set to Manual. Options are: 0.75 PWM value /oC ~ 2.50 PWM value /oC.
`Miscellaneous Settings
&PEGGen3SlotConguration
Allows you to set the operation mode of the PCI Express slots to Gen 1, Gen 2, or Gen 3. Actual operation
mode is subject to the hardware specication of each slot. For example, the PCI Express x1 slots can
support up to Gen 2 mode only. Auto lets the BIOS automatically congure this setting. (Default: Auto)
&Legacy BenchMark Enhancement
Allows you to determine whether to enhance some legacy benchmark performance. (Default: Disabled)

- 24 -
2-3 System
This section provides information on your motherboard model and BIOS version. You can also select the default
language used by the BIOS and manually set the system time.
&System Language
Selects the default language used by the BIOS.
&System Date
Sets the system date. The date format is week (read-only), month, date, and year. Use <Enter> to switch
between the Month, Date, and Year elds and use the <Page Up> or <Page Down> key to set the desired
value.
&System Time
Sets the system time. The time format is hour, minute, and second. For example, 1 p.m. is 13:0:0. Use
<Enter> to switch between the Hour, Minute, and Second elds and use the <Page Up> or <Page Down>
key to set the desired value.
&Access Level
Displays the current access level depending on the type of password protection used. (If no password is
set, the default will display as Administrator.) The Administrator level allows you to make changes to all
BIOS settings; the User level only allows you to make changes to certain BIOS settings but not all.

- 25 -
2-4 BIOS Features
&Boot Option Priorities
Species the overall boot order from the available devices. For example, you can set hard drive as the
rst priority (Boot Option #1) and DVD ROM drive as the second priority (Boot Option #2). The list only
displays the device with the highest priority for a specic type. For example, only hard drive dened as the
rst priority on the Hard Drive BBS Priorities submenu will be presented here.
Removable storage devices that support GPT format will be prexed with "UEFI:" string on the boot device
list. To boot from an operating system that supports GPT partitioning, select the device prexed with "UEFI:"
string.
Or if you want to install an operating system that supports GPT partitioning such as Windows 7 64-bit, select
the optical drive that contains the Windows 7 64-bit installation disk and is prexed with "UEFI:" string.
& Hard Drive/CD/DVD ROM Drive/Floppy Drive/Network Device BBS Priorities
Species the boot order for a specic device type, such as hard drives, optical drives, oppy disk drives,
and devices that support Boot from LAN function, etc. Press <Enter> on this item to enter the submenu that
presents the devices of the same type that are connected. This item is present only if at least one device
for this type is installed.
&Bootup NumLock State
Enables or disables Numlock feature on the numeric keypad of the keyboard after the POST. (Default:
Enabled)
&Security Option
Species whether a password is required every time the system boots, or only when you enter BIOS Setup.
After conguring this item, set the password(s) under the Administrator Password/User Password item.
Setup A password is only required for entering the BIOS Setup program.
System A password is required for booting the system and for entering the BIOS Setup
program. (Default)
&Full Screen LOGO Show
Allows you to determine whether to display the GIGABYTE Logo at system startup. Disabled skips the
GIGABYTE Logo when the system starts up. (Default: Enabled)
&Fast Boot
Enables or disables Fast Boot to shorten the OS boot process. Ultra Fast provides the fastest bootup
speed. (Default: Disabled)

- 26 -
&VGA Support
Allows you to select which type of operating system to boot.
Auto Enables legacy option ROM only.
EFI Driver Enables EFI option ROM. (Default)
This item is congurable only when Fast Boot is set to Enabled or Ultra Fast.
&USB Support
Disabled All USB devices are disabled before the OS boot process completes.
Full Initial All USB devices are functional in the operating system and during the POST.
Partial Initial Part of the USB devices are disabled before the OS boot process completes. (Default)
This item is congurable only when Fast Boot is set to Enabled. This item is disabled when Fast Boot is
set to Ultra Fast.
&PS2 Devices Support
Disabled All PS/2 devices are disabled before the OS boot process completes.
Full Initial All PS/2 devices are functional in the operating system and during the POST. (Default)
This item is congurable only when Fast Boot is set to Enabled. This item is disabled when Fast Boot is
set to Ultra Fast.
&NetWork Stack Driver Support
Disabled Disables booting from the network. (Default)
Enabled Enables booting from the network.
This item is congurable only when Fast Boot is set to Enabled or Ultra Fast.
&Next Boot After AC Power Loss
Normal Boot Enables normal bootup upon the return of the AC power. (Default)
Fast Boot Keeps the Fast Boot settings upon the return of the AC power.
This item is congurable only when Fast Boot is set to Enabled or Ultra Fast.
&Limit CPUID Maximum (Note)
Allows you to determine whether to limit CPUID maximum value. Set this item to Disabled for Windows XP operating
system; set this item to Enabled for legacy operating system such as Windows NT4.0. (Default: Disabled)
&Execute Disable Bit (Note)
Enables or disables Intel® Execute Disable Bit function. This function may enhance protection for the
computer, reducing exposure to viruses and malicious buffer overow attacks when working with its
supporting software and system. (Default: Enabled)
&Intel Virtualization Technology (Note)
Enables or disables Intel® Virtualization Technology. Virtualization enhanced by Intel® Virtualization
Technology will allow a platform to run multiple operating systems and applications in independent partitions.
With virtualization, one computer system can function as multiple virtual systems. (Default: Enabled)
&Intel TXT(LT) Support (Note)
Enables or disables Intel® Trusted Execution Technology (Intel® TXT). Intel® Trusted Execution Technology
provides a hardware-based security foundation. (Default: Disabled)
&Dynamic Storage Accelerator
Enables or disables Intel® Dynamic Storage Accelerator. When enabled, the hard drive I/O
performance will be adjusted according to hard drive load. (Default: Disabled)
&VT-d (Note)
Enables or disables Intel® Virtualization Technology for Directed I/O. (Default: Enabled)
&OS Type
Allows you to select the operating system to be installed. (Default: Other OS)
(Note) This item is present only when you install a CPU that supports this feature. For more information
about Intel CPUs' unique features, please visit Intel's website.

- 27 -
&CSM Support
Enables or disables UEFI CSM (Compatibility Support Module) to support a legacy PC boot process.
Always Enables UEFI CSM. (Default)
Never Disables UEFI CSM and supports UEFI BIOS boot process only.
This item is congurable only when OS Type is set to Windows 8 or Windows 8 WHQL.
&Boot Mode Selection
Allows you to select which type of operating system to boot.
UEFI and Legacy
Allows booting from operating systems that support legacy option ROM or UEFI option
ROM. (Default)
Legacy Only Allows booting from operating systems that only support legacy Option ROM.
UEFI Only Allows booting from operating systems that only support UEFI Option ROM.
This item is congurable only when CSM Support is set to Always.
&LAN PXE Boot Option ROM
Allows you to select whether to enable the legacy option ROM for the LAN controller. (Default: Disabled)
This item is congurable only when CSM Support is set to Always.
&Storage Boot Option Control
Allows you to select whether to enable the UEFI or legacy option ROM for the storage device controller.
Disabled Disables option ROM.
Legacy only Enables legacy option ROM only. (Default)
UEFI only Enables UEFI option ROM only.
Legacy First Enables legacy option ROM rst.
UEFI First Enables UEFI option ROM rst.
This item is congurable only when CSM Support is set to Always.
&Other PCI Device ROM Priority
Allows you to select whether to enable the UEFI or Legacy option ROM for the PCI device controller other
than the LAN, storage device, and graphics controllers.
Legacy OpROM Enables legacy option ROM only.
UEFI OpROM Enables UEFI option ROM only. (Default)
&Network stack
Disables or enables booting from the network to install a GPT format OS, such as installing the OS from
the Windows Deployment Services server. (Default: Disabled)
&Ipv4 PXE Support
Enables or disables IPv4 PXE Support. This item is congurable only when Network stack is enabled.
&Ipv6 PXE Support
Enables or disables IPv6 PXE Support. This item is congurable only when Network stack is enabled.
&Administrator Password
Allows you to congure an administrator password. Press <Enter> on this item, type the password, and
then press <Enter>. You will be requested to conrm the password. Type the password again and press
<Enter>. You must enter the administrator password (or user password) at system startup and when entering
BIOS Setup. Differing from the user password, the administrator password allows you to make changes to
all BIOS settings.
&User Password
Allows you to congure a user password. Press <Enter> on this item, type the password, and then press
<Enter>. You will be requested to conrm the password. Type the password again and press <Enter>.
You must enter the administrator password (or user password) at system startup and when entering BIOS
Setup. However, the user password only allows you to make changes to certain BIOS settings but not all.
To cancel the password, press <Enter> on the password item and when requested for the password, enter the
correct one rst. When prompted for a new password, press <Enter> without entering any password. Press
<Enter> again when prompted to conrm.

- 28 -
2-5 Peripherals
&Init Display First
Species the rst initiation of the monitor display from the installed PCI graphics card, PCI Express graphics
card or the onboard graphics.
IGFX Sets the onboard graphics as the rst display.
PCIe 1 Slot Sets the graphics card on the PCIEX16 slot as the rst display. (Default)
PCI Sets the graphics card on the PCI slot as the rst display.
&XHCI Mode
Allows you to determine the operating mode for the xHCI controller in OS.
Smart Auto This mode is available only when the BIOS supports the xHCI controller in the pre-boot
environment. This mode is similar to Auto, but it adds the capability to route the ports
to xHCI or EHCI according to setting used in previous boots (for non-G3 boot) in the
pre-boot environment. This allows the use of USB 3.0 devices prior to OS boot. xHCI
controller enabling and rerouting should follow the steps in Auto, when previous boot
routs ports to EHCI. Note: This is the recommended mode when BIOS has xHCI pre-
boot support. (Default)
Auto BIOS routes the sharable ports to EHCI controller. Then it uses ACPI protocols to
provide an option to enable the xHCI controller and reroute the sharable ports. Note:
This is the recommended mode when BIOS does NOT have xHCI pre-boot support.
Enabled All shared ports are eventually routed to the xHCI controller during the BIOS boot process.
If BIOS does not have pre-boot support for the xHCI controller, it should initially route
the sharable ports to the EHCI controller and then prior to OS boot it should route the
ports to xHCI controller. Note: OS has to provide support for the xHCI controller in this
mode. If the OS does not provide support, all sharable ports won't work.
Disabled The USB 3.0 ports are routed to the EHCI controller and the xHCI controller is turned
off. All USB 3.0 devices function as High Speed devices regardless of xHCI software
support/availability.
Manual Allows you to determine whether to rout the USB 3.0 ports to the xHCI or EHCI controller
before booting to OS, and also provides you with options to manually rout each USB
3.0/2.0 port to xHCI or EHCI.

- 29 -
&Audio Controller
Enables or disables the onboard audio function. (Default: Auto)
If you wish to install a 3rd party add-in audio card instead of using the onboard audio, set this item to
Disabled.
&Internal Graphics
Enables or disables the onboard graphics function. (Default: Enabled)
&Internal Graphics Memory Size
Allows you to set the onboard graphics memory size. Options are: 32M~1024M. (Default: 64M)
&DVMT Total Memory Size
Allows you to allocate the DVMT memory size of the onboard graphics. Options are: 128M, 256M, MAX.
(Default: MAX)
&Intel(R) Rapid Start Technology
Enables or disables Intel® Rapid Start Technology. (Default: Disabled)
&Legacy USB Support
Allows USB keyboard/mouse to be used in MS-DOS. (Default: Enabled)
&XHCI Hand-off
Determines whether to enable XHCI Hand-off feature for an operating system without XHCI Hand-off
support. (Default: Enabled)
&EHCI Hand-off
Determines whether to enable EHCI Hand-off feature for an operating system without EHCI Hand-off
support. (Default: Disabled)
&USB Storage Devices
Displays a list of connected USB mass storage devices. This item appears only when a USB storage device
is installed.
&OnBoard USB3.0 Controller#1
Enables or disables the integrated USB 3.0/2.0 controller. (Default: Enabled)
&OnBoard LAN Controller#1
Enables or disables the onboard LAN function. (Default: Enabled)
If you wish to install a 3rd party add-in network card instead of using the onboard LAN, set this item to
Disabled.
`SATAConguration
&SATA Controller(s)
Enables or disables the integrated SATA controllers. (Default: Enabled)
&SATA Mode Selection
Allows you to decide whether to congure the SATA controller integrated in the Chipset to AHCI mode.
IDE Congures the SATA controller to IDE mode. (Default)
AHCI Congures the SATA controller to AHCI mode. Advanced Host Controller Interface
(AHCI) is an interface specication that allows the storage driver to enable advanced
Serial ATA features such as Native Command Queuing and hot plug.
`Serial ATA Port 0/1/2/3/4/5
&Port 0/1/2/3/4/5
Enables or disables each SATA port. (Default: Enabled)
&Hot plug
Enables or disable the hot plug capability for each SATA port. (Default: Disabled)

- 30 -
`SuperIOConguration
This section provides information on the super I/O chip and allows you to congure the serial port and
parallel port.
&Serial Port A
Enables or disables the onboard serial port. (Default: Enabled)
&Parallel Port
Enables or disables the onboard parallel port. (Default: Enabled)
&Device Mode
This item is congurable only when Parallel Port is set to Enabled. It allows you to select an operating
mode for the onboard parallel (LPT) port. Options are: Standard Parallel Port Mode (Default), EPP Mode
(Enhanced Parallel Port), ECP Mode (Extended Capabilities Port), EPP Mode & ECP Mode.
`Intel(R) Smart Connect Technology
&ISCT Support
Enables or disables Intel® Smart Connect Technology. (Default: Disabled)
`Realtek PCIe GBE Family Controller
This sub-menu provides information on LAN conguration.

- 31 -
2-6 Power Management
&Resume by Alarm
Determines whether to power on the system at a desired time. (Default: Disabled)
If enabled, set the date and time as following:
Wake up day: Turn on the system at a specic time on each day or on a specic day in a month.
Wake up hour/minute/second: Set the time at which the system will be powered on automatically.
Note: When using this function, avoid inadequate shutdown from the operating system or removal of the
AC power, or the settings may not be effective.
&ErP
Determines whether to let the system consume least power in S5 (shutdown) state. (Default: Disabled)
Note: When this item is set to Enabled, the following functions will become unavailable: PME event wake
up, power on by mouse, power on by keyboard, and wake on LAN.
&Soft-Off by PWR-BTTN
Congures the way to turn off the computer in MS-DOS mode using the power button.
Instant-Off Press the power button and then the system will be turned off instantly. (Default)
Delay 4 Sec Press and hold the power button for 4 seconds to turn off the system. If the power
button is pressed for less than 4 seconds, the system will enter suspend mode.
&RC6(Render Standby)
Allows you to determine whether to let the onboard graphics enter standby mode to decrease power
consumption. (Default: Enabled)
&AC BACK
Determines the state of the system after the return of power from an AC power loss.
Always Off The system stays off upon the return of the AC power. (Default)
Always On The system is turned on upon the return of the AC power.
Memory The system returns to its last known awake state upon the return of the AC power.
&Power On By Keyboard
Allows the system to be turned on by a PS/2 keyboard wake-up event.
Note: To use this function, you need an ATX power supply providing at least 1A on the +5VSB lead.
Disabled Disables this function. (Default)
Any Key Press any key to turn on the system.
Keyboard 98 Press POWER button on the Windows 98 keyboard to turn on the system.
Password Set a password with 1~5 characters to turn on the system.

- 32 -
2-7 Save & Exit
&Save & Exit Setup
Press <Enter> on this item and select Yes. This saves the changes to the CMOS and exits the BIOS Setup
program. Select No or press <Esc> to return to the BIOS Setup Main Menu.
&Exit Without Saving
Press <Enter> on this item and select Yes. This exits the BIOS Setup without saving the changes made
in BIOS Setup to the CMOS. Select No or press <Esc> to return to the BIOS Setup Main Menu.
&Load Optimized Defaults
Press <Enter> on this item and select Yes to load the optimal BIOS default settings. The BIOS defaults
settings help the system to operate in optimum state. Always load the Optimized defaults after updating
the BIOS or after clearing the CMOS values.
&Boot Override
Allows you to select a device to boot immediately. Press <Enter> on the device you select and select Yes
to conrm. Your system will restart automatically and boot from that device.
&SaveProles
This function allows you to save the current BIOS settings to a prole. You can create up to 8 proles and
save as Setup Prole 1~ Setup Prole 8. Press <Enter> to complete. Or you can select Select File in
HDD/USB/FDD to save the prole to your storage device.
&Power On Password
Set the password when Power On By Keyboard is set to Password.
Press <Enter> on this item and set a password with up to 5 characters and then press <Enter> to accept.
To turn on the system, enter the password and press <Enter>.
Note: To cancel the password, press <Enter> on this item. When prompted for the password, press <Enter>
again without entering the password to clear the password settings.
&Power On By Mouse
Allows the system to be turned on by a PS/2 mouse wake-up event.
Note: To use this function, you need an ATX power supply providing at least 1A on the +5VSB lead.
Disabled Disables this function. (Default)
Move Move the mouse to turn on the system.
Double Click Double click on left button on the mouse to turn on the system.

- 33 -
Chapter 3 Drivers Installation
&LoadProles
If your system becomes unstable and you have loaded the BIOS default settings, you can use this function
to load the BIOS settings from a prole created before, without the hassles of reconguring the BIOS
settings. First select the prole you wish to load and then press <Enter> to complete. You can select Select
File in HDD/USB/FDD to input the prole previously created from your storage device or load the prole
automatically created by the BIOS, such as reverting the BIOS settings to the last settings that worked
properly (last known good record).
"Xpress Install" will automatically scan your system and then list all of the drivers that are recommended to
install. You can click the Xpress Install button and "Xpress Install" will install all of the selected drivers. Or click
the arrow icon to individually install the drivers you need.
•Before installing the drivers, rst install the operating system. (The following instructions use
Windows 8 as the example operating system.)
•After installing the operating system, insert the motherboard driver disk into your optical drive. Click
on the message "Tap to choose what happens with this disc" on the top-right corner of the screen
and select "Run Run.exe." (Or go to My Computer, double-click the optical drive and execute the
Run.exe program.)

- 34 -
Regulatory Statements
Regulatory Notices
This document must not be copied without our written permission, and the contents there of must not be imparted
to a third party nor be used for any unauthorized purpose. Contravention will be prosecuted. We believe that the
information contained herein was accurate in all respects at the time of printing. GIGABYTE cannot, however,
assume any responsibility for errors or omissions in this text. Also note that the information in this document is
subject to change without notice and should not be construed as a commitment by GIGABYTE.
Our Commitment to Preserving the Environment
In addition to high-efciency performance, all GIGABYTE motherboards fulll European Union regulations
for RoHS (Restriction of Certain Hazardous Substances in Electrical and Electronic Equipment) and WEEE
(Waste Electrical and Electronic Equipment) environmental directives, as well as most major worldwide safety
requirements. To prevent releases of harmful substances into the environment and to maximize the use of our
natural resources, GIGABYTE provides the following information on how you can responsibly recycle or reuse
most of the materials in your "end of life" product.
Restriction of Hazardous Substances (RoHS) Directive Statement
GIGABYTE products have not intended to add and safe from hazardous substances (Cd, Pb, Hg, Cr+6, PBDE
and PBB). The parts and components have been carefully selected to meet RoHS requirement. Moreover, we at
GIGABYTE are continuing our efforts to develop products that do not use internationally banned toxic chemicals.
Waste Electrical & Electronic Equipment (WEEE) Directive Statement
GIGABYTE will fulll the national laws as interpreted from the 2002/96/EC WEEE (Waste Electrical and Electronic
Equipment) directive. The WEEE Directive species the treatment, collection, recycling and disposal of electric
and electronic devices and their components. Under the Directive, used equipment must be marked, collected
separately, and disposed of properly.
WEEE Symbol Statement
The symbol shown below is on the product or on its packaging, which indicates that this product
must not be disposed of with other waste. Instead, the device should be taken to the waste collection
centers for activation of the treatment, collection, recycling and disposal procedure. The separate
collection and recycling of your waste equipment at the time of disposal will help to conserve
natural resources and ensure that it is recycled in a manner that protects human health and the
environment. For more information about where you can drop off your waste equipment for recycling,
please contact your local government ofce, your household waste disposal service or where you purchased
the product for details of environmentally safe recycling.
When your electrical or electronic equipment is no longer useful to you, "take it back" to your local or regional
waste collection administration for recycling.
If you need further assistance in recycling, reusing in your "end of life" product, you may contact us at the
Customer Care number listed in your product's user's manual and we will be glad to help you with your effort.
Finally, we suggest that you practice other environmentally friendly actions by understanding and using the
energy-saving features of this product (where applicable), recycling the inner and outer packaging (including
shipping containers) this product was delivered in, and by disposing of or recycling used batteries properly.
With your help, we can reduce the amount of natural resources needed to produce electrical and electronic
equipment, minimize the use of landlls for the disposal of "end of life" products, and generally improve our
quality of life by ensuring that potentially hazardous substances are not released into the environment and are
disposed of properly.

- 35 -

- 36 -
GIGA-BYTE TECHNOLOGY CO., LTD.
Address: No.6, Bao Chiang Road, Hsin-Tien Dist., New Taipei City 231,Taiwan
TEL: +886-2-8912-4000, FAX: +886-2-8912-4005
Tech. and Non-Tech. Support (Sales/Marketing) : http://ggts.gigabyte.com.tw
WEB address (English): http://www.gigabyte.com
WEB address (Chinese): http://www.gigabyte.tw
You may go to the GIGABYTE website, select your language in the language list on the top right corner of the website.
•GIGABYTE Global Service System
To submit a technical or non-technical (Sales/Marketing)
question, please link to:
http://ggts.gigabyte.com.tw
Then select your language to enter the system.
Contact Us