Gigabyte Ga M57Sli S4 Rev 2 0 Owner S Manual
AM2 Processor Motherboard GA-M57SLI-S4 motherboard_manual_ga-m57sli-s4_2.0_e
2014-07-05
: Gigabyte Gigabyte-Ga-M57Sli-S4-Rev-2-0-Owner-S-Manual gigabyte-ga-m57sli-s4-rev-2-0-owner-s-manual gigabyte pdf
Open the PDF directly: View PDF
.
Page Count: 88

GA-M57SLI-S4
AMD AthlonTM 64 FX / AthlonTM 64 X2 Dual-Core /
AMD AthlonTM 64 / SempronTM AM2 Processor Motherboard
User's Manual
Rev. 2002
12ME-M57SLI4R-2002R
* The WEEE marking on the product indicates this product must not be disposed of with user's other household waste
and must be handed over to a designated collection point for the recycling of waste electrical and electronic equipment!!
* The WEEE marking applies only in European Union's member states.

Motherboard
GA-M57SLI-S4
Apr. 11, 2007
Motherboard
GA-M57SLI-S4
Apr. 11, 2007
Copyright
© 2007 GIGA-BYTE TECHNOLOGY CO., LTD. All rights reserved.
The trademarks mentioned in the manual are legally registered to their respective companies.
Notice
The written content provided with this product is the property of Gigabyte.
No part of this manual may be reproduced, copied, translated, or transmitted in any form or by any
means without Gigabyte's prior written permission. Specifications and features are subject to
change without prior notice.
Product Manual Classification
In order to assist in the use of this product, Gigabyte has categorized the user manual in the
following:
For quick installation, please refer to the "Hardware Installation Guide" included with the
product.
For detailed product information and specifications, please carefully read the
"Product User Manual".
For detailed information related to Gigabyte's unique features, please go to "Technology
Guide" section on Gigabyte's website to read or download the information you need.
For more product details, please click onto Gigabyte's website at www.gigabyte.com.tw

- 4 -
Table of Contents
Item Checklist ................................................................................................................. 6
Optional Accessories ...................................................................................................... 6
GA-M57SLI-S4 Motherboard Layout ............................................................................. 7
Block Diagram................................................................................................................ 8
Chapter 1 Hardware Installation .................................................................................... 9
1-1 Considerations Prior to Installation .................................................................... 9
1-2 Feature Summary .......................................................................................... 10
1-3 Installation of the CPU and CPU Cooler ....................................................... 12
1-3-1 Installation of the CPU ......................................................................................... 12
1-3-2 Installation of the CPU Cooler ............................................................................ 13
1-4 Installation of Memory .................................................................................... 14
1-5 Installation of Expansion Cards ...................................................................... 16
1-6 Setup of an SLI (Scalable Link Interface) Configuration .................................. 17
1-7 I/O Back Panel Introduction ........................................................................... 20
1-8 Connectors Introduction .................................................................................. 22
Chapter 2 BIOS Setup................................................................................................ 33
The Main Menu (For example: BIOS Ver. : FAa) ..................................................... 34
2-1 Standard CMOS Features ............................................................................. 36
2-2 Advanced BIOS Features.............................................................................. 38
2-3 Integrated Peripherals ..................................................................................... 40
2-4 Power Management Setup............................................................................. 44
2-5 PnP/PCI Configurations................................................................................. 46
2-6 PC Health Status ........................................................................................... 47
2-7 MB Intelligent Tweaker(M.I.T.) ....................................................................... 49
2-8 Load Fail-Safe Defaults................................................................................... 51
2-9 Load Optimized Defaults ................................................................................. 51
2-10 Set Supervisor/User Password..................................................................... 52
2-11 Save & Exit Setup......................................................................................... 53
2-12 Exit Without Saving ....................................................................................... 53

- 5 -
Chapter 3 Drivers Installation ...................................................................................... 55
3-1 Install Chipset Drivers .................................................................................... 55
3-2 Software Applications ..................................................................................... 56
3-3 Driver CD Information .................................................................................... 56
3-4 Hardware Information ..................................................................................... 57
3-5 Contact Us..................................................................................................... 57
Chapter 4 Appendix ................................................................................................... 59
4-1 Unique Software Utilities ................................................................................ 59
4-1-1 EasyTune 5 Introduction..................................................................................... 59
4-1-2 Xpress Recovery2 Introduction......................................................................... 60
4-1-3 Flash BIOS Method Introduction ........................................................................ 62
4-1-4 Configuring SATA Hard Drive(s) ........................................................................ 66
4-1-5 2- / 4- / 6- / 8- Channel Audio Function Introduction...................................... 76
4-2 Troubleshooting............................................................................................... 81

- 6 -
Item Checklist
IDE Cable x 1, FDD Cable x 1
SATA 3Gb/s Cable x 4
I/O Shield
SLI Bridge (GC-DGBR2-RH) x 1
Retention Bracket x 1
* The items listed above are for reference only, and are subject to change without notice.
Optional Accessories
2 Ports USB 2.0 Cable (Part Number: 12CR1-1UB030-51/R)
4 Ports USB 2.0 Cable (Part Number: 12CR1-1UB030-21/R)
2 Ports IEEE 1394a Cable (Part Number: 12CF1-1IE008-01R)
SATA bracket (Part No. 12CF1-3SATPW-01R/11R)
S/PDIF-IN Cable (Part Number: 12CR1-1SPDIN-01R)

- 7 -
GA-M57SLI-S4 Motherboard Layout
KB_MS
Socket AM2
ATX
GA-M57SLI-S4
USB
LAN1
CD_IN
F_AUDIO
AUDIO
BIOS
SYS_FAN
FDD
PCIE_16_1
PCIE_1
IT8716
IDE1
PCIE_2
SPDIF_I
DDRII_1
DDRII_2
DDRII_3
DDRII_4
F2_1394F1_1394
TSB43AB23
PCIE_12V
PCIE_16_2
PCI1
BATTERY
F_PANEL
CI
PWR_FAN
CODEC
ATX_12V
nVIDIA®
nForce 570-SLI
LPT
USB
1394
COMA
SPDIF_O
SPDIFO_OPT
PCIE_3
PCI2
PWR_LED
F_USB1
CLR_CMOS
Marvell
88E1116
CPU_FAN
SATAII6
SATAII5
SATAII4
SATAII1
SATAII2
SATAII3
F_USB2
F_USB3

- 8 -
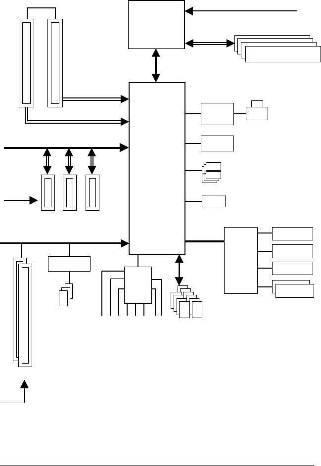
Block Diagram
AMD
Socket AM2
CPU
CPU CLK+/-(200 MHz)
Hyper Transport Bus
2 PCI
PCI Bus
3 PCI Express x1
PCI Express Bus
nVIDIA®
nForce 570-SLI
3 IEEE 1394a
TSB43AB23
DDRII 800/667/533/400 MHz DIMM
Dual Channel Memory
6 SATA 3Gb/s
10 USB
Ports
Line-Out
MIC
CODEC
Line-In
SPDIF In
SPDIF Out
Side Speaker Out
Center/Subwoofer Speaker Out
Surround Speaker Out
ATA-33/66/100/133
IDE Channel
x1
PCIe CLK
(100 MHz)
PCIe CLK
(100 MHz)
PCI Express x8
LPC BUS
Floppy
LPT Port
COM Port
PS/2 KB/Mouse
LAN
RJ45
Marvell
88E1116
IT8716
x1
BIOS
x1
PCI Express x16
SLI
PCI CLK
(33 MHz)

Hardware Installation- 9 -
English
1-1 Considerations Prior to Installation
Preparing Your Computer
The motherboard contains numerous delicate electronic circuits and components which can
become damaged as a result of electrostatic discharge (ESD). Thus, prior to installation, please
follow the instructions below:
1. Please turn off the computer and unplug its power cord.
2. When handling the motherboard, avoid touching any metal leads or connectors.
3. It is best to wear an electrostatic discharge (ESD) cuff when handling electronic components
(CPU, RAM).
4. Prior to installing the electronic components, please have these items on top of an antistatic
pad or within a electrostatic shielding container.
5. Please verify that the power supply is switched off before unplugging the power supply connector
from the motherboard.
Installation Notices
1. Prior to installation, please do not remove the stickers on the motherboard. These stickers
are required for warranty validation.
2. Prior to the installation of the motherboard or any hardware, please first carefully read the
information in the provided manual.
3. Before using the product, please verify that all cables and power connectors are connected.
4. To prevent damage to the motherboard, please do not allow screws to come in contact with
the motherboard circuit or its components.
5. Please make sure there are no leftover screws or metal components placed on the motherboard
or within the computer casing.
6. Please do not place the computer system on an uneven surface.
7. Turning on the computer power during the installation process can lead to damage to system
components as well as physical harm to the user.
8. If you are uncertain about any installation steps or have a problem related to the use of the
product,please consult a certified computer technician.
Instances of Non-Warranty
1. Damage due to natural disaster, accident or human cause.
2. Damage as a result of violating the conditions recommended in the user manual.
3. Damage due to improper installation.
4. Damage due to use of uncertified components.
5. Damage due to use exceeding the permitted parameters.
6. Product determined to be an unofficial Gigabyte product.
Chapter 1Hardware Installation

GA-M57SLI-S4 Motherboard - 10 -
English
1-2 Feature Summary
CPU Socket AM2 for AMD AthlonTM 64 FX / AthlonTM 64 X2 Dual-Core /
AthlonTM 64 / SempronTM processor
Front Side Bus 2000 MHz
Chipset nVIDIA® nForce 570-SLI
LAN Marvell 88E1116 phy (10/100/1000 Mbit)
Audio Onboard Realtek ALC888 CODEC chip
Supports High Definition Audio
Supports 2 / 4 / 6 / 8 channel audio
Supports S/PDIF In/Out connection
Supports CD In connection
IEEE 1394 Onboard T.I. TSB43AB23 chip
3 IEEE 1394a ports
Storage nVIDIA® nForce 570-SLI
- 1 FDD connector, allowing connection of 2 FDD devices
- 1 IDE connector with ATA-33/66/100/133 support,
allowing connection of 2 IDE devices
- 6 SATA 3Gb/s connectors, allowing connection of 6 SATA 3Gb/s devices
- Supports RAID 0, RAID 1, RAID 0+1, and RAID 5 for Serial ATA
O.S Support Microsoft Windows Vista/2000/XP
Memory 4 DDRII DIMM memory slots (supports up to 16 GB memory)(Note 1)
Supports dual channel DDRII 800/667/533/400 DIMMs
Supports 1.8V DDRII DIMMs
Supports ECC memory
Expanstion Slots 2 PCI Express x16 slots
3 PCI Express x1 slots
2 PCI slots
Internal Connectors 1 24-pin ATX power connector
1 4-pin ATX 12V power connector
1 floppy connector
1 IDE connector
6 SATA 3Gb/s connectors
1 CPU fan connector
1 system fan connector
1 power fan connector
1 front panel connector
1 front audio connector
1 CD In connector
1 S/PDIF In connector
3 USB 2.0/1.1 connectors for additional 6 USB 2.0/1.1 ports by cables
2 IEEE 1394a connectors for additional 2 ports by cables
1 chassis intrusion connector
1 power LED connector

Hardware Installation- 11 -
English
(Note 1) Due to the limitation of Windows 32-bit operating system, when more than 4 GB of physical
memory is installed, the actual memory available for the operating system will be less than
4 GB; Windows 64-bit operating system doesn't have such limitation.
(Note 2) Whether the CPU Smart FAN Control function is supported will depend on the CPU you install.
(Note 3) EasyTune functions may vary depending on different motherboards.
Rear Panel I/O 1 PS/2 keyboard port
1 PS/2 mouse port
1 parallel port
1 S/PDIF out port (coaxial)
1 S/PDIF out port (optical)
1 serial port
4 USB 2.0/1.1 ports
1 IEEE 1394a port
1 RJ-45 port
6 audio jacks (Line In / Line Out / MIC In / Surround Speaker Out (Rear
Speaker Out) / Center/Subwoofer Speaker Out / Side Speaker Out)
I/O Control IT8716 chip
Hardware Monitor System voltage detection
CPU temperature detection
CPU / Power / System fan speed detection
CPU warning temperature
CPU / Power / System fan failure warning
Supports CPU Smart Fan function (Note 2)
BIOS 1 4 Mbit flash ROM
Use of licensed AWARD BIOS
PnP 1.0a, DMI 2.0, SM BIOS 2.3, ACPI 1.0b
Additional Features Supports @BIOS
Supports Download Center
Supports Q-Flash
Supports EasyTune (Note 3)
Supports Xpress Install
Supports Xpress Recovery2
Supports Xpress BIOS Rescue
Bundle Software Norton Internet Security (OEM version)
Form Factor ATX form factor; 30.5cm x 23.4cm

GA-M57SLI-S4 Motherboard - 12 -
English
1-3 Installation of the CPU and CPU Cooler
1-3-1 Installation of the CPU
Fig.1
Position lever at a 90 degree angle.
Please use extra care when installing the CPU. The CPU will not fit if positioned incorrectly.
Rather than applying force, please change the positioning of the CPU.
Before installing the CPU, please comply with the following conditions:
1. Please make sure that the motherboard supports the CPU.
2. Please take note of the pin 1 marking (the small triangle) on the CPU. If you install the
CPU in the wrong direction, the CPU will not insert properly. If this occurs, please
change the insert direction of the CPU.
3. Please add an even layer of heat paste between the CPU and CPU cooler.
4. Please make sure the CPU cooler is installed on the CPU prior to system use,
otherwise overheating and permanent damage of the CPU may occur.
5. Please set the CPU host frequency in accordance with the processor specifications. It
is not recommended that the system bus frequency be set beyond hardware specifica-
tions since it does not meet the required standards for the peripherals. If you wish to set
the frequency beyond the proper specifications, please do so according to your hard-
ware specifications including the CPU, graphics card, memory, hard drive, etc.
Fig.2
Pin 1 location on the socket and processor.
Gently place the CPU into position making sure that the CPU pins fit
perfectly into their holes. Once the CPU is positioned into its socket,
place one finger down on the middle of the CPU and gently press the
metal lever back into its original position.
Pin One
Check the CPU pins to see that none are bent. Move the socket lever to the unlocked position as shown
in Fig. 1 (90o to the plane of the motherboard) prior to inserting the CPU. The pin 1 location is designated
on the CPU by a small triangle that corresponds to a triangle marking on the socket as shown in Fig.
2. Align the CPU to the socket and gently lower it into place. Do not force the CPU into the socket.
Socket Lever

Hardware Installation- 13 -
English
1-3-2 Installation of the CPU Cooler
Use extreme care when removing the CPU cooler because the thermal grease/tape between
the CPU cooler and CPU may adhere to the CPU. Inadequately removing the CPU cooler
may damage the CPU.
Fig.1
Before installing the CPU cooler, please first add an even layer of heat
paste on the surface of the CPU. Install all the CPU cooler components
(Please refer to the cooler manual for detailed installation instructions).
Fig.2
Please connect the CPU cooler power connector to the CPU_FAN con-
nector located on the motherboard so that the CPU cooler can properly
function to prevent CPU overheating.

GA-M57SLI-S4 Motherboard - 14 -
English
Before installing the memory modules, please comply with the following conditions:
1. Please make sure that the memory used is supported by the motherboard. It is
recommended that memory of similar capacity, specifications and brand be used.
2. Before installing or removing memory modules, please make sure that the computer power
is switched off to prevent hardware damage.
3. Memory modules have a foolproof insertion design. A memory module can be installed in
only one direction. If you are unable to insert the module, please switch the direction.
1-4 Installation of Memory
The motherboard supports DDRII memory modules, whereby BIOS will automatically detect memory
capacity and specifications. Memory modules are designed so that they can be inserted only in one
direction. The memory capacity used can differ with each slot.
Fig.1
The DIMM socket has a notch, so the DIMM memory module can
only fit in one direction. Insert the DIMM memory module vertically
into the DIMM socket. Then push it down.
Fig.2
Close the plastic clip at both edges of the DIMM sockets to lock the
DIMM module.
Reverse the installation steps when you wish to remove the
DIMM module.
Notch
DDRII

Hardware Installation- 15 -
English
Dual Channel Memory Configuration
The GA-M57SLI-S4 supports the Dual Channel Technology. After operating
the Dual Channel Technology, the bandwidth of Memory Bus will double.
Due to CPU limitation, if you wish to operate the Dual Channel Technology, follow the guidelines below:
1. Dual Channel mode will not be enabled if only one memory module is installed.
2. To enable Dual Channel mode with two memory modules (it is recommended to use memory
modules of identical brand, size, chips, and speed), you must install them into DIMM sockets
of the same color.
3. To enable Dual Channel mode with four memory modules, it is recommended to use memory
modules of identical brand, size, chips, and speed.
The following is a Dual Channel Memory configuration table:
(DS: Double Side, SS: Single Side, "--": Empty)
DIMM Socket
2 memory modules
4 memory modules
DDRII_1 DDRII_2 DDRII_ 3 DDRII_4
DS/SS DS/SS - - - -
- - - - DS/SS DS/SS
DS/SS DS/SS DS/SS DS/SS
If two memory modules are to be used to achieve Dual Channel mode, we recommend
installing them in DDRII_1 and DDRII_2 DIMM sockets.

GA-M57SLI-S4 Motherboard - 16 -
English
1-5 Installation of Expansion Cards
To install your expansion card, follow the steps below.
1. Disconnect your system from its power source and read the expansion card's installation manual
before installing the expansion card in the computer.
2. Remove your computer's chassis cover, screws and slot bracket from the computer. Ground
yourself to prevent damage to your computer resulting from Electrostatic discharge (ESD).
3. Press the expansion card firmly into the expansion slot in the motherboard.
4. Make sure the metal contacts on the card are fully seated in the slot.
5. Replace the screw to secure the slot bracket of the expansion card.
6. Replace your computer's chassis cover.
7. Power on the computer, if necessary, configure required settings for the expansion card in system
BIOS Setup.
8. Install related driver in the operating system.
For example: Installing a PCI Express x16 VGA card:
Or you can also press the latch on the opposite side of the drawable
bar as the picture to the left shows.
To remove the VGA card :
Please carefully pull out the small white-drawable bar at the end of the PCI
Express x16 slot when you try to uninstall the VGA card.
To install the VGA card:
Please align the VGA card with the PCI Ex-
press x16 slot and press down on the card.
Make sure the VGA card is locked by the
small white drawable bar.
The motherboard includes a PCIE_12V power connector, which provides
extra power to the onboard PCI Express x16 slot. When installing two
graphics cards, please connect the power cable from the power supply to
this connector.

Hardware Installation- 17 -
English
1-6 Setup of an SLI (Scalable Link Interface) Configuration
Before you begin--
The NVIDIA nForce 570-SLI chipset offers blistering graphics performance with the ability to bridge two
NVIDIA SLI-ready PCI ExpressTM graphics cards! The SLI design takes advantage of the increased
bandwidth of the PCI ExpressTM bus architecture, features hardware and software innovations within
NVIDIA GPU (graphics processing unit) and the NVIDIA nForce 570-SLI chipset. Together, the NVIDIA
SLI technologies work seamlessly to allow two graphics cards to operate in parallel and share the work
and deliver heart-pounding PC performance. This section provides instructions on configuring an SLI
system.
The exact power requirements will depend on your overall system configurations. You need
a power supply that can provide sufficient and stable power to your system and the two SLI
graphics cards. Please refer to the table below to see recommended power for different
systems.
To enable the SLI function, install two SLI-ready graphics cards into the PCIE_16_1 and PCIE_16_2
slots. (It is recommended to use graphics cards of identical brand and chips. For example: GIGABYTE
GV-NX76T256D-RH.)
To set up a single graphics card system, we recommend installing the graphics card on the PCIE_16_1
slot to ensure better display performance.

GA-M57SLI-S4 Motherboard - 18 -
English
place this part on the top of
the bridge connector.
retention bracket
Gold edge connector on the top
of graphics card
Female slots on the bridge
connector
Connecting Two Graphics Cards:
Step 1: Observe the steps in "1-5 Installing an Expansion Card"
and install two SLI-ready graphics cards of the same
model on the PCIE_16_1 and PCIE_16_2 slots.
Step 2: Insert the SLI bridge (the GC-DGBR2-RH) in the SLI gold
edge connectors on top of both cards. Make sure the
two mini female slots on the bridge connector securely
fit onto the SLI gold edge connetors of both cards.
Step 3: In order to securely fix the bridge connector beween the
two cards, you must install the retention bracket in-
cluded with the motherboard and secure the retention
bracket to the chassis back panel with a screw.
Step 4: Plug the display cable into the graphics card on the
PCIE_16_1 slot(Note).
(Note) To enable the SLI function, you must plug the display cable into the graphics card on the
PCIE_16_1 slot.

Hardware Installation- 19 -
English
Note: The SLI configuration screen may differ by driver version. Refer to the user's manual that came
with your graphics card for more information about enabing SLI mode.
Configuring the Graphics Card Driver:
Step 1: After installing graphics card driver in operating system,
right-click the NVIDIA icon in your system tray and then
select NVIDIA Display. The NVIDIA control panel will
appear.
Step 2: Select SLI multi-GPU in the side menu and then
select the Enable SLI multi-GPU checkbox in the SLI
multi-GPU dialog box. System will restart after you
click Apply. Then the SLI configuration is completed.

GA-M57SLI-S4 Motherboard - 20 -
English
1-7 I/O Back Panel Introduction
PS/2 Keyboard and PS/2 Mouse Port
Use the upper port (green) to connect a PS/2 mouse and the lower port (purple) to connect a PS/2
keyboard.
Parallel Port
Use the parallel port to connect devices such as a printer, scanner and etc. The parallel port is also
called a printer port.
Coaxial S/PDIF Out Connector
This connector provides digital audio out to an external audio system that supports digital coaxial audio.
Before using this feature, ensure that your audio system provides a coaxial digital audio in connector.
Optical S/PDIF Out Connector
This connector provides digital audio out to an external audio system that supports digital optical
audio. Before using this feature, ensure that your audio system provides an optical digital audio in
connector.
Serial Port
Use the serial port to connect devices such as a mouse, modem or other peripherals.
IEEE 1394a Port
The IEEE 1394 port supports the IEEE 1394a specification, featuring high speed, high bandwidth
and hotplug capabilities. Use this port for an IEEE 1394a device.
USB port
The USB port supports the USB 2.0/1.1 specification. Use this port for USB devices such as an
USB keyboard/mouse, USB printer, USB flash drive and etc.
RJ-45 LAN Port
The Gigabit Ethernet LAN port provides Internet connection at up to 1 Gbps data rate. The following
describes the states of the LAN port LEDs.
Connection/
Activity LEDSpeed LED
LAN Port
Connection/Activity LED:Speed LED:
State Description
Orange 1 Gpbs data rate
Green 100 Mpbs data rate
Off 10 Mpbs data rate
State Description
Blinking Data transmission or receiving is occurring
On
No data transmission or receiving
is occurring
Off LAN link is not established

Hardware Installation- 21 -
English
Center/Subwoofer Speaker Out Jack (Orange)
Use this audio jack to connect center/subwoofer speakers in a 6/8-channel audio configuration.
Rear Speaker Out Jack (Black)
Use this audio jack to connect rear speakers in a 4/6/8-channel audio configuration.
Side Speaker Out Jack (Gray)
Use this audio jack to connect side speakers in a 8-channel audio configuration.
Line In Jack (Blue)
The default line in jack. Use this audio jack for line in devices such as an optical drive, walkman, etc.
Line Out Jack (Green)
The default line out jack. Use this audio jack for a headphone or 2-channel speaker. This jack can
be used to connect front speakers in a 4/6/8-channel audio configuration.
Mic In Jack (Pink)
The default Mic in jack. Microphones must be connected to this jack.
In addition to the default speakers settings, the ~ audio jacks can be reconfigured to
perform different functions via the audio software. Only microphones still MUST be connected
to the default Mic In jack ( ). Please refer to the 2-/4-/6-/8- channel audio setup steps for
detailed software configuration information.

GA-M57SLI-S4 Motherboard - 22 -
English
1-8 Connectors Introduction
7
16
19
9
2
14
5
13
12
1) ATX_12V
2) ATX (Power Connector)
3) PCIE_12V
4) CPU_FAN
5) SYS_FAN
6) PWR_FAN
7) FDD
8) IDE1
9) SATAII1 / 2 / 3 / 4 / 5 / 6
10) BATTERY
11) F_PANEL
12) PWR_LED
13) F_AUDIO
14) CD_IN
15) SPDIF_I
16) F_USB1 / F_USB2 / F_USB3
17) F1_1394 / F2_1394
18) CI
19) CLR_CMOS
3
8
9
11
15
17 18
10
4
16

Hardware Installation- 23 -
English
Pin No. Definition
1 GND
2 GND
3 +12V
4 +12V
1/2) ATX_12V / ATX (Power Connector)
With the use of the power connector, the power supply can supply enough stable power to all the
components on the motherboard. Before connecting the power connector, please make sure that
all components and devices are properly installed. Align the power connector with its proper
location on the motherboard and connect tightly.
The ATX_12V power connector mainly supplies power to the CPU. If the ATX_12V power connec-
tor is not connected, the system will not start.
Caution!
Please use a power supply that is able to handle the system voltage requirements. It is recom-
mended that a power supply that can withstand high power consumption be used (400W or
greater). If a power supply is used that does not provide the required power, the result can lead
to an unstable system or a system that is unable to start.
If you use a 24-pin ATX power supply, please remove the small cover on the power connector on
the motherboard before plugging in the power cord; otherwise, please do not remove it.
131
24
12 Pin No. Definition
13 3.3V
14 -12V
15 GND
16 PS_ON(soft On/Off)
17 GND
18 GND
19 GND
20 -5V
21 +5V
22 +5V
23 +5V (Only for 24-pin ATX)
24 GND(Only for 24-pin ATX)
Pin No. Definition
1 3.3V
2 3.3V
3 GND
4 +5V
5 GND
6 +5V
7 GND
8 Power Good
9 5V SB(stand by +5V)
10 +12V
11 +12V(Only for 24-pin ATX)
12 3.3V(Only for 24-pin ATX)
ATX
ATX_12V
43
21

GA-M57SLI-S4 Motherboard - 24 -
English
4/5/6) CPU_FAN / SYS_FAN / PWR_FAN (Cooler Fan Power Connector)
The cooler fan power connector supplies a +12V power voltage via a 3-pin/4-pin (only for
CPU_FAN) power connector and possesses a foolproof connection design.
Most coolers are designed with color-coded power connector wires. A red power connector wire
indicates a positive connection and requires a +12V power voltage. The black connector wire is
the ground wire (GND).
Remember to connect the CPU/system/power fan cable to the CPU_FAN/SYS_FAN/PWR_FAN
connector to prevent CPU damage or system hanging caused by overheating.
1PIin No. Definition
1NC
2 GND
3 GND
4 +12V
1
CPU_FAN
1
SYS_FAN
1
PWR_FAN
Pin No. Definition
1 GND
2 +12V / Speed Control
3 Sense
4 Speed Control
CPU_FAN :
Pin No. Definition
1 GND
2 +12V
3 Sense
SYS_FAN / PWR_FAN :
3) PCIE_12V (Power Connector)
This power connector provides extra power to the onboard PCI Express x16 slot. When installing
two graphics cards, please connect the power cable from the power supply to this connector, or
system instability may occur.

Hardware Installation- 25 -
English
7) FDD (FDD Connector)
The FDD connector is used to connect the FDD cable while the other end of the cable connects to
the FDD drive. The types of FDD drives supported are: 360 KB, 720 KB, 1.2 MB, 1.44 MB and
2.88 MB. Before attaching the FDD cable, please take note of the foolproof groove in the FDD
connector.
234
133
8) IDE1 (IDE Connector)
An IDE device connects to the computer via an IDE connector. One IDE connector can connect to one
IDE cable, and the single IDE cable can then connect to two IDE devices (hard drive or optical drive).
If you wish to connect two IDE devices, please set the jumper on one IDE device as Master and the
other as Slave (for information on settings, please refer to the instructions located on the IDE device).
Before attaching the IDE cable, please take note of the foolproof groove in the IDE connector.
2
40
1
39

GA-M57SLI-S4 Motherboard - 26 -
English
Pin No. Definition
1 GND
2 TXP
3 TXN
4 GND
5 RXN
6 RXP
7 GND
9) SATAII1 / 2 / 3 / 4 / 5 / 6 (SATA 3Gb/s Connectors, Controlled by nForce 570-SLI)
SATA 3Gb/s can provide up to 300 MB/s transfer rate. Please refer to the BIOS setting for the SATA
3Gb/s and install the proper driver in order to work properly.
17
1
7
10) BATTERY
Danger of explosion if battery is incorrectly replaced.
Replace only with the same or equivalent type recommended
by the manufacturer.
Dispose of used batteries according to the manufacturer's
instructions.
If you want to erase CMOS...
1. Turn off the computer and unplug the power cord.
2. Gently take out the battery and put it aside for about one minute.
(Or you can use a metal object to connect the positive and
negative pins in the battery holder to make them short for five
seconds.)
3. Re-install the battery.
4. Plug the power cord in and turn on the computer.
SATAII6
SATAII5
SATAII4
SATAII1
SATAII2
SATAII3

Hardware Installation- 27 -
English
11) F_PANEL (Front Panel Jumper)
Please connect the power LED, PC speaker, reset switch and power switch etc. of your chassis
front panel to the F_PANEL connector according to the pin assignment below.
1
219
20
HD-
HD+
RES+
RES-
NC
IDE Hard Disk Active LED
Reset Switch
SPEAK-
MSG-MSG+
PW- PW+
Message LED/
Power/
Sleep LED
Speaker Connector
SPEAK+
Power
Switch
MSG (Message LED/Power/Sleep LED) Pin 1: LED anode(+)
(Yellow) Pin 2: LED cathode(-)
PW (Power Switch) Open: Normal
(Red) Close: Power On/Off
SPEAK (Speaker Connector) Pin 1: Power
(Amber) Pin 2- Pin 3: NC
Pin 4: Data(-)
HD (IDE Hard Disk Active LED) Pin 1: LED anode(+)
(Blue) Pin 2: LED cathode(-)
RES (Reset Switch) Open: Normal
(Green) Close: Reset Hardware System
NC ( Purple) NC

GA-M57SLI-S4 Motherboard - 28 -
English
12) PWR_LED
The PWR_LED connector is connected with the system power indicator to indicate whether the
system is on/off. It will blink when the system enters suspend mode(S1).
Pin No. Definition
1 MPD+
2 MPD-
3 MPD-
1
13) F_AUDIO (Front Audio Connector)
This connector supports either HD (High Definition) or AC97 front panel audio module. If you wish
to use the front audio function, connect the front panel audio module to this connector. Check the pin
assignments carefully while you connect the front panel audio module. Incorrect connection
between the module and connector will make the audio device unable to work or even damage it.
For optional front panel audio module, please contact your chassis manufacturer.
1
2
910
By default, the audio driver is configured to support HD Audio. To connect an AC97 front panel
audio module to this connector, please refer to the instructions on page 80 about the software
settings.
Pin No. Definition
1 MIC
2 GND
3 MIC Power
4NC
5 Line Out (R)
6NC
7NC
8 No Pin
9 Line Out (L)
10 NC
AC'97 Audio:
Pin No. Definition
1 MIC2_L
2 GND
3 MIC2_R
4 -ACZ_DET
5 LINE2_R
6 FSENSE1
7 FAUDIO_JD
8 No Pin
9 LINE2_L
10 FSENSE2
HD Audio:

Hardware Installation- 29 -
English
14) CD_IN (CD In Connector, black)
Connect CD-ROM or DVD-ROM audio out to the connector.
Pin No. Definition
1 CD-L
2 GND
3 GND
4 CD-R
1
15) SPDIF_I (S/PDIF In Connector, red)
Use S/PDIF In feature only when your device has digital output function. Be careful with the polarity
of the SPDIF_I connector. Check the pin assignment carefully while you connect the S/PDIF cable,
incorrect connection between the cable and connector will make the device unable to work or even
damage it. For optional S/PDIF cable, please contact your local dealer.
Pin No. Definition
1 Power
2 SPDIFI
3 GND
1

GA-M57SLI-S4 Motherboard - 30 -
English
16) F_ USB1 / F_USB2 / F_USB3 (Front USB Connector)
Be careful with the polarity of the front USB connector. Check the pin assignment carefully while
you connect the front USB cable, incorrect connection between the cable and connector will make
the device unable to work or even damage it. For optional front USB cable, please contact your
local dealer.
19
210
17) F1_1394 / F2_1394 (Front IEEE 1394a Connector)
Serial interface standard set by Institute of Electrical and Electronics Engineers, which has features
like high speed, high bandwidth and hot plug. Be careful with the polarity of the IEEE 1394
connector. Check the pin assignment carefully while you connect the IEEE 1394 cable, incorrect
connection between the cable and connector will make the device unable to work or even damage
it. For optional IEEE 1394 cable, please contact your local dealer.
Pin No. Definition
1 Power (5V)
2 Power (5V)
3 USB DX-
4 USB Dy-
5 USB DX+
6 USB Dy+
7 GND
8 GND
9 No Pin
10 NC
Pin No. Definition
1TPA+
2TPA-
3 GND
4 GND
5 TPB+
6 TPB-
7 Power (12V)
8 Power (12V)
9 No Pin
10 GND
12
910

Hardware Installation- 31 -
English
Open: Normal
Short: Clear CMOS
19) CLR_CMOS (Clear CMOS)
You may clear the CMOS data to its default values by this header. To clear CMOS, temporarily
short the two pins. Default doesn't include the jumper to avoid improper use of this header.
18) CI (Chassis Intrusion, Case Open)
This 2-pin connector allows your system to detect if the chassis cover is removed. You can check
the "Case Opened" status in BIOS Setup.
Pin No. Definition
1 Signal
2 GND
1

GA-M57SLI-S4 Motherboard - 32 -
English

BIOS Setup- 33 -
English
BIOS (Basic Input and Output System) includes a CMOS SETUP utility which allows user to configure
required settings or to activate certain system features.
The CMOS SETUP saves the configuration in the CMOS SRAM of the motherboard.
When the power is turned off, the battery on the motherboard supplies the necessary power to the CMOS
SRAM.
When the power is turned on, pressing the <Del> button during the BIOS POST (Power-On Self Test) will
take you to the CMOS SETUP screen. You can enter the BIOS setup screen by pressing "Ctrl + F1".
If you wish to upgrade to a new BIOS, either Gigabyte's Q-Flash or @BIOS utility can be used.
Q-Flash allows the user to quickly and easily update or backup BIOS without entering the operating
system.
@BIOS is a Windows-based utility that does not require users to boot to DOS before upgrading BIOS but
directly download and update BIOS from the Internet.
CONTROL KEYS
<>< >< >< > Move to select item
<Enter> Select Item
<Esc> Main Menu - Quit and not save changes into CMOS Status Page Setup Menu
and Option Page Setup Menu - Exit current page and return to Main Menu
<Page Up> Increase the numeric value or make changes
<Page Down> Decrease the numeric value or make changes
<F1> General help, only for Status Page Setup Menu and Option Page Setup Menu
<F2> Item Help
<F5> Restore the previous CMOS value from CMOS, only for Option Page Setup
Menu
<F6> Load the fail-safe default CMOS value from BIOS default table
<F7> Load the Optimized Defaults
<F8> Q-Flash utility
<F9> System Information
<F10> Save all the CMOS changes, only for Main Menu
<F11> Save CMOS to BIOS - CMOS Profiles
<F12> Load CMOS from BIOS - CMOS Profiles
Main Menu
The on-line description of the highlighted setup function is displayed at the bottom of the screen.
Status Page Setup Menu / Option Page Setup Menu
Press <F1> to pop up a small help window that describes the appropriate keys to use and the possible
selections for the highlighted item. To exit the Help Window press <Esc>.
Chapter 2 BIOS Setup
Because BIOS flashing is potentially risky, please do it with caution and avoid inadequate
operation that may result in system malfunction.

GA-M57SLI-S4 Motherboard - 34 -
English
The Main Menu (For example: BIOS Ver. : FAa)
Once you enter Award BIOS CMOS Setup Utility, the Main Menu (as figure below) will appear on the
screen. Use arrow keys to select among the items and press <Enter> to accept or enter the sub-menu.
CMOS Setup Utility-Copyright (C) 1984-2007 Award Software
Standard CMOS Features
Advanced BIOS Features
Integrated Peripherals
Power Management Setup
PnP/PCI Configurations
PC Health Status
MB Intelligent Tweaker(M.I.T.)
Load Fail-Safe Defaults
Load Optimized Defaults
Set Supervisor Password
Set User Password
Save & Exit Setup
Exit Without Saving
Esc: Quit : Select Item F11: Save CMOS to BIOS
F8: Q-Flash F10: Save & Exit Setup F12: Load CMOS from BIOS
Time, Date, Hard Disk Type...
1. If you don’t find the settings you want, press "Ctrl+F1" to access advanced options.
2. Select the Load Optimized Defaults item in the BIOS Setup when somehow the system
is not stable as usual. This action makes the system reset to the default settings for stability.
3. The BIOS Setup menus described in this chapter are for reference only and may differ from
the exact settings for your motherboard.
Startup Screen:
<TAB> : POST Screen
Press the TAB key to show the BIOS POST screen.
(To show the BIOS POST screen at system startup, refer to the instructions on the Full Screen LOGO Show item on page 39.)
<DEL> : BIOS Setup/Q-Flash
Press the Delete key to enter BIOS Setup or to access the Q-Flash utility in BIOS Setup.
<F9> : Xpress Recovery2
Press the F9 key to enter the Xpress Recovery2 screen.
<F12> : Boot Menu
Press the F12 key to enter Boot Menu to select the first boot device.
<END> : Qflash
Press the End key to access the Q-Flash utility directly without having to enter BIOS Setup first.
<TAB>:POST Screen <DEL>:BIOS Setup/Q-Flash <F9>:XpressRecovery2 <F12>:Boot Menu <END>:Qflash

BIOS Setup- 35 -
English
Standard CMOS Features
This setup page includes all the items in standard compatible BIOS.
Advanced BIOS Features
This setup page includes all the items of Award special enhanced features.
Integrated Peripherals
This setup page includes all onboard peripherals.
Power Management Setup
This setup page includes all the items of Green function features.
PnP/PCI Configuration
This setup page includes all the configurations of PCI & PnP ISA resources.
PC Health Status
This setup page is about system autodetect temperature, voltage, fan speed, etc.
MB Intelligent Tweaker(M.I.T.)
This setup page is to control CPU clock and frequency ratio.
Load Fail-Safe Defaults
Fail-Safe Defaults indicates the value of the system parameters which the system would be in safe
configuration.
Load Optimized Defaults
Optimized Defaults indicates the value of the system parameters which the system would be in
best performance configuration.
Set Supervisor Password
Change, set, or disable password. It allows you to limit access to the system and Setup, or just
to Setup.
Set User Password
Change, set, or disable password. It allows you to limit access to the system.
Save & Exit Setup
Save CMOS value settings to CMOS and exit setup.
Exit Without Saving
Abandon all CMOS value changes and exit setup.
BIOS Setting Recovery
F11 : Save CMOS to BIOS
This function allows you to make a record of the current CMOS settings as a profile.
You can create up to 8 profiles (Profile 1-8) and give each of them a name.
F12 : Load CMOS from BIOS
If your system becomes unstable and you load the default BIOS settings, you can use this function
to reload the CMOS settings with a CMOS settings profile created before, without the hassles of
resetting the CMOS configurations.

GA-M57SLI-S4 Motherboard - 36 -
English
2-1 Standard CMOS Features
Date
The date format is <week>, <month>, <day>, <year>.
Week The week, from Sun to Sat, determined by the BIOS and is display-only
Month The month, Jan. Through Dec.
Day The day, from 1 to 31 (or the maximum allowed in the month)
Year The year, from 2000 through 2099
Time
The times format in <hour> <minute> <second>. The time is calculated based on the 24-hour
military-time clock. For example, 1 p.m. is 13:0:0.
IDE Channel 0 Master/Slave
IDE HDD Auto-Detection Press "Enter" to select this option for automatic device detection.
IDE Channel 0 Master/Slave devices setup. You can use one of the three methods:
• Auto Allows BIOS to automatically detect SATA/IDE devices during POST(default)
• None Select this if no SATA/IDE devices are used and the system will skip the
automatic detection step and allow for faster system start up.
• Manual User can manually input the correct settings.
Access Mode Use this to set the access mode for the hard drive. The four options are:
CHS/LBA/Large/Auto(default:Auto)
IDE Channel 2/3/4/5/6/7 Master
IDE HDD Auto-Detection Press "Enter" to select this option for automatic device detection.
Extended IDE Drive You can use one of the two methods:
• Auto Allows BIOS to automatically detect SATA/IDE devices during POST(default)
• None Select this if no SATA/IDE devices are used and the system will skip the
automatic detection step and allow for faster system start up.
Access Mode Use this to set the access mode for the hard drive. The two options are:
Large/Auto(default:Auto)
CMOS Setup Utility-Copyright (C) 1984-2007 Award Software
Standard CMOS Features
Date (mm:dd:yy) Thu, Mar 29 2007
Time (hh:mm:ss) 22:31:24
IDE Channel 0 Master [None]
IDE Channel 0 Slave [None]
IDE Channel 2 Master [None]
IDE Channel 3 Master [None]
IDE Channel 4 Master [None]
IDE Channel 5 Master [None]
IDE Channel 6 Master [None]
IDE Channel 7 Master [None]
Drive A [1.44M, 3.5"]
Drive B [None]
Floppy 3 Mode Support [Disabled]
Halt On [All, But Keyboard]
Base Memory 640K
Extended Memory 511M
: Move Enter: Select +/-/PU/PD: Value F10: Save ESC: Exit F1: General Help
F5: Previous Values F6: Fail-Safe Defaults F7: Optimized Defaults
Item Help
Menu Level

BIOS Setup- 37 -
English
Capacity Capacity of currently installed hard drive.
Hard drive information should be labeled on the outside drive casing. Enter the appropriate option
based on this information.
Cylinder Number of cylinders
Head Number of heads
Precomp Write precomp
Landing Zone Landing zone
Sector Number of sectors
Drive A / Drive B
The category identifies the types of floppy disk drive A or drive B that has been installed in the
computer.
None No floppy drive installed.
360K, 5.25" 5.25 inch PC-type standard drive; 360 KB capacity.
1.2M, 5.25" 5.25 inch AT-type high-density drive; 1.2 MB capacity
(3.5 inch when 3 Mode is Enabled).
720K, 3.5" 3.5 inch double-sided drive; 720 KB capacity
1.44M, 3.5" 3.5 inch double-sided drive; 1.44 MB capacity. (Default value)
2.88M, 3.5" 3.5 inch double-sided drive; 2.88 MB capacity.
Floppy 3 Mode Support (for Japan Area)
Disabled Normal Floppy Drive. (Default value)
Drive A Drive A is 3 mode Floppy Drive.
Drive B Drive B is 3 mode Floppy Drive.
Both Drive A & B are 3 mode Floppy Drives.
Halt on
The category determines whether the computer will stop if an error is detected during power up.
No Errors The system boot will not stop for any error that may be detected and you
will be prompted.
All Errors Whenever the BIOS detects a non-fatal error the system will be stopped.
All, But Keyboard The system boot will not stop for a keyboard error; it will stop for all other
errors. (Default value)
All, But Diskette The system boot will not stop for a disk error; it will stop for all other errors.
All, But Disk/Key The system boot will not stop for a keyboard or disk error; it will stop for all
other errors.
Memory
The category is display-only which is determined by POST (Power On Self Test) of the BIOS.
Base Memory
The POST of the BIOS will determine the amount of base (or conventional) memory installed in the
system.
The value of the base memory is typically 512 KB for systems with 512 KB memory installed on
the motherboard, or 640 KB for systems with 640 KB or more memory installed on the motherboard.
Extended Memory
The BIOS determines how much extended memory is present during the POST.
This is the amount of memory located above 1 MB in the CPU's memory address map.

GA-M57SLI-S4 Motherboard - 38 -
English
2-2 Advanced BIOS Features
AMD K8 Cool&Quiet control
Auto AMD Cool'n'Quiet driver manages clock and VID to best serve the thermal,
performance and power requirements. (Default value)
Disabled Disable this function.
Hard Disk Boot Priority
Select boot sequence for onboard(or add-on cards) SCSI, RAID, etc.
Use < > or < > to select a device, then press<+> to move it up, or <-> to move it down the list.
Press <ESC> to exit this menu.
First / Second / Third Boot Device
Floppy Select your boot device priority by Floppy.
LS120 Select your boot device priority by LS120.
Hard Disk Select your boot device priority by Hard Disk.
CDROM Select your boot device priority by CDROM.
ZIP Select your boot device priority by ZIP.
USB-FDD Select your boot device priority by USB-FDD.
USB-ZIP Select your boot device priority by USB-ZIP.
USB-CDROM Select your boot device priority by USB-CDROM.
USB-HDD Select your boot device priority by USB-HDD.
Legacy LAN Select your boot device priority by LAN.
Disabled Disable this function.
CMOS Setup Utility-Copyright (C) 1984-2007 Award Software
Advanced BIOS Features
AMD K8 Cool&Quiet control [Auto]
Hard Disk Boot Priority [Press Enter]
First Boot Device [Floppy]
Second Boot Device [Hard Disk]
Third Boot Device [CDROM]
Boot Up Floppy Seek [Disabled]
Password Check [Setup]
HDD S.M.A.R.T. Capability [Disabled]
Away Mode [Disabled]
Full Screen LOGO Show [Enabled]
Init Display First [PEG]
: Move Enter: Select +/-/PU/PD: Value F10: Save ESC: Exit F1: General Help
F5: Previous Values F6: Fail-Safe Defaults F7: Optimized Defaults
Item Help
Menu Level

BIOS Setup- 39 -
English
Boot Up Floppy Seek
During POST, BIOS will determine the floppy disk drive installed is 40 or 80 tracks. 360 KB type
is 40 tracks, 720 KB, 1.2 MB and 1.44 MB are all 80 tracks.
Enabled BIOS searches for floppy disk drive to determine it is 40 or 80 tracks. Note that
BIOS can not tell from 720 KB, 1.2 MB or 1.44 MB drive type as they are all 80
tracks.
Disabled BIOS will not search for the type of floppy disk drive by track number. Note that
there will not be any warning message if the drive installed is 360 KB.
(Default value)
Password Check
System The system can not boot and can not access to Setup page will be denied if the
correct password is not entered at the prompt.
Setup The system will boot, but access to Setup will be denied if the correct password
is not entered at the prompt. (Default value)
HDD S.M.A.R.T. Capability
This feature allows your hard disk to report read/write errors and to issue warnings when third-
party hardware monitor utility is installed.
Enabled Enable HDD S.M.A.R.T. capability.
Disabled Disable HDD S.M.A.R.T. capability. (Default value)
Away Mode
Disabled Disable this function. (Default value)
Enabled Enable Away Mode in Windows XP Media Center operating system.
(Away Mode: Enables the system to silently perform unattended tasks while in
a low-power mode that appears off.)
Full Screen LOGO Show
Enabled Show full screen logo at system startup. (Default value)
Disabled Disable this function. If you wish to see BIOS POST screen, set this item to
"Disabled".
Init Display First
This feature allows you to select the first initiation of the monitor display from which card when you
install a PCI VGA card and a PCI Express VGA card on the motherboard.
PCI Slot Set Init Display First to PCI VGA card.
PEG Set Init Display First to PCI Express VGA card (the PCIE_16_1 slot). (Default value)
PEG (Slot2) Set Init Display First to PCI Express VGA card (the PCIE_16_2 slot).

GA-M57SLI-S4 Motherboard - 40 -
English
2-3 Integrated Peripherals
Serial-ATA RAID Config
CMOS Setup Utility-Copyright (C) 1984-2007 Award Software
Serial-ATA RAID Config
Item Help
Menu Level
NV SATA RAID function [Disabled]
x NV SATA 1 Primary RAID Enabled
x NV SATA 1 Secondary RAID Enabled
x NV SATA 2 Primary RAID Enabled
x NV SATA 2 Secondary RAID Enabled
x NV SATA 3 Primary RAID Enabled
x NV SATA 3 Secondary RAID Enabled
: Move Enter: Select +/-/PU/PD: Value F10: Save ESC: Exit F1: General Help
F5: Previous Values F6: Fail-Safe Defaults F7: Optimized Defaults
CMOS Setup Utility-Copyright (C) 1984-2007 Award Software
Integrated Peripherals
Serial-ATA RAID Config [Press Enter]
On-Chip IDE Channel0 [Enabled]
On-Chip MAC Lan [Auto]
NV Serial-ATA Controller [All Enabled]
IDE Prefetch Mode [Enabled]
Onboard Audio Function [Auto]
SMART LAN [Press Enter]
Onboard 1394 [Enabled]
Onboard LAN Boot ROM [Disabled]
Onboard Serial Port 1 [3F8/IRQ4]
Onboard Parallel Port [378/IRQ7]
Parallel Port Mode [SPP]
x ECP Mode Use DMA 3
On-Chip USB [V1.1+V2.0]
USB Keyboard Support [Disabled]
USB Mouse Support [Disabled]
Legacy USB storage detect [Enabled]
: Move Enter: Select +/-/PU/PD: Value F10: Save ESC: Exit F1: General Help
F5: Previous Values F6: Fail-Safe Defaults F7: Optimized Defaults
Item Help
Menu Level
NV SATA RAID function
Enabled Allows users to configure individual SATA channels as RAID or ATA mode.
Disabled Disable the RAID function for all of the onboard SATA channels. (Default value)
NV SATA 1 Primary RAID
Enabled Enable RAID function for the first channel of the first SATA controller. (Default value)
Disabled Disable the RAID function of this channel. It will operate in ATA mode.
NV SATA 1 Secondary RAID
Enabled Enable RAID function for the second channel of the first SATA controller. (Default value)
Disabled Disable the RAID function of this channel. It will operate in ATA mode.
NV SATA 2 Primary RAID
Enabled Enable RAID function for the first channel of the second SATA controller. (Default value)
Disabled Disable the RAID function of this channel. It will operate in ATA mode.

BIOS Setup- 41 -
English
NV SATA 2 Secondary RAID
Enabled Enable RAID function for the second channel of the second SATA controller. (Default value)
Disabled Disable the RAID function of this channel. It will operate in ATA mode.
NV SATA 3 Primary RAID
Enabled Enable RAID function for the first channel of the third SATA controller. (Default value)
Disabled Disable the RAID function of this channel. It will operate in ATA mode.
NV SATA 3 Secondary RAID
Enabled Enable RAID function for the second channel of the third SATA controller. (Default value)
Disabled Disable the RAID function of this channel. It will operate in ATA mode.
On-Chip IDE Channel0
Enabled Enable onboard first channel IDE port. (Default value)
Disabled Disable onboard first channel IDE port.
On-Chip MAC LAN
Disabled Disable the LAN controller built-in core chipset.
Auto Enable the LAN controller built-in core chipset. (Default value)
NV Serial-ATA Controller
Disabled Disable all the 3 SATA controllers.
SATA-1 Enable the first SATA controller only.
SATA-1+2 Enable the first and the second SATA controller.
All Enabled Enable all the 3 SATA controllers. (Default value)
IDE Prefetch Mode
Enabled Enable IDE data buffer to enhance HDD transfer speed. (Default value)
Disabled Disable IDE data buffer for the system stability.
Onboard Audio Function
Auto Auto-detect onboard audio function. (Default value)
Disabled Disable this function.
SMART LAN
CMOS Setup Utility-Copyright (C) 1984-2007 Award Software
SMART LAN
Item Help
Menu Level
Start detecting at Port.....
Pair1-2 Status = Normal / Length = N/A
Pair3-6 Status = Normal / Length = N/A
Pair4-5 Status = Normal / Length = N/A
Pair7-8 Status = Normal / Length = N/A
: Move Enter: Select +/-/PU/PD: Value F10: Save ESC: Exit F1: General Help
F5: Previous Values F6: Fail-Safe Defaults F7: Optimized Defaults
This motherboard incorporates cable diagnostic feature designed to detect the status of the attached LAN
cable. This feature will detect cabling issue and report the approximate distance to the fault or short.
Refer to the following information for diagnosing your LAN cable:

GA-M57SLI-S4 Motherboard - 42 -
English
Onboard 1394
Enabled Enable onboard IEEE 1394 function. (Default value)
Disabled Disable onboard IEEE 1394 function.
Onboard LAN Boot ROM
This function decide whether to invoke the boot ROM of the onboard LAN chip.
Enabled Enable this function.
Disabled Disable this function. (Default value)
Onboard Serial Port 1
Auto BIOS will automatically setup the port 1 address.
3F8/IRQ4 Enable onboard Serial port 1 and address is 3F8/IRQ4. (Default value)
2F8/IRQ3 Enable onboard Serial port 1 and address is 2F8/IRQ3.
3E8/IRQ4 Enable onboard Serial port 1 and address is 3E8/IRQ4.
2E8/IRQ3 Enable onboard Serial port 1 and address is 2E8/IRQ3.
Disabled Disable onboard Serial port 1.
Onboard Parallel Port
Disabled Disable onboard LPT port.
378/IRQ7 Enable onboard LPT port and address is 378/IRQ7. (Default value)
278/IRQ5 Enable onboard LPT port and address is 278/IRQ5.
3BC/IRQ7 Enable onboard LPT port and address is 3BC/IRQ7.
Parallel Port Mode
SPP Using Parallel port as Standard Parallel Port. (Default value)
EPP Using Parallel port as Enhanced Parallel Port.
ECP Using Parallel port as Extended Capabilities Port.
ECP+EPP Using Parallel port as ECP and EPP mode.
When LAN Cable Is Functioning Normally...
1. If no cable problem is detected on the LAN cable connected to a Gigabit hub, the Status fields
of Pair 1-2, Pair 3-6, Pair 4-5, and Pair 7-8 will show Normal and the Length fields will show
N/A, as shown in the figure above.
2. If no cable problem is detected on the LAN cable connected to a 10/100 Mbps hub, the Status
fields of Pair 1-2 and Pair 3-6 will show Normal and the Length fields will show N/A.
However, because Pair 4-5 and Pair 7-8 are not used in a 10/100 Mbps environment, their
Status fields will show Short or Open, and the length shown is the approximate length of the
attached LAN cable.
When a Cable Problem Occurs...
If a cable problem occurs on a specified pair of wires, the Status field will show Short or Open
and the length shown will be the approximate distance to the fault or short.
For example, if it shows Pair1-2 Status = Short / Length = 1.6m,
it means that a fault or short might occur at about 1.6m on Pair 1-2.
When No LAN Cable Is Attached...
If no LAN cable is attached to the motherboard, the Status fields of all four pairs of wires will show
Open and the Length fields show 0.0m.

BIOS Setup- 43 -
English
ECP Mode Use DMA
This item will become available when Parallel Port Mode set to ECP or ECP+EPP.
3 Set ECP Mode Use DMA to 3. (Default value)
1 Set ECP Mode Use DMA to 1.
On-Chip USB
V1.1+V2.0 Enable USB 1.1 and USB 2.0 controllers. (Default value)
V1.1 Enable only USB 1.1 controller
Disabled Disable onchip USB support.
USB Keyboard Support
Enabled Enable USB keyboard support.
Disabled Disable USB keyboard support. (Default value)
USB Mouse Support
Enabled Enable USB mouse support.
Disabled Disable USB mouse support. (Default value)
Legacy USB storage detect
This option allows users to decide whether to detect USB storage devices, including USB flash
drives and USB hard drives during POST.
Enabled BIOS will scan all USB storage devices. (Default value)
Disabled Disable this function.

GA-M57SLI-S4 Motherboard - 44 -
English
2-4 Power Management Setup
ACPI Suspend Type
S1(POS) Set ACPI suspend type to S1/POS(Power On Suspend). (Default value)
S3(STR) Set ACPI suspend type to S3/STR(Suspend To RAM).
Soft-Off by Power button
Instant-Off Press power button then Power off instantly. (Default value)
Delay 4 Sec. Press power button 4 sec. to Power off. Enter suspend if button is pressed
less than 4 sec.
PME Event Wake Up
This feature requires an ATX power supply that provides at least 1A on the 5VSB lead.
Disabled Disable this function.
Enabled Enable PME as wake up event. (Default value)
Modem Ring On
An incoming call via modem can awake the system from any suspend state.
Disabled Disable this function.
Enabled Enable Modem Ring On function. (Default value)
USB Resume from Suspend
Disabled Disable this function. (Default value)
Enabled Enable USB device wake up system from suspend mode.
CMOS Setup Utility-Copyright (C) 1984-2007 Award Software
Power Management Setup
ACPI Suspend Type [S1(POS)]
Soft-Off by Power button [Instant-Off]
PME Event Wake Up [Enabled]
Modem Ring On [Enabled]
USB Resume from Suspend [Disabled]
Power-On by Alarm [Disabled]
x Day of Month Alarm Everyday
x Time (hh:mm:ss) Alarm 0 : 0 : 0
HPET Support (Note) [Enabled]
Power On By Mouse [Disabled]
Power On By Keyboard [Disabled]
x KB Power ON Password Enter
AC BACK Function [Soft-Off]
: Move Enter: Select +/-/PU/PD: Value F10: Save ESC: Exit F1: General Help
F5: Previous Values F6: Fail-Safe Defaults F7: Optimized Defaults
Item Help
Menu Level
(Note) Supported on Windows® Vista® operating system only.

BIOS Setup- 45 -
English
Power-On by Alarm
You can set "Power-On by Alarm" item to Enabled and key in Date/Time to power on system.
Disabled Disable this function. (Default value)
Enabled Enable alarm function to POWER ON system.
If Power-On by Alarm is Enabled.
Day of Month Alarm : Everyday, 1~31
Time (hh: mm: ss) Alarm : (0~23) : (0~59) : (0~59)
HPET Support (Note)
Enabled Enable support for High Precision Event Timer (HPET) funtion. (Default value)
Disabled Disable this function.
Power On By Mouse
Disabled Disable this function. (Default value)
Double-Click Double click on PS/2 mouse left button to power on the system.
Power On By Keyboard
Disabled Disable this function. (Default value)
Password Enter from 1 to 5 characters to set the Keyboard Power On Password.
Any KEY Press any key to power on the system.
Keyboard 98 If your keyboard have "POWER Key" button, you can press the key to power
on the system.
KB Power ON Password
When "Power On by Keyboard" is set to Password, you can set the password here.
Enter Input password (from 1 to 5 characters) and press Enter to set the Keyboard
Power On password.
AC BACK Function
Soft-Off When AC-power back to the system, the system will be in "Off" state.
(Default value)
Full-On When AC-power back to the system, the system always in "On" state.
(Note) Supported on Windows® Vista® operating system only.

GA-M57SLI-S4 Motherboard - 46 -
English
2-5 PnP/PCI Configurations
PCI 2 IRQ Assignment
Auto Auto assign IRQ to PCI 2. (Default value)
3,4,5,7,9,10,11,12,14,15 Set IRQ 3,4,5,7,9,10,11,12,14,15 to PCI 2.
PCI 1 IRQ Assignment
Auto Auto assign IRQ to PCI 1. (Default value)
3,4,5,7,9,10,11,12,14,15 Set IRQ 3,4,5,7,9,10,11,12,14,15 to PCI 1.
CMOS Setup Utility-Copyright (C) 1984-2007 Award Software
PnP/PCI Configurations
PCI 2 IRQ Assignment [Auto]
PCI 1 IRQ Assignment [Auto]
: Move Enter: Select +/-/PU/PD: Value F10: Save ESC: Exit F1: General Help
F5: Previous Values F6: Fail-Safe Defaults F7: Optimized Defaults
Item Help
Menu Level

BIOS Setup- 47 -
English
2-6 PC Health Status
Reset Case Open Status
Disabled Don't reset case open status. (Default value)
Enabled Clear case open status at next boot.
Case Opened
If the case is closed, Case Opened will show "No."
If the case is opened, Case Opened will show "Yes."
If you want to reset Case Opened value, enable Reset Case Open Status and save the change
to CMOS, and then your computer will restart.
Current Voltage(V) Vcore / DDR2 1.8V / +3.3V / +12V
Detect system's voltage status automatically.
Current CPU Temperature
Detect CPU temperature automatically.
Current CPU/POWER/SYSTEM FAN Speed (RPM)
Detect CPU/power/system fan speed status automatically.
CPU Warning Temperature
60oC / 140oF Monitor CPU temperature at 60oC / 140oF.
70oC / 158oF Monitor CPU temperature at 70oC / 158oF.
80oC / 176oF Monitor CPU temperature at 80oC / 176oF.
90oC / 194oF Monitor CPU temperature at 90oC / 194oF.
Disabled Disable this function. (Default value)
CPU/POWER/SYSTEM FAN Fail Warning
Disabled Disable CPU/power/system fan fail warning function. (Default value)
Enabled Enable CPU/power/system fan fail warning function.
CMOS Setup Utility-Copyright (C) 1984-2007 Award Software
PC Health Status
Reset Case Open Status [Disabled]
Case Opened Yes
Vcore OK
DDR2 1.8V OK
+3.3V OK
+12V OK
Current CPU Temperature 45oC
Current CPU FAN Speed 3245 RPM
Current POWER FAN Speed 0 RPM
Current SYSTEM FAN Speed 0 RPM
CPU Warning Temperature [Disabled]
CPU FAN Fail Warning [Disabled]
POWER FAN Fail Warning [Disabled]
SYSTEM FAN Fail Warning [Disabled]
CPU Smart FAN Control (Note) [Enabled]
CPU Smart FAN Mode [Auto]
: Move Enter: Select +/-/PU/PD: Value F10: Save ESC: Exit F1: General Help
F5: Previous Values F6: Fail-Safe Defaults F7: Optimized Defaults
Item Help
Menu Level
(Note) Whether the CPU Smart FAN Control function is supported will depend on the CPU you install.

GA-M57SLI-S4 Motherboard - 48 -
English
CPU Smart FAN Control (Note)
Disabled Disable this function.
Enabled When this function is enabled, CPU fan will run at different speed depending on
CPU temperature. Users can adjust the fan speed with Easy Tune based on
their requirements. (Default value)
CPU Smart FAN Mode
This option is available only when CPU Smart FAN Control is enabled.
Auto BIOS autodetects the type of CPU fan you installed and sets the optimal CPU
Smart FAN control mode for it. (Default Value)
Voltage Set to Voltage when you use a CPU fan with a 3-pin fan power cable.
PWM Set to PWM when you use a CPU fan with a 4-pin fan power cable.
(Note) Whether the CPU Smart FAN Control function is supported will depend on the CPU you install.

BIOS Setup- 49 -
English
2-7 MB Intelligent Tweaker(M.I.T.)
Incorrectly doing overclock/overvoltage may result in damage to CPU, chipset, or memory
and reduce the useful life of these components. This page is for advanced users only and we
recommend you not to alter the default settings to prevent system instability or other unex-
pected results. (Inadequately altering the settings may result in system's failure to boot. If this
occurs, clear the CMOS values and reset the board to default values.)
CPU Frequency (MHz)
Allows you to manually set the CPU host frequency. Auto (default) allows BIOS to automatically
adjust the CPU host frequency.
Important It is highly recommended that the CPU frequency be set in accordance with the CPU
specifications.
PCIE Clock (MHz)
Allows you to manually set the PCIe clock frequency. The adjustable range is from 100 MHz to
200 MHz. Auto sets the PCIe clock frequency to standard 100 MHz. (Default: Auto)
CPU Clock Ratio
Allows you to alter the clock ratio for the installed CPU. The adjustable range is dependent on the
CPU being used.
Robust Graphics Booster
Select the options can enhance the VGA graphics card bandwidth to get higher performance.
Auto Set Robust Graphics Booster to Auto. (Default value)
Fast Set Robust Graphics Booster to Fast.
Turbo Set Robust Graphics Booster to Turbo.
CMOS Setup Utility-Copyright (C) 1984-2007 Award Software
MB Intelligent Tweaker(M.I.T.)
CPU Frequency (MHz) [Auto]
PCIE Clock (MHz) [Auto]
CPU Clock Ratio [Auto]
Robust Graphics Booster [Auto]
DDR2 Voltage Control [Normal]
Chipset/PCIE Voltage [Normal]
HT-Link Voltage [Normal]
CPU HT-Link Voltage [Normal]
CPU Voltage Control [Normal]
Normal CPU Vcore 1.4000V
: Move Enter: Select +/-/PU/PD: Value F10: Save ESC: Exit F1: General Help
F5: Previous Values F6: Fail-Safe Defaults F7: Optimized Defaults
Item Help
Menu Level

GA-M57SLI-S4 Motherboard - 50 -
English
DDR2 Voltage Control
Sets the voltage settings for the memory.
Normal Supply DDR2 voltage as DDR2 required. (Default value)
+0.025V ~ +0.700V Increase DDR2 voltage by 0.025V to 0.700V.
Chipset/PCIE Voltage
Sets the voltage settings for chipset and PCI Express bus.
Normal Supply chipset and PCIe voltage as chipset and PCIe required.
(Default value)
+0.025V ~ +0.375V Increase PCIe voltage by 0.025V to 0.375V.
HT-Link Voltage
Sets the voltage settings for HT-Link.
Normal Supply HT-Link voltage as HT-Link required. (Default value)
+0.025V ~ +0.375V Increase HT-Link voltage by 0.025V to 0.375V.
CPU HT-Link Voltage
Sets the voltage settings for the HT-Link between CPU and chipset.
Normal Supply CPU HT-Link voltage as CPU HT-Link required. (Default value)
+0.025V ~ +0.375V Increase CPU HT-Link voltage by 0.025V to 0.375V.
CPU Voltage Control
Allows you to set the CPU voltage. Normal sets the CPU voltage as required. The adjustable range
is dependent on the CPU being installed. (Default: Normal)
Note: Increasing CPU voltage may result in damage to your CPU or reduce the useful life of the
CPU.
Normal CPU Vcore
Displays the normal operating voltage of your CPU.

BIOS Setup- 51 -
English
2-8 Load Fail-Safe Defaults
CMOS Setup Utility-Copyright (C) 1984-2006 Award Software
Fail-Safe defaults contain the most appropriate values of the system parameters that allow minimum
system performance.
CMOS Setup Utility-Copyright (C) 1984-2007 Award Software
Standard CMOS Features
Advanced BIOS Features
Integrated Peripherals
Power Management Setup
PnP/PCI Configurations
PC Health Status
MB Intelligent Tweaker(M.I.T.)
Esc: Quit : Select Item F11: Save CMOS to BIOS
F8: Q-Flash F10: Save & Exit Setup F12: Load CMOS from BIOS
Load Fail-Safe Defaults
Load Fail-Safe Defaults
Load Optimized Defaults
Set Supervisor Password
Set User Password
Save & Exit Setup
Exit Without Saving
Load Fail-Safe Defaults (Y/N)? N
2-9 Load Optimized Defaults
Selecting this field loads the factory defaults for BIOS and Chipset Features which the system automati-
cally detects.
CMOS Setup Utility-Copyright (C) 1984-2007 Award Software
Standard CMOS Features
Advanced BIOS Features
Integrated Peripherals
Power Management Setup
PnP/PCI Configurations
PC Health Status
MB Intelligent Tweaker(M.I.T.)
Esc: Quit : Select Item F11: Save CMOS to BIOS
F8: Q-Flash F10: Save & Exit Setup F12: Load CMOS from BIOS
Load Optimized Defaults
Load Fail-Safe Defaults
Load Optimized Defaults
Set Supervisor Password
Set User Password
Save & Exit Setup
Exit Without Saving
Load Optimized Defaults (Y/N)? N

GA-M57SLI-S4 Motherboard - 52 -
English
2-10 Set Supervisor/User Password
When you select this function, the following message will appear at the center of the screen to assist
you in creating a password.
Type the password, up to eight characters, and press <Enter>. You will be asked to confirm the
password. Type the password again and press <Enter>. You may also press <Esc> to abort the
selection and not enter a password.
To disable password, just press <Enter> when you are prompted to enter password. A message
"PASSWORD DISABLED" will appear to confirm the password being disabled. Once the password is
disabled, the system will boot and you can enter Setup freely.
The BIOS Setup program allows you to specify two separate passwords:
SUPERVISOR PASSWORD and a USER PASSWORD. When disabled, anyone may access all BIOS
Setup program function. When enabled, the Supervisor password is required for entering the BIOS
Setup program and having full configuration fields, the User password is required to access only basic
items.
If you select "System" at "Password Check" in Advance BIOS Features Menu, you will be prompted
for the password every time the system is rebooted or any time you try to enter Setup Menu.
If you select "Setup" at "Password Check" in Advance BIOS Features Menu, you will be prompted only
when you try to enter Setup.
CMOS Setup Utility-Copyright (C) 1984-2007 Award Software
Standard CMOS Features
Advanced BIOS Features
Integrated Peripherals
Power Management Setup
PnP/PCI Configurations
PC Health Status
MB Intelligent Tweaker(M.I.T.)
Esc: Quit : Select Item F11: Save CMOS to BIOS
F8: Q-Flash F10: Save & Exit Setup F12: Load CMOS from BIOS
Change/Set/Disable Password
Load Fail-Safe Defaults
Load Optimized Defaults
Set Supervisor Password
Set User Password
Save & Exit Setup
Exit Without Saving
Enter Password:

BIOS Setup- 53 -
English
2-11 Save & Exit Setup
Type "Y" will quit the Setup Utility and save the user setup value to RTC CMOS.
Type "N" will return to Setup Utility.
2-12 Exit Without Saving
Type "Y" will quit the Setup Utility without saving to RTC CMOS.
Type "N" will return to Setup Utility.
CMOS Setup Utility-Copyright (C) 1984-2007 Award Software
Standard CMOS Features
Advanced BIOS Features
Integrated Peripherals
Power Management Setup
PnP/PCI Configurations
PC Health Status
MB Intelligent Tweaker(M.I.T.)
Esc: Quit : Select Item F11: Save CMOS to BIOS
F8: Q-Flash F10: Save & Exit Setup F12: Load CMOS from BIOS
Abandon all Data
Load Fail-Safe Defaults
Load Optimized Defaults
Set Supervisor Password
Set User Password
Save & Exit Setup
Exit Without Saving
Quit Without Saving (Y/N)? N
CMOS Setup Utility-Copyright (C) 1984-2007 Award Software
Standard CMOS Features
Advanced BIOS Features
Integrated Peripherals
Power Management Setup
PnP/PCI Configurations
PC Health Status
MB Intelligent Tweaker(M.I.T.)
Esc: Quit : Select Item F11: Save CMOS to BIOS
F8: Q-Flash F10: Save & Exit Setup F12: Load CMOS from BIOS
Save Data to CMOS
Load Fail-Safe Defaults
Load Optimized Defaults
Set Supervisor Password
Set User Password
Save & Exit Setup
Exit Without Saving
Save to CMOS and EXIT (Y/N)? Y

GA-M57SLI-S4 Motherboard - 54 -
English

Drivers Installation- 55 -
English
Chapter 3Drivers Installation
3-1 Install Chipset Drivers
After inserting the driver disk, "Xpress Install" will automatically scan the system and then list all the
drivers that are recommended to install. Please select the item that you wish to install and press the
Install button following the item. Or you can press Xpress Install to install all the driver items.
•Some device drivers will restart your system automatically during the driver installation.
After the system restart, Xpress Install will continue to install other drivers.
•After the drivers are installed, follow the onscreen instructions to restart your system. You
can install other applications included in the CD-ROM.
•For USB 2.0 driver support under the Windows XP operating system, please install the
Windows XP Service Pack 1 or later. After installing the SP1 (or later), if a question mark still
exists in Universal Serial Bus Controller in Device Manager, please remove the
question mark (by right-clicking your mouse and select Uninstall) and restart the system.
(The system will then autodetect and install the USB 2.0 driver.)
•Before installing the drivers, first install the operating system. (The following instructions use
Windows XP as the example operating system.)
•After installing the operating system, insert the driver disk into your optional drive. The CD
Autorun screen is automatically displayed which looks like that shown in the screen shot below.
(If the CD Autorun screen does not appear automatically, go to My Computer, double-click the
optical drive and execute the Run.exe program.)

GA-M57SLI-S4 Motherboard - 56 -
English
3-2 Software Applications
This page displays all the tools that Gigabyte developed and some free software, you can choose anyone
you want and press "install" to install them.
3-3 Driver CD Information
This page lists the contents of software and drivers in this CD-title.

Drivers Installation- 57 -
English
3-4 Hardware Information
This page lists all device you have for this motherboard.
3-5 Contact Us
Please see the last page for details.

GA-M57SLI-S4 Motherboard - 58 -
English

Appendix- 59 -
English
Chapter 4 Appendix
4-1 Unique Software Utilities
(Not all model support these Unique Software Utilities, please check your MB features.)
4-1-1 EasyTune 5 Introduction
EasyTune 5 presents the most convenient Windows based system performance enhancement and
manageability utility. Featuring several powerful yet easy to use tools such as 1) Overclocking for enhancing
system performance, 2) C.I.A. and M.I.B. for special enhancement for CPU and Memory, 3) Smart-Fan
control for managing fan speed control of both CPU cooling fan and North-Bridge Chipset cooling fan, 4) PC
health for monitoring system status.(Note)
User Interface Overview
(Note) EasyTune 5 functions may vary depending on different motherboards.
Button/Display Description
1. OVERCLOCKING Enters the Overclocking setting page
2. C.I.A./M.I.B. Enters the C.I.A. and M.I.B. setting page
3. SMART FAN Enters the Smart-Fan setting page
4. PC HEALTH Enters the PC Health setting page
5. GO Confirmation and Execution button
6. EASY MODE/ADVANCED MODE Toggles between Easy and Advance Mode
7. Display Field Displays panel of CPU frequency
8. Function LEDs Shows the information of the current function
9. GIGABYTE Logo Visits GIGABYTE website
10. Help Displays EasyTuneTM 5 help screen
11. Exit or Minimize Quits or minimizes EasyTuneTM 5

GA-M57SLI-S4 Motherboard - 60 -
English
4-1-2 Xpress Recovery2 Introduction
Xpress Recovery2 is designed to provide quick backup and restora-
tion of hard disk data. Supporting Microsoft operating systems including
Windows XP/2000/NT/98/Me and DOS, and file systems including
FAT16, FAT32, and NTFS, Xpress Recovery2 is able to back up data
How to use the Xpress Recovery2
Initial access by booting from CD-ROM and subsequent access by pressing the F9 key:
Steps: After entering BIOS Setup, go to Advanced BIOS Feature and set to boot from CD-ROM. Save
the settings and exit the BIOS Setup. Insert the provided driver CD into your CD-ROM drive. Upon
system restart, the message which says "Boot from CD/DVD:" will appear in the bottom left corner
of the screen. Press any key to enter Xpress Recovery2.
After the steps above are completed, subsequent access to Xpress Recovery2 can be made
by simply pressing the <F9> key during system power-on.
1. If you have already entered Xpress Recovery2 by booting from the CD-ROM, you can
enter Xpress Recovery2 by pressing the <F9> key in the future.
2. System storage capacity and the reading/writing speed of the hard disk will affect
the data backup speed.
3. It is recommended that Xpress Recovery2 be immediately installed once you com-
plete installations of OS and all required drivers as well as software.
on hard disks on PATA and SATA IDE controllers. After Xpress Recovery2 is executed from CD-ROM
for the first time, it will stay permanent in your hard disk. If you wish to run Xpress Recovery2 later, you
can simply press F9 during system bootup to enter Xpress Recovery2 without the CD-ROM.
System requirements:
1. Intel x86 platforms
2. At least 64M bytes of system memory
3. VESA-supported VGA cards
Boot from CD/DVD:
.
.
Boot from CD/DVD:
Press any key to startup XpressRecovery2.....
<F9> : XpressRecovery2
Award Modular BIOS v6.00PG, An Energy Star Ally
Copyright (C) 1984-2007, Award Software, Inc.
M57SLI-S4 FAa
.
.
.
.
<DEL>: BIOS Setup/Q-Flash <F9>: XpressRecovery2 <F12>: Boot Menu <End>: Qflash
03/22/2007-NV-MCP55-6A61JG0AC-00

Appendix- 61 -
English
1. RESTORE:
Restore the backed-up data to your hard disk.
(This button will not appear if there is no backup
file.)
2. BACKUP:
Back up data from hard disk.
3. REMOVE:
Remove previously-created backup files
to release disk space.
(This button will not appear if there is no backup
file.)
4. REBOOT:
Exit the main screen and restart the system.
The Main Screen of Xpress Recovery2
Limitations:
1. Not compatible to Xpress Recovery.
2. For the use of Xpress Recovery2, a primary partition must be reserved.
3. Xpress Recovery2 will store the backup file at the end of the hard disk, so free space available
on the hard disk for the backup file must be allocated in advance. (A minimum 4GB is recom-
mended but the actual space is dependent on the size of the data to be backed up)
4. Capable of backing up hard disks installed with Windows operating systems including DOS and
Windows XP/2000/NT/9x/Me.
5. USB hard disks are currently not supported.
6. Does not support RAID/AHCI (class code 0104/0106) hard disks.
7. Capable of backing up and restoring only the first physical hard disk.
Hard disks detection sequence is as follows:
a. PATA IDE primary channel
b. PATA IDE secondary channel
c. SATA IDE channel 1
d. SATA IDE channel 2
e. SATA IDE channel 3
f. SATA IDE channel 4
Precautions:
1. When using hard disks with more than 128 G under Windows 2000, be sure to execute the
EnableBigLba.exe program from the driver CD before data backup.
2. It is normal that data backup takes longer time than data restoration.
3. Xpress Recovery2 is compliant with the GPL regulations.
4. On a few motherboards based on Nvidia chipsets, BIOS update is required for Xpress Recovery2
to correctly identify RAID and SATA IDE mode. Please contact your motherboard manufacturer.

GA-M57SLI-S4 Motherboard - 62 -
English
4-1-3 Flash BIOS Method Introduction
Before Use:
1. From GIGABYTE's website, download the latest compressed BIOS update file that matches your
motherboard model.
2. Extract the file and save the new BIOS file (e.g. M57SLS42.FA) to your floppy disk, USB flash
drive, or hard drive. Note: The USB flash drive or hard drive must use FAT32/16/12 file system.
3. Restart the system. During the POST, press the <End> key to enter Q-Flash. Note: You can access
Q-Flash by either pressing the <End> key during the POST or pressing the <F8> key in BIOS Setup.
However, if the BIOS update file is saved to a hard drive in RAID/AHCI mode or a hard drive attached
to an independent IDE/SATA controller, use the <End> key during the POST to access Q-Flash.
Step 1:
a. In the Q-Flash menu, use the UP or DOWN ARROW key to select Update BIOS from Drive and
press ENTER.
b. Select the floppy drive or hard drive where the BIOS file is saved, such as "Floppy A" and
press ENTER.
If you wish to back up the current BIOS file, use the Save BIOS to Drive function.
Updating the BIOS
Because BIOS flashing is potentially risky, please do it with caution and avoid inadequate
operation that may result in system malfunction.
Q-Flash Utility v2.02
Flash Type/Size.................................PMC 25LV040 512K
Keep DMI Data Enable
Update BIOS from Drive
Save BIOS to Drive
Enter : Run :Move ESC:Reset F10:Power Off
0 file(s) found
Floppy A <Drive>
HDD 0-0 <Drive>
Total size : 0 Free size : 0
Method 1 : Q-FlashTM
Q-FlashTM is a BIOS update tool that allows the user to update BIOS
without entering operating systems like MS-DOS or Windows.Em-
bedded in the BIOS, the Q-FlashTM tool frees you from the hassles of
going through complicated BIOS flashing process.
<End> : Qflash
Award Modular BIOS v6.00PG, An Energy Star Ally
Copyright (C) 1984-2006, Award Software, Inc.
M57SLI-S4 FAa
.
.
.
.
<DEL>: BIOS Setup/Q-Flash <F9>: XpressRecovery2 <F12>: Boot Menu <End>: Qflash
03/22/2007-NV-MCP55-6A61JG0AC-00

Appendix- 63 -
English
Step 2: The process of system reading the BIOS file from the floppy disk is displayed on the screen.
When the message "Are you sure to update BIOS?" appears, press ENTER. The BIOS update
will begin and the current process will be displayed.
1. Do not turn off or restart the system when the system is reading/updating the BIOS.
2. Do not remove the floppy disk or hard drive/USB drive when the system is updating the BIOS.
Step 3: When the update process is complete, press any key to return to the Q-Flash main menu.
Step 4: Press ESC and then ENTER to exit Q-Flash and the system will restart. As the system reboots,
you will see the new BIOS version during POST.
Step 5: As the system reboots, press DELETE to enter BIOS Setup. Select Load Optimized Defaults
and press ENTER to load BIOS defaults. System will re-detect all peripherals devices after
BIOS update, so we recommend that you reload BIOS defaults.
Press Y to load BIOS defaults
Step 6: Select Save & Exit Setup and then press Y to save settings to CMOS and exit BIOS Setup.
When the system restarts, the whole update process is complete.
Q-Flash Utility v2.02
Flash Type/Size.................................PMC 25LV040 512K
Keep DMI Data Enable
Update BIOS from Drive
Save BIOS to Drive
Enter : Run :Move ESC:Reset F10:Power Off
!! Copy BIOS completed - Pass !!
Please press any key to continue
c. Select the BIOS file and press ENTER.
Make sure again the BIOS file matches your motherboard model.
CMOS Setup Utility-Copyright (C) 1984-2007 Award Software
Standard CMOS Features
Advanced BIOS Features
Integrated Peripherals
Power Management Setup
PnP/PCI Configurations
PC Health Status
MB Intelligent Tweaker(M.I.T.)
Esc: Quit : Select Item F11: Save CMOS to BIOS
F8: Q-Flash F10: Save & Exit Setup F12: Load CMOS from BIOS
Load Optimized Defaults
Load Fail-Safe Defaults
Load Optimized Defaults
Set Supervisor Password
Set User Password
Save & Exit Setup
Exit Without Saving
Load Optimized Defaults (Y/N)? Y

GA-M57SLI-S4 Motherboard - 64 -
English
Method 2 : @BIOSTM Utility
If you do not have a DOS startup disk, we recommend that you use the
new @BIOS utility. @BIOS allows users to update their BIOS under
Windows. Just select the desired @BIOS server to download the latest
version of BIOS.
1. Methods and steps:
I. Update BIOS through Internet
a. Click "Internet Update" icon
b. Click "Update New BIOS" icon
c. Select @BIOSTM sever
d. Select the exact model name on your motherboard
e. System will automatically download and update the BIOS.
II. Update BIOS NOT through Internet:
a. Do not click "Internet Update" icon
b. Click "Update New BIOS"
c. Please select "All Files" in dialog box while opening the old file.
d. Please search for BIOS unzip file, downloading from internet or any other methods (such
as: M57SLS42.FA).
e. Complete update process following the instruction.
Fig 2. Installation Complete and Run @BIOS
Fig 3. The @BIOS Utility Fig 4. Select the desired @BIOS server
Click Start/ Programs/ Gigabyte/ BIOS/ @BIOS
Click ""Click "Update New BIOS"
Select @BIOS item than click Install
Fig 1. Installing the @BIOS utility

Appendix- 65 -
English
III. Save BIOS
In the very beginning, there is "Save Current BIOS" icon shown in dialog box. It means to save the
current BIOS version.
IV. Check out supported motherboard and Flash ROM:
In the very beginning, there is "About this program" icon shown in dialog box. It can help you check out
which kind of motherboard and which brand of Flash ROM are supported.
2. Note:
I. In method I, if it shows two or more motherboard's model names to be selected, please make
sure your motherboard's model name again. Selecting wrong model name will cause the
system unbooted.
II. In method II, be sure that motherboard's model name in BIOS unzip file are the same as your
motherboard's. Otherwise, your system won't boot.
III. In method I, if the BIOS file you need cannot be found in @BIOSTM server, please go onto
Gigabyte's web site for downloading and updating it according to method II.
IV. Please note that any interruption during updating will cause system unbooted.
V. Do not use @BIOS and C.O.M. (Corporate Online Management) at the same time.

GA-M57SLI-S4 Motherboard - 66 -
English
(Note) Required for setting up RAID array.
To configure SATA hard drive(s), follow the steps below:
(1) Install SATA hard drive(s) in your system.
(2) Configure SATA controller mode and boot sequence in BIOS Setup.
(3) Configure RAID set in RAID BIOS. (Note )
(4) Make a floppy disk containing the SATA controller driver. (Note )
(5) Install the SATA controller driver during OS installation. (Note )
Before you begin
Please prepare:
(a) SATA hard drive(s). To ensure optimal performance, it is recommended that you use two hard
drives with identical model and capacity for RAID array. If you do not want to create RAID, you
may prepare only one hard drive.
(b) An empty formatted floppy disk. (Note)
(c) Windows XP/2000 setup disk.
(d) Driver CD for your motherboard. (Note)
(1) Installing SATA hard drive(s) in your computer
Attach one end of the SATA signal cable to the rear of the SATA hard drive and the other end to available
SATA port(s) on the motherboard. Then connect the power connector from your power supply to the
hard drive.
4-1-4 Configuring SATA Hard Drive(s)

Appendix- 67 -
English
Figure 1
Ensure that NV SATA RAID function is enabled (Figure 2). Then enable the SATA controller/channel
with hard disks that you want to use for RAID (NV SATA 1 controls the SATAII1 and SATAII2 connectors;
NV SATA 2 controls the SATAII3 and SATAII4 connectors; NV SATA 3 controls the SATAII5 and SATAII6
connectors). For example, if you wish to create RAID with hard disks on the SATAII1 and SATAII2
connectors, ensure that NV SATA 1 Primary RAID and NV SATA 1 Secondary RAID are enabled
(Figure 2).
The BIOS Setup menus described in this section may not show the exact settings for your
motherboard. The actual BIOS Setup menu options you will see shall depend on the motherboard
you have and the BIOS version.
Figure 2
(2) Configuring SATA controller mode and boot sequence in BIOS Setup
You have to make sure whether the SATA controller is configured correctly in system BIOS Setup and
set BIOS boot sequence for the SATA hard drive(s)/RAID array.
Step 1:
Turn on your computer and press Del to enter BIOS Setup during POST (Power-On Self Test). In BIOS
Setup, go to Integrated Periperals --> Serial-ATA RAID Config (Figure 1).
CMOS Setup Utility-Copyright (C) 1984-2007 Award Software
Serial-ATA RAID Config
Item Help
Menu Level
NV SATA RAID function [Enabled]
NV SATA 1 Primary RAID [Enabled]
NV SATA 1 Secondary RAID [Enabled]
NV SATA 2 Primary RAID [Enabled]
NV SATA 2 Secondary RAID [Enabled]
NV SATA 3 Primary RAID [Enabled]
NV SATA 3 Secondary RAID [Enabled]
: Move Enter: Select +/-/PU/PD: Value F10: Save ESC: Exit F1: General Help
F5: Previous Values F6: Fail-Safe Defaults F7: Optimized Defaults
CMOS Setup Utility-Copyright (C) 1984-2007 Award Software
Integrated Peripherals
Serial-ATA RAID Config [Press Enter]
On-Chip IDE Channel0 [Enabled]
On-Chip MAC Lan [Auto]
NV Serial-ATA Controller [All Enabled]
IDE Prefetch Moed [Enabled]
Onboard Audio Function [Auto]
SMART LAN [Press Enter]
Onboard 1394 [Enabled]
Onboard LAN Boot ROM [Disabled]
Onboard Serial Port 1 [3F8/IRQ4]
Onboard Parallel Port [378/IRQ7]
Parallel Port Mode [SPP]
x ECP Mode Use DMA 3
On-Chip USB [V1.1+V2.0]
USB Keyboard Support [Disabled]
USB Mouse Support [Disabled]
Legacy USB storage detect [Enabled]
Item Help
Menu Level
: Move Enter: Select +/-/PU/PD: Value F10: Save ESC: Exit F1: General Help
F5: Previous Values F6: Fail-Safe Defaults F7: Optimized Defaults

GA-M57SLI-S4 Motherboard - 68 -
English
Step 2:
To boot from Windows installation CD-ROM, set First Boot Device under the Advanced BIOS
Features menu to CDROM (Figure 3).
Step 3:
Save and exit BIOS Setup.
Figure 3
CMOS Setup Utility-Copyright (C) 1984-2007 Award Software
Advanced BIOS Features
AMD K8 Cool&Quiet control [Auto]
Hard Disk Boot Priority [Press Enter]
First Boot Device [CDROM]
Second Boot Device [Hard Disk]
Third Boot Device [CDROM]
Boot Up Floppy Seek [Disabled]
Password Check [Setup]
HDD S.M.A.R.T. Capability [Disabled]
Away Mode [Disabled]
Full Screen LOGO Show [Enabled]
Init Display First [PEG]
: Move Enter: Select +/-/PU/PD: Value F10: Save ESC: Exit F1: General Help
F5: Previous Values F6: Fail-Safe Defaults F7: Optimized Defaults
Item Help
Menu Level

Appendix- 69 -
English
(3) Configuring RAID set in RAID BIOS
Enter the RAID BIOS setup utility to configure a RAID array. Skip this step and proceed to Section 4 if
you do not want to create RAID.
Step 1:
After the POST memory test begins and before the operating system boot begins, look for a message
which says "Press F10 to enter RAID setup utility" (Figure 4). Hit the F10 key to enter the RAID BIOS
setup utility.
Figure 4
Step 2:
The Define a New Array screen is the first option screen when you enter the NVIDIA RAID setup utility.
(Figure 5). You can press the TAB key to highlight through options.
Step 3:
In the RAID Mode field, use the UP or DOWN ARROW key to select a RAID mode. The supported RAID
modes include Mirroring, Striping, Stripe Mirroring, Spanning and RAID 5. The following is an example
of RAID 0 array creation.
Step 4:
If RAID 0 (Striping) is selected, you can manually set the striping block size. In the Striping Block field,
use the UP or DOWN ARROW key to set the Striping Block size. The KB is the standard unit of Striping
Block size. We recommend you leaving it to the default setting--Optimal (64 K). The size range is from
4 K to 128 K.
Figure 5
MediaShield ROM BIOS 6.55
Copyright (C) 2006 NVIDIA Corp.
Detecting array ...
Press F10 to enter RAID setup utility ...
MediaShield Utility Mar 22 2006
- Define a New Array -
RAID Mode: Mirroring Striping Block: Optimal
Free Disks
Loc Disk Model Capacity
2.0.M ST3120026AS 111.79GB
2.1.M ST3120026AS 111.79GB
Array Disks
Loc Disk Model Capacity
[
] Add
[
] Del
[ESC] Quit [F6] Back [F7] Finish [TAB] Navigate [
] Select [ENTER] Popup

GA-M57SLI-S4 Motherboard - 70 -
English
Step 6:
Press F7 after selecting the target hard disks. A message which says "Clear disk data?" will appear
(Figure 7). If you are sure to clear the data in the selected hard drives, press Y. (If the hard drives
contain previously created RAID array, you need to press Y to clear the data from the hard drives.)
Figure 7
Figure 6
Step 5:
Next, select the hard drives which you wish to be included in the disk array. The Free Disks section
displays the information about the currently installed SATA hard drives. Press the TAB key to move to
the Free Disks section. Select the target hard drives using the UP or DOWN ARROW key and use the
RIGHT ARROW key to add the hard drives to the Array Disks section (Figure 6).
MediaShield Utility Mar 22 2006
- Define a New Array -
RAID Mode: Striping Striping Block: Optimal
[
] Add
[
] Del
[ESC] Quit [F6] Back [F7] Finish [TAB] Navigate [
] Select [ENTER] Popup
2.0.M ST3120026AS 111.79GB
2.1.M ST3120026AS 111.79GB
Free Disks
Loc Disk Model Capacity
Array Disks
Loc Disk Model Capacity
Clear disk data ?
[Y] YES [N] NO
RAID Mode: Striping Striping Block: Optimal
[
] Add
[
] Del
[ESC] Quit [F6] Back [F7] Finish [TAB] Navigate [
] Select [ENTER] Popup
1.0.M ST3120026AS 111.79GB
1.1.M ST3120026AS 111.79GB
MediaShield Utility Mar 22 2006
- Define a New Array -
Array Disks
Loc Disk Model Capacity
Free Disks
Loc Disk Model Capacity
Clear disk data ?
[Y] YES [N] NO

Appendix- 71 -
English
To read more information about the RAID array, press ENTER to enter the Array Detail screen (Figure
9), where you should see detailed information about RAID mode, disk block size, disk model name,
and disk capacity, etc.
Figure 9
Figure 8
After that, the Array List screen displaying the RAID array you created will appear (Figure 8).
If you want to set the disk array as boot device, use the UP or DOWN ARROW key to select the array
and press B. The Boot section will show Yes.
To delete the array, press D in the Array Detail screen. When the "Delete this array?" message appears,
press Y to confirm or N to cancel. Press ENTER to return to the Array List screen.
To exit the Nvidia RAID utility, press ESC in the main menu or Ctrl+X in the Array List screen.
Now, you can proceed to install the SATA controller driver and operating system.
MediaShield Utility Mar 22 2006
- Array List -
[Ctrl-X] Exit [
] Select [B] Set Boot [N] New Array [ENTER] Detail
Boot Id Status Vendor Array Model Name
No 2 Healthy NVIDIA STRIPE 223.57G
MediaShield Utility Mar 22 2006
- Array Detail -
RAID Mode: Striping
Striping Width : 1 Striping Block: 64K
Adapt Channel M/S Index Disk Model Capacity
1 0 Master 0 ST3120026AS 111.79GB
1 1 Master 1 ST3120026AS 111.79GB
[R] Rebuild [D] Delete [C] Clear Disk [ENTER] Return

GA-M57SLI-S4 Motherboard - 72 -
English
(4) Making a SATA Driver Disk
To install operating system onto a serial ATA hard disk successfully, you need to install the SATA
controller driver during OS installation. Without the driver, the hard disk may not be recognized during
the Windows setup process. First of all, copy the driver for the SATA controller from the motherboard
driver CD-ROM to a floppy disk. See the instructions below about how to copy the driver in MS-DOS
mode(Note). Prepare a startup disk that has CD-ROM support and a blank formatted floppy disk.
Step 1: Insert the prepared startup disk and motherboard driver CD-ROM in your system. Boot from the
startup disk. Once at the A:\> prompt, change to the CD-ROM drive (example: D:\>). At the D:\>
prompt, type the following two commands. Press ENTER after each command (Figure 10):
cd bootdrv
menu
(Note) For users without a startup disk:
Use an alternative system and insert the GIGABYTE motherboard driver CD-ROM. From the
CD-ROM drive folder, double click the MENU.exe file in the BootDrv folder (Figure 12). A
command prompt window will open similar to that in Figure 11.
Figure 10 Figure 11
Step 2: When the controller menu (Figure 11) appears, remove the startup disk and insert the blank
formatted disk. Select the controller driver by pressing the corresponding letter from the menu.
For example, from the menu in Figure 13, press H to select (H) nVIDIA MCP55 Series Raid (XP) if
you wish to install Windows XP (32-bit). Your system will then automatically zip and transfer this driver
file to the floppy disk. Press 0 to exit when finished.
Figure 12

Appendix- 73 -
English
Figure 13
Figure 14
(5) Installing SATA controller driver during OS installation
Now that you have prepared the SATA driver disk and configured BIOS settings, you are ready to install
Windows 2000/XP onto your SATA hard drive with the SATA driver. The following is an example of
Windows XP installation.
Step 1: Restart your system to boot from the Windows 2000/XP Setup disk and press F6 as soon as
you see the "Press F6 if you need to install a 3rd party SCSI or RAID driver" message (Figure 13). After
pressing F6, there will be a few moments of some files being loaded before you see the next screen.
Step 2:
When a screen similar to that below appears, insert the floppy disk containing the SATA driver and press
S (Figure 14).
Windows Setup
Press F6 if you need to install a third party SCSI or RAID driver.
Windows Setup
S=Specify Additional Device ENTER=Continue F3=Exit
Setup could not determine the type of one or more mass storage devices
installed in your system, or you have chosen to manually specify an adapter.
Currently, Setup will load support for the following mass storage devices(s)
<none>
* To specify additional SCSI adapters, CD-ROM drives, or special
disk controllers for use with Windows, including those for
which you have a device support disk from a mass storage device
manufacturer, press S.
* If you do not have any device support disks from a mass storage
device manufacturer, or do not want to specify additional
mass storage devices for use with Windows, press ENTER.

GA-M57SLI-S4 Motherboard - 74 -
English
Step 3:
If Setup correctly recognizes the driver in the floppy disk, a controller menu similar to Figure 15 below
will appear. Use the ARROW keys to select NVIDIA RAID CLASS DRIVER (Figure 15) and press
ENTER. Later, when a screen similar to Figure 16 appears, you must press S to select additional
driver. The screen will return to previous screen as shown in Figure 15. Select NVIDIA nForce
Storage Controller and press ENTER.
Figure 15
Figure 16
If a message appears saying one or some file(s) cannot be found, please check the floppy disk
or copy the correct SATA driver again from the motherboard driver CD.
Windows Setup
ENTER=Select F3=Exit
You have chosen to configure a SCSI Adapter for use with Windows,
using a device support disk provided by an adapter manufacturer.
Select the SCSI Adapter you want from the following list, or press ESC
to return to the previous screen.
NVIDIA RAID CLASS DRIVER (required)
NVIDIA NForce Storage Controller (required)
Windows Setup
S=Specify Additional Device ENTER=Continue F3=Exit
Setup will load support for the following mass storage device(s):
NVIDIA RAID CLASS DRIVER (required)
* To specify additional SCSI adapters, CD-ROM drives, or special
disk controllers for use with Windows, including those for
which you have a device support disk from a mass storage device
manufacturer, press S.
* If you do not have any device support disks from a mass storage
device manufacturer, or do not want to specify additional
mass storage devices for use with Windows, press ENTER.

Appendix- 75 -
English
After the SATA controller driver installation is completed, you can proceed with the Windows 2000/XP
installation.
Figure 18
(Note: Each time you add a new hard drive to a RAID array, the RAID driver will have to be installed
under Windows once for that hard drive. After that, the driver will not have to be installed.)
Step 4:
When the next screen (Figure 17) appears, press ENTER to continue the SATA driver installation from
the floppy disk.
Figure 17
Windows Setup
S=Specify Additional Device ENTER=Continue F3=Exit
Setup will load support for the following mass storage device(s):
NVIDIA RAID CLASS DRIVER (required)
NVIDIA NForce Storage Controller (required)
* To specify additional SCSI adapters, CD-ROM drives, or special
disk controllers for use with Windows, including those for
which you have a device support disk from a mass storage device
manufacturer, press S.
* If you do not have any device support disks from a mass storage
device manufacturer, or do not want to specify additional
mass storage devices for use with Windows, press ENTER.
WindowsXP Professional Setup
Enter= Continue R=Repair F3=Exit
Welcome to Setup.
This port of the Setup program prepares Microsoft(R)
Windows (R) XP to run on your computer.
To set up Windows XP now, press ENTER.
To repair a Windows XP installation using
Recovery Console, press R.
To quit Setup without installing Windows XP, press F3.

GA-M57SLI-S4 Motherboard - 76 -
English
4-1-5 2- / 4- / 6- / 8- Channel Audio Function
Introduction
STEP 1 :
After installation of the audio driver, you should find
an Audio Manager icon in your system tray
(you can also find the icon in Control Panel). Double-
click the icon to open the Audio Control Panel.
Note that if you wish to connect a microphone, you MUST connect it to the default Mic In jack
for the microphone to work correctly.
The default speaker settings for the 6 audio jacks are
as shown in the picture to the right. The jack
retasking capability supported by HD Audio allows
users to change the function for each audio jack by
the audio software provided. For example, if a
rear speaker is plugged into the center/subwoofer
speaker out jack, you can change the center/
subwoofer speaker out jack to fucntion as a rear
speaker out jack via the audio software.Please
follow the steps to install the function. (Following
pictures are in Windows XP)
HD Audio
With multiple built-in high quality digital-to-analog converters (DACs) that support audio output at up to 192
kHz/24-bit quality and multi-streaming applications, HD Audio is able to handle multiple audio streams
(in and out) simultaneously. Multi-channel audio experiences have become a reality so you can, for
instance, listen to MP3 music, have an Internet chat, make a telephone call over the Internet, and etc.
all at the same time.
Stereo Speakers Connection and Settings:
We recommend that you use the speaker with amplifier to acquire the best sound effect if the stereo
output is applied.
Line In
Line Out
(Front Speaker Out)
Mic In
Rear Speaker Out
Center/Subwoofer
Speaker Out
Side Speaker
Out

Appendix- 77 -
English
STEP 3:
After a speaker or headphone is plugged into the
rear Line Out jack, a small window will pop up and
ask you what type of equipment is connected.
Choose Headphone or Line Out depending on
the device connected and click OK. The 2-chan-
nel audio setup is completed.
4 Channel Audio Setup
STEP 1 :
After installation of the audio driver, you should find
an Audio Manager icon in your system tray
(you can also find the icon in Control Panel). Double-
click the icon to open the Audio Control Panel.
STEP 2:
In the Audio Control Panel, click the Audio I/O tab.
In the upper left list, click 4CH Speaker.
STEP 2:
In the Audio Control Panel, click the Audio I/O tab.
In the upper left list, click 2CH Speaker.

GA-M57SLI-S4 Motherboard - 78 -
English
6 Channel Audio Setup
STEP 1 :
After installation of the audio driver, you should find
an Audio Manager icon in your system tray
(you can also find the icon in Control Panel). Double-
click the icon to open the Audio Control Panel.
STEP 2:
In the Audio Control Panel, click the Audio I/O tab.
In the upper left list, click 6CH Speaker.
STEP 3:
After plugging in 6-channel speakers to the rear
speaker jacks, a small window will pop up and
ask you what type of equipment is connected.
Choose a device depending on the type of speaker
connected (6-channel audio consists of Front
Speaker Out (Line Out), Rear Speaker Out, and
Center/Subwoofer Speaker Out) then click OK.
The 6-channel audio setup is completed.
STEP 3:
After plugging in 4-channel speakers to the rear
speaker jacks, a small window will pop up and
ask you what type of equipment is connected.
Choose a device depending on the type of speaker
connected (4-channel audio consists of Front
Speaker Out (Line Out) and Rear Speaker Out) and
then click OK. The 4-channel audio setup is
completed.

Appendix- 79 -
English
STEP 2:
In the Audio Control Panel, click the Audio I/O tab.
In the upper left list, click 8CH Speaker.
STEP 3:
After plugging in 8-channel speakers to the rear
speaker jacks, a small window will pop up and
ask you what type of equipment is connected.
Choose a device depending on the type of speaker
connected (8-channel audio consists of Front
Speaker Out (Line Out), Rear Speaker Out, Cen-
ter/Subwoofer Speaker Out, and Side Speaker Out)
then click OK. The 8-channel audio setup is
completed.
8 Channel Audio Setup
STEP 1 :
After installation of the audio driver, you should find
an Audio Manager icon in your system tray
(you can also find the icon in Control Panel). Double-
click the icon to open the Audio Control Panel.

GA-M57SLI-S4 Motherboard - 80 -
English
Sound Effect Configuration:
At the Sound Effect menu, users can adjust sound
option settings as desired.
AC'97 Audio Configuration:
To enable the front panel audio connector to sup-
port AC97 Audio mode, go to the Audio Control
Panel and click the Audio I/O tab. In the ANA-
LOG area, click the Tool icon and then select the
Disable front panel jack detection check box.
This action completes the AC'97 Audio configuration.

Appendix- 81 -
English
4-2 Troubleshooting
Below is a collection of general asked questions. To check general asked questions based on a specific
motherboard model, please log on to GIGABYTE's website.
Question 1: I cannot see some options that were included in previous BIOS after updating BIOS. Why?
Answer: Some advanced options are hidden in new BIOS version. Please press Ctrl and F1 keys after
entering BIOS menu and you will be able to see these options.
Questions 2: Why is the light of my keyboard/optical mouse still on after computer shuts down?
Answer: In some boards, a small amount of electricity is kept on standby after computer shuts down
and that's why the light is still on.
Question 3: How do I clear CMOS?
Answer: If your board has a Clear CMOS jumper, please refer to the Clear CMOS steps in the manual.
If your board doesn't have such jumper, you can take off the on-board battery to leak voltage to clear
CMOS. Please refer to the steps below:
Steps:
1. Turn off power.
2. Disconnect the power cord from MB.
3. Take out the battery gently and put it aside for about 1 minute (Or you can use a metal object
to connect the positive and negative pins in the battery holder to makethem short for 5 seconds).
4. Re-insert the battery to the battery holder.
5. Connect power cord to MB again and turn on power.
6. Press Del to enter BIOS and load Fail-Safe Defaults(or load Optimized Defaults).
7. Save changes and reboot the system.
Question 4: Why do I still get a weak sound after turning up the speaker to the maximum volume?
Answer: Please make sure the speaker you are using is equipped with an internal amplifier. If not,
please change another speaker with power/amplifier and try again later.
Question 5: Sometimes I hear different continuous beeps from computer after system boots up. What do
these beeps usually stand for?
Answer: The beep codes below may help you identify the possible computer problems. However,
they are only for reference purposes. The situations might differ from case to case.
AWARD BIOS Beep Codes
1 short: System boots successfully
2 short: CMOS setting error
1 long 1 short: DRAM or M/B error
1 long 2 short: Monitor or display card error
1 long 3 short: Keyboard error
1 long 9 short: BIOS ROM error
Continuous long beeps: DRAM error
Continuous short beeps: Power error

GA-M57SLI-S4 Motherboard - 82 -
English

Appendix- 83 -
English

GA-M57SLI-S4 Motherboard - 84 -
English

Appendix- 85 -
English

GA-M57SLI-S4 Motherboard - 86 -
English
Contact Us
Taiwan (Headquarters)
GIGA-BYTE TECHNOLOGY CO., LTD.
Address: No.6, Bau Chiang Road, Hsin-Tien,
Taipei 231, Taiwan
TEL: +886-2-8912-4888
FAX: +886-2-8912-4003
Tech. and Non-Tech. Support (Sales/Marketing) :
http://ggts.gigabyte.com.tw
WEB address (English): http://www.gigabyte.com.tw
WEB address (Chinese): http://www.gigabyte.tw
U.S.A.
G.B.T. INC.
TEL: +1-626-854-9338
FAX: +1-626-854-9339
Tech. Support:
http://rma.gigabyte-usa.com
Web address: http://www.gigabyte.us
Mexico
G.B.T Inc (USA)
Tel: +1-626-854-9338 x 215 (Soporte de habla hispano)
FAX: +1-626-854-9339
Correo: soporte@gigabyte-usa.com
Tech. Support:
http://rma.gigabyte-usa.com
Web address: http://www.gigabyte.com.mx
Japan
NIPPON GIGA-BYTE CORPORATION
WEB address : http://www.gigabyte.co.jp
Singapore
GIGA-BYTE SINGAPORE PTE. LTD.
WEB address : http://www.gigabyte.com.sg
Thailand
WEB address : http://th.giga-byte.com
Vietnam
WEB address : http://www.gigabyte.vn
China
NINGBO G.B.T. TECH. TRADING CO., LTD.
WEB address : http://www.gigabyte.cn
Shanghai
TEL: +86-21-63410999
FAX: +86-21-63410100
Beijing
TEL: +86-10-62102838
FAX: +86-10-62102848
Wuhan
TEL: +86-27-87851061
FAX: +86-27-87851330
GuangZhou
TEL: +86-20-87540700
FAX: +86-20-87544306 ext. 333
Chengdu
TEL: +86-28-85236930
FAX: +86-28-85256822 ext. 814
Xian
TEL: +86-29-85531943
FAX: +86-29-85539821
Shenyang
TEL: +86-24-83992901
FAX: +86-24-83992909
India
GIGABYTE TECHNOLOGY (INDIA) LIMITED
WEB address : http://www.giga-byte.co.in/
Saudi Arabia
WEB address : http://www.gigabyte.com.sa
Australia
GIGABYTE TECHNOLOGY PTY. LTD.
WEB address : http://www.gigabyte.com.au

Appendix- 87 -
English
Germany
G.B.T. TECHNOLOGY TRADING GMBH
WEB address : http://www.gigabyte.de
U.K.
G.B.T. TECH. CO., LTD.
WEB address : http://www.giga-byte.co.uk
The Netherlands
GIGA-BYTE TECHNOLOGY B.V.
WEB address : http://www.giga-byte.nl
Sweden
WEB address : http://www.giga-byte.se
France
GIGABYTE TECHNOLOGY FRANCE
WEB address : http://www.gigabyte.fr
Italy
WEB address : http://www.giga-byte.it
Spain
GIGA-BYTE SPAIN
WEB address : http://www.giga-byte.es
Czech Republic
Representative Office Of GIGA-BYTE Technology Co., Ltd.
in CZECH REPUBLIC
WEB address : http://www.gigabyte.cz
Turkey
Representative Office Of GIGA-BYTE Technology Co., Ltd.
in TURKEY
WEB address : http://www.gigabyte.com.tr
To submit a technical or non-technical (Sales/
Marketing) question, please link to :
http://ggts.gigabyte.com.tw
Then select your language to enter the system.
Russia
Moscow Representative Office Of GIGA-BYTE Technology
Co., Ltd.
WEB address : http://www.gigabyte.ru
Latvia
GIGA-BYTE Latvia
WEB address : http://www.gigabyte.com.lv
Poland
Office of GIGA-BYTE TECHNOLOGY Co., Ltd. in POLAND
WEB address : http://www.gigabyte.pl
Ukraine
WEB address : http://www.gigabyte.kiev.ua
Romania
Representative Office Of GIGA-BYTE Technology Co., Ltd.
in Romania
WEB address : http://www.gigabyte.com.ro
Serbia & Montenegro
Representative Office Of GIGA-BYTE Technology Co., Ltd.
in SERBIA & MONTENEGRO
WEB address : http://www.gigabyte.co.yu
GIGABYTE Global Service System
You may go to the GIGABYTE website, select your language
in the language list on the top right corner of the website.

- 88 -