Gigabyte Ga P35 Ds3R Rev 2 0 Owner S Manual
Gigabyte-Ga-P35-Ds3R-Rev-2-1-Owner-S-Manual gigabyte-ga-p35-ds3r-rev-2-1-owner-s-manual
2014-07-05
: Gigabyte Gigabyte-Ga-P35-Ds3R-Rev-2-0-Owner-S-Manual gigabyte-ga-p35-ds3r-rev-2-0-owner-s-manual gigabyte pdf
Open the PDF directly: View PDF
.
Page Count: 112 [warning: Documents this large are best viewed by clicking the View PDF Link!]
GA-P35-DS3R/
GA-P35-DS3/
GA-P35-S3
LGA775 socket motherboard for Intel® CoreTM processor family/
Intel® Pentium® processor family/Intel® Celeron® processor family
User's Manual
Rev. 2002
12ME-P35DS3R-2002R

Motherboard
GA-P35-DS3R/GA-P35-DS3/
GA-P35-S3
Jul. 25, 2007
Motherboard
GA-P35-DS3R/GA-P35-DS3/GA-P35-S3
Jul. 25, 2007

Copyright
© 2007 GIGA-BYTE TECHNOLOGY CO., LTD. All rights reserved.
The trademarks mentioned in this manual are legally registered to their respective owners.
The logo is exclusively licensed to GIGABYTE UNITED INC. by GIGA-BYTE
TECHNOLOGY CO., LTD.
GIGABYTE UNITED INC. is designated by GIGA-BYTE TECHNOLOGY CO., LTD as the exclu-
sive global distributor of GIGABYTE branded motherboards.
Disclaimer
Information in this manual is protected by copyright laws and is the property of GIGABYTE.
Changes to the specifications and features in this manual may be made by GIGABYTE without prior
notice. No part of this manual may be reproduced, copied, translated, transmitted, or published in any
form or by any means without GIGABYTE's prior written permission.
Documentation Classifications
In order to assist in the use of this product, GIGABYTE provides the following types of documentations:
For quick set-up of the product, read the Quick Installation Guide included with the product.
For detailed product information, carefully read the User's Manual.
For instructions on how to use GIGABYTE's unique features, read or download the
information on/from the Support\Motherboard\Technology Guide page on our website.
For product-related information, check on our website at:
http://www.gigabyte.com.tw
Identifying Your Motherboard Revision
The revision number on your motherboard looks like this: "REV: X.X." For example, "REV: 1.0"
means the revision of the motherboard is 1.0. Check your motherboard revision before updating
motherboard BIOS, drivers, or when looking for technical information.
Example:

- 4 -
Table of Contents
Optional Items ................................................................................................................. 6
Box Contents ................................................................................................................. 6
GA-P35-DS3R/DS3/S3 Motherboard Layout ................................................................. 7
Block Diagram................................................................................................................ 8
Chapter 1 Hardware Installation .................................................................................... 9
1-1 Installation Precautions ..................................................................................... 9
1-2 Product Specifications .................................................................................... 10
1-3 Installing the CPU and CPU Cooler.............................................................. 13
1-3-1 Installing the CPU ................................................................................................ 13
1-3-2 Installing the CPU Cooler ................................................................................... 15
1-4 Installing the Memory ..................................................................................... 16
1-4-1 Dual Channel Memory Configuration................................................................ 16
1-4-2 Installing a Memory............................................................................................. 17
1-5 Installing an Expansion Card ......................................................................... 18
1-6 Installing the SATA Bracket ............................................................................. 19
1-7 Back Panel Connectors ................................................................................. 20
1-8 Internal Connectors ........................................................................................ 22
Chapter 2 BIOS Setup................................................................................................. 35
2-1 Startup Screen ................................................................................................ 36
2-2 The Main Menu .............................................................................................. 37
2-3 Standard CMOS Features ............................................................................. 39
2-4 Advanced BIOS Features.............................................................................. 41
2-5 Integrated Peripherals ..................................................................................... 43
2-6 Power Management Setup ............................................................................. 47
2-7 PnP/PCI Configurations................................................................................. 49
2-8 PC Health Status ........................................................................................... 50
2-9 MB Intelligent Tweaker(M.I.T.) ....................................................................... 52
2-10 Load Fail-Safe Defaults................................................................................... 55
2-11 Load Optimized Defaults ................................................................................. 55
2-12 Set Supervisor/User Password..................................................................... 56
2-13 Save & Exit Setup......................................................................................... 57
2-14 Exit Without Saving ....................................................................................... 57

- 5 -
Chapter 3 Drivers Installation ...................................................................................... 59
3-1 Installing Chipset Drivers ............................................................................... 59
3-2 Software Applications ..................................................................................... 60
3-3 Driver CD Information .................................................................................... 60
3-4 Hardware Information ..................................................................................... 61
3-5 Contact Us..................................................................................................... 61
Chapter 4 Unique Features......................................................................................... 63
4-1 Xpress Recovery2 ......................................................................................... 63
4-2 BIOS Update Utilities..................................................................................... 68
4-2-1 Updating the BIOS with the Q-Flash Utility...................................................... 68
4-2-2 Updating the BIOS with the @BIOS Utility ....................................................... 71
4-3 EasyTune 5.................................................................................................... 73
4-4 Windows Vista ReadyBoost........................................................................... 74
Chapter 5 Appendix .................................................................................................... 75
5-1 Configuring SATA Hard Drive(s) .................................................................... 75
5-1-1 Configuring Intel® ICH9R SATA Controllers .................................................. 75
5-1-2 Configuring GIGABYTE SATA2 SATA Controller ............................................. 81
5-1-3 Making a SATA RAID/AHCI Driver Diskette ..................................................... 87
5-1-4 Installing the SATA RAID/AHCI Driver and Operating System ...................... 88
5-2 Configuring Audio Input and Output................................................................. 96
5-2-1 Configuring 2/4/5.1/7.1-Channel Audio ............................................................ 96
5-2-2 Installing the S/PDIF In Cable (Optional)........................................................... 98
5-2-3 Configuring Microphone Recording ................................................................. 100
5-2-4 Using the Sound Recorder............................................................................... 102
5-3 Troubleshooting............................................................................................. 103
5-3-1 Frequently Asked Questions ........................................................................... 103
5-3-2 Troubleshooting Procedure .............................................................................. 104
Regulatory Statements ............................................................................................... 106
Only for GA-P35-DS3R.

- 6 -
Box Contents
GA-P35-DS3R, GA-P35-DS3, or GA-P35-S3 motherboard
Motherboard driver disk
User's Manual
Quick Installation Guide
Intel® LGA775 CPU Installation Guide
One IDE cable and one floppy disk drive cable
GA-P35-DS3R: Four SATA 3Gb/s cables
GA-P35-DS3/S3: Two SATA 3Gb/s cables
GA-P35-DS3R/DS3: One SATA bracket
I/O Shield
Optional Items
2-port USB 2.0 bracket (Part No. 12CR1-1UB030-51R)
2-port SATA power cable (Part No. 12CF1-2SERPW-01R)
S/PDIF in cable (Part No. 12CR1-1SPDIN-01R)
COM port cable (Part No. 12CF1-1CM001-32R)
LPT port cable (Part No. 12CF1-1LP001-01R)
•The box contents above are for reference only and the actual items shall depend on product package you obtain.
The box contents are subject to change without notice.
•The motherboard image is for reference only.

- 7 -
GA-P35-DS3R/DS3/S3 Motherboard Layout
KB_MS CPU_FAN
LGA775 ATX
GA-P35-DS3R/DS3/S3
USB_LAN
CD_IN
F_AUDIO
AUDIO
BIOS
PCIE_16
PCIE_3
F_USB1
IDE1
PCIE_1
SPDIF_I
CI
DDRII1
DDRII2
DDRII3
DDRII4
BATTERY
F_PANEL
IT8718
SYS_FAN2
SATAII0
ATX_12V
Intel® P35
Intel® ICH9R
Intel® ICH9
PWR_LED
FDD
PCIE_2
SATAII1
SATAII4
SATAII5
GIGABYTE
SATA2
PCI1
PCI2
PCI3
CLR_CMOS
RCA_SPDIF
R_USB1
LPT
CODEC
RTL8111B PWR_FAN
SYS_FAN1
F_USB2
COMA
R_USB2
SPDIF_O
R_USB3
GSATAII0
GSATAII1
SATAII2
SATAII3
Only for GA-P35-DS3R.
Only for GA-P35-DS3.
Only for GA-P35-S3.
"*" Only the GA-P35-DS3R/DS3 adopt All-Solid Capacitor design.

- 8 -
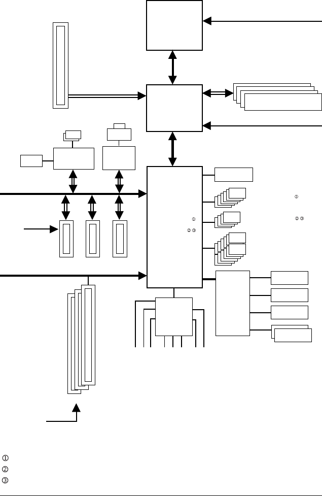
Block Diagram
LGA775
Processor
Host
Interface
Intel® P35 MCH CLK
(400(O.C.)/333/266/200 MHz)
DDR2 1200(O.C.)/1066/
800/667 MHz
Intel® ICH9R
Intel® ICH9
BIOS
3 PCI
PCI Bus
Dual Channel Memory
6 SATA 3Gb/s
PCI CLK
(33 MHz)
PCIe CLK
(100 MHz)
PCI Express x16
12 USB Ports
IT8718
Floppy
PS/2 KB/Mouse
LPT Port
CPU CLK+/-
(400(O.C.)/333/266/200 MHz)
Center/Subwoofer Speaker Out
Line-Out
MIC
Line-In
SPDIF In
SPDIF Out
Side Speaker Out
Surround Speaker Out
CODEC COM Port
3 PCI Express x1
PCI Express Bus
PCIe CLK
(100 MHz)
LAN
RJ45
x1
x1
x1
ATA-133/100/66/33
IDE Channel RTL
8111B
2 SATA 3Gb/s
x1 x1
Only for GA-P35-DS3R.
Only for GA-P35-DS3.
Only for GA-P35-S3.
4 SATA 3Gb/s
GIGABYTE
SATA2

Hardware Installation- 9 -
English
1-1 Installation Precautions
The motherboard contains numerous delicate electronic circuits and components which can become
damaged as a result of electrostatic discharge (ESD). Prior to installation, carefully read the user's
manual and follow these procedures:
•Prior to installation, do not remove or break motherboard S/N (Serial Number) sticker or
warranty sticker provided by your dealer. These stickers are required for warranty validation.
•Always remove the AC power by unplugging the power cord from the power outlet before
installing or removing the motherboard or other hardware components.
•When connecting hardware components to the internal connectors on the motherboard,
make sure they are connected tightly and securely.
•When handling the motherboard, avoid touching any metal leads or connectors.
•It is best to wear an electrostatic discharge (ESD) wrist strap when handling electronic
components such as a motherboard, CPU or memory. If you do not have an ESD wrist strap,
keep your hands dry and first touch a metal object to eliminate static electricity.
•Prior to installing the motherboard, please have it on top of an antistatic pad or within an
electrostatic shielding container.
•Before unplugging the power supply cable from the motherboard, make sure the power supply
has been turned off.
•Before turning on the power, make sure the power supply voltage has been set according to
the local voltage standard.
•Before using the product, please verify that all cables and power connectors of your hardware
components are connected.
•To prevent damage to the motherboard, do not allow screws to come in contact with the
motherboard circuit or its components.
•Make sure there are no leftover screws or metal components placed on the motherboard or
within the computer casing.
•Do not place the computer system on an uneven surface
.
•Do not place the computer system in a high-temperature environment.
•Turning on the computer power during the installation process can lead to damage to system
components as well as physical harm to the user.
•If you are uncertain about any installation steps or have a problem related to the use of the
product, please consult a certified computer technician.
Chapter 1 Hardware Installation

GA-P35-DS3R/DS3/S3 Motherboard - 10 -
English
1-2 Product Specifications
CPU Support for an Intel® CoreTM 2 Extreme processor/
Intel® CoreTM 2 Quad processor/Intel® CoreTM 2 Duo processor/
Intel® Pentium® processor Extreme Edition/Intel® Pentium® D processor/
Intel® Pentium® 4 processor Extreme Edition/Intel® Pentium® 4 processor/
Intel® Celeron® processor in the LGA 775 package
(Go to GIGABYTE's website for the latest CPU support list.)
Support for Intel® Hyper-Threading Technology
L2 cache varies with CPU
Front Side Bus 1600(O.C.)/1333/1066/800 MHz FSB
Chipset North Bridge: Intel® P35 Express Chipset
South Bridge: Intel® ICH9R / ICH9
Memory 4 x 1.8V DDR2 DIMM sockets supporting up to 8 GB of system memory (Note 1)
Dual channel memory architecture
Support for DDR2 1200(O.C.)/1066/800/667 MHz memory modules
(Go to GIGABYTE's website for the latest memory support list.)
Audio Realtek ALC889A codec
High Definition Audio
2/4/5.1/7.1-channel
Support for S/PDIF In/Out
Support for CD In
LAN RTL 8111B chip (10/100/1000 Mbit)
Expansion Slots 1 x PCI Express x16 slot
3 x PCI Express x1 slots
3 x PCI slots
Storage Interface South Bridge:
- 6 x SATA 3Gb/s connectors (SATAII0, SATAII1, SATAII2, SATAII3,
SATAII4, SATAII5) supporting up to 6 SATA 3Gb/s devices
- 4 x SATA 3Gb/s connectors (SATAII0, SATAII1, SATAII4, SATAII5)
supporting up to 4 SATA 3Gb/s devices(Note 2)
- Support for SATA RAID 0, RAID 1, RAID 5, and RAID 10
GIGABYTE SATA2 chip:
- 1 x IDE connector supporting ATA-133/100/66/33 and up to 2 IDE devices
- 2 x SATA 3Gb/s connectors (GSATAII0, GSATAII1) supporting up to
2 SATA 3Gb/s devices
- Support for SATA RAID 0, RAID 1, and JBOD
iTE IT8718 chip:
- 1 x floppy disk drive connector supporting up to 1 floppy disk drive
Only for GA-P35-DS3R.
Only for GA-P35-DS3.
Only for GA-P35-S3.
"*" Only the GA-P35-DS3R/DS3 adopt All-Solid Capacitor design.

Hardware Installation- 11 -
English
USB Integrated in the South Bridge
Up to 12 USB 2.0/1.1 ports (8 on the back panel, 4 via the USB brackets
connected to the internal USB headers)
Internal Connectors 1 x 24-pin ATX main power connector
1 x 4-pin ATX 12V power connector
1 x floppy disk drive connector
1 x IDE connector
8 x SATA 3Gb/s connectors
6 x SATA 3Gb/s connectors
1 x CPU fan header
2 x system fan headers
1 x power fan header
1 x front panel header
1 x front panel audio header
1 x CD In connector
1 x S/PDIF In header
1 x S/PDIF Out header
2 x USB 2.0/1.1 headers
1 x parallel port header
1 x serial port header
1 x chassis intrusion header
1 x power LED header
Back Panel 1 x PS/2 keyboard port
Connectors 1 x PS/2 mouse port
1 x coaxial S/PDIF Out connector
1 x optical S/PDIF Out connector
8 x USB 2.0/1.1 ports
1 x RJ-45 port
6 x audio jacks (Center/Subwoofer Speaker Out/Rear Speaker Out/Side
Speaker Out/Line In/Line Out/Microphone)
I/O Controller iTE IT8718 chip
Hardware Monitor System voltage detection
CPU/System temperature detection
CPU/System/Power fan speed detection
CPU overheating warning
CPU/System/Power fan fail warning
CPU fan speed control (Note 3)
Only for GA-P35-DS3R.
Only for GA-P35-DS3.
Only for GA-P35-S3.

GA-P35-DS3R/DS3/S3 Motherboard - 12 -
English
BIOS 1 x 8 Mbit flash
Use of licensed AWARD BIOS
PnP 1.0a, DMI 2.0, SM BIOS 2.4, ACPI 1.0b
Unique Features Support for @BIOS
Support for Download Center
Support for Q-Flash
Support for EasyTune (Note 4)
Support for Xpress Install
Support for Xpress Recovery2
Support for Virtual Dual BIOS
Bundled Software Norton Internet Security (OEM version)
Operating System Support for Microsoft® Windows® Vista/XP/2000 (Note 5)
Form Factor ATX Form Factor; 30.5cm x 21.0cm
(Note 1) Due to Windows XP 32-bit operating system limitation, when more than 4 GB of physical
memory is installed, the actual memory size displayed will be less than 4 GB.
(Note 2) To enable hot plug capability for the SATA connectors (SATAII0, SATAII1, SATAII4, SATAII5)
controlled by the ICH9 South Bridge, you must install Windows Vista (on ICH9, hot plug is
supported in Windows Vista only) and configure the SATA connectors for AHCI mode. (Refer
to Chapter 2, "BIOS Setup," "Integrated Peripherals," for details on enabling AHCI.)
(Note 3) Whether the CPU fan speed control function is supported will depend on the CPU cooler you
install.
(Note 4) Available functions in Easytune may differ by motherboard model.
(Note 5) Due to chipset limitation, Intel ICH9R RAID driver does not support Windows 2000 operating
system.

Hardware Installation- 13 -
English
1-3 Installing the CPU and CPU Cooler
Read the following guidelines before you begin to install the CPU:
•Make sure that the motherboard supports the CPU.
(Go to GIGABYTE's website for the latest CPU support list.)
•Always turn off the computer and unplug the power cord from the power outlet before
installing the CPU to prevent hardware damage.
•Locate the pin one of the CPU. The CPU cannot be inserted if oriented incorrectly. (Or you
may locate the notches on both sides of the CPU and alignment keys on the CPU socket.)
•Apply an even and thin layer of thermal grease on the surface of the CPU.
•Do not turn on the computer if the CPU cooler is not installed, otherwise overheating and
damage of the CPU may occur.
•Set the CPU host frequency in accordance with the CPU specifications. It is not recom-
mended that the system bus frequency be set beyond hardware specifications since it
does not meet the standard requirements for the peripherals. If you wish to set the fre-
quency beyond the standard specifications, please do so according to your hardware
specifications including the CPU, graphics card, memory, hard drive, etc.
Hyper-Threading Technology System Requirements:
(Go to Intel's website for more information about the Hyper-Threading Technology)
•An Intel® CPU that supports HT Technology
•A chipset that supports HT Technology
•An operating system that is optimized for HT Technology
•A BIOS that supports HT Technology and has it enabled
(Refer to Chapter 2, "BIOS Setup," "Advanced BIOS Features," for instructions on enabling
the HT Technology.)
1-3-1 Installing the CPU
A. Locate the alignment keys on the motherboard CPU socket and the notches on the CPU.
NotchNotch
Alignment Key
Alignment Key
LGA 775 CPU
LGA775 CPU Socket
Pin One Corner of the CPU Socket
Triangle Pin One Marking on the CPU

GA-P35-DS3R/DS3/S3 Motherboard - 14 -
English
B. Follow the steps below to correctly install the CPU into the motherboard CPU socket.
Step 2:
Remove the protective socket cover.
Before installing the CPU, make sure to turn off the computer and unplug the power
cord from the power outlet to prevent damage to the CPU.
Step 1:
Completely raise the CPU socket lever.
Step 4:
Hold the CPU with your thumb and index
fingers. Align the CPU pin one marking (triangle)
with the pin one corner of the CPU socket (or
you may align the CPU notches with the socket
alignment keys) and gently insert the CPU
into position.
Step 3:
Lift the metal load plate on the CPU socket.
Step 5:
Once the CPU is properly inserted, replace
the load plate and push the CPU socket lever
back into its locked position.
CPU Socket Lever

Hardware Installation- 15 -
English
1-3-2 Installing the CPU Cooler
Follow the steps below to correctly install the CPU cooler on the motherboard. (The following procedure
uses Intel® boxed cooler as the example cooler.)
Step 1:
Apply an even and thin layer of thermal grease
on the surface of the installed CPU.
Step 3:
Place the cooler atop the CPU, aligning the
four push pins through the pin holes on the
motherboard. Push down on the push pins
diagonally.
Step 4:
You should hear a "click" when pushing down each
push pin. Check that the Male and Female push pins
are joined closely. (Refer to your CPU cooler instal-
lation manual for instructions on installing the cooler.)
Use extreme care when removing the CPU cooler because the thermal grease/tape between
the CPU cooler and CPU may adhere to the CPU. Inadequately removing the CPU cooler may
damage the CPU.
Step 5:
After the installation, check the back of the
motherboard. If the push pin is inserted as the
picture above, the installation is complete.
Step 6:
Finally, attach the power connector of the CPU
cooler to the CPU fan header (CPU_FAN) on
the motherboard.
Male
Push Pin
Female
Push Pin
The Top
of Female
Push Pin
Direction of
the Arrow Sign
on the Male
Push Pin
Step 2:
Before installing the cooler, note the direction
of the arrow sign on the male push pin.
(Turning the push pin along the direction of
arrow is to remove the cooler, on the contrary,
is to install.)

GA-P35-DS3R/DS3/S3 Motherboard - 16 -
English
1-4 Installing the Memory
Read the following guidelines before you begin to install the memory:
•Make sure that the motherboard supports the memory. It is recommended that memory of
the same capacity, brand, speed, and chips be used.
(Go to GIGABYTE's website for the latest memory support list.)
•Always turn off the computer and unplug the power cord from the power outlet before
installing the memory to prevent hardware damage.
•Memory modules have a foolproof design. A memory module can be installed in only one
direction. If you are unable to insert the memory, switch the direction.
Due to chipset limitation, read the following guidelines before installing the memory in Dual Channel mode.
1. Dual Channel mode cannot be enabled if only one DDR2 memory module is installed.
2. When enabling Dual Channel mode with two or four memory modules, it is recommended that
memory of the same capacity, brand, speed, and chips be used and installed in the same
colored DDR2 sockets for optimum performance.
When memory modules of different capacity and chips are installed, a message which says
memory is operating in Flex Memory Mode will appear during the POST. Intel® Flex Memory
Technology offers greater flexibility to upgrade by allowing different memory sizes to be
populated and remain in Dual Channel mode/performance.
Two Modules
Four Modules
DDRII1 DDRII2 DDRII3 DDRII4
DS/SS - - DS/SS - -
- - DS/SS - - DS/SS
DS/SS DS/SS DS/SS DS/SS
Dual Channel Memory Configurations Table
(SS=Single-Sided, DS=Double-Sided, "- -"=No Memory)
DDRII1
DDRII2
DDRII3
DDRII4
1-4-1 Dual Channel Memory Configuration
This motherboard provides four DDR2 memory sockets and supports Dual Channel
Technology. After the memory is installed, the BIOS will automatically detect the
specifications and capacity of the memory. Enabling Dual Channel memory mode
will double the original memory bandwidth.
The four DDR2 memory sockets are divided into two channels and each channel has two memory
sockets as following:
Channel 0: DDRII1, DDRII2
Channel 1: DDRII3, DDRII4

Hardware Installation- 17 -
English
1-4-2 Installing a Memory
Notch
DDR2 DIMM
Before installing a memory module , make sure to turn off the computer and unplug
the power cord from the power outlet to prevent damage to the memory module.
DDR2 DIMMs are not compatible to DDR DIMMs. Be sure to install DDR2 DIMMs on
this motherboard.
A DDR2 memory module has a notch, so it can only fit in one direction. Follow the steps below to
correctly install your memory modules in the memory sockets.
Step 1:
Note the orientation of the memory module. Spread the retaining
clips at both ends of the memory socket. Place the memory
module on the socket. As indicated in the picture on the left,
place your fingers on the top edge of the memory, push down
on the memory and insert it vertically into the memory socket.
Step 2:
The clips at both ends of the socket will snap into place when
the memory module is securely inserted.

GA-P35-DS3R/DS3/S3 Motherboard - 18 -
English
1-5 Installing an Expansion Card
Read the following guidelines before you begin to install an expansion card:
•Make sure the motherboard supports the expansion card. Carefully read the manual that
came with your expansion card.
•Always turn off the computer and unplug the power cord from the power outlet before
installing an expansion card to prevent hardware damage.
PCI Express x16 Slot
PCI Express x1 Slot
Follow the steps below to correctly install your expansion card in the expansion slot.
1. Locate an expansion slot that supports your card. Remove the metal slot cover from the chassis back panel.
2. Align the card with the slot, and press down on the card until it is fully seated in the slot.
3. Make sure the metal contacts on the card are completely inserted into the slot.
4. Secure the card's metal bracket to the chassis back panel with a screw.
5. After installing all expansion cards, replace the chassis cover(s).
6. Turn on your computer. If necessary, go to BIOS Setup to make any required BIOS changes for
your expansion card(s).
7. Install the driver provided with the expansion card in your operating system.
Example: Installing and Removing a PCI Express x16 Graphics Card:
•Installing a Graphics Card:
Gently insert the graphics card into the PCI Ex-
press x16 slot. Make sure the graphics card is
locked by the latch at the end of the PCI Ex-
press x16 slot.
•Removing the Card:
Press the white latch at the end of the PCI Express x16 slot to release the
card and then pull the card straight up from the slot.
PCI Slot

Hardware Installation- 19 -
English
1-6 Installing the SATA Bracket
The SATA bracket includes one SATA bracket, one
SATA signal cable, and one SATA power cable.
SATA Bracket SATA Power CableSATA Signal Cable
Step 1:
Locate one free PCI
slot and secure the
SATA bracket to the
chassis back panel
with a screw.
Follow the steps below to install the SATA bracket:
Step 2:
Connect the SATA
cable from the
bracket to the SATA
port on your
motherboard.
Step 3:
Connect the power
cable from the
bracket to the power
supply.
Step 4:
Plug one end of the
SATA signal cable into
the external SATA
connector on the
bracket. Then attach
the SATA power cable
to the power connec-
tor on the bracket.
External
SATA
Connector Power
Connector External SATA
Connector
The SATA bracket allows you to connect external SATA device(s) to your system by expanding the
internal SATA port(s) to the chassis back panel.
•Turn off your system and the power switch on the power supply before installing or
removing the SATA bracket and SATA power cable to prevent damage to hardware.
•Insert the SATA signal cable and SATA power cable securely into the corresponding connec-
tors when installing.
Step 5:
Connect the other ends of the SATA signal cable and SATA power cable
to your SATA device. For SATA device in external enclosure, you only
need to connect the SATA signal cable. Before connecting the SATA signal
cable, make sure to turn off the power of the external enclosure.
"*" The SATA bracket is included with the GA-P35-DS3R/DS3 only.

GA-P35-DS3R/DS3/S3 Motherboard - 20 -
English
1-7 Back Panel Connectors
PS/2 Keyboard and PS/2 Mouse Port
Use the upper port (green) to connect a PS/2 mouse and the lower port (purple) to connect a PS/2
keyboard.
Coaxial S/PDIF Out Connector
This connector provides digital audio out to an external audio system that supports digital coaxial
audio. Before using this feature, ensure that your audio system provides a coaxial digital audio in
connector.
Optical S/PDIF Out Connector
This connector provides digital audio out to an external audio system that supports digital optical
audio. Before using this feature, ensure that your audio system provides an optical digital audio in
connector.
USB Port
The USB port supports the USB 2.0/1.1 specification. Use this port for USB devices such as an
USB keyboard/mouse, USB printer, USB flash drive and etc.
RJ-45 LAN Port
The Gigabit Ethernet LAN port provides Internet connection at up to 1 Gbps data rate. The following
describes the states of the LAN port LEDs.
Activity LED
Connection/
Speed LED
LAN Port
Activity LED:
State Description
Blinking Data transmission or receiving is occurring
Off No data transmission or receiving is occurring
Connection/Speed LED:
State Description
Orange 1 Gpbs data rate
Green 100 Mpbs data rate
Off 10 Mpbs data rate
•When removing the cable connected to a back panel connector, first remove the cable
from your device and then remove it from the motherboard.
•When removing the cable, pull it straight out from the connector. Do not rock it side to side
to prevent an electrical short inside the cable connector.

Hardware Installation- 21 -
English
Center/Subwoofer Speaker Out Jack (Orange)
Use this audio jack to connect center/subwoofer speakers in a 5.1/7.1-channel audio configuration.
Rear Speaker Out Jack (Black)
Use this audio jack to connect rear speakers in a 4/5.1/7.1-channel audio configuration.
Side Speaker Out Jack (Gray)
Use this audio jack to connect side speakers in a 7.1-channel audio configuration.
Line In Jack (Blue)
The default line in jack. Use this audio jack for line in devices such as an optical drive, walkman, etc.
Line Out Jack (Green)
The default line out jack. Use this audio jack for a headphone or 2-channel speaker. This jack can
be used to connect front speakers in a 4/5.1/7.1-channel audio configuration.
Mic In Jack (Pink)
The default Mic in jack. Microphones must be connected to this jack.
In addition to the default speakers settings, the ~audio jacks can be reconfigured to
perform different functions via the audio software. Only microphones still MUST be
connected to the default Mic in jack ( ). Refer to the instructions on setting up a 2/4/5.1/
7.1-channel audio configuration in Chapter 5, "Configuring 2/4/5.1/7.1-Channel Audio."

GA-P35-DS3R/DS3/S3 Motherboard - 22 -
English
1-8 Internal Connectors
Read the following guidelines before connecting external devices:
•First make sure your devices are compliant with the connectors you wish to connect.
•Before installing the devices, be sure to turn off the devices and your computer. Unplug the
power cord from the power outlet to prevent damage to the devices.
•After installing the device and before turning on the computer, make sure the device cable
has been securely attached to the connector on the motherboard.
2
31
18
7
5
14
22 11
6
4
13
16
12
17
1) ATX_12V
2) ATX
3) CPU_FAN
4) SYS_FAN1
5) SYS_FAN2
6) PWR_FAN
7) FDD
8) IDE1
9) SATAII0/1/2 /3 /4/5
10) GSATAII0/1
11) PWR_LED
12) BATTERY
13) F_PANEL
14) F_AUDIO
15) CD_IN
16) SPDIF_I
17) SPDIF_O
18) F_USB1/F_USB2
19) COMA
20) LPT
21) CLR_CMOS
22) CI
201915
21
9
8
10
Only for GA-P35-DS3R.

Hardware Installation- 23 -
English
1/2) ATX_12V/ATX (2x2 12V Power Connector and 2x12 Main Power Connector)
With the use of the power connector, the power supply can supply enough stable power to all the
components on the motherboard. Before connecting the power connector, first make sure the
power supply is turned off and all devices are properly installed. The power connector possesses
a foolproof design. Connect the power supply cable to the power connector in the correct orientation.
The 12V power connector mainly supplies power to the CPU. If the 12V power connector is not
connected, the computer will not start.
•To meet expansion requirements, it is recommended that a power supply that can withstand
high power consumption be used (400W or greater). If a power supply is used that does not
provide the required power, the result can lead to an unstable or unbootable system.
•The main power connector is compatible with power supplies with 2x10 power
connectors. When using a 2x12 power supply, remove the protective cover from the
main power connector on the motherboard. Do not insert the power supply cable into pins
under the protective cover when using a 2x10 power supply.
131
24
12
ATX_12V :
ATX
ATX :
Pin No. Definition
1 GND
2 GND
3 +12V
4 +12V
Pin No. Definition
13 3.3V
14 -12V
15 GND
16 PS_ON(soft On/Off)
17 GND
18 GND
19 GND
20 -5V
21 +5V
22 +5V
23 +5V (Only for 2x12-pin ATX)
24 GND (Only for 2x12-pin ATX)
Pin No. Definition
1 3.3V
2 3.3V
3 GND
4 +5V
5 GND
6 +5V
7 GND
8 Power Good
9 5V SB(stand by +5V)
10 +12V
11 +12V (Only for 2x12-pin ATX)
12 3.3V (Only for 2x12-pin ATX)
ATX_12V
1
3
2
4

GA-P35-DS3R/DS3/S3 Motherboard - 24 -
English
•Be sure to connect fan cables to the fan headers to prevent your CPU and system from
overheating. Overheating may result in damage to the CPU or the system may hang.
•These fan headers are not configuration jumper blocks. Do not place a jumper cap on the
headers.
3/4/5/6) CPU_FAN/SYS_FAN1/SYS_FAN2/PWR_FAN (Fan Headers)
The motherboard has a 4-pin CPU fan header (CPU_FAN), a 3-pin system fan header (SYS_FAN1),
a 4-pin system fan header (SYS_FAN2) and a 3-pin power fan header (PWR_FAN). Each fan
header supplies a +12V power voltage and possesses a foolproof insertion design. When connect-
ing a fan cable, be sure to connect it in the correct orientation. Most fans are designed with color-
coded power connector wires. A red power connector wire indicates a positive connection and
requires a +12V voltage. The black connector wire is the ground wire. The motherboard supports
CPU fan speed control, which requires the use of a CPU fan with fan speed control design. For
optimum heat dissipation, it is recommended that a system fan be installed inside the chassis.
1
1
CPU_FAN
SYS_FAN1 / PWR_FAN
Pin No. Definition
1 GND
2 +12V
3 Sense
SYS_FAN1 / PWR_FAN :
7) FDD (Floppy Disk Drive Connector)
This connector is used to connect a floppy disk drive. The types of floppy disk drives supported
are: 360 KB, 720 KB, 1.2 MB, 1.44 MB, and 2.88 MB. Before connecting a floppy disk drive, be
sure to locate pin 1 of the connector and the floppy disk drive cable. The pin 1 of the cable is
typically designated by a stripe of different color.
1
2
33
34
1
SYS_FAN2
Pin No. Definition
1 GND
2 Speed Control
3 Sense
4 +5V / Speed Control
CPU_FAN (For PCB rev. 2.0):
Pin No. Definition
1 GND
2 Speed Control
3 Sense
4 +5V
SYS_FAN2:
Pin No. Definition
1 GND
2 +12V
3 Sense
4 +5V / Speed Control
CPU_FAN (For PCB rev. 2.1):

Hardware Installation- 25 -
English
8) IDE1 (IDE Connector)
The IDE connector supports up to two IDE devices such as hard drives and optical drives. Before
attaching the IDE cable, locate the foolproof groove on the connector. If you wish to connect two IDE
devices, remember to set the jumpers and the cabling according to the role of the IDE devices (for
example, master or slave). (For information about configuring master/slave settings for the IDE
devices, read the instructions from the device manufacturers.)
240
139
9) SATAII0/1/2/3/4/5 (SATA 3Gb/s Connectors, Controlled by ICH9R, Orange)
The SATA connectors conform to SATA 3Gb/s standard and are compatible with SATA 1.5Gb/s
standard. Each SATA connector supports a single SATA device. The ICH9R controller supports
RAID 0, RAID 1, RAID 5 and RAID 10. Refer to Chapter 5, "Configuring SATA Hard Drive(s)," for
instructions on configuring a RAID array. Pin No. Definition
1 GND
2 TXP
3 TXN
4 GND
5 RXN
6 RXP
7 GND
7
17
1SATAII0
SATAII1
7
17
1
SATAII2
SATAII3
•A RAID 0 or RAID 1 configuration requires at least two hard drives. If more than two hard
drives are to be used, the total number of hard drives must be an even number.
•A RAID 5 configuration requires at least three hard drives. (The total number of hard
drives does not have to be an even number.)
•A RAID 10 configuration requires at least four hard drives and the total number of hard
drives must be an even number.
Only for GA-P35-DS3R.
7
17
1
SATAII4
SATAII5
Please connect the L-shaped end of the
SATA 3Gb/s cable to your SATA hard drive.

GA-P35-DS3R/DS3/S3 Motherboard - 26 -
English
10) GSATAII0/1 (SATA 3Gb/s Connectors, Controlled by GIGABYTE SATA2, Purple)
The SATA connectors conform to SATA 3Gb/s standard and are compatible with SATA 1.5Gb/s
standard. Each SATA connector supports a single SATA device. The GIGABYTE SATA2 controller
supports RAID 0 and RAID 1. Refer to Chapter 5, "Configuring SATA Hard Drive(s)," for instructions
on configuring a RAID array. Pin No. Definition
1 GND
2 TXP
3 TXN
4 GND
5 RXN
6 RXP
7 GND
A RAID 0 or RAID 1 configuration requires at least two hard drives. If more than two hard
drives are to be used, the total number of hard drives must be an even number.
7
17
1
GSATAII0
GSATAII1
9) SATAII0/1/4/5 (SATA 3Gb/s Connectors, Controlled by ICH9, Orange)
The SATA connectors conform to SATA 3Gb/s standard and are compatible with SATA 1.5Gb/s
standard. Each SATA connector supports a single SATA device.
Pin No. Definition
1 GND
2 TXP
3 TXN
4 GND
5 RXN
6 RXP
7 GND
7
17
1SATAII0
SATAII1
7
17
1SATAII4
SATAII5
Only for GA-P35-DS3.
Only for GA-P35-S3.
Please connect the L-shaped end of the
SATA 3Gb/s cable to your SATA hard drive.

Hardware Installation- 27 -
English
11) PWR_LED (System Power LED Header)
This header can be used to connect a system power LED on the chassis to indicate system power
status. The LED is on when the system is operating. The LED keeps blinking when the system is
in S1 sleep state. The LED is off when the system is in S3/S4 sleep state or powered off (S5).
Pin No. Definition
1 MPD+
2 MPD-
3 MPD-
1
System Status LED
S0 On
S1 Blinking
S3/S4/S5 Off
•Always turn off your computer and unplug the power cord before replacing the battery.
•Replace the battery with an equivalent one. Danger of explosion if the battery is replaced
with an incorrect model.
•Contact the place of purchase or local dealer if you are not able to replace the battery by
yourself or uncertain about the battery model.
•When installing the battery, note the orientation of the positive side (+) and the negative
side (-) of the battery (the positive side should face up).
•Used batteries must be handled in accordance with local environmental regulations.
You may clear the CMOS values by removing the battery:
1. Turn off your computer and unplug the power cord.
2. Gently remove the battery from the battery holder and wait for one minute.
(Or use a metal object like a screwdriver to touch the positive and
negative terminals of the battery holder, making them short for 5 seconds.)
3. Replace the battery.
4. Plug in the power cord and restart your computer.
12) BATTERY
The battery provides power to keep the values (such as BIOS configurations, date, and time
information) in the CMOS when the computer is turned off. Replace the battery when the battery
voltage drops to a low level, or the CMOS values may not be accurate or may be lost.

GA-P35-DS3R/DS3/S3 Motherboard - 28 -
English
13) F_PANEL (Front Panel Header)
Connect the power switch, reset switch, speaker and system status indicator on the chassis front
panel to this header according to the pin assignments below. Note the positive and negative pins
before connecting the cables.
1
219
20
HD-
HD+
RES+
RES-
NC
SPEAK-
MSG-MSG+
PW- PW+
Message/Power/
Sleep LED Speaker
Connector
SPEAK+
Power
Switch
IDE Hard Disk
Active LED Reset
Switch
•PW (Power Switch, Red):
Connects to the power switch on the chassis front panel. You may configure the way to turn off
your system using the power switch (refer to Chapter 2, "BIOS Setup," "Power Management
Setup," for more information).
•SPEAK (Speaker, Orange):
Connects to the speaker on the chassis front panel. The system reports system startup status
by issuing a beep code. One single short beep will be heard if no problem is detected at system
startup. If a problem is detected, the BIOS may issue beeps in different patterns to indicate the
problem. Refer to Chapter 5, "Troubleshooting," for information about beep codes.
•HD (IDE Hard Drive Activity LED, Blue)
Connects to the hard drive activity LED on the chassis front panel. The LED is on when the hard
drive is reading or writing data.
•RES (Reset Switch, Green):
Connects to the reset switch on the chassis front panel. Press the reset switch to restart the
computer if the computer freezes and fails to perform a normal restart.
•NC (Purple):
No connection
System Status LED
S0 On
S1 Blinking
S3/S4/S5 Off
•MSG (Message/Power/Sleep LED, Yellow):
Connects to the power status indicator on the chassis front panel. The
LED is on when the system is operating. The LED keeps blinking when
the system is in S1 sleep state. The LED is off when the system is in
S3/S4 sleep state or powered off (S5).
The front panel design may differ by chassis. A front panel module mainly consists of
power switch, reset switch, power LED, hard drive activity LED, speaker and etc. When
connecting your chassis front panel module to this header, make sure the wire assign-
ments and the pin assignments are matched correctly.

Hardware Installation- 29 -
English
14) F_AUDIO (Front Panel Audio Header)
The front panel audio header supports Intel High Definition audio (HD) and AC'97 audio. You may
connect your chassis front panel audio module to this header. Make sure the wire assignments of
the module connector match the pin assignments of the motherboard header. Incorrect connection
between the module connector and the motherboard header will make the device unable to work
or even damage it.
10
9
21 For AC'97 Front Panel Audio:
Pin No. Definition
1 MIC2_L
2 GND
3 MIC2_R
4 -ACZ_DET
5 LINE2_R
6 GND
7 FAUDIO_JD
8 No Pin
9 LINE2_L
10 GND
For HD Front Panel Audio:
•The front panel audio header supports HD audio by default. If your chassis provides an
AC'97 front panel audio module, refer to the instructions on how to activate AC'97 functioninality
via the audio software in Chapter 5, "Configuring 2/4/5.1/7.1-Channel Audio."
•When using an AC'97 front panel audio module, you can use either the front or the back
panel audio connectors, but not both at the same time.
•Some chassis provide a front panel audio module that has separated connectors on each
wire instead of a single plug. For information about connecting the front panel audio
module that has different wire assignments, please contact the chassis manufacturer.
Pin No. Definition
1 MIC
2 GND
3 MIC Power
4NC
5 Line Out (R)
6NC
7NC
8 No Pin
9 Line Out (L)
10 NC
15) CD_IN (CD In Connector)
You may connect the audio cable that came with your optical drive to the header.
Pin No. Definition
1 CD-L
2 GND
3 GND
4 CD-R
1

GA-P35-DS3R/DS3/S3 Motherboard - 30 -
English
16) SPDIF_I (S/PDIF In Header)
This header supports digital S/PDIF in and can connect to an audio device that supports digital
audio out via an optional S/PDIF in cable. For purchasing the optional S/PDIF in cable, please
contact the local dealer.
Pin No. Definition
1 Power
2 SPDIFI
3 GND
1
17) SPDIF_O (S/PDIF Out Header)
This header supports digital S/PDIF out and connects a S/PDIF digital audio cable (provided by
expansion cards) for digital audio output from your motherboard to certain expansion cards like
graphics cards and sound cards. For example, some graphics cards may require you to use a
S/PDIF digital audio cable for digital audio output from your motherboard to your graphics card if
you wish to connect an HDMI display to the graphics card and have digital audio output from the
HDMI display at the same time. For information about connecting the S/PDIF digital audio cable,
carefully read the manual for your expansion card.
Pin No. Definition
1 SPDIFO
2 GND
1

Hardware Installation- 31 -
English
18) F_USB1/F_USB2 (USB Headers, Yellow)
The headers conform to USB 2.0/1.1 specification. Each USB header can provide two USB ports
via an optional USB bracket. For purchasing the optional USB bracket, please contact the local
dealer.
Pin No. Definition
1 Power (5V)
2 Power (5V)
3 USB DX-
4 USB DY-
5 USB DX+
6 USB DY+
7 GND
8 GND
9 No Pin
10 NC
•Do not plug the IEEE 1394 bracket (2x5-pin) cable into the USB header.
•Prior to installing the USB bracket, be sure to turn off your computer and unplug the
power cord from the power outlet to prevent damage to the USB bracket.
9210 1
10
9
2
1
19) COMA (Serial Port Header)
The COMA header can provide one serial port via an optional COM port cable. For purchasing the
optional COM port cable, please contact the local dealer.
Pin No. Definition
1 NDCD A-
2 NSIN A
3 NSOUT A
4 NDTR A-
5 GND
6 NDSR A-
7 NRTS A-
8 NCTS A-
9 NRI A-
10 No Pin

GA-P35-DS3R/DS3/S3 Motherboard - 32 -
English
20) LPT (Parallel Port Header)
The LPT header can provide one parallel port via an optional LPT port cable. For purchasing the
optional LPT port cable, please contact the local dealer.
26
25
2
1
Pin No. Definition
1 STB-
2 AFD-
3 PD0
4 ERR-
5 PD1
6 INIT-
7 PD2
8 SLIN-
9 PD3
10 GND
11 PD4
12 GND
13 PD5
Pin No. Definition
14 GND
15 PD6
16 GND
17 PD7
18 GND
19 ACK-
20 GND
21 BUSY
22 GND
23 PE
24 No Pin
25 SLCT
26 GND
Open: Normal
Short: Clear CMOS Values
21) CLR_CMOS (Clearing CMOS Jumper)
Use this jumper to clear the CMOS values (e.g. date information and BIOS configurations) and
reset the CMOS values to factory defaults. To clear the CMOS values, place a jumper cap on the
two pins to temporarily short the two pins or use a metal object like a screwdriver to touch the two
pins for a few seconds.
•Always turn off your computer and unplug the power cord from the power outlet before
clearing the CMOS values.
•After clearing the CMOS values and before turning on your computer, be sure to remove
the jumper cap from the jumper. Failure to do so may cause damage to the motherboard.
•After system restart, go to BIOS Setup to load factory defaults (select Load Optimized
Defaults) or manually configure the BIOS settings (refer to Chapter 2, "BIOS Setup," for
BIOS configurations).

Hardware Installation- 33 -
English
22) CI (Chassis Intrusion Header)
This motherboard provides a chassis detection feature that detects if the chassis cover has been
removed. This function requires a chassis with chassis intrusion detection design.
Pin No. Definition
1 Signal
2 GND
1

GA-P35-DS3R/DS3/S3 Motherboard - 34 -
English

- 35 - BIOS Setup
English
Chapter 2 BIOS Setup
BIOS (Basic Input and Output System) records hardware parameters of the system in the CMOS on the
motherboard. Its major functions include conducting the Power-On Self-Test (POST) during system
startup, saving system parameters and loading operating system, etc. BIOS includes a BIOS Setup
program that allows the user to modify basic system configuration settings or to activate certain system
features. When the power is turned off, the battery on the motherboard supplies the necessary power
to the CMOS to keep the configuration values in the CMOS.
To access the BIOS Setup program, press the <Delete> key during the POST when the power is turned
on. To see more advanced BIOS Setup menu options, you can press <Ctrl> + <F1> in the main menu
of the BIOS Setup program.
To upgrade the BIOS, use either the GIGABYTE Q-Flash or @BIOS utility.
•Q-Flash allows the user to quickly and easily upgrade or back up BIOS without entering the
operating system.
•@BIOS is a Windows-based utility that searches and downloads the latest version of BIOS from the
Internet and updates the BIOS.
For instructions on using the Q-Flash and @BIOS utilities, refer to Chapter 4, "BIOS Update Utilities."
•Because BIOS flashing is potentially risky, if you do not encounter problems using the
current version of BIOS, it is recommended that you not flash the BIOS. To flash the BIOS,
do it with caution. Inadequate BIOS flashing may result in system malfunction.
•BIOS will emit a beep code during the POST. Refer to Chapter 5, "Troubleshooting," for the
beep codes description.
•It is recommended that you not alter the default settings (unless you need to) to prevent
system instability or other unexpected results. Inadequately altering the settings may result
in system's failure to boot. If this occurs, try to clear the CMOS values and reset the board
to default values. (Refer to the "Load Optimized Defaults" section in this chapter or introduc-
tions of the battery/clearing CMOS jumper in Chapter 1 for how to clear the CMOS values.)

GA-P35-DS3R/DS3/S3 Motherboard - 36 -
English
Function Keys:
<TAB>: POST Screen
Press the <Tab> key to show the BIOS POST screen. To show the BIOS POST screen at system
startup, refer to the instructions on the Full Screen LOGO Show item on page 42.
<DEL>: BIOS Setup
Press the <Delete> key to enter BIOS Setup.
<F9>: Xpress Recovery2
If you have ever entered Xpress Recovery2 to back up hard drive data using the driver disk, the
<F9> key can be used for subsequent access to XpressRecovery2 during the POST. For more
information, refer to Chapter 4, "Xpress Recovery2."
<F12>: Boot Menu
Boot Menu allows you to set the first boot device without entering BIOS Setup. In Boot Menu, use
the up arrow key < > or the down arrow key< > to select the first boot device, then press <Enter>
to accept. To exit Boot Menu, press <Esc>. The system will directly boot from the device
configured in Boot Menu.
Note: The setting in Boot Menu is effective for one time only. After system restart, the device boot
order will still be based on BIOS Setup settings. You can access Boot Menu again to change the first
boot device setting as needed.
<End>: Q-Flash
Press the <End> key to access the Q-Flash utility directly without having to enter BIOS Setup first.
2-1 Startup Screen
The following screens may appear when the computer boots.
A. The LOGO Screen (Default)
<TAB>:POST Screen <DEL>:BIOS Setup/Q-Flash <F9>:XpressRecovery2 <F12>:Boot Menu <END>:Qflash
Function Keys
B. The POST Screen
Award Modular BIOS v6.00PG, An Energy Star Ally
Copyright (C) 1984-2007, Award Software, Inc.
Intel P35 BIOS for P35-DS3R F5c
.
.
.
.
<DEL>: BIOS Setup/Q-Flash <F9>: XpressRecovery2 <F12>: Boot Menu <End>: Qflash
07/05/2007-P35-ICH9-6A79OG07C-00
Motherboard Model
BIOS Version
Function Keys

- 37 - BIOS Setup
English
2-2 The Main Menu
Once you enter the BIOS Setup program, the Main Menu (as shown below) appears on the screen. Use
arrow keys to move among the items and press <Enter> to accept or enter a sub-menu.
(Sample BIOS Version: GA-P35-DS3R F5c)
Main Menu Help
The onscreen description of a highlighted setup option is displayed on the bottom line of the Main Menu.
Submenu Help
While in a submenu, press <F1> to display a help screen (General Help) of function keys available for
the menu. Press <Esc> to exit the help screen. Help for each item is in the Item Help block on the right
side of the submenu.
BIOS Setup Program Function Keys
<>< >< >< > Move the selection bar to select an item
<Enter> Execute command or enter the submenu
<Esc> Main Menu: Exit the BIOS Setup program
Submenus: Exit current submenu
<Page Up> Increase the numeric value or make changes
<Page Down> Decrease the numeric value or make changes
<F1> Show descriptions of the function keys
<F2> Move cursor to the Item Help block on the right (submenus only)
<F5> Restore the previous BIOS settings for the current submenus
<F6> Load the Fail-Safe BIOS default settings for the current submenus
<F7> Load the Optimized BIOS default settings for the current submenus
<F8> Access the Q-Flash utility
<F9> Display system information
<F10> Save all the changes and exit the BIOS Setup program
<F11> Save CMOS to BIOS
<F12> Load CMOS from BIOS
•If you do not find the settings you want in the Main Menu or a submenu, press <Ctrl>+<F1>
to access more advanced options.
•When the system is not stable as usual, select the Load Optimized Defaults item to set
your system to its defaults.
•The BIOS Setup menus described in this chapter are for reference only and may differ by
BIOS version.
CMOS Setup Utility-Copyright (C) 1984-2007 Award Software
`Standard CMOS Features
`Advanced BIOS Features
`Integrated Peripherals
`Power Management Setup
`PnP/PCI Configurations
`PC Health Status
`MB Intelligent Tweaker(M.I.T.)
Load Fail-Safe Defaults
Load Optimized Defaults
Set Supervisor Password
Set User Password
Save & Exit Setup
Exit Without Saving
ESC: Quit KLJI: Select Item F11: Save CMOS to BIOS
F8: Q-Flash F10: Save & Exit Setup F12: Load CMOS from BIOS
Time, Date, Hard Disk Type...

GA-P35-DS3R/DS3/S3 Motherboard - 38 -
English
The Functions of the <F11> and <F12> keys (For the Main Menu Only)
` F11 : Save CMOS to BIOS
This function allows you to save the current BIOS settings to a profile. You can create up to 8
profiles (Profile 1-8) and name each profile. First enter the profile name (to erase the default profile
name, use the SPACE key) and then press <Enter> to complete.
` F12 : Load CMOS from BIOS
If your system becomes unstable and you have loaded the BIOS default settings, you can use this
function to load the BIOS settings from a profile created before, without the hassles of reconfiguring
the BIOS settings. First select the profile you wish to load, then press <Enter> to complete.
Standard CMOS Features
Use this menu to configure the system time and date, hard drive types, floppy disk drive types,
and the type of errors that stop the system boot, etc.
Advanced BIOS Features
Use this menu to configure the device boot order, advanced features available on the CPU, and
the primary display adapter.
Integrated Peripherals
Use this menu to configure all peripheral devices, such as IDE, SATA, USB, integrated audio, and
integrated LAN, etc.
Power Management Setup
Use this menu to configure all the power-saving functions.
PnP/PCI Configurations
Use this menu to configure the system's PCI & PnP resources.
PC Health Status
Use this menu to see information about autodetected system/CPU temperature, system voltage
and fan speed, etc.
MB Intelligent Tweaker(M.I.T.)
Use this menu to configure the clock, frequency and voltages of your CPU, memory, etc.
Load Fail-Safe Defaults
Fail-Safe defaults are factory settings for the most stable, minimal-performance system operations.
Load Optimized Defaults
Optimized defaults are factory settings for optimal-performance system operations.
Set Supervisor Password
Change, set, or disable password. It allows you to restrict access to the system and BIOS Setup.
A supervisor password allows you to make changes in BIOS Setup.
Set User Password
Change, set, or disable password. It allows you to restrict access to the system and BIOS Setup.
An user password only allows you to view the BIOS settings but not to make changes.
Save & Exit Setup
Save all the changes made in the BIOS Setup program to the CMOS and exit BIOS Setup.
(Pressing <F10> can also carry out this task.)
Exit Without Saving
Abandon all changes and the previous settings remain in effect. Pressing <Y> to the confirmation
message will exit BIOS Setup. (Pressing <Esc> can also carry out this task.)

- 39 - BIOS Setup
English
2-3 Standard CMOS Features
Date
Sets the system date. The date format is week (read-only), month, date and year. Select the
desired field and use the up arrow or down arrow key to set the date.
Time
Sets the system time. For example, 1 p.m. is 13:0:0. Select the desired field and use the up arrow
or down arrow key to set the time.
IDE Channel 0, 1 Master/Slave
IDE HDD Auto-Detection
Press <Enter> to autodetect the parameters of the IDE/SATA device on this channel.
IDE Channel 0, 1 Master/Slave
Configure your IDE/SATA devices by using one of the three methods below:
• Auto Lets BIOS automatically detect IDE/SATA devices during the POST. (Default)
• None If no IDE/SATA devices are used, set this item to None so the system will
skip the detection of the device during the POST for faster system startup.
• Manual Allows you to manually enter the specifications of the hard drive when the
hard drive access mode is set to CHS.
Access Mode Sets the hard drive access mode. Options are: Auto (default), CHS, LBA, Large.
IDE Channel 2, 3 Master, IDE Channel 4, 5 Master/Slave
IDE Auto-Detection
Press <Enter> to autodetect the parameters of the IDE/SATA device on this channel.
Extended IDE Drive
Configure your IDE/SATA devices by using one of the two methods below:
CMOS Setup Utility-Copyright (C) 1984-2007 Award Software
Standard CMOS Features
Date (mm:dd:yy) Tue, Jul 10 2007
Time (hh:mm:ss) 22:31:24
`IDE Channel 0 Master [None]
`IDE Channel 0 Slave 1[None]
`IDE Channel 1 Master [None]
`IDE Channel 1 Slave 1[None]
`IDE Channel 2 Master [None]
`IDE Channel 3 Master [None]
`IDE Channel 4 Master [None]
`IDE Channel 4 Slave [None]
`IDE Channel 5 Master [None]
`IDE Channel 5 Slave [None]
Drive A [1.44M, 3.5"]
Floppy 3 Mode Support [Disabled]
Halt On [All, But Keyboard]
Base Memory 640K
Extended Memory 510M
Total Memory 512M
KLJI: Move Enter: Select +/-/PU/PD: Value F10: Save ESC: Exit F1: General Help
F5: Previous Values F6: Fail-Safe Default F7: Optimized Defaults
Item Help
Menu Level`
Only for GA-P35-DS3R.

GA-P35-DS3R/DS3/S3 Motherboard - 40 -
English
• Auto Lets BIOS automatically detect IDE/SATA devices during the POST. (Default)
• None If no IDE/SATA devices are used, set this item to None so the system will
skipthe detection of the device during the POST for faster system startup.
Access Mode Sets the hard drive access mode. Options are: Auto (default), Large.
The following fields display your hard drive specifications. If you wish to enter the parameters
manually, refer to the information on the hard drive.
Capacity Approximate capacity of the currently installed hard drive.
Cylinder Number of cylinders.
Head Number of heads.
Precomp Write precompensation cylinder.
Landing Zone Landing zone.
Sector Number of sectors.
Drive A
Allows you to selects the type of floppy disk drive installed in your system. If you do not install a
floppy disk drive, set this item to None. Options are: None, 360K/5.25", 1.2M/5.25", 720K/3.5",
1.44M/3.5", 2.88M/3.5".
Floppy 3 Mode Support
Allows you to specify whether the installed floppy disk drive is 3-mode floppy disk drive, a
Japanese standard floppy disk drive. Options are: Disabled (default), Drive A.
Halt on
Allows you to determine whether the system will stop for an error during the POST.
No Errors The system boot will not stop for any error.
All Errors Whenever the BIOS detects a non-fatal error the system boot will stop.
All, But Keyboard The system boot will not stop for a keyboard error but stop for all other
errors. (Default)
All, But Diskette The system boot will not stop for a floppy disk drive error but stop for all
other errors.
All, But Disk/Key The system boot will not stop for a keyboard or a floppy disk drive error but
it will stop for all other errors.
Memory
These fields are read-only and are determined by the BIOS POST.
Base Memory Also called conventional memory. Typically, 640 KB will be reserved for
the MS-DOS operating system.
Extended Memory The amount of extended memory.
Total Memory The total amount of memory installed on the system.

- 41 - BIOS Setup
English
2-4 Advanced BIOS Features
Hard Disk Boot Priority
Specifies the sequence of loading the operating system from the installed hard drives. Use the up
or down arrow key to select a hard drive, then press the plus key <+> (or <PageUp>) or the minus
key <-> (or <PageDown>) to move it up or down on the list. Press <Esc> to exit this menu when
finished.
First/Second/Third Boot Device
Specifies the boot order from the available devices. Use the up or down arrow key to select a
device and press <Enter> to accept. Options are: Floppy, LS120, Hard Disk, CDROM, ZIP,
USB-FDD, USB-ZIP, USB-CDROM, USB-HDD, Legacy LAN, Disabled.
Password Check
Specifies whether a password is required every time the system boots, or only when you enter
BIOS Setup. After configuring this item, set the password(s) under the Set Supervisor/User
Password item in the BIOS Main Menu.
Setup A password is only required for entering the BIOS Setup program. (Default)
System A password is required for booting the system and for entering the BIOS Setup
program.
HDD S.M.A.R.T. Capability
Enables or disables the S.M.A.R.T. (Self Monitoring and Reporting Technology) capability of your
hard drive. This feature allows your system to report read/write errors of the hard drive and to
issue warnings when a third party hardware monitor utility is installed. (Default: Disabled)
CPU Hyper-Threading (Note)
Enables or disables Intel® Hyper-Threading Technology. This feature only works for operating
systems that support multi-processors mode. (Default: Enabled)
(Note) This item is present only if you install a CPU that supports this feature. For more information
about Intel CPUs' unique features, please visit Intel's website.
CMOS Setup Utility-Copyright (C) 1984-2007 Award Software
Advanced BIOS Features
`Hard Disk Boot Priority [Press Enter]
First Boot Device [Floppy]
Second Boot Device [Hard Disk]
Third Boot Device [CDROM]
Password Check [Setup]
HDD S.M.A.R.T. Capability [Disabled]
CPU Hyper-Threading (Note)[Enabled]
Limit CPUID Max. to 3 (Note)[Disabled]
No-Execute Memory Protect (Note)[Enabled]
CPU Enhanced Halt (C1E) (Note)[Enabled]
CPU Thermal Monitor 2(TM2) (Note)[Enabled]
CPU EIST Function (Note)[Enabled]
Virtualization Technology (Note)[Enabled]
Full Screen LOGO Show [Enabled]
Init Display First [PCI]
KLJI: Move Enter: Select +/-/PU/PD: Value F10: Save ESC: Exit F1: General Help
F5: Previous Values F6: Fail-Safe Defaults F7: Optimized Defaults
Item Help
Menu Level`

GA-P35-DS3R/DS3/S3 Motherboard - 42 -
English
Limit CPUID Max. to 3 (Note)
Allows you to determine whether to limit CPUID maximum value. Set this item to Disabled for
Windows XP operating system; set this item to Enabled for legacy operating system such as
Windows NT4.0. (Default: Disabled)
No-Execute Memory Protect (Note)
Enables or disables Intel® Execute Disable Bit function. This function may enhance protection for
the computer, reducing exposure to viruses and malicious buffer overflow attacks when working
with its supporting software and system. (Default: Enabled)
CPU Enhanced Halt (C1E) (Note)
Enables or disables Intel® CPU Enhanced Halt (C1E) function, a CPU power-saving function in
system halt state. When enabled, the CPU core frequency and voltage will be reduced during
system halt state to decrease power consumption. (Default: Enabled)
CPU Thermal Monitor 2 (TM2) (Note)
Enables or disables Intel® CPU Thermal Monitor (TM2) function, a CPU overheating protection
function. When enabled, the CPU core frequency and voltage will be reduced when the CPU is
overheated. (Default: Enabled)
CPU EIST Function (Note)
Enables or disables Enhanced Intel SpeedStep Technology (EIST). Depending on CPU loading,
Intel® EIST technology can dynamically and effectively lower the CPU voltage and core frequency
to decrease average power consumption and heat production. (Default: Enabled)
Virtualization Technology (Note)
Enables or disables Intel® Virtualization Technology. Virtualization enhanced by Intel® Virtualization
Technology will allow a platform to run multiple operating systems and applications in independent
partitions. With virtualization, one computer system can function as multiple virtual systems.
(Default: Enabled)
Full Screen LOGO Show
Allows you to determine whether to display the GIGABYTE Logo at system startup. Disabled
displays normal POST message. (Default: Enabled)
Init Display First
Specifies the first initiation of the monitor display from the installed PCI graphics card or the PCI
Express graphics card.
PCI Sets the PCI graphics card as the first display. (Default)
PEG Sets the PCI Express graphics card as the first display.
(Note) This item is present only if you install a CPU that supports this feature. For more information
about Intel CPUs' unique features, please visit Intel's website.

- 43 - BIOS Setup
English
2-5 Integrated Peripherals
SATA RAID/AHCI Mode (Intel ICH9R Southbridge)
Enables or disables RAID for the SATA controllers integrated in the Intel ICH9R Southbridge or
configures the SATA controllers to AHCI mode.
Disabled Disables RAID for the SATA controllers and configures the SATA controllers to
PATA mode. (Default)
RAID Enables RAID for the SATA controllers.
AHCI Configures the SATA controllers to AHCI mode. Advanced Host Controller
Interface (AHCI) is an interface specification that allows the storage driver to
enable advanced Serial ATA features such as Native Command Queuing and
hot plug.
SATA AHCI Mode (Intel ICH9 Southbridge)
Configures the SATA controllers integrated in the Intel ICH9 Southbridge to AHCI mode.
Disabled Disables AHCI for the SATA controllers and configures the SATA controllers to
PATA mode. (Default)
AHCI (Note) Configures the SATA controllers to AHCI mode. Advanced Host Controller Interface
(AHCI) is an interface specification that allows the storage driver to enable
advanced Serial ATA features such as Native Command Queuing and hot plug.
CMOS Setup Utility-Copyright (C) 1984-2007 Award Software
Integrated Peripherals
SATA RAID/AHCI Mode 1[Disabled]
SATA AHCI Mode 23 [Disabled]
SATA Port0~3 Native Mode 1[Disabled]
SATA Port0~1 Native Mode 23 [Disabled]
USB Controller [Enabled]
USB 2.0 Controller [Enabled]
USB Keyboard Support [Disabled]
USB Mouse Support [Disabled]
Legacy USB storage detect [Enabled]
Azalia Codec [Auto]
Onboard H/W LAN [Enabled]
`SMART LAN [Press Enter]
Onboard LAN Boot ROM [Disabled]
Onboard SATA/IDE Device [Enabled]
Onboard SATA/IDE Ctrl Mode [IDE]
Onboard Serial Port 1 [3F8/IRQ4]
Onboard Parallel Port [378/IRQ7]
Parallel Port Mode [SPP]
KLJI: Move Enter: Select +/-/PU/PD: Value F10: Save ESC: Exit F1: General Help
F5: Previous Values F6: Fail-Safe Defaults F7: Optimized Defaults
Item Help
Menu Level`
Only for GA-P35-DS3R.
Only for GA-P35-DS3.
Only for GA-P35-S3.
(Note) Supported on Windows® Vista® operating system only.

GA-P35-DS3R/DS3/S3 Motherboard - 44 -
English
SATA Port0-3 Native Mode (Intel ICH9R Southbridge)
Specifies the operating mode of the integrated SATA controllers.
Disabled Allows the SATA controllers to operate in Legacy IDE mode.
In Legacy mode the SATA controllers use dedicated IRQs that cannot be shared
with other device. Set this option to Disabled if you wish to install operating
systems that do not support Native mode, e.g. Windows 9X/ME. (Default)
Enabled Allows the SATA controllers to operate in Native IDE mode.
Enable Native IDE mode if you wish to install operating systems that support
Native mode, e.g. Windows XP/2000.
SATA Port0-1 Native Mode (Intel ICH9 Southbridge)
Specifies the operating mode of the integrated SATA controllers.
Disabled Allows the SATA controllers to operate in Legacy IDE mode.
In Legacy mode the SATA controllers use dedicated IRQs that cannot be shared
with other device. Set this option to Disabled if you wish to install operating
systems that do not support Native mode, e.g. Windows 9X/ME. (Default)
Enabled Allows the SATA controllers to operate in Native IDE mode.
Enable Native IDE mode if you wish to install operating systems that support
Native mode, e.g. Windows XP/2000.
USB Controller
Enables or disables the integrated USB controller. (Default: Enabled)
Disabled will turn off all of the USB functionalities below.
USB 2.0 Controller
Enables or disables the integrated USB 2.0 controller. (Default: Enabled)
USB Keyboard Support
Allows USB keyboard to be used in MS-DOS. (Default: Disabled)
USB Mouse Support
Allows USB mouse to be used in MS-DOS. (Default: Disabled)
Legacy USB storage detect
Determines whether to detect USB storage devices, including USB flash drives and USB hard
drives during the POST. (Default: Enabled)
Azalia Codec
Enables or disables the onboard audio function. (Default: Auto)
If you wish to install a 3rd party add-in audio card instead of using the onboard audio, set this item
to Disabled.
Onboard H/W LAN
Enables or disables the onboard LAN function. (Default: Enabled)
If you wish to install a 3rd party add-in network card instead of using the onboard LAN, set this item
to Disabled.
Only for GA-P35-DS3R.
Only for GA-P35-DS3.
Only for GA-P35-S3.

- 45 - BIOS Setup
English
SMART LAN (LAN Cable Diagnostic Function)
This motherboard incorporates cable diagnostic feature designed to detect the status of the attached LAN
cable. This feature will detect cabling issue and report the approximate distance to the fault or short.
Refer to the following information for diagnosing your LAN cable:
When No LAN Cable Is Attached...
If no LAN cable is attached to the motherboard, the Status fields of all four pairs of wires will show
Open and the Length fields show 0.0m, as shown in the figure above.
When LAN Cable Is Functioning Normally...
If no cable problem is detected on the LAN cable connected to a Gigabit hub or a 10/100 Mbps hub,
the following message will appear:
CMOS Setup Utility-Copyright (C) 1984-2007 Award Software
SMART LAN
Item Help
Menu Level`
Start detecting at Port.....
Pair1-2 Status = Open / Length = 0.0m
Pair3-6 Status = Open / Length = 0.0m
Pair4-5 Status = Open / Length = 0.0m
Pair7-8 Status = Open / Length = 0.0m
KLJI: Move Enter: Select +/-/PU/PD: Value F10: Save ESC: Exit F1: General Help
F5: Previous Values F6: Fail-Safe Defaults F7: Optimized Defaults
Start detecting at Port.....
Link Detected --> 100Mbps
Cable Length= 30m
Link Detected Displays transmission speed
Cable Length Displays the approximate length of the attached LAN cable.
Note: The Gigabit hub will only operate at a speed of 10/100Mbps in MS-DOS mode; it will operate
at a normal speed of 10/100/1000Mbps in Windows mode or when the LAN Boot ROM is activated.
When a Cable Problem Occurs...
If a cable problem occurs on a specified pair of wires, the Status field will show Short and
thenlength shown will be the approximate distance to the fault or short.
Example: Pair1-2 Status = Short / Length = 1.6m
Explanation: A fault or short might occur at about 1.6m on Pair 1-2.
Note: Pair 4-5 and Pair 7-8 are not used in a 10/100 Mbps environment, so their Status fields will
show Open, and the length shown is the approximate length of the attached LAN cable.

GA-P35-DS3R/DS3/S3 Motherboard - 46 -
English
Onboard LAN Boot ROM
Allows you to decide whether to activate the boot ROM integrated with the onboard LAN chip.
(Default: Disabled)
Onboard SATA/IDE Device (GIGABYTE SATA2 Chip)
Enables or disables the IDE and SATA controllers integrated in the GIGABYTE SATA 2 chip.
(Default: Enabled)
Onboard SATA/IDE Ctrl Mode (GIGABYTE SATA2 Chip)
Enables or disables RAID for the SATA controller integrated in the GIGABYTE SATA 2 chip or
configures the SATA controller to AHCI mode.
IDE Disables RAID for the SATA controller and configures the SATA controller to PATA
mode. (Default)
AHCI Configures the SATA controller to AHCI mode. Advanced Host Controller
Interface (AHCI) is an interface specification that allows the storage driver to
enable advanced Serial ATA features such as Native Command Queuing and
hot plug.
RAID/IDE Enables RAID for the SATA controller. (The IDE controller still operates in PATA
mode)
Onboard Serial Port 1
Enables or disables the first serial port and specifies its base I/O address and corresponding
interrupt. Options are: Auto, 3F8/IRQ4 (default), 2F8/IRQ3, 3E8/IRQ4, 2E8/IRQ3, Disabled.
Onboard Parallel Port
Enables or disables the onboard parallel port (LPT) and specifies its base I/O address and
corresponding interrupt. Options are: 378/IRQ7 (default), 278/IRQ5, 3BC/IRQ7, Disabled.
Parallel Port Mode
Selects an operating mode for the onboard parallel (LPT) port. Options are: SPP (Standard Parallel
Port)(default), EPP (Enhanced Parallel Port), ECP (Extended Capabilities Port), ECP+EPP.

- 47 - BIOS Setup
English
2-6 Power Management Setup
ACPI Suspend Type
Specifies the ACPI sleep state when the system enters suspend.
S1(POS) Enables the system to enter the ACPI S1 (Power on Suspend) sleep state.
In S1 sleep state, the system appears suspended and stays in a low power
mode. The system can be resumed at any time.
S3(STR) Enables the system to enter the ACPI S3 (Suspend to RAM) sleep state (default).
In S3 sleep state, the system appears to be off and consumes less power than
in the S1 state. When signaled by a wake-up device or event, the system
resumes to its working state exactly where it was left off.
Soft-Off by PWR-BTTN
Configures the way to turn off the computer in MS-DOS mode using the power button.
Instant-Off Press the power button and then the system will be turned off instantly. (Default)
Delay 4 Sec. Press and hold the power button for 4 seconds to turn off the system. If the power
button is pressed for less than 4 seconds, the system will enter suspend mode.
PME Event Wake Up
Allows the system to be awakened from an ACPI sleep state by a wake-up signal from a PCI or
PCIe device. Note: To use this function, you need an ATX power supply providing at least 1A on
the 5VSB lead. (Default: Enabled)
Power On by Ring
Allows the system to be awakened from an ACPI sleep state by a wake-up signal from a modem
that supports wake-up function. (Default: Enabled)
(Note) Supported on Windows® Vista® operating system only.
CMOS Setup Utility-Copyright (C) 1984-2007 Award Software
Power Management Setup
ACPI Suspend Type [S3(STR)]
Soft-Off by PWR-BTTN [Instant-Off]
PME Event Wake Up [Enabled]
Power On by Ring [Enabled]
Resume by Alarm [Disabled]
x Date (of Month) Alarm Everyday
x Time (hh:mm:ss) Alarm 0 : 0 : 0
HPET Support (Note) [Enabled]
HPET Mode (Note) [32-bit mode]
Power On By Mouse [Disabled]
Power On By Keyboard [Disabled]
x KB Power ON Password Enter
AC Back Function [Soft-Off]
KLJI: Move Enter: Select +/-/PU/PD: Value F10: Save ESC: Exit F1: General Help
F5: Previous Values F6: Fail-Safe Defaults F7: Optimized Defaults
Item Help
Menu Level`

GA-P35-DS3R/DS3/S3 Motherboard - 48 -
English
Resume by Alarm
Determines whether to power on the system at a desired time. (Default: Disabled)
If enabled, set the date and time as following:
Date (of Month) Alarm : Turn on the system at a specific time on each day or on a specific day
in a month.
Time (hh: mm: ss) Alarm : Set the time at which the system will be powered on automatically.
Note: When using this function, avoid inadequate shutdown from the operating system or removal
of the AC power, or the settings may not be effective.
HPET Support (Note)
Enables or disables High Precision Event Timer (HPET) for Windows® Vista® operating system.
(Default: Enabled)
HPET Mode (Note)
Allows you to select the HPET mode for your Windows® Vista® operating system. Select 32-bit
mode when you install 32-bit Windows® Vista® ; select 64-bit mode when you install 64-bit
Windows® Vista®. (Default: 32-bit mode)
Power On By Mouse
Allows the system to be turned on by a PS/2 mouse wake-up event.
Note: To use this function, you need an ATX power supply providing at least 1A on the 5VSB lead.
Disabled Disables this function. (Default)
Double Click Double click on left button on the PS/2 mouse to turn on the system.
Power On By Keyboard
Allows the system to be turned on by a PS/2 keyboard wake-up event.
Note: you need an ATX power supply providing at least 1A on the 5VSB lead.
Disabled Disables this function. (Default)
Password Set a password with 1~5 characters to turn on the system.
Keyboard 98 Press POWER button on the Windows 98 keyboard to turn on the system.
KB Power ON Password
Set the password when Power On by Keyboard is set to Password. Press <Enter> on this item
and set a password with up to 5 characters and then press <Enter> to accept. To turn on the
system, enter the password and press <Enter>.
Note: To cancel the password, press <Enter> on this item. When prompted for the password, press
<Enter> again without entering the password to clear the password settings.
AC Back Function
Determines the state of the system after the return of power from an AC power loss.
Soft-Off The system stays off upon the return of the AC power. (Default )
Full-On The system is turned on upon the return of the AC power.
Memory The system returns to its last known awake state upon the return of the AC
power.
(Note) Supported on Windows® Vista® operating system only.

- 49 - BIOS Setup
English
2-7 PnP/PCI Configurations
PCI1 IRQ Assignment
Auto BIOS auto-assigns IRQ to the first PCI slot. (Default)
3,4,5,7,9,10,11,12,14,15 Assigns IRQ 3,4,5,7,9,10,11,12,14,15 to the first PCI slot.
PCI2 IRQ Assignment
Auto BIOS auto-assigns IRQ to the second PCI slot. (Default)
3,4,5,7,9,10,11,12,14,15 Assigns IRQ 3,4,5,7,9,10,11,12,14,15 to the second PCI slot.
PCI3 IRQ Assignment
Auto BIOS auto-assigns IRQ to the third PCI slot. (Default)
3,4,5,7,9,10,11,12,14,15 Assigns IRQ 3,4,5,7,9,10,11,12,14,15 to the third PCI slot.
CMOS Setup Utility-Copyright (C) 1984-2007 Award Software
PnP/PCI Configurations
PCI1 IRQ Assignment [Auto]
PCI2 IRQ Assignment [Auto]
PCI3 IRQ Assignment [Auto]
KLJI: Move Enter: Select +/-/PU/PD: Value F10: Save ESC: Exit F1: General Help
F5: Previous Values F6: Fail-Safe Defaults F7: Optimized Defaults
Item Help
Menu Level`

GA-P35-DS3R/DS3/S3 Motherboard - 50 -
English
2-8 PC Health Status
Reset Case Open Status
Keeps or clears the record of previous chassis intrusion status. Enabled clears the record of
previous chassis intrusion status and the Case Opened field will show "No" at next boot. (Default:
Disabled)
Case Opened
Displays the detection status of the chassis intrusion detection device attached to the motherboard
CI header. If the system chassis cover is removed, this field will show "Yes", otherwise it will
show "No". To clear the chassis intrusion status record, set Reset Case Open Status to Enabled,
save the settings to CMOS, and then restart your system.
Current Voltage(V) Vcore/DDR18V/+3.3V/+12V
Displays the current system voltages.
Current System/CPU Temperature
Displays current system/CPU temperature.
Current CPU/SYSTEM/POWER FAN Speed (RPM)
Displays current CPU/system/power fan speed.
CPU Warning Temperature
Sets the warning threshold for CPU temperature. When CPU temperature exceeds the threshold,
BIOS will emit warning sound. Options are: Disabled (default), 60oC/140oF, 70oC/158oF, 80oC/
176oF, 90oC/194oF.
CPU/SYSTEM/POWER FAN Fail Warning
Allows the system to emit warning sound if the CPU/system/power fan is not connected or fails.
Check the fan condition or fan connection when this occurs. (Default: Disabled)
CMOS Setup Utility-Copyright (C) 1984-2007 Award Software
PC Health Status
Reset Case Open Status [Disabled]
Case Opened No
Vcore OK
DDR18V OK
+3.3V OK
+12V OK
Current System Temperature 47oC
Current CPU Temperature 47oC
Current CPU FAN Speed 3375 RPM
Current SYSTEM FAN1 Speed 0 RPM
Current SYSTEM FAN2 Speed 0 RPM
Current POWER FAN Speed 0 RPM
CPU Warning Temperature [Disabled]
CPU FAN Fail Warning [Disabled]
SYSTEM FAN1 Fail Warning [Disabled]
SYSTEM FAN2 Fail Warning [Disabled]
POWER FAN Fail Warning [Disabled]
Smart FAN Control Method [Auto]
Smart FAN Control Mode [Auto]
KLJI: Move Enter: Select +/-/PU/PD: Value F10: Save ESC: Exit F1: General Help
F5: Previous Values F6: Fail-Safe Defaults F7: Optimized Defaults
Item Help
Menu Level`

- 51 - BIOS Setup
English
Smart FAN Control Method (Note)
Specifies how to control CPU fan speed.
Auto Lets BIOS control CPU fan speed. (Default)
Intel(R) QST Allows CPU fan speed to be controlled by the Intel Quiet System Technology
(QST). This feature requires the installation of Intel Host Embedded Control
Interface (HECI) driver from the motherboard driver disk.
Legacy Allows CPU fan to run at different speed according to the CPU temperature.
Disabled Forces CPU fan to run at full speed.
Smart FAN Control Mode
Specifies how to control CPU fan speed. This item can not be configured if Smart FAN Control
Method is set to Disabled.
Auto Lets BIOS autodetect the type of CPU fan installed and sets the optimal CPU fan
control mode. (Default)
Voltage Sets Voltage mode for a 3-pin CPU fan.
PWM Sets PWM mode for a 4-pin CPU fan.
Note: The Voltage mode can be set for a 3-pin CPU fan or a 4-pin CPU fan. However, for a 4-pin
CPU fan that is not designed following Intel PWM fan specifications, selecting PWM mode may not
effectively reduce the fan speed.
(Note) Before setting this item to Intel(R) QST, make sure at least DDRII1 or DDRII2 socket in Channel
0 is populated. A small portion of system memory will be shared when Intel® QST is enabled.

GA-P35-DS3R/DS3/S3 Motherboard - 52 -
English
2-9 MB Intelligent Tweaker(M.I.T.)
Robust Graphics Booster
Robust Graphics Booster (R.G.B.) helps to enhance the performance of the graphics chip and
memory. Auto allows the BIOS to automatically set the R.G.B. mode based on system
configurations. Options are: Auto (default), Fast, Turbo.
CPU Clock Ratio (Note)
Allows you to alter the clock ratio for the installed CPU.
The item is present only if a CPU with unlocked clock ratio is installed.
CPU Host Clock Control
Enables or disables the control of CPU host clock. Enabled will allow the CPU Host Frequency
item below to be configurable. Note: If your system fails to boot after overclocking, please wait for
20 seconds to allow for automated system reboot, or clear the CMOS values to reset the board to
default values. (Default: Disabled)
CMOS Setup Utility-Copyright (C) 1984-2007 Award Software
MB Intelligent Tweaker(M.I.T.)
Robust Graphics Booster [Auto]
CPU Clock Ratio (Note) [16X]
CPU Host Clock Control [Disabled]
x CPU Host Frequency (Mhz) 266
PCI Express Frequency (Mhz) [Auto]
C.I.A. 2 [Disabled]
Performance Enhance [Turbo]
System Memory Multiplier (SPD) [Auto]
Memory Frequency (Mhz) 667 667
High Speed DRAM DLL Settings [Option 1]
******** System Voltage Optimized ********
System Voltage Control [Manual]
DDR2 OverVoltage Control [Normal]
PCI-E OverVoltage Control [Normal]
FSB OverVoltage Control [Normal]
(G)MCH OverVoltage Control [Normal]
CPU Voltage Control [Normal]
Normal CPU Vcore 1.4000V
KLJI: Move Enter: Select +/-/PU/PD: Value F10: Save ESC: Exit F1: General Help
F5: Previous Values F6: Fail-Safe Defaults F7: Optimized Defaults
Item Help
Menu Level`
(Note) This item appears only if you install a CPU that supports this feature.
•Incorrectly doing overclock/overvoltage may result in damage to CPU, chipset, or memory
and reduce the useful life of these components. This page is for advanced users only and
we recommend you not to alter the default settings to prevent system instability or other
unexpected results. (Inadequately altering the settings may result in system's failure to
boot. If this occurs, clear the CMOS values and reset the board to default values.)
•When the System Voltage Optimized item blinks in red, it is recommended that you set
the System Voltage Control item to Auto to optimize the system voltage settings.

- 53 - BIOS Setup
English
CPU Host Frequency (Mhz)
Allows you to manually set the CPU host frequency. This item is configurable only if the CPU
Host Clock Control option is enabled.
For an 800 MHz FSB CPU, set this item to 200 MHz.
For a 1066 MHz FSB CPU, set this item to 266 MHz.
For a 1333 MHz FSB CPU, set this item to 333 MHz.
Important It is highly recommended that the CPU frequency be set in accordance with the CPU
specifications.
PCI Express Frequency (Mhz)
Allows you to manually set the PCIe clock frequency. The adjustable range is from 90 MHz to
150 MHz. Auto sets the PCIe clock frequency to standard 100 MHz. (Default: Auto)
C.I.A.2
CPU Intelligent Accelerator 2 (C.I.A.2) is designed to automatically adjust CPU computing power
to maximize system performance. C.I.A.2 allows your system bus to be changed dynamically
based on CPU loading through the use of 5 preset states.
Note: System stability varies, depending on your system hardware components.
Disabled Disables the use of C.I.A.2. (Default)
Cruise Increases CPU frequency by 5% or 7% depending on CPU loading.
Sports Increases CPU frequency by 7% or 9% depending on CPU loading.
Racing Increases CPU frequency by 9% or 11% depending on CPU loading.
Turbo Increases CPU frequency by 15% or 17% depending on CPU loading.
Full Thrust Increases CPU frequency by 17% or 19% depending on CPU loading.
Warning: Before using C.I.A.2, please first verify the overclocking capability of your CPU.
As stability is highly dependent on system components, when system instability occurs after
overclocking, lower the overclocking ratio.
Performance Enhance
Allows the system to operate at three different performance levels.
Standard Lets the system operate at its basic performance level.
Turbo Lets the system operate at its good performance level. (Default)
Extreme Lets the system operate at its best performance level.
System Memory Multiplier (SPD)
Allows you to set the system memory multiplier. Options are dependent on CPU FSB. Auto sets
memory multiplier according to memory SPD data. (Default: Auto)
Memory Frequency (Mhz)
The first memory frequency value is the normal operating frequency of the memory being used;
the second is the memory frequency that is automatically adjusted according to the CPU Host
Frequency (Mhz) and System Memory Multiplier settings.
High Speed DRAM DLL Settings
Provides two different memory timing configurations. If your system becomes unstable after you
overclock the DDR2 memory, select Option 1 or Option 2 to help make your system more stable.
Option 1 Memory Timing Configuration 1. (Default)
Option 2 Memory Timing Configuration 2.

GA-P35-DS3R/DS3/S3 Motherboard - 54 -
English
System Voltage Control
Determines whether to manually set the system voltages. Auto lets BIOS automatically set the
system voltages as required. Manual allows all voltage control items below to be configurable.
(Default: Manual)
DDR2 OverVoltage Control
Allows you to to set memory voltage.
Normal Supplies the memory voltage as required. (Default)
+0.1V ~ +0.7V Increases memory voltage by 0.1V to 0.7V at 0.1V increment.
Note: Increasing memory voltage may result in damage to the memory.
PCI-E OverVoltage Control
Allows you to to set PCIe voltage.
Normal Supplies the PCIe bus voltage as required. (Default)
+0.1V ~ +0.3V Increases PCIe bus voltage by 0.1V to 0.3V at 0.1V increment.
FSB OverVoltage Control
Allows you to set the Front Side Bus voltage.
Normal Supplies the FSB voltage as required. (Default)
+0.1V ~ +0.3V Increases FSB voltage by 0.1V to 0.3V at 0.1V increment.
(G)MCH OverVoltage Control
Allows you to set the North Bridge voltage.
Normal Supplies the North Bridge voltage as required. (Default)
+0.1V ~ +0.3V Increases North Bridge voltage by 0.1V to 0.3V at 0.1V increment.
CPU Voltage Control
Allows you to set the CPU voltage. Normal sets the CPU voltage as required. The adjustable
range is dependent on the CPU being installed. (Default: Normal)
Note: Increasing CPU voltage may result in damage to your CPU or reduce the useful life of the
CPU.
Normal CPU Vcore
Displays the normal operating voltage of your CPU.

- 55 - BIOS Setup
English
2-10 Load Fail-Safe Defaults
Press <Enter> on this item and then press the <Y> key to load the safest BIOS default settings.
In case system instability occurs, you may try to load Fail-Safe defaults, which are the safest and most
stable BIOS settings for the motherboard.
2-11 Load Optimized Defaults
CMOS Setup Utility-Copyright (C) 1984-2007 Award Software
`Standard CMOS Features
`Advanced BIOS Features
`Integrated Peripherals
`Power Management Setup
`PnP/PCI Configurations
`PC Health Status
`MB Intelligent Tweaker(M.I.T.)
ESC: Quit KLJI: Select Item F11: Save CMOS to BIOS
F8: Q-Flash F10: Save & Exit Setup F12: Load CMOS from BIOS
Load Optimized Defaults
Load Fail-Safe Defaults
Load Optimized Defaults
Set Supervisor Password
Set User Password
Save & Exit Setup
Exit Without Saving
Load Optimized Defaults (Y/N)? N
Press <Enter> on this item and then press the <Y> key to load the optimal BIOS default settings. The
BIOS defaults settings helps the system to operate in optimum state. Always load the Optimized defaults
after updating the BIOS or after clearing the CMOS values.
CMOS Setup Utility-Copyright (C) 1984-2007 Award Software
`Standard CMOS Features
`Advanced BIOS Features
`Integrated Peripherals
`Power Management Setup
`PnP/PCI Configurations
`PC Health Status
`MB Intelligent Tweaker(M.I.T.)
ESC: Quit KLJI: Select Item F11: Save CMOS to BIOS
F8: Q-Flash F10: Save & Exit Setup F12: Load CMOS from BIOS
Load Fail-Safe Defaults
Load Fail-Safe Defaults
Load Optimized Defaults
Set Supervisor Password
Set User Password
Save & Exit Setup
Exit Without Saving
Load Fail-Safe Defaults (Y/N)? N

GA-P35-DS3R/DS3/S3 Motherboard - 56 -
English
2-12 Set Supervisor/User Password
CMOS Setup Utility-Copyright (C) 1984-2007 Award Software
`Standard CMOS Features
`Advanced BIOS Features
`Integrated Peripherals
`Power Management Setup
`PnP/PCI Configurations
`PC Health Status
`MB Intelligent Tweaker(M.I.T.)
ESC: Quit KLJI: Select Item F11: Save CMOS to BIOS
F8: Q-Flash F10: Save & Exit Setup F12: Load CMOS from BIOS
Change/Set/Disable Password
Load Fail-Safe Defaults
Load Optimized Defaults
Set Supervisor Password
Set User Password
Save & Exit Setup
Exit Without Saving
Enter Password:
Press <Enter> on this item and type the password with up to 8 characters and then press <Enter>. You
will be requested to confirm the password. Type the password again and press <Enter>.
The BIOS Setup program allows you to specify two separate passwords:
Supervisor Password
When a system password is set and the Password Check item in Advanced BIOS Features is
set to Setup, you must enter the supervisor password for entering BIOS Setup and making BIOS
changes.
When the Password Check item is set to System, you must enter the supervisor password (or
user password) at system startup and when entering BIOS Setup.
User Password
When the Password Check item is set to System, you must enter the supervisor password (or
user password) at system startup to continue system boot. In BIOS Setup, you must enter the
supervisor password if you wish to make changes to BIOS settings. The user password only
allows you to view the BIOS settings but not to make changes.
To clear the password, press <Enter> on the password item and when requested for the password,
press <Enter> again. The message "PASSWORD DISABLED" will appear, indicating the password has
been cancelled.

- 57 - BIOS Setup
English
2-13 Save & Exit Setup
2-14 Exit Without Saving
CMOS Setup Utility-Copyright (C) 1984-2007 Award Software
`Standard CMOS Features
`Advanced BIOS Features
`Integrated Peripherals
`Power Management Setup
`PnP/PCI Configurations
`PC Health Status
`MB Intelligent Tweaker(M.I.T.)
ESC: Quit KLJI: Select Item F11: Save CMOS to BIOS
F8: Q-Flash F10: Save & Exit Setup F12: Load CMOS from BIOS
Save Data to CMOS
Load Fail-Safe Defaults
Load Optimized Defaults
Set Supervisor Password
Set User Password
Save & Exit Setup
Exit Without Saving
Save to CMOS and EXIT (Y/N)? Y
CMOS Setup Utility-Copyright (C) 1984-2007 Award Software
`Standard CMOS Features
`Advanced BIOS Features
`Integrated Peripherals
`Power Management Setup
`PnP/PCI Configurations
`PC Health Status
`MB Intelligent Tweaker(M.I.T.)
ESC: Quit KLJI: Select Item F11: Save CMOS to BIOS
F8: Q-Flash F10: Save & Exit Setup F12: Load CMOS from BIOS
Abandon all Data
Load Fail-Safe Defaults
Load Optimized Defaults
Set Supervisor Password
Set User Password
Save & Exit Setup
Exit Without Saving
Quit Without Saving (Y/N)? N
Press <Enter> on this item and press the <Y> key. This saves the changes to the CMOS and exits the
BIOS Setup program. Press <N> or <Esc> to return to the BIOS Setup Main Menu.
Press <Enter> on this item and press the <Y> key. This exits the BIOS Setup without saving the
changes made in BIOS Setup to the CMOS. Press <N> or <Esc> to return to the BIOS Setup Main Menu.

GA-P35-DS3R/DS3/S3 Motherboard - 58 -
English

Drivers Installation- 59 -
English
Chapter 3 Drivers Installation
3-1 Installing Chipset Drivers
•Before installing the drivers, first install the operating system. (The following instructions use
Windows XP as the example operating system.)
•After installing the operating system, insert the motherboard driver disk into your optional drive.
The driver Autorun screen is automatically displayed which looks like that shown in the screen
shot below. (If the driver Autorun screen does not appear automatically, go to My Computer,
double-click the optical drive and execute the Run.exe program.)
After inserting the driver disk, "Xpress Install" will automatically scan the system and then list all the
drivers that are recommended to install. Please select the item that you wish to install and press the
Install button following the item. Or you can press Xpress Install to install all the driver items.
•Please ignore the popup dialog box(es) (e.g. the Found New Hardware Wizard) dis-
played when "Xpress Install" is installing the drivers. Failure to do so may affect the driver
installation.
•Some device drivers will restart your system automatically during the driver installation.
After the system restart, "Xpress Install" will continue to install other drivers.
•After the drivers are installed, follow the onscreen instructions to restart your system. You
can install other applications included in the motherboard driver disk.
•For USB 2.0 driver support under the Windows XP operating system, please install the
Windows XP Service Pack 1 or later. After installing the SP1 (or later), if a question mark still
exists in Universal Serial Bus Controller in Device Manager, please remove the
question mark (by right-clicking your mouse and select Uninstall) and restart the system.
(The system will then autodetect and install the USB 2.0 driver.)

GA-P35-DS3R/DS3/S3 Motherboard - 60 -
English
3-2 Software Applications
This page displays all the tools and applications that GIGABYTE develops and some free software. You
may press the Install button following an item to install it.
3-3 Driver CD Information
This page provides information about the drivers, applications and tools in this driver disk.

Drivers Installation- 61 -
English
3-4 Hardware Information
This page provides information about the hardware devices on this motherboard.
3-5 Contact Us
Check the contacts information of the GIGABYTE headquarter in Taiwan and the overseas branch
offices on the last page of this manual.

GA-P35-DS3R/DS3/S3 Motherboard - 62 -
English

Unique Features- 63 -
English
4-1 Xpress Recovery2
Xpress Recovery2 is an utility that allows you to quickly compress
and back up your system data and perform restoration of it. Supporting
NTFS, FAT32, and FAT16 file systems, Xpress Recovery2 can back
up data on PATA and SATA hard drives and restore it.
"*" Xpress Recovery2 checks the first physical hard drive in the following sequence: The first PATA
IDE connector, the second PATA IDE connector, the first SATA connector, the second SATA
connector and so forth. For example, when hard drives are attached to the first IDE and the first
SATA connectors, the hard drive on the first IDE connector is the first physical drive. When hard
drives are attached to the first and second SATA connectors, the hard drive on the first SATA
connector is the first physical drive.
Before You Begin:
•Xpress Recovery2 will check the first physical hard drive* for the operating system. Xpress
Recovery2 can only back up/restore the first physical hard drive that has the operating system
installed.
•As Xpress Recovery2 will save the backup file at the end of the hard drive, make sure to leave
enough unallocated space in advanced (10 GB or more is recommended; actual size require-
ments vary, depending on the amount of data).
•It is recommended to back up your system soon after the operating system and drivers are
installed.
•The amount of data and hard drive access speed may affect the speed at which the data is backed
up/restored.
•It takes longer to back up a hard drive than to restore it.
System Requirements:
•Intel® x86 platform
•At least 64 MB of system memory
•VESA compatible graphics card
•Windows® 2000 with SP3 or later; Windows® XP with SP1 or later
•Xpress Recovery and Xpress Recovery2 are different utilities. For example, a backup file
created with Xpress Recovery cannot be restored using Xpress Recovery2.
•USB hard drives are not supported.
•Hard drives in RAID/AHCI mode are not supported.
Chapter 4 Unique Features

GA-P35-DS3R/DS3/S3 Motherboard - 64 -
English
Figure 1
Figure 3
3. Select a file system (for example, NTFS) and begin the installation of the operating system (Figure 3).
Installation and Configuration
(The following procedure uses Windows XP as the example operating system.)
A. Installing Windows XP and Partitioning the Hard Drive
1. Set CD-ROM drive as the first boot device under "Advanced BIOS Features" in the BIOS Setup
program. Save the changes and exit.
2. When partitioning your hard drive (Figure 1), make sure to leave unallocated space for Xpress
Recovery2 (10 GB or more is recommended; actual size requirements vary, depending on the
amount of data) (Figure 2).
Figure 2

Unique Features- 65 -
English
4. After the operating system is installed, right-click the My Computer icon on your desktop and
select Manage (Figure 4). Go to Computer Management to check disk allocation. Xpress
Recovery2 will save the backup file to the unallocated space (black stripe along the top)(Figure 5).
Please note that if there is no enough unallocated space, Xpress Recovery2 cannot save the
backup file.
Figure 5
Figure 4
5. If your hard drive is not properly partitioned before you install the operating system, you may
create new partitions using free space on your hard drive (Figure 6, 7). However, if Disk
Management shows the hard drive only contains the System partition without any unallocated
space, you will not be able to create new partitions or use Xpress Recovery2. If this occurs,
reinstall the operating system and re-partition your hard drive.
Figure 7
In the New Partition Wizard, you MUST select Primary
partition. This will reserve unallocated space for Xpress
Recovery2 to use.
Figure 6

GA-P35-DS3R/DS3/S3 Motherboard - 66 -
English
2. After you use the backup function in Xpress Recovery2 for the first time, Xpress Recovery2 will
stay permanent in your hard drive. If you wish to enter Xpress Recovery2 later, simply press
<F9> during the POST (Figure 9).
Figure 8
Figure 9
B. Accessing Xpress Recovery2
1. Boot from the motherboard driver disk to access Xpress Recovery2 for the first time.When you
see the following message: Press any key to startup Xpress Recovery2
(Figure 8), press any key to enter Xpress Recovery2.
.
.
Boot from CD/DVD:
Press any key to startup XpressRecovery2.....
C. Using the Backup Function in Xpress Recovery2
1. Select BACKUP to start backing up your hard drive data (Figure 10).
2. Xpress Recovery2 will then begin to search the first physical hard drive as the target drive and
detect whether this hard drive contains the Windows operating system. When the Windows
operating system is detected, Xpress Recovery2 will begin the backup process (Figure 11).
Figure 10 Figure 11
Xpress Recovery2 will automatically create a
new partition to store the backup image file.
3. When finished, go to Disk Management to check disk allocation.
Figure 12
Award Modular BIOS v6.00PG, An Energy Star Ally
Copyright (C) 1984-2007, Award Software, Inc.
Intel P35 BIOS for P35-DS3R F5c
.
.
.
.
<DEL>: BIOS Setup/Q-Flash <F9>: XpressRecovery2 <F12>: Boot Menu <End>: Qflash
07/05/2007-P35-ICH9-6A79OG07C-00

Unique Features- 67 -
English
E. Removing the Backup
1. If you wish to remove the backup file, select REMOVE (Figure 15).
2. After the backup file is removed, no backup image file will be present in Disk Management and
hard drive space will be freed up (Figure 16).
Figure 15 Figure 16
D. Using the Restore Function in Xpress Recovery2
Select RESTORE to restore the backup to your hard drive in case the system breaks down. The
RESTORE option will not be present if no backup is created before (Figure 13, 14).
Figure 13 Figure 14
F. Exiting Xpress Recovery2
Select REBOOT to exit Xpress Recovery2.
Figure 17

GA-P35-DS3R/DS3/S3 Motherboard - 68 -
English
Because BIOS flashing is potentially risky, please do it with caution. Inadequate BIOS
flashing may result in system malfunction.
4-2 BIOS Update Utilities
GIGABYTE motherboards provide two unique BIOS update tools, Q-FlashTM and @BIOSTM. GIGABYTE
Q-Flash and @BIOS are easy-to-use and allow you to update the BIOS without the need to enter MS-
DOS mode.
What is Q-FlashTM?
With Q-Flash you can update the system BIOS without having to enter
operating systems like MS-DOS or Window first. Embedded in the BIOS, the
Q-Flash tool frees you from the hassles of going through complicated BIOS flashing process.
What is @BIOSTM?
@BIOS allows you to update the system BIOS while in the Windows
environment. @BIOS will download the latest BIOS file from the nearest
@BIOS server site and update the BIOS.
Award Modular BIOS v6.00PG, An Energy Star Ally
Copyright (C) 1984-2007, Award Software, Inc.
Intel P35 BIOS for P35-DS3R F5c
.
.
.
.
<DEL>: BIOS Setup/Q-Flash <F9>: XpressRecovery2 <F12>: Boot Menu <End>: Qflash
07/05/2007-P35-ICH9-6A79OG07C-00
4-2-1 Updating the BIOS with the Q-Flash Utility
A. Before You Begin:
1. From GIGABYTE's website, download the latest compressed BIOS update file that matches your
motherboard model.
2. Extract the file and save the new BIOS file (e.g. p35ds3r.f5) to your floppy disk, USB flash drive,
or hard drive. Note: The USB flash drive or hard drive must use FAT32/16/12 file system.
3. Restart the system. During the POST, press the <End> key to enter Q-Flash. Note: You can
access Q-Flash by either pressing the <End> key during the POST or pressing the <F8> key in
BIOS Setup. However, if the BIOS update file is saved to a hard drive in RAID/AHCI mode or a hard
drive attached to an independent IDE/SATA controller, use the <End> key during the POST to
access Q-Flash.

Unique Features- 69 -
English
3. Select the BIOS update file and press <Enter>.
Make sure the BIOS update file matches your motherboard model.
Step 2:
The process of the system reading the BIOS file from the floppy disk is displayed on the screen. When
the message "Are you sure to update BIOS?" appears, press <Enter> to begin the BIOS update. The
monitor will display the update process.
B. Updating the BIOS
When updating the BIOS, choose the location where the BIOS file is saved. The follow procedure
assumes that you save the BIOS file to a floppy disk.
Step 1:
1. Insert the floppy disk containing the BIOS file into the floppy disk drive. In the main menu of Q-
Flash, use the up or down arrow key to select Update BIOS from Drive and press <Enter>.
•The Save Main BIOS to Drive option allows you to save the current BIOS file.
•Q-Flash only supports USB flash drive or hard drives using FAT32/16/12 file system.
•If the BIOS update file is saved to a hard drive in RAID/AHCI mode or a hard drive
attached to an independent IDE/SATA controller, use the <End> key during the POST to
access Q-Flash.
2. Select Floppy A and press <Enter>.
•Do not turn off or restart the system when the system is reading/updating the BIOS.
•Do not remove the floppy disk, USB flash drive, or hard drive when the system is updating
the BIOS.
Step 3:
When the update process is complete, press any key to return to the main menu.
Q-Flash Utility v2.02
Flash Type/Size.................................MXIC SPI Serial Fla 1M
Keep DMI Data Enable
Update BIOS from Drive
Save BIOS to Drive
Enter : Run KL:Move ESC:Reset F10:Power Off
!! Copy BIOS completed - Pass !!
Please press any key to continue
Q-Flash Utility v2.02
Flash Type/Size.................................MXIC SPI Serial Fla 1M
Keep DMI Data Enable
Update BIOS from Drive
Save BIOS to Drive
Enter : Run KL:Move ESC:Reset F10:Power Off
0 file(s) found
Floppy A <Drive>
HDD 0-0 <Drive>
Total size : 0 Free size : 0

GA-P35-DS3R/DS3/S3 Motherboard - 70 -
English
Step 6:
Select Save & Exit Setup and then press <Y> to save settings to CMOS and exit BIOS Setup. The
procedure is complete after the system restarts.
Press <Y> to load BIOS defaults
Step 4:
Press <Esc> and then <Enter> to exit Q-Flash and reboot the system. As the system boots, you should
see the new BIOS version is present on the POST screen.
Step 5:
During the POST, press <Delete> to enter BIOS Setup. Select Load Optimized Defaults and press
<Enter> to load BIOS defaults. System will re-detect all peripherals devices after a BIOS update, so we
recommend that you reload BIOS defaults.
CMOS Setup Utility-Copyright (C) 1984-2007 Award Software
`Standard CMOS Features
`Advanced BIOS Features
`Integrated Peripherals
`Power Management Setup
`PnP/PCI Configurations
`PC Health Status
`MB Intelligent Tweaker(M.I.T.)
ESC: Quit KLJI: Select Item F11: Save CMOS to BIOS
F8: Q-Flash F10: Save & Exit Setup F12: Load CMOS from BIOS
Load Optimized Defaults
Load Fail-Safe Defaults
Load Optimized Defaults
Set Supervisor Password
Set User Password
Save & Exit Setup
Exit Without Saving
Load Optimized Defaults (Y/N)? Y

Unique Features- 71 -
English
•Installing the @BIOS utility. •Accessing the @BIOS utility.
B. Installing and Using @BIOS:
Use the motherboard driver disk included with the motherboard to install @BIOS.
4-2-2 Updating the BIOS with the @BIOS Utility
A. Before You Begin:
1. If your system supports Intel® Hyper-Threading technology, disable this function in BIOS Setup.
2. In Windows, close all applications and TSR (Terminate and Stay Resident) programs. This helps
prevent unexpected failures when performing a BIOS update.
3. During the BIOS update process, ensure the Internet connection is stable and do NOT interrupt the
Internet connection (for example, avoid a power loss or switching off the Internet). Failure to do so
may result in a corrupted BIOS or a system that is unable to start.
4. Do not use the C.O.M. (Corporate Online Management) function when using @BIOS.
5. GIGABYTE product warranty does not cover any BIOS damage or system failure resulting from an
inadequate BIOS flashing.
Select @BIOS and click Install.
Click Start>All Programs>GIGABYTE>
@BIOS>@BIOS
C. Options and Instructions:
1. Save the Current BIOS File
In the main dialog box of @BIOS, Save Current BIOS allows you to save the current BIOS file.
2. Update the BIOS Using the Internet Update Function
Step 1:
Select the Find BIOS From Gigabyte check
box and click Update New BIOS.
Step 2:
Select the @BIOS server site closest to your
location and click OK.
Select this option Click Update New BIOS

GA-P35-DS3R/DS3/S3 Motherboard - 72 -
English
Step 3:
First make sure the model name on the screen is correct, then
click OK. Upon completion, restart your system.
•If more than one model is present when doing Step 3 above, recomfirm your motherboard
model. Updating the BIOS with an incorrect BIOS file could result in an unbootable system.
•If the BIOS update file for your motherboard is not present on the @BIOS server site,
please manually download the BIOS update file from GIGABYTE's website and follow the
instructions in "Update the BIOS without Using the Internet Update Function" below.
Step 4:
As the system reboots, press <Delete> to enter the BIOS Setup program. Select Load Optimized
Defaults and press <Enter> to load BIOS defaults.
Step 1:
Click Update New BIOS.
Step 2:
In the Open dialog box, select All Files (*.*) in
the Files of type list. Select the location where
you save the BIOS update file (e.g. p35ds3r.f5)
obtained from the Internet or through other source.
3. Update the BIOS without Using the Internet Update Function
Click Update New BIOS
Step 3:
Press OK to begin the BIOS update process. Upon completion, restart
your system.
Step 4:
As the system boots, press <Delete> to enter the BIOS Setup program. Select Load Optimized
Defaults and press <Enter> to load BIOS defaults.
Make sure the extracted BIOS file matches your motherboard model. Updating the BIOS
with an incorrect BIOS file could result in an unbootable system.

Unique Features- 73 -
English
Button Information Table
4-3 EasyTune 5
EasyTuneTM 5, an easy-to-use and convenient system overclocking and management tool, lets you do
overclock and overvoltage in Windows environment, eliminating the need to enter the BIOS Setup
program. EasyTune 5 provides the following functions (Note 1): overclocking/overvoltage, C.I.A./
M.I.B. (Note 2), smart fan control, and hardware monitoring and warning. (For instructions on using
EasyTune5, read or download the information on/from the Support\Motherboard\Utility page on our
website.)
The EasyTune 5 Interface
(Note 1) Available functions in EasyTune 5 may differ by motherboard model.
(Note 2) C.I.A. and M.I.B. may provide optimizations for CPU and memory, enhancing the performance
of these components.
Button/Display Description
1. OVERCLOCKING Enters the Overclocking setting page
2. C.I.A./M.I.B. Enters the C.I.A. and M.I.B. setting page
3. SMART FAN Enters the Smart-Fan setting page
4. PC HEALTH Enters the PC Health setting page
5. GO Confirmation and Execution button
6. EASY MODE/ADVANCED MODE Toggles between Easy and Advance Mode
7. Display Field Displays panel of CPU frequency
8. Function LEDs Shows the information of the current function
9. GIGABYTE Logo Visits GIGABYTE website
10. Help Displays EasyTuneTM 5 help screen
11. Exit or Minimize Quits or minimizes EasyTuneTM 5
Incorrectly doing overclock/overvoltage may result in damage to CPU, chipset, or memory and
reduce the useful life of these components. Before you do the overclock/overvoltage, make sure
that you fully know how to use each function of EasyTune 5, or system instability or other
unexpected results may occur.

GA-P35-DS3R/DS3/S3 Motherboard - 74 -
English
4-4 Windows Vista ReadyBoost
Windows ReadyBoost allows you to use flash memory on a Windows Vista certified USB flash drive
to boost your computer's performance. You may enable ReadyBoost and allocate part of your USB
flash drive's memory to speed up your computer.
Follow the steps below to enable the ReadyBoost function:
Step 1:
Go to Computer. Right-click on the USB flash drive icon and choose
Properties.
Step 2:
In the ReadyBoost tab, select Use this device. Under Space to
reserve for system speed, set the amount of memory space to use
for ReadyBoost using the slider or spin box. Click Apply and then OK
to turn on ReadyBoost.
•The USB flash drive must have at least 256 MB of space.
•The recommended amount of memory to use for ReadyBoost acceleration is one to three
times the amount of RAM installed in your computer.

Appendix- 75 -
English
Only for GA-P35-DS3R.
(Note 1) Skip this step if you do not want to create RAID array on the SATA controller.
(Note 2) Required when the SATA controller is set to AHCI or RAID mode.
(Note 3) Due to chipset limitation, Intel ICH9R RAID driver does not support Windows 2000 operating
system.
5-1 Configuring SATA Hard Drive(s)
To configure SATA hard drive(s), follow the steps below:
A. Install SATA hard drive(s) in your computer.
B. Configure SATA controller mode in BIOS Setup.
C. Configure a RAID array in RAID BIOS. (Note 1)
D. Make a floppy disk containing the SATA RAID/AHCI driver. (Note 2)
E. Install the SATA RAID/AHCI driver and operating system. (Note 2)
Before you begin
Please prepare:
•At least two SATA hard drives (to ensure optimal performance, it is recommended that you use
two hard drives with identical model and capacity). If you do not want to create RAID, you may
prepare only one hard drive.
•An empty formatted floppy disk.
•Windows Vista/XP/2000 (Note 3) setup disk.
•Motherboard driver disk.
5-1-1 Configuring Intel® ICH9R SATA Controllers
A. Installing SATA hard drive(s) in your computer
Attach one end of the SATA signal cable to the rear of the SATA hard drive and the other end to available
SATA port on the motherboard. If there is more than one SATA controller on your motherboard, refer to
"Chapter 1," "Hardware Installation," to identify the SATA controller for the SATA port. (For example, on
the GA-P35-DS3R motherboard, the SATAII0, SATAII1, SATAII2, SATAII3, SATAII4 and SATAII5 ports are
supported by ICH9R Southbridge.) Then connect the power connector from your power supply to the
hard drive.
Chapter 5 Appendix

GA-P35-DS3R/DS3/S3 Motherboard - 76 -
English
B. Configuring SATA controller mode in BIOS Setup
Make sure to configure the SATA controller mode correctly in system BIOS Setup .
Step 1:
Turn on your computer and press <Delete> to enter BIOS Setup during the POST (Power-On Self-Test).
To create RAID, set SATA RAID/AHCI Mode under the Integrated Peripherals menu to RAID
(Figure 1)(Disabled by default). If you do not want to create RAID, set this item to Disabled or AHCI.
Figure 1
The BIOS Setup menus described in this section may differ from the exact settings for your
motherboard. The actual BIOS Setup menu options you will see shall depend on the motherboard
you have and the BIOS version.
Step 2:
Save changes and exit BIOS Setup.
CMOS Setup Utility-Copyright (C) 1984-2007 Award Software
Integrated Peripherals
SATA RAID/AHCI Mode [RAID]
SATA Port0~3 Native Mode [Disabled]
USB Controller [Enabled]
USB 2.0 Controller [Enabled]
USB Keyboard Support [Disabled]
USB Mouse Support [Disabled]
Legacy USB storage detect [Enabled]
Azalia Codec [Auto]
Onboard H/W LAN [Enabled]
`SMART LAN [Press Enter]
Onboard LAN Boot ROM [Disabled]
Onboard SATA/IDE Device [Enabled]
Onboard SATA/IDE Ctrl Mode [IDE]
Onboard Serial Port 1 [3F8/IRQ4]
Onboard Parallel Port [378/IRQ7]
Parallel Port Mode [SPP]
KLJI: Move Enter: Select +/-/PU/PD: Value F10: Save ESC: Exit F1: General Help
F5: Previous Values F6: Fail-Safe Defaults F7: Optimized Defaults
Item Help
Menu Level`

Appendix- 77 -
English
C. Configuring a RAID array in RAID BIOS
Enter the RAID BIOS setup utility to configure a RAID array. Skip this step and proceed to the installation
of Windows operating system for a non-RAID configuration.
Step 1:
After the POST memory test begins and before the operating system boot begins, look for a message
which says "Press <Ctrl-I> to enter Configuration Utility" (Figure 2). Press <Ctrl> + <I> to enter the RAID
Configuration Utility.
Step 2:
After you press <Ctrl> + <I>, the MAIN MENU screen will appear (Figure 3).
Create RAID Volume
If you want to create a RAID array, select Create RAID Volume in MAIN MENU and press <Enter>.
Figure 2
Figure 3
Intel(R) Matrix Storage Manager option ROM v7.5.0.1014 ICH9R wRAID5
Copyright(C) 2003-07 Intel Corporation. All Rights Reversed.
RAID Volumes :
None defined.
Physical Disks :
Port Drive Model Serial # Size Type/Status(Vol ID)
0 ST3120026AS 3JT354CP 111.7GB Non-RAID Disk
1 ST3120026AS 3JT329JX 111.7GB Non-RAID Disk
Press <CTRL - I> to enter Configuration Utility..
Intel(R) Matrix Storage Manager option ROM v7.5.0.1014 ICH9R wRAID5
Copyright(C) 2003-07 Intel Corporation. All Rights Reversed.
[ MAIN MENU ]
1. Create RAID Volume
2. Delete RAID Volume
[ DISK/VOLUME INFORMATION ]
RAID Volumes :
None defined.
Physical Disks :
Port Drive Model Serial # Size Type/Status(Vol ID)
0 ST3120026AS 3JT354CP 111.7GB Non-RAID Disk
1 ST3120026AS 3JT329JX 111.7GB Non-RAID Disk
[KL]-Select [ESC]-Exit [ENTER]-Select Menu
3. Reset Disks to Non-RAID
4. Exit

GA-P35-DS3R/DS3/S3 Motherboard - 78 -
English
Step 3:
After entering the CREATE VOLUME MENU screen, enter a volume name with 1~16 letters (letters
cannot be special characters) under the Name item and press <Enter>. Then, select a RAID level
(Figure 4). There are four RAID levels supported: RAID 0, RAID 1, RAID 10 and RAID 5 (the selections
available depend on the number of the hard drives being installed). Press <Enter> to proceed.
Step 4:
Under Disks item, select the hard drives to be included in the RAID array. If only two hard drives are
installed, they will be automatically assigned to the array. Set the stripe block size (Figure 5) if
necessary. The stripe block size can be set from 4 KB to 128 KB. Once you have selected the stripe
block size, press <Enter>.
Figure 5
Figure 4
Intel(R) Matrix Storage Manager option ROM v7.5.0.1014 ICH9R wRAID5
Copyright(C) 2003-07 Intel Corporation. All Rights Reversed.
[ CREATE VOLUME MENU ]
[ HELP ]
The following are typical values:
RAID0 - 128KB
RAID10- 64KB
RAID5 - 64KB
[KL]-Change [TAB]-Next [ESC]-Previous Menu [ENTER]-Select
Name : Volume0
RAID Level : RAID0(Stripe)
Disks : Select Disks
Strip Size : 128KB
Capacity : 223.6 GB
Create Volume
Intel(R) Matrix Storage Manager option ROM v7.5.0.1014 ICH9R wRAID5
Copyright(C) 2003-07 Intel Corporation. All Rights Reversed.
[ CREATE VOLUME MENU ]
[ HELP ]
Choose the RAID level:
RAID0- Stripes data (performance).
RAID1- Mirrors data (redundancy).
RAID10- Mirrors data and stripes the mirror.
RAID5- Stripes data and parity.
[KL]-Change [TAB]-Next [ESC]-Previous Menu [ENTER]-Select
Name : Volume0
RAID Level : RAID0(Stripe)
Disks : Select Disks
Strip Size : 128KB
Capacity : 223.6 GB
Create Volume

Appendix- 79 -
English
Step 5:
Enter the array capacity and press <Enter>. Finally press <Enter> on the Create Volume item to begin
creating the RAID array. When prompted to confirm whether to create this volume, press <Y> to confirm
or <N> to cancel (Figure 6).
Figure 6
Intel(R) Matrix Storage Manager option ROM v7.5.0.1014 ICH9R wRAID5
Copyright(C) 2003-07 Intel Corporation. All Rights Reversed.
[ CREATE VOLUME MENU ]
[ HELP ]
Press ENTER to create the specified volume.
[KL]-Change [TAB]-Next [ESC]-Previous Menu [ENTER]-Select
Name : RAID_Volume0
RAID Level : RAID0(Stripe)
Disks : Select Disks
Strip Size : 128KB
Capacity : 223.6 GB
Create Volume
WARNING : ALL DATA ON SELECTED DISKS WILL BE LOST.
Are you sure you want to create this volume? (Y/N) :
When completed, you can see detailed information about the RAID array in the DISK/VOLUME
INFORMATION section, including the RAID level, stripe block size, array name, and array capacity,
etc. (Figure 7)
Figure 7
Intel(R) Matrix Storage Manager option ROM v7.5.0.1014 ICH9R wRAID5
Copyright(C) 2003-07 Intel Corporation. All Rights Reversed.
[ MAIN MENU ]
[ DISK/VOLUME INFORMATION ]
RAID Volumes :
ID Name Level Strip Size Status Bootable
0 Volume0 RAID0(Stripe) 128KB 223.6GB Normal Yes
Physical Disks :
Port Drive Model Serial # Size Type/Status(Vol ID)
0 ST3120026AS 3JT354CP 111.8GB Member Disk(0)
1 ST3120026AS 3JT329JX 111.8GB Member Disk(0)
[KL]-Select [ESC]-Exit [ENTER]-Select Menu
1. Create RAID Volume
2. Delete RAID Volume 3. Reset Disks to Non-RAID
4. Exit
To exit the ICH9R RAID BIOS utility, press <Esc> or select Exit in MAIN MENU.
Now, you may proceed to create the SATA RAID/AHCI driver diskette and the installation of the SATA
RAID/ACHI driver and operating system.

GA-P35-DS3R/DS3/S3 Motherboard - 80 -
English
Delete RAID Volume
To delete a RAID array, select Delete RAID Volume in MAIN MENU and press <Enter>. In the
DELETE VOLUME MENU section, use the up or down arrow key to select the array to be deleted and
press <Delete>. When prompted to confirm your selection (Figure 8), press <Y> to confirm or <N> to
abort.
Figure 8
Intel(R) Matrix Storage Manager option ROM v7.5.0.1014 ICH9R wRAID5
Copyright(C) 2003-07 Intel Corporation. All Rights Reversed.
[ DELETE VOLUME MENU ]
[ HELP ]
Deleting a volume will reset the disks to non-RAID.
WARNING: ALL DISK DATA WILL BE DELETED.
[KL]-Select [ESC]-Previous Menu [DEL]-Delete Volume
Name Level Drives Capacity Status Bootable
Volume0 RAID0(Stripe) 2 223.6GB Normal Yes
ALL DATA IN THE VOLUME WILL BE LOST!
Are you sure you want to delete "Volume0"? (Y/N) :
[ DELETE VOLUME VERIFICATION ]

Appendix- 81 -
English
5-1-2 Configuring GIGABYTE SATA2 SATA Controller
A. Installing SATA hard drive(s) in your computer
Attach one end of the SATA signal cable to the rear of the SATA hard drive and the other end to available
SATA port on the motherboard. If there is more than one SATA controller on your motherboard, refer to
"Chapter 1," Hardware Installation," to identify the SATA controller for the SATA port. (For example, on
this motherboard, the GSATAII0 and GSATAII1 ports are supported by GIGABYTE SATA2.) Then connect
the power connector from your power supply to the hard drive.
B. Configuring SATA controller mode and device boot order in BIOS Setup
Make sure to configure the SATA controller mode correctly in system BIOS Setup and set the device
boot order.
Step 1:
Turn on your computer and press <Delete> to enter BIOS Setup during the POST. In BIOS Setup, go to
Integrated Peripherals, ensure that Onboard SATA/IDE Device is enabled. Then set Onboard
SATA/IDE Ctrl Mode to RAID/IDE (Figure 1). If you do not want to create RAID, set this item to IDE
or AHCI, depending on your need.
The BIOS Setup menus described in this section may differ from the exact settings for your
motherboard. The actual BIOS Setup menu options you will see shall depend on the motherboard
you have and the BIOS version.
Step 2:
Save changes and exit BIOS Setup.
Figure 1
CMOS Setup Utility-Copyright (C) 1984-2007 Award Software
Integrated Peripherals
SATA RAID/AHCI Mode [Disabled]
SATA Port0~3 Native Mode [Disabled]
USB Controller [Enabled]
USB 2.0 Controller [Enabled]
USB Keyboard Support [Disabled]
USB Mouse Support [Disabled]
Legacy USB storage detect [Enabled]
Azalia Codec [Auto]
Onboard H/W LAN [Enabled]
`SMART LAN [Press Enter]
Onboard LAN Boot ROM [Disabled]
Onboard SATA/IDE Device [Enabled]
Onboard SATA/IDE Ctrl Mode [RAID/IDE]
Onboard Serial Port 1 [3F8/IRQ4]
Onboard Parallel Port [378/IRQ7]
Parallel Port Mode [SPP]
KLJI: Move Enter: Select +/-/PU/PD: Value F10: Save ESC: Exit F1: General Help
F5: Previous Values F6: Fail-Safe Defaults F7: Optimized Defaults
Item Help
Menu Level`

GA-P35-DS3R/DS3/S3 Motherboard - 82 -
English
C. Configuring a RAID array in RAID BIOS
Enter the RAID BIOS setup utility to configure a RAID array. Skip this step and proceed to the installation
of Windows operating system for a non-RAID configuration.
After the POST memory test begins and before the operating system boot begins, look for a message
which says "Press <Ctrl-G> to enter RAID Setup Utility" (Figure 2). Press <Ctrl> + <G> to enter the
GIGABYTE SATA2 RAID BIOS utility.
Figure 2
Figure 3
GIGABYTE Technology Corp. PCIE-to-SATAII/IDE RAID Controller BIOSv1.06.59
Copyright (C) 2006-2007 GIGABYTE Technology. http://www.gigabyte.com.tw
HDD0 : ST3120026AS 120 GB Non-RAID
HDD1 : ST3120026AS 120 GB Non-RAID
ODD0 : DVDROM GO-D1600B
Press <Ctrl-G> to enter RAID Setup Utility ...
In the main screen of the GIGABYTE SATA2 RAID BIOS utility (Figure 3), use the up or down arrow key
to highlight through choices in the Main Menu block. Highlight the item that you wish to execute and
press <Enter>.
GIGABYTE Technology Corp. PCIE-to-SATAII/IDE RAID Controller BIOSv1.06.59
[ Main Menu ]
Create RAID Disk Drive
Delete RAID Disk Drive
Revert HDD to Non-RAID
Solve Mirror Conflict
Rebuild Mirror Drive
Save And Exit Setup
Exit Without Saving
[ RAID Disk Drive List ]
[IJTAB]-Switch Window [KL]-Select ITEM [ENTER]-Action [ESC]-Exit
[ Hard Disk Drive List ]
Model Name Capacity Type/Status
HDD0: ST3120026AS 120 GB Non-RAID
HDD1: ST3120026AS 120 GB Non-RAID
Note: In the main screen, you can select a hard drive in the Hard Disk Drive List block and press
<Enter> to see detailed information about the selected hard drive.

Appendix- 83 -
English
Figure 5
Create a RAID Array:
In the main screen, press <Enter> on the Create RAID Disk Drive item. Then the Create New RAID
screen appears (Figure 4).
GIGABYTE Technology Corp. PCIE-to-SATAII/IDE RAID Controller BBIOSv1.06.59
[ Create New RAID ]
Name: GRAID_
Level: 0-Stripe
Disks: Select Disk
Block: 128 KB
Size: 240 GB
Confirm Creation
[ RAID Disk Drive List ]
[IJ]-Move Cursor [DEL,BS]-Delete Character [ENTER]-Next [ESC]-Abort
[ Hard Disk Drive List ]
Model Name Available Type/Status
HDD0: ST3120026AS 120 GB Non-RAID
HDD1: ST3120026AS 120 GB Non-RAID
[ Help ]
Enter RAID Name
Enter a string between 1 to 16 characters
in length for the created RAID drive to be
identified by system BIOS or OS.
Figure 4
GIGABYTE Technology Corp. PCIE-to-SATAII/IDE RAID Controller BIOSv1.06.59
[ Create New RAID ]
Name: GRAID
Level: 0-Stripe
Disks: Select Disk
Block: 128 KB
Size: 240 GB
Confirm Creation
[ RAID Disk Drive List ]
[KL]-Switch RAID Level [ENTER]-Next [ESC]-Abort
[ Hard Disk Drive List ]
Model Name Available Type/Status
HDD0: ST3120026AS 120 GB Non-RAID
HDD1: ST3120026AS 120 GB Non-RAID
[ Help ]
Select RAID Level
RAID 0 - Data striped for performance
RAID 1 - Data mirrored for redundancy
JBOD - Data concatenated for huge
temporarily disk required
The Create New RAID block displays all the items that need to be set for creating an array (Figure 5).
Steps:
1. Enter Array Name: Under the Name item, enter an array name with 1~16 letters (letters cannot be
special characters) and press <Enter>.
2. Select RAID Mode: Under the Level item, use up or down arrow key to select RAID 0 (Stripe),
RAID 1 (Mirror), or JBOD (Figure 5). Then press <Enter> to move onto the next step.

GA-P35-DS3R/DS3/S3 Motherboard - 84 -
English
Figure 6
3. Assign Array Disks: After a RAID mode is selected, RAID BIOS automatically assigns the two
hard drives installed as the RAID drives.
4. Set Block Size (RAID 0 only): Under the Block item, use the up or down arrow key to select the
stripe block size (Figure 6), ranging from 4 KB to 128 KB. Press <Enter>.
GIGABYTE Technology Corp. PCIE-to-SATAII/IDE RAID Controller BIOSv1.06.59
[ Create New RAID ]
Name: GRAID
Level: 0-Stripe
Disks: Select Disk
Block: 128 KB
Size: 240 GB
Confirm Creation
[ RAID Disk Drive List ]
[KL]-Switch RAID Block Size [ENTER]-Next [ESC]-Abort
[ Hard Disk Drive List ]
Model Name Available Type/Status
`HDD0: ST3120026AS 120 GB Non-RAID
`HDD1: ST3120026AS 120 GB Non-RAID
[ Help ]
Setting Stripe Block
Select a stripe size which will be used to
divide data from/to seperate RAID members.
The following are typical values:
RAID 0-128KB
Figure 7
5. Set Array Size: Under the Size item, enter the size of the array and press <Enter>.
6. Confirm Creation: After all of the items above are configured, the selection bar automatically jumps
to the Confirm Creation item. Press <Enter>. When prompted to confirm your selection (Figure 7),
press <Y> to confirm or <N> to abort.
GIGABYTE Technology Corp. PCIE-to-SATAII/IDE RAID Controller BIOSv1.06.59
[ Create New RAID ]
Name: GRAID
Level: 0-Stripe
Disks: Select Disk
Block: 128 KB
Size: 240 GB
Confirm Creation
[ RAID Disk Drive List ]
[ Hard Disk Drive List ]
Model Name Available Type/Status
`HDD0: ST3120026AS 120 GB Non-RAID
`HDD1: ST3120026AS 120 GB Non-RAID
[ Help ]
CONFIRM RAID CREATION
ALL DATA ON THE SELECTED HARD DISK
WILL BE LOST WHEN EXIT WITH SAVING
Create RAID on the select HDD(Y/N)?Y
[KL]-Switch Unit [DEL,BS]-Delete Number [ENTER]-Next [ESC]-Abort

Appendix- 85 -
English
When finished, the new RAID array will be displayed in the RAID Disk Drive List block (Figure 8).
Figure 8
GIGABYTE Technology Corp. PCIE-to-SATAII/IDE RAID Controller BIOSv1.06.59
[ Main Menu ]
Create RAID Disk Drive
Delete RAID Disk Drive
Revert HDD to Non-RAID
Solve Mirror Conflict
Rebuild Mirror Drive
Save And Exit Setup
Exit Without Saving
[ RAID Disk Drive List ]
[IJTAB]-Switch Window [KL]-Select ITEM [ENTER]-Action [ESC]-Exit
[ Hard Disk Drive List ]
Model Name Capacity Type/Status
HDD0: ST3120026AS 120 GB RAID Inside
HDD1: ST3120026AS 120 GB RAID Inside
Model Name RAID Level Capacity Status Members(HDDx)
RDD0: GRAID 0-Stripe 240 GB Normal 01
Figure 9
GIGABYTE Technology Corp. PCIE-to-SATAII/IDE RAID Controller BIOSv1.06.59
[ Main Menu ]
Create RAID Disk Drive
Delete RAID Disk Drive
Revert HDD to Non-RAID
Solve Mirror Conflict
Rebuild Mirror Drive
Save And Exit Setup
Exit Without Saving
[ RAID Disk Drive List ]
[IJTAB]-Switch Window [KL]-Select RAID [ENTER]-Detail [ESC]-Exit
[ Hard Disk Drive List ]
Model Name Capacity Type/Status
HDD0: ST3120026AS 120 GB RAID Inside
HDD1: ST3120026AS 120 GB RAID Inside
Model Name RAID Level Capacity Status Members(HDDx)
RDD0: GRAID 0-Stripe 240 GB Normal 01
[ RAID Information ]
Name: GRAID
Level: 0-Stripe
Block: 128KB
Capacity: 240GB
Members: HDD 01
Status: Normal
To check more detailed information about the array, use the <Tab> key while in the Main Menu block
to move the selection bar to the RAID Disk Drive List block. Select the array and press <Enter>.
A small window displaying the array information will appear in the center of the screen (Figure 9).

GA-P35-DS3R/DS3/S3 Motherboard - 86 -
English
7. Save and Exit Setup: After configuring the RAID array, select the Save And Exit Setup item in the
main screen to save your settings before exiting the RAID BIOS utility, then press <Y> (Figure 10).
Figure 10
Figure 11
Delete the RAID Array:
To delete the array, select Delete RAID Disk Drive in the main menu and press <Enter>. The selection
bar will move to the RAID Disk Drive List block. Press the space bar on the array to be deleted; a
small triangle will appear to mark the selected array. Press <Delete>. When prompted to confirm your
selection (Figure 11), press <Y> to confirm or <N> to cancel.
Now, you may proceed to create the SATA RAID/AHCI driver diskette and the installation of the SATA
RAID/AHCI driver and operating system.
GIGABYTE Technology Corp. PCIE-to-SATAII/IDE RAID Controller BIOSv1.06.59
[ Main Menu ]
Create RAID Disk Drive
Delete RAID Disk Drive
Revert HDD to Non-RAID
Solve Mirror Conflict
Rebuild Mirror Drive
Save And Exit Setup
Exit Without Saving
[ RAID Disk Drive List ]
[KL]-Select RAID [SPACE]-Mark Delete [DEL]-Confirm [ESC]-Abort
[ Hard Disk Drive List ]
Model Name Capacity Type/Status
HDD0: ST3120026AS 120 GB RAID Inside
HDD1: ST3120026AS 120 GB RAID Inside
Model Name RAID Level Capacity Status Members(HDDx)
` RDD0: GRAID 0-Stripe 240 GB Normal 01
ALL DATA ON THE RAID WILL LOST!!
ARE YOU SURE TO DELETE (Y/N)? N
GIGABYTE Technology Corp. PCIE-to-SATAII/IDE RAID Controller BIOSv1.06.59
[ Main Menu ]
Create RAID Disk Drive
Delete RAID Disk Drive
Revert HDD to Non-RAID
Solve Mirror Conflict
Rebuild Mirror Drive
Save And Exit Setup
Exit Without Saving
[ RAID Disk Drive List ]
[ Hard Disk Drive List ]
Model Name Capacity Type/Status
HDD0: ST3120026AS 120 GB RAID Inside
HDD1: ST3120026AS 120 GB RAID Inside
Model Name RAID Level Capacity Status Members(HDDx)
RDD0: GRAID 0-Stripe 240 GB Normal 01
Save to Disk & Exit (Y/N)?Y
[IJTAB]-Switch Window [KL]-Select ITEM [ENTER]-Action [ESC]-Exit

Appendix- 87 -
English
5-1-3 Making a SATA RAID/AHCI Driver Diskette
(Required for AHCI and RAID Mode)
To successfully install operating system onto SATA hard drive(s) that is/are configured to RAID/AHCI
mode, you need to install the SATA controller driver during the OS installation. Without the driver, the
hard drive may not be recognized during the Windows setup process. First of all, copy the driver for
the SATA controller from the motherboard driver disk to a floppy disk. See the instructions below about
how to copy the driver in MS-DOS mode(Note). Prepare a startup disk that has CD-ROM support and a
blank formatted floppy disk.
Step 1: Insert the prepared startup disk and motherboard driver disk in your system. Boot from the
startup disk. Once at the A:\> prompt, change to your optical drive (example: D:\>). At the D:\> prompt,
type the following two commands. Press <Enter> after each command (Figure 1):
cd bootdrv
menu
Step 2: When the controller menu (Figure 2) appears, remove the startup disk and insert the blank
formatted disk. Select the controller driver by pressing the corresponding letter from the menu. For
example, from the menu in Figure 2:
•For Intel ICH9R SATA controllers, select 7) Intel Matrix Storage Manager 32 bit for Windows
32-bit operating system or 8) Intel Matrix Storage Manager 64 bit for Windows 64-bit.
•For GIGABYTE SATA2 SATA controller, select E) GIGABYTE SATA-RAID Driver 32Bit for
Windows 32-bit operating system or F) GIGABYTE SATA-RAID Driver 64Bit for Windows 64-bit.
Your system will then automatically zip and transfer this driver file to the floppy disk. Press <0> to exit
when finished.
(Note) For users without a startup disk:
Use an alternative system and insert the motherboard driver disk. From your optical drive
folder, double click the MENU.exe file in the BootDrv folder (Figure 3). A command prompt
window will open similar to that in Figure 2.
Figure 1 Figure 2
Figure 3
Only for GA-P35-DS3R.

GA-P35-DS3R/DS3/S3 Motherboard - 88 -
English
Figure 1
Figure 2
Step 2:
When a screen similar to that below appears, insert the floppy disk containing the SATA RAID/AHCI
driver and press <S> (Figure 2).
Windows Setup
Press F6 if you need to install a third party SCSI or RAID driver.
Windows Setup
S=Specify Additional Device ENTER=Continue F3=Exit
Setup could not determine the type of one or more mass storage devices
installed in your system, or you have chosen to manually specify an adapter.
Currently, Setup will load support for the following mass storage devices(s)
<none>
* To specify additional SCSI adapters, CD-ROM drives, or special
disk controllers for use with Windows, including those for
which you have a device support disk from a mass storage device
manufacturer, press S.
* If you do not have any device support disks from a mass storage
device manufacturer, or do not want to specify additional
mass storage devices for use with Windows, press ENTER.
5-1-4 Installing the SATA RAID/AHCI Driver and Operating System
Now that you have prepared the SATA RAID/AHCI driver diskette and configured the required BIOS
settings, you are ready to install Windows Vista/XP/2000 onto your hard drive(s). The following is an
example of Windows XP installation.
A. Installing Windows XP
Step 1:
Restart your system to boot from the Windows XP setup disk and press <F6> as soon as you see the
message "Press F6 if you need to install a 3rd party SCSI or RAID driver" (Figure 1). After pressing
<F6>, there will be a few moments of some files being loaded before you see the next screen.

Appendix- 89 -
English
Step 3:
For Intel ICH9R SATA controllers:
When Setup correctly recognizes the Intel ICH9R SATA RAID/AHCI driver in the floppy disk, a controller
menu similar to Figure 3 below will appear. Use the arrow keys to select one of the items displayed
and press <Enter>. If you set the SATA RAID/AHCI Mode item in BIOS Setup to RAID mode, select
Intel(R) ICH8R/ICH9R SATA RAID Controller. (Select ICH9 SATA AHCI Controller (Desktop
ICH9R) for AHCI mode.)
If a message appears saying one or some file(s) cannot be found, please check the floppy disk
or copy the correct SATA RAID/AHCI driver again from the motherboard driver disk.
Figure 3
Windows Setup
ENTER=Select F3=Exit
You have chosen to configure a SCSI Adapter for use with Windows,
using a device support disk provided by an adapter manufacturer.
Select the SCSI Adapter you want from the following list, or press ESC
to return to the previous screen.
Intel(R) ICH9 SATA AHCI Controller (Desktop ICH9R)
Intel(R) 82801HEM SATA RAID Controller (Mobile ICH8M-E)
Intel(R) 82801HEM/HBM SATA AHCI Controller (Mobile ICH8M-E/M)
Intel(R) ICH8R/ICH9R SATA RAID Controller
Figure 4
When the screen as shown below appears, press <Enter> to continue the driver installation from
the floppy disk. The driver installation will be finished in about one minute.
Windows Setup
S=Specify Additional Device ENTER=Continue F3=Exit
Setup will load support for the following mass storage device(s):
Intel(R) ICH8R/ICH9R SATA RAID Controller
* To specify additional SCSI adapters, CD-ROM drives, or special
disk controllers for use with Windows, including those for
which you have a device support disk from a mass storage device
manufacturer, press S.
* If you do not have any device support disks from a mass storage
device manufacturer, or do not want to specify additional
mass storage devices for use with Windows, press ENTER.
Only for GA-P35-DS3R.

GA-P35-DS3R/DS3/S3 Motherboard - 90 -
English
Step 3:
For GIGABYTE SATA2 SATA controller:
When Setup correctly recognizes the GIGABYTE SATA2 SATA RAID/AHCI driver in the floppy disk, a
controller menu similar to Figure 5 below will appear. Use the arrow keys to select one of the items
displayed and press <Enter>. If you set the Onboard SATA/IDE Ctrl Mode item in BIOS Setup to RAID
mode, select GIGABYTE GBB363 RAID Controller (Windows 2K/XP/2003). (Select GIGABYTE
GBB363 AHCI Controller (Windows 2K/XP/2003) for AHCI mode.)
Figure 5
Figure 6
When the screen as shown below appears, press <Enter> to continue the driver installation from
the floppy disk. The driver installation will be finished in about one minute.
Windows Setup
S=Specify Additional Device ENTER=Continue F3=Exit
Setup will load support for the following mass storage device(s):
GIGABYTE GBB363 RAID Controller (Windows 2K/XP/2003)
* To specify additional SCSI adapters, CD-ROM drives, or special
disk controllers for use with Windows, including those for
which you have a device support disk from a mass storage device
manufacturer, press S.
* If you do not have any device support disks from a mass storage
device manufacturer, or do not want to specify additional
mass storage devices for use with Windows, press ENTER.
Windows Setup
ENTER=Select F3=Exit
You have chosen to configure a SCSI Adapter for use with Windows,
using a device support disk provided by an adapter manufacturer.
Select the SCSI Adapter you want from the following list, or press ESC
to return to the previous screen.
GIGABYTE GBB363 RAID Controller (Windows 2K/XP/2003)
GIGABYTE GBB363 AHCI Controller (Windows 2K/XP/2003)
GIGABYTE GBB360 AHCI Controller (Windows 2K/XP/2003)
GIGABYTE GBB362 RAID Controller (Windows 2K/XP/2003)
If a message appears saying one or some file(s) cannot be found, please check the floppy disk
or copy the correct SATA RAID/AHCI driver again from the motherboard driver disk.

Appendix- 91 -
English
Step 4:
After the SATA RAID/AHCI driver installation is completed, you can proceed with the Windows XP
installation.
Figure 7
WindowsXP Professional Setup
Enter= Continue R=Repair F3=Exit
Welcome to Setup.
This port of the Setup program prepares Microsoft(R)
Windows (R) XP to run on your computer.
To set up Windows XP now, press ENTER.
To repair a Windows XP installation using
Recovery Console, press R.
To quit Setup without installing Windows XP, press F3.

GA-P35-DS3R/DS3/S3 Motherboard - 92 -
English
B. Installing Windows Vista
(The procedure below assumes that only one RAID array exists in your system.)
Intel ICH9R SATA controllers:
Step 1:
Restart your system to boot from the Windows Vista setup disk and perform standard OS installation
steps. When a screen similar to that below appears, select Load Driver. (Figure 8).
Step 2:
Specify the location where the driver is saved, such as your floppy disk (Figure 9).
Figure 9
Figure 8
Only for GA-P35-DS3R.

Appendix- 93 -
English
Figure 10
(Note) The item displayed in Figure 10 will be shown as Intel(R) ICH9 SATA AHCI Controller
when the SATA controllers are set to AHCI mode.
Step 3:
When a screen as shown in Figure 10 appears, select Intel(R) ICH8R/ICH9R SATA RAID Controller (Note)
and press Next.
Step 4:
After the driver is loaded, select the RAID/AHCI drive(s) where you want to install the operating system
and then press Next to continue the OS installation (Figure 11).
Figure 11

GA-P35-DS3R/DS3/S3 Motherboard - 94 -
English
GIGABYTE SATA2 controllers:
Step 1:
Restart your system to boot from the Windows Vista setup disk and perform standard OS installation
steps. When a screen similar to that below appears (RAID/AHCI hard drive(s) will not be detected at this
stage), select Load Driver. (Figure 12).
Figure 12
Step 2:
Specify the location where the driver is saved, such as your floppy disk (Figure 13).
Figure 13

Appendix- 95 -
English
Figure 14
Step 3:
When a screen as shown in Figure 14 appears, select GIGABYTE GBB36X Controller and press
Next.
Step 4:
After the driver is loaded, select the RAID/AHCI drive(s) where you want to install the operating system
and then press Next to continue the OS installation (Figure 15).
Figure 15

GA-P35-DS3R/DS3/S3 Motherboard - 96 -
English
5-2 Configuring Audio Input and Output
5-2-1 Configuring 2/4/5.1/7.1-Channel Audio
The motherboard provides six audio jacks on the
back panel which support 2/4/5.1/7.1-channel audio.
The picture to the right shows the default audio jack
assignments.
The integrated HD (High Definition) audio provides
jack retasking capability that allows the user to change
the function for each jack through the audio driver.
For example, in a 4-channel audio configuration, if a Rear speaker is plugged into the default Center/
Subwoofer speaker out jack, you can retask the Center/Subwoofer speaker out jack to be Rear
speaker out.
Rear Speaker Out
Center/Subwoofer
Speaker Out
Side Speaker Out
Line In
Front Speaker Out
Mic In
•To install a microphone, connect your microphone to the Mic in or Line in jack and
manually configure the jack for microphone functionality.
•If your front panel audio supports Intel HD Audio standard, you can have both the front and
back panel audio connectors active simultaneously.
(Note) 2/4/5.1/7.1 Channel Audio Configurations:
Refer to the following for multi-channel speaker configurations.
• 2 channel audio: Headphone or Line out.
• 4 channel audio: Front speaker out and Rear speaker out.
• 5.1 channel audio: Front speaker out, Rear speaker out, and Center/Subwoofer speaker out.
• 7.1 channel audio: Front speaker out, Rear speaker out, Center/Subwoofer speaker out, and Side speaker out.
High Definition Audio (HD Audio)
HD Audio includes multiple high quality digital-to-analog converters (DACs) that support 44.1KHz/
48KHz/ 96KHz/192KHz sampling rate. HD Audio features multistreaming capabilities that allow multiple
audio streams (in and out) to be simultaneously processed. For example, users can listen to MP3
music, have an Internet chat, make a telephone call over the Internet, and etc. all at the same time.
A. Configuring Speakers:
(The following instructions use Windows XP as the example operating system.)
Step 1:
After installing the audio driver, the Audio Manager
icon will appear in your system tray. Double-
click the icon to access the Audio Control Panel.
Before installing the audio driver, make sure the "Microsoft UAA Bus driver for High Defintion
Audio" has been installed from the motherboard driver disk and your operating system has
been updated with the latest Service Pack for Windows.

Appendix- 97 -
English
Step 2:
Click the Audio I/O tab. In the speaker list on the
left, select 2CH Speaker, 4CH Speaker, 6CH
Speaker, or 8CH Speaker according to the type of
speaker configuration you wish to set up.
Step 3:
Everytime you connect an audio device to an audio
jack, the Connected device box appears. Select
the device according to the type of device you connect.
Then click OK to complete the configuration.
B. Configuring Sound Effect:
You may configure an audio environment on the
Sound Effect tab.
C. Configuring AC'97 Audio:
If you want to connect an AC'97 front panel audio
module, click the tool icon on the Audio I/O tab On
the Global Connector Settings box, select the Dis-
able front panel jack detection check box. Click
OK to activiate the AC'97 functionality.
When using an AC'97 front panel audio module, you can only have audio signals present on
either the front or the back panel audio connections, but not both at the same time.

GA-P35-DS3R/DS3/S3 Motherboard - 98 -
English
5-2-2 Installing the S/PDIF In Cable (Optional)
The S/PDIF in cable provides S/PDIF in functionality.
S/PDIF In:
The S/PDIF in jacks allow you to input digital audio signals to the computer for audio processing.
Coaxial
S/PDIF In
Optical
S/PDIF In
Step 1:
First, attach the connector at the end of the cable to the SPDIF_I
header on your motherboard.
Step 2:
Secure the metal bracket to the chassis back panel with a
screw.
A. Installing the S/PDIF In Cable:

Appendix- 99 -
English
S/PDIF Out:
The S/PDIF out jacks can transmit audio signals to an external decoder for decoding to get the best
audio quality.
Connect a S/PDIF coaxial cable or a S/PDIF optical cable (either
one) to an external decoder for transmitting the S/PDIF digital
audio signals.
S/PDIF Coaxial Cable
S/PDIF Optical Cable
B. Conneting a S/PDIF out Cable
C. Configuring S/PDIF out:
Click the tool icon in the DIGITAL section. In the
S/PDIF In/Out Settings dialog box, select an out-
put sampling rate and select (or disable) the output
source. Click OK to complete the configuration.

GA-P35-DS3R/DS3/S3 Motherboard - 100 -
English
5-2-3 Configuring Microphone Recording
Step 2:
Connect your microphone to the Mic in jack (pink)
on the back panel or the Line in jack on the front
panel. Then configure the jack for microphone
functionality.
Note: The microphone functions on the front panel
and back panel cannot be used at the same time.
Step 3:
Locate the Volume icon in your system tray
and click it to open the volume control panel
Step 1:
After installing the audio driver, the Audio
Manager icon will appear in your system tray.
Double-click the icon to access the Audio Control
Panel.

Appendix- 101 -
English
or
Step 4:
To hear the sound being recorded during the record-
ing process when using the microphone function on
the front panel, do not select the Mute check box
under Front Pink In or Front Green In in Master
Volume. It is recommended that you set the volume
at a middle level.
To hear the sound being recorded during the record-
ing process when using the microphone function on
the back panel, do not select the Mute check box
under Rear Pink In in Master Volume. It is recom-
mended that you set the volume at its middle level.
(Note)
If you cannot find the volume control options you
need in Master Volume, go to the Options menu
and then choose Properties. Select the volume con-
trol options you wish to show and click OK to
complete.
Step 5:
Next, while in Master Volume, go to Options and
click Properties. In the Mixer device list, select
Realtek HD Audio Input. Then set the recording
sound level properly. Do NOT mute the recording
sound, or you will not hear any sound when playing
back the recording you just made.
Select Realtek HD Audio Input in the Mixer device list
Recording Control

GA-P35-DS3R/DS3/S3 Motherboard - 102 -
English
Step 6:
To raise the recording and playing sound for the
microphone, go to Options in Master Volume and
select Advanced Controls. Click the Advanced
button under a volume control option (e.g. Front Green
In, Front Pink In). In the Other Controls field, select
the 1 Microphone Boost check box.
Step 7:
After completion, clickStart, point to Programs,
point to Accessories, point to Entertainment, and
then click Sound Recorder to begin the sound
recording.
5-2-4 Using the Sound Recorder
Recording the Sound:
1. Make sure you have connected the audio input
device (e.g. microphone) to the computer.
2. On the File menu, choose New.
3. To record a sound file, click the Recording but-
ton .
4. To stop the recording, click the Stop button .
Be sure to save the recording upon completion.
Playing the Sound:
1. On the File menu, choose Open.
2. In the Open dialog box, select the sound (.wav)
file you wish to play.
3. To play a sound file, click the Play button .
4. To stop playing, click the Stop button .
5. You may use the Fast Forward button to
move to the beginning of a file orthe Fast Back-
ward button to the end.

Appendix- 103 -
English
5-3 Troubleshooting
5-3-1 Frequently Asked Questions
To read more FAQs for your motherboard, please go to the Support\Motherboard\FAQ page on
GIGABYTE's website.
Q:In the BIOS Setup program, why are some BIOS options missing?
A: Some advanced options are hidden in the BIOS Setup program. Press <Delete> to enter BIOS Setup
during the POST. In the Main Menu, press <Ctrl>+<F1> to show the advanced options.
Q:Why is the light of my keyboard/optical mouse still on after the computer shuts down?
A:Some motherboard provides a small amount of standby power after the computer shuts down and
that's why the light is still on.
Q:How do I clear the CMOS values?
A: If your motherboard has a clearing CMOS jumper, refer to the instructions on the CLR_CMOS jumper
in Chapter 1 to short the jumper to clear the CMOS values. If your board doesn't have this jumper,
refer to the instructions on the motherboard battery in Chapter 1. You can temporarily remove the
battery from the battery holder to stop supplying power to the CMOS, which will clear the CMOS
values after about one minute. Refer to the steps below:
Steps:
1. Turn off your computer and unplug the power cord.
2. Gently remove the battery from the battery holder and wait for one minute.
(Or use a metal object like a screwdriver to touch the positive and negative terminals of the battery
holder, making them short for 5 seconds.)
3. Replace the battery.
4. Plug in the power cord and restart your computer.
5. Press <Delete> to enter BIOS Setup. Select "Load Fail-Safe Defaults" (or "Load Optimized Defaults")
to load BIOS default settings.
6. Saves changes and exit BIOS Setup (select "Save & Exit Setup") to restart your computer.
Q:Why do I still get a weak sound even though I have turned my speaker to the maximum volume?
A: Make sure your speaker is equipped with an internal amplifier. If not, try a speaker with power/
amplifier.
Q:What do the beeps emitted during the POST mean?
A: The following Award BIOS beep code descriptions may help you identify possible computer problems.
(For reference only.)
1 short: System boots successfully
2 short: CMOS setting error
1 long, 1 short: Memory or motherboard error
1 long, 2 short: Monitor or graphics card error
1 long, 3 short: Keyboard error
1 long, 9 short: BIOS ROM error
Continuous long beeps: Graphics card not inserted properly
Continuous short beeps: Power error

GA-P35-DS3R/DS3/S3 Motherboard - 104 -
English
5-3-2 Troubleshooting Procedure
If you encounter any troubles during system startup, follow the troubleshooting procedure below to
solve the problem.
Turn off the power. Remove all peripherals, connecting cables, and
power cord etc.
The problem is verified and solved.
Yes
No
A
Check if the CPU cooler is attached to the CPU securely. Is the
power connector of the CPU cooler connected to the CPU_FAN
header properly?
Check if the memory is installed properly on the memory slot.
Yes
Yes
START
Make sure the motherboard does not short-circuit with the chassis
or other metal objects.
Insert the graphics card. Connect the ATX main power cable and the 12V
power cable. Turn on the power to start the computer.
No Secure the CPU
cooler on the CPU.
Connect the CPU
cooler power cable
to the motherboard.
No Correctly insert the
memory into the
memory socket.
Press <Delete> to enter BIOS Setup. Select "Load Fail-Safe Defaults"
(or "Load Optimized Defaults"). Select "Save & Exit Setup" to save
changes and exit BIOS Setup.
(Continued...)
The problem is verified and solved.
The problem is verified and solved.
Isolate the short
circuit.

Appendix- 105 -
English
If the procedure above is unable to solve your problem, contact the place of purchase or local
dealer for help. Or go to the Support\Technical Service Zone page to submit your question. Our
customer service staff will reply you as soon as possible.
No
Yes
Check if there is display on your monitor.
Yes
When the computer is turned on, is the CPU cooler
running?
No The graphics card,
expansion slot, or
monitor might fail.
Turn off the computer. Plugg in the keyboard and mouse and restart the
computer.
No
Yes
Check if the keyboard is working properly.
No
Yes
Reinstall the operating system. Reinstall other devices one by one
(install one device at one time and then boot the system to see if the
device works successfully).
END
The power supply,
CPU or CPU socket
might fail.
The keyboard or
mouse might fail.
A
Turn off the computer and connect the IDE/SATA devices.
Check if the system can boot successfully.
Press <Delete> to enter BIOS Setup. Select "Load Fail-Safe Defaults"
(or "Load Optimized Defaults"). Select "Save & Exit Setup" to save
changes and exit BIOS Setup.
The problem is verified and solved.
The problem is verified and solved.
The problem is verified and solved.
The problem is verified and solved.
The IDE/SATA
device, connector,
or cable might fail.

GA-P35-DS3R/DS3/S3 Motherboard - 106 -
English
Regulatory Statements
Regulatory Notices
This document must not be copied without our written permission, and the contents there of must not be
imparted to a third party nor be used for any unauthorized purpose. Contravention will be prosecuted.
We believe that the information contained herein was accurate in all respects at the time of printing.
GIGABYTE cannot, however, assume any responsibility for errors or omissions in this text. Also note
that the information in this document is subject to change without notice and should not be construed as
a commitment by GIGABYTE.
Our Commitment to Preserving the Environment
In addition to high-efficiency performance, all GIGABYTE motherboards fulfill European Union regula-
tions for RoHS (Restriction of Certain Hazardous Substances in Electrical and Electronic Equipment)
and WEEE (Waste Electrical and Electronic Equipment) environmental directives, as well as most
major worldwide safety requirements. To prevent releases of harmful substances into the environment
and to maximize the use of our natural resources, GIGABYTE provides the following information on
how you can responsibly recycle or reuse most of the materials in your "end of life" product.
Restriction of Hazardous Substances (RoHS) Directive Statement
GIGABYTE products have not intended to add and safe from hazardous substances (Cd, Pb, Hg, Cr+6,
PBDE and PBB). The parts and components have been carefully selected to meet RoHS requirement.
Moreover, we at GIGABYTE are continuing our efforts to develop products that do not use internationally
banned toxic chemicals.
Waste Electrical & Electronic Equipment (WEEE) Directive Statement
GIGABYTE will fulfill the national laws as interpreted from the 2002/96/EC WEEE (Waste Electrical and
Electronic Equipment) directive. The WEEE Directive specifies the treatment, collection, recycling and
disposal of electric and electronic devices and their components. Under the Directive, used equipment
must be marked, collected separately, and disposed of properly.
WEEE Symbol Statement
The symbol shown below is on the product or on its packaging, which indicates that this
product must not be disposed of with other waste. Instead, the device should be taken to
the waste collection centers for activation of the treatment, collection, recycling and
disposal procedure. The separate collection and recycling of your waste equipment at the
time of disposal will help to conserve natural resources and ensure that it is recycled in a
manner that protects human health and the environment. For more information about where you can
drop off your waste equipment for recycling, please contact your local government office, your
household waste disposal service or where you purchased the product for details of environmentally
safe recycling.
When your electrical or electronic equipment is no longer useful to you, "take it back" to your local
or regional waste collection administration for recycling.
If you need further assistance in recycling, reusing in your "end of life" product, you may contact us
at the Customer Care number listed in your product's user's manual and we will be glad to help you
with your effort.

Appendix- 107 -
English
Finally, we suggest that you practice other environmentally friendly actions by understanding and
using the energy-saving features of this product (where applicable), recycling the inner and outer
packaging (including shipping containers) this product was delivered in, and by disposing of or
recycling used batteries properly. With your help, we can reduce the amount of natural resources
needed to produce electrical and electronic equipment, minimize the use of landfills for the disposal of
"end of life" products, and generally improve our quality of life by ensuring that potentially hazardous
substances are not released into the environment and are disposed of properly.
China Restriction of Hazardous Substances Table
The following table is supplied in compliance with China's Restriction of Hazardous Substances (China
RoHS) requirements:

GA-P35-DS3R/DS3/S3 Motherboard - 108 -
English

Appendix- 109 -
English

GA-P35-DS3R/DS3/S3 Motherboard - 110 -
English

Appendix- 111 -
English
Contact Us
Taiwan (Headquarters)
GIGA-BYTE TECHNOLOGY CO., LTD.
Address: No.6, Bau Chiang Road, Hsin-Tien,
Taipei 231, Taiwan
TEL: +886-2-8912-4888
FAX: +886-2-8912-4003
Tech. and Non-Tech. Support (Sales/Marketing) :
http://ggts.gigabyte.com.tw
WEB address (English): http://www.gigabyte.com.tw
WEB address (Chinese): http://www.gigabyte.tw
U.S.A.
G.B.T. INC.
TEL: +1-626-854-9338
FAX: +1-626-854-9339
Tech. Support:
http://rma.gigabyte-usa.com
Web address: http://www.gigabyte.us
Mexico
G.B.T Inc (USA)
Tel: +1-626-854-9338 x 215 (Soporte de habla hispano)
FAX: +1-626-854-9339
Correo: soporte@gigabyte-usa.com
Tech. Support:
http://rma.gigabyte-usa.com
Web address: http://www.gigabyte.com.mx
Singapore
GIGA-BYTE SINGAPORE PTE. LTD.
WEB address : http://www.gigabyte.sg
Thailand
WEB address : http://th.giga-byte.com
Vietnam
WEB address : http://www.gigabyte.vn
China
NINGBO G.B.T. TECH. TRADING CO., LTD.
WEB address : http://www.gigabyte.cn
Shanghai
TEL: +86-21-63410999
FAX: +86-21-63410100
Beijing
TEL: +86-10-62102838
FAX: +86-10-62102848
Wuhan
TEL: +86-27-87851061
FAX: +86-27-87851330
GuangZhou
TEL: +86-20-87540700
FAX: +86-20-87544306 ext. 333
Chengdu
TEL: +86-28-85236930
FAX: +86-28-85256822 ext. 814
Xian
TEL: +86-29-85531943
FAX: +86-29-85539821
Shenyang
TEL: +86-24-83992901
FAX: +86-24-83992909
India
GIGABYTE TECHNOLOGY (INDIA) LIMITED
WEB address : http://www.gigabyte.in
Saudi Arabia
WEB address : http://www.gigabyte.com.sa
Australia
GIGABYTE TECHNOLOGY PTY. LTD.
WEB address : http://www.gigabyte.com.au

GA-P35-DS3R/DS3/S3 Motherboard - 112 -
English
Germany
G.B.T. TECHNOLOGY TRADING GMBH
WEB address : http://www.gigabyte.de
U.K.
G.B.T. TECH. CO., LTD.
WEB address : http://www.giga-byte.co.uk
The Netherlands
GIGA-BYTE TECHNOLOGY B.V.
WEB address : http://www.giga-byte.nl
Sweden
WEB address : http://www.gigabyte.se
France
GIGABYTE TECHNOLOGY FRANCE
WEB address : http://www.gigabyte.fr
Italy
WEB address : http://www.giga-byte.it
Spain
GIGA-BYTE SPAIN
WEB address : http://www.giga-byte.es
Czech Republic
Representative Office Of GIGA-BYTE Technology Co., Ltd.
in CZECH REPUBLIC
WEB address : http://www.gigabyte.cz
Turkey
Representative Office Of GIGA-BYTE Technology Co., Ltd.
in TURKEY
WEB address : http://www.gigabyte.com.tr
To submit a technical or non-technical (Sales/
Marketing) question, please link to :
http://ggts.gigabyte.com.tw
Then select your language to enter the system.
Russia
Moscow Representative Office Of GIGA-BYTE Technology
Co., Ltd.
WEB address : http://www.gigabyte.ru
Latvia
GIGA-BYTE Latvia
WEB address : http://www.gigabyte.lv
Poland
Office of GIGA-BYTE TECHNOLOGY Co., Ltd. in POLAND
WEB address : http://www.gigabyte.pl
Ukraine
WEB address : http://www.giga-byte.com.ua
Romania
Representative Office Of GIGA-BYTE Technology Co., Ltd.
in Romania
WEB address : http://www.gigabyte.com.ro
Serbia & Montenegro
Representative Office Of GIGA-BYTE Technology Co., Ltd.
in SERBIA & MONTENEGRO
WEB address : http://www.gigabyte.co.yu
GIGABYTE Global Service System
You may go to the GIGABYTE website, select your language
in the language list on the top right corner of the website.