Golden Mark WS100 Wireless switch User Manual
Dragon Tech Industrial Limited Wireless switch
User manual

This product speaks with other Z-Wave certified devices
Wireless Appliance Control Module
WS-100
In Wall Light Switch

INTRODUCTION
domitech™ WS-100 is a member of the Z-Wave® family and communicates with other Z-
Wave certified devices in a control network. WS-100 replaces a standard in-wall light switch
and turns it into a Z-Wave controlled network device. Each Z-Wave device serves as a node
to repeat the signal in the network, thus, extending the overall Z-Wave mesh wireless network
range. Different types and brands of Z-Wave devices can be associated with domitech in your
system and they will work together to optimize and expand the coverage of your Z-Wave
network. Once setup is completed, you can enjoy the convenience and leisure which WS-100
offers.
FEATURES
Works with incandescent, florescent (CFL), or LED lighting and appliance
ON/OFF status and location LED indicator
Can be controlled wirelessly or manually
Fits into standard single or multiple gang junction box and standard wall plates
GROUP/SCENE/ALL enabled
Decorative keypad can be replaced manually to match color with other wall switches
Over-The-Air firmware upgrade available with compatible gateway, Z-Wave static
controller, PC and software
Z-Wave 500 Series module inside
Internal resettable fuse to protect from surge current
Manual reset capability
! WARNING !
RISK OF FIRE, ELECTRICAL SHOCK & BURNS
DO NOT USE WITH MEDICAL AND LIFE SUPPORT INSTRUMENT
No user serviceable parts are in this module
The appliance connected to WS-100 must not exceed 900W incandescent, 200W CFL/LED,
½ horsepower motor and 15A, 1800W resistive load.

The color of the switch keypad is changeable by the following method,
Push side tabs in and
lift the cover plate up
to release
Align the tabs of the
replacement cover
plate and push to snap
in
SETUP
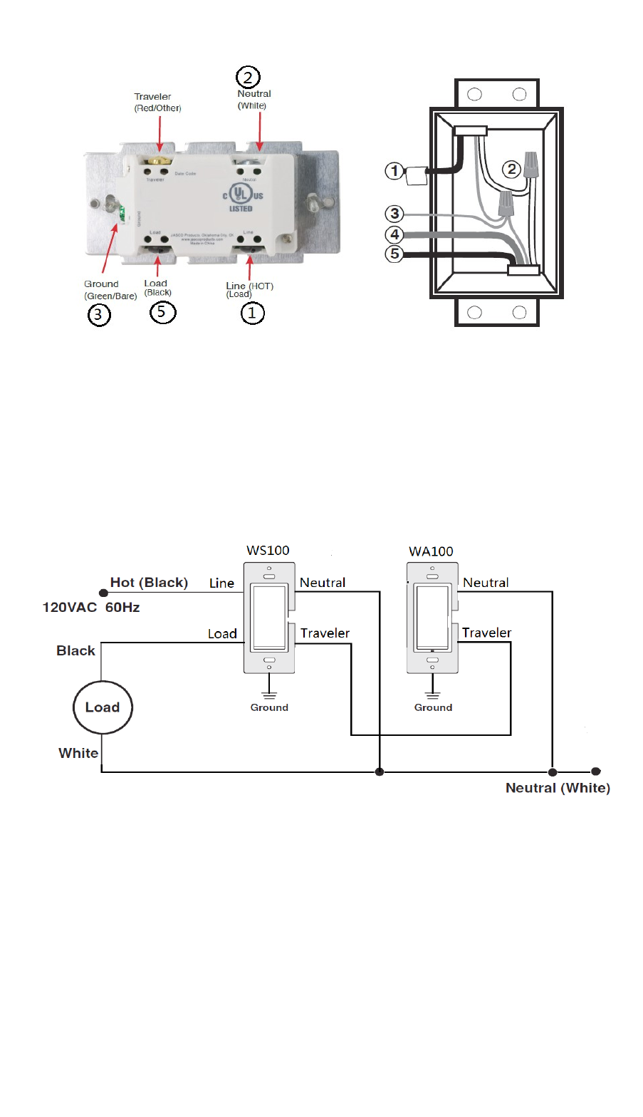
Step 1. Identifying the wiring terminals on the module
Step 2. ! WARNING ! RISK OF SHOCK ! Make sure power if OFF before wiring !
Step 3. Remove the wall plate and the existing switch(if mounted) at your preferred
installation location. You may label the wires connected to the screw terminals before
disconnecting the switch. Please check that the wiring configuration below is present in the
wall switch box, otherwise consult a qualified electrician.

4 wires for 2-way circuit
5 wires for 3-way circuit
1. Line(Hot) - Black
2. Neutral - White
3. Ground – Green or Bare
4. Traveler (3-way) Red or Other
5. Load - Black
Wiring Information
Use copper wires only
UL specification: the tightening torque for the screws is 14 Kgf-cm (12 lbf-in)
Strip insulation 5/8" (16mm)
Wire connection can be made either to
14 AWG or larger rated at least 80°C
14 AWG rated at least 80°C
2-way circuit

Making connections
The Traveler terminal is not used in a 2-way circuit. Do not remove the insulation tape on the
Traveler terminal in this application
3-way circuit
Making connections

Please refer to WA-100 user manual for wiring instructions of the associating switch. The
maximum length of Traveler wire may not exceed 250ft.
Gang Box
To install the WS-100 in a gang or J box, the
tabs on the sides of the metal yoke may need
to be removed. The electrical rating of the
module is unchanged. For single gang
switch, no changes should be required. For
dual or higher gang configuration where
switches are next to each other, the tabs need
to be removed. Simply take a pair of pliers,
grab the tabs and wiggle until the tabs break
off.
Step 4. When proper wiring is completed, secure the module to the wall box. Restore power
to the circuit to test if the connected load can be turned ON/OFF manually by the rocker on
the module before remounting the wall plate. Also observe the status change of the LED
indicator to ensure the module is in normal operating mode. If WA-100 Auxiliary Switch is
used for a 3-way connection, please also test if it can control the load
Step 5. Add(Include) the module into your network by a Z-Wave certified controller. Please
refer to the controller’s instructions manual for details.
Manual Reset
Note: If Inclusion still fails after the 2nd attempt, you need to first reset the module before

repeating the above steps. The manual reset method is as follows,
Quickly tap the top side
(ON) of the rocker 3 times
Then, quickly press the
bottom side (OFF) of the
rocker 3 times
If you see the LED indicator blinks, it means that the module has been reset successfully and
you may retry Step. 5 above to add the module into your network. Otherwise, please repeat
the manual reset procedures.
Note: If the module was previously Added(Included) in your network, resetting it locally does
not mean it has been removed from your network. You may still need to Delete(Exclude) the
module from the network by your controller if desired.
BASIC OPERATION
The connected appliance can be controlled manually with a push button
OR
Wirelessly with a remote controller

A Z-Wave certified controller of either portable or static is capable of setting up domitech
products in your desired network. Once the module is added, you may assign it to a Group or
Scene, change its reaction when the All ON or OFF command is received. Furthermore, it can
be set in Association with another Z-Wave device to perform a specific function. Please refer
to the instructions manual of your gateway or remote controller for details and procedures on
how these settings can be done.
Please note that the module will be OFF after a power failure
About the rocker switch:
There is only 1 rocker switch on this module for manual operation that allows you to
1. Turn the connected appliance ON/OFF by tapping the switch. Tapping and releasing
the upper part of the rocker turns the appliance ON. Tapping and releasing the lower
part of the rocker turns the appliance OFF.
2. Add(Include) or Delete(Exclude) the module to/from your Z-Wave network with your
primary controller. Please refer to the instructions manual of your gateway or remote
controller for details and procedures on how these actions can be done. Normally, the
sequence is as follows: when the inclusion (or exclusion) process is prompted by your
primary controller, single click and release the rocker switch => the controller should
show that the action was successful => if the controller shows it was a fail, repeat the
procedure.
Note: the orientation of the ON/OFF on the rocker switch can be inverted by changing the
following configuration with a controller(if supported)
Parameter #4 Length: 1 byte Valid values: 0 or 1 (default 0)
About the LED indicator:
By factory default, the LED indicator will be On when the connected appliance is Off, and
vice versa. This setting can be changed by the following methods,
1. Configuration change with a controller(if supported)
Parameter 3 Length: 1 byte Valid values: 0, 1 or 2 (default 0)
If value = 1, the LED indicator will be On when the connected appliance is On, and the LED
indicator will be Off when the connected appliance is Off
If value = 2, the LED indicator will be always Off regardless of the load status

2. Manually with the rocker switch
Quickly short press the top(ON) of the rocker 2x and the bottom(OFF) of the rocker 2x, then
the LED indicator will be always Off regardless of the load status. Repeating the procedures
above restores the factory default
About the Z-Wave 500 Series module:
You can use a Z-Wave certified portable or static controller to communicate with the module.
Depending on the capability of your controller, the following simple to advanced operations
can be performed. Please refer to the gateway or controller's manual for details.
1. Turn the appliance On/Off
2. Add(Include) or Delete(Exclude) the module to/from your network
3. Assign the module to a specific Group/Scene and to set the reaction to All command
4. Firmware update by PC static controller thru Over-The-Air
5. To observe the Lifeline function which automatically notifies the associated modules
and the network a manually reset unit is no longer in the network, thus, the
corresponding association becomes invalid
SPECIFICATIONS
Model: WS-100
Input power: 120 VAC, 60 Hz.
Max output loading: 900W incandescent, 200W CFL/LED, ½ horsepower motor and 15A,
1800W resistive load.
Radio frequency: 908.4 MHz/916 MHz.
Wireless range: up to 130 ft line of sight between the controller and the other available nodes.
Normal operating temperature: 77°F (25°C)
For indoor use only.
Interoperability with Z-Wave devices
A Z-Wave network can integrate devices of various classes, and these devices can be made by
different manufacturers. The domitech product introduced in this instructions manual has a Z-
Wave certification which guarantees such an interoperability.
FCC ID: 2ABWCWS100

The Federal Communication Commission Radio Frequency Interference Statement includes
the following paragraph:
The equipment has been tested and found to comply with the limits for a Class B Digital
Device, pursuant to part 15 of the FCC Rules. These limits are designed to provide reasonable
protection against harmful interference in a residential installation. This equipment uses,
generates and can radiate radio frequency energy and, if not installed and used in accordance
with the instruction, may cause harmful interference to radio communication. However, there
is no guarantee that interference will not occur in a particular installation. If this equipment
does cause harmful interference to radio or television reception, which can be determined by
turning the equipment off and on, the user is encouraged to try to correct the interference by
one or more of the following measures:
Reorient or relocate the receiving antenna
Increase the separation between the equipment and receiver
Connect the equipment into an outlet on a circuit different from that to which the
receiver is connected
Consult the dealer or an experienced radio/TV technician for help
Operation is subject to the following two conditions:
This device may not cause interference
This device must accept any interference, including interference that may cause
undesired operation of the device.
Important Note: To comply with the FCC RF exposure compliance requirements, no change
to the antenna or the device is permitted. Any change to the antenna or the device could result
in the device exceeding the RF exposure requirements and void user’s authority to operate the
device.
Caution: Exposure to Radio Frequency Radiation. To comply with FCC/IC RF exposure
compliance requirements, a separation distance of at least 20 cm must be maintained between
the antenna of this device and all persons. This device must not be co-located or operating in
conjunction with any other antenna or transmitter.
IC: 11786A-WS100
This device complies with Industry Canada license-exempt RSS standard(s). Operation is
subject to the following two conditions:
(1) this device may not cause interference, and
(2) this device must accept any interference, including interference that may cause
undesired operation of the device.
Z-Wave is a registered trademark of Sigma Design
WARRANTY
domitech warrants to the original purchaser of this product that for the warranty period, this
product will be free from material defects in materials and workmanship. The foregoing
warranty is subject to the proper installation, operation and maintenance of the product in
accordance with installation instructions and the operating manual supplied to customer.
Warranty claims must be made by customer in writing within 30 days of the manifestation of
a problem. domitech's sole obligation under the foregoing warranty is to repair, replace or
correct any such defect that was present at the time of delivery, or to remove the product and
to refund the purchase price to customer. The warranty does not extend to consequential or
incidental damage to other products that may be used with this product. For inquiry and

customer service, email to support@dragontechind.com
All brand names shown are trademarks of their respective owners
Warranty period: limited 1 year from date of purchase
domitech Products
2140 E. Southlake Blvd., Suite L-312
Southlake, TX 76092
WS100_07022014_En_v1.1