Golds Gym Ggel628080 Owners Manual 285430
2014-07-19
: Golds-Gym Golds-Gym-Ggel628080-Owners-Manual golds-gym-ggel628080-owners-manual golds-gym pdf
Open the PDF directly: View PDF
.
Page Count: 24

258868 258869 258870 258871
USERʼS MANUAL
Model No. GGEL62808.0
Serial No.
Write the serial number in the
space above for reference.
www.workoutwarehouse.com
Serial Number
Decal
QUESTIONS?
If you have questions, or if parts are
damaged or missing, DO NOT
CONTACT THE STORE; please
contact Customer Care.
IMPORTANT: Please register this
product (see the limited warranty
on the back cover of this manual)
before contacting Customer Care.
CALL TOLL-FREE:
1-877-776-4777
Mon.–Fri. 6 a.m.–6 p.m. MT
Sat. 8 a.m.–4 p.m. MT
ON THE WEB:
www.workoutwarehouse.com
CAUTION
Read all precautions and instruc-
tions in this manual before using
this equipment. Keep this manual
for future reference.

TABLE OF CONTENTS
WARNINGDECALPLACEMENT ..............................................................2
IMPORTANTPRECAUTIONS ................................................................3
BEFOREYOUBEGIN ......................................................................4
ASSEMBLY ...............................................................................5
HOWTOUSETHEELLIPTICAL .............................................................14
MAINTENANCEANDTROUBLESHOOTING ...................................................19
EXERCISEGUIDELINES ...................................................................21
PARTLIST ..............................................................................22
EXPLODEDDRAWING ....................................................................23
ORDERINGREPLACEMENTPARTS ..................................................BackCover
LIMITEDWARRANTY ..............................................................BackCover
2
WARNING DECAL PLACEMENT
This drawing shows the location(s) of the
warning decal(s). If a decal is missing or
illegible, see the front cover of this
manual and request a free replacement
decal. Apply the decal in the location
shown. Note: The decal(s) may not be
shown at actual size.
GOLD'S GYM is a registered trademark of Gold's Gym International, Inc. This product is manufactured and
distributed under license from Gold's Gym Merchandising, Inc.

3
WARNING: To reduce the risk of serious injury, read all important precautions and
instructions in this manual and all warnings on your elliptical before using your elliptical. ICON
assumes no responsibility for personal injury or property damage sustained by or through the use of
this product.
IMPORTANT PRECAUTIONS
1. Before beginning any exercise program,
consult your physician. This is especially
important for persons over age 35 or
persons with pre-existing health problems.
2. Use the elliptical only as described in this
manual.
3. It is the responsibility of the owner to ensure
that all users of the elliptical are adequately
informed of all precautions.
4. The elliptical is intended for home use only.
Do not use the elliptical in a commercial,
rental, or institutional setting.
5. Keep the elliptical indoors, away from
moisture and dust. Do not put the elliptical in
a garage or covered patio, or near water.
6. Place the elliptical on a level surface, with at
least 3 ft. (0.9 m) of clearance in the front
and rear of the elliptical and 2 ft. (0.6 m) on
each side. To protect the floor or carpet from
damage, place a mat under the elliptical.
7. Inspect and properly tighten all parts
regularly. Replace any worn parts
immediately.
8. Keep children under age 12 and pets away
from the elliptical at all times.
9. The elliptical should not be used by persons
weighing more than 250 lbs. (113 kg).
10. Wear appropriate clothes while exercising;
do not wear loose clothes that could become
caught on the elliptical. Always wear athletic
shoes for foot protection while exercising.
11. Hold the handlebars or the upper body arms
when mounting, dismounting, or using the
elliptical.
12. The pulse sensor is not a medical device.
Various factors may affect the accuracy of
heart rate readings. The pulse sensor is
intended only as an exercise aid in
determining heart rate trends in general.
13. The elliptical does not have a freewheel; the
pedals will continue to move until the
flywheel stops. Reduce your pedaling speed
in a controlled way.
14. Keep your back straight while using the
elliptical; do not arch your back.
15. Over exercising may result in serious injury
or death. If you feel faint or if you experience
pain while exercising, stop immediately and
cool down.

4
BEFORE YOU BEGIN
Pulse Sensor
Upper Body Arm
Pedal Disc
*Water bottle is not included
Pedal
Wheel
Console
Water Bottle Holder*
Thank you for selecting the new GOLDʼS GYM®
STRIDE TRAINER 380 elliptical. The STRIDE
TRAINER 380 provides a selection of features
designed to make your workouts at home more effec-
tive and enjoyable.
For your benefit, read this manual carefully before
you use the elliptical. If you have questions after
reading this manual, please see the front cover of this
manual. To help us assist you, note the product model
number and serial number before contacting us. The
model number and the location of the serial number
decal are shown on the front cover of this manual.
Before reading further, please familiarize yourself with
the parts that are labeled in the drawing below.
Leveling Foot
Handlebar

5
M10 Split
Washer (45)–2
M10 Locknut
(33)–2
M10
Washer (83)–2
M8 Locknut
(38)–8
M8 x 43mm Button Bolt (50)–6
M10 x 25mm
Patch Screw (40)–2
M10 x 78mm Button Bolt (34)–4
Small Wave
Washer (69)–2
M8 Split
Washer (28)–6
M8 x 25mm Patch
Screw (56)–2
M8 Washer
(55)–8
M8 x 80mm Patch Bolt (79)–2
M6 Bolt Set (25)–2
Large Wave
Washer (76)–2
M10 x 74mm Button Bolt (7)–2
M4 x 10mm
Blunt Screw
(82)–2
M4 x 16mm
Self-tapping
Screw (52)–10
M6 x 13mm
Patch Screw
(81)–2
M8 x 14mm Button
Screw (27)–6
ASSEMBLY
To hire an authorized service technician to assemble the elliptical, call 1-800-445-2480.
Assembly requires two persons. Place all parts of the elliptical in a cleared area and remove all packing mate-
rials; do not dispose of the packing materials until assembly is completed.
In addition to the included tool(s), assembly requires a Phillips screwdriver , an adjustable
wrench , and a rubber mallet .
See the drawings below to identify the small parts needed for assembly. The number in parentheses below each
drawing is the key number of the part, from the PART LIST near the end of this manual. The number following
the key number is the quantity needed for assembly. Note: If a part is not in the hardware kit, check to see if
it has been preassembled. To avoid damaging parts, do not use power tools for assembly.

6
2. Insert the Front Stabilizer Cover (68) into the
Front Stabilizer (63).
Attach the Front Stabilizer Cover (68) with two
M4 x 16mm Self-tapping Screws (52).
3. While a second person lifts the rear of the
Frame (1), attach the Rear Stabilizer (9) to the
Frame with two M10 x 78mm Button Bolts (34).
2
1.
Identify the Front Stabilizer (63), which has
Wheels (21).
Orient the Front Stabilizer (63) so that the small
holes face downward.
While a second person lifts the front of the
Frame (1), attach the Front Stabilizer (63) to the
Frame with two M10 x 78mm Button Bolts (34).
63
21
21
34
Small
Holes
1
63
52
68
1
To make assembly easier, read the
information on page 5 before you begin.
3
34
9
1

7
4. Insert the Rear Stabilizer Cover (67) into the
Rear Stabilizer (9).
Attach the Rear Stabilizer Cover (67) with two
M4 x 16mm Self-tapping Screws (52).
4
52
9
67
5
5. Orient the Upright (2) as shown. Have a second
person hold the Upright near the Frame (1).
See the inset drawing. Locate the wire tie in
the Upright (2). Tie the lower end of the wire tie
to the Wire Harness (73). Next, pull the upper
end of the wire tie upward out of the top of the
Upright. Then, untie and discard the wire tie.
Tip: To prevent the Wire Harness (73) from
falling into the Upright (2), secure the Wire
Harness with a rubber band or a piece of
tape.
Slide the Upright (2) onto the Frame (1).
Tip: Avoid pinching the Wire Harness (73).
Attach the Upright (2) with two M10 x 74mm
Button Bolts (7), two M10 Split Washers (45),
and two M10 Locknuts (33). Do not tighten the
Button Bolts yet.
2
33
45
7
73
1
1
2
73
Wire Tie
Wire Tie
Avoid pinching the
Wire Harness (73)

8
88
6
6. Attach the Water Bottle Holder (29) to the
Upright (2) with two M4 x 16mm Self-tapping
Screws (52).
Identify and orient the Console Cover (88) as
shown.
Slide the Console Cover (88) onto the Upright
(2).
7. Identify the Left and Right Handlebars (85, 86),
which are marked with “Left” and “Right” stick-
ers.
While a second person holds the Left and Right
Handlebars (85, 86) near the Upright (2), insert
the Pulse Wires (84) into the holes in the
Upright and pull them upward out of the Upright.
Tip: Avoid pinching the wires. Attach the Left
and Right Handlebars (85, 86) to the Upright (2)
with an M8 x 80mm Patch Bolt (79) and an M8
Locknut (38). Do not tighten the Patch Bolt
yet.
Make sure that the M8 x 80mm Patch Bolt
(79) is inserted through the bottom hole in
the Left and Right Handlebars (85, 86) and
the Upright (2).
7
2
29
52
85
38
86
79
84
84
2
Avoid pinching
the wires

9
23
Batteries
Batteries
Battery
Cover
9
8. While a second person holds the Console Plate
(75) near the Upright (2), insert the Wire
Harness (73) and the Pulse Wires (84) upward
through the Console Plate.
Tip: Avoid pinching the wires. Attach the
Console Plate (75) to the Upright (2) with two
M6 x 13mm Patch Screws (81).
8
75
81
2
73, 84
Avoid pinching
the wires
9. The Console (23) can use four D batteries (not
included); alkaline batteries are recommended.
IMPORTANT: If the Console has been
exposed to cold temperatures, allow it to
warm to room temperature before inserting
batteries. Otherwise, you may damage the
console displays or other electronic compo-
nents. Remove the battery cover and insert the
batteries into the battery compartments. Make
sure to orient the batteries as shown by the
diagrams inside the battery compartments.
Then, reattach the battery cover. Note: The bat-
tery cover may be attached with screws.
To purchase an optional power adapter, call
the telephone number on the front cover of
this manual. To avoid damaging the console,
use only a manufacturer-supplied power
adapter. Plug one end of the power adapter
into the receptacle on the console; plug the
other end into an outlet installed in accordance
with all local codes and ordinances.

10
10
11
10. While another person holds the Console (23)
near the Upright (2), connect the console wires
to the Wire Harness (73) and to the Pulse Wires
(84).
Insert the excess wire into the Console (23) or
the Upright (2).
Tip: Avoid pinching the wires. See the lower
drawing. Attach the Console (23) to the Console
Plate (75) with four M4 x 16mm Self-tapping
Screws (52).
23
23
Console Wires
73, 84
Avoid pinching
the wires
75
52
11. Finish attaching the Left and Right Handlebars
(85, 86) to the Upright (2) with an M8 x 80mm
Patch Bolt (79) and an M8 Locknut (38).
Tip: While inserting the M8 x 80mm Patch
Bolt (79), avoid pinching or damaging the
wires inside the Upright (2).
Tighten both M8 x 80mm Patch Bolts (79).
38
85
86
79
79
2
2

11
12. Slide the Console Cover (88) upward to the
Console (23).
Attach the Console Cover (88) to the Left and
Right Handlebars (85, 86) with two M4 x 10mm
Blunt Screws (82).
12
13
23
88
82
82
85
86
8
6
5
90
90
38
38
50 50
5
13. Identify the Right Upper Body Arm (8), which is
marked with an “R” sticker.
Slide an Upper Body Arm Cover (90) upward
onto the Right Upper Body Arm (8).
Slide the Right Upper Body Arm (8) onto an
Upper Body Leg (5).
Tip: Have a second person hold the Upper
Body Arm Cover (90) while you perform this
action:
Attach the Right Upper Body Arm (8) to the
Upper Body Leg (5) with three M8 x 43mm
Button Bolts (50) and three M8 Locknuts (38).
Make sure that the Locknuts are inside the
hexagonal holes.
Assemble the Left Upper Body Arm (6) and
the other Upper Body Leg (5) in the same
way.
Hexagonal
Holes

12
15. Identify the Right Pedal (14) and the Right
Pedal Arm (12), which are marked with “Right”
stickers, and orient them as shown.
Attach the Right Pedal (14) to the Right Pedal
Arm (12) with three M8 x 14mm Button Screws
(27), three M8 Split Washers (28), and three M8
Washers (55).
Assemble the Left Pedal (not shown) and
the Left Pedal Arm (not shown) in the same
way.
15
Grease
Arrow
8
6
26
47
69
2
55
90
56
46
12
14
55
28
27
14
14. Insert the Pivot Axle (26) into the Upright (2),
and center the Pivot Axle.
Apply a generous amount of the included
grease to both ends of the Pivot Axle (26).
Orient an Upper Body Arm Spacer (47) so that
the arrow points toward the floor. Slide the
Upper Body Arm Spacer onto the Pivot Axle
(26).
Slide a Small Wave Washer (69) onto the Pivot
Axle (26). Then, slide the Right Upper Body
Arm (8) onto the Pivot Axle.
Attach the Right Upper Body Arm (8) with an
M8 x 25mm Patch Screw (56) and an M8
Washer (55).
Slide the right Upper Body Arm Cover (90)
upward. Then, press the tabs on an Axle Cap
(46) into the Upper Body Arm Spacer (47).
Slide the Upper Body Arm Cover (90) down-
ward to cover the M8 x 43mm Button Bolts (not
shown).
Repeat this step for the other side of the
elliptical.

13
16
17
18. Make sure that all parts of the elliptical are properly tightened. Note: Some hardware may be left over
after assembly is completed. To protect the floor or carpet from damage, place a mat under the elliptical.
16. Apply a small amount of grease to the axle on
the right Disc Crossbar (16) and to a Large
Wave Washer (76).
Slide the Large Wave Washer (76) and the
Right Pedal Arm (12) onto the axle on the right
Disc Crossbar (16).
Slide an M10 Washer (83) onto an M10 x 25mm
Patch Screw (40), and tighten the Patch Screw
into the axle.
Then, press a Pedal Arm Cap (74) into the
Right Pedal Arm (12).
Repeat this step for the other side of the
elliptical.
17. Apply a small amount of grease to an M6 Bolt
Set (25).
Hold the end of the Right Pedal Arm (12) inside
the bracket on the right Upper Body Leg (5).
Attach the right Upper Body Leg (5) to the Right
Pedal Arm (12) with the M6 Bolt Set (25). Do
not overtighten the Bolt Set; the right Upper
Body Leg must pivot freely.
Identify the Left and Right Upper Body Leg
Covers (80, 89), which are marked with “Left”
and “Right” stickers, and orient them as shown.
Press the tabs on the Left and Right Upper
Body Leg Covers (80, 89) together to attach
them around the right Upper Body Leg (5).
Repeat this step for the other side of the
elliptical.
See step 5. Tighten the M10 x 74mm Button
Bolts (7).
74
40
83
12
76
16
5
89
25
12
80
25
Grease
Grease

14
HOW TO USE THE ELLIPTICAL
HOW TO MOVE THE ELLIPTICAL
Due to the size and weight of the elliptical, moving
it requires two persons. Stand in front of the ellipti-
cal, hold the upright, and place one foot against one of
the front wheels. Pull on the upright and have a sec-
ond person lift the rear stabilizer until the elliptical will
roll on the wheels. Carefully move the elliptical to the
desired location, and then lower it to the floor.
HOW TO LEVEL THE ELLIPTICAL
If the elliptical rocks
slightly on your floor
during use, turn one or
both of the leveling
feet beneath the rear
stabilizer until the
rocking motion is elimi-
nated.
HOW TO EXERCISE ON THE ELLIPTICAL
To mount the elliptical, hold the handlebars or the
upper body arms and step onto the pedal that is in the
lowest position. Then, step onto the other pedal.
Push the pedals until they begin to move with a con-
tinuous motion. Note: The pedal discs can turn in
either direction. It is recommended that you move
the pedal discs in the direction shown by the
arrow; however, for variety, you can turn the pedal
discs in the opposite direction.
To dismount the elliptical, wait until the pedals come to
a complete stop. Note: The elliptical does not have
a free wheel; the pedals will continue to move until
the flywheel stops. When the pedals are stationary,
step off the highest pedal first. Then, step off the low-
est pedal.
Pedals
Upper Body Arms
Handlebars
Place
your foot
here
Upright
Wheel
Lift here
Leveling Feet

15
FEATURES OF THE CONSOLE
The advanced console offers an array of features
designed to make your workouts more effective and
enjoyable.
When you select the manual mode of the console, you
can change the resistance of the pedals with the touch
of a button. As you exercise, the console will provide
continuous exercise feedback. You can even measure
your heart rate using the handgrip pulse sensor.
The console also offers six preset workouts. Each
workout automatically changes the resistance of the
pedals and prompts you to vary your pedaling pace
while guiding you through an effective workout.
To use the manual mode, see page 16. To use a
preset workout, see page 18.
Note: Before using the console, make sure that batter-
ies are installed (see assembly step 9 on page 9). If
there is a sheet of plastic on the console, remove the
plastic.
CONSOLE DIAGRAM

16
HOW TO USE THE MANUAL MODE
1. Turn on the console.
To turn on the console, press any button or begin
pedaling. The display will light and the console will
be ready for use.
2. Select the manual mode.
Each time you turn on
the console, the man-
ual mode will be
selected.
If you have selected a workout, reselect the man-
ual mode by pressing the Smart Workouts button
repeatedly until zeros appear in the display.
3. Begin pedaling and change the resistance of
the pedals as desired.
As you pedal, change
the resistance of the
pedals by turning the
Resistance dial.
To increase the resistance, turn the Resistance
dial clockwise; to decrease the resistance, turn the
Resistance dial counterclockwise. Note: After you
change the resistance, it will take a moment for
the pedals to reach the selected resistance level.
4. Follow your progress with the display.
The upper section of
the display will show
the elapsed time and
the distance (total
number of revolutions)
that you have pedaled.
The display will change modes every few seconds.
Note: When you select a preset workout, the dis-
play will show the time remaining in the workout
instead of the elapsed time.
The second section of
the display will show
your pedaling pace in
revolutions per minute
(rpm).
The third section of
the display will show
the approximate num-
ber of calories you
have burned and the
resistance level of the
pedals. The display will change modes every few
seconds.
The display will also show your heart rate when
you use the handgrip pulse sensor (see step 5 on
page 17).
The last section of the
display will show a
track representing 640
revolutions (1/4 mile or
400 meters). As you
exercise, indicators will
appear in succession around the track until the
entire track appears. The track will then disappear
and the indicators will again begin to appear in
succession.
To view the total distance pedaled since the ellipti-
cal was purchased and the total number of hours
the elliptical has been used, press and hold down
the Smart Workouts button for several seconds.
The total distance ped-
aled will appear in the
first section of the dis-
play. The total number
of hours the elliptical
has been used will
appear in the third section of the display. To return
to the manual mode, press the Smart Workouts
button.

17
5. Measure your heart rate if desired.
If there are sheets
of plastic on the
metal contacts on
the handgrip pulse
sensor, remove the
plastic. Next, hold
the handgrip pulse
sensor with your
palms resting on the
metal contacts.
Avoid moving your
hands or gripping
the contacts tightly.
When your pulse is detected, a heart-shaped sym-
bol will flash in the display each time your heart
beats and then your heart rate will be shown. For
the most accurate heart rate reading, hold the con-
tacts for at least 15 seconds.
If your heart rate is not shown, make sure that
your hands are positioned as described. Be care-
ful not to move your hands excessively or to
squeeze the metal contacts tightly. For optimal
performance, clean the metal contacts using a soft
cloth; never use alcohol, abrasives, or chemi-
cals to clean the contacts.
6. When you are finished exercising, the console
will turn off automatically.
If the pedals do not move for a few seconds, the
time will begin to flash in the display and the con-
sole will pause.
If the pedals do not move for a few minutes and
no buttons are pressed, the console will turn off
and the display will be reset.
Contacts

18
HOW TO USE A PRESET WORKOUT
1. Turn on the console.
To turn on the console, press any button or begin
pedaling. The display will light and the console will
be ready for use.
2. Select a preset workout.
To select a preset
workout, press the
Smart Workouts button
repeatedly until the
number of the desired
workout appears in the
display.
The first section of the display will show the work-
out duration. A profile of the resistance levels for
the workout will scroll across the last section of the
display. Note: Complete profiles of the preset
workouts are printed on the sides of the console.
3. Start the workout.
Press the Workout Start button or begin pedaling
to start the workout.
Each workout is divided into 30 one-minute seg-
ments. One resistance level and one pace setting
are programmed for each segment. Note: The
same resistance level and/or pace setting may be
programmed for consecutive segments.
During the workout, the workout profile will show
your progress. The flashing segment of the profile
represents the current segment of the workout.
The height of the flashing segment indicates the
resistance level for the current segment.
At the end of each segment of the workout, a
series of tones will sound and the next segment of
the profile will begin to flash. If a different resis-
tance level is programmed for the next segment,
the resistance level will flash in the center display
for a few seconds to alert you. The resistance of
the pedals will then change.
As you exercise, the
display will prompt you
to keep your pedaling
pace near the pace
setting for the current
segment. When the
word “faster” appears in the display, increase your
pace. When the word “slower” appears, decrease
your pace. When the center of the target flashes,
maintain your current pace.
IMPORTANT: The pace settings are intended
only to provide motivation. Your actual pace
may be slower than the pace settings. Make
sure to pedal at a pace that is comfortable for
you.
If the resistance level for the current segment is
too high or too low, you can manually override the
level by turning the Resistance dial. IMPORTANT:
When the current segment of the workout
ends, the pedals will automatically adjust to
the resistance setting for the next segment.
If you stop pedaling for several seconds, the time
will begin to flash in the display. To restart the
workout, press the Workout Start button or simply
resume pedaling.
The workout will continue until the display shows a
time of 0:00. If you continue to pedal after the
workout is completed, the display will continue to
show exercise feedback; however, the display will
not show the elapsed time until you select the
manual mode or a new workout.
4. Follow your progress with the display.
See step 4 on page 16.
5. Measure your heart rate if desired.
See step 5 on page 17.
6. When you are finished exercising, the console
will turn off automatically.
See step 6 on page 17.

19
Inspect and tighten all parts of the elliptical regularly.
Replace any worn parts immediately.
To clean the elliptical, use a damp cloth and a small
amount of mild dish soap. IMPORTANT: Keep liquids
away from the console and keep the console out
of direct sunlight. During storage, remove the bat-
teries from the console.
CONSOLE TROUBLESHOOTING
If the console displays become dim, replace all the
batteries at the same time; most console problems are
the result of low batteries. See assembly step 9 on
page 9 for replacement instructions.
If the handgrip pulse sensor does not function prop-
erly, see step 5 on page 17.
HOW TO ADJUST THE REED SWITCH
If the console does not display correct feedback, the
reed switch should be adjusted.
To adjust the reed switch, you must remove the stabi-
lizer covers, the pedal arms, the right pedal disc, and
the right shield.
First, see step 2 on page 6 and step 4 on page 7 and
remove the front and rear stabilizer covers.
Next, see steps 17 and 16 on page 13 and remove
the Left and Right Pedal Arms (11, 12).
Then, remove the Screws (51) from the right Pedal
Disc (15), and remove the right Pedal Disc.
Remove all Screws (52, 64) from the Right Shield (4),
remove the two Bolts (41), and remove the Right
Shield.
Locate the Reed Switch (53). Loosen, but do not
remove, the M4 x 16mm Self-tapping Screw (52).
Next, rotate the Disc Crossbars (16) until a Magnet
(58) is aligned with the Reed Switch (53). Slide the
Reed Switch slightly toward or away from the Magnet.
Then, retighten the Self-tapping Screw (52).
Rotate the Disc Crossbars (16) for a moment. Repeat
these actions until the console displays correct feed-
back.
When the reed switch is correctly adjusted, reattach
the right shield, the right pedal disc, the pedal arms,
and the stabilizer covers.
MAINTENANCE AND TROUBLESHOOTING
51
41
41
64
64
64
64
52
52
52
51
12
4
15
3
58
52
53
16

20
HOW TO ADJUST THE DRIVE BELT
If you can feel the pedals slip while you are pedaling,
even when the resistance is adjusted to the highest
level, the drive belt may need to be adjusted.
To adjust the drive belt, you must remove the stabilizer
covers, the pedal arms, the right pedal disc, and both
shields.
First, see step 2 on page 6 and step 4 on page 7 and
remove the front and rear stabilizer covers.
Next, see steps 17 and 16 on page 13 and remove
the Left and Right Pedal Arms (11, 12).
Then, remove the Screws (51) from the right Pedal
Disc (15), and remove the right Pedal Disc.
Remove all Screws (52, 64) from the Right Shield (4),
remove the two Bolts (41), and remove the Right
Shield.
Remove all Screws (52) from the Left Shield (3), and
remove the Left Shield.
Next, loosen the M8 x 22mm Flat Head Screw (65)
and turn the M10 x 60mm Button Bolt (62) until the
Drive Belt (19) is tight.
When the Drive Belt (19) is tight, tighten the M8 x
22mm Flat Head Screw (65).
Then, reattach the shields, the right pedal disc, the
pedal arms, and the stabilizer covers.
51
41
41
64
64
64
64
52
52
52
52
52
51
12
4
15
3
52
62
19
65

21
These guidelines will help you to plan your exercise
program. For detailed exercise information, obtain a
reputable book or consult your physician. Remember,
proper nutrition and adequate rest are essential for
successful results.
EXERCISE INTENSITY
Whether your goal is to burn fat or to strengthen your
cardiovascular system, exercising at the proper inten-
sity is the key to achieving results. You can use your
heart rate as a guide to find the proper intensity level.
The chart below shows recommended heart rates for
fat burning and aerobic exercise.
To find the proper intensity level, find your age at the
bottom of the chart (ages are rounded off to the near-
est ten years). The three numbers listed above your
age define your “training zone.” The lowest number is
the heart rate for fat burning, the middle number is the
heart rate for maximum fat burning, and the highest
number is the heart rate for aerobic exercise.
Burning Fat—To burn fat effectively, you must exer-
cise at a low intensity level for a sustained period of
time. During the first few minutes of exercise, your
body uses carbohydrate calories for energy. Only after
the first few minutes of exercise does your body begin
to use stored fat calories for energy. If your goal is to
burn fat, adjust the intensity of your exercise until your
heart rate is near the lowest number in your training
zone. For maximum fat burning, exercise with your
heart rate near the middle number in your training
zone.
Aerobic Exercise—If your goal is to strengthen your
cardiovascular system, you must perform aerobic
exercise, which is activity that requires large amounts
of oxygen for prolonged periods of time. For aerobic
exercise, adjust the intensity of your exercise until
your heart rate is near the highest number in your
training zone.
WORKOUT GUIDELINES
Warming Up—Start with 5 to 10 minutes of stretching
and light exercise. A warm-up increases your body
temperature, heart rate, and circulation in preparation
for exercise.
Training Zone Exercise—Exercise for 20 to 30 min-
utes with your heart rate in your training zone. (During
the first few weeks of your exercise program, do not
keep your heart rate in your training zone for longer
than 20 minutes.) Breathe regularly and deeply as you
exercise–never hold your breath.
Cooling Down—Finish with 5 to 10 minutes of
stretching. Stretching increases the flexibility of your
muscles and helps to prevent post-exercise problems.
EXERCISE FREQUENCY
To maintain or improve your condition, complete three
workouts each week, with at least one day of rest
between workouts. After a few months of regular exer-
cise, you may complete up to five workouts each
week, if desired. Remember, the key to success is to
make exercise a regular and enjoyable part of your
everyday life.
EXERCISE GUIDELINES
WARNING: Before beginning this
or any exercise program, consult your physi-
cian. This is especially important for persons
over age 35 or persons with pre-existing
health problems.
The pulse sensor is not a medical device.
Various factors may affect the accuracy of
heart rate readings. The pulse sensor is
intended only as an exercise aid in determin-
ing heart rate trends in general.

22
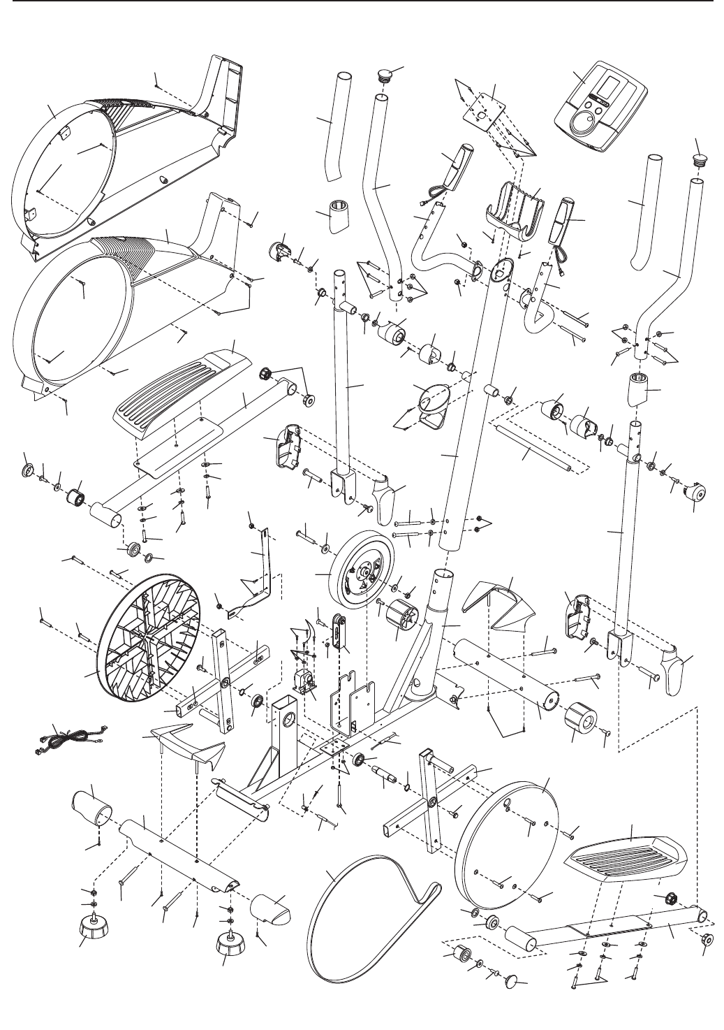
PART LIST Model No. GGEL62808.0 R1110A
Key No. Qty. Description Key No. Qty. Description
11Frame
21 Upright
31Left Shield
41Right Shield
52Upper Body Leg
61Left Upper Body Arm
72M10 x 74mm Button Bolt
81Right Upper Body Arm
91Rear Stabilizer
10 2 M5 Locknut
11 1 Left Pedal Arm
12 1 Right Pedal Arm
13 1 Left Pedal
14 1 Right Pedal
15 2 Pedal Disc
16 2 Disc Crossbar
17 1 Flywheel
18 1 Shield Bracket
19 1 Drive Belt
20 2 Rear Stabilizer Cap
21 2 Wheel
22 1 Belt Idler
23 1 Console
24 2 Foam Grip
25 2 M6 Bolt Set
26 1 Pivot Axle
27 6 M8 x 14mm Button Screw
28 6 M8 Split Washer
29 1 Water Bottle Holder
30 2 Large Snap Ring
31 2 Large Bearing
32 1 Pedal Axle
33 3 M10 Locknut
34 4 M10 x 78mm Button Bolt
35 2 M10 Washer
36 2 M3 x 16mm Screw
37 2 Outer Pedal Arm Bushing
38 9 M8 Locknut
39 2 Inner Pedal Arm Bushing
40 2 M10 x 25mm Patch Screw
41 2 M6 x 18mm Bolt
42 4 M5 x 16mm Screw
43 4 M5 Washer
44 2 Small Upper Body Arm Cap
45 2 M10 Split Washer
46 2 Axle Cap
47 2 Upper Body Arm Spacer
48 2 Frame Spacer
49 6 Upper Body Arm Bushing
50 6 M8 x 43mm Button Bolt
51 8 M6 x 28mm Screw
52 19 M4 x 16mm Self-tapping Screw
53 1 Reed Switch/Wire
54 1 Clamp
55 8 M8 Washer
56 2 M8 x 25mm Patch Screw
57 1 Flywheel Axle
58 2 Magnet
59 2 Leveling Foot Washer
60 4 Front Pedal Arm Bushing
61 2 3/8" x 12.7mm Hex Bolt
62 1 M10 x 60mm Button Bolt
63 1 Front Stabilizer
64 4 M4 x 25mm Screw
65 1 M8 x 22mm Flat Head Screw
66 2 M6 Locknut
67 1 Rear Stabilizer Cover
68 1 Front Stabilizer Cover
69 2 Small Wave Washer
70 2 M5 x 20mm Screw
71 2 Nut
72 1 Resistance Motor
73 1 Wire Harness
74 2 Pedal Arm Cap
75 1 Console Plate
76 2 Large Wave Washer
77 1 Resistance Cable
78 2 M10 x 41mm Shoulder Screw
79 2 M8 x 80mm Patch Bolt
80 2 Left Upper Body Leg Cover
81 2 M6 x 13mm Patch Screw
82 2 M4 x 10mm Blunt Screw
83 2 M10 Washer
84 2 Pulse Sensor/Wire
85 1 Left Handlebar
86 1 Right Handlebar
87 2 Leveling Foot
88 1 Console Cover
89 2 Right Upper Body Leg Cover
90 2 Upper Body Arm Cover
*–Assembly Tool
*–Grease Packet
*–Userʼs Manual
Note: Specifications are subject to change without notice. For information about ordering replacement parts, see
the back cover of this manual. *These parts are not illustrated.

EXPLODED DRAWING Model No. GGEL62808.0 R1110A
23
32
30
31
8
4
45
6
46
5
17
2
14
12
18
19
1
13
11
33
15
51
34
9
87
20
16
61
54 52
53
38
65
62
55
56
38
50
48 47
49
24
57 35
33
58
21
34
80
89
23
52
52
41
64
42
25
25
66
35
7
52
63
22
83
39
37
40
28
27
27
28
49
26
29
52 36
69
55
55
51
72
43
42
73
10
74
75
76
77
64
64
52
52
3
41
52
44
44
24
49
45
7
49
50
38
5
21
34
51
51
16
20
66
34
87
31
30
60
25
25
36
48
47
49
49 69
55
56
46
50
38
74 40 83 37
39 76
51
51
51
51 68
60
60
67
84
84
86
88
79
38
38
85
90
79
81
90
80
89
27
55
28
15
52
52
52
52
52
55
28
61
58
82
82
78
78
70
59
71
59
71

Part No. 278781 R1110A Printed in China © 2010 ICON IP, Inc.
ORDERING REPLACEMENT PARTS
To order replacement parts, please see the front cover of this manual. To help us assist you, be prepared to
provide the following information when contacting us:
• the model number and serial number of the product (see the front cover of this manual)
•the name of the product (see the front cover of this manual)
• the key number and description of the replacement part(s) (see the PART LIST and the EXPLODED
DRAWING near the end of this manual)
ICON Health & Fitness, Inc. (ICON) warrants this product to be free from defects in workmanship and
material, under normal use and service conditions. Parts and labor are warranted for ninety (90) days from
the date of purchase.
This warranty extends only to the original purchaser. ICONʼs obligation under this warranty is limited to
repairing or replacing, at ICONʼs option, the product through one of its authorized service centers. All
repairs for which warranty claims are made must be preauthorized by ICON. If the product is shipped to
a service center, freight charges to and from the service center will be the customerʼs responsibility. For
replacement parts shipped while the product is under warranty, the customer will be responsible for a min-
imal handling charge. For in-home service, the customer will be responsible for a minimal trip charge. This
warranty does not extend to any damage to a product caused by or attributable to freight damage, abuse,
misuse, improper or abnormal usage, or repairs not provided by an ICON authorized service center; to
products used for commercial or rental purposes or as store display models; or to products transported
or purchased outside the US. No other warranty beyond that specifically set forth above is authorized by
ICON.
ICON is not responsible or liable for indirect, special, or consequential damages arising out of or in con-
nection with the use or performance of the product; damages with respect to any economic loss, loss of
property, loss of revenues or profits, loss of enjoyment or use, or costs of removal or installation; or other
consequential damages of whatsoever nature. Some states do not allow the exclusion or limitation of inci-
dental or consequential damages. Accordingly, the above limitation may not apply to you.
The warranty extended hereunder is in lieu of any and all other warranties, and any implied warranties of
merchantability or fitness for a particular purpose are limited in their scope and duration to the terms set
forth herein. Some states do not allow limitations on how long an implied warranty lasts. Accordingly, the
above limitation may not apply to you.
This warranty gives you specific legal rights. You may also have other rights that vary from state to state.
ICON Health & Fitness, Inc., 1500 S. 1000 W., Logan, UT 84321-9813
LIMITED WARRANTY
IMPORTANT: You must register this product within 30 days of the purchase date to avoid added
fees for service needed under warranty. Go to www.workoutwarehouse.com/registration