Goodman Mfg Co Lp Air Conditioner Ss Gsx13 Users Manual
SS-GSX13 to the manual cc9c9e18-b12e-4018-98d3-ff29d9ca6d24
2015-02-02
: Goodman-Mfg Goodman-Mfg-Goodman-Mfg-Co-Lp-Air-Conditioner-Ss-Gsx13-Users-Manual-429605 goodman-mfg-goodman-mfg-co-lp-air-conditioner-ss-gsx13-users-manual-429605 goodman-mfg pdf
Open the PDF directly: View PDF
.
Page Count: 40

DRAFT
SS-GSX13 www.goodmanmfg.com 1/13
Supersedes 12/12
Standard Features
• R-410Achlorine-freerefrigerant
• Energy-efcientcompressor
• Factory-installedlterdrier
• Coppertube/aluminumncoil
• Servicevalveswithsweatconnections
andeasy-accessgaugeports
• Contactorwithlugconnection
• Groundlugconnection
• AHRICertied
• ETLListed
Cabinet Features
• Goodman®brand
louveredsoundcontrol
topdesign
• Steellouvercoilguard
• Heavy-gaugegalvanized-steelcabinet
• AttractiveArchitecturalGraypowder-paintnish
with500-hoursalt-sprayapproval
• Topandsidemaintenanceaccess
• Single-panelaccesstocontrolswithspaceprovided
foreld-installedaccessories
• Whenproperlyanchored,meetsthe2001Florida
BuildingCodeunitintegrityrequirementsfor
hurricane-typewinds(Anchorbracketkitsavailable.)
Contents
Nomenclature......................................................................2
ProductSpecications.........................................................3
ExpandedCoolingData.......................................................4
AHRIRatings.......................................................................22
Dimensions........................................................................34
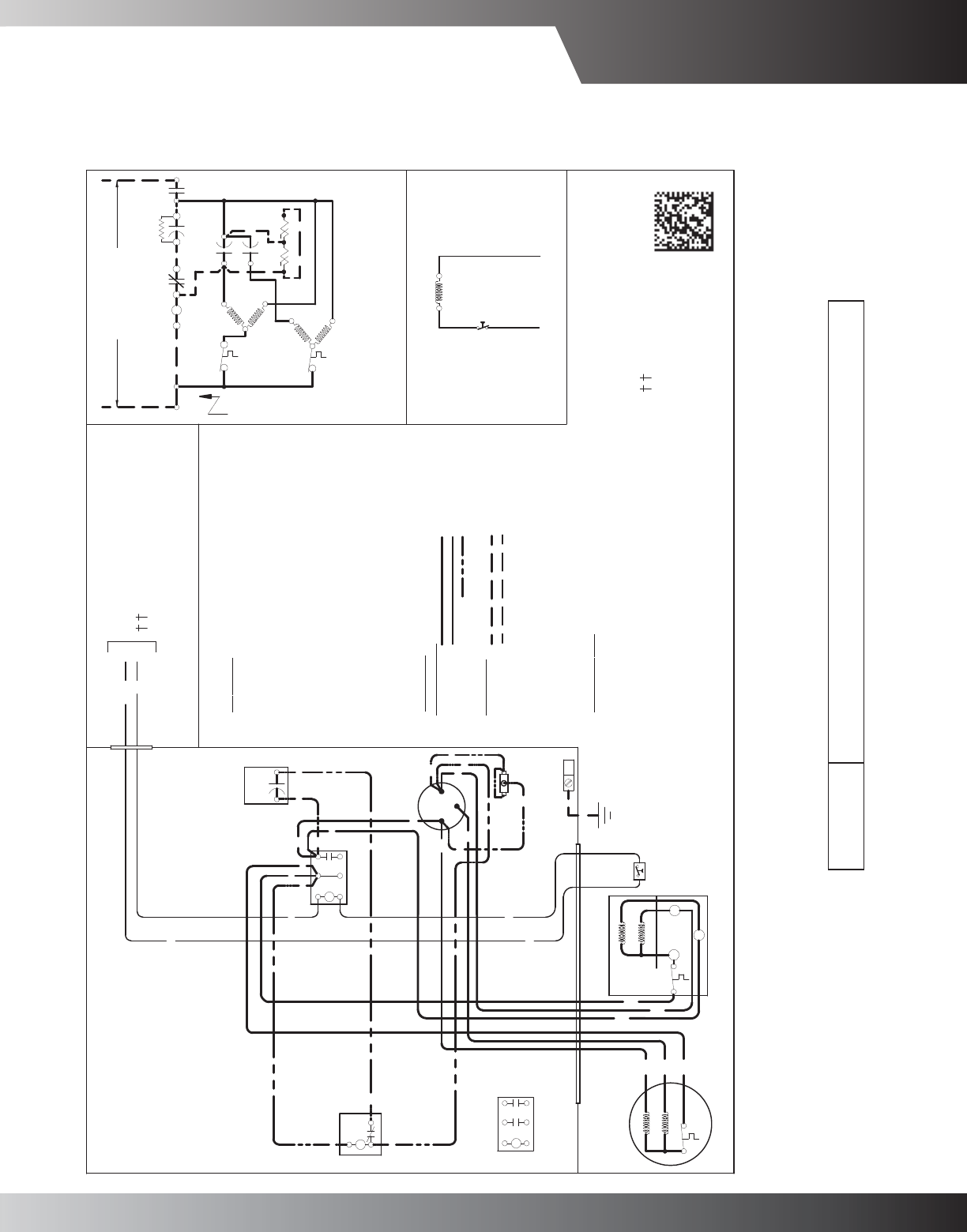
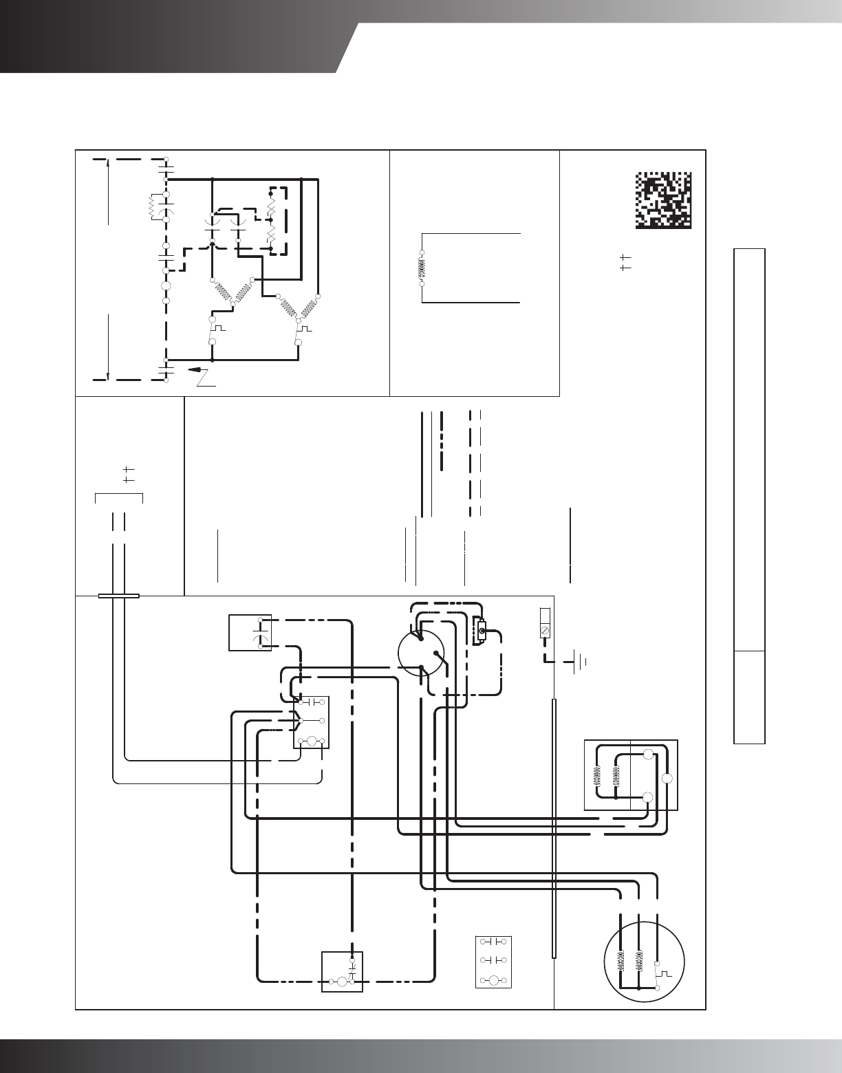
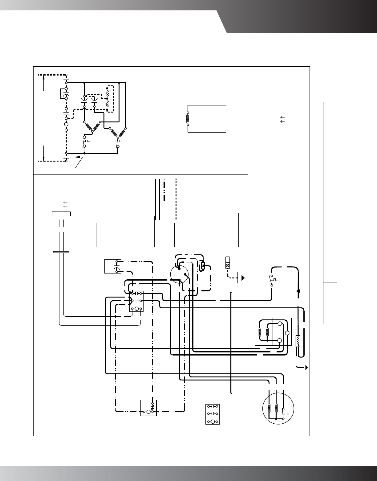
WiringDiagrams...............................................................35
Accessories.........................................................................39
GSX13
Split SyStem
Air Conditioner
13 SEER / 1½ to 5 tonS
* Complete warranty details available from your local
dealer or at www.goodmanmfg.com. To receive the 10-
Year Parts Limited Warranty, online registration must
be completed within 60 days of installation. Online
registrationisnotrequiredinCaliforniaorQuebec.
Cooling CApACity:
18,000 - 60,000 BtU/h

Product SPecificationS Product SPecificationS
2 www.goodmanmfg.com SS-GSX13
nomenClAtUre
Brand Engineering *
G
Goodman
®
Brand or Minor Revision
Amana
®
Distinctions
®
Brand Engineering *
Major Revision
Product Category Electrical
S Split System 1 208-230 V, 1 Phase, 60 Hz
2 220/240 V, 1 Phase, 50 Hz
Unit Type 3 208-230 V, 3 Phase, 60 Hz
C Condenser R-22 4 460 V, 3 Phase, 60 Hz
X Condenser R-410A 5 380-415 V, 3 Phase, 50 Hz
H Heat Pump R-22
Z Heat Pump R-410A Nominal Capacity
018 1½ Tons 048 4 Tons
Efficiency 024 2 Tons 060 5 Tons
13 13 SEER 030 2½ Tons 090 7½ tons
14 14 SEER 036 3 Tons 120 10 Tons
042
3½ Tons
* Neither used for order entry
or inventory management.
10
1
G
X
3
*
11
*
S
2
036
6,7,8
13
4,5
9
1

Product SPecificationS Product SPecificationS
SS-GSX13 www.goodmanmfg.com 3
SpeCifiCAtionS
GSX13
0181E*
GSX13
0241D*
GSX13
0301B*
GSX13
0361C*
GSX13
0361E*
GSX13
0421B*
GSX13
0481B*
GSX13
0601B*
GSX13
0611A*
Capacities
Nominal Cooling (BTU/h) 18,000 24,000 30,000 36,000 36,000 42,000 48,000 60,000 60,000
SEER / EER 13 / 11 13 / 11 13 / 11 13 / 11 13 / 11 13 / 11 13 / 11 13 / 11 13/11
Decibels 75 75 73 74 74 75 76 77 72
Compressor
RLA 6.7 13.5 12.8 14.1 14.1 17.9 19.9 25.0 26.4
LRA 41 58.3 64 77 77 112 109 134 134
Condenser Fan Motor
Horsepower 1/8 1/8 1/8 1/6 1/4 1/4 1/4 1/4 1/4
FLA 0.7 0.7 0.7 1.1 1.5 1.5 1.5 1.5 1.5
Refrigeration System
Refrigerant Line Size ¹
Liquid Line Size (“O.D.)
Liquid Valve Size (“O.D.)
Valve Type Sweat Sweat Sweat Sweat Sweat Sweat Sweat Sweat Sweat
Refrigerant Charge 73 76 78 89 75 90 104 111 130
0.051 0.057 0.061 0.070 0.070 0.076 0.080 0.086 0.086
Electrical Data
Voltage 208/230 208/230 208/230 208/230 208/230 208/230 208/230 208/230 208/230
Minimum Circuit Ampacity ² 9.1 17.6 16.7 18.7 19.1 23.9 26.3 32.8 34.5
15 amps 30 amps 25 amps 30 amps 30 amps 40 amps 45 amps 50 amps 60 amps
Min / Max Volts 197/253 197/253 197/253 197/253 197/253 197/253 197/253 197/253 197/253
Electrical Conduit Size
Equipment Weight (lbs) 106 113 142 139 139 188 191 207 284
Ship Weight (lbs) 120 130 159 157 157 206 209 225 301
¹ Line sizes denoted for 25’ line sets, tested and rated in accordance with AHRI Standard 210/240. For other line-set lengths or sizes, refer
Notes

Product SPecificationS Product SPecificationS
4 www.goodmanmfg.com SS-GSX13
expAnded Cooling dAtA — gSx130181e* / CApf1824B6dB
Outdoor Ambient Temperature
65ºF 75ºF 85ºF 95ºF 105ºF 115ºF
Entering Indoor Wet Bulb Temperature
IDB Airflow 59 63 67 71 59 63 67 71 59 63 67 71 59 63 67 71 59 63 67 71 59 63 67 71
70
525
MBh 15.6 16.2 17.7 - 15.3 15.8 17.3 - 14.9 15.4 16.9 - 14.5 15.1 16.5 - 13.8 14.3 15.7 - 12.8 13.3 14.5 -
S/T 0.70 0.59 0.41 - 0.73 0.61 0.42 - 0.75 0.62 0.43 - 0.77 0.64 0.45 - 0.80 0.67 0.46 - 0.81 0.67 0.47 -
19.3 16.7 12.7 - 19.5 16.9 12.8 - 19.5 16.9 12.8 - 19.6 17.0 12.9 - 19.4 16.8 12.7 - 18.1 15.7 11.9 -
1.02 1.04 1.08 - 1.11 1.13 1.17 - 1.18 1.21 1.25 - 1.25 1.28 1.32 - 1.30 1.33 1.38 - 1.35 1.38 1.43 -
Amps 4.3 4.4 4.5 - 4.6 4.7 4.9 - 5.0 5.1 5.3 - 5.4 5.5 5.7 - 5.7 5.8 6.0 - 6.0 6.2 6.4 -
Hi PR 203 219 231 - 228 245 259 - 259 279 294 - 295 318 335 - 332 357 377 - 367 395 417 -
Lo PR 102 109 119 - 108 115 126 - 113 120 131 - 118 126 137 - 124 132 144 - 128 136 149 -
600
MBh 16.4 17.0 18.7 - 16.0 16.6 18.2 - 15.7 16.2 17.8 - 15.3 15.8 17.4 - 14.5 15.0 16.5 - 13.4 13.9 15.3 -
S/T 0.71 0.60 0.41 - 0.74 0.62 0.43 - 0.76 0.63 0.44 - 0.78 0.65 0.45 - 0.81 0.68 0.47 - 0.82 0.69 0.47 -
18.0 15.6 11.8 - 18.2 15.8 12.0 - 18.2 15.8 12.0 - 18.4 15.9 12.1 - 18.1 15.7 11.9 - 16.9 14.6 11.1 -
1.03 1.06 1.09 - 1.12 1.14 1.18 - 1.19 1.22 1.27 - 1.26 1.29 1.34 - 1.32 1.35 1.40 - 1.37 1.40 1.45 -
Amps 4.3 4.4 4.6 - 4.7 4.8 4.9 - 5.1 5.2 5.4 - 5.4 5.6 5.7 - 5.8 5.9 6.1 - 6.1 6.3 6.5 -
Hi PR 206 221 234 - 231 248 262 - 263 283 298 - 299 322 340 - 336 362 382 - 372 400 422 -
Lo PR 104 110 121 - 110 117 127 - 114 121 132 - 120 127 139 - 126 134 146 - 130 138 151 -
650
MBh 16.9 17.6 19.2 - 16.5 17.1 18.8 - 16.1 16.7 18.3 - 15.8 16.3 17.9 - 15.0 15.5 17.0 - 13.9 14.4 15.7 -
S/T 0.73 0.61 0.42 - 0.76 0.63 0.44 - 0.78 0.65 0.45 - 0.80 0.67 0.46 - 0.83 0.69 0.48 - 0.84 0.70 0.48 -
17.5 15.1 11.5 - 17.7 15.3 11.6 - 17.7 15.3 11.6 - 17.8 15.4 11.7 - 17.6 15.2 11.6 - 16.4 14.2 10.8 -
1.05 1.07 1.11 - 1.14 1.16 1.20 - 1.21 1.24 1.29 - 1.28 1.31 1.36 - 1.34 1.37 1.42 - 1.39 1.42 1.47 -
Amps 4.4 4.5 4.6 - 4.7 4.9 5.0 - 5.2 5.3 5.5 - 5.5 5.6 5.8 - 5.9 6.0 6.2 - 6.2 6.4 6.6 -
Hi PR 209 225 238 - 235 253 267 - 267 287 304 - 304 327 346 - 342 368 389 - 378 407 430 -
Lo PR 106 112 123 - 112 119 130 - 116 123 135 - 122 130 142 - 128 136 148 - 132 141 153 -
75
525
MBh 15.9 16.4 17.7 19.0 15.5 16.0 17.3 18.6 15.2 15.6 16.9 18.1 14.8 15.2 16.5 17.7 14.0 14.5 15.7 16.8 13.0 13.4 14.5 15.6
S/T 0.80 0.72 0.54 0.35 0.83 0.74 0.56 0.36 0.85 0.76 0.58 0.37 0.88 0.78 0.59 0.38 0.91 0.81 0.62 0.40 0.92 0.82 0.62 0.40
22.3 20.5 16.8 11.6 22.5 20.7 17.0 11.7 22.6 20.8 17.0 11.7 22.7 20.9 17.1 11.8 22.4 20.6 16.9 11.7 20.9 19.3 15.8 10.9
1.03 1.05 1.09 1.13 1.12 1.14 1.18 1.22 1.19 1.22 1.26 1.31 1.26 1.29 1.33 1.38 1.32 1.35 1.39 1.44 1.36 1.40 1.45 1.50
Amps 4.3 4.4 4.6 4.7 4.7 4.8 4.9 5.1 5.1 5.2 5.4 5.6 5.4 5.5 5.7 5.9 5.8 5.9 6.1 6.3 6.1 6.3 6.5 6.7
Hi PR 205 221 233 243 230 248 262 273 262 282 297 310 298 321 339 353 335 361 381 398 371 399 421 439
Lo PR 104 110 120 128 109 116 127 135 114 121 132 141 119 127 139 148 125 133 145 155 129 138 150 160
600
MBh 16.7 17.2 18.6 20.0 16.3 16.8 18.2 19.5 15.9 16.4 17.8 19.1 15.5 16.0 17.3 18.6 14.8 15.2 16.5 17.7 13.7 14.1 15.2 16.4
S/T 0.81 0.73 0.55 0.35 0.84 0.75 0.57 0.37 0.86 0.77 0.58 0.38 0.89 0.80 0.60 0.39 0.92 0.83 0.63 0.40 0.93 0.83 0.63 0.41
20.8 19.1 15.7 10.8 21.0 19.4 15.9 11.0 21.1 19.4 15.9 11.0 21.2 19.5 16.0 11.1 20.9 19.3 15.8 10.9 19.5 18.0 14.7 10.2
1.04 1.07 1.10 1.14 1.13 1.16 1.20 1.24 1.21 1.23 1.28 1.32 1.27 1.30 1.35 1.40 1.33 1.36 1.41 1.46 1.38 1.41 1.46 1.52
Amps 4.4 4.5 4.6 4.8 4.7 4.8 5.0 5.2 5.1 5.2 5.4 5.6 5.5 5.6 5.8 6.0 5.8 6.0 6.2 6.4 6.2 6.3 6.5 6.8
Hi PR 208 224 236 246 233 251 265 276 265 285 301 314 302 325 343 358 340 366 386 403 376 404 427 445
Lo PR 105 112 122 130 111 118 129 137 115 123 134 142 121 129 141 150 127 135 147 157 131 140 152 162
650
MBh 17.2 17.7 19.2 20.6 16.8 17.3 18.7 20.1 16.4 16.9 18.3 19.6 16.0 16.5 17.9 19.2 15.2 15.7 17.0 18.2 14.1 14.5 15.7 16.9
S/T 0.83 0.74 0.56 0.36 0.86 0.77 0.58 0.37 0.88 0.79 0.60 0.38 0.91 0.81 0.62 0.40 0.94 0.84 0.64 0.41 0.95 0.85 0.64 0.41
20.2 18.6 15.2 10.5 20.4 18.8 15.4 10.7 20.5 18.8 15.4 10.7 20.6 19.0 15.5 10.7 20.3 18.7 15.3 10.6 19.0 17.5 14.3 9.9
1.06 1.08 1.12 1.16 1.15 1.17 1.21 1.26 1.22 1.25 1.30 1.34 1.29 1.32 1.37 1.42 1.35 1.38 1.43 1.48 1.40 1.44 1.49 1.54
Amps 4.4 4.5 4.7 4.9 4.8 4.9 5.1 5.3 5.2 5.3 5.5 5.7 5.6 5.7 5.9 6.1 5.9 6.1 6.3 6.5 6.3 6.4 6.6 6.9
Hi PR 211 228 240 251 237 255 270 281 270 290 307 320 307 331 349 364 346 372 393 410 382 411 434 453
Lo PR 107 114 124 132 113 120 131 139 117 125 136 145 123 131 143 152 129 137 150 160 133 142 155 165
IDB: Entering Indoor Dry Bulb Temperature Amps = outdoor unit amps (comp.+fan)

Product SPecificationS Product SPecificationS
SS-GSX13 www.goodmanmfg.com 5
expAnded Cooling dAtA — gSx130181e* / CApf1824B6dB (Cont.)
Outdoor Ambient Temperature
65ºF 75ºF 85ºF 95ºF 105ºF 115ºF
Entering Indoor Wet Bulb Temperature
IDB Airflow 59 63 67 71 59 63 67 71 59 63 67 71 59 63 67 71 59 63 67 71 59 63 67 71
80
525
MBh 16.2 16.5 17.7 18.9 15.8 16.1 17.3 18.4 15.4 15.8 16.8 18.0 15.0 15.4 16.4 17.6 14.3 14.6 15.6 16.7 13.2 13.5 14.5 15.5
S/T 0.88 0.82 0.67 0.50 0.91 0.85 0.69 0.52 0.93 0.87 0.71 0.53 0.96 0.90 0.73 0.55 1.00 0.94 0.76 0.57 1.01 0.94 0.77 0.57
24.8 23.8 20.7 16.5 25.2 24.1 21.0 16.7 25.2 24.1 21.0 16.8 25.4 24.3 21.1 16.9 25.0 24.0 20.8 16.6 23.4 22.4 19.5 15.5
1.04 1.06 1.10 1.14 1.13 1.15 1.19 1.23 1.20 1.23 1.27 1.32 1.27 1.30 1.35 1.39 1.33 1.36 1.41 1.46 1.38 1.41 1.46 1.51
Amps 4.3 4.4 4.6 4.8 4.7 4.8 5.0 5.2 5.1 5.2 5.4 5.6 5.5 5.6 5.8 6.0 5.8 6.0 6.2 6.4 6.2 6.3 6.5 6.8
Hi PR 207 223 235 246 232 250 264 276 264 285 300 313 301 324 342 357 339 365 385 402 374 403 425 444
Lo PR 105 111 121 129 110 118 128 137 115 122 133 142 121 128 140 149 126 134 147 156 131 139 152 162
600
MBh 17.0 17.4 18.6 19.8 16.6 17.0 18.1 19.4 16.2 16.6 17.7 18.9 15.8 16.2 17.3 18.5 15.0 15.4 16.4 17.5 13.9 14.2 15.2 16.2
S/T 0.89 0.84 0.68 0.51 0.92 0.87 0.70 0.53 0.95 0.89 0.72 0.54 0.98 0.92 0.75 0.56 1.00 0.95 0.77 0.58 1.00 0.96 0.78 0.58
23.2 22.2 19.3 15.5 23.5 22.5 19.6 15.6 23.5 22.5 19.6 15.7 23.7 22.7 19.7 15.8 23.0 22.4 19.5 15.5 21.3 20.9 18.2 14.5
1.05 1.08 1.11 1.15 1.14 1.17 1.21 1.25 1.22 1.25 1.29 1.33 1.28 1.32 1.36 1.41 1.34 1.38 1.42 1.48 1.39 1.43 1.48 1.53
Amps 4.4 4.5 4.7 4.8 4.8 4.9 5.0 5.2 5.2 5.3 5.5 5.7 5.5 5.7 5.9 6.1 5.9 6.0 6.2 6.5 6.2 6.4 6.6 6.9
Hi PR 210 226 239 249 236 254 268 279 268 288 304 318 305 328 347 362 343 369 390 407 379 408 431 450
Lo PR 106 113 123 131 112 119 130 138 116 124 135 144 122 130 142 151 128 136 149 158 132 141 154 164
650
MBh 17.5 17.9 19.1 20.5 17.1 17.5 18.7 20.0 16.7 17.1 18.2 19.5 16.3 16.7 17.8 19.0 15.5 15.8 16.9 18.1 14.3 14.7 15.7 16.7
S/T 0.91 0.85 0.69 0.52 0.94 0.88 0.72 0.54 0.97 0.91 0.74 0.55 1.00 0.94 0.76 0.57 1.00 1.00 0.79 0.59 1.00 1.00 0.80 0.60
22.5 21.6 18.8 15.0 22.8 21.9 19.0 15.2 22.8 21.9 19.0 15.2 23.1 22.0 19.2 15.3 21.9 22.4 18.9 15.1 20.3 20.7 17.7 14.1
1.07 1.09 1.13 1.17 1.16 1.18 1.22 1.27 1.24 1.26 1.31 1.36 1.30 1.34 1.38 1.43 1.36 1.40 1.45 1.50 1.42 1.45 1.50 1.55
Amps 4.5 4.6 4.7 4.9 4.8 4.9 5.1 5.3 5.2 5.4 5.6 5.8 5.6 5.8 5.9 6.2 6.0 6.1 6.3 6.6 6.3 6.5 6.7 7.0
Hi PR 214 230 243 253 240 258 272 284 273 293 310 323 310 334 353 368 349 376 397 414 386 415 439 457
Lo PR 108 115 125 133 114 121 132 141 118 126 137 146 124 132 144 154 130 139 151 161 135 143 157 167
85
525
MBh 16.5 16.8 17.6 18.7 16.1 16.4 17.2 18.3 15.7 16.0 16.8 17.9 15.3 15.6 16.3 17.4 14.5 14.8 15.5 16.6 13.5 13.7 14.4 15.3
S/T 0.92 0.89 0.80 0.65 0.95 0.92 0.83 0.67 0.98 0.94 0.85 0.69 1.00 0.97 0.88 0.71 1.00 1.00 0.91 0.74 1.00 1.00 0.92 0.75
26.5 26.1 24.6 21.3 26.8 26.4 24.9 21.6 26.9 26.4 25.0 21.6 26.8 26.6 25.1 21.8 25.5 26.0 24.8 21.5 23.6 24.1 23.2 20.0
1.05 1.07 1.11 1.15 1.14 1.16 1.20 1.24 1.21 1.24 1.28 1.33 1.28 1.31 1.36 1.41 1.34 1.37 1.42 1.47 1.39 1.42 1.47 1.53
Amps 4.4 4.5 4.6 4.8 4.7 4.9 5.0 5.2 5.2 5.3 5.5 5.7 5.5 5.6 5.8 6.1 5.9 6.0 6.2 6.4 6.2 6.4 6.6 6.8
Hi PR 209 225 238 248 235 253 267 278 267 287 303 317 304 327 346 361 342 368 389 406 378 407 430 448
Lo PR 106 112 123 131 112 119 130 138 116 123 135 143 122 130 141 151 128 136 148 158 132 140 153 163
600
MBh 17.3 17.6 18.5 19.7 16.9 17.2 18.0 19.2 16.5 16.8 17.6 18.8 16.1 16.4 17.2 18.3 15.3 15.6 16.3 17.4 14.2 14.4 15.1 16.1
S/T 0.93 0.90 0.81 0.66 0.97 0.93 0.84 0.68 0.99 0.96 0.86 0.70 1.00 0.99 0.89 0.72 1.00 1.00 0.93 0.75 1.00 1.00 0.93 0.76
24.8 24.3 23.0 19.9 25.1 24.6 23.3 20.2 25.1 24.7 23.3 20.2 24.7 24.8 23.5 20.3 23.4 23.9 23.2 20.0 21.7 22.1 21.6 18.7
1.06 1.08 1.12 1.16 1.15 1.18 1.22 1.26 1.23 1.26 1.30 1.35 1.30 1.33 1.37 1.42 1.36 1.39 1.44 1.49 1.41 1.44 1.49 1.54
Amps 4.4 4.5 4.7 4.9 4.8 4.9 5.1 5.3 5.2 5.3 5.5 5.7 5.6 5.7 5.9 6.1 5.9 6.1 6.3 6.5 6.3 6.4 6.7 6.9
Hi PR 212 228 241 251 238 256 270 282 271 291 308 321 308 332 350 365 347 373 394 411 383 412 435 454
Lo PR 107 114 124 132 113 120 131 140 118 125 136 145 123 131 143 153 129 138 150 160 134 142 155 166
650
MBh 17.8 18.2 19.0 20.3 17.4 17.8 18.6 19.8 17.0 17.3 18.2 19.4 16.6 16.9 17.7 18.9 15.8 16.1 16.8 18.0 14.6 14.9 15.6 16.6
S/T 0.95 0.92 0.83 0.67 0.99 0.95 0.86 0.70 1.00 0.98 0.88 0.72 1.00 1.00 0.91 0.74 1.00 1.00 0.95 0.77 1.00 1.00 0.95 0.77
24.1 23.7 22.4 19.4 24.3 23.9 22.6 19.6 24.1 24.0 22.7 19.6 23.5 23.9 22.8 19.7 22.3 22.7 22.5 19.5 20.6 21.0 21.0 18.2
1.08 1.10 1.14 1.18 1.17 1.19 1.23 1.28 1.25 1.28 1.32 1.37 1.32 1.35 1.40 1.45 1.38 1.41 1.46 1.51 1.43 1.46 1.51 1.57
Amps 4.5 4.6 4.8 4.9 4.9 5.0 5.2 5.4 5.3 5.4 5.6 5.8 5.7 5.8 6.0 6.2 6.0 6.2 6.4 6.6 6.4 6.6 6.8 7.0
Hi PR 216 232 245 256 242 261 275 287 275 296 313 326 314 337 356 372 353 380 401 418 390 419 443 462
Lo PR 109 116 126 135 115 122 134 142 120 127 139 148 126 134 146 155 132 140 153 163 136 145 158 168
IDB: Entering Indoor Dry Bulb Temperature Amps = outdoor unit amps (comp.+fan)

Product SPecificationS Product SPecificationS
6 www.goodmanmfg.com SS-GSX13
expAnded Cooling dAtA — gSx130241d* / CA*f1824*6d*
Outdoor Ambient Temperature
65ºF 75ºF 85ºF 95ºF 105ºF 115ºF
Entering Indoor Wet Bulb Temperature
IDB Airflow 59 63 67 71 59 63 67 71 59 63 67 71 59 63 67 71 59 63 67 71 59 63 67 71
70
700
MBh 20.2 20.9 22.9 - 19.7 20.4 22.4 - 19.3 20.0 21.9 - 18.8 19.5 21.3 - 17.8 18.5 20.3 - 16.5 17.1 18.8 -
S/T 0.69 0.58 0.40 - 0.72 0.60 0.41 - 0.73 0.61 0.42 - 0.76 0.63 0.44 - 0.79 0.66 0.46 - 0.79 0.66 0.46 -
18 16 12 - 19 16 12 - 19 16 12 - 19 16 12 - 18 16 12 - 17 15 11 -
1.60 1.63 1.68 - 1.71 1.75 1.80 - 1.82 1.85 1.91 - 1.91 1.95 2.01 - 1.98 2.02 2.09 - 2.05 2.09 2.16 -
Amps 5.7 5.8 6.0 - 6.1 6.3 6.5 - 6.6 6.8 7.0 - 7.1 7.3 7.5 - 7.6 7.8 8.0 - 8.0 8.2 8.5 -
Hi PR 226 243 257 - 253 273 288 - 288 310 328 - 328 353 373 - 369 398 420 - 408 439 464 -
Lo PR 99 105 115 - 105 111 122 - 109 116 126 - 114 122 133 - 120 127 139 - 124 132 144 -
800
MBh 21.9 22.7 24.8 - 21.4 22.2 24.3 - 20.9 21.6 23.7 - 20.4 21.1 23.1 - 19.3 20.0 22.0 - 17.9 18.6 20.3 -
S/T 0.72 0.60 0.41 - 0.74 0.62 0.43 - 0.76 0.64 0.44 - 0.79 0.66 0.45 - 0.82 0.68 0.47 - 0.82 0.69 0.48 -
18 16 12 - 18 16 12 - 18 16 12 - 18 16 12 - 18 16 12 - 17 15 11 -
1.64 1.67 1.72 - 1.75 1.79 1.85 - 1.86 1.90 1.96 - 1.95 1.99 2.06 - 2.03 2.07 2.14 - 2.10 2.14 2.21 -
Amps 5.8 6.0 6.1 - 6.3 6.4 6.7 - 6.8 7.0 7.2 - 7.3 7.5 7.8 - 7.8 8.0 8.3 - 8.3 8.5 8.8 -
Hi PR 233 251 265 - 261 281 297 - 297 320 338 - 338 364 385 - 381 410 433 - 421 453 478 -
Lo PR 102 109 119 - 108 115 125 - 112 119 130 - 118 125 137 - 124 131 143 - 128 136 148 -
900
MBh 22.5 23.4 25.6 - 22.0 22.8 25.0 - 21.5 22.3 24.4 - 21.0 21.7 23.8 - 19.9 20.6 22.6 - 18.4 19.1 21.0 -
S/T 0.75 0.63 0.43 - 0.78 0.65 0.45 - 0.80 0.67 0.46 - 0.82 0.69 0.48 - 0.86 0.71 0.49 - 0.86 0.72 0.50 -
17 15 11 - 18 15 12 - 18 15 12 - 18 15 12 - 17 15 11 - 16 14 11 -
1.65 1.68 1.73 - 1.77 1.80 1.86 - 1.87 1.91 1.97 - 1.97 2.01 2.07 - 2.05 2.09 2.16 - 2.12 2.16 2.23 -
Amps 5.9 6.0 6.2 - 6.3 6.5 6.7 - 6.9 7.1 7.3 - 7.4 7.6 7.8 - 7.9 8.1 8.3 - 8.3 8.6 8.8 -
Hi PR 235 253 267 - 264 284 300 - 300 323 341 - 342 368 388 - 385 414 437 - 425 457 483 -
Lo PR 103 110 120 - 109 116 127 - 113 121 132 - 119 127 138 - 125 133 145 - 129 137 150 -
75
700
MBh 20.5 21.1 22.9 24.6 20.1 20.7 22.4 24.0 19.6 20.2 21.8 23.4 19.1 19.7 21.3 22.9 18.2 18.7 20.2 21.7 16.8 17.3 18.7 20.1
S/T 0.79 0.70 0.53 0.34 0.81 0.73 0.55 0.35 0.83 0.75 0.56 0.36 0.86 0.77 0.58 0.38 0.89 0.80 0.61 0.39 0.90 0.81 0.61 0.39
21 20 16 11 21 20 16 11 21 20 16 11 22 20 16 11 21 20 16 11 20 18 15 10
1.61 1.64 1.69 1.74 1.73 1.76 1.82 1.87 1.83 1.87 1.93 1.99 1.92 1.96 2.02 2.09 2.00 2.04 2.11 2.17 2.07 2.11 2.18 2.25
Amps 5.7 5.8 6.0 6.3 6.2 6.3 6.5 6.8 6.7 6.9 7.1 7.4 7.2 7.4 7.6 7.9 7.6 7.8 8.1 8.4 8.1 8.3 8.6 8.9
Hi PR 228 246 259 270 256 276 291 303 291 313 331 345 332 357 377 393 373 402 424 442 412 444 469 489
Lo PR 100 107 116 124 106 113 123 131 110 117 128 136 116 123 134 143 121 129 141 150 125 133 145 155
800
MBh 22.3 22.9 24.8 26.6 21.7 22.4 24.2 26.0 21.2 21.8 23.6 25.4 20.7 21.3 23.1 24.8 19.7 20.2 21.9 23.5 18.2 18.8 20.3 21.8
S/T 0.81 0.73 0.55 0.35 0.84 0.76 0.57 0.37 0.87 0.77 0.59 0.38 0.89 0.80 0.60 0.39 0.93 0.83 0.63 0.40 0.94 0.84 0.63 0.41
21 19 16 11 21 19 16 11 21 19 16 11 21 20 16 11 21 19 16 11 20 18 15 10
1.65 1.68 1.73 1.78 1.77 1.80 1.86 1.92 1.87 1.91 1.97 2.04 1.97 2.01 2.07 2.14 2.05 2.09 2.16 2.23 2.12 2.16 2.23 2.30
Amps 5.9 6.0 6.2 6.4 6.3 6.5 6.7 7.0 6.9 7.1 7.3 7.6 7.4 7.6 7.8 8.1 7.9 8.1 8.3 8.7 8.3 8.6 8.8 9.2
Hi PR 235 253 267 279 264 284 300 313 300 323 341 356 342 368 389 405 385 414 437 456 425 457 483 504
Lo PR 103 110 120 128 109 116 127 135 113 121 132 140 119 127 138 147 125 133 145 154 129 137 150 160
900
MBh 22.9 23.6 25.5 27.4 22.4 23.0 24.9 26.8 21.9 22.5 24.4 26.1 21.3 22.0 23.8 25.5 20.3 20.9 22.6 24.2 18.8 19.3 20.9 22.4
S/T 0.85 0.76 0.58 0.37 0.89 0.79 0.60 0.39 0.91 0.81 0.61 0.40 0.94 0.84 0.63 0.41 0.97 0.87 0.66 0.42 0.98 0.88 0.66 0.43
20 18 15 10 20 19 15 11 20 19 15 11 20 19 15 11 20 19 15 10 19 17 14 10
1.66 1.69 1.75 1.80 1.78 1.82 1.87 1.93 1.89 1.93 1.99 2.05 1.98 2.03 2.09 2.16 2.06 2.11 2.18 2.25 2.13 2.18 2.25 2.32
Amps 5.9 6.1 6.3 6.5 6.4 6.6 6.8 7.0 7.0 7.1 7.4 7.7 7.5 7.6 7.9 8.2 7.9 8.1 8.4 8.7 8.4 8.6 8.9 9.3
Hi PR 238 256 270 282 267 287 303 316 303 326 345 359 345 372 392 409 389 418 442 461 429 462 488 509
Lo PR 104 111 121 129 110 117 128 136 114 122 133 142 120 128 140 149 126 134 146 156 130 139 151 161
IDB: Entering Indoor Dry Bulb Temperature Amps = outdoor unit amps (comp.+fan)

Product SPecificationS Product SPecificationS
SS-GSX13 www.goodmanmfg.com 7
expAnded Cooling dAtA — gSx130241d* / CA*f1824*6d* (Cont.)
Outdoor Ambient Temperature
65ºF 75ºF 85ºF 95ºF 105ºF 115ºF
Entering Indoor Wet Bulb Temperature
IDB Airflow 59 63 67 71 59 63 67 71 59 63 67 71 59 63 67 71 59 63 67 71 59 63 67 71
80
700
MBh 20.9 21.4 22.8 24.4 20.4 20.9 22.3 23.8 19.9 20.4 21.8 23.3 19.4 19.9 21.2 22.7 18.5 18.9 20.2 21.6 17.1 17.5 18.7 20.0
S/T 0.86 0.81 0.66 0.49 0.89 0.84 0.68 0.51 0.92 0.86 0.70 0.52 0.94 0.89 0.72 0.54 0.98 0.92 0.75 0.56 0.99 0.93 0.75 0.56
24 23 20 16 24 23 20 16 24 23 20 16 24 23 20 16 24 23 20 16 22 21 19 15
1.62 1.66 1.71 1.76 1.74 1.78 1.83 1.89 1.85 1.88 1.94 2.00 1.94 1.98 2.04 2.10 2.01 2.06 2.12 2.19 2.08 2.13 2.19 2.27
Amps 5.8 5.9 6.1 6.3 6.2 6.4 6.6 6.8 6.8 6.9 7.2 7.4 7.2 7.4 7.7 8.0 7.7 7.9 8.2 8.5 8.2 8.4 8.7 9.0
Hi PR 231 248 262 273 259 278 294 307 294 317 334 349 335 361 381 397 377 406 428 447 416 448 473 494
Lo PR 101 108 117 125 107 114 124 132 111 118 129 137 117 124 136 144 122 130 142 151 126 135 147 156
800
MBh 22.6 23.1 24.7 26.4 22.1 22.6 24.2 25.8 21.6 22.1 23.6 25.2 21.1 21.5 23.0 24.6 20.0 20.5 21.9 23.4 18.5 18.9 20.2 21.6
S/T 0.89 0.84 0.68 0.51 0.93 0.87 0.71 0.53 0.95 0.89 0.72 0.54 0.98 0.92 0.75 0.56 1.00 0.95 0.78 0.58 1.00 0.96 0.78 0.59
23 22 19 15 24 23 20 16 24 23 20 16 24 23 20 16 23 22 19 16 21 21 18 15
1.66 1.69 1.75 1.80 1.78 1.82 1.87 1.93 1.89 1.93 1.99 2.05 1.98 2.03 2.09 2.16 2.06 2.11 2.18 2.25 2.13 2.18 2.25 2.32
Amps 5.9 6.1 6.3 6.5 6.4 6.6 6.8 7.0 7.0 7.1 7.4 7.7 7.5 7.6 7.9 8.2 7.9 8.1 8.4 8.7 8.4 8.6 8.9 9.3
Hi PR 238 256 270 282 267 287 303 316 303 326 345 359 345 372 393 409 389 418 442 461 429 462 488 509
Lo PR 104 111 121 129 110 117 128 136 115 122 133 142 120 128 140 149 126 134 146 156 130 139 151 161
900
MBh 23.3 23.8 25.5 27.2 22.8 23.3 24.9 26.6 22.2 22.7 24.3 26.0 21.7 22.2 23.7 25.3 20.6 21.1 22.5 24.1 19.1 19.5 20.8 22.3
S/T 0.94 0.88 0.71 0.53 0.97 0.91 0.74 0.55 1.00 0.93 0.76 0.57 1.00 0.96 0.78 0.59 1.00 1.00 0.81 0.61 1.00 1.00 0.82 0.61
22 21 19 15 23 22 19 15 23 22 19 15 22 22 19 15 21 22 19 15 20 20 17 14
1.67 1.71 1.76 1.81 1.80 1.83 1.89 1.95 1.90 1.94 2.00 2.07 2.00 2.04 2.11 2.17 2.08 2.13 2.19 2.26 2.15 2.20 2.27 2.34
Amps 6.0 6.1 6.3 6.6 6.5 6.6 6.8 7.1 7.0 7.2 7.5 7.7 7.5 7.7 8.0 8.3 8.0 8.2 8.5 8.8 8.5 8.7 9.0 9.4
Hi PR 240 258 273 284 269 290 306 319 306 330 348 363 349 375 396 413 392 422 446 465 434 467 493 514
Lo PR 105 112 122 130 111 118 129 138 116 123 134 143 121 129 141 150 127 135 148 157 132 140 153 163
85
700
MBh 21.3 21.7 22.7 24.2 20.8 21.2 22.2 23.7 20.3 20.7 21.7 23.1 19.8 20.2 21.1 22.5 18.8 19.2 20.1 21.4 17.4 17.7 18.6 19.8
S/T 0.90 0.87 0.79 0.64 0.94 0.90 0.81 0.66 0.96 0.93 0.84 0.68 0.99 0.96 0.86 0.70 1.00 0.99 0.90 0.73 1.00 1.00 0.90 0.73
25 25 23 20 26 25 24 21 26 25 24 21 26 25 24 21 25 25 24 20 23 23 22 19
1.64 1.67 1.72 1.77 1.75 1.79 1.84 1.90 1.86 1.90 1.96 2.02 1.95 1.99 2.06 2.12 2.03 2.07 2.14 2.21 2.10 2.14 2.21 2.28
Amps 5.8 5.9 6.1 6.4 6.3 6.4 6.7 6.9 6.8 7.0 7.2 7.5 7.3 7.5 7.7 8.0 7.8 8.0 8.3 8.6 8.3 8.5 8.8 9.1
Hi PR 233 251 265 276 261 281 297 310 297 320 338 352 338 364 385 401 381 410 433 451 421 453 478 499
Lo PR 102 109 119 126 108 115 125 134 112 119 130 139 118 125 137 146 123 131 143 153 128 136 148 158
800
MBh 23.0 23.5 24.6 26.2 22.5 22.9 24.0 25.6 22.0 22.4 23.5 25.0 21.4 21.9 22.9 24.4 20.4 20.8 21.7 23.2 18.9 19.2 20.1 21.5
S/T 0.94 0.90 0.82 0.66 0.97 0.94 0.85 0.69 1.00 0.96 0.87 0.70 1.00 0.99 0.89 0.73 1.00 1.00 0.93 0.75 1.00 1.00 0.94 0.76
25 24 23 20 25 25 23 20 25 25 23 20 25 25 24 20 23 24 23 20 22 22 22 19
1.67 1.71 1.76 1.81 1.80 1.83 1.89 1.95 1.90 1.94 2.00 2.07 2.00 2.04 2.11 2.17 2.08 2.13 2.19 2.26 2.15 2.20 2.27 2.34
Amps 6.0 6.1 6.3 6.6 6.5 6.6 6.8 7.1 7.0 7.2 7.5 7.7 7.5 7.7 8.0 8.3 8.0 8.2 8.5 8.8 8.5 8.7 9.0 9.4
Hi PR 240 258 273 284 269 290 306 319 306 330 348 363 349 375 396 413 392 422 446 465 434 467 493 514
Lo PR 105 112 122 130 111 118 129 138 116 123 134 143 121 129 141 150 127 135 148 157 132 140 153 163
900
MBh 23.7 24.2 25.3 27.0 23.2 23.6 24.8 26.4 22.6 23.1 24.2 25.8 22.1 22.5 23.6 25.1 21.0 21.4 22.4 23.9 19.4 19.8 20.7 22.1
S/T 0.98 0.95 0.86 0.69 1.00 0.98 0.89 0.72 1.00 1.00 0.91 0.74 1.00 1.00 0.94 0.76 1.00 1.00 0.97 0.79 1.00 1.00 0.98 0.80
24 23 22 19 24 24 22 19 23 24 22 19 23 23 23 20 21 22 22 19 20 20 21 18
1.69 1.72 1.77 1.83 1.81 1.85 1.90 1.96 1.92 1.96 2.02 2.09 2.02 2.06 2.12 2.19 2.10 2.14 2.21 2.28 2.17 2.22 2.29 2.36
Amps 6.0 6.2 6.4 6.6 6.5 6.7 6.9 7.2 7.1 7.3 7.5 7.8 7.6 7.8 8.0 8.4 8.1 8.3 8.6 8.9 8.6 8.8 9.1 9.5
Hi PR 242 261 275 287 272 293 309 322 309 333 352 367 352 379 400 418 396 427 450 470 438 471 498 519
Lo PR 106 113 124 132 112 120 131 139 117 124 136 144 123 131 143 152 129 137 149 159 133 142 154 165
IDB: Entering Indoor Dry Bulb Temperature Amps = outdoor unit amps (comp.+fan)

Product SPecificationS Product SPecificationS
8 www.goodmanmfg.com SS-GSX13
expAnded Cooling dAtA — gSx130301B* / CA*f3030*6d*
Outdoor Ambient Temperature
65ºF 75ºF 85ºF 95ºF 105ºF 115ºF
Entering Indoor Wet Bulb Temperature
IDB Airflow 59 63 67 71 59 63 67 71 59 63 67 71 59 63 67 71 59 63 67 71 59 63 67 71
70
945
MBh 26.2 27.2 29.8 - 25.6 26.6 29.1 - 25.0 25.9 28.4 - 24.4 25.3 27.7 - 23.2 24.0 26.3 - 21.5 22.3 24.4 -
S/T 0.71 0.59 0.41 - 0.74 0.62 0.43 - 0.76 0.63 0.44 - 0.78 0.65 0.45 - 0.81 0.68 0.47 - 0.82 0.68 0.47 -
18 16 12 - 18 16 12 - 18 16 12 - 19 16 12 - 18 16 12 - 17 15 11 -
2.01 2.05 2.11 - 2.15 2.20 2.26 - 2.28 2.33 2.40 - 2.39 2.44 2.51 - 2.48 2.54 2.62 - 2.57 2.62 2.70 -
Amps 6.9 7.1 7.3 - 7.5 7.7 8.0 - 8.2 8.4 8.7 - 8.7 9.0 9.3 - 9.3 9.5 9.9 - 9.9 10.1 10.5 -
Hi PR 244 262 277 - 274 294 311 - 311 335 354 - 354 381 403 - 399 429 453 - 440 474 501 -
Lo PR 104 110 120 - 109 116 127 - 114 121 132 - 119 127 139 - 125 133 145 - 129 138 150 -
1050
MBh 26.6 27.6 30.3 - 26.0 27.0 29.5 - 25.4 26.3 28.8 - 24.8 25.7 28.1 - 23.5 24.4 26.7 - 21.8 22.6 24.8 -
S/T 0.74 0.62 0.43 - 0.76 0.64 0.44 - 0.78 0.65 0.45 - 0.81 0.68 0.47 - 0.84 0.70 0.49 - 0.85 0.71 0.49 -
17 15 11 - 17 15 11 - 17 15 11 - 18 15 12 - 17 15 11 - 16 14 11 -
2.04 2.08 2.14 - 2.18 2.23 2.29 - 2.31 2.36 2.43 - 2.42 2.47 2.55 - 2.52 2.57 2.65 - 2.60 2.66 2.74 -
Amps 7.0 7.2 7.5 - 7.6 7.8 8.1 - 8.3 8.5 8.8 - 8.9 9.1 9.4 - 9.5 9.7 10.0 - 10.0 10.3 10.6 -
Hi PR 248 267 282 - 278 299 316 - 317 341 360 - 360 388 410 - 406 436 461 - 448 482 509 -
Lo PR 105 112 122 - 111 118 129 - 116 123 134 - 122 129 141 - 127 135 148 - 132 140 153 -
1155
MBh 27.0 28.0 30.7 - 26.4 27.4 30.0 - 25.8 26.7 29.3 - 25.2 26.1 28.6 - 23.9 24.8 27.1 - 22.1 22.9 25.1 -
S/T 0.77 0.64 0.45 - 0.80 0.67 0.46 - 0.82 0.68 0.47 - 0.85 0.71 0.49 - 0.88 0.73 0.51 - 0.88 0.74 0.51 -
17 14 11 - 17 15 11 - 17 15 11 - 17 15 11 - 17 14 11 - 16 13 10 -
2.05 2.09 2.15 - 2.19 2.24 2.30 - 2.32 2.37 2.44 - 2.44 2.49 2.56 - 2.53 2.59 2.67 - 2.62 2.67 2.76 -
Amps 7.1 7.3 7.5 - 7.7 7.9 8.1 - 8.4 8.6 8.9 - 8.9 9.2 9.5 - 9.5 9.8 10.1 - 10.1 10.4 10.7 -
Hi PR 250 269 284 - 280 302 318 - 319 343 362 - 363 391 413 - 408 439 464 - 451 486 513 -
Lo PR 106 113 123 - 112 119 130 - 116 124 135 - 122 130 142 - 128 136 149 - 133 141 154 -
75
945
MBh 26.7 27.5 29.7 31.9 26.1 26.8 29.0 31.2 25.4 26.2 28.4 30.4 24.8 25.6 27.7 29.7 23.6 24.3 26.3 28.2 21.8 22.5 24.3 26.1
S/T 0.81 0.72 0.55 0.35 0.84 0.75 0.57 0.36 0.86 0.77 0.58 0.37 0.89 0.79 0.60 0.39 0.92 0.82 0.62 0.40 0.93 0.83 0.63 0.40
21 19 16 11 21 20 16 11 21 20 16 11 21 20 16 11 21 19 16 11 20 18 15 10
2.03 2.07 2.13 2.19 2.17 2.21 2.28 2.35 2.30 2.34 2.42 2.49 2.41 2.46 2.53 2.61 2.50 2.56 2.64 2.72 2.59 2.64 2.72 2.81
Amps 7.0 7.2 7.4 7.7 7.6 7.8 8.0 8.3 8.2 8.5 8.7 9.1 8.8 9.0 9.3 9.7 9.4 9.6 10.0 10.3 10.0 10.2 10.6 11.0
Hi PR 246 265 280 292 276 297 314 328 314 338 357 373 358 385 407 424 403 433 458 477 445 479 506 527
Lo PR 105 111 121 129 111 118 128 137 115 122 133 142 121 128 140 149 126 135 147 156 131 139 152 162
1050
MBh 27.1 27.9 30.2 32.4 26.5 27.2 29.5 31.6 25.8 26.6 28.8 30.9 25.2 25.9 28.1 30.1 23.9 24.6 26.7 28.6 22.2 22.8 24.7 26.5
S/T 0.84 0.75 0.57 0.37 0.87 0.78 0.59 0.38 0.89 0.80 0.60 0.39 0.92 0.82 0.62 0.40 0.95 0.85 0.65 0.42 0.96 0.86 0.65 0.42
20 18 15 10 20 19 15 10 20 19 15 10 20 19 15 11 20 18 15 10 19 17 14 10
2.05 2.09 2.15 2.22 2.20 2.24 2.31 2.38 2.33 2.38 2.45 2.52 2.44 2.49 2.57 2.65 2.54 2.59 2.67 2.76 2.62 2.68 2.76 2.85
Amps 7.1 7.3 7.5 7.8 7.7 7.9 8.2 8.5 8.4 8.6 8.9 9.2 9.0 9.2 9.5 9.9 9.6 9.8 10.1 10.5 10.1 10.4 10.7 11.2
Hi PR 251 270 285 297 281 303 319 333 320 344 363 379 364 392 414 432 410 441 466 486 453 487 514 536
Lo PR 106 113 124 132 112 120 131 139 117 124 136 145 123 131 143 152 129 137 149 159 133 142 155 165
1155
MBh 27.5 28.3 30.6 32.9 26.9 27.7 29.9 32.1 26.2 27.0 29.2 31.4 25.6 26.3 28.5 30.6 24.3 25.0 27.1 29.1 22.5 23.2 25.1 26.9
S/T 0.88 0.78 0.59 0.38 0.91 0.81 0.61 0.40 0.93 0.83 0.63 0.41 0.96 0.86 0.65 0.42 1.00 0.89 0.67 0.43 1.00 0.90 0.68 0.44
19 18 14 10 19 18 15 10 19 18 15 10 20 18 15 10 19 18 15 10 18 17 14 9
2.06 2.10 2.16 2.23 2.21 2.25 2.32 2.39 2.34 2.39 2.46 2.54 2.45 2.51 2.58 2.67 2.55 2.61 2.69 2.77 2.64 2.69 2.78 2.87
Amps 7.2 7.3 7.6 7.9 7.8 7.9 8.2 8.5 8.4 8.6 8.9 9.3 9.0 9.2 9.6 9.9 9.6 9.9 10.2 10.6 10.2 10.5 10.8 11.2
Hi PR 252 272 287 299 283 305 322 336 322 346 366 382 367 395 417 435 413 444 469 489 456 491 518 540
Lo PR 107 114 124 133 113 120 131 140 118 125 137 146 124 131 144 153 130 138 150 160 134 143 156 166
IDB: Entering Indoor Dry Bulb Temperature Amps = outdoor unit amps (comp.+fan)

Product SPecificationS Product SPecificationS
SS-GSX13 www.goodmanmfg.com 9
expAnded Cooling dAtA — gSx130301B* / CA*f3030*6d* (Cont.)
Outdoor Ambient Temperature
65ºF 75ºF 85ºF 95ºF 105ºF 115ºF
Entering Indoor Wet Bulb Temperature
IDB Airflow 59 63 67 71 59 63 67 71 59 63 67 71 59 63 67 71 59 63 67 71 59 63 67 71
80
945
MBh 27.2 27.8 29.6 31.7 26.5 27.1 29.0 31.0 25.9 26.5 28.3 30.2 25.3 25.8 27.6 29.5 24.0 24.5 26.2 28.0 22.2 22.7 24.3 25.9
S/T 0.89 0.83 0.68 0.51 0.92 0.86 0.70 0.52 0.94 0.88 0.72 0.54 0.97 0.91 0.74 0.56 1.01 0.95 0.77 0.58 1.00 0.95 0.78 0.58
23 22 20 16 24 23 20 16 24 23 20 16 24 23 20 16 24 23 20 16 22 21 18 15
2.04 2.08 2.14 2.21 2.19 2.23 2.30 2.37 2.31 2.36 2.43 2.51 2.43 2.48 2.56 2.64 2.52 2.58 2.66 2.74 2.61 2.66 2.75 2.83
Amps 7.1 7.2 7.5 7.8 7.7 7.8 8.1 8.4 8.3 8.5 8.8 9.2 8.9 9.1 9.4 9.8 9.5 9.7 10.1 10.4 10.1 10.3 10.7 11.1
Hi PR 249 268 283 295 279 300 317 331 317 342 361 376 362 389 411 429 407 438 462 482 449 484 511 533
Lo PR 106 112 123 131 112 119 130 138 116 123 135 144 122 130 142 151 128 136 148 158 132 141 153 163
1050
MBh 27.6 28.2 30.1 32.2 26.9 27.5 29.4 31.4 26.3 26.9 28.7 30.7 25.6 26.2 28.0 29.9 24.4 24.9 26.6 28.4 22.6 23.1 24.6 26.3
S/T 0.92 0.86 0.70 0.52 0.95 0.89 0.73 0.54 0.98 0.92 0.75 0.56 1.00 0.95 0.77 0.58 1.00 0.98 0.80 0.60 1.00 0.99 0.81 0.60
22 21 18 15 22 22 19 15 22 22 19 15 22 22 19 15 21 21 19 15 20 20 17 14
2.07 2.11 2.17 2.23 2.21 2.26 2.33 2.40 2.35 2.39 2.47 2.54 2.46 2.51 2.59 2.67 2.56 2.61 2.69 2.78 2.64 2.70 2.78 2.87
Amps 7.2 7.4 7.6 7.9 7.8 8.0 8.2 8.5 8.5 8.7 9.0 9.3 9.1 9.3 9.6 10.0 9.6 9.9 10.2 10.6 10.2 10.5 10.8 11.3
Hi PR 253 272 288 300 284 306 323 337 323 348 367 383 368 396 418 436 414 445 470 490 457 492 520 542
Lo PR 107 114 125 133 114 121 132 140 118 126 137 146 124 132 144 153 130 138 151 161 134 143 156 166
1155
MBh 28.0 28.6 30.6 32.7 27.3 27.9 29.8 31.9 26.7 27.3 29.1 31.1 26.0 26.6 28.4 30.4 24.7 25.3 27.0 28.9 22.9 23.4 25.0 26.7
S/T 0.96 0.90 0.73 0.55 1.00 0.93 0.76 0.57 1.00 0.96 0.78 0.58 1.00 1.00 0.80 0.60 1.00 1.00 0.83 0.62 1.00 1.00 0.84 0.63
21 21 18 14 22 21 18 14 21 21 18 14 21 21 18 15 20 20 18 14 18 19 17 13
2.08 2.12 2.18 2.25 2.23 2.27 2.34 2.41 2.36 2.41 2.48 2.56 2.47 2.53 2.60 2.69 2.57 2.63 2.71 2.80 2.66 2.71 2.80 2.89
Amps 7.2 7.4 7.7 7.9 7.8 8.0 8.3 8.6 8.5 8.7 9.0 9.4 9.1 9.3 9.7 10.0 9.7 9.9 10.3 10.7 10.3 10.6 10.9 11.3
Hi PR 255 274 290 302 286 308 325 339 325 350 370 385 370 399 421 439 417 448 474 494 460 495 523 546
Lo PR 108 115 126 134 114 122 133 141 119 126 138 147 125 133 145 154 131 139 152 162 135 144 157 167
85
945
MBh 27.6 28.2 29.5 31.5 27.0 27.5 28.8 30.7 26.3 26.9 28.1 30.0 25.7 26.2 27.4 29.3 24.4 24.9 26.1 27.8 22.6 23.1 24.1 25.8
S/T 0.93 0.90 0.81 0.66 0.96 0.93 0.84 0.68 0.99 0.95 0.86 0.70 1.00 0.98 0.89 0.72 1.00 1.00 0.92 0.75 1.00 1.00 0.93 0.75
25 25 23 20 25 25 24 20 25 25 24 20 25 25 24 21 24 24 23 20 22 22 22 19
2.06 2.10 2.16 2.22 2.20 2.25 2.31 2.39 2.33 2.38 2.45 2.53 2.45 2.50 2.58 2.66 2.54 2.60 2.68 2.76 2.63 2.68 2.77 2.86
Amps 7.1 7.3 7.6 7.8 7.7 7.9 8.2 8.5 8.4 8.6 8.9 9.2 9.0 9.2 9.5 9.9 9.6 9.8 10.2 10.5 10.2 10.4 10.8 11.2
Hi PR 251 270 286 298 282 303 320 334 321 345 364 380 365 393 415 433 411 442 467 487 454 489 516 538
Lo PR 107 114 124 132 113 120 131 139 117 125 136 145 123 131 143 152 129 137 150 160 133 142 155 165
1050
MBh 28.1 28.6 29.9 32.0 27.4 27.9 29.3 31.2 26.7 27.3 28.6 30.5 26.1 26.6 27.9 29.7 24.8 25.3 26.5 28.2 23.0 23.4 24.5 26.2
S/T 0.96 0.93 0.84 0.68 1.00 0.96 0.87 0.71 1.00 0.99 0.89 0.72 1.00 1.00 0.92 0.75 1.00 1.00 0.96 0.78 1.00 1.00 0.96 0.78
24 23 22 19 24 24 22 19 23 24 22 19 23 23 22 19 22 22 22 19 20 20 21 18
2.08 2.12 2.19 2.25 2.23 2.28 2.35 2.42 2.36 2.41 2.49 2.56 2.48 2.53 2.61 2.69 2.58 2.63 2.72 2.80 2.66 2.72 2.81 2.90
Amps 7.2 7.4 7.7 8.0 7.8 8.0 8.3 8.6 8.5 8.7 9.0 9.4 9.1 9.4 9.7 10.1 9.7 10.0 10.3 10.7 10.3 10.6 10.9 11.4
Hi PR 256 275 290 303 287 309 326 340 326 351 371 387 372 400 422 440 418 450 475 495 462 497 525 547
Lo PR 109 116 126 134 115 122 133 142 119 127 138 147 125 133 145 155 131 140 152 162 136 144 158 168
1155
MBh 28.5 29.0 30.4 32.4 27.8 28.4 29.7 31.7 27.1 27.7 29.0 30.9 26.5 27.0 28.3 30.2 25.2 25.7 26.9 28.7 23.3 23.8 24.9 26.5
S/T 1.00 0.97 0.88 0.71 1.00 1.00 0.91 0.74 1.00 1.00 0.93 0.76 1.00 1.00 0.96 0.78 1.00 1.00 1.00 0.81 1.00 1.00 1.00 0.82
23 22 21 18 22 23 21 19 22 22 21 19 21 21 22 19 20 20 21 18 19 19 20 17
2.09 2.13 2.20 2.26 2.24 2.29 2.36 2.43 2.38 2.43 2.50 2.58 2.49 2.55 2.62 2.71 2.59 2.65 2.73 2.82 2.68 2.74 2.82 2.91
Amps 7.3 7.5 7.7 8.0 7.9 8.1 8.4 8.7 8.6 8.8 9.1 9.5 9.2 9.4 9.7 10.1 9.8 10.0 10.4 10.8 10.4 10.7 11.0 11.4
Hi PR 257 277 292 305 289 311 328 342 328 353 373 389 374 403 425 443 421 453 478 499 465 500 528 551
Lo PR 109 116 127 135 116 123 134 143 120 128 139 148 126 134 146 156 132 141 153 163 137 145 159 169
IDB: Entering Indoor Dry Bulb Temperature Amps = outdoor unit amps (comp.+fan)

Product SPecificationS Product SPecificationS
10 www.goodmanmfg.com SS-GSX13
Outdoor Ambient Temperature
65ºF 75ºF 85ºF 95ºF 105ºF 115ºF
Entering Indoor Wet Bulb Temperature
IDB Airflow 59 63 67 71 59 63 67 71 59 63 67 71 59 63 67 71 59 63 67 71 59 63 67 71
70
1350
MBh 32.8 34.0 37.2 - 32.0 33.2 36.4 - 31.3 32.4 35.5 - 30.5 31.6 34.6 - 29.0 30.0 32.9 - 26.8 27.8 30.5 -
S/T 0.80 0.67 0.47 - 0.83 0.70 0.48 - 0.85 0.71 0.49 - 0.88 0.74 0.51 - 0.92 0.76 0.53 - 0.92 0.77 0.53 -
18 16 12 - 18 16 12 - 18 16 12 - 18 16 12 - 18 16 12 - 17 15 11 -
1.92 1.97 2.06 - 2.12 2.19 2.28 - 2.31 2.37 2.48 - 2.47 2.54 2.65 - 2.61 2.68 2.80 - 2.72 2.80 2.92 -
Amps 10.4 10.6 11.0 - 11.2 11.5 11.9 - 12.2 12.5 12.9 - 13.0 13.4 13.8 - 13.9 14.2 14.7 - 14.7 15.1 15.6 -
Hi PR 200 215 227 - 224 241 255 - 255 275 290 - 291 313 330 - 327 352 371 - 361 389 410 -
Lo PR 97 104 113 - 103 109 119 - 107 114 124 - 112 119 130 - 118 125 137 - 122 130 141 -
986
MBh 31.7 32.8 36.0 - 30.9 32.1 35.1 - 30.2 31.3 34.3 - 29.5 30.5 33.5 - 28.0 29.0 31.8 - 25.9 26.9 29.4 -
S/T 0.76 0.63 0.44 - 0.78 0.66 0.45 - 0.80 0.67 0.47 - 0.83 0.69 0.48 - 0.86 0.72 0.50 - 0.87 0.73 0.50 -
22 19 15 - 23 20 15 - 23 20 15 - 23 20 15 - 22 19 15 - 21 18 14 -
1.88 1.93 2.02 - 2.08 2.14 2.23 - 2.26 2.32 2.42 - 2.42 2.49 2.59 - 2.55 2.62 2.74 - 2.67 2.74 2.86 -
Amps 10.2 10.5 10.8 - 11.0 11.3 11.7 - 12.0 12.3 12.7 - 12.8 13.1 13.5 - 13.6 14.0 14.4 - 14.4 14.8 15.3 -
Hi PR 196 211 223 - 220 237 250 - 250 269 284 - 285 307 324 - 320 345 364 - 354 381 402 -
Lo PR 95 102 111 - 101 107 117 - 105 112 122 - 110 117 128 - 115 123 134 - 119 127 139 -
1050
MBh 32.0 33.2 36.3 - 31.2 32.4 35.5 - 30.5 31.6 34.6 - 29.8 30.8 33.8 - 28.3 29.3 32.1 - 26.2 27.1 29.7 -
S/T 0.77 0.64 0.45 - 0.80 0.67 0.46 - 0.82 0.68 0.47 - 0.85 0.71 0.49 - 0.88 0.73 0.51 - 0.89 0.74 0.51 -
22 19 14 - 22 19 14 - 22 19 14 - 22 19 14 - 22 19 14 - 20 18 13 -
1.88 1.94 2.02 - 2.08 2.15 2.24 - 2.26 2.33 2.43 - 2.42 2.49 2.60 - 2.56 2.63 2.74 - 2.67 2.75 2.87 -
Amps 10.2 10.5 10.8 - 11.1 11.3 11.7 - 12.0 12.3 12.7 - 12.8 13.1 13.6 - 13.7 14.0 14.5 - 14.5 14.8 15.3 -
Hi PR 197 212 223 - 221 237 251 - 251 270 285 - 286 307 325 - 321 346 365 - 355 382 404 -
Lo PR 96 102 111 - 101 108 117 - 105 112 122 - 110 117 128 - 116 123 134 - 120 127 139 -
75
1350
MBh 33.34 34.32 37.15 39.87 32.56 33.52 36.29 38.94 31.78 32.73 35.42 38.02 31.01 31.93 34.56 37.09 29.46 30.33 32.83 35.24 27.29 28.10 30.41 32.64
S/T 0.91 0.82 0.62 0.40 0.95 0.85 0.64 0.41 0.97 0.87 0.66 0.42 1.00 0.90 0.68 0.44 1.00 0.93 0.70 0.45 1.00 0.94 0.71 0.46
21 19 16 11 21 19 16 11 21 19 16 11 21 20 16 11 20 19 16 11 19 18 15 10
1.94 2.00 2.08 2.18 2.15 2.21 2.31 2.41 2.33 2.40 2.50 2.61 2.50 2.57 2.68 2.79 2.63 2.71 2.83 2.95 2.75 2.83 2.95 3.08
Amps 10.5 10.7 11.1 11.5 11.3 11.6 12.0 12.4 12.3 12.6 13.0 13.5 13.2 13.5 13.9 14.5 14.0 14.3 14.8 15.4 14.8 15.2 15.7 16.3
Hi PR 202 217 229 239 227 244 257 269 258 277 293 305 294 316 334 348 330 355 375 391 365 393 415 432
Lo PR 98 105 114 122 104 111 121 129 108 115 125 134 113 121 132 140 119 127 138 147 123 131 143 152
986
MBh 32.2 33.2 35.9 38.5 31.5 32.4 35.1 37.6 30.7 31.6 34.2 36.7 30.0 30.8 33.4 35.8 28.5 29.3 31.7 34.0 26.4 27.1 29.4 31.5
S/T 0.86 0.77 0.58 0.37 0.89 0.80 0.60 0.39 0.91 0.82 0.62 0.40 0.94 0.84 0.64 0.41 0.98 0.88 0.66 0.43 0.99 0.88 0.67 0.43
26 24 19 13 26 24 20 14 26 24 20 14 26 24 20 14 26 24 20 14 24 22 18 13
1.90 1.95 2.04 2.13 2.10 2.16 2.26 2.36 2.28 2.35 2.45 2.56 2.44 2.51 2.62 2.73 2.58 2.65 2.77 2.89 2.70 2.77 2.89 3.02
Amps 10.3 10.6 10.9 11.3 11.1 11.4 11.8 12.2 12.1 12.4 12.8 13.3 12.9 13.2 13.7 14.2 13.7 14.1 14.6 15.1 14.6 14.9 15.4 16.0
Hi PR 198 213 225 235 222 239 252 263 253 272 287 299 288 310 327 341 324 348 368 384 358 385 406 424
Lo PR 96 103 112 119 102 108 118 126 106 113 123 131 111 118 129 138 117 124 135 144 121 128 140 149
1050
MBh 32.5 33.5 36.3 38.9 31.8 32.7 35.4 38.0 31.0 31.9 34.6 37.1 30.3 31.16 33.7 36.2 28.7 29.6 32.0 34.4 26.6 27.4 29.7 31.9
S/T 0.88 0.78 0.59 0.38 0.91 0.81 0.62 0.40 0.93 0.83 0.63 0.41 0.96 0.86 0.65 0.42 1.00 0.89 0.68 0.43 1.00 0.90 0.68 0.44
25 23 19 13 25 23 19 13 25 23 19 13 25 23 19 13 25 23 19 13 23 22 18 12
1.90 1.96 2.05 2.14 2.11 2.17 2.27 2.36 2.29 2.36 2.46 2.57 2.45 2.52 2.63 2.74 2.59 2.66 2.78 2.89 2.70 2.78 2.90 3.03
Amps 10.3 10.6 10.9 11.3 11.2 11.4 11.8 12.2 12.1 12.4 12.8 13.3 13.0 13.3 13.7 14.2 13.8 14.1 14.6 15.1 14.6 15.0 15.5 16.1
Hi PR 199 214 226 235 223 240 253 264 253 273 288 300 289 311 328 342 325 349 369 385 359 386 408 425
Lo PR 97 103 112 120 102 109 119 126 106 113 123 131 112 119 130 138 117 124 136 145 121 129 140 150
IDB: Entering Indoor Dry Bulb Temperature Amps = outdoor unit amps (comp.+fan)
expAnded Cooling dAtA — gSx130361C* / CA*f3642*6C*

Product SPecificationS Product SPecificationS
SS-GSX13 www.goodmanmfg.com 11
Outdoor Ambient Temperature
65ºF 75ºF 85ºF 95ºF 105ºF 115ºF
Entering Indoor Wet Bulb Temperature
IDB Airflow 59 63 67 71 59 63 67 71 59 63 67 71 59 63 67 71 59 63 67 71 59 63 67 71
80
1350
MBh 33.93 34.67 37.04 39.59 33.14 33.86 36.18 38.67 32.35 33.06 35.32 37.75 31.56 32.25 34.46 36.83 29.98 30.64 32.73 34.99 27.77 28.38 30.32 32.41
S/T 1.00 0.94 0.77 0.57 1.00 1.00 0.79 0.59 1.00 1.00 0.81 0.61 1.00 1.00 0.84 0.63 1.00 1.00 0.87 0.65 1.00 1.00 0.88 0.66
23 22 19 15 23 23 20 16 22 23 20 16 21 22 20 16 20 21 19 16 19 19 18 14
1.96 2.02 2.11 2.20 2.17 2.24 2.33 2.43 2.36 2.43 2.53 2.64 2.52 2.60 2.71 2.82 2.66 2.74 2.86 2.98 2.78 2.86 2.99 3.11
Amps 10.6 10.8 11.2 11.6 11.4 11.7 12.1 12.5 12.4 12.7 13.1 13.6 13.3 13.6 14.1 14.6 14.1 14.5 15.0 15.5 15.0 15.3 15.9 16.5
Hi PR 204 220 232 242 229 246 260 271 260 280 296 309 296 319 337 351 334 359 379 395 369 397 419 437
Lo PR 99 106 115 123 105 112 122 130 109 116 127 135 115 122 133 142 120 128 139 149 124 132 144 154
986
MBh 32.8 33.5 35.8 38.3 32.0 32.7 35.0 37.4 31.3 31.9 34.1 36.5 30.5 31.2 33.3 35.6 29.0 29.6 31.6 33.8 26.8 27.4 29.3 31.3
S/T 0.94 0.88 0.72 0.54 0.98 0.92 0.75 0.56 1.00 0.94 0.77 0.57 1.00 0.97 0.79 0.59 1.00 1.00 0.82 0.61 1.00 1.00 0.83 0.62
29 28 24 19 29 28 24 19 29 28 24 19 28 28 25 20 27 28 24 19 25 26 23 18
1.92 1.97 2.06 2.15 2.12 2.19 2.28 2.38 2.31 2.38 2.48 2.59 2.47 2.54 2.65 2.76 2.61 2.68 2.80 2.92 2.72 2.80 2.92 3.05
Amps 10.4 10.6 11.0 11.4 11.2 11.5 11.9 12.3 12.2 12.5 12.9 13.4 13.0 13.4 13.8 14.3 13.9 14.2 14.7 15.2 14.7 15.1 15.6 16.2
Hi PR 200 215 227 237 224 241 255 266 255 275 290 302 291 313 330 345 327 352 372 388 361 389 411 428
Lo PR 97 104 113 120 103 109 120 127 107 114 124 132 112 120 131 139 118 125 137 146 122 130 141 151
1050
MBh 33.1 33.8 36.1 38.6 32.3 33.0 35.3 37.7 31.6 32.3 34.5 36.8 30.8 31.5 33.6 35.9 29.3 29.9 31.9 34.1 27.1 27.7 29.6 31.6
S/T 0.96 0.90 0.73 0.55 1.00 0.94 0.76 0.57 1.00 0.96 0.78 0.58 1.00 0.99 0.81 0.60 1.00 1.00 0.84 0.62 1.00 1.00 0.84 0.63
28 27 23 19 28 27 24 19 28 27 24 19 27 27 24 19 26 26 23 19 24 24 22 17
1.92 1.98 2.07 2.16 2.13 2.19 2.29 2.39 2.32 2.38 2.49 2.59 2.48 2.55 2.66 2.77 2.61 2.69 2.81 2.93 2.73 2.81 2.93 3.06
Amps 10.4 10.7 11.0 11.4 11.3 11.5 11.9 12.4 12.2 12.5 12.9 13.4 13.1 13.4 13.8 14.4 13.9 14.3 14.7 15.3 14.7 15.1 15.6 16.2
Hi PR 201 216 228 238 225 242 256 267 256 275 291 303 292 314 331 346 328 353 373 389 362 390 412 430
Lo PR 98 104 113 121 103 110 120 128 107 114 125 133 113 120 131 139 118 126 137 146 122 130 142 151
85
1350
MBh 34.52 35.19 36.85 39.32 33.72 34.37 36.00 38.40 32.92 33.55 35.14 37.49 32.11 32.73 34.28 36.57 30.51 31.10 32.57 34.75 28.26 28.81 30.17 32.19
S/T 1.00 1.00 0.92 0.74 1.00 1.00 0.95 0.77 1.00 1.00 0.97 0.79 1.00 1.00 1.00 0.81 1.00 1.00 1.00 0.85 1.00 1.00 1.00 0.85
24 24 23 20 23 23 23 20 22 23 23 20 22 22 23 20 21 21 22 20 19 20 21 19
1.98 2.04 2.13 2.22 2.20 2.26 2.36 2.46 2.38 2.45 2.56 2.67 2.55 2.62 2.74 2.85 2.69 2.77 2.89 3.01 2.81 2.89 3.02 3.15
Amps 10.7 10.9 11.3 11.7 11.5 11.8 12.2 12.7 12.5 12.8 13.3 13.8 13.4 13.7 14.2 14.7 14.3 14.6 15.1 15.7 15.1 15.5 16.0 16.6
Hi PR 206 222 234 244 231 249 263 274 263 283 299 312 299 322 340 355 337 363 383 399 372 401 423 441
Lo PR 100 107 117 124 106 113 123 131 110 117 128 136 116 123 134 143 121 129 141 150 125 133 146 155
986
MBh 33.4 34.0 35.6 38.0 32.6 33.2 34.8 37.1 31.8 32.4 34.0 36.2 31.0 31.6 33.1 35.3 29.5 30.0 31.5 33.6 27.3 27.8 29.1 31.1
S/T 0.99 0.95 0.86 0.70 1.00 0.99 0.89 0.72 1.00 1.00 0.92 0.74 1.00 1.00 0.94 0.77 1.00 1.00 0.98 0.80 1.00 1.00 0.99 0.80
31 30 29 25 30 31 29 25 30 30 29 25 29 29 29 25 27 28 29 25 25 26 27 23
1.94 2.00 2.08 2.18 2.15 2.21 2.31 2.41 2.33 2.40 2.50 2.61 2.50 2.57 2.68 2.79 2.63 2.71 2.83 2.95 2.75 2.83 2.95 3.08
Amps 10.5 10.7 11.1 11.5 11.3 11.6 12.0 12.4 12.3 12.6 13.0 13.5 13.2 13.5 13.9 14.5 14.0 14.3 14.8 15.4 14.8 15.2 15.7 16.3
Hi PR 202 217 230 239 227 244 258 269 258 277 293 305 294 316 334 348 330 355 375 391 365 393 415 432
Lo PR 98 105 114 122 104 111 121 129 108 115 125 134 113 121 132 140 119 127 138 147 123 131 143 152
1050
MBh 33.7 34.3 36.0 38.4 32.9 33.5 35.1 37.5 32.1 32.7 34.3 36.6 31.3 31.9 33.5 35.7 29.8 30.3 31.8 33.9 27.6 28.1 29.4 31.4
S/T 1.00 0.97 0.88 0.71 1.00 1.00 0.91 0.74 1.00 1.00 0.93 0.76 1.00 1.00 0.96 0.78 1.00 1.00 1.00 0.81 1.00 1.00 1.00 0.82
29 29 28 24 29 29 28 24 28 29 28 24 27 28 28 24 26 27 28 24 24 25 26 22
1.95 2.00 2.09 2.18 2.16 2.22 2.32 2.42 2.34 2.41 2.51 2.62 2.50 2.58 2.69 2.80 2.64 2.72 2.84 2.96 2.76 2.84 2.96 3.09
Amps 10.5 10.8 11.1 11.5 11.4 11.6 12.0 12.5 12.3 12.6 13.1 13.6 13.2 13.5 14.0 14.5 14.0 14.4 14.9 15.4 14.9 15.2 15.8 16.4
Hi PR 203 218 230 240 227 245 258 269 259 278 294 306 294 317 335 349 331 356 376 393 366 394 416 434
Lo PR 99 105 115 122 104 111 121 129 108 115 126 134 114 121 132 141 119 127 139 148 123 131 143 153
IDB: Entering Indoor Dry Bulb Temperature Amps = outdoor unit amps (comp.+fan)
expAnded Cooling dAtA — gSx130361C* / CA*f3642*6C* (Cont.)

Product SPecificationS Product SPecificationS
12 www.goodmanmfg.com SS-GSX13
expAnded Cooling dAtA — gSx130361e* / CA*f3636*6d*
Outdoor Ambient Temperature
65 75 85 95 105 115
Entering Indoor Wet Bulb Temperature
IDB Airflow 59 63 67 71 59 63 67 71 59 63 67 71 59 63 67 71 59 63 67 71 59 63 67 71
70
1350
MBh 32.9 34.1 37.4 - 32.2 33.3 36.5 - 31.4 32.5 35.7 - 30.6 31.7 34.8 - 29.1 30.2 33.0 - 27.0 27.9 30.6 -
S/T 0.77 0.65 0.45 - 0.80 0.67 0.46 - 0.82 0.69 0.48 - 0.85 0.71 0.49 - 0.88 0.74 0.51 - 0.89 0.74 0.51 -
17 15 11 - 18 15 12 - 18 15 12 - 18 15 12 - 17 15 11 - 16 14 11 -
2.44 2.49 2.55 - 2.61 2.65 2.73 - 2.75 2.80 2.88 - 2.88 2.94 3.02 - 2.99 3.05 3.14 - 3.08 3.14 3.24 -
/anos 9.7 9.9 10.0 - 10.1 10.3 10.5 - 10.6 10.8 11.0 - 11.0 11.2 11.4 - 11.4 11.6 11.8 - 11.8 12.0 12.2 -
Hi PR 183 197 208 - 205 221 234 - 234 252 266 - 266 286 302 - 299 322 340 - 331 356 376 -
Lo PR 95 101 110 - 100 107 117 - 104 111 121 - 110 117 127 - 115 122 134 - 119 126 138 -
1200
MBh 32.0 33.1 36.3 - 31.2 32.4 35.5 - 30.5 31.6 34.6 - 29.7 30.8 33.8 - 28.2 29.3 32.1 - 26.2 27.1 29.7 -
S/T 0.74 0.62 0.43 - 0.76 0.64 0.44 - 0.78 0.65 0.45 - 0.81 0.68 0.47 - 0.84 0.70 0.49 - 0.85 0.71 0.49 -
18 16 12 - 18 16 12 - 18 16 12 - 18 16 12 - 18 16 12 - 17 15 11 -
2.42 2.47 2.54 - 2.59 2.64 2.71 - 2.73 2.78 2.86 - 2.86 2.91 3.00 - 2.96 3.02 3.11 - 3.06 3.12 3.21 -
/anos 9.7 9.8 10.0 - 10.1 10.2 10.4 - 10.6 10.7 10.9 - 11.0 11.1 11.3 - 11.4 11.5 11.8 - 11.8 11.9 12.2 -
Hi PR 181 195 206 - 203 219 231 - 231 249 263 - 264 284 299 - 296 319 337 - 328 353 372 -
Lo PR 94 100 109 - 99 106 116 - 103 110 120 - 109 116 126 - 114 121 132 - 118 125 137 -
1050
MBh 29.5 30.6 33.5 - 28.8 29.9 32.7 - 28.1 29.2 31.9 - 27.4 28.4 31.2 - 26.1 27.0 29.6 - 24.2 25.0 27.4 -
S/T 0.71 0.59 0.41 - 0.74 0.62 0.43 - 0.76 0.63 0.44 - 0.78 0.65 0.45 - 0.81 0.68 0.47 - 0.82 0.68 0.47 -
18 16 12 - 19 16 12 - 19 16 12 - 19 16 12 - 18 16 12 - 17 15 11 -
2.37 2.42 2.48 - 2.53 2.58 2.65 - 2.67 2.72 2.80 - 2.79 2.85 2.93 - 2.90 2.96 3.04 - 2.99 3.05 3.14 -
/anos 9.6 9.7 9.8 - 10.0 10.1 10.3 - 10.4 10.5 10.7 - 10.8 10.9 11.1 - 11.2 11.3 11.6 - 11.6 11.7 12.0 -
Hi PR 176 189 200 - 197 212 224 - 224 242 255 - 256 275 291 - 288 309 327 - 318 342 361 -
Lo PR 91 97 106 - 96 103 112 - 100 107 116 - 105 112 122 - 110 117 128 - 114 121 133 -
75
1350
MBh 33.5 34.5 37.3 40.0 32.7 33.7 36.4 39.1 31.9 32.9 35.6 38.2 31.1 32.1 34.7 37.3 29.6 30.5 33.0 35.4 27.4 28.2 30.5 32.8
S/T 0.88 0.79 0.60 0.38 0.91 0.81 0.62 0.40 0.93 0.84 0.63 0.41 0.96 0.86 0.65 0.42 1.00 0.90 0.68 0.44 1.00 0.90 0.68 0.44
20 18 15 10 20 19 15 11 20 19 15 11 20 19 15 11 20 19 15 11 19 17 14 10
2.46 2.50 2.57 2.65 2.62 2.67 2.75 2.83 2.77 2.82 2.91 2.99 2.90 2.96 3.04 3.14 3.01 3.07 3.16 3.26 3.10 3.17 3.26 3.36
/anos 9.8 9.9 10.1 10.3 10.2 10.3 10.5 10.7 10.7 10.8 11.0 11.3 11.1 11.2 11.4 11.7 11.5 11.7 11.9 12.2 11.9 12.1 12.3 12.6
Hi PR 185 199 210 219 208 223 236 246 236 254 268 280 269 289 306 319 303 326 344 359 334 360 380 396
Lo PR 96 102 112 119 101 108 118 126 105 112 123 130 111 118 129 137 116 124 135 144 120 128 139 149
1200
MBh 32.5 33.5 36.2 38.9 31.8 32.7 35.4 38.0 31.0 31.9 34.5 37.1 30.2 31.1 33.7 36.2 28.7 29.6 32.0 34.4 26.6 27.4 29.7 31.8
S/T 0.84 0.75 0.57 0.37 0.87 0.78 0.59 0.38 0.89 0.80 0.60 0.39 0.92 0.82 0.62 0.40 0.95 0.85 0.65 0.42 0.96 0.86 0.65 0.42
21 19 16 11 21 19 16 11 21 19 16 11 21 20 16 11 21 19 16 11 20 18 15 10
2.44 2.49 2.56 2.63 2.61 2.66 2.73 2.81 2.75 2.80 2.89 2.97 2.88 2.94 3.02 3.11 2.99 3.05 3.14 3.23 3.08 3.14 3.24 3.34
/anos 9.7 9.9 10.0 10.2 10.1 10.3 10.5 10.7 10.6 10.8 11.0 11.2 11.0 11.2 11.4 11.6 11.4 11.6 11.8 12.1 11.8 12.0 12.2 12.5
Hi PR 183 197 208 217 206 221 234 244 234 252 266 277 266 287 303 316 300 322 340 355 331 356 376 392
Lo PR 95 101 110 118 100 107 117 124 104 111 121 129 110 117 127 136 115 122 134 142 119 127 138 147
1050
MBh 30.0 30.9 33.4 35.9 29.3 30.2 32.7 35.1 28.6 29.5 31.9 34.2 27.9 28.7 31.1 33.4 26.5 27.3 29.6 31.7 24.6 25.3 27.4 29.4
S/T 0.81 0.72 0.55 0.35 0.84 0.75 0.57 0.36 0.86 0.77 0.58 0.37 0.89 0.79 0.60 0.39 0.92 0.82 0.62 0.40 0.93 0.83 0.63 0.40
21 20 16 11 21 20 16 11 22 20 16 11 22 20 16 11 21 20 16 11 20 18 15 10
2.39 2.43 2.50 2.57 2.55 2.60 2.67 2.75 2.69 2.74 2.82 2.90 2.81 2.87 2.95 3.04 2.92 2.98 3.07 3.16 3.01 3.07 3.16 3.26
/anos 9.6 9.7 9.9 10.1 10.0 10.1 10.3 10.5 10.5 10.6 10.8 11.0 10.8 11.0 11.2 11.4 11.2 11.4 11.6 11.9 11.6 11.8 12.0 12.3
Hi PR 178 191 202 211 199 215 227 236 227 244 258 269 258 278 293 306 291 313 330 344 321 345 365 380
Lo PR 92 98 107 114 97 104 113 121 101 108 118 125 106 113 124 132 112 119 130 138 115 123 134 143
IDB: Entering Indoor Dry Bulb Temperature Amps = outdoor unit amps (comp.+fan)

Product SPecificationS Product SPecificationS
SS-GSX13 www.goodmanmfg.com 13
expAnded Cooling dAtA — gSx130361e* / CA*f3636*6d* (Cont.)
65ºF 75ºF 85ºF 95ºF 105ºF 115ºF
IDB 59 63 67 71 59 63 67 71 59 63 67 71 59 63 67 71 59 63 67 71 59 63 67 71
80
1350
MBh 34.1 34.8 37.2 39.8 33.3 34.0 36.3 38.8 32.5 33.2 35.5 37.9 31.7 32.4 34.6 37.0 30.1 30.8 32.9 35.1 27.9 28.5 30.5 32.6
S/T 0.96 0.90 0.74 0.6 1.00 0.94 0.76 0.57 1.00 0.96 0.78 0.6 1.00 1.00 0.81 0.60 1.00 1.00 0.84 0.6 1.00 1.00 0.84 0.63
22 21 19 15 23 22 19 15 22 22 19 15 22 22 19 15 21 21 19 15 19 19 18 14
2.48 2.52 2.59 2.7 2.64 2.69 2.77 2.85 2.79 2.85 2.93 3.0 2.92 2.98 3.07 3.16 3.03 3.09 3.19 3.3 3.13 3.19 3.29 3.39
/anos 9.8 10.0 10.1 10.3 10.2 10.4 10.6 10.8 10.7 10.9 11.1 11.3 11.1 11.3 11.5 11.8 11.5 11.7 12.0 12.2 12.0 12.1 12.4 12.7
Hi PR 187 201 212 221.5 210 226 238 249 238 257 271 282.7 272 292 309 322 306 329 347 362.2 338 363 384 400
Lo PR 97 103 113 120.0 103 109 119 127 107 113 124 131.8 112 119 130 138 117 125 136 145.1 121 129 141 150
1200
MBh 33.1 33.8 36.1 38.6 32.3 33.0 35.3 37.7 31.5 32.2 34.4 36.8 30.8 31.4 33.6 35.9 29.2 29.9 31.9 34.1 27.1 27.7 29.6 31.6
S/T 0.92 0.86 0.70 0.5 0.95 0.89 0.73 0.54 0.98 0.92 0.75 0.6 1.00 0.95 0.77 0.58 1.00 0.98 0.80 0.6 1.00 0.99 0.81 0.60
23 22 19 16 24 23 20 16 24 23 20 16 24 23 20 16 22 22 20 16 21 21 18 15
2.46 2.50 2.57 2.6 2.62 2.67 2.75 2.83 2.77 2.82 2.91 3.0 2.90 2.96 3.05 3.14 3.01 3.07 3.16 3.3 3.10 3.17 3.26 3.36
/anos 9.8 9.9 10.1 10.3 10.2 10.3 10.5 10.7 10.7 10.8 11.0 11.3 11.1 11.2 11.5 11.7 11.5 11.7 11.9 12.2 11.9 12.1 12.3 12.6
Hi PR 185 199 210 219.3 208 223 236 246 236 254 268 279.9 269 289 306 319 303 326 344 358.6 334 360 380 396
Lo PR 96 102 112 118.8 102 108 118 126 105 112 123 130.5 111 118 129 137 116 124 135 143.6 120 128 140 149
1050
MBh 30.5 31.2 33.3 35.6 29.8 30.5 32.6 34.8 29.1 29.8 31.8 34.0 28.4 29.0 31.0 33.2 27.0 27.6 29.5 31.5 25.0 25.5 27.3 29.2
S/T 0.89 0.83 0.68 0.5 0.92 0.86 0.70 0.52 0.94 0.88 0.72 0.5 0.97 0.91 0.74 0.55 1.01 0.95 0.77 0.6 1.02 0.95 0.78 0.58
24 23 20 16 24 23 20 16 24 23 20 16 24 23 20 16 24 23 20 16 22 21 19 15
2.41 2.45 2.52 2.6 2.57 2.62 2.69 2.77 2.71 2.76 2.84 2.9 2.84 2.89 2.98 3.07 2.94 3.00 3.09 3.2 3.03 3.10 3.19 3.29
/anos 9.7 9.8 9.9 10.1 10.0 10.2 10.4 10.6 10.5 10.6 10.8 11.1 10.9 11.1 11.3 11.5 11.3 11.5 11.7 11.9 11.7 11.9 12.1 12.4
Hi PR 179 193 204 212.7 201 217 229 239 229 246 260 271.5 261 281 296 309 293 316 333 347.8 324 349 368 384
Lo PR 93 99 108 115.3 98 105 114 122 102 109 119 126.6 107 114 125 133 113 120 131 139.3 117 124 135 144
85
1350
MBh 34.7 35.3 37.0 39.5 33.9 34.5 36.2 38.6 33.1 33.7 35.3 37.7 32.3 32.9 34.4 36.7 30.6 31.2 32.7 34.9 28.4 28.9 30.3 32.3
S/T 1.00 0.98 0.88 0.71 1.00 1.00 0.91 0.74 1.00 1.00 0.94 0.76 1.00 1.00 0.97 0.78 1.00 1.00 1.00 0.81 1.00 1.00 1.00 0.82
24 23 22 19 23 24 22 19 23 23 22 19 22 22 23 20 21 21 22 19 19 20 21 18
2.49 2.54 2.61 2.68 2.66 2.71 2.79 2.87 2.81 2.87 2.95 3.04 2.94 3.00 3.09 3.19 3.06 3.12 3.21 3.31 3.15 3.22 3.31 3.42
/anos 9.9 10.0 10.2 10.4 10.3 10.4 10.6 10.8 10.8 10.9 11.1 11.4 11.2 11.4 11.6 11.8 11.6 11.8 12.0 12.3 12.0 12.2 12.5 12.7
Hi PR 189 203 214 224 212 228 241 251 241 259 274 285 274 295 312 325 309 332 351 366 341 367 387 404
Lo PR 98 104 114 121 104 110 120 128 108 114 125 133 113 120 131 140 118 126 138 147 123 130 142 152
1200
MBh 33.7 34.3 35.9 38.3 32.9 33.5 35.1 37.5 32.1 32.7 34.3 36.6 31.3 31.9 33.4 35.7 29.7 30.3 31.8 33.9 27.6 28.1 29.4 31.4
S/T 0.96 0.93 0.84 0.68 1.00 0.96 0.87 0.71 1.00 0.99 0.89 0.72 1.00 1.00 0.92 0.75 1.00 1.00 0.96 0.78 1.00 1.00 0.96 0.78
25 24 23 20 25 25 23 20 25 25 23 20 24 24 24 20 23 23 23 20 21 22 22 19
2.48 2.52 2.59 2.67 2.64 2.69 2.77 2.85 2.79 2.85 2.93 3.02 2.92 2.98 3.07 3.16 3.03 3.09 3.19 3.28 3.13 3.19 3.29 3.39
/anos 9.8 10.0 10.1 10.3 10.2 10.4 10.6 10.8 10.7 10.9 11.1 11.3 11.1 11.3 11.5 11.8 11.5 11.7 12.0 12.2 12.0 12.1 12.4 12.7
Hi PR 187 201 212 221 210 226 238 249 238 257 271 283 272 292 309 322 306 329 347 362 338 363 384 400
Lo PR 97 103 113 120 103 109 119 127 107 113 124 132 112 119 130 138 117 125 136 145 121 129 141 150
1050
MBh 31.1 31.7 33.2 35.4 30.3 30.9 32.4 34.6 29.6 30.2 31.6 33.7 28.9 29.5 30.9 32.9 27.5 28.0 29.3 31.3 25.4 25.9 27.2 29.0
S/T 0.93 0.90 0.81 0.66 0.96 0.93 0.84 0.68 0.99 0.95 0.86 0.70 1.00 0.98 0.89 0.72 1.00 1.00 0.92 0.75 1.00 1.00 0.93 0.75
25 25 24 20 26 25 24 21 26 25 24 21 25 25 24 21 24 25 24 20 22 23 22 19
2.42 2.47 2.54 2.61 2.59 2.64 2.71 2.79 2.73 2.78 2.86 2.95 2.86 2.91 3.00 3.09 2.96 3.02 3.11 3.21 3.06 3.12 3.21 3.31
/anos 9.7 9.8 10.0 10.2 10.1 10.2 10.4 10.6 10.6 10.7 10.9 11.1 11.0 11.1 11.3 11.6 11.4 11.5 11.7 12.0 11.8 11.9 12.2 12.5
Hi PR 181 195 206 215 203 219 231 241 231 249 263 274 263 284 299 312 296 319 337 351 327 352 372 388
Lo PR 94 100 109 116 99 106 115 123 103 110 120 128 109 115 126 134 114 121 132 141 118 125 137 146
IDB: Entering Indoor Dry Bulb Temperature Amps = outdoor unit amps (comp.+fan)

Product SPecificationS Product SPecificationS
14 www.goodmanmfg.com SS-GSX13
expAnded Cooling dAtA — gSx130421B* / CA*f3642*6B*
Outdoor Ambient Temperature
65ºF 75ºF 85ºF 95ºF 105ºF 115ºF
Entering Indoor Wet Bulb Temperature
IDB Airflow 59 63 67 71 59 63 67 71 59 63 67 71 59 63 67 71 59 63 67 71 59 63 67 71
70
1225
MBh 36.0 37.3 40.9 - 35.2 36.4 39.9 - 34.3 35.6 39.0 - 33.5 34.7 38.0 - 31.8 33.0 36.1 - 29.5 30.5 33.5 -
S/T 0.69 0.57 0.40 - 0.71 0.59 0.41 - 0.73 0.61 0.42 - 0.75 0.63 0.44 - 0.78 0.65 0.45 - 0.79 0.66 0.46 -
19 16 12 - 19 16 12 - 19 16 12 - 19 16 12 - 19 16 12 - 17 15 11 -
2.78 2.84 2.92 - 2.98 3.04 3.13 - 3.15 3.21 3.31 - 3.30 3.37 3.47 - 3.43 3.50 3.61 - 3.54 3.61 3.73 -
Amps 10.7 10.9 11.2 - 11.5 11.8 12.1 - 12.5 12.7 13.2 - 13.3 13.6 14.0 - 14.1 14.5 14.9 - 14.9 15.3 15.8 -
Hi PR 209 225 238 - 235 253 267 - 267 288 304 - 304 328 346 - 343 369 389 - 378 407 430 -
Lo PR 101 107 117 - 106 113 124 - 111 118 129 - 116 124 135 - 122 130 141 - 126 134 146 -
1400
MBh 39.0 40.4 44.3 - 38.1 39.5 43.3 - 37.2 38.5 42.2 - 36.3 37.6 41.2 - 34.5 35.7 39.1 - 31.9 33.1 36.3 -
S/T 0.71 0.59 0.41 - 0.74 0.62 0.43 - 0.76 0.63 0.44 - 0.78 0.65 0.45 - 0.81 0.68 0.47 - 0.82 0.68 0.47 -
18 16 12 - 18 16 12 - 18 16 12 - 19 16 12 - 18 16 12 - 17 15 11 -
2.84 2.90 2.98 - 3.05 3.11 3.20 - 3.22 3.29 3.39 - 3.38 3.45 3.55 - 3.51 3.58 3.70 - 3.63 3.70 3.82 -
Amps 10.9 11.2 11.6 - 11.8 12.1 12.5 - 12.8 13.1 13.5 - 13.7 14.0 14.4 - 14.5 14.9 15.3 - 15.4 15.7 16.2 -
Hi PR 216 232 245 - 242 261 275 - 276 297 313 - 314 338 357 - 353 380 401 - 390 420 443 -
Lo PR 104 111 121 - 110 117 127 - 114 121 132 - 120 127 139 - 126 134 146 - 130 138 151 -
1575
MBh 40.2 41.6 45.6 - 39.2 40.7 44.6 - 38.3 39.7 43.5 - 37.4 38.7 42.4 - 35.5 36.8 40.3 - 32.9 34.1 37.3 -
S/T 0.75 0.62 0.43 - 0.77 0.65 0.45 - 0.79 0.66 0.46 - 0.82 0.68 0.47 - 0.85 0.71 0.49 - 0.86 0.72 0.50 -
18 15 11 - 18 15 12 - 18 15 12 - 18 15 12 - 18 15 12 - 16 14 11 -
2.87 2.92 3.01 - 3.07 3.13 3.22 - 3.25 3.31 3.41 - 3.41 3.48 3.58 - 3.54 3.61 3.73 - 3.66 3.73 3.85 -
Amps 11.0 11.3 11.7 - 11.9 12.2 12.6 - 12.9 13.2 13.6 - 13.8 14.1 14.6 - 14.6 15.0 15.5 - 15.5 15.9 16.4 -
Hi PR 218 235 248 - 245 263 278 - 278 300 316 - 317 341 360 - 357 384 405 - 394 424 448 -
Lo PR 105 112 122 - 111 118 129 - 115 123 134 - 121 129 141 - 127 135 147 - 131 140 152 -
75
1225
MBh 36.6 37.7 40.8 43.8 35.8 36.8 39.9 42.8 34.9 35.9 38.9 41.8 34.1 35.1 38.0 40.7 32.4 33.3 36.1 38.7 30.0 30.9 33.4 35.8
S/T 0.78 0.70 0.53 0.34 0.81 0.72 0.55 0.35 0.83 0.74 0.56 0.36 0.86 0.77 0.58 0.37 0.89 0.79 0.60 0.39 0.90 0.80 0.61 0.39
21 20 16 11 22 20 16 11 22 20 16 11 22 20 17 11 22 20 16 11 20 19 15 10
2.80 2.86 2.94 3.03 3.00 3.06 3.15 3.24 3.17 3.24 3.33 3.44 3.33 3.39 3.50 3.61 3.46 3.53 3.64 3.75 3.57 3.64 3.76 3.88
Amps 10.8 11.0 11.3 11.8 11.6 11.9 12.2 12.7 12.6 12.9 13.3 13.8 13.4 13.7 14.2 14.7 14.2 14.6 15.1 15.6 15.1 15.4 15.9 16.5
Hi PR 212 228 240 251 237 256 270 281 270 291 307 320 308 331 350 365 346 372 393 410 382 411 434 453
Lo PR 102 108 118 126 108 114 125 133 112 119 130 138 117 125 136 145 123 131 143 152 127 135 148 157
1400
MBh 39.7 40.8 44.2 47.4 38.7 39.9 43.2 46.3 37.8 38.9 42.2 45.2 36.9 38.0 41.1 44.1 35.1 36.1 39.1 41.9 32.5 33.4 36.2 38.8
S/T 0.81 0.72 0.55 0.35 0.84 0.75 0.57 0.37 0.86 0.77 0.58 0.37 0.89 0.79 0.60 0.39 0.92 0.82 0.62 0.40 0.93 0.83 0.63 0.40
21 19 16 11 21 20 16 11 21 20 16 11 22 20 16 11 21 20 16 11 20 18 15 10
2.87 2.92 3.01 3.10 3.07 3.13 3.22 3.32 3.25 3.31 3.41 3.52 3.41 3.48 3.58 3.70 3.54 3.61 3.73 3.84 3.66 3.73 3.85 3.97
Amps 11.0 11.3 11.7 12.1 11.9 12.2 12.6 13.0 12.9 13.2 13.6 14.1 13.8 14.1 14.6 15.1 14.6 15.0 15.5 16.1 15.5 15.9 16.4 17.0
Hi PR 218 235 248 259 245 263 278 290 278 300 316 330 317 341 360 376 357 384 405 423 394 424 448 467
Lo PR 105 112 122 130 111 118 129 137 115 123 134 143 121 129 141 150 127 135 147 157 131 140 152 162
1575
MBh 40.9 42.1 45.5 48.9 39.9 41.1 44.5 47.7 39.0 40.1 43.4 46.6 38.0 39.1 42.4 45.5 36.1 37.2 40.2 43.2 33.4 34.4 37.3 40.0
S/T 0.85 0.76 0.57 0.37 0.88 0.79 0.60 0.38 0.90 0.81 0.61 0.39 0.93 0.83 0.63 0.41 0.97 0.86 0.65 0.42 0.97 0.87 0.66 0.42
20 19 15 11 20 19 15 11 21 19 15 11 21 19 16 11 20 19 15 11 19 18 14 10
2.89 2.94 3.03 3.12 3.09 3.15 3.25 3.35 3.27 3.34 3.44 3.55 3.43 3.50 3.61 3.72 3.57 3.64 3.76 3.87 3.68 3.76 3.88 4.00
Amps 11.1 11.4 11.8 12.2 12.0 12.3 12.7 13.2 13.0 13.3 13.8 14.3 13.9 14.2 14.7 15.2 14.8 15.1 15.6 16.2 15.6 16.0 16.5 17.2
Hi PR 220 237 250 261 247 266 281 293 281 303 320 333 320 345 364 380 360 388 409 427 398 428 452 472
Lo PR 106 113 123 131 112 119 130 139 116 124 135 144 122 130 142 151 128 136 149 158 133 141 154 164
IDB: Entering Indoor Dry Bulb Temperature Amps = outdoor unit amps (comp.+fan)

Product SPecificationS Product SPecificationS
SS-GSX13 www.goodmanmfg.com 15
expAnded Cooling dAtA — gSx130421B* / CA*f3642*6B* (Cont.)
Outdoor Ambient Temperature
65ºF 75ºF 85ºF 95ºF 105ºF 115ºF
Entering Indoor Wet Bulb Temperature
IDB Airflow 59 63 67 71 59 63 67 71 59 63 67 71 59 63 67 71 59 63 67 71 59 63 67 71
80
1225
MBh 37.3 38.1 40.7 43.5 36.4 37.2 39.7 42.5 35.5 36.3 38.8 41.5 34.7 35.4 37.8 40.5 32.9 33.6 36.0 38.4 30.5 31.2 33.3 35.6
S/T 0.86 0.80 0.65 0.49 0.89 0.83 0.68 0.51 0.91 0.85 0.69 0.52 0.94 0.88 0.72 0.54 0.97 0.91 0.74 0.56 0.98 0.92 0.75 0.56
24 23 20 16 24 23 20 16 24 23 20 16 24 23 20 16 24 23 20 16 22 22 19 15
2.82 2.88 2.96 3.05 3.02 3.08 3.17 3.27 3.20 3.26 3.36 3.46 3.35 3.42 3.53 3.64 3.48 3.56 3.67 3.78 3.60 3.67 3.79 3.91
Amps 10.8 11.1 11.4 11.9 11.7 12.0 12.4 12.8 12.7 13.0 13.4 13.9 13.5 13.8 14.3 14.8 14.4 14.7 15.2 15.8 15.2 15.6 16.1 16.7
Hi PR 214 230 243 253 240 258 273 284 273 294 310 323 311 334 353 368 350 376 397 414 386 416 439 458
Lo PR 103 109 119 127 109 116 126 134 113 120 131 140 119 126 138 147 124 132 144 154 129 137 149 159
1400
MBh 40.4 41.3 44.1 47.1 39.4 40.3 43.1 46.0 38.5 39.3 42.0 44.9 37.6 38.4 41.0 43.8 35.7 36.5 39.0 41.6 33.0 33.8 36.1 38.6
S/T 0.89 0.83 0.68 0.51 0.92 0.86 0.70 0.52 0.94 0.88 0.72 0.54 0.97 0.91 0.74 0.56 1.00 0.95 0.77 0.58 1.00 0.96 0.78 0.58
24 23 20 16 24 23 20 16 24 23 20 16 24 23 20 16 23 23 20 16 22 21 18 15
2.89 2.94 3.03 3.12 3.09 3.15 3.25 3.35 3.27 3.34 3.44 3.55 3.43 3.50 3.61 3.72 3.57 3.64 3.76 3.88 3.68 3.76 3.88 4.01
Amps 11.1 11.4 11.8 12.2 12.0 12.3 12.7 13.2 13.0 13.3 13.8 14.3 13.9 14.2 14.7 15.2 14.8 15.1 15.6 16.2 15.6 16.0 16.5 17.2
Hi PR 220 237 250 261 247 266 281 293 281 303 320 333 320 345 364 380 360 388 410 427 398 428 452 472
Lo PR 106 113 123 131 112 119 130 139 116 124 135 144 122 130 142 151 128 136 149 158 133 141 154 164
1575
MBh 41.6 42.5 45.4 48.5 40.6 41.5 44.3 47.4 39.6 40.5 43.3 46.3 38.7 39.5 42.2 45.1 36.7 37.6 40.1 42.9 34.0 34.8 37.2 39.7
S/T 0.93 0.87 0.71 0.53 0.96 0.90 0.74 0.55 1.00 0.93 0.75 0.56 1.00 0.96 0.78 0.58 1.00 1.00 0.81 0.60 1.00 1.00 0.82 0.61
23 22 19 15 23 22 19 15 23 22 19 15 23 22 19 15 21 22 19 15 20 20 18 14
2.91 2.96 3.05 3.14 3.11 3.18 3.27 3.37 3.30 3.36 3.47 3.58 3.46 3.53 3.64 3.75 3.60 3.67 3.79 3.91 3.71 3.79 3.91 4.04
Amps 11.2 11.5 11.9 12.3 12.1 12.4 12.8 13.3 13.1 13.5 13.9 14.4 14.0 14.4 14.8 15.4 14.9 15.3 15.8 16.4 15.8 16.2 16.7 17.3
Hi PR 223 240 253 264 250 269 284 296 284 306 323 337 324 348 368 383 364 392 414 431 402 433 457 477
Lo PR 107 114 124 132 113 120 131 140 118 125 137 145 123 131 143 153 129 138 150 160 134 142 155 166
85
1225
MBh 37.9 38.6 40.5 43.2 37.0 37.7 39.5 42.2 36.2 36.9 38.6 41.2 35.3 36.0 37.7 40.2 33.5 34.2 35.8 38.2 31.0 31.6 33.1 35.4
S/T 0.90 0.87 0.78 0.63 0.93 0.90 0.81 0.66 0.95 0.92 0.83 0.67 0.98 0.95 0.86 0.70 1.00 0.99 0.89 0.72 1.00 0.99 0.90 0.73
26 25 24 21 26 25 24 21 26 25 24 21 26 26 24 21 25 25 24 21 23 24 22 19
2.84 2.90 2.98 3.07 3.04 3.11 3.20 3.29 3.22 3.29 3.39 3.49 3.38 3.45 3.55 3.66 3.51 3.58 3.70 3.81 3.63 3.70 3.82 3.94
Amps 10.9 11.2 11.6 12.0 11.8 12.1 12.5 12.9 12.8 13.1 13.5 14.0 13.6 14.0 14.4 15.0 14.5 14.9 15.3 15.9 15.4 15.7 16.2 16.8
Hi PR 216 232 245 256 242 261 275 287 276 297 313 327 314 338 357 372 353 380 401 418 390 420 443 462
Lo PR 104 110 121 128 110 117 127 136 114 121 132 141 120 127 139 148 126 134 146 155 130 138 151 161
1400
MBh 41.1 41.9 43.9 46.8 40.1 40.9 42.8 45.7 39.2 39.9 41.8 44.6 38.2 39.0 40.8 43.5 36.3 37.0 38.8 41.3 33.6 34.3 35.9 38.3
S/T 0.93 0.90 0.81 0.66 0.96 0.93 0.84 0.68 0.99 0.95 0.86 0.70 1.00 0.98 0.89 0.72 1.00 1.00 0.92 0.75 1.00 1.00 0.93 0.75
25 25 23 20 25 25 24 20 25 25 24 20 25 25 24 21 24 24 23 20 22 23 22 19
2.91 2.96 3.05 3.14 3.11 3.18 3.27 3.37 3.30 3.36 3.47 3.58 3.46 3.53 3.64 3.75 3.60 3.67 3.79 3.91 3.71 3.79 3.91 4.04
Amps 11.2 11.5 11.9 12.3 12.1 12.4 12.8 13.3 13.1 13.5 13.9 14.4 14.0 14.4 14.8 15.4 14.9 15.3 15.8 16.4 15.8 16.2 16.7 17.3
Hi PR 223 240 253 264 250 269 284 296 284 306 323 337 324 348 368 383 364 392 414 431 402 433 457 477
Lo PR 107 114 124 132 113 120 131 140 118 125 137 145 123 131 143 153 129 138 150 160 134 142 155 166
1575
MBh 42.3 43.1 45.2 48.2 41.3 42.1 44.1 47.1 40.3 41.1 43.1 45.9 39.4 40.1 42.0 44.8 37.4 38.1 39.9 42.6 34.6 35.3 37.0 39.4
S/T 0.98 0.94 0.85 0.69 1.00 0.98 0.88 0.71 1.00 1.00 0.90 0.73 1.00 1.00 0.93 0.76 1.00 1.00 0.97 0.78 1.00 1.00 0.98 0.79
24 24 22 19 24 24 23 20 24 24 23 20 23 23 23 20 22 22 23 20 20 21 21 18
2.93 2.99 3.07 3.17 3.14 3.20 3.30 3.40 3.32 3.39 3.49 3.60 3.49 3.56 3.67 3.78 3.62 3.70 3.82 3.94 3.74 3.82 3.94 4.07
Amps 11.3 11.6 12.0 12.4 12.2 12.5 12.9 13.4 13.3 13.6 14.0 14.5 14.2 14.5 15.0 15.5 15.0 15.4 15.9 16.5 15.9 16.3 16.9 17.5
Hi PR 225 242 255 266 252 271 287 299 287 309 326 340 327 352 371 387 368 396 418 436 406 437 462 481
Lo PR 108 115 126 134 114 122 133 141 119 126 138 147 125 133 145 154 131 139 152 162 135 144 157 167
IDB: Entering Indoor Dry Bulb Temperature Amps = outdoor unit amps (comp.+fan)

Product SPecificationS Product SPecificationS
16 www.goodmanmfg.com SS-GSX13
expAnded Cooling dAtA — gSx130481B* / CA*f4860*6B*
Outdoor Ambient Temperature
65ºF 75ºF 85ºF 95ºF 105ºF 115ºF
Entering Indoor Wet Bulb Temperature
IDB Airflow 59 63 67 71 59 63 67 71 59 63 67 71 59 63 67 71 59 63 67 71 59 63 67 71
70
1400
MBh 40.4 41.9 45.9 - 39.5 40.9 44.8 - 38.5 39.9 43.7 - 37.6 38.9 42.7 - 35.7 37.0 40.5 - 33.1 34.3 37.5 -
S/T 0.71 0.59 0.41 - 0.73 0.61 0.42 - 0.75 0.63 0.44 - 0.78 0.65 0.45 - 0.81 0.67 0.47 - 0.81 0.68 0.47 -
19 16 12 - 19 16 12 - 19 16 13 - 19 17 13 - 19 16 12 - 18 15 12 -
3.17 3.23 3.32 - 3.39 3.46 3.56 - 3.59 3.66 3.77 - 3.77 3.84 3.96 - 3.91 4.00 4.12 - 4.04 4.13 4.26 -
Amps 11.6 11.9 12.3 - 12.6 12.9 13.3 - 13.7 14.0 14.5 - 14.6 15.0 15.5 - 15.5 15.9 16.5 - 16.5 16.9 17.4 -
Hi PR 215 231 244 - 241 259 274 - 274 295 311 - 312 336 354 - 351 377 399 - 388 417 440 -
Lo PR 104 111 121 - 110 117 128 - 115 122 133 - 120 128 140 - 126 134 146 - 130 139 151 -
1600
MBh 43.8 45.4 49.7 - 42.7 44.3 48.5 - 41.7 43.2 47.4 - 40.7 42.2 46.2 - 38.7 40.1 43.9 - 35.8 37.1 40.7 -
S/T 0.73 0.61 0.43 - 0.76 0.64 0.44 - 0.78 0.65 0.45 - 0.81 0.67 0.47 - 0.84 0.70 0.48 - 0.84 0.70 0.49 -
18 16 12 - 19 16 12 - 19 16 12 - 19 16 12 - 19 16 12 - 17 15 11 -
3.24 3.30 3.40 - 3.47 3.54 3.65 - 3.67 3.75 3.87 - 3.86 3.94 4.06 - 4.01 4.09 4.22 - 4.14 4.23 4.36 -
Amps 12.0 12.3 12.7 - 12.9 13.2 13.7 - 14.1 14.4 14.9 - 15.0 15.4 15.9 - 16.0 16.4 16.9 - 16.9 17.4 17.9 -
Hi PR 221 238 251 - 248 267 282 - 282 304 321 - 321 346 365 - 362 389 411 - 400 430 454 -
Lo PR 108 114 125 - 114 121 132 - 118 126 137 - 124 132 144 - 130 138 151 - 134 143 156 -
1800
MBh 45.1 46.7 51.2 - 44.0 45.6 50.0 - 43.0 44.5 48.8 - 41.9 43.5 47.6 - 39.8 41.3 45.2 - 36.9 38.2 41.9 -
S/T 0.77 0.64 0.45 - 0.80 0.67 0.46 - 0.82 0.68 0.47 - 0.85 0.71 0.49 - 0.88 0.73 0.51 - 0.88 0.74 0.51 -
18 15 12 - 18 16 12 - 18 16 12 - 18 16 12 - 18 15 12 - 17 14 11 -
3.26 3.33 3.42 - 3.50 3.57 3.67 - 3.70 3.78 3.90 - 3.89 3.97 4.09 - 4.04 4.13 4.26 - 4.18 4.26 4.40 -
Amps 12.1 12.4 12.8 - 13.0 13.4 13.8 - 14.2 14.5 15.0 - 15.2 15.5 16.0 - 16.1 16.5 17.1 - 17.1 17.5 18.1 -
Hi PR 223 240 254 - 251 270 285 - 285 307 324 - 325 349 369 - 365 393 415 - 404 434 459 -
Lo PR 109 116 126 - 115 122 133 - 119 127 139 - 125 133 146 - 131 140 152 - 136 144 158 -
75
1400
MBh 41.1 42.3 45.8 49.1 40.1 41.3 44.7 48.0 39.2 40.3 43.7 46.8 38.2 39.3 42.6 45.7 36.3 37.4 40.5 43.4 33.6 34.6 37.5 40.2
S/T 0.81 0.72 0.55 0.35 0.83 0.75 0.56 0.36 0.86 0.77 0.58 0.37 0.88 0.79 0.60 0.38 0.92 0.82 0.62 0.40 0.92 0.83 0.63 0.40
22 20 16 11 22 20 17 11 22 20 17 11 22 20 17 12 22 20 16 11 20 19 15 11
3.19 3.25 3.35 3.45 3.42 3.49 3.59 3.70 3.62 3.69 3.80 3.92 3.79 3.87 3.99 4.12 3.95 4.03 4.15 4.29 4.08 4.16 4.29 4.43
Amps 11.7 12.0 12.4 12.9 12.7 13.0 13.4 13.9 13.8 14.1 14.6 15.1 14.7 15.1 15.6 16.2 15.7 16.1 16.6 17.2 16.6 17.0 17.6 18.3
Hi PR 217 233 246 257 243 262 276 288 277 298 314 328 315 339 358 373 354 381 403 420 391 421 445 464
Lo PR 105 112 122 130 111 118 129 138 116 123 134 143 122 129 141 150 127 136 148 158 132 140 153 163
1600
MBh 44.5 45.8 49.6 53.2 43.5 44.8 48.4 52.0 42.4 43.7 47.3 50.8 41.4 42.6 46.1 49.5 39.3 40.5 43.8 47.0 36.4 37.5 40.6 43.6
S/T 0.84 0.75 0.57 0.36 0.87 0.77 0.59 0.38 0.89 0.79 0.60 0.39 0.92 0.82 0.62 0.40 0.95 0.85 0.64 0.41 0.96 0.86 0.65 0.42
21 20 16 11 22 20 16 11 22 20 16 11 22 20 16 11 21 20 16 11 20 18 15 10
3.26 3.33 3.42 3.53 3.50 3.57 3.68 3.79 3.70 3.78 3.90 4.02 3.89 3.97 4.09 4.22 4.04 4.13 4.26 4.39 4.18 4.26 4.40 4.54
Amps 12.1 12.4 12.8 13.2 13.1 13.4 13.8 14.3 14.2 14.5 15.0 15.6 15.2 15.5 16.1 16.7 16.1 16.5 17.1 17.7 17.1 17.5 18.1 18.8
Hi PR 223 240 254 265 251 270 285 297 285 307 324 338 325 349 369 385 365 393 415 433 404 434 459 478
Lo PR 109 116 126 134 115 122 133 142 119 127 139 148 125 133 146 155 131 140 153 162 136 145 158 168
1800
MBh 45.8 47.2 51.1 54.8 44.8 46.1 49.9 53.6 43.7 45.0 48.7 52.3 42.6 43.9 47.5 51.0 40.5 41.7 45.1 48.5 37.5 38.6 41.8 44.9
S/T 0.88 0.78 0.59 0.38 0.91 0.81 0.61 0.40 0.93 0.83 0.63 0.41 0.96 0.86 0.65 0.42 1.00 0.89 0.67 0.43 1.00 0.90 0.68 0.44
21 19 15 11 21 19 16 11 21 19 16 11 21 19 16 11 21 19 16 11 19 18 15 10
3.29 3.35 3.45 3.55 3.52 3.59 3.70 3.82 3.73 3.81 3.93 4.05 3.92 4.00 4.12 4.26 4.07 4.16 4.29 4.43 4.21 4.30 4.44 4.58
Amps 12.2 12.5 12.9 13.4 13.2 13.5 13.9 14.5 14.3 14.7 15.1 15.7 15.3 15.7 16.2 16.8 16.3 16.7 17.2 17.9 17.3 17.7 18.3 19.0
Hi PR 226 243 256 267 253 272 288 300 288 310 327 341 328 353 373 389 369 397 419 437 408 439 463 483
Lo PR 110 117 127 136 116 123 135 143 120 128 140 149 127 135 147 157 133 141 154 164 137 146 159 170
IDB: Entering Indoor Dry Bulb Temperature Amps = outdoor unit amps (comp.+fan)

Product SPecificationS Product SPecificationS
SS-GSX13 www.goodmanmfg.com 17
expAnded Cooling dAtA — gSx130481B* / CA*f4860*6B* (Cont.)
Outdoor Ambient Temperature
65ºF 75ºF 85ºF 95ºF 105ºF 115ºF
Entering Indoor Wet Bulb Temperature
IDB Airflow 59 63 67 71 59 63 67 71 59 63 67 71 59 63 67 71 59 63 67 71 59 63 67 71
80
1400
MBh 41.8 42.7 45.6 48.8 40.8 41.7 44.6 47.7 39.9 40.7 43.5 46.5 38.9 39.7 42.5 45.4 36.9 37.8 40.3 43.1 34.2 35.0 37.4 39.9
S/T 0.88 0.83 0.67 0.50 0.92 0.86 0.70 0.52 0.94 0.88 0.72 0.54 0.97 0.91 0.74 0.55 1.01 0.94 0.77 0.57 1.01 0.95 0.77 0.58
24 23 20 16 25 24 20 16 25 24 20 16 25 24 21 16 24 23 20 16 23 22 19 15
3.21 3.28 3.37 3.47 3.44 3.51 3.62 3.73 3.65 3.72 3.83 3.95 3.82 3.90 4.03 4.15 3.98 4.06 4.19 4.32 4.11 4.20 4.33 4.47
Amps 11.9 12.1 12.5 13.0 12.8 13.1 13.6 14.1 13.9 14.3 14.7 15.3 14.9 15.2 15.8 16.3 15.8 16.2 16.8 17.4 16.8 17.2 17.8 18.5
Hi PR 219 236 249 259 246 264 279 291 279 301 317 331 318 342 362 377 358 385 407 424 395 426 449 469
Lo PR 106 113 124 132 112 120 131 139 117 124 136 145 123 131 143 152 129 137 149 159 133 142 155 165
1600
MBh 45.3 46.3 49.5 52.9 44.2 45.2 48.3 51.6 43.2 44.1 47.2 50.4 42.1 43.1 46.0 49.2 40.0 40.9 43.7 46.7 37.1 37.9 40.5 43.3
S/T 0.92 0.86 0.70 0.52 0.95 0.89 0.72 0.54 0.97 0.91 0.74 0.56 1.00 0.94 0.77 0.57 1.00 0.98 0.80 0.60 1.00 0.99 0.80 0.60
24 23 20 16 24 23 20 16 24 23 20 16 24 23 20 16 23 23 20 16 21 21 19 15
3.29 3.35 3.45 3.56 3.52 3.59 3.70 3.82 3.73 3.81 3.93 4.05 3.92 4.00 4.12 4.26 4.07 4.16 4.29 4.43 4.21 4.30 4.44 4.58
Amps 12.2 12.5 12.9 13.4 13.2 13.5 13.9 14.5 14.3 14.7 15.2 15.7 15.3 15.7 16.2 16.8 16.3 16.7 17.3 17.9 17.3 17.7 18.3 19.0
Hi PR 226 243 256 267 253 272 288 300 288 310 327 341 328 353 373 389 369 397 419 437 408 439 463 483
Lo PR 110 117 127 136 116 123 135 143 120 128 140 149 127 135 147 157 133 141 154 164 137 146 159 170
1800
MBh 46.7 47.7 50.9 54.4 45.6 46.6 49.7 53.2 44.5 45.5 48.6 51.9 43.4 44.3 47.4 50.6 41.2 42.1 45.0 48.1 38.2 39.0 41.7 44.6
S/T 0.96 0.90 0.73 0.55 1.00 0.93 0.76 0.57 1.00 0.96 0.78 0.58 1.00 1.00 0.80 0.60 1.00 1.00 0.83 0.62 1.00 1.00 0.84 0.63
23 22 19 15 23 22 19 15 23 22 19 15 22 23 19 16 21 22 19 15 20 20 18 14
3.31 3.38 3.48 3.58 3.55 3.62 3.73 3.85 3.76 3.84 3.96 4.08 3.95 4.03 4.16 4.29 4.11 4.19 4.33 4.47 4.24 4.33 4.47 4.62
Amps 12.3 12.6 13.0 13.5 13.3 13.6 14.1 14.6 14.4 14.8 15.3 15.9 15.4 15.8 16.4 17.0 16.4 16.8 17.4 18.1 17.4 17.9 18.5 19.2
Hi PR 228 245 259 270 256 275 291 303 291 313 331 345 331 356 376 393 373 401 423 442 412 443 468 488
Lo PR 111 118 129 137 117 125 136 145 122 129 141 151 128 136 148 158 134 143 156 166 139 147 161 171
85
1400
MBh 42.5 43.4 45.4 48.5 41.5 42.4 44.4 47.3 40.6 41.3 43.3 46.2 39.6 40.3 42.2 45.1 37.6 38.3 40.1 42.8 34.8 35.5 37.2 39.7
S/T 0.93 0.89 0.81 0.65 0.96 0.93 0.84 0.68 0.98 0.95 0.86 0.70 1.00 0.98 0.88 0.72 1.00 1.00 0.92 0.74 1.00 1.00 0.93 0.75
26 25 24 21 26 26 24 21 26 26 24 21 26 26 25 21 25 25 24 21 23 23 23 20
3.24 3.30 3.40 3.50 3.47 3.54 3.65 3.76 3.67 3.75 3.86 3.99 3.85 3.94 4.06 4.19 4.01 4.09 4.22 4.36 4.14 4.23 4.36 4.50
Amps 12.0 12.2 12.6 13.1 12.9 13.2 13.7 14.2 14.0 14.4 14.9 15.4 15.0 15.4 15.9 16.5 16.0 16.4 16.9 17.6 16.9 17.4 17.9 18.6
Hi PR 221 238 251 262 248 267 282 294 282 304 321 334 321 346 365 381 361 389 411 428 399 430 454 473
Lo PR 108 114 125 133 114 121 132 140 118 126 137 146 124 132 144 153 130 138 151 161 134 143 156 166
1600
MBh 46.1 47.0 49.2 52.5 45.0 45.9 48.1 51.3 43.9 44.8 46.9 50.1 42.9 43.7 45.8 48.8 40.7 41.5 43.5 46.4 37.7 38.5 40.3 43.0
S/T 0.96 0.93 0.84 0.68 1.00 0.96 0.87 0.70 1.00 0.98 0.89 0.72 1.00 1.00 0.92 0.74 1.00 1.00 0.95 0.77 1.00 1.00 0.96 0.78
25 25 24 20 26 25 24 21 25 25 24 21 25 25 24 21 23 24 24 21 22 22 22 19
3.31 3.38 3.48 3.58 3.55 3.62 3.73 3.85 3.76 3.84 3.96 4.08 3.95 4.03 4.16 4.29 4.11 4.19 4.33 4.47 4.24 4.33 4.47 4.62
Amps 12.3 12.6 13.0 13.5 13.3 13.6 14.1 14.6 14.4 14.8 15.3 15.9 15.4 15.8 16.4 17.0 16.4 16.8 17.4 18.1 17.4 17.9 18.5 19.2
Hi PR 228 245 259 270 256 275 291 303 291 313 331 345 331 356 376 393 373 401 423 442 412 443 468 488
Lo PR 111 118 129 137 117 125 136 145 122 129 141 151 128 136 148 158 134 143 156 166 139 147 161 171
1800
MBh 47.5 48.4 50.7 54.1 46.4 47.3 49.5 52.8 45.3 46.1 48.3 51.6 44.2 45.0 47.1 50.3 42.0 42.8 44.8 47.8 38.9 39.6 41.5 44.3
S/T 1.00 0.97 0.88 0.71 1.00 1.00 0.91 0.74 1.00 1.00 0.93 0.76 1.00 1.00 0.96 0.78 1.00 1.00 1.00 0.81 1.00 1.00 1.00 0.82
24 24 23 20 24 24 23 20 23 24 23 20 23 23 23 20 21 22 23 20 20 20 21 18
3.34 3.40 3.50 3.61 3.58 3.65 3.76 3.88 3.79 3.87 3.99 4.11 3.98 4.06 4.19 4.32 4.14 4.23 4.36 4.50 4.28 4.37 4.51 4.65
Amps 12.4 12.7 13.1 13.6 13.4 13.7 14.2 14.7 14.6 14.9 15.4 16.0 15.6 16.0 16.5 17.1 16.6 17.0 17.6 18.2 17.6 18.0 18.6 19.3
Hi PR 230 248 262 273 258 278 294 306 294 316 334 348 335 360 380 397 376 405 428 446 416 448 473 493
Lo PR 112 119 130 138 118 126 137 146 123 131 143 152 129 137 150 160 135 144 157 167 140 149 163 173
IDB: Entering Indoor Dry Bulb Temperature Amps = outdoor unit amps (comp.+fan)

Product SPecificationS Product SPecificationS
18 www.goodmanmfg.com SS-GSX13
expAnded Cooling dAtA — gSx130601B* / CA*f4961*6A*
Outdoor Ambient Temperature
65ºF 75ºF 85ºF 95ºF 105ºF 115ºF
Entering Indoor Wet Bulb Temperature
IDB Airflow 59 63 67 71 59 63 67 71 59 63 67 71 59 63 67 71 59 63 67 71 59 63 67 71
70
1500
MBh 50.1 51.9 56.8 - 48.9 50.7 55.5 - 47.7 49.5 54.2 - 46.6 48.3 52.9 - 44.2 45.8 50.2 - 41.0 42.5 46.5 -
S/T 0.67 0.56 0.39 - 0.69 0.58 0.40 - 0.71 0.59 0.41 - 0.73 0.61 0.42 - 0.76 0.64 0.44 - 0.77 0.64 0.44 -
21 18 13 - 21 18 14 - 21 18 14 - 21 18 14 - 21 18 14 - 19 17 13 -
3.87 3.95 4.07 - 4.16 4.24 4.38 - 4.41 4.50 4.65 - 4.63 4.73 4.89 - 4.82 4.93 5.09 - 4.99 5.10 5.26 -
Amps 14.4 14.8 15.3 - 15.6 16.0 16.5 - 17.0 17.4 18.0 - 18.2 18.6 19.2 - 19.3 19.8 20.5 - 20.5 21.0 21.7 -
HI PR 229 246 260 - 257 276 292 - 292 314 332 - 333 358 378 - 374 403 425 - 413 445 470 -
LO PR 101 108 118 - 107 114 125 - 111 119 129 - 117 125 136 - 123 130 142 - 127 135 147 -
1750
MBh 54.2 56.2 61.6 - 53.0 54.9 60.1 - 51.7 53.6 58.7 - 50.4 52.3 57.3 - 47.9 49.7 54.4 - 44.4 46.0 50.4 -
S/T 0.69 0.58 0.40 - 0.72 0.60 0.42 - 0.74 0.62 0.43 - 0.76 0.64 0.44 - 0.79 0.66 0.46 - 0.80 0.66 0.46 -
20 17 13 - 20 17 13 - 20 17 13 - 20 17 13 - 20 17 13 - 19 16 12 -
3.96 4.04 4.17 - 4.26 4.35 4.48 - 4.52 4.62 4.76 - 4.75 4.85 5.01 - 4.95 5.05 5.22 - 5.12 5.23 5.40 -
Amps 14.8 15.2 15.7 - 16.1 16.4 17.0 - 17.5 17.9 18.5 - 18.7 19.1 19.8 - 19.9 20.4 21.1 - 21.1 21.6 22.4 -
HI PR 236 254 268 - 265 285 301 - 301 324 342 - 343 369 390 - 386 415 438 - 426 459 484 -
LO PR 105 111 122 - 111 118 128 - 115 122 133 - 121 128 140 - 126 135 147 - 131 139 152 -
2000
MBh 55.9 57.9 63.4 - 54.6 56.5 62.0 - 53.3 55.2 60.5 - 52.0 53.9 59.0 - 49.4 51.2 56.1 - 45.7 47.4 51.9 -
S/T 0.73 0.61 0.42 - 0.75 0.63 0.44 - 0.77 0.65 0.45 - 0.80 0.67 0.46 - 0.83 0.69 0.48 - 0.83 0.70 0.48 -
19 16 12 - 19 16 12 - 19 16 12 - 19 16 13 - 19 16 12 - 18 15 12 -
3.99 4.07 4.20 - 4.29 4.38 4.52 - 4.56 4.65 4.80 - 4.79 4.89 5.05 - 4.99 5.10 5.26 - 5.16 5.27 5.44 -
Amps 15.0 15.3 15.8 - 16.2 16.6 17.2 - 17.6 18.1 18.7 - 18.9 19.3 20.0 - 20.1 20.6 21.3 - 21.3 21.8 22.6 -
HI PR 238 256 271 - 267 288 304 - 304 327 346 - 346 373 394 - 390 419 443 - 430 463 489 -
LO PR 106 112 123 - 112 119 130 - 116 123 135 - 122 130 142 - 128 136 148 - 132 141 153 -
75
1500
MBh 50.9 52.4 56.7 60.9 49.7 51.2 55.4 59.5 48.5 50.0 54.1 58.1 47.3 48.8 52.8 56.6 45.0 46.3 50.1 53.8 41.7 42.9 46.4 49.8
S/T 0.76 0.68 0.51 0.33 0.79 0.70 0.53 0.34 0.81 0.72 0.55 0.35 0.83 0.75 0.56 0.36 0.87 0.77 0.59 0.38 0.87 0.78 0.59 0.38
24 22 18 12 24 22 18 13 24 22 18 13 24 22 18 13 24 22 18 12 22 21 17 12
3.90 3.98 4.10 4.23 4.19 4.28 4.41 4.55 4.45 4.54 4.68 4.84 4.67 4.77 4.93 5.09 4.86 4.97 5.13 5.30 5.03 5.14 5.31 5.48
Amps 14.6 14.9 15.4 16.0 15.8 16.1 16.7 17.3 17.1 17.6 18.1 18.8 18.3 18.8 19.4 20.2 19.5 20.0 20.7 21.5 20.7 21.2 21.9 22.8
HI PR 231 249 263 274 259 279 295 307 295 317 335 350 336 362 382 398 378 407 430 448 418 449 475 495
LO PR 103 109 119 127 108 115 126 134 113 120 131 139 118 126 137 146 124 132 144 153 128 136 149 159
1750
MBh 55.1 56.8 61.5 66.0 53.9 55.5 60.0 64.4 52.6 54.1 58.6 62.9 51.3 52.8 57.2 61.4 48.7 50.2 54.3 58.3 45.1 46.5 50.3 54.0
S/T 0.79 0.71 0.53 0.34 0.82 0.73 0.55 0.36 0.84 0.75 0.57 0.36 0.86 0.77 0.59 0.38 0.90 0.80 0.61 0.39 0.91 0.81 0.61 0.39
23 21 17 12 23 21 17 12 23 21 17 12 23 21 18 12 23 21 17 12 21 20 16 11
3.99 4.07 4.20 4.33 4.29 4.38 4.52 4.66 4.56 4.65 4.80 4.96 4.79 4.89 5.05 5.22 4.99 5.10 5.26 5.44 5.16 5.27 5.44 5.63
Amps 15.0 15.3 15.8 16.4 16.2 16.6 17.2 17.8 17.6 18.1 18.7 19.4 18.9 19.3 20.0 20.8 20.1 20.6 21.3 22.1 21.3 21.8 22.6 23.5
HI PR 238 256 271 282 267 288 304 317 304 327 346 360 346 373 394 411 390 419 443 462 431 463 489 510
LO PR 106 112 123 131 112 119 130 138 116 123 135 144 122 130 142 151 128 136 148 158 132 141 153 163
2000
MBh 56.8 58.5 63.3 67.9 55.5 57.1 61.8 66.4 54.2 55.8 60.4 64.8 52.8 54.4 58.9 63.2 50.2 51.7 55.9 60.0 46.5 47.9 51.8 55.6
S/T 0.83 0.74 0.56 0.36 0.86 0.77 0.58 0.37 0.88 0.79 0.59 0.38 0.91 0.81 0.61 0.39 0.94 0.84 0.64 0.41 0.95 0.85 0.64 0.41
22 20 16 11 22 20 16 11 22 20 16 11 22 20 17 11 22 20 16 11 20 19 15 11
4.02 4.11 4.23 4.37 4.33 4.42 4.56 4.70 4.59 4.69 4.84 5.00 4.83 4.93 5.09 5.26 5.03 5.14 5.31 5.48 5.20 5.32 5.49 5.67
Amps 15.1 15.5 16.0 16.6 16.4 16.8 17.3 18.0 17.8 18.2 18.8 19.6 19.0 19.5 20.2 20.9 20.3 20.8 21.5 22.3 21.5 22.0 22.8 23.7
HI PR 241 259 274 285 270 291 307 320 307 331 349 364 350 376 398 415 394 424 447 466 435 468 494 515
LO PR 107 114 124 132 113 120 131 139 117 125 136 145 123 131 143 152 129 137 150 160 133 142 155 165
IDB: Entering Indoor Dry Bulb Temperature Amps = outdoor unit amps (comp.+fan)

Product SPecificationS Product SPecificationS
SS-GSX13 www.goodmanmfg.com 19
expAnded Cooling dAtA — gSx130601B* / CA*f4961*6A* (Cont.)
Outdoor Ambient Temperature
65ºF 75ºF 85ºF 95ºF 105ºF 115ºF
Entering Indoor Wet Bulb Temperature
IDB Airflow 59 63 67 71 59 63 67 71 59 63 67 71 59 63 67 71 59 63 67 71 59 63 67 71
80
1500
MBh 51.8 52.9 56.6 60.5 50.6 51.7 55.2 59.1 49.4 50.5 53.9 57.6 48.2 49.2 52.6 56.2 45.8 46.8 50.0 53.4 42.4 43.3 46.3 49.5
S/T 0.83 0.78 0.64 0.48 0.86 0.81 0.66 0.49 0.89 0.83 0.68 0.51 0.91 0.86 0.70 0.52 0.95 0.89 0.72 0.54 0.96 0.90 0.73 0.55
26 25 22 18 27 26 22 18 27 26 22 18 27 26 23 18 27 26 22 18 25 24 21 17
3.93 4.01 4.13 4.26 4.22 4.31 4.45 4.59 4.48 4.58 4.72 4.88 4.71 4.81 4.97 5.13 4.90 5.01 5.17 5.34 5.07 5.18 5.35 5.53
Amps 14.7 15.1 15.6 16.1 15.9 16.3 16.8 17.5 17.3 17.7 18.3 19.0 18.5 19.0 19.6 20.4 19.7 20.2 20.9 21.7 20.9 21.4 22.2 23.0
HI PR 234 251 265 277 262 282 298 311 298 321 339 353 339 365 386 402 382 411 434 453 422 454 479 500
LO PR 104 110 120 128 109 116 127 135 114 121 132 141 119 127 139 148 125 133 145 155 129 138 150 160
1750
MBh 56.1 57.4 61.3 65.5 54.8 56.0 59.9 64.0 53.5 54.7 58.4 62.5 52.2 53.4 57.0 60.9 49.6 50.7 54.2 57.9 45.9 46.9 50.2 53.6
S/T 0.86 0.81 0.66 0.49 0.90 0.84 0.68 0.51 0.92 0.86 0.70 0.52 0.95 0.89 0.72 0.54 0.98 0.92 0.75 0.56 0.99 0.93 0.76 0.57
25 24 21 17 26 25 22 17 26 25 22 17 26 25 22 17 26 25 21 17 24 23 20 16
4.02 4.11 4.23 4.37 4.33 4.42 4.56 4.70 4.59 4.69 4.84 5.00 4.83 4.93 5.09 5.26 5.03 5.14 5.31 5.48 5.20 5.32 5.49 5.67
Amps 15.1 15.5 16.0 16.6 16.4 16.8 17.3 18.0 17.8 18.2 18.8 19.6 19.0 19.5 20.2 20.9 20.3 20.8 21.5 22.3 21.5 22.0 22.8 23.7
HI PR 241 259 274 285 270 291 307 320 307 331 349 364 350 377 398 415 394 424 447 467 435 468 494 515
LO PR 107 114 124 132 113 120 131 140 117 125 136 145 123 131 143 152 129 137 150 160 133 142 155 165
2000
MBh 57.8 59.1 63.1 67.5 56.5 57.7 61.6 65.9 55.1 56.3 60.2 64.3 53.8 55.0 58.7 62.8 51.1 52.2 55.8 59.6 47.3 48.4 51.7 55.2
S/T 0.91 0.85 0.69 0.52 0.94 0.88 0.72 0.54 0.96 0.90 0.74 0.55 1.00 0.93 0.76 0.57 1.00 0.97 0.79 0.59 1.00 1.00 0.79 0.59
24 23 20 16 24 23 20 16 24 23 20 16 25 24 20 16 23 23 20 16 22 22 19 15
4.05 4.14 4.27 4.40 4.36 4.45 4.59 4.74 4.63 4.73 4.88 5.04 4.87 4.97 5.13 5.30 5.07 5.18 5.35 5.53 5.24 5.36 5.54 5.72
Amps 15.2 15.6 16.1 16.7 16.5 16.9 17.5 18.1 18.0 18.4 19.0 19.8 19.2 19.7 20.4 21.1 20.5 21.0 21.7 22.5 21.7 22.3 23.0 23.9
HI PR 243 262 276 288 273 294 310 323 310 334 353 368 353 380 402 419 398 428 452 471 439 473 499 521
LO PR 108 115 125 133 114 121 132 141 118 126 137 146 124 132 144 154 130 139 151 161 135 143 157 167
85
1500
MBh 52.7 53.7 56.3 60.0 51.5 52.5 55.0 58.6 50.3 51.2 53.7 57.2 49.0 50.0 52.3 55.8 46.6 47.5 49.7 53.1 43.1 44.0 46.1 49.1
S/T 0.87 0.84 0.76 0.62 0.91 0.87 0.79 0.64 0.93 0.90 0.81 0.66 0.96 0.93 0.83 0.68 1.00 0.96 0.87 0.70 1.00 0.97 0.87 0.71
28 28 26 23 29 28 27 23 29 28 27 23 29 28 27 23 28 28 26 23 26 26 25 21
3.96 4.04 4.17 4.30 4.26 4.35 4.48 4.62 4.52 4.61 4.76 4.92 4.75 4.85 5.01 5.17 4.94 5.05 5.22 5.39 5.11 5.23 5.40 5.58
Amps 14.8 15.2 15.7 16.3 16.0 16.4 17.0 17.6 17.5 17.9 18.5 19.2 18.7 19.1 19.8 20.5 19.9 20.4 21.1 21.9 21.1 21.6 22.4 23.2
HI PR 236 254 268 280 265 285 301 314 301 324 342 357 343 369 390 406 386 415 438 457 426 459 484 505
LO PR 105 111 121 129 110 118 128 137 115 122 133 142 121 128 140 149 126 134 147 156 131 139 152 162
1750
MBh 57.1 58.2 61.0 65.0 55.8 56.9 59.6 63.5 54.5 55.5 58.1 62.0 53.1 54.2 56.7 60.5 50.5 51.4 53.9 57.5 46.7 47.7 49.9 53.2
S/T 0.91 0.87 0.79 0.64 0.94 0.91 0.82 0.66 0.96 0.93 0.84 0.68 0.99 0.96 0.87 0.70 1.00 1.00 0.90 0.73 1.00 1.00 0.91 0.74
27 27 25 22 28 27 26 22 28 27 26 22 28 27 26 22 27 27 25 22 25 25 24 21
4.05 4.14 4.27 4.40 4.36 4.45 4.59 4.74 4.63 4.73 4.88 5.04 4.87 4.97 5.13 5.30 5.07 5.18 5.35 5.53 5.24 5.36 5.54 5.72
Amps 15.2 15.6 16.1 16.7 16.5 16.9 17.5 18.1 18.0 18.4 19.0 19.8 19.2 19.7 20.4 21.1 20.5 21.0 21.7 22.5 21.7 22.3 23.0 23.9
HI PR 243 262 276 288 273 294 310 323 310 334 353 368 353 380 402 419 398 428 452 471 439 473 499 521
LO PR 108 115 125 133 114 121 132 141 118 126 137 146 124 132 144 154 130 139 151 161 135 143 157 167
2000
MBh 58.8 60.0 62.8 67.0 57.5 58.6 61.3 65.4 56.1 57.2 59.9 63.9 54.7 55.8 58.4 62.3 52.0 53.0 55.5 59.2 48.2 49.1 51.4 54.8
S/T 0.95 0.92 0.83 0.67 0.99 0.95 0.86 0.70 1.00 0.97 0.88 0.71 1.00 1.00 0.91 0.74 1.00 1.00 0.94 0.76 1.00 1.00 0.95 0.77
26 25 24 21 26 26 24 21 26 26 24 21 25 26 24 21 24 24 24 21 22 23 22 19
4.09 4.17 4.30 4.44 4.39 4.49 4.63 4.78 4.67 4.77 4.92 5.08 4.91 5.01 5.18 5.35 5.11 5.22 5.39 5.57 5.29 5.40 5.58 5.77
Amps 15.4 15.8 16.3 16.9 16.7 17.1 17.6 18.3 18.1 18.6 19.2 19.9 19.4 19.9 20.6 21.3 20.7 21.2 21.9 22.7 21.9 22.5 23.2 24.1
HI PR 246 264 279 291 276 297 313 327 313 337 356 371 357 384 406 423 402 432 456 476 444 477 504 526
LO PR 109 116 126 135 115 122 134 142 120 127 139 148 126 134 146 155 132 140 153 163 136 145 158 168
IDB: Entering Indoor Dry Bulb Temperature Amps = outdoor unit amps (comp.+fan)

Product SPecificationS Product SPecificationS
20 www.goodmanmfg.com SS-GSX13
expAnded Cooling dAtA — gSx130611*/CA*f4961*6d*+eep
Outdoor Ambient Temperature
65 75 85 95 105 115
Entering Indoor Wet Bulb Temperature
IDB Airflow 59 63 67 71 59 63 67 71 59 63 67 71 59 63 67 71 59 63 67 71 59 63 67 71
70
1500
MBh 53.8 55.7 61.0 - 52.5 54.4 59.6 - 51.3 53.1 58.2 - 50.0 51.8 56.8 - 47.5 49.2 53.9 - 44.0 45.6 50.0 -
S/T 0.66 0.55 0.38 - 0.68 0.57 0.39 - 0.70 0.58 0.40 - 0.72 0.60 0.42 - 0.75 0.62 0.43 - 0.75 0.63 0.44 -
22 19 14 - 22 19 14 - 22 19 14 - 22 19 14 - 22 19 14 - 20 18 13 -
3.97 4.05 4.18 - 4.27 4.37 4.51 - 4.54 4.64 4.80 - 4.78 4.89 5.05 - 4.99 5.10 5.27 - 5.16 5.28 5.45 -
Amps 15.4 15.8 16.3 - 16.7 17.1 17.6 - 18.1 18.6 19.2 - 19.4 19.9 20.6 - 20.7 21.2 21.9 - 22.0 22.5 23.3 -
HI PR 228 245 259 - 256 275 291 - 291 313 331 - 331 357 377 - 373 401 424 - 412 443 468 -
LO PR 98 104 114 - 103 110 120 - 107 114 125 - 113 120 131 - 118 126 137 - 122 130 142 -
1750
MBh 55.4 57.4 62.9 - 54.1 56.1 61.4 - 52.8 54.7 59.9 - 51.5 53.4 58.5 - 48.9 50.7 55.6 - 45.3 47.0 51.5 -
S/T 0.69 0.57 0.40 - 0.71 0.60 0.41 - 0.73 0.61 0.42 - 0.75 0.63 0.44 - 0.78 0.65 0.45 - 0.79 0.66 0.46 -
20 17 13 - 20 18 13 - 20 18 13 - 20 18 13 - 20 17 13 - 19 16 12 -
4.00 4.09 4.21 - 4.31 4.40 4.54 - 4.58 4.68 4.84 - 4.82 4.93 5.09 - 5.03 5.14 5.31 - 5.20 5.32 5.50 -
Amps 15.5 15.9 16.4 - 16.8 17.2 17.8 - 18.3 18.8 19.4 - 19.6 20.1 20.8 - 20.9 21.4 22.2 - 22.2 22.7 23.5 -
HI PR 230 248 262 - 258 278 294 - 294 316 334 - 335 360 380 - 377 405 428 - 416 448 473 -
LO PR 99 105 115 - 104 111 121 - 108 115 126 - 114 121 132 - 119 127 139 - 124 131 143 -
2000
MBh 55.6 57.7 63.2 - 54.3 56.3 61.7 - 53.0 55.0 60.2 - 51.8 53.6 58.8 - 49.2 51.0 55.8 - 45.5 47.2 51.7 -
S/T 0.70 0.58 0.40 - 0.72 0.60 0.42 - 0.74 0.62 0.43 - 0.77 0.64 0.44 - 0.79 0.66 0.46 - 0.80 0.67 0.46 -
18 15 12 - 18 16 12 - 18 16 12 - 18 16 12 - 18 16 12 - 17 15 11 -
4.03 4.12 4.25 - 4.34 4.44 4.58 - 4.62 4.72 4.88 - 4.86 4.97 5.13 - 5.07 5.18 5.36 - 5.25 5.37 5.55 -
Amps 15.7 16.0 16.6 - 17.0 17.4 18.0 - 18.5 18.9 19.6 - 19.8 20.3 21.0 - 21.1 21.6 22.4 - 22.4 22.9 23.7 -
HI PR 233 250 264 - 261 281 297 - 297 319 337 - 338 364 384 - 380 409 432 - 420 452 477 -
LO PR 100 106 116 - 105 112 122 - 110 117 127 - 115 122 134 - 121 128 140 - 125 133 145 -
75
1500
MBh 54.7 56.3 60.9 65.4 53.4 55.0 59.5 63.9 52.1 53.7 58.1 62.3 50.9 52.4 56.7 60.8 48.3 49.7 53.8 57.8 44.7 46.1 49.9 53.5
S/T 0.75 0.67 0.50 0.32 0.77 0.69 0.52 0.34 0.79 0.71 0.54 0.35 0.82 0.73 0.55 0.36 0.85 0.76 0.57 0.37 0.86 0.77 0.58 0.37
25 23 19 13 25 23 19 13 25 23 19 13 26 23 19 13 25 23 19 13 23 22 18 12
4.00 4.09 4.22 4.35 4.31 4.40 4.55 4.69 4.58 4.68 4.84 5.00 4.82 4.93 5.09 5.26 5.03 5.14 5.31 5.49 5.20 5.32 5.50 5.69
Amps 15.5 15.9 16.4 17.1 16.8 17.2 17.8 18.5 18.3 18.8 19.4 20.2 19.6 20.1 20.8 21.6 20.9 21.4 22.2 23.0 22.2 22.7 23.5 24.4
HI PR 230 248 262 273 258 278 294 306 294 316 334 348 335 360 380 397 377 405 428 446 416 448 473 493
LO PR 99 105 115 122 104 111 121 129 108 115 126 134 114 121 132 141 119 127 139 148 124 131 143 153
1750
MBh 56.3 58.0 62.7 67.3 55.0 56.6 61.3 65.8 53.7 55.3 59.8 64.2 52.4 53.9 58.4 62.6 49.8 51.2 55.5 59.5 46.1 47.5 51.4 55.1
S/T 0.78 0.70 0.53 0.34 0.81 0.72 0.55 0.35 0.83 0.74 0.56 0.36 0.86 0.77 0.58 0.37 0.89 0.80 0.60 0.39 0.90 0.80 0.61 0.39
23 21 17 12 23 22 18 12 23 22 18 12 24 22 18 12 23 21 18 12 22 20 16 11
4.03 4.12 4.25 4.39 4.34 4.44 4.58 4.73 4.62 4.72 4.88 5.04 4.86 4.97 5.14 5.31 5.07 5.18 5.36 5.54 5.25 5.37 5.55 5.74
Amps 15.7 16.1 16.6 17.2 17.0 17.4 18.0 18.7 18.5 18.9 19.6 20.3 19.8 20.3 21.0 21.8 21.1 21.6 22.4 23.2 22.4 22.9 23.7 24.7
HI PR 233 250 264 276 261 281 297 309 297 320 337 352 338 364 384 401 380 409 432 451 420 452 478 498
LO PR 100 106 116 123 105 112 122 130 110 117 127 136 115 122 134 142 121 128 140 149 125 133 145 154
2000
MBh 56.6 58.3 63.1 67.7 55.3 56.9 61.6 66.1 53.9 55.5 60.1 64.5 52.6 54.2 58.7 63.0 50.0 51.5 55.7 59.8 46.3 47.7 51.6 55.4
S/T 0.79 0.71 0.54 0.35 0.82 0.73 0.56 0.36 0.84 0.75 0.57 0.37 0.87 0.78 0.59 0.38 0.90 0.81 0.61 0.39 0.91 0.81 0.62 0.40
21 19 16 11 21 19 16 11 21 19 16 11 21 19 16 11 21 19 16 11 19 18 15 10
4.06 4.15 4.28 4.42 4.38 4.48 4.62 4.77 4.66 4.76 4.92 5.08 4.90 5.01 5.18 5.35 5.11 5.23 5.40 5.59 5.29 5.41 5.59 5.78
Amps 15.8 16.2 16.7 17.4 17.1 17.6 18.1 18.8 18.7 19.1 19.8 20.5 20.0 20.5 21.2 22.0 21.3 21.8 22.6 23.5 22.6 23.2 24.0 24.9
HI PR 235 253 267 278 264 284 300 312 300 323 341 355 341 367 388 405 384 413 437 455 424 457 482 503
LO PR 101 107 117 125 106 113 124 132 111 118 129 137 116 124 135 144 122 130 141 151 126 134 146 156
IDB: Entering Indoor Dry Bulb Temperature Amps = outdoor unit amps (comp.+fan)

Product SPecificationS Product SPecificationS
SS-GSX13 www.goodmanmfg.com 21
expAnded Cooling dAtA — gSx130611*/CA*f4961*6d*+eep (Cont.)
Outdoor Ambient Temperature
65 75 85 95 105 115
Entering Indoor Wet Bulb Temperature
IDB Airflow 59 63 67 71 59 63 67 71 59 63 67 71 59 63 67 71 59 63 67 71 59 63 67 71
80
1500
MBh 55.6 56.9 60.7 64.9 54.3 55.5 59.3 63.4 53.0 54.2 57.9 61.9 51.8 52.9 56.5 60.4 49.2 50.2 53.7 57.4 45.5 46.5 49.7 53.2
S/T 0.82 0.77 0.62 0.47 0.85 0.80 0.65 0.48 0.87 0.82 0.66 0.50 0.90 0.84 0.69 0.51 0.93 0.87 0.71 0.53 0.94 0.88 0.72 0.54
28 27 23 19 28 27 24 19 28 27 24 19 28 27 24 19 28 27 23 19 26 25 22 17
4.03 4.12 4.25 4.39 4.35 4.44 4.58 4.73 4.62 4.72 4.88 5.04 4.86 4.97 5.14 5.31 5.07 5.18 5.36 5.54 5.25 5.37 5.55 5.74
Amps 15.7 16.1 16.6 17.2 17.0 17.4 18.0 18.7 18.5 18.9 19.6 20.3 19.8 20.3 21.0 21.8 21.1 21.6 22.4 23.2 22.4 22.9 23.7 24.7
HI PR 233 250 264 276 261 281 297 309 297 320 337 352 338 364 384 401 380 409 432 451 420 452 478 498
LO PR 100 106 116 123 105 112 122 130 110 117 127 136 115 122 134 142 121 128 140 149 125 133 145 154
1750
MBh 57.3 58.6 62.6 66.9 56.0 57.2 61.1 65.3 54.6 55.8 59.6 63.8 53.3 54.5 58.2 62.2 50.6 51.7 55.3 59.1 46.9 47.9 51.2 54.7
S/T 0.86 0.80 0.65 0.49 0.89 0.83 0.68 0.51 0.91 0.85 0.70 0.52 0.94 0.88 0.72 0.54 1.00 0.92 0.75 0.56 1.00 0.92 0.75 0.56
26 25 22 17 26 25 22 17 26 25 22 17 26 25 22 18 27 25 22 17 25 23 20 16
4.07 4.15 4.28 4.42 4.38 4.48 4.62 4.77 4.66 4.76 4.92 5.08 4.90 5.01 5.18 5.35 5.11 5.23 5.40 5.59 5.29 5.41 5.59 5.79
Amps 15.8 16.2 16.7 17.4 17.1 17.6 18.2 18.9 18.7 19.1 19.8 20.5 20.0 20.5 21.2 22.0 21.3 21.8 22.6 23.5 22.6 23.2 24.0 24.9
HI PR 235 253 267 279 264 284 300 313 300 323 341 355 342 368 388 405 384 414 437 455 425 457 482 503
LO PR 101 107 117 125 107 113 124 132 111 118 129 137 116 124 135 144 122 130 142 151 126 134 146 156
2000
MBh 57.6 58.8 62.9 67.2 56.2 57.5 61.4 65.6 54.9 56.1 59.9 64.1 53.6 54.7 58.5 62.5 50.9 52.0 55.6 59.4 47.1 48.2 51.5 55.0
S/T 0.87 0.82 0.66 0.50 0.90 0.85 0.69 0.51 0.92 0.87 0.71 0.53 0.95 0.89 0.73 0.54 1.00 0.93 0.76 0.56 1.00 0.94 0.76 0.57
23 22 19 15 23 22 19 16 23 22 19 16 23 23 20 16 23 22 19 15 22 21 18 14
4.10 4.19 4.32 4.46 4.42 4.51 4.66 4.81 4.70 4.80 4.96 5.12 4.94 5.06 5.22 5.40 5.16 5.27 5.45 5.63 5.34 5.46 5.64 5.84
Amps 16.0 16.4 16.9 17.6 17.3 17.7 18.3 19.0 18.8 19.3 20.0 20.7 20.2 20.7 21.4 22.2 21.5 22.0 22.8 23.7 22.8 23.4 24.2 25.1
HI PR 237 255 270 281 266 287 303 316 303 326 344 359 345 371 392 409 388 418 441 460 429 461 487 508
LO PR 102 108 118 126 108 114 125 133 112 119 130 138 117 125 136 145 123 131 143 152 127 135 148 157
85
1500
MBh 56.6 57.7 60.4 64.5 55.3 56.4 59.0 63.0 54.0 55.0 57.6 61.5 52.7 53.7 56.2 60.0 50.0 51.0 53.4 57.0 46.3 47.2 49.5 52.8
S/T 0.86 0.83 0.75 0.61 0.89 0.86 0.77 0.63 0.91 0.88 0.79 0.64 0.94 0.91 0.82 0.66 0.98 0.94 0.85 0.69 0.98 0.95 0.86 0.70
30 29 28 24 30 30 28 24 30 30 28 24 30 30 28 24 30 29 28 24 28 28 26 23
4.07 4.15 4.28 4.42 4.38 4.48 4.62 4.77 4.66 4.76 4.92 5.08 4.90 5.01 5.18 5.35 5.11 5.23 5.40 5.59 5.29 5.41 5.59 5.79
Amps 15.8 16.2 16.7 17.4 17.1 17.6 18.2 18.9 18.7 19.1 19.8 20.5 20.0 20.5 21.2 22.0 21.3 21.8 22.6 23.5 22.6 23.2 24.0 24.9
HI PR 235 253 267 279 264 284 300 313 300 323 341 355 342 368 388 405 384 414 437 455 425 457 482 503
LO PR 101 107 117 125 107 113 124 132 111 118 129 137 116 124 135 144 122 130 142 151 126 134 146 156
1750
MBh 58.3 59.4 62.2 66.4 56.9 58.1 60.8 64.9 55.6 56.7 59.4 63.3 54.2 55.3 57.9 61.8 51.5 52.5 55.0 58.7 47.7 48.7 51.0 54.4
S/T 0.90 0.87 0.78 0.64 0.93 0.90 0.81 0.66 0.96 0.92 0.83 0.68 0.99 0.95 0.86 0.70 1.00 0.99 0.89 0.72 1.00 1.00 0.90 0.73
28 27 26 22 28 27 26 22 28 27 26 22 28 28 26 23 27 27 26 22 25 25 24 21
4.10 4.19 4.32 4.46 4.42 4.51 4.66 4.81 4.70 4.80 4.96 5.12 4.95 5.06 5.22 5.40 5.16 5.27 5.45 5.63 5.34 5.46 5.64 5.84
Amps 16.0 16.4 16.9 17.6 17.3 17.7 18.3 19.0 18.8 19.3 20.0 20.7 20.2 20.7 21.4 22.2 21.5 22.0 22.8 23.7 22.8 23.4 24.2 25.1
HI PR 237 255 270 281 266 287 303 316 303 326 344 359 345 371 392 409 388 418 441 460 429 461 487 508
LO PR 102 108 118 126 108 114 125 133 112 119 130 138 117 125 136 145 123 131 143 152 127 135 148 157
2000
MBh 58.6 59.7 62.5 66.7 57.2 58.3 61.1 65.2 55.9 56.9 59.6 63.6 54.5 55.6 58.2 62.1 51.8 52.8 55.3 59.0 48.0 48.9 51.2 54.6
S/T 0.91 0.88 0.79 0.64 0.94 0.91 0.82 0.67 0.97 0.93 0.84 0.68 1.00 0.96 0.87 0.71 1.00 1.00 0.90 0.73 1.00 1.00 0.91 0.74
25 24 23 20 25 24 23 20 25 24 23 20 25 25 23 20 24 24 23 20 22 22 21 19
4.13 4.22 4.35 4.50 4.45 4.55 4.70 4.85 4.74 4.84 5.00 5.17 4.99 5.10 5.27 5.45 5.20 5.32 5.49 5.68 5.38 5.50 5.69 5.89
Amps 16.1 16.5 17.1 17.7 17.5 17.9 18.5 19.2 19.0 19.5 20.1 20.9 20.4 20.9 21.6 22.4 21.7 22.2 23.0 23.9 23.0 23.6 24.4 25.4
HI PR 240 258 272 284 269 289 306 319 306 329 348 363 348 375 396 413 392 422 445 465 433 466 492 513
LO PR 103 109 119 127 109 116 126 134 113 120 131 140 119 126 138 147 124 132 144 154 129 137 149 159
IDB: Entering Indoor Dry Bulb Temperature Amps = outdoor unit amps (comp.+fan)

Product SPecificationS Product SPecificationS
22 www.goodmanmfg.com SS-GSX13
AHRI RAtIngs
Outdoor
Unit
Indoor Units Cooling Ratings CFM AHRI #
Coils/Air Handlers Furnaces Total¹ Sens.¹ SEER² EER³
GSX13
0181E*
ACNF18XX16D* 16,800 12,800 13.0 10.8 600 5039733
ACNF24XX16D* 17,000 13,000 13.0 10.8 600 5039734
ARPT18B14A* 17,400 13,300 13.0 11.0 600 5360106
ARPT24B14A* 17,200 13,100 13.0 11.0 600 5378531
ARUF18B14A* 17,200 13,100 13.0 11.0 600 5360107
ARUF18B14A*+TXV 17,200 13,100 13.0 11.0 600 5378529
ARUF24B14B* 17,200 12,800 13.0 11.0 600 5647167
ARUF24B14B*+TXV 17,200 12,800 13.5 11.0 600 5647168
ASPF183016E* 18,800 14,300 14.0 11.5 635 5039737
AVPTC183014A* 17,800 13,600 14.0 11.5 600 5039738
AWUF18XX16B* 17,200 13,100 13.0 11.0 600 5039739
AWUF31XX16A* 17,200 13,100 14.0 11.3 600 5039740
CA*F1824*6D* A*VC80604B*B* 18,000 13,700 14.0 11.5 675 5039742
CA*F1824*6D* G*E80603B*B* 17,800 13,600 14.0 11.5 640 5039744
CA*F1824*6D* G*VC80604B*B* 18,000 13,700 14.0 11.5 670 5039746
CA*F1824*6D* G*VC950453BXA* 17,800 13,600 14.0 11.5 640 5039748
CA*F1824*6D* G*VC950704CXA* 17,800 13,600 14.0 11.5 640 5532827
CA*F1824*6D* G*VM960603BXA* 18,000 13,700 14.0 11.5 670 5039749
CA*F1824*6D*+EEP 17,800 13,600 13.0 11.0 650 5039750
CA*F1824*6D*+MBVC1200**-1A* 18,200 13,900 14.0 11.5 640 5039751
CA*F3030*6D*+EEP 18,000 13,700 13.0 11.0 650 5561904
CA*F3030*6D*+EEP+TXV 18,000 13,700 13.0 11.0 650 5581977
CA*F3131*6D*+EEP 18,000 13,700 13.0 11.0 650 5561905
CA*F3131*6D*+EEP+TXV 18,000 13,700 13.0 11.0 650 5561906
CHPF1824A6C*+EEP 17,800 13,600 13.0 11.0 650 5039752
CHPF2430B6C* A*VC80604B*B* 17,700 13,500 14.0 11.5 660 5039796
CHPF2430B6C* G*E80603B*B* 18,000 13,700 14.0 11.5 640 5039754
CHPF2430B6C* G*VC80604B*B* 17,700 13,500 14.0 11.5 660 5039798
CHPF2430B6C* G*VC950453BXA* 18,200 13,900 14.0 11.5 650 5039756
CHPF2430B6C* G*VM960603BXA* 18,200 13,900 14.0 11.5 675 5039757
CHPF2430B6C*+EEP 17,800 13,600 13.0 11.0 650 5039758
CHPF2430B6C*+MBVC1200**-1A* 18,200 13,900 14.0 11.5 650 5039759
CSCF1824N6D* A*VC80604B*B* 17,700 13,500 14.0 11.5 660 5039800
CSCF1824N6D* G*E80603B*B* 18,000 13,700 14.0 11.5 640 5039760
CSCF1824N6D* G*VC80604B*B* 17,700 13,500 14.0 11.5 660 5039801
CSCF1824N6D* G*VC950453BXA* 18,200 13,900 14.0 11.5 650 5039761
CSCF1824N6D* G*VM960603BXA* 18,200 13,900 14.0 11.5 670 5039762
CSCF1824N6D*+EEP 17,800 13,600 13.0 11.0 650 5039763
¹ BTU/h
² SeasonalEnergyEciencyRao;CeredperAHRI210/240@80°F/67°F/95°F
³ EnergyEciencyRao@80°F/67°F/95°F
Notes
• AlwayschecktheS&Rplateforelectricaldataontheunitbeinginstalled.
• Whenmatchingoutdoorunittoindoorunit,usethepistonsuppliedwiththeoutdoorunitorthatspeciedonthepistonkitchartsuppliedwiththeindoorunit.
• EEP-OrderfromServiceDept.PartNo.B13707-38ornewSolidStateBoardB13707-35S.PartNo.B13707-38isnotinterchangeablewithB13707-35S.
TheGoodmanGasFurnacecontainstheEEPcoolingmedelay

Product SPecificationS Product SPecificationS
SS-GSX13 www.goodmanmfg.com 23
AHRI RAtIngs (cont.)
SeeNotesonPage22.
Outdoor
Unit
Indoor Units Cooling Ratings CFM AHRI #
Coils/Air Handlers Furnaces Total¹ Sens.¹ SEER² EER³
GSX13
0241D*
ACNF24XX16D* 22,400 16,500 13.0 11.0 770 4699979
ARPT24B14A* 22,400 16,500 13.0 11.0 800 5360108
ARUF24B14B* 22,000 16,600 13.0 11.0 800 5647169
ARUF24B14B*+TXV 22,000 16,600 13.5 11.0 800 5647170
ASPF183016E* 23,400 17,200 14.0 11.5 800 4699988
AVPTC183014A* 23,400 17,200 14.0 11.5 820 4699989
AWUF24XX16B* 23,000 16,900 13.0 11.0 800 4699990
AWUF30XX16B* 23,200 17,100 13.0 11.0 800 4699991
AWUF31XX16A* 23,000 16,900 14.0 11.3 800 4699992
AWUF32XX16A* 23,000 16,900 14.0 11.3 800 4699993
CA*F1824*6D* G*E80603B*B* 23,000 16,900 14.0 11.5 860 5038902
CA*F1824*6D* G*VC950453BXA* 23,000 16,900 14.0 11.5 800 4700000
CA*F1824*6D* G*VC950704CXA* 23,000 16,900 14.0 11.5 800 4700001
CA*F1824*6D* G*VM960603BXA* 23,000 16,900 14.0 11.5 800 4700002
CA*F1824*6D*+EEP 23,000 16,900 13.0 11.0 800 4700003
CA*F1824*6D*+MBVC1200**-1A* 23,000 16,900 14.0 11.5 800 4700004
CA*F3030*6D*+EEP 23,000 16,900 13.0 11.0 800 5561907
CA*F3030*6D*+EEP+TXV 23,000 16,900 13.0 11.0 800 5581978
CA*F3131*6D*+EEP 23,000 16,900 13.0 11.0 800 5561908
CA*F3131*6D*+EEP+TXV 23,000 16,900 13.0 11.0 800 5561909
CA*F3636*6D*+EEP 23,000 16,900 13.0 11.0 800 5561910
CA*F3636*6D*+EEP+TXV 23,000 16,900 13.0 11.0 800 5561911
CHPF1824A6C*+EEP 23,000 16,900 13.0 11.0 800 4700005
CHPF2430B6C* G*E80603B*B* 23,000 16,900 14.0 11.5 860 5039075
CHPF2430B6C* G*VC950453BXA* 23,400 17,200 14.0 11.5 800 4700007
CHPF2430B6C* G*VM960603BXA* 23,400 17,200 14.0 11.5 800 4700008
CHPF2430B6C*+EEP 23,000 16,900 13.0 11.0 800 4700009
CHPF2430B6C*+MBVC1200**-1A* 23,400 17,200 14.0 11.5 800 4700010
GSX13
0301B*
ACNF30XX16D* 27,600 20,800 13.0 11.0 890 4689680
ARPT30B14A* 27,000 20,400 13.0 11.0 900 5383473
ARUF30B14A* 27,000 20,400 13.0 11.0 900 5383471
ARUF30B14A*+TXV 27,000 20,400 13.0 11.0 900 5383474
ARUF36C14B* 27,200 21,400 13.0 11.0 1,000 5647171
ARUF36C14B*+TXV 27,200 21,400 13.5 11.5 1,000 5647172
ASPF183016E* 28,400 21,400 14.0 11.5 1,050 4244346
AVPTC183014A* 28,400 21,400 14.0 11.5 1,000 4431248
AWUF30XX16B* 27,600 20,800 13.0 11.0 1,000 3287812
AWUF36XX16B* 27,800 21,000 13.0 11.0 1,000 3287813
AWUF37XX16B* 28,000 21,200 13.0 11.0 1,000 3287814
CA*F3030*6D* A*VC950714CXA* 28,400 21,400 14.0 11.5 1,000 4586365
CA*F3030*6D* A*VM960604CXA* 28,400 21,400 14.0 11.5 1,000 4652224
CA*F3030*6D* G*VC950453BXA* 28,400 21,400 14.0 11.5 1,000 4355507
CA*F3030*6D* G*VC950704CXA* 28,400 21,400 14.0 11.5 1,000 4355508
CA*F3030*6D* G*VC950714CXA* 28,400 21,400 14.0 11.5 1,000 4355509
CA*F3030*6D* G*VM960603BXA* 28,400 21,400 14.0 11.5 1,000 4652211
CA*F3030*6D* G*VM960604CXA* 28,400 21,400 14.0 11.5 1,000 4652221
CA*F3030*6D*+EEP 28,400 21,400 13.0 11.0 1,050 4355516

Product SPecificationS Product SPecificationS
24 www.goodmanmfg.com SS-GSX13
AHRI RAtIngs (cont.)
SeeNotesonPage22.
Outdoor
Unit
Indoor Units Cooling Ratings CFM AHRI #
Coils/Air Handlers Furnaces Total¹ Sens.¹ SEER² EER³
GSX13
0301B*
(cont.)
CA*F3131*6D* A*VC950714CXA* 28,600 21,600 14.0 11.5 1,050 4586367
CA*F3131*6D* A*VM960604CXA* 28,600 21,600 14.0 11.5 1,050 4652272
CA*F3131*6D* G*VC950453BXA* 28,600 21,600 14.0 11.5 1,000 4385557
CA*F3131*6D* G*VC950704CXA* 28,400 21,400 14.0 11.5 900 4385556
CA*F3131*6D* G*VC950714CXA* 28,600 21,600 14.0 11.5 1,050 4385555
CA*F3131*6D* G*VM960603BXA* 28,600 21,600 14.0 11.5 1,000 4652264
CA*F3131*6D* G*VM960604CXA* 28,600 21,600 14.0 11.5 1,050 4652273
CA*F3131*6D*+EEP 28,600 21,600 13.0 11.0 1,050 4385558
CA*F3131*6D*+MBVC1200**-1A* 28,400 21,400 14.0 11.5 950 4385559
CA*F3636*6D*+EEP 28,400 21,400 13.0 11.0 1,000 5561912
CA*F3636*6D*+EEP+TXV 28,400 21,400 13.0 11.0 1,000 5561913
CA*F3642*6D*+EEP 28,400 21,400 13.0 11.0 1,000 5561914
CA*F3642*6D*+EEP+TXV 28,400 21,400 13.0 11.0 1,000 5561915
CA*F3743*6D*+EEP 28,400 21,400 13.5 11.0 1,000 5581982
CA*F3743*6D*+EEP+TXV 28,400 21,400 13.5 11.0 1,000 5581983
CHPF2430B6C* A*VM960604CXA* 28,400 21,400 14.0 11.5 1,000 4652226
CHPF2430B6C* G*VC950453BXA* 28,400 21,400 14.0 11.5 1,000 3598078
CHPF2430B6C* G*VM960603BXA* 28,400 21,400 14.0 11.5 1,000 4652213
CHPF2430B6C* G*VM960604CXA* 28,400 21,400 14.0 11.5 1,000 4652228
CHPF2430B6C*+EEP 28,400 21,400 13.0 11.0 1,050 3299982
CHPF2430B6C*+MBVC1200**-1A* 28,400 21,400 14.0 11.5 1,050 3609438
CSCF3036N6D* G*VC950453BXA* 28,400 21,400 14.0 11.3 1,000 4767410
CSCF3036N6D*+EEP 28,400 21,400 13.0 11.0 1,000 4767411
GSX13
0361C*
ARPT36C14A* 33,000 25,000 13.0 11.0 1,175 5625581
ARPT42D14A* 34,200 26,000 13.5 11.3 1,200 5625582
ARUF36C14B* 33,000 25,000 13.0 11.0 1,020 5647173
ARUF36C14B*+TXV 34,000 25,800 13.0 11.0 1,275 5647174
ARUF42C14A* 34,200 26,000 13.0 11.0 1,175 5625585
ARUF42C14A*+TXV 34,200 26,000 13.0 11.0 1,175 5625586
ASPF313716E* 33,600 25,600 14.0 11.5 1,200 5625587
AVPTC313714A* 33,600 25,600 14.0 11.5 1,200 5625588
AWUF36XX16B* 33,400 25,400 13.0 11.0 1,150 5625589
AWUF37XX16B* 33,600 25,600 13.0 11.0 1,200 5625590
CA*F3636*6D*+EEP 33,600 25,600 13.0 11.0 1,200 5625147
CA*F3636*6D* A*VC950714CXB* 33,600 25,600 13.5 11.3 1,210 5625591
CA*F3636*6D* A*VC950915DXB* 33,600 25,600 13.5 11.3 1,210 5625592
CA*F3636*6D* A*VM960604CXB* 33,600 25,600 13.5 11.3 1,210 5625593
CA*F3636*6D* G*VC950714CXB* 33,600 25,600 13.5 11.3 1,210 5625594
CA*F3636*6D* G*VC950905CXB* 33,600 25,600 13.5 11.3 1,210 5625595
CA*F3636*6D* G*VC950905DXB* 33,600 25,600 13.5 11.3 1,210 5625596
CA*F3636*6D* G*VC950915DXB* 33,600 25,600 13.5 11.3 1,210 5625597
CA*F3636*6D* G*VC951155DXB* 33,600 25,600 13.5 11.3 1,210 5625598
CA*F3636*6D* G*VM960604CXB* 33,600 25,600 13.5 11.3 1,210 5625599
CA*F3636*6D* G*VM960805CXB* 33,600 25,600 13.5 11.3 1,210 5625600
CA*F3636*6D* G*VM960805DXB* 33,600 25,600 13.5 11.3 1,210 5625601
CA*F3636*6D* G*VM961005DXB* 33,600 25,600 13.5 11.3 1,210 5625602
CA*F3636*6D* G*VM961155DXB* 33,600 25,600 13.5 11.3 1,210 5625603

Product SPecificationS Product SPecificationS
SS-GSX13 www.goodmanmfg.com 25
AHRI RAtIngs (cont.)
SeeNotesonPage22.
Outdoor
Unit
Indoor Units Cooling Ratings CFM AHRI #
Coils/Air Handlers Furnaces Total¹ Sens.¹ SEER² EER³
GSX13
0361C*
(cont.)
CA*F3642*6D*+EEP 33,600 25,600 13.0 11.0 1,200 5625604
CA*F3642*6D*+MBVC1600**-1A* 34,000 25,800 14.0 11.5 1,200 5625605
CA*F3642*6D* A*VC950714CXB* 34,000 25,800 14.0 11.5 1,210 5625606
CA*F3642*6D* A*VC950915DXB* 34,000 25,800 14.0 11.5 1,210 5625607
CA*F3642*6D* A*VM960604CXB* 34,000 25,800 14.0 11.5 1,210 5625608
CA*F3642*6D* G*VC950714CXB* 34,000 25,800 14.0 11.5 1,210 5625609
CA*F3642*6D* G*VC950905CXB* 34,000 25,800 14.0 11.5 1,210 5625610
CA*F3642*6D* G*VC950905DXB* 34,000 25,800 14.0 11.5 1,210 5625611
CA*F3642*6D* G*VC950915DXB* 34,000 25,800 14.0 11.5 1,210 5625612
CA*F3642*6D* G*VC951155DXB* 34,000 25,800 14.0 11.5 1,210 5625613
CA*F3642*6D* G*VM960604CXB* 34,000 25,800 14.0 11.5 1,210 5625614
CA*F3642*6D* G*VM960805CXB* 34,000 25,800 14.0 11.5 1,210 5625615
CA*F3642*6D* G*VM960805DXB* 34,000 25,800 14.0 11.5 1,210 5625616
CA*F3642*6D* G*VM961005DXB* 34,000 25,800 14.0 11.5 1,210 5625617
CA*F3642*6D* G*VM961155DXB* 34,000 25,800 14.0 11.5 1,210 5625618
CA*F3743*6D*+EEP 34,200 26,000 13.0 11.0 1,200 5625619
CA*F3743*6D*+EEP+TXV 34,200 26,000 13.5 11.0 1,200 5625620
CA*F3743*6D*+MBVC1600**-1A* 34,000 25,800 14.0 11.5 1,200 5625621
CA*F3743*6D* A*VC950714CXB* 34,000 25,800 14.0 11.5 1,210 5625622
CA*F3743*6D* A*VC950915DXB* 34,000 25,800 14.0 11.5 1,210 5625623
CA*F3743*6D* A*VM960604CXB* 34,000 25,800 14.0 11.5 1,210 5625624
CA*F3743*6D* G*VC950714CXB* 34,000 25,800 14.0 11.5 1,210 5625625
CA*F3743*6D* G*VC950905CXB* 34,000 25,800 14.0 11.5 1,200 5625626
CA*F3743*6D* G*VC950905DXB* 34,000 25,800 14.0 11.5 1,210 5625627
CA*F3743*6D* G*VC950915DXB* 34,000 25,800 14.0 11.5 1,210 5625628
CA*F3743*6D* G*VC951155DXB* 34,000 25,800 14.0 11.5 1,210 5625629
CA*F3743*6D* G*VM960604CXB* 34,000 25,800 14.0 11.5 1,210 5625630
CA*F3743*6D* G*VM960805CXB* 34,000 25,800 14.0 11.5 1,200 5625631
CA*F3743*6D* G*VM960805DXB* 34,000 25,800 14.0 11.5 1,210 5625632
CA*F3743*6D* G*VM961005DXB* 34,000 25,800 14.0 11.5 1,210 5625633
CA*F3743*6D* G*VM961155DXB* 34,000 25,800 14.0 11.5 1,210 5625634
CAPT3743*4A*+EEP 34,000 25,800 13.0 11.0 1,200 5625635
CAPT3743*4A*+MBVC1600**-1A* 34,000 25,800 14.0 11.5 1,200 5625636
CAPT3743*4A*+MBVC2000**-1A* 34,000 25,800 14.0 11.5 1,200 5625637
CHPF3636B6C*+EEP 34,000 25,800 13.0 11.0 1,200 5625638
CHPF3642C6C*+EEP 34,000 25,800 13.0 11.0 1,200 5625639
CHPF3642C6C*+MBVC1600**-1A* 34,000 25,800 14.0 11.5 1,200 5625640
CHPF3642D6C*+EEP 34,000 25,800 13.0 11.0 1,200 5625641
CHPF3642D6C* A*VM960604CXB* 33,600 25,600 14.0 11.5 1,210 5625642
CHPF3642D6C* G*VC950905CXB* 33,600 25,600 14.0 11.5 1,210 5625643
CHPF3642D6C* G*VC950905DXB* 33,600 25,600 14.0 11.5 1,210 5625644
CHPF3642D6C* G*VC951155DXB* 33,600 25,600 14.0 11.5 1,210 5625645
CHPF3642D6C* G*VM960604CXB* 33,600 25,600 14.0 11.5 1,210 5625646
CHPF3642D6C* G*VM960805CXB* 33,600 25,600 14.0 11.5 1,210 5625647
CHPF3642D6C* G*VM960805DXB* 33,600 25,600 14.0 11.5 1,210 5625648
CHPF3642D6C* G*VM961005DXB* 33,600 25,600 14.0 11.5 1,210 5625649
CHPF3642D6C* G*VM961155DXB* 33,600 25,600 14.0 11.5 1,210 5625650

Product SPecificationS Product SPecificationS
26 www.goodmanmfg.com SS-GSX13
AHRI RAtIngs (cont.)
SeeNotesonPage22.
Outdoor
Unit
Indoor Units Cooling Ratings CFM AHRI #
Coils/Air Handlers Furnaces Total¹ Sens.¹ SEER² EER³
GSX13
0361E*
ARPT36C14A* 33,000 25,800 11.0 13.0 1,150 5696616
ARPT42D14A* 34,200 26,600 11.3 13.5 1,150 5696617
ARUF36C14A* 33,000 25,800 11.0 13.0 1,020 5696618
ARUF36C14A*+TXV 34,000 26,400 11.0 13.0 1,220 5696619
ARUF36C14B* 33,000 25,800 11.0 13.0 1,000 5696620
ARUF36C14B*+TXV 34,000 26,400 11.0 13.0 1,165 5696621
ARUF42C14A* 34,200 26,600 11.0 13.0 1,150 5696622
ARUF42C14A*+TXV 34,200 26,600 11.0 13.0 1,150 5696623
ASPF313716E* 33,600 26,200 11.5 14.0 1,150 5696624
AVPTC313714A* 33,600 26,200 11.5 14.0 1,150 5696625
AWUF36XX16B* 33,400 26,000 11.0 13.0 1,150 5696626
AWUF37XX16B* 33,600 26,200 11.0 13.0 1,150 5696627
CA*F3636*6D* A*VC950714CXB* 33,600 26,200 11.3 13.5 1,135 5696713
CA*F3636*6D* G*VC950905DXB* 33,600 26,200 11.3 13.5 1,220 5696703
CA*F3636*6D* A*VM960604CXB* 33,600 26,200 11.3 13.5 1,155 5696634
CA*F3636*6D* G*VM961155DXB* 33,600 26,200 11.3 13.5 1,135 5696719
CA*F3636*6D* G*VM960604CXB* 33,600 26,200 11.3 13.5 1,150 5696687
CA*F3636*6D* A*VC950915DXB* 33,600 26,200 11.3 13.5 1,150 5696631
CA*F3636*6D* G*VC950905CXB* 33,600 26,200 11.3 13.5 1,220 5696691
CA*F3636*6D* G*VM960805DXB* 33,600 26,200 11.3 13.5 1,205 5696695
CA*F3636*6D* G*VM960805CXB* 33,600 26,200 11.3 13.5 1,155 5696707
CA*F3636*6D* G*VC951155DXB* 33,600 26,200 11.3 13.5 1,150 5696715
CA*F3636*6D* G*VM961005DXB* 33,600 26,200 11.3 13.5 1,220 5696699
CA*F3636*6D* G*VC950915DXB* 33,600 26,200 11.3 13.5 1,205 5696628
CA*F3636*6D* G*VC950714CXB* 33,600 26,200 11.3 13.5 1,205 5696711
CA*F3636*6D*+EEP 33,600 26,200 11.0 13.0 1,200 5696608
CA*F3642*6D* G*VC951155DXB* 34,000 26,400 11.5 14.0 1,160 5696716
CA*F3642*6D* G*VM961155DXB* 34,000 26,400 11.5 14.0 1,225 5696720
CA*F3642*6D* A*VM960604CXB* 34,000 26,400 11.5 14.0 1,165 5696635
CA*F3642*6D* G*VM961005DXB* 34,000 26,400 11.5 14.0 1,160 5696700
CA*F3642*6D* G*VC950905CXB* 34,000 26,400 11.5 14.0 1,165 5696692
CA*F3642*6D* G*VC950905DXB* 34,000 26,400 11.5 14.0 1,165 5696704
CA*F3642*6D* A*VC950714CXB* 34,000 26,400 11.5 14.0 1,225 5696639
CA*F3642*6D* G*VM960805DXB* 34,000 26,400 11.5 14.0 1,210 5696696
CA*F3642*6D* G*VM960604CXB* 34,000 26,400 11.5 14.0 1,165 5696688
CA*F3642*6D* G*VM960805CXB* 34,000 26,400 11.5 14.0 1,165 5696708
CA*F3642*6D* A*VC950915DXB* 34,000 26,400 11.5 14.0 1,225 5696632
CA*F3642*6D* G*VC950915DXB* 34,000 26,400 11.5 14.0 1,205 5696629
CA*F3642*6D* G*VC950714CXB* 34,000 26,400 11.5 14.0 1,210 5696638
CA*F3642*6D*+EEP 33,600 26,200 11.0 13.0 1,200 5696609
CA*F3642*6D*+MBVC1600**-1A* 34,000 26,400 11.5 14.0 1,200 5696640
CA*F3743*6D* A*VC950915DXB* 34,000 26,400 11.5 14.0 1,165 5696633
CA*F3743*6D* A*VM960604CXB* 34,000 26,400 11.5 14.0 1,225 5696636
CA*F3743*6D* G*VC950915DXB* 34,000 26,400 11.5 14.0 1,170 5696630
CA*F3743*6D* A*VC950714CXB* 34,000 26,400 11.5 14.0 1,165 5696714
CA*F3743*6D* G*VC950905CXB* 34,000 26,400 11.5 14.0 1,185 5696693
CA*F3743*6D* G*VM961155DXB* 34,000 26,400 11.5 14.0 1,090 5696721

Product SPecificationS Product SPecificationS
SS-GSX13 www.goodmanmfg.com 27
AHRI RAtIngs (cont.)
SeeNotesonPage22.
Outdoor
Unit
Indoor Units Cooling Ratings CFM AHRI #
Coils/Air Handlers Furnaces Total¹ Sens.¹ SEER² EER³
GSX13
0361E*
(cont.)
CA*F3743*6D* G*VM960604CXB* 34,000 26,400 11.5 14.0 1,225 5696689
CA*F3743*6D* G*VC951155DXB* 34,000 26,400 11.5 14.0 1,210 5696717
CA*F3743*6D* G*VC950905DXB* 34,000 26,400 11.5 14.0 1,170 5696705
CA*F3743*6D* G*VC950714CXB* 34,000 26,400 11.5 14.0 1,185 5696712
CA*F3743*6D* G*VM960805DXB* 34,000 26,400 11.5 14.0 1,225 5696697
CA*F3743*6D* G*VM960805CXB* 34,000 26,400 11.5 14.0 1,210 5696709
CA*F3743*6D* G*VM961005DXB* 34,000 26,400 11.5 14.0 1,210 5696701
CA*F3743*6D*+EEP 34,200 26,600 11.0 13.0 1,200 5696610
CA*F3743*6D*+EEP+TXV 34,200 26,600 11.0 13.5 1,200 5696611
CA*F3743*6D*+MBVC1600**-1A* 34,000 26,400 11.5 14.0 1,210 5696641
CAPT3743*4A*+EEP 34,000 26,400 11.0 13.0 1,200 5696612
CAPT3743*4A*+MBVC1600**-1A* 34,000 26,400 11.5 14.0 1,205 5696642
CAPT3743*4A*+MBVC2000**-1A* 34,000 26,400 11.5 14.0 1,205 5696644
CHPF3636B6C*+EEP 34,000 26,400 11.0 13.0 1,200 5696613
CHPF3642C6C*+EEP 34,000 26,400 11.0 13.0 1,200 5696614
CHPF3642C6C*+MBVC1600**-1A* 34,000 26,400 11.5 14.0 1,210 5696643
CHPF3642D6C* G*VC950905DXB* 33,600 26,200 11.5 14.0 1,170 5696706
CHPF3642D6C* G*VM961155DXB* 33,600 26,200 11.5 14.0 1,170 5696722
CHPF3642D6C* G*VM960604CXB* 33,600 26,200 11.5 14.0 1,105 5696690
CHPF3642D6C* G*VM960805CXB* 33,600 26,200 11.5 14.0 1,210 5696710
CHPF3642D6C* G*VC950905CXB* 33,600 26,200 11.5 14.0 1,170 5696694
CHPF3642D6C* G*VC951155DXB* 33,600 26,200 11.5 14.0 1,170 5696718
CHPF3642D6C* A*VM960604CXB* 33,600 26,200 11.5 14.0 1,225 5696637
CHPF3642D6C* G*VM960805DXB* 33,600 26,200 11.5 14.0 1,210 5696698
CHPF3642D6C* G*VM961005DXB* 33,600 26,200 11.5 14.0 1,210 5696702
CHPF3642D6C*+EEP 34,000 26,400 11.0 13.0 1,200 5696615
GSX13
0421B*
ARPT42D14A* 40,000 30,600 13.0 11.0 1,280 5360115
ARPT48D14A* 40,500 31,000 13.5 11.5 1,280 5378541
ARUF42C14A* 39,500 30,200 13.0 11.0 1,280 5360116
ARUF42C14A*+TXV 39,500 30,200 13.0 11.0 1,280 5378539
ARUF48D14A* 39,500 30,200 13.0 11.0 1,350 5378540
ASPF426016E* 41,000 31,400 14.0 11.5 1,400 4358244
ASUF49C14A* 39,500 30,000 13.5 11.5 1,310 5620421
ASUF49C14A*+TXV 39,500 29,200 13.8 11.7 1,310 5620404
AVPTC426014A* 41,000 31,400 14.0 11.5 1,475 4431266
CA*F3642*6D* G*E80805C*B* 40,000 30,600 13.0 11.3 1,350 5038971
CA*F3642*6D*+EEP 40,000 30,600 13.0 11.0 1,400 4946292
CA*F3642*6D*+EEP+TXV 40,000 30,600 13.0 11.0 1,400 5561917
CA*F3743*6D* G*E80805C*B* 40,000 30,600 13.0 11.3 1,350 5039232
CA*F3743*6D*+EEP 40,000 30,600 13.0 11.0 1,400 4415025
CA*F4860*6D* A*VC950714CXA* 41,000 31,400 14.0 11.5 1,400 4586383
CA*F4860*6D* A*VC950915DXA* 41,000 31,400 14.0 11.5 1,400 4594597
CA*F4860*6D* A*VM960604CXA* 41,000 31,400 14.0 11.5 1,400 4652948
CA*F4860*6D* G*E80805C*B* 41,000 31,400 13.5 11.5 1,510 5039124
CA*F4860*6D* G*VC950714CXA* 41,000 31,400 14.0 11.5 1,400 4202116
CA*F4860*6D* G*VC950905CXA* 41,000 31,400 14.0 11.5 1,400 4201263
CA*F4860*6D* G*VC950905DXA* 41,000 31,400 14.0 11.5 1,400 3880198

Product SPecificationS Product SPecificationS
28 www.goodmanmfg.com SS-GSX13
AHRI RAtIngs (cont.)
Outdoor
Unit
Indoor Units Cooling Ratings CFM AHRI #
Coils/Air Handlers Furnaces Total¹ Sens.¹ SEER² EER³
GSX13
0421B*
(cont.)
CA*F4860*6D* G*VC950915DXA* 41,000 31,400 14.0 11.5 1,400 4201717
CA*F4860*6D* G*VC951155DXA* 41,000 31,400 14.0 11.5 1,400 3880199
CA*F4860*6D* G*VM960604CXA* 41,000 31,400 14.0 11.5 1,400 4652945
CA*F4860*6D* G*VM960805CXA* 41,000 31,400 14.0 11.5 1,400 4652940
CA*F4860*6D* G*VM960805DXA* 41,000 31,400 14.0 11.5 1,400 4652957
CA*F4860*6D* G*VM961005DXA* 41,000 31,400 14.0 11.5 1,400 4652931
CA*F4860*6D* G*VM961155DXA* 41,000 31,400 14.0 11.5 1,400 4652922
CA*F4860*6D* GME950805CXA* 40,500 31,000 14.0 11.3 1,400 4703730
CA*F4860*6D* GME951005DXA* 40,500 31,000 13.5 11.0 1,440 4703539
CA*F4860*6D*+EEP 41,000 31,400 13.0 11.0 1,400 3880267
CA*F4860*6D*+MBVC1600**-1A* 41,000 31,400 14.0 11.5 1,400 3880314
CA*F4961*6D*+EEP 41,000 31,400 13.0 11.0 1,400 4887677
CHPF3642C6C* G*E80805C*B* 40,000 30,600 13.0 11.3 1,350 5039027
CHPF3642C6C*+EEP 40,000 30,600 13.0 11.0 1,400 3539875
CHPF3642D6C* A*VM960604CXA* 40,000 30,600 13.5 11.3 1,400 4652879
CHPF3642D6C* G*VC91155DXA* 40,000 30,600 13.5 11.3 1,400 3597929
CHPF3642D6C* G*VC950905CXA* 40,000 30,600 13.5 11.3 1,400 4201265
CHPF3642D6C* G*VC950905DXA* 40,000 30,600 13.5 11.3 1,400 3598631
CHPF3642D6C* G*VM960604CXA* 40,000 30,600 13.5 11.3 1,400 4652877
CHPF3642D6C* G*VM960805CXA* 40,000 30,600 13.5 11.3 1,400 4652868
CHPF3642D6C* G*VM960805DXA* 40,000 30,600 13.5 11.3 1,400 4652911
CHPF3642D6C*+EEP 40,000 30,600 13.0 11.0 1,400 3539877
CHPF4860D6D* A*VM960604CXA* 41,000 31,400 14.0 11.5 1,400 4652950
CHPF4860D6D* G*E80805C*B* 41,000 31,400 13.5 11.5 1,510 5038972
CHPF4860D6D* G*VC950905CXA* 41,000 31,400 14.0 11.5 1,400 4201267
CHPF4860D6D* G*VC950905DXA* 41,000 31,400 14.0 11.5 1,400 3598648
CHPF4860D6D* G*VC951155DXA* 41,000 31,400 14.0 11.5 1,400 3598876
CHPF4860D6D* G*VM960604CXA* 41,000 31,400 14.0 11.5 1,400 4652952
CHPF4860D6D* G*VM960805CXA* 41,000 31,400 14.0 11.5 1,400 4652942
CHPF4860D6D* G*VM960805DXA* 41,000 31,400 14.0 11.5 1,400 4652959
CHPF4860D6D* G*VM961005DXA* 41,000 31,400 14.0 11.5 1,400 4652934
CHPF4860D6D* G*VM961155DXA* 41,000 31,400 14.0 11.5 1,400 4652925
CHPF4860D6D* GME950805CXA* 40,500 31,000 14.0 11.3 1,400 4703732
CHPF4860D6D* GME951005DXA* 40,500 31,000 13.5 11.0 1,440 4703542
CHPF4860D6D*+EEP 41,000 31,400 13.0 11.0 1,400 3539879
CHPF4860D6D*+MBVC1600**-1A* 41,000 31,400 14.0 11.5 1,400 3609448
CSCF3642N6D*+EEP 40,000 30,600 13.0 11.0 1,325 4767422
CSCF4860N6D* G*VC950905CXA* 41,000 31,400 13.5 11.3 1,450 4767424
CSCF4860N6D* G*VC951155DXA* 41,000 31,400 13.5 11.3 1,425 4767425
CSCF4860N6D*+EEP 41,000 31,400 13.0 11.0 1,325 4767426
¹ BTU/h
² SeasonalEnergyEciencyRao;CeredperAHRI210/240@80°F/67°F/95°F
³ EnergyEciencyRao@80°F/67°F/95°F
Notes
• AlwayschecktheS&Rplateforelectricaldataontheunitbeinginstalled.
• Whenmatchingoutdoorunittoindoorunit,usethepistonsuppliedwiththeoutdoorunitorthatspeciedonthepistonkitchartsuppliedwiththeindoorunit.
• EEP-OrderfromServiceDept.PartNo.B13707-38ornewSolidStateBoardB13707-35S.PartNo.B13707-38isnotinterchangeablewithB13707-35S.
TheGoodmanGasFurnacecontainstheEEPcoolingmedelay

Product SPecificationS Product SPecificationS
SS-GSX13 www.goodmanmfg.com 29
AHRI RAtIngs (cont.)
SeeNotesonPage28.
Outdoor
Unit
Indoor Units Cooling Ratings CFM AHRI #
Coils/Air Handlers Furnaces Total¹ Sens.¹ SEER² EER³
GSX13
0481B*
AR*F486016C* 46,000 35,200 13.0 11.0 1,600 3896049
AR*F496116C* 46,000 35,200 13.0 11.0 1,600 4358286
ARPT48D14A* 46,000 35,200 13.5 11.0 1,475 5360117
ARPT60D14A* 46,000 35,200 13.5 11.0 1,500 5360118
ARUF48D14A* 44,500 34,200 13.0 11.0 1,550 5360119
ARUF48D14A*+TXV 44,500 34,200 13.0 11.0 1,550 5378542
ARUF60D14A* 44,500 34,200 13.0 11.0 1,460 5360120
ARUF60D14A*+TXV 44,500 34,200 13.0 11.0 1,460 5378543
ASPF426016E* 46,000 35,200 14.0 11.3 1,600 4358246
ASUF49C14A* 43,000 32,600 13.0 11.0 1,435 5620405
ASUF49C14A*+TXV 43,000 31,800 13.3 11.0 1,435 5620406
AVPTC426014A* 46,000 35,200 14.0 11.3 1,575 4431271
CA*F4860*6D*+EEP 46,000 35,200 13.0 11.0 1,600 4214133
CA*F4860*6D*+MBVC2000**-1A* 46,000 35,200 14.0 11.3 1,600 3880321
CA*F4860*6D*+TXV A*VC950714CXA* 46,000 35,200 14.0 11.3 1,620 4586388
CA*F4860*6D*+TXV A*VC950915DXA* 46,000 35,200 14.0 11.3 1,620 4594604
CA*F4860*6D*+TXV A*VM960604CXA* 46,000 35,200 14.0 11.3 1,620 4653082
CA*F4860*6D*+TXV G*E80805C*B* 46,000 35,200 13.5 11.3 1,650 5039233
CA*F4860*6D*+TXV G*E81005C*B* 46,000 35,200 13.5 11.3 1,570 5039261
CA*F4860*6D*+TXV G*VC950714CXA* 46,000 35,200 14.0 11.3 1,620 4202155
CA*F4860*6D*+TXV G*VC950905CXA* 46,000 35,200 14.0 11.3 1,620 4201277
CA*F4860*6D*+TXV G*VC950905DXA* 46,000 35,200 14.0 11.3 1,620 3880484
CA*F4860*6D*+TXV G*VC950915DXA* 46,000 35,200 14.0 11.3 1,620 4201737
CA*F4860*6D*+TXV G*VC951155DXA* 46,000 35,200 14.0 11.3 1,620 3880485
CA*F4860*6D*+TXV G*VM960604CXA* 46,000 35,200 14.0 11.3 1,620 4653080
CA*F4860*6D*+TXV G*VM960805CXA* 46,000 35,200 14.0 11.3 1,620 4653068
CA*F4860*6D*+TXV G*VM960805DXA* 46,000 35,200 14.0 11.3 1,620 4653100
CA*F4860*6D*+TXV G*VM961005DXA* 46,000 35,200 14.0 11.3 1,620 4653053
CA*F4860*6D*+TXV G*VM961155DXA* 46,000 35,200 14.0 11.3 1,620 4653033
CA*F4860*6D*+TXV GME950805CXA* 45,500 34,800 14.0 11.3 1,550 4703516
CA*F4860*6D*+TXV GME951005DXA* 45,500 34,800 13.7 11.3 1,650 4703548
CHPF4860D6D*+EEP 46,000 35,200 13.0 11.0 1,600 3539868
CHPF4860D6D*+MBVC2000**-1A* 46,000 35,200 14.0 11.3 1,600 3609452
CHPF4860D6D*+TXV A*VM960604CXA* 46,000 35,200 14.0 11.3 1,620 4653092
CHPF4860D6D*+TXV G*E80805C*B* 46,000 35,200 13.5 11.3 1,650 5039110
CHPF4860D6D*+TXV G*E81005C*B* 46,000 35,200 13.5 11.3 1,570 5038912
CHPF4860D6D*+TXV G*VC950905CXA* 46,000 35,200 14.0 11.3 1,620 4201279
CHPF4860D6D*+TXV G*VC950905DXA* 46,000 35,200 14.0 11.3 1,620 3598696
CHPF4860D6D*+TXV G*VC951155DXA* 46,000 35,200 14.0 11.3 1,620 3598928
CHPF4860D6D*+TXV G*VM960604CXA* 46,000 35,200 14.0 11.3 1,620 4653093
CHPF4860D6D*+TXV G*VM960805CXA* 46,000 35,200 14.0 11.3 1,620 4653074
CHPF4860D6D*+TXV G*VM960805DXA* 46,000 35,200 14.0 11.3 1,620 4653105
CHPF4860D6D*+TXV G*VM961005DXA* 46,000 35,200 14.0 11.3 1,620 4653058
CHPF4860D6D*+TXV G*VM961155DXA* 46,000 35,200 14.0 11.3 1,620 4653038
CHPF4860D6D*+TXV GME950805CXA* 45,500 34,800 14.0 11.3 1,550 4703518
CHPF4860D6D*+TXV GME951005DXA* 45,500 34,800 13.7 11.3 1,650 4703552
CSCF4860N6D*+EEP 46,000 35,200 13.0 11.0 1,600 4767427
CSCF4860N6D*+TXV G*VC950905CXA* 46,000 35,200 14.0 11.3 1,575 4767430
CSCF4860N6D*+TXV G*VC950905DXA* 46,000 35,200 14.0 11.3 1,575 4767431
CSCF4860N6D*+TXV G*VC951155DXA* 46,000 35,200 14.0 11.3 1,550 4767432

Product SPecificationS Product SPecificationS
30 www.goodmanmfg.com SS-GSX13
AHRI RAtIngs (cont.)
SeeNotesonPage28.
Outdoor
Unit
Indoor Units Cooling Ratings CFM AHRI #
Coils/Air Handlers Furnaces Total¹ Sens.¹ SEER² EER³
GSX13
0601B*
ASPF426016E* 57,500 41,000 13.4 11.3 1,800 4358292
ASUF59D14A* 54,000 38,500 13.0 11.0 1,580 5600192
AVPTC426014A* 57,500 41,000 13.4 11.3 1,800 4431282
CA*F4961*6D*+EEP 57,000 40,500 13.0 11.0 1,750 4945868
CA*F4961*6D*+MBVC2000**-1A* 57,500 41,000 13.5 11.5 1,790 4431670
CA*F4961*6D*+MBVC2000**-1A*+TXV 57,500 41,000 13.5 11.5 1,790 4431671
CA*F4961*6D*+TXV A*VC80805C*B* 57,000 40,500 13.3 11.2 1,800 5039235
CA*F4961*6D*+TXV A*VC81005C*B* 57,000 40,500 13.3 11.2 1,800 5039112
CA*F4961*6D*+TXV A*VC950714CXA* 56,500 40,000 13.0 11.0 1,700 4586392
CA*F4961*6D*+TXV A*VC950915DXA* 56,500 40,000 13.0 11.0 1,700 4594610
CA*F4961*6D*+TXV G*E80805C*B* 56,000 40,000 13.3 11.2 1,650 5038979
CA*F4961*6D*+TXV G*E81005C*B* 56,500 40,000 13.3 11.2 1,720 5038893
CA*F4961*6D*+TXV G*VC80805C*B* 57,000 40,500 13.3 11.2 1,800 5039111
CA*F4961*6D*+TXV G*VC81005C*B* 57,000 40,500 13.3 11.2 1,800 5038945
CA*F4961*6D*+TXV G*VC950714CXA* 56,500 40,000 13.0 11.0 1,700 4431758
CA*F4961*6D*+TXV G*VC950905CXA* 56,500 40,000 13.0 11.0 1,700 4431759
CA*F4961*6D*+TXV G*VC950905DXA* 56,500 40,000 13.0 11.0 1,700 4431760
CA*F4961*6D*+TXV G*VC950915DXA* 56,500 40,000 13.0 11.0 1,700 4431761
CA*F4961*6D*+TXV G*VC951155DXA* 56,000 40,000 13.4 11.2 1,620 4431762
CA*F4961*6D*+TXV G*VM960805CXA* 56,500 40,000 13.0 11.0 1,700 4653273
CA*F4961*6D*+TXV G*VM960805DXA* 56,500 40,000 13.0 11.0 1,700 4653289
CA*F4961*6D*+TXV G*VM961005DXA* 56,000 40,000 13.4 11.2 1,620 4653199
CA*F4961*6D*+TXV G*VM961155DXA* 56,000 40,000 13.4 11.2 1,620 4653171
CAPT4961*4A* A*VC950714CXA* 56,500 40,000 13.0 11.0 1,600 5520631
CAPT4961*4A* A*VC950915DXA* 56,500 40,000 13.0 11.0 1,660 5520632
CAPT4961*4A* G*VC950714CXA* 56,500 40,000 13.0 11.0 1,600 5520640
CAPT4961*4A* G*VC950905CXA* 56,500 40,000 13.0 11.0 1,625 5520641
CAPT4961*4A* G*VC950905DXA* 56,500 40,000 13.0 11.0 1,625 5520642
CAPT4961*4A* G*VC950915DXA* 56,500 40,000 13.0 11.0 1,660 5520643
CAPT4961*4A* G*VM960805CXA* 56,500 40,000 13.0 11.0 1,600 5520646
CAPT4961*4A* G*VM960805DXA* 56,500 40,000 13.0 11.0 1,600 5520647
CAPT4961*4A*+MBVC2000**-1A* 57,500 41,000 13.5 11.5 1,625 5527435
CHPF4860D6D*+EEP+TXV 57,000 40,500 13.0 11.0 1,500 5604754
CHPF4860D6D*+TXV A*VC80805C*B* 57,000 40,500 13.0 11.0 1,800 5038849
CHPF4860D6D*+TXV A*VC81005C*B* 57,000 40,500 13.0 11.0 1,800 5039148
CHPF4860D6D*+TXV G*E80805C*B* 56,000 40,000 13.3 11.2 1,650 5039181
CHPF4860D6D*+TXV G*E81005C*B* 56,500 40,000 13.3 11.2 1,720 5039194
CHPF4860D6D*+TXV G*VC80805C*B* 57,000 40,500 13.0 11.0 1,800 5038946
CHPF4860D6D*+TXV G*VC81005C*B* 57,000 40,500 13.0 11.0 1,800 5038848
CHPF4860D6D*+TXV G*VC950905CXA* 56,500 40,000 13.0 11.0 1,700 4201283
CHPF4860D6D*+TXV G*VC950905DXA* 57,000 40,500 13.2 11.0 1,700 3688583
CHPF4860D6D*+TXV G*VC951155DXA* 56,500 40,000 13.0 11.0 1,620 3688584
CHPF4860D6D*+TXV G*VM960805CXA* 56,500 40,000 13.0 11.0 1,700 4653275
CHPF4860D6D*+TXV G*VM960805DXA* 57,000 40,500 13.2 11.0 1,700 4653306
CHPF4860D6D*+TXV G*VM961005DXA* 56,500 40,000 13.0 11.0 1,620 4653262
CHPF4860D6D*+TXV G*VM961155DXA* 56,500 40,000 13.4 11.3 1,620 4653256
CSCF4860N6D*+EEP 55,500 39,500 13.0 11.0 1,600 5446159
CSCF4860N6D*+MBVC2000**-1A* 55,000 39,000 13.5 11.5 1,825 4767698

Product SPecificationS Product SPecificationS
SS-GSX13 www.goodmanmfg.com 31
AHRI RAtIngs (cont.)
SeeNotesonPage28.
Outdoor
Unit
Indoor Units Cooling Ratings CFM AHRI #
Coils/Air Handlers Furnaces Total¹ Sens.¹ SEER² EER³
GSX13
0611A*
ARPT48D14A* 54,500 38,500 13.0 11.0 1,500 5586528
ARPT60D14A* 55,000 39,000 13.0 11.0 1,500 5586693
ARUF48D14A* 54,500 38,500 13.0 11.0 1,500 5586531
ARUF60D14A* 55,000 39,000 13.0 11.0 1,500 5586696
ASPF426016E* 56,000 40,000 13.5 11.5 1,500 5586699
ASUF49C14A* 51,500 36,400 13.0 11.0 1,435 5620411
ASUF49C14A*+TXV 51,500 36,400 13.2 11.0 1,435 5620412
ASUF59D14A* 56,000 40,000 13.5 11.0 1,580 5600189
AVPTC426014A* 56,000 40,000 14.0 11.5 1,600 5586702
CA*F4860*6D*+EEP 55,000 39,000 13.0 11.0 1,500 5586534
CA*F4860*6D*+MBVC2000**-1A* 56,000 40,000 13.5 11.5 1,575 5586537
CA*F4860*6D*+MBVC2000**-1A*+TXV 56,000 40,000 14.0 11.5 1,575 5586540
CA*F4860*6D*+TXV A*VC80805C*B* 55,500 39,500 13.5 11.0 1,520 5586705
CA*F4860*6D*+TXV A*VC81005C*B* 55,500 39,500 13.5 11.0 1,520 5586543
CA*F4860*6D*+TXV A*VC950905CXA* 55,500 39,500 13.0 11.0 1,460 5586708
CA*F4860*6D*+TXV A*VC950905DXA* 55,500 39,500 13.5 11.0 1,460 5586711
CA*F4860*6D*+TXV A*VC950915DXA* 55,000 39,000 13.0 11.0 1,575 5590007
CA*F4860*6D*+TXV A*VC951155DXA* 55,000 39,000 13.0 11.0 1,550 5586546
CA*F4860*6D*+TXV A*VM960805CXA* 55,500 39,500 13.0 11.0 1,460 5586549
CA*F4860*6D*+TXV A*VM960805DXA* 55,500 39,500 13.0 11.0 1,460 5589864
CA*F4860*6D*+TXV A*VM961005DXA* 55,000 39,000 13.5 11.0 1,550 5586552
CA*F4860*6D*+TXV A*VM961155DXA* 55,000 39,000 13.5 11.0 1,550 5586555
CA*F4860*6D*+TXV ADVC80805C*B* 55,500 39,500 13.0 11.0 1,500 5586558
CA*F4860*6D*+TXV ADVC81005C*B* 55,500 39,500 13.0 11.0 1,550 5586714
CA*F4860*6D*+TXV G*E80805C*B* 55,500 39,500 13.0 11.0 1,550 5586561
CA*F4860*6D*+TXV G*E81005C*B* 55,000 39,000 13.5 11.0 1,525 5586717
CA*F4860*6D*+TXV G*VC80805C*B* 55,500 39,500 13.5 11.0 1,520 5586720
CA*F4860*6D*+TXV G*VC81005C*B* 55,500 39,500 13.5 11.0 1,520 5586564
CA*F4860*6D*+TXV G*VC950905CXA* 55,500 39,500 13.0 11.0 1,460 5586723
CA*F4860*6D*+TXV G*VC950905DXA* 55,500 39,500 13.5 11.0 1,460 5586726
CA*F4860*6D*+TXV G*VC950915DXA* 55,000 39,000 13.0 11.0 1,575 5590010
CA*F4860*6D*+TXV G*VC951155DXA* 55,000 39,000 13.0 11.0 1,550 5586567
CA*F4860*6D*+TXV G*VM960805CXA* 55,500 39,500 13.0 11.0 1,460 5586570
CA*F4860*6D*+TXV G*VM960805DXA* 55,500 39,500 13.0 11.0 1,460 5589867
CA*F4860*6D*+TXV G*VM961005DXA* 55,000 39,000 13.5 11.0 1,550 5586573
CA*F4860*6D*+TXV G*VM961155DXA* 55,000 39,000 13.5 11.0 1,550 5589870
CA*F4860*6D*+TXV GME950805CXA* 55,000 39,000 13.0 11.0 1,475 5586576
CA*F4860*6D*+TXV GME951005DXA* 55,000 39,000 13.5 11.0 1,500 5586579
CA*F4961*6D*+EEP 56,500 40,000 13.0 11.0 1,500 5586582
CA*F4961*6D*+MBVC2000**-1A* 57,000 40,500 14.0 11.5 1,575 5586856
CA*F4961*6D*+MBVC2000**-1A*+TXV 57,000 40,500 14.5 12.0 1,575 5586585
CA*F4961*6D*+TXV A*VC80805C*B* 56,500 40,000 14.0 11.5 1,520 5586588
CA*F4961*6D*+TXV A*VC81005C*B* 56,500 40,000 14.0 11.5 1,520 5586591
CA*F4961*6D*+TXV A*VC950905CXA* 56,500 40,000 13.5 11.0 1,460 5586594
CA*F4961*6D*+TXV A*VC950905DXA* 56,500 40,000 14.0 11.5 1,460 5586859
CA*F4961*6D*+TXV A*VC950915DXA* 56,000 40,000 13.5 11.0 1,575 5590013
CA*F4961*6D*+TXV A*VC951155DXA* 56,000 40,000 14.0 11.5 1,550 5586729

Product SPecificationS Product SPecificationS
32 www.goodmanmfg.com SS-GSX13
AHRI RAtIngs (cont.)
SeeNotesonPage33.
Outdoor
Unit
Indoor Units Cooling Ratings CFM AHRI #
Coils/Air Handlers Furnaces Total¹ Sens.¹ SEER² EER³
GSX13
0611A*
(cont.)
CA*F4961*6D*+TXV A*VM960805CXA* 56,500 40,000 13.5 11.0 1,460 5586597
CA*F4961*6D*+TXV A*VM960805DXA* 56,500 40,000 13.5 11.0 1,460 5589873
CA*F4961*6D*+TXV A*VM961005DXA* 56,000 40,000 14.0 11.5 1,550 5586732
CA*F4961*6D*+TXV A*VM961155DXA* 56,000 40,000 14.0 11.5 1,550 5586735
CA*F4961*6D*+TXV ADVC80805C*B* 57,000 40,500 13.5 11.0 1,500 5586600
CA*F4961*6D*+TXV ADVC81005C*B* 57,000 40,500 13.5 11.0 1,550 5586603
CA*F4961*6D*+TXV G*E80805C*B* 56,000 40,000 14.0 11.5 1,550 5586606
CA*F4961*6D*+TXV G*E81005C*B* 56,000 40,000 14.0 11.5 1,525 5586609
CA*F4961*6D*+TXV G*VC80805C*B* 56,500 40,000 14.0 11.5 1,520 5586612
CA*F4961*6D*+TXV G*VC81005C*B* 56,500 40,000 14.0 11.5 1,520 5586615
CA*F4961*6D*+TXV G*VC91155DXA* 56,000 40,000 13.0 11.0 1,550 5593112
CA*F4961*6D*+TXV G*VC950905CXA* 56,500 40,000 13.5 11.0 1,460 5586618
CA*F4961*6D*+TXV G*VC950905DXA* 56,500 40,000 14.0 11.5 1,460 5586738
CA*F4961*6D*+TXV G*VC950915DXA* 56,000 40,000 13.5 11.0 1,575 5590016
CA*F4961*6D*+TXV G*VC951155DXA* 56,000 40,000 14.0 11.5 1,550 5586741
CA*F4961*6D*+TXV G*VM960805CXA* 56,500 40,000 13.5 11.0 1,460 5586621
CA*F4961*6D*+TXV G*VM960805DXA* 56,500 40,000 13.5 11.0 1,460 5589876
CA*F4961*6D*+TXV G*VM961005DXA* 56,000 40,000 14.0 11.5 1,550 5586745
CA*F4961*6D*+TXV G*VM961155DXA* 56,000 40,000 13.5 11.0 1,550 5589879
CA*F4961*6D*+TXV GME950805CXA* 56,000 40,000 13.5 11.0 1,475 5586624
CA*F4961*6D*+TXV GME951005DXA* 56,000 40,000 14.0 11.5 1,500 5586627
CAPT4961*4A* A*VC80805C*B* 56,500 40,000 14.0 11.5 1,520 5586630
CAPT4961*4A* A*VC81005C*B* 56,500 40,000 14.0 11.5 1,520 5586633
CAPT4961*4A* A*VC950905CXA* 56,500 40,000 13.5 11.0 1,460 5586636
CAPT4961*4A* A*VC950905DXA* 56,500 40,000 14.0 11.5 1,460 5586748
CAPT4961*4A* A*VC950915DXA* 56,000 40,000 13.5 11.0 1,575 5590019
CAPT4961*4A* A*VC951155DXA* 56,000 40,000 14.0 11.5 1,550 5586751
CAPT4961*4A* A*VM960805CXA* 56,500 40,000 13.5 11.0 1,460 5586639
CAPT4961*4A* A*VM960805DXA* 56,500 40,000 13.5 11.0 1,460 5589882
CAPT4961*4A* A*VM961005DXA* 56,000 40,000 14.0 11.5 1,550 5586754
CAPT4961*4A* A*VM961155DXA* 56,000 40,000 14.0 11.5 1,550 5586757
CAPT4961*4A* ADVC80805C*B* 57,000 40,500 13.5 11.0 1,500 5586642
CAPT4961*4A* ADVC81005C*B* 57,000 40,500 13.5 11.0 1,550 5586645
CAPT4961*4A* G*E80805C*B* 56,000 40,000 14.0 11.5 1,550 5586648
CAPT4961*4A* G*E81005C*B* 56,000 40,000 14.0 11.5 1,525 5586651
CAPT4961*4A* G*VC80805C*B* 56,500 40,000 14.0 11.5 1,520 5586654
CAPT4961*4A* G*VC81005C*B* 56,500 40,000 14.0 11.5 1,520 5586657
CAPT4961*4A* G*VC91155DXA* 56,000 40,000 13.5 11.0 1,550 5593115
CAPT4961*4A* G*VC950905CXA* 56,500 40,000 13.5 11.0 1,460 5586660
CAPT4961*4A* G*VC950905DXA* 56,500 40,000 14.0 11.5 1,460 5586760
CAPT4961*4A* G*VC950915DXA* 56,000 40,000 13.5 11.0 1,575 5590022
CAPT4961*4A* G*VC951155DXA* 56,000 40,000 14.0 11.5 1,550 5586763
CAPT4961*4A* G*VM960805CXA* 56,500 40,000 13.5 11.0 1,460 5586663
CAPT4961*4A* G*VM960805DXA* 56,500 40,000 13.5 11.0 1,460 5589885
CAPT4961*4A* G*VM961005DXA* 56,000 40,000 14.0 11.5 1,550 5586767
CAPT4961*4A* G*VM961155DXA* 56,000 40,000 13.5 11.0 1,550 5589888
CAPT4961*4A* GME950805CXA* 56,000 40,000 13.5 11.0 1,475 5586666

Product SPecificationS Product SPecificationS
SS-GSX13 www.goodmanmfg.com 33
AHRI RAtIngs (cont.)
Outdoor
Unit
Indoor Units Cooling Ratings CFM AHRI #
Coils/Air Handlers Furnaces Total¹ Sens.¹ SEER² EER³
GSX13
0611A*
(cont.)
CAPT4961*4A* GME951005DXA* 56,000 40,000 14.0 11.5 1,500 5586669
CAPT4961*4A*+EEP 56,500 40,000 13.5 11.0 1,500 5586770
CAPT4961*4A*+MBVC2000**-1A* 57,000 40,500 14.5 12.0 1,575 5586672
CHPF4860D6D*+EEP 56,000 40,000 13.0 11.0 1,500 5586675
CHPF4860D6D*+MBVC2000**-1A* 57,000 40,500 14.0 11.5 1,575 5586900
CHPF4860D6D*+MBVC2000**-1A*+TXV 57,000 40,500 14.0 11.5 1,575 5586773
CHPF4860D6D*+TXV A*VC80805C*B* 56,000 40,000 14.0 11.5 1,520 5586776
CHPF4860D6D*+TXV A*VC81005C*B* 56,500 40,000 14.0 11.5 1,520 5586779
CHPF4860D6D*+TXV A*VC950905CXA* 56,000 40,000 13.5 11.0 1,460 5586782
CHPF4860D6D*+TXV A*VC950905DXA* 56,000 40,000 14.0 11.5 1,460 5586786
CHPF4860D6D*+TXV A*VC950915DXA* 55,000 39,000 13.0 11.0 1,575 5590025
CHPF4860D6D*+TXV A*VC951155DXA* 56,000 40,000 14.0 11.5 1,550 5586789
CHPF4860D6D*+TXV A*VM960805CXA* 56,500 40,000 13.5 11.0 1,460 5586792
CHPF4860D6D*+TXV A*VM960805DXA* 55,500 39,500 13.0 11.0 1,460 5589894
CHPF4860D6D*+TXV A*VM961005DXA* 56,000 40,000 14.0 11.5 1,550 5586795
CHPF4860D6D*+TXV A*VM961155DXA* 56,000 40,000 14.0 11.5 1,550 5586799
CHPF4860D6D*+TXV G*E80805C*B* 56,000 40,000 14.0 11.5 1,550 5586802
CHPF4860D6D*+TXV G*E81005C*B* 56,000 40,000 14.0 11.5 1,525 5586805
CHPF4860D6D*+TXV G*VC80805C*B* 56,000 40,000 14.0 11.5 1,520 5586808
CHPF4860D6D*+TXV G*VC81005C*B* 56,500 40,000 14.0 11.5 1,520 5586811
CHPF4860D6D*+TXV G*VC91155DXA* 56,000 40,000 13.0 11.0 1,550 5593118
CHPF4860D6D*+TXV G*VC950905CXA* 56,000 40,000 13.5 11.0 1,460 5586814
CHPF4860D6D*+TXV G*VC950905DXA* 56,500 40,000 14.0 11.5 1,460 5586817
CHPF4860D6D*+TXV G*VC950915DXA* 55,000 39,000 13.0 11.0 1,575 5590028
CHPF4860D6D*+TXV G*VC951155DXA* 56,000 40,000 14.0 11.5 1,550 5586820
CHPF4860D6D*+TXV G*VM960805CXA* 56,500 40,000 13.5 11.0 1,460 5586823
CHPF4860D6D*+TXV G*VM960805DXA* 55,500 39,500 13.0 11.0 1,460 5589897
CHPF4860D6D*+TXV G*VM961005DXA* 56,000 40,000 14.0 11.5 1,550 5586826
CHPF4860D6D*+TXV G*VM961155DXA* 55,000 39,000 13.5 11.0 1,550 5589900
CHPF4860D6D*+TXV GME950805CXA* 56,000 40,000 13.0 11.0 1,475 5586684
CHPF4860D6D*+TXV GME951005DXA* 56,000 40,000 14.0 11.5 1,500 5586687
CSCF4860N6D*+EEP 55,000 39,000 13.0 11.0 1,500 5589903
CSCF4860N6D*+MBVC2000**-1A* 56,000 40,000 13.5 11.5 1,575 5589906
CSCF4860N6D*+MBVC2000**-1A*+TXV 56,000 40,000 14.0 11.5 1,575 5586690
CSCF4860N6D*+TXV A*VC80805C*B* 56,500 40,000 13.5 11.5 1,520 5589909
CSCF4860N6D*+TXV A*VC81005C*B* 55,500 39,500 13.5 11.0 1,520 5589912
CSCF4860N6D*+TXV A*VC950905CXA* 55,000 39,000 13.5 11.0 1,475 5593103
CSCF4860N6D*+TXV A*VC950905DXA* 55,000 39,000 13.5 11.0 1,475 5593106
CSCF4860N6D*+TXV A*VC950915DXA* 55,000 39,000 13.0 11.0 1,575 5590031
CSCF4860N6D*+TXV A*VC951155DXA* 55,000 39,000 13.5 11.0 1,550 5593109
CSCF4860N6D*+TXV A*VM960805CXA* 55,500 39,500 13.0 11.0 1,460 5589915
CSCF4860N6D*+TXV A*VM960805DXA* 55,500 39,500 13.0 11.0 1,460 5589918
CSCF4860N6D*+TXV A*VM961005DXA* 55,000 39,000 13.5 11.0 1,550 5589921
CSCF4860N6D*+TXV A*VM961155DXA* 55,000 39,000 13.5 11.0 1,550 5589924
CSCF4860N6D*+TXV G*E80805C*B* 54,500 38,500 13.0 11.0 1,550 5586829
CSCF4860N6D*+TXV G*E81005C*B* 55,500 39,500 13.5 11.0 1,525 5589933
CSCF4860N6D*+TXV G*VC80805C*B* 56,500 40,000 13.5 11.5 1,520 5589936

Product SPecificationS Product SPecificationS
34 www.goodmanmfg.com SS-GSX13
DImensIons
H
W
D
Model Dimensions
W” D” H”
GSX130181E* 23 23 25¾
GSX130241D* 23 23 25¾
GSX130301B* 26 26 27½
GSX130361C* 29 29 28¾
GSX130361E* 26 26 27½
GSX130421B* 29 29 36¼
GSX130481B* 29 29 36¼
GSX130601B* 29 29 40
GSX130611A* 35½ 35½ 38¼
Outdoor
Unit
Indoor Units Cooling Ratings CFM AHRI #
Coils/Air Handlers Furnaces Total¹ Sens.¹ SEER² EER³
GSX13
0611A*
(cont.)
CSCF4860N6D*+TXV G*VC81005C*B* 55,500 39,500 13.5 11.0 1,520 5589939
CSCF4860N6D*+TXV G*VC950915DXA* 55,000 39,000 13.0 11.0 1,575 5590034
CSCF4860N6D*+TXV G*VM960805CXA* 55,500 39,500 13.0 11.0 1,460 5589942
CSCF4860N6D*+TXV G*VM960805DXA* 55,500 39,500 13.0 11.0 1,460 5589945
CSCF4860N6D*+TXV G*VM961005DXA* 55,000 39,000 13.5 11.0 1,550 5589948
CSCF4860N6D*+TXV G*VM961155DXA* 55,000 39,000 13.5 11.0 1,550 5589951
CSCF4860N6D*+TXV GME950805CXA* 55,000 39,000 13.0 11.0 1,475 5589954
CSCF4860N6D*+TXV GME951005DXA* 55,000 39,000 13.5 11.0 1,500 5589957
¹ BTU/h
² SeasonalEnergyEciencyRao;CeredperAHRI210/240@80°F/67°F/95°F
³ EnergyEciencyRao@80°F/67°F/95°F
Notes
• AlwayschecktheS&Rplateforelectricaldataontheunitbeinginstalled.
• Whenmatchingoutdoorunittoindoorunit,usethepistonsuppliedwiththeoutdoorunitorthatspeciedonthepistonkitchartsuppliedwiththeindoorunit.
• EEP-OrderfromServiceDept.PartNo.B13707-38ornewSolidStateBoardB13707-35S.PartNo.B13707-38isnotinterchangeablewithB13707-35S.
TheGoodmanGasFurnacecontainstheEEPcoolingmedelay
AHRI RAtIngs (cont.)

Product SPecificationS Product SPecificationS
SS-GSX13 www.goodmanmfg.com 35
Wiring diAgrAm — gSx130181e
USE N.E.C. CLASS 2 WIRE
COMP
ALTERNATE DOUBLE
POLE CONTACTOR ONLY
IO
T1
MAIN
R
AUX
5
S
SR
SA
21
RCCF
SC
T2
C
L1 L2
(IF USED)
CH
C
F
MAIN
AUX
C
C
0140R00258-B
BL
Y
C
LVJB
COLOR CODE
BK --------------- BLACK
BL --------------- BLUE
BL/PK ---------- BLUE/PINK STRIPE
BR --------------- BROWN
OR --------------- ORANGE
PU --------------- PURPLE
RD --------------- RED
WH -------------- WHITE
YL ---------------- YELLOW
CONTROL BOX
COMPONENT CODE
C --------------- CONTACTOR
CM ------------ OUTDOOR FAN MOTOR
COMP -------- COMPRESSOR
HPS ----------- HIGH PRESSURE SWITCH
IO -------------- INTERNAL OVERLOAD
LVJB ---------- LOW VOLTAGE JUNCTION BOX
RCCF --------- RUN CAPACITOR FOR COMPRESSOR & FAN
SA ------------- START ASSIST
SC ------------- START CAPACITOR FOR COMPRESSOR (OPTIONAL)
SR ------------- START RELAY FOR COMPRESSOR (OPTIONAL)
CONTROLS SHOWN WITH THERMOSTAT IN 'OFF' POSITION.
OUTDOOR POWER SUPPLY
SEE RATING PLATE
WIRING CODE
FACTORY WIRING
HIGH VOLTAGE
LOW VOLTAGE
OPTIONAL HIGH VOLTAGE
FIELD WIRING
HIGH VOLTAGE
LOW VOLTAGE
IO
CM
Y
BL/PK
YL
C
R
S
RD
BK AUX
MAIN
COMP
NOTE 1
SC
RD BL
RCCF
F
CHERM
YL
YL
YL
BR
RD
PU
YL
RD
SR
5
21
BK
YL
BL
RD
BL
RD
RD
BKBK
BK
C
T1
L1
T2
L2
RD
SA
(IF USED)
NOTE 2
EQUIPMENT GROUND
PU
BR
BK
MAIN
AUX
CM
IO
T1
L1
T2
L2
ALTERNATE DOUBLE
POLE CONTACTOR
NOTES:
1) TO INDOOR UNIT LOW VOLTAGE
TERMINAL BLOCK AND INDOOR
THERMOSTAT
2) START ASSIST FACTORY
EQUIPPED WHEN REQUIRED.
3) USE COPPER CONDUCTORS ONLY.
BL/PK
HPS
BL/PK
HPS
BL/PK
IO
refer to the wiring diagram or the
unit for the most up-to-date wiring. ⚠ WARNING High Voltage:
⚡

Product SPecificationS Product SPecificationS
36 www.goodmanmfg.com SS-GSX13
Wiring diAgrAm — gSx130(30-60)1B/C/e*
refer to the wiring diagram or the
unit for the most up-to-date wiring.
⚠ WARNING High Voltage:
⚡
USE N.E.C. CLASS 2 WIRE
COMP
ALTERNATE DOUBLE
POLE CONTACTOR ONLY
IO
T1
C
MAIN
R
AUX
5
S
SR
SA
21
RCCF
SC
T2
C
L1 L2
(IF USED)
CH
C
F
MAIN
AUX
C
C
0140R00015P-A
BL
Y
C
LVJB
COLOR CODE
BK --------------- BLACK
BL --------------- BLUE
BR --------------- BROWN
OR --------------- ORANGE
PU --------------- PURPLE
RD --------------- RED
WH -------------- WHITE
YL ---------------- YELLOW
CONTROL BOX
COMPONENT CODE
C --------------- CONTACTOR
CM ------------ OUTDOOR FAN MOTOR
COMP -------- COMPRESSOR
IO -------------- INTERNAL OVERLOAD
LVJB ---------- LOW VOLTAGE JUNCTION BOX
RCCF --------- RUN CAPACITOR FOR COMPRESSOR & FAN
SA ------------- START ASSIST
SC ------------- START CAPACITOR FOR COMPRESSOR (OPTIONAL)
SR ------------- START RELAY FOR COMPRESSOR (OPTIONAL)
CONTROLS SHOWN WITH THERMOSTAT IN 'OFF' POSITION.
OUTDOOR POWER SUPPLY
SEE RATING PLATE
WIRING CODE
FACTORY WIRING
HIGH VOLTAGE
LOW VOLTAGE
OPTIONAL HIGH VOLTAGE
FIELD WIRING
HIGH VOLTAGE
LOW VOLTAGE
IO
CM
Y
YL
YL
C
R
S
RD
BK AUX
MAIN
COMP
NOTE 1
SC
RD BL
RCCF
F
CHERM
YL
YL
YL
BR
RD
PU
YL
RD
SR
5
21
BK
YL
BL
RD
YL
BL
RD
RD
BKBK
BK
C
T1
L1
T2
L2
RD
SA
(IF USED)
NOTE 2
EQUIPMENT GROUND
USE COPPER
CONDUCTORS ONLY
PU
BR
BK
MAIN
AUX
CM
IO
T1
L1
T2
L2
ALTERNATE DOUBLE
POLE CONTACTOR
NOTES:
1) TO INDOOR UNIT LOW VOLTAGE
TERMINAL BLOCK AND INDOOR
THERMOSTAT
2) START ASSIST FACTORY
EQUIPPED WHEN REQUIRED.

Product SPecificationS Product SPecificationS
SS-GSX13 www.goodmanmfg.com 37
refer to the wiring diagram or the
unit for the most up-to-date wiring. ⚠ WARNING High Voltage:
⚡
Wiring diAgrAm — gSx130(18-24)1d*
0140R00165
CC SC
987654321
987654321
F
C
D
E
B
A
F
C
D
E
B
A
THE GOODMAN MANUFACTURING COMPANY,L.P.
DRAWING TO BE INTERPRETED IN
ACCORDANCE WITH ASME Y14.100
TITLE
LABEL, WIRING DIAGRAM
DIMENSIONS ARE IN INCHES
UNLESS OTHERWISE NOTED.
TOLERANCES:
ANGLES ± 1.5 °
.X ± .1
.XX ± .03
.XXX ± .015
HOLES : ±.005
TUBE CUT LG: ±.063
DWN: GL ENG: S. BADAM SCALE: NTS
DATE: 03-26-10 CHK: D. MASSEY SHEET: 1 OF 1
DWG.
NO.
0140R00165 A
SPECIAL CHARACTERISTICS:
= 6SIGMA = CRITICAL CHARACTERISTIC = SIGNIFICANT CHARACTERISTIC
COMPONENTS AND MATERIALS SPECIFIED HEREIN WILL ALSO CONFORM TO THE APPLICABLE SECTION OF
GOODMAN MSP 824.01 WORKMANSHIP STANDARD FOR FIT, FEEL, AND FINISH.
CONFIDENTIAL PROPERTY OF THE GOODMAN FAMILY OF COMPANIES NOT TO BE DISCLOSED TO OTHERS, COPIED, OR USED FOR ANY PURPOSE
EXCEPT AS AUTHORIZED IN WRITING. MUST BE RETURNED UPON DEMAND, ON COMPLETION OF ORDER, OR OTHER PURPOSE FOR WHICH IT WAS LENT.
ECN REV ZONE DESCRIPTION CHK DR DATE
1004705
A - INITIAL RELEASE GL 03-26-10
USE N.E.C. CLASS 2 WIRE
NOTES:
1) TO INDOOR UNIT LOW VOLTAGE
TERMINAL BLOCK & INDOOR
THERMOSTAT.
2) START ASSIST FACTORY
EQUIPPED WHEN REQUIRED.
COMP
ALTERNATE DOUBLE
POLE CONTACTOR ONLY
IO
T1
C
MAIN
R
AUX
5
S
SR
SA
21
RCCF
SC
T2
C
L1 L2
(IF USED)
C
H
C
F
MAIN
AUX
C
C
0140R00165 - A
BL
Y
C
LVJB
COLOR CODE
BK --------------- BLACK
BL --------------- BLUE
BR --------------- BROWN
PU --------------- PURPLE
RD --------------- RED
WH -------------- WHITE
YL --------------- YELLOW
CONTROL BOX
COMPONENT CODE
C --------------- CONTACTOR
CM ------------ OUTDOOR FAN MOTOR
COMP -------- COMPRESSOR
IO -------------- INTERNAL OVERLOAD
LVJB ---------- LOW VOLTAGE JUNCTION BOX
RCCF --------- RUN CAPACITOR FOR COMPRESSOR & FAN
SA ------------- START ASSIST
SC ------------- START CAPACITOR FOR COMPRESSOR (OPTIONAL)
SR ------------- START RELAY FOR COMPRESSOR (OPTIONAL)
CONTROLS SHOWN WITH THERMOSTAT IN 'OFF' POSITION.
WIRING CODE
FACTORY WIRING
HIGH VOLTAGE
LOW VOLTAGE
OPTIONAL HIGH VOLTAGE
FIELD WIRING
HIGH VOLTAGE
LOW VOLTAGE
IO
CM
Y
YL
YL
C
R
S
RD
BK AUX
MAIN
COMP
NOTE 1
SC
RD BL
RCCF
F
CHERM
YLYL
YL
BR
RD
PU
YL
RD
SR
5
21
BK
YL
BL
RD
YL
BL
RD
RD
BKBK
BK
C
T1
L1
T2
L2
RD
SA
(IF USED)
NOTE 2
EQUIPMENT GROUND
USE COPPER
CONDUCTORS ONLY
T1
L1
T2
L2
ALTERNATE DOUBLE
POLE CONTACTOR
OUTDOOR POWER SUPPLY
SEE RATING PLATE
PU
BR
BK
MAIN
AUX
CM
IO
GR/YL------------- GREEN / YELLOW
OT
CH BK
RD
RD
NOTES:
1. MATERIAL: 4 MIL WHITE FLEXIBLE VINYL WITH PRESSURE SENSITIVE
PERMANENT ACRYLIC ADHESIVE AND A SEMI BLEACHED KRAFT RELEASE LINER,
AS PER SPEC S4900065, TYPE A
2. LABEL TO BE PRINTED ON A 9" X 6" FORMAT.
BK
OT ------------- OUTDOOR THERMOSTAT
3) CRANK CASE HEATER FACTORY
INSTALLED WHEN REQUIRED
CH ------------- CRANKCASE HEATER
GR/YL

Product SPecificationS Product SPecificationS
38 www.goodmanmfg.com SS-GSX13
Wiring diAgrAm — gSx130611*
refer to the wiring diagram or the
unit for the most up-to-date wiring. ⚠ WARNING High Voltage:
⚡
USE N.E.C. CLASS 2 WIRE
COMP
ALTERNATE DOUBLE
POLE CONTACTOR ONLY
IO
T1
C
MAIN
R
AUX
5
S
SR
SA
21
RCCF
SC
T2
C
L1 L2
(IF USED)
CH
C
F
MAIN
AUX
C
C
0140R00015P-A
BL
Y
C
LVJB
COLOR CODE
BK --------------- BLACK
BL --------------- BLUE
BR --------------- BROWN
OR --------------- ORANGE
PU --------------- PURPLE
RD --------------- RED
WH -------------- WHITE
YL ---------------- YELLOW
CONTROL BOX
COMPONENT CODE
C --------------- CONTACTOR
CM ------------ OUTDOOR FAN MOTOR
COMP -------- COMPRESSOR
IO -------------- INTERNAL OVERLOAD
LVJB ---------- LOW VOLTAGE JUNCTION BOX
RCCF --------- RUN CAPACITOR FOR COMPRESSOR & FAN
SA ------------- START ASSIST
SC ------------- START CAPACITOR FOR COMPRESSOR (OPTIONAL)
SR ------------- START RELAY FOR COMPRESSOR (OPTIONAL)
CONTROLS SHOWN WITH THERMOSTAT IN 'OFF' POSITION.
OUTDOOR POWER SUPPLY
SEE RATING PLATE
WIRING CODE
FACTORY WIRING
HIGH VOLTAGE
LOW VOLTAGE
OPTIONAL HIGH VOLTAGE
FIELD WIRING
HIGH VOLTAGE
LOW VOLTAGE
IO
CM
Y
YL
YL
C
R
S
RD
BK AUX
MAIN
COMP
NOTE 1
SC
RD BL
RCCF
F
CHERM
YL
YL
YL
BR
RD
PU
YL
RD
SR
5
21
BK
YL
BL
RD
YL
BL
RD
RD
BKBK
BK
C
T1
L1
T2
L2
RD
SA
(IF USED)
NOTE 2
EQUIPMENT GROUND
USE COPPER
CONDUCTORS ONLY
PU
BR
BK
MAIN
AUX
CM
IO
T1
L1
T2
L2
ALTERNATE DOUBLE
POLE CONTACTOR
NOTES:
1) TO INDOOR UNIT LOW VOLTAGE
TERMINAL BLOCK AND INDOOR
THERMOSTAT
2) START ASSIST FACTORY
EQUIPPED WHEN REQUIRED.

Product SPecificationS Product SPecificationS
SS-GSX13 www.goodmanmfg.com 39
ACCeSSorieS
Model Description GSX13
018D*
GSX13
018E*
GSX13
024C*
GSX13
024D*
GSX13
030B*
GSX13
036**
GSX13
042B*
GSX13
048B*
GSX13
060B*
GSX13
061A*
ABK-20 ^X X X XX X X X
ABK-21 ^X X
ASC-01 XXXXX X XXXX
CSR-U-1 Hard-start Kit X X X X X
CSR-U-2 Hard-start Kit X X X X X
CSR-U-3 Hard-start Kit X X X
FSK01A¹ XXXXX X XXXX
LSK02A² Liquid Line Solenoid Kit X X X X X X X X X X
TX2N4² TXV Kit X X
TX2N4A² TXV Kit X X X X
TX3N4² TXV Kit X X
TX5N4² TXV Kit X X X X
^
¹ Installed on indoor coil
-

Product SPecificationS Product SPecificationS
40 www.goodmanmfg.com SS-GSX13
Goodman Manufacturing Company, L.P., reserves the right to discontinue, or change at any time, specications or designs without
notice or without incurring obligations. © 2013 • Goodman Manufacturing Company, L.P. • Houston, Texas • Printed in the USA.
noteS