Goodman Mfg Co Lp Furnace Acvc9 Amvc95 Users Manual
ACVC9AMVC95 to the manual cc43a661-df80-4a0f-9aa7-0e78b9bdfa3f
2015-02-02
: Goodman-Mfg Goodman-Mfg-Goodman-Mfg-Co-Lp-Furnace-Acvc9-Amvc95-Users-Manual-429684 goodman-mfg-goodman-mfg-co-lp-furnace-acvc9-amvc95-users-manual-429684 goodman-mfg pdf
Open the PDF directly: View PDF
.
Page Count: 37

CUS
®
Copyright ©2009-2010 Goodman Manufacturing Company, L.P.
RT6612021 Rev. 3
August 2010
This manual is to be used by qualified, professionally trained HVAC technicians only. Goodman does
not assume any responsibility for property damage or personal injury due to improper service
procedures performed by an unqualified person.
ACVC9/AMVC95
GCVC9/GMVC95
90%-95% Gas Furnace Units
•Refer to Service Manual RS6200004 for installation, operation, and troubleshooting information.
•All safety information must be followed as provided in the Service Manual.
•Refer to the appropriate Parts Catalog for part number information.
•Models listed on page 3.
TECHNICAL MANUTECHNICAL MANU
TECHNICAL MANUTECHNICAL MANU
TECHNICAL MANUALAL
ALAL
AL
TM

PRODUCT IDENTIFICATION
2
The model and manufacturing number are used for positive identification of component parts used in manufacturing.
Please use these numbers when requesting service or parts information.
WARNING
WARNING HIGH VOLTAGE!
Disconnect ALL power before servicing or installing this unit. Multiple power
sources may be present. Failure to do so may cause property damage, personal
injury or death.
Installation and repair of this unit
should be performed ONLY by indi-
viduals meeting the requirements of an "entry level tech-
nician", at a minimum, as specified by the Air-Conditioning,
Heating, and Refrigeration Institute (AHRI). Attempting to
install or repair this unit without such background may
result in product damage, personal injury or death.
Goodman will not be responsible
for any injury or property damage
arising from improper service or service procedures. If
you install or perform service on this unit, you assume
responsibility for any personal injury or property damage
which may result. Many jurisdictions require a license to
install or service heating and air conditioning equipment.
WARNING
WARNING WARNING
WARNING
GCVC90704CXAA
FURNACE TYPE:
V: Variable Speed
SUPPLY TYPE:
C: Counterflow/
Horizontal
M: Upflow/
Horizontal
AFUE
9: 90%
95: 95%
PRODUCT
TYPE:
G: Goodman®
A: Amana®
Brand Gas
NOMINAL INPUT:
045: 45,000 Btuh
070: 70,000 Btuh
071: 70,000 Btuh
090: 90,000 Btuh
091: 90,000 Btuh
115: 115,000 Btuh
CABINET
WIDTH:
B: 17-1/2"
C: 21"
D: 24-1/2"
ADDITIONAL
FEATURES:
N: Natural Gas
X: Low NOx
AIRFLOW
CAPABILITY:
3: 1200
4: 1600
5: 2000
COMMUNICATION
FEATURE:
C: 4-wire
Communication
Ready
MINOR
REVISION
LEVEL
A: Initial Release
MAJOR
REVISION
LEVEL
A: Initial Release

3
PRODUCT IDENTIFICATION
The model and manufacturing number are used for positive identification of component parts used in manufacturing. Please
use these numbers when requesting service or parts information.
AMVC950453BXAA
AMVC950704CXAA
AMVC950905CXAA
AMVC950905DXAA
AMVC951155DXAA
ACVC90704CXAA
ACVC90905DXAA
AMVC950453BXAB
AMVC950704CXAB
AMVC950905DXAB
AMVC951155DXAB
ACVC90704CXAB
ACVC90905DXAB
ACVC950714CXAA
ACVC950915DXAA
The United States Environmental Protection Agency (“EPA”) has issued various regulations re-
garding the introduction and disposal of refrigerants introduced into this unit. Failure to follow
these regulations may harm the environment and can lead to the imposition of substantial fines.
These regulations may vary by jurisdiction. Should questions arise, contact your local EPA office.
WARNING
WARNING
Do not connect or use any device
that is not design certified by
Goodman for use with this unit.
Serious property damage, personal injury, reduced unit
performance and/or hazardous conditions may result
from the use of such non-approved devices.
WARNING
WARNING To prevent the risk of property
damage, personal injury, or death,
do not store combustible materials or use gasoline or
other flammable liquids or vapors in the vicinity of this
appliance.
WARNING
WARNING
GMVC950453BXAA
GMVC950704CXAA
GMVC950905CXAA
GMVC950905DXAA
GMVC951155DXAA
GCVC90704CXAA
GCVC90905DXAA
GCVC91155DXAA
GMVC950453BXAB
GMVC950704CXAB
GMVC950905DXAB
GMVC951155DXAB
GCVC90704CXAB
GCVC90905DXAB
GCVC91155DXAB
GCVC950714CXAA
GCVC950915DXAA

4
PRODUCT DESIGN
installation (1 or 2 pipes). The optional Combustion Air
Pipe is dependent on installation/code requirements and
must be 2” or 3” diameter PVC.
2. Line voltage wiring can enter through the right or left side
of the furnace. Low voltage wiring can enter through the
right or left side of furnace.
3. Conversion kits for propane gas and high altitude natural
and propane gas operation are available. See High Alti-
tude Derate chart for details.
4. Installer must supply the following gas line fittings, de-
pending on which entrance is used:
Left -- Two 90° Elbows, one close nipple, straight pipe
Right -- Straight pipe to reach gas valve.
Accessibility Clearances (Minimum)
POSITION* FRONT SIDES REAR TOP FLUE FLOOR
Upflow30010 C
Horizontal Alcove 6 0 4 0 C
*= All positioning is determined as installed unit is viewed from the front.
C= If placed on combustible floor, floor MUST be wood only.
POSITION* FRONT SIDES REAR TOP FLUE FLOOR
Upflow10010NC
Horizontal Alcove 6 0 4 0 C
*= All positioning is determined as installed unit is viewed from the front.
C= If placed on combustible floor, floor MUST be wood only.
*MVC95* MINIMUM CLEARANCES TO COMBUSTIBLE MATERIALS
(INCHES)
NC= For instalaltion on non-combustible floors only. A combustible
subbase must be used for i nstallations on combustible flooring.
*CVC9 MINIMUM CLEARANCES TO COMBUSTIBLE MATERIALS
(INCHES)
NC= For instalaltion on non-combustible floors only. A combustible
subbase must be used for i nstallations on combustible flooring.
Alcove Illustration
REAR
SIDE
SIDE
A
LCOVE
24" at front is required for servicing or cleaning.
Note: In all cases accessibility clearance shall take
precedence over clearances from the enclosure where
accessibility clearances are greater. All dimensions are
given in inches.
High Altitude Derate
When this furnace is installed at high altitude, the appropri-
ate High Altitude orifice kit must be installed. This is re-
General Operation
Models covered by this manual come with a new 4-wire com-
municating PCB. When paired with a compatible communi-
cating indoor unit and a CTK01AA communicating thermo-
stat, these models can support 4-wire communication pro-
tocol and provide more troubleshooting information. These
models are also backward compatible with the legacy ther-
mostat wiring.
The GCVC9, GCVC95, GMVC95, AMVC95, ACVC9 and
ACVC95 furnaces are equipped with an electronic ignition
device to light the burners and an induced draft blower to
exhaust combustion products.
An interlock switch prevents furnace operation if the blower
door is not in place. Keep the blower access doors in place
except for inspection and maintenance.
These furnaces are also equipped with a self-diagnosing elec-
tronic control module. In the event a furnace component is
not operating properly, the control module's dual 7-segment
LED's will display an alpha-numeric code, depending upon
the problem encountered. These LED's may be viewed
through the observation window in the blower access door.
Refer to the Troubleshooting Chart for further explanation of
the LED codes and Abnormal Operation - Integrated Igni-
tion Control section in the Service Instructions for an expla-
nation of the possible problem.
The rated heating capacity of the furnace should be greater
than or equal to the total heat loss of the area to be heated.
The total heat loss should be calculated by an approved
method or in accordance with “ASHRAE Guide” or “Manual
J-Load Calculations” published by the Air Conditioning Con-
tractors of America.
*Obtain from: American National Standards Institute 1430
Broadway New York, NY 10018
Location Considerations
• The furnace should be as centralized as is practical
with respect to the air distribution system.
• Do not install the furnace directly on carpeting, tile, or
combustible material other than wood flooring.
• When suspending the furnace from rafters or joists,
use 3/8" threaded rod and 2” x 2” x 1/8” angle as
shown in the Installation and Service Instructions. The
length of the rod will depend on the application and
clearance necessary.
• When installed in a residential garage, the furnace
must be positioned so the burners and ignition source
are located not less than 18 inches (457 mm) above
the floor and protected from physical damage by ve-
hicles.
Notes:
1. Installer must supply one or two PVC pipes: one for com-
bustion air (optional) and one for the flue outlet (required).
Vent pipe must be either 2” or 3” in diameter, depending
upon furnace input, number of elbows, length of run and

5
PRODUCT DESIGN
quired due to the natural reduction in the density of both the
gas fuel and combustion air as altitude increases. The kit
will provide the proper design certified input rate within the
specified altitude range.
High altitude kits are purchased according to the installa-
tion altitude and usage of either natural or propane gas. Refer
to the chart above for a tabular listing of appropriate altitude
ranges and corresponding manufacturer’s high altitude Natu-
ral Gas and Propane Gas kits. For a tabular listing of appro-
priate altitude ranges and corresponding manufacturer's High
Altitude Pressure Switch kits, refer to either the Pressure
Switch Trip Points & Usage Chart in this manual or the Ac-
cessory Charts in Service Instructions.
Single Stage Thermostat
A single-stage thermostat with only one heating stage may
be used to control this furnace. The application of a single-
stage thermostat does not offer “true” thermostat-driven two-
stage operation, but provides a timed transition from low to
high fire. The furnace will run on low stage for a fixed period
of time before stepping up to high stage to satisfy the
thermostat’s call for heat. The delay period prior to stepping
up can be set at either a fixed 5 minute time delay or a load
based variable time between 1 and 12 minutes (AUTO mode).
If the AUTOmode is selected, the control averages the cycle
times of the previous three cycles and uses the average to
determine the time to transition from low stage to high stage.
To use a single-stage thermostat, turn off power to the fur-
nace, move the thermostat selection DIP switch to the OFF
position. Set the desired transition time by setting the tran-
sition delay DIP switch to the desired ON/OFF position. Turn
power back on. Refer to the following figure.
3
4
Thermostat
Stage Delay
Move to the ON position
to select two-stage
thermostat or OFF to
select single stage
thermostat
Move to the ON position
to select Auto transition
delay or OFF for 5 minute
transition delay
Heat OFF Delay
DIP Switches
ON OFF
S1
1 LPM-05* supports White-Rodgers 2-stage valves only
2 LPM-06* supports Honeywell and White-Rodgers 2-stage valves
Natural
Propane
Natural
Propane
Natural
Propane
GMVC950453BX*
GMVC950704CX*
AMVC950453BX*
AMVC950704CX*
No
Change
LPM-05*(1)
LPM-06*(2)
# 55 Orifice
No
Change
HANG13
#44
Orifice
HALP11
#56
Orifice
HAPS28
HANG14
#45
Orif ice
HALP11
#56
Orifice
HAPS28
GMVC950905CX*
AMVC950905CX*
No
Change
LPM-05*(1)
LPM-06*(2)
# 55 Orifice
No
Change N/A N/A N/A N/A N/A N/A
GMVC950905DX*
GMVC951155DX*
AMVC950905DX*
AMVC951155DX*
No
Change
LPM-05*(1)
LPM-06*(2)
# 55 Orifice
No
Change
HANG13
#44
Orifice
HALP11
#56
Orifice
HAPS29
HANG14
#45
Orif ice
HALP11
#56
Orifice
HAPS29
GCVC90704CX*
GCVC90905DX*
GCVC91155DX*
ACVC90704CX*
ACVC90905DX*
No
Change
LPM-05*(1)
LPM-06*(2)
# 55 Orifice
No
Change
HANG13
#44
Orifice
HALP11
#56
Orifice
HAPS29
HANG14
#45
Orif ice
HALP11
#56
Orifice
HAPS31
GCVC950714CX*
GCVC950915DX*
ACVC950714CX*
ACVC950915DX*
No
Change
LPM-05*(1)
LPM-06*(2)
# 55 Orifice
No
Change N/A N/A N/A N/A N/A N/A
ID Blw r
Pressure
Sw itch
Gas Orifices
9,001 - 11,000 Feet
"STANDARD" and "HIGH ALTITUDE" KITS
Furnace ID Blwr
Pressure
Switch
Gas Orifices
0 - 7,000 Feet
(Standard Altitude) 7,001 - 9,000 Feet
Gas Orifices
ID Blwr
Pressure
Switch

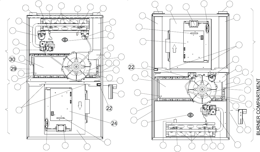
COMPONENT IDENTIFICATION
6
Counterflow /HorizontalUpflow/Horizontal
1 Two-Stage Gas Valve
2 Gas Line Entrance (Alternate)
3 Pressure Switch(es)
4 Gas Manifold
5 Combustion Air Intake Connection
6 Hot Surface Igniter
7 Rollout Limit
8 Burners
9 Flame Sensor
10 Flue Pipe Connection
11 Flue Pipe
12 Primary Limit
13 Gas Line Entrance
14 Flue Pipe Connection (Alternate)
15 Rubber Elbow
16 Two-Speed Induced Draft Blower
17 Electrical Connection Inlets (Alternate)
18 Coil Front Cover Pressure Tap
19 Coil Front Cover Drain Port
20 Drain Line Penetrations
21 Drain Trap
22 Blower Door Interlock Switch
23 Inductor (Not All Models)
24 Two-Stage Integrated Control Module
(with fuse and diagnostic LED)
25 24 Volt Thermostat Connections
26 Transformer (40 VA)
27 ECM Variable Speed Circulator Blower
28 Auxiliary Limit
29 Junction Box
30 Electrical Connection Inlets
31 Coil Front Cover
32 Combustion Air Inlet Pipe (*CVC9/95 only)
BLOWER COMPARTMENT
1
97874
6
12
13
21
20
19
18
31
3
24
23
25
32
526
27 10
28
3
15 14
16
18 19
20
2
11
17
30
29
BLOWER COMPARTMENT BURNER COMPARTMENT
1
2
3
4
56787910
11
3
12
13
14
15
16
18
19 20
23 25
26 27
28
21
20
1918
31 17
*
*
*
*
*
*
*
*
*

7
PRODUCT DIMENSIONS GMVC95/AMVC95___X*
NOTE: Airflow area will be reduced by approximately 18% if duct flanges are not unfolded. This could cause performance issues and noise issues.
AIR
DISCHARGE
A
IR
DISCHARGE
LOW VOLTAGE
ELECTRICAL HOLE
HIGH VOLTAGE
ELECTRICAL HOLE
SIDE CUT-OUT
LEFT SIDE
VIEW
SIDE CUT-OUT
HIGH VOLTAGE
ELECTRICAL HOLE
LOW VOLTAGE
ELECTRICAL HOLE
RIGHT SIDE
DRAIN LINE
HOLES
STANDARD GAS
SUPPLY HOLE
DRAIN
TRAP
19 3/4
AIR INTAKE
PIPE
2" PVC
LEFT SIDE
DRAIN LINE
HOLES
1 3/4
DRAIN
TRAP
1 1/2
1 5/8
30 1/4
11 3/4
19 3/16
BOTTOM KNOCK-OUT
23 9/16
2 11/16
VENT/FLUE PIPE
2" PVC
RIGHT SIDE
VIEW
2 5/8
32 13/16
19 3/16
1 3/4
CONDENSATE
DRAIN TRAP
w/ 3/4" PVC
DISCHARGE
(RIGHT OR
LEFT SIDE)
2
BOTTOM KNOCK-OUT
C
B
A
(DISCHARGE AIR)
4 1/8
CABINET
SIZE UNITSABCD
SMALL 0453BX* 17 1/2 15 12 3/8 12 5/8
MEDIUM 0704CX*
0905CX* 21 19 16 3/8 14 5/8
LARGE 0905DX*
1155DX* 24 1/2 23 20 3/8 18 5/8
All dimensions are in inches.

PRODUCT DIMENSIONS
8
GCVC9/ACVC9_____X*
NOTE: Airflow area will be reduced by approximately 18% if duct flanges are not unfolded. This could cause performance issues and noise issues.
LOW VOLTAGE
ELECTRICAL HOLE
AIR INTAKE
PIPE
2" PVC
LEFT SIDE
DRAIN LINE
HOLES
DRAIN
TRAP
28 5/16
11 1/2
9 13/16
15 1/2
UNFOLDED FLANGES
1 3/4
18 5/8
2 5/8
HIGH VOLTAGE
ELECTRICAL HOLE
20 5/32
2
UNFOLDED FLANGES
DISCHARGE AIR
E
CONDENSATE
DRAIN TRAP
w/ 3/4" PVC
DISCHARGE
(RIGHT OR
LEFT SIDE)
FOLDED FLANGES
(RETURN AIR)
A
HIGH VOLTAGE
ELECTRICAL HOLE
LOW VOLTAGE
ELECTRICAL HOLE
RIGHT SIDE
DRAIN LINE
HOLES
VENT/FLUE PIPE
2" PVC
DRAIN
TRAP
A
LTERNATE GAS
SUPPLY HOLE
1 3/4
28 5/16
18 13/16
14
STANDARD GAS
SUPPLY HOLE
FOLDED FLANGES
2 11/16
C
7 3/8
AIR
DISCHARGE
A
IR
DISCHARGE
B
CABINET
SIZE UNITSABCDE
MEDIUM 0704CX*
0714CX* 21 19 16 3/8 14 5/8 17 1/2
LARGE 0905DX*
0915DX*
1155DX* 24 1/2 23 20 3/8 18 5/8 20 7/8
All dimensions are in inches.

9
PRODUCT DESIGN
LOW FIRE HIGH FIRE LOW FIRE HIGH FIRE LOW FIRE HIGH FIRE LOW FIRE HIGH FIRE
GMVC950453BX*
GMVC950704CX*
AMVC950453BX*
AMVC950704CX*
-0.45 -0.90 -0.50 -0.95 -0.25 -0.25 -0.25 -0.25
GMVC950905CX*
AMVC950905CX* -0.75 -1.85 -.060 -1.70 -0.10 -0.10 -0.10 -0.10
GMVC950905DX*
GMVC951155DX*
AMVC950905DX*
AMVC951155DX*
-0.65 -1.20 -0.70 -1.25 -0.25 -0.25 -0.25 -0.25
GCVC90704CX*
ACVC90704CX* -0.35 -0.70 -0.20 -0.55 -0.52 -0.52 -0.37 -0.37
GCVC950714CX*
ACVC950714CX* -0.95 -1.75 -1.00 -1.80 -0.10 -0.10 -0.10 -0.10
GCVC90905DX*
ACVC90905DX* -0.35 -0.70 -0.20 -0.55 -0.52 -0.52 -0.37 -0.37
GCVC950915DX*
ACVC950915DX* -0.95 -1.75 -1.00 -1.80 -0.10 -0.10 -0.10 -0.10
GCVC91155DX* -0.35 -0.70 -0.20 -0.55 -0.52 -0.52 -0.37 -0.37
(2) Data given is least negative pressure required for pressure switch to remain closed.
Note: The typical sea level negative pressure data represents the minimum pressures expected. Shorter length of flue pipe or single pi pe systems compared to
dual pipe systems should show higher (greater negative) pressures.
PRESSURE SWITCH TRIP POINTS AND USAGE CHART
NEGATIVE PRESSURE
ID BLOWER
WITH FLUE
NOT FIRING
TYPICAL SEA LEVEL
DATA(1)
NEGATIVE PRESSURE
ID BLOWER
WITH FLUE
FIRING
TYPICAL SEA LEVEL
DATA(2)
NEGATIVE PRESSURE
COIL COVER
WITH FLUE
NOT FIRING
TYPICAL SEA LEVEL
DATA(1)
NEGATIVE PRESSURE
COIL COVER
WITH FLUE
FIRING
TYPICAL SEA LEVEL
DATA(2)
MODEL
(1) Data gi ven is least negative pressure required for pressure switch to close.

10
PRODUCT DESIGN
LOW FIRE HIGH FIRE LOW FIRE HIGH FIRE LOW FIRE HIGH FIRE LOW FIRE HIGH FIRE
GMVC950453BX*
GMVC950704CX*
AMVC950453BX*
AMVC950704CX*
-0.10 -0.10 20197308 -0.30 -0.75 11177113 -0.10 -0.10 -0.22 -0.55 HAPS28
11177115
GMVC950905CX*
AMVC950905CX* -0.10 -0.10 0130F00070 -0.60 -1.70 0130F00111 N/A N/A N/A N/A N/A
GMVC950905DX*
GMVC951155DX*
AMVC950905DX*
AMVC951155DX*
-0.10 -0.10 20197308 -0.50 -1.10 11177114 -0.10 -0.10 -0.38 -0.82 HAPS29
11177116
GCVC90704CX*
ACVC90704CX* -0.37 -0.37 20197313 -0.20 -0.55 11177118 -0.37 -0.37 -0.15 -0.30 HAPS31
GCVC950714CX*
ACVC950714CX* -0.10 -0.10 0130F00070 -0.80 -1.60 0130F00100 N/A N/A N/A N/A N/A
GCVC90905DX*
ACVC90905DX* -0.37 -0.37 20197313 -0.20 -0.55 11177118 -0.37 -0.37 -0.15 -0.30 HAPS31
GCVC950915DX*
ACVC950915DX* -0.10 -0.10 0130F00070 -0.80 -1.60 0130F00100 N/A N/A N/A N/A N/A
GCVC91155DX* -0.37 -0.37 20197313 -0.20 -0.55 11177118 -0.37 -0.37 -0.15 -0.30 HAPS31
PRESSURE SWITCH TRIP POINTS AND USAGE CHART
Note: All installations above 7,000 ft. require a pressure switch change. For installations in Canada the *MVC95 & *CVC9/95 furnaces are certified only to 4500 ft.
TRIP POINT
COIL COVER
PRESSURE SWITCH
TRIP POINT
COIL COVER
PRESSURE SWITCH
TRIP POINT
ID BLOWER
PRESSURE SWITCH
COIL COVER
PRESSU RE
SWITCH
PART #
Note: Replacement pressure switch number is listed below high altitude kit number.
Note: All negative pressure readings are in inches of water column (" w.c.).
0 to 7,000 ft.
MODEL
TRIP POINT
ID BLOWER
PRESSURE SWITCH HIGH
ALTITUDE
KIT
7,001 ft. to 11,000 ft.
ID BLOWER
PRESSURE
SWITCH
PART #

11
PRODUCT DESIGN
Part Number 20162903 20162904 20162905 20162907 20162908 0130F00105
Open Setting (°F) 160 150 145 155 170 130
GMVC950453BX*
AMVC950453BX* --- --- 1 --- --- ---
GMVC950704CX*
AMVC950704CX* --- --- --- 1 --- ---
GMVC950905CX*
AMVC950905CX* --- --- --- --- --- 1
GMVC950905DX*
AMVC950905DX* --- --- 1 --- --- ---
GMVC951155DX*
AMVC951155DX* --- 1 --- --- --- ---
GCVC90704CX*
ACVC90704CX* 1 --- --- --- --- ---
GCVC950714CX*
ACVC950714CX* --- 1 --- --- --- ---
GCVC90905DX*
ACVC90905DX* --- --- --- --- 1 ---
GCVC950915DX*
ACVC950915DX* --- --- --- --- --- 1
GCVC91155DX* ---- ---- 1 ---- ---- ---
PRIMARY LIMIT
Part Number 10123512 10123517 10123518 10123533 10123534 10123537
Open Setting (°F) 325 210 170 200 220 190
GMVC950453BX*
AMVC950453BX* --- --- 1 --- --- ---
GMVC950704CX*
AMVC950704CX* --- --- --- 2 --- ---
GMVC950905CX*
AMVC950905CX* --- --- --- 2 --- ---
GMVC950905DX*
AMVC950905DX* --- --- --- --- --- 2
GMVC951155DX*
AMVC951155DX* --- --- --- 2 --- ---
GCVC90704CX*
ACVC90704CX* ---- --- --- --- 2 ---
GCVC950714CX*
ACVC950714CX* ---- 2 ---- ---- ---- ----
GCVC90905DX*
ACVC90905DX* --- 2 --- --- --- ---
GCVC950915DX*
ACVC950915DX* --- 2 --- --- --- ---
GCVC91155DX* ---- 2 ---- ---- ---- ---
ROLLOUT LIMIT SWITCHES

12
PRODUCT DESIGN
Part Number 10123534 10123535 10123537 10123536 10123533 0130F00038
Open Setting (°F) 220 150 190 180 200 120
GMVC950453BX*
AMVC950453BX* --- 2 --- --- --- ---
GMVC950704CX*
AMVC950704CX* ------ 2 ---------
GMVC950905CX*
AMVC950905CX* --- --- --- --- --- 2
GMVC950905DX*
AMVC950905DX* --- --- --- 2 --- ---
GMVC951155DX*
AMVC951155DX* --- --- --- --- 2---
GCVC90704CX*
ACVC90704CX* 2 --- --- --- --- ---
GCVC950714CX*
ACVC950714CX* --- --- --- --- --- 2
GCVC90905DX*
ACVC90905DX* --- --- --- 2 --- ---
GCVC950915DX*
ACVC950915DX* --- --- --- --- --- 2
GCVC911555DX* --- --- --- 2 --- ---
AUXILIARY LIMIT SWITCHES

13
PRODUCT DESIGN
Coil Matches:
A large array of Amana® brand coils are available for use with the GCVC9 and ACVC9 furnaces, in either counterflow or
horizontal applications & with GMVC95 and AMVC95 furnaces, in either upflow or horizontal applications. These coils are
available in both cased and uncased models (with the option of a field installed TXV expansion device). These 92%+ and
95%+ furnaces match up with the existing Amana® brand coils as shown in the chart below.
Coil Matches (for Goodman® and Amana® Brand units using R22 and R-410A):
• All CAPF coils in B, C, & D widths have insulated blank off plates for use with one size smaller furnaces.
• All CAPF coils have a CAUF equivalent.
• All CHPF coils in B, C & D heights have an insulated Z bracket for use with one size smaller furnace.
• All proper coil combinations are subject to being ARI rated with a matched outdoor unit.
C A P F 1824 A 6 A
PRODUCT
TYPE:
C: Indoor Coil
CABINET FINISH:
U: Unpainted
P: Painted
N: Unpainted Case
EXPANSION
DEVICE:
F: Flowrater
NOMINAL CAPACITY RANGE
@ 13 SEER
1824: 1 1/2 to 2 Tons
3030: 2 1/2 Tons
3636: 3 Tons
3642: 3 to 3 1/2 Tons
3743: 3 to 3 1/2 Tons
4860: 4 & 5 Tons
4961: 4 & 5 Tons
REVISION
A: Revision
NOMINAL WIDTH FOR GAS FURNACE
A: Fits 14" Furnace Cabinet
B: Fits 17 1/2" Furnace Cabinet
C: Fits 21" Furnace Cabinet
D: Fits 24 1/2" Furnace Cabinet
N: Does Not Apply (Horizontal Slab Coils)
APPLICATION
A: Upflow/Downflow Coil
H: Horizontal A Coil
S: Horizontal Slab Coil
REFRIGERANT
CHARGE:
6: R-410A or R-22
2: R-22
4: R-410a

14
PRODUCT DESIGN
Thermostats:
ComfortNet™ CTK01A* Thermostat Kit
Filters:
Filters are required with this furnace and must be provided by the installer. The filters used must comply with UL900 or
CAN/ULCS111 standards. Installing this furnace without filters will void the unit warranty
Upflow Filters
Return air filters may be installated at the furnace side and/or bottom return openings. The furnace bottom return opening
and side openings will accommodate the following filter sizes depending on cabinet size:
Refer to Minimum Filter Area tables to determine filter area requirement. NOTE: Filters can also be installed elsewhere in
the duct system such as a central return.
Disposable Minimum Filter Area (in2)
[Based on a 300 ft/min filter face velocity]
*Minimum filter area dictated by heating airflow requirement.
Cabinet
Width
(in.)
Nominal
Filter Size
(in.)
Approx.
Flow Area
(in2)
Cabinet
Width
(in.)
Nominal
Filter Size
(in.)
Approx.
Flow Area
(in2)
All 16 x 25 x 1 400 17-1/2 14 x 25 x 1 350
21 16 x 25 x 1 400
24-1/2 20 x 25 x 1 500
Side Return Opening(s) Bottom Return Opening
600 800 1000 1200 1400 1600 1800 2000
0453__X* 415* 415* 480 576 --- --- --- ---
0704__X* --- --- 636* 636* 672 768 --- ---
0905__X* --- --- --- 826* 826* 826* 864 960
1155__X* --- --- --- 875* 875* 875* 875* 960
600 800 1000 1200 1400 1600 1800 2000
0704__X*
0714__X* --- --- 634* 634* 672 768 --- ---
0905__X*
0915__X* --- --- --- 819* 819* 819* 864 960
1155__X* --- --- --- 860* 860* 860* 864 960
Input__Airflow
UPFLOW
COOLING AIRFLOW REQUIREMENT (CFM)
COUNTERFLOW
COOLING AIRFLOW REQUIREMENT (CFM)
Input
Airflow

15
PRODUCT DESIGN
Counterflow Filters
"A"
Min
Return Air
Optional
Access
Door
Return air filters may be installated at the at the counterflow top return. A field supplied center filter support must be provided
by the installer in order to use the top return. The furnace will accommodate the following counterflow top return filter sizes
depending on cabinet size:
Refer to Minimum Filter Area tables to determine filter area requirement. NOTE: Filters can also be installed elsewhere
in the duct system such as a central return.
Cabinet Width Filter Area
(in2)Qty Filter Size
(in) Dimension "A"
(in)
17 1/2 14.2
21 13.0
24 1/2 11.3
17 1/2 19.7
21 18.8
24 1/2 17.7
17 1/2 25.0
21 24.3
24 1/2 23.4
800 2 20 X 20 X 1
1000 2 25 X 20 X 1
Counterflow Top Return
600 2 15 X 20 X 1
Disposable Minimum Filter Area (in2)
[Based on a 600 ft/min filter face velocity]
*Minimum filter area dictated by heating airflow requirement.
600 800 1000 1200 1400 1600 1800 2000
0453__X* 207* 207* 240 288 --- --- --- ---
0704__X* --- --- 318* 318* 336 384 --- ---
0905__X* --- --- --- 413* 413* 413* 432 480
1155__X* --- --- --- 437* 437* 437* 432 480
600 800 1000 1200 1400 1600 1800 2000
0704__X*
0714__X* --- --- 316* 316* 336 384 --- ---
0905__X*
0915__X* --- --- --- 409* 409* 409* 432 480
1155__X* --- --- --- 430* 430* 430* 432 480
Input__Airflow
UPFLOW
COOLING AIRFLOW REQUIREMENT (CFM)
COUNTERFLOW
COOLING AIRFLOW REQUIREMENT (CFM)
Input
Airflow

FURNACE SPECIFICATIONS
1. These furnaces are manufactured for natural gas operation. Optional Kits are available for conversion to propane gas operation.
2. For elevations above 2000 ft. the rating should be reduced by 4% for each 1000 ft. above sea level. The furnace must not be derated, orifice
changes should only be made if necessary for altitude.
3. The total heat loss from the structure as expressed in TOTAL BTU/HR must be calculated by the manufactures method in accordance with the
"A.S.H.R.A.E. GUIDE" or "MANUAL J-LOAD CALCULATIONS" published by the AIR CONDITIONING CONTRACTORS OF AMERICA. The total
heat loss calculated should be equal to or less than the heating capacity. Output based on D.O.E. test procedures, steady state efficiency times
output.
4. Minimum Circuit Ampacity calculated as: (1.25 x Circulator Blower Amps) + I.D. Blower Amps.
16
GMVC95
MODEL GMVC950453BX* GMVC950704CX* GMVC950905CX* GMVC950905DX* GMVC951155DX*
Btuh Input (US) High Fire 46,000 69,000 92,000 92,000 115,000
Output (US) High Fire 44,300 66,900 88,800 88,800 111,100
Btuh Input (US) Low Fire 32,000 48,000 64,000 64,000 80,000
Output (US) Low Fire 30,800 46,400 61,700 61,700 77,400
A.F.U.E. 95% 95% 95% 95% 95%
Rated External Static (" w.c.) .10 - .50 .10 - .50 .10 - .50 .10 - .50 .10 - .50
Temperature Rise (°F) 30 - 60 30 - 60 30 - 60 30 - 60 35 - 65
High Stage Pressure Switch Trip Point (" w.c.) -0.75 -0.75 -1.70 -1.10 -1.10
Low Stage Pressure Switch Trip Point (" w.c.) -0.30 -0.30 -0.60 -0.50 -0.50
Front Cover Pressure Switch Trip Point (" w.c) -0.10 -0.10 -0.10 -0.10 -0.10
Blower Wheel (D" x W") 10 x 8 10 x 10 11 x 10 11 x 10 11 x 10
Blower Horsepower 1/2 3/4 1 1 1
Blower Speeds
Max CFM @ 0.5 E.S.P.
Power Supply 115-60-1 115-60-1 115-60-1 115-60-1 115-60-1
Minimum Circuit Ampacity (MCA) 11.3 14.1 14.4 14.4 14.4
Maximum Overcurrent Device 15 15 15 15 15
Transformer (VA) 40 40 40 40 40
Heat Anticipator (Amps) 0.7 0.7 0.7 0.7 0.7
Primary Limit Setting (°F) 145 155 130 145 150
Auxiliary Limit Setting (°F) 150 190 120 180 200
Rollout Limit Setting (°F) 170 200 200 190 200
Fan Delay On Heating 30 secs. 30 secs. 30 secs. 30 secs. 30 secs.
Off Heating * 150 secs. 150 secs. 150 secs. 150 secs. 150 secs.
Fan Delay On Cooling 5 secs. 5 secs. 5 secs. 5 secs. 5 secs.
Off Cooling 45 secs. 45 secs. 45 secs. 45 secs. 45 secs.
Fan Delay On - Fan Only 5 secs. 5 secs. 5 secs. 5 secs. 5 secs.
Gas Supply Pressure (Natural/Propane) (" w.c.) 7 / 11 7 / 11 7 / 11 7 / 11 7 / 11
Manifold Pressure (Natural/Propane) High Stage (" w.c.) 3.5 / 10 3.5 / 10 3.5 /10 3.5 /10 3.5 /10
Manifold Pressure (Natural/Propane) Low Stage ("w.c.) 1.9 / 6.0 1.9 / 6.0 1.9 / 6.0 1.9 / 6.0 1.9 / 6.0
Orifice Size (Natural/Propane) #43 / #55 #43 / #55 #43 / #55 #43 / #55 #43 / #55
Number of Burners 2 3 4 4 5
Vent Connector Diameter (inches) 2 2 2 2 2
Combustion Air Connector Diameter (inches) 2 2 2 2 2
Shipping Weight (lbs.) 133 157 172 172 184
Refer to airflow charts in this manual.
* Off Heating - This fan delay timing is adjustable (90, 120, 150 or 180 seconds), 150 seconds as shipped.

FURNACE SPECIFICATIONS
17
1. These furnaces are manufactured for natural gas operation. Optional Kits are available for conversion to propane gas operation.
2. For elevations above 2000 ft. the rating should be reduced by 4% for each 1000 ft. above sea level. The furnace must not be derated, orifice
changes should only be made if necessary for altitude.
3. The total heat loss from the structure as expressed in TOTAL BTU/HR must be calculated by the manufactures method in accordance with the
"A.S.H.R.A.E. GUIDE" or "MANUAL J-LOAD CALCULATIONS" published by the AIR CONDITIONING CONTRACTORS OF AMERICA. The total
heat loss calculated should be equal to or less than the heating capacity. Output based on D.O.E. test procedures, steady state efficiency times
output.
4. Minimum Circuit Ampacity calculated as: (1.25 x Circulator Blower Amps) + I.D. Blower Amps.
AMVC95
MODEL AMVC950453BX* AMVC950704CX* AMVC950905CX* AMVC950905DX* AMVC951155DX*
Btuh Input (US) High Fire 46,000 69,000 92,000 92,000 115,000
Output (US) High Fire 44,300 66,900 88,800 88,800 111,100
Btuh Input (US) Low Fire 32,000 48,000 64,000 64,000 80,000
Output (US) Low Fire 30,800 46,400 61,700 61,700 77,400
A.F.U.E. 99% 95.5% 95.7% 95.7% 95.8%
Rated External Static (" w.c.) .10 - .50 .10 - .50 .10 - .50 .10 - .50 .10 - .50
Temperature Rise (°F) 30 - 60 30 - 60 30 - 60 30 - 60 35 - 65
High Stage Pressure Switch Trip Point (" w.c.) -0.75 -0.75 -1.70 -1.10 -1.10
Low Stage Pressure Switch Trip Point (" w.c.) -0.30 -0.30 -0.60 -0.50 -0.50
Front Cover Pressure Switch Trip Point (" w.c) -0.10 -0.10 -0.10 -0.10 -0.10
Blower Wheel (D" x W") 10 x 8 10 x 10 11 x 10 11 x 10 11 x 10
Blower Horsepower 1/2 3/4 1 1 1
Blower Speeds
Max CFM @ 0.5 E.S.P.
Power Supply 115-60-1 115-60-1 115-60-1 115-60-1 115-60-1
Minimum Circuit Ampacity (MCA) 11.3 14.1 14.4 14.4 14.4
Maximum Overcurrent Device 15 15 15 15 15
Transformer (VA) 40 40 40 40 40
Heat Anticipator (Amps) 0.7 0.7 0.7 0.7 0.7
Primary Limit Setting (°F) 145 155 130 145 150
Auxiliary Limit Setting (°F) 150 190 120 180 200
Rollout Limit Setting (°F) 170 200 200 190 200
Fan Delay On Heating 30 secs. 30 secs. 30 secs. 30 secs. 30 secs.
Off Heating * 150 secs. 150 secs. 150 secs. 150 secs. 150 secs.
Fan Delay On Cooling 5 secs. 5 secs. 5 secs. 5 secs. 5 secs.
Off Cooling 45 secs. 45 secs. 45 secs. 45 secs. 45 secs.
Fan Delay On - Fan Only 5 secs. 5 secs. 5 secs. 5 secs. 5 secs.
Gas Supply Pressure (Natural/Propane) (" w.c.) 7 / 11 7 / 11 7 / 11 7 / 11 7 / 11
Manifold Pressure (Natural/Propane) High Stage (" w.c.) 3.5 / 10 3.5 / 10 3.5 /10 3.5 /10 3.5 /10
Manifold Pressure (Natural/Propane) Low Stage ("w.c.) 1.9 / 6.0 1.9 / 6.0 1.9 / 6.0 1.9 / 6.0 1.9 / 6.0
Orifice Size (Natural/Propane) #43 / #55 #43 / #55 #43 / #55 #43 / #55 #43 / #55
Number of Burners 2 3 4 4 5
Vent Connector Diameter (inches) 2 2 2 2 2
Combustion Air Connector Diameter (inches) 2 2 2 2 2
Shipping Weight (lbs.) 133 157 172 172 184
Refer to airflow charts in this manual.
* Off Heating - This fan delay timing is adjustable (90, 120, 150 or 180 seconds), 150 seconds as shipped.

FURNACE SPECIFICATIONS
1. These furnaces are manufactured for natural gas operation. Optional Kits are available for conversion to propane gas operation.
2. For elevations above 2000 ft. the rating should be reduced by 4% for each 1000 ft. above sea level. The furnace must not be derated, orifice
changes should only be made if necessary for altitude.
3. The total heat loss from the structure as expressed in TOTAL BTU/HR must be calculated by the manufactures method in accordance with the
"A.S.H.R.A.E. GUIDE" or "MANUAL J-LOAD CALCULATIONS" published by the AIR CONDITIONING CONTRACTORS OF AMERICA. The total
heat loss calculated should be equal to or less than the heating capacity. Output based on D.O.E. test procedures, steady state efficiency times
output.
4. Minimum Circuit Ampacity calculated as: (1.25 x Circulator Blower Amps) + I.D. Blower Amps.
18
GCVC9
MODEL GCVC90704CX* GCVC90905DX* GCVC91155DX*
Btuh Input (US) High Fire 69,000 92,000 115,000
Output (US) High Fire 65,300 86,500 109,000
Btuh Input (US) Low Fire 48,000 64,000 80,000
Output (US) Low Fire 45,000 60,100 77,400
A.F.U.E. 93.0% 92.0% 93%
Rated External Static (" w.c.) .10 - .50 .10 - .50 .10 - .50
Temperature Rise (°F) 30 - 60 30 - 60 40 - 70
High Stage Pressure Switch Trip Point (" w.c.) -0.55 -0.55 -0.55
Low Stage Pressure Switch Trip Point (" w.c.) -0.20 -0.20 -0.20
Front Cover Pressure Switch Trip Point (" w.c) -0.37 -0.37 -0.37
Blower Wheel (D" x W") 10 x 10 11 x 10 11 x 10
Blower Horsepower 3/4 1 1
Blower Speeds
Max CFM @ 0.5 E.S.P.
Power Supply 115-60-1 115-60-1 115-60-1
Minimum Circuit Ampacity (MCA) 14.1 14.4 14.4
Maximum Overcurrent Device 15 15 15
Transformer (VA) 40 40 40
Heat Anticipator (Amps) 0.7 0.7 0.7
Primary Limit Setting (°F) 160 170 145
Auxiliary Limit Setting (°F) 220 180 180
Rollout Limit Setting (°F) 220 210 210
Fan Delay On Heating 30 secs. 30 secs. 30 secs.
Off Heating * 150 secs. 150 secs. 150 secs.
Fan Delay On Cooling 5 secs. 5 secs. 5 secs.
Off Cooling 45 secs. 45 secs. 45 secs.
Fan Delay On - Fan Only 5 secs. 5 secs. 5 secs.
Gas Supply Pressure (Natural/Propane) (" w.c.) 7 / 11 7 / 11 7 / 11
Manifold Pressure (Natural/Propane) High Stage (" w.c.) 3.5 / 10 3.5 /10 3.5 /10
Manifold Pressure (Natural/Propane) Low Stage ("w.c.) 1.9 / 6.0 1.9 / 6.0 1.9 / 6.0
Orifice Size (Natural/Propane) #43 / #55 #43 / #55 #43 / #55
Number of Burners 3 4 5
Vent Connector Diameter (inches) 2 2 2
Combustion Air Connector Diameter (inches) 2 2 2
Shipping Weight (lbs.) 157 172 175
Refer to airflow charts in this manual.
* Off Heating - This fan delay timing is adjustable (90, 120, 150 or 180 seconds), 150 seconds as shipped.

FURNACE SPECIFICATIONS
19
1. These furnaces are manufactured for natural gas operation. Optional Kits are available for conversion to propane gas operation.
2. For elevations above 2000 ft. the rating should be reduced by 4% for each 1000 ft. above sea level. The furnace must not be derated, orifice
changes should only be made if necessary for altitude.
3. The total heat loss from the structure as expressed in TOTAL BTU/HR must be calculated by the manufactures method in accordance with the
"A.S.H.R.A.E. GUIDE" or "MANUAL J-LOAD CALCULATIONS" published by the AIR CONDITIONING CONTRACTORS OF AMERICA. The total
heat loss calculated should be equal to or less than the heating capacity. Output based on D.O.E. test procedures, steady state efficiency times
output.
4. Minimum Circuit Ampacity calculated as: (1.25 x Circulator Blower Amps) + I.D. Blower Amps.
GCVC95
MODEL GCVC950714CX* GCVC950915DX*
Btuh Input (US) High Fire 69,000 92,000
Output (US) Hig h Fire 65,300 86,500
Btuh Input (US) Low Fire 48,000 64,000
Output (US) Lo w Fire 45,000 60,100
A.F.U.E. 95.0% 95.0%
Rated External Static (" w.c.) .10 - .50 .10 - .50
Temperature Rise (°F) 25 - 55 25 - 55
High Stage Pressure Switch Trip Point (" w.c.) -1.60 -1.60
Low Stage Pressure Switch Trip Point (" w.c.) -0.80 -0.80
Front C over Pressure Switch T rip Point (" w .c) -0.10 -0.10
Blower Wheel (D" x W") 10 x 10 11 x 10
Blow er Horsepow er 3/4 1
Blow er Speeds
Max CFM @ 0.5 E.S.P.
Power Supply 115-60-1 115-60-1
M inim um C ircuit Am pacity (M C A) 11.2 15.0
Maximum Overcurrent Device 15 15
Transformer (VA) 40 40
H eat Anticipator (Am ps) 0.7 0.7
Primary Limit Setting (°F) 150 130
Auxiliary Limit Setting (°F) 120 120
Rollout Limit Setting (°F) 210 210
Fan Delay On Heating 30 secs. 30 secs.
Off Heating * 150 secs. 150 secs.
Fan Delay On Cooling 5 secs. 5 secs.
Off Cooling 45 secs. 45 secs.
Fan Delay On - Fan Only 5 secs. 5 secs.
Gas Supply Pressure (Natural/Propane) (" w.c.) 7 / 11 7 / 11
Manifold Pressure (Natural/Propane) High Stage (" w.c.) 3.5 / 10 3.5 /10
Manifold Pressure (Natural/Propane) Low Stage ("w.c.) 1.9 / 6.0 1.9 / 6.0
Orifice Size (Natural/Propane) #43 / #55 #43 / #55
Number of Burners 3 4
Vent Connector Diameter (inches) 2 2
Combustion Air Connector Diameter (inches) 2 2
Shipping Weight (lbs.) 157 172
R efer to airflow charts in this m anual.
* Off Heating - This fan delay tim ing is adjustable (90, 120, 150 or 180 seconds), 150 seconds as shipped.

FURNACE SPECIFICATIONS
1. These furnaces are manufactured for natural gas operation. Optional Kits are available for conversion to propane gas operation.
2. For elevations above 2000 ft. the rating should be reduced by 4% for each 1000 ft. above sea level. The furnace must not be derated, orifice
changes should only be made if necessary for altitude.
3. The total heat loss from the structure as expressed in TOTAL BTU/HR must be calculated by the manufactures method in accordance with the
"A.S.H.R.A.E. GUIDE" or "MANUAL J-LOAD CALCULATIONS" published by the AIR CONDITIONING CONTRACTORS OF AMERICA. The total
heat loss calculated should be equal to or less than the heating capacity. Output based on D.O.E. test procedures, steady state efficiency times
output.
4. Minimum Circuit Ampacity calculated as: (1.25 x Circulator Blower Amps) + I.D. Blower Amps.
20
ACVC9
MODEL ACVC90704CX* ACVC90905DX*
Btuh Input (US) High Fire 69,000 92,000
Output (US) High Fire 65,300 86,500
Btuh Input (US) Low Fire 48,000 64,000
Output (US) Low Fire 45,000 60,100
A.F.U.E. 93.3% 92.7%
Rated External Static (" w.c.) .10 - .50 .10 - .50
Temperature Rise (°F) 30 - 60 30 - 60
High Stage Pressure Switch Trip Point (" w.c.) -0.55 -0.55
Low Stage Pressure Switch Trip Point (" w.c.) -0.20 -0.20
Front Cover Pressure Switch Trip Point (" w.c) -0.37 -0.37
Blower W heel (D" x W ") 10 x 10 11 x 10
Blower Horsepower 3/4 1
Blower Speeds
Max CFM @ 0.5 E.S.P.
Power Supply 115-60-1 115-60-1
Minimum Circuit Ampacity (MCA) 14.1 14.4
Maximum Overcurrent Device 15 15
Transformer (VA) 40 40
Heat Anticipator (Amps) 0.7 0.7
Primary Limit Setting (°F) 160 170
Auxiliary Limit Setting (°F) 220 180
Rollout Limit Setting (°F) 220 210
Fan Delay On Heating 30 secs. 30 secs.
Off Heating * 150 secs. 150 secs.
Fan Delay On Cooling 5 secs. 5 secs.
Off Cooling 45 secs. 45 secs.
Fan Delay On - Fan Only 5 secs. 5 secs.
Gas Supply Pressure (Natural/Propane) (" w.c.) 7 / 11 7 / 11
Manifold Pressure (Natural/Propane) High Stage (" w.c.) 3.5 / 10 3.5 /10
Manifold Pressure (Natural/Propane) Low Stage ("w.c.) 1.9 / 6.0 1.9 / 6.0
Orifice Size (Natural/Propane) #43 / #55 #43 / #55
Number of Burners 3 4
Vent Connector Diameter (inches) 2 2
Combustion Air Connector Diameter (inches) 2 2
Shipping W eight (lbs.) 157 172
* Off Heating - This fan delay timing is adjustable (90, 120, 150 or 180 seconds), 150 seconds as shipped.
Refer to airflow charts in this manual.

FURNACE SPECIFICATIONS
21
1. These furnaces are manufactured for natural gas operation. Optional Kits are available for conversion to propane gas operation.
2. For elevations above 2000 ft. the rating should be reduced by 4% for each 1000 ft. above sea level. The furnace must not be derated, orifice
changes should only be made if necessary for altitude.
3. The total heat loss from the structure as expressed in TOTAL BTU/HR must be calculated by the manufactures method in accordance with the
"A.S.H.R.A.E. GUIDE" or "MANUAL J-LOAD CALCULATIONS" published by the AIR CONDITIONING CONTRACTORS OF AMERICA. The total
heat loss calculated should be equal to or less than the heating capacity. Output based on D.O.E. test procedures, steady state efficiency times
output.
4. Minimum Circuit Ampacity calculated as: (1.25 x Circulator Blower Amps) + I.D. Blower Amps.
ACVC95
MODEL ACVC950714CX* ACVC950915DX*
Btuh Input (US) High Fire 69,000 92,000
O utput (US) Hig h Fire 65,30 0 86,50 0
Btuh Input (US) Low Fire 48,000 64,000
O utput (US) Low Fire 45,00 0 60,10 0
A.F.U.E. 95.0% 95.0%
Rated External Static (" w.c.) .10 - .50 .10 - .50
Temperature Rise (°F) 25 - 55 25 - 55
High Stage Pressure Switch Trip Point (" w.c.) -1.60 -1.60
Low Stage Pressure Switch Trip Point (" w.c.) -0.80 -0.80
Front Cover Pressure Switch Trip Point (" w.c) -0.10 -0.10
Blower Wheel (D" x W") 10 x 10 11 x 10
Blow er Horsepow er 3/4 1
Blow er Speeds
Max CFM @ 0.5 E.S.P.
Power Supply 115-60-1 115-60-1
M inim um C ircuit Am pacity (M C A) 11.2 15.0
Maximum Overcurrent Device 15 15
Transform er (VA) 40 40
H eat An ticipa tor (Am p s) 0.7 0.7
Primary Limit Setting (°F) 150 130
Auxiliary Limit Setting (°F) 120 120
Rollout Limit Setting (°F) 210 210
Fan Delay On Heating 30 secs. 30 secs.
O ff He ating * 15 0 secs. 15 0 secs.
Fan Delay On Cooling 5 secs. 5 secs.
O ff Co olin g 45 secs. 45 secs.
Fan Delay On - Fan O nly 5 secs. 5 secs.
Gas Supply Pressure (Natural/Propane) (" w.c.) 7 / 11 7 / 11
Manifold Pressure (Natural/Propane) High Stage (" w.c.) 3.5 / 10 3.5 /10
Manifold Pressure (Natural/Propane) Low Stage ("w.c.) 1.9 / 6.0 1.9 / 6.0
Orifice Size (Natural/Propane) #43 / #55 #43 / #55
Number of Burners 34
Vent Connector Diameter (inches) 2 2
Combustion Air Connector Diameter (inches) 2 2
S h ip pin g W e ig h t (lb s.) 1 57 1 72
* Off Heating - This fan delay tim ing is adjustable (90, 120, 150 or 180 seconds), 150 seconds as shipped.
R efe r to a irflow ch arts in this m anu al.

BLOWER PERFORMANCE SPECIFICATIONS
22
1. Units are shipped without filter(s). CFM in chart is without filter(s).
2. All furnaces shipped with heating speed set at "B" and cooling speed set at "D". Installer should adjust blower speed
as needed. The first task is to determine the proper aiflow for the cooling system.
3. For most cooling applications, about 400 CFM per ton is desirable.
4. The chart is for information only. For satisfactory operation, external static pressure not to exceed value shown on
rating plate.
5. Do not operate above 0.5" w.c. ESP in heating mode. Operating between 0.5" w.c. and 0.8" w.c. is tabulated for cooling
purposes only.
6. * Motor CFM minimum.
GMVC95/AMVC95 Heating Speed Charts
Heating
Speed
Tap
Adjus t
Tap
Low Stage
CFM
at .1" - .5" w.c.
ESP
High Stage
CFM
at .1" - .5" w.c.
ESP
Rise
(°F)
Heating
Speed
Tap
Adjus t
Tap
Low Stage
CFM
at .1" - .5" w.c.
ESP
High Stage
CFM
at .1" - .5" w.c.
ESP
Rise
(°F)
Minus(-) 495 713 57 Minus(-) 756 1089 56
Normal 550 792 41 Normal 840 1210 50
Plus (+) 605 871 46 Plus (+) 924 1331 46
Minus(-) 540 778 52 Minus(-) 828 1192 51
Normal 600 864 47 Normal 920 1325 46
Plus (+) 660 950 43 Plus (+) 1012 1457 42
Minus(-) 585 842 48 Minus(-) 900 1296 47
Normal 650 936 43 Normal 1000 1440 42
Plus (+) 715 1030 39 Plus (+) 1100 1584 38
Minus(-) 630 907 45 Minus(-) 972 1400 43
Normal 700 1008 40 Normal 1080 1555 39
Plus (+) 770 1109 36 Plus (+) 1188 1711 35
Heating
Speed
Tap
Adjus t
Tap
Low Stage
CFM
at .1" - .5" w.c.
ESP
High Stage
CFM
at .1" - .5" w.c.
ESP
Rise
(°F)
Minus(-) 945 1341 60
Normal 1050 1490 54
Plus (+) 1155 1639 49
Minus(-) 1008 1413 57
Normal 1120 1570 51
Plus (+) 1232 1727 47
Minus(-) 1080 1521 53
Normal 1200 1690 48
Plus (+) 1320 1859 43
Minus(-) 1125 1602 50
Normal 1250 1780 45
Plus (+) 1375 1958 41
D
GMVC950704CX*
AMVC950704CX*
(Rise Range: 30 - 60°F)
A
B
CC
D
GMVC950453BX*
AMVC950453BX*
(Rise Range: 30 - 60°F)
A
B
D
GMVC950905CX*
AMVC950905CX*
(Rise Range: 30 - 60°F)
A
B
C

BLOWER PERFORMANCE SPECIFICATIONS
23
1. Units are shipped without filter(s). CFM in chart is without filter(s).
2. All furnaces shipped with heating speed set at "B" and cooling speed set at "D". Installer should adjust blower speed
as needed. The first task is to determine the proper aiflow for the cooling system.
3. For most cooling applications, about 400 CFM per ton is desirable.
4. The chart is for information only. For satisfactory operation, external static pressure not to exceed value shown on
rating plate.
5. Do not operate above 0.5" w.c. ESP in heating mode. Operating between 0.5" w.c. and 0.8" w.c. is tabulated for cooling
purposes only.
6. * Motor CFM minimum.
GMVC95/AMVC95 Heating Speed Charts
Heating
Speed
Tap
Adjust
Tap
Low Stage
CFM
at .1" - .5" w.c.
ESP
High Stage
CFM
at .1" - .5" w.c.
ESP
Rise
(°F)
Heating
Speed
Tap
Adjust
Tap
Low Stage
CFM
at .1" - .5" w.c.
ESP
High Stage
CFM
at .1" - .5" w.c.
ESP
Rise
(°F)
Minus(-) 1013 1458 56 Minus(-) 1107 1594 63
Normal 1125 1620 50 Normal 1230 1771 57
Plus (+)1238178245Plus (+)1353194852
Minus(-) 1076 1549 52 Minus(-) 1139 1639 62
Normal 1195 1721 47 Normal 1265 1822 56
Plus (+)1315189343Plus (+)1392200450
Minus(-) 1139 1639 49 Minus(-) 1170 1685 60
Normal 1265 1822 44 Normal 1300 1872 54
Plus (+)1392200440Plus (+)1430205949
Minus(-) 1202 1730 47 Minus(-) 1202 1730 58
Normal 1335 1922 42 Normal 1335 1922 53
Plus (+)1469211538Plus (+)1469211548
GMVC950905DX*
AMVC950905DX*
(Rise Range: 30 - 60°F)
GMVC951155DX*
AMVC951155DX*
(Rise Range: 35 - 65°F)
AA
DD
BB
CC

BLOWER PERFORMANCE SPECIFICATIONS
24
1. Units are shipped without filter(s). CFM in chart is without filter(s).
2. All furnaces shipped with heating speed set at "B" and cooling speed set at "D". Installer should adjust blower speed
as needed. The first task is to determine the proper aiflow for the cooling system.
3. For most cooling applications, about 400 CFM per ton is desirable.
4. The chart is for information only. For satisfactory operation, external static pressure not to exceed value shown on
rating plate.
5. Do not operate above 0.5" w.c. ESP in heating mode. Operating between 0.5" w.c. and 0.8" w.c. is tabulated for cooling
purposes only.
6. * Motor CFM minimum.
GMVC95/AMVC95 High (Single) Stage Cooling Speed Charts
Cooling
Speed
Tap
Adjus t
Tap
CFM at
.1" - .8"
w.c. ESP
Cooling
Speed
Tap
Adjus t
Tap
CFM at
.1" - .8"
w.c. ESP
Cooling
Speed
Tap
Adjus t
Tap
CFM at
.1" - .8"
w.c. ESP
Minus(-) 540 Minus(-) 540 Minus(-) 729
Normal 600 Normal 600 Normal 810
Plus (+) 660 Plus (+) 660 Plus (+) 891
Minus(-) 720 Minus(-) 720 Minus(-) 990
Normal 800 Normal 800 Normal 1100
Plus (+) 880 Plus (+) 880 Plus (+) 1210
Minus(-) 900 Minus(-) 990 Minus(-) 1323
Normal 1000 Normal 1100 Normal 1470
Plus (+) 1100 Plus (+) 1210 Plus (+) 1617
Minus(-) 1080 Minus(-) 1286 Minus(-) 1629
Normal 1200 Normal 1429 Normal 1810
Plus (+) 1320 Plus (+) 1572 Plus (+) 1991
Cooling
Speed
Tap
Adjus t
Tap
CFM at
.1" - .8"
w.c. ESP
Cooling
Speed
Tap
Adjus t
Tap
CFM at
.1" - .8"
w.c. ESP
Minus(-) 720 Minus(-) 720
Normal 800 Normal 800
Plus (+) 880 Plus (+) 880
Minus(-) 990 Minus(-) 990
Normal 1100 Normal 1100
Plus (+) 1210 Plus (+) 1210
Minus(-) 1260 Minus(-) 1260
Normal 1400 Normal 1400
Plus (+) 1540 Plus (+) 1540
Minus(-) 1620 Minus(-) 1620
Normal 1800 Normal 1800
Plus (+) 1980 Plus (+) 1980
D
GMVC950905CX*
AMVC950905CX*
A
B
C
GMVC951155DX*
AMVC951155DX*
GMVC950905DX*
AMVC950905DX*
BB
AA
DD
CC
C
D
GMVC950453BX*
AMVC950453BX*
A
B
D
GMVC950704CX*
AMVC950704CX*
A
B
C

BLOWER PERFORMANCE SPECIFICATIONS
25
1. Units are shipped without filter(s). CFM in chart is without filter(s).
2. All furnaces shipped with heating speed set at "B" and cooling speed set at "D". Installer should adjust blower speed
as needed. The first task is to determine the proper aiflow for the cooling system.
3. For most cooling applications, about 400 CFM per ton is desirable.
4. The chart is for information only. For satisfactory operation, external static pressure not to exceed value shown on
rating plate.
5. Do not operate above 0.5" w.c. ESP in heating mode. Operating between 0.5" w.c. and 0.8" w.c. is tabulated for cooling
purposes only.
6. * Motor CFM minimum.
GMVC95/AMVC95 Low Stage Cooling Speed Charts
Cooling
Speed
Tap
Adjus t
Tap
CFM at
.1" - .8"
w.c. ESP
Cooling
Speed
Tap
Adjus t
Tap
CFM at
.1" - .8"
w.c. ESP
Cooling
Speed
Tap
Adjus t
Tap
CFM at
.1" - .8"
w.c. ESP
Minus(-) 351 Minus(-) 351 Minus(-) 495
Normal 390 Normal 390 Normal 550
Plus (+) 429 Plus (+) 429 Plus (+) 605
Minus(-) 468 Minus(-) 468 Minus(-) 693
Normal 520 Normal 520 Normal 770
Plus (+) 572 Plus (+) 572 Plus (+) 847
Minus(-) 585 Minus(-) 644 Minus(-) 900
Normal 650 Normal 715 Normal 1000
Plus (+) 715 Plus (+) 787 Plus (+) 1100
Minus(-) 702 Minus(-) 836 Minus(-) 1125
Normal 780 Normal 929 Normal 1250
Plus (+) 858 Plus (+) 1022 Plus (+) 1375
Cooling
Speed
Tap
Adjus t
Tap
CFM at
.1" - .8"
w.c. ESP
Cooling
Speed
Tap
Adjus t
Tap
CFM at
.1" - .8"
w.c. ESP
Minus(-) 468 Minus(-) 468
Normal 520 Normal 520
Plus (+) 572 Plus (+) 572
Minus(-) 644 Minus(-) 644
Normal 715 Normal 715
Plus (+) 787 Plus (+) 787
Minus(-) 819 Minus(-) 819
Normal 910 Normal 910
Plus (+) 1001 Plus (+) 1001
Minus(-) 1053 Minus(-) 1053
Normal 1170 Normal 1170
Plus (+) 1287 Plus (+) 1287
D
GMVC950905CX*
AMVC950905CX*
A
B
C
D
GMVC950704CX*
AMVC950704CX*
A
B
CC
D
GMVC950453BX*
AMVC950453BX*
A
B
DD
CC
GMVC951155DX*
AMVC951155DX*
GMVC950905DX*
AMVC950905DX*
BB
AA

BLOWER PERFORMANCE SPECIFICATIONS
26
1. Units are shipped without filter(s). CFM in chart is without filter(s).
2. All furnaces shipped with heating speed set at "B" and cooling speed set at "D". Installer should adjust blower speed
as needed. The first task is to determine the proper aiflow for the cooling system.
3. For most cooling applications, about 400 CFM per ton is desirable.
4. The chart is for information only. For satisfactory operation, external static pressure not to exceed value shown on
rating plate.
5. Do not operate above 0.5" w.c. ESP in heating mode. Operating between 0.5" w.c. and 0.8" w.c. is tabulated for cooling
purposes only.
6. * Motor CFM minimum.
GMVC95/AMVC95 Continuous Fan Speed Chart
GCVC9/ACVC9 Continuous Fan Speed Chart
GCVC95/ACVC95 Continuous Fan Speed Chart
Model Furnace Maximum
CFM
Continuous Fan
Speed1,2
GMVC950453BX*
AMVC950453BX* 1400 420
GMVC950704CX*
AMVC950704CX* 1760 530
GMVC950905CX*
AMVC950905CX* 2200 660
GMVC950905DX*
AMVC950905DX* 2200 660
GMVC951155DX*
AMVC951155DX* 2200 660
1 Continuous fan speed is 30% of furnace maximum CFM
2 Three continuous fan speeds are possible with the CTK01AA
thermostat: 30%, 50%, and 70% of furnace maximum CFM
Model Furnace Maximum
CFM
Continuous Fan
Speed1,2
GCVC90704CX*
ACVC90704CX* 1760 530
GCVC90905DX*
ACVC90905DX* 2200 660
GCVC91155DX* 2350 705
2 Three continuous fan speeds are possible with the CTK01AA
thermostat: 30%, 50%, and 70% of furnace maximum CFM.
1 Continuous fan speed is 30% of furnace maximum CFM
Model Furnace Maximum
CFM
Continuous Fan
Speed1,2
GCVC950714CX*
ACVC950714CX* 1760 530
GCVC950915DX*
ACVC950915DX* 2200 660
1 Continuous fan speed is 30% of furnace maximum CFM
2 Three continuous fan speeds are possible with the CTK01AA
thermostat: 30%, 50%, and 70% of furnace maximum CFM.

BLOWER PERFORMANCE SPECIFICATIONS
27
1. Units are shipped without filter(s). CFM in chart is without filter(s).
2. All furnaces shipped with heating speed set at "B" and cooling speed set at "D". Installer should adjust blower speed
as needed. The first task is to determine the proper aiflow for the cooling system.
3. For most cooling applications, about 400 CFM per ton is desirable.
4. The chart is for information only. For satisfactory operation, external static pressure not to exceed value shown on
rating plate.
5. Do not operate above 0.5" w.c. ESP in heating mode. Operating between 0.5" w.c. and 0.8" w.c. is tabulated for cooling
purposes only.
6. * Motor CFM minimum.
GCVC9/ACVC9 Heating Speed Charts
Heating
Speed
Tap
Adjust
Tap
Low Stage
CFM
at .1" - .5" w.c.
ESP
High Stage
CFM
at .1" - .5" w.c.
ESP
Rise
(°F)
Heating
Speed
Tap
Adjust
Tap
Low Stage
CFM
at .1" - .5" w.c.
ESP
High Stage
CFM
at .1" - .5" w.c.
ESP
Rise
(°F)
Minus(-) 747 1,076 56 Minus(-) 999 1,439 56
Normal 830 1,195 50 Normal 1,110 1,598 50
Plus (+) 913 1,315 46 Plus (+) 1,221 1,758 46
Minus(-) 824 1,186 51 Minus(-) 1,067 1,536 52
Normal 915 1,318 46 Normal 1,185 1,706 47
Plus (+) 1,007 1,449 42 Plus (+) 1,303 1,876 43
Minus(-) 900 1,296 47 Minus(-) 1,134 1,633 49
Normal 1,000 1,440 42 Normal 1,260 1,814 44
Plus (+) 1,100 1,584 38 Plus (+) 1,386 1,996 40
Minus(-) 978 1,408 43 Minus(-) 1,202 1,730 46
Normal 1,085 1,562 39 Normal 1,335 1,922 42
Plus (+) 1,194 1,719 35 Plus (+) 1,469 2,115 38
D
GCVC90905DX*
ACVC90905DX*
(Rise Range: 30 - 60°F)
A
B
CC
D
GCVC90704CX*
ACVC90704CX*
(Rise Range: 30 - 60°F)
A
B
Heating
Speed
Tap
Adjust
Tap
Low Stage
CFM
at .1" - .5" w.c.
ESP
High Stage
CFM
at .1" - .5" w.c.
ESP
Rise
(°F)
Minus(-) 1,093 1,583 63
Normal 1,214 1,759 56
Plus (+) 1,335 1,935 51
Minus(-) 1,106 1,612 61
Normal 1,229 1,791 55
Plus (+) 1,352 1,970 50
Minus(-) 1,166 1,654 60
Normal 1,296 1,838 54
Plus (+) 1,426 2,022 49
Minus(-) 1,172 1,690 59
Normal 1,302 1,878 53
Plus (+) 1,432 2,066 48
D
GCVC91155DX*
(Rise Range: 40 - 70°F)
A
B
C

BLOWER PERFORMANCE SPECIFICATIONS
28
1. Units are shipped without filter(s). CFM in chart is without filter(s).
2. All furnaces shipped with heating speed set at "B" and cooling speed set at "D". Installer should adjust blower speed
as needed. The first task is to determine the proper aiflow for the cooling system.
3. For most cooling applications, about 400 CFM per ton is desirable.
4. The chart is for information only. For satisfactory operation, external static pressure not to exceed value shown on
rating plate.
5. Do not operate above 0.5" w.c. ESP in heating mode. Operating between 0.5" w.c. and 0.8" w.c. is tabulated for cooling
purposes only.
6. * Motor CFM minimum.
GCVC95/ACVC95 Heating Speed Charts
Heating
Speed
Tap
Adjust
Tap
Low Stage
CFM
at .1" - .5" w.c.
ESP
High Stage
CFM
at .1" - .5" w.c.
ESP
Rise
(°F)
Heating
Speed
Tap
Adjust
Tap
Low Stage
CFM
at .1" - .5" w.c.
ESP
High Stage
CFM
at .1" - .5" w.c.
ESP
Rise
(°F)
Minus(-) 783 1107 55 Minus(-) 1008 1458 55
Normal 870 1230 49 Normal 1120 1620 50
Plus (+) 957 1353 45 Plus (+) 1232 1782 45
Minus(-) 855 1215 50 Minus(-) 1098 1575 51
Normal 950 1350 45 Normal 1220 1750 46
Plus (+) 1045 1485 41 Plus (+) 1342 1925 42
Minus(-) 936 1323 46 Minus(-) 1152 1674 48
Normal 1040 1470 41 Normal 1280 1860 43
Plus (+) 1144 1617 37 Plus (+) 1408 2046 39
Minus(-) 1017 1440 42 Minus(-) 1206 1773 45
Normal 1130 1600 38 Normal 1340 1970 41
Plus (+) 1243 1760 34 Plus (+) 1474 2167 37
D
GCVC950915DX*
ACVC950915DX*
(Rise Range: 25 - 55°F)
A
B
CC
D
GCVC950714CX*
ACVC950714CX*
(Rise Range: 25 - 55°F)
A
B

BLOWER PERFORMANCE SPECIFICATIONS
29
1. Units are shipped without filter(s). CFM in chart is without filter(s).
2. All furnaces shipped with heating speed set at "B" and cooling speed set at "D". Installer should adjust blower speed
as needed. The first task is to determine the proper aiflow for the cooling system.
3. For most cooling applications, about 400 CFM per ton is desirable.
4. The chart is for information only. For satisfactory operation, external static pressure not to exceed value shown on
rating plate.
5. Do not operate above 0.5" w.c. ESP in heating mode. Operating between 0.5" w.c. and 0.8" w.c. is tabulated for cooling
purposes only.
6. * Motor CFM minimum.
GCVC9/ACVC9 High (Single) Stage Cooling Speed Charts
GCVC9/ACVC9 Low Stage Cooling Speed Charts
Cooling
Speed
Tap
Adjust
Tap
CFM at
.1" - .8"
w.c. ESP
Cooling
Speed
Tap
Adjust
Tap
CFM at
.1" - .8"
w.c. ESP
Minus(-) 540 Minus(-) 720
Normal 600 Normal 800
Plus (+) 660 Plus (+) 880
Minus(-) 720 Minus(-) 990
Normal 800 Normal 1100
Plus (+) 880 Plus (+) 1210
Minus(-) 990 Minus(-) 1260
Normal 1100 Normal 1400
Plus (+) 1210 Plus (+) 1540
Minus(-) 1286 Minus(-) 1620
Normal 1429 Normal 1800
Plus (+) 1572 Plus (+) 1980
C
D
GCVC90704CX*
ACVC90704CX*
A
B
D
GCVC90905DX*
ACVC90905DX*
A
B
C
Cooling
Speed
Tap
Adjust
Tap
CFM at
.1" - .8"
w.c. ESP
Cooling
Speed
Tap
Adjust
Tap
CFM at
.1" - .8"
w.c. ESP
Minus(-) 351 Minus(-) 468
Normal 390 Normal 520
Plus (+) 429 Plus (+) 572
Minus(-) 468 Minus(-) 644
Normal 520 Normal 715
Plus (+) 572 Plus (+) 787
Minus(-) 644 Minus(-) 819
Normal 715 Normal 910
Plus (+) 787 Plus (+) 1001
Minus(-) 836 Minus(-) 1053
Normal 929 Normal 1170
Plus (+) 1022 Plus (+) 1287
GCVC90905DX*
ACVC90905DX*
GCVC90704CX*
ACVC90704CX*
BB
AA
DD
CC
Cooling
Speed
Tap
Adjust
Tap
CFM at
.1" - .8"
w.c. ESP
Minus(-) 457
Normal 508
Plus (+) 559
Minus(-) 621
Normal 690
Plus (+) 759
Minus(-) 815
Normal 906
Plus (+) 997
Minus(-) 1049
Normal 1165
Plus (+) 1282
D
GCVC91155DX*
A
B
C
Cooling
Speed
Tap
Adjust
Tap
CFM at
.1" - .8"
w.c. ESP
Minus(-) 705
Normal 783
Plus (+) 861
Minus(-) 982
Normal 1091
Plus (+) 1200
Minus(-) 1265
Normal 1406
Plus (+) 1547
Minus(-) 1628
Normal 1809
Plus (+) 1990
D
GCVC91155DX*
A
B
C

BLOWER PERFORMANCE SPECIFICATIONS
30
1. Units are shipped without filter(s). CFM in chart is without filter(s).
2. All furnaces shipped with heating speed set at "B" and cooling speed set at "D". Installer should adjust blower speed
as needed. The first task is to determine the proper aiflow for the cooling system.
3. For most cooling applications, about 400 CFM per ton is desirable.
4. The chart is for information only. For satisfactory operation, external static pressure not to exceed value shown on
rating plate.
5. Do not operate above 0.5" w.c. ESP in heating mode. Operating between 0.5" w.c. and 0.8" w.c. is tabulated for cooling
purposes only.
6. * Motor CFM minimum.
GCVC95/ACVC95 High (Single) Stage Cooling Speed Charts
GCVC95/ACVC95 Low Stage Cooling Speed Charts
Cooling
Speed
Tap
Adjust
Tap
CFM at
.1" - .8"
w.c. ESP
Cooling
Speed
Tap
Adjust
Tap
CFM at
.1" - .8"
w.c. ESP
Minus(-) 594 Minus(-) 729
Normal 660 Normal 810
Plus (+) 726 Plus (+) 891
Minus(-) 747 Minus(-) 999
Normal 830 Normal 1110
Plus (+) 913 Plus (+) 1221
Minus(-) 1017 Minus(-) 1287
Normal 1130 Normal 1430
Plus (+) 1243 Plus (+) 1573
Minus(-) 1314 Minus(-) 1674
Normal 1460 Normal 1860
Plus (+) 1606 Plus (+) 2046
CC
D
GCVC950714CX*
ACVC950714CX*
A
B
D
GCVC950915DX*
ACVC950915DX*
A
B
Cooling
Speed
Tap
Adjust
Tap
CFM at
.1" - .8"
w.c. ESP
Cooling
Speed
Tap
Adjust
Tap
CFM at
.1" - .8"
w.c. ESP
Minus(-) 378 Minus(-) 504
Normal 420 Normal 560
Plus (+) 462 Plus (+) 616
Minus(-) 531 Minus(-) 666
Normal 590 Normal 740
Plus (+) 649 Plus (+) 814
Minus(-) 702 Minus(-) 828
Normal 780 Normal 920
Plus (+) 858 Plus (+) 1012
Minus(-) 864 Minus(-) 1071
Normal 960 Normal 1190
Plus (+) 1056 Plus (+) 1309
GCVC950915DX*
ACVC950915DX*
GCVC950714CX*
ACVC950714CX*
BB
AA
DD
CC

BLOWER PERFORMANCE SPECIFICATIONS
31
1. Units are shipped without filter(s). CFM in chart is without filter(s).
2. All furnaces shipped with heating speed set at "B" and cooling speed set at "D". Installer should adjust blower speed
as needed. The first task is to determine the proper aiflow for the cooling system.
3. For most cooling applications, about 400 CFM per ton is desirable.
4. The chart is for information only. For satisfactory operation, external static pressure not to exceed value shown on
rating plate.
5. Do not operate above 0.5" w.c. ESP in heating mode. Operating between 0.5" w.c. and 0.8" w.c. is tabulated for cooling
purposes only.
6. * Motor CFM minimum.
Note: There are dual 7-segment LED's adjacent
to the selection dipswitches. The airflow rounded
to the nearest 100 CFM, is displayed on the dual
7-segment LED's. The CFM display alternates
with the operating mode.
Example:
If the airlfow demand is 1230 CFM, the LED's will
display 12. If the airflow demand is 1275 CFM,
the LED's will display 13.
Note: Continuous fan speed will be 30% of the
furnace's maximum airflow capability. If the fur-
nace maximum CFM capaibility is 1760 CFM, the
continuous fan speed will be 0.30 X 1760 CFM =
530 CFM.
Example: If the furnace maximum CFM capaibility
is 1760 CFM, the continuous fan speed will be
0.30 X 1760 CFM = 530 CFM.
Circulator Blower Speed Adjustment Switches
12
AOFFOFF
BONOFF
COFFON
D* ON ON
Sw itch Bank: S3
Cooling Speed
Taps
DIP Sw itch No.
(*Indicates factory setting)
34
Normal* OFF OFF
10% ON OFF
-10% OFF ON
Normal ON ON
Sw itch Bank: S3
Adjust Taps DIP Sw itch No.
(*Indicates factory setting)
78
AOFFOFF
B* ON OFF
COFFON
DONON
Sw itch Bank: S4
Heating Speed
Taps
DIP Sw itch No.
(*Indicates factory setting)
Note: The optional usage of a dehumidistat allows
the furnace’s circulator blower to operate at a slightly
lower speed (85% of desired speed) during a combined
thermostat call for cooling and dehumidistat call for
dehumidification. This can be done through an
independent dehumidistat or through a thermostat’s
DEHUM terminal (if available). This lower blower speed
enhances dehumidification of the conditioned air as it
passes through the AC coil. For proper function, a
dehumidistat applied to this furnace must operate on
24 VAC and utilize a switch which opens on humidity
rise.
9
10
DEHUM
Unused
Move to the ON position
to enable dehumidification
O
N
OF
F
S5
Dehumidification Enable Switch

BLOWER PERFORMANCE SPECIFICATIONS
32
1. Units are shipped without filter(s). CFM in chart is without filter(s).
2. All furnaces shipped with heating speed set at "B" and cooling speed set at "D". Installer should adjust blower speed
as needed. The first task is to determine the proper aiflow for the cooling system.
3. For most cooling applications, about 400 CFM per ton is desirable.
4. The chart is for information only. For satisfactory operation, external static pressure not to exceed value shown on
rating plate.
5. Do not operate above 0.5" w.c. ESP in heating mode. Operating between 0.5" w.c. and 0.8" w.c. is tabulated for cooling
purposes only.
6. * Motor CFM minimum.
Ramping Profile
Note: The multi-speed circulator blower also offers several custom ON/OFF ramping profiles. These profiles may be used
to enhance cooling performance and increase comfort level. The ramping profiles are selected using DIP switches 5 and
6. Refer to the following figure for switch positions and their corresponding taps. Refer to the bullet points below for a
description of each ramping profile. Verify CFM by noting the number displayed on the dual 7-segment LED display.
56
A* OFF OFF
BONOFF
COFFON
DONON
Switch Bank: S4
DIP Switch No.
(*Indicates factory setting)
Ramping
Profiles
OFF
100% CFM 100% CFM
1 min
OFF
Profile A: provides only an OFF delay of one (1) minute at
100% of the cooling demand airflow.
50% CFM
1/2 min
100% CFM 100% CFM
1 min
OFF OFF
Profile B: ramps up to full cooling demand airflow by first
stepping up to 50% of the full demand for 30 seconds. The
motor then ramps to 100% of the required airflow. A one (1)
minute OFF delay at 100% of the cooling airflow is provided.
100% CFM
OFF OFF
Profile C: ramps up to 82% of the full cooling demand airflow
and operates there for approximately 7 1/2 minutes. The motor
then steps up to the full demand airflow. Profile C also has a
one (1) minute 100% OFF delay.
Profile D: ramps up to 50% of the demand for 1/2 minute,
then ramps to 82% of the full cooling demand airflow and
operates there for approximately 7 1/2 minutes. The motor
then steps up to the full demand airflow. Profile D has a 1/2
minute at 50% airflow OFF delay.
OFF
OFF

PERFORMANCE
33
30 40 50 60 70 80 90 110 120
100 130 140 150
100
90
80
70
60
50
40
30
20
10
OUTPUT BTU/HR x 1000
BTU OUTPUT vs TEMPERATURE RISE CHART
TE
M
PE
R
ATU
R
E
R
ISE
600 CFM
700
900
1000
1100
1200
1400
1600
1800
2000
2200
2400 CFM
FORMULAS
BTU OUTPUT = CFM x 1.08 x RISE
RISE = BTU OUTPUT
1.08 ÷ CFM
800

HIGH VOLTAGE!
DISCONNECT ALL POWER BEFORE SERVICING OR INSTALLING THIS
UNIT. MULTIPLE POWER SOURCES MAY BE PRESENT. FAILURE TO
DO SO MAY CAUSE PROPERTY DAMAGE, PERSONAL INJURY OR DEATH.
34
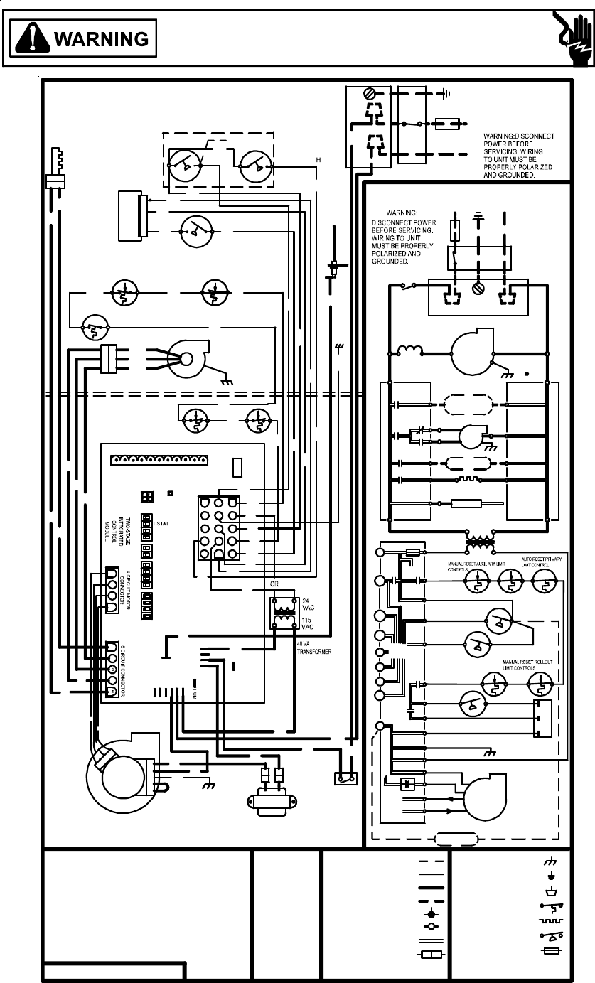
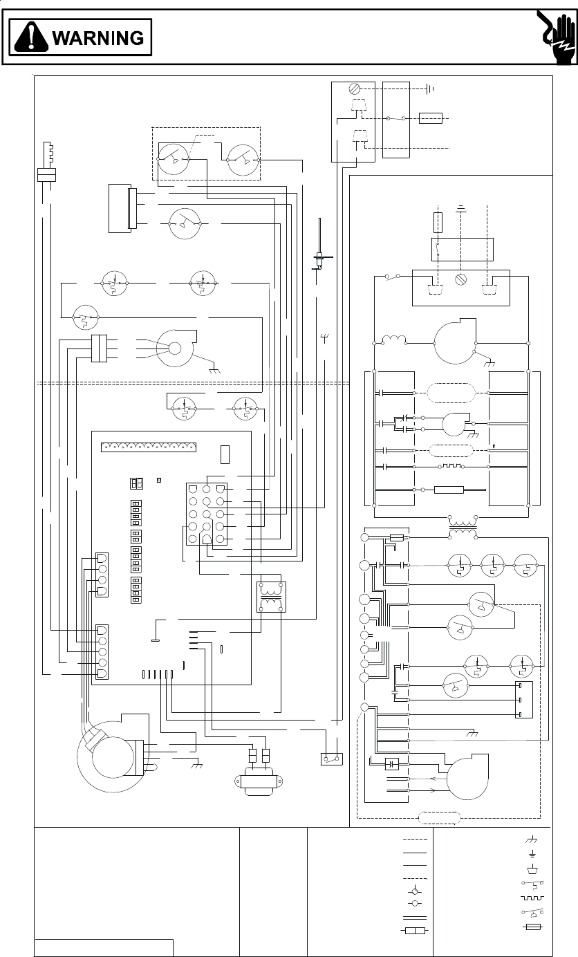
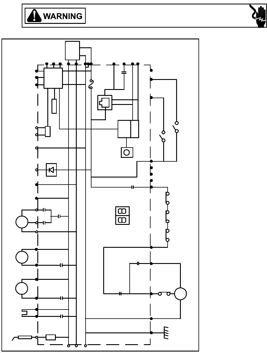
WIRING DIAGRAMS
Wiring is subject to change. Always refer to the wiring diagram on the unit for the most up-to-date wiring.
NO
2
FUSE
3
A
1.SETHEATANTICIPATORONROOMTHERMOSTATAT0.7AMPS.
YL
MANUALRESET
AUXILIARY
LIMITCONTROL
PK
TO
MICRO
ID
COOL
PU
GY
SEE
NOTE 5
N
NEUTRAL
NO
BL
10
DEHUM
3
O
NO
PK
DIAGNOSTIC
LED'S
BR
4.UNITMUSTBEPERMANENTLYGROUNDEDANDCONFORMTO
N.E.C.ANDLOCALCODES.
L
COLORCODES:
INTEGRATED CONTROL MODULE
1
LOWFIRE
PRESSURE
SWITCH
PS2
(12)
FLAME
SENSOR
HOT
SURFACE
GNGREEN
GR
OR
TR(11)
FRONTCOVER
PRESSURESWITCH
C
YL
G
24V HUM.
1
HI
C
TH
(4)
INDUCTOR
COIL
BL
24V THERMOST
A
T CONNECTIONS
GAS
VA LV E
RD
4
1
FS
GN
JUNCTION BOX
BLWR
NEUTRAL
WH
W2
C
1
SWITCH(PRESS.)
FIELDSPLICE
FIELDGND
7
DELAY
W2
LOWVOLTAGEFIELD
3
GN
BK
GY
OVERCURRENT
PROTECTION
DEVICE
3
BL
BR
1
13
TRANSFORMER
WH
NO
AUTORESETPRIMARY
LIMITCONTROL
SWITCH
WH
HLI
(1)
1
NEUTRAL
OR
Y2
RDRED
ELECTRONIC
GYGRAY
Y1
MANUALRESETROLLOUTLIMIT
CONTROLS(SINGLECONTROLON
45kBTU)
WH
Y1
AIR
L
PU
NOTES:
70kBTU,90kBTU,
HLO (10)
GY
PK
IGN
IND
HI
BK
GND(5)
5
2
GY
R
IDBLOWERTWO-STAGEPRESSURE
SWITCHASSEMBLY
OR
OR
WH
2ND STG DLY
MVL
(13)
EQUIPMENT GND
NO
70kBTU,90kBTU,
INTERNAL TO
W1
W1
24 V T HERMOSTAT CONNE CTIONS
ONLY
PU
HIGH
FIRE
PRESSURE
SWITC
PROT. DEVICE
INTEGRATED CONTROL
PK
3. IF ANY OF THE O RIGINAL WIRE AS SUPPLIED WITH THE
FURNACE MUST BE REPL
A
CED, IT MUST BE REPLACED WITH
WIRING MATER IAL H
A
VING A TEMPERATURE RATING OF AT
LEAST 105°C. USE COPPER CONDUCTORS ONLY.
PU
DISCONNECT
EAC
PLUG CONNECTION
2
FS
C
11
FRONT COVER
PRESS. SWITCH
NEUTRAL
4
NEUTRAL
BR
BK
LINE
C
BLOWER
COMPARTMENT
DOOR SWITCH
(OPEN WHEN
DOOR OPEN)
115kBTU MODELS
NEUTRAL
SWITCH (TEMP.)
JUNCTION BOX
GND
1
R
CIRCULATOR
BLOWER
1
PU PURPLE
BLWR
JUNCTION
OR
40 VA
Y2
14
IND LO
WH
N
PK PINK
Ø
/60
HZ
HUMIDIFIER
INDOOR
HIGH FIRE
PRESS. SWTICH
DISCONNECT
TWOSTAGE
GASVALVE
AIR CLEANER
C
ONLY
2. MANUFACTURER'S SPECIFIED REPLACEMENT PARTS MUST BE
USED WHEN SERVICING.
WH
PSO (7)
OVERCURRENT
HI VOLTAGE (115V)
2
DEHUM
HUM
2CIRCUIT
CONNECTOR
LOW VOLTAGE (24V)
YL
GND
WH
CHASSIS GROUND
2
3
4
LOW FIRE PRESS.
SWITCH
DOOR
WH
OR
NEUTRAL
2
MVC (8)
HOT
SURFACE
IGNITER
RD
WH
2
24V HUM.
GND
INTEGRATED CONTROL MODULE
LINE
HEAT
5
DE
HUM
BK BLACK
TO 115VAC / 1
ADJUST
Ø /60 HZ POWER SUPPLY WITH
5. TO RECALL THE LAST 6 FAULT S, MOST RECENT TO LEAST
RECENT, DEPRESS SWITCH FOR MORE THAN 2 SECONDS WHILE
IN STANDBY (NO THERMOSTAT INPUTS)
GND
YL
PU
C
INDUCTOR COIL
115 VAC
6
BL BLUE
2
C
EAC
INDUCED
DRAFT
BLOWER
15
FUSE
BK
WH WHITE
1
PM
BK
BLOWERCOMPARTMENT
115
VAC/
1
IGNITER
0140F00530REV.B
24V HUM.
OVERCURRENT
BK
4
BR BROWN
BK
CIRCULATOR
C
YL YELLOW
3
PS1 (2)
DIP SWITCHES
115kBTU MODELS
HI VOLTA GE F IELD
24 VAC
NO
ECM MTR
HARNESS
PM
MVH (14)
OR ORANGE
BR
HI
TERMINAL
OR GY
INTEGRATED CONTR OL MODULE
FLAME SENSOR
IGNITER
4
UNUSED
RD
BK
2
TO
12
RD
LINE
POWER
SUPPLY
WITH
G
BR
24V
3A
BURNERCOMPARTMENT
HEAT OFF
DELAY
PROTECTION
DEVICE
GND
HUMIDIFIER
BK
BL
GY
RD
BLWR
A
IR
INDOOR
CIRCULATOR
TX (3)
RX (2)
+ VDC (1)
GND (4)
TO
R
TO
MICRO
TO +VDC
R
G
O
3
98
1
*CVC9/*MVC95_AA

HIGH VOLTAGE!
DISCONNECT ALL POWER BEFORE SERVICING OR INSTALLING THIS
UNIT. MULTIPLE POWER SOURCES MAY BE PRESENT. FAILURE TO
DO SO MAY CAUSE PROPERTY DAMAGE, PERSONAL INJURY OR DEATH.
35
Wiring is subject to change. Always refer to the wiring diagram on the unit for the most up-to-date wiring.
WIRING DIAGRAMS
TO +VDC
TO
MICRO
TO
RGND (4)
+ VDC (1)
RX (2)
TX (3) CIRCULATOR
INDOOR
AIR
BLWR
RD
GY
BL
BK
PROPERLY POLARIZED
HUMIDIFIER
GND
PROTECTION DEVICE
HEAT OFF
DELAY
BURNER COMPARTMENT
24 V
3 A
BR
G
POWER SUPPLY WITH
LINE
RD
12
TO
C
2
BK
RD
UNUSED
DISCONNECT POWER
4
IGNITER
FLAME SENSOR
5 CIRCUIT CONNECTOR
INTEGRATED CONTROL MODULE
POWER BEFORE
GY
OR
TERMINAL
HI
BR
OR ORANGE
MVH (14)
4 CIRCUIT MOTOR
CONNECTOR
PM
ECM MTR
HARNESS
NO
24 VAC
HI VOLTAGE FIELD
115k BTU MODELS
AUTO RESET PRIMARY
LIMIT CONTROL
BEFORE SERVICING.
DIP SWITCHES
OR
PS1 (2)
3
YL YELLOW
C
CIRCULATOR
BK
BR BROWN
4
BK
OVERCURRENT
24V HUM.
0140F00661 REV.B
IGNITER
115 VAC/ 1
BLOWER COMPARTMENT
24
BK
PM
1
WH WHITE
BK
FUSE
15
INDUCED
DRAFT
BLOWER
EAC
C
3
BL BLUE
6
115 VAC
INDUCTOR COIL
C
PU
YL
GND
5. TO RECALL THE LAST 6 FA U LT S , MOST RECENT TO LEAST
RECENT, DEPRESS SWITCH FOR MORE THAN 2 SECONDS WHILE
IN STANDBY (NO THERMOSTAT INPUTS)
Ø /60 HZ POWER SUPPLY WITH
ADJUST
TO 115 VAC / 1
BK BLACK
DEHUM
5
HEAT
LINE
INTEGRATED CONTROL MODULE
GND
24V HU M.
2
WH RD
HOT
SURFACE
IGNITER
MVC (8)
2
NEUTRAL
OR
WH
DOOR
LOW FIRE PRESS.
SWITCH
4
3
2
CHASSIS GROUND
WH
VAC
GND
YL
LOW VOLTAGE (24V)
2 CIRCUIT
CONNECTOR
HUM
DEHUM
2
HI VOLTAGE (115V)
OVERCURRENT
PSO (7)
WH
2. MANUFACTURER'S SPECIFIED REPLACEMENT PARTS MUST BE
USED WHEN SERVICING.
ONLY
C
AIR CLEANER
TWO STAGE
GAS VALVE
(HONEY WELL)
DISCONNECT
HIGH FIRE
PRESS. SWTICH
INDOOR
HUMIDIFIER
Ø /60 HZ
PK PINK
N
WH
9
MANUAL RE SET ROLLOUT
LIMIT CONTROLS
IND LO
14
Y2
40 VA
MANUAL RESET AUXILIARY LIMIT
CONTROLS
3
HUM
OR
JUNCTION
BLWR
PU PURPLE
1
CIRCULATOR
BLOWER
R
1
GND
JUNCTION BOX
SWITCH (TEMP.)
NEUTRAL
115kBTU MODELS
BLOWER
COMPARTMENT
DOOR SWITCH
(OPEN WHEN
DOOR OPEN)
C
LINE
BK
BR
NEUTRAL
4
NEUTRAL
POLARIZED AND
FRONT COVER
PRESS. SWITCH
11
C
FS
2
PLUG CONNECTION
EAC
DISCONNECT
PU
3. IF ANY OF THE ORIGINAL WIRE AS SUPPLIED WITH THE
FURNACE MUST BE REPLACED, IT MUST BE REPLACED WITH
WIRING MATERIAL HAVING A TEMPERATURE RATING OF AT
LEAST 105°C. USE COPPER CONDUCTORS ONLY.
TWO-STAGE
INTEGRATED
CONTROL
MODULE
PK
INTEGRATED CONTROL
PROT. DEVICE
8
HIGH FIRE
PRESSURE
SWITCH
PU
ONLY
24 V THERMOSTAT CONNECTIONS
W1
W1
INTERNAL TO
70kBTU,90kBTU,
NO
EQUIPMENT GND
MVL (13)
O
SERVICING. WIRING
2ND STG DLY
WH
OR
OR
ID BLOWER TWO-STAGE PRESSURE
SWITCH ASSEMBLY
R
GY
2
5
GND (5)
BK
IND HI
IGN
PK
GY
HLO (10)
70kBTU,90kBTU,
NOTES:
PU
L
AIR
Y1
WH
MANUAL RESET ROLLOUT LIMIT
CONTROLS (SINGLE CONTROL ON
45 kBTU)
Y1
GY GRAY
ELECTRONIC
RD RED
Y2
OR
NEUTRAL
1
HLI (1)
WH
SWITCH
AUTO RESET PRIMARY
LIMIT CONTROL
NO
WH
TRANSFORMER
MUST BE PROPERLY
13
1
BR
BL
3
OVERCURRENT PROTECTION DEVICE
T-STAT
5
GY
BK
GN
2
GROUNDED.
LOW VOLTAGE FIELD
W2
DELAY
WARNING:
7
FIELD GND
FIELD SPLICE
SWITCH (PRESS.)
1
C
W2
WH
115
NEUTRAL
BLWR
JUNCTION BOX
3
GND
FS
1
AND GROUNDED.
4
RD
GAS
VALV E
24V THERMOSTAT CONNECTIONS
BL
INDUCTOR COIL
TH (4)
C
HI
1
24V HUM.
TO UNIT MUST BE
VAC
G
YL
C
FRONT COVER
PRESSURE SWITCH
TR (11)
OR
GR
GN GREEN
HOT SURFACE
FLAME
SENSOR
PS2 (12)
LOW FIRE
PRESSUR
E SWITCH
1
INTEGRATED CONTROL MODULE
COLOR CODES:
L
4. UNIT MUST BE PERMANENTLY GROUNDED AND CONFORM TO
N.E.C. AND LOCAL CODES.
BR
DIAGNOSTIC
LED'S
PK
NO
O
3
DEHUM
10
WIRING TO UNIT
BL
NO
NEUTRAL
N
SEE
NOTE 5
GY
PU
COOL
40 VA
TRANSFORMER
ID
TO
MICRO
WARNING:DISCONNECT
PK
MANUAL RESET
AUXILIARY
LIMIT CONTROL
YL
1. SET HEAT ANTICIPATOR ON ROOM THERMOSTAT AT 0.7 AMPS.
FUSE 3 A
2
NO
*CVC9/*MVC95_AB

HIGH VOLTAGE!
DISCONNECT ALL POWER BEFORE SERVICING OR INSTALLING THIS
UNIT. MULTIPLE POWER SOURCES MAY BE PRESENT. FAILURE TO
DO SO MAY CAUSE PROPERTY DAMAGE, PERSONAL INJURY OR DEATH.
36
SCHEMATICS
BLOWER ASSEMBLY SCHEMATIC
ACVC9/AMVC95/GCVC9/GMVC95_____X* MODEL FURNACES
This schematic is for reference only. Not all wiring is as shown above,
refer to the appropriate wiring diagram for the unit being serviced.
BK
WH
BK
BK
INTEGRATED CONTROL MODULE
GROUND TO
SCROLL HOUSING
BK
BK
ECM BLOWER MOTOR
INDUCTOR COIL
PI
N 4
WH
WH
TO ECM
TRANSFORMER
BLWR MOTOR
GN
PIN 2
PK
PIN 5
PIN 1
(MEDIUM AND LARGE CABINET MODELS ONLY)
PIN 3
LOAD
LINE
WH
RD
BK
GY
BL
RDBK
GYBL
O
HUM
W21
12V
W1
Y2
R
W2
1
2
9
59-47 15 REV. F
DE
Y1
FS
IGN- N
7
IND-HI
TX
6
O
GND
Y1
Y1
RC
C
4
O
12
W2
DEHUM
10
15
3
ST5
2
W1
IND-N
W1
HUM
EAC
RY2
G
ST4
RX
G
ANSI Z21.20 AUTOMATI C IGNITIO N SYST EM 24VAC 60Hz 0.8 A. MAX.
C
DEHUM
IGN
1
G
13
1 R
IND-LO
2Y2
LIMIT
RESET
MANUAL LIMIT
RESET
MANUAL
YL
PK
PU
TAB TERMINAL
END TAB TERMINAL
END
Wiring is subject to change. Always refer to the wiring diagram on the unit for the most up-to-date wiring.

HIGH VOLTAGE!
DISCONNECT ALL POWER BEFORE SERVICING OR INSTALLING THIS
UNIT. MULTIPLE POWER SOURCES MAY BE PRESENT. FAILURE TO
DO SO MAY CAUSE PROPERTY DAMAGE, PERSONAL INJURY OR DEATH.
37
SCHEMATICS
TYPICAL SCHEMATIC
ACVC9/AMV95/GCVC9/GMVC95_____X* MODEL FURNACES
WR 50C51-289 INTEGRATED IGNITION CONTROL
This schematic is for reference only. Not all wiring is as shown above. Refer to the appropriate wiring diagram for the unit being serviced.
Wiring is subject to change. Always refer to the wiring diagram on the unit for the most up-to-date wiring.
WIRING SCHEMATIC
R
Y1
1
2
4
8C
N/C N/C
6
122
71593
101
14
5-11 138
15 HI
2
LO
3
4334
1
G
DEHUM
Y2
O
W2
W1
XFMR
GAS VALVE
PS2
PS1
AUXRLSHL
VARIABLE SPEED
CIRCULATOR
INDUCER
EAC
HUM
IGN
LO HI
DRAIN
SWITCH
GROUND
ZCNTL
μ
P
COMM
μ
P
RS485
DUAL LED
DISPLAYS COMM
STATUS LED
RJ11
DIPSWX
TX/RX