Graco 310893P Gmax Ii 3900 5900 7900 Texspray 5900Hd 7900Hd Users Manual 3900, 5900, 7900, 5900HD/7900HD Airless Sprayers, Repair (English)
GMax II 248683 310893EN-P
2015-04-02
: Graco Graco-310893P-Gmax-Ii-3900-5900-7900-Texspray-5900Hd-7900Hd-Users-Manual-686181 graco-310893p-gmax-ii-3900-5900-7900-texspray-5900hd-7900hd-users-manual-686181 graco pdf
Open the PDF directly: View PDF
.
Page Count: 32
- Manual Conventions
- Warning
- Maintenance
- Troubleshooting
- Bearing Housing and Connecting Rod
- Drive Housing
- Pinion Assembly/Clutch Armature/Clamp
- Clutch Housing
- Pressure Control
- Displacement Pump
- Parts
- Parts Drawing and List - Pinion Housing, Drive Housing
- LoBoy Suction Set Kits (Kits include suction set and drain hose)
- Pressure Control and Filter Parts Drawing
- Pressure Control and Filter Parts List
- Parts - Sprayers, RAC™ X Tip, Gun & Hose
- Technical Data
- Graco Standard Warranty

310893P
Repair
GMAX™ II 3900/5900/7900
TexSpray™ 5900HD/7900HD
Airless Sprayers
Korean patent: 10-0647761
- For Portable Airless Spraying of Architectural Coatings and Paints -
3300 psi (22.8 MPa, 228 bar) Maximum Working Pressure
Important Safety Instructions
Read all warnings and instructions in
this manual. Save these instructions.
GMAX ll 3900
248683 ✓✓
248684 ✓✓
248685 ✓✓
248686 ✓✓
249335 ✓✓
GMAX ll 5900
248687 ✓✓
248688 ✓✓
248689 ✓✓
248690 ✓✓
249336 ✓✓
TexSpray 5900HD
248699 ✓✓
GMAX ll 7900
248700 ✓✓
248701 ✓✓
248702 ✓✓
248703 ✓✓
249337 ✓✓
TexSpray 7900HD
255632 ✓✓
ti5474a
ti5475a
ti5447a
Related Manuals
310892 311861
308491
310894 309640
ENG

Manual Conventions
2310893P
Contents
WARNING . . . . . . . . . . . . . . . . . . . . . . . . . . . . . . . . . 3
Maintenance . . . . . . . . . . . . . . . . . . . . . . . . . . . . . . . 5
Troubleshooting . . . . . . . . . . . . . . . . . . . . . . . . . . . . 6
Repair . . . . . . . . . . . . . . . . . . . . . . . . . . . . . . . . . . . . 8
Bearing Housing & Connecting Rod . . . . . . . . . . . 8
Drive Housing . . . . . . . . . . . . . . . . . . . . . . . . . . . . . . 9
Pinion Assembly/Clutch Armature/Clamp . . . . . . 10
Clutch Housing . . . . . . . . . . . . . . . . . . . . . . . . . . . 12
Engine . . . . . . . . . . . . . . . . . . . . . . . . . . . . . . . . . . . 12
Pump ON/OFF Switch . . . . . . . . . . . . . . . . . . . . . . 13
Pressure Control . . . . . . . . . . . . . . . . . . . . . . . . . . 14
Displacement Pump . . . . . . . . . . . . . . . . . . . . . . . 16
Parts . . . . . . . . . . . . . . . . . . . . . . . . . . . . . . . . . . . . 20
GMAX II 3900 Parts Drawing . . . . . . . . . . . . . . . . . 20
GMAX II 5900/5900HD Parts Drawing . . . . . . . . . . 22
GMAX II 7900/TexSpray 7900HD Parts Drawing . . 24
Parts Drawing and List - Pinion Housing . . . . . . . 26
Lo-Boy Suction Set. . . . . . . . . . . . . . . . . . . . . . . . . 27
Pressure Control and Filter Parts Drawing. . . . . . 28
Parts - Sprayers, RAC X
®
Tip, Gun & Hose . . . . . . . . . . 30
Technical Data . . . . . . . . . . . . . . . . . . . . . . . . . . . . 31
Dimensions . . . . . . . . . . . . . . . . . . . . . . . . . . . . . . . 31
Graco Standard Warranty . . . . . . . . . . . . . . . . . . . 32
Manual Conventions
Note
WARNING
WARNING: a potentially hazardous situation which, if
not avoided, could result in death or serious injury.
Warnings in the instructions usually include a symbol
indicating the hazard. Read the general Warnings
section for additional safety information.
Hazard Symbol
CAUTION
CAUTION: a potentially hazardous situation which, if
not avoided, may result in property damage or
destruction of equipment.
Additional helpful information.

Warning
310893P 3
Warning
The following are general warnings related to the setup, use, maintenance and repair of this equipment. Additional,
more specific, warnings may be found throughout the text of this manual, where applicable.
WARNING
FIRE AND EXPLOSION HAZARD
Flammable fumes, such as solvent and paint fumes, in work area can ignite or explode. To help prevent
fire and explosion:
• Use equipment only in well ventilated area.
• Do not fill fuel tank while engine is running or hot; shut off engine and let it cool. Fuel is flammable
and can ignite or explode if spilled on hot surface.
• When flammable liquid is sprayed or used for flushing or cleaning, keep sprayer at least 20 feet (6 m)
away from explosive vapors.
• Eliminate all ignition sources; such as pilot lights, cigarettes, portable electric lamps, and plastic drop
cloths (potential static arc).
• Keep work area free of debris, including solvent, rags and gasoline.
• Do not plug or unplug power cords, or turn power or light switches on or off when flammable fumes
are present.
• Ground equipment and conductive objects in work area. See Grounding instructions.
• Use only grounded hoses.
• Hold gun firmly to side of grounded pail when triggering into pail.
• If there is static sparking or you feel a shock, stop operation immediately. Do not use equipment
until you identify and correct the problem.
SKIN INJECTION HAZARD
High-pressure fluid from gun, hose leaks, or ruptured components will pierce skin. This may look like just
a cut, but it is a serious injury that can result in amputation. Get immediate surgical treatment.
• Do not point gun at anyone or at any part of the body.
• Do not put your hand over the spray tip.
• Do not stop or deflect leaks with your hand, body, glove, or rag.
• Do not spray without tip guard and trigger guard installed.
• Engage trigger lock when not spraying.
• Follow Pressure Relief Procedure in this manual, when you stop spraying and before cleaning,
checking, or servicing equipment.
PRESSURIZED EQUIPMENT HAZARD
Fluid from the gun/dispense valve, leaks, or ruptured components can splash in the eyes or on skin and
cause serious injury.
• Follow Pressure Relief Procedure in this manual, when you stop spraying and before cleaning,
checking, or servicing equipment.
• Tighten all fluid connections before operating the equipment.
• Check hoses, tubes, and couplings daily. Replace worn or damaged parts immediately.
MOVING PARTS HAZARD
Moving parts can pinch or amputate fingers and other body parts.
• Keep clear of moving parts.
• Do not operate equipment with protective guards or covers removed.
• Pressurized equipment can start without warning. Before checking, moving, or servicing equipment,
follow the Pressure Relief Procedure in this manual. Disconnect power or air supply.

Warning
4310893P
EQUIPMENT MISUSE HAZARD
Misuse can cause death or serious injury.
• Do not exceed the maximum working pressure or temperature rating of the lowest rated system
component. See Technical Data in all equipment manuals.
• Use fluids and solvents that are compatible with equipment wetted parts. See Technical Data in all
equipment manuals. Read fluid and solvent manufacturer’s warnings.
• Check equipment daily. Repair or replace worn or damaged parts immediately.
• Do not alter or modify equipment.
• Do not install a shut-off device between filter outlet and gun.
• Use equipment only for its intended purpose. Call your Graco distributor for information.
• Route hoses and cables away from traffic areas, sharp edges, moving parts, and hot surfaces.
• Do not use hoses to pull equipment.
• Keep children and animals away from work area.
• Comply with all applicable safety regulations.
PRESSURIZED ALUMINUM PARTS HAZARD
Do not use 1,1,1-trichloroethane, methylene chloride, other halogenated hydrocarbon solvents or fluids
containing such solvents in pressurized aluminum equipment. Such use can cause serious chemical
reaction and equipment rupture, and result in death, serious injury, and property damage.
SUCTION HAZARD
Never place hands near the pump fluid inlet when pump is operating or pressurized. Powerful suction
could cause serious injury.
CARBON MONOXIDE HAZARD
Exhaust contains poisonous carbon monoxide, which is colorless and odorless. Breathing carbon mon-
oxide can cause death. Do not operate in an enclosed area.
TOXIC FLUID OR FUMES HAZARD
Toxic fluids or fumes can cause serious injury or death if splashed in the eyes or on skin, inhaled, or
swallowed.
• Read MSDS’s to know the specific hazards of the fluids you are using.
• Store hazardous fluid in approved containers, and dispose of it according to applicable guidelines.
BURN HAZARD
Equipment surfaces and fluid that’s heated can become very hot during operation. To avoid severe
burns, do not touch hot fluid or equipment. Wait until equipment/fluid has cooled completely.
PERSONAL PROTECTIVE EQUIPMENT
You must wear appropriate protective equipment when operating, servicing, or when in the operating
area of the equipment to help protect you from serious injury, including eye injury, inhalation of toxic
fumes, burns, and hearing loss. This equipment includes but is not limited to:
• Protective eyewear
• Clothing and respirator as recommended by the fluid and solvent manufacturer
•Gloves
• Hearing protection
RECOIL HAZARD
Brace yourself; gun may recoil when triggered and cause you to fall, which could cause serious injury.
WARNING

Maintenance
310893P 5
Maintenance
Pressure Relief Procedure
1. Lock gun trigger safety.
2. Turn engine ON/OFF switch to OFF.
3. Move pump switch to OFF and turn pressure control knob
fully counterclockwise.
4. Unlock trigger safety. Hold metal part of gun firmly to side
of grounded metal pail, and trigger gun to relieve
pressure.
5. Lock gun trigger safety.
6. Open pressure drain valve. Leave valve open until ready
to spray again.
If you suspect that the spray tip or hose is completely
clogged, or that pressure has not been fully relieved
after following the steps above, VERY SLOWLY loosen
tip guard retaining nut or hose end coupling to relieve
pressure gradually, then loosen completely. Now clear
tip or hose.
DAILY: Check engine oil level and fill as necessary.
DAILY: Check hose for wear and damage.
DAILY: Check that all hose fittings are secure.
DAILY: Check gun safety for proper operation.
DAILY: Check pressure drain valve for proper operation.
DAILY: Check and fill the gas tank.
DAILY: Check level of TSL in displacement pump pack-
ing nut. Fill nut, if necessary. Keep TSL in nut to help
prevent fluid buildup on piston rod and premature wear
of packings and pump corrosion.
AFTER THE FIRST 20 HOURS OF OPERATION:
Drain engine oil and refill with clean oil. Reference
Honda Engines Owner's Manual for correct oil viscosity.
WEEKLY: Remove engine air filter cover and clean ele-
ment. Replace element, if necessary. If operating in an
unusually dusty environment: check filter daily and
replace, if necessary.
Replacement elements can be purchased from your
local HONDA dealer.
AFTER EACH 100 HOURS OF OPERATION:
Change engine oil. Reference Honda Engines Owner's
Manual for correct oil viscosity.
SPARK PLUG: Use only BPR6ES (NGK) or W20EPR-U
(NIPPONDENSO) plug. Gap plug to 0.028 to 0.031 in.
(0.7 to 0.8 mm). Use spark plug wrench when installing
and removing plug.
Premium Sprayers Engine Oil Funnel:
Use the supplied engine oil funnel when draining oil.
WARNING
Read Injection Hazard, page 3; Burn Hazard, page 4.
CAUTION
For detailed engine maintenance and specifications,
refer to separate Honda Engines Owner's Manual,
supplied.
ti6200a
OIL FUNNEL

Troubleshooting
6310893P
Troubleshooting
Problem Cause Solution
E=XX is displayed Fault condition exists Determine fault correction from table, page 15
Engine will not start Engine switch is OFF Turn engine switch ON
Engine is out of gasoline Refill gas tank. Honda Engines Owner's Man-
ual.
Engine oil level is low Try to start engine. Replenish oil, if necessary.
Honda Engines Owner's Manual.
Spark plug is disconnected or damaged Connect spark plug cable or replace spark plug
Cold engine Use choke
Fuel shutoff lever is OFF Move lever to ON position
Oil is seeping into combustion chamber Remove spark plug. Pull starter 3 to 4 times.
Clean or replace spark plug. Start engine.
Keep sprayer upright to avoid oil seepage
False tripping of WatchDog system.
EMPTY is displayed. Pump does not
run.
Operating conditions out of WatchDog
parameters
Pump output is low, page 7.
Turn pressure down. Contact Graco Technical
Assistance to adjust WatchDog parameters.
Operate without WatchDog active; Manual
310892.
Engine operates, but displacement
pump does not operate
Error code displayed Reference Pressure Control repair, page 15
Pump switch is OFF Turn pump switch ON
Pressure setting too low Turn pressure adjusting knob clockwise to
increase pressure.
Fluid filter (56) is dirty Clean filter. Page 28.
Tip or tip filter is clogged
Clean tip or tip filter. Manual 309639.
Displacement pump piston rod is stuck
due to dried paint
Repair pump. Manual 310894.
Connecting rod is worn or damaged
Replace connecting rod. Page 8.
Drive housing is worn or damaged Replace drive housing. Page 9.
Electrical power is not energizing clutch
field
Check wiring connections. Page 12.
Reference
Digital Display Messages
. Page
15
.
Reference wiring diagram. Page 29.
With pump switch ON and pressure turned to MAXI-
MUM, use a test light to check for power between clutch
test points on control board.
Remove clutch wires from control board and
measure resistance across clutch coil. At 70° F,
the resistance must be between 1.2 +0.2Ω; if
not, replace pinion housing.
Have pressure control checked by authorized
Graco dealer
Clutch is worn, damaged, or incorrectly
positioned
Adjust or replace clutch. Page 10.
Pinion assembly is worn or damaged Repair or replace pinion assembly. Page10.

Troubleshooting
310893P 7
Problem Cause Solution
Pump output is low Strainer (82) is clogged Clean strainer.
Piston ball is not seating Service piston ball. Manual 310894.
Piston packings are worn or damaged
Replace packings. Manual 310894.
O-ring in pump is worn or damaged
Replace o-ring. Manual 310894.
Intake valve ball is not seating properly
Clean intake valve. Manual 310894.
Intake valve ball is packed with material
Clean intake valve. Manual 310894.
Engine speed is too low
Increase throttle setting. Manual 310892.
Clutch is worn or damaged Adjust or replace clutch. Page 10.
Pressure setting is too low Increase pressure. Manual 310892.
Fluid filter (56), tip filter or tip is clogged or
dirty
Clean filter. Manual 310892 or 309639.
Large pressure drop in hose with heavy
materials
Use larger diameter hose and/or reduce
overall length of hose. Use of more than
100 ft of 1/4 in. hose significantly reduces
performance of sprayer. Use 3/8 in. hose
for optimum performance (50 ft minimum).
Excessive paint leakage into throat
packing nut
Throat packing nut is loose Remove throat packing nut spacer. Tighten
throat packing nut just enough to stop leak-
age.
Throat packings are worn or damaged
Replace packings. Manual 310894.
Displacement rod is worn or damaged
Replace rod. Manual 310894.
Fluid is spitting from gun Air in pump or hose
Check and tighten all fluid connections. Rep-
rime pump. Manual 310892.
Tip is partially clogged Clear tip. Manual 309639.
Fluid supply is low or empty Refill fluid supply. Prime pump. Manual
310892. Check fluid supply often to prevent
running pump dry.
Pump is difficult to prime Air in pump or hose
Check and tighten all fluid connections.
Reduce engine speed and cycle pump as
slowly as possible during priming.
Intake valve is leaking Clean intake valve. Be sure ball seat is not
nicked or worn and that ball seats well.
Reassemble valve.
Pump packings are worn
Replace pump packings. Manual 310894.
Paint is too thick Thin the paint according to the supplier's
recommendations
Engine speed is too high Decrease throttle setting before priming
pump. Manual 310892.
Clutch squeaks each time clutch
engages
Clutch surfaces are not matched to each other
when new and may cause noise
Clutch surfaces need to wear into each
other. Noise will dissipate after a day of run
time.
High engine speed at no load Misadjusted throttle setting Reset throttle to 3300 engine rpm at no
load.
Worn engine governor Replace or service engine governor
Gallon counter not working Bad sensor, broken or disconnected wire.
Displaced or missing magnet.
Check connections. Replace sensor or
wire. Reposition or replace magnet.
No display, sprayer operates Display damaged or has bad connection Check connections. Replace display.

Bearing Housing and Connecting Rod
8310893P
Bearing Housing and Connecting Rod
NOTE: The item numbers referenced are for the 5900
Hi-Boy models. The 3900, 7900 and all Lo-Boy models
may have different item numbers. Use the 5900 Hi-Boy
item number and part to find the corresponding alter-
nate part and item number.
Removal
1. Relieve pressure; page 5.
2. FIG. 1. Remove four screws (45) and front cover (44)
3. Remove pump. Refer to Displacement Pump, Removal,
page 16.
4. Remove four screws (41) and washers (42) from bearing
housing (40).
5. Pull connecting rod (43) and lightly tap lower rear of
bearing housing with plastic mallet to loosen from drive
housing (33). Pull bearing housing and connecting rod
assembly off drive housing.
6. Inspect crank (B) and connecting rod (43) for excessive
wear and replace parts as needed.
Installation
1. Evenly lubricate inside of bronze bearing (C) in bearing
housing (40) with high-quality motor oil. Liberally pack top
roller bearing (E), lower bearing (D) inside connecting rod
(43) with bearing grease.
2. Assemble connecting rod (43) to bearing housing (40).
Rotate connecting rod to lowest position.
3. Clean mating surfaces of bearing and drive housings.
4. Align connecting rod with crank (B) and carefully align
locating pins (F) in drive housing (33) with holes in
bearing housing (40). Push bearing housing onto drive
housing or tap into place with plastic mallet.
5. Install screws (41) and washers (42) in bearing housing.
Torque evenly to note 3 value in Fig. 1.
6. Install pump. Refer to Displacement Pump, Installation,
page 14.
WARNING
Read Injection Hazard, page 3; Burn Hazard, page 4
CAUTION
DO NOT use bearing housing screws (41) to align or
seat bearing housing with drive housing. Align these
parts with locating pins, to avoid premature bearing
wear.
FIG. 1
&
"
%
$
#
!
TIB
3
2
1Oil
Pack with bearing grease 114819
GMAX II 3900: Torque to 200 in-lb (22.6 N.m)
GMAX II 5900: Torque to 25 ft-lb (34 N.m)
GMAX II 7900: Torque to 40 ft-lb (54 N.m)
TexSpray 7900HD: Torque to 40 ft-lb (54 Nm

Drive Housing
310893P 9
Drive Housing
Removal
1. Relieve pressure; page 5.
2. Remove bearing housing. Refer to Bearing Housing and
Connecting Rod, Removal, page 8.
3. Premium sprayers: Remove two screws (108) and gallon
counter sensor (39).
4. Remove six screws (38).
5. Lightly tap around drive housing (33) to loosen drive
housing. Pull drive housing straight off pinion housing. Be
prepared to support combination gear (32) which may
also come out.
Installation
1.
FIG. 2
. Apply all grease supplied with replacement gear
cluster to gear teeth and to areas called out by note 3.
2. FIG. 3. Ensure thrust washers (30, 31; 5900/7900) (30, 31,
72; 3900) are on combination gear (32) and washers (Fig.
2; 33a, 33b) are on crankshaft of drive housing (33) as
shown.
3. Clean mating surfaces of pinion and drive housings.
4. Align gears and push new drive housing straight onto
pinion housing (29) and locating pins (B).
5. Install six screws (38).
6. Install gallon counter sensor (39) with two screws (108).
7. Install bearing housing. Refer to Bearing Housing and
Connecting Rod, Installation, page 8.
8. Install screws (38) in drive housing. Torque evenly to note
3 value in FIG. 2.
9. Install pump. Refer to Displacement Pump, Installation,
page14.
FIG. 3
WARNING
Read Injection Hazard, page 3; Burn Hazard, page 4
CAUTION
Premium models: Gallon counter sensor is connected to con-
trol board in pressure control. Pulling on the sensor wires could
cause damage.
CAUTION
Thrust washers may stick to grease inside of drive housing.
Do not lose or misplace.
CAUTION
DO NOT use drive housing screws (38) to align or seat
drive housing with pinion housing. Align these parts with
locating pins, to avoid premature bearing wear.
FIG. 2
"
"
TIA
B
A
3
2
1
Gallon counter sensor
Pack with grease 114819
GMAX II 3900: Torque to 140 ±10 in-lb (15.8 ±1.1N.m)
GMAX II 5900: Torque to 200 ±10 in-lb (22.6 ±1.1 N.m)
GMAX II 7900: Torque to 200 ±10 in-lb (22.6 ±1.1 N.m)
1
Texspray 7900HD: Torque to 200 ±10 in-lb (22.6 ±1.1 N.m)
TIA
1
2
Copper
Steel

Pinion Assembly/Clutch Armature/Clamp
10 310893P
Pinion Assembly/Clutch Armature/Clamp
Pinion Assembly/Clutch Armature Removal
Pinion Assembly
If pinion assembly (29) is not removed from clutch housing
(19), do 1. through 3. Otherwise, start at 4.
1. Remove drive housing; page 9.
2. FIG. 4. Disconnect clutch cable connectors from inside of
pressure control.
a.
FIG. 14
. Remove two screws (71) and swing down
cover (130a).
b. Disconnect engine leads from board to engine.
c. Remove strain reliefs 130r and 123.
3.
FIG. 4
. Remove four screws (36) and pinion assembly (29).
FIG. 4
4. FIG. 5. Place pinion assembly (29) on bench with rotor
side up.
5. Remove four screws (28) and lock washers (24). Install
two screws in threaded holes (E) in rotor. Alternately
tighten screws until rotor comes off.
FIG. 5
6. FIG. 6. Remove retaining ring (29b).
7. Turn pinion assembly over and tap pinion shaft (29a) out
with plastic mallet.
FIG. 6
Clutch Armature
8. FIG. 7. Use an impact wrench or wedge something
between clutch armature (25) and clutch housing to hold
engine shaft during removal.
9. Remove four screws (23) and lock washers (24).
10. Remove armature.
FIG. 7
WARNING
Read Injection Hazard, page 3; Burn Hazard, page 4
36
37
36
37
29
ti5480a
19
E
28
24
ti5481a
ti5987b
E
29
29b
29a
ti5482a
27
29d
TIA

Pinion Assembly/Clutch Armature/Clamp
310893P 11
Installation
Clutch Armature
1. FIG. 8. Lay two stacks of two dimes on smooth bench
surface.
2. Lay armature (25) on two stacks of dimes.
3. Press center of hub (26) down to bench surface.
FIG. 8
4. Install armature (25) on engine drive shaft.
5. Install four screws (23) and lock washers (24) with torque
of 125 in-lb.
Pinion Assembly
6. FIG. 6. Check o-ring (29d) and replace if missing or
damaged.
7. Tap pinion shaft (29a) in with plastic mallet.
8. Install retaining ring (29b) with beveled side facing up.
9. FIG. 5. Place pinion assembly on bench with rotor side up.
10. Apply thread sealant to screws. Install four screws (28)
and lock washers (24). Alternately torque screws to 125
in-lb until rotor is secure. Use threaded holes to hold rotor.
11. FIG. 4. Install pinion assembly (29) with four screws (36)
and washers (37).
12. FIG. 14. Connect clutch cable connectors to inside of
pressure control.
Clamp Removal
1. Do Engine Removal.
2. Drain gasoline from tank according to Honda manual.
3.
FIG. 9
. Tip engine on side so gas tank is down and air
cleaner is up.
4. FIG. 10. Loosen two screws (24) on clamp (22),
5. Push screwdriver into slot in clamp (22) and remove
clamp.
FIG. 9
Clamp Installation
1. FIG. 10. Install engine shaft key (18)
2. Tap clamp (22) onto engine shaft (A). Maintain dimension
shown note 2. Chamfer must face engine.
3. Check dimension: Place rigid, straight steel bar (B) across
face of clutch housing (19). Use accurate measuring
device to measure distance between bar and face of
clamp. Adjust clamp as necessary. Torque two screws
(24) to 125 ±10 in-lb (14 ±1.1 N·m)
Face of clutch housing
1.550 ± .010 in. (39.37 ± .25 mm) - GMAX 3900
2.612 ± .010 in. (66.34 ± .25 mm) - GMAX 5900 & 7900
Torque to 125 ±.10 in-lb (14 ±1.1 N·m)
Chamfer this side
FIG. 10
0.12+01 in (3.0+.25 mm)
25 26
dimes
ti6321a
WARNING
Gasoline can spill and cause a fire or explosion if
engine is tipped on side.
ti6199a
1
2
33
44
"
!
TIA
19

Clutch Housing
12 310893P
Clutch Housing
Removal
1. FIG. 11. Remove four screws (20) and lock washers (21)
which hold clutch housing (19) to engine.
2. Remove screw (35) from under mounting plate (D).
3. Pull off clutch housing (19).
Installation
1. FIG. 11. Push on clutch housing (19).
2. Install four capscrews (20) and lock washers (21) and
secure clutch housing (19) to engine. Torque to 200 in-lb
(22.6 N·m).
3. Install screw (35) from beneath mounting plate (D).
Torque to 26 ft-lb (35.2 N·m).
FIG. 11
Engine
Removal
NOTE: All service to the engine must be performed by
an authorized HONDA dealer.
1. Remove Pinion Assembly/Clutch Armature/Clamp and
Clutch Housing, as instructed on pages 9, 10 and 11.
2. FIG. 12. Disconnect all necessary wiring.
3. FIG. 13. Remove two locknuts (17) and screws (16) from
base of engine.
4. Lift engine carefully and place on work bench.
FIG. 12
FIG. 13
Installation
1. Lift engine carefully and place on cart.
2. FIG. 13. Install two screws (16) in base of engine and
secure with locknuts (17). Torque to 26 ft-lb (22.6 N·m).
3. FIG. 12. Connect all necessary wiring.
4. Install Pinion Assembly/Clutch Armature/Clamp and
Clutch Housing, as instructed on pages 9, 10 and 11.
20
21
19
18
35
D
ti5486a
1
2
3
1
2
To the field
To the engine
3To gallon counter
4To ground
4
Green
ti5485b
Bottom View
5900/7900
2
Bottom View
3900
17
16
ti5487a

Pressure Control
310893P 13
Pressure Control
Pump ON/OFF Switch
Removal
1. FIG. 14. Remove two screws (71) and swing down
cover (130a).
2. Disconnect pump ON/OFF switch (130f) connector from
control board.
3. Press in on two retaining tabs on each side of pump
ON/OFF switch (130f) and remove switch from cover.
Installation
1. Install new pump ON/OFF switch (130f) so tabs of switch
snap into place on inside of cover.
2. Connect pump ON/OFF switch connector to control
board.
3. Swing up cover (130a) and secure with two screws (71).
FIG. 14
WARNING
Read Injection Hazard, page 3; Burn Hazard, page 4
#,54#(
#,54#(
F
A
B
J
TIA
R
4/%.').%
#,54#(
'!,,/.#/5.4%2
C
D
M
E
G
H
D
C
A
F
G
'2/5.$

Pressure Control
14 310893P
Control Board
Removal
1. FIG. 14. Remove two screws (71) and swing down
cover (130a)
2. Remove strain relief bushings (130r and 123).
3. Disconnect at control board (130b):
• Lead from potentiometer (130d)
• Lead from transducer (66)
• Lead from WatchDog switch (130g)
• Lead from pump ON/OFF switch (130f)
• Lead from gallon counter sensor (39)
• Display connector (130m)
• Engine, ground and clutch wires
4. Remove four screws (130c) and control board (130b).
Installation
1.
FIG. 14
. Install control board (130b) with four screws (130c).
2. Connect engine wires to control board (130b).
3. Connect at control board (130b):
• Ground and clutch wires
• Display connector (130m)
• Lead from gallon counter sensor (39)
• Lead from pump ON/OFF switch (130f)
• Lead from WatchDog switch (130g)
• Lead from transducer (66)
• Lead from potentiometer (130d)
4. Install new strain relief bushings (123 and 130r).
5. Swing up cover (130a) and secure with two screws (71).
Pressure Control Transducer
Removal
1. FIG. 14. Remove two screws (71) and swing down
cover (130a)
2. Disconnect transducer (66) lead from control board
(130b).
3. Pull transducer connector through rubber grommet (113).
4. Remove pressure control transducer (66) and o-ring (67)
from filter housing (72).
Installation
1. FIG. 14. Install o-ring (67) and pressure control transducer
(66) in filter housing (72). Torque to 35 - 45 ft-lb.
2. Install transducer connector and rubber grommet in
control housing.
3. Connect transducer (66) lead to control board (130b).
4. Swing up cover (130a) and secure with two screws (71).
Pressure Adjust Potentiometer
Removal
1. FIG. 14. Remove two screws (71) and swing down
cover (130a)
2. Disconnect potentiometer (130d) lead from control board
(130b).
3. Loosen set screws on potentiometer knob (130h) and remove
knob, shaft nut, lock washer and potentiometer (130d).
4. Remove shaft spacer (130e) from potentiometer.
Installation
1. Install shaft spacer (130e) on potentiometer (130d).
2. FIG. 14. Install potentiometer, shaft nut, lock washer and
potentiometer knob (130h).
a.Turn potentiometer shaft clockwise to internal stop.
Assemble potentiometer knob (130h) to strike pin on
cover (130a).
b.After adjustment of step a., tighten both set screws in
knob 1/4 to 3/8 turn after contact with shaft.
3. Connect potentiometer lead to control board (130b).
4. Swing up cover (130a) and secure with two screws (71).
WARNING
Read Injection Hazard, page 3; Burn Hazard, page 4
WARNING
Read Injection Hazard, page 3; Burn Hazard, page 4
WARNING
Read Injection Hazard, page 3; Burn Hazard, page 4

Pressure Control
310893P 15
Digital Display Messages
* Error codes also appear on control board as a blinking red
LED. LED is an alternate to digital messages.
1. Remove two screws (71) and swing down cover (130).
2. Start engine. Blink count is the same as error code(E=0X).
After a fault, follow these steps to restart sprayer:
1. Correct fault condition
2. Turn sprayer OFF
3. Turn sprayer ON
WARNING
Relieve pressure before repair, page 5.
DISPLAY* SPRAYER OPERATION INDICATION ACTION
No Display Sprayer may be pressurized Loss of power or display not
connected
Check power source. Relieve pressure before
repair or disassembly. Verify display is
connected.
Sprayer may be pressurized Pressure less than
200 psi (14 bar, 1.4 MPa)
Increase pressure as needed
Sprayer is pressurized. Power is
applied. (Pressure varies with tip
size and pressure control setting.)
Normal operation Spray
Sprayer stops. Engine is running. Exceeded pressure limit 1. Check fluid path for clogs, such as clogged
filter
2. Open prime valve and gun if running
AutoClean
3. Use Graco paint hose, 1/4 in. x 50 ft
minimum. Smaller hose or metal braid
hose may result in pressure spikes.
4. Replace transducer if fluid path is not
clogged and proper hose is used.
Sprayer stops. Engine is running. Pressure transducer faulty,
bad connection or broken
wire
1. Check transducer connection
2. Disconnect and reconnect transducer plug
to ensure good connection with control
board socket
3. Open prime valve. Replace sprayer
transducer with known good transducer
and run sprayer. Replace transducer if
sprayer runs or control board if sprayer
does not run.
Sprayer stops. Engine is running. High clutch current 1. Check wiring connections.
2.
Measure: 1.2 +0.2
Ω
(GMAX II 3900);
1.7 +0.2Ω (GMAX II 5900/ 7900 &
TexSpray 7900HD)
across clutch field at 70°F
3. Replace clutch field assembly
Sprayer stops. Engine is running. Loss of paint to pump or
severe pressure loss
1. Check for empty paint condition, clogged inlet
strainer, failed pump or severe leak
2. Reduce pressure and turn pump switch
OFF and ON to restart pump
3. WatchDog function can be deactivated by
turning WatchDog switch OFF
Sprayer stops. Engine is running. Pressure greater than
2000 psi (138 bar, 14 MPa)
while in Flush Timer Mode
1. Open prime valve and gun
2. Verify no flow obstructions or clogged filter
ti6314a
psi
bar
MPa
ti6315a
ti6316a
ti6317a
ti6318a
ti6320a
• Digital messages are not available on all sprayers
• Blinking LED total count equals digital error code
i.e., two blinks is the same as E=02
(with constant
green LED)

Displacement Pump
16 310893P
Displacement Pump
Removal
1. Flush pump.
2. Stop pump with piston rod in its lowest position.
3. Do Pressure Relief, page 5.
4. Separate drain hose from sprayer
FIG. 15
5. Disconnect material hose from pump.
FIG. 16
6. Raise latch lock. Push latch open.
FIG. 17
7. FIG. 18. Ratchet open pump door.
a. Ratchet pump door forward.
FIG. 18
b. Twist latch u-bolt out of pump door recess.
c. Place u-bolt on pump door outer edge.
d. If pump door is stuck, do steps e., f. and 8., otherwise
go to step 9.
FIG. 19
WARNING
Read Injection Hazard, page 3; Burn Hazard, page 4

Displacement Pump
310893P 17
e. Twist latch u-bolt back from pump door outer edge
f. Place u-bolt on pump door protrusion
FIG. 20
8. Ratchet pump door forward.
FIG. 21
9. Open pump door.
FIG. 22
10. FIG. 23. Pull out pump pin and place in pin holder
FIG. 23
Installation
1. FIG. 24. Adjust piston rod with pin holder to pull out piston
rod. Tap piston rod on hard surface to push in piston rod.
2. Push pump collar flush with bearing housing ledge to be
able to close pump door.
FIG. 24
3.
FIG. 25
. Slide pump into connecting rod. Push pump pin until it
is fully retained.
Note: Pin will snap into position.
FIG. 25
ti6325a
ti6378a

Displacement Pump
18 310893P
4. FIG. 26. Close pump door and rotate latch into position.
Do not tighten latch.
5. FIG. 26. Rotate pump to align with material hose. Connect
material hose and hand tighten to 70 in-lb
FIG. 26
6.
FIG. 27
. Tighten latch and rotate latch lock into locked position.
FIG. 27
7. FIG. 28. Attach drain hose to sprayer.
FIG. 28
8. FIG. 29. Fill pump with Graco TSL until fluid flows onto top
of seal.
FIG. 29

Displacement Pump
310893P 19

Parts
20 310893P
Parts
GMAX ll 3900 Parts Drawing
2EF
2EF
$%4!),!
A
3EEMANUALFORPARTS
,ABEL
3EEPAGEFORPARTS
3EEPAGEFORPARTS
$%4!),!
5SEDON(IGHBOYSSEEPAGEFOR,OWBOY
2EF
2EF
"OTTOM6IEW
TID
3EEPAGEFORPARTS
USEONONLY
A2EF
B2EF
Parts
310893P 21
GMAX ll 3900 Parts List
Ref Part Description Qty
1 287411 FRAME, cart (3900) 1
2 156306 WASHER, flat 2
3 119420 WHEEL, pneumatic (3900) 2
4 15E891 CLIP, retaining 2
5 192027 SLEEVE, cart (3900) 2
6 183350 WASHER 2
7 108068 PIN, spring straight 2
8 109032 SCREW, mach, pnh 4
8a 100020 WASHER, lock 4
9 112827 BUTTON, snap 2
10 245245 HANDLE, cart 1
11 237686 WIRE, ground assembly w/ clamp 1
12 112798 SCREW, thread forming, hex hd 1
14 15C871 CAP, leg 2
15 108879 ENGINE, gas, 4.0 hp, (3900) 1
16 110837 SCREW, flange, hex 2
17 110838 NUT, lock 2
18 183401 KEY, parallel 1
19 15E535
HOUSING, clutch, mach (3900)
1
20 108842 SCREW, cap, hex hd 4
21 100214 WASHER, lock 4
22 193680 COLLAR, shaft 1
23† 108803 SCREW, hex, socket head 6
24† 105510 WASHER, lock, spring (hi-collar) 10
25† ARMATURE, clutch, 4in. (3900) 1
26† HUB, armature 1
27† ROTOR, clutch, 4 in. (3900) 1
28† 101682 SCREW, cap, sch 4
29 287463 HOUSING, pinion, (3900) 1
30 114672 WASHER, thrust (brass) 1
31 114699 WASHER, thrust (steel) 1
32 287653 GEAR, combination (3900) 1
33 287467 HOUSING, drive (3900) 1
34* 116618 MAGNET 1
35 112395 SCREW, cap, flnghd 1
36 119426 SCREW, hex washer hd (3900) 10
39* 119562 SWITCH, reed w/connector 1
40 287932
HOUSING, bearing (3900)
1
41 113467 SCREW, cap, socket hd 4
42 104008 WASHER, lock spring 4
43 287471 ROD, connecting (3900) 1
44 287521 COVER, front, includes 45 (3900) 1
45 118444 SCREW, mach hex wash hd 4
47 287512 PUMP, displacement, (3900)
includes 86, 89, 90
1
67 111457 O-RING 1
68 244240 HOSE, coupled, includes 69 1
69 241920 DEFLECTOR, threaded 1
72 15F250 WASHER, thrust (3900) 1
76 114678 BUSHING, strain relief 1
82 189920 STRAINER, (1-11 1/2 npsm) 1
83 114271 STRAP, retaining 1
84 238049 FLUID, TSL, 4 oz (not shown) 1
86 15E802 FITTING, pump, quick disconnect 1
87 287419 HOSE, coupled 1
89 15E807 TUBE, INTAKE (3900) 1
90 118494 O-RING 1
93* 287253 TOOL BOX, includes 94 1
94* 118852 SCREW, machine, hex washer hd 3
99 113161 SCREW, flange, hex hd 3
100 15E736 BRACKET, holder, manual 1
101 119510 HOLDER, manual 1
107 15F109 PIN, pump (3900) 1
108* 114528 SCREW, MACH, PHILLIPS, PNHD 2
115 15F755 LABEL, identification 1
119 15E851 LABEL, identification 1
120▲15F638 LABEL, danger, English 1
121▲194126 LABEL, warning 1
122 290228 LABEL, caution 1
125▲195119 LABEL, warning 1
127 119569 BUSHING, strain relief 1
129 119579 CONDUCTOR, ground 1
130 BOX, control 1
* 287648 Premium 1
287649 Standard 1
132 119676 SPRING, RETAINING (3900) 1
133 114687 CLIP, RETAINER 1
134* 15F354 FUNNEL, OIL (shown on page 5) 1
143 116038 WASHER, wave spring 2
164 119790 O-RING 1
▲ Replacement Danger and Warning labels, tags,
and cards are available at no cost.
* Premium sprayers only
† Included in Clutch Replacement Kit 241109
Ref Part Description Qty

Parts
22 310893P
GMAX ll 5900/5900HD Parts Drawing
2EF
2EF
$%4!),!
3EEMANUALFORPARTS
,ABEL
3EEPAGEFORPARTS
3EEPAGEFORPARTS
$%4!),!
5SEDON(IGHBOYSSEEPAGEFOR,OWBOY
2EF
2EF
TIE
.OTUSEDON($
"OTTOM6IEW
3EEPAGEFORPARTS
A2EF
B2EF
Parts
310893P 23
GMAX ll 5900/5900HD Parts List
Ref Part Description Qty
1 287370 FRAME, cart (5900/7900) 1
2 156306 WASHER, flat 2
3 119509 WHEEL, pneumatic (5900/7900) 2
4 15E891 CLIP, retaining 2
5 187604 SLEEVE, cart (5900/7900) 2
6 183350 WASHER 2
7 108068 PIN, spring straight 2
8 108795 SCREW, mach, pnh 5
9 112827 BUTTON, snap 2
10 245245 HANDLE, cart 1
11 237686 WIRE, ground assembly w/ clamp 1
12 112798 SCREW, thread forming, hex hd 1
14 276974 CAP, leg 2
15 114530 ENGINE, gas, 5.5 hp, (5900) 1
16 110837 SCREW, flange, hex 2
17 110838 NUT, lock 2
18 183401 KEY, parallel 1
19 15E277
HOUSING, clutch, mach (5900/7900)
1
20 108842 SCREW, cap, hex hd 4
21 100214 WASHER, lock 4
22 193680 COLLAR, shaft 1
23† 108803 SCREW, hex, socket head 6
24† 105510 WASHER, lock, spring (hi-collar) 10
25†
ARMATURE, clutch, 5 in. (5900/7900)
1
26† HUB, armature 1
27† ROTOR, clutch, 5 in. (5900/7900) 1
28† 101682 SCREW, cap, sch 4
29 287465 HOUSING, pinion, 5900 1
30 114672 WASHER, thrust (brass) 2
31 114699 WASHER, thrust (steel) 1
32 287460 GEAR, combination (5900) 1
33 287469 HOUSING, drive (5900) 1
34* 116618 MAGNET 1
35 112395 SCREW, cap, flnghd 1
36 102962 SCREW, cap sch (5900/7900) 4
37 104008 WASHER, lock, spring (5900/7900) 4
38 15C753 SCREW, mach hex hd (5900/7900) 6
39* 119562 SWITCH, reed w/connector 1
40 287933
HOUSING, bearing (5900)
1
41 114666 SCREW, cap, socket hd 4
42 106115 WASHER, lock spring (hi-collar) 4
43 287472 ROD, connecting (5900) 1
44 287511 COVER, front, (5900), includes 45 1
45 118444 SCREW, mach hex wash hd 4
47 PUMP, displacement
287513 (5900), includes 86, 89, 90 1
287579 (5900HD), includes 86, 164 1
67 111457 O-RING 1
68 244240 HOSE, coupled, includes 69 1
69 241920 DEFLECTOR, threaded 1
76 114678 BUSHING, strain relief 1
82 189920 STRAINER, (1-11 1/2 npsm) 1
83 114271 STRAP, retaining 1
84 238049 FLUID, TSL, 4 oz (not shown) 1
86 15E802 FITTING, pump, quick disconnect 1
87 287419 HOSE, coupled 1
89 15E806 TUBE, INTAKE 1
90 118494 O-RING 1
93* 287253 TOOL BOX, includes 94 1
94* 118852 SCREW, machine, hex washer hd 3
99 113161 SCREW, flange, hex hd 3
100 15E736 BRACKET, holder, manual 1
101 119510 HOLDER, manual 1
107 15F110 PIN, pump (5900) 1
108* 114528 SCREW, MACH, PHILLIPS, PNHD 2
115 15E854 LABEL, identification 1
119 LABEL, identification
15E852 (5900) 1
15E980 (5900HD) 1
120▲15F638 LABEL, warning 1
121▲194126 LABEL, warning 1
122 290228 LABEL, caution 1
125▲195119 LABEL, warning 1
127 119569 BUSHING, strain relief 1
130 BOX, control 1
* 287648 Premium 1
287649 Standard 1
132 119778 SPRING, RETAINING (5900) 1
133 114687 CLIP, RETAINER 1
134* 15F354 FUNNEL, OIL (shown on page 5) 1
143 116038 WASHER, wave spring 2
164 119790 O-RING 1
165 15G584 RECEIVER, clamp 1
▲ Replacement Danger and Warning labels, tags,
and cards are available at no cost.
* Premium sprayers only
† Included in Clutch Replacement Kit 241113
Ref Part Description Qty

Parts
24 310893P
GMAX ll 7900/TexSpray 7900 HD Parts Drawing
2EF
2EF
$%4!),!
3EEMANUALFORPARTS
,ABEL
3EEPAGEFORPARTS
3EEPAGEFORPARTS
$%4!),!
5SEDON(IGHBOYSSEEPAGEFOR,OWBOY
2EF
2EF
TID
"OTTOM6IEW
3EEPAGEFORPARTS
A2EF
B2EF
TexSpray 7900HD
Only
Parts
310893P 25
GMAX ll 7900/TexSpray 7900HD Parts List
Ref Part Description Qty
1 287370 FRAME, cart (5900/7900) 1
2 156306 WASHER, flat 2
3 119509 WHEEL, pneumatic (5900/7900) 2
4 15E891 CLIP, retaining 2
5 191084 SLEEVE, cart (5900/7900) 2
6 183350 WASHER 2
7 108068 PIN, spring straight 2
8 108795 SCREW, mach, pnh 4
9 112827 BUTTON, snap 2
10 245245 HANDLE, cart 1
11 237686 WIRE, ground assembly w/ clamp 1
12 112798 SCREW, thread forming, hex hd 1
14 276974 CAP, leg 2
15 116080 ENGINE, gas, 6.5 hp, (7900) 1
16 110837 SCREW, flange, hex 2
17 110838 NUT, lock 2
18 183401 KEY, parallel 1
19 15E277
HOUSING, clutch, mach (5900/7900)
1
20 108842 SCREW, cap, hex hd 4
21 100214 WASHER, lock 4
22 193680 COLLAR, shaft 1
23† 108803 SCREW, hex, socket head 6
24† 105510 WASHER, lock, spring (hi-collar) 10
25†
ARMATURE, clutch, 5 in. (5900/7900)
1
26† HUB, armature 1
27† ROTOR, clutch, 5 in. (5900/7900) 1
28† 101682 SCREW, cap, sch 4
29 287466 HOUSING, pinion, 7900 1
30 114672 WASHER, thrust (brass) 2
31 114699 WASHER, thrust (steel) 1
32 287459 GEAR, combination (7900) 1
33 287470 HOUSING, drive (7900) 1
34* 116618 MAGNET 1
35 112395 SCREW, cap, flnghd 1
36 102962 SCREW, cap sch (5900/7900) 4
37 104008 WASHER, lock, spring (5900/7900) 4
38 15C753 SCREW, mach hex hd(5900/7900) 6
39* 119562 SWITCH, reed w/connector 1
40 287934 HOUSING, bearing (7900) 1
41 112599 SCREW, cap, socket hd 4
42 112600 WASHER, lock spring (hi-collar) 4
43 287473 ROD, connecting (7900) 1
44 287520 COVER, front, (7900), includes 45 1
45 118444 SCREW, mach hex wash hd 5
47 249122 PUMP, displacement (7900),
includes 86, 89, 90
1
289590 PUMP, displacement (TexSpray
7900HD), includes 86, 164
1
67 111457 O-RING 1
109450 O-RING (TexSpray 7900HD only) 1
68 244240 HOSE, coupled, includes 69 1
69 241920 DEFLECTOR, threaded 1
75 15F584 LABEL, ProConnect 1
76 114678 BUSHING, strain relief 1
82 189920 STRAINER, (1-11 1/2 npsm) 1
83 114271 STRAP, retaining 1
84 238049 FLUID, TSL, 4 oz (not shown) 1
86 15E802 FITTING, pump, quick disconnect 1
15G509 FITTING, pump, quick disconnect
(TexSpray 7900HD only)
1
87 287419 HOSE, coupled 1
289282 HOSE, coupled
(TexSpray 7900HD only)
1
89✿248215 TUBE, INTAKE 1
90✿118494 O-RING 1
93✿287253 TOOL BOX, includes 94 1
94✿118852 SCREW, machine, hex washer hd 3
99 113161 SCREW, flange, hex hd 3
100 15E736 BRACKET, holder, manual 1
101 119510 HOLDER, manual 1
107 15F097 PIN, pump (7900) 1
108* 114528 SCREW, MACH, PHILLIPS, PNHD 2
109* 15F947 SHIELD, magnetic 1
115 15E854 LABEL, identification 1
119 15E853 LABEL, identification 1
15M962 LABEL, front (TexSpray 7900HD only) 1
120▲15F638 LABEL, danger, English 1
121▲194126 LABEL, warning 1
122 290228 LABEL, caution 1
125▲195119 LABEL, warning 1
127 119569 BUSHING, strain relief 1
130 BOX, control
* 287648 Premium 1
287649 Standard 1
132 119677 SPRING, RETAINING (7900) 1
133 114687 CLIP, RETAINER 1
134* 15F354 FUNNEL, OIL (shown on page 5) 1
143 116038 WASHER, wave spring 2
164 119790 O-RING 1
109450 O-RING (TexSpray 7900HD only) 1
▲ Replacement Danger and Warning labels, tags, and cards
are available at no cost.
* Premium sprayers only
† Included in Clutch Replacement Kit 241113
✿ Not used on TexSpray 7900HD
Ref Part Description Qty

Parts Drawing and List - Pinion Housing, Drive Housing
26 310893P
Parts Drawing and List - Pinion Housing, Drive Housing
Ref 29: Pinion Housing
GMAX ll 3900: 287463
GMAX ll 5900: 287465
GMAX ll 7900: 287466
TexSpray 7900HD: 287466
Ref 33: Drive Housing
GMAX ll 3900: 287467
GMAX ll 5900: 287469
GMAX ll 7900: 287470
TexSpray 7900HD: 287470
Ref Part Description Qty
29 KIT, repair, field
287474 3900 1
287476 5900 1
287477 7900/TexSpray 7900HD 1
29a GEAR, driving, first
287525 3900 1
241114 5900/7900/TexSpray 7900HD 1
29b RING, retaining, large
113094 3900 1
112770 5900/7900/TexSpray 7900HD 1
29c 105489 PIN, dowel 2
29d O-RING
165295 3900 1
114683 5900/7900/TexSpray 7900HD 1
33a WASHER, thrust, steel
116191 3900 1
116192 5900/7900/TexSpray 7900HD 1
Ref Part Description Qty
33 DRIVE HOUSING 1
33a WASHER, thrust, steel
116191 3900 1
116192 5900/7900/TexSpray 7900HD 1
33b WASHER, thrust, brass
107089 3900 1
194173 5900/7900/TexSpray 7900HD 1
108 Ref*
34 Ref*
38 Ref
33
30,72 Ref
31 Ref
32 Ref
29
29c
29a
29b
27 Ref
28 Ref
ti5494c
38 Ref
39 Ref*
24 Ref
29d
30 Ref
1
33a
33b
109 Ref*
1Pinion housing (29) includes clutch field
✬ Premium models

LoBoy Suction Set Kits (Kits include suction set and drain hose)
310893P 27
LoBoy Suction Set Kits
(Kits include suction set and drain hose)
GMAX ll 3900/5900/7900 5 Gallon Kit: 287631
GMAX ll 3900/5900/7900 55 Gallon Kit: 287541
Ref Part Description Qty
82 189920 STRAINER, 1-11 1/2 npsm 1
90 O-RING
115099 3900/5900 1
119566 7900 1
109 HOSE, suction 3900/5900 287988
288038 includes 82, 109 (suction hose),
110, 111, 112, 114, 115
1
HOSE, suction 7900 288114
288039 includes 82, 109 (suction hose),
110, 111, 112, 114, 115
1
110 15C980 NUT, jam 1
111 15H854 O-RING 2
112 15C981 WASHER, suction, swivel 1
114 118505 RING, retaining, external 1
115 CLIP, drain line
15D000 3900/5900 1
196723 7900 1
153 SCREW
108795 3900/5900 2
NONE 7900
154 TUBE
15E952 3900/5900 1
NONE 7900
155 241920 DEFLECTOR 1
156 HOSE, drain, includes 155
287654 3900/5900 1
246331 7900 1
157 TUBE, suction
15F149 3900/5900 1
15F171 7900 1
158 15F909 TUBE, angle 1
159 120330 CLAMP, hose 2
160 HOSE, suction
15H393 3900/5900 1
15H787 7900 1
161 176450 GUARD, hose 1
ti5755b
82
109
115
114 112
90
111
153
154
156
110
1Used on 3900 5900
1
1
155
159
158
159
157
161

Pressure Control and Filter Parts Drawing
28 310893P
Pressure Control and Filter Parts Drawing
All Models
G F
E
D
A
C
B
4EX3PRAY
($
TID
F
A
A
H
J
B
C
C
M
G
D
E
D
K
R
N
P
A
0REMIUM
-ODELS
F
A
A
H
J
B
C
G
D
E
D
K
R
3TANDARD0ART.UMBER
0REMIUM0ART.UMBER
3TANDARD
-ODELS
4EX3PRAY
($
0ART.UMBER

Pressure Control and Filter Parts List
310893P 29
Pressure Control and Filter Parts List
REF PART DESCRIPTION QTY
Filter Replacement Kit
287510 3900/5900
287517 7900
53★† 15C765 CAP, filter 1
54★†117285 O-RING 1
55★†15C766 TUBE, diffusion 1
56★†244067 FILTER, fluid 1
57★15C780 HANDLE 1
58★15C972 PIN, grooved 1
59★224807 BASE, valve 1
60★‡ 235014 VALVE, drain, replacement kit 1
61★‡ 15E022 SEAT, valve 1
62★‡ 111699 GASKET, seat, valve 1
65 ADAPTER
★164672 (3900/5900) 1
†162485 (7900/TexSpray 5900HD/7900HD) 1
66★†243222 TRANSDUCER, pressure contl 1
67★†111457 O-RING 1
71 116585 SCREW, mach, pnh, sems 6
72*†15E284 HOUSING, filter 1
87 287419 HOSE, coupled 1
289282 HOSE, coupled
(TexSpray 7900HD)
1
91
*
287293 VALVE, auto clean, includes 91a 1
91a
*
115524 GASKET 1
92
*
244346 KIT, repair, clamp, trigger 1
96★†104813 PLUG, pipe 1
113 15E925 GASKET, TRANSDUCER 1
123 119545 BUSHING, strain, relief 1
130 CONTROL BOX
130a*
249583 BOX, premium 1
130a 249584 BOX, standard 1
130b 287516 CONTROL, board 1
130c 117317 SCREW, pan head 4
130d 241443 POTENTIOMETER 1
130e 198650 SPACER, shaft 1
130f 116752 SWITCH, rocker 1
130g 119541 SWITCH, toggle 1
130h 116167
KNOB, potentiometer
1
130j 195428 BOOT, toggle 1
130k 15E857 LABEL, identification 1
130m*
287515 DISPLAY, LCD, GMAX 1
130n*
15E855 LABEL 1
130p
*
15E858 LABEL, identification 1
130r 119545 BUSHING, strain relief 1
150 245103 DRAIN VALVE (7900/TexSpray
7900HD)
150a†◆193710 SEAL, valve 1
150b†◆193709 SEAT, valve 1
150c†◆114797 GASKET 1
150d†◆VALVE ASSEMBLY 1
150e†◆114708 SPRING, compression 1
150f†◆15G563 HANDLE, valve 1
150g†◆116424 NUT, cap, hex, hd 1
151 248314 PLUG, (Standard) includes 152 1
152 15D541 O-RING, Standard) 1
160* 287648 CONTROL, premium, complete 1
(includes 130b-130r)
161 287649 CONTROL, standard, complete 1
(includes 130b-130r)
★Included in Filter Replacement Kit 287510
† Included in Filter Replacement Kit 287517
‡ Included in Drain Valve Replacement Kit 235014
◆Included in Drain Valve Replacement Kit 245103
* Premium models only
REF PART DESCRIPTION QTY
Pressure Control
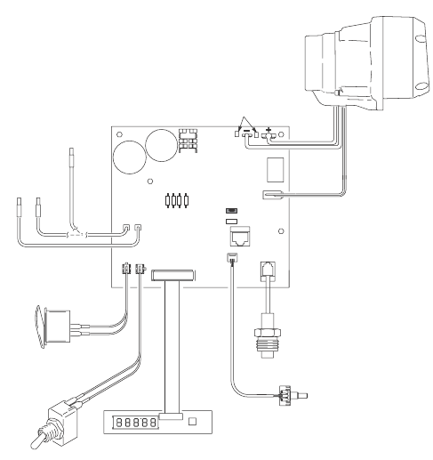
Wiring Diagram
ti5496a
TO ENGINE
5900/7900
TO GROUND
3900
CLUTCH TEST POINTS
CONTROL
BOARD
PINON
DRIVE
TRANSDUCER
POTENTIOMETER
PREMIUM DISPLAY BOARD
ON/ OFF SWITCH
WATCHDOG
PUMP STROKE
COUNTER
D12
LED
J9
J5J4J3
J1
J2
J10

Parts - Sprayers, RAC™ X Tip, Gun & Hose
30 310893P
Parts - Sprayers, RAC™ X Tip, Gun & Hose Ref 40: Bearing Housing
Ref Part Description Qty
202 240794 HOSE, grounded, nylon; 1/4 in. ID; cpld
1/4 npsm(fbe); 50 ft (15 m); spring
guards both ends; 3300 psi (228 bar,
22.8 MPa) (3900/5900)
1
240797 HOSE, grounded, nylon; 3/8 in. ID; cpld
1/4 npsm(fbe); 50 ft (15 m); spring
guards both ends; 3300 psi (228 bar,
22.8 MPa)
(5900HD/7900/TexSpray 7900HD)
1
204 288420 CONTRACTOR II SPRAY GUN
Includes RAC X 517-size SwitchTip and
HandTite Guard. See 311861 for parts.
(3900/5900/7900)
1
241705 TEXTURE SPRAY GUN
Includes LTX531 SwitchTip and Guard.
See 308491 for parts. (5900HD/Tex-
Spray 7900HD)
1
205 159841 BUSHING, 3/8 x 1/4 in. (5900HD/7900) 1
206 241735 HOSE, whip 1/4 in. x 3 ft
(TexSpray 7900HD)
1
TIA
Ref Part Description Qty
40 287932 HOUSING, bearing (3900) 1
287933 HOUSING, bearing (5900) 1
287934 HOUSING, bearing
(7900/TexSpray 7900HD)
1
45 118444 SCREW, mach hex wash hd 1
79 15E975 CLIP, spring 1
104 PIN, housing, bearing
15E779 3900 1
15E625 5900/7900/TexSpray 7900HD 1
105 LATCH, housing, bearing
15G930 3900 1
15G890 5900/7900/TexSpray 7900HD 1
106 NUT, lock hex
102040 3900 2
111040 5900/7900/TexSpray 7900HD 2
141 15F503 SCREW, set, socket hd 1
142 15F498 SCREW, adjustment 1
163 15F116 LATCH 1
165 15G840 RECEIVER, latch (3900) 1
15G584 RECEIVER, latch
(5900/7900/TexSpray 7900HD)
1
166 108859 SCREW, shoulder, sch (3900) 1
116942 SCREW, shoulder, sch
(5900/7900/TexSpray 7900HD)
1
141 40
79
45
142
105
104
106
163
165
166

Technical Data
310893P 31
Technical Data
Dimensions
Honda GX120 Engine
ANSI Power Rating @ 3600 rpm 4.0 Horsepower (3.0 kW)
Honda GX160 Engine
ANSI Power Rating @ 3600 rpm 5.5 Horsepower (4.1 kW)
Honda GX 200 Engine
ANSI Power Rating @ 3600 rpm 6.5 Horsepower (4.8 kW)
Maximum working pressure 3300 psi
(228 bar, 22.8 MPa)
Noise Level
Sound power 105 dBa
per ISO 3744
Sound pressure 96 dBa
measured at 3.1 feet (1 m)
Maximum delivery rating
3900 1.25 gpm (4.73 liter/min)
5900/5900HD 1.60 gpm (6.06 liter/min)
7900 2.20 gpm (8.33 liter/min)
Maximum tip size
3900 1 gun with 0. 036 in. tip
2 guns with 0. 023 in. tip
3 guns with 0. 018 in. tip
5900/5900HD 1 gun with 0. 043 in. tip
2 guns with 0. 029 in. tip
3 guns with 0. 023 in. tip
4 guns with 0. 019 in. tip
7900 1 gun with 0. 048 in. tip
2 guns with 0. 035 in. tip
3 guns with 0. 027 in. tip
4 guns with 0. 023 in. tip
Inlet paint strainer 12 mesh (893 micron)
stainless steel screen, reusable
Outlet paint filter 60 mesh (250 micron)
stainless steel screen, reusable
Pump inlet size 1-5/16–12 UN-2A
Fluid outlet size: 3900/5900 ¼ npsm from fluid filter
Fluid outlet size: 7900 3/8 npsm from fluid filter
Wetted parts zinc-plated carbon steel, PTFE, nylon, polyurethane, UHMW
polyethylene, fluoroelastomer, acetal, leather, aluminum, tung-
sten carbide, nickel- and zinc-plated carbon steel, stainless steel,
chrome plating
Sprayer
(no hose and gun)
Weight lb (kg) Height in. (cm) Width in. (cm) Length in. (cm)
3900 109 (50) 31.5 (80.0) 22.25 (56.5) 32.0 (81.3)
5900 139 (64) 32.25 (81.9) 24.5 (62.2) 32.25 (81.9)
7900 146 (67) 32.25 (81.9) 24.5 (62.2) 33.0 (83.8)
TexSpray 7900HD 157 (71) 32.25 (81.9) 24.5 (62.2) 33.0 (83.8)

Graco Standard Warranty
32 310893P
Graco Standard Warranty
Graco warrants all equipment referenced in this document which is manufactured by Graco and bearing its name to be free from defects in
material and workmanship on the date of sale to the original purchaser for use. With the exception of any special, extended, or limited warranty
published by Graco, Graco will, for a period of twelve months from the date of sale, repair or replace any part of the equipment determined by
Graco to be defective. This warranty applies only when the equipment is installed, operated and maintained in accordance with Graco’s written
recommendations.
This warranty does not cover, and Graco shall not be liable for general wear and tear, or any malfunction, damage or wear caused by faulty
installation, misapplication, abrasion, corrosion, inadequate or improper maintenance, negligence, accident, tampering, or substitution of
non-Graco component parts. Nor shall Graco be liable for malfunction, damage or wear caused by the incompatibility of Graco equipment with
structures, accessories, equipment or materials not supplied by Graco, or the improper design, manufacture, installation, operation or
maintenance of structures, accessories, equipment or materials not supplied by Graco.
This warranty is conditioned upon the prepaid return of the equipment claimed to be defective to an authorized Graco distributor for verification of
the claimed defect. If the claimed defect is verified, Graco will repair or replace free of charge any defective parts. The equipment will be returned
to the original purchaser transportation prepaid. If inspection of the equipment does not disclose any defect in material or workmanship, repairs will
be made at a reasonable charge, which charges may include the costs of parts, labor, and transportation.
Graco’s sole obligation and buyer’s sole remedy for any breach of warranty shall be as set forth above. The buyer agrees that no other remedy
(including, but not limited to, incidental or consequential damages for lost profits, lost sales, injury to person or property, or any other incidental or
consequential loss) shall be available. Any action for breach of warranty must be brought within two (2) years of the date of sale.
GRACO MAKES NO WARRANTY, AND DISCLAIMS ALL IMPLIED WARRANTIES OF MERCHANTABILITY AND FITNESS FOR A
PARTICULAR PURPOSE, IN CONNECTION WITH ACCESSORIES, EQUIPMENT, MATERIALS OR COMPONENTS SOLD BUT NOT
MANUFACTURED BY GRACO. These items sold, but not manufactured by Graco (such as electric motors, switches, hose, etc.), are subject to
the warranty, if any, of their manufacturer. Graco will provide purchaser with reasonable assistance in making any claim for breach of these
warranties.
In no event will Graco be liable for indirect, incidental, special or consequential damages resulting from Graco supplying equipment hereunder, or
the furnishing, performance, or use of any products or other goods sold hereto, whether due to a breach of contract, breach of warranty, the
negligence of Graco, or otherwise.
FOR GRACO CANADA CUSTOMERS
The Parties acknowledge that they have required that the present document, as well as all documents, notices and legal proceedings entered into,
given or instituted pursuant hereto or relating directly or indirectly hereto, be drawn up in English. Les parties reconnaissent avoir convenu que la
rédaction du présente document sera en Anglais, ainsi que tous documents, avis et procédures judiciaires exécutés, donnés ou intentés, à la suite
de ou en rapport, directement ou indirectement, avec les procédures concernées.
ADDITIONAL WARRANTY COVERAGE
Graco does provide extended warranty and wear warranty for products described in the Graco Contractor Equipment Warranty Program.
TO PLACE AN ORDER, contact your Graco distributor, or call 1-800-690-2894 to identify the nearest distributor.
All written and visual data contained in this document reflects the latest product information available at the time of publication.
Graco reserves the right to make changes at any time without notice.
Original instructions. This manual contains English. MM 310893
Graco Headquarters: Minneapolis
International Offices: Belgium, China, Japan, Korea
GRACO INC. P.O. BOX 1441 MINNEAPOLIS, MN 55440-1441
Copyright 2005, Graco inc. is registered to ISO 9001
www.graco.com
2/2005 Rev. 05/2011